Jaguar S Type 2002 Users Manual
2002 to the manual 9493b766-18fb-4934-8129-0f81ac5fd698
2015-02-09
: Jaguar Jaguar-S-Type-2002-Users-Manual-566670 jaguar-s-type-2002-users-manual-566670 jaguar pdf
Open the PDF directly: View PDF 
.
Page Count: 79
- Table of Contents
 - Table of Contents:Figures
 - Abbreviations and Acronyms
 - Introduction
 - Symbols and Codes
 - Network Configuration
 - Fuse Box Location
 - Relay and Fuse Location
 - Harness In-Line Connectors
 - Control Module Location
 - Ground Point Location
 - 01 Power Distribution
 - 02 Battery;Starter;Generator
 - 03 Engine Management
 - 04 Transmission
 - 05 Chassis
 - 06 Climate Control
 - 07 Instrumentation
 - 08 Exterior Lighting
 - 09 Interior Lighting
 - 10 Steering Column;Pedals;Mirrors;Heaters
 - 11 Seat Systems
 - 12 Central Locking;Security
 - 13 Wash /Wipe
 - 14 Powered Windows;Sliding Roof
 - 15 In-Car Entertainment
 - 16 Telematics
 - 17 Occupant Protection
 - 18 Driver Assist
 - 19 Ancillaries
 - 20 Vehicle Multiplex Systems
 

BY APPOINTMENT TO
HER MAJESTY QUEEN ELIZABETH II
MANUFACTURERS OF DAIMLER AND JAGUAR CARS
JAGUAR CARS LIMITED COVENTRY
BY APPOINTMENT TO
HER MAJESTY QUEEN ELIZABETH
THE QUEEN MOTHER
MANUFACTURERS OF DAIMLER AND JAGUAR CARS
JAGUAR CARS LIMITED COVENTRY
BY APPOINTMENT TO
HIS ROYAL HIGHNESS THE PRINCE OF WALES
MANUFACTURERS OF DAIMLER AND JAGUAR CARS
JAGUAR CARS LIMITED COVENTRY
Jaguar Cars Limited
2002 Model Year
Electrical Guide
Published by Parts and Service Communications
Publication Part Number – JJM 10 38 16/25

Jaguar S
-
TYPE 2002.5
1
DATE OF ISSUE:   March 2002 (PROVISIONAL)
Table of Contents
Table of Contents: Figures ................................................................................................................... 2 – 3
Abbreviations and Acronyms ............................................................................................................... 4
Introduction ........................................................................................................................................ 5
Symbols and Codes ............................................................................................................................. 6 – 8
Network Configuration ........................................................................................................................ 9
Fuse Box Location ............................................................................................................................. 10
Relay and Fuse Location .................................................................................................................... 11
Harness In-Line Connectors ............................................................................................................... 12 – 13
Control Module Location ................................................................................................................... 14 – 15
Ground Point Location ...................................................................................................................... 16
Electrical Guide Figures .......................................................................................... follows after page 16
(pages are numbered by Figure number)

Jaguar S
-
TYPE 2002.5
2DATE OF ISSUE:   March 2002 (PROVISIONAL)
Table of Contents: Figures
FIGURES
Fig. Description Variant
01 Power Distribution
Fig. 01.1 ...... Main Power Distribution ............................................................................ All Vehicles
Fig. 01.2 ...... Battery Power Distribution: Part 1 .............................................................. All Vehicles
Fig. 01.3 ...... Battery Power Distribution: Part 2 .............................................................. All Vehicles
Fig. 01.4 ...... Ignition Switched Power Distribution: I (Accessory) ..................................... All Vehicles
Fig. 01.5 ...... Ignition Switched Power Distribution: II (Run)............................................. All Vehicles
Fig. 01.6 ...... Switched System Power Distribution .......................................................... All Vehicles
Fig. 01.7 ...... Engine Management System Switched Power Distribution ........................... All Vehicles
02 Battery; Starter; Generator
Fig. 02.1 ...... Battery; Starter; Generator: V6 ................................................................... V6 Vehicles
Fig. 02.2 ...... Battery; Starter; Generator: V8 ................................................................... V8 Vehicles
03 Engine Management
Fig. 03.1 ...... Engine Management: V6 – Part 1................................................................ V6 Vehicles
Fig. 03.2 ...... Engine Management: V6 – Part 2................................................................ V6 Vehicles
Fig. 03.3 ...... Engine Management: V8 N/A – Part 1 ......................................................... V8 N/A Vehicles
Fig. 03.4 ...... Engine Management: V8 N/A – Part 2 ......................................................... V8 N/A Vehicles
Fig. 03.5 ...... Engine Management: V8 SC – Part 1 ........................................................... V8 SC Vehicles
Fig. 03.6 ...... Engine Management: V8 SC – Part 2 ........................................................... V8 SC Vehicles
04 Transmission
Fig. 04.1 ...... Transmissions ............................................................................................ All Vehicles
05 Chassis
Fig. 05.1 ...... Dynamic Stability Control .......................................................................... All Vehicles
Fig. 05.2 ...... Electronic Parking Brake; Variable Assist Power Steering ............................. All Vehicles
Fig. 05.3 ...... Adaptive Speed Control ............................................................................. Adaptive Speed Control Vehicles
Fig. 05.4 ...... Suspension Adaptive Damping ................................................................... Adaptive Damping Vehicles
06 Climate Control
Fig. 06.1 ...... Climate Control System; Windshield Heaters .............................................. All Vehicles
07 Instrumentation
Fig. 07.1 ...... Instrument Cluster; Audible Warnings ........................................................ All Vehicles
08 Exterior Lighting
Fig. 08.1 ...... Exterior Lighting: Front .............................................................................. Non HID Headlamp Vehicles
Fig. 08.2 ...... Exterior Lighting: Front – HID .................................................................... HID Headlamp Vehicles
Fig. 08.3 ...... Exterior Lighting: Rear................................................................................ All Vehicles
Fig. 08.4 ...... Exterior Lighting: Rear – Trailer Towing ...................................................... Trailer Towing Vehicles
Fig. 08.5 ...... Headlamp Leveling .................................................................................... Headlamp Leveling Vehicles
09 Interior Lighting
Fig. 09.1 ...... Interior Lighting ......................................................................................... All Vehicles
Fig. 09.2 ...... Dimmer-Controlled Lighting ....................................................................... All Vehicles
10 Steering Column; Pedals; Mirrors; Heaters
Fig. 10.1 ...... Steering Column Adjust; Pedal Adjust ......................................................... All Vehicles
Fig. 10.2 ...... Door Mirrors: Movement and Heaters; Heated Rear Window...................... All Vehicles
Fig. 10.3 ...... Electrochromic Rear View Mirror; Fold-Back Mirrors .................................. All Vehicles; Fold-Back Mirror Vehicles

Jaguar S
-
TYPE 2002.5
3
DATE OF ISSUE:   March 2002 (PROVISIONAL)
Table of Contents: Figures
FIGURES
Fig. Description Variant
11 Seat Systems
Fig. 11.1 ...... Driver Seat: 10-Way Movement with Memory ............................................ 10-Way Driver Seat Memory Vehicles
Fig. 11.2 ...... Driver Seat: 16-Way Movement with Memory ............................................ 16-Way Driver Seat Memory Vehicles
Fig. 11.3 ...... Driver Seat: Non Memory .......................................................................... Non Memory Driver Seat Vehicles
Fig. 11.4 ...... Passenger Seat ........................................................................................... 6 / 8 / 10-Way Passenger Seat Vehicles
Fig. 11.5 ...... Passenger Seat: 16-Way Movement ............................................................ 16-Way Passenger Seat Vehicles
Fig. 11.6 ...... Seat Heaters .............................................................................................. Heated Seat Vehicles
12 Central Locking; Security
Fig. 12.1 ...... Central Locking: Double Locking ................................................................ Double Locking Vehicles
Fig. 12.2 ...... Central Locking: Non Double Locking......................................................... Non Double Locking Vehicles
Fig. 12.3 ...... Security System ......................................................................................... All Vehicles
13 Wash / Wipe
Fig. 13.1 ...... Wash / Wipe System .................................................................................. All Vehicles
14 Powered Windows; Sliding Roof
Fig. 14.1 ...... Powered Windows; Sliding Roof ................................................................. All Vehicles
15 In-Car Entertainment
Fig. 15.1 ...... In-Car Entertainment: Standard .................................................................. Standard ICE Vehicles
Fig. 15.2 ...... In-Car Entertainment: Premium ................................................................. Premium ICE Vehicles
16 Telematics
Fig. 16.1 ...... Telephone System: ROW ........................................................................... ROW Vehicles
Fig. 16.2 ...... Telephone System: NAS ............................................................................. NAS Vehicles
Fig. 16.3 ...... Telephone System with Voice: ROW .......................................................... ROW Vehicles
Fig. 16.4 ...... Telephone System with Voice: NAS ............................................................ NAS Vehicles
Fig. 16.5 ...... Voice Control System ................................................................................. Voice Only Vehicles
Fig. 16.6 ...... Navigation System (except Japan) ............................................................... Navigation Vehicles (except Japan)
Fig. 16.7 ...... Navigation System with TV (except Japan) ................................................... Navigation Vehicles with TV (except Japan)
Fig. 16.8 ...... Navigation System: Japan ........................................................................... Japan Navigation Vehicles
17 Occupant Protection
Fig. 17.1 ...... Advanced Restraint System: Part 1 ............................................................. All Vehicles
Fig. 17.2 ...... Advanced Restraint System: Part 2 ............................................................. All Vehicles
18 Driver Assist
Fig. 18.1 ...... Parking Aid System .................................................................................... Parking Aid Vehicles
19 Ancillaries
Fig. 19.1 ...... Ancillaries: Horn, Cigar Lighter, Power Point,
Accessory Connector, Sun Shade, Singapore Road Pricing ........................... All Vehicles
20 Vehicle Multiplex Systems
Fig. 20.1 ...... Controller Area Network............................................................................ All Vehicles
Fig. 20.2 ...... Standard Corporate Protocol Network; Serial Data Link .............................. All Vehicles
Fig. 20.3 ...... D2B Network: Part 1 ................................................................................. All Vehicles
Fig. 20.4 ...... D2B Network: Part 2 ................................................................................. All Vehicles
Fig. 20.5 ...... D2B Network: Part 3 ................................................................................. All Vehicles

Jaguar S
-
TYPE 2002.5
4DATE OF ISSUE:   March 2002 (PROVISIONAL)
Abbreviations and Acronyms
The following abbreviations and acronyms are used throughout this Electrical Guide:
A/C Air Conditioning
A/CCM Air Conditioning Control Module
APP SENSOR Accelerator Pedal Position Sensor
APP1 Accelerator Pedal Position Sensor Element 1
APP2 Accelerator Pedal Position Sensor Element 2
AUTO Automatic Transmission
B+ Battery Voltage
BANK 1 RH Cylinder Bank (Cylinders 1, 3, 5, 7)
BANK 2 LH Cylinder Bank (Cylinders 2, 4, 6, 8)
CAN Controller Area Network
CKP SENSOR Crankshaft Position Sensor
CM Control Module
CMP SENSOR / 1 Camshaft Position Sensor / RH Bank
CMP SENSOR / 2 Camshaft Position Sensor / LH Bank
D2B D2B Network
DSC Dynamic Stability Control
ECM Engine Control Module
ECT SENSOR Engine Coolant Temperature Sensor
EFT SENSOR Engine Fuel Temperature Sensor
EGT SENSOR Exhaust Gas Temperature Sensor
EOT SENSOR Engine Oil Temperature Sensor
EVAP CANISTER CLOSE VALVE Evaporative Emission Canister Close Valve
EVAP CANISTER PURGE VALVE Evaporative Emission Canister Purge Valve
FTP SENSOR Fuel Tank Pressure Sensor
GECM General Electronic Control Module
GPS Global Positioning System
HID High Intensity Discharge
HO2 SENSOR 1 / 1 Heated Oxygen Sensor – RH Bank / Upstream
HO2 SENSOR 1 / 2 Heated Oxygen Sensor – RH Bank / Downstream
HO2 SENSOR 2 / 1 Heated Oxygen Sensor – LH Bank / Upstream
HO2 SENSOR 2 / 2 Heated Oxygen Sensor – LH Bank / Downstream
IAT SENSOR Intake Air Temperature Sensor
IC Instrument Cluster
ICE In-Car Entertainment System
IMT VALVE / 1 Intake Manifold Tuning Valve / Top
IMT VALVE / 2 Intake Manifold Tuning Valve / Bottom
IP SENSOR Injection Pressure Sensor
KS / 1 Knock Sensor / RH Bank
KS / 2 Knock Sensor / LH Bank
LH Left Hand
LHD Left Hand Drive
MAF SENSOR Mass Air Flow Sensor
MAN Manual Transmission
MAP SENSOR Manifold Absolute Pressure Sensor
N/A Normally Aspirated
NAS North American Specification
PATS Passive Anti-Theft System
PWM Pulse Width Modulated
RH Right Hand
RHD Right Hand Drive
ROW Rest of World
SCP Standard Corporate Protocol Network
TCM Transmission Control Module
TP SENSOR Throttle Position Sensor
TP1 Throttle Position Sensor Element 1
TP2 Throttle Position Sensor Element 2
TURN Turn Signal
TV Television
V6 V6 Engine
V8 V8 Engine
VICS Vehicle Information Control System
VVT VALVE / 1 Variable Valve Timing Valve / Bank 1
VVT VALVE / 2 Variable Valve Timing Valve / Bank 2
+ve Positive
–ve Negative

Jaguar S
-
TYPE 2002.5
5
DATE OF ISSUE:   March 2002 (PROVISIONAL)
Introduction
Provisional Electrical Guide Format
This Provisional Electrical Guide is an abridged version made up of two sections.  The first section provides general information for and about
the use of the book and information and illustrations to aid in the location of components.
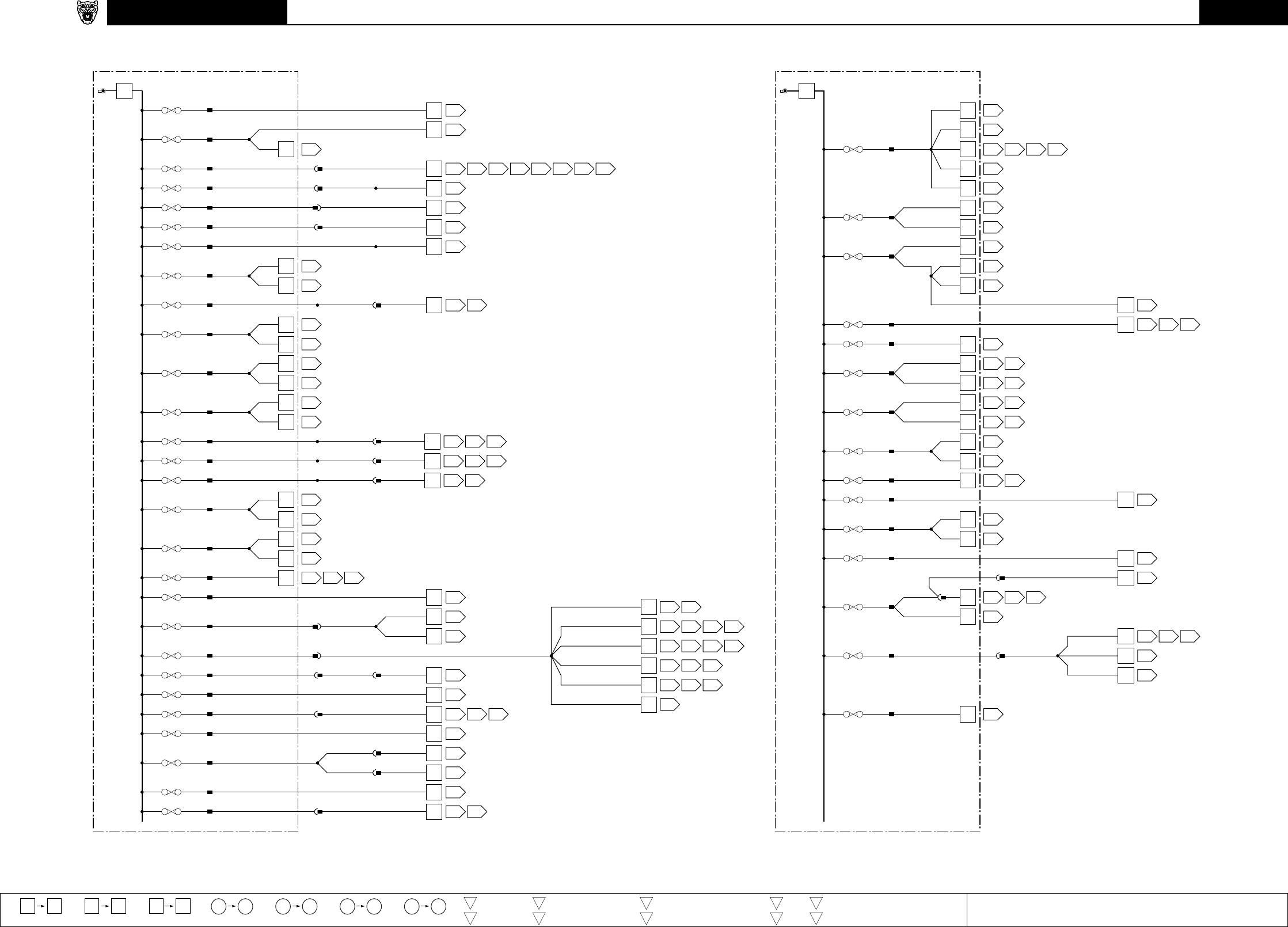
The Figure section illustrates detailed electrical circuit information for each system on the vehicle.  Each Figure is identified by a Figure Number
(i.e. Fig. 01.1) and Title.  The data that normally accompanies each Figure is not included in this Provisional version.
It is recommended that the user read through the front section of the book to develop a familiarity with the layout of the book and with the
system of symbols and abbreviations used.  The Table of Contents should help to guide the user.
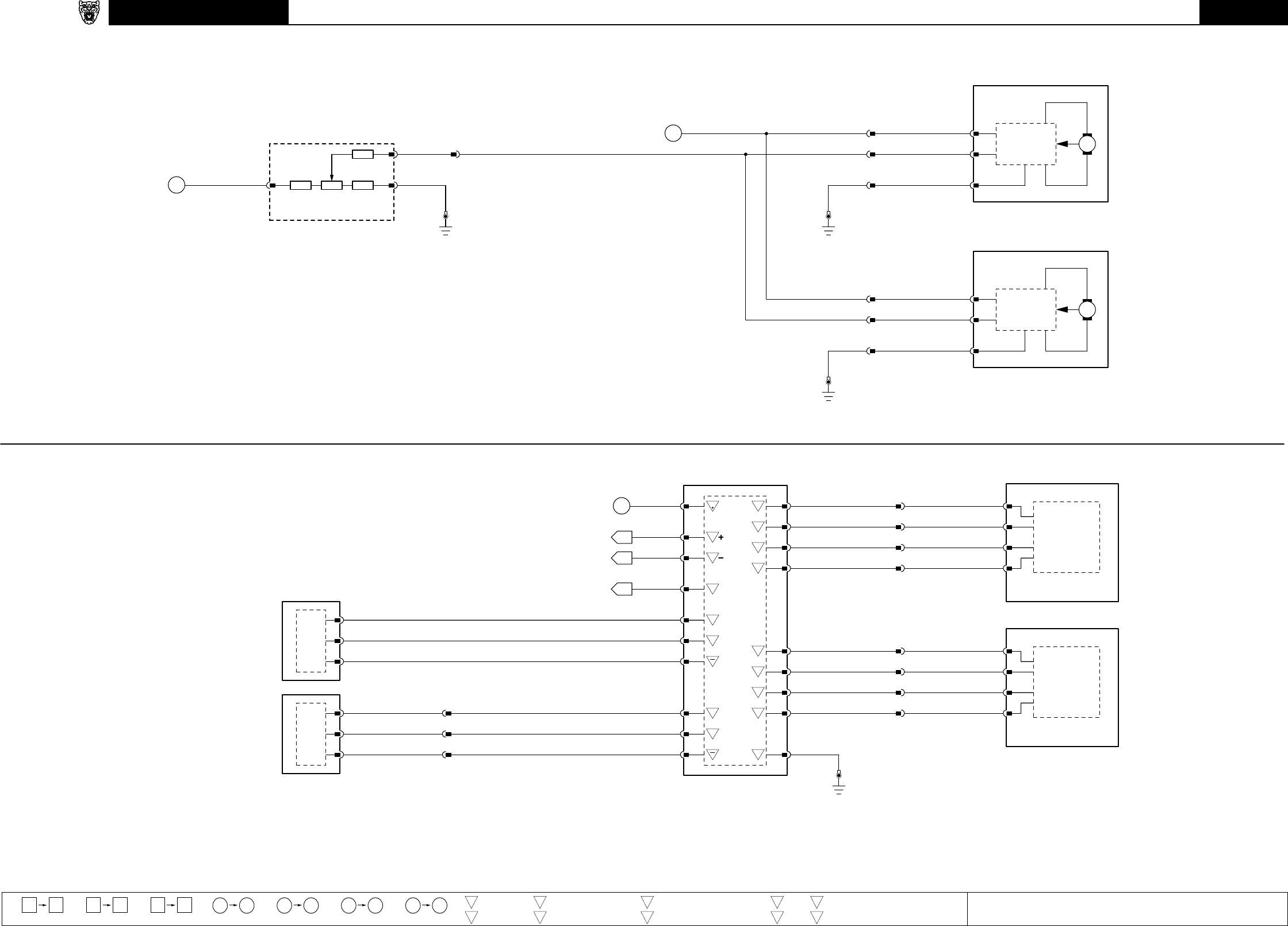
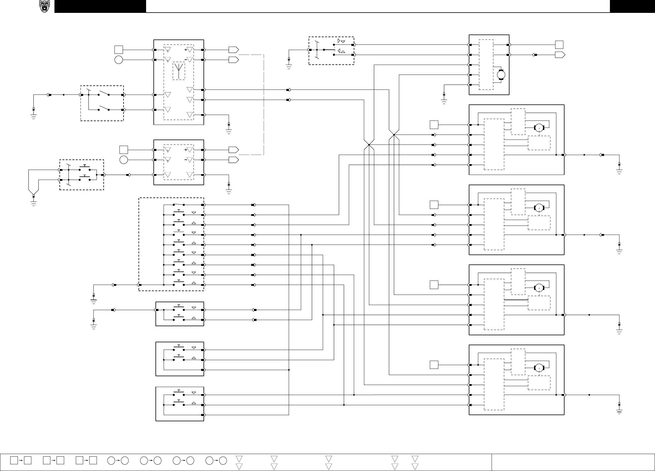
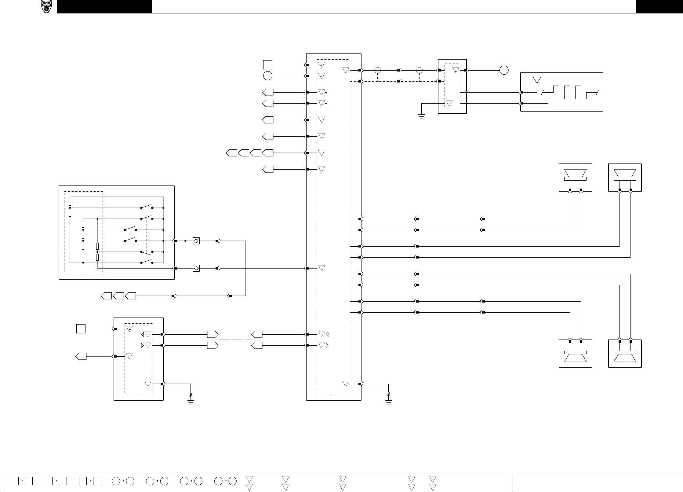
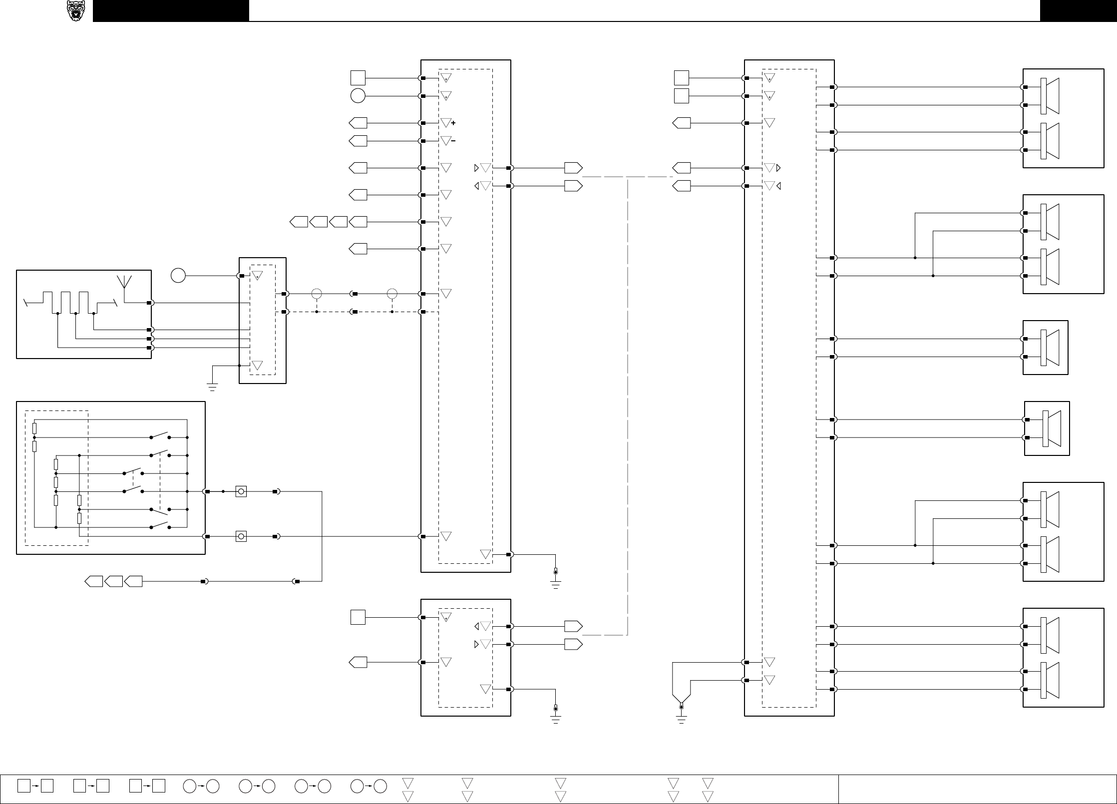
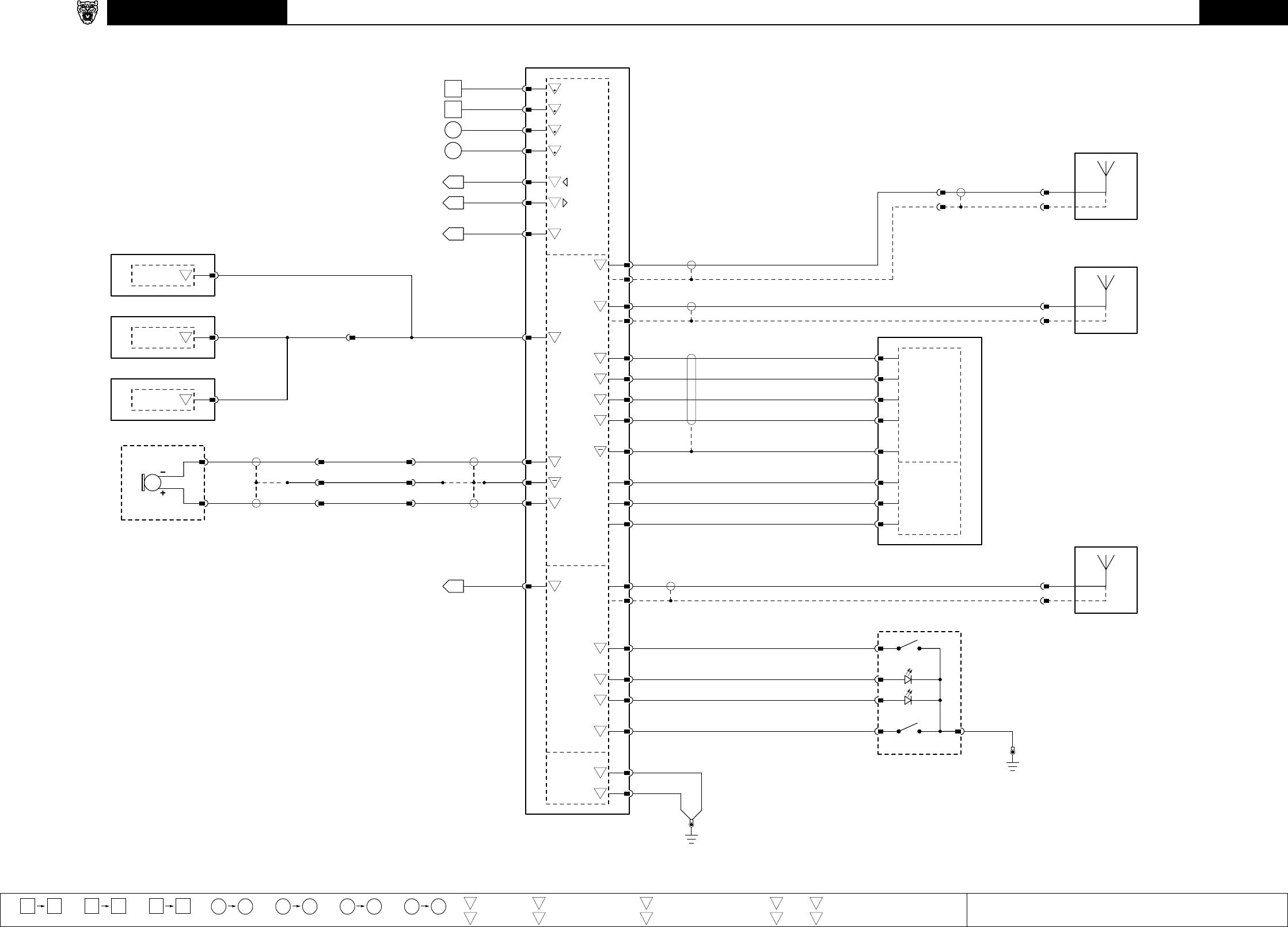
Jaguar S-TYPE Electrical System Architecture
Power Supplies
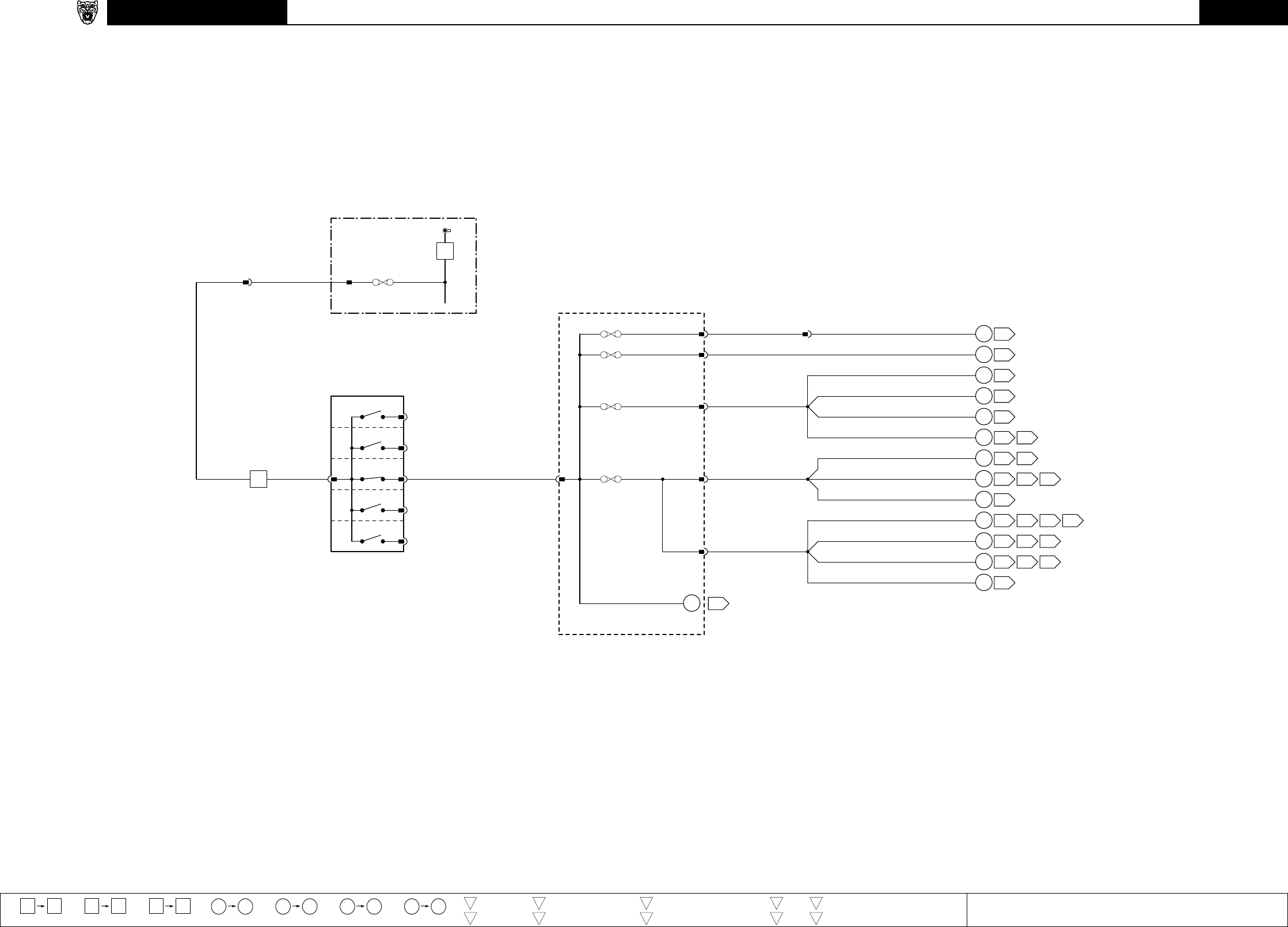
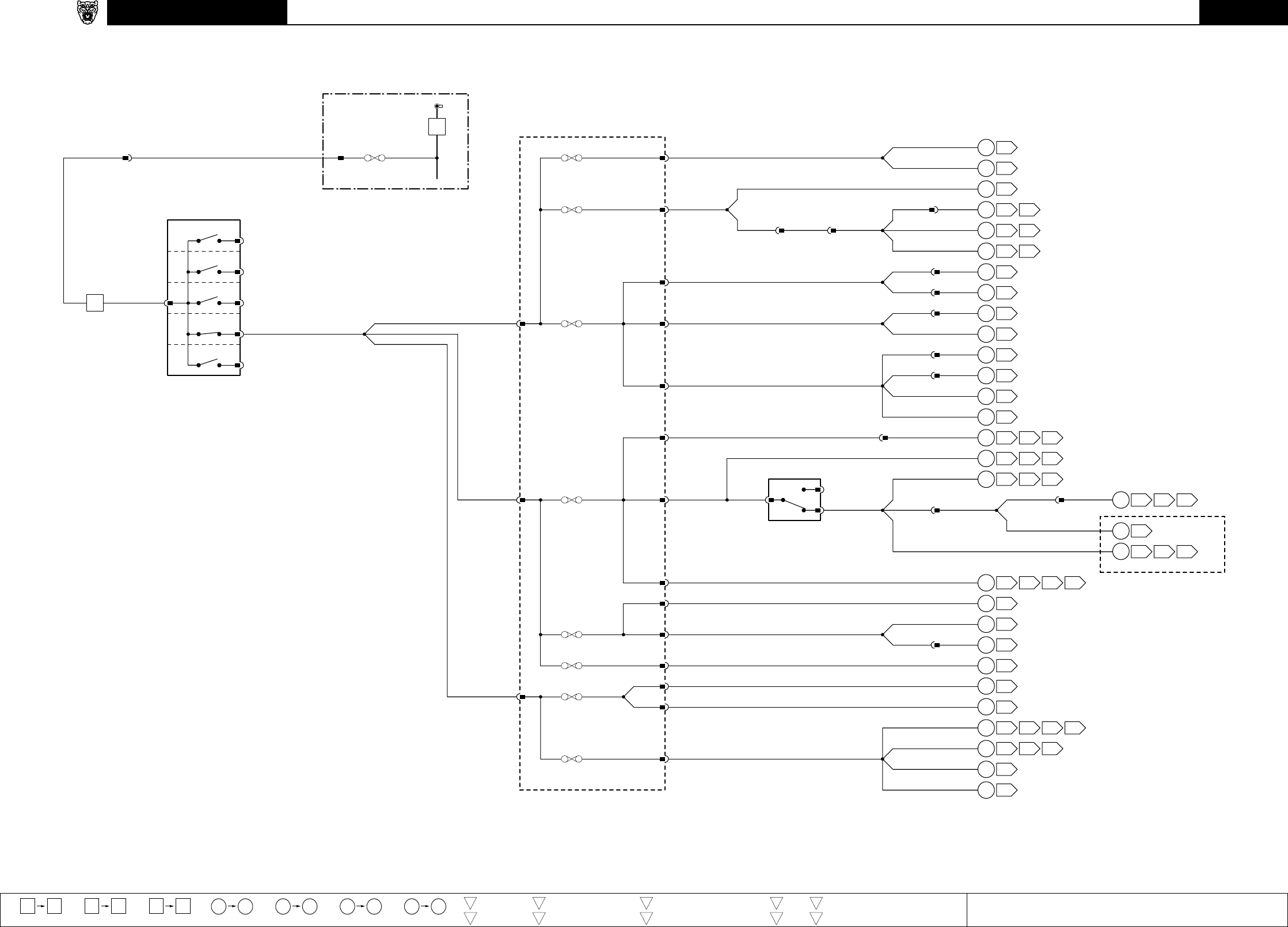
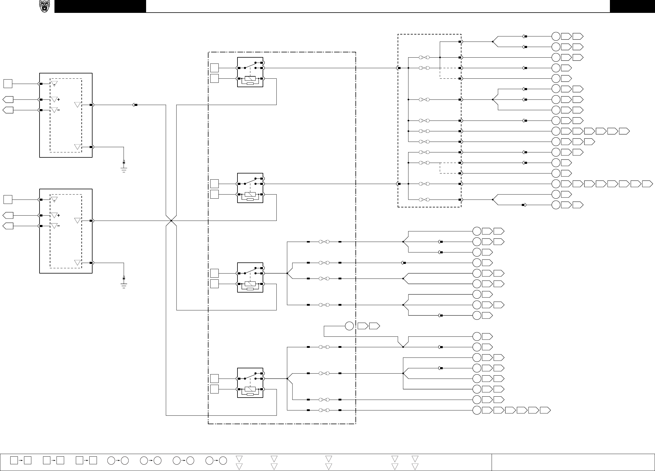
The Jaguar S-TYPE electrical system is a supply-side switched system.  The ignition switch directly carries much of the ignition switched power
supply load.  Power supply is provided via three methods: direct battery power supply, ignition switched power supply, and “Switched System
Power Supply”.   The “Switched System Power Supply” circuit is controlled via the GECM (General Electronic Control Module) and the RECM
(Rear Electronic Control Module). Refer to Figure 01.6 for circuit activation details.
Fuse Boxes
The electrical harness incorporates two hard-wired power distribution fuse boxes: the Front Power Distribution Fuse Box located in the engine
compartment and the Rear Power Distribution Fuse Box located in the trunk.  A serviceable Primary Junction Fuse Box is located in the front
right-hand foot well.  All fuses and relays (except the trailer towing accessory kit) are located in the two fuse boxes.
Vehicle Networks
The New Jaguar S-TYPE employs three different networks: a CAN (Controller Area Network) for high-speed power train communications,
an SCP (Standard Corporate Protocol) network for slower speed body systems communications, and a D2B (Optical) Network for very high-
speed “real-time” audio data transfer.  The D2B Network is a fiber optic network with a gateway to the remaining vehicle networks via the
Audio Unit.  Technician access to the three networks and the Serial Data Link is via the Data Link Connector.
Ground Studs
Circuit ground connections are made at body studs located throughout the vehicle.  There are no separate power and logic grounding systems;
however, there are a certain number of components that use unique ground points.
S-TYPE INSTRUMENT PANEL

Jaguar S
-
TYPE 2002.5
6DATE OF ISSUE:   March 2002 (PROVISIONAL)
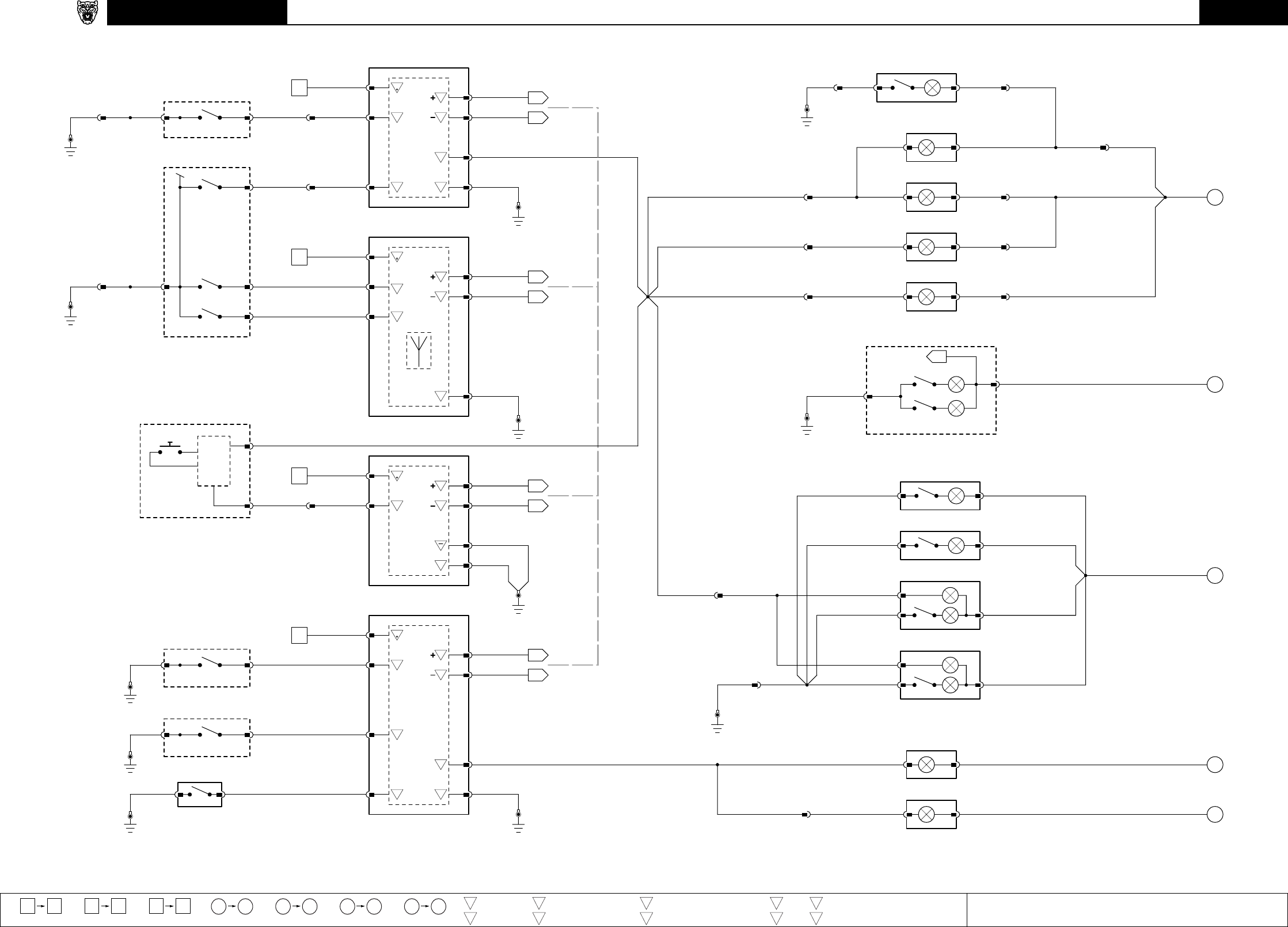
Symbols and Codes
NOTE: In the examples on this page, an ‘X’ is used where a number would appear on an actual Figure.
Reference Symbols
Battery power supply
Ignition switched auxiliary power supply (key I, II)
Ignition switched power supply (key II, III)
Switched System Power Supply power supply
Engine Management System power supply
Figure number reference
Controller Area Network
Standard Corporate Protocol network
D2B network
Wiring Symbols
Simplified splice
Bulb
Capacitor
Connector
Diode
Eyelet and stud
Fuse
Ground
Hall effect sensor
Motor
Potentiometer
Power distribution box terminal
Pressure transducer
Resistor
Solenoid
Suppression diode
Suppression resistor
Thermistor
Transistor
Wire continued
Zener diode
X
XX.X
SCP
CAN
D2B
X
I
X
II
E
X
S
X
H
Light emitting diode (LED)
Splice
Control Module Pin Symbols
Input CAN network
Output SCP network
Battery voltage D2B network
Power ground Serial and encoded data
Sensor/signal supply V *
Sensor/signal ground **
* May also indicate Reference Voltage.
** May also indicate Reference Ground or Logic Ground.
Refer to Control Module Pin-Out Information.
I
O
C
S
+
–
D
D
2
B
+
P

Jaguar S
-
TYPE 2002.5
7
DATE OF ISSUE:   March 2002 (PROVISIONAL)
Symbols and Codes
Wiring Color Codes
NBrown OOrange
BBlack SSlate
WWhite LLight
KPink UBlue
GGreen PPurple
RRed BRD Braid
YYellow BOF Black fiber optic (D2B Network)
Code Numbering
When numbering connectors, grounds and splices, Jaguar Engineer-
ing uses a three-position format: CA001, CA002, etc.  Because space
is limited in this Electrical Guide the codes have, in most cases, been
shortened.  Thus CA001-001 becomes CA1-1, CA002-001 becomes
CA2-1, etc.
Harness Codes
AC Climate Control Link
AT Alarm Link
BF Front Fog Lamp Harness
BR Rear Bumper Harness
CA Cabin Harness
CP Intercooler Pump Link
CV Canister Vent Link
DD Driver Door Harness
DM Driver Memory Seat Harness
DT Driver Door Trim Link
FC Fascia Harness
FH Front Harness
FL LH Front Headlamp Link
FP Fuel Pump Harness
FR RH Front Headlamp Link
GB Transmission Harness
IL Fuel Injector Link
PD Passenger Door
PI Engine Harness
PN Passenger Seat Harness
PT Passenger Door Trim Link
RA D2B Network Harness
RF Roof Harness
SL Solar Sensor Link
SR Sliding Roof Harness
SW Subwoofer Link
TT Trailer Tow Harness

Jaguar S
-
TYPE 2002.5
8DATE OF ISSUE:   March 2002 (PROVISIONAL)
Symbols and Codes
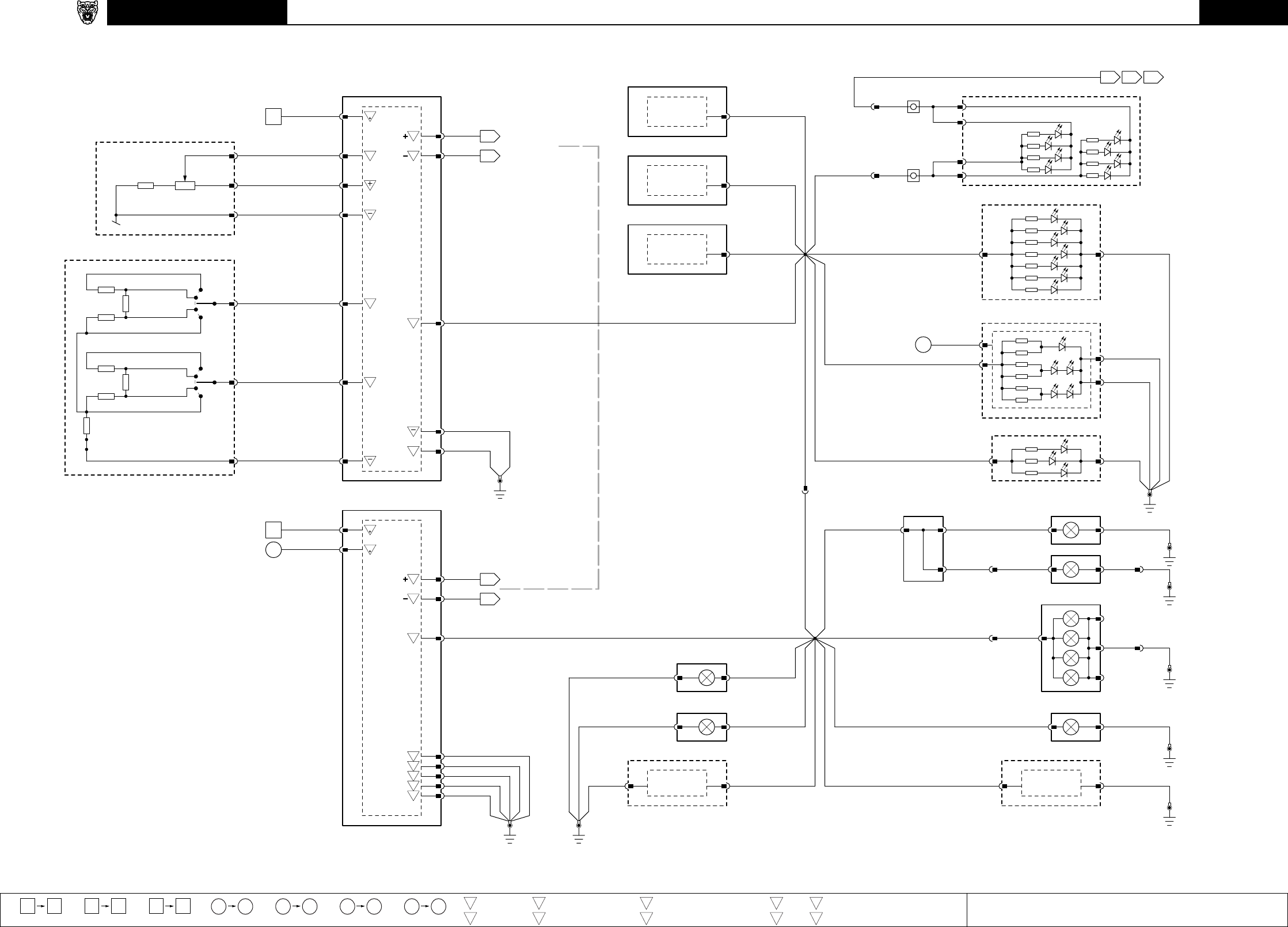
Grounds
On figures where LHD and RHD circuits are combined and the ground designation differs from LHD to RHD, the RHD ground code is shown
in parentheses.  If the ground designation is the same for LHD and RHD, only one ground code is used, with no parentheses.
EXAMPLE:
CA154
(CA141) CA154
LHD Vehicles
RHD Vehicles Same for LHD and RHD Vehicles
Relays
All relays are located in the Front and Rear Power Distribution Boxes and the Primary Junction Fuse Box.  Relays do not have a separate relay
connector (base).  All relays use the ISO pin numbering system (1, 2, 3, 4, 5).  Each relay is identified by an “R” number unique only to the
fuse box in which it is located.
EXAMPLE:
3
1
5
2
R6 4
3
1
5
2
R2
CHANGE-OVER RELAY NORMALLY OPEN RELAY
Fuses
All fuses are located in the Front and Rear Power Distribution Boxes and the Primary Junction Fuse Box. Each fuse is identified by an
“F” number unique only to the fuse box in which it is located.
EXAMPLE:
F19 15A
Networks
In most instances, networks are shown as a broken grey line to indicate that there is network communication between the depicted control
modules.  Refer to Figures 20.1, 20.2, 20.3, 20.4 and 20.5 for circuit details.
EXAMPLE:
S
S
IP5-2
IP5-1
20.2
20.2 20.2
IP10-1
IP10-2
S
S
U
Y
U
Y
20.2
SCP
MESSAGE(S)
MESSAGE(S)
MESSAGE(S)
MESSAGE(S)
CONTROL MODULE CONTROL MODULE
Component Depictions
EXAMPLE:
COMPLETE COMPONENTS
AND CONTROL MODULES INCOMPLETE COMPONENTS
(EXCEPT CONTROL MODULES) ASSEMBLIES AND
POWER DISTRIBUTION FUSE BOXES COMPONENTS WITH
INTERNAL ELECTRONIC CIRCUIT

Jaguar S
-
TYPE 2002.5
9
DATE OF ISSUE:   March 2002 (PROVISIONAL)
CAN SCP
D2B
Network Configuration
RESTRAINTS
CONTROL
MODULE
PARKING AID
CONTROL
MODULE
ROOF
CONSOLE
ENGINE
CONTROL
MODULE
ADAPTIVE
SPEED CONTROL
CONTROL
MODULE
HEADLAMP
LEVELING
CONTROL
MODULE
AIR CONDITIONING
CONTROL
MODULE
TRANSMISSION
CONTROL
MODULE
DYNAMIC
STABILITY
CONTROL
CONTROL
MODULE
J GATE
INSTRUMENT
CLUSTER
NETWORK GATEWAY
ELECTRONIC
PARKING BRAKE
CONTROL
MODULE
DRIVER DOOR
CONTROL
MODULE
REAR ELECTRONIC
CONTROL
MODULE
ADAPTIVE
DAMPING
CONTROL
MODULE
DRIVER SEAT
CONTROL
MODULE
GENERAL
ELECTRONIC
CONTROL
MODULE
STEERING
COLUMN LOCK
CONTROL
MODULE
POWER
AMPLIFIER
VOICE
ACTIVATION
CONTROL
MODULE
CELLULAR PHONE
CONTROL
MODULE
CD
AUTOCHANGER
AUDIO UNIT
NETWORK GATEWAY
NAVIGATION
CONTROL
MODULE
SERIAL DATA LINK
DATA LINK CONNECTOR
CAN NETWORK
SCP NETWORK
D2B NETWORK
SERIAL DATA LINK NOTE: TYPICAL S-TYPE NETWORK CONFIGURATION
(AUTOMATIC TRANSMISSION; FULL OPTION SET).
REFER TO FIGURES 20.1, 20.2, 20.3, 20.4 AND 20.5 FOR CIRCUIT DETAILS.

Jaguar S
-
TYPE 2002.5
10 DATE OF ISSUE:   March 2002 (PROVISIONAL)
Fuse Box Location
FRONT POWER DISTRIBUTION BOX
PRIMARY JUNCTION FUSE BOX
REAR POWER DISTRIBUTION BOX

Jaguar S
-
TYPE 2002.5
11
DATE OF ISSUE:   March 2002 (PROVISIONAL)
Relay and Fuse Location
FRONT POWER DISTRIBUTION BOX
R2 HEATED OXYGEN SENSOR RELAY
R3 IGNITION COIL RELAY
R4 THROTTLE MOTOR RELAY
R5 EMS CONTROL RELAY
R7 AUXILIARY COOLANT PUMP RELAY
R8 A/C COMPRESSOR CLUTCH RELAY
R10 LH HID RELAY
R11 FRONT FOG LAMP RELAY
R12 HORN RELAY
R13 RH HID RELAY
R15 WIPER HIGH / LOW RELAY
R16 WIPER PARK RELAY
R17 LH WINDSHIELD HEATER RELAY
R18 POWER WASH RELAY
R20 STARTER RELAY
R21 WIPER PARK HEATER RELAY OR
RH WINDSHIELD HEATER RELAY
R1 CIGAR LIGHTER / POWER POINT RELAY
PRIMARY JUNCTION FUSE BOX
R1 HEATED REAR WINDOW RELAY
R2 SWITCHED SYSTEM POWER RELAY 1
R4 SWITCHED SYSTEM POWER RELAY 3
R5 SWITCHED SYSTEM POWER RELAY 4
R7 BLOWER MOTOR RELAY
R8 FUEL FLAP RELAY
R10 ACCESSORY RELAY
R11 SWITCHED SYSTEM POWER RELAY 2
R15 FUEL PUMP RELAY
REAR POWER DISTRIBUTION BOX
F8
5A F9
10A F10
5A F11
10A F12
15A F13
5A F14
10A F15
5A F16
10A F17
5A F18
20A F19
15A F20
10A
F1
5A F3
5A F4
5A F5
10A F6
10A F7
5A
F22
10A F23
10A F24
5A F25
10A F26
10A F27
10A F29
5A F30
10A F32
20A F33
10A F35
5A
R1
D3
F32
10A F33
15A F34
15A F35
30A F36
15A F37
15A F38
10A D4
F14
15A F15
15A F16
15A F17
15A F18
20A F19
10A F20
30A
R10R7 R8
R11 R16R15R13R12
R5R4
R3R2
R17 R18 R20 R21
F09
50A F11
30A F12
20A
F25
40A F27
30A F28
30A F30
40A F31
30A
F13
80A
D1
F51
5A F53
10A F55
10A F57
10A F59
15A
F42
5A F43
10A F44
10A F46
10A F47
15A F48
10A F49
15A F50
5A
F26
15A F28
15A F29
15A F30
15A F31
15A F32
15A F33
15A F34
15A F35
15A F37
15A
R8
R1 R4R2
R5 R7
R10
R15
R11
F18
20A F21
20A
F19
20A F20
20A F23
20A
F10
20A F11
20A F14
20A
F12
20A F13
20A F15
20A
F3
15A F4
15A
F1
40A F2
15A F7
15A
F5
15A F6
15A

Jaguar S
-
TYPE 2002.5
12 DATE OF ISSUE:   March 2002 (PROVISIONAL)
Harness In-Line Connectors
LHD
FC4 (14) 
FC19 (16);
  FC23 (10);
FC26 (16);
FC42 (4);
FC98 
FH3 (16) FH114 (2)
FH6 (16) 
PN40 (4); PN35 (4); PN24 (20); PN23 (4)
RA1 (2)
BR1 (10)
CA3 CA4
RL2 (2)
FP6
RF34 (16)
DM23 (20); DM22 (4); DM40 (4)
FC17 (16);
FC25 (4);
FC33 (16)
FC39 (10)
FC99
DD8 (16); DT8 (14); DT10 (14)
FH2 (16)
FC10 (14);
FC12 (14)
FC34 (16)
GB1 (16) PI42(8)
PI41(42)
IS5 (6)
FH40 (12) FH39 (12)
BF1 (6) FH89 (6)
IS6 (6) ST4
FC107AC7
FC122
SL3 (10) FH1 (20)
FH82 (2)
FP2
RR2 (2)
PD4 (10) 
PT1 (14) 
NOTE: WHERE THE INFORMATION IS AVAILABLE, THE NUMBER OF PINS CONTAINED IN A CONNECTOR IS SHOWN IN PARENTHESES.

Jaguar S
-
TYPE 2002.5
13
DATE OF ISSUE:   March 2002 (PROVISIONAL)
Harness In-Line Connectors
RHD
FC4 (14);
FC12 (14) 
FC19 (16);
  FC23 (10);
FC17 (16);
FC25 (4);
FC98 
FH3 (16) FH114 (2)
FH6 (16) 
PD4 (10) 
PT1 (14) 
PN40 (4); PN35 (4); PN24 (20); PN23 (4)
RA1 (2)
BR1 (10)
CA3 CA4
RL2 (2)
FP6
RF34 (16)
DM23 (20); DM22 (4); DM40 (4)
FC26 (16);
FC42 (4);
FC33 (16)
FC39 (10)
FC99
DT10 (14); DT8 (14); DD8 (16)
FH2 (16)
FC10 (14)
FC34 (16)
GB1 (16)
PI42(8)
PI41(42)
IS5 (6)
FH40 (12) FH39 (12)
BF1 (6) FH89 (6)
IS6 (6) ST4
FC107
AC7
FC122
SL3 (10) FH1 (20)
FH82 (2)
FP2
RR2 (2)
NOTE: WHERE THE INFORMATION IS AVAILABLE, THE NUMBER OF PINS CONTAINED IN A CONNECTOR IS SHOWN IN PARENTHESES.

Jaguar S
-
TYPE 2002.5
14 DATE OF ISSUE:   March 2002 (PROVISIONAL)
Control Module Location
STEERING COLUMN LOCK
CONTROL MODULE
GENERAL ELECTRONIC
CONTROL MODULE
INSTRUMENT CLUSTER
DRIVER DOOR
CONTROL MODULE
DRIVER SEAT HEATER
CONTROL MODULE
DRIVER SEAT
CONTROL MODULE
AIR CONDITIONING
CONTROL MODULE
(COMBINED WITH
CONTROL PANEL)
POWER AMPLIFIER (TOP);
NAVIGATION CONTROL
MODULE (MIDDLE);
CD AUTOCHANGER (BOTTOM)
VEHICLE INFORMATION
CONTROL MODULE
VOICE ACTIVATION
CONTROL MODULE
CELLULAR PHONE
CONTROL MODULE
PARKING AID
CONTROL MODULE
DYNAMIC STABILITY CONTROL
CONTROL MODULE
RESTRAINTS
CONTROL MODULE
HEADLAMP LEVELING
CONTROL MODULE
AIR CONDITIONING
CONTROL MODULE (REMOTE)
AUDIO UNIT
PASSENGER SEAT
WEIGHT SENSING
CONTROL MODULE
OCCUPANCY SENSING
CONTROL MODULE
PASSENGER SEAT HEATER
CONTROL MODULE
ELECTRONIC PARKING BRAKE
CONTROL MODULE
REAR ELECTRONIC
CONTROL MODULE
TRAILER TOWING MODULE
ADAPTIVE DAMPING
CONTROL MODULE
LHD
NOTE: THE TRANSMISSION CONTROL MODULE IS CONTAINED WITHIN THE TRANSMISSION.
ADAPTIVE SPEED CONTROL
CONTROL MODULE
ENGINE CONTROL MODULE

Jaguar S
-
TYPE 2002.5
15
DATE OF ISSUE:   March 2002 (PROVISIONAL)
Control Module Location
ENGINE CONTROL MODULE
GENERAL ELECTRONIC
CONTROL MODULE
AIR CONDITIONING
CONTROL MODULE (REMOTE)
PASSENGER SEAT
WEIGHT SENSING
CONTROL MODULE
OCCUPANCY SENSING
CONTROL MODULE
PASSENGER SEAT HEATER
CONTROL MODULE
AIR CONDITIONING
CONTROL MODULE
(COMBINED WITH
CONTROL PANEL)
POWER AMPLIFIER (TOP);
NAVIGATION CONTROL
MODULE (MIDDLE);
CD AUTOCHANGER (BOTTOM)
VEHICLE INFORMATION
CONTROL MODULE
VOICE ACTIVATION
CONTROL MODULE
CELLULAR PHONE
CONTROL MODULE
PARKING AID
CONTROL MODULE
DYNAMIC STABILITY CONTROL
CONTROL MODULE
RESTRAINTS
CONTROL MODULE
STEERING COLUMN LOCK
CONTROL MODULE
INSTRUMENT CLUSTER
AUDIO UNIT
DRIVER DOOR
CONTROL MODULE
DRIVER SEAT HEATER
CONTROL MODULE
DRIVER SEAT
CONTROL MODULE
ELECTRONIC PARKING BRAKE
CONTROL MODULE
REAR ELECTRONIC
CONTROL MODULE
TRAILER TOWING MODULE
ADAPTIVE DAMPING
CONTROL MODULE
RHD
NOTE: THE TRANSMISSION CONTROL MODULE IS CONTAINED WITHIN THE TRANSMISSION.
ADAPTIVE SPEED CONTROL
CONTROL MODULE
HEADLAMP LEVELING
CONTROL MODULE

Jaguar S
-
TYPE 2002.5
16 DATE OF ISSUE:   March 2002 (PROVISIONAL)
Ground Point Location
PI51 (ENGINE BLOCK GROUND)
FH95
FH22
PI40 (RHD)
FH77
CA30
CA141
CA157
CA158
FH42
PI40 (LHD)
ST2
CA50
FC38
CA154
CA116
CA156
JB1

B
+
13 II
Fig. 01.1 Fig. 01.4
I
O
+
–
C
S
D
2
DP
114
476 II II
Fig. 01.2 Fig. 01.5
15 45
77 92 SS
Fig. 01.3 Fig. 01.6
46 80 EE
Fig. 01.7
81 118
VARIANT:
VIN RANGE:
DATE OF ISSUE:
Jaguar S
-
TYPE 2002.5
Output
Sensor/Signal Supply V CAN
SCP Serial and Encoded Data
All
March 2002 (PROVISIONAL)
Sensor/Signal Ground
D2B NetworkInput Battery Voltage
Power Ground
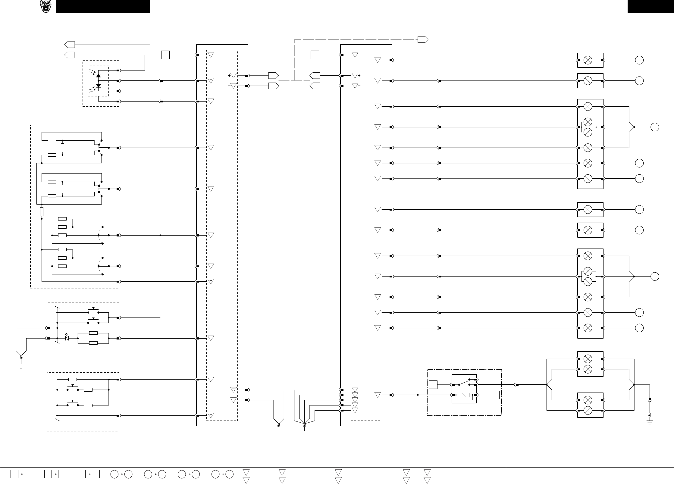
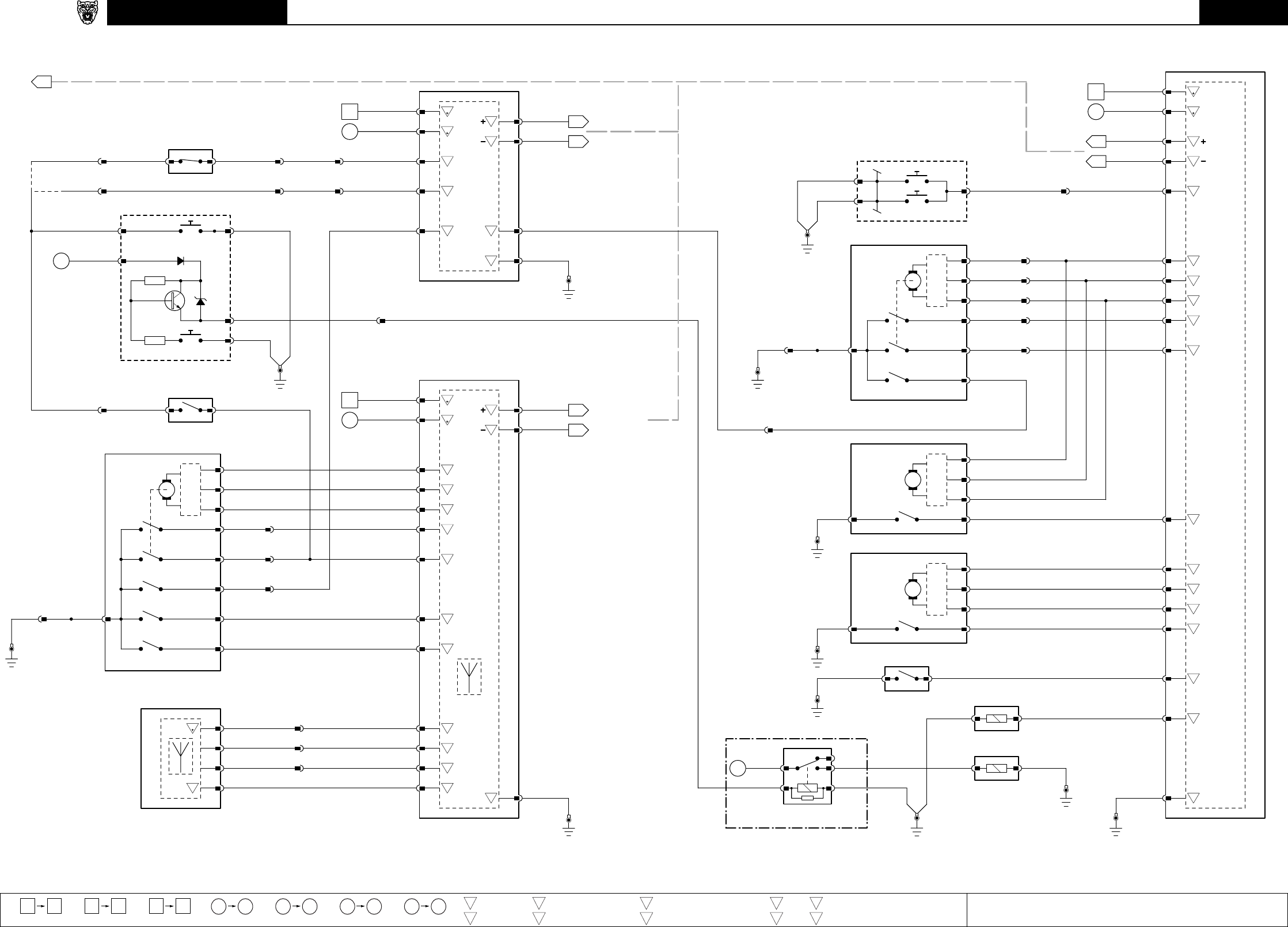
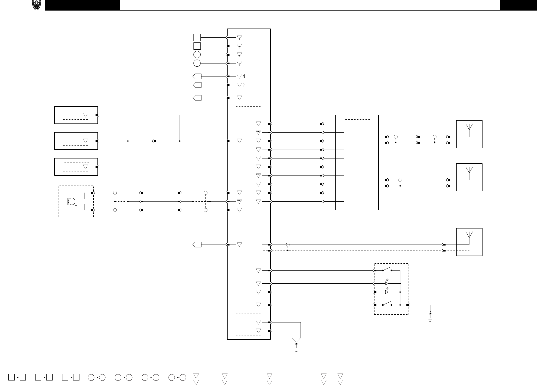
Main Power Distribution Main Power Distribution Fig. 01.1
All Vehicles
FH83CA177
ST10CA281
N
FC18-6
TIMER
R
B
CA280
CA16-1
JB2
CA16-2
NW
N
41
JB1
R
175 A
CA135
CA282
R
R
CA44
1
CA61-37 F33 5A
CA61-56 F50 5A
NR
FC39-1
CA61-65
NW
R
R
FH66
2
02.1
CA61-3 F3 20A
3
I
II
III
0
FC18-4
NR
7
N
FC39-6
02.2
CA302
CA301
R
CA304
CA133
500 A
TRANSIT ISOLATION
RELAY
KEY-IN
IGNITION SWITCH
BATTERY STARTER
MEGAFUSE
BATTERY POWER BUS
REAR
POWER DISTRIBUTION BOX
MEGAFUSE FRONT
BULKHEAD
STARTER
BATTERY POWER BUS
FRONT
POWER DISTRIBUTION BOX

B
+
13 II
Fig. 01.1 Fig. 01.4
I
O
+
–
C
S
D
2
DP
114
476 II II
Fig. 01.2 Fig. 01.5
15 45
77 92 SS
Fig. 01.3 Fig. 01.6
46 80 EE
Fig. 01.7
81 118
VARIANT:
VIN RANGE:
DATE OF ISSUE:
Jaguar S
-
TYPE 2002.5
Output
Sensor/Signal Supply V CAN
SCP Serial and Encoded Data
All
March 2002 (PROVISIONAL)
Sensor/Signal Ground
D2B NetworkInput Battery Voltage
Power Ground
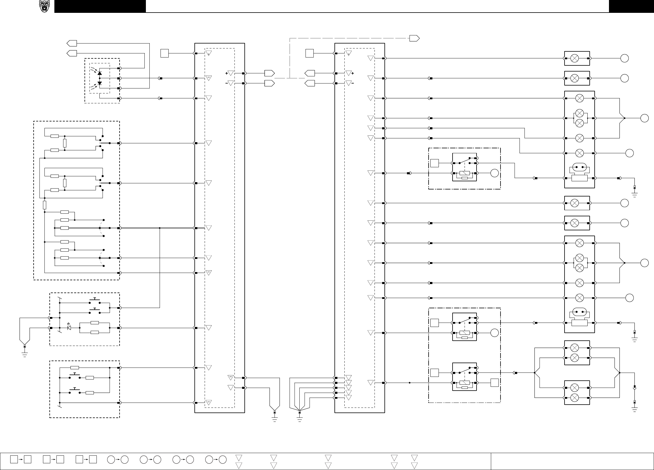
Battery Power Distribution: Part 1 Battery Power Distribution: Part 1 Fig. 01.2
FC39-1
CA44
CA61-1
F1 40A
NW 4
01.3
CA61-4
F4 20A
NW
CA61-6
F6 20A
NG 10
14.1
CA61-38
F34 15A
N
11.6
CA61-39
F35 30A
NR
05.2
FH66
2
FH32-13
F13 80A
NG 57
03.2 03.4 03.6
FH32-9
F9 50A
YR
01.7
FH32-11
F11 30A
YU
13.1
FH32-12
F12 20A
NR
FH32-39
F33 15A
NR
03.1
CA61-2
F2 20A
NR
CA61-3
F3 20A
NR 7
01.1
NR
CAR1
19.1
5
19.1
6
NR
NR
CA3-8
NW
14.1
8
NW
CAS86
CA61-5
F5 20A
NR 9
14.1
DT8-1
NR
NG
PT1-1
CA61-7
F7 20A
NR 11
14.1
NR
CAS87
CA61-10
F10 30A
NG 12
06.1
CAS92
13
NG
NG
CA61-11
F11 30A
NR 14
11.4
CAS67
PN23-1
NR NR
CA61-19
F19 30A
NW 23
11.4
CAS71
PN23-2
NW NW
CA61-41
F37 10A
NG
11.4
PN24-11
NG
CA61-12
F12 30A
N15
01.6
CAR3
16
N
N
CA61-13
F13 30A
NR 17
01.6
CAR4
18
NR
NR
CA61-14
F14 30A
NW 19
CAR5
20
NW
NW
CA61-20
F20 30A
NG 24
CAR6
25
NG
NG
CA61-15
F15 30A
NR 21
11.1
CAS60
DM22-1
NR NR
CA61-18
F18 30A
NW 22
CAS61
DM22-2
NW NW
CA61-36
F32 10A
NG
11.1
DM23-4
NG
CA61-21
F21 30A
R26
10.2
CAR2
27
R
R
CA61-23
F23 30A
NG 28
03.2
CA61-30
F26 15A
NW
05.4
CA61-32
F28 30A
NG
15.2
NG
15.2
CAS40
NG
NG
CA3-7
CA61-33
F29 10A
NG
15.1
CA61-34
F30 5A
NG
02.2
CA61-35
F31 20A
NG
14.1
CA61-37
F33 5A
NW
01.1
11.6
DM23-12
PN24-12
NG NG
NR NR
1
NW
NW
NG
NG
NG
NW
NR
CAS7
FHS59
01.7
01.7
01.7
01.7
YR
YR
YR
YR
YR
Y
NR
NR
NR
13.1
56
FHS57
FH32-20
F14 15A
NR 58
08.2
FH32-21
F15 15A
NG
08.1
NG 60
59
FH32-40
NR
08.2
F34 15A
FH32-22
F16 15A
NR
12.3
NR 62
61
FH32-31
F25 40A
NW
06.1
NW 64
63
NW
NR
FHS55
FH32-36
F30 40A
N
06.1
N68
67
N
FHS54
FH32-33
F27 30A
NW 65
02.1
FH32-34
F28 30A
R66
05.1
R
FH32-37
F31 30A
RW 69
05.1
RW
FH32-38
F32 10A
Y
03.2
Y72
71
06.1
04.1
PI41-31
NR 74
73
NR
PIS16
40
38
31
30
29
45
44
43
42
41
39
52
51
50
49
48
46
47
53
54
55
02.1 02.2
01.6
01.6
01.6
01.6
01.6
01.6
03.4 03.6
03.1 03.3 03.5
02.2
03.4 03.6
03.3 03.5
#3
Y70
06.1
CP1-3
Y
06.1
06.1
06.1
07.1
08.2
08.1 08.2
CA3-6 CAS26
NG
16.1
16.1
16.3
NW
NR
15.2
16.6
NW
16.7
NR
11.5
11.2 11.3
11.5
11.1 11.2 11.3
10.2
11.2 11.3
11.5
13.1
13.1
13.1
13.1
12.3
16.2 16.3 16.4
16.2 16.3 16.4
16.4 16.5
16.8
16.8
01.4 01.5 04.1 12.3
FH1-19 PI42-6
NG
19.1
19.1
NR
37
36
35
34
33
32
NR
04.1
76
NR 75
BATTERY POWER BUS
REAR POWER DISTRIBUTION BOX
BATTERY POWER BUS
FRONT POWER DISTRIBUTION BOX
All Vehicles

B
+
13 II
Fig. 01.1 Fig. 01.4
I
O
+
–
C
S
D
2
DP
114
476 II II
Fig. 01.2 Fig. 01.5
15 45
77 92 SS
Fig. 01.3 Fig. 01.6
46 80 EE
Fig. 01.7
81 118
VARIANT:
VIN RANGE:
DATE OF ISSUE:
Jaguar S
-
TYPE 2002.5
Output
Sensor/Signal Supply V CAN
SCP Serial and Encoded Data
All
March 2002 (PROVISIONAL)
Sensor/Signal Ground
D2B NetworkInput Battery Voltage
Power Ground
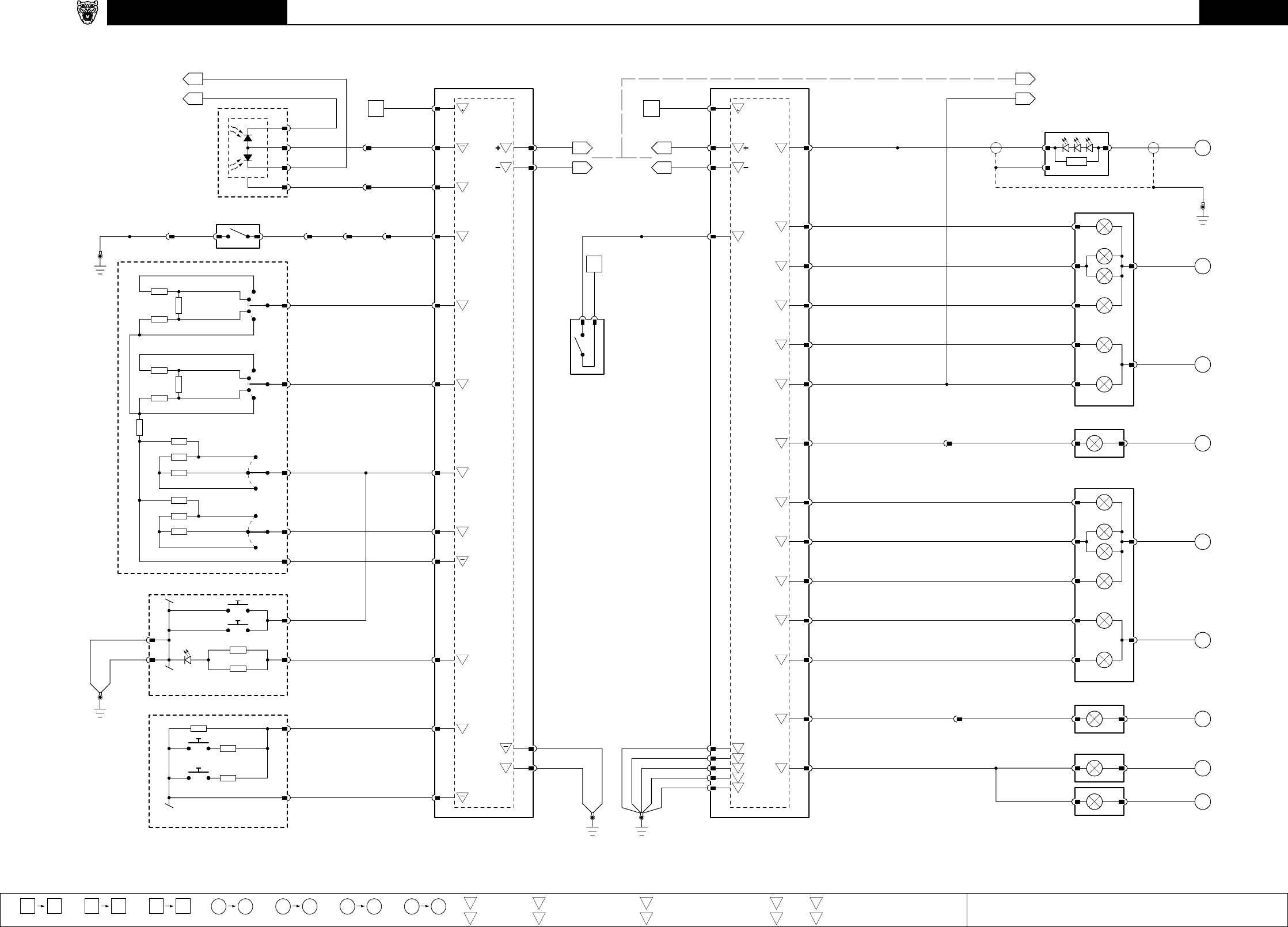
Battery Power Distribution: Part 2 Battery Power Distribution: Part 2 Fig. 01.3
F6 10A
FC37-1
CA2-10
OY
CA44
CA61-1
F1 40A
NW 4
1
NW
F7 5A
CA2-15
WG
F19 15A
FC37-22
NR
F20 10A
F18 20A
FC37-4
NR
F32 20A
F35 5A
CA2-2
NR
20.1
09.1
FH7-5
NR 12.3
FC37-16
NR 12.3
19.1
SL3-1 SLS1
NR NR
NR
10.1
01.6
FC37-12
NG 02.1
FH7-2
NR 01.6
FC37-8
NR 06.1
FHS2
NG
N
N
FH1-1
FCS2
15.1
NG
16.6
NG
19.1
CA2-12
CAS85
03.1
03.2
02.1
NR
NR
NR
02.2
03.2 03.4 03.6
03.3 03.5
20.2
07.1 08.1 08.2 09.1 09.2 12.3
07.1 08.1 08.2 09.1 09.2 12.1 12.2
07.1 08.3 09.1
08.3
10.1 10.2 10.3 11.1 12.1 12.2
15.2
16.7 16.8
12.1 12.2
12.3 14.1
08.3 10.1 19.1
12.3 19.1
12.3 14.110.2 10.3
04.1
04.1
82
81
86
84
85
87
83
80
79
78
77
88
89
92
91
90
REAR POWER DISTRIBUTION BOX
PRIMARY JUNCTION
FUSE BOX
NOTE: SLS1 – Electronic Road Pricing only.
All Vehicles

B
+
13 II
Fig. 01.1 Fig. 01.4
I
O
+
–
C
S
D
2
DP
114
476 II II
Fig. 01.2 Fig. 01.5
15 45
77 92 SS
Fig. 01.3 Fig. 01.6
46 80 EE
Fig. 01.7
81 118
VARIANT:
VIN RANGE:
DATE OF ISSUE:
Jaguar S
-
TYPE 2002.5
Output
Sensor/Signal Supply V CAN
SCP Serial and Encoded Data
All
March 2002 (PROVISIONAL)
Sensor/Signal Ground
D2B NetworkInput Battery Voltage
Power Ground
Ignition Switched Power Distribution: I (Accessory) Ignition Switched Power Distribution: I (Accessory) Fig. 01.4
FC18-2
W
CA44
1
NR
FC39-1 CA61-3 F3 20A
I
II
III
0
FC18-4
NR
7
FC37-15
F12 15A
FC37-26
YU
F26 10A
CA56-6
WU
F13 5A
FC37-25
W
F27 10A
FC37-18
W
FC10-8
YU
CAS36
WU
3
I
WU
WU
5
I
6
I
4
I
1
I
WU
FCS3 8
I
7
I
WR
WG
WG
WU
WR
CA56-2
W
CAS29
WR
13
I
10
I
11
I
12
I
W
9
I
W
2
I
13.1
07.1
05.2
19.1
19.1
15.1 15.2
16.6
09.2
16.1
16.5
16.8
15.1 15.2
16.7 16.8
16.2 16.3 16.4
16.6 16.7 16.8
16.3 16.4
14
I
19.1
REAR POWER DISTRIBUTION BOX
KEY-IN
IGNITION SWITCH
PRIMARY JUNCTION
FUSE BOX
All Vehicles

B
+
13 II
Fig. 01.1 Fig. 01.4
I
O
+
–
C
S
D
2
DP
114
476 II II
Fig. 01.2 Fig. 01.5
15 45
77 92 SS
Fig. 01.3 Fig. 01.6
46 80 EE
Fig. 01.7
81 118
VARIANT:
VIN RANGE:
DATE OF ISSUE:
Jaguar S
-
TYPE 2002.5
Output
Sensor/Signal Supply V CAN
SCP Serial and Encoded Data
All
March 2002 (PROVISIONAL)
Sensor/Signal Ground
D2B NetworkInput Battery Voltage
Power Ground
Ignition Switched Power Distribution: II (Run) Ignition Switched Power Distribution: II (Run) Fig. 01.5
CA44
1
NR
FC39-1 CA61-3 F3 20A
I
II
III
0
FC18-4
NR
7
F3 5A FH7-4
WG
F14 10A
CA56-1
NG
F15 5A CA2-1
GO
F5 10A CA2-7
WU
F29 5A CA2-8
WU
FC18-7
WG
FC37-9
FC37-2
FCS6
WG
WG
FHS3
WG
NW
03.5
16.1
16.5
18.1
12.3
17.2
F4 5A CA2-23
WG
FH53-1
GO
CAR12
WG
CA4-1
CA4-2
GU
GU
GUGU
CAS31
31
II
03.6
03.6
FH1-3
GU
01.7
34
II
03.5
33
II
FHS1
PI41-15
GU GU
GU
PI41-32
GO 29
II
WG
03.6
30
II
02.1
WG WG 35
II
FC37-23
FC37-6
WU 36
II
WU
CAS68
WU
PH24-3
WU WU
17.2
17.1
37
II
38
II
FC37-14
WG
FC37-19
NR 40
II
06.1
41
II
05.4
CAS39
GO
04.1
17
II
05.3
05.1
16
II
15
II
GO GO
FH1-18 PI41-13
GO
PIS26
GO
GB1-7
GO
02.1
GO
02.1
20
II
F16 10A
CA2-6
WG
CAS14
WU WU
WW
DM23-2
PN24-2
11.6
22
II
11.6
21
II
CA2-4
W
CAS88
WW
RF34-1
10.3
23
II
W
13.1
24
II
08.5
FC37-5
YR
YR 25
II
FCS21
NW
FC10-7
08.5
YR 26
II
YR
FC10-7
08.5
27
II
YR
05.3
28
II
YR
F17 5A FC37-13
WG WG
07.1
39
II
45
II
44
II
43
II
42
II
CAS38
WU
WU
WU
WU
NG
NR
32
II
03.2 03.4
03.1 03.3
03.2 03.4
03.1 03.3
03.2 03.4
02.2
02.2 04.1
07.1
02.2
16.2 16.3 16.4
16.3 16.4
18
II
12.3
GO 19
II
04.1
KEY-IN
IGNITION SWITCH
REAR POWER DISTRIBUTION BOX
PRIMARY JUNCTION
FUSE BOX
NOTE: CAS88 – Vehicles with both Electrochromic Rear View Mirror
and Rain Sensing Module only.
INERTIA SWITCH
FRONT
POWER DISTRIBUTION BOX
All Vehicles

B
+
13 II
Fig. 01.1 Fig. 01.4
I
O
+
–
C
S
D
2
DP
114
476 II II
Fig. 01.2 Fig. 01.5
15 45
77 92 SS
Fig. 01.3 Fig. 01.6
46 80 EE
Fig. 01.7
81 118
VARIANT:
VIN RANGE:
DATE OF ISSUE:
Jaguar S
-
TYPE 2002.5
Output
Sensor/Signal Supply V CAN
SCP Serial and Encoded Data
All
March 2002 (PROVISIONAL)
Sensor/Signal Ground
D2B NetworkInput Battery Voltage
Power Ground
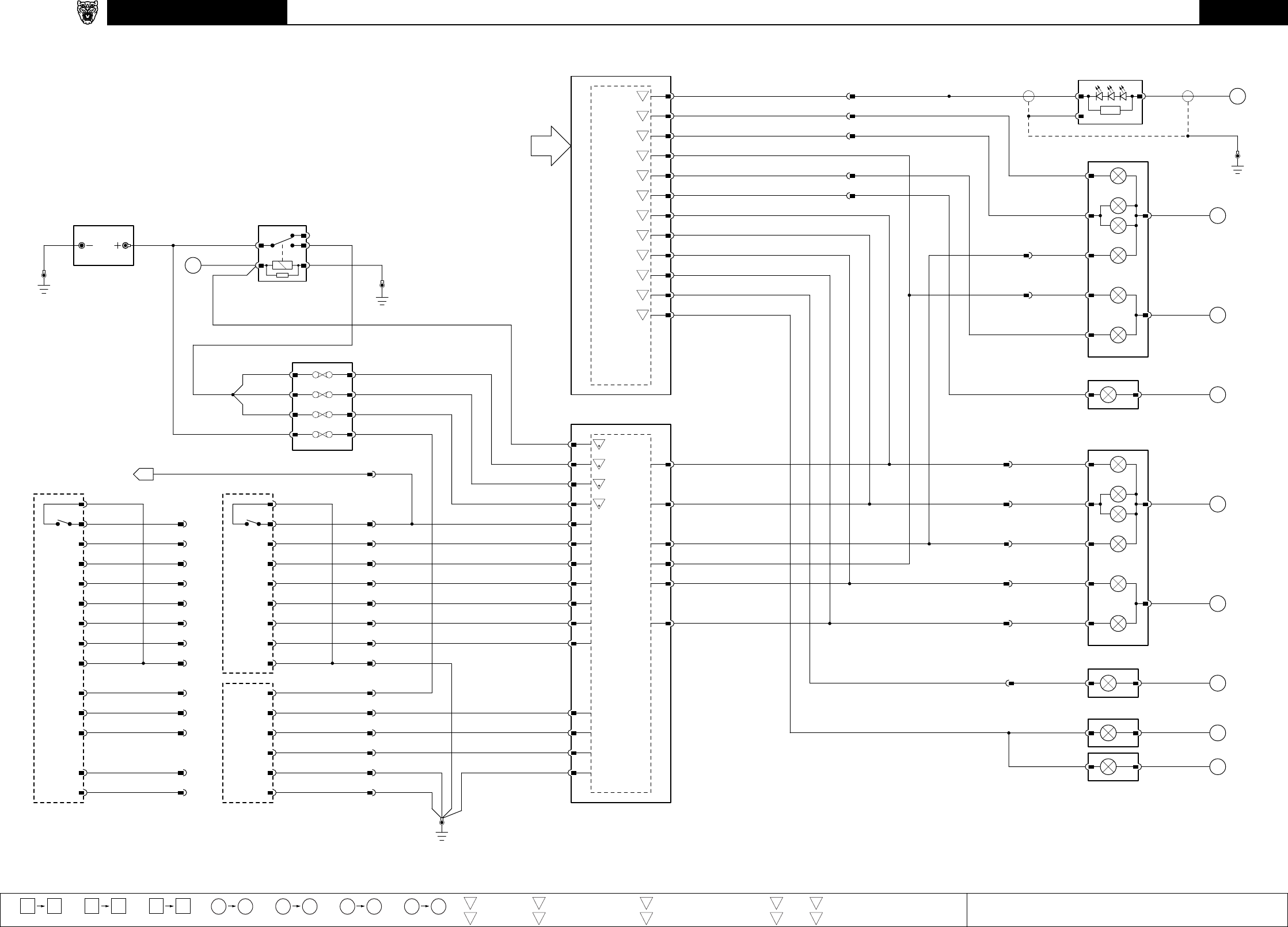
Switched System Power Distribution Switched System Power Distribution Fig. 01.6
N
N
FHS21
FH39-9
FH9-21
U
Y
FH59-7
FH59-1
O
NG
FH59-6
86 B
20.2
20.2
S
S
CA101-4
U
Y
CA102-1
CA102-2
O
N
CA101-3
87 B
20.2
20.2
S
S
15
16
BOBO
BO
NR
NR
17
18
BO
NW
NW
19
20
BO
NG
NG
24
25
BO
BO
FH6-9
CAR11
FH60-11
B
P
FH77
CA102-12
B
P
CA156
F8 5A
FH53-6
CA2-17
NR
FH7-6
NR
S
48
FH53-4
NR 08.1
S
49
F10 5A FH53-2
NW
F11 10A
FH53-10
NR
S
54
F24 5A FC37-24
NG 02.1
S
56
NG 09.1
NW
NR
NR
BF1-1
NR
NR
S
46
S
47
F9 10A
3
1
5
2
R2
4
NW
FH39-11
NW
NW
NW
NW
FHS29
NW
BF1-5
FH40-9
NW
S
51
S
52
S
53
FH40-12
NR
F22 10A
CA56-4
NR 10.2
S
55
F23 10A FH53-8
NR
S
57
CA2-9
NR
N
FH39-12
3
1
5
2
R11
4
NG 09.1
NR 05.3
NG
F33 10A
CA2-3
W09.2
FH53-5
NW 08.1
S
58
F25 10A FH40-11
NW
CAS30
12.1
S
62
S
61
W
CAR9
WU
WU
WU
CA61-77 F53 10A CA61-68
WU
CA61-66 F51 5A CA61-75
WU
CA61-79 F55 10A CA61-70
CA61-61 F46 10A CA61-52
W
CA61-63 F48 10A CA61-54
W
CA61-81 F57 10A CA61-72
W
CA61-83 F59 15A CA61-74
CA61-59 F44 10A CA61-50
N12.1
NG
OY 08.4
NW
NW 08.3
CAS37
NW
NW
NW
TT1-1
BR1-2
R
3
1
5
2
R4
4
NR
FH1-20
NW 09.1
N09.1
NR
CAS43
RF34-10
N
CAR10
W
W
3
1
5
2
R5
4
NW 09.1
NW
12.1
NW
CAS20 CA3-2
NG
NW NW
NW
NW
CAS5
BR1-1
NW
02.2
FH53-5
08.2
S
59
NR
W
(1)
(2)
(1)
(2)
FH53-4
08.2
S
50
NW
08.1 08.2
08.1 08.2
08.1 08.2
08.1 08.2
08.1 08.2
08.1 08.2
08.1 08.2
08.1 08.2
08.4
08.3 08.4
08.3 08.4
08.3 08.4
08.3 08.4
08.3 08.4
08.3 08.4
08.3 08.4
08.3 08.4
F30 10A
FH7-3
NR 10.2
S
60
12.1 12.2
12.2
19.1
12.2
12.2
W
FC33-14
10.3 12.3 14.1
12.3
05.2 10.1 12.1 12.2 12.3 13.1 19.1
10.2 10.3 12.3 14.1
NG
CAS83
S
72
S
66
S
69
S
70
S
71
S
67
S
68
S
65
S
64
S
63
S
78
S
79
S
80
S
75
S
76
S
77
S
73
S
74
LOGIC
SCP NOTE: The switched system power relays are activated by the GECM or the RECM
whenever messages are present on the SCP network. After the ignition is switched off,
the relays remain activated until all SCP messages are removed.
SWITCHED
SYSTEM
POWER
CONTROL
GENERAL ELECTRONIC
CONTROL MODULE
LOGIC
SWITCHED
SYSTEM
POWER
CONTROL
REAR ELECTRONIC
CONTROL MODULE
SWITCHED SYSTEM
POWER RELAY 1
SWITCHED SYSTEM
POWER RELAY 2
SWITCHED SYSTEM
POWER RELAY 3
SWITCHED SYSTEM
POWER RELAY 4
REAR POWER DISTRIBUTION BOX
PRIMARY JUNCTION FUSE BOX
NOTE: FHS21 – Side Marker only.
NOTATION:
(1) Non HID headlamp vehicles.
(2) HID headlamp vehicles.
All Vehicles

B
+
13 II
Fig. 01.1 Fig. 01.4
I
O
+
–
C
S
D
2
DP
114
476 II II
Fig. 01.2 Fig. 01.5
15 45
77 92 SS
Fig. 01.3 Fig. 01.6
46 80 EE
Fig. 01.7
81 118
VARIANT:
VIN RANGE:
DATE OF ISSUE:
Jaguar S
-
TYPE 2002.5
Output
Sensor/Signal Supply V CAN
SCP Serial and Encoded Data
All
March 2002 (PROVISIONAL)
Sensor/Signal Ground
D2B NetworkInput Battery Voltage
Power Ground
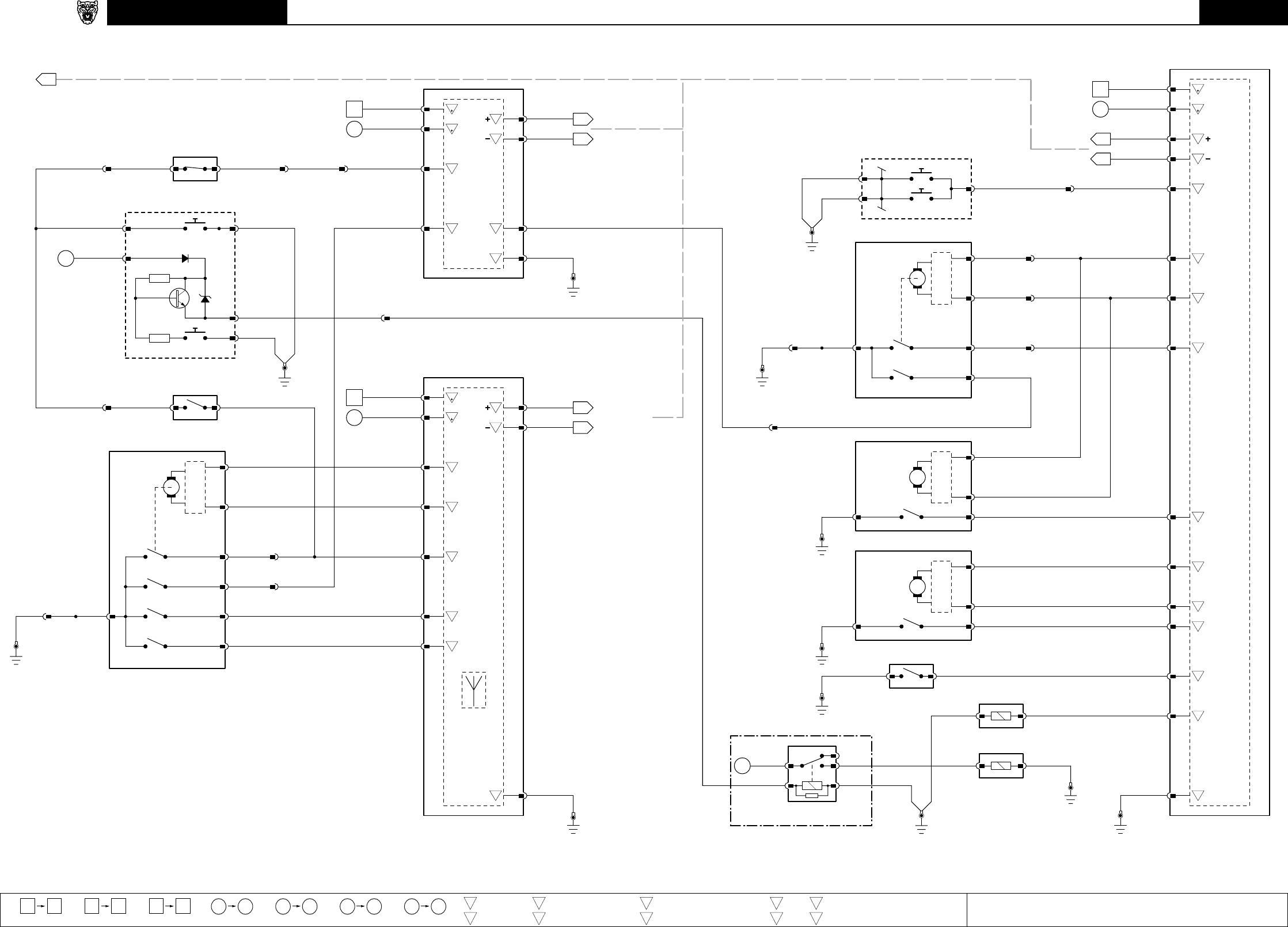
Engine Management System Switched Power Distribution Engine Management System Switched Power Distribution Fig. 01.7
(V8)
(V6)YR
FH32-52
PI41-41
YR
GR
YR
YU
YR
YB
B
FH42
FHS61
F17 15A
3
1
5
2
R5 4
NR
BW
FH32-46
31
II
FH32-51 FH32-45
GU
3
1
5
2
R3 4
B
YB
YB
YR
FH32-14 FH32-23
F38 10A
FH32-50 FH32-44
F37 15A
FH32-49 FH32-43
F35 30A
FH32-47 FH32-41
F20 30A
FH32-17 FH32-26
F19 10A
FH32-16 FH32-25
FHS60 GU
GU
GU
GU
GU
FHS4
GU
PI41-5
GU
FH1-4
PIS1
PI41-11
NG
NG
NG
GR
GR
GR
GR
WG
NR
WG
WG
FHS5
PI41-33 IL10-6 ILS1 (V6)
PIS23 (V8)
PIS2
PI41-35
WG WG WG
WG
NR NR
NR
NR
NR
NR
NR
NR
NR
NR
PI41-30
RW RW RW
(N/A)
(SC)
PIS24
NRNR
IS6-1
NR
NR
IS5-1
NR
ISS1
NR
NR
NR
NR
ISS2
NR
NR
NR
PIS14 WR
WR
PI41-9
WRWR
YR
PIS17 WG
WG
WG
PI41-1
WG
(SC) YB
F36 15A
FH32-48 FH32-42
WG
CP1-10
WG
GU
GU
FHS4
GU
GU
FH1-4
GU
GU
PIS15
GU
(S/C)
GU
B
03.2
03.1
03.1
03.1
03.1
03.1
03.6
03.3
03.2
03.1
03.1
03.4
03.6
03.2 03.4
03.6
03.1
03.4 03.6
03.6
03.2
FH66
2
FH32-9
F9 50A
YR
03.1
FHS59
YR
YR
YR
YR
YR 50
49
46
47
03.3 03.5
48
03.1 03.3 03.5
3
1
5
2
R2 4
03.4 03.6
03.5
03.3 03.5
03.3 03.5
03.3 03.5
03.3 03.5
03.4 03.6
03.3 03.5
03.3 03.5
03.2 03.4
03.6
03.2 03.4
03.6
03.2 03.4
03.6
03.2 03.4
03.6
03.2 03.4
03.6
03.4
03.6
03.3 03.5
03.1 03.3 03.5
03.1 03.3 03.5
03.1 03.3 03.5
BW
PI1-40
O
GU
PI41-5
E
86
E
90
E
89
E
88
E
87
E
85
E
84
E
83
E
118
E
115
E
116
E
113
E
114
E
117
E
112
E
111 E
110
E
109
E
108
E
107
E
106
E
105
E
104
E
96
E
103
E
102
E
101
E
100
E
99
E
98
E
97
E
95
E
94
E
93
E
92
E
91
E
81
E
82
ENGINE
CONTROL MODULE
DIODE 4
EMS CONTROL
RELAY
FROM INERTIA SWITCH
HO2S RELAY
DIODE 3 IGNITION COIL
RELAY
FRONT POWER DISTRIBUTION BOX
All Vehicles
NOTE: IL10-6 – V6 only.

B
+
13 II
Fig. 01.1 Fig. 01.4
I
O
+
–
C
S
D
2
DP
114
476 II II
Fig. 01.2 Fig. 01.5
15 45
77 92 SS
Fig. 01.3 Fig. 01.6
46 80 EE
Fig. 01.7
81 118
VARIANT:
VIN RANGE:
DATE OF ISSUE:
Jaguar S
-
TYPE 2002.5
Output
Sensor/Signal Supply V CAN
SCP Serial and Encoded Data
All
March 2002 (PROVISIONAL)
Sensor/Signal Ground
D2B NetworkInput Battery Voltage
Power Ground
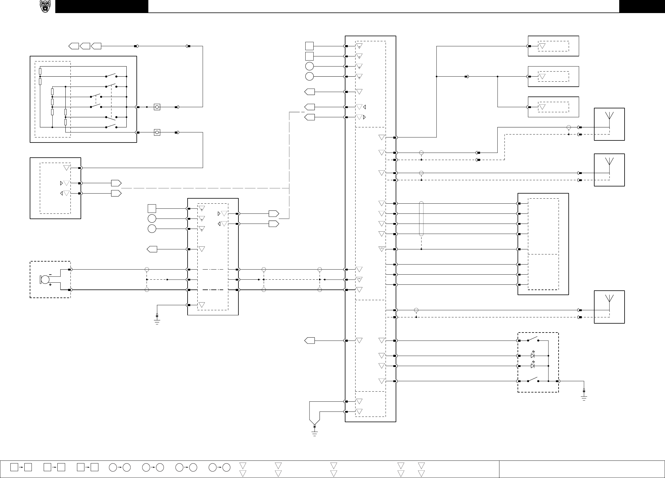
Battery; Starter; Generator: V6 Battery; Starter; Generator: V6 Fig. 02.1
FH53-3FC37-3
NR GR
Y
CA286-2CA286-1
F1 5A
NG
WG
FC15-3
FC14-3
FC15-2
B
85
35
II
P
B
I
II
III
0
WU
FC18-5
FC18-7
FC18-1
WG
WB
FC18-4
NR
B
CA280
JB1
ST10CA281
R3
PI1-124
PI1-123
PI1-53
PI1-65
G
Y
ST6
ST5
R
R
PI47-2
PI47-3
PI47-1
GO
WR
YR
ST7
20.1
20.1
65
GW
WR
FC15-5FC52-3
YR
FC15-6FC52-4
FC15-4FC52-2
FC52-1
NG
I
I
D
D
ST3
B
ST2
O
WU
FC14-2
I
BG
FHS63
Y
NW GW
GO
3
1
5
2
R20 4
ST4-1
S
56
B
PI47-4
WG
PI1-79
I
B
20
II
01.5
PI1-41
GO
I
PI1-6
Y
O
YY
PI41-34
PI41-40
I
PI1-31
GR
PIS27
Y(MAN / ROW)
GB1-14
92
GB1-6
Y
(MAN / NAS)
GR GR
GO
GB2-9
GB2-13
B
PI40AL
18
II
P
B
O
GB2-10
GR
P, N (AUTO)
P, N
C
C
C
C
20.1
20.1
FC15-19
FC15-18
G
Y
7
FC14-14
B
FC38
GB2-16
B
P
GB1-9
GB1-10
FH3-10 PI42-8 GB1-13
PIS30
B
B
B
GR
R
R
R
CA302
CA301
CA304
01.1
500 A
BATTERY
KEY-IN
IGNITION SWITCH
STARTER
MEGAFUSE
FRONT
BULKHEAD
REAR POWER
DISTRIBUTION BOX
IGNITION SWITCHED
CIRCUITS (II)
PRIMARY JUNCTION
FUSE BOX
TRANSMISSION CONTROL
MODULE
CLUTCH PEDAL
SAFETY SWITCH
PASSIVE ANTI-THEFT
SYSTEM TRANSCEIVER
LOGIC
PASSIVE
ANTI-THEFT
SYSTEM
INSTRUMENT
CLUSTER
O.K. TO START
STARTER
RELAY
FRONT POWER DISTRIBUTION BOX
STARTER MOTOR
GENERATOR WARNING;
CLUTCH DISENGAGED
START
ENGINE
CRANK
ENGINE
REQUEST
ENGINE
CONTROL MODULE
FIELD
CHARGE
GENERATOR
LOAD
GENERATOR
V6 Vehicles

B
+
13 II
Fig. 01.1 Fig. 01.4
I
O
+
–
C
S
D
2
DP
114
476 II II
Fig. 01.2 Fig. 01.5
15 45
77 92 SS
Fig. 01.3 Fig. 01.6
46 80 EE
Fig. 01.7
81 118
VARIANT:
VIN RANGE:
DATE OF ISSUE:
Jaguar S
-
TYPE 2002.5
Output
Sensor/Signal Supply V CAN
SCP Serial and Encoded Data
All
March 2002 (PROVISIONAL)
Sensor/Signal Ground
D2B NetworkInput Battery Voltage
Power Ground
FH53-3FC37-3
Y
F1 5A
NG
WG
FC15-3
FC14-3
85
35
II
B
I
II
III
0
WU
FC18-5
FC18-7
FC18-1
WG
WB
FC18-4
NR
ST6
ST5
R
R
20.1
20.1
65
GW
PI1-79
YR
I
WR
FC15-5FC52-3
YR
FC15-6FC52-4
FC15-4FC52-2
FC52-1
NG
D
D
ST3
B
ST2
O
WU
FC14-2
I
BG
FHS63
Y
NW GW
GO
3
1
5
2
R20
4
ST4-1
S
56
B
01.5
PI1-41
GO
I
PI1-6
Y
O
Y
PI41-34
PI41-40
I
PI1-31
GR
GO
GB2-9
19
II B
O
GB2-10
GR
P, N
P, N
C
C
C
C
20.1
20.1
PI48-2
PI48-3
PI48-1
GO
ST7
B
20
II
B
NG
38
FC15-2
B
P
FC15-19
FC15-18
G
Y
FC14-14
B
FC38
PI1-124
PI1-123
G
Y
7
GB2-13
B
PI40AL
P
GB2-16
B
P
GB1-9
GB1-10
PIS30
B
B
B
B
CA280
JB1
ST10CA281
R
R
R
ST9
ST8
R
R
R
CA302
CA301
CA304
01.1
3
500 A
Battery; Starter; Generator: V8 Battery; Starter; Generator: V8 Fig. 02.2
BATTERY
KEY-IN
IGNITION SWITCH
STARTER
MEGAFUSE
FRONT
BULKHEAD
REAR POWER
DISTRIBUTION BOX
IGNITION SWITCHED
CIRCUITS (II)
PRIMARY JUNCTION
FUSE BOX
TRANSMISSION CONTROL
MODULE
PASSIVE ANTI-THEFT
SYSTEM TRANSCEIVER
LOGIC
PASSIVE
ANTI-THEFT
SYSTEM
INSTRUMENT
CLUSTER
O.K. TO START
STARTER
RELAY
FRONT POWER DISTRIBUTION BOX
STARTER MOTOR
GENERATOR WARNING;
CLUTCH DISENGAGED
START
ENGINE
CRANK
ENGINE
REQUEST
ENGINE
CONTROL MODULE
GENERATOR
LOAD
GENERATOR
V8 Vehicles

B
+
13 II
Fig. 01.1 Fig. 01.4
I
O
+
–
C
S
D
2
DP
114
476 II II
Fig. 01.2 Fig. 01.5
15 45
77 92 SS
Fig. 01.3 Fig. 01.6
46 80 EE
Fig. 01.7
81 118
VARIANT:
VIN RANGE:
DATE OF ISSUE:
Jaguar S
-
TYPE 2002.5
Output
Sensor/Signal Supply V CAN
SCP Serial and Encoded Data
All
March 2002 (PROVISIONAL)
Sensor/Signal Ground
D2B NetworkInput Battery Voltage
Power Ground
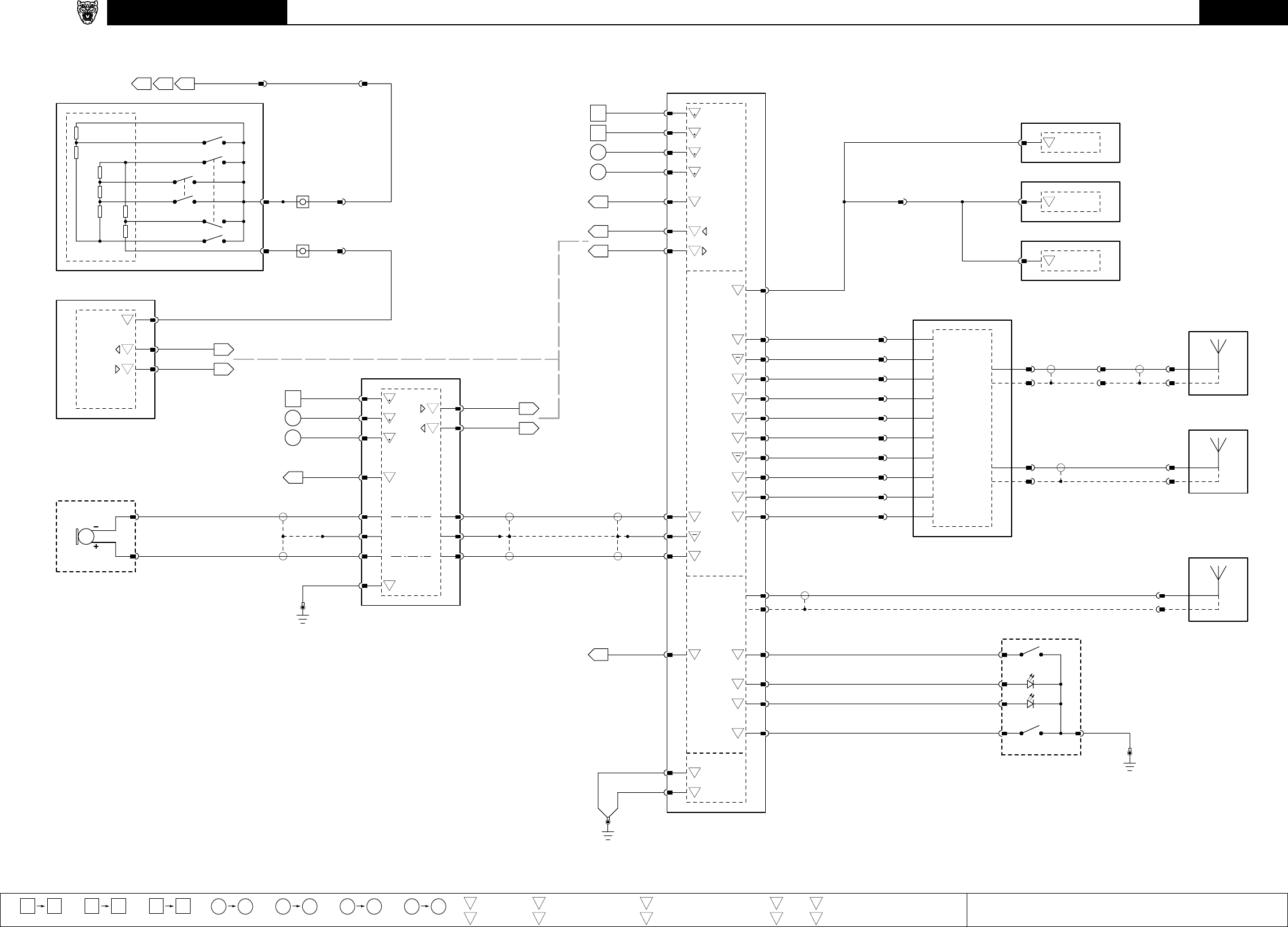
Engine Management: V6 – Part 1 Engine Management: V6 – Part 1 Fig. 03.1
PI1-053
PI1-006
PI1-007
PI1-010
YR
GU
GO
Y
PIS29
PI40BR PI40AL
B
B
B
B
B
B
B
B
B
B
PI1-116
PI1-111
PI1-091
PI1-054
PI1-030
PI1-029
PI1-018
PI1-017
PI1-004
PI1-005
PI1-123
G
PI1-124
Y
PI1-105
W
PI1-134
GU
PI1-052
GR
O
PI41-38
PI41-39
NR
GR
48 YR
GR
C
C
D
20.1
20.1
20.2
PI1-031
PI1-065
PI1-079
PI1-041
GR
GO
WG
WR
02.1
29
II
I
I
I
I
02.1
02.1
02.1
02.1
I
02.1
PI1-022
NR
73
I
I
I
I
O
O
O
O
O
O
PI1-040
BW
O
01.7
–
+
O
I
I
I
I
I
I
I
I
I
I
I
I
I
I
O
O
I
I
O
O
O
O
O
O
I
PI1-024
WG
PI1-023
WG
I
E
111
32
II
I
I
E
94
E
95
PIS30
BB
B
B
B
B
P
P
3
1
5
2
R4 4
F18 20A
GU
PIS28
B
PI40AR
B
B
PI1-082
PI1-081
RW
N
G
Y
R
BW
RU
RU
PI10 PI12-3 -4 -1-2 -3 -4 -1-2
2/11/1
PI11 PI13-4 -3 -1-2 -4 -3 -1-2
2/21/2
R
Y
RU
WG
G
N
RW
WR
N
B
UY
WG
N
B
RW
WR
N
UY
N
RW
RW
PIS12
PIS13
PIS11
PI1-008
PI1-080
PI1-106
PI1-127
PI1-012
PI1-103
PI1-102
PI1-037
PI1-036
PI1-094
PI1-095
PI1-100
PI1-068
PI1-069
PI1-098
PI1-093
PI1-056
PI1-128
PI1-092
PI1-129
PI1-001
PI1-002
PI1-130
PI1-083
PI1-084
PI1-107
PI1-108
PI1-055
PI1-044
PI1-045
PI1-046
PI1-071
PI1-019
PI1-070
PI1-078
PI1-073
PI1-050
PI1-104
PI1-020
PI1-013
PI1-043
PI1-076
PI1-075
PI1-067
PI1-066
PI1-039
PI1-038
PI1-110
PI1-109
U U λλ
B
B
12
-1-2PI16 -1-2PI17
YU
Y
PI20 -1PI55
-1 PI57
-1 PI56
-1
21
B
O
Y
R
N
G
B
N
PI55
-2 PI57
-2 PI56-2 -2
BG BG
BG BG
PIS19
PI19 -1
B
N
-2
1
B
O
Y
R
BG
N
G
N
GW
BK
IPI1-099 N
2
BG
PI14 -1 -3 -2 PI25 -2 -1-5-4
υ
IATS
υ
PI24 -1 -2
υ
GW
BK
U
BG
GU
PIS21
E
82
IL12 -3 -2 -1
υ
UY
BG
Y
BG
U
BG
OY
WU
BG
IL9 -1 -2 FP1 -1 -3-2PI29 -2 -1 -4
RG
OY
BG
OY
BK
BG
PIS22
BG
FHS6
BG
BG BG
PI41-18
OY OY
PI41-17
FP2
-3
FH3
-12
PI41
-14
RGRG
FP2
-2
FH3
-13
FP2
-6
FH3
-11
OYOY
BK
U
UY
BG
Y
U
WU
OY
RG
BK
O
B
BG
Y
PIS25
FHS7
TP1
 PI18
-1
 PI18
-2
PI26
-1
TP2
BG
OY
FC26-5
FC26-6
FC12-3
FC12-4
B
O
B
FC12-10
B
FC26-7
FC26-13FC12-5
FC26-15FC12-6
Y
BG
R
Y
RW
GW
BB
OY
BG
B
BG
GW
RW
Y
R
GO
PI41-8
PI41-7
PI41-6
PI41-12
PI41-3
O
B
B
BG
Y
PI26
-3 PI26
-2 PI26
-4
CA270 -2 -1FH111 -2 -1
UY
GU
O
GU
E
83
E
81
PI31 -2 -1PI30 -2 -1
2
1
NG
NG
OY
OG
E
85
E
84
PI41-29
PI41-10
O
FH1-7
FH1-9PI41-23
CA37 -2 -1
GO
NR
CAS22
GO GO
BRD
O
UY
OG
OY
BG
FC26
-8
FC26
-16
OY
APP1 APP2
CA88
-5
O
B
BG
Y
OY
BG
FC12
-9
FC12
-2
CAS81CAS82
OY
BG
CA88
-3 CA88
-4 CA88
-2 CA88
-6 CA88
-1
IL10
-10
IL10
-11
BGBG
WU
E
113
E
115
E
114
E
116
90
I
04.1
IL10
-12
OY
ILS2
B
BB
B
HO2 SENSORS
UPSTREAM HO2 SENSORS
DOWNSTREAM CKP
SENSOR CMP
SENSORS KNOCK
SENSORS MAF
SENSOR ECT
SENSOR EOT
SENSOR IP
SENSOR EFT
SENSOR MAP
SENSOR FTP
SENSOR *
VIA INERTIA SWITCH
ENGINE CRANK
EMS CONTROL RELAY
GENERATOR: CHARGE
GENERATOR: FIELD
GENERATOR: LOAD
STARTER RELAY DRIVE
PARK; NEUTRAL
(CIRCUIT CONTINUED)
SERIAL COMMUNICATION
THROTTLE MOTOR
RELAY
FRONT
POWER DISTRIBUTION FUSE BOX
ENGINE CONTROL
MODULE
(CONTINUED Fig. 03.2)
VVT
SOLENOID VALVES IMT
SOLENOID VALVES
(1 TOP; 2 BOTTOM)
EVAP
CANISTER
PURGE VALVE
EVAP
CANISTER
CLOSE VALVE *
BRAKE
ON / OFF
SWITCH
NOTES:
* EVAP Canister Close Valve and
Fuel Tank Pressure Sensor – NAS
vehicles only.
Shielding shown as dashed lines
are braided wires.
TP SENSOR APP SENSOR
THROTTLE
MOTOR
THROTTLE BODY
V6 Vehicles

B
+
13 II
Fig. 01.1 Fig. 01.4
I
O
+
–
C
S
D
2
DP
114
476 II II
Fig. 01.2 Fig. 01.5
15 45
77 92 SS
Fig. 01.3 Fig. 01.6
46 80 EE
Fig. 01.7
81 118
VARIANT:
VIN RANGE:
DATE OF ISSUE:
Jaguar S
-
TYPE 2002.5
Output
Sensor/Signal Supply V CAN
SCP Serial and Encoded Data
All
March 2002 (PROVISIONAL)
Sensor/Signal Ground
D2B NetworkInput Battery Voltage
Power Ground
Engine Management: V6 – Part 2 Engine Management: V6 – Part 2 Fig. 03.2
BG
PI1-113
BK
PI1-114
BG
PI1-115
BO
PI1-119
Y
PI1-088
GU
PI1-087
U
PI1-118
BR
PI1-120
GB
PI1-131
GR
PI1-063
YB
PI1-132
GW
PI1-062
GW
PI1-061
YR
PI1-089
IL3 -1 -2 IL4 -1 -2 IL5 -1 -2 IL6 -1 -2 IL7 -1 -2 IL8 -1 -2
BG
NR
BK
NR
BG
NR
BR
NR
BO
NR
U
NR
13 5 2 46
IL10
-1 IL10
-7 IL10
-2 IL10
-8 IL10
-3 IL10
-9
BG
BK
BG
BR
BO
U
O
O
O
O
O
O
O
O
O
O
O
O
I
I
E
98
E
97
E
102
E
101
E
100
E
99
2
4
6
1
3
5
B
1
PI2 -4 -2 -3 -1
3
PI3 -4 -2 -3 -1
5
PI4 -4 -2 -3 -1
2
PI6 -4 -2 -3 -1
4
PI7 -4 -2 -3 -1
6
PI8 -4 -2 -3 -1
PI51
PIS9 PIS10
GU
GB
B
RW
Y
GB
B
RW
YR
GB
B
RW
GW
YB
B
RW
GW
YB
B
RW
GR
YB
B
RW
B
PIS31
B
B
B
B
B
PIS8
RW
RW
RW
RW
RW
RW
RW
RW
B
PI54
-1 PI54
-2
WG
PI1-033
I
CA285 -2 -1 (RHD)
WG
NR
FH3-2PI41-4
N
Y
WG
YG
WU
PI1-051
WR
BG
PI1-034
U
BG
OY
WU
I
I
O
I
O
O
RG
BG
Y
WG
RG
PI49-2
B
FH42
(FH22)
PI49-1
PI41
-36
E
91
71
FH108-1
WU
PI42-1
FH108-2
WG
FH109-1
NG
FH109-2
B
FH95
I
O
O
B
B
WR
FH1-15 CA103-19
28
GU
GU
GR
CA101-01
R
CA101-11
Y
CA101-12
FP2-4
FP2-1
R
Y
I
O
O
B
CA101-02
CA156
CA156
U
87
NG
B
B
B
S
S
WR
PI41-26
PI1-027
5
2
3
1
R15
4
34
II
CA102-2
CA102-1
CA101-3
20.2
20.2
1κ Ω
2.2κ Ω
510 Ω
300 Ω
180 Ω
120 Ω
FC10-13PI41-25
FC10-12PI41-24
PI1-048
PI1-047
FP4-2
FP4-4
E
93
57
PI41-37
BG
O
F47 15A
WG
YG
FH110 -3 -2 -1 CA36 -2 -1
30
II
U
WG
PIS22
OY
PIS21
PI41-19
PI41-18
PI41-17
BG
WU
PI1-121
PI1-012
PI1-019
BG
OY
WU
BG
OY
WU
PI1-009 PI41-28
U
FH3-1
U
WG WG
E
118
PI41-42
B
5
2
R8
1
3
4
P
GU
B
CA100-8 31
II
91
SQ2-1
SQ2-3 FC117-6
FC117-8
WG
YG
KB
B
B
CA291 -3 -1 (LHD)
FRONT OF
ENGINE
CYLINDER NUMBERING
FUEL INJECTORS IGNITION MODULES AND COILS
IGNITION
CAPACITOR
ENGINE CONTROL
MODULE
(CONTINUED FROM Fig. 03.1)
NOTE: ECM power supplies and grounds shown on Fig. 03.1.
RESUME
SET +
SET –
CANCEL
RESISTOR PACK
STEERING WHEEL SPEED CONTROL SWITCHES
NOTE: Vehicles with Adaptive Speed Control –
refer to Speed Control Switches Fig. 05.3.
* NOTE: Clutch Cancel Switch –
manual transmission vehicles only.
CLUTCH
CANCEL
 SWITCH *
AIR CONDITIONING
PRESSURE SENSOR BRAKE
CANCEL
SWITCH
FUEL PUMP 1
FUEL TANK
NOTE: The ECM communicates (CAN / SCP)
with the RECM for fuel pump diagnostics.
AIR CONDITIONING
COMPRESSOR CLUTCH
RELAY
FRONT POWER DISTRIBUTION
FUSE BOX
AIR CONDITIONING
COMPRESSOR CLUTCH
COOLING FAN MOTOR
AND MODULE
FAN
REAR ELECTRONIC
CONTROL MODULE
VIA
INERTIA SWITCH
FUEL PUMP
RELAY
FUEL PUMP DIODE (2)
REAR POWER DISTRIBUTION BOX
V6 Vehicles
CASSETTE
CASSETTE

B
+
13 II
Fig. 01.1 Fig. 01.4
I
O
+
–
C
S
D
2
DP
114
476 II II
Fig. 01.2 Fig. 01.5
15 45
77 92 SS
Fig. 01.3 Fig. 01.6
46 80 EE
Fig. 01.7
81 118
VARIANT:
VIN RANGE:
DATE OF ISSUE:
Jaguar S
-
TYPE 2002.5
Output
Sensor/Signal Supply V CAN
SCP Serial and Encoded Data
All
March 2002 (PROVISIONAL)
Sensor/Signal Ground
D2B NetworkInput Battery Voltage
Power Ground
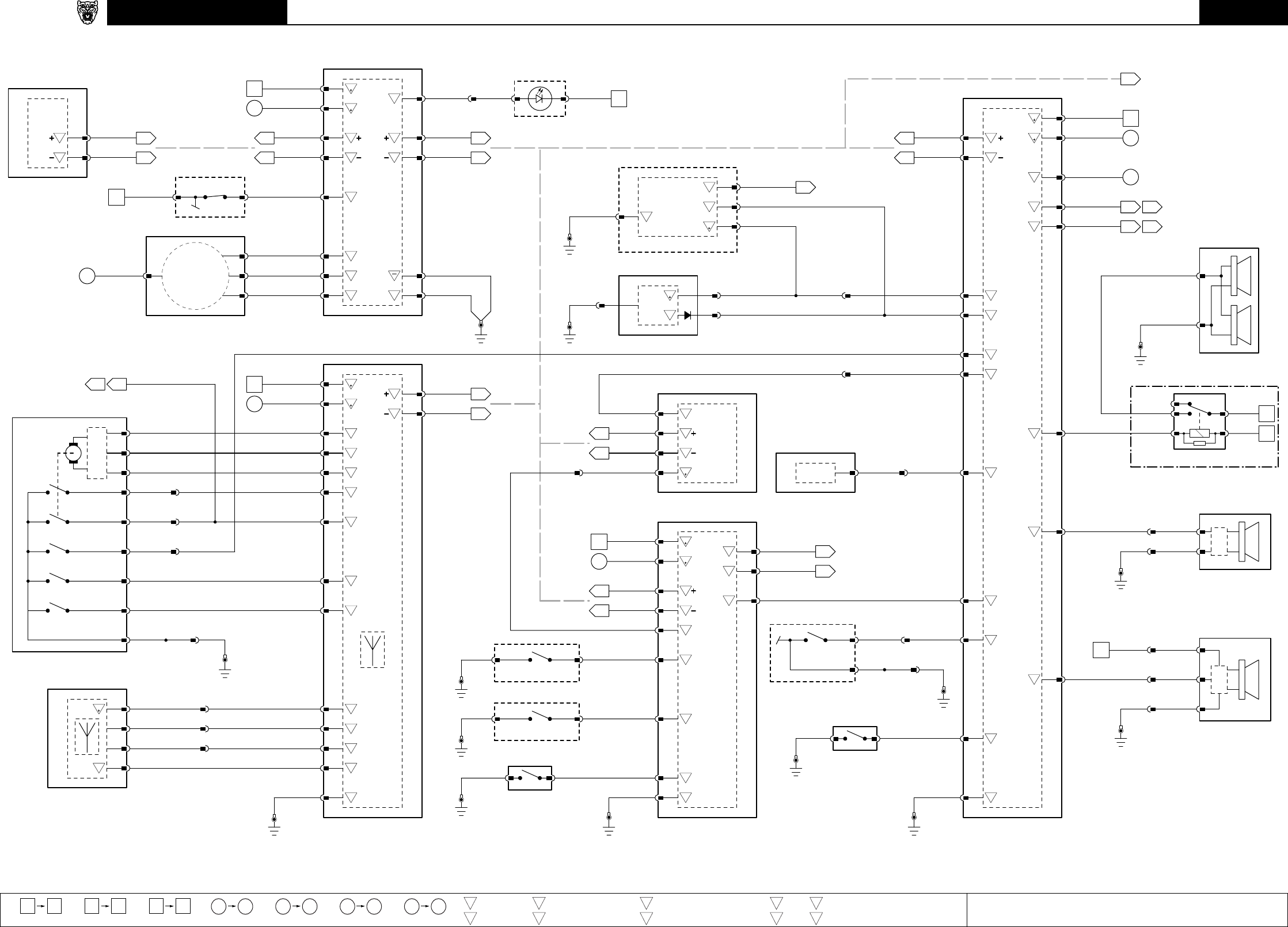
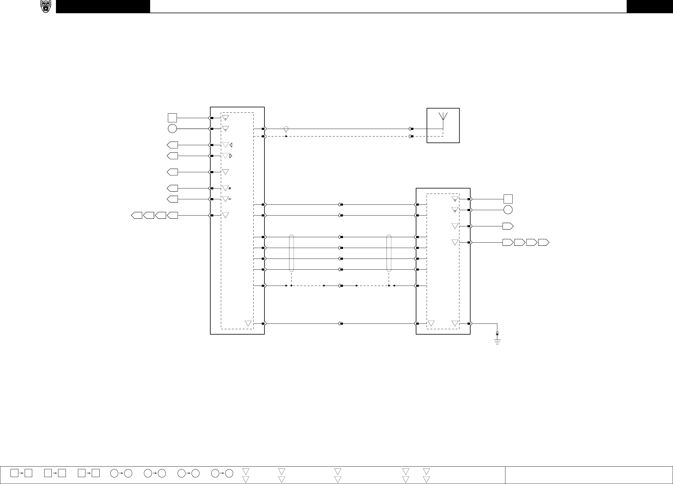
Engine Management: V8 N/A – Part 1 Engine Management: V8 N/A – Part 1 Fig. 03.3
YU
YR
YG
YU
PIS29
PI40BR PI40AL
B
B
B
B
B
B
B
B
B
B
PI1-116
PI1-111
PI1-091
PI1-054
PI1-030
PI1-029
PI1-018
PI1-017
PI1-004
PI1-005
I
I
I
I
O
O
O
O
O
O
I
I
I
I
I
I
I
I
I
I
I
I
I
I
O
O
I
I
O
O
O
O
O
O
I
I
I
PIS30
BB
P
P
PIS28
B
PI40AR
B
B
PI1-082
PI1-081
RW
N
G
Y
R
BW
RU
RU
PI10 PI12-3 -4 -1-2 -3 -4 -1-2
2/11/1
PI11 PI13-4 -3 -1-2 -4 -3 -1-2
2/21/2
R
Y
RU
WG
G
N
RW
WR
N
B
UY
WG
N
B
RW
WR
N
UY
N
RW
RW
PIS12
PIS13
PIS11
PI1-008
PI1-080
PI1-106
PI1-127
PI1-012
PI1-103
PI1-102
PI1-037
PI1-036
PI1-094
PI1-095
PI1-100
PI1-068
PI1-069
PI1-098
PI1-093
PI1-056
PI1-128
PI1-092
PI1-129
PI1-001
PI1-002
PI1-130
PI1-083
PI1-084
PI1-107
PI1-108
PI1-055
PI1-044
PI1-045
PI1-046
PI1-071
PI1-019
PI1-070
PI1-078
PI1-073
PI1-050
PI1-104
PI1-020
PI1-013
PI1-043
PI1-076
PI1-075
PI1-067
PI1-066
PI1-057
PI1-058
PI1-110
PI1-109
U U λλ
B
B
12
-1-2PI16 -1-2PI17
YU
Y
PI20 -1PI21
-1 PI23
-2 PI22
-1
21
B
O
Y
R
N
G
B
N
PI21
-2 PI23
-1 PI22
-2 -2
BG BG
BG BG
PIS19
PI19 -1
B
N
-2
1
B
O
Y
R
BG
N
G
N
GW
BK
IPI1-099 N
2
BG
PI14 -1 -3 -2 PI25 -2 -1-5-4
υ
IATS
υ
PI24 -1 -2
υ
GW
BK
U
BG
GU
PIS21
E
89
PI28 -3 -2 -1
υ
UY
BG
Y
BG
U
BG
OY
YR
BG
PI27 -1 -2 FP1 -1 -3-2PI29 -2 -1 -4
RG
OY
BG
OY
BK
BG
PIS22
BG
FHS6
BG
BG BG
PI41-18
OY OY
PI41-17
FP2
-3
FH3
-12
PI41
-14
RGRG
FP2
-2
FH3
-13
FP2
-6
FH3
-11
OYOY
BK
U
UY
BG
Y
U
YR
OY
RG
BK
O
B
BG
Y
PIS25
FHS7
TP1
 PI18
-1
 PI18
-2
PI26
-1
TP2
BG
BG
FC26
-8
FC26
-16
OY
OY
APP1 APP2
CA88
-5
O
B
BG
Y
FC26-5
FC26-6
FC12-3
FC12-4
B
O
B
FC12-10
B
FC26-7
FC26-13FC12-5
FC26-15FC12-6
Y
BG
R
Y
RW
GW
BB
OY
BG
B
BG
GW
RW
Y
R
GO
OY
BG
FC12
-9
FC12
-2
CAS81CAS82
OY
BG
PI41-8
PI41-7
PI41-6
PI41-12
PI41-3
O
B
B
BG
Y
CA88
-3 CA88
-4 CA88
-2 CA88
-6 CA88
-1
PI26
-3 PI26
-2 PI26
-4
CA270 -2 -1FH111 -2 -1
UY
GU
O
GU
E
88
E
87
PI41-29
PI41-10
O
FH1-7
FH1-9PI41-23
CA37 -2 -1
GO
NR
CAS22
GO GO
BRD
O
UY
YU
YG
O
O
PI1-059
PI1-060
YR
YU
PI15
-4
PI15
-1
PI15
-6
PI15
-3
GU
GU
PI15
-2
PI15
-5
E
90
E
92
PI1-006
PI1-007
PI1-010
GU
GO
Y
PI1-123
G
PI1-124
Y
PI1-105
W
PI1-134
GU
PI1-052
GR
O
PI41-38
PI41-39
NR
GR
48 YR
GR
C
C
D
20.1
20.1
20.2
PI1-031
PI1-079
PI1-041
GR
GO
YR
02.2
29
II
I
I
I
02.2
02.2
I
02.2
PI1-022
NR
73
PI1-040
BW
O
01.7
–
+
O
I
PI1-024
WG
PI1-023
WG
E
111
32
II
E
94
E
95
B
B
B
B
3
1
5
2
R4 4
F18 20A
GU
E
116
E
115
E
113
E
114
90
04.1
B
BB
B
HO2 SENSORS
UPSTREAM HO2 SENSORS
DOWNSTREAM CKP
SENSOR CMP
SENSORS KNOCK
SENSORS MAF
SENSOR ECT
SENSOR EOT
SENSOR IP
SENSOR EFT
SENSOR MAP
SENSOR FTP
SENSOR *
VIA INERTIA SWITCH
ENGINE CRANK
EMS CONTROL RELAY
GENERATOR: LOAD
STARTER RELAY DRIVE
PARK; NEUTRAL
(CIRCUIT CONTINUED)
SERIAL COMMUNICATION
THROTTLE MOTOR
RELAY
FRONT POWER DISTRIBUTION BOX
ENGINE CONTROL
MODULE
(CONTINUED Fig. 03.4)
VVT
SOLENOID VALVES EVAP
CANISTER
PURGE VALVE
EVAP
CANISTER
CLOSE VALVE *
BRAKE
ON / OFF
SWITCH
NOTES:
* EVAP Canister Close Valve and
Fuel Tank Pressure Sensor – NAS
vehicles only.
Shielding shown as dashed lines
are braided wires.
STEPPER
MOTOR
EGR VALVE
TP SENSOR
THROTTLE
MOTOR
THROTTLE BODY
APP SENSOR
V8 N/A Vehicles

B
+
13 II
Fig. 01.1 Fig. 01.4
I
O
+
–
C
S
D
2
DP
114
476 II II
Fig. 01.2 Fig. 01.5
15 45
77 92 SS
Fig. 01.3 Fig. 01.6
46 80 EE
Fig. 01.7
81 118
VARIANT:
VIN RANGE:
DATE OF ISSUE:
Jaguar S
-
TYPE 2002.5
Output
Sensor/Signal Supply V CAN
SCP Serial and Encoded Data
All
March 2002 (PROVISIONAL)
Sensor/Signal Ground
D2B NetworkInput Battery Voltage
Power Ground
Engine Management: V8 N/A – Part 2 Engine Management: V8 N/A – Part 2 Fig. 03.4
WG
YG
WU
PI1-051
WR
BG
PI1-034
U
BR
PI1-115
RW
PI1-117
BG
PI1-113
U
PI1-118
Y
PI1-088
GU
PI1-087
UY
PI1-112
BO
PI1-119
GB
PI1-131
BG
OY
WU
YB
PI1-132
GW
PI1-062
GW
PI1-061
GR
PI1-090
YR
PI1-089
PI32 -1 -2 PI33 -1 -2 PI34 -1 -2 PI35 -1 -2 PI36 -1 -2 PI37 -1 -2
BG
NR
BK
NR
BG
NR
RW
NR
BR
NR
BO
NR
13 5 7 24
I
O
O
O
O
O
O
O
O
O
O
O
O
I
I
I
O
I
O
O
E
97
E
96
E
101
E
100
E
99
E
98
2
4
6
1
3
5
B
1
PI2 -4 -2 -3 -1
3
PI3 -4 -2 -3 -1
5
PI4 -4 -2 -3 -1
7
PI5 -4 -2 -3 -1
4
PI7 -4 -2 -3 -1
6
PI8 -4 -2 -3 -1
PIS9
PIS10
GU
GB
B
RW
Y
YB
B
RW
YR
YB
B
RW
GR
GB
B
RW
GW
GB
B
RW
GR
GB
B
RW
B
PIS31
B
B
B
B
B
PIS8
RW
RW
RW
RW
RW
RW
RW
B
PI54
-1 PI54
-2
WR
FH1-15 CA103-19
28
GU
GU
GR
CA101-01
R
CA101-11
Y
CA101-12
I
O
O
B
CA101-02
CA156
CA156
NG
B
B
WR
PI41-26
PI1-027
5
2
3
1
R15
4
34
II
FC10-13PI41-25
FC10-12
PI41-24
PI1-048
PI1-047
BK
PI1-114
O
BG
PI1-120
O
PI38 -1 -2 PI39 -1 -2
U
NR
UY
NR
68
E
103
E
102
RW
RW
2
PI6 -4 -2 -3 -1
GW
YB
B
RW
-4 -2 -3 -1
YR
YB
B
RW
GR
PI1-063
O
YR
PI1-064
O
8 7
PI51
B
B
O
F47 15A
WG
YG
FH110 -3 -2 -1 CA36 -2 -1
30
II
U
WG
PIS22
OY
PIS21
PI41-19
PI41-18
PI41-17
BG
WU
PI1-121
PI1-012
PI1-019
BG
OY
WU
BG
OY
WU
PI1-009 PI41-28
U
FH3-1
U
FHS7
FHS6
WG
YG
BG
OY
8
RG
BG
Y
WG
RG
PI49-2
B
FH42
(FH22)
PI49-1
PI41
-36
E
91
71
FH108-1
WU
PI42-1
FH108-2
WG
FH109-1
NG
FH109-2
B
FH95
I
O
O
B
B
E
93
57
PI41-37
BG
PI41-42
B
5
2
R8
1
3
4
P
N
Y
U
87
B
S
SCA102-2
CA102-1
CA101-3
20.2
20.2
GU
B
CA100-8 31
II
1κ Ω
2.2κ Ω
510 Ω
300 Ω
180 Ω
120 Ω
SQ2-1
SQ2-3 FC117-6
FC117-8
WG
YG
FP2-4
FP2-1
R
Y
FP4-2
FP4-4
KB
B
PI9
E
118
RW
B
FRONT OF
ENGINE
CYLINDER NUMBERING
FUEL INJECTORS IGNITION MODULES AND COILS IGNITION
CAPACITOR
ENGINE CONTROL
MODULE
(CONTINUED FROM Fig. 03.3)
NOTE: ECM power supplies and grounds shown on Fig. 03.3.
RESUME
SET +
SET –
CANCEL
RESISTOR PACK
STEERING WHEEL SPEED CONTROL SWITCHES
NOTE: Vehicles with Adaptive Speed Control –
refer to Speed Control Switches Fig. 05.3.
AIR CONDITIONING
PRESSURE SENSOR BRAKE
CANCEL
SWITCH
FUEL PUMP 1
FUEL TANK
NOTE: The ECM communicates (CAN / SCP)
with the RECM for Fuel Pump diagnostics.
AIR CONDITIONING
COMPRESSOR CLUTCH
RELAY
FRONT POWER DISTRIBUTION BOX
AIR CONDITIONING
COMPRESSOR CLUTCH
COOLING FAN
FAN
COOLING FAN
MODULE
VIA
INERTIA SWITCH
REAR ELECTRONIC
CONTROL MODULE
FUEL PUMP
RELAY
FUEL PUMP DIODE (2)
REAR POWER DISTRIBUTION BOX
V8 N/A Vehicles
CASSETTE
CASSETTE

B
+
13 II
Fig. 01.1 Fig. 01.4
I
O
+
–
C
S
D
2
DP
114
476 II II
Fig. 01.2 Fig. 01.5
15 45
77 92 SS
Fig. 01.3 Fig. 01.6
46 80 EE
Fig. 01.7
81 118
VARIANT:
VIN RANGE:
DATE OF ISSUE:
Jaguar S
-
TYPE 2002.5
Output
Sensor/Signal Supply V CAN
SCP Serial and Encoded Data
All
March 2002 (PROVISIONAL)
Sensor/Signal Ground
D2B NetworkInput Battery Voltage
Power Ground
Engine Management: V8 SC – Part 1 Engine Management: V8 SC – Part 1 Fig. 03.5
PIS29
PI40BR PI40AL
B
B
B
B
B
B
B
B
B
B
PI1-116
PI1-111
PI1-091
PI1-054
PI1-030
PI1-029
PI1-018
PI1-017
PI1-004
PI1-005
I
I
I
I
O
O
O
O
O
O
I
I
I
I
I
I
I
I
I
I
I
I
I
I
O
O
I
I
O
O
O
O
I
I
I
PIS30
BB
P
P
PIS28
B
PI40AR
B
B
PI1-082
PI1-081
RW
N
G
Y
R
BW
RU
RU
PI10 PI12-3 -4 -1-2 -3 -4 -1-2
2/11/1
PI11 PI13-4 -3 -1-2 -4 -3 -1-2
2/21/2
R
Y
RU
WG
G
N
RW
WR
N
B
UY
WG
N
B
RW
WR
N
UY
N
RW
RW
PIS12
PIS13
PIS11
PI1-008
PI1-080
PI1-106
PI1-127
PI1-012
PI1-103
PI1-102
PI1-037
PI1-036
PI1-094
PI1-095
PI1-100
PI1-068
PI1-069
PI1-098
PI1-093
PI1-056
PI1-128
PI1-092
PI1-129
PI1-001
PI1-002
PI1-130
PI1-083
PI1-084
PI1-107
PI1-108
PI1-055
PI1-044
PI1-045
PI1-046
PI1-071
PI1-019
PI1-070
PI1-078
PI1-073
PI1-050
PI1-104
PI1-020
PI1-013
PI1-043
PI1-076
PI1-075
PI1-067
PI1-066
PI1-057
PI1-058
U U
λλ
PI20 -1PI21
-1 PI23
-2 PI22
-1
21
B
O
Y
R
N
G
B
N
PI21
-2 PI23
-1 PI22
-2 -2
BG BG
BG BG
PIS19
PI19 -1
B
N
-2
1
B
O
Y
R
BG
N
G
N
GW
BK
IPI1-099 N
2
BG
PI14 -1 -3 -2 PI25 -2 -1-5-4
υ
IATS
υ
PI24 -1 -2
υ
GW
BK
U
BG
GU
PIS48
E
89
PI28 -3 -2 -1
υ
UY
BG
Y
BG
U
BG
OY
YR
BG
PI27 -1 -2 FP1 -1 -3-2PI29 -2 -1 -4
RG
OY
BG
OY
BK
BG
PIS40
BG
FHS6
BG
BG BG
PI41-18
OY OY
PI41-17
FP2
-3
FH3
-12
PI41
-14
RGRG
FP2
-2
FH3
-13
FP2
-6
FH3
-11
OYOY
BK
U
UY
BG
Y
U
YR
OY
RG
BK
O
B
BG
Y
PIS25
FHS7
TP1
 PI18
-1
 PI18
-2
PI26
-1
TP2
BG
BG
FC26
-8
FC26
-16
OY
OY
APP1 APP2
CA88
-5
O
B
BG
Y
FC26-5
FC26-6
FC12-3
FC12-4
B
O
B
FC12-10
B
FC26-7
FC26-13FC12-5
FC26-15FC12-6
Y
BG
R
Y
RW
GW
BB
OY
BG
BBG
GW
RW
Y
R
GO
OY
BG
FC12
-9
FC12
-2
CAS81CAS82
OY
BG
PI41-8
PI41-7
PI41-6
PI41-12
PI41-3
O
B
B
BG
Y
CA88
-3 CA88
-4 CA88
-2 CA88
-6 CA88
-1
PI26
-3 PI26
-2 PI26
-4
CA270 -2 -1FH111 -2 -1
UY
GU
O
GU
E
88
E
87
PI41-29
PI41-10
O
FH1-7
FH1-9PI41-23
CA37 -2 -1
GO
NR
CAS22
GO GO
BRD
O
UY
YU
YG
O
OPI1-059
PI1-060
YR
YU
PI43 -1 -2
υ
IPI1-072 YU
YU
BG
YU
YR
YG
YU
PI15
-4
PI15
-1
PI15
-6
PI15
-3
GU
GU
PI15
-2
PI15
-5
E
90
E
92
PI1-006
PI1-007
PI1-010
GU
GO
Y
PI1-123
G
PI1-124
Y
PI1-105
W
PI1-134
GU
PI1-052
GR O
PI41-38
PI41-39
NR
GR
48 YR
GR
C
C
D
20.1
20.1
20.2
PI1-031
PI1-079
PI1-041
GR
GO
YR
02.2
29
II
I
I
I
02.2
02.2
I
02.2
PI1-022
NR
73
PI1-040
BW
O
01.7
–
+
O
I
PI1-024
WG
PI1-023
WG
E
111
32
II
E
94
E
95
B
B
B
B
3
1
5
2
R4 4
F18 20A
GU
E
113
E
115
E
114
E
116
90
04.1
PIS47
BG
PIS49
BG
PIS41
OY
B
BB
B
HO2 SENSORS
UPSTREAM HO2 SENSORS
DOWNSTREAM CKP
SENSOR CMP
SENSORS KNOCK
SENSORS MAF
SENSOR ECT
SENSOR EOT
SENSOR IP
SENSOR EFT
SENSOR MAP
SENSOR FTP
SENSOR *
VIA INERTIA SWITCH
ENGINE CRANK
EMS CONTROL RELAY
GENERATOR: LOAD
STARTER RELAY DRIVE
PARK; NEUTRAL
(CIRCUIT CONTINUED)
SERIAL COMMUNICATION
THROTTLE MOTOR
RELAY
FRONT POWER DISTRIBUTION BOX
ENGINE CONTROL
MODULE
(CONTINUED Fig. 03.6)
IAT
SENSOR 2 EVAP
CANISTER
PURGE VALVE
EVAP
CANISTER
CLOSE VALVE *
BRAKE
ON / OFF
SWITCH
NOTES:
* EVAP Canister Close Valve and
Fuel Tank Pressure Sensor – NAS
vehicles only.
Shielding shown as dashed lines are
braided wires.
STEPPER
MOTOR
EGR VALVE
TP SENSOR
THROTTLE
MOTOR
THROTTLE BODY
APP SENSOR
V8 SC Vehicles

B
+
13 II
Fig. 01.1 Fig. 01.4
I
O
+
–
C
S
D
2
DP
114
476 II II
Fig. 01.2 Fig. 01.5
15 45
77 92 SS
Fig. 01.3 Fig. 01.6
46 80 EE
Fig. 01.7
81 118
VARIANT:
VIN RANGE:
DATE OF ISSUE:
Jaguar S
-
TYPE 2002.5
Output
Sensor/Signal Supply V CAN
SCP Serial and Encoded Data
All
March 2002 (PROVISIONAL)
Sensor/Signal Ground
D2B NetworkInput Battery Voltage
Power Ground
Engine Management: V8 SC – Part 2 Engine Management: V8 SC – Part 2 Fig. 03.6
U
UY
F49 15A
WG
YG
WU
PI1-051 WR
BG
PI1-034
U
BR
PI1-115
BW
PI1-117
BG
PI1-113
U
PI1-118
Y
PI1-088
GU
PI1-087
UY
PI1-112
BO
PI1-119
GB
PI1-131
BG
OY
WU
YB
PI1-132
GW
PI1-062
GW
PI1-061
GR
PI1-090
YR
PI1-089
IS1 -1 -2 IS2 -1 -2 IS3 -1 -2 IS4 -1 -2 IS7 -1 -2 IS8 -1 -2
BG
NR
BK
NR
BG
NR
BW
NR
BG
NR
BK
NR
1
357
2
4
IS5
-2 IS5
-3 IS5
-4 IS5
-5 IS6
-2 IS6
-3
I
O
O
O
O
O
O
O
O
O
O
O
O
I
I
I
O
I
O
O
E
105
E
104
E
109
E
108
E
107
E
106
2
4
6
1
3
5
B
1
PI2 -4 -2 -3 -1
3
PI3 -4 -2 -3 -1
5
PI4 -4 -2 -3 -1
7
PI5 -4 -2 -3 -1
4
PI7 -4 -2 -3 -1
6
PI8 -4 -2 -3 -1
PIS9
PIS10
GU
GB
B
RW
Y
YB
B
RW
YR
YB
B
RW
GR
GB
B
RW
GW
GB
B
RW
GR
GB
B
RW
B
PIS43
B
B
B
B
B
PIS46
RW
RW
RW
RW
RW
RW
RW
RW
B
PI54
-1 PI54
-2
WR
FH1-15
CA103-19
28
GU
GU
GR
CA101-01
R
CA101-11
Y
CA101-12
I
O
O
B
CA101-02
CA156
CA156
NG
B
B
WR
PI41-26
PI1-027
5
2
3
1
R15
4
34
II
OY
WU
PI1-053
Y
PI1-011
O
I
FC10-13PI41-25
FC10-12
PI41-24
PI1-048
PI1-047
BK
PI1-114
O
BG
PI1-120
O
IS9 -1 -2 IS10 -1 -2
BG
NR
BW
NR
6
8
IS6
-4 IS6
-5
E
112
E
110
RW
RW
2
PI6 -4 -2 -3 -1
GW
YB
B
RW
-4 -2 -3 -1
YR
YB
B
RW
GR
PI1-063
OYR
PI1-064
O
8 7
PI51
B
B
O
F47 15A
B
R
CA283-10
Y
CA283-03
O
O
B
CA283-02
CA156
WU
Y
I
O
PI42-2 FH2-4 (LHD)
FH3-14 (RHD)
PI42-3 FH2-5 (LHD)
FH3-15 (RHD)
WU
Y
WU
Y
CA283-9
WG
YG
FH110 -3 -2 -1 CA36 -2 -1
30
II
U
WG
PIS22
OY
PIS21
PI41-19
PI41-18
PI41-17
BG
WU
PI1-121
PI1-012
PI1-019
BG
OY
WU
BG
OY
WU
WG
CP2-1 CP2-2
FH42
B
CP1-9
B
PI1-014
O
PI42-7
U
FH10 -2 -1
GU
U
E
86
PI1-009 PI41-28
U
FH3-1
U
FHS7
FHS6
WG
YG
BG
OY
8
PIS45
RW
PIS42
PIS44
RW
E
118
E
117
FH108-1
WU
PI42-1
FH108-2
WG
FH109-1
NG
FH109-2
B
FH95
I
O
O
B
B
E
93
57
P
N
Y
U
87
B
S
SCA102-2
CA102-1
CA101-3
20.2
20.2
GU
B
CA100-8
31
II
CA283-1
CA283-7
1κ Ω
2.2κ Ω
510 Ω
300 Ω
180 Ω
120 Ω
SQ2-1
SQ2-3 FC117-6
FC117-8
WG
YG
FP2-4
FP2-1
R
Y
FP4-2
FP4-4
KB
B
FP2-7
FP2-8
R
Y
FP3-2
FP3-4
KB
B
PI9
B
B
RG
BG
Y
WG
RG
PI49-2
B
FH42
(FH22)
PI49-1
PI41
-36
E
91
71
PI41-37
BG
PI41-42
B
5
2
R8
1
3
4
B
FRONT OF
ENGINE
CYLINDER NUMBERING
FUEL INJECTORS IGNITION MODULES AND COILS IGNITION
CAPACITOR
ENGINE CONTROL
MODULE
(CONTINUED FROM Fig. 03.5)
NOTE: ECM power supplies and grounds shown on Fig. 03.5.
RESUME
SET +
SET –
CANCEL
RESISTOR PACK
STEERING WHEEL SPEED CONTROL SWITCHES
NOTE: Vehicles with Adaptive Speed Control –
refer to Speed Control Switches Fig. 05.3.
AIR CLEANER
SOLENOID VALVE AIR CONDITIONING
PRESSURE SENSOR BRAKE
CANCEL
SWITCH
FUEL PUMP 1
FUEL PUMP 2
FUEL TANK
INTERCOOLER
PUMP
NOTE: The ECM communicates (CAN / SCP)
with the RECM for Fuel Pump 1 diagnostics.
FUEL PUMP 2
MODULE
AIR CONDITIONING
COMPRESSOR CLUTCH
RELAY
FRONT POWER DISTRIBUTION BOX
AIR CONDITIONING
COMPRESSOR CLUTCH
COOLING FAN
FAN
COOLING FAN
MODULE
REAR ELECTRONIC
CONTROL MODULE
VIA
INERTIA SWITCH
FUEL PUMP
RELAY
FUEL PUMP DIODE (2)
REAR POWER DISTRIBUTION BOX
V8 SC Vehicles
CASSETTE
CASSETTE

B
+
13 II
Fig. 01.1 Fig. 01.4
I
O
+
–
C
S
D
2
DP
114
476 II II
Fig. 01.2 Fig. 01.5
15 45
77 92 SS
Fig. 01.3 Fig. 01.6
46 80 EE
Fig. 01.7
81 118
VARIANT:
VIN RANGE:
DATE OF ISSUE:
Jaguar S
-
TYPE 2002.5
Output
Sensor/Signal Supply V CAN
SCP Serial and Encoded Data
All
March 2002 (PROVISIONAL)
Sensor/Signal Ground
D2B NetworkInput Battery Voltage
Power Ground
Transmissions Transmissions Fig. 04.1
CA245-11
CA245-9
GB2-14
CA245-10
GB2-9
GB2-10
B
Y
G
Y
GR
GO
NR
GB16-1
GB1-6
GB16-2
GB16-3
GB16-4
GB16-5
GB16-6
GB16-11
GB16-12
GB16-13
GB16-14
GB16-15
GB2-6
GB2-2
CA245-4
CA245-2
B
B
74
19
II
GR
03.103.303.5 02.102.2
PI40AL
P
P
PIS30
BGB2-16
B
GB2-13
B
GB16-7
GB16-8
GB16-9
GB16-10
υ
C
C
20.1
20.1
G
Y
G
Y
C
C
C
C
–
+
–
+
CA245-1
GO
CA245-3
UY
P
R
N
D
2
3
CA141
NR
FC18-4
Y
FC18-3
I
O
O
7
09.2
17
II
B
20.1
20.1
20.1
20.1 CA245-12 P
Y
FC26-4 FCS25
Y07.1
O
CAN
P R N D
4
5
GB2-3
O
20.2 D
–
+
PI42-8
GR
FH3-10PI1-031 GB1-13
WG
PI1-033
CA285 -2 -1 (RHD)
WG
NR
FH3-2PI41-4
WG
GR
GB1-6
GR
91
B
GB5-2
GB5-1
PIS30
B
PI40AL
GB
GB1-9
B08.3
R
CA242-11
CA287
-2
CA287
-3 CA287
-1
I
GB
YR
I
I
GR
B YG
GB4-1
PIS30
B
PI40AL
CA242-3
I
YG
FH1-2
GB4-2 PI42-5
YGYG
GB1-12
B
GB1-10
CA291 -3 -1 (LHD)
GB2-9
GO B
18
II
V6
V8
V6
V8
GB1-8
NR NR
GBS4
GB17-1
GB17-2
NR
PI40AL
P
P
GB1-9
GB1-10
PIS30
B
B
BGB2-16
B
GB2-13
B
GBS3
B
B
GB2-14
NR B
75 NR
PIS54
PI59-1
PI59-2
NR
B
PIS53
B
CA286 -2 -1
GR
NR
92 CA242-9
CA242-8
V6
V8
ECM: PARK, NEUTRAL
(CIRCUIT CONTINUED)
SERIAL COMMUNICATION
NOTE: GB1-6 – V6 only.
CAPACITOR (V6)
CAPACITOR (V8)
AUTOMATIC TRANSMISSION
TRANSMISSION
CONTROL MODULE
SHIFT
SOLENOIDS
PRESSURE CONTROL
SOLENOIDS
(DUTY CYCLE)
TURBINE
SPEED SENSOR
OUTPUT
SPEED SENSOR
FLUID
TEMPERATURE
SENSOR
GEAR POSITION
SWITCH
AUTOMATIC TRANSMISSION
CAN MESSAGES:
•GEAR SELECTOR
POSITIONS 2 3 4 5
•BRAKE ON / OFF
GEARSHIFT
INTERLOCK
SOLENOID
MODE
SWITCH
NOT-IN-PARK
SWITCH
J GATE ASSEMBLY
REFER TO APPENDIX
TCM / CAN MESSAGES
GEAR SELECTOR AND
MODE SWITCH ILLUMINATION
KEY-IN AUDIBLE WARNING
(CIRCUIT CONTINUED)
KEY LOCK
SOLENOID
IGNITION SWITCH
MANUAL TRANSMISSION
ENGINE
CONTROL MODULE CLUTCH CANCEL
SWITCH CLUTCH PEDAL
SAFETY SWITCH
(NAS ONLY)
CLUTCH PEDAL
POSITION SENSOR
IN-GEAR
SWITCH
REVERSE SWITCH
REVERSE LAMPS
ELECTRONIC
PARKING BRAKE
CONTROL MODULE
All Vehicles

B
+
13 II
Fig. 01.1 Fig. 01.4
I
O
+
–
C
S
D
2
DP
114
476 II II
Fig. 01.2 Fig. 01.5
15 45
77 92 SS
Fig. 01.3 Fig. 01.6
46 80 EE
Fig. 01.7
81 118
VARIANT:
VIN RANGE:
DATE OF ISSUE:
Jaguar S
-
TYPE 2002.5
Output
Sensor/Signal Supply V CAN
SCP Serial and Encoded Data
All
March 2002 (PROVISIONAL)
Sensor/Signal Ground
D2B NetworkInput Battery Voltage
Power Ground
Dynamic Stability Control Dynamic Stability Control Fig. 05.1
BK
R
FH103-45
G
20.1
FH103-15
R
WG
FH103-1
FH103-4
FH42
FH103-9
U
I
66
15
II
B
FH115-1 FH116-1FH115-2 FH116-2
H H
RW
FH103-32
69 B
B
Y
G
20.1
FH103-14
FH103-12
20.1
Y
YR
14.1
FH103-13
FH103-11
20.1
O
C
C
C
C
–
+
–
+
FH103-16
B
FH103-47
B
P
P
CAN
FH104-2 FH104-1
FC119-4
B
FC38
FH103-8
UY
FH103-38
RU
I
O
FC113-8
B
FC113-4
RU
FC10-10
RL1-2 RR1-2
NB NB
RL1-1 RR1-1
H H
FH103-46
FH103-34
FH103-33
FH103-36
FH103-37
FH103-43
FH103-42
FH103-3
G
B
N
B
N
YR
WR
Y
W
I
I
I
I
FH6-7
FH6-6
FH1-16
FH1-8
RL2-1
RL2-2
RR2-1
RR2-2
B
N
B
N
FH54
-2 FH54
-3 FH54
-1
FH103-19
NW
FH103-18
YB
FH103-20
WB
I
FH103-6
Y
FH103-7
R
FH103-5
B
FH103-29
Y
FH103-25
U
FH103-24
WB
FH103-26
WR
FH103-40
W
FH103-27
WG
FH103-30
YR
FH103-28
NG
FH103-31
NR
FH103-17
WR
G
FC110
-3
Y
FC110
-2
R
FC110
-1
B
FC110
-4 BK
CA236
-5
R
CA236
-3
Y
CA236
-2
U
CA236
-1
CC
–+
FC10-3
FC10-2
FC10-1
FC10-4
I
I
FCS18
FCS19 FC26-10
FC26-9
C
C
FH2-14
FH2-13
–
+
R
B
FH11
-3 FH11
-1 FH11
-2
FH56
-5 FH56
-2 FH56
-1
FH56
-4 FH56
-3
I
I
O
WB
WR
W
WG
YR
NG
NR
WR
REFER TO APPENDIX
DSC / CAN MESSAGES
SLIDING ROOF: VEHICLE SPEED
(CIRCUIT CONTINUED)
BRAKE FLUID
RESERVOIR
TRACTION CONTROL
SWITCHES
CENTER CONSOLE SWITCH PACK
PRESSURE
PUMP
CONTROL
VALVES
PUMP
VALVES
LOCAL
VALVES
PUMP
DYNAMIC STABILITY CONTROL
CONTROL MODULE
BRAKE PRESSURE
SENSOR
LH FRONT
WHEEL SPEED
SENSOR
RH FRONT
WHEEL SPEED
SENSOR
LH REAR
WHEEL SPEED
SENSOR
RH REAR
WHEEL SPEED
SENSOR STEERING ANGLE
SENSOR
YAW RATE AND
LATERAL ACCELERATION
SENSOR
BOOSTER
SOLENOID RELEASE
SWITCH TRAVEL
SENSOR
ACTIVE
BRAKE BOOSTER
All Vehicles

B
+
13 II
Fig. 01.1 Fig. 01.4
I
O
+
–
C
S
D
2
DP
114
476 II II
Fig. 01.2 Fig. 01.5
15 45
77 92 SS
Fig. 01.3 Fig. 01.6
46 80 EE
Fig. 01.7
81 118
VARIANT:
VIN RANGE:
DATE OF ISSUE:
Jaguar S
-
TYPE 2002.5
Output
Sensor/Signal Supply V CAN
SCP Serial and Encoded Data
All
March 2002 (PROVISIONAL)
Sensor/Signal Ground
D2B NetworkInput Battery Voltage
Power Ground
Electronic Parking Brake; Variable Assist Power Steering Electronic Parking Brake; Variable Assist Power Steering Fig. 05.2
B
CA243-4
CA243-6
RW
WU G
YG
CA269-1
GB4-1
PIS30
B
PI40AL
CA141
CA241-3
U
Y
CA242-1
CA242-7
O
NR
R
CA241-1
CA242-11
CA241-4
B
CA156
CA242-3
I
44
P
B
FH60-2
NR
FH60-1
FH60-15
B
P
B
NG
FH60-14
B
P
FH60-13
B
P
FH59-12
B
P
FH60-11
B
P
FH77
FH60-9
OWG
I
FH16-2
FH16-1
S
S
20.2
20.2
453 Ω 150 Ω
100 Ω 100 Ω
CA243-8
U
CA243-2
CA243-1
WU B
4
I
150 Ω453 Ω
CA242-5
I
CA242-6
I
H
GW
CA269-6
Y
CA269-3
YB
CA269-4
WU
CA269-5
CA241-2
O
CA242-10
CA242-4
CA242-12
I
CAS97
W
U
Y
FH59-7
FH59-1
20.2
20.2
S
S
CA287-3
CA287-4
I
YG
FH1-2
GB4-2 PI42-5
YGYG
GB1-12
B
GB1-10
SCP
S
60
YR
CA242-8
GB
CA242-9CA287-1
REFER TO APPENDIX:
EPB / SCP MESSAGES
RELEASE
APPLY
SWITCH ILLUMINATION
ELECTRONIC
PARKING BRAKE SWITCH
IN-GEAR
SWITCH *
CLUTCH PEDAL
POSITION SENSOR *
* NOTE: In-Gear Switch and Clutch Pedal Position Sensor –
manual transmission vehicles only.
ELECTRONIC
PARKING BRAKE
CONTROL MODULE
PARKING BRAKE
MOTOR
ELECTRONIC PARKING BRAKE
VEHICLE SPEED
GENERAL ELECTRONIC
CONTROL MODULE
VARIABLE ASSIST
STEERING
ACTUATOR
VARIABLE ASSIST POWER STEERING
All Vehicles

B
+
13 II
Fig. 01.1 Fig. 01.4
I
O
+
–
C
S
D
2
DP
114
476 II II
Fig. 01.2 Fig. 01.5
15 45
77 92 SS
Fig. 01.3 Fig. 01.6
46 80 EE
Fig. 01.7
81 118
VARIANT:
VIN RANGE:
DATE OF ISSUE:
Jaguar S
-
TYPE 2002.5
Output
Sensor/Signal Supply V CAN
SCP Serial and Encoded Data
All
March 2002 (PROVISIONAL)
Sensor/Signal Ground
D2B NetworkInput Battery Voltage
Power Ground
Adaptive Speed Control Adaptive Speed Control Fig. 05.3
FC4-4FC10-14
YR
G
FC120-1
FC120-3
FH107-6
G
Y
FH107-10
FH107-4
O
NW
NR
FH107-7
FH107-1
FH107-2
B
FH42
FH107-12
GW
16
II
P
B
C
C
20.1
20.1
G
Y
PI1-124
PI1-123
PI1-47
WG
I
PI1-48
YG
C
C
20.1
20.1
G
Y
FC15-8
FC15-9
C
C
B
S
66
28
II
GI
FC120-4
B
FC38
P
GW
FC43-9
B
FC38
FC43-7
270 Ω I
SQ2-1
SQ2-3
FC10-13 PI41-25
FC10-12 PI41-24
FC117-8
WG
YG
WG
YG
G
Y
GB2-6
GB2-2
C
C
20.1
20.1
–
+
G
FH103-15
Y
G
FH103-14
FH103-12
Y
FH103-11
20.1 C
C
C
C
–
+
–
+
CAN
G
Y
FC15-18
FC15-19
C
C
1κ Ω
2.2κ Ω
510 Ω
300 Ω
180 Ω
120 Ω
20.1
20.1
20.1
20.1
20.1
20.1
20.1
FORWARD ALERT
SWITCH
FUEL / TRUNK RELEASE
SWITCH PACK
RESUME
SET +
HEADWAY –
HEADWAY +
SET –
CANCEL
RESISTOR PACK
STEERING WHEEL
NOTE: Vehicles without Adaptive Speed Control –
refer to Speed Control Switches, Figs. 03.2, 03.4, 03.6.
ADAPTIVE
SPEED CONTROL
CONTROL MODULE
ENGINE
CONTROL MODULE
ADAPTIVE
SPEED CONTROL
CHIME MODULE
TRANSMISSION
CONTROL MODULE
ENGINE CONTROL:
REFER TO FIGURE SERIES 03.
TRANSMISSION
STATUS
REFER TO APPENDIX
ASC / CAN MESSAGES
BRAKE FORCE
DYNAMIC STABILITY CONTROL
CONTROL MODULE
BRAKE CONTROL:
REFER TO FIG. 05.1.
WARNINGS;
MESSAGE CENTER
INSTRUMENT
CLUSTER
Adaptive Speed Control Vehicles
CASSETTE
CASSETTE

B
+
13 II
Fig. 01.1 Fig. 01.4
I
O
+
–
C
S
D
2
DP
114
476 II II
Fig. 01.2 Fig. 01.5
15 45
77 92 SS
Fig. 01.3 Fig. 01.6
46 80 EE
Fig. 01.7
81 118
VARIANT:
VIN RANGE:
DATE OF ISSUE:
Jaguar S
-
TYPE 2002.5
Output
Sensor/Signal Supply V CAN
SCP Serial and Encoded Data
All
March 2002 (PROVISIONAL)
Sensor/Signal Ground
D2B NetworkInput Battery Voltage
Power Ground
Suspension Adaptive Damping Suspension Adaptive Damping Fig. 05.4
FC15-19
FC15-18
G
Y
U
Y
20.2
20.2
CA11-14
CA11-13
S
S
S
S
FC15-10
FC15-20
U
Y
20.2
20.2
CA158
CA11-10
FH117-1
FH117-2
FH118-1
FH118-2
CA140-1
CA140-2
CA111-1
CA111-2
CA11-2
BG
CA11-1
O
WB
CA11-4
BO
CA11-3
O
W
CA11-7
BG
CA11-8
O
WU
CA11-5
BW
CA11-6
O
WG
O
O
O
O
BG
WU
BW
WG
BG
WB
BO
W
B
CA4-1
CA11-12
NG
CA11-16
NW
29
FH107-4
FH107-10
G
Y
20.1
S
S
CA102-2
CA102-1
U
Y
20.2
20.2
BW
WG
CA4-6
FH6-12
FH6-13
FH2-9
FH2-10
CA4-5
CA4-10
FH70-2
WB
FH70-3
FH70-1
N
Y
FH63-1
FH63-2
YR
FH63-3
N
Y
CA17-1
CA17-2
CA17-3
YB
N
Y
I
CA11-9
N
CA12-9
Y
CA12-11
WB
CA12-12
YR
CA12-10
YB
I
I
WB
YR
CA3-10
CA3-3
FHS31
CAS54
41
II B
B
C
C
C
C
FH107-5
FH107-11
G
Y
C
C
FC15-9
FC15-8
G
Y
C
C
CAS53
FHS30
NY
FH6-8FH6-2
FH6-10
FH6-11
P
20.1
20.1
20.1
20.1
20.1
20.1
20.1
DYNAMIC STABILITY CONTROL
CONTROL MODULE
VEHICLE SPEED
INSTRUMENT CLUSTER
SYSTEM STATE
REAR ELECTRONIC
CONTROL MODULE
BRAKE ON / OFF
ADAPTIVE DAMPING
CONTROL MODULE
LH FRONT
DAMPER SOLENOID
RH FRONT
DAMPER SOLENOID
LH REAR
DAMPER SOLENOID
RH REAR
DAMPER SOLENOID
LATERAL
ACCELEROMETER
FRONT VERTICAL
ACCELEROMETER
REAR VERTICAL
ACCELEROMETER
Adaptive Damping Vehicles

B
+
13 II
Fig. 01.1 Fig. 01.4
I
O
+
–
C
S
D
2
DP
114
476 II II
Fig. 01.2 Fig. 01.5
15 45
77 92 SS
Fig. 01.3 Fig. 01.6
46 80 EE
Fig. 01.7
81 118
VARIANT:
VIN RANGE:
DATE OF ISSUE:
Jaguar S
-
TYPE 2002.5
Output
Sensor/Signal Supply V CAN
SCP Serial and Encoded Data
All
March 2002 (PROVISIONAL)
Sensor/Signal Ground
D2B NetworkInput Battery Voltage
Power Ground
Climate Control System; Windshield Heaters Climate Control System; Windshield Heaters Fig. 06.1
SL3
-6
RW
B
AC7-2AC2-2AC2-1
SL3
-8
CP1-5
NG
NW
NW
FC40 / 27-01
FC40 / 27-03
FC40 / 27-05
FC41-12
FC40 / 27-02
FC41-14
FC41-01
FC41-03
FC40 / 27-06
FC40 / 27-09
FC40 / 27-10
FC40 / 27-17
FC40 / 27-18
FC40 / 27-19
FC40 / 27-22
FC40 / 27-23
FC40 / 27-20
FC40 / 27-24
FC40 / 27-26
FC41 / 28-02
FC40 / 27-25
FC41 / 28-05
FC41 / 28-07
FC41 / 28-09
FC41 / 28-06
FC41 / 28-10
WU
NW
WR
WB (LHD)
NG
B
YB
Y
W
YU
WU
NR
BG
NG
NR
WU
WR
NR
WB
YR
WR
WR
YR
NG
NW
W
WR
WB
FC40 / 27-11
FC40 / 27-12
FC40 / 27-13
FC40 / 27-15
FC40 / 27-16
FC40 / 27-14
G
Y
NR
NR
88
20.1
20.1
FC41 / 28-11
FC41-15
FC41 / 28-17
FC41 / 28-16
FC41 / 28-19
WU
NR
UY
N
WR
FC41 / 28-22
FC41 / 28-08
FC41 / 28-20 Y
GW
NG
FC41 / 28-18 WG (LHD)
FC41 / 28-06 WG (RHD)
FC41 / 28-18 WB (RHD)
B
B
C
C
40
II FC40 / 27-04 WG
FC40 / 27-07 NG
FC40 / 27-21 WU
09.2 I
AC4
-6
AC4
-1 AC4
-3 AC4
-5 AC4
-4
SL1
-5
SL1
-1
FC20
-1 FC20
-2
YRWR WR YR NR
NGNG WG WR
υ
SL1
-6
GW
FC30
-1 FC30
-2
NW WB
υ
FC24
-1 FC24
-3
WU NR
υ
AC5
-2 AC5
-1
WR NR
υ
FH30
-1 FH30
-2
WU NW
υ
AC3
-1
AC3
-6 AC3
-3 AC3
-4 AC3
-5
YRWR WR YR NR
FC29
-1
FC29
-6 FC29
-3 FC29
-4 FC29
-5
YBWB WB YB NW
FC22
-1
FC22
-6 FC22
-3 FC22
-4 FC22
-5
YW WYN
FC21
-6
FC21
-1 FC21
-3 FC21
-5 FC21
-4
YUWU WU YU NW
AC4
-1
AC4
-6 AC4
-3 AC4
-4 AC4
-5
(LHD)
(RHD)
LH RH
FC24
-2 FC24
-4
NG WG
FCS31
SL1
-2
WU
NG
WU
SL3
-2
SL3
-3
FC34
-3 FC34
-7 FC4
-1 FC4
-8 FC34
-9 FC34
-1 FC34
-10 FC34
-6 FC34
-15 FC34
-14
FC34
-4
NR
ACS2
ACS1
FC34
-11
YR
YR
FCS23
FCS32
CAN
FC4
-9
FC4
-10
70
CP5-3
CP1
-2 CP1
-1
CP5-2 CP5-1
NW
NW Y
NG
NG
63
64
67
72
68
N
N
Y
Y
NR
NR
RU 3
1
5
2
R21
4
3
1
5
2
R7
4
NG
RW
NG
NG 12
13
BG
R3
1
5
2
R7
4
RB
AC7-1
AC2
-3 AC2
-6
WU
FC34
-5 FC34
-12 FC33
-5
CA50
(CA30)
CA279-1CA122-1
RWB
CA30
CA65-1CA71-1
RU
B
CA50
FH114-1
FH82-1
3
1
5
2
R17
4
FC10
-5
B
CP4-2 CP4-1
RW
CP1-4
FH42
B
FC10
-9
FC38
I
I
I
I
I
I
I
I
I
I
I
O
O
O
O
O
O
O
O
O
O
O
O
O
O
O
P
I
I
I
I
08.208.3
O
I
08.1
08.208.3 08.1
LH DISCHARGE
TEMPERATURE
SENSOR
RH DISCHARGE
TEMPERATURE
SENSOR
DUAL
SOLAR
SENSOR
IN-CAR
TEMPERATURE
SENSOR HUMIDITY
SENSOR
EVAPORATOR
DISCHARGE
TEMPERATURE
SENSOR
AMBIENT
TEMPERATURE
SENSOR
COLD AIR
BYPASS
ACTUATOR FRESH / RECIRCULATION
ACTUATOR DEFROST MODE
ACTUATOR PANEL MODE
ACTUATOR FLOOR MODE
ACTUATOR
INSTRUMENT CLUSTER:
AUTO HEADLAMPS
INSTRUMENT CLUSTER:
GROUND
DIMMER CONTROLLED LIGHTING:
PANEL ILLUMINATION –
CONTROL PANEL ONLY.
REFER TO APPENDIX
CAN / A/CCM MESSAGES
NOTE: Mirror Heaters and Heated Rear
Window controlled via A/CCM / CAN / SCP /
GECM / DDCM. Refer to Fig. 10.2.
AIR CONDITIONING
CONTROL MODULE
NOTE: A/CCM with control panel: FC40 / FC41;
remote A/CCM (navigation): FC27 / FC28.
Connector numbers are shown as FC40 / 27 and FC41 / 28.
NOTE: Refer to Figures 03.2, 03.4, 03.6 for Air Conditioning Compressor
and Refrigerant Pressure Sensor circuits.
DRIVER PASSENGER
DUAL COOLANT
CONTROL VALVE BLOWER MOTOR
BLOWER MOTOR
RELAY
REAR POWER DISTRIBUTION BOX
WIPER PARK HEATER OR
RH WINDSHIELD HEATER
LH WINDSHIELD HEATER
AUXILIARY
COOLANT PUMP *
* NOTE:  Auxiliary Coolant Pump and circuit – V8 only.
WIPER PARK / RH WINDSHIELD HEATER
RELAY
LH WINDSHIELD HEATER
RELAY
AUXILIARY COOLANT PUMP
RELAY *
FRONT POWER DISTRIBUTION BOX
All Vehicles

B
+
13 II
Fig. 01.1 Fig. 01.4
I
O
+
–
C
S
D
2
DP
114
476 II II
Fig. 01.2 Fig. 01.5
15 45
77 92 SS
Fig. 01.3 Fig. 01.6
46 80 EE
Fig. 01.7
81 118
VARIANT:
VIN RANGE:
DATE OF ISSUE:
Jaguar S
-
TYPE 2002.5
Output
Sensor/Signal Supply V CAN
SCP Serial and Encoded Data
All
March 2002 (PROVISIONAL)
Sensor/Signal Ground
D2B NetworkInput Battery Voltage
Power Ground
Instrument Cluster; Audible Warnings Instrument Cluster; Audible Warnings Fig. 07.1
S
S
FC15-10
FC15-20
U
Y
20.2
20.2
G
Y
20.1
20.1
FC15-8
FC15-9
G
Y
20.1
20.1
FC15-18
FC15-19
FC26-12
O
CP1-7
FH42
B
CP1-6 FC4-13CP3-1 CP3-2
NG
WG
FC15-3
FC14-3
FC15-2
B
FC38
FC14-8
WB
I
85
35
II
P
B
FC18-5FC18-4
NR
W
FC14-4
WG
FC14-12
B
B
2
I
39
II
FC14-1
BG
I
FC14-14
B
C
C
C
C
CAN
7
FC14-2
WU
I
B
FC63-4
GR
I
FC26-11
WB
BG
17.1
17.1
FC63-15
GO
FC11-7
FC11-2
9.1 ΚΩ
3.9 ΚΩ
1.1 ΚΩ
360 ΚΩ
SCP
U
Y
FH59-7
FH59-1
NG
FH59-6
FH60-15
B
86
P
B
20.2
20.2
S
S
U
Y
CA102-1
CA102-2
N
CA101-3
87 B
20.2
20.2
S
S
FH60-14
B
P
FH60-13
B
P
FH59-12
B
P
FH60-11
B
P
FH77
CA103-26
B
P
CA103-25
B
P
CA103-12
B
P
CA103-11
B
P
CA102-12
B
P
CA156
FC14-5
O
I
FC14-7
Y
I
04.1
OB
FH59-9
BG
I
PI46-1
P
PI41-16
BG
WU
FH9-15 FH37-1
FH37-2
B
I
FH42
CA101-15
WR
I
CA103-23
NR
CA101-16
WU
I
FP6-1
FP2-5
FP6-2
F
E160Ω20Ω
NR
FPS1
NR
FE160Ω20Ω
NR
WU
WR
470 ΚΩ
330 ΚΩ
I
FC63-14
OG
FC116-5
FC63-3
UY
FC116-6
YW
KO
KO
YW
FP3-3
FP3-1
FP4-3
FP4-1
REFER TO APPENDIX
CAN / IC MESSAGES.
RESTRAINTS CONTROL MODULE:
AIRBAG INDICATOR DRIVE
(CIRCUIT CONTINUED)
RESTRAINTS CONTROL MODULE:
SEAT BELT AUDIBLE WARNING DRIVE
(CIRCUIT CONTINUED)
J GATE: NOT-IN-PARK
(CIRCUIT CONTINUED)
KEY-IN
IGNITION SWITCH
MLS / KM
TRIP A / B
RESET
TRIP COMPUTER
SWITCHES
AUXILIARY
LIGHTING SWITCH
TRIP CYCLE
SWITCH
MAIN LIGHTING SWITCH
(COLUMN SWITCHGEAR)
ENGINE
COOLANT LEVEL
SENSOR
LOGIC
AIRBAG
WARNINGS
AIRBAG
WARNING INDICATOR
SEAT BELT
AUDIBLE WARNING
KEY-IN
AUDIBLE WARNING
KEY-IN
AUDIBLE WARNING
MESSAGE CENTER
MESSAGE CENTER
LOW ENGINE COOLANT LEVEL
WARNING
INSTRUMENT CLUSTER
REFER TO APPENDIX
SCP / IC MESSAGES
LOGIC
GENERAL ELECTRONIC
CONTROL MODULE
LOGIC
REAR ELECTRONIC
CONTROL MODULE
OIL PRESSURE
SWITCH
WASHER FLUID
LEVEL SWITCH
RH SIDE
FUEL LEVEL SENSOR
LH SIDE
FUEL LEVEL SENSOR
FUEL TANK
All Vehicles

B
+
13 II
Fig. 01.1 Fig. 01.4
I
O
+
–
C
S
D
2
DP
114
476 II II
Fig. 01.2 Fig. 01.5
15 45
77 92 SS
Fig. 01.3 Fig. 01.6
46 80 EE
Fig. 01.7
81 118
VARIANT:
VIN RANGE:
DATE OF ISSUE:
Jaguar S
-
TYPE 2002.5
Output
Sensor/Signal Supply V CAN
SCP Serial and Encoded Data
All
March 2002 (PROVISIONAL)
Sensor/Signal Ground
D2B NetworkInput Battery Voltage
Power Ground
Exterior Lighting: Front Exterior Lighting: Front Fig. 08.1
FC116-4
B
UY
U
FC119-3
FC113-8
FC38
FC63-10
NG
NG
FH9-7
U
Y
FH59-7
FH59-1
O
NG
FH59-6
FH60-15
B
86
P
B
20.2
20.2
S
S
BG
FH60-14
B
P
FH60-13
B
P
FH59-12
B
P
FH60-11
B
P
FH77
S
S
FC15-10
FC15-20
U
Y20.2
20.2
NG
FC15-3
FC15-2
B
FC38
85
P
B
FC14-14
B
SCP
470 Ω
270 Ω
180 Ω
470 Ω
270 Ω
180 Ω
56 Ω
220 Ω
270 Ω
470 Ω
220 Ω
270 Ω
470 Ω
FC116-3
OY
FC116-1
UY
FC116-2
O
FC116-6
UY
UY
FCS5
1.2 ΚΩ
1.2 ΚΩ
FC119-4
B
BO
FC119-7
3.9 ΚΩ
820 Ω (LHD)
470 Ω (RHD)
470 Ω (LHD)
820 Ω (RHD)
GU (LHD)
WB (RHD)
FC11-5 (LHD)
FC11-6 (RHD)
GO
FC11-7
SL3-6
SL3-8
SL1-5
SL1-1
NG
WR
SL1-6
GW
SL1-2
WU
GW
WR
LH
RH
06.1
06.1
I
NG
WU
FC63-21
FC63-13
FC63-2
FC63-1
FC63-12
FC63-3
FC14-9
FC63-6
FC63-15
O
I
I
I
I
I
NW
FH62-2 FH62-1
NWBO
BF2-1 BF2-2
NWBW
HL8-1 HL8-2
NWBG
HL4-1 HL4-2
NWBW
HL3-1 HL3-2
NRBR
HL2-2 HL2-1
B
BF6-2 BF6-1
B
BF5-2 BF5-1
NW
NR
FH76-1 FH76-2
NRBW
BF3-1 BF3-2
NW
BG
NWBW
HL7-1 HL7-3
BF1-2
FH9-22
O
BO
FH40-3
FH60-5
O
BW
FH40-3
FH60-5
O
BW
FH40-4
FH59-2
O
BG
FH40-5
FH60-8
O
BR
FH40-6
FH60-17
O
BG
NRBW
HR8-1 HR8-2
NRBG
HR4-1 HR4-2
NWBW
HR3-1 HR3-2
NRBR
HR2-2 HR2-1
NRBW
HR7-1 HR7-3
BO
FH9-19
O
BO
BF1-4
FH9-11
O
BW
FH39-3
FH60-4
O
BW
FH39-3
FH60-4
O
BW
FH39-4
FH59-10
O
BR
FH39-5
FH60-7
O
BW
FH39-6
FH60-10
O
BR
S
53
S
52
S
51
S
58
S
54
S
48
S
47
S
46
S
49
S
57
B
BF4-2 BF4-1
NW
B
BF7-2 BF7-1
NW
B
B
FH22
BF1-3
BFS2
NW BFS1
BG
NW
FHS62
FH59-5
O
BG
BF1-6
3
1
5
2
R11 4
59
60
NW
HLS1
NR
HRS1
CLIMATE CONTROL:
SOLAR LOAD
DUAL SOLAR SENSOR
(AUTO HEADLAMP)
AUTOLAMP
DIP BEAM
SIDE LAMPS
OFF
AUTOLAMP
EXIT DELAY 1
EXIT DELAY 2
EXIT DELAY 3
LH TURN
RH TURN
FLASH
MAIN BEAM
MAIN LIGHTING SWITCH
(COLUMN SWITCHGEAR)
HAZARD SWITCH
AND INDICATOR
CENTER CONSOLE
SWITCH PACK
FRONT
REAR
FOG LAMP
SWITCHES
AUXILIARY
LIGHTING SWITCH
LOGIC
INSTRUMENT CLUSTER
REFER TO APPENDIX
SCP / GECM LIGHTING MESSAGES
LOGIC
GENERAL ELECTRONIC
CONTROL MODULE
FRONT FOG LAMP
RELAY
FRONT POWER DISTRIBUTION BOX
LH TURN REPEATER
LH SIDE MARKER *
TURN **
TURN **
SIDE
DIP
MAIN
LH HEADLAMP UNIT
RH TURN REPEATER
RH SIDE MARKER *
TURN **
TURN **
SIDE
MAIN
DIP
RH HEADLAMP UNIT
LH FRONT
FOG LAMP
RH FRONT
FOG LAMP
Non HID Headlamp Vehicles
NOTES:
* Side Marker Lamps – NAS only.
** Either single or dual filament turn signals fitted.

B
+
13 II
Fig. 01.1 Fig. 01.4
I
O
+
–
C
S
D
2
DP
114
476 II II
Fig. 01.2 Fig. 01.5
15 45
77 92 SS
Fig. 01.3 Fig. 01.6
46 80 EE
Fig. 01.7
81 118
VARIANT:
VIN RANGE:
DATE OF ISSUE:
Jaguar S
-
TYPE 2002.5
Output
Sensor/Signal Supply V CAN
SCP Serial and Encoded Data
All
March 2002 (PROVISIONAL)
Sensor/Signal Ground
D2B NetworkInput Battery Voltage
Power Ground
Exterior Lighting: Front – HID Exterior Lighting: Front – HID Fig. 08.2
FC116-4
B
UY
U
FC119-3
FC113-8
FC38
FC63-10
NG
NG
FH9-7
U
Y
FH59-7
FH59-1
O
NG
FH59-6
FH60-15
B
86
P
B
20.2
20.2
S
S
BG
FH60-14
B
P
FH60-13
B
P
FH59-12
B
P
FH60-11
B
P
FH77
S
S
FC15-10
FC15-20
U
Y
20.2
20.2
NG
FC15-3
FC15-2
B
FC38
85
P
B
FC14-14
B
SCP
470 Ω
270 Ω
180 Ω
470 Ω
270 Ω
180 Ω
56 Ω
220 Ω
270 Ω
470 Ω
220 Ω
270 Ω
470 Ω
FC116-3
OY
FC116-1
UY
FC116-2
O
FC116-6
UY
UY
FCS5
1.2 ΚΩ
1.2 ΚΩ
FC119-4
B
BO
FC119-7
3.9 ΚΩ
820 Ω (LHD)
470 Ω (RHD)
470 Ω (LHD)
820 Ω (RHD)
GU (LHD)
WB (RHD)
FC11-5 (LHD)
FC11-6 (RHD)
GO
FC11-7
SL3-6
SL3-8
SL1-5
SL1-1
NG
WR
SL1-6
GW
SL1-2
WU
GW
WR
06.1
06.1
I
NG
WU
FC63-21
FC63-13
FC63-2
FC63-1
FC63-12
FC63-3
FC14-9
FC63-6
FC63-15
O
I
I
I
I
I
NW
FH62-2 FH62-1
NWBO
BF2-1 BF2-2
NWBW
HL8-1 HL8-2
NWBG
HL4-1 HL4-2
NRBR
HL2-2 HL2-1
B
BF6-2 BF6-1
B
BF5-2 BF5-1
NW
NR
FH76-1 FH76-2
NRBW
BF3-1 BF3-2
NW
BG
NWBW
HL7-1 HL7-3
BF1-2
FH9-22
O
BO
FH40-3
FH60-5
O
BW
FH40-3
FH60-5
O
BW
FH40-4
FH59-2
O
BG
FH6-14
CA31-20
O
NW
FH40-6
FH60-17
O
BG
NRBW
HR8-1 HR8-2
NRBG
HR4-1 HR4-2
NRBR
HR2-2 HR2-1
NRBW
HR7-1 HR7-3
BO
FH9-19
O
BO
BF1-4
FH9-11
O
BW
FH39-3
FH60-4
O
BW
FH39-3
FH60-4
O
BW
FH39-4
FH59-10
O
BR
FH9-6
O
BW
FH39-6
FH60-10
O
BR
S
53
S
52
S
54
S
48
S
47
S
57
B
BF4-2 BF4-1
NW
B
BF7-2 BF7-1
NW
B
B
FH22
BF1-3
BFS2
NW
BFS1
BG
NW
FHS62
FH59-5
O
BG
BF1-6
3
1
5
2
R11 4
59
60
NW
HL6-2 HL6-1
FH22
B
HR6-2 HR6-1
FH42
B
B
BNR
NRBW
NR
3
1
5
2
R13 4
S
59
FH39-5
N
58
NR
NW
NR
S
50
76
3
1
5
2
R10 4
FH40-5
N
FH40-11
FH39-11
S
51
S
46
NW
HLS1
NR
HRS1
LH
RH
CLIMATE CONTROL:
SOLAR LOAD
DUAL SOLAR SENSOR
(AUTO HEADLAMP)
AUTOLAMP
DIP BEAM
SIDE LAMPS
OFF
AUTOLAMP
EXIT DELAY 1
EXIT DELAY 2
EXIT DELAY 3
LH TURN
RH TURN
MAIN BEAM
FLASH
MAIN LIGHTING SWITCH
(COLUMN SWITCHGEAR)
HAZARD SWITCH
AND INDICATOR
CENTER CONSOLE
SWITCH PACK
FRONT
REAR
FOG LAMP
SWITCHES
AUXILIARY
LIGHTING SWITCH
LOGIC LOGIC
REFER TO APPENDIX
SCP / GECM LIGHTING MESSAGES
INSTRUMENT CLUSTER GENERAL ELECTRONIC
CONTROL MODULE
LH HID RELAY
FRONT POWER DISTRIBUTION BOX
RH HID RELAY
FRONT FOG LAMP
RELAY
FRONT POWER DISTRIBUTION BOX
LH TURN REPEATER
LH SIDE MARKER *
TURN **
TURN **
SIDE
MAIN
BALLAST
DIP
LH HEADLAMP UNIT
RH TURN REPEATER
RH SIDE MARKER *
TURN **
TURN **
SIDE
MAIN
BALLAST
DIP
RH HEADLAMP UNIT
LH FRONT
FOG LAMP
RH FRONT
FOG LAMP
HID Headlamp Vehicles
NOTES:
* Side Marker Lamps – NAS only.
** Either single or dual filament turn signals fitted.

B
+
13 II
Fig. 01.1 Fig. 01.4
I
O
+
–
C
S
D
2
DP
114
476 II II
Fig. 01.2 Fig. 01.5
15 45
77 92 SS
Fig. 01.3 Fig. 01.6
46 80 EE
Fig. 01.7
81 118
VARIANT:
VIN RANGE:
DATE OF ISSUE:
Jaguar S
-
TYPE 2002.5
Output
Sensor/Signal Supply V CAN
SCP Serial and Encoded Data
All
March 2002 (PROVISIONAL)
Sensor/Signal Ground
D2B NetworkInput Battery Voltage
Power Ground
Exterior Lighting: Rear Exterior Lighting: Rear Fig. 08.3
FC116-4
B
UY
U
FC119-3
FC113-8
FC38
FC63-10
S
S
FC15-10
FC15-20
U
Y
20.2
20.2
NG
FC15-3
FC15-2
B
FC38
85
P
B
FC14-14
B
SCP
470 Ω
270 Ω
180 Ω
470 Ω
270 Ω
180 Ω
56 Ω
220 Ω
270 Ω
470 Ω
220 Ω
270 Ω
470 Ω
FC116-3
OY
FC116-1
UY
FC116-2
O
FC116-6
UY
UY
FCS5
1.2 ΚΩ
1.2 ΚΩ
FC119-4
B
BO
FC119-7
3.9 ΚΩ
820 Ω (LHD)
470 Ω (RHD)
470 Ω (LHD)
820 Ω (RHD)
GU (LHD)
WB (RHD)
FC11-5 (LHD)
FC11-6 (RHD)
GO
FC11-7
SL3-6
SL3-8
SL1-5
SL1-1
NG
WR
SL1-6
GW
SL1-2
WU
GW
WR
06.1
06.1
I
NG
WU
FC63-21
FC63-13
FC63-2
FC63-1
FC63-12
FC63-3
FC14-9
FC63-6
FC63-15
O
I
I
I
I
I
BGB
FC12-7
GB
GB5-2
GB5-1
PIS30
B
PI40AL
PI41-2
I
FC14-11
GB
GB1-11
GB
GB1-9
B
CA37 -2 -1
GO
NR
CAS22
90
CA63-2
U
Y
CA102-1
CA102-2
O
N
CA101-3
87
B
20.2
20.2
S
S
BO
CA103-26
BP
CA103-25
BP
CA103-12
BP
CA103-11
BP
CA102-12
BP
CA156
I
CA102-13
GO
NW
CA66-1 CA66-2
NWBR
CA67-1
CA67-2
CA10-3
CA10-7
CA10-5
CA10-4
CA10-6
BR6-2 BR6-1
CA10-1 CA10-2
BR
CA68-5
CA68-1
CA68-3
CA68-4
CA68-2
NW
BR7-2 BR7-1
CA68-7 CA68-6
BG
BO
LH
RH
CA63-6
OBW
CA63-7
OBG
CA63-3
OBW
CA63-9
OBG
CA100-6
OBR
CA63-1
OBG
CA63-5
OBO
CA63-8
OBW
BR1-7
CA63-4
OBG
CA63-10
OBR
CA100-12
OBG
CA100-5
OBG
CA63-17
OY
BR1-6
CAS12 (LHD)
CAS1 (RHD)
NG
NW
NW
NG
NW
S
79
S
64
S
63
S
67
S
75
S
76
S
77
S
78
10 ΚΩ
CA18-2 CA18-1
CA18-3
B
B
S
68
R
CA116
BRD
BG
CAS2
WR 18.1
LH
RH
Y
CAS84
CLIMATE CONTROL:
SOLAR LOAD
DUAL SOLAR SENSOR
(AUTO HEADLAMP)
REVERSE SWITCH *
* NOTE: Reverse Switch –
manual transmission only.
AUTOLAMP
DIP BEAM
SIDE LAMPS
OFF
AUTOLAMP
EXIT DELAY 1
EXIT DELAY 2
EXIT DELAY 3
LH TURN
RH TURN
FLASH
MAIN BEAM
MAIN LIGHTING SWITCH
(COLUMN SWITCHGEAR)
HAZARD SWITCH
AND INDICATOR
CENTER CONSOLE SWITCH PACK
FRONT
REAR
FOG LAMP
SWITCHES
AUXILIARY
LIGHTING SWITCH
LOGIC
INSTRUMENT CLUSTER
BRAKE
ON / OFF
SWITCH
LOGIC
REAR ELECTRONIC
CONTROL MODULE
REFER TO APPENDIX
SCP / RECM LIGHTING MESSAGES
PARKING AID: REVERSE SELECTED
(CIRCUIT CONTINUED)
HIGH–MOUNTED
STOP LAMP
STOP
TAIL
FOG
TURN
REVERSE
LH TAIL LAMP
UNIT
LH SIDE
MARKER LAMP *
STOP
TAIL
FOG
TURN
REVERSE
RH TAIL LAMP
UNIT
RH SIDE
MARKER LAMP *
LICENSE PLATE
LAMPS
* NOTE: Side Marker Lamps – NAS only.
All Vehicles

B
+
13 II
Fig. 01.1 Fig. 01.4
I
O
+
–
C
S
D
2
DP
114
476 II II
Fig. 01.2 Fig. 01.5
15 45
77 92 SS
Fig. 01.3 Fig. 01.6
46 80 EE
Fig. 01.7
81 118
VARIANT:
VIN RANGE:
DATE OF ISSUE:
Jaguar S
-
TYPE 2002.5
Output
Sensor/Signal Supply V CAN
SCP Serial and Encoded Data
All
March 2002 (PROVISIONAL)
Sensor/Signal Ground
D2B NetworkInput Battery Voltage
Power Ground
Exterior Lighting: Rear – Trailer Towing Exterior Lighting: Rear – Trailer Towing Fig. 08.4
TT2-2
O
BO
NW
CA66-1 CA66-2
NWBR
CA67-1 CA67-2
CA10-3
CA10-7
CA10-5
CA10-4
CA10-6
BR6-2 BR6-1
CA10-1 CA10-2
BR
CA68-5
CA68-1
CA68-3
CA68-4
CA68-2
NW
BR7-2 BR7-1
CA68-7 CA68-6
BG
BO
LH
RH
TT2-6
O
BW
BG
TT2-3
O
BW
TT2-9
O
BG
CA100-6
O
BR
TT2-1
O
BG
TT2-5
O
BG
BW
BR1-7
TT2-4
O
BG
TT2-10
O
BR
CA100-12
O
BG
CA100-5
O
BG
TT2-17
O
Y
BR1-6
CAS12 (LHD)
CAS1 (RHD)
NG
NW
NW
NG
NW
S
79
S
64
S
63
S
67
S
75
S
76
S
77
S
78
10 ΚΩ
CA18-2 CA18-1
CA18-3
B
B
S
68
R
CA116
BRD
CA63-2
CA63-6
CA63-7
CA63-3
CA63-9
CA63-17
BO
BW
BG
BW
BG
Y
BG
BO
BG
BR
CA63-1
CA63-5
CA63-8
CA63-4
CA63-10
BG
BW
BG
BG
BG
BR
TT7-17
BO
TT7-18
BW
TT7-11
BG
TT7-20
BW
TT7-19
BG
TT7-4
BR
TJ3-7
WU
B
TT3
JB1
R
TT6-3
TT6-1
TT6-5
TT6-2
TTS8
S
65
R
OY
WU
B
RU
TT4
WU
RU
TTS3
BR
TT7-9
F2 15A
TT5-7 TT5-8
F3 15A
TT5-5 TT5-6
F4 15A
TT5-3 TT5-4
F5 15A
TT5-1 TT5-2
RU
TTS1
RU
RU
RU
RW
RU
RU
B
B
B
B
TT8-1
TT7-1
TT8-3
TTS2
TTS5
TTS4
TTS7
TTS6
TT7-7
BR
TT7-3
RW
TT7-15
GU
TT7-2
NG
TT7-12
RU
TT7-13
NW
TT7-14
Y
TT7-10
O
TT8-2
OY
TT8-4
RU
TT7-8
B
WU
TJ3-3
WU
TJ3-2
RU
TJ3-6
OY
TJ3-1
O
TJ3-4
RW RW
TJ4-3
WU
TJ4-1
Y
WU
TJ4-7
NW
WU
TJ4-6
RU
TJ4-5
NG
TJ4-4
GU
TJ4-2
RW
TJ4-9
BR BR
TJ4-8
WU
BR
WU
TTS9
TT1-2
TJ1-7
TJ1-10
TJ1-12
TJ1-3
TJ1-1
TJ1-4
TJ1-11
TJ1-5
TJ1-6
TJ1-2
TJ1-8
TJ1-9
TJ1-13
TJ1-14
18.1
TJS1
TT4
TJ2-13
WU
TJ2-11
WU
TJ2-10
OY
TJ2-8
RU
TJ2-9
RW
TJ2-3
WU
TJ2-1
Y
TJ2-7
NW
TJ2-6
RU
TJ2-5
NG
TJ2-4
GU
TJ2-2
RW
TJ2-14
BR
TJ2-15
WU
WU
TJ1-7
TJ1-10
TJ1-12
TJ1-3
TJ1-1
TJ1-4
TJ1-11
TJ1-5
TJ1-6
TJ1-2
TJ1-8
TJ1-13
TJ1-14
TJS2
Y
CAS84
BATTERY
TRAILER TOWING
RELAY
TRAILER TOWING
JUNCTION BOX
REVERSE PARKING AID:
TRAILER CONNECTED
(CIRCUIT CONTINUED)
TRAILER TOWING
CONNECTOR ** TRAILER TOWING
CONNECTORS **
** NOTE: Either single connector or two connectors fitted.
LIGHTING INPUTS:
REFER TO FIG. 08.3.
REAR ELECTRONIC
CONTROL MODULE
TRAILER TOWING
CONTROL MODULE
HIGH–MOUNTED
STOP LAMP
STOP
TAIL
FOG
TURN
REVERSE
LH TAIL LAMP
UNIT
LH SIDE
MARKER LAMP *
STOP
TAIL
FOG
TURN
REVERSE
RH TAIL LAMP
UNIT
RH SIDE
MARKER LAMP *
LICENSE PLATE
LAMPS
* NOTE: Side Marker Lamps – NAS only.
Trailer Towing Vehicles

B
+
13 II
Fig. 01.1 Fig. 01.4
I
O
+
–
C
S
D
2
DP
114
476 II II
Fig. 01.2 Fig. 01.5
15 45
77 92 SS
Fig. 01.3 Fig. 01.6
46 80 EE
Fig. 01.7
81 118
VARIANT:
VIN RANGE:
DATE OF ISSUE:
Jaguar S
-
TYPE 2002.5
Output
Sensor/Signal Supply V CAN
SCP Serial and Encoded Data
All
March 2002 (PROVISIONAL)
Sensor/Signal Ground
D2B NetworkInput Battery Voltage
Power Ground
Headlamp Leveling Headlamp Leveling Fig. 08.5
FH12-19
G
Y
20.1
20.1
FH12-2
FH12-3
O
NW
YR
FH12-23
FH12-6
B
FH42
FH12-24
25
II
I
C
C
D
W
FH12-5
20.2
GW
FH12-25
YB
FH12-11
YR
FH12-7
I
YU
FH12-10
YG
FH12-12
FH113-6
FH113-5
FH113-1
CA240-6
CA240-5
CA240-1
YR
GW
YB
YR
YU
YG
FH2-2
FH2-1
FH2-3
FH12-16
O
FH12-18
O
FH12-17
O
FH12-21
O
FH12-22
O
FH12-20
O
FH12-15
O
HL10-1
HL10-4
HL10-2
HL10-3
HR10-1
HR10-4
HR10-2
HR10-3
FH39-1
WY
FH39-7
GG
FH39-8
NUY
FH39-2
RO
FH40-1
YY
FH40-7
GG
FH40-8
UUY
FH40-2
OO
B
O
O
P
YR
HL1-3
HL1-2
YR
HR1-3
HR1-2
HL1-1
HR1-1
NR
NR
FC4-6
NR
B
FC38
FC11-12
FC11-10
B
B
FH22
FC11-11
YR
27
II 2800 Ω5000 Ω6040 Ω
390 Ω FHS20
FHS40
YR
26
II FH40-1
FH40-7
FH40-8
FH39-1
FH39-7
FH39-8
B
B
FH42
YR
YR
NR NR
NR
HEADLAMP LEVELING
SWITCH
AUXILIARY
LIGHTING SWITCH
SERVO
AMPLIFIER
LH HEADLAMP
LEVELING ACTUATOR
SERVO
AMPLIFIER
RH HEADLAMP
LEVELING ACTUATOR
DRIVER–CONTROLLED HEADLAMP LEVELING
FRONT AXLE
SENSOR
REAR AXLE
SENSOR
HEADLAMP LEVELING
CONTROL MODULE
HEADLAMP
LEVELING
STEPPER MOTOR
LH HEADLAMP UNIT
HEADLAMP
LEVELING
STEPPER MOTOR
RH HEADLAMP UNIT
AUTOMATIC HEADLAMP LEVELING
Headlamp Leveling Vehicles

B
+
13 II
Fig. 01.1 Fig. 01.4
I
O
+
–
C
S
D
2
DP
114
476 II II
Fig. 01.2 Fig. 01.5
15 45
77 92 SS
Fig. 01.3 Fig. 01.6
46 80 EE
Fig. 01.7
81 118
VARIANT:
VIN RANGE:
DATE OF ISSUE:
Jaguar S
-
TYPE 2002.5
Output
Sensor/Signal Supply V CAN
SCP Serial and Encoded Data
All
March 2002 (PROVISIONAL)
Sensor/Signal Ground
D2B NetworkInput Battery Voltage
Power Ground
Interior Lighting Interior Lighting Fig. 09.1
BWB
CA117-1
CA117-2
CA156
CA31-12
U
Y
FH59-7
FH59-1
O
NG
FH59-6
86 B
S
S
CA100-11
U
Y
CA102-1
CA102-2
O
N
CA101-3
87 B
S
S
O
BG
FH60-11
B
P
FH77
CA102-12
B
P
CA156
S
S
FC15-10
FC15-20
U
Y
NG
FC15-3
FC15-2
B
FC38
85
P
B
FC14-14
B
20.2
20.2
20.2
20.2
20.2
20.2
S
S
CA85-4
CA85-3
U
Y
WG
CA85-11
CA85-8
B
CA30
(CA50)
78
P
B
20.2
20.2
B
DT5-6
DTS2
B
CA30
(CA50)
DT8-7
B
BW
DT5-8
BG
DT5-7
BW
DT5-5
I
I
I
B
PT3-6
CA50
(CA30)
PT1-7
B
BG
PT3-8
PT1-8
BG
I
CA31-8
CA24-15
B
BO
BG
CA90-8
CA90-6
CA81-8
CA81-6
CA154
CA141
B
I
I
I
CA101-17 (LHD)
CA103-16 (RHD)
CA103-16 (LHD)
CA101-17 (RHD)
CA102-14
CAS91
NR
I
BO
CA3-9
NG
CA167-2 CA167-1
BG
NW
CA96-2 CA96-1
BG
CAS25
S
73
S
74
BNR
GL1-2 GL1-1
BW NW
FC51-1 FC51-2
BW NW
FC44-1 FC44-2
DD8-7
N NW
DD6-2 DD6-1
PD4-8
NG O
PD3-2 PD3-1
FC38
DD8-2
PD4-1
FC121-2
B
FC121-1
NR
FCS28
NR
FC33-9
CAS52
NW
NG
S
69
NW
CAS96
FC33-6
NW
NW
O
BG
FCS27
FC23-9
O
N
NG
LH
RH
19.1
NW
CA250-1
CA250-9
CA50
BS
70
RF20-2
RF23-2
RF24-1 RF24-2
RF20-3
RF20-1
RF23-1
RF23-3
RF12-1 RF12-2
RFS3
NW
NG
B
B
B
B
CA116
RFS1
B
RF34-6
B
NG
NG
NR
NR
RFS2
N
S
71
RF34-11
NN
PTS1
B
BW
DT8-3
DT2-16
DT2-17
CA250-2
FC14-13
CA250-3
FC33-10
YR YR
DOOR AJAR
SWITCH
PASSENGER DOOR LATCH
ASSEMBLY
DOOR AJAR
SWITCH
ALARM SET /
LOCK SWITCH
ALARM RESET /
UNLOCK SWITCH
DRIVER DOOR LATCH
ASSEMBLY
COURTESY LAMP
SWITCH
ROOF CONSOLE
DOOR AJAR
SWITCH
RH REAR
DOOR LATCH ASSEMBLY
DOOR AJAR
SWITCH
LH REAR
DOOR LATCH ASSEMBLY
TRUNK AJAR
SWITCH
LOGIC
GENERAL ELECTRONIC
CONTROL MODULE
LOGIC
REMOTE
ENTRY
DRIVER DOOR
CONTROL MODULE
LOGIC
INSTRUMENT CLUSTER
LOGIC
REAR ELECTRONIC
CONTROL MODULE
GLOVE BOX
LAMP
RH FASCIA LAMP
LH FASCIA LAMP
DRIVER DOOR
COURTESY LAMP
PASSENGER DOOR
COURTESY LAMP
GARAGE DOOR
OPENER
MAP LAMPS
ROOF CONSOLE
LH SUN VISOR LAMP
RH SUN VISOR LAMP
LH REAR MAP LAMP
RH REAR MAP LAMP
TRUNK LID LAMP
LH TRUNK LAMP
All Vehicles

B
+
13 II
Fig. 01.1 Fig. 01.4
I
O
+
–
C
S
D
2
DP
114
476 II II
Fig. 01.2 Fig. 01.5
15 45
77 92 SS
Fig. 01.3 Fig. 01.6
46 80 EE
Fig. 01.7
81 118
VARIANT:
VIN RANGE:
DATE OF ISSUE:
Jaguar S
-
TYPE 2002.5
Output
Sensor/Signal Supply V CAN
SCP Serial and Encoded Data
All
March 2002 (PROVISIONAL)
Sensor/Signal Ground
D2B NetworkInput Battery Voltage
Power Ground
Dimmer-Controlled Lighting Dimmer-Controlled Lighting Fig. 09.2
S
S
FH59-1
FH59-7
U
Y20.2
20.2
FC11-4
FC11-3
UY B
CA31-11
O
NG
FH59-6
86 B
S
S
FC15-10
FC15-20
U
Y20.2
20.2
NG
FC15-3
FC15-2
B
FC38
85
P
B
FC14-14
B
360 Ω 5 ΚΩ
GW
FC11-8
GO
FC11-7
FC63-5
FC63-15
I
GU
FC11-9
FC63-16
FC116-4
U
470 Ω
270 Ω
180 Ω
470 Ω
270 Ω
180 Ω
56 Ω
FC116-3
OY
FC116-6
UY
FC63-13
FC63-2
FC63-3
I
I
O
W
CA31-1
B
S
61
FC14-22
O
I
FCS26
FC113-8
FC113-3
UB
FC119-4
B
FC43-5
GU
FC43-10
B
SQ1-1
SQ1-2
FC117-4
03.2 03.4
YG 03.6
FC117-6
WU
FC94-17
FC92-9
U
UY
FC41-15
UY
CAS95
FC38
B
CA95-2
CA95-4
B
PD1-2
PD1-4
DD2-8
DD2-25
B
CA78-2 CA78-4
B
DD2-14
DD2-23
PD4-2
O
OYOY
OY
CA2-26CA2-24
CA2-25
DD8-3
OYOY
O
B
UY
UY
CA237-3 CA237-2
B
OY
CA109-3 CA109-2
B
UY
CA245-3CA245-2
B
CA141
CA50
CA141
CA30
(CA50)
CA50
(CA30)
CA154
FH60-15
B
P
FH60-14
B
P
FH60-13
B
P
FH59-12
B
P
FH60-11
B
P
FH77
FC113-5
W
9
I
SQ2-4
SQ2-3
FC23-8
OY
U
B
PD4-5
B
DD8-8
CA250-10 CA250-1
DIMMER
AUXILIARY LIGHTING SWITCH
AUTOLAMP
DIP BEAM
SIDE LAMPS
OFF
AUTOLAMP
EXIT DELAY 1
EXIT DELAY 2
EXIT DELAY 3
MAIN LIGHTING SWITCH
(COLUMN SWITCHGEAR)
LOGIC
ILLUMINATION
INSTRUMENT CLUSTER
LOGIC
SWITCH
ILLUMINATION
GENERAL ELECTRONIC
CONTROL MODULE
DIMMING CURVE;
BACKLIGHTING
INTENSITY
SWITCH
ILLUMINATION
AUDIO UNIT
SWITCH
ILLUMINATION
TELEMATICS DISPLAY
SWITCH
ILLUMINATION
A/CCM
(WITH PANEL CONTROLS)
CIGAR LIGHTER
POWER POINT
SWITCH
ILLUMINATION
J GATE ASSEMBLY
ECM: GROUND
CASSETTE
CASSETTE
AUDIO SPEED
CONTROL
STEERING WHEEL LIGHTING
AUXILIARY LIGHTING SWITCH
NOTE: Accessory power supply to
Center Console Switch Pack is used
for two-stage dimming.
CENTER CONSOLE SWITCH PACK
FUEL FLAP AND TRUNK RELEASE
SWITCH PACK
PRIMARY
JUNCTION FUSE BOX
RH REAR WINDOW SWITCH
PASSENGER WINDOW SWITCH
DRIVER DOOR SWITCH PACK
LH REAR WINDOW SWITCH
SWITCH
ILLUMINATION
ROOF CONSOLE
All Vehicles

B
+
13 II
Fig. 01.1 Fig. 01.4
I
O
+
–
C
S
D
2
DP
114
476 II II
Fig. 01.2 Fig. 01.5
15 45
77 92 SS
Fig. 01.3 Fig. 01.6
46 80 EE
Fig. 01.7
81 118
VARIANT:
VIN RANGE:
DATE OF ISSUE:
Jaguar S
-
TYPE 2002.5
Output
Sensor/Signal Supply V CAN
SCP Serial and Encoded Data
All
March 2002 (PROVISIONAL)
Sensor/Signal Ground
D2B NetworkInput Battery Voltage
Power Ground
Steering Column Adjust; Pedal Adjust Steering Column Adjust; Pedal Adjust Fig. 10.1
CA235-1
FC45-2
FC45-7
R
B
FC38
FC115-8
B
CA31-16
R
Y
FH9-17
FH9-8
O
NR
FH60-1
B
G
FH60-11 B
P
FH77
FC63-18
S
S
FC15-10
FC15-20
U
Y
20.2
20.2
NG
FC15-3
FC15-2
B
FC38
85
P
B
FC14-14
B
I
FC63-17
FC15-11
FC15-12
Y
N
FC15-1
NR B
84
CA85-4
CA85-3
U
Y
DD2-12
YG
DD2-11
Y
DD2-24
YR
DD2-13
YU
DD2-14
B
I
I
I
O
DD4-7
DD4-25
DD4-10
DD4-11
DD8-8
CA30
(CA50)
B
CA30
(CA50)
CA85-8
S
S20.2
20.2
SCP
B
P
WG
CA85-11
78 B
O
O
FC38
2.2 ΚΩ
1.5 ΚΩ
330 Ω
820 Ω
FC15-13
FC15-14
G
Y
O
O
FC63-20
FC63-19
U
R
O
FC63-9
FC63-8
W
U
S
S
FH59-1
FH59-7
U
Y
20.2
20.2
CA24-12
O
Y
CA24-18
O
CA24-26
O
U
CA24-5
W
I
I
I
FC63-7
FC45-4
Y
FC45-3
N
FC45-1
W
FC45-5
BW
FC4-11
FC4-12
CA234-1
CA235-3
CA234-2
CA235-2
I
I
I
FC115-5
FC115-7
FC115-6
FC115-2
FC115-1
FC115-10
FC115-9
B
FC115-4
FC115-3
CA30
(CA50)
B
DT5-6
DTS2
B
DT8-7
BBW
DT5-8
I
CA31-8
BW
DT8-3
S
60
MEMORY SET
INDICATOR
MEMORY SET
MEMORY 1
MEMORY 2
DRIVER DOOR
SWITCH PACK
COLUMN
ADJUST COLUMN
ADJUST +
ENTRY / EXIT
PEDAL
ADJUST
COLUMN AND PEDAL ADJUST SWITCH
DOOR AJAR
SWITCH
DRIVER DOOR LATCH
ASSEMBLY
LOGIC
DRIVER DOOR
CONTROL MODULE
LOGIC
COLUMN
MOTORS
INSTRUMENT CLUSTER
GENERAL ELECTRONIC
CONTROL MODULE
MEMORY
POSITIONS
MEMORY
FUNCTIONS
STEERING COLUMN
MOTOR
STEERING COLUMN
SOLENOIDS
STEERING COLUMN
POSITION FEEDBACK
POTENTIOMETERS
PEDAL ADJUST
MOTOR
All Vehicles

B
+
13 II
Fig. 01.1 Fig. 01.4
I
O
+
–
C
S
D
2
DP
114
476 II II
Fig. 01.2 Fig. 01.5
15 45
77 92 SS
Fig. 01.3 Fig. 01.6
46 80 EE
Fig. 01.7
81 118
VARIANT:
VIN RANGE:
DATE OF ISSUE:
Jaguar S
-
TYPE 2002.5
Output
Sensor/Signal Supply V CAN
SCP Serial and Encoded Data
All
March 2002 (PROVISIONAL)
Sensor/Signal Ground
D2B NetworkInput Battery Voltage
Power Ground
Door Mirrors: Movement and Heaters; Heated Rear Window Door Mirrors: Movement and Heaters; Heated Rear Window Fig. 10.2
R
R
CAS6
GW
OY
CA20-1
F42 5A
CA61-48 CA61-57
CA24-21
U
Y
FH59-7
FH59-1
O
NR
FH60-1
B
20.2
20.2
S
S
CA102-7
U
Y
CA102-1
CA102-2
O
N
CA101-3
87
B
S
S
RW
NW
FH60-11 B
P
FH77
B
P
CA102-12
CA156
CA85-4
CA85-3
U
Y
DD2-12
YG
DD2-11
Y
DD2-24
YR
DD2-13
YU
DD2-14
B
I
I
I
O
DD4-7
DD4-25
DD4-10
DD4-11
DD8-8
CA30
(CA50)
B
CA30
(CA50)
CA85-8
S
S20.2
20.2
B
P
WG
CA85-11
78
B
B
CA85-7
P
NR
CA85-12
B
S
55
RH
LH
I
DD4-24
OY
DD2-15 (LHD)
DD2-2 (RHD)
I
DD4-23
WR
DD2-2 (LHD)
DD2-15 (RHD)
I
DD4-3
UY
DD2-16
I
DD4-19
WB
DD2-3
I
DD4-21
G
DD2-1
I
DD4-20
Y
DD2-17
DT6
-2
DT6
-4 DT6
-3 DT6
-1 DT6
-5
DT6
-7 DT6
-8 DT6
-6
DT6
-10
DT6
-9
B
B
CA30
(CA50)
QQ5
-8
QQ5
-6 QQ5
-5 QQ5
-7 QQ5
-3
QQ5
-1 QQ5
-2 QQ5
-4
DT2-4
O
U
DT2-3
O
OY
DT2-15
O
YB
DT2-5
O
YB
DT2-14
O
WB
DT2-1
O
WR
DT2-2
O
YR
DT2-19
O
NW
CA19
-2
CA19
-4 CA19
-3 CA19
-1 CA19
-5
CA19
-7 CA19
-8 CA19
-6 CA19
-10
CA19
-9
CA50
(CA30)
QQ4
-8
QQ4
-6 QQ4
-5 QQ4
-7 QQ4
-3
QQ4
-1 QQ4
-2 QQ4
-4
S
60
CA24-20
O
UY
CA24-11
O
YR
CA24-8
O
YR
CA24-7
O
WR
CA24-23
O
WB
CA24-24
O
YB
CA24-22
O
NR
20.2
20.2
N
CA103-13
B
S
80
FC15-18
FC15-19
C
C
–
+
G
Y
G
Y
FC28-12 *
FC41-12 *
FC28-1 *
FC41-1 *
+
–
C
C
20.1
20.1
20.1
20.1
S
S
FC15-10
FC15-20
U
Y20.2
20.2
HEATERS
REQUEST
3
2
5
1
R1 4
27
26
GW
GW
CAS8
OG
DT8
-6
DT8
-2
O
O
B
GW
CA3-1
MEMORY SET
INDICATOR
MEMORY SET
MEMORY 1
MEMORY 2
DRIVER DOOR SWITCH PACK
AIR CONDITIONING
CONTROL MODULE
* NOTE:
FC28 – A/CCM with panel controls;
FC41 – Remote A/CCM with navigation.
LOGIC
HEATERS
REQUEST
DRIVER DOOR
CONTROL MODULE
INSTRUMENT CLUSTER
LOGIC
REAR ELECTRONIC
CONTROL MODULE
DRIVER DOOR MIRROR ASSEMBLY
HEATER
HEATED REAR WINDOW
RELAY
REAR POWER DISTRIBUTION BOX
GENERAL ELECTRONIC
CONTROL MODULE
PASSENGER DOOR MIRROR ASSEMBLY
HEATER
HEATED REAR WINDOW
All Vehicles

B
+
13 II
Fig. 01.1 Fig. 01.4
I
O
+
–
C
S
D
2
DP
114
476 II II
Fig. 01.2 Fig. 01.5
15 45
77 92 SS
Fig. 01.3 Fig. 01.6
46 80 EE
Fig. 01.7
81 118
VARIANT:
VIN RANGE:
DATE OF ISSUE:
Jaguar S
-
TYPE 2002.5
Output
Sensor/Signal Supply V CAN
SCP Serial and Encoded Data
All
March 2002 (PROVISIONAL)
Sensor/Signal Ground
D2B NetworkInput Battery Voltage
Power Ground
Electrochromic Rear View Mirror; Fold-Back Mirrors Electrochromic Rear View Mirror; Fold-Back Mirrors Fig. 10.3
CA85-6
CAS69 (LHD)
CAS70 (RHD)
OY
CA85-5
RF34-9
DT10
-3
CA102-4
U
Y
CA102-1
CA102-2
O
20.2
20.2
S
S
WU
B
P
CA102-12
CA156
DD2-14
B
DD8-8
CA30
(CA50)
B
CA30
(CA50)
CA85-8
B
P
WG
CA85-11
78
B
B
CA85-7
P
NR
CA85-12
B
S
55
RH
LH
I
DD4-24
OY
DD2-15 (LHD)
DD2-2 (RHD)
I
DD4-23
WR
DD2-2 (LHD)
DD2-15 (RHD)
DD2-16
DD2-3
DD2-1
I
DD4-20
Y
DD2-17
WG
YG
O
O
N
CA101-3
87
B
N
CA103-13
B
S
80
WU
I
W
RF5-1
B
23
II
RF5-2
B
P
RF5-3
CA116
RFS1 RF34-6
BB
RF5-5
RF5-4
OY
UY
RF34-15
RF34-7
OY
UY
DT6
-11
DT6
-14
CA19
-11
CA19
-14
O
DT10
-2
OY
UY
UY
CAS70 (LHD)
CAS69 (RHD)
OY
UY
CAS41
WG
DT10
-1
DT6
-15
DT6
-16 CA19
-15
CA19
-16
DT10
-5
WG
YG
YG
CAS42
WG
YG
REVERSE GEAR
LOGIC
REAR ELECTRONIC
CONTROL MODULE
REVERSE
ELECTROCHROMIC
REAR VIEW MIRROR
AND COMPASS *
* NOTE: Includes compass, when fitted.
DRIVER
DOOR MIRROR
ASSEMBLY
ELECTROCHROMIC
MIRROR
PASSENGER
DOOR MIRROR
ASSEMBLY
ELECTROCHROMIC
MIRROR
ELECTROCHROMIC REAR VIEW MIRRORS
DRIVER DOOR SWITCH PACK
LOGIC
DRIVER DOOR
CONTROL MODULE
DRIVER
DOOR MIRROR
ASSEMBLY
FOLD-FLAT
MOTOR
PASSENGER
DOOR MIRROR
ASSEMBLY
FOLD-FLAT
MOTOR
FOLD-BACK MIRRORS
All Vehicles; Fold-Back Mirror Vehicles

B
+
13 II
Fig. 01.1 Fig. 01.4
I
O
+
–
C
S
D
2
DP
114
476 II II
Fig. 01.2 Fig. 01.5
15 45
77 92 SS
Fig. 01.3 Fig. 01.6
46 80 EE
Fig. 01.7
81 118
VARIANT:
VIN RANGE:
DATE OF ISSUE:
Jaguar S
-
TYPE 2002.5
Output
Sensor/Signal Supply V CAN
SCP Serial and Encoded Data
All
March 2002 (PROVISIONAL)
Sensor/Signal Ground
D2B NetworkInput Battery Voltage
Power Ground
Driver Seat: 10-Way Movement with Memory Driver Seat: 10-Way Movement with Memory Fig. 11.1
S
S
DM34-12
DM34-1
U
Y
S
S
CA85-4
CA85-3
20.2
20.2
20.2
20.2
U
Y
DL4-1
N
DL2-1
DM33-22
WU
DM33-25
WB
DD2-12
YG
DD2-11
Y
DD2-24
YR
DD2-13
YU
DD2-14
B
I
I
I
O
DD4-7
DD4-25
DD4-10
DD4-11
DD8-8
CA30
(CA50)
B
CA30
(CA50)
CA85-8
BP
WG
CA85-11
78
B
DM7-7
NG
U
DM34-4
B
CA141
(CA154)
DM7-5
DM43-1
B
DM23-1
I
B
DMS6
DM7-6
B
DM7-1
B
DM43-8
NG
DM7-12
NG
40 NG
UY
DM34-5
DM7-11
I
Y
DM34-17
DM7-4
I
YB
DM34-18
DM7-10
I
GB
DM34-11
DM7-3
I
RW
DM34-10
DM7-9
I
N
DM34-19
DM7-2
I
YR
DM34-20
DM7-8
I
N
DM43-4
U
DM43-9
NG
DM33-13
B
NR
DM35-6
NW
DM38-2
B
B
21
22
B
CA141
(CA154)
DM35-5
P
B
DM38-1
P
B
DM33-26
PDMS6 DM23-1
B
DM22-4
DM22-3
B
B
B
DM36-2
OUY
DM36-1
OYU
DM33-10
R
DM37-3
O
U
DM37-4
O
GU
DM33-11
WB
DM33-8
U
DM35-2
OOG
DM35-1
OGO
DM33-7
O
DM38-6
OGR
DM38-5
ORG
DM28
-1
DM28
-5 DM28
-4 DM28
-2
GRRG O WB
H
DM27
-2
DM27
-1 DM27
-4 DM27
-3
OGGO U WB
H
DM26
-1
DM26
-2 DM26
-4 DM26
-3
GUURWB
H
DM25
-2
(LHD)
DM25
-1
(RHD)
DM25
-1
(LHD)
DM25
-2
(RHD)
DM25
-4 DM25
-3
UYYU WU WB
H
CA141
(CA154)
B
DL4-2
DMS6 DM23-1
BB
DL2-6
B
DL4-3
U
DL2-3
I
I
I
I
DMS4
DMS1
MEMORY SET
INDICATOR
MEMORY SET
MEMORY 1
MEMORY 2
DRIVER DOOR
SWITCH PACK
DRIVER SEAT SWITCH PACK
LOGIC
DRIVER DOOR
CONTROL MODULE
DRIVER SEAT
CONTROL MODULE
MEMORY
POSITIONS
DRIVER SEAT MOTORS AND POSITION SENSORS
DRIVER
LUMBAR PUMP
10-Way Driver Seat Memory Vehicles

B
+
13 II
Fig. 01.1 Fig. 01.4
I
O
+
–
C
S
D
2
DP
114
476 II II
Fig. 01.2 Fig. 01.5
15 45
77 92 SS
Fig. 01.3 Fig. 01.6
46 80 EE
Fig. 01.7
81 118
VARIANT:
VIN RANGE:
DATE OF ISSUE:
Jaguar S
-
TYPE 2002.5
Output
Sensor/Signal Supply V CAN
SCP Serial and Encoded Data
All
March 2002 (PROVISIONAL)
Sensor/Signal Ground
D2B NetworkInput Battery Voltage
Power Ground
Driver Seat: 16-Way Movement with Memory Driver Seat: 16-Way Movement with Memory Fig. 11.2
16-Way Driver Seat Memory Vehicles
DM33-22
WU
DM33-25
WB
DM7-7
NG
U
DM34-4
B
CA141
(CA154)
DM7-5
DM43-1
B
DM23-1
I
B
DMS6
DM7-6
B
DM7-1
B
DM43-8
NG
DM7-12
NG
40 NG
UY
DM34-5
DM7-11
I
Y
DM34-17
DM7-4
I
YB
DM34-18
DM7-10
I
GB
DM34-11
DM7-3
I
RW
DM34-10
DM7-9
I
N
DM34-19
DM7-2
I
YR
DM34-20
DM7-8
I
R
DM43-3
N
DM43-4
NG
DM33-13
B
NR
DM35-6
NW
DM38-2
B
B
21
22
B
CA141
(CA154)
DM35-5
P
B
DM38-1
P
B
DM33-26
PDMS6 DM23-1
B
DM22-4
DM22-3
B
B
B
DM36-2
O
UY
DM36-1
O
YU
DM33-10
R
DM37-3
O
U
DM37-4
O
GU
DM33-11
WB
DM33-8
U
DM35-2
O
OG
DM35-1
O
GO
DM33-7
O
DM38-6
O
GR
DM38-5
O
RG
DM28
-1
DM28
-5 DM28
-4 DM28
-2
GRRG
OWB
H
DM27
-2
DM27
-1 DM27
-4 DM27
-3
OGGO U WB
H
DM26
-1
DM26
-2 DM26
-4 DM26
-3
GUURWB
H
DM25
-2
(LHD)
DM25
-1
(RHD)
DM25
-1
(LHD)
DM25
-2
(RHD)
DM25
-4 DM25
-3
UYYU WU WB
H
CA141
(CA154)
B
DL3-2 DMS6 DM23-1
BB
DL2-6
B
DL3-1
N
DL2-1
I
I
I
I
DMS4
U
Y
20.2
20.2
DM34-1
DM34-12
S
S
DM38-3
O
11.1
RU
DM34-15
DM43-5
I
WG
DM34-16
DM43-12
I
WR
DM34-22
DM43-14
I
O
DM34-21
DM43-7
I
DM38-4
O
DM33-9
I
DM36-4
O
O
DM36-3
I
DM33-23
DM33-12
GW
GO
WU
RU
RU
WR
Y
DM31
-1
DM31
-4 DM31
-3 DM31
-2
GOGW WU WB
H
DM29
-5
DM29
-1 DM29
-4 DM29
-2
RURU WR Y
H
DMS5
DL2-5
DL2-2
DL2-4
DL2-3
Y
DM43-2
G
DM43-10
U
DM43-9
R
Y
G
U
DL1
-4
G
DL1
-2
Y
DL1
-5
R
DL1
-3
U
DMS1
MEMORY
POSITIONS
DRIVER SEAT SWITCH PACK
DRIVER SEAT
CONTROL MODULE
DRIVER SEAT MOTORS AND POSITION SENSORS DRIVER LUMBAR SOLENOIDS
DRIVER
LUMBAR PUMP

B
+
13 II
Fig. 01.1 Fig. 01.4
I
O
+
–
C
S
D
2
DP
114
476 II II
Fig. 01.2 Fig. 01.5
15 45
77 92 SS
Fig. 01.3 Fig. 01.6
46 80 EE
Fig. 01.7
81 118
VARIANT:
VIN RANGE:
DATE OF ISSUE:
Jaguar S
-
TYPE 2002.5
Output
Sensor/Signal Supply V CAN
SCP Serial and Encoded Data
All
March 2002 (PROVISIONAL)
Sensor/Signal Ground
D2B NetworkInput Battery Voltage
Power Ground
Driver Seat: Non Memory Driver Seat: Non Memory Fig. 11.3
DL4-1
N
DL2-1
DM7-7
NW
U
B
CA141
(CA154)
DM7-5
DM39-1
B
DM23-1
B
DMS2 DM7-6
B
DM7-1
B
DM39-8
NR
DM7-12
40
UY
DM7-11
Y
DM7-4
YB
DM7-10
GB
DM7-3
RW
DM7-9
N
DM7-2
YR
DM7-8
N
DM39-4
U
DM39-9
NG
DM28
-1
DM28
-5 DM28
-4 DM28
-3
UYU
H
DM27
-2
DM27
-1 DM27
-4 DM27
-3
YBY
H
DM26
-1
DM26
-2 DM26
-4 DM26
-3
RWGB
H
DM25
-2
(LHD)
DM25
-1
(RHD)
DM25
-1
(LHD)
DM25
-2
(RHD)
DM25
-4 DM25
-3
YRN
H
CA141
(CA154)
B
DL4-2 DMS2 DM22-3
BB
DL2-6
B
DL4-3
U
DL2-3
21
22
B
DM22-4
B
DM22-3
B
DMS6
6-WAY DRIVER SEAT 8-WAY DRIVER SEAT 10-WAY DRIVER SEAT
DRIVER SEAT SWITCH PACK
DRIVER SEAT MOTORS
DRIVER
LUMBAR PUMP
Non Memory Driver Seat Vehicles

B
+
13 II
Fig. 01.1 Fig. 01.4
I
O
+
–
C
S
D
2
DP
114
476 II II
Fig. 01.2 Fig. 01.5
15 45
77 92 SS
Fig. 01.3 Fig. 01.6
46 80 EE
Fig. 01.7
81 118
VARIANT:
VIN RANGE:
DATE OF ISSUE:
Jaguar S
-
TYPE 2002.5
Output
Sensor/Signal Supply V CAN
SCP Serial and Encoded Data
All
March 2002 (PROVISIONAL)
Sensor/Signal Ground
D2B NetworkInput Battery Voltage
Power Ground
Passenger Seat Passenger Seat Fig. 11.4
PL4-1
G
PL2-1
PN4-12
NW
U
B
CA154
(CA141)
PN4-5
PN4-6
B
PN23-3
B
PNS5 PN39-1
B
PN4-1
B
PN39-8
NR
PN4-7
45
UY
PN4-11
Y
PN4-4
YB
PN4-10
GB
PN4-3
RW
PN4-9
N
PN4-2
YR
PN4-8
N
PN39-4
U
PN39-9
NG
PN30
-1
PN30
-5 PN30
-4 PN30
-3
UYU
H
PN28
-2
PN28
-1 PN28
-4 PN28
-3
YBY
H
PN27
-1
PN27
-2 PN27
-4 PN27
-3
RWGB
H
PN26
-2
PN26
-1 PN26
-4 PN26
-3
YRN
H
CA154
(CA141)
B
PL4-2 PNS5 PN24-1
BB
PL2-6
B
PL4-3
G
PL2-3
23
14
B
PN23-4
B
PN24-1
B
PNS4
6-WAY PASSENGER SEAT 8-WAY PASSENGER SEAT 10-WAY PASSENGER SEAT
PASSENGER SEAT SWITCH PACK
PASSENGER SEAT MOTORS
PASSENGER
LUMBAR PUMP
6 / 8 / 10-Way Passenger Seat Vehicles

B
+
13 II
Fig. 01.1 Fig. 01.4
I
O
+
–
C
S
D
2
DP
114
476 II II
Fig. 01.2 Fig. 01.5
15 45
77 92 SS
Fig. 01.3 Fig. 01.6
46 80 EE
Fig. 01.7
81 118
VARIANT:
VIN RANGE:
DATE OF ISSUE:
Jaguar S
-
TYPE 2002.5
Output
Sensor/Signal Supply V CAN
SCP Serial and Encoded Data
All
March 2002 (PROVISIONAL)
Sensor/Signal Ground
D2B NetworkInput Battery Voltage
Power Ground
Passenger Seat: 16-Way Movement Passenger Seat: 16-Way Movement Fig. 11.5
PN4-7
NR
U
B
CA154
(CA141)
PN4-5
PN39-1
B
PN24-1
B
PNS5
PN4-1
B
PN4-6
PN39-8
NG
PN4-12
NW
UY
PN4-11
Y
PN4-4
YB
PN4-10
GB
PN4-3
RW
PN4-9
N
PN4-2
YR
PN4-8
R
PN39-3
N
PN39-4
PN30
-1
PN30
-5 PN30
-4 PN30
-3
UYU
H
PN28
-2
PN28
-1 PN28
-4 PN28
-3
YBY
H
PN27
-1
PN27
-2 PN27
-4 PN27
-3
RWGB
H
PN26
-2
PN26
-1 PN26
-4 PN26
-3
YRN
H
CA154
(CA141)
B
PL3-2 PNS5 PN24-1
BB
PL2-6
B
PL3-1
N
PL2-1
RU
PN39-5
WG
PN39-12
WR
PN39-14
O
PN39-7
PN31
-1
PN31
-4 PN31
-3 PN31
-2
WGRU
H
PN33
-5
PN33
-1 PN33
-4 PN33
-3
OWR
H
PL2-5
PL2-2
PL2-4
PL2-3
Y
PN39-2
G
PN39-10
U
PM39-9
R
YB
G
U
PL1
-4
G
PL1
-2
YB
PL1
-5
R
PL1
-3
U
BB
PN23-3
B
PNS4
B
PN23-4
45
23
14
PASSENGER SEAT SWITCH PACK
PASSENGER SEAT MOTORS PASSENGER LUMBAR SOLENOIDS
PASSENGER
LUMBAR PUMP
16-Way Passenger Seat Vehicles

B
+
13 II
Fig. 01.1 Fig. 01.4
I
O
+
–
C
S
D
2
DP
114
476 II II
Fig. 01.2 Fig. 01.5
15 45
77 92 SS
Fig. 01.3 Fig. 01.6
46 80 EE
Fig. 01.7
81 118
VARIANT:
VIN RANGE:
DATE OF ISSUE:
Jaguar S
-
TYPE 2002.5
Output
Sensor/Signal Supply V CAN
SCP Serial and Encoded Data
All
March 2002 (PROVISIONAL)
Sensor/Signal Ground
D2B NetworkInput Battery Voltage
Power Ground
Seat Heaters Seat Heaters Fig. 11.6
FC119-5 (LHD)
FC113-1 (RHD) FC26-2
FC113-8
B
BO BO
FC38
DM15-6
O
NG
WU
DM15-12
DM15-5
DM15-1
B
DB7-2
OG
DM23-13
BW
FC119-1 (LHD)
FC113-2 (RHD) FC26-1
WU WU
DM23-14
WB
FC119-6 (LHD)
FC113-6 (RHD) FC26-3
YR YR
DM23-15
YB
DM15-8
I
DM15-7
I
DM15-9
O
DM15-10
O
DM16-3
YB
WU
U
DM15-3
I
DM15-4
DM16-1
DM16-2
DMS6 DM23-1
BB
CA141
(CA154)
B
B
P
FC119-4
B
2
1
1.2 ΚΩ
1.2 ΚΩ DB7-1
DM16-4
U
42
21
II
FC113-1 (LHD)
FC119-5 (RHD) FC17-2
FC113-8
B
BW BW
FC38
PN7-6
O
NR
W
PN7-12
PN7-5
PN7-1
B
PB7-2
WR
PN24-13
BW
FC113-2 (LHD)
FC119-1 (RHD) FC17-3
WB WB
PN24-14
WB
FC113-6 (LHD)
FC119-6 (RHD) FC17-1
YB YB
PN24-15
YB
PN7-8
I
PN7-7
I
PN7-9
O
PN7-10
O
PN12-3
NR
W
BR
PN7-3
I
PN7-4
PN12-1
PN12-2
PNS4
B
CA154
(CA141)
B
B
P
FC119-4
B
2
1
1.2 ΚΩ
1.2 ΚΩ PB7-1
PN12-4
WR
43
22
II
PN23-3
B
DRIVER
SEAT HEATER SWITCH
SEAT HEATER STATE
CENTER CONSOLE SWITCH PACK
DRIVER
SEAT HEATER
MODULE
TEMPERATURE SENSOR
DRIVER SEAT
CUSHION HEATER
DRIVER SEAT
SEAT BACK HEATER
PASSENGER
SEAT HEATER SWITCH
SEAT HEATER STATE
CENTER CONSOLE SWITCH PACK
PASSENGER
SEAT HEATER
MODULE
TEMPERATURE SENSOR
PASSENGER SEAT
CUSHION HEATER
PASSENGER SEAT
SEAT BACK HEATER
Heated Seat Vehicles

B
+
13 II
Fig. 01.1 Fig. 01.4
I
O
+
–
C
S
D
2
DP
114
476 II II
Fig. 01.2 Fig. 01.5
15 45
77 92 SS
Fig. 01.3 Fig. 01.6
46 80 EE
Fig. 01.7
81 118
VARIANT:
VIN RANGE:
DATE OF ISSUE:
Jaguar S
-
TYPE 2002.5
Output
Sensor/Signal Supply V CAN
SCP Serial and Encoded Data
All
March 2002 (PROVISIONAL)
Sensor/Signal Ground
D2B NetworkInput Battery Voltage
Power Ground
Central Locking: Double Locking Central Locking: Double Locking Fig. 12.1
S
S
FH59-1
FH59-7
U
Y
S
S
CA85-4
CA85-3
20.2
20.2
20.2
20.2
U
Y
CA97-1
CA97-2
BW
WG
FC121-4
VS1-4
VS1-1
FC121-3
NW
BW B
NG
FH59-6
86 B
87
FH60-11
B
P
FH77 CA103-9
YB
PT3-4
DT2-10
CA156
CA102-2
U
CA102-1
Y
20.2
20.2
CA101-3
N
S
S
CA156
CA102-12
B
B
BO
BG
CA103-16 (LHD)
CA101-17 (RHD)
I
CA101-17 (LHD)
CA103-16 (RHD)
I
CA31-8
I
CA90-8
CA90-6
CA81-8
CA81-6
CA154
CA141
B
B
DT8-3
BW
PT3-6
DT5-6
DTS2
B
CA50
(CA30)
CA30
(CA50)
DT8-7
B
PT1-7
B
NR
FH60-1
S
60
78 WG
CA85-11
B
CA30
(CA50)
CA85-8
BG
CA24-15
I
YU
PT3-2
WG
PT3-10
BG
PT3-1
BG
PT3-8
BO
PT3-3
DT5-4
DT5-2
DT5-10
BO
DT5-3
BG
DT5-1
BW
DT5-8
DT5-7
DT5-5
CA81-4
B
CA81-2
CA81-10
YG
CA90-4
YR
CA90-2
WU
CA90-10
CA103-5
CA103-6
CA101-19
CA101-18
DT2-8
DT2-9
CA85-10
CA85-2
DT2-16
DT2-17
I
I
I
I
O
O
O
DT8-13 CAS3
DT10-4
BO
BRBR
Y
YB
WU
BG
BW
I
I
O
O
O
YU
Y
W
PT1-9
PT1-6
PT1-11
CAS34
CAS32
CAS1
YU
WG
YB
PT1-10
PT1-14
BG
BO
O
O
O
CA103-8
CA103-4
CA103-7
YU
YG
WB
N
CA103-13
S
80
CA106-1 CA106-2
B
CA303-4 DT2-6DT10-8
YY
CA303-2 DT2-13DT10-9
WW
CA303-1 DT2-18DT10-10
GWGW
CA303-2 CA85-9
BO
O
D
D
B
B
P P
P
B
B
P
SCP
NR
CA85-12
B
B
S
55
PTS1
B
BWB
CA117-1
CA117-2
CA156
I
CA102-14
FC119-8
FC113-8
BBR
FC38
FC119-4
B
BR I
CA100-9
FC39-3
PT1-8
BG
FC43-9
B
FC38
FC33-16
BW
FCS4
BG
FC43-8
BWBW
FC23-4
WG WG
CA24-4
I
WG
FC23-4
WG
CA24-4
I
620 Ω
1.5 ΚΩ
FC43-2
FC43-1
B
FC43-3
W
BW
S
62
WU
FC33-8
3
1
5
2
R8 4
CA105-3 CA105-2
B
CA156
S
72
O
CA103-10
O
FC121-4FC121-3
BW WG
NOTE: Check market specification
for fitment of Valet Switch.
VALET SWITCH
TRUNK
RELEASE SWITCH
FUEL FLAP
RELEASE SWITCH
FUEL FLAP AND TRUNK RELEASE
SWITCH PACK
EXTERNAL
TRUNK RELEASE
SWITCH
DOUBLE LOCK
STATUS SWITCH
LOCK / UNLOCK
STATUS SWITCH
DOOR AJAR SWITCH
ALARM SET /
LOCK SWITCH
ALARM RESET /
UNLOCK SWITCH
DRIVER DOOR LATCH
ASSEMBLY
NOTE: Check market specification for
fitment of Remote Keyless Entry.
REMOTE KEYLESS
ENTRY MODULE
LOGIC
GENERAL ELECTRONIC
CONTROL MODULE
LOGIC
LOCK
DOUBLE
LOCK
UNLOCK
REMOTE
LOCK / UNLOCK
DRIVER DOOR
CONTROL MODULE
LOCK; UNLOCK;
SECURITY
NOTE:
Automatic transmission vehicles use the CAN / SCP J gate gear selector position message for
”drive away” locking control. Refer to Fig. 04.1.
Manual transmission vehicles use the SCP parking brake status message for “drive away”
locking control. Refer to Fig. 07.1.
GLOBAL CLOSE
SWITCH
CENTER CONSOLE SWITCH PACK
DOUBLE LOCK
STATUS SWITCH
LOCK / UNLOCK
STATUS SWITCH
DOOR AJAR SWITCH
PASSENGER DOOR LATCH
ASSEMBLY
DOOR AJAR SWITCH
RH REAR
DOOR LATCH ASSEMBLY
DOOR AJAR SWITCH
LH REAR
DOOR LATCH ASSEMBLY
TRUNK AJAR
SWITCH
FUEL FLAP
RELAY
REAR POWER DISTRIBUTION BOX
TRUNK RELEASE
SOLENOID
FUEL FLAP RELEASE
SOLENOID
LOGIC
LOCK
DOUBLE
LOCK
UNLOCK
LOCK
DOUBLE
LOCK
UNLOCK
REAR ELECTRONIC
CONTROL MODULE
Double Locking Vehicles

B
+
13 II
Fig. 01.1 Fig. 01.4
I
O
+
–
C
S
D
2
DP
114
476 II II
Fig. 01.2 Fig. 01.5
15 45
77 92 SS
Fig. 01.3 Fig. 01.6
46 80 EE
Fig. 01.7
81 118
VARIANT:
VIN RANGE:
DATE OF ISSUE:
Jaguar S
-
TYPE 2002.5
Output
Sensor/Signal Supply V CAN
SCP Serial and Encoded Data
All
March 2002 (PROVISIONAL)
Sensor/Signal Ground
D2B NetworkInput Battery Voltage
Power Ground
Central Locking: Non Double Locking Central Locking: Non Double Locking Fig. 12.2
S
S
FH59-1
FH59-7
U
Y
S
S
CA85-4
CA85-3
20.2
20.2
20.2
20.2
U
Y
CA97-1
CA97-2
BW
WG
FC121-4
VS1-4
VS1-1
FC121-3
NW
BW B
NG
FH59-6
86 B
87
FH60-11
B
P
FH77
CA156
CA102-2
U
CA102-1
Y
20.2
20.2
CA101-3
N
S
S
CA156
CA102-12
B
B
BO
BG
CA103-16
I
CA101-17 I
CA31-8
I
CA90-8
CA90-6
CA81-8
CA81-6
CA154
CA141
B
B
DT8-3
BW
PT3-6
DT5-6
DTS2
B
CA50
(CA30)
CA30
(CA50)
DT8-7
B
PT1-7
B
NR
FH60-1
S
60
78 WG
CA85-11
B
CA30
(CA50)
CA85-8
BG
CA24-15
I
YU
PT3-2
WG
PT3-10
BG
PT3-1
BG
PT3-8
DT5-2
DT5-10
BG
DT5-1
BW
DT5-8
DT5-7
DT5-5
B
CA81-2
CA81-10
YR
CA90-2
WU
CA90-10
CA103-5
CA103-6
CA101-19
DT2-8
DT2-9
CA85-2
DT2-16
DT2-17
I
I
I
O
O
DT8-13 CAS3
BRBR
YB
WU
BG
BW
I
O
O
Y
W
PT1-6
PT1-11
CAS32
CAS1
YU
WG
PT1-10
BG
O
O
CA103-4
CA103-7
YG
WB
N
CA103-13
S
80
CA106-1 CA106-2
B
B
P
B
B
P
SCP
NR
CA85-12
B
B
S
55
PTS1
B
BWB
CA117-1
CA117-2
CA156
I
CA102-14
FC119-8
FC113-8
BBR
FC38
FC119-4
B
BR I
CA100-9
FC39-3
PT1-8
BG
FC43-9
B
FC38
FC33-16
BW
FCS4
BG
FC43-8
BWBW
FC23-4
WG WG
CA24-4
I
620 Ω
1.5 ΚΩ
FC43-2
FC43-1
B
FC43-3
W
BW
S
62
WU
FC33-8
3
1
5
2
R8 4
CA105-3 CA105-2
B
CA156
S
72
O
CA103-10
O
VALET SWITCH
TRUNK
RELEASE SWITCH
FUEL FLAP
RELEASE SWITCH
FUEL FLAP AND TRUNK RELEASE
SWITCH PACK
EXTERNAL
TRUNK RELEASE
SWITCH
LOCK / UNLOCK
STATUS SWITCH
DOOR AJAR SWITCH
ALARM SET /
LOCK SWITCH
ALARM RESET /
UNLOCK SWITCH
DRIVER DOOR LATCH
ASSEMBLY
LOGIC
GENERAL ELECTRONIC
CONTROL MODULE
LOGIC
LOCK
UNLOCK
REMOTE
LOCK / UNLOCK
DRIVER DOOR
CONTROL MODULE
NOTE:
Automatic transmission vehicles use the CAN / SCP J gate gear selector position message for
”drive away” locking control. Refer to Fig. 04.1.
Manual transmission vehicles use the SCP parking brake status message for “drive away”
locking control. Refer to Fig. 07.1.
LOCK; UNLOCK;
SECURITY
GLOBAL CLOSE
SWITCH
CENTER CONSOLE SWITCH PACK
LOCK / UNLOCK
STATUS SWITCH
DOOR AJAR SWITCH
PASSENGER DOOR LATCH
ASSEMBLY
DOOR AJAR SWITCH
RH REAR
DOOR LATCH ASSEMBLY
DOOR AJAR SWITCH
LH REAR
DOOR LATCH ASSEMBLY
TRUNK AJAR
SWITCH
FUEL FLAP
RELAY
REAR POWER DISTRIBUTION BOX
TRUNK RELEASE
SOLENOID
FUEL FLAP RELEASE
SOLENOID
LOGIC
LOCK
UNLOCK
LOCK
UNLOCK
REAR ELECTRONIC
CONTROL MODULE
Non Double Locking Vehicles

B
+
13 II
Fig. 01.1 Fig. 01.4
I
O
+
–
C
S
D
2
DP
114
476 II II
Fig. 01.2 Fig. 01.5
15 45
77 92 SS
Fig. 01.3 Fig. 01.6
46 80 EE
Fig. 01.7
81 118
VARIANT:
VIN RANGE:
DATE OF ISSUE:
Jaguar S
-
TYPE 2002.5
Output
Sensor/Signal Supply V CAN
SCP Serial and Encoded Data
All
March 2002 (PROVISIONAL)
Sensor/Signal Ground
D2B NetworkInput Battery Voltage
Power Ground
Security System Security System Fig. 12.3
U
Y
20.2
20.2
CA102-1
CA102-2
S
S
SL3-9
NG
WG
FC15-3
FC14-3
FC15-2
B
85
35
II
P
B
FC18-5FC18-4
NR
WR
FC15-5FC52-3
YR
FC15-6FC52-4
FC15-4FC52-2
FC52-1
NG
D
D
O
WU
FC14-2
I
BG
S
56
B
7
FC15-14
B
FC38
PATS
G
Y
20.1
20.1
FC15-18
PC15-19
C
C
PI1-123
PI1-124
Y
G
C
C
20.1
20.1
SL1-4FC14-10
GW
O
SL1-3
NRGW 80
S
S
CA85-4
CA85-3
20.2
20.2
U
Y
DT2-10
B
DT8-3
DT5-6 DTS2
B
CA30
(CA50)
DT8-7
B
78 WG
CA85-11
B
CA30
(CA50)
CA85-8
DT5-4
DT5-2
DT5-10
BO
DT5-3
BG
DT5-1
BW
DT5-8
DT5-7
DT5-5
DT2-8
DT2-9
CA85-10
CA85-2
DT2-16
DT2-17
I
I
I
I
O
O
O
DT8-13 CAS3
DT10-4
BO
BRBR
Y
YB
WU
BG
BW
CA303-4 DT2-6DT10-8
YY
CA303-2
DT2-13DT10-9
WW
CA303-1 DT2-18DT10-10
GWGW
CA303-3 CA85-9
BO
O
D
D
B
P P
P
NR
CA85-12
B
B
S
55
BG
12.112.2
CA101-3
N
CA156
CA102-12
B
N
CA103-13
B
B
P
BWB
CA117-1
CA117-2
CA156
B
BO
BG
CA90-8
CA90-6
CA81-8
CA81-6
CA154
CA141
B
I
I
I
CA101-17 (LHD)
CA103-16 (RHD)
CA103-16 (LHD)
CA107-17 (RHD)
CA102-14
U
Y
20.2
20.2
FC59-4
FC59-3
S
S
YG
FC59-2
BG
FC59-1
S
80
87
B
P
FC39-4
YG
O
CA100-1
S
S
FC15-10
FC15-20
U
Y
20.2
20.2
I
FH9-16
Y
I
BGBG
FC94-8
CA31-7
YB
CA173-1
NW
CA173-2
B
CA158
CA173-3
O
CAS33
FC23-7
86
FH59-1
U
FH59-7
Y
20.2
20.2
FH59-6
NG
S
S
NR
FH60-1
S
60
B
B
BW
FH21-1
FH21-2
FH22
I
FH59-3
B
PT3-6
CA50
(CA30)
PT1-7
B
BG
PT3-8 PT1-8
BG
I
CA24-15
SCP
B
CAS64
O
Y
FH6-5
CA31-18
N
I
P
FH60-6
FC4-2
B
BW
BW
CA31-8
NR
NR
AT4-3
FH59-8
B
FH42
O
O
OWG
AT4-2
AT4-1
FH60-3
FH60-16
YB
AT2-1
61
62
FH29-1
FH29-2
B
FH42
NR
NR
NR
AT3-1
FH89-2
FH89-4
B
YB
B
FH42
CA250-1
CA50
B
B
P
D
O
NR
Y
20.2
W
CA250-6
CA250-7
CA250-8
I
N
CA31-5
O
CA101-5
FH89-1
FH89-3
FH89-4
NR
B
WG
79
5
2
3
1
R12
4
CA63-3
OBW
CA63-4
OBG
08.3
08.3
FH60-5
OBW
FH60-4
OBW
FH77
FH60-11
B
P
08.1 08.2
08.1 08.2
WU
CA31-3
45
II
I
B
PTS1
ENGINE
CONTROL MODULE
NOTE: ECM power supplies and grounds
shown on Figures 03.1, 3.3 and 3.5.
KEY-IN
IGNITION SWITCH
PASSIVE ANTI-THEFT
SYSTEM TRANSCEIVER
TRUNK RELEASE;
VALET SWITCH
DOUBLE LOCK
STATUS SWITCH
LOCK / UNLOCK
STATUS SWITCH
DOOR AJAR SWITCH
ALARM SET /
LOCK SWITCH
ALARM RESET /
UNLOCK SWITCH
DRIVER DOOR LATCH
ASSEMBLY
REMOTE KEYLESS
ENTRY MODULE
LOGIC
INSTRUMENT CLUSTER
LOGIC
LOCK
DOUBLE
LOCK
UNLOCK
REMOTE
SECURITY
DRIVER DOOR
CONTROL MODULE
SECURITY INDICATOR
INTRUSION SENSOR
ROOF CONSOLE
INCLINATION SENSOR
SERIAL COMMUNICATION
STEERING COLUMN LOCK
CONTROL MODULE AUDIO UNIT
DOOR AJAR
SWITCH
RH REAR
DOOR LATCH ASSEMBLY
DOOR AJAR
SWITCH
LH REAR
DOOR LATCH ASSEMBLY
TRUNK AJAR
SWITCH
LOGIC
REAR ELECTRONIC
CONTROL MODULE
REAR TURN SIGNALS
DOOR AJAR
SWITCH
PASSENGER DOOR LATCH
ASSEMBLY
HOOD AJAR
SWITCH
LOGIC
IGNITION
ANTI-THEFT
SECURITY
GROUND
SENSING
SECURITY
GROUND
SENSING
GENERAL ELECTRONIC
CONTROL MODULE
REFER TO APPENDIX
SCP / SECURITY MESSAGES
FRONT TURN SIGNALS
HORNS
HORN RELAY
FRONT POWER DISTRIBUTION BOX
ACTIVE
SECURITY SOUNDER
PASSIVE
SECURITY SOUNDER
NOTE: Check market specification for fitment
of the following security system components:
• Remote Keyless Entry Module
• Steering Column Locking Module
• Inclination Sensor
• Intrusion Sensor
• Passive Security Sounder
• Active Security Sounder
All Vehicles

B
+
13 II
Fig. 01.1 Fig. 01.4
I
O
+
–
C
S
D
2
DP
114
476 II II
Fig. 01.2 Fig. 01.5
15 45
77 92 SS
Fig. 01.3 Fig. 01.6
46 80 EE
Fig. 01.7
81 118
VARIANT:
VIN RANGE:
DATE OF ISSUE:
Jaguar S
-
TYPE 2002.5
Output
Sensor/Signal Supply V CAN
SCP Serial and Encoded Data
All
March 2002 (PROVISIONAL)
Sensor/Signal Ground
D2B NetworkInput Battery Voltage
Power Ground
Wash / Wipe System Wash / Wipe System Fig. 13.1
FH60-11
B
P
FH77
WR
Y
GW
CA248-6
CA248-3
W
CA248-1
FC118-4
FHS16
CA31-2
BW
WU
YU
FH36-2
FH36-1
FH17-3
FH17-1
NR
FH22
(FH42)
FH42
FC118-6
FC118-5
WR
Y
GW
CA31-14
CA31-13
CAS9
CAS10
CAS11
FC19-16
FC19-15
FC19-14
WR
Y
GW
I
I
CA248-12
Y
GW
WR
OFH9-14
NW
YG
55
53
54
NG
NR
R
RG
BG
OFH59-4
OFH9-1
OFH9-3
B
FH38-2
FH38-1
FH9-15 FH37-1
FH37-2
B
I
FH59-1
U
FH59-7
Y
20.2
20.2
S
S
BG
I
BG
FH9-13
FH17-2
FH17-5
FH17-4
B
NR
Y
YU
51
52
WB
CA248-11
NR
FH60-1
S
60
B
NR
NR
NR
261 Ω261 Ω261 Ω
1.3 ΚΩ
562 Ω
332 Ω
200 Ω
121 Ω
100 Ω100 Ω
261 Ω
261 Ω
261 Ω
261 Ω
RF14-2
RF14-1
YB
WB
RF14-3
YB
RF34-12
RF34-13
RF34-14
CA248-8
BG
B
CA248-7
YB
CA248-10
YB
CA248-9
P
B
24
II
CA116
1
I
3
2
5
1
R18
4
3
2
5
1
R15
4
3
2
5
1
R16
4
56
FH1-17
BG
WIPER
MODE SELECT
WIPER
DELAY / WASH
WIPE / WASH SWITCH
RAIN SENSING
UNIT *
* NOTE: Rain sensing system – rain sensing vehicles only.
RAIN SENSING
MODULE *
FLUID LEVEL WARNING;
VEHICLE SPEED
GENERAL ELECTRONIC
CONTROL MODULE
WIPER HIGH / LOW
RELAY
WIPER PARK
RELAY
POWER WASH
RELAY
FRONT POWER DISTRIBUTION BOX
WASHER FLUID
LEVEL SWITCH
LOW SPEED
HIGH SPEED
PARK
RUN
WIPER MOTOR ASSEMBLY
POWER WASH
PUMP
WINDSHIELD WASHER
PUMP
All Vehicles

B
+
13 II
Fig. 01.1 Fig. 01.4
I
O
+
–
C
S
D
2
DP
114
476 II II
Fig. 01.2 Fig. 01.5
15 45
77 92 SS
Fig. 01.3 Fig. 01.6
46 80 EE
Fig. 01.7
81 118
VARIANT:
VIN RANGE:
DATE OF ISSUE:
Jaguar S
-
TYPE 2002.5
Output
Sensor/Signal Supply V CAN
SCP Serial and Encoded Data
All
March 2002 (PROVISIONAL)
Sensor/Signal Ground
D2B NetworkInput Battery Voltage
Power Ground
Powered Windows; Sliding Roof Powered Windows; Sliding Roof Fig. 14.1
S
S
CA102-2
CA102-1
U
Y
20.2
20.2
DD4-1
O
N
CA101-3
87 B
YR
YB
DD8-15 (LHD)
DD8-4 (RHD)
DT4-8
DT4-7
B
NR
CAS76
CAS75
CAS77
DD2-19
YU
DD2-14
B
CA30
(CA50)
DD8-8
B
DD2-22
YR
DD2-21
Y
DD2-9
Y
DD2-10
YU
DD2-20
YB (LHD)
GW (RHD)
DD2-6
YB (LHD)
YU (RHD)
DD2-4
GW (LHD)
YB (RHD)
DD2-18
YU (LHD)
YB (RHD)
YB
DD8-16 (LHD)
DD8-5 (RHD) YU
DD8-4 (LHD)
DD8-15 (RHD) GW
DD8-5 (LHD)
DD8-16 (RHD) YU
DD8-13
Y
DD8-14
Y
DD8-11
YR
DD8-12
YU
DD8-6
PD1-3
B
CA50
(CA30)
PD4-4
B
PD1-1
GW
PD1-5
YU
CA78-1
Y
CA78-5
YU
CA78-3
YU
CA95-1
YR
CA95-5
Y
CA95-3
YU
DT4-2
YR
DT4-6
YG
DT4-4
YB
DT4-3
YB
PT4-8
PT4-7
B
NG
PT4-2
YR
PT4-6
YG
PT4-4
YU
PT4-3
GW
CA79-8
CA79-7
B
NW
CA79-2
YR
CA79-6
YG
CA79-4
YU
CA79-3
Y
CA93-8
CA93-7
B
NR
CA93-2
YR
CA93-6
YG
CA93-4
Y
CA93-3
YR
CAS74
8
11
PT1-2
YG
10
DT8-9
CAS80 YG
9
BB
DTS2 DT8-7 CA30
(CA50)
CAS78
CAS73
CAS72
BB
PTS1 PT1-7
CA50
(CA30)
B
CAS90
CA141
B
CAS89
CA154
YG
CA156
CA102-12
B
P
FC119-8
FC113-8
BBR
FC38
FC119-4
B
BR
I
CA100-9
FC39-3
N
CA103-13
S
80 B
CA30
(CA50)
B
DT5-6
DTS2
B
CA30
(CA50)
DT8-7
B
DT5-7
DT5-5
DT2-16
DT2-17
I
I
BG
BW
S
S
CA85-4
CA85-3
20.2
20.2
U
Y
78 WG
CA85-11
NR
CA85-12
B
B
S
55
DD4-26
O
YG
CA85-8
B
P
CAS79
U
DD8-10
DD8-9
YR
YG
DT8-10
YR
PT1-5
YR
PD4-6
PD4-3
YU
GW
YU
GW
PT1-3
PT1-4
DT8-11
DT8-12
YB
YB
39
05.1
YR
NG
YR
B
CA253-9
FH1-14
CA253-8
CA253-2
CA253-7
CA253-10
CA253-1
CA253-6
WU
B
CA250-1
CA250-5
YU
CA250-4
CA50
CA50
ALARM SET /
LOCK SWITCH
ALARM RESET /
UNLOCK SWITCH
DRIVER DOOR LATCH
ASSEMBLY
GLOBAL CLOSE
SWITCH
CENTER CONSOLE SWITCH PACK
LOGIC
REMOTE
GLOBAL
ENABLE
GLOBAL
DRIVER DOOR
CONTROL MODULE
LOGIC
REAR ELECTRONIC
CONTROL MODULE
REAR WINDOW
ISOLATE
DRIVER
WINDOW
PASSENGER
WINDOW
LH REAR
WINDOW
RH REAR
WINDOW
DRIVER DOOR SWITCH PACK
PASSENGER DOOR
SWITCH PACK
LH REAR DOOR
SWITCH PACK
RH REAR DOOR
SWITCH PACK
SLIDING ROOF
SWITCH
ROOF CONSOLE
SLIDING ROOF CONTROL MODULE
DYNAMIC STABILITY CONTROL:
VEHICLE SPEED (CIRCUIT CONTINUED)
MOTOR
CONTROL
RELAY
POSITION
SENSORS
DRIVER WINDOW MOTOR ASSEMBLY
MOTOR
CONTROL
RELAY
POSITION
SENSORS
PASSENGER WINDOW MOTOR ASSEMBLY
MOTOR
CONTROL
RELAY
POSITION
SENSORS
LH REAR WINDOW MOTOR ASSEMBLY
MOTOR
CONTROL
RELAY
POSITION
SENSORS
RH REAR WINDOW MOTOR ASSEMBLY
All Vehicles

B
+
13 II
Fig. 01.1 Fig. 01.4
I
O
+
–
C
S
D
2
DP
114
476 II II
Fig. 01.2 Fig. 01.5
15 45
77 92 SS
Fig. 01.3 Fig. 01.6
46 80 EE
Fig. 01.7
81 118
VARIANT:
VIN RANGE:
DATE OF ISSUE:
Jaguar S
-
TYPE 2002.5
Output
Sensor/Signal Supply V CAN
SCP Serial and Encoded Data
All
March 2002 (PROVISIONAL)
Sensor/Signal Ground
D2B NetworkInput Battery Voltage
Power Ground
In-Car Entertainment: Standard In-Car Entertainment: Standard Fig. 15.1
WU
WB
YB
WB
YB
FC108-1
BOF
FC108-2
BOF
FC94-1
B
AM
U
Y
20.2
20.2
FC94-9
FC94-10
S
S
WR
NG
82
FC94-11
FC94-2
U
FC94-17
I
DT3
-2
(LHD)
PT2
-2
(RHD)
DT3
-1
(LHD)
PT2
-1
(RHD)
CA80
-2 CA80
-1
PT2
-1
(LHD)
DT3
-1
(RHD)
PT2
-2
(LHD)
DT3
-2
(RHD) CA92
-1 CA92
-2
FC96-1 CA220-1FC5-1
FC94-8
BG
O
FC96-2 CA220-2FC5-2
7
I
12.3
RA2-2
BOF
RA2-1
BOF
D
2
D
2
20.3
20.3
09.2
FC38
CA221-2
6
I
FM
U
FC94-7
I
16.1
FC94-19
OG
O
20.3
B
CA267-1
CA157
NG
CA267-2
32 D
2
D
2
20.3
20.3
FC94-14
WB
FC94-13
YB
FC94-3
WU
FC94-4
Y
FC94-5
W
FC94-6
Y
FC94-16
WR
FC94-15
YR
DT8-5 (LHD)
PT1-13 (RHD)
DT8-4 (LHD)
PT1-12 (RHD)
FC23-5
FC23-10
WU
Y
FC23-1
FC23-6
W
Y
FC33-1
FC33-2
WR
YR
WR
YR
PT1-13 (LHD)
DT8-5 (RHD)
PT1-12 (LHD)
DT8-4 (RHD)
FC33-3
FC33-4
CA267-3
OG
20.3
16.216.316.4
B
B
PP
B
B
P
I
SQ1-4
SQ1-2
03.2 YG
WB
YG
PI41-24
I
FC94-18
YG
FC10-12
FC117-6
FC117-3
03.403.6
3.01 Κ Ω
1 Κ Ω
475 Ω
261 Ω
93.1 Ω
154 Ω
53.5 Ω
O
RR
BRD BRD
+ ve
– ve
+ ve
– ve
– ve
+ ve
– ve
+ ve
RADIO ILLUMINATION
SECURITY SYSTEM:
RADIO REMOVED SENSING
TELEPHONE:
MUTE
D2B NETWORK
”WAKE-UP”
PHONE, VOICE
VOLUME +
MEMORY +
MEMORY –
VOLUME –
SELECT
RESISTOR PACK
STEERING WHEEL AUDIO SWITCHES
CASSETTE
CASSETTE
ECM: SENSOR GROUND
D2B NETWORK:
”WAKE-UP”
CD AUTOCHANGER AUDIO UNIT
AM / FM ANTENNA
AMPLIFIER
COAXIAL CABLES
HEATED REAR WINDOW
LH FRONT
SPEAKER LH REAR
SPEAKER
RH FRONT
SPEAKER RH REAR
SPEAKER
Standard ICE Vehicles

B
+
13 II
Fig. 01.1 Fig. 01.4
I
O
+
–
C
S
D
2
DP
114
476 II II
Fig. 01.2 Fig. 01.5
15 45
77 92 SS
Fig. 01.3 Fig. 01.6
46 80 EE
Fig. 01.7
81 118
VARIANT:
VIN RANGE:
DATE OF ISSUE:
Jaguar S
-
TYPE 2002.5
Output
Sensor/Signal Supply V CAN
SCP Serial and Encoded Data
All
March 2002 (PROVISIONAL)
Sensor/Signal Ground
D2B NetworkInput Battery Voltage
Power Ground
In-Car Entertainment: Premium In-Car Entertainment: Premium Fig. 15.2
BOF
BOF
20.3
20.3
RA6-2
RA6-1
CA263-8
B
B
CA263-2
CA157
CA275-1
WU
FC108-1
BOF
FC108-2
BOF
FC94-1
B
AM
U
Y
20.2
20.2
FC94-9
FC94-10
S
S
WR
NG
82 FC94-11
FC94-2
U
FC94-17
I
FC96-1CA220-1 FC5-1
FC94-8
BG
O
FC96-2CA220-2 FC5-2
7
I
12.3
RA2-2
BOF
RA2-1
BOF
D
2
D
2
20.3
20.3
09.2
FC38
CA221-2
6
I
FM
U
FC94-7
I
16.1
FC94-19
OG
O
20.3
B
CA267-1
CA157
NG
CA267-2
32
D
2
D
2
CA264-18
WR
CA267-3
OG
20.3
16.216.316.4
B
B
P
P
B
B
P
I
20.3
20.3
D
2
D
2
+ ve
CA264-8
YR
– ve CA275-2
CA275-3
CA275-4
CA264-16
WR
+ ve
CA264-6
YR
– ve
CA278-3
CA264-14
W
+ ve
CA264-13
Y
– ve CA278-4
CA278-1
CA278-2
CAS63
CAS62
CA277-1
CA264-2
WU
+ ve
CA264-10
Y
– ve
CA277-2
CA277-3
CA277-4
CA264-4
WU
+ ve
CA264-12
Y
– ve
CA276-1
CA264-7
WB
+ ve
CA264-17
YB
– ve CA276-2
CA276-3
CA276-4
CA264-5
WB
+ ve
CA264-15
YB
– ve
30
31
NG
NG
CA263-3
CA263-9
B
B
CA263-5
OG
O
20.3
P
P
W
Y
W
Y
WB
YB
WU
Y
CAS51
CAS50
CA264-11
+ ve
CA264-3
– ve
WG
G
CA5-2
CA5-1
CA6-2
CA6-1
SQ1-4
SQ1-2
03.2
YG
WB
YG
PI41-24
I
FC94-18
YG
FC10-12
FC117-6
FC117-3
03.403.6
3.01 Κ Ω
1 Κ Ω
475 Ω
261 Ω
93.1 Ω
154 Ω
53.5 Ω
RR
BRDBRD
O
RADIO ILLUMINATION
SECURITY SYSTEM:
RADIO REMOVED SENSING
TELEPHONE:
MUTE
D2B NETWORK:
”WAKE-UP”
HEATED REAR WINDOW
COAXIAL CABLES
AM / FM ANTENNA
AMPLIFIER
PHONE, VOICE
VOLUME +
MEMORY +
MEMORY –
VOLUME –
SELECT
RESISTOR PACK
STEERING WHEEL AUDIO SWITCHES
CASSETTE
CASSETTE
ECM: SENSOR GROUND
AUDIO UNIT
D2B NETWORK
”WAKE-UP”
CD AUTOCHANGER
D2B NETWORK:
”WAKE-UP”
POWER AMPLIFIER
TWEETER
MID BASS
RH FRONT
SPEAKER
TREBLE
MID BASS
RH REAR
SPEAKER
RH SUBWOOFER
LH SUBWOOFER
TREBLE
MID BASS
LH REAR
SPEAKER
TWEETER
MID BASS
LH FRONT
SPEAKER
Premium ICE Vehicles

B
+
13 II
Fig. 01.1 Fig. 01.4
I
O
+
–
C
S
D
2
DP
114
476 II II
Fig. 01.2 Fig. 01.5
15 45
77 92 SS
Fig. 01.3 Fig. 01.6
46 80 EE
Fig. 01.7
81 118
VARIANT:
VIN RANGE:
DATE OF ISSUE:
Jaguar S
-
TYPE 2002.5
Output
Sensor/Signal Supply V CAN
SCP Serial and Encoded Data
All
March 2002 (PROVISIONAL)
Sensor/Signal Ground
D2B NetworkInput Battery Voltage
Power Ground
Telephone System: ROW Telephone System: ROW Fig. 16.1
SOS
CA216-4
CA261-31
CA261-32
CA261-16
CA261-15
Y
YB
O
OG
YU
CA261-1
BOF
BOF
20.3 RA3-1
RA3-2
NW
WU
CA261-12
CA261-29
CA261-25
B
CA157
CA261-30
WB
I
33
42
II
D
2
D
2
20.3
CA261-23
OG
20.3 O
CA261-9
B
NR
CA261-13
34
WG
CA261-14
10
I
CA261-4
U
O
CA211-1 CA214-1
CA214-2CA211-2
CA210-1
CA210-2
CA216-7
B
CA261-26
CA216-8
G
CA261-3
CA216-5
R
CA261-20
CA216-6
W
CA261-22
CA216-2
R
CA261-8
CA216-3
Y
CA261-24
CA216-9
W
CA261-7
17.1
CA250-15
CA250-16
CA250-18
CA250-17
CA250-1
CA50
B
O
O
I
I
CA261-18
CA261-17
CA300-13
CA300-3
N
G
Y
R
CA261-11CA300-15
BRD BRD
CA250-12
CA250-11
B B
I
I
I
U
CA258-13
U
FC94-7
U
FC92-10
U
CAS27
FC23-2
CA212-1
CA212-2
CA209-1
CA209-2
B
B
B
B
P
P
I
I
D
D
O
O
I
I
R
BRD
R
BRD
BR8-1
BR8-2
R
BRD
BR9-1
BR9-2
CA300-12
CA300-1
CA300-2
BB
N
G
FCS15
U
+ ve
– ve
+ ve
– ve
R
BRD
B
NAVIGATION
CONTROL MODULE
AUDIO UNIT
TELEMATICS DISPLAY
MICROPHONE
ROOF CONSOLE
D2B NETWORK:
”WAKE UP”
ADVANCED RESTRAINT SYSTEM:
AIRBAG DEPLOYED (CIRCUIT CONTINUED)
TELEPHONE
MUTE
JaguarNet*
INFORMATION
ASSIST
CELLULAR PHONE
CONTROL MODULE
TELEPHONE
ANTENNA
(BUMPER)
TELEPHONE
ANTENNA
(WITH JaguarNet)
TELEPHONE
COMPUTER
HAND SET
RECEIVER
JaguarNet
GPS ANTENNA
INFORMATION
ROOF CONSOLE
*NOTE: JaguarNet components, wiring and circuitry – JaguarNet vehicles only.
ROW Vehicles

B
+
13 II
Fig. 01.1 Fig. 01.4
I
O
+
–
C
S
D
2
DP
114
476 II II
Fig. 01.2 Fig. 01.5
15 45
77 92 SS
Fig. 01.3 Fig. 01.6
46 80 EE
Fig. 01.7
81 118
VARIANT:
VIN RANGE:
DATE OF ISSUE:
Jaguar S
-
TYPE 2002.5
Output
Sensor/Signal Supply V CAN
SCP Serial and Encoded Data
All
March 2002 (PROVISIONAL)
Sensor/Signal Ground
D2B NetworkInput Battery Voltage
Power Ground
Telephone System: NAS Telephone System: NAS Fig. 16.2
CA216-3
RU
CA261-1
CA213-1
CA213-2
CA216-2
BG
CA261-26
CA216-8
WG
CA261-2
CA216-9
YU
CA261-3
CA216-1
Y
CA261-6
CA216-10
U
CA261-5
CA216-7
BO
CA261-10
CA216-4
YG
CA261-21
CA216-5
YB
CA261-20
CA216-6
G
CA261-22
BR8-1
BR8-2
CA217-1
CA217-2
CA218-1
CA218-2
D
D
D
I
I
O
O
O
BOF
BOF
20.3 RA3-1
RA3-2
NW
WU
CA261-12
CA261-29
CA261-30
WB
I
33
42
II
D
2
D
2
20.3
CA261-23
OG
20.3 O
NR
CA261-13
34
WG
CA261-14
10
I
CA261-4
U
O
17.1
CA261-18
CA261-17
CA300-13
CA300-3
N
G
Y
R
CA261-11CA300-15
BRD BRD
CA250-12
CA250-11
B B
I
I
I
U
CA258-13
U
FC94-7
U
FC92-10
U
CAS27
FC23-2
B
B
B
B
I
I
CA300-12
CA300-1
CA300-2
BB
N
G
FCS15
U
SOS
CA261-31
CA261-32
CA261-16
CA261-15
YB
O
OG
YU
CA261-25
B
CA157
CA261-9
B
CA211-1 CA214-1
CA214-2CA211-2
CA250-15
CA250-16
CA250-18
CA250-17
CA250-1
CA50
B
O
O
I
I
P
P
R
BRD
R
BRD
R
BRD
R
BRD
BR9-1
BR9-2
NAVIGATION
CONTROL MODULE
AUDIO UNIT
TELEMATICS DISPLAY
MICROPHONE
ROOF CONSOLE
D2B NETWORK:
”WAKE UP”
ADVANCED RESTRAINT SYSTEM:
AIRBAG DEPLOYED (CIRCUIT CONTINUED)
TELEPHONE
MUTE
JaguarNet*
INFORMATION
ASSIST
CELLULAR PHONE
CONTROL MODULE
HAND SET
RECEIVER
TELEPHONE
ANTENNA
(BUMPER)
TELEPHONE
ANTENNA
(WITH JaguarNet)
JaguarNet
GPS ANTENNA
INFORMATION
ROOF CONSOLE
*NOTE: JaguarNet components, wiring and circuitry – JaguarNet vehicles only.
NAS Vehicles

B
+
13 II
Fig. 01.1 Fig. 01.4
I
O
+
–
C
S
D
2
DP
114
476 II II
Fig. 01.2 Fig. 01.5
15 45
77 92 SS
Fig. 01.3 Fig. 01.6
46 80 EE
Fig. 01.7
81 118
VARIANT:
VIN RANGE:
DATE OF ISSUE:
Jaguar S
-
TYPE 2002.5
Output
Sensor/Signal Supply V CAN
SCP Serial and Encoded Data
All
March 2002 (PROVISIONAL)
Sensor/Signal Ground
D2B NetworkInput Battery Voltage
Power Ground
Telephone System with Voice: ROW Telephone System with Voice: ROW Fig. 16.3
RA4-2
RA4-1 20.3
20.3
CA300-1
CA261-25
B
CA157
CA261-9
B
CA157
CA210-1
CA210-2
CA261-18
CA261-17
Y
R
CA261-11
BRD
CA250-12
CA250-11
BBRD
N
G
B
CA300-2
CA300-12 CA300-13
CA300-3
BOF
BOF
WU
CA300-6
43
II
D
2
D
2
CA300-14
OG
20.3 O
NR
CA300-22
35
WR
CA300-8
12
I
CA300-11
B
CA261-4
U
O
I
I
I
CA258-13
U
FC94-7
FC92-10
U
U
U
FCS15
FC23-2
FC108-1
BOF
FC108-2
BOF
I
FC94-18
D
2
D
2
20.3
20.3
CA209-1
CA209-2
CA212-1
CA212-2
P
P
P
B
B
B
I
I
I
I
SOS
CA261-31
CA261-32
CA261-16
CA261-15
YB
O
OG
YU
CA261-30
WB
I
CA211-1 CA214-1
CA214-2CA211-2
17.1
CA250-15
CA250-16
CA250-18
CA250-17
CA250-1
CA50
B
O
O
I
I
R
BRD
BOF
BOF
20.3 RA3-1
RA3-2
NW
WU
CA261-12
CA261-29
33
42
II
D
2
D
2
20.3
CA261-23
OG
20.3 O
NR
CA261-13
34
WG
CA261-14
10
I
B
B
B
B
CA216-4
Y
CA261-1
CA216-7
B
CA261-26
CA216-8
G
CA261-3
CA216-5
R
CA261-20
CA216-6
W
CA261-22
CA216-2
R
CA261-8
CA216-3
Y
CA261-24
CA216-9
W
CA261-7
D
D
O
O
R
BRD
R
BRD
BR8-1
BR8-2
BR9-1
BR9-2
R
BRD
U
CAS27
Y
R
SQ1-4
SQ1-2
03.2 YG
WB
YG
PI41-24
YG
FC10-12
FC117-6
FC117-3
03.403.6
3.01 Κ Ω
1 Κ Ω
475 Ω
261 Ω
93.1 Ω
154 Ω
53.5 Ω
B
B
CA300-15
ECM: SENSOR GROUND
PHONE, VOICE
VOLUME +
MEMORY +
MEMORY –
VOLUME –
SELECT
RESISTOR PACK
STEERING WHEEL AUDIO SWITCHES
CASSETTE
CASSETTE
AUDIO UNIT
MICROPHONE
ROOF CONSOLE
D2B NETWORK:
”WAKE UP”
VOICE ACTIVATION
CONTROL MODULE
D2B NETWORK:
”WAKE UP”
ADVANCED RESTRAINT SYSTEM:
AIRBAG DEPLOYED (CIRCUIT CONTINUED)
MUTE
TELEPHONE
JaguarNet *
INFORMATION
ASSIST
CELLULAR PHONE
CONTROL MODULE
NAVIGATION
CONTROL MODULE
AUDIO UNIT
TELEMATICS DISPLAY
TELEPHONE ANTENNA
(BUMPER)
TELEPHONE ANTENNA
(WITH JaguarNet)
TELEPHONE
COMPUTER
HAND SET
RECEIVER
JaguarNet
GPS ANTENNA
INFORMATION
ROOF CONSOLE
*NOTE: JaguarNet components, wiring and circuitry –
JaguarNet vehicles only.
NOTE: Japan vehicles with Voice Activation Control – refer to Figures 16.5, 16.7.
ROW Vehicles

B
+
13 II
Fig. 01.1 Fig. 01.4
I
O
+
–
C
S
D
2
DP
114
476 II II
Fig. 01.2 Fig. 01.5
15 45
77 92 SS
Fig. 01.3 Fig. 01.6
46 80 EE
Fig. 01.7
81 118
VARIANT:
VIN RANGE:
DATE OF ISSUE:
Jaguar S
-
TYPE 2002.5
Output
Sensor/Signal Supply V CAN
SCP Serial and Encoded Data
All
March 2002 (PROVISIONAL)
Sensor/Signal Ground
D2B NetworkInput Battery Voltage
Power Ground
Telephone System with Voice: NAS Telephone System with Voice: NAS Fig. 16.4
CA261-25
B
CA157
CA261-9
B
CA261-4
U
O
I
I
I
CA258-13
U
FC94-7
FC92-10
U
U
U
FCS15
FC23-2
P
P
SOS
CA261-31
CA261-32
CA261-16
CA261-15
YB
O
OG
YU
CA261-30
WB I
CA211-1 CA214-1
CA214-2CA211-2
17.1
CA250-15
CA250-16
CA250-18
CA250-17
CA250-1
CA50
B
O
O
I
I
R
BRD
BOF
BOF
20.3 RA3-1
RA3-2
NW
WU
CA261-12
CA261-29
33
42
II
D
2
D
2
20.3
CA261-23
OG
20.3 O
NR
CA261-13
34
WG
CA261-14
10
I
B
B
B
B
U
CAS27
CA216-3
RU
CA261-1
CA213-1
CA213-2
CA216-2
BG
CA261-26
CA216-8
WG
CA261-2
CA216-9
YU
CA261-3
CA216-1
Y
CA261-6
CA216-10
U
CA261-5
CA216-7
BO
CA261-10
CA216-4
YG
CA261-21
CA216-5
YB
CA261-20
CA216-6
G
CA261-22
BR8-1
BR8-2
CA217-1
CA217-2
CA218-1
CA218-2
D
D
D
I
I
O
O
O
RA4-2
RA4-1 20.3
20.3
CA300-1
CA157
CA261-18
CA261-17
Y
R
CA261-11
BRD
CA250-12
CA250-11
BBRD
N
G
B
CA300-2
CA300-12 CA300-13
CA300-3
BOF
BOF
WU
CA300-6
43
II
D
2
D
2
CA300-14
OG
20.3 O
NR
CA300-22
35
WR
CA300-8
12
I
CA300-11
FC108-1
BOF
FC108-2
BOF
I
FC94-18
D
2
D
2
20.3
20.3
P
B
B
B
I
I
B
Y
R
SQ1-4
SQ1-2
03.2 YG
WB
YG
PI41-24
YG
FC10-12
FC117-6
FC117-3
03.403.6
3.01 Κ Ω
1 Κ Ω
475 Ω
261 Ω
93.1 Ω
154 Ω
53.5 Ω
R
BRD
R
BRD
R
BRD
B
CA300-15
BR9-1
BR9-2
ECM: SENSOR GROUND
PHONE, VOICE
VOLUME +
MEMORY +
MEMORY –
VOLUME –
SELECT
STEERING WHEEL AUDIO SWITCHES
RESISTOR PACK
CASSETTE
CASSETTE
AUDIO UNIT
MICROPHONE
ROOF CONSOLE
D2B NETWORK:
”WAKE UP”
VOICE ACTIVATION
CONTROL MODULE
D2B NETWORK:
”WAKE UP”
ADVANCED RESTRAINT SYSTEM:
AIRBAG DEPLOYED (CIRCUIT CONTINUED)
MUTE
TELEPHONE
JaguarNet *
INFORMATION
ASSIST
CELLULAR PHONE
CONTROL MODULE
NAVIGATION
CONTROL MODULE
AUDIO UNIT
TELEMATICS DISPLAY
HAND SET
RECEIVER
TELEPHONE ANTENNA
(BUMPER)
TELEPHONE ANTENNA
(WITH JaguarNet)
JaguarNet
GPS ANTENNA
INFORMATION
ROOF CONSOLE
*NOTE: JaguarNet components, wiring and circuitry –
JaguarNet vehicles only.
NAS Vehicles

B
+
13 II
Fig. 01.1 Fig. 01.4
I
O
+
–
C
S
D
2
DP
114
476 II II
Fig. 01.2 Fig. 01.5
15 45
77 92 SS
Fig. 01.3 Fig. 01.6
46 80 EE
Fig. 01.7
81 118
VARIANT:
VIN RANGE:
DATE OF ISSUE:
Jaguar S
-
TYPE 2002.5
Output
Sensor/Signal Supply V CAN
SCP Serial and Encoded Data
All
March 2002 (PROVISIONAL)
Sensor/Signal Ground
D2B NetworkInput Battery Voltage
Power Ground
Voice Control System Voice Control System Fig. 16.5
20.3
20.3
RA4-1
RA4-2
CA300-1
CA157
CA250-12
CA250-11
BRD
N
G
B
CA300-2
CA300-12
BOF
BOF
WU
CA300-6
43
II
D
2
D
2
CA300-14
OG
20.3 O
NR
CA300-22
35
WR
CA300-8
12
I
CA300-11
B
FC108-1
BOF
FC108-2
BOF
I
FC94-18
D
2
D
2
20.3
20.3
P
B
B
B
SQ1-4
SQ1-2
03.2 YG
WB
YG
PI41-24
YG
FC10-12
FC117-6
FC117-3
03.403.6
3.01 Κ Ω
1 Κ Ω
475 Ω
261 Ω
93.1 Ω
154 Ω
53.5 Ω
ECM: SENSOR GROUND
PHONE, VOICE
VOLUME +
MEMORY +
MEMORY –
VOLUME –
SELECT
RESISTOR PACK
STEERING WHEEL AUDIO SWITCHES
CASSETTE
CASSETTE
AUDIO UNIT
MICROPHONE
ROOF CONSOLE
D2B NETWORK:
”WAKE UP”
VOICE ACTIVATION
CONTROL MODULE
NOTE: Japan vehicles with voice activation control – Refer to Fig. 16.8.
Voice Only Vehicles

B
+
13 II
Fig. 01.1 Fig. 01.4
I
O
+
–
C
S
D
2
DP
114
476 II II
Fig. 01.2 Fig. 01.5
15 45
77 92 SS
Fig. 01.3 Fig. 01.6
46 80 EE
Fig. 01.7
81 118
VARIANT:
VIN RANGE:
DATE OF ISSUE:
Jaguar S
-
TYPE 2002.5
Output
Sensor/Signal Supply V CAN
SCP Serial and Encoded Data
All
March 2002 (PROVISIONAL)
Sensor/Signal Ground
D2B NetworkInput Battery Voltage
Power Ground
Navigation System (except Japan) Navigation System (except Japan) Fig. 16.6
U
Y
20.2
20.2
CA258-4
CA258-14
S
S
UU
CA257-20
BOF
BOF
20.3
RA5-1
RA5-2
NW
WU
CA258-1
CA258-11
B
D
2
D
2
20.3
CA258-3
OG
20.3 O
CA258-13
U
16.116.216.316.4 I
CA258-2
11
ICA176-1 CA175-1
CA175-2CA176-2
NG
WG
FC92-12
B
FC38
UY
FC92-9
FC92-2
FC92-1
8
I
83
09.2
FC19-7 FC92-15
YY
CA257-7 FC19-6 FC92-4
YUYU
CA257-15 FC19-9 FC92-17
YRYR
CA257-2 FC19-8 FC92-7
YRYR
CA257-14 FC19-10 FC92-6
BRDB
CA257-16 FC19-13 FC92-8
YBYB
CA257-1 FC19-12 FC92-18
BBBRD B
36
B
B
P P
B
B
I
FC19-11 FC92-13
BP
BRD
R
I
U
FC92-10 16.1 16.2 16.3 16.4
D2B NETWORK:
”WAKE UP”
TELEPHONE: MUTE
NAVIGATION
CONTROL MODULE
NAVIGATION
GPS ANTENNA
NAVIGATION SCREEN
AND
TELEMATICS DISPLAY
DIMMER-CONTROLLED
LIGHTING
TELEPHONE: MUTE
Navigation Vehicles (except Japan)

B
+
13 II
Fig. 01.1 Fig. 01.4
I
O
+
–
C
S
D
2
DP
114
476 II II
Fig. 01.2 Fig. 01.5
15 45
77 92 SS
Fig. 01.3 Fig. 01.6
46 80 EE
Fig. 01.7
81 118
VARIANT:
VIN RANGE:
DATE OF ISSUE:
Jaguar S
-
TYPE 2002.5
Output
Sensor/Signal Supply V CAN
SCP Serial and Encoded Data
All
March 2002 (PROVISIONAL)
Sensor/Signal Ground
D2B NetworkInput Battery Voltage
Power Ground
Navigation System with TV (except Japan) Navigation System with TV (except Japan) Fig. 16.7
U
Y
20.2
20.2
CA258-4
CA258-14
S
S
UU
CA257-20
BOF
BOF
20.3 RA5-1
RA5-2
NW
WU
CA258-1
CA258-11
B
D
2
D
2
20.3
CA258-3
OG
20.3 O
CA258-13
U
16.116.216.316.4 I
CA258-2
11
ICA176-1 CA175-1
CA175-2CA176-2
NG
WG
FC92-12
B
FC38
UY
FC92-9
FC92-2
FC92-1
8
I
83
09.2
FC19-7 FC92-15
YY
CA257-7 FC19-6 FC92-4
YUYU
CA257-15 FC122-2 FC92-17
YRYR
CA257-2 FC122-1 FC92-7
YRYR
CA257-14 FC122-3 FC92-6
BRDB
CA257-16 FC122-6 FC92-8
YBYB
CA257-1 FC122-5 FC92-18
BBBRD B
36
B
B
P P
B
B
I
FC19-11 FC92-13
B
P
BRD
R
FC98-1
FC98-3
FC99-2
FC99-4
FC98-2
FC98-4
FC99-1
FC99-3
FC102-1
R
FC102-2
BRD
FC103-1
R
FC103-2
BRD
FC104-1
R
FC104-2
BRD
FC105-1
R
FC105-2
BRD
R
BRD
R
BRD
R
BRD
R
BRD
CA198-1
CA198-2
CA200-1
CA200-2
CA202-1
CA202-2
CA204-1
CA204-2
I
I
I
I
YUYU
CA259-7 FC19-2 FC92-20
YRYR
CA259-1 FC19-1 FC92-19
YGYG
CA259-2 FC19-3 FC92-21
BRDB
CA259-3 FC19-5 FC92-11
BKYP
CA259-8 FC19-4 FC92-22
BBBRD B
IU
FC92-10 16.1 16.2 16.3 16.4
BKBK
CA257-3 FC122-4 FC92-5
D2B NETWORK:
”WAKE UP”
TELEPHONE: MUTE
VIDEO
AUDIO
NAVIGATION
CONTROL MODULE
NAVIGATION
GPS ANTENNA
NAVIGATION SCREEN
AND
TELEMATICS DISPLAY
DIMMER-CONTROLLED
LIGHTING
TELEPHONE: MUTE
TV
ANTENNA
AMPLIFIER
1
TV
ANTENNA
AMPLIFIER
2
TV
ANTENNA
AMPLIFIER
3
TV
ANTENNA
AMPLIFIER
4
TELEVISION
ANTENNA
1
TELEVISION
ANTENNA
2
TELEVISION
ANTENNA
3
TELEVISION
ANTENNA
4
Navigation Vehicles with TV (except Japan)

B
+
13 II
Fig. 01.1 Fig. 01.4
I
O
+
–
C
S
D
2
DP
114
476 II II
Fig. 01.2 Fig. 01.5
15 45
77 92 SS
Fig. 01.3 Fig. 01.6
46 80 EE
Fig. 01.7
81 118
VARIANT:
VIN RANGE:
DATE OF ISSUE:
Jaguar S
-
TYPE 2002.5
Output
Sensor/Signal Supply V CAN
SCP Serial and Encoded Data
All
March 2002 (PROVISIONAL)
Sensor/Signal Ground
D2B NetworkInput Battery Voltage
Power Ground
Navigation System: Japan Navigation System: Japan Fig. 16.8
U
Y
20.2
20.2
CA258-4
CA258-14
S
S
UU
CA257-20
BOF
BOF
20.3
RA5-1
RA5-2
NW
WU
CA258-1
CA258-11
B
D
2
D
2
20.3
CA258-3
OG
20.3 O
CA258-13
U
16.116.3 I
CA258-2
11
I
CA176-1 CA175-1
CA175-2CA176-2
NG
WG
FC92-12
B
FC38
FC92-2
FC92-1
8
I
83
FC19-7 FC92-15
YY
CA257-7 FC19-6 FC92-4
36
B
B
P P
B
B
FC19-11 FC92-13
B
P
BRD
R
FC98-1
FC98-3
FC99-2
FC99-4
FC98-2
FC98-4
FC99-1
FC99-3
FC102-1
R
FC102-2
BRD
FC103-1
R
FC103-2
BRD
FC104-1
R
FC104-2
BRD
FC105-1
R
FC105-2
BRD
R
BRD
R
BRD
R
BRD
R
BRD
CA198-1
CA198-2
CA200-1
CA200-2
CA202-1
CA202-2
CA204-1
CA204-2
I
I
I
I
YUYU
CA259-7 FC19-2 FC92-20
YRYR
CA259-1 FC19-1 FC92-19
YGYG
CA259-2 FC19-3 FC92-21
BRDB
CA259-3 FC19-5 FC92-11
BKYP
CA259-8 FC19-4 FC92-22
BBBRD B
CA259-6
CA250-12
CA250-11
BRD
N
G
B
CA259-12
CA259-11
FC95-1
CA273-6
FC95-2
CA259-5
B
NR
WR
CA273-3
CA273-4
37
13
I
CA273-5
CA273-1 CA259-4
CA273-2 CA259-10
CA273-7
BRD
CA259-9
YR
O
OY
R
BRD
CA207-1
CA207-2
BB
CA208-1
CA208-2
CA268-1
N
CA268-2
BRD
P
B
B
I
I
N
BRD
FC93-1
FC93-2
CA157
IU
FC92-10 16.1 16.3
UY
FC92-9 09.2
I
YUYU
CA257-15 FC122-2 FC92-17
YRYR
CA257-2 FC122-1 FC92-7
YRYR
CA257-14 FC122-3 FC92-6
BRDB
CA257-16 FC122-6 FC92-8
YBYB
CA257-1 FC122-5 FC92-18
BBBRD B
BKBK
CA257-3 FC122-4 FC92-5
MICROPHONE
ROOF CONSOLE
VEHICLE
INFORMATION
ANTENNA
VEHICLE
INFORMATION
SENSOR
VEHICLE INFORMATION
CONTROL MODULE
D2B NETWORK:
”WAKE UP”
TELEPHONE: MUTE
VIDEO
AUDIO
NAVIGATION
CONTROL MODULE
NAVIGATION
GPS ANTENNA
NAVIGATION SCREEN
AND
TELEMATICS DISPLAY
DIMMER-CONTROLLED
LIGHTING
TELEPHONE: MUTE
TV
ANTENNA
AMPLIFIER
1
TV
ANTENNA
AMPLIFIER
2
TV
ANTENNA
AMPLIFIER
3
TV
ANTENNA
AMPLIFIER
4
TELEVISION
ANTENNA
1
TELEVISION
ANTENNA
2
TELEVISION
ANTENNA
3
TELEVISION
ANTENNA
4
Japan Navigation Vehicles

B
+
13 II
Fig. 01.1 Fig. 01.4
I
O
+
–
C
S
D
2
DP
114
476 II II
Fig. 01.2 Fig. 01.5
15 45
77 92 SS
Fig. 01.3 Fig. 01.6
46 80 EE
Fig. 01.7
81 118
VARIANT:
VIN RANGE:
DATE OF ISSUE:
Jaguar S
-
TYPE 2002.5
Output
Sensor/Signal Supply V CAN
SCP Serial and Encoded Data
All
March 2002 (PROVISIONAL)
Sensor/Signal Ground
D2B NetworkInput Battery Voltage
Power Ground
Advanced Restraint System: Part 1 Advanced Restraint System: Part 1 Fig. 17.1
RW
DM20-3
B
CA141
(CA154)
CA22-2
CA114-5
WU
CA114-12
CA114-16
B
CA154
CA232-23
UY
37
II
CA114-19
BG
O
DB4-2
DB4-1
RW
BW
DM40-2
DM40-1
RW
BW
CA226-2
CA226-1
O
OY
YR
YR
FC117-2
FC117-1
Y
Y
FC117-10
FC117-9
07.1
CA114-17
WB
O
16.316.4
CA114-22
WB
O
CA114-11
W
20.2 D
DM20-4 CA232-25
B RU
PN15-3
PNS5
B
CA154
(CA141)
PN15-4 CA232-26
CA114-15
O
CA22-1
CA232-27
WR
CA232-28
NR
CA58-2
CA58-1
CA232-29
WU
CA232-30
NG
FH102-2
N
FH102-1
W
CA232-19
N
CA232-20
W
FH2-15
FH2-16
CA232-24
U
DM41-2
DM41-1
CA114-6
CA114-1
CA114-2
CA232-3
CA232-4
CA232-1
CA232-2
PB4-2
PB4-1
RW
BW
PN35-2
PN35-1
RW
BW
CA228-2
CA228-1
YR
YG
CA232-5
CA232-6
CA232-21
CA232-22
CA232-13
O
CA232-14
YR
CA230-2
CA230-1
CA232-15
U
CA232-16
BO
CA246-2
CA246-1
B
P
H
H
H
07.1
DM23-3
DM23-7
UY
U
DM23-16
RWB
DMS6
DM23-1
B
PN24-16
RU
PN24-1
B
BR
FC42-1
FC42-2
YR
YR
Y
Y
FC42-3
FC42-4
DM40-4
DM40-3
O
OY
CA232-31
CA232-32
DM20-2
DM20-1
O
OY
PN35-4
PN35-3
OY
OG
CA232-33
CA232-34
PN15-2
PN15-1
OY
OG
CA225-2
CA225-1
BR
BW
CA232-35
CA232-36
CA224-2
CA224-1
BO
BK
CA232-39
CA232-40
CA223-2
CA223-1
BG
UY
CA232-37
CA232-38
17.2
16.2 16.1
SW10-1
SW10-2
SW9-1
SW9-2
SW12-1
SW12-2
SW11-1
SW11-2
NB
SW
SB
NR
FRONT IMPACT
SENSOR
DRIVER
SIDE IMPACT
SENSOR
PASSENGER
SIDE IMPACT
SENSOR
DRIVER
REAR SIDE IMPACT
SENSOR
PASSENGER
REAR SIDE IMPACT
SENSOR
DRIVER SEAT
POSITION SWITCH
DRIVER
SEAT BELT SWITCH
PASSENGER
SEAT BELT SWITCH
SERIAL COMMUNICATION
TELEPHONE / JAGUARNET: AIRBAG DEPLOYED
(CIRCUIT CONTINUED)
INSTRUMENT CLUSTER: AIRBAG WARNING
(CIRCUIT CONTINUED)
INSTRUMENT CLUSTER: SEAT BELT AUDIBLE WARNING
(CIRCUIT CONTINUED)
PASSENGER AIRBAG DEACTIVATION LAMP
STAGE
TWO
STAGE
ONE
RESTRAINTS
CONTROL MODULE
(CONTINUED Fig 17.2)
CASSETTE
CASSETTE
CASSETTE
CASSETTE
DRIVER
DUAL AIRBAG
IGNITERS
DRIVER
CURTAIN AIRBAG
IGNITER
DRIVER
SIDE AIRBAG
IGNITER
DRIVER
SEAT BELT
PRETENSIONER
IGNITER
PASSENGER
CURTAIN AIRBAG
IGNITER
PASSENGER
SIDE AIRBAG
IGNITER
PASSENGER
SEAT BELT
PRETENSIONER
IGNITER
DRIVER SIDE REAR
SEAT BELT
PRETENSIONER
IGNITER
CENTER REAR
SEAT BELT
PRETENSIONER
IGNITER
PASSENGER SIDE REAR
SEAT BELT
PRETENSIONER
IGNITER
All Vehicles

B
+
13 II
Fig. 01.1 Fig. 01.4
I
O
+
–
C
S
D
2
DP
114
476 II II
Fig. 01.2 Fig. 01.5
15 45
77 92 SS
Fig. 01.3 Fig. 01.6
46 80 EE
Fig. 01.7
81 118
VARIANT:
VIN RANGE:
DATE OF ISSUE:
Jaguar S
-
TYPE 2002.5
Output
Sensor/Signal Supply V CAN
SCP Serial and Encoded Data
All
March 2002 (PROVISIONAL)
Sensor/Signal Ground
D2B NetworkInput Battery Voltage
Power Ground
Advanced Restraint System: Part 2 Advanced Restraint System: Part 2 Fig. 17.2
YB
OG
PN41-A
PN41-B
PN41-C
PN38-25
U
N
W
PN37-H
PN37-K
PN37-J
YB
CA232-17
OG
CA232-18
C
C
PN38-24 PN24-5
PN24-6
C
C
WU
PN38-22
38
II
+
–
+
–
CA154
(CA141)
BBB
PN38-23 PN24-1
PNS5
B
P
CA251-1
CA251-2
PN38-5
BR
PN38-6
GW
PN24-10
PN24-8
FC114-1 (LHD)
FC3-1 (RHD)
FC114-2 (LHD)
FC3-2 (RHD)
PN38-3
NW
PN38-4
Y
FC33-11
FC33-12
PN24-20
PN24-19
RF41-1
RF41-2
PN38-1
BG
PN38-2
O
RF34-2
RF34-3
PN24-18
PN24-17
RF40-1
RF40-2
PN38-7
BO
PN38-8
U
RF34-4
RF34-5
PN24-7
PN24-4
PN37-D PN38-10
PN37-G PN38-9
PN37-F PN38-11
PN37-E PN38-12
RW
R
UY
OY
NW
Y
BG
O
BO
U
BR
GW
NW
Y
BG
O
BO
U
CA114-14
FC46-2
RG
R
FC46-1
FC32-2
BW
RW
FC32-1
CA114-13
CA114-4
CA114-3
RG
R
BW
RW
FC25-3
FC25-4
FC25-1
FC25-2
CA114-16
B
CA154
BR WU
CA114-15
O
FC112-1FC112-3
36
II
P
BR
FC33-15
PASSENGER
‘A’ POST
SPATIAL SENSOR
CENTER CONSOLE
SPATIAL SENSOR
HEADLINER
REAR INNER
SPATIAL SENSOR
HEADLINER
REAR OUTER
SPATIAL SENSOR
PASSENGER SEAT
WEIGHT
PRESSURE SENSOR PASSENGER SEAT
WEIGHT SENSING
CONTROL MODULE
OCCUPANCY SENSING
CONTROL MODULE
IMPACT SENSORS;
PASSENGER SEAT BELT SWITCH:
REFER TO FIG. 17.1.
STAGE
TWO
STAGE
ONE
RESTRAINTS
CONTROL MODULE
(CONTINUED FROM Fig. 17.1)
NOTE: RCM power supply shown on Fig. 17.1.
PASSENGER
DUAL AIRBAG
IGNITERS
PASSENGER AIRBAG
DEACTIVATED
INDICATOR LAMP
All Vehicles
LOCAL LOCAL

B
+
13 II
Fig. 01.1 Fig. 01.4
I
O
+
–
C
S
D
2
DP
114
476 II II
Fig. 01.2 Fig. 01.5
15 45
77 92 SS
Fig. 01.3 Fig. 01.6
46 80 EE
Fig. 01.7
81 118
VARIANT:
VIN RANGE:
DATE OF ISSUE:
Jaguar S
-
TYPE 2002.5
Output
Sensor/Signal Supply V CAN
SCP Serial and Encoded Data
All
March 2002 (PROVISIONAL)
Sensor/Signal Ground
D2B NetworkInput Battery Voltage
Power Ground
Parking Aid System Parking Aid System Fig. 18.1
CA4-4
CA4-9
WU
CA112-1
CA158
CA112-3
B
CA112-14
W
CA112-17
N
BR4-1
Y
BR4-2
WU
BR4-3
N
CA112-15
CA32-1
CA32-2
BR5-1
Y
BR5-2
WG
BR5-3
N
BR3-1
Y
BR3-2
WR
BR3-3
N
BR2-1
Y
BR2-2
W
BR2-3
N
CA112-24
CA112-16
CA112-23
CA112-10
CA112-11
WR
CA112-9
08.3 I
BR
CA112-8
I
08.4
W
CA112-5
20.2 D
W
N
WU
Y
WG
N
WR
W
BRS2
BRS1
B
P
O
O
+
–
D
D
D
D
44
II
BR1-8
BR1-10
BR1-3
BR1-5
BR1-9
BR1-4
Y
N
REVERSE LAMPS: ACTIVATED
(CIRCUIT CONTINUED)
REAR EXTERIOR LIGHTING:
TRAILER CONNECTED
(CIRCUIT CONTINUED)
SERIAL COMMUNICATION
PARKING AID
CONTROL MODULE
PARKING AID
SOUNDER
RH
SENSOR
RH CENTER
SENSOR
LH CENTER
SENSOR
LH
SENSOR
Parking Aid Vehicles

B
+
13 II
Fig. 01.1 Fig. 01.4
I
O
+
–
C
S
D
2
DP
114
476 II II
Fig. 01.2 Fig. 01.5
15 45
77 92 SS
Fig. 01.3 Fig. 01.6
46 80 EE
Fig. 01.7
81 118
VARIANT:
VIN RANGE:
DATE OF ISSUE:
Jaguar S
-
TYPE 2002.5
Output
Sensor/Signal Supply V CAN
SCP Serial and Encoded Data
All
March 2002 (PROVISIONAL)
Sensor/Signal Ground
D2B NetworkInput Battery Voltage
Power Ground
Ancillaries Ancillaries Fig. 19.1
FH59-6
FH60-1
CA2-14
NR
WU
86 NG
NR
S
60
B
B
NR
FH59-8
O
61
61
FH29-1
FH29-2
B
FH42
NR
NR
NR
5
2
3
1
R12
4
FH77
FH60-11
BP
FH59-1
U
FH59-7
Y
20.2
20.2
S
S
S
S
FC15-20
U
Y20.2
20.2
SQ2-5
SQ2-3
WR
FC117-7
FC117-6
I
FC14-21
FC15-10
03.2 YG
YG
PI41-24
YG
FC10-12
03.403.6
NG
FC15-3
85 B
FC38
FC14-14
B
CA157
OY
CA250-9 CA250-14
NW
B
CA254-3
CA254-1
81
3A
SL4-1 SL4-2
B
WUNR
SL5
SL6
FC38
B
SL3-4
CA254-2
WU
5
I
S
71
3
1
5
2
R1 4
NR
B
YU
14
I
89
CA56-7
CA50
B
OY
CA2-18
OY
B
CA109-1
CA141
CA109-3
B
CA237-1
CA237-3
3
1
5
2
R10 4
6
3
I
B
CA13-1
CA13-3
CA13-2
CA156
5
YU
CA50
B
CA250-9 CA250-1
NW
S
70
HORNS
ECM: SENSOR GROUND
STEERING WHEEL
HORN SWITCH
CASSETTE
CASSETTE
LOGIC
INSTRUMENT CLUSTER
LOGIC
GENERAL ELECTRONIC
CONTROL MODULE
HORNS
HORN RELAY
FRONT POWER DISTRIBUTION BOX
CIGAR LIGHTER; POWER POINT
CIGAR LIGHTER / POWER POINT
RELAY
PRIMARY JUNCTION FUSE BOX
POWER POINT
CIGAR LIGHTER
SUN SHADE
SUN SHADE
SWITCH
ROOF CONSOLE
SUN SHADE MOTOR ASSEMBLY
ACCESSORY CONNECTOR
ACCESSORY
RELAY
REAR POWER DISTRIBUTION BOX
ACCESSORY
CONNECTOR
GARAGE DOOR OPENER
GARAGE DOOR
OPENER
ROOF CONSOLE
ELECTRONIC ROAD PRICING
ELECTRONIC
ROAD PRICING
MODULE
All Vehicles

B
+
13 II
Fig. 01.1 Fig. 01.4
I
O
+
–
C
S
D
2
DP
114
476 II II
Fig. 01.2 Fig. 01.5
15 45
77 92 SS
Fig. 01.3 Fig. 01.6
46 80 EE
Fig. 01.7
81 118
VARIANT:
VIN RANGE:
DATE OF ISSUE:
Jaguar S
-
TYPE 2002.5
Output
Sensor/Signal Supply V CAN
SCP Serial and Encoded Data
All
March 2002 (PROVISIONAL)
Sensor/Signal Ground
D2B NetworkInput Battery Voltage
Power Ground
Controller Area Network Controller Area Network Fig. 20.1
Y
G
Y
G
GB1-1
FC1-4
B
FC1-5
B
77
OY
FC1-16
FC38
G
Y
G
Y
GB2-6
GB2-2
+
–
C
C
P
B
PI1-124
PI1-123
+
–C
C
FC1-14
G
FC1-6
Y
GB1-2
Y
G
Y
G
GBS1
GBS2
GB1-3
GB1-4
PI41-20
PI41-21
G
Y
FH107-10
FH107-4
+
–
C
C
FHS10
FHS9
Y
G
Y
G
Y
G
FH103-11
FH103-14
C
C
–
+
G
Y
FH103-12
FH103-15
C
C
–
+
G
Y
FH12-2
FH12-3
+
–
C
C
FHS17
FHS15
FH1-5
FH1-6
CA245-9
CA245-10
C
C
–
+
G
Y
CA245-11
CA245-12
C
C
–
+
FC15-18
FC15-19
C
C
–
+
G
Y
FC15-8
FC15-9
C
C
–
+
FC39-9
FC39-8
G
Y
FC41-12 ***
FC28-12 ***
FC28-1 ***
FC41-1 ***
+
–
C
C
FCS33 ****
FCS1 ****
FCS34 ****
FCS20 ****
G
Y
Y
G
Y
G
GB1-1
G
Y
PI1-124
PI1-123
+
–C
C
FC1-14
G
FC1-6
Y
GB1-2
Y
G
GB1-3
GB1-4
PI41-20
PI41-21
G
Y
FH107-10
FH107-4
+
–
C
C
FHS10
FHS9
Y
G
Y
G
FH103-11
FH103-14
C
C
–
+
G
Y
FH103-12
FH103-15
C
C
–
+
FH1-5
FH1-6
CA245-9 **
CA245-10 **
G
Y
CA245-11 **
CA245-12 **
FC15-18
FC15-19
C
C
–
+
G
Y
FC15-8
FC15-9
C
C
–
+
FC39-9
FC39-8
G
Y
FC28-12
FC28-1
+
–
C
C
FCS1
FCS20
G
Y
Y
G
C
C
–
+
C
C
–
+
S
S
FC15-10
FC15-20
U
Y
S
S
FC15-10
FC15-20
U
Y
TRANSMISSION
CONTROL MODULE
ENGINE
CONTROL MODULE
ADAPTIVE SPEED CONTROL
CONTROL MODULE * HEADLAMP LEVELING
CONTROL MODULE **
DYNAMIC STABILITY CONTROL
CONTROL MODULE
AIR CONDITIONING
CONTROL MODULE
J GATE MODULE INSTRUMENT CLUSTER
NOTES:
* Adaptive Speed Control Control Module and circuit – adaptive speed
control vehicles only.
** Automatic Headlamp Leveling Control Module – HID vehicles only.
*** FC41 – A/CCM with panel controls; FC28 – remote A/CCM with
navigation.
**** FCS33 and FCS34 – A/CCM with panel controls;
FCS1 and FCS20 – remote A/CCM with navigation.
AUTOMATIC TRANSMISSION VEHICLES
ENGINE
CONTROL MODULE
ADAPTIVE SPEED CONTROL
CONTROL MODULE *
DYNAMIC STABILITY CONTROL
CONTROL MODULE
AIR CONDITIONING
CONTROL MODULE
INSTRUMENT CLUSTER
NOTES:
* Adaptive Speed Control Control Module and circuit – adaptive speed
control vehicles only.
** CA245 and circuit – fitted to certain vehicles only.
MANUAL TRANSMISSION VEHICLES
DATA LINK
CONNECTOR
All Vehicles

B
+
13 II
Fig. 01.1 Fig. 01.4
I
O
+
–
C
S
D
2
DP
114
476 II II
Fig. 01.2 Fig. 01.5
15 45
77 92 SS
Fig. 01.3 Fig. 01.6
46 80 EE
Fig. 01.7
81 118
VARIANT:
VIN RANGE:
DATE OF ISSUE:
Jaguar S
-
TYPE 2002.5
Output
Sensor/Signal Supply V CAN
SCP Serial and Encoded Data
All
March 2002 (PROVISIONAL)
Sensor/Signal Ground
D2B NetworkInput Battery Voltage
Power Ground
Standard Corporate Protocol Network; Serial Data Link Standard Corporate Protocol Network; Serial Data Link Fig. 20.2
S
S
CA258-14
CA258-4
U
Y
S
S
DM34-12
DM34-1
U
Y
CA11-14
CA11-13
S
S
U
Y
CA242-1
CA242-7
S
S
U
Y
CAS94
DM23-5
CAS93
DM23-6
FC17-5
FC17-4
GB1-5
PI41-22
PI42-4 FC10-11
FH6-16
FH6-15
FCS29
FCS30
CAS15
FHS14
FC1-4
B
FC1-5
B
77
OY
FC1-16
FC38
P
B
FC1-10
FC1-2
S
S
CA85-4
CA85-3
U
Y
S
S
FH59-1
FH59-7
U
Y
U
Y
CA102-1
CA102-2
S
S
CAS59
CAS58
U
Y
U
Y
U
Y
S
S
FC15-10
FC15-20
U
Y
S
S
FC94-10
FC94-9
U
Y
S
S
FC59-3
FC59-4
U
Y
U
Y
S
S
GB2-3
O
D
PI1-105
W
D
FH12-5
W
D
CA114-11
W
D
CA112-5
W
D
CA250-8
W
D
OO O
W
FC1-11
FC1-7
D
D
W
FH6-4
W
O
WW
FC33-7
U
Y
U
Y
FC15-18
FC15-19
C
C
G
Y
BOF
BOF
FC108-1
FC108-2
D
2
D
2
NAVIGATION
CONTROL MODULE
DRIVER SEAT
CONTROL MODULE
DRIVER DOOR
CONTROL MODULE
GENERAL ELECTRONIC
CONTROL MODULE
ADAPTIVE DAMPING
CONTROL MODULE
ELECTRONIC PARKING BRAKE
CONTROL MODULE
REAR ELECTRONIC
CONTROL MODULE
INSTRUMENT CLUSTER
AUDIO UNIT
STEERING COLUMN LOCKING
CONTROL MODULE
STANDARD CORPORATE PROTOCOL NETWORK
TRANSMISSION
CONTROL MODULE
ENGINE
CONTROL MODULE
HEADLAMP LEVELING
CONTROL MODULE
NOTE: GB1-5 – V6 only.
RESTRAINTS
CONTROL MODULE
REVERSE PARKING AID
CONTROL MODULE
ROOF CONSOLE
INTRUSION SENSOR
SERIAL DATA LINK
DATA LINK
CONNECTOR
All Vehicles

B
+
13 II
Fig. 01.1 Fig. 01.4
I
O
+
–
C
S
D
2
DP
114
476 II II
Fig. 01.2 Fig. 01.5
15 45
77 92 SS
Fig. 01.3 Fig. 01.6
46 80 EE
Fig. 01.7
81 118
VARIANT:
VIN RANGE:
DATE OF ISSUE:
Jaguar S
-
TYPE 2002.5
Output
Sensor/Signal Supply V CAN
SCP Serial and Encoded Data
All
March 2002 (PROVISIONAL)
Sensor/Signal Ground
D2B NetworkInput Battery Voltage
Power Ground
D2B Network: Part 1 D2B Network: Part 1 Fig. 20.3
U
Y
20.2
20.2
FC94-9
FC94-10
S
S
U
Y
20.2
20.2
CA258-4
CA258-14
S
S
FC23-3
BOF
BOF
FC108-1
FC108-2
D
2
D
2
BOF
BOF
BOF
BOF
FC107-1
FC107-2
RA1-2
RA1-1
SCP
BOF
BOF
FC108-1
FC108-2
D
2
D
2
BOF
BOF
RA5-1
RA5-2
D
2
D
2
BOF
BOF
RA3-1
RA3-2
D
2
D
2
BOF
BOF
RA2-1
RA2-2
D
2
D
2
BOF
BOF
FC107-2
FC107-1
RA1-1
RA1-2
BOF
BOF
OG
FC94-19
O
BOF
BOF
RA4-1
RA4-2
D
2
D
2
BOF
BOF
RA6-1
RA6-2
D
2
D
2
OG
CA267-3
O
OG
CA261-23
O
OG
VJ1-14
O
OG
CA258-3
O
OG
CA263-5
O
OG
CA262-9
OG
CAS28
BOF
BOF
FC108-1
FC108-2
D
2
D
2
BOF
BOF
FC107-1
FC107-2
RA1-2
RA1-1
D
2
D
2
BOF
BOF
FC108-1
FC108-2
D
2
D
2
BOF
BOF
BOF
BOF
FC107-1
FC107-2
RA1-2
RA1-1
RA3-2
RA3-1
D
2
D
2
BOF
BOF
FC108-1
FC108-2
D
2
D
2
BOF
BOF
BOF
BOF
FC107-1
FC107-2
RA1-2
RA1-1
RA4-2
RA4-1
D
2
D
2
BOF
BOF
FC108-1
FC108-2
D
2
D
2
BOF
BOF
BOF
BOF
FC107-1
FC107-2
RA1-2
RA1-1
RA5-2
RA5-1
D
2
D
2
BOF
BOF
FC108-1
FC108-2
D
2
D
2
BOF
BOF
BOF
BOF
FC107-1
FC107-2
RA1-2
RA1-1
RA6-2
RA6-1
D
2
D
2
D2B WAKE–UP
AUDIO UNIT
D2B WAKE–UP
CD AUTOCHANGER
D2B WAKE–UP
CELLULAR PHONE
CONTROL MODULE
D2B WAKE–UP
VOICE ACTIVATION
CONTROL MODULE
D2B WAKE–UP
NAVIGATION
CONTROL MODULE
D2B WAKE–UP
POWER AMPLIFIER
D2B NETWORK WAKE-UP; 6-MODULE NETWORK
AUDIO UNIT
AUDIO UNIT
AUDIO UNIT
AUDIO UNIT
AUDIO UNIT
AUDIO UNIT
CD AUTOCHANGER
CELLULAR PHONE
CONTROL MODULE
VOICE ACTIVATION
CONTROL MODULE
NAVIGATION
CONTROL MODULE
POWER AMPLIFIER
2-MODULE NETWORKS NOTES:
Figures 20.3, 20.4 and 20.5 show all possible combinations of D2B networks.
D2B network diagnostics via SCP – Refer to Fig. 20.2.
All Vehicles

B
+
13 II
Fig. 01.1 Fig. 01.4
I
O
+
–
C
S
D
2
DP
114
476 II II
Fig. 01.2 Fig. 01.5
15 45
77 92 SS
Fig. 01.3 Fig. 01.6
46 80 EE
Fig. 01.7
81 118
VARIANT:
VIN RANGE:
DATE OF ISSUE:
Jaguar S
-
TYPE 2002.5
Output
Sensor/Signal Supply V CAN
SCP Serial and Encoded Data
All
March 2002 (PROVISIONAL)
Sensor/Signal Ground
D2B NetworkInput Battery Voltage
Power Ground
D2B Network: Part 2 D2B Network: Part 2 Fig. 20.4
BOF
BOF
FC108-1
FC108-2
D
2
D
2
BOF
BOF
RA3-1
RA3-2
D
2
D
2
BOF
BOF
RA2-1
RA2-2
D
2
D
2
BOF
BOF
FC107-2
FC107-1
RA1-1
RA1-2
BOF
BOF
FC108-1
FC108-2
D
2
D
2
BOF
BOF
RA3-1
RA3-2
D
2
D
2
BOF
BOF
FC107-2
FC107-1
RA1-1
RA1-2
BOF
BOF
RA4-1
RA4-2
D
2
D
2
BOF
BOF
FC108-1
FC108-2
D
2
D
2
BOF
BOF
RA5-1
RA5-2
D
2
D
2
BOF
BOF
FC107-2
FC107-1
RA1-1
RA1-2
BOF
BOF
RA4-1
RA4-2
D
2
D
2
BOF
BOF
FC108-1
FC108-2
D
2
D
2
BOF
BOF
RA5-1
RA5-2
D
2
D
2
BOF
BOF
FC107-2
FC107-1
RA1-1
RA1-2
BOF
BOF
RA6-1
RA6-2
D
2
D
2
BOF
BOF
FC108-1
FC108-2
D
2
D
2
BOF
BOF
RA3-1
RA3-2
D
2
D
2
BOF
BOF
RA2-1
RA2-2
D
2
D
2
BOF
BOF
FC107-2
FC107-1
RA1-1
RA1-2
BOF
BOF
RA4-1
RA4-2
D
2
D
2
BOF
BOF
FC108-1
FC108-2
D
2
D
2
BOF
BOF
RA5-1
RA5-2
D
2
D
2
BOF
BOF
RA3-1
RA3-2
D
2
D
2
BOF
BOF
FC107-2
FC107-1
RA1-1
RA1-2
BOF
BOF
RA4-1
RA4-2
D
2
D
2
BOF
BOF
FC108-1
FC108-2
D
2
D
2
BOF
BOF
RA5-1
RA5-2
D
2
D
2
BOF
BOF
FC107-2
FC107-1
RA1-1
RA1-2
BOF
BOF
RA4-1
RA4-2
D
2
D
2
BOF
BOF
RA6-1
RA6-2
D
2
D
2
AUDIO UNIT
CD AUTOCHANGER
CELLULAR PHONE
CONTROL MODULE
AUDIO UNIT
VOICE ACTIVATION
CONTROL MODULE
NAVIGATION
CONTROL MODULE
AUDIO UNIT
CELLULAR PHONE
CONTROL MODULE
VOICE ACTIVATION
CONTROL MODULE
AUDIO UNIT
NAVIGATION
CONTROL MODULE
POWER AMPLIFIER
3-MODULE NETWORKS
AUDIO UNIT
CD AUTOCHANGER
CELLULAR PHONE
CONTROL MODULE
VOICE ACTIVATION
CONTROL MODULE
AUDIO UNIT
VOICE ACTIVATION
CONTROL MODULE
NAVIGATION
CONTROL MODULE
POWER AMPLIFIER
AUDIO UNIT
CELLULAR PHONE
CONTROL MODULE
VOICE ACTIVATION
CONTROL MODULE
NAVIGATION
CONTROL MODULE
4-MODULE NETWORKS
NOTES:
Figures 20.3, 20.4 and 20.5 show all possible combinations of D2B networks.
D2B network diagnostics via SCP – Refer to Fig. 20.2.
All Vehicles

B
+
13 II
Fig. 01.1 Fig. 01.4
I
O
+
–
C
S
D
2
DP
114
476 II II
Fig. 01.2 Fig. 01.5
15 45
77 92 SS
Fig. 01.3 Fig. 01.6
46 80 EE
Fig. 01.7
81 118
VARIANT:
VIN RANGE:
DATE OF ISSUE:
Jaguar S
-
TYPE 2002.5
Output
Sensor/Signal Supply V CAN
SCP Serial and Encoded Data
All
March 2002 (PROVISIONAL)
Sensor/Signal Ground
D2B NetworkInput Battery Voltage
Power Ground
D2B Network: Part 3 D2B Network: Part 3 Fig. 20.5
BOF
BOF
FC108-1
FC108-2
D
2
D
2
BOF
BOF
RA5-1
RA5-2
D
2
D
2
BOF
BOF
RA3-1
RA3-2
D
2
D
2
BOF
BOF
FC107-2
FC107-1
RA1-1
RA1-2
BOF
BOF
RA4-1
RA4-2
D
2
D
2
BOF
BOF
RA6-1
RA6-2
D
2
D
2
BOF
BOF
FC108-1
FC108-2
D
2
D
2
BOF
BOF
RA5-1
RA5-2
D
2
D
2
BOF
BOF
RA3-1
RA3-2
D
2
D
2
BOF
BOF
RA2-1
RA2-2
D
2
D
2
BOF
BOF
FC107-2
FC107-1
RA1-1
RA1-2
BOF
BOF
RA4-1
RA4-2
D
2
D
2
AUDIO UNIT
CD AUTOCHANGER
CELLULAR PHONE
CONTROL MODULE
VOICE ACTIVATION
CONTROL MODULE
NAVIGATION
CONTROL MODULE
AUDIO UNIT
CELLULAR PHONE
CONTROL MODULE
VOICE ACTIVATION
CONTROL MODULE
NAVIGATION
CONTROL MODULE
POWER AMPLIFIER
5-MODULE NETWORKS NOTES:
Figures 20.3, 20.4 and 20.5 show all possible combinations of D2B networks.
D2B network diagnostics via SCP – Refer to Fig. 20.2.
All Vehicles