Jet Tools J 7020 Users Manual M 414472 7020, 40 Horizontal BS Rev A2.pmd
J-7020 to the manual 2fce0732-0426-4c2d-bf83-f48031f70782
2015-02-02
: Jet-Tools Jet-Tools-J-7020-Users-Manual-434076 jet-tools-j-7020-users-manual-434076 jet-tools pdf
Open the PDF directly: View PDF
.
Page Count: 32

Operating Instructions and Parts Manual
10-Inch x 16-Inch Horizontal Band Saw
Models: J-7020, J-7040
WHM TOOL GROUP, Inc.
427 New Sanford Road
LaVergne, Tennessee 30786 Part No. M-414472
Ph.: 800-274-6848 Revision A2 04/09
www.wmhtoolgroup.com Copyright © 2009 WMH Tool Group, Inc.
Model J-7020 shown

Warranty and Service
WMH Tool Group, Inc., warrants every product it sells. If one of our tools needs service or repair, one of our Authorized
Service Centers located throughout the United States can give you quick service. In most cases, any of these WMH Tool
Group Authorized Service Centers can authorize warranty repair, assist you in obtaining parts, or perform routine maintenance
and major repair on your JET® tools. For the name of an Authorized Service Center in your area call 1-800-274-6848.
MORE INFORMATION
WMH Tool Group is consistently adding new products to the line. For complete, up-to-date product information, check
with your local WMH Tool Group distributor, or visit jettools.com.
WARRANTY
JET products carry a limited warranty which varies in duration based upon the product (MW stands for Metalworking,
WW stands for Woodworking).
WHAT IS COVERED?
This warranty covers any defects in workmanship or materials subject to the exceptions stated below. Cutting tools,
abrasives and other consumables are excluded from warranty coverage.
WHO IS COVERED?
This warranty covers only the initial purchaser of the product.
WHAT IS THE PERIOD OF COVERAGE?
The general JET warranty lasts for the time period specified in the product literature of each product.
WHAT IS NOT COVERED?
Three Year, Five Year and Lifetime Warranties do not cover products used for industrial or educational purposes.
Products with Three Year, Five Year or Lifetime Warranties that are used for industrial or education purposes revert to a
One Year Warranty. This warranty does not cover defects due directly or indirectly to misuse, abuse, negligence or
accidents, normal wear-and-tear, improper repair or alterations, or lack of maintenance.
HOW TO GET SERVICE
The product or part must be returned for examination, postage prepaid, to a location designated by us. For the name
of the location nearest you, please call 1-800-274-6848.
You must provide proof of initial purchase date and an explanation of the complaint must accompany the
merchandise. If our inspection discloses a defect, we will repair or replace the product, or refund the purchase price, at
our option. We will return the repaired product or replacement at our expense unless it is determined by us that there is
no defect, or that the defect resulted from causes not within the scope of our warranty in which case we will, at your
direction, dispose of or return the product. In the event you choose to have the product returned, you will be responsible
for the shipping and handling costs of the return.
HOW STATE LAW APPLIES
This warranty gives you specific legal rights; you may also have other rights which vary from state to state.
LIMITATIONS ON THIS WARRANTY
WMH TOOL GROUP LIMITS ALL IMPLIED WARRANTIES TO THE PERIOD OF THE LIMITED WARRANTY FOR EACH
PRODUCT. EXCEPT AS STATED HEREIN, ANY IMPLIED WARRANTIES OR MERCHANTABILITY AND FITNESS ARE
EXCLUDED. SOME STATES DO NOT ALLOW LIMITATIONS ON HOW LONG THE IMPLIED WARRANTY LASTS, SO THE
ABOVE LIMITATION MAY NOT APPLY TO YOU.
WMH TOOL GROUP SHALL IN NO EVENT BE LIABLE FOR DEATH, INJURIES TO PERSONS OR PROPERTY, OR
FOR INCIDENTAL, CONTINGENT, SPECIAL, OR CONSEQUENTIAL DAMAGES ARISING FROM THE USE OF OUR
PRODUCTS. SOME STATES DO NOT ALLOW THE EXCLUSION OR LIMITATION OF INCIDENTAL OR CONSEQUENTIAL
DAMAGES, SO THE ABOVE LIMITATION OR EXCLUSION MAY NOT APPLY TO YOU.
WMH Tool Group sells through distributors only. The specifications in WMH catalogs are given as general information
and are not binding. Members of WMH Tool Group reserve the right to effect at any time, without prior notice, those
alterations to parts, fittings, and accessory equipment which they may deem necessary for any reason whatsoever. JET®
branded products are not sold in Canada by WMH Tool Group.
YEAR
YEAR
DAY
DAY
WARRANTY
WARRANTY
90
90
WARRANTY
WARRANTY
1
YEAR
YEAR
WARRANTY
WARRANTY
5
LIFETIME
LIFETIME
WARRANTY
WARRANTY
LIFE
LIFE
YEAR
YEAR
WARRANTY
WARRANTY
2
YEAR
YEAR
WARRANTY
WARRANTY
3
Lathe Accessories
Machine Accessories
Mobile Bases
Safety Equipment
Specialty Items
Vise Accessories
Air Tools-
Contractor
Air Tools-Industrial
Air Tools-Light
Industrial
Lubrication
Fastening Tools
Mechanics Hand Tools
Striking Tools
Vises (no -precision)
Clamps
Palet Trucks
Rigging Equip.
Service Jacks
Stackers
Surface Grinders
Tapping
Trolleys-Air
Trolleys-Electric
Web Slings
Winches-Electric
Body Repair Kits
Bottle Jacks
Cable Pullers
Cold Saws
Hoists-Air
Hoists-Electric
Metal forming
Mill/Drills
Milling Machines
MW Precision Vises
MW Bandsaws
MW Drill Presses
MW Finishing
Equipment
MW Lathes
Beam Clamps
Chain Hoist-
Manual
Lever Hoists
Pullers-JCH Models
Scissor Lift Tables
Screw Jacks
Trolleys-Geared
Trolleys-Plain
Winches-Manual
WW Air Filtration
WW Bandsaws
WW Buffers
WW Drill Presses
WW Dust Collectors
WW Dust Filters
WW Dust Fittings
WW Jointers
WW Lathes
WW Planers
WW Sanders
WW Shapers
WW Tablesaws
WW Benchtop
Tools
Warranty reverts to 1 Year Warranty if woodworking (WW) products listed above are used for industrial or
educational purposes.

3
Table of Contents
General Specifications ........................................................................................................................................ 4
Specifications ..................................................................................................................................................... 4
Machinery General Safety Warnings .................................................................................................................. 5
Operating Precautions ........................................................................................................................................ 5
Safety Instructions on Sawing Systems ............................................................................................................. 6
General Electrical Cautions ................................................................................................................................ 6
Introduction ...................................................................................................................................................... 7
Operating Instructions ..................................................................................................................................... 7
Controls ............................................................................................................................................................. 7
Setting Blade Speed ........................................................................................................................................... 7
Raising/Lowering the Saw Head ......................................................................................................................... 8
Controlling the Cut: Hydraulic Feed Control ....................................................................................................... 8
Evaluating Cutting Efficiency .............................................................................................................................. 8
Blade Selection .................................................................................................................................................. 8
Blade Break-in Procedures ................................................................................................................................. 9
Work Setup ...................................................................................................................................................... 9
Securing the Workpiece for Square Cuts ............................................................................................................ 9
Adjusting the Vise for Angle Cuts ....................................................................................................................... 9
Installation and Adjustment of Work Stop ......................................................................................................... 10
Starting the Saw ............................................................................................................................................... 10
Coolant Flow .................................................................................................................................................... 11
Coolant Mixture and Quantity ........................................................................................................................... 11
Adjustments .................................................................................................................................................... 11
Blade Tracking Adjustment ............................................................................................................................... 11
Factory or Field Procedure ............................................................................................................................... 11
Blade Guide Bearing Adjustment ...................................................................................................................... 12
Test Cutting to Verify Adjustment Accuracy ...................................................................................................... 13
Adjustment of the Limit Switch ......................................................................................................................... 13
Maintenance .................................................................................................................................................. 13
Cleaning ........................................................................................................................................................... 13
Lubrication ....................................................................................................................................................... 13
Changing Blades .............................................................................................................................................. 14
Changing the Drive Belt .................................................................................................................................... 14
Replacing the Drive Motor ................................................................................................................................14
Adjusting the Counterbalance Spring ................................................................................................................ 14
Replacing the Drive Wheel ............................................................................................................................... 15
Replacing Idler Wheel or Idler Bearing .............................................................................................................. 15
Adjusting the Blade Guides .............................................................................................................................. 15
Replacement of Carbide Blade Guide ............................................................................................................... 15
Replacement of Guide Bearings ....................................................................................................................... 16
Replacement of Blade Edge Bearings .............................................................................................................. 16
Replacement of the Wire Brush ........................................................................................................................ 16
Machine Setup ............................................................................................................................................... 16
Uncrating and Spotting ..................................................................................................................................... 16
Electrical .......................................................................................................................................................... 17
Wiring Diagrams .............................................................................................................................................. 17
Troubleshooting ............................................................................................................................................. 19
Troubleshooting ................................................................................................................................................ 19
Replacement Parts ........................................................................................................................................ 20
Replacement Parts .......................................................................................................................................... 20
Parts List - Base .............................................................................................................................................. 22
Parts List - Head .............................................................................................................................................. 26

4
General Specifications
Model Stock Number
J-7020 414472
J-7040 414478
The JET Models J-7020/J-7040 Horizontal Cut-Off
Bandsaws are ruggedly built, precision machines de-
signed for either wet or dry applications. The 2 HP
motor along with the worm gear reduction drive train in
Capacity 10" Round
10" x 10" Square
9" x 16" Rectangle
Speeds 100 to 350 feet per minute - variable speed
Motor Model J-7020 1.5 H.P., 1 phase, 110/220V
Model J-7040 - 2 H.P., 3 phase, 220/440V
Blade Size 1" x .035" x 135"
Blade Guides Adjustable 6 point contact combination bearing and carbide
Blade Wheels 14" diameter, cast iron
Dimensions Length: 79" / Width: 31" / Height: 41"
Shipping Weight Approximately 725 pounds
Vise Rapid acting, 3 jaw design
Coolant System Recirculating system standard with each machine complete with 1 GPM pump, 8
gallon reservoir, and coolant applied through the blade guides.
an oil bath, transmits smooth and positivepower to the
blade. This drive system coupled with the recirculating
coolant system keeps the blade running cool and true,
which results in longer blade life.
Specifications

5
- Always follow instructions in Operating Instruc-
tions and Parts Manual when changing acces-
sory tools or parts.
- Never modify the machine without consulting
JET Corporation.
You - the Stationary Power Tool User - Hold
the Key to Safety.
Read and follow these simple rules for best results
and full benefits from your machine. Used properly,
JET ’s machinery is among the best in design and
safety. However, any machine used improperly can
be rendered inefficient and unsafe. It is absolutely
mandatory that those who use our products be
properly trained in how to use them correctly. They
should read and understand the Operating Instruc-
tions and Parts Manual as well as all labels affixed to
the machine. Failure in following all of these warn-
ings can cause serious injuries.
Machinery General Safety Warnings
- Misuse of this machine can cause serious injury.
- For safety, machine must be set up, used and
serviced properly.
- Read, understand and follow instructions in the
Operating Instructions and Parts Manual which
was shipped with your machine.
When Setting up Machine:
- Always avoid using machine in damp or poorly
lighted work areas.
- Always be sure the machine support is se-
curely anchored to the floor or the work bench.
When Using Machine:
- Always wear safety glasses with side shields
(See ANSI Z87.1)
- Never wear loose clothing or jewelry.
- Never overreach - you may slip and fall.
When Servicing Machine:
- Always disconnect the machine from its electri-
cal supply while servicing.
is done.
9. Maintain all machine tools with care. Follow all
maintenance instructions for lubricating and the
changing of accessories. No attempt shall be made
to modify or have makeshift repairs done to the
machine. This not only voids the warranty but also
renders the machine unsafe.
10. Machinery must be anchored to the floor.
11. Secure work. Use clamps or a vise to hold work,
when practical. It is safer than using your hands
and it frees both hands to operate the machine.
12. Never brush away chips while the machine is in
operation.
13. Keep work area clean. Cluttered areas invite ac-
cidents.
14. Remove adjusting keys and wrenches before turn-
ing machine on.
15. Use the right tool. Don’t force a tool or attach-
ment to do a job it was not designed for.
16. Use only recommended accessories and follow
manufacturers instructions pertaining to them.
17. Keep hands in sight and clear of all moving parts
and cutting surfaces.
18. All visitors should be kept at a safe distance from
the work area. Make workshop completely safe by
using padlocks, master switches, or by removing
starter keys.
19.Know the tool you are using - its application, limi-
tations and potential hazards.
1. Always wear protective eye wear when
operating machinery. Eye wear shall be impact
resistant, protective safety glasses with side shields
which comply with ANSI Z87.1 specifications. Use
of eye wear which does not comply with ANSI
Z87.1specifications could result in severe injury
from breakage of eye protection.
2. Wear proper apparel. No loose clothing or jewelry
which can get caught in moving parts. Rubber soled
footwear is recommended for best footing.
3. Do not overreach. Failure to maintain proper work-
ing position can cause you to fall into the machine
or cause your clothing to get caught pullingyou
into the machine.
4. Keep guards in place and in proper working order.
Do not operate the machine with guards removed.
5. Avoid dangerous working environments. Do not use
stationary machine tools in wet or damp locations.
Keep work areas clean and well lit.
6. Avoid accidental starts by being sure the start
switch is OFF before plugging in the machine.
7. Never leave the machine running while unattended.
Machine shall be shut off whenever it is not in op-
eration.
8. Disconnect electrical power before servicing.
Whenever changing accessories or general main-
tenance is done on the machine, electrical power
to the machine must be disconnected before work

6
Safety Instructions on Sawing Systems
9. Always wear protective eye wear when operating,
servicing, or adjusting machinery. Eyewear shall
be impact resistant, protective safety glasses with
side shields complying with ANSI Z87.1 specifica-
tions. Use of eye wear which does not comply
with ANSI Z87.1 specifications could result in se-
vere injury from breakage of eye protection. See
Figure B.
10. Nonslip footwear and safety shoes are recom-
mended. See Figure C.
11. Wear ear protectors (plugs or muffs) during e x -
tended periods of operation. See Figure D.
12. The workpiece, or part being sawed, must be
securely clamped before the saw blade enters
the workpiece.
13. Remove cut off pieces carefully, keeping hands
away from saw blade.
14. Saw must be stopped and electrical supply dis-
connected before reaching into cutting area.
15. Avoid contact with coolant, especially guarding
your eyes.
A
General Electrical Cautions
This saw should be grounded in accordance with
the National Electrical Code and local codes and
ordinances. This work should be done by a qualified
electrician. The saw should be grounded to protect
the user from electrical shock.
1. Always wear leather gloves when handling saw
blade. The operator shall not wear gloves when
operating the machine.
2. All doors shall be closed, all panels replaced, and
other safety guards in place prior to the machine
being started or operated.
3. Be sure that the blade is not in contact with the
workpiece when the motor is started. The motor
shall be started and you should allow the saw to
come up to full speed before bringing the saw blade
into contact with the workpiece.
4. Keep hands away from the blade area. See Fig-
ure A.
5. Remove any cut off piece carefully while keeping
your hands free of the blade area.
6. Saw must be stopped and electrical supply must
be cut off before any blade replacement or adjust-
ment of blade support mechanism is done, or be-
fore any attempt is made to change the drive belts
or before any periodic service or maintenance is
performed on the saw.
7. Remove all loose items and unnecessary workpieces
from the area before starting machine.
8. Bring adjustable saw guides and guards as close
as possible to the workpiece.
Wire Sizes
Caution: For circuits which are far away from the
electrical service box, the wire size must be increased
in order to deliver ample voltage to the motor. To mini-
mize power losses and to prevent motor overheating
and burnout, the use of wire sizes for branch circuits
or electrical extension cords according to the following
table is recommended.
Conductor Length AWG (American Wire Gauge) Number
240 Volt Lines 120 Volt Lines
0 - 50 Feet No. 14 No. 14
50 - 100 Feet No. 14 No. 12
Over 100 Feet No. 12 No. 8
BCD

7
Introduction
This manual includes the operating and maintenance
instructions for the JET 10-inch by 16-inch Cut Off Band
Saw, Models J-7020/J-7040. This manual also includes
parts listings and illustrations of replaceable parts.
Operating Instructions
Controls
The operating controls for the saw are provided in a
control panel on the left side of the machine. The con-
trol panel is mounted on a pivoting tube. The pivoting
tube allows the operator to position the control panel in
a convenient location.
Figure 1: Control panel
1. A power-on light is provided on the left side of the
control panel. The power-on light indicates when
power is connected to the machine.
2. A n emergency stop button is provided on the
control panel. The emergency stop button pro-
vides a means to rapidly cut off electrical
power.
3. The saw motor pushbutton switch starts the saw
motor and the E-stop button stops the saw motor.
4. A green pushbutton switch is provided to the right
of the emergency stop pushbutton. The pushbutton
opens an electro-magnetic valve in the hydraulic
cylinder circuit. Opening the valves allows the saw
head to move downward and put the saw blade in
contact with the workpiece.
5. A red release button on the electro-magnetic
valve provides a means to lower the saw head
when power to the machine has been discon-
nected (see figure 4).
6. The rate at which the saw head moves downward
is controlled by a hydraulic feed rate control
located on the top, rear of the saw head (see
figure 3).
7. A coolant pump switch is provided on the electri-
cal equipment box on the back of the machine
(see figure 2).
Emergency
Reset
Button
Saw Head
Pushbutton
Power-on
Light
Motor
Pushbutton
Setting Blade Speed
1. The blade speed is controlled by an adjustment
mechanism on the right end of the saw. Speed
increases when the adjustment knob is turned
counterclockwise. Speed decreases when the
knob is turned clockwise.
2. A placard on the drive belt guard provides recom
mended speeds for various materials.
3. A speed indicator is provided on the barrel of the
adjustment mechanism. The indicator provides
speed indications in feet per minute and meters
per minute. (The meters per minute values are
shown in parenthesis on the indicator.)
4. The feed rates on the placard are expressed in
meters per minute. The feed rate graduations
available on the indicator may not match the
recommended feed rate. An approximate speed
may therefore be required. For example, to set a
speed rate of 25 meters per minute, the indicator
would be set about midway between 21 meters-
per-minute and the 30 meters-per-minute gradu-
ations.
WARNING: TO CHANGE SPEED, THE SAW
MOTOR MUST BE OPERATING.
5. Turn the speed adjustment knob to the desired
rate setting as determined by the material being
cut.
Coolant
Pump
Switch
Figure 2: Coolant pump switch

8
Raising/Lowering the Saw
Head
1. Lift the saw head using the handle on the far left side
of the saw head.
2. To lower the saw head, press the green pushbutton
on the right side of the control panel.
3. To adjust the feed rate, adjust the feed rate control
valve knob on the top of the saw head (see figure
3).
4. To lower the saw head with power off, pull and turn
the red knob (manual override) on the electro-mag-
netic valve (see figure 4).
Controlling the Cut:
Hydraulic Feed Control
The weight of the saw arm provides all the force
needed to move the saw blade through the workpiece.
In fact, if the full weight of the arm is allowed to make
the cut, rapid blade wear and poor cutting accuracy
will result. A hydraulic feed control is provided that
gives the operator a means to control the speed and
efficiency of cutting.
The hydraulic cylinder is attached between the saw
base and the saw head. The hydraulic cylinder resists
movement of the saw head in the downward direction.
However, the hydraulic cylinder offers no resistance
when the saw head is raised upward.
The amount of downward force can be controlled by
using the feed rate control valve. When the valve is
opened slightly, the saw head will move downward. The
further the valve is opened, the faster the saw head will
move downward.
The feed control is adjusted by the operator until the
saw is operating efficiently. This is usually determined
by observing the chip formation. (See Evaluating Blade
Efficiency for more information on cutting efficiency.)
Figure 3: Controls
Saw Head
Lift Handle
Control Box Blade Tensioning
Hand Wheel
Vise Clamping
Hand Wheel
Blade Guide
Supports
Drive Motor
Blade
Saw Head
Feed Rate
Control
Speed
Control
Saw
Head
Belt
Cover
Evaluating Cutting Efficiency
Is the blade cutting efficiently? The best way to de-
termine this is to observe the chips formed by the cut-
ting blade.
If the chip formation is powdery, then the feed rate
is much too light, or the blade is dull.
If the chips formed are curled, but colored — that
is, either blue or straw-colored from heat generated
during the cut — then the feed rate is too high.
If the chips are slightly curled and are not colored
by heat — the blade is sufficiently sharp and is cutting
at its most efficient rate.
Blade Selection
The cut-off saw is provided with a saw blade that is
adequate for a variety of cut-off jobs on a variety of
common materials. A 4/6 vari tooth bi-metal blade
(5674011) and a 6/10 vari tooth bi-metal blade
(5674021) are available from JET .
See Setting Blade Speed for the speeds recom-
mended for various materials. These selections, while
appropriate for many shop cutting needs, do not en-
compass the wide variety of blades of special configu-
ration (tooth pitch and set) and special alloys for cut-
ting unusual or exotic materials.
A coarse blade could be used for a solid steel bar
but a finer tooth blade would be used on a thin-wall
tube. In general, the blade choice is determined by
the thickness of the material; the thinner the material,
the finer the tooth pitch.
Figure 4: Lowering head with power off
Electro-
Magnetic
Valve
Red
Release
Button

9
A minimum of three teeth should be on the work
piece at all times for proper cutting. The blade and
workpiece can be damaged if the teeth are so far apart
that they straddle the workpiece.
For very high production on cutting of special mate-
rials, or to cut hard-to-cut materials such as stainless
steel, tool steel, or titanium, you can ask your industrial
distributor for more specific blade recommendations.
Also, the supplier who provides the workpiece material
should be prepared to provide you with very specific
instructions regarding the best blade (and coolant or
cutting fluid, if needed) for the material and shape sup-
plied.
Blade Break-in Procedures
New blades are very sharp and, therefore, have a
tooth geometry which is easily damaged if a careful
break-in procedure is not followed. Consult the blade
manufacturer’s literature for break-in of specific blades
on specific materials. However, the following proce-
dure will be adequate for break-in of JET -supplied blades
on lower alloy ferrous materials.
1. Clamp a round section workpiece in the vise. The
workpiece should be 2 inches or larger in diameter.
2. Set the saw on low speed. Start the cut with a very
light feed rate.
3. When the saw has completed 1/3 of the cut, in-
crease the feed rate slightly and allow the saw to
complete the cut.
4. Keep the same hydraulic cylinder setting and begin
a second cut on the same or similar workpiece.
5. When the blade has completed about 1/3 of the cut,
increase the feed rate. Watch the chip formation
until cutting is at its most efficient rate and allow the
saw to complete the cut (see Evaluating Blade Effi-
ciency). The blade is now considered ready for
regular service.
Work Setup
Securing the Workpiece for
Square Cuts
1. Raise the saw head (refer to Figure 5).
2. Slide the left vise jaw far enough to the left to allow
the workpiece to be placed in the vise.
3. Place the workpiece on the work table. If the
workpiece is long, provide support at the other end.
It may also be necessary to provide additional down-
ward clamping to hold the workpiece securely on
the work table.
4. Turn clamping hand wheel clockwise to clamp the
workpiece in position against the fixed (right) vise
jaw.
5. After completing the cut, turn the clamping hand
wheel counterclockwise and slide the left jaw away
from the workpiece.
Figure 5: Securing workpiece
Adjusting the Vise for Angle
Cuts
1. Referring to Figure 6, loosen the angle locking screw
and the pivot screw on the left vise jaw.
2. Turn the locking handle on the round, angle-setting
block counterclockwise to unlock the block. Slide
the block until the pointer on the block is aligned
with desired angle (see figure 7). Tighten the lock-
ing handle to set the angle.
3. Set the workpiece in the vise. Put the front end of
the workpiece against the corner of the right vise
jaw. Put the rear end of the workpiece against the
angle-setting block.
4. Turn clamping hand wheel clockwise until the left
vise jaw is parallel with the workpiece. Tighten the
pivot screw and angle locking screw on the left vise
jaw. Clamp the workpiece in position.
5. After completing the cut, turn the clamping hand
wheel counterclockwise and slide the left jaw away
from the workpiece.
Clamping
Hand
Wheel
Work Table
Left Vise Jaw Saw Head

10
Starting the Saw
WARNING: NEVER OPERATE THE SAW WITHOUT
BLADE COVERS IN PLACE AND SECURED.
CAUTION: MAKE SURE THE BLADE IS NOT IN CON-
TACT WITH THE WORKPIECE WHEN THE MOTOR
IS STARTED. DO NOT DROP THE SAW HEAD ON
THE WORKPIECE OR FORCE THE SAW BLADE
THROUGH THE WORKPIECE.
1. Raise the saw head. With the saw motor off, pull
the red release button on the electro-magnetic valve
and check the rate at which the saw head lowers.
2. Raise the saw head. Push in red release button.
3. Clamp the workpiece in the vise. (See figure 9 for
examples of workpieces in the vise.)
4. Be sure the blade is not in contact with the workpiece
when the motor is started.
5. Start the motor and allow the saw to come up to
speed.
6. Slowly set the saw down onto the workpiece. Adjust
cutting speed with feed rate control valve.
7. DO NOT DROP THE SAW HEAD OR FORCE THE
CUT. Let the weight of the saw head provide the
cutting force.
8. The saw will automatically shut off at the end of the
cut.
Installation and Adjustment of
Work Stop
Figure 5: Securing workpiecThe work stop is used
to set up the saw for making multiple cuts of the same
length (see figure 8). Install and adjust the work stop
as follows:
1. Insert the end of the stop rod in the hole in the front
right side of the work table.
2. Tighten the “wing” screw to secure the rod in place.
3. Install the stop post in the channel on the back of
the stop L-bracket. Install the locking lever in the
threaded hole in the stop post. Snug-up the lock-
ing lever.
4. Install the locking knob in the hole in the side of the
stop L-bracket.
5. Slide the assembled stop L-bracket onto the stop
rod. Position the stop post against the work piece
and tighten the knob in the stop L-bracket. The
stop post can be moved left or right as required to Figure 9: Placing workpieces in the vise
ff
f
f
f
Rounds
Flats/strips
Channels Angles
Squares/rectangles
I-Beams
Hexagonals Te e s
Knock off
sharp edge
here with
file
Knock off
sharp edge
here with
file
place it against the work piece.
Figure 8: Work stop
Figure 6: Adjusting vise
Figure 7: Angle setting block
Set Workpiece
Against Corner
of Right
Vise Jaw
Angle
Setting
Block
Pivot
Screw
Angle
Locking
Screw
Left
Vise
Jaw
Angle Block
Locking Handle
Angle
Pointer
Stop Rod
Knob
Stop Post
Locking Lever
"Wing" Screw
Stop L-Bracket

11
Coolant Flow
CAUTION: THE COOLANT PUMP MUST BE SUB-
MERGED BEFORE OPERATING TO PREVENT DAM-
AGE TO THE PUMP.
1. The blade guides are fitted with coolant fittings.
Coolant is provided to the fittings through intercon-
necting tubing. The coolant is dispensed directly
onto the saw blade.
2. Adjust the coolant flow valves on the top, rear of the
saw head as required to provide the desired flow.
The flow should be no more than the blade can
draw into the workpiece by blade movement.
3. The coolant flow can be stopped in two ways:
1) By using the coolant pump switch on the
electrical equipment box, or
2) By closing the coolant flow valves on the top,
rear of the saw head.
Coolant Mixture and Quantity
The general purpose coolant is a mixture of water
soluble oil and water. Mix one part of soluble oil (TRIM
SOL) to ten parts of water (one quart oil, ten quarts of
water). Eleven quarts of coolant are required for the
coolant pump to operate properly.
There are numerous coolants on the market that are
formulated for special applications. Consult your local
distributor for details in the event you have a long range
production task, or are required to cut some of the
more exotic materials.
Adjustments
The efficient operation of the cut-off saw is depen-
dent upon the condition of the saw blade. If the perfor-
mance of the saw begins to deteriorate, the first item
that you should check is the blade.
If a new blade does not restore the machine’s cut-
ting accuracy and quality, refer to the Troubleshooting
section (or the blade manufacturer’s guide) for condi-
tions to consider and adjustments that can be made to
increase the life of the blade.
To change the blade, refer to Changing Blades in
the Maintenance section. To adjust the blade tracking,
refer to the following procedures.
Blade Tracking Adjustment
Blade tracking has been tested at the factory. Ad-
justment is rarely required when the blade is used prop-
erly or if the blade is correctly welded. (See figure 10
for location of blade tracking adjustment screws.)
Figure 10: Blade tracking and tensioning
Factory or Field Procedure
1. Raise the saw head enough to allow the saw motor
to operate.
2. Loosen four knobs securing the blade cover. Lift
the cover and swing it backward.
3. Remove the blade guard mounted on the left blade
guide support.
4. Remove both blade guide bearing brackets.
NOTE: Maintain proper tension at all times using the
blade tensioning mechanism.
5. Loosen the center locking screws in all three hex
adjustment screws on the blade tensioning mecha-
nism (see figure 10).
CAUTION: WHILE PERFORMING THE FOLLOWING,
KEEP THE BLADE FROM RUBBING EXCESSIVELY
ON THE SHOULDER OF THE WHEEL. EXCESSIVE
RUBBING WILL DAMAGE THE WHEEL AND/OR THE
BLADE.
6. Start the saw. Slowly turn the single hex adjustment
screw at the rear of the tracking mechanism to tilt
the idler wheel. Do not turn either of the other two
adjustment screws. Turn the adjustment screw until
the blade is touching the shoulder of the idler wheel.
NOTE: Turning the screw inward causes the blade to
move toward the shoulder of the wheel. Turning the
screw outward causes the blade to move away from
the shoulder.
7. Turn the single hex adjustment screw so the blade
starts to move away from the shoulder of the wheel
— then turn the single hex adjustment screw in the
other direction so the blade stops, then moves slowly
toward the shoulder.
WARNING: KEEP FINGERS CLEAR OF THE BLADE
AND WHEEL TO AVOID INJURY.
8. Turn the single hex adjustment screw to stop the
motion of the blade on the wheel as it gets closer to
Blade Tracking
Hex Adjustment
Screws
Center
Locking
Screws
Single
Adjustment
Screw

12
the wheel shoulder. Put a 6-inch length of paper
between the blade and the wheel as shown in figure
11. The paper should not be cut as it passes be-
tween the wheel shoulder and the blade.
9. Turn the single hex adjustment screw a small amount.
Repeat the insertion of the paper between the wheel
shoulder and the blade until the paper is cut in two
pieces.
NOTE: You may have to repeat the check with the
paper several times before the blade and the shoulder
cuts the paper into two pieces. Do not hurry the ad-
justment. Patience and accuracy here will pay off with
better, more accurate, quieter cutting and much longer
machine and blade life.
10. When the paper is cut, turn the hex adjustment
screw slightly in the counterclockwise direction. This
assures that the blade is not touching the shoulder
of the wheel.
11. Shut off the saw.
12. Hold the hex adjustment screws with a wrench and
tighten the center locking screws. Make sure the
hex adjustment screws do not move while tightening
the center screws.
13. Install the two blade guide bearing brackets. Posi-
tion the guides so the bearings just touch the blade.
14. Install the left blade guard.
15. Close the saw head cover. Tighten all four knobs.
should rarely require adjustment. When adjustment is
required, adjust immediately. Failure to maintain proper
blade adjustment may cause serious blade damage or
inaccurate cuts.
It is always better to try a new blade when cutting
performance is poor. If performance remains poor af-
ter changing the blade, make the necessary adjust-
ments.
If a new blade does not correct the problem, check
the blade guides for proper spacing. For most effi-
cient operation and maximum accuracy, provide 0.001
inch clearance between the blade and the guide bear-
ings. The bearings will still turn freely with this clear-
ance. If the clearance is incorrect, the blade may track
off the drive wheel.
CAUTION: CHECK THE BLADE TO MAKE SURE THE
WELDED SECTION IS THE SAME THICKNESS AS
THE REST OF THE BLADE. IF THE BLADE IS
THICKER AT THE WELD, THE GUIDE BEARINGS MAY
BE DAMAGED.
If required, adjust the guide bearings as follows:
1. The inner guide bearing is mounted on a concen-
tric bushing and can not be adjusted.
2. The outer guide bearing (closest to the operator) is
mounted on an eccentric bushing and can be ad-
justed.
3. Hold the bushing with a 3/4-inch wrench and loosen
Figure 13: Blade -to-bearing orientation
Figure 12: Adjustment of guide bearings
INCORRECT CORRECT
Outer
Roller
Inner
Roller
Blade Locking
Screw
Guide Bracket
Eccentric
Bushing
Locking
Screw
Blade
Outer Roller
(Blade Guide Roller)
Figure 11: Checking blade-to-wheel clearance
using paper strips
Motor "ON"
Upper Wheel
Rotating
Put Strip
Between
Wheel
and
Blade
Blade Guide Bearing
Adjustment
Proper adjustment of the blade guide bearings is
critical to efficient operation of the cut-off saw. The
blade guide bearings are adjusted at the Factory. They

13
tion of the disk you have cut from the bar stock. Mea-
sure at the top and bottom of the disk.
The saw blade can be considered correctly adjusted
when the variation measure is no more than 0.012 inch
across the face of the disk.
If you do not have a piece of 2-inch bar stock avail-
able for a test cut, use a larger diameter test piece
rather than a smaller one. The maximum thickness
variation on any test piece should be no more than
0.003 inch, per side, per inch of stock diameter.
Adjustment of the Limit
Switch
1. The limit switch is provided to shut off the saw motor
when the workpiece is cut through.
2. To set the limit switch, loosen the jam nut on the limit
switch stop (figure15).
3. Adjust the stop as required and retighten jam nut.
Maintenance
Cleaning
1. Clean off any preservative on machine surfaces.
2. After cleaning, coat the machined surfaces of the
cut-off saw with a medium consistency machine
oil. Repeat the oil coating process at least every
six months.
3. Clean up accumulated saw cuttings after use. Make
sure the lead screw is kept free of saw cuttings and
other material that would cause damage.
4. Clean the chip sludge from the coolant tank. The
frequency should be determined by how often the
saw is used.
Lubrication
Lubricate the following components at the specified
frequencies and using the lubricants as defined:
the center locking screw with an Allen wrench (see
figure 12).
4. Position the bearing by turning the bushing. Set
the clearance at approximately 0.001 inch. (The
blade should be in a vertical position between the
bearings. (See figure 13.)
5. Tighten the center locking screw with an Allen wrench
while holding the eccentric bushing in position with
the 3/4-inch wrench.
6. Use the same procedure to adjust the other guide
bearing.
7. When the adjustment is correct, the guide bear-
ings should rotate freely with slight pressure of the
finger (with the blade stopped).
8.Adjust blade-edge bearings so they just touch
the back edge of the blade (see figure 19).
Test Cutting to Verify
Adjustment Accuracy
Test cuts can be used to determine whether or not
you have adjusted the blade accurately. Use 2-inch
round bar stock to perform these test cuts, as follows:
1. With the bar stock securely clamped in the vise,
make a cut through the bar stock. (See figure 14.)
2. Mark the top of the bar stock.
3. Move the bar stock about 1/4-inch past the blade so
you can begin a second cut.
4. Rotate the bar stock 180 degrees so the mark you
made is now at the bottom of the cut.
5. Make a cut through the bar stock.
6. Use a micrometer to measure the thickness varia-
Figure 14: Cutting a test disc
1. Clamp in vise and mark top
of barstock here 2. Cut off a slice of
the bar stock
3. Rotate stock in vise
so mark is at bottom
4. Cut off a new
slice from the
stock
5. Measure
here...
New slice
7. Differences between
measurements at edges
of disc should be less
than .003 inches per
inch per side of stock
diameter
6. ...measure
here
Jam Nut
Adjustment
Screw
Switch
Roller
Limit
Switch
Figure 15: Limit switch adjustment

14
1. Ball bearings: the bearings are lubricated and
sealed—periodic lubrication is not required.
2. Blade guide bearing: the bearings are lubricated and
sealed—lubrication is not required. Inspect periodi-
cally.
3. Idler wheel bushing: the bearings are lubricated and
sealed—lubrication is not required. Inspect periodi-
cally.
4. Lead screw bearing housing: lubricate with light oil
monthly (see exploded figure, page 21).
5. Lead screw: lubricate with light oil monthly (see ex-
ploded figure, page 21).
6. Hydraulic cylinder pivot: lubricate with light oil every
6 months (see exploded figure, page 21).
7. Blade tension screw: lubricate with grease every 6
months (see exploded figure, page 24).
8. Blade brush bearing: lubricate with light oil monthly
(see exploded figure, page 24).
9. Gear box: check oil once a year.
10. Change coolant on a frequency appropriate to the
type of coolant being used. Oil based coolants can
sour. Refer to the coolant supplier’s instructions
for change frequency.
11. Coolant tank: clean every 6 months or as required.
Changing Blades
WARNING: SHUT OFF ALL ELECTRICAL POWER
TO THE MACHINE.
1. Loosen four knobs securing the blade cover. Lift
the cover and swing it backward.
2. Remove the blade guard mounted to the left blade
guide support.
WARNING: ALWAYS WEAR LEATHER GLOVES
WHEN HANDLING SAW BLADE TO AVOID INJURY
FROM THE SAW TEETH.
3. Turn the blade tensioning hand wheel clockwise to
relieve tension on the blade. Loosen the blade
enough to remove the blade from the idler and drive
wheels. Remove the blade from between the blade
guides.
4. Install the new blade between the blade guide bear-
ings and the carbide blade guides. Install the blade
over the drive and idler wheels.
5. Turn the blade tensioning hand wheel counterclock-
wise to tighten the blade. Tighten the blade until the
blade tension indicator reads 2000 pounds.
6. Operate the saw at low speed and observe the track-
ing of the blade. If tracking needs to be adjusted,
refer to Blade Tracking Adjustment.
7.
Adjust the bearings on the upper edge of the blade
until they just contact the blade (see figure
19).
8. Check the guide bearings and the carbide guides
to make sure they are just contacting the sides of
the blade.
9. Install the left blade guard making sure there is
ample clearance with the blade.
10. Make a test cut to make sure the blade tracks prop-
erly during operation. Adjust tracking as required
(see Blade Tracking Adjustment).
Changing the Drive Belt
1. Disconnect the electrical power source from the
cut-off saw to prevent any possibility of accidental
motor start-up.
2. Set the arm at the full horizontal position.
3. Remove the knob on the drive belt cover. Remove
the drive belt cover to expose the V-belt and pul-
leys.
4. Remove two screws, nuts, and washers from back
of saw head support. Push on the motor support
bracket to pivot the motor upward to loosen the ten-
sion on the belt.
5. Remove the worn belt.
6. Put the replacement belt in the pulleys. Allow the
motor to pivot downward.
7. Install the two screws, nuts, and washers in back of
saw head support and through the motor support
bracket.
8. Install the drive belt cover. Install and tighten the
knob on the drive belt cover.
Replacing the Drive Motor
1. Disconnect the motor from all electrical power. Un-
plug the motor if it is plugged into a socket. Shut
off the power to the branch and remove the con-
nection to the junction box if the motor is hard wired
to the branch.
2. Remove the drive belt from the drive motor pulley
(see Changing the Drive Belt).
3. Remove motor pulley.
4. Open the motor junction box and disconnect the
power cord wires from their terminals.
5. Remove the nuts, washers and bolts that secure the
motor to the mounting plate.
6. Installation of a new motor is a reversal of the above
steps.
Adjusting the
Counterbalance Spring
The counterbalance spring is located at the right,
rear of the saw head. The counterbalance spring is

15
Adjusting the Blade Guides
The cut-off saw has adjustable blade guide supports
(see figure 17). The blade guide supports allow you to
set the blade guides for varying widths of workpieces.
To make accurate cuts and prolong blade life, the
blade guide supports should be set to just clear the
workpiece to be cut.
Figure 17: Blade guide supports
1. Loosen the knob on the blade guide support and
slide the guide left or right as required. Repeat for
the other blade guide.
2. Set the blade guide supports as required to accom-
modate the width/diameter of the workpiece. The
blade guides should be positioned so the guides do
not contact the workpiece as the saw head moves
downward through the workpiece.
Replacement of Carbide
Blade Guide
Refer to Figure 18.
1. Remove the cap screw and remove the carbide guide.
Discard the carbide guide.
2. Install the replacement carbide guide on the guide
bearing support. Install the cap screw. Set the guide
so it just contacts the side of the saw blade.
3. Using a machinist's square, check squareness of
the blade to the table.
used to adjust the amount of down force the saw head
puts on the workpiece when the feed rate control valve
is fully open.
1. Raise the saw arm to its full upright position and
lock it in position.
2. To adjust the tension on the spring, loosen the two
nuts on the threaded rod of the spring pivot post.
Adjust the tension as required.
3. Tighten the two nuts against the pivot post.
4. The saw can now be returned to service.
Replacing the Drive Wheel
1. Remove the blade (see Changing Blades).
2. Remove the screw, spring washer, and washer from
the speed reducer shaft.
3. Pull the wheel from the speed reducer shaft. Re-
move the drive key from the speed reducer shaft.
4. Inspection: Examine drive edge and shoulder of
the wheel for damage. Replace the wheel if dam-
aged.
5. Install the key in the keyway in the speed reducer
shaft. Align the keyway in the wheel with the key in
the speed reducer shaft. Reinstall the wheel on the
speed reducer shaft.
6. Install the screw, spring washer and washer in the
end of the speed reducer shaft.
7. Install the blade (see Changing Blades).
Replacing Idler Wheel or
Idler Bearing
1. Remove the saw blade (see Changing Blades).
2. Remove the screw, spring washer, and washer from
the idler shaft.
3. Remove the idler wheel. Remove the bearing from
the idler wheel.
4. Inspection: Examine the drive edge and shoulder
of the idler wheel for damage. Replace the wheel if
damaged.
5. Inspect bearings for damage and smooth operation,
Replace if faulty.
6. Install the bearing in the idler wheel. Install the idler
wheel on the idler shaft.
7. Install the screw, spring washer and washer in the
idler shaft.
8. Install the blade (see Changing blades).
Blade Guide
Supports
Figure 18: Carbide blade guides and guide bearings
Concentric Bushing
Eccentric
Bushing
Blade Guide Bearings
Cap Screw
(Typical)
Carbide
Guides (2)
Cap Screw
(Typical)

16
Replacement of Guide
Bearings
Referring to Firgure 18, remove the cap screw from
the bearing being replaced. Separate the bushing and
cap screw from the bearing. Discard the bearing.
NOTE: There is a light press fit between the bearing
and the bushing.
2. Install bushing in replacement bearing. Install cap
screw through bushing and into guide support.
3. If the bearing being replaced is on an eccentric bush-
ing, install the bearing on the operator side of the
blade.
4. Turn the eccentric bushing in the guide support until
the bearing contacts the blade.
Replacement of Blade Edge
Bearings
1. Remove the capscrew from the blade edge bearing
being replaced and discard the bearing. Be care-
ful not to lose the spring washer that separates the
bearing from the floating block (see figure 19).
2. Insert the capscrew into the new bearing. Replace
the spring washer onto the capscrew and re-install
into the floating block.
3. If re-adjustment is necessary, loosen the pivot
capscrew and move the floating block so that the
blade edge is close to the guide support, but cannot
touch the bottom surface of it when the sawblade is
cutting a workpiece.
Replacement of the Wire
Brush
1. Loosen four knobs securing the blade cover. Lift the
cover and swing it backward.
2. Remove the attaching screw, spring washer and
washer. Remove and discard the brush (see figure
20).
3. Install replacement brush and secure with screw,
spring washer and washer.
Machine Setup
The saw delivered to you has been adjusted at the
factory. A number of test pieces have been cut using
the saw to verify the accuracy of cutting. Therefore,
the only setup operations required before releasing
the saw for service are spotting the saw and establish-
ing the electrical connections to the motor.
Uncrating and Spotting
Spot the saw where it makes the most sense for the
operations you will probably be doing. If you are go-
ing to be doing cut-off work on very long pieces of
stock, allow plenty of room for the stock, and the infeed
and outfeed supports. Remove the saw from the ship-
ping skid and discard any hold-down devices that were
used to secure the saw to the skid.
Figure 19: Blade edge bearing replacement
Guide Support
Cap Screw
Blade Edge
Bearing
Adjustment
Cap Screw
Floating Block
Figure 20: Wire brush
Wire Brush
Screw and Washers

17
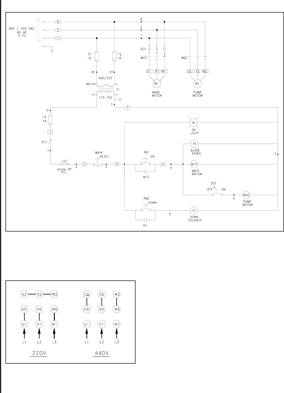
Figure 21: Model J-7020 cut-off saw wiring diagram
4. Close the blade cover and secure with four knobs.
Electrical
Observe the following when connecting to the power
source. (The cut-off saw wiring diagrams are provided
in Figures 17 and 18.)
WARNING: JET RECOMMENDS THAT ANY WIRING
INVOLVING HARD WIRING OF THE SAW TO A
BRANCH, OR ANY CHANGE OF VOLTAGE SUPPLIED
TO THE MOTOR BE PERFORMED BY A LICENSED
ELECTRICIAN.
1. Make sure the saw is disconnected from the power
source, or that the fuses have been removed or break-
ers tripped in the circuit in which the saw will be
connected. Make sure you put a warning placard
on the fuse or circuit breaker to prevent accidental
electrical shock.
2. If you are installing the motor power cord into a re-
ceptacle, make sure to use the appropriate plug.
3. If you are using hard-wired connections to a junc-
tion box, connect the wires in the box, and close
the box.
4. Install the fuses or reset the breaker.
5. The saw is now ready for service.
Figure 22: Connection diagram for 1ph motor
1
L2
115 Volt
324
L1
1
L2
220 Volt
234
L1

18
Figure 24: Model 7040 cut-off saw wiring diagram
Figure 25: Connection diagram for 3ph motor

19
Troubleshooting
Fault
Excessive blade
breakage
Premature blade
dulling
Bad cuts
(out-of-square)
Bad cuts (rough)
Probable cause
1. Material loose in vise.
2. Incorrect speed or feed.
3. Teeth too coarse for material.
4. Incorrect blade tension.
5. Saw blade is in contact with
workpiece before the saw is started.
6. Blade rubs on the wheel flange.
7. Misaligned guides.
8. Cracking at weld.
1. Blade teeth too coarse.
2. Blade speed too high.
3. Inadequate feed pressure.
4. Hard spots in workpiece or scale on/
in workpiece.
5. Work hardening of material (espe-
cially stainless steel).
6. Insufficient blade tension.
7. Operating saw without pressure on
workpiece.
1.
Workpiece not square with blade.
2. Feed pressure too fast.
3. Guide bearings not adjusted prop-
erly.
4. Inadequate blade tension.
5. Span between the two blade guides
too wide.
6. Dull blade.
7. Incorrect blade speed.
8. Blade guide assembly is loose.
9. Blade guide bearing assembly
loose.
10. Blade track too far away from
wheel flanges.
11. Guide bearing worn.
1. Blade speed too high for feed pres-
sure.
2. Blade is too coarse.
Suggested remedy
1. Clamp work securely.
2. Check Machinist’s Handbook for
speed/feed appropriate for the ma-
terial being cut.
3. Check Machinist’s Handbook for
recommended blade type.
4. Adjust blade tension to the point
where the blade just does not slip
on the wheel.
5. Start the motor before placing the
saw on the workpiece.
6. Adjust blade tracking.
7. Adjust guides.
8. Longer annealing cycle.
1. Use a finer tooth blade.
2. Try a lower blade speed.
3. Decrease spring tension.
4. Increase feed pressure (hard
spots). Reduce speed, increase
feed pressure (scale).
5. Increase feed pressure by reduc-
ing spring tension.
6. Increase tension to proper level.
7. Do not run blade at idle in/on mate-
rial.
1. Adjust vise so it is square with the
blade. (Always clamp work tightly
in vise.)
2. Decrease pressure.
3. Adjust guide bearing clearance to
0.001 inch (0.002 inch maximum).
4. Gradually increase blade tension.
5. Move blade guide bar closer to work.
6. Replace blade.
7. Check blade speed
(see Figure 3).
8. Tighten blade guide assembly.
9. Tighten blade guide bearing assem-
bly.
10. Adjust blade tracking.
11. Replace worn bearing.
1. Reduce blade speed and feed pres-
sure.
2. Replace with finer blade.

20
Blade is twisting
Unusual wear on
side/back of blade
Teeth missing/ripped
from blade
Motor running too hot
No coolant flow
Excessive speed
reducer noise/
vibration
1. Decrease feed pressure.
2. Decrease tension on blade
1. Replace blade guides.
2. Adjust blade guide bearings.
3. Tighten blade guide bearing
bracket.
1. Use blade with finer tooth pitch.
2. Increase feed pressure and/or
blade speed.
3. Clamp workpiece securely.
4a. Use blade with a coarse tooth
pitch—reduce feed pressure.
4b. Brush blade to remove chips.
1. Reduce tension on blade.
2. Reduce tension on drive belt.
3. Use blade with fine tooth pitch.
4. Use blade with coarse tooth pitch.
5. Check speed reducer.
1. Replace pump.
2. Clean screen/filter.
3. Tighten impeller.
4. Add coolant to reservoir.
1. Reset V-belt tension.
2. Increase spring tension.
1. Blade is binding in the cut.
2. Blade tension too high.
1. Blade guides worn
2. Blade guide bearings not adjusted.
3. Blade guide bearing bracket is
loose.
1. Blade tooth pitch too coarse for
workpiece.
2. Feed too slow; feed too fast.
3. Workpiece vibrating.
4. Gullets loading up with chips.
1. Blade tension too high.
2. Drive belt tension too high.
3. Blade too coarse for workpiece (es-
pecially with tubular stock).
4. Blade too fine for workpiece (espe-
cially with heavier, soft material).
5. Speed reducer gears require lubri-
cation.
1. Pump motor is burned out.
2. Screen/filter on pump is clogged.
3. Impeller is loose.
4. Coolant level too low.
1. V-belt is too tight.
2. Countering spring not tensioned
properly.
Troubleshooting (Continued)
Replacement Parts
To order parts or reach our service department, call 1-
800-274-6848 between 7:30am and 6:00pm
(CST), Monday through Friday. Having the Model Num-
ber and Serial Number of your machine available when
you call will allow us to serve you quickly and accu-
rately. Order replacement parts from:
WMH Tool Group, Inc.
427 New Sanford Road
LaVergne, Tennessee 30786
Ph: 800-274-6848
Identify the replacement part by the part number
shown in the parts listing. Be sure to include the
model number and serial number of your machine
when ordering replacement parts to assure that you
will receive the correct part.

21
Exploded View - Base

22
Parts List - Base
21-1 5519494 Set Screw (5/16"x1/2") 1
22 J-5712481 Lead Screw Bracket 1
23 5712491 Screw (5/16" x 1/4") 2
23-1 TS-0720081 Spring Washer (5/16") 2
23-2 TS-0680031 Washer (5/16") 2
24 5712511 Vise Lead Screw 1
24-1 5519710 Key (5x5x20mm) 1
24A 5514806 Collar with Pin 1
25 5712521 Lead Screw Bracket 1
26 5712531 Acme Nut 1
27 5712541 Button 1
28 5712551 Retainer 2
29 5712561 Screw (M5 x 8) 1
30 5712571 Needle Bearing (CB3020) 2
30-1 5519495 Bush (4mm) 1
30-2 5519496 Bush (2mm) 1
31 5712581 Washer (1/2") 2
32 5712591 Pivot Shaft 1
33 J-5712611 Pivot Bracket 1
34 5712621 Screw (1/2" x 3/4") 2
35 5712631 Retaining Ring (S12) 1
36 5712641 Washer (1/2") 2
37 5712651 Spring Pull Pivot 1
39 5712671 Screw (5/8" x 1") 2
40 5712681 Regulating Seat 1
40-1 TS-0051021 Hex Cap Screw 2
(5/16" x 5/8")
40-2 TS-0720081 Spring Washer (5/16") 2
40-3 TS-0680031 Washer (5/16") 2
41 5712691 Nut (3/8") 1
42 5712711 Screw (3/8"x 1") 1
43 5712721 Protractor Stop Block 1
44 5712731 Screw (M6 x 12) 4
45 5712741 Limit Switch 1
46 5712751 Limit Switch Bracket 1
ITEM PART
NO. NO. DESCRIPTION QTY
1 J-5712251 Foot, Left 1
2 J-5712261 Foot, Right 1
3 J-5712271 Coolant Reservoir 1
3-1 5519485 Stopper (PT 3/8") 1
4 Coolant Pump 1
J-5712281 115/220, 1-Phase
J-5712921A 220/440, 3-Phase
4-1 5519486 Adapter (PT 3/8") 1
5 5712291 Pan Head Screw 2
(1/4" x 5/8 “)
7A 5512101 Filter Screen w/Screw 1
8 5712331 Hose (5/16") 1
8-1 5519487 Hose Clamp 6
9 5712341 Chip Pan 1
10 J-5712351 Pump Bracket 1
11 J-5712361 Work Table 1
11-1 5519491 Label, Made in Taiwan 1
11-2 5519492 Rivet(2mm) 14
11-3 TS-1482011 Hex Cap Screw (M6x 10) 1
11-4 TS-1550041 Washer (M6) 1
11-5 TS-2361061 Spring Washer (M6) 1
12 5712371 Screw (1/4" x 7/8") 1
13 5712381 Hex Cap Screw (1/2" x 1") 4
13-1 5712391 Spring Washer (1/2") 4
14 5712641 Washer (1/2") 4
15 J-5712411 Electrical Control Box 1
15-1 5519488 Hex Cap Screw 3
(5/16" x 3/4")
15-2 TS-0720081 Spring Washer (5/16") 3
15-3 TS-0680031 Washer (5/16") 3
15-4 5519501 Label, Pump Switch 1
16 5712421 Work Stop Bracket 1
17 5712431 Work Stop Rod 1
18 5712441 Locking Screw 1
19 5712451 Screw (1/2") 1
20 J-5712461 Pump Cover 1
21 5712471 Hand Wheel Assembly 1
ITEM PART
NO. NO. DESCRIPTION QTY
* For Saw Serial No. 704018 and Earlier
** For Saw Serial No. 704018 and Later
***Spring Changed since Dec. '96

23
Parts List - Base
ITEM PART
NO. NO. DESCRIPTION QTY
46-1 TS-0051021 Hex Cap Screw 4
(5/16" x 5/8")
46-2 TS-0720081 Spring Washer (5/16") 4
46-3 TS-0680031 Washer (5/16") 4
47 5712761 Screw (3/8" x 1") 3
48 5712771 Spring Washer (3/8") 3
49 5712781 Locking Handle 1
50 5712791 Washer (1/2") 1
51 5511502* Hydraulic Cylinder 1
Assembly (2-1/2 In.)
5712811** Hydraulic Cylinder 1
Assembly (3-In.)
51-1 5519497 Cylinder Pin, Bottom 1
52 5712821 Cylinder Pin, Top 1
53 5712831 Hydraulic Mounting 1
Plate
54 5712841 Screw (3/8" x 2) 3
55 5712851 Spring Washer (3/8") 3
56 5712861 Washer (3/8") 3
57 J-5712871 Protractor Vise Block 1
58 5712881 Spring Washer (1/2") 4
59 5712891 Spring Pull Rod 1
60*** 5712911 Spring (30mm) - Old 2
5519498 Spring (32mm) - New 1
61 5712921 Angle Scale 1
62 5712931 Screw (1/2" x 1-1/2") 1
63 5712941 Washer (1/2") 2
64 J-5712951Vise Jaw, Left 1
65 5712961 Screw (1/2" x 1-1/2") 1
66 5712971 Washer (1/2") 2
67 J-5712981Vise Jaw, Right 1
68 5712991 Screw (1/2" x 1-3/4") 2
69 5713011 Pin 2
70 J-5713021Electrical Cabinet Door 1
70-1 5519499 Knob 1
70-2 5519500 Plane 1
71 Overload 1
5507542 Model J-7020 (115V, 1-ph)
5713031 Model J-7020 (220V, 1-ph)
5512660 Model J-7040 (220V, 3-ph)
5712661 Model J-7040 (440V, 3-ph)
71-1 5519502 Fuse Bracket 3
71-2 5519503 Fuse (1A) 3
71A 5508409 Relay (115/220 NO) 1
72 5713041 Magnetic Switch 1
(115/220 1-Phase)
5713001 Magnetic Switch 1
(220/440 3-Phase)
73 5713051 Transformer 1
74 5713061 Terminal Strip 1
75 5713071 Spring, Protective 1
Casing
76 5713081 Nut (3/8") 2
77 J-5713091 Protractor Seat 1
77-1 5519505 Pin (5 x 32mm) 2
78 5713111 Knob 1
182 5713121 Screw (5/16"x 1/2") 4
183 TS-0680031 Washer (5/16") 4
184 5713141 Bracket 1
184-1 TS-0720081Spring Washer (5/16") 4
185 5713151 Screw (3/8" x 1") 2
186 5713161 Washer (3/8") 2
186-1 5713481 Spring Washer (3/8") 2
186-2 5519507 Nut (3/8") 2
187 J-5713171 Spring Bracket 1
188 5713181 Screw (5/16" x 1/2") 2
189 5713191 Washer (5/16") 2
190 5713211 Locking Wheel 1
191 5713221 Screw (1/4" x 3/4") 2
192 J-5713231 Swivel Bushing 1
192-1 5519509 C-Ring 1
193 5713241 Spring Washer (1/4") 4
ITEM PART
NO. NO. DESCRIPTION QTY
Piston/Seal Kit 5512787
E-M valve & coil 5713371A
Not shown in exploded view.

24
194 5713251 Screw (1/4" x 3/8") 4
195 J-5713261 Control Column 1
196 5713271 Screw (1/4" x 3/4") 2
196-1 5519510 Nut (1/4") 2
197 J-5713281 Swivel Bushing 1
198 J-5713291 Control Box 1
199 5713311 Control Panel 1
200 5713321 Screw (3/16" x 1/4") 6
201 5713331 Electric Lamp 1
202 5713341 Start Switch 1
203 5713351 Stop Switch 1
204 5713361 Down Switch 1
205 5713371 E-M valve complete 1
215 5712301 Hex Hd Screw 2
216 5712401 Flat Washer 16
217 5712501 Hex Hd Screw 2
218 5712601 Lock Washer 8
219 5712701 Hex Nut 8
220 5712801 Shelf 1
221 5712901 Drain Shelf 1
228 Complete Electrical Panel 1
5514613 3-Phase
5514616 1-Phase
229 5516855 Coolant Pump Switch 1
ITEM PART
NO. NO. DESCRIPTION QTY

25
Exploded View - Head

26
100-3 TS-0680031 Washer (5/16") 1
100-4 TS-0720081 Spring Washer (5/16") 2
100-5 5519680 Hex Cap Screw 1
(5/16" x 1-1/4")
100-6 5519506 Hex Cap Screw 1
(5/16" x 1/2")
100-7 5519681 Bushing (9mm) 2
100-8 TS-0680031 Washer (5/16") 2
102 5713631 Washer (5/16") 2
103 5713661 Washer (1/4") 1
104 5713651 Spring Washer (1/4") 4
105 5713661 Washer (1/4") 4
106 5713671 Screw (1/4" x 3/8") 6
107 5628371 Spring Washer (1/2") 4
108 5713691 Washer (5/16") 4
109 5713711 Screw (3/8" x 1") 2
110 5713721 Screw (5/16" x 5/8") 4
111 J-5713731 Motor (1.5 HP 1
115/220 1-Phase)
5713732 Motor (2 HP 1
220/440 3-Phase)
111-1 Label, Motor 1
5519682 (1.5HP, 115/230 3-Phase)
5519683 (2HP, 220/440 3-Phase)
112 5713741 Bolt (1/2" x 3/4") 1
114 5513733 Key (7 mm) 1
115 5713761 Washer (1/2") 1
116 5713771 Washer (5/16") 2
118 5713781 Screw (M16 x 30) 3
119 5713791 Screw (1/2" x 3/4") 1
120 5713811 Washer (1/2") 1
121 9100321 Bearing (6205Z) 2
122 J-5713441 Idler Wheel 1
123 J-5713841 Blade Guard 1
123-1 5519506 Hex Cap screw 1
(5/16" x 1/2")
123-2 TS-0720081 Spring Washer (5/16") 2
123-3 5713131 Washer (5/16") 1
124 5713851 Left B
124A 5713851A Right Blade Guide Brkt. 2
124-1 5519684 Tube 2
Parts List - Head
ITEM PART
NO. NO. DESCRIPTION QTY
ITEM PART
NO. NO. DESCRIPTION QTY
79 5713381 Screw (1/4" x 3/8") 4
80 J-5713391 Blade Wheel Cover 1
80-1 5518109 Label, JET Logo 1
80-2 5519511 Label, Blade Size 1
80-3 5519512 Label, Warning 1
81 J-5713411 Wire Brush Guard 1
82 5713421 Handle 2
83 5713431 Washer (1/2") 1
84 J-5713831 Drive Wheel 1
84-1 5712641 Washer (1/2") 1
85 Blade, Bi-Metal 1
5674011 4/6 Vari Tooth
5674021 6/10 Vari Tooth
86 5713461 Hose 1
86-1 5519515 Hose Clamp 1
87 5713471 Screw (3/8" x 1-1/4") 4
88 5713481 Spring Washer (3/8") 4
89 5713491 Screw (1/2" x 1-1/4") 4
89-1 5519671 Setscrew (3/8" x 1/2") 2
90 5713511 Screw (5/16" x 1/2") 2
91 5713521 Screw (1/4" x 5/8") 4
91-1 5713661 Washer (1/4") 4
92 J-5713531 Blade Wheel Box, Right 1
92-1 5519672 Label, Tension 1
92-2 5519673 Label, ID 1
93 J-5713541 Support Bracket Seat 1
93-1 5519674 Nut (1/2") 1
93-2 5519490 Hex Cap Screw (1/2"x 2") 1
94 J-5713551 Gear Box Assembly 1
94-1 5519675 Key (7x7x40mm) 1
95 5513734 Key (7 mm) 1
96 J-5713571 Pulley Cover 1
96-1 5519676 Knob 1
96-3 5519677 Label, Speed Chart 1
97 5713581 Gear Box Pulley 1
98 5713591 Belt 1
99 5713611 Motor Pulley 1
100 J-5713621 Base Plate 1
100-1 5519678 Rod 1
100-2 5519679 Bracket 1

125A 5717138 Eccentric Shaft Assy. 2
125B 5517142 Center Shaft Assy. 2
126 5713871 Blade Guide Tung. Carb. 2
126-1 5713661 Washer (1/4") 8
126-2 5713651 Spring Washer (1/4) 4
126-3 5519508 Hex Socket Cap Screw 4
(1/4" x 1")
127 5713881 Elevating Block 2
127-1 5519508 Hex Socket Cap Screw 4
(1/4" x 1")
127-2 5713651 Spring Washer (1/4") 4
127-3 5713661 Washer (1/4") 4
128 5713891 Active Block 2
129 5713911 Screw (1/4" x 5/16") 2
130 5632831 Bearing (608ZZ) 4
131 TS-0720081 Spring Washer (5/16") 4
132 5713941 Screw (5/16" x 1-3/4") 4
133 5713951 Spring Washer (5/16") 4
134 J-5713961 Guide Support 2
134-1 5518423 Label, Blace Orientation 2
135 5713971 Angle Scale 1
136 5713981 Screw (M5 x 0.8) 4
137 J-5713991 Guide Support Mount 1
138 J-5714011 Guide Support Bracket 1
(left)
138-1 5519685 Rubber Clamp 4
138-2 5519686 Pan Head screw (M5 x 8) 4
139 5714021 Screw (1/2" x 1") 4
139-1 5713761 Washer (1/2") 4
140 5714031 Knob 2
141 5714041 Washer (3/8") 2
142 5714051 Locking Block 2
143 5714061 Screw (5/16" x 1/2") 4
144 J-5714071 Guide Support Bracket 1
(Right)
145 5714161 Bolt (1/4" x 1/2") 1
146 5713661 Spring Washer (1/4") 1
147 5714111 Wire Brush 1
147-1 5519687 Shaft 1
148 5714121 Steel Brush Seat 1
149 TS-0720081 Spring Washer (5/16") 2
150 5714141 Hose Clamp 2
151 5713651 Spring Washer (1/4") 4
152 5714161 Screw (1/4"x 1/2") 4
153 5628371 Spring Washer (1/2") 4
154 5714181 Gib 2
155 5714191 Screw (1/2" x 3/4") 1
156 5714211 Screw (M8 x 20) 4
156-1 5519688 Spring Washer (MB) 4
158 5714221 Knob 4
159 5714231 Flexible Nozzle 1
159-1 5519689 Flow Valve 2
160 5714241 Blade Wheel Shaft 1
161 5714251 Threaded Nut 1
161-1 5519690 Pan Head Screw 2
(M6x12)
161-2 5519691 Tension Scale 1
162 5714261 Screw (5/16" x 1/2") 1
163 J-5714271 Slide Bracket 1
163-1 5519692 Nut 1
163-2 5519693 Set Screw 1
164 5714281 Washer 1
165 5714291 Relief Valve 1
166 5714311 Connection Head 1
166-1 5519694 Rubber Clamp 1
166-2 5519695 Pan Head screw (M5x8) 1
167 5507790 Bearing (51104NJK) 1
172 5714331 Bow Handle 1
173 5711091 Nut (1/2") 2
174 5714351 Washer 1
175 5714361 Special Spring Washer 13
176 5714371 Hand Wheel 1
177 J-5714381 Slide Bracket 1
178 5714391 Tension Shaft 1
179 5714411 Key (5 mm) 1
180 5714421 Screw (3/8" x 2-1/2") 3
180-1 5713481 Spring Washer (3/8") 3
210 J-5714431 Oil Pressure Seat 1
210-1 TS-0680031 Washer (5/16") 2
210-2 TS-0720081 Spring Washer (5/16") 2
210-3 5519489 Hex Cap Screw 2
(5/16" x 5/8")
211 J-5714441 Cover Cap 1
212 5714451 Screw (5/16" x 5/8") 2
213 5714461 Control Panel 1
214 5714471 Screw (1/4" x 3/8") 2
216 5516850 Washer 6
222 5516849 Screw 4
222-1 TS-0720081 Spring Washer (5/16") 4
ITEM PART
NO. NO. DESCRIPTION QTY
ITEM PART
NO. NO. DESCRIPTION QTY
27

230 5713941 Screw (5/16 x 1-3/4) 4
231 5712881 Spring Washer (1/2") 4
232 5517141 Eccentric Shaft Bushing 2
233 5517140 Center Shaft Bushing 2
234 5713861 Ball Bearing (6201ZZ) 8
235 5713761 Washer (1/2") 4
236 5519696 Arm Stop 1
236-1 5711091 Nut (1/2") 1
ITEM PART
NO. NO. DESCRIPTION QTY
28

29

30

31

32
WMH Tool Group, Inc.
427 New Sanford Road
LaVergne, Tennessee 30786
Ph: 800-274-6848
www.wmhtoolgroup.com