Jet Tools Jj 8Cs Users Manual
JJ-8CS M-708458
JJ-8CS to the manual 24a2b288-b14f-a534-0da8-14596e3099ca
2015-02-02
: Jet-Tools Jet-Tools-Jj-8Cs-Users-Manual-433994 jet-tools-jj-8cs-users-manual-433994 jet-tools pdf
Open the PDF directly: View PDF
.
Page Count: 28

OWNER’S MANUAL
JJ-8CS Woodworking Jointer
JET EQUIPMENT & TOOLS, INC. P.O. BOX 1349 Phone:253-351-6000
A WMH Company Auburn, WA 98071-1349 Fax: 1-800-274-6840
www.jettools.com e-mail jet@jettools.com M-708458 06/01

2
Warranty & Service
The JET Group warrants every product it sells. If one of our tools needs service or repair, one of our Authorized
Repair Stations located throughout the United States can give you quick service.
In most cases, any one of these JET Group Repair Stations can authorize warranty repair, assist you in
obtaining parts, or perform routine maintenance and major repair on your JET, Performax or Powermatic tools.
For the name of an Authorized Repair Station in your area, please call 1-800-274-6848.
More Information
Remember, the JET Group is consistently adding new products to the line. For complete, up-to-date product
information, check with your local JET Group distributor.
JET Group Warranty
The JET Group (including Performax and Powermatic brands) makes every effort to assure that its products
meet high quality and durability standards and warrants to the original retail consumer/purchaser of our
products that each product be free from defects in materials and workmanship as follow: 1 YEAR LIMITED
WARRANTY ON ALL PRODUCTS UNLESS SPECIFIED OTHERWISE. This Warranty does not apply to
defects due directly or indirectly to misuse, abuse, negligence or accidents, normal wear-and-tear, repair or
alterations outside our facilities, or to a lack of maintenance.
THE JET GROUP LIMITS ALL IMPLIED WARRANTIES TO THE PERIOD SPECIFIED ABOVE, FROM THE
DATE THE PRODUCT WAS PURCHASED AT RETAIL. EXCEPT AS STATED HEREIN, ANY IMPLIED WAR-
RANTIES OR MERCHANTIBILITY AND FITNESS ARE EXCLUDED. SOME STATES DO NOT
ALLOW LIMITATIONS ON HOW LONG THE IMPLIED WARRANTY LASTS, SO THE ABOVE LIMITATION
MAY NOT APPLY TO YOU. THE JET GROUP SHALL IN NO EVENT BE LIABLE FOR DEATH, INJURIES TO
PERSONS OR PROPERTY, OR FOR INCIDENTAL, CONTINGENT, SPECIAL, OR CONSEQUENTIAL DAM-
AGES ARISING FROM THE USE OF OUR PRODUCTS. SOME STATES DO NOT ALLOW THE EXCLUSION
OR LIMITATION OF INCIDENTAL OR CONSEQUENTIAL DAMAGES, SO THE ABOVE LIMITATION OR
EXCLUSION MAY NOT APPLY TO YOU.
To take advantage of this warranty, the product or part must be returned for examination, postage prepaid, to
an Authorized Repair Station designated by our office. Proof of purchase date and an explanation of the
complaint must accompany the merchandise. If our inspection discloses a defect, we will either repair or
replace the product, or refund the purchase price if we cannot readily and quickly provide a repair or replace-
ment, if you are willing to accept a refund. We will return repaired product or replacement at JET’s expense,
but if it is determined there is no defect, or that the defect resulted from causes not within the scope of JET’s
warranty, then the user must bear the cost of storing and returning the product. This warranty gives you
specific legal rights; you may also have other rights which vary from state to state.
The JET Group sells through distributors only. Members of the JET Group reserve the right to effect at any
time, without prior notice, those alterations to parts, fittings, and accessory equipment which they may deem
necessary for any reason whatsoever.
This manual has been prepared for the owner and operators of a JET JJ-8CS. Its purpose, aside
from machine operation, is to promote safety through the use of accepted correct operating and
maintenance procedures. Completely read the safety and maintenance instructions before operat-
ing or servicing the machine. To obtain maximum life and efficiency from your jointer, and to aid in
using the machine safely, read this manual thoroughly and follow all instructions carefully.

3
WARNING
Wear eye protection.
Always keep cutterhead and drive guards in place and in proper operating condition. Do not
remove guard for rabbeting operations.
Never make a jointing, planing, or rabbeting cut deeper than 1/8”.
Always use hold-down/push blocks for jointing material narrower than 3”, or planing material
thinner than 3”.
Never perform jointing, planing, or rabbeting cuts (with jointers provided with a rabbeting guard) on
pieces shorter than 8” (203mm) in length.
•Keep guards in place and in working order.
•Remove adjusting keys and wrenches. Form a habit of checking to see that keys and adjusting
wrenches are removed from the machine before turning it on.
•Keep the work area clean. Cluttered areas and benches invite accidents.
•Don’t use in a dangerous environment. Don’t use power tools in damp or wet locations, or expose them
to rain. Keep work area well lighted.
•Keep children away. All visitors should be kept a safe distance from the work area.
•Make the workshop kidproof with padlocks, master switches, or by removing starter keys.
•Don’t force the machine. It will do the job better and safer at the rate for which it was designed.
•Use the right tool. Don’t force a machine or attachment to do a job for which it was not designed.
•Use the proper extension cord. Make sure your extension cord is in good condition. When using an
extension cord, be sure to use one heavy enough to carry the current your machine will draw. An
undersized cord will cause a drop in the line voltage resulting in power loss and overheating. The
following table shows the correct size to use depending on the cord length and nameplate ampere
rating. If in doubt, use the next heavier gauge. Remember, the smaller the gauge number, the heavier
the cord.
Volts Total Length of Cord in Feet
120V 25 50 100 150
240V 50 100 200 300
AWG
14 12 Not Recommended
•Wear proper apparel. Do not wear loose clothing, gloves, neckties, rings, bracelets, or other jewelry
which may get caught in moving parts. Nonslip footwear is recommended. Wear protective hair cover-
ing to contain long hair.
•Always use safety glasses. Also use a face or dust mask if the cutting operation is dusty. Everyday
eyeglasses only have impact resistant lenses; they are not safety glasses.
•Secure work. Use clamps or a vise to hold the work when practical. It’s safer than using your hands
and it frees both hands to operate the tool.
4
•Don’t overreach. Keep proper footing and balance at all times.
•Maintain tools with care. Keep tools sharp and clean for best and safest performance. Follow instruc-
tions for lubricating and changing accessories.
•Always disconnect the machine from the power source before servicing.
•Reduce the risk of unintentional starting. Make sure the switch is in the off position before plugging in.
•Use recommended accessories. Consult the operator’s manual for recommended accessories. The
use of improper accessories may cause risk of injury to persons.
•Never stand on a machine. Serious injury could occur if the machine is tipped or if the blade is uninten-
tionally contacted.
•Check damaged parts. Before further use of the machine, a guard or other part that is damaged should be
carefully checked to determine that it will operate properly and perform its intended function - check for
alignment of moving parts, binding of moving parts, breakage of parts, mounting, and any other conditions
that may affect its operation. A guard or other part that is damaged should be properly repaired or re-
placed.
•Direction of feed. Feed work into the blade against the direction of rotation of the blade only.
•Never leave the machine running unattended. Turn power off. Don’t leave the machine until it comes to
a complete stop.
•Some dust created by power sanding, sawing, grinding, drilling and other construction activities contains
chemicals known to cause cancer, birth defects or other reproductive harm. Some examples of these
chemicals are:
* Lead from lead-based paint.
* Crystalline silica from bricks and cement and other masonry products.
* Arsenic and chromium from chemically-treated lumber.
Your risk from these exposures varies, depending on how often you do this type of work. To reduce your
exposure to these chemicals, work in a well-ventilated area, and work with approved safety equipment,
such as those dust masks that are specifically designed to filter out microscopic particles.
5
Table of Contents
Warranty .........................................................................................................................................................2
Warnings .................................................................................................................................................... 3-4
Table of Contents ...........................................................................................................................................5
Introduction.....................................................................................................................................................5
Levers and Controls .......................................................................................................................................6
Specifications .................................................................................................................................................6
Contents of Shipping Cartons .........................................................................................................................7
Tools Required for Assembly ..........................................................................................................................7
Unpacking and Cleanup .................................................................................................................................7
Installing Bed to Stand ....................................................................................................................................8
Installing Handwheels .....................................................................................................................................8
Assembling Knife-Setting Gauge ....................................................................................................................9
90o Fence Adjustment .....................................................................................................................................9
45o Fence Adjustment ................................................................................................................................... 10
Leveling Outfeed Table with Cutterhead Knives .............................................................................................. 10
Installing V-Belts ........................................................................................................................................... 12
Installing Cutterhead Guard ........................................................................................................................... 12
Installing Access Cover ................................................................................................................................. 13
Installing Dust Chute ..................................................................................................................................... 13
Electrical Connections .................................................................................................................................. 13
Operation ...................................................................................................................................................... 14
Jointing Warped Material ............................................................................................................................... 15
Direction of Grain .......................................................................................................................................... 15
Bevel Cut ...................................................................................................................................................... 15
Taper Cut ...................................................................................................................................................... 16
Rabbet Cut .................................................................................................................................................... 16
Removing and Replacing Knives .................................................................................................................... 16
Gib Adjustment ............................................................................................................................................. 17
Lubrication .................................................................................................................................................... 17
Blade Care .................................................................................................................................................... 17
Sharpening the Knives................................................................................................................................... 18
Cutterhead Removal ......................................................................................................................................18
Troubleshooting ............................................................................................................................................. 19
Fence Assembly Breakdown & Parts List ................................................................................................ 20-21
Bed Assembly Breakdown & Parts List .................................................................................................... 22-23
Stand and Motor Assembly Breakdown & Parts List................................................................................. 24-25
Cutterhead Assembly ............................................................................................................................... 26-27
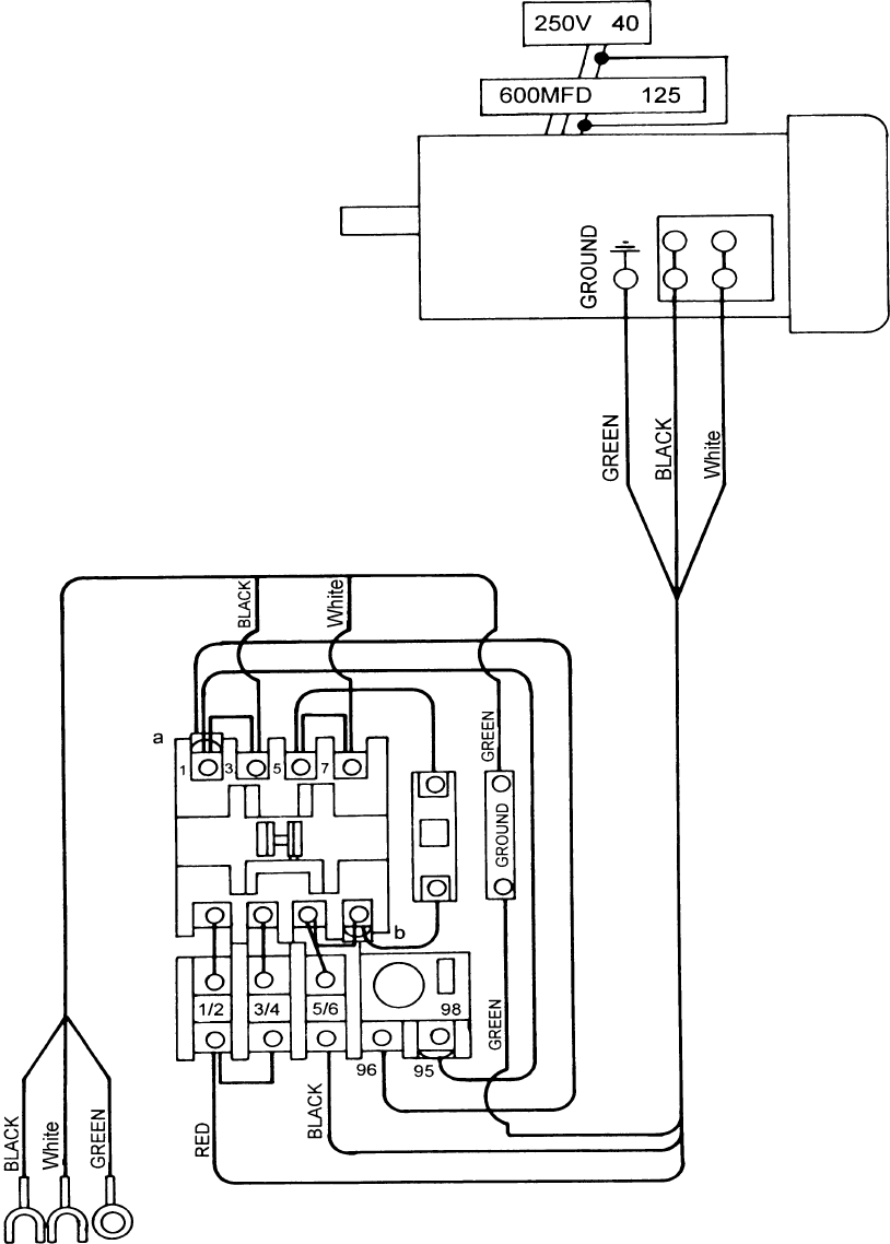
Wiring Diagram ............................................................................................................................................. 28
Introduction
The JET JJ-8CS woodworking jointer you have purchased is a high quality machine tool that will give you
years of superior service. You will get maximum performance and enjoyment from your new jointer if you will
take a few moments now to review the entire manual before beginning assembly and operation. Become
familiar with the details of operation and be sure to review the controls page to start to become familiar with
some of the unique words associated with a jointer.
The JET JJ-8CS jointer, as well as all JET products, are backed by a nationwide network of authorized
distributors and/or service centers. Please contact your nearest distributor should you require parts or
service. Parts are also available directly from JET by calling 1-800-274-6848.
Now that you have purchased a jointer, it is a good time to consider a dust collection system. See your local
JET distributor for the complete line of dust collectors and the full line of JET Dust Collector Hoses and
Accessories. Customize your installation and obtain maximum performance with JET’s dust hoods, hoses,
clamps, fittings, and blast gates.

6
Levers and Controls
1. Handwheel for Outfeed Table 8. On/Off Switch
2. Outfeed Table 9. Rabbeting Ledge
3. Fence 10. Table Lock Knob
4. Fence Adjustment Handle 11. Fence Tilt Lock Handle
5. Cutter Guard 12. Fence Control Handle
6. Infeed Table 13. Belt Guard
7. Handwheel for Infeed Table 14. Dust Chute
Specifications: JJ-8CS
Stock Number ..................................................................................................................... 708458K
Cutting Capacity ..........................................................................................................8” W x 1/2” D
Cutterhead Speed ............................................................................................................ 5,500 RPM
Number of Knives ............................................................................................................................3
Rabbeting Capacity .....................................................................................................................1/2”
Table Surface .......................................................................................................... 9” W x 66-1/2” L
Fence ..................................................................................................................... 4” W x 38-1/2” L
Blade Size ............................................................................................................. 8” x 11/16” x 1/8”
Fence Tilts Right and Left ............................................................................................................45o
Positive Stops .......................................................................................................................45o, 90o
Motor ............................................................................................................ 2 HP, 1 Ph, 230V Only
Net Weight (approx.) ............................................................................................................ 398 lbs.
Shipping Weight (approx.) .................................................................................................... 470 lbs.
The specifications in this manual are given as general information and are not binding. JET Equipment and
Tools reserves the right to effect, at any time and without prior notice, changes or alterations to parts, fittings,
and accessory equipment deemed necessary for any reason whatsoever.

7
Contents of Shipping Cartons
Note: unit shipped in two cartons.
Stand Carton
1. Stand with Motor
1. Stand Door
1. Dust Chute w/ Mounting Hardware
Main Unit Carton
1. Bed Assembly w/ Fence
1. Cutter Guard
3. Mounting Bolts
3. 3/8" Lock Washers
1. Belt Guard
3. Hex Wrenches (3, 4 & 5mm)
2. Handwheels
2. Handles
2. V-Belts
1. Can of Touch-Up Paint
1. 8/10mm Open End Wrench
1. 12/14mm Open End Wrench
1. Owner’s Manual
1. Knife Gauge Assembly
1. Warranty Card
Tools Required for Assembly
#1 Cross Point Screw Driver
6-8" Adjustable Wrench or 17 and 19mm Wrench
Unpacking and Cleanup
1. Carefully remove all contents from both shipping
cartons. Compare contents of the shipping car-
tons with the list of contents above. Place parts
on a protected surface.
2. Report any shipping damage to your local dis-
tributor.
3. Clean all rust protected surfaces (bed, fence, etc.)
with kerosene or diesel oil. Do not use gasoline,
paint thinner, mineral spirits, etc. These may
damage painted surfaces.
CAUTION
Cutterhead blades are extremely sharp!
Use care when cleaning!
4. Apply a thin layer of paste wax to the bright sur-
faces of the fence and tables to prevent rust.
5. Set packing material and shipping cartons to the
side. Do not discard until machine has been set
up and is running properly.

8
Installing Bed to Stand
1. Use an assistant or hoist mechanism to place
bed assembly on top of stand. Be sure identi-
fication label on the bed faces the same direc-
tion as the label on the stand (Fig. 1).
2. Line up two holes in top of stand with holes in
bed assembly by viewing through access door
in stand.
3. Attach bed assembly to stand with two 3/8"
lock bolts and lock washers (Fig. 2). Hand
tighten only at this time.
4. Line up third hole in stand with hole in bed as-
sembly by viewing through dust chute.
5. Install third 3/8" lock bolt and lock washer
through dust chute to secure bed to stand.
6. Tighten all three mounting bolts with 14mm
wrench.
Installing Handwheels
1. Remove protective tape from shaft, and remove
screw and washer.
2. Press handwheel (A, Fig. 3) onto shaft, align-
ing the key way with the key. If necessary, use
a hammer with a block of wood to tap the
handwheel completely onto the shaft.
3. Re-install screw and washer (B, Fig. 3).
4. Mount handle (C, Fig. 3) onto handwheel.
Fig. 1
Fig. 2
Fig. 3

9
Assembling Knife-Setting Gauge
1. Place the two bases (A, Fig. 4) onto each end
of the bar (B, Fig. 4). Snap the four E-rings (C,
Fig. 4) into the grooves on the bar as shown.
90° Fence Adjustment
Note: whenever making an adjustment to the fence,
lift the fence up slightly after releasing the lock
handle to avoid scratching the table.
1. Set infeed table to the same height as the
outfeed table.
2. Move the fence by releasing lock handle (A,
Fig. 5) and pushing the fence assembly until it
overlaps the tables.
3. Adjust the fence to a 90° angle by releasing
lock handle (B, Fig. 5), pulling up on handle (C,
Fig. 5), and re-tightening lock handle (B, Fig.
5).
4. Place a combination square on the infeed table.
(Fig. 6)
5. If fence is not square to table, release lock
handle (B, Fig. 5), loosen nut (D, Fig. 5), and
turn bolt (E, Fig. 5) until fence is square to table.
6. Tighten nut (D, Fig. 5) to retain the setting.
Tighten lock handle (B, Fig. 5).
Fig. 4
Fig. 5
Fig. 6

10
45° Fence Adjustment
Note: Whenever making an adjustment to the fence,
lift the fence up slightly after releasing the lock
handle to avoid scratching the table.
1. Loosen lock handle (A, Fig. 7). Move the stop
plate (B, Fig. 7) out of the way and position the
fence at the 45° angle. Make sure the fence
sits against the stop bolt (C, Fig. 7).
2. Place a combination square (D, Fig. 7) on the
fence and table to confirm a 45° setting.
3. To adjust, loosen lock nut (E, Fig. 7), turn bolt
(C, Fig. 7) until a 45° angle is obtained, and
tighten lock nut (E, Fig. 7). Tighten lock handle
(A, Fig. 7).
Leveling Outfeed Table with Cutterhead
Knives
WARNING
Machine should be disconnected from
power source at this time!
Cutterhead blades are extremely sharp!
Use caution when hands are near the
cutterhead!
Failure to comply may cause serious injury!
For most jointing operations, the surface of the
outfeed table must be level with the knife tips of the
cutterhead at their highest point of revolution. The
knife tips must project equally from the cutterhead.
The outfeed table and cutterhead are adjusted at
the factory and should not require adjustment.
1. Carefully number each blade with a magic
marker to make them easier to differentiate.
2. Rotate the cutterhead by turning the cutterhead
pulley and determine the 12 o’clock position of
knife number one. The 12 o’clock position is
the highest point a blade will reach in the cut-
ting arc.
3. Loosen table lock screw (A, Fig. 8) and raise
the outfeed table to the height of blade number
one by turning handwheel (B, Fig. 8). Counter-
clockwise will cause the outfeed table to raise.
Clockwise will cause the outfeed table to lower.
Set a straight edge (C, Fig. 8) on the outfeed
table and across the cutterhead.
Fig. 7
Fig. 8
Fig. 9
4. Position of the table and straight edge should look
like figure 9. Use care when handling the straight
edge near the blades so as not to damage them.

11
5. When the outfeed table and blade number one
are the same height, tighten table lock screw.
6. The knives must be parallel with the outfeed
table. Bring the straight edge forward to the
front of the outfeed table and confirm that blade
number one is at the same height at the front of
the table as it is at the back of the table.
7. If blade is higher or lower at one point, slightly
loosen five screws (A, Fig. 10) by turning clock-
wise as viewed from the infeed table.
8. Place the knife setting gauge (B, Fig. 10) on
the cutterhead over the blade. Continue loos-
ening the five screws until the springs push the
knife up into contact with the gauge. Alternately
tighten the five screws to hold each blade in
place.
9. Repeat this process with blades two and three.
The outfeed table and cutterhead knives
are correctly adjusted when all three
blades are parallel to the outfeed table and
all three blades are set at the same height
in the cutterhead.
After the outfeed table has been set at the correct
height, do not change it except for special opera-
tions or after replacing the knives.
If the outfeed table is set too high, a curved finished
surface results. (Fig. 11)
If the outfeed table is set too low, gouging results at
the end of the cut. (Fig. 12)
Figure 13 illustrates the outfeed table at the correct
height.
Fig. 10
Fig. 11
Fig. 12
Fig. 13

12
Installing V-Belts
1. Disconnect the machine from the power
source, unplug.
2. Remove the lock knob (A, Fig. 14) and belt guard
(B, Fig. 14).
3. Place v-belts onto cutterhead pulley grooves and
through opening in stand.
4. Pull v-belts down and place onto motor pulley
(Fig. 15). If necessary, loosen the mounting
screws (A, Fig. 15) and slightly lift motor. Re-
tighten the screws when belt is placed.
5. Check to make sure that motor pulley and
cutterhead pulley are vertically aligned and the
v-belt does not contact the sides of the opening
in the base. If the pulleys are not aligned, loosen
the screws (A, Fig. 15) on the motor base and
slide the motor until the belt is aligned. Re-
tighten screws.
6. The v-belt is properly tensioned when finger pres-
sure on the belt half way between the two pul-
leys causes 1/2" deflection. If the belt is too
loose, loosen the lower screws (B, Fig. 15) on
the mounting plate and push down on the plate.
When belt tension is correct, re-tighten screws.
7. After two hours of operation, check belt tension
again. Re-tension if necessary.
8. Re-install belt guard and lock knob.
Installing Cutterhead Guard
1. Orient guard (Fig. 16) in proper position and
insert post into hole in table. Tighten lock
screw (A, Fig. 16).
Fig. 14
Fig. 15
Fig. 16

13
Installing Access Cover
1. Install access cover by placing bottom of panel
into access in stand and fastening by turning
latch (Fig. 17).
If the access door latch needs adjustment:
1. Remove the access door from the stand.
2. Loosen the hex lock nut (A, Fig. 17). Rotate
the latch a quarter turn clockwise to tighten and
counterclockwise to loosen.
3. Tighten the lock nut (A, Fig. 17).
4. Re-install the access door.
Installing Dust Chute
1. Attach the dust chute (Fig. 18) to the stand
with four screws and four flat washers, through
the pre-tapped holes in the stand.
Electrical Connections
WARNING
All electrical connections must be done by
a qualified electrician! Failure to comply
may result in serious injury!
Remove the cover of the electrical box (A, Fig. 19)
and mount the box to the right side of the stand
using the two screws provided. Insert the motor
leads through the hole in the stand as shown, and
insert a grommet (B, Fig. 19).
Consult the wiring diagram on page 28 when wiring.
The JJ-8CS jointer is rated at 230V, single phase
only. Confirm that the power at the source is com-
patible with the jointer before inserting plug into the
outlet. The jointer is designed to be used with a
plug and outlet as in Fig. 20.
Important: Make certain the receptacle in ques-
tion is properly grounded. If you are not sure,
have a registered electrician check the recep-
tacle.
Fig. 17
Fig. 18
Fig. 19
Fig. 20

14
Operation
WARNING
Keep all guards in place and in adjustment
at all times during the cutting procedure!
Keep hands away from the cutterhead! Do
not pass hands directly over the cutterhead!
The use of push sticks and/or handle pads
are highly recommended when using the
jointer!
Failure to comply may cause serious injury!
Jointing cuts or edge jointing are made to square
an edge of a workpiece. The workpiece is posi-
tioned on the jointer with the narrow edge of the
workpiece on the infeed table and the major flat
surface of the workpiece against the fence (Fig. 21).
Planing cuts are similar. The major surface of the
workpiece is placed on the table with the narrow
edge of the workpiece against the fence (Fig. 22).
For jointing and planing cuts pressure is directed
three ways; into the fence to ensure a square cut,
forward to advance the stock, and downward to avoid
chatter and vibration.
For jointing when the material is higher than the
fence, the left hand applies pressure into the fence
and down toward the table while the right hand
pushes forward from behind. Be sure to keep the
right hand high up on the material. (Fig. 21)
For jointing material that is lower than the fence,
use push sticks to protect the hands. For planing,
use handle pads. (Fig. 22) Never place the right
hand on the trailing edge of the material. Hand
placement on the trailing edge of the material
may cause the hand to come into contact with
the blade.
Feed work from right to left at a steady, moderate
speed. If you feed the material too slowly, the wood
will burn in places. If you feed the material too
quickly, ridges will appear in the finished surface.
Fig. 22
Fig. 21

15
Jointing Warped Material
If the work to be jointed is cupped or warped, take
light, repetitive cuts until the surface is flat. Forc-
ing the material flat against the table will still leave
a warped piece after the cuts have been made.
WARNING
Never joint any material shorter than eight
inches!
The material may tip into the jointer’s throat
and be kicked back!
Avoid jointing thin material which could
become jammed under the fence or blade
guard!
Failure to comply may cause serious injury!
Direction of Grain
Feed the material with of the grain to avoid tearout
(Fig. 23). If the direction of the grain changes some-
where in the board, try reducing depth of cut and
slow the feed speed down to avoid tearout. If re-
sults still aren’t satisfactory, turn the material around
and try feeding through the other way.
Bevel Cut
To cut a bevel, lock the fence at the desired angle
and run the material through, pressing the work
firmly against the fence and tables (Fig. 24). Sev-
eral passes may be necessary for the desired re-
sult.
Taper Cut
WARNING
Taper cuts require the removal of the
cutterhead guard. Use extreme caution
when making taper cuts and replace the
guard immediately after completion!
Failure to comply may cause serious injury!
One of the most useful jointer operations is cutting
an edge to a taper. This method can be used on a
wide variety of work; tapered legs of furniture is a
common example.
Instead of laying the piece down on the infeed table,
lower the forward end of the work onto the outfeed
table. Use caution, however, as the piece will span
Fig. 23
the knives, and they will take a “bite” from the work
with a tendency to kick back unless the piece is
held firmly. Push the work forward as in ordinary
jointing. The effect is to plane off all the stock in
front of the knives to an increasing depth, leaving a
tapered surface.
The ridge left by the knives when starting the taper
may be removed by taking a very light cut in the
regular jointing procedure, with the infeed table
raised to its normal position.
Practice is required in this operation. Beginners
are advised to make trial cuts with scrap material.
Fig. 24

16
Rabbet Cut
WARNING
Rabbeting requires the removal of the
cutterhead guard. Use extreme caution
when making rabbeting cuts and replace
the guard immediately after completion!
Failure to comply may cause serious injury!
1. Adjust the fence so that the distance between
the end of the knives and fence is equal to the
width of the rabbet (Fig. 25).
2. Lower the infeed table an amount equal to the
depth of the rabbet. If the rabbet is quite deep,
it may be necessary to cut in two or more
passes.
In that event, the table is lowered an amount
equal to about half the depth of the rabbet for
the first pass, then lowered again to proper depth
to complete the cut.
Removing and Replacing Knives
WARNING
Disconnect the machine from the power
source before making any adjustment or
repair!
All knife lock bolts must be firmly tightened
or risk ejection of the knife(s) and lock bar
from the cutterhead!
Failure to comply may cause serious injury!
1. Disconnect machine from the power source.
2. Remove blade guard by loosening lock screw
(A, Fig. 26) and lifting up on blade guard. Cau-
tion: blades are sharp! Use great care when
hands are around blade area!
3. Loosen the five lock screws (Fig. 27). Note:
Loosen screws by turning in a clockwise direc-
tion as viewed from the infeed table. Carefully
remove the knife (A, Fig. 28), and the lock bar
with screws (B, Fig. 28). Repeat for the other
two blades.
4. Before assembly, clean all parts thoroughly and
clear cutterhead knife slots of any dust or de-
bris.
5. Insert knife into the cutterhead channel making
sure it faces the proper direction.
Fig. 25
Fig. 26
Fig. 27
Fig. 28

17
6. Insert lock bar and screws and tighten to hold
in place. Blades are set at the proper height
when the top of the blade is 1/16" above the
cutterhead.
7. Repeat for other two blades.
8. To set the knives to the outfeed table and to the
same height in the cutterhead, see section titled
“Leveling Outfeed Table to Cutterhead Knives”
found on page 10 of this manual.
Gib Adjustment
After a period of use, the gibs may become loose
and need adjusting:
1. Loosen three lock nuts (A, Fig. 29) and gib lock
screw (B, Fig. 29)
2. Tighten each set screw 1/4 turn starting at the
bottom and working up. If a 1/4 turn does not
remove all play, take another 1/4 turn. Repeat
a 1/4 turn at a time for all three set screws until
play is removed.
3. Tighten lock screw (B, Fig. 29) and lock nuts
(A, Fig. 29).
Lubrication
1. Use a good grade of light grease on the steel
adjusting screws located in the raising and low-
ering mechanisms of the work tables.
2. Occasionally, apply a few drops of light ma-
chine oil to the gibs. This permits the tables to
slide freely.
3. The cutterhead ball bearings are lifetime lubri-
cated and need no further care.
Blade Care
WARNING
Blades are extremely sharp! Use caution
when cleaning or changing. Failure to
comply may cause serious injury!
When gum and pitch collect on the blades, care-
fully remove with a strong solvent. Failure to re-
move gum and pitch build-up may result in exces-
sive friction and overheating.
Fig. 29
When blades become dull, touch up blades. See
“Sharpening the Knives” on page 18.

18
Sharpening the Knives
WARNING
Blades are extremely sharp! Use caution
when handling. Failure to comply may
cause serious injury!
1. Disconnect the machine from the power
source.
2. Remove the fence, blade guard and belt cover.
3. To protect the infeed table from scratches, par-
tially cover the sharpening stone with paper.
(Fig. 30)
4. Lay the stone on the infeed table.
5. Lower the infeed table and turn the cutterhead
by turning the cutterhead pulley. The infeed
table height is set properly when the stone’s
surface is flush with the knife bevel.
6. Keep the cutterhead from rotating by grasping
the cutterhead pulley while sliding the stone
back and forth across the table.
7. Take the same amount of passes for all three
blades.
When the blades have been sharpened and still are
not cutting efficiently, trying to touch up the blades
further will only cause the formation of a second
beveled edge. When this starts to happen, it is time
to replace blades with another set.
It is recommended to keep a second set of blades
on hand so that they may be installed while the first
set is being professionally sharpened.
Cutterhead Removal
WARNING
Blades in the cutterhead are sharp! Use
extreme caution when handling the removal
of the cutterhead. Failure to comply may
cause serious injury!
The entire cutterhead assembly may be removed
for cleaning or for bearing and blade replacement.
Some woodworkers keep a spare cutterhead with
replacement blades should the original cutterhead
have to be repaired.
Fig. 30
To remove the cutterhead (including bearings, studs,
and housing) from the base casting:
1. Disconnect the machine from the power
source.
2. Remove the fence assembly, cutterhead guard, and
belt guard.
3. Remove the v-belt from the cutterhead pulley.
4. Loosen set screw (A, Fig. 31) using a hex wrench
and remove the cutterhead pulley (B, Fig. 31) and
key (C, Fig. 31).
5. Remove nuts (D, Fig. 31) and lock washers (E,
Fig. 31).
6. Lift assembly straight up. Studs (F, Fig. 31) will
still be attached to the bearing housings.
7. Before replacing the cutterhead back into the cast-
ing, thoroughly clean the “saddle” and the bearing
housings of saw dust and grease so that they seat
properly.
8. To re-install the cutterhead, reverse the above steps.
Fig. 31

19
Trouble-shooting
elbuorTesuaCelbissoPnoituloS
ehtnodevacnocsikcotsdehsiniF .dne deeftuoehtnahtrehgihsipitefinK .elbat
levelsitioselbatdeeftuoesiaR .pitefinkhtiw
sikcotsdehsiniffoediskcaB .edistnorfehtnahtrekciht efinknahtrehgihsielbatdeeftuO .pit
levelsitioselbatdeeftuotsujdA .pitefinkhtiw
.elddimehtnievacnocsikcotS dekcehcebdluohsssentalfelbaT .erauqss'tsinihcamahtiw
elbatehtwolebswercsehttsujdA .sdneelbatehtesiarot
tucerakcotsdehsiniffosdnehtoB .elddimehtnahtrepeed nahtrehgiheraselbatfosdnE .elddim
tnemtsujdahtiwsdneelbatesiaR .selbatwolebswercs
.esooleraselbatdeeftuorodeefnI.bigesooL .sbignethgiT
.ecafrusdenalpnoselppiR
skcabkciK
ehtnahtrehgihtesedalbenO.1 .srehto
.tsafootdoowgnideeF.2
hgihootteserasedalbgnittuC.3 yamyehtro,elbatdeeftuoevoba .elbatdeeftuohtiwdlevelebton
.sedalbtsujdaeR.1
.rewolsdoowdeeF.2
.sedalbtsujdaeR.3
.esionrotomevissecxE rotoM.1
.esoolsiwercstesyelluP.2
aybdekcehcrotomevaH.1 .noitatsriaperdeifilauq
.wercstesnethgiT.2
,rewopllufepolevedotsliafrotoM .sllatsro
,sthgilhtiwdedaolrevotiucriC.1 .cte,sloot
oottiucricroseriwezisrednU.2 .gnol
.wolootegatloV.3
tonodsrekaerbtiucricrosesuF.4 .yticapactneiciffusevah
.tiucricehterahstonoD.1
ecuderro,seziseriwesaercnI.2 .gniriwfohtgnel
ehtmorfkcehcegatlovtseuqeR.3 .ynapmocrewop
naicirtceledeifilauqaevaH.4 tiucricrosesufezisreporpllatsni .srekaerb
emocotsliafroylwolsstratsrotoM .deepsllufot
rotoM.1
.thgitootnoisnettleB.2
.roticapactratsdaB.3
aybdekcehcrotomevaH.1 .noitatsriaperdeifilauq
.noisnettlebtsujdA.2
.roticapactratsecalpeR.3

20
Fence Assembly
21
Parts List for the JJ-8CS Woodworking Jointer
Fence Assembly
Index Part
No. No. Description Size Qty.
1 ......... JC-F01.............................. Fence Body......................................................................................... 1
2 ......... JC-F02.............................. Fence Link .......................................................................................... 1
3 ......... TS-0051061 ....................... Hex Head Screw ...................................... 5/16”-18 x 1-1/4”................ 1
4 ......... TS-0561021 ....................... Nut ........................................................... 5/16”-18 ............................ 1
5 ......... JC-F03 .............................. Fence Bracket.....................................................................................1
6 ......... JC-F04 .............................. Bolt ..................................................................................................... 2
7 ......... JC-F05 .............................. Bolt .......................................................... 3/8”-16 .............................. 4
8 ......... TS-0561031 ....................... Nut ........................................................... 3/8”................................... 4
9 ......... 5D-A004 ............................ Locking Link ........................................................................................1
10 ....... JC-F07 .............................. Joint Plate ........................................................................................... 1
11........ 5C-E051 ............................ Flat Head Bolt .......................................... 5/16”-18 x 1-1/2”................ 1
12 ....... JC-F08 .............................. Screw .................................................................................................. 1
13 ....... TS-0207081 ....................... Socket Head Cap Screw .......................... 1/4”-20 x 1-1/2”................. 2
14 ....... TS-0207021 ....................... Socket Head Cap Screw .......................... 1/4”-20 x 1/2”.................... 1
15 ....... TS-0050061 ....................... Nut ........................................................... 1/4”-20 .............................. 2
16 ....... JC-F09 .............................. Pin ........................................................... 5x50 ................................. 1
17 ....... JC-F10 .............................. Stop Block........................................................................................... 1
18 ....... TS-0561052 ....................... Nut ........................................................... 1/2”-20 .............................. 2
19 ....... JC-F11 ............................... Locking Bolt w/Handle ......................................................................... 1
20 ....... TS-0680061 ....................... Flat Washer ............................................. 1/2”................................... 2
21 ....... TS-0561051 ....................... Hex Nut .................................................... 1/2”-13 .............................. 1
22 ....... JC-F14 .............................. Eccentric Shaft.................................................................................... 1
23 ....... JC-F15 .............................. Handle ................................................................................................. 2
24 ....... LA-H34 .............................. Knob ................................................................................................... 2
25 ....... TS-0561051 ....................... Hex Nut .................................................... 1/2”-13 .............................. 2
26 ....... JC-F16 .............................. Eye Bolt .............................................................................................. 1

22
Bed Assembly
23
Bed Assembly
Index Part
No. No. Description Size Qty.
1 ......... JC-T01.............................. Base .......................................................................................................1
2 ......... JC-T02.............................. Front Table..............................................................................................1
3 ......... JC-T03.............................. Rear Table ..............................................................................................1
4 ......... JC-T04.............................. Rabbeting Arm ........................................................................................1
5 ......... JC-T05.............................. Table Bracket ..........................................................................................1
6 ......... TS-0060071 ....................... Cap Screw................................................ 3/8”-16 x 1-1/2”.....................4
7 ......... TS-0720091 ....................... Lock Washer ............................................ 3/8”.......................................4
8 ......... JC-T07 ............................... Key .......................................................... 9.5 x 9.5 x 273 ......................1
9 ......... 5F-E153 ............................ Spring Pin................................................. 4 x 16 ...................................1
10 ....... JC-T08 ............................... Feed Screw Bracket ................................................................................2
11........ TS-0060061 ....................... Socket Head Cap Screw .......................... 3/8”-16 x 1-1/4”.....................4
12 ....... TS-0720091 ....................... Lock Washer ............................................ 3/8”.......................................4
13 ....... JC-T09 ............................... Bracket ...................................................................................................2
14 ....... TS-0070031 ....................... Cap Screw................................................ 1/2”-13 x 1-1/2”.....................4
15 ....... TS-0720111 ....................... Lock Washer ............................................ 1/2”.......................................4
16 ....... JC-T10 ............................... Feed Screw .............................................................................................2
17 ....... JC-T11 ............................... Ring ........................................................................................................2
18 ....... TS-0267041 ....................... Set Screw ................................................ 1/4”-20 x 3/8”........................4
19 ....... JC-T12 ............................... Wheel......................................................................................................2
20 ....... PA-C42 ............................. Handle .....................................................................................................2
21 ....... 5C-D003 ............................ Pan Head Machine Screw ........................ 5/16”-18 x 1/2”......................2
22 ....... TS-0680031 ....................... Flat Washer ............................................. 5/16”.....................................2
23 ....... F5-G107 ............................ Key .......................................................... 5 x 5 x 22 .............................2
24 ....... JC-T13 ............................... Gib ..........................................................................................................2
25 ....... TS-0270091 ....................... Set Screw ................................................ 5/16”-18 x 1”.........................6
26 ....... TS-0561021 ....................... Hex Nut .................................................... 5/16”-18 ................................6
27 ....... 5I-D003 ............................. Ball..........................................................................................................2
28 ....... JC-T15 ............................... Stop Handle .............................................................................................3
30 ....... JC-T16 ............................... Scale.......................................................................................................1
31 ....... 5F-H051 ............................ Rivet ........................................................................................................ 7
32 ....... JC-T17 ............................... Depth Pointer ..........................................................................................1
33 ....... PA-C49 ............................. Guard Bolt ...............................................................................................1
34 ....... JC-T18 ............................... Pulley Cover ............................................................................................1
35 ....... PA-C53 ............................. Nut ..........................................................................................................1
36 ....... JC-T19 ............................... Warning Label .........................................................................................1
37 ....... JC-T20 ............................... Guard Shaft .............................................................................................1
38 ....... JC-T21 ............................... Cutterhead Guard ....................................................................................1
39 ....... JC-T22 ............................... Spring ......................................................................................................1
40 ....... 5F-A002 ............................ Retaining Ring .......................................... STW-11 .................................1
41 ....... 5F-E208 ............................ Spring Pin................................................................................................1
42 ....... 5F-E258 ............................ Spring Pin................................................. 5 x 28 ...................................1
43 ....... JJ8CS-ID ........................... I.D. Label .................................................. 6 x 36 ...................................1

24
Stand and Motor Assembly
25
Stand and Motor Assembly
Index Part
No. No. Description Size Qty.
1 ......... JC-M01W .......................... Stand.......................................................................................................1
2 ......... JC-M02W .......................... Motor Mount ............................................................................................1
3 ......... JC-M03W .......................... Cover .......................................................................................................1
4 ......... JC-M04 ............................. Screw ......................................................................................................1
5 ......... JC-M05 ............................. Key .........................................................................................................1
7 ......... TS-0561031 ....................... Hex Nut .................................................... 3/8”-16 ..................................1
8 ......... JC-M06 ............................. Motor Pulley ............................................................................................1
9 ......... TS-0271071 ....................... Set Screw ................................................ 3/8”-16 x 3/4”........................2
10 ....... VB-M52 ............................. V-Belt ......................................................................................................2
11........ TS-0081031 ....................... Hex Head Screw ...................................... 5/16”-18 x 3/4”......................4
12 ....... TS-0680031 ....................... Flat Washer ............................................. 5/16”.....................................4
13 ....... TS-0680031 ....................... Flat Washer ............................................. 5/16”.....................................4
14 ....... TS-0561021 ....................... Hex Nut .................................................... 5/16”-18 ................................4
15 ....... TS-0070011 ....................... Hex Head Screw ...................................... 1/2”-13 x 1”...........................4
16 ....... TS-0680061 ....................... Flat Washer ............................................. 1/2”.......................................4
17 ....... JCS10-079C ...................... Screw ....................................................... 3/16”-UNC x 3/4”...................2
18 ....... TS-0680021 ....................... Flat Washer ............................................. 1/4”.......................................4
19 ....... JC-M07 ............................. Lock Bolt .................................................. 3/8”-16 ..................................3
20 ....... TS-0720091 ....................... Lock Washer ............................................ 3/8”.......................................3
21 ....... JC-M03 ............................. Dust Chute ..............................................................................................1
22 ....... TS-0813032 ....................... Pan Head Screw ...................................... 1/4”-20 x 1/2”........................4
23 ....... JJ8-917W .......................... Motor ........................................................ 2HP, 1Ph...............................1
24 ....... JJ8-918 ............................. Motor Cord ..............................................................................................1
25 ....... JJ8-919 ............................. Strain Relief .............................................................................................2
26 ....... JJ8-920 ............................. Power Cord .............................................................................................1
27 ....... JJ8-921A ........................... Switch .....................................................................................................1
28 ....... JJ8-923 ............................. Strain Relief .............................................................................................1
29 ....... JJ8CS-JL ........................... JET Label ................................................................................................1
30 ....... JC-T23 ............................... Warning Label .........................................................................................1
31 ....... 5FK-C13 ............................ Key .......................................................... 5x5x35 ..................................1
........... JJ8CS-HK ......................... Hardware Kit (not shown)...........................................................................

26
Cutterhead Assembly
27
Cutterhead Assembly
Index Part
No. No. Description Size Qty.
1 ......... JC-C01 ............................. Cutterhead ..............................................................................................1
2 ......... JC-C02 ............................. Bearing Housing .....................................................................................2
3 ......... 5H-A104 ........................... Bearing ...................................................................................................2
4 ......... JC-C03 ............................. Cutterhead Set Bolt.................................................................................2
5 ......... TS-0680041 ....................... Flat Washer ............................................. 3/8”.......................................2
6 ......... TS-0561031 ....................... Nut ........................................................... 3/8”-UNC ...............................2
7 ......... PA-C05 ............................. Spring ......................................................................................................6
8 ......... 708802 .............................. Knife........................................................................................................3
9 ......... JC-C05 .............................. Knife Lock Bar .........................................................................................3
10 ....... JC-C06 .............................. Screw .................................................................................................... 15
11........ JC-C07 .............................. Knife Gauge Rod .....................................................................................1
12 ....... JC-C08 .............................. Knife Gauge ............................................................................................2
13 ....... TS-0680041 ....................... Retaining Ring .......................................... STW-9”.................................4
15 ....... JC-C09 .............................. Machine Pulley........................................................................................1
16 ....... 5F-G107 ............................ Key .......................................................... 5 x 5 x 22 .............................1
17 ....... TS-0270031 ....................... Set Screw ................................................ 5/16”-18NC x 3/8”..................2

28
Wiring Diagram