Jet 708411 User Manual OCSILLATING SPINDLE SANDER Manuals And Guides L0610557
JET Sander Manual L0610557 JET Sander Owner's Manual, JET Sander installation guides
User Manual: Jet 708411 708411 JET OCSILLATING SPINDLE SANDER - Manuals and Guides View the owners manual for your JET OCSILLATING SPINDLE SANDER #708411. Home:Tool Parts:Jet Parts:Jet OCSILLATING SPINDLE SANDER Manual
Open the PDF directly: View PDF
.
Page Count: 18

®
OWNER'S MANUAL
JOVS-10 Oscillating Spindle Sander
WMH TOOL GROUP
Consumer/Light Industrial Products Division
P.O. BOX 1349
Auburn, WA 98971-1349
Ph: 1-800-274-6848 • Fax: 1-800-274-6840
E-mail: jet@wmhtoolgroup.com
www.wmhtoolgroup.com M-708411 11/02
Copyright ©WMH Tool Group

Thismanualhasbeenpreparedfor theownerandoperatorsof a JOYS-10Sander.Its purpose,aside
from machineoperation,is to promotesafetythroughthe use of acceptedcorrectoperatingand
maintenanceprocedures.Completelyreadthesafetyandmaintenanceinstructionsbeforeoperatingor
servicingthemachine.ToobtainmaximumlifeandefficiencyfromyourJETSander,andto aidinusing
themachinesafely,readthismanualthoroughlyandfollowinstructionscarefully.
Warranty &Service
The WMH Tool Group warrants every product it sells. If one of our tools needs service or repair, one of
our Authorized Repair Stations located throughout the United States can give you quick service.
In most cases, any one of these WMH Tool Group Repair Stations can authorize warranty repair, assist
you in obtaining parts, or perform routine maintenance and major repair on your JET, Performax, Wilton,
or Powermatic tools.
For the name of an Authorized Repair Station in your area, please call 1-800-274-6848, or visit
www.wmhtoolgroup.com
More Information
Remember, the WMH Tool Group is consistently adding new products to the line. For complete, up-to-
date product information, check with your local WMH Tool Group distributor, or visit
www.wmhtoolgroup.com
WMH Tool Group Warranty
The WMH Tool Group (including Performax, Wilton and Powermatic brands) makes every effort to assure
that its products meet high quality and durability standards and warrants to the original retail
consumer/purchaser of our products that each product be free from defects in materials and workmanship
as follow: 1 YEAR LIMITED WARRANTY ON ALL PRODUCTS UNLESS SPECIFIED OTHERWISE.
This Warranty does not apply to defects due directly or indirectly to misuse, abuse, negligence or
accidents, normal wear-and-tear, repair or alterations outside our facilities, or to a lack of maintenance.
THE WMH TOOL GROUP LIMITS ALL IMPLIED WARRANTIES TO THE PERIOD SPECIFIED ABOVE,
FROM THE DATE THE PRODUCT WAS PURCHASED AT RETAIL. EXCEPT AS STATED HEREIN,
ANY IMPLIED WARRANTIES OR MERCHANTIBILITY AND FITNESS ARE EXCLUDED. SOME
STATES DO NOT ALLOW LIMITATIONS ON HOW LONG THE IMPLIED WARRANTY LASTS, SO THE
ABOVE LIMITATION MAY NOT APPLY TO YOU. THE WMH TOOL GROUP SHALL tN NO EVENT BE
LIABLE FOR DEATH, INJURIES TO PERSONS OR PROPERTY, OR FOR INCIDENTAL,
CONTINGENT, SPECIAL, OR CONSEQUENTIAL DAMAGES ARISING FROM THE USE OF OUR
PRODUCTS. SOME STATES DO NOT ALLOW THE EXLUSION OR LIMITATION OF INCIDENTAL OR
CONSEQUENTIAL DAMAGES, SO THE ABOVE LIMITATION OR EXCLUSION MAY NOT APPLY TO
YOU.
To take advantage of this warranty, the product or part must be returned for examination, postage
prepaid, to an Authorized Repair Station designated by our office. Proof of purchase date and an
explanation of the complaint must accompany the merchandise. If our inspection discloses a defect, we
will either repair or replace the product, or refund the purchase price if we cannot readily and quickly
provide a repair or replacement, if you are willing to accept a refund. We will return repaired product or
replacement at JET'S expense, but if it is determined there is no defect, or that the defect resulted from
causes not within the scope of JET'S warranty, then the user must bear the cost of storing and returning
the product. This warranty gives you specific legal rights; you may also have other rights which vary from
state to state.
The WMH Tool Group sells through distributors only. Members of the WMH Tool Group reserve the right
to effect at any time, without prior notice, those alterations to parts, fittings, and accessory equipment
which they may deem necessary for any reason whatsoever.

WARNING
Wear eye protection.
Always keep guards in place and in proper operating condition. Do not operate the machine
without the guards for any reason.
This sander is intended to be used with wood and wood products only. Use of this sander and a
dust collector with metal products is a potential fire hazard.
Support the workpiece adequately at all times during operation; maintain control of the work at all
times.
I This sander is designed and intended for use by properly trained and experienced personnel only, I
If you are not familia r with the proper and safe operation of a sander, do not use until proper I
training and knowledge has been obtained, I
• REMOVE ADJUSTING KEYS AND WRENCHES. Form a habit of checking to see that keys and
adjusting wrenches are removed from the machine before turning it on.
• KEEP THE WORK AREA CLEAN. Cluttered areas and benches invite accidents.
•DON'T USE IN ADANGEROUS ENVIRONMENT. Don't use power tools in damp or wet locations,
or expose them to rain. Keep work area well lighted.
• KEEP CHILDREN AWAY. All visitors should be kept a safe distance from the work area.
•MAKE THE WORKSHOP KIDPROOF with padlocks, master swatches, or by removing starter keys.
•DON'T FORCE THE MACHINE. It will do the job better and safer at the rate for which it was
designed.
• USE THE RIGHT TOOL. Don't force a machine or attachment to do a job for which it was not
designed.
USE THE PROPER EXTENSION CORD. Make sure your extension cord is in good condition. When
using an extension cord, be sure to use one heavy enough to carry the current your machine will
draw. An undersized cord will cause a drop in the line voltage resulting in power loss and
overheating. The table following shows the correct size to use depending on the cord length and
nameplate ampere rating, tf in doubt, use the next heavier gauge. Remember, the smaller the gauge
number, the heavier the cord.
Volts Total Length of Cord in Feet
120V 25 50
AWG
16 14
• WEAR PROPER APPAREL. Do not wear loose clothing, gloves, neckties, rings, bracelets, or other
jewelry which may get caught in moving parts. Nonslip footwear is recommended. Wear protective
hair covering to contain long hair.
• ALWAYS USE SAFETY GLASSES. Also use face or dust masks if the cutting operation is dusty.
Everyday eyeglasses only have impact resistant lenses; they are not safety glasses.
•DON'T OVERREACH. Keep proper footing and balance at all times.
•MAINTAIN TOOLS WITH CARE. Keep tools sharp and clean for best and safest performance.
Follow instructions for lubricating and changing accessories.

ALWAYS DISCONNECT THE MACHINE FROM THE POWER SOURCE BEFORE SERVICING.
REDUCE THE RISK OF UNINTENTIONAL STARTING. Make sure the switch is in the off position
before plugging in.
USE RECOMMENDED ACCESSORIES. The use of accessories and attachments not
recommended by JET may cause hazards or risk of injury to persons.
NEVER STAND ON A MACHINE. Serious injury could occur if the machine is tipped.
CHECK DAMAGED PARTS. Before further use of the machine, a guard or other part that is
damaged should be carefully checked to determine that it will operate properly and perform its
intended function - check for alignment of moving parts, binding of moving parts, breakage of parts,
mounting, and any other conditions that may affect its operation. A guard or other part that is
damaged should be properly repaired or replaced.
NEVER LEAVE THE MACHINE RUNNING UNATTENDED. TURN POWER OFF. Don't leave the
machine until it comes to a complete stop.
SOME DUST CREATED by power sanding, sawing, grinding, drilling and other construction activities
contains chemicals known to cause cancer, birth defects or other reproductive harm. Some
examples of these chemicals are:
• Lead from lead based paint
• crystalline silica from bricks and cement and other masonry products, and
• arsenic and chromium from chemically-treated lumber.
Your risk from those exposures varies, depending on how often you do this type of work. To reduce
your exposure to these chemicals: work in a well ventilated area, and work with approved safety
equipment, such as those dust masks that are specifically designed to filter out microscopic particles
DO NOT operate tool while under the influence of drugs, alcohol or any medication.
AVOID kickback by sanding in accordance with directional arrows.
DO NOT sand pieces of material that are too small to be safely supported.
WHEN sanding a large workpiece, provide additional support at table height.
ADDITIONAL INFORMATION regarding the safe and proper operation of this product is available
from the National Safety Council, 1121 Spring Lake Drive, ltasca, IL 60143-3201, in the Accident
Prevention Manual for Industrial Operations and also in the safety Data Sheets provided by the NSC.
Please also refer to the American National Standards Institute ANSI 01.1 Safety Requirements for
Woodworking Machinery and the U.S. Department of Labor OSHA 1910.213 Regulations.
SAVE THESE INSTRUCTIONS refer to them often and use them to instruct others.

Grounding Instructions
Caution: This tool must be grounded while in use to protect the operator from electric shock.
In the event of a malfunction or breakdown, grounding provides a path of least resistance for electric
current to reduce the risk of electric shock. This tool is equipped with an electric cord having an
equipment-grounding conductor and a grounding plug. The plug must be plugged into a matching outlet
that is properly installed and grounded in accordance with all local codes and ordinances.
Do not modify the plug provided. If it will not fit the outlet, have the proper outlet installed by a qualified
electrician.
Improper connection of the equipment-grounding conductor can result in a risk of electric shock. The
conductor, with insulation having an outer surface that is green with or without yellow stripes, is the
equipment-grounding conductor. If repair or replacement of the electric cord or plug is necessary, do not
connect the equipment-grounding conductor to a live terminal.
Check with a qualified electrician or service personnel if the grounding instructions are not completely
understood, or if in doubt as to whether the tool is properly grounded. Use only three wire extension
cords that have three-prong grounding plugs and three-pole receptacles that accept the tool's plug.
Repair or replace a damaged or worn cord immediately.
115 Volt Operation
As received from the factory, your sander is ready to run at 115 volt operation. This sander, when wired
for 115 volt, is intended for use on a circuit that has an outlet and a plug that looks like the one illustrated
in (A). A temporary adapter, which looks like the adapter as illustrated in (B), may be used to connect
this plug to a two-pole receptacle, as shown in (B) if a properly grounded outlet is not available. The
temporary adapter should only be used until a properly grounded outlet can be installed by a qualified
electrician. This adapter is not applicable in Canada. The green colored rigid ear, lug, or tab,
extending from the adapter, must be connected to a permanent ground such as a properly grounded
outlet box, as shown in (B).
THREE-PRONG PLUG
GROUNDING PRONG
GROUNDING
EAR SECURED "
WITH SCREW
GROUND_
OUTLET
Q O
_EIRoUNDIN G
EAR

Specifications JOVS-IO
Stock Number ................................................................................................................................ 708411
Table Size .............................................................................................................................. 24"W x 24"L
Table Tilt (down) ................................................................................................................................... 45 °
Dust Chute Diameter .............................................................................................................................. 4"
Spindle Speed (RPM) ....................................................................................................................... 1,725
Oscillations Per Minute .......................................................................................................................... 75
Length of Oscillation ......................................................................................................................... 1-1/2"
Motor (TEFC) .............................................................................................................................. 1HP, 1Ph
................................................................................................................................................. 115V Only
Net Weight (approx.) ..................................................................................................................... 298 Lbs.
Table of Contents Page No.
Warranty .................................................................................................................................................. 2
Warnings .............................................................................................................................................. 3-4
Grounding Instructions ............................................................................................................................. 5
115V Operation ....................................................................................................................................... 5
Specifications .......................................................................................................................................... 6
Table of Contents .................................................................................................................................... 6
Contents of the Shipping Container .......................................................................................................... 7
Tools Required for Assembly & Adjustments ............................................................................................ 7
Unpacking ............................................................................................................................................... 7
Mounting Sanding Sleeves ...................................................................................................................... 8
Installing Sanding Assemblies .................................................................................................................. 8
Removing Sanding Assemblies ................................................................................................................ 8
Table Insert ............................................................................................................................................. 9
Sanding Assembly 90° to Table ............................................................................................................... 9
Replacing Sanding Sleeves ................................................................................................................... 10
Dust Collection ...................................................................................................................................... 10
Maintenance .......................................................................................................................................... 10
Troubleshooting ..................................................................................................................................... 11
Breakdown and Parts List ................................................................................................................. 12-17
Wiring Diagram ...................................................................................................................................... 18
The specifications in this manual are given as general information and are not binding. The WMH Tool
Group reserves the right to effect, at any time and without prior notice, changes or alterations to parts,
fittings, and accessory equipment deemed necessary for any reason whatsoever.

Contents of the Shipping Container
1. Sander
3. Table Insert Rings
2. Spindle Wrenches
1. 2mm HexWrench
10 Removable Spindles
1/4" x 5" Steel and Sanding Sleeve
3/8" x 6" Steel and Sanding Sleeve
1/2" x 6" Steel and Sanding Sleeve
5/8" x 6" Steel and Sanding Sleeve
3/4" x 9" Steel and Sanding Sleeve
1" x 9" Rubber and Sanding Sleeve
1-1/2" x 9" Rubber and Sanding Sleeve
2" x 9" Rubber and Sanding Sleeve
3" x 9" Rubber and Sanding Sleeve
4" x 9" Rubber and Sanding Sleeve
1 Owner's Manual
1 Warranty Card
Tools Required for Assembly &
Adjustments
1. 26mm Wrench or Large Adjustable Wrench
1. 6mm HexWrench
1. Square
WARNING I
Read and understand the entire Contents Of I
this manual before attempting assembly Or I
operation of the sander! I
Failure to comply may cause serious injury! I
Unpacking
1. Remove all contents from shipping carton.
2. Report any damage to your distributor.
3. Do not discard any shipping material until
the sander has been assembled and is
running properly.
4. With help from another person move the
sander off of the pallet and into the desired
position.
.Remove the protective coating found on the
table with a putty knife and a cleaning
solvent that will not damage painted
surfaces.
Note: Now is a perfect time to set your sander
up on a mobile base. It will make life easier in
the woodshop. JET has a Heavy Duty Universal
Mobile Base that will fit this sander. JET also
has a variety of Dust Collectors and Air Filtration
Units that will work nicely with your new sander.

Mounting Sanding Sleeves
1. Thoroughly clean the arbors (A, Fig. 1) on all
of the spindle assemblies. Also clean the
arbor housing on the sander.
.Slip the sanding sleeve (B, Fig. 1) over the
spindle and hold in place by tightening the
set screw (C, Fig. 1) with the supplied 2mm
hex wrench.
3. Repeat for all of the steel spindle
assemblies.
4. To protect the sanding assemblies place
them in the holders found on the sides of the
sander, see Figure 2.
Installing Sanding Assemblies
WARNING
Disconnect the sander from the power I
source when installing or removing sanding I
assemblies. I
Failure to comply may cause serious injury! I
1. Thoroughly clean the arbor and arbor
housing before installing the sanding
assemblies.
2. Thread the arbor (A, Fig. 3) into the arbor
housing (B, Fig. 3).
3. Use the provided wrenches to hold the lower
arbor housing nut (C, Fig. 3) while turning
the arbor nut (D, Fig. 3) clockwise.
Fig, 1
Removing Sanding Assemblies
1. Disconnect the sander form the power
source, unplug.
.Use the provided wrenches to hold the
upper arbor housing nut (E, Fig. 3) while
turning the arbor nut (D, Fig. 3) counter-
clockwise.
Fig 2
Fig,. 3

Table Insert
1. Disconnect the sander form the power
source, unplug.
2. Choose the insert (A, Fig. 4) that most
closely matches the diameter of the sanding
drum.
3. Line up the notch in the insert with the
spring pin in the table (B, Fig. 4), and press
in place.
.Remove the insert by pressing up from
underneath. Note: Keep the opening in the
table clean so that the insert can be easily
put in place, and removed.
Sanding Assembly 90 ° to Table
.Loosen the lock knobs (C, Fig. 5) on
trunnions and position the table so that it
rests against the 90° stop (D, Fig. 6).
Tighten lock knobs.
2. Place a square (E, Fig. 5) on the working
side of the table, and make sure the sanding
drum is perpendicular to the table.
3. If an adjustment needs to be made loosen
the hex nut (F, Fig. 6).
4. Loosen lock knobs.
5. Rotate the 90° stop in the appropriate
direction until the table rests 90° to the
sanding drum.
6. Tighten the hex nut while holding the stop.
7. Adjust pointer (G, Fig. 6) so that it indicates
the "0" position on the scale.
Fig° 4
Fig. 5,
Fig, 6

Replacing Sanding Sleeves
1. Loosen hex nut (A, Fig. 7) with a 26mm
wrench, or large adjustable wrench.
.Slide the sanding sleeve (B, Fig. 7) off the
drum and replace with a new sanding
sleeve. Note: tf the sanding sleeve is not
easily removed cut the sleeve off and clean
the drum before reinstalling a new sleeve.
3. If you are replacing the sanding sleeves on
the steel spindles loosen the set screw
found on the arbor nut.
.Remove sanding sleeve from the spindle
and replace with a new sanding sleeve.
Note: If the sanding sleeve is not easily
removed cut the sleeve off and clean the
drum before reinstalling a new sleeve.
5. Tighten the set screw.
A
B
Fig 7
Dust Collection
In order to collect wood dust; attach a dust
collection hose to the dust port. JET has a
variety of dust collectors, air filtration units,
hoses and adaptors, etc. that will work nicely
with your new sander. Contact your local JET
Distributor for more information.
Maintenance
The manufacturer recommends replacing the 90
SAE gear lube at 800 hours of use.
.Open the door on the back side of the
machine to access the drain plug (C, Fig. 8).
Use a 6mm hex wrench to remove the drain
plug.
2. Refill oil through the oil cap (D, Fig. 9). The
oil capacity is two quarts.
3. The oil sight glass (E, Fig. 8) should read
between the "high" and "low" marks.
Keep the machine and all attachments clean.
All bearings are permanently lubricated and
require no further service.
Fig, 8
Fig 9
]0

Troubleshooting
Trouble Solution
1.
Sander will not start
Sanding drum does not come
up to speed
.
.
4.
1.
.
2.
.
4.
1.
Possible Cause
Sander unplugged from wall
or motor
Fuse blown or circuit breaker
tri pped
Cord damaged
Starting capacitor bad
Extension cord too light or
too long
Low current
Stand or base on uneven
surface
Table not square to sanding
drum
Check all plug connections
Replace fuse or reset circuit
breaker
Replace cord
Replace starting capacitor
Replace with adequate size
and length cord
2. 2. Contact a qualified electrician
Machine vibrates excessively 1. 1. Adjust stand or base so that
it rests evenly on the floor
Sanded edge not square 1. 1. Use a square to adjust table
to sanding drum
1.
Sanding marks on wood 1. Wrong grit sanding sleeve
2. Feed pressure too great
Use coarser grit for stock
removal and fine grit for
finish sanding.
2. Never force workpiece
]1

184
186_._
140
143
22A_
146._
140
183
162
140.
1
180 158
47
1,37
140
56
56
140
52
36
153_j153
152_ 1_134
179
136
55 56
140
139
66
140
1364O
162
140
.56
162
149
158
67164
136
89
w
im
o
-,i
5"
""1
I'D
i,
Ill
-I
0
.,,..
$-
5'
t_
5'
im
im
I'D
""l

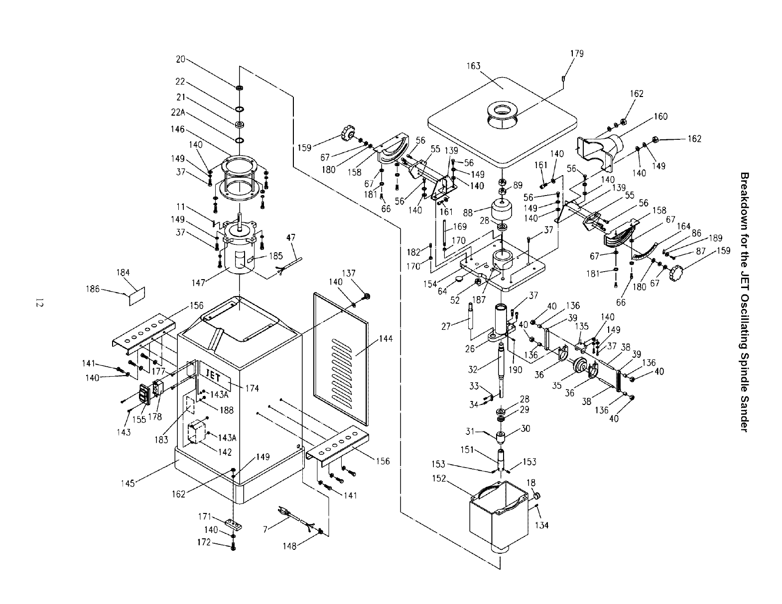
Parts List for the JET JOVS-lO
Oscillating Spindle Sander
Index Part
No. No. Description Size Qty.
7 .......... OVS 10-007 .................. Power Cord .......................................................................................... 1
11 ........ KEY5525 ...................... Key ....................................................................................................... 1
18 ........ OVS10-18 .................... Oil Indicator .......................................................................................... 1
20 ........ OS-30628 .................... Oil Seal ................................................................................................. 1
21 ........ BB-6206ZZ ................... Ball Bearing ........................................... 6206ZZ ................................... 1
22 ........ OVS10-022 .................. C-Ring ................................................... RA63 ....................................... 1
22A ...... OVS10-022A ................ C-Ring ................................................... RA62 ....................................... 1
26 ........ OVS 10-026 .................. Sleeve .................................................................................................. 1
27 ........ OVS10-027 .................. Guide Rail Shaft .................................................................................... 1
28 ........ BB-6205ZZ ................... Ball Bearing ........................................... 6205LU ................................... 2
29 ........ OVS10-029 .................. Locking Nut .......................................................................................... 1
30 ........ OVS10-030 .................. Worm .................................................................................................... 1
31 ........ OVS10-031 .................. Spring Pin .............................................. 5x30 ........................................ 1
32 ........ OVS10-032 .................. Main Shaft ............................................................................................ 1
33 ........ KEY5550 ...................... Key ........................................................ 5x5x50 .................................... 1
34 ........ OVS 10-034 .................. Set Screw .............................................. M3x 12..................................... 2
35 ........ OVS10-035 .................. Spur Gear ............................................................................................. 1
36 ........ OVS10-036 .................. Brass Bushing ...................................................................................... 2
37 ........ TS-0206061 ................. Socket Head Cap Screw ........................ 5/16"-18xl "............................ 16
38 ........ OVS10-038 .................. Transmission Rod Shaft ........................................................................ 2
39 ........ OVS10-039 .................. Transmission Rod ................................................................................. 2
40 ........ TS-0640091 ................. Hex Nut, Nylon Lock .............................. 3/8"-16 .................................... 4
47 ........ OVS 10-047 .................. Switch Cord .......................................................................................... 1
52 ........ OVS10-052 .................. Locking Nut ........................................... 5/8"-11 .................................... 1
55 ........ OVS10-055 .................. Rear Trunnion Bracket .......................................................................... 2
56 ........ TS-0208082 ................. Socket Head Cap Screw ........................ 5/16"-24x1-1/2". ..................... 10
64 ........ OVS10-064 .................. Oil Lid ................................................................................................... 1
66 ........ OVS 10-066 .................. Hex Socket Cap Screw .......................... 3/8"-16x3/4". ............................ 4
67 ........ TS-0680042 ................. Flat Washer ........................................... 3/8". ........................................ 8
86 ........ OVS10-086 .................. Angle Pointer ........................................................................................ 1
87 ........ OVS 10-087 .................. Pan Head Machine Screw ...................... 10-24x 1/4". .............................. 1
88 ........ OVS10-088 .................. Cap ...................................................................................................... 1
89 ........ OVS10-089 .................. Nut ........................................................ 15/16"-24 R.H ......................... 2
134 ...... JOVS10-134 ................ Oil Plug .................................................. PT1/4". .................................... 1
135 ...... JOVS10-135 ................ Brass Bushing Bracket .......................................................................... 1
136 ...... JOVS10-136 ................ Shaft Brass Bushing ............................................................................. 4
137 ...... JOVS10-137 ................ Knob ...................................................... 5/16"- 18x3/4". .......................... 1
139 ...... JOVS 10-139W ............. Bracket Base ........................................................................................ 2
140 ...... TS-0680032 ................. Flat Washer ........................................... 5/16". .................................... 24
141 ...... TS-0051021 ................. Cap Screw ............................................. 5/16"- 18x5/8". .......................... 6
142 ...... JOVS10-142 ................ Switch Box ............................................................................................ 1
143 ...... JOVS10-143 ................ Pan Head Machine Screw ...................... 3/16"-24x1-1/2". ....................... 2
143A....JOVS10-143A .............. Hex Nut ................................................. 3/16"-24 .................................. 2
144 ...... JOVS 10-144W ............. Vent Cover ........................................................................................... 1
145 ...... JOVS10-145W ............. Base ..................................................................................................... 1
146 ...... JOVS10-146 ................ Motor Bracket ....................................................................................... 1
147 ...... JOVS10-147 ................ Motor .................................................................................................... 1
............ JOVS10-147MF ........... Motor Fan (not shown) .......................................................................... 1
............ JOVS10-147MFC ......... Motor Fan Cover (not shown) ................................................................ 1
............ JOVS 10-147CC ........... Capacitor Cover (not shown) ................................................................. 1
]3

Index Part
No. No. Description Size Qty.
............ JOVS10-147RC ........... Running Capacitor (not shown) .............. 45uf, 250V .............................. 1
............ JOVS10-147SC ............ Starting Capacitor (not shown) ............... 300MFD, 125VAC ................... 1
148 ...... JOVS10-148 ................ Strain Relief Bushing ............................................................................ 1
149 ...... TS-0720081 ................. Lock Washer .......................................... 5/16". .................................... 20
151 ...... JOVS10-151 ................ Coupling Head ...................................................................................... 1
152 ...... JOVS10-152 ................ Tank ..................................................................................................... 1
153 ...... TS-0267041 ................. Set Screw .............................................. 1/4"-20x3/8". ............................ 2
154 ...... JOVS10-154 ................ Tank Lid ............................................................................................... 1
155 ...... JOVS10-155 ................ Switch Push Button ............................................................................... 1
156 ...... JOVS 10-156W ............. Sanding Assem bly Rack ....................................................................... 2
158 ...... JOVS 10-158W ............. Rear Trunnion ....................................................................................... 2
159 ...... JOVS 10-159 ................ Locking Knob ......................................... 3/8"- 16x3/4". ............................ 2
160 ...... JOVS10-160W ............. Dust Cover ........................................................................................... 1
161 ...... TS-0051061 ................. Hex Bolt ................................................. 5/16"-18x1-1/4". ....................... 2
162 ...... TS-0561021 ................. Hex Nut ................................................. 5/16"-18 .................................. 6
163 ...... JOVS10-163W ............. Working Table ...................................................................................... 1
164 ...... JOVS10-164 ................ Scale .................................................................................................... 1
169 ...... JOVS10-169 ................ Fixed Rod ............................................................................................. 1
170 ...... TS-0561031 ................. Hex Nut ................................................. 3/8"-16 .................................... 2
171 ...... JOVS10-171 ................ Rubber Feet ......................................................................................... 4
172 ...... JOVS 10-172 ................ Sinki ng Head Screw ............................... 5/16"- 18x3/4". .......................... 4
174 ...... JOVS10-174 ................ JET Logo .............................................................................................. 1
177 ...... JOVS 10-177 ................ Pan Head Screw .................................... 3/16"-24x3/8". .......................... 2
178 ...... JOVS10-178 ................ Switch ................................................................................................... 1
179 ...... JOVS10-179 ................ Spring Pin .............................................. 3x22 ........................................ 1
180 ...... JOVS 10-180 ................ Fiber Washer ......................................... 3/8". ........................................ 2
181 ...... TS-0720091 ................. Lock Washer .......................................... 3/8". ........................................ 4
182 ...... TS-0271071 ................. Set Screw .............................................. 3/8"-16x3/4". ............................ 1
183 ...... JOVS10-183 ................ Warning Label ...................................................................................... 1
184 ...... JOVS10-184 ................ I.D Label ............................................................................................... 1
185 ...... JOVS10-185 ................ Motor Label .......................................................................................... 1
186 ...... JOVS10-186 ................ Rivet ..................................................................................................... 4
187 ...... TS-0267041 ................. Set Screw .............................................. 1/4"-20x3/8". ............................ 1
188 ...... JOVS10-188 ................ Star Washer .......................................... 3/16". ...................................... 2
189 ...... TS-0680011 ................. Flat Washer ........................................... 3/16". ...................................... 1
190 ...... TS-0267021 ................. Set Screw .............................................. 1/4"-20xl/4". ............................ 4
]4

Sanding Assemblies
r_
_D
\
0
r¢')l,€t-
O
00 _4 @4
_1 03
15

Sanding Assemblies
Index Part
No. No. Description Size Qty.
93 ........ OVS10-093 .................. Wrench ................................................................................................. 2
94 ........ OVS 10-094A ................ Arbor ..................................................... 3/4". ........................................ 6
95 ........ OVS10-095 .................. Hex Nut ................................................................................................ 6
96 ........ OVS10-096 .................. Spring Pin .............................................. 3.5x25 ..................................... 3
97 ........ 30105000J ................... P.V.C ..................................................... 4". ........................................... 1
98 ........ OVS10-098 .................. Washer .................................................. 4". ........................................... 2
99 ........ OVS 10-099 .................. Nut ........................................................ 3/4"- 16". .................................. 6
100 ...... 575834 ......................... Sanding Sleeve (60 Grit) ........................ 4". .............................................
............ 575835 ......................... Sanding Sleeve (80 Grit) ........................ 4". .............................................
............ 575836 ......................... Sanding Sleeve (100 Grit) ...................... 4". .............................................
101 ...... 301050001 .................... P.V.C ..................................................... 3". ........................................... 1
102 ...... 575830 ......................... Sanding Sleeve (60 Grit) ........................ 3". .............................................
............ 575831 ......................... Sanding Sleeve (80 Grit) ........................ 3". .............................................
............ 575832 ......................... Sanding Sleeve (100 Grit) ...................... 3". .............................................
103 ...... OVS10-103 .................. Washer .................................................. 3". ........................................... 2
104 ...... 30105000H .................. P.V.C ..................................................... 2". ........................................... 1
105 ...... 575826 ......................... Sanding Sleeve (60 Grit) ........................ 2". .............................................
............ 575827 ......................... Sanding Sleeve (80 Grit) ........................ 2". .............................................
............ 575828 ......................... Sanding Sleeve (100 Grit) ...................... 2". .............................................
106 ...... OVS10-106 .................. Washer .................................................. 2". ........................................... 2
107 ...... 30105000G .................. P.V.C ..................................................... 1-1/2". ..................................... 1
108 ...... 575822 ......................... Sanding Sleeve (60 Grit) ........................ 1-1/2". .......................................
............ 575823 ......................... Sanding Sleeve (80 Grit) ........................ 1-1/2". .......................................
............ 575824 ......................... Sanding Sleeve (100 Grit) ...................... 1-1/2". .......................................
109 ...... OVS10-109 .................. Washer .................................................. 1-1/2". ..................................... 2
110 ...... 30105000F ................... P.V.C ..................................................... 1". ........................................... 1
111 ...... 575818 ......................... Sanding Sleeve (60 Grit) ........................ 1". .............................................
............ 575819 ......................... Sanding Sleeve (80 Grit) ........................ 1". .............................................
............ 575820 ......................... Sanding Sleeve (100 Grit) ...................... 1". .............................................
112 ...... OVS 10-112 .................. Washer .................................................. 1". ........................................... 2
113 ...... 575814 ......................... Sanding Sleeve (60 Grit) ........................ 3/4". ..........................................
............ 575815 ......................... Sanding Sleeve (80 Grit) ........................ 3/4". ..........................................
............ 575816 ......................... Sanding Sleeve (100 Grit) ...................... 3/4". ..........................................
114 ...... OVS 10-114A ................ Arbor ..................................................... 5/8". ........................................ 1
115 ...... OVSl0-115 .................. Hex Nut ................................................. 5/8". ........................................ 1
118 ...... 575810 ......................... Sanding Sleeve (60 Grit) ........................ 5/8". ..........................................
............ 575811 ......................... Sanding Sleeve (80 Grit) ........................ 5/8". ..........................................
............ 575812 ......................... Sanding Sleeve (100 Grit) ...................... 5/8". ..........................................
............ 575813 ......................... Sanding Sleeve (120 Grit) ...................... 5/8". ..........................................
119 ...... OVS 10-119A ................ Arbor ..................................................... 1/2". ........................................ 1
120 ...... OVS10-120 .................. Hex Nut ................................................. 1/2". ........................................ 1
122 ...... 575806 ......................... Sanding Sleeve (60 Grit) ........................ 1/2". ..........................................
............ 575807 ......................... Sanding Sleeve (80 Grit) ........................ 1/2". ..........................................
............ 575808 ......................... Sanding Sleeve (100 Grit) ...................... 1/2". ..........................................
............ 575809 ......................... Sanding Sleeve (120 Grit) ...................... 1/2". ..........................................
124 ...... OVS 10-124A ................ Arbor ..................................................... 3/8". ........................................ 1
125 ...... OVS10-125 .................. Hex Nut ................................................. 3/8". ........................................ 1
127 ...... 575802 ......................... Sanding Sleeve (60 Grit) ........................ 3/8". ..........................................
............ 575803 ......................... Sanding Sleeve (80 Grit) ........................ 3/8". ..........................................
............ 575804 ......................... Sanding Sleeve (100 Grit) ...................... 3/8". ..........................................
128 ...... OVS10-117 .................. Set Screw .............................................. 3/16"-24xl/4". .......................... 4
129 ...... OVS10-129 .................. Arbor .................................................................................................... 1
16

Index Part
No. No. Description Size Qty.
130 ...... 575800 ......................... Sanding Sleeve (100 Grit) ...................... 1/4". ..........................................
............ 575801 ......................... Sanding Sleeve (120 Grit) ...................... 1/4". ..........................................
133 ...... OVS10-133A ................ Spindle ................................................................................................. 1
165 ...... JOVS10-165 ................ Table Insert (medium) ........................................................................... 1
166 ...... JOVS10-166 ................ Table Insert (small) ............................................................................... 1
167 ...... JOVS10-167 ................ Table Insert (Large) .............................................................................. 1
191 ...... JOVS10-191 ................ Spring Pin .............................................. 5x25 ........................................ 6
192 ...... JOVS10-192 ................ Spring Pin .............................................. 3x25 ........................................ 1
17

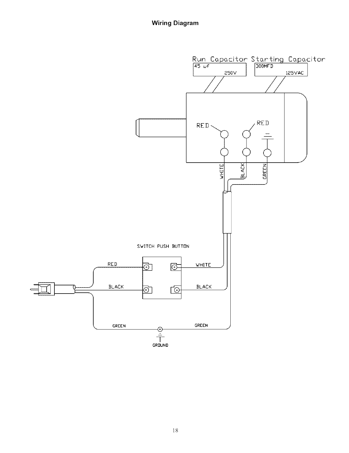
Wiring Diagram
SWITCH PUSH BUTTON
RED
BLACK
GREEN ®
q--
GROUND
WHITE
BLACK
GREEN
18