Jvc Cd Receiver Kd G227 Users Manual Instal1 2_KD G327_002A_f
KD-G227EE KD-G227EE, KD-G327EE GET0341-002A Английский, Русский, ИНСТРУКЦИЯ ПО УСТАНОВКЕ
KD-G327 to the manual 1f491a84-c0f6-47fa-87ee-2297d8769c6a
2015-01-26
: Jvc Jvc-Cd-Receiver-Kd-G227-Users-Manual-320951 jvc-cd-receiver-kd-g227-users-manual-320951 jvc pdf
Open the PDF directly: View PDF
.
Page Count: 4

KD-G327/KD-G227
Installation/Connection Manual
Руководство по установке/подключению
1005DTSMDTJEIN
EN, RU
1
ENGLISH
This unit is designed to operate on 12 V DC, NEGATIVE ground electrical systems. If your vehicle
does not have this system, a voltage inverter is required, which can be purchased at JVC IN-CAR
ENTERTAINMENT dealers.
J
Handles
Рычаги
F
Washer (ø5)
Шайба (њ5)
G
Lock nut (M5)
Фиксирующая гайка (M5)
H
Mounting bolt (M5 × 20 mm)
Крепежный болт (M5 × 20 мм)
I
Rubber cushion
Резиновый чехол
A / B
Hard case/Control panel
Жесткий футляр/панель
управления
C
Sleeve
Муфта
D
Trim plate
Декоративную панель
E
Power cord
Кабель питания
Parts list for installation and connection
The following parts are provided for this unit.
After checking them, please set them correctly.
GET0341-002A
[EE]
Heat sink
Радиатор
WARNINGS
To prevent short circuits, we recommend that you disconnect the battery’s negative terminal and make all
electrical connections before installing the unit.
• Be sure to ground this unit to the car’s chassis again after installation.
Notes:
• Replace the fuse with one of the specified rating. If the fuse blows frequently, consult your JVC IN-CAR
ENTERTAINMENT dealer.
• It is recommended to connect to the speakers with maximum power of more than 50 W (for KD-G327)
or 45 W (for KD-G227) (both at the rear and at the front, with an impedance of 4 Ω to 8 Ω). If the
maximum power is less than 50 W (for KD-G327) or 45 W (for KD-G227), change “AMP GAIN” setting
to prevent the speakers from being damaged. (For KD-G327: see page 13 ; For KD-G227: see page 11 of
the INSTRUCTIONS.)
• To prevent short-circuit, cover the terminals of the UNUSED leads with insulating tape.
• The heat sink becomes very hot after use. Be careful not to touch it when removing this unit.
PRECAUTIONS on power supply and speaker connections:
• DO NOT connect the speaker leads of the power cord to the car battery; otherwise, the unit
will be seriously damaged.
• BEFORE connecting the speaker leads of the power cord to the speakers, check the speaker wiring in
your car.
© 2005 Victor Company of Japan, Limited
РУССКИЙ
Это устройство разработано для эксплуатации на 12 В постоянного напряжения с минусом на
массе. Если Ваш автомобиль не имеет этой системы, требуется инвертор напряжения, который
может быть приобретен у дилера автомобилнего специалиста JVC.
ПРЕДУПРЕЖДЕНИЯ
Для предотвращения коротких замыканий мы рекомендуем Вам отсоединить отрицательный
разъем аккумулятора и осуществить все подключения перед установкой устройства.
• После установки обязательно заземлите данное устройство на шасси автомобиля.
Примечания:
• Заменяйте предохранитель другим предохранителем указанного класса. Если предохранитель
сгорает слишком часто, обратитесь к дилеру автомобилнего специалиста JVC.
• Рекомендуется подключать динамики с максимальной мощностью более 50 Вт (Для KD-G327)
или 45 Вт (Для KD-G227) (к задней и передней панели устройства, с полным сопротивлением от
4 Ω до 8 Ω). Если максимальная мощность динамиков менее 50 Вт (Для KD-G327) или 45 Вт (Для
KD-G227), перейдите в режим “AMP GAIN”, чтобы предотвратить их повреждение. (Для KD-G327
см. стр. 13 ; для KD-G227 см. стр. 11 ИНСТРУКЦИИ ПО ЭКСПЛУАТАЦИИ.)
• Для предотвращения короткого замыкания заклейте НЕИСПОЛЬЗУЕМЫЕ концы изолирующей
лентой.
• Радиатор во время использования сильно нагревается. Старайтесь его не трогать во время
удаления устройства.
ПРЕДОСТЕРЕЖЕНИЯ по питанию и подключению
громкоговорителей:
• НЕ подключайте провода громкоговорителей к аккумулятору автомобиля, иначе
устройство будет повреждено.
• ПЕРЕД подключением проводов громкоговорителей к кабелю питания громкоговорителя
проверьте схему соединений громкоговорителей в Вашем автомобиле.
Список деталей для установки и подключения
Следующие детали поставлены в комплекте с устройством.
После проверки комплектации, пожалуйста, установите их правильно.
Instal1-2_KD-G327_002A_f.indd 1Instal1-2_KD-G327_002A_f.indd 1 10/20/05 5:41:55 PM10/20/05 5:41:55 PM

Do the required electrical connections.
Выполните необходимые подключения
контактов, как показано на оборотной
стороне этой инструкции.
*1 When you stand the unit, be careful not to damage the fuse on the rear.
*1 Устанавливайте устройство таким образом, чтобы не повредить
предохранитель, расположенный сзади.
Bend the appropriate tabs to hold the
sleeve firmly in place.
Отогните соответствующие
фиксаторы, предназначенные для
прочной установки корпуса.
INSTALLATION (IN-DASH MOUNTING)
The following illustration shows a typical installation. If you have any questions or require information
regarding installation kits, consult your JVC IN-CAR ENTERTAINMENT dealer or a company supplying
kits.
• If you are not sure how to install this unit correctly, have it installed by a qualified technician.
Removing the unit
Before removing the unit, release the rear section.
Insert the two handles, then pull them as
illustrated so that the unit can be removed.
Вставьте два рычажка, затем потяните их,
как показано на рисунке, чтобы вынуть
устройство.
When installing the unit without using the sleeve / При установке устройства без
использования муфты
In a Toyota car for example, first remove the car radio and install the unit in its place.
В автомобилях “Toyota”, например, сначала удалите автомобильную магнитолу, затем установите на ее место
это устройство.
When using the optional stay
/ При использовании
дополнительной стойки
Note : When installing the unit on the mounting bracket, make sure to use the 8 mm-long screws. If longer screws
are used, they could damage the unit.
Примечание : При установке устройства на крепежный кронштейн, используйте только винты длиной 8 мм. При
использовании более длинных винтов можно повредить устройство.
* Not supplied for this unit.
* Не входит в комплект поставки.
Screw (option)
Винт (дополнительно)
Stay (option)
Стойка
(дополнительно)
Fire wall
Стена
Dashboard
Приборная панель
Install the unit at an angle of less than 30˚.
Установите устройство под углом
менее 30°.
2
Bracket*
Кронштейн*
Flat type screws (M5 × 8 mm)*
Крепежные винты (M5 × 8 мм)*
Pocket
Карман
Flat type screws (M5 × 8 mm)*
Крепежные винты (M5 × 8 мм)*
Bracket*
Кронштейн*
УСТАНОВКА (УСТАНОВКА В ПРИБОРНУЮ ПАНЕЛЬ)
На следующих иллюстрациях показана типовая установка. Если у Вас есть какие-либо вопросы,
касающиеся установки, обратитесь к Вашему дилеру автомобилнего специалиста JVC или в
компанию, поставляющую соответствующие принадлежности.
• Если Вы не знаете точно, как следует устанавливать это устройство, обратитесь к
квалифицированному специалисту.
Удаление устройства
Перед удалением устройства освободите заднюю часть.
Instal1-2_KD-G327_002A_f.indd 2Instal1-2_KD-G327_002A_f.indd 2 10/13/05 10:16:27 AM10/13/05 10:16:27 AM

Line out (see diagram )
К выходу (см. схему )
Rear ground terminal
Задний разъем
заземления 15 A fuse
Предохранитель 15 A
Black
Черный
Blue with white stripe
Синий с белой полосой
Red
Красный
Yellow *2
Желтый*2
Brown
Коричневый
To metallic body or chassis of the car
К металлическому корпусу или шасси автомобиля
Ignition switch
Переключатель зажигания
Fuse block
Блок предохранителя
To an accessory terminal in the fuse block
К вспомогательному разъему в блоке предохранителя
To the remote lead of other equipment or power aerial if any (200 mA max.)
К удаленному проводу другого оборудования или антенны (макс. 200 мА)
To cellular phone system—only for KD-G327
К системе сотового телефона—только для модели KD-G327
Left speaker (front)
Левый громкоговоритель
(передний)
Right speaker (front)
Правый громкоговоритель
(передний)
Left speaker (rear)
Левый громкоговоритель
(задний)
Right speaker (rear)
Правый
громкоговоритель
(задний)
Purple
Пурпурный
Purple with black stripe
Пурпурный с черной
полосой
Green
Зеленый
Green with black stripe
Зеленый с черной
полосой
Gray
Серый
Gray with black stripe
Серый с черной
полосой
White
Белый
White with black stripe
Белый с черной
полосой
To a live terminal in the fuse block connecting to the car battery (bypassing
the ignition switch) (constant 12 V)
К разъему фазы в блоке предохранителя (минуя блок зажигания)
(постоянный 12 В)
Aerial terminal
Разъем антенны
*1 Not supplied for this unit.
*1 Не входит в комплект поставки
*2
Before checking the operation of this unit prior to
installation, this lead must be connected, otherwise
power cannot be turned on.
*2 Перед проверкой работы устройства
подключите этот провод, иначе питание не
включится.
3
ENGLISH
ELECTRICAL CONNECTIONS
B
Before connecting: Check the wiring in the vehicle carefully. Incorrect connection may cause serious
damage to this unit.
The leads of the power cord and those of the connector from the car body may be different in color.
1 Cut the ISO connector.
2 Connect the colored leads of the power cord in the order specified in the illustration below.
3 Connect the aerial cord.
4 Finally connect the wiring harness to the unit.
Connections without using the ISO connectors / Подключение без использования разъемов ISO
EF
B
D
H
G
A
C
N
J
I
K
M
L
P
O
A
If your car is equipped with the ISO
connector /
Если автомобиль оснащен
разъемом ISO
• Connect the ISO connectors as illustrated.
• Подключите разъемы ISO, как показано на рисунке.
From the car body
От корпуса
автомобиля
ISO connector of the supplied power cord
Разъем ISO шнура питания, входящего в
комплект поставки
View from the lead side
Вид со стороны выводов
For some VW/Audi or Opel (Vauxhall) automobile /
Для некоторых автомобилей VW/Audi
или Opel (Vauxhall)
You may need to modify the wiring of the supplied power cord as illustrated.
• Contact your authorized car dealer before installing this unit.
Возможно, потребуется изменить схему соединений для прилагаемого шнура питания, как показано на рисунке.
• Перед установкой приемника обратитесь к авторизованному агенту по продажам автомобильных систем.
Original wiring /
Исходная схема соединений
Modified wiring 1 /
Преобразованная схема соединений 1
Use modified wiring 2 if the unit does not turn on.
Если приемник не включается, используйте преобразованную
схему соединений
2
.
ISO connector
Разъем ISO
Y: Yellow
Желтый
R: Red
Красный
Modified wiring 2 /
Преобразованная схема соединений 2
Перед началом подключений: Тщательно проверьте проводку в автомобиле. Неправильное
подключение может привести к серьезному повреждению устройства.
Жилы силового кабеля и жилы соединителя от кузова автомобиля могут быть разного цвета.
1 Обрежьте разъем ISO.
2 Подсоедините цветные провода шнура питания в указанном ниже порядке.
3 Подключите кабель антенны.
4 В последнюю очередь подключите электропроводку к устройству.
РУССКИЙ
ЭЛЕКТРИЧЕСКИЕ ПОДКЛЮЧЕНИЯ
Instal3-4_KD-G327_002A_f.indd 3Instal3-4_KD-G327_002A_f.indd 3 10/13/05 10:17:50 AM10/13/05 10:17:50 AM

4
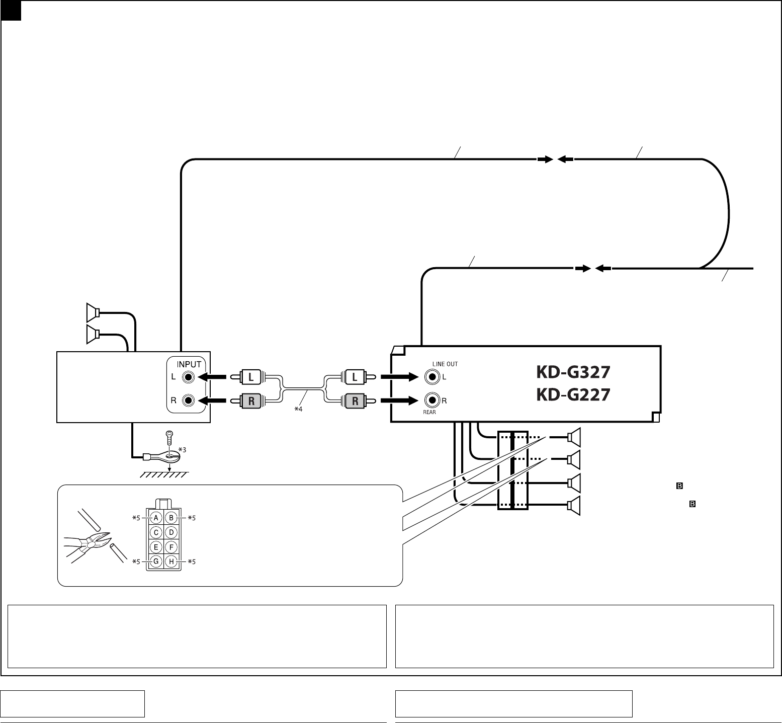
Connecting the external amplifier / Подключение внешних усилителей
You can connect an amplifier to upgrade your car stereo system.
• Connect the remote lead (blue with white stripe) to the remote lead of the other equipment so that it
can be controlled through this unit.
• Disconnect the speakers from this unit, connect them to the amplifier. Leave the speaker
leads of this unit unused.
*3 Firmly attach the ground wire to the metallic body or to the chassis of the car—to the place not coated with
paint (if coated with paint, remove the paint before attaching the wire). Failure to do so may cause damage to
the unit.
*4
Signal cord (not supplied for this unit)
Можно подключить усилители для обновления автомобильной стереосистемы.
•
Подсоедините провод внешнего устройства (синий с белой полосой) к проводу внешнего
устройства другого оборудования так, чтобы им можно было управлять с этого устройства.
• Отсоедините громкоговорители от данного устройства, подключите их к усилителю.
Оставьте провода громкоговорителей данного устройства неиспользованными.
Rear speakers
Задние
громкоговорители
JVC Amplifier
JVC-усилитель
Remote lead
Провод внешнего устройства
Y-connector (not supplied for this unit)
Разъем Y (не входит в комплект поставки)
Remote lead (Blue with white stripe)
Провод внешнего устройства (Синий с белой полосой)
To the remote lead of other equipment or power aerial if any
К удаленному проводу другого оборудования или антенны
*3 Плотно прикрепите заземляющий провод к металлическому кузову или шасси
автомобиля—в месте, не покрытом краской (если оно покрыто краской, удалите краску
перед тем, как прикреплять провод). Невыполнение этого требования может привести к
повреждению данного устройства.
*4 Кабель сигнала (не входит в комплект поставки)
C
TROUBLESHOOTING
• The fuse blows.
* Are the red and black leads connected correctly?
• Power cannot be turned on.
* Is the yellow lead connected?
• No sound from the speakers.
* Is the speaker output lead short-circuited?
• Sound is distorted.
* Is the speaker output lead grounded?
* Are the “–” terminals of L and R speakers grounded in common?
• Noise interfere with sounds.
* Is the rear ground terminal connected to the car’s chassis using shorter and thicker cords?
• Unit becomes hot.
* Is the speaker output lead grounded?
* Are the “–” terminals of L and R speakers grounded in common?
• This unit does not work at all.
* Have you reset your unit?
BЫЯВЛЕНИЕ НЕИСПРАВНОСТЕЙ
• Сработал предохранитель.
* Правильно ли подключены черный и красный провода?
• Питание не включается.
* Подключен ли желтый провод?
• Звук не выводится через громкоговорители.
* Нет ли короткого замыкания на кабеле выхода громкоговорителей?
• Звук искажен.
* Заземлен ли провод выхода громкоговорителей?
* Заземлены ли разъемы “–” правого (R) и левого (L) громкоговорителей?
• Шум мешает звучанию.
* Соединен ли находящийся сзади зажим заземления с шасси автомобиля с помощью более
короткого и тонкого шнуров?
• Устройство нагревается.
* Заземлен ли провод выхода громкоговорителей?
* Заземлены ли разъемы “–” правого (R) и левого (L) громкоговорителей?
• Приемник не работает.
* Выполнена ли перенастройка приемника?
Front speakers (see diagram )
Передние
громкоговорители (см. схему )
Rear speakers
Задние
громкоговорители
*5 Cut the rear speaker leads of the car’s
ISO connector and connect them to the
amplifier.
*5
Отрежьте провода задних
громкоговорителей разъема ISO и
подсоеди ните их к усилителю.
Instal3-4_KD-G327_002A_f.indd 4Instal3-4_KD-G327_002A_f.indd 4 10/13/05 10:28:02 AM10/13/05 10:28:02 AM