Jvc Kd Pdr30 Installation Manual Install1 2_KD APD38[J]1
KD-APD38J Installation Manual GET0467-002A
KD-APD38J KD-APD38J GET0467-002A English, French, Spanish, INSTALLATION MANUAL
KD-PDR30J KD-PDR30J GET0467-002A English, French, Spanish, INSTALLATION MANUAL
2015-07-14
: Jvc Jvc-Kd-Pdr30-Installation-Manual-772906 jvc-kd-pdr30-installation-manual-772906 jvc pdf
Open the PDF directly: View PDF
.
Page Count: 4

1
KD-APD38/KD-PDR30
Installation/Connection Manual
Manual de instalación/conexión
Manuel d’installation/raccordement
GET0467-002A
[J]
L
Handles
Manijas
Poignées
H
Washer (ø5)
Arandela (ø5)
Rondelle (ø5)
I
Lock nut (M5)
Tuerca de seguridad (M5)
Ecrou d’arrêt (M5)
J
Mounting bolt—M5 × 20 mm (M5 × 13/16")
Perno de montaje—M5 × 20 mm
(M5 × 13/16 pulgada)
Boulon de montage—M5 × 20 mm
(M5 × 13/16 pouces)
K
Rubber cushion
Cojín de goma
Amortisseur en
caoutchouc
A / B
Hard case/Control panel
Estuche duro/Panel de control
Etui de transport/Panneau de commande
C
Sleeve
Cubierta
Manchon
D
Trim plate
Placa de guarnición
Plaque d’assemblage
E
Power cord
Cordón de alimentación
Cordon d’alimentation
ENGLISH
This unit is designed to operate on 12 V DC, NEGATIVE ground
electrical systems. If your vehicle does not have this system, a
voltage inverter is required, which can be purchased at JVC car audio
dealers.
Parts list for installation and connection
The following parts are provided for this unit. If any item is missing,
consult your JVC car audio dealer immediately.
ESPAÑOL
Esta unidad está diseñada para funcionar con 12 V de CC, con
sistemas eléctricos de masa NEGATIVA. Si su vehículo no posee
este sistema, será necesario un inversor de tensión, que puede ser
adquirido en los concesionarios de JVC de equipos de audio para
automóviles.
Lista de piezas para instalación y conexión
Con esta unidad se suministran las siguientes piezas. Si hay algún
elemento faltante, consulte inmediatamente con su concesionario de
JVC de equipos de audio para automóviles.
M
Remote controller
Control remoto
Télécommande
N
Battery
Pila
Pile
FRANÇAIS
Cet appareil est conçu pour fonctionner sur des sources de courant
continu de 12 V à masse NEGATIVE. Si votre véhicule n’offre pas ce
type d’alimentation, il vous faut un convertisseur de tension, que vous
pouvez acheter chez un revendeur d’autoradios JVC.
Liste des pièces pour l’installation et
raccordement
Les pièces suivantes sont fournies avec cet appareil. Si quelque chose
manquait, consultez votre revendeur autoradio JVC immédiatement.
1206DTSMDTJEIN
EN, SP, FR
PRECAUTIONS on power supply and speaker
connections:
• DO NOT connect the speaker leads of the power cord to the
car battery; otherwise, the unit will be seriously damaged.
• BEFORE connecting the speaker leads of the power cord to the
speakers, check the speaker wiring in your car.
PRECAUCIONES sobre las conexiones de la
fuente de alimentación y de los altavoces:
• NO conecte los conductores de altavoz del cable de
alimentación a la batería de automóvil, pues podrían
producirse graves daños en la unidad.
• ANTES de conectar a los altavoces los conductores de altavoz del
cable de alimentación, verifique el conexionado de altavoz de su
automóvil.
PRECAUTIONS sur l’alimentation et la
connexion des enceintes:
• NE CONNECTEZ PAS les fils d’enceintes du cordon
d’alimentation à la batterie; sinon, l’appareil serait
sérieusement endommagé.
• AVANT de connecter les fils d’enceintes du cordon d’alimentation
aux enceintes, vérifiez le câblage des enceintes de votre voiture.
© 2006 Victor Company of Japan, Limited
Heat sink
Sumidero térmico
Dissipateur de chaleur
WARNINGS
To prevent short circuits, we recommend that you disconnect the
battery’s negative terminal and make all electrical connections before
installing the unit.
• Be sure to ground this unit to the car’s chassis again after
installation.
Notes:
• Replace the fuse with one of the specified rating. If the fuse blows
frequently, consult your JVC car audio dealer.
• It is recommended to connect to the speakers with maximum
power of more than 50 W (both at the rear and at the front, with an
impedance of 4 Ω to 8 Ω). If the maximum power is less than 50 W,
change “AMP GAIN” setting to prevent the speakers from being
damaged (see page 15 of the INSTRUCTIONS).
• To prevent short-circuit, cover the terminals of the UNUSED leads
with insulating tape.
• The heat sink becomes very hot after use. Be careful not to touch it
when removing this unit.
ADVERTENCIAS
Para evitar cortocircuitos, recomendamos que desconecte el terminal
negativo de la batería y que efectúe todas las conexiones eléctricas
antes de instalar la unidad.
• Asegúrese de volver a conectar a masa esta unidad al chasis
del automóvil después de la instalación.
Notas:
• Reemplace el fusible por uno con la corriente especificada. Si el
fusible se quemase frecuentemente consulte con su concesionario
de JVC de equipos de audio para automóviles.
• Se recomienda conectar los altavoces con una potencia máxima
de más de 50 W (tanto atrás como adelante, con una impedancia
de 4 Ω a 8 Ω). Si la potencia máxima es de menos de 50 W, cambie
“AMP GAIN” para evitar daños en los altavoces (consulte la página 15
del MANUAL DE INSTRUCCIONES).
• Para evitar cortocircuitos, cubra los cables NO UTILIZADOS con cinta
aislante.
• El sumidero térmico estará muy caliente después del uso. Asegúrese
de no tocarlo al desmontar esta unidad.
AVERTISSEMENTS
Pour éviter tout court-circuit, nous vous recommandons de débrancher
la borne négative de la batterie et d’effectuer tous les raccordements
électriques avant d’installer l’appareil.
• Assurez-vous de raccorder de nouveau la mise à la masse de
cet appareil au châssis de la voiture après l’installation.
Remarques:
• Remplacer le fusible par un de la valeur précisée. Si le fusible saute
souvent, consulter votre revendeur d’autoradios JVC.
• Il est recommandé de connecter des enceintes avec une puissance de
plus de 50 W (les enceintes arrière et les enceintes avant, avec une
impédance comprise entre 4 Ω et 8 Ω). Si la puissance maximum est
inférieure à 50 W, changez “AMP GAIN” pour éviter d’endommager
vos enceintes (voir page 15 du MANUAL D’INSTRUCTIONS).
• Pour éviter les court-circuits, couvrir les bornes des fils qui ne sont
PAS UTILISÉS avec de la bande isolante.
• Le dissipateur de chaleur devient très chaud après usage. Faire
attention de ne pas le toucher en retirant cet appareil.
F
Connection cable for iPod
Cable de conexión para iPod
Câble de connexion pour iPod
G
Cable tie
Sujetacables
Collier pour câble
Install1-2_KD-APD38[J]1.indd 1Install1-2_KD-APD38[J]1.indd 1 11/9/06 10:31:18 AM11/9/06 10:31:18 AM

2
When using the optional stay / Cuando emplea un
soporte opcional / Lors de l’utilisation du hauban en
option
Note : When installing the unit on the mounting bracket, make sure to use the 8 mm (3/8") -long screws. If longer
screws are used, they could damage the unit.
Nota : Cuando instala la unidad en la ménsula de montaje, asegúrese de utilizar los tornillos de 8 mm (3/8 pulgada) de
longitud. Si se utilizan tornillos más largos, éstos pueden dañar la unidad.
Remarque : Lors de l’installation de l’appareil sur le support de montage, s’assurer d’utiliser des vis d’une longueur de 8 mm
(3/8 pouces). Si des vis plus longues sont utilisées, elles peuvent endommager l’appareil.
Bracket*2
Ménsula*2
Support*2
Pocket
Compartimiento
Poche
Flat type screws—M5 × 8 mm (M5 × 3/8")*2
Tornillos tipo plano—M5 × 8 mm (M5 × 3/8 pulgada)*2
Vis à tête plate—M5 × 8 mm (M5 × 3/8 pouces)*2
Screw (option)
Tornillo (opción)
Vis (en option)
Stay (option)
Soporte (opción)
Hauban (en option)
Fire wall
Tabique a prueba de incendios
Cloison
Dashboard
Tablero de instrumentos
Tableau de bord
Install the unit at an angle of less than 30˚.
Instale la unidad a un ángulo de menos de 30˚.
Installez l’appareil avec un angle de moins de 30˚.
Removing the unit
Before removing the unit, release the rear section.
Extracción de la unidad
Antes de extraer la unidad, libere la sección trasera.
Insert the two handles, then pull them as
illustrated so that the unit can be removed.
Inserte las dos manijas y, a continuación,
extráigalas de la manera indicada en la ilustración
para poder desmontar la unidad.
Insérez les deux poignées, puis tirez de la façon
illustrée de façon à retirer l’appareil.
Retrait de l’appareil
Avant de retirer l’appareil, libérer la section arrière.
Do the required electrical connections.
Realice las conexiones eléctricas requeridas.
Réalisez les connexions électriques.
Bend the appropriate tabs to hold the
sleeve firmly in place.
Doble las lengüetas apropiadas para
retener firmemente la manga en su lugar.
Tordez les languettes appropriées pour
maintenir le manchon en place.
INSTALLATION
(IN-DASH MOUNTING)
The following illustration shows a typical installation. If you have any
questions or require information regarding installation kits, consult
your JVC car audio dealer or a company supplying kits.
• If you are not sure how to install this unit correctly, have it installed
by a qualified technician.
INSTALACION (MONTAJE EN EL
TABLERO DE INSTRUMENTOS)
La siguiente ilustración muestra una instalación típica. Si tiene alguna
pregunta o necesita información acerca de las herramientas para
instalación, consulte con su concesionario de JVC de equipos de audio
para automóviles o a una compañía que suministra tales herramientas.
• Si usted no está seguro de cómo instalar correctamente la unidad,
hágala instalar por un técnico cualificado.
INSTALLATION (MONTAGE
DANS LE TABLEAU DE BORD)
L’illustration suivante est un exemple d’installation typique. Si
vous avez des questions ou avez besoin d’information sur des kits
d’installation, consulter votre revendeur d’autoradios JVC ou une
compagnie d’approvisionnement.
• Si l’on n’est pas sûr de pouvoir installer correctement cet appareil, le
faire installer par un technicien qualifié.
Flat type screws—M5 × 8 mm (M5 × 3/8")*2
Tornillos tipo plano—M5 × 8 mm (M5 × 3/8 pulgada)*2
Vis à tête plate—M5 × 8 mm (M5 × 3/8 pouces)*2
Bracket*2
Ménsula*2
Support*2
When installing the unit without using the sleeve / Instalación de la unidad sin utilizar
la cubierta / Lors de l’installation de l’appareil scans utiliser de manchon
In a Toyota car for example, first remove the car radio and install the unit in its place.
En un automóvil Toyota, por ejemplo, en primer lugar desmonte el autorradio e instale la unidad en su lugar.
Dans une voiture Toyota, par exemple, retirez d’abord l’autoradio et installez l’appareil à sa place.
*1 When you stand the unit, be careful not to damage the fuse on the
rear.
*2 Not supplied for this unit.
*1 Al poner la unidad vertical, tenga cuidado de no dañar el fusible
provisto en la parte posterior.
*2 No suministrado con esta unidad.
*1 Lorsque vous mettez l’appareil à la verticale, faire attention de ne pas
endommager le fusible situé sur l’arrière.
*2 Non fourni avec cet appareil.
Install1-2_KD-APD38[J]1.indd 2Install1-2_KD-APD38[J]1.indd 2 11/9/06 10:31:25 AM11/9/06 10:31:25 AM

3
A
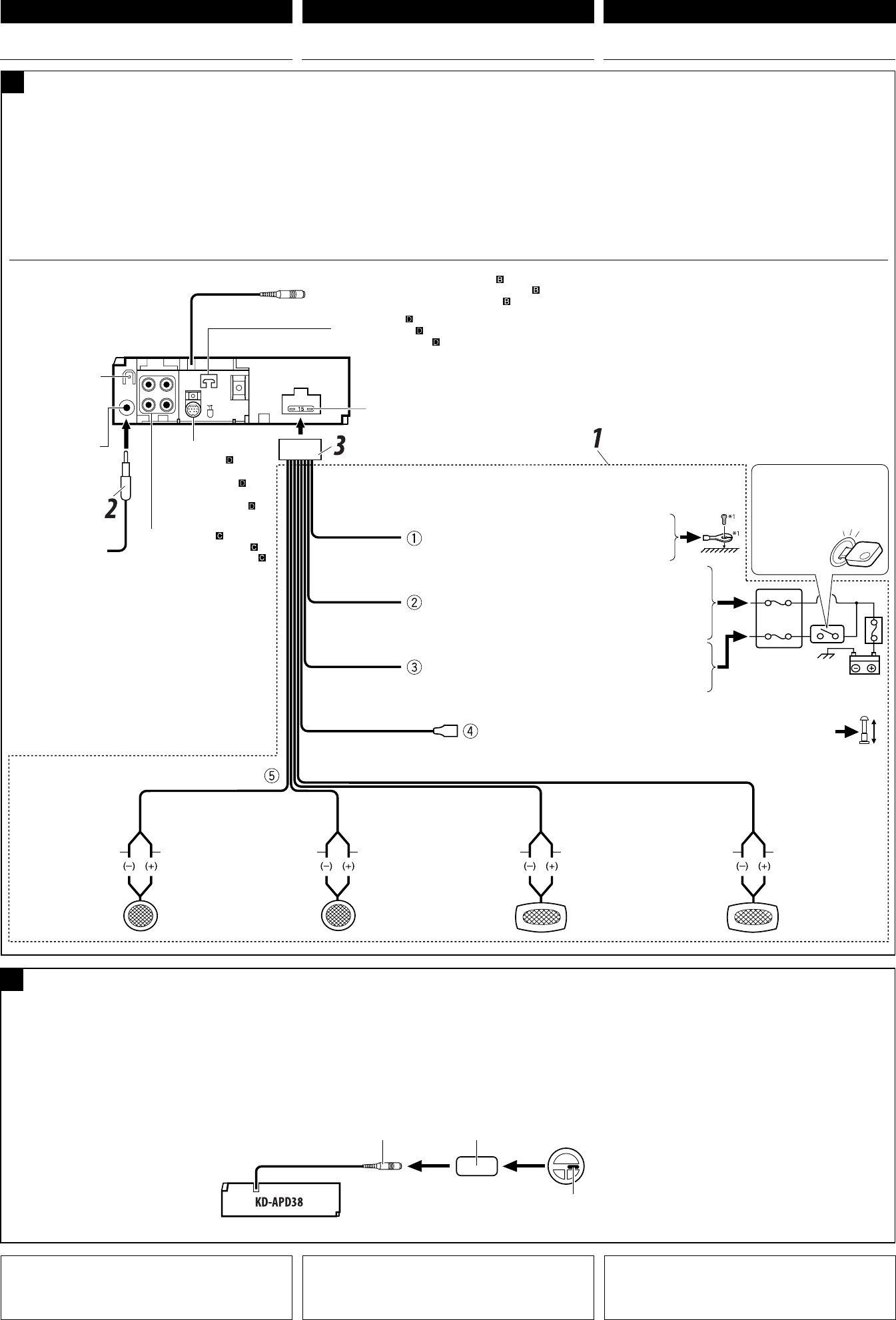
Typical connections / Conexiones tipicas / Raccordements typiques
Before connecting: Check the wiring in the vehicle carefully.
Incorrect connection may cause serious damage to this unit.
The leads of the power cord and those of the connector from the car
body may be different in color.
1 Connect the colored leads of the power cord in the order
specified in the illustration below.
2 Connect the antenna cord.
3 Finally connect the wiring harness to the unit.
ENGLISH
Antes de la conexión: Verifique atentamente el conexionado del
vehículo. Una conexión incorrecta podría producir daños graves en la
unidad.
Los cordones del cable de alimentación y los del conector procedentes
de la carrocería del automóvil podrían ser de diferentes en color.
1 Conecte los conductores de color del cable de alimentación en el
orden especificado en la ilustración de abajo.
2 Conecte el cable de antena.
3 Por último, conecte el cable de alimentación a la unidad.
ESPAÑOL FRANÇAIS
Avant de commencer la connexion: Vérifiez attentivement le
câblage du véhicule. Une connexion incorrecte peut endommager
sérieusement l’appareil.
Le fil du cordon d’alimentation et ceux des connecteurs du châssis de
la voiture peuvent être différents en couleur.
1 Connectez les fils colorés du cordon d’alimentation dans l’ordre
spécifié sur l’illustration ci-dessous.
2 Connectez le cordon d’antenne.
3 Finalement, connectez le faisceau de fils à l’appareil.
ELECTRICAL CONNECTIONS CONEXIONES ELECTRICAS RACCORDEMENTS ELECTRIQUES
*1 Not supplied for this unit.
*2 Before checking the operation of this unit prior to installation, this
lead must be connected, otherwise power cannot be turned on.
*1 No suministrado con esta unidad.
*2 Antes de comprobar el funcionamiento de esta unidad previa a de
la instalación, es necesario conectar este cable, de lo contrario no se
podrá conectar la alimentación.
*1 Non fourni avec cet appareil.
*2 Pour vérifier le fonctionnement de cet appareil avant installation, ce fil
doit être raccordé, sinon l’appareil ne peut pas être mis sous tension.
B Connecting to the steering wheel remote controller (only for KD-APD38) /
Conexión al control remoto del volante de dirección
(sólo para
KD-APD38) / Connexion de la télécommande de volant (seulement pour le KD-APD38)
If your car is equipped with the steering wheel remote controller,
you can operate this unit using the controller. For connection, an
exclusive remote adapter (not supplied) which matches your car is
required. For details, consult the same car audio dealer as where the
unit is purchased.
Steering wheel remote input
Entrada del control remoto del volante de dirección
Entrée de la télécommande de volant
Steering wheel remote controller (equipped in the car)
Control remoto del volante de dirección (equipado en el vehículo)
Télécommande de volant (installée dans la voiture)
Remote adapter *1
Adaptador para remoto exclusivo *1
Adaptateur pour télécommande spécialisé *1
Line out (see diagram )
Salida de línea (véase diagrama )
Sortie de ligne (voir le diagramme )
Rear ground terminal
Terminal de tierra
posterior
Borne arrière de masse
iPod jack
(see diagram )
Jack del iPod
(véase diagrama )
Prise iPod
(voir le diagramme )
15 A fuse
Fusible de 15 A
Fusible 15 A
Black
Negro
Noir
Blue with white stripe
Azul con rayas blancas
Bleu avec bande blanche
Red
Rojo
Rouge
Yellow *2
Amarillo *2
Jaune *2
To metallic body or chassis of the car
A un cuerpo metálico o chasis del automóvil
Vers corps métallique ou châssis de la voiture
Ignition switch
Interruptor de encendido
Interrupteur d’allumage
Fuse block
Bloque de fusibles
Porte-fusible
To an accessory terminal in the fuse block
A un terminal accesorio del bloque de fusibles
Vers borne accessoire du porte-fusible
Left speaker (front)
Altavoz izquierdo (frontal)
Enceinte gauche (avant)
Right speaker (front)
Altavoz derecho (frontal)
Enceinte droit (avant)
Left speaker (rear)
Altavoz izquierdo (trasero)
Enceinte gauche (arrière)
Right speaker (rear)
Altavoz derecho (trasero)
Enceinte droit (arrière)
Purple
Púrpura
Violet
Purple with black stripe
Púrpura con rayas negras
Violet avec bande noire
Green
Verde
Vert
Green with black stripe
Verde con rayas negras
Vert avec bande noire
Gray
Gris
Gris
Gray with black stripe
Gris con rayas negras
Gris avec bande noire
White
Blanco
Blanc
White with black stripe
Blanco con rayas negras
Blanc avec bande noire
To a live terminal in the fuse block connecting to the car battery
(bypassing the ignition switch) (constant 12 V)
A un terminal activo del bloque de fusibles conectado a la batería del
automóvil (desviando el interruptor de encendido) (12 V constantes)
A une borne sous tension du porte-fusible connectée à la batterie de la
voiture (en dérivant l’interrupteur d’allumage) (12 V constant)
To the remote lead of other equipment or automatic antenna if any (200 mA max.)
Al conductor remoto de otro equipo o de la antena automática, si hubiere (máx. 200 mA)
Au fil de télécommande de l’autre appareil ou à l’antenne automatique s’il y en a une
(200 mA max.)
To steering wheel remote controller (see diagram )—only for KD-APD38
Al control remoto del volante de dirección (véase diagrama )—sólo para KD-APD38
Pour la télécommande de volant (voir le diagramme )—seulement pour le KD-APD38
Loop (see diagram )
Lazo (véase diagrama )
Boucle (voir le diagramme )
Si votre voiture est équipée d’une télécommande de volant, vous
pouvez commander cet autoradio en utilisant cette télécommande.
Pour la connexion, vous avez besoin d’un adaptateur de
télécommande spécialisé (non fourni) correspondant à votre voiture.
Pour en savoir plus, consultez le revendeur autoradio où vous avez
acheté votre autoradio.
Si su automóvil está equipado con control remoto en el volante de
dirección, podrá controlar este receptor utilizando el control remoto.
Para la conexión, se requiere un adaptador remoto exclusivo (no
suministrado) que sea adecuado para su automóvil. Para los detalles,
consulte con el concesionario car audio donde compró el receptor.
Antenna terminal
Terminal de la antena
Borne de l’antenne
Install3-4_KD-APD38[J]2.indd 3Install3-4_KD-APD38[J]2.indd 3 12/7/06 4:25:04 PM12/7/06 4:25:04 PM

4
Set “L/O MODE” to “REAR” (See page 15
of the INSTRUCTIONS.)
Ajuste “L/O MODE” a “REAR” (Consulte
la página 15 del MANUAL DE
INSTRUCCIONES.)
Réglez “L/O MODE” sur “REAR” (Voir
page 15 du MANUEL D’INSTRUCTIONS.)
C
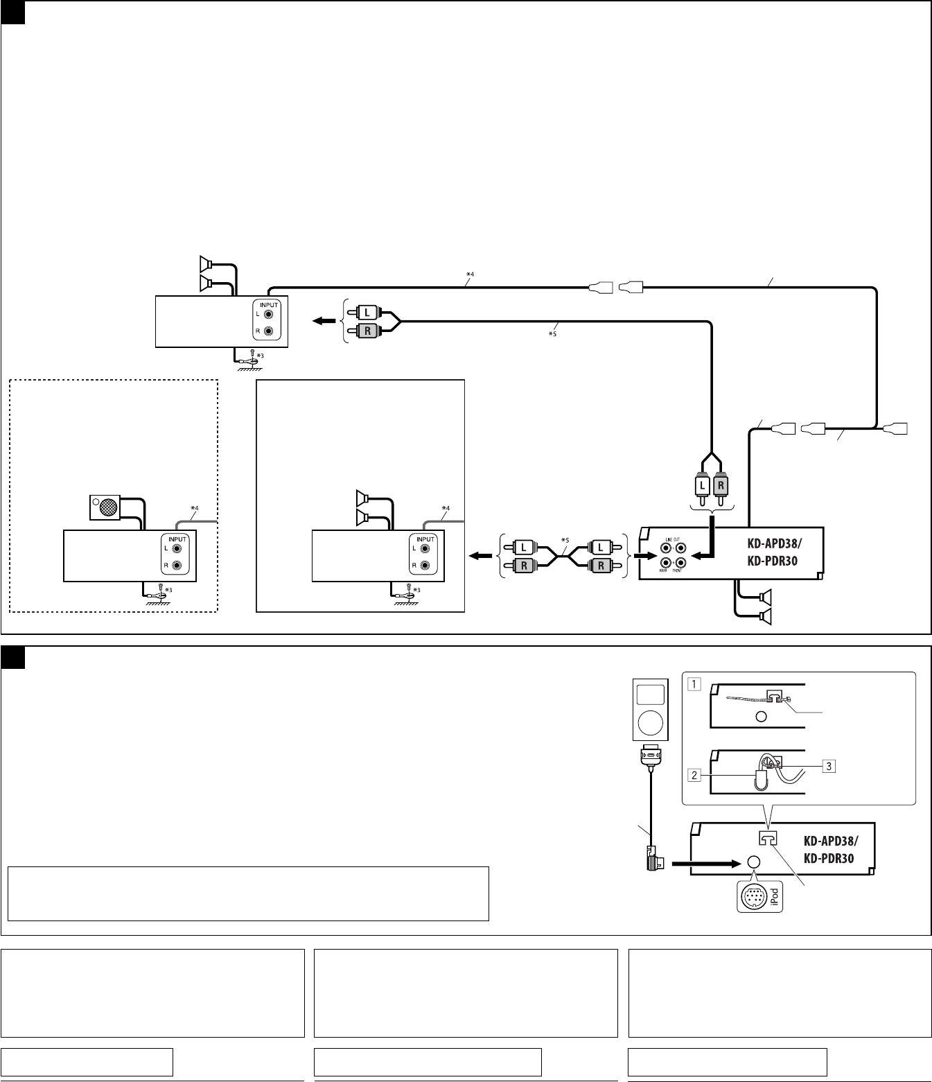
Connecting the external amplifiers and/or subwoofer / Conexión de los amplificadores y/o subwoofer externos / Connexion
d’amplificateurs extérieurs et/ou d’un caisson de grave
You can connect amplifiers to upgrade your car stereo system.
• Connect the remote lead (blue with white stripe) to the remote
lead of the other equipment so that it can be controlled through
this unit.
• Disconnect the speakers from this unit, connect them to the
amplifier. Leave the speaker leads of this unit unused.
• For KD-APD38: The line output level of this unit is kept high to
maintain the hi-fi sounds reproduced from this unit.
When connecting an external amplifier to this unit, turn down
the gain control on the external amplifier to obtain the best
performance from this unit.
Usted podrá conectar amplificadores para mejorar el sistema estéreo
de su automóvil.
•
Conecte el conductor remoto (azul con rayas blancas) al conductor
remoto del otro equipo para poderlo controlar a través de esta unidad.
• Desconecte los altavoces de esta unidad y conéctelos al
amplificador. Los cables de los altavoces de esta unidad
quedan sin usar.
• Para KD-APD38: El nivel de salida de línea de esta unidad permanece
alto para que corresponda con los sonidos de alta fidelidad
reproducidos por esta unidad.
Cuando conecte un amplificador externo a esta unidad, disminuya
el control de ganancia del amplificador externo para obtener un
óptimo rendimiento de esta unidad.
Vous pouvez connecter des amplificateurs pour améliorer votre
système autoradio.
• Connectez le fil de commande à distance (bleu avec bande blanche)
au fil de commande à distance de l’autre appareil de façon qu’il
puisse être commandé via cet appareil.
• Déconnectez les enceintes de cet appareil et connectez-les
à l’amplificateur. Laissez les fils d’enceintes de cet appareil
inutilisés.
• Pour le KD-APD38: Le niveau de sortie de ligne de cet appareil est
maintenu à un niveau élevé pour maintenir une qualité Hi-Fi pour
les sons reproduits par cet appareil.
Lors de la connexion d’un amplificateur extérieur à cet appareil,
diminuez le réglage du gain sur l’amplificateur extérieur pour
obtenir les meilleures performances de cet appareil.
Remote lead (blue with white stripe)
Cable remoto (azul con rayas blancas)
Fil d’alimentation à distance (bleu
avec bande blanche)
To the remote lead of other equipment or
automatic antenna if any
Al conductor remoto de otro equipo o de
la antena automática, si hubiere
Au fil de télécommande de l’autre appareil
ou à l’antenne automatique s’il y en a une
Front speakers
Altavoces delanteros
Enceintes avant
JVC Amplifier
Amplificador de JVC
JVC Amplificateur
Set “L/O MODE” to “WOOFER” (See page
15 of the INSTRUCTIONS.)
Ajuste “L/O MODE” a “WOOFER”
(Consulte la página 15 del MANUAL DE
INSTRUCCIONES.)
Réglez “L/O MODE” sur “WOOFER”
(Voir
page 15 du MANUEL D’INSTRUCTIONS.)
Subwoofer
Subwoofer
Caisson de grave
Rear speakers
Altavoces posteriores
Enceintes arrière
or
o
ou
*3 Fije firmemente el cable de tierra a la carrocería metálica o al chasis—a
un lugar no cubierto con pintura (si está cubierto con pintura, quítela
antes de fijar el cable). De lo contrario, se podrían producir daños en la
unidad.
*4 Cable remoto
*5 Cable de señal (no suministrado con esta unidad).
*3 Attachez solidement le fil de mise à la masse au châssis métallique de
la voiture—à un endroit qui n’est pas recouvert de peinture (s’il est
recouvert de peinture, enlevez d’abord la peinture avant d’attacher le fil).
L’appareil peut être endommagé si cela n’est pas fait correctement.
*4 Fil d’alimentation à distance
*5 Cordon de signal (non fourni avec cet appareil).
Y-connector (not supplied for this unit)
Conector en Y (no suministrado con esta unidad)
Connecteur Y (non fourni avec cet appareil)
*3 Firmly attach the ground wire to the metallic body or to the chassis of
the car—to the place uncoated with paint (if coated with paint, remove
the paint before attaching the wire). Failure to do so may cause damage
to the unit.
*4 Remote lead
*5 Signal cord (not supplied for this unit).
TROUBLESHOOTING
• The fuse blows.
* Are the red and black leads connected correctly?
• Power cannot be turned on.
* Is the yellow lead connected?
• No sound from the speakers.
* Is the speaker output lead short-circuited?
• Sound is distorted.
* Is the speaker output lead grounded?
* Are the “–” terminals of L and R speakers grounded in common?
• Noise interfere with sounds.
* Is the rear ground terminal connected to the car’s chassis using
shorter and thicker cords?
• This unit becomes hot.
* Is the speaker output lead grounded?
* Are the “–” terminals of L and R speakers grounded in common?
• This unit does not work at all.
* Have you reset your unit?
LOCALIZACION DE AVERIAS
• El fusible se quema.
* ¿Están los conductores rojo y negro correctamente conectados?
• No es posible conectar la alimentación.
* ¿Está el cable amarillo conectado?
• No sale sonido de los altavoces.
* ¿Está el cable de salida del altavoz cortocircuitado?
• El sonido presenta distorsión.
* ¿Está el cable de salida del altavoz conectado a masa?
* ¿Están los terminales “–” de los altavoces L y R conectados a una
masa común?
• Perturbación de ruido.
* ¿El terminal de tierra trasero está conectado al chasis del automóvil
utilizando los cordones más corto y más grueso?
• Esta unidad se calienta.
* ¿Está el cable de salida del altavoz conectado a masa?
* ¿Están los terminales “–” de los altavoces L y R conectados a una
masa común?
• Esta unidad no funciona en absoluto.
* ¿Reinicializó la unidad?
EN CAS DE DIFFICULTES
• Le fusible saute.
* Les fils rouge et noir sont-ils racordés correctement?
• L’appareil ne peut pas être mise sous tension.
* Le fil jaune est-elle raccordée?
• Pas de son des enceintes.
* Le fil de sortie d’enceinte est-il court-circuité?
• Le son est déformé.
* Le fil de sortie d’enceinte est-il à la masse?
* Les bornes “–” des enceintes gauche et droit sont-elles mises ensemble
à la masse?
• Interférence avec les sons.
* La prise arrière de mise à la terre est-elle connectée au châssis de la
voiture avec un cordon court et épais?
• Cet appareil devient chaud.
* Le fil de sortie d’enceinte est-il à la masse?
* Les bornes “–” des enceintes gauche et droit sont-elles mises ensemble
à la masse?
• Cet appareil ne fonctionne pas du tout.
* Avez-vous réinitialisé votre appareil?
JVC Amplifier
Amplificador de JVC
JVC Amplificateur
JVC Amplifier
Amplificador de JVC
JVC Amplificateur
D
Front speakers
Altavoces delanteros
Enceintes avant
iPod is a trademark of Apple Computer, Inc., registered in the U.S. and other countries.
iPod es una marca comercial de Apple Computer, Inc., registrada en los EE.UU. y otros países.
iPod est une marque de commerce d’Apple Computer, Inc., enregistrée aux États-Unis et dans les autres pays.
Connecting an Apple iPod / Conexión del Apple iPod / Connexion d’un iPod Apple
Connection cable for iPod (supplied)
Cable de conexión para iPod (suministrado)
Câble de connexion pour iPod (fourni)
Apple iPod (separately purchased)
Apple iPod (adquirido separadamente)
iPod Apple (vendu séparément)
You can connect an iPod to this unit using the supplied connection cable for iPod.
1 Insert the supplied cable tie across the loop.
2 Press in the head of the connection cable for iPod until you hear a clicking sound.
3 Fasten the connection cable using the cable tie to firmly hold the connection cable in place.
Puede conectar el iPod a esta unidad mediante el cable de conexión de iPod suministrado.
1 Inserte el sujetacables suministrado a través del lazo.
2 Presione la cabeza del cable de conexión para iPod hasta escuchar un chasquido.
3 Sujete el cable de conexión utilizando el sujetacables de manera que quede firmemente
retenido en su lugar.
Vous pouvez connecter un iPod à cet appareil en utilisant le câble de connexion du iPod fourni.
1 Insérez le collier pour câble fourni dans la boucle.
2 Faite pression sur la tête du câble de connexion pour iPod jusqu’à ce que vous entendiez un déclic.
3 Fixez le câble de connexion en utilisant le collier pour câble pour le maintenir solidement le câble
de connexion en place.
Cable tie
Sujetacables
Collier pour câble
Loop
Lazo
Boucle
Install3-4_KD-APD38[J]2.indd 4Install3-4_KD-APD38[J]2.indd 4 12/27/06 4:46:23 PM12/27/06 4:46:23 PM