Jvc Kd S12 Users Manual S12[J]
KD-S12 to the manual a855cae5-9568-4c33-a8b0-d39eb446f65a
2015-01-26
: Jvc Jvc-Kd-S12-Users-Manual-321149 jvc-kd-s12-users-manual-321149 jvc pdf
Open the PDF directly: View PDF
.
Page Count: 20

ENGLISHESPAÑOL
CD RECEIVER KD-S12
RECEPTOR CON CD KD-S12
For canceling the display demonstration, see page 7.
Para cancelar la demostración en pantalla, consulte la página 7.
For installation and connections, refer to the separate manual.
Para la instalación y las conexiones, refiérase al manual separado.
INSTRUCTIONS
MANUAL DE INSTRUCCIONES
For customer Use:
Enter below the Model
No. and Serial No. which
are located on the top or
bottom of the cabinet.
Retain this information for
future reference.
Model No.
Serial No.
GET0317-001A
[J]
Cover_KD-S12[J]f.indd 2Cover_KD-S12[J]f.indd 2 7/11/05 4:01:23 PM7/11/05 4:01:23 PM

2
ENGLISH
Thank you for purchasing a JVC product.
Please read all instructions carefully before operation, to ensure your complete understanding and
to obtain the best possible performance from the unit.
INFORMATION (For U.S.A.)
This equipment has been tested and found to comply with the limits for a Class B digital device,
pursuant to Part 15 of the FCC Rules. These limits are designed to provide reasonable protection
against harmful interference in a residential installation. This equipment generates, uses, and can
radiate radio frequency energy and, if not installed and used in accordance with the instructions,
may cause harmful interference to radio communications. However, there is no guarantee that
interference will not occur in a particular installation. If this equipment does cause harmful
interference to radio or television reception, which can be determined by turning the equipment
off and on, the user is encouraged to try to correct the interference by one or more of the
following measures:
– Reorient or relocate the receiving antenna.
– Increase the separation between the equipment and unit.
– Connect the equipment into an outlet on a circuit different from that to which the receiver is
connected.
– Consult the dealer or an experienced radio/TV technician for help.
IMPORTANT FOR LASER PRODUCTS
1. CLASS 1 LASER PRODUCT
2. CAUTION: Do not open the top cover. There are no user serviceable parts inside the unit; leave
all servicing to qualified service personnel.
3. CAUTION: Visible and invisible laser radiation when open and interlock failed or defeated.
Avoid direct exposure to beam.
Warning:
If you need to operate the unit while driving,
be sure to look ahead carefully or you may
be involved in a traffic accident.
How to reset your unit
• This will reset the microcomputer. Your
preset adjustments will also be erased.
• If a disc is loaded, it will eject. Be careful
not to drop the disc.
How to forcibly eject a disc
If a disc cannot be recognized or cannot be
ejected, eject the disc as follows.
• If this does not work, reset your unit.
• Be careful not to drop the disc when it
ejects.
EN02-05_KD-S12[J]f.indd 2EN02-05_KD-S12[J]f.indd 2 7/11/05 4:01:39 PM7/11/05 4:01:39 PM

3
ENGLISH
How to reset your unit ........................... 2
How to forcibly eject a disc ................... 2
How to read this manual ........................ 4
How to use the MODE button ............... 4
How to detach/attach the control
panel ................................................... 4
Control panel — KD-S12 ........... 5
Parts identification ................................. 5
Getting started ....................... 6
Basic operations .................................. 6
Canceling the display demonstrations ... 7
Setting the clock .................................... 7
Radio operations ................... 8
Listening to the radio ........................... 8
Storing stations in memory .................... 8
Listening to a preset station ................... 9
Disc operations ...................... 10
Playing a disc ..................................... 10
Selecting the playback modes ................ 11
Sound adjustments ................ 12
Selecting preset sound modes
(C-EQ: custom equalizer) .................. 12
Adjusting the sound ............................... 12
General settings — PSM ......... 13
Basic procedure ..................................... 13
Maintenance .......................... 14
More about this unit ............... 15
Troubleshooting ..................... 16
Specifications ......................... 17
For safety....
• Do not raise the volume level too much, as
this will block outside sounds, making driving
dangerous.
• Stop the car before performing any
complicated operations.
Contents
Temperature inside the car....
If you have parked the car for a long time in
hot or cold weather, wait until the temperature
in the car becomes normal before operating the
unit.
EN02-05_KD-S12[J]f.indd 3EN02-05_KD-S12[J]f.indd 3 7/11/05 4:01:47 PM7/11/05 4:01:47 PM

4
ENGLISH
How to read this manual
The following methods are used to make the
explanations simple and easy-to-understand:
• Some related tips and notes are explained in
“More about this unit” (see page 15).
• Button operations are mainly explained with
the illustrations as follows:
Press briefly.
Press repeatedly.
Press either one.
Press and hold until
your desired response
begins.
Press and hold both
buttons at the same
time.
How to use the MODE button
If you press MODE, the unit goes into functions
mode, then the number buttons work as
different function buttons.
Ex.: When number button 2 works as
MO (monaural) button.
Time countdown indicator
To use these buttons for their original
functions again after pressing MODE, wait
for 5 seconds without pressing any of these
buttons until the functions mode is cleared.
• Pressing MODE again also clears the
functions mode.
How to detach/attach the control panel
Detaching....
Attaching....
EN02-05_KD-S12[J]f.indd 4EN02-05_KD-S12[J]f.indd 4 7/11/05 4:01:47 PM7/11/05 4:01:47 PM

5
ENGLISH
Control panel — KD-S12
1 +/– buttons
2 DISP (display) button
3 Loading slot
4 Display window
5 MODE button
6 0 (eject) button
7 ¢/4 buttons
8 (standby/on/attenuator) button
9 SEL (select) button
p MO (monaural) button
q SSM (Strong-station Sequential Memory)
button
w CD button
e FM/AM button
r RPT (repeat) button
t RND (random) button
y EQ (equalizer) button
u (control panel release) button
i Number buttons
Display window
o Tuner reception indicators
MO (monaural), ST (stereo)
; CD indicator
a RND (disc random) indicator
s RPT (repeat) indicator
d LOUD (loudness) indicator
f EQ (equalizer) indicator
g Sound mode (C-EQ: custom equalizer)
indicators
ROCK, CLASSIC, POPS, HIP HOP, JAZZ,
USER
• also works as the time countdown
indicator.
h Main display
j Source display
Volume level indicator
Parts identification
Display window
EN02-05_KD-S12[J]f.indd 5EN02-05_KD-S12[J]f.indd 5 7/11/05 4:01:48 PM7/11/05 4:01:48 PM

6
ENGLISH
Getting started
Basic operations
~
Ÿ
You cannot select “CD” as the playback
source if there is no disc in the loading
slot.
!
Volume level appears.
Volume level indicator
⁄ Adjust the sound as you want.
(See page 12.)
To drop the volume in a moment (ATT)
To restore the sound, press it
again.
To turn off the power
Caution on volume setting:
Discs produce very little noise compared
with other sources. Lower the volume
before playing a disc to avoid damaging
the speakers by the sudden increase of the
output level.
EN06-09_KD-S12[J]f.indd 6EN06-09_KD-S12[J]f.indd 6 7/11/05 4:02:00 PM7/11/05 4:02:00 PM

7
ENGLISH
Canceling the display
demonstrations
If no operations are done for about 20 seconds,
display demonstration starts.
[Initial: DEMO ON]—see page 13.
1
2
3
4 Finish the procedure.
To activate the display demonstration
In step 3 above...
Setting the clock
1
2 Set the hour and minute.
1 Select “CLOCK H” (hour), then
adjust the hour.
2 Select “CLOCK M” (minute),
then adjust the minute.
3 Finish the procedure.
To check the current clock time when the
power is turned off
EN06-09_KD-S12[J]f.indd 7EN06-09_KD-S12[J]f.indd 7 7/11/05 4:02:08 PM7/11/05 4:02:08 PM

8
ENGLISH
Radio operations
Listening to the radio
~
Lights up when receiving an FM stereo
broadcast with sufficient signal strength.
Selected band appears.
Ÿ Start searching for a station.
When a station is received, searching
stops.
To stop searching, press the same
button again.
To tune in to a station manually
In step Ÿ above...
1
2 Select the desired station frequencies.
When an FM stereo broadcast is hard to
receive
1
2
Lights up when monaural mode is activated.
Reception improves, but stereo effect will
be lost.
To restore the stereo effect, repeat the same
procedure so that the MO indicator goes off.
Storing stations in memory
You can preset six stations for each band.
FM station automatic presetting —
SSM (Strong-station Sequential
Memory)
1 Select the FM band (FM1 – FM3)
you want to store into.
2
EN06-09_KD-S12[J]f.indd 8EN06-09_KD-S12[J]f.indd 8 7/11/05 4:02:09 PM7/11/05 4:02:09 PM

9
ENGLISH
Listening to a preset station
1
2 Select the preset station (1 – 6) you
want.
To check the current clock time while
listening to an FM or AM station
3
“SSM” flashes, then disappears when
automatic presetting is over.
Local FM stations with the strongest signals are
searched and stored automatically in the FM
band.
Manual presetting
Ex.: Storing FM station of 92.5 MHz into the
preset number 4 of the FM1 band.
1
2
3
Preset number flashes for a while.
EN06-09_KD-S12[J]f.indd 9EN06-09_KD-S12[J]f.indd 9 7/11/05 4:02:10 PM7/11/05 4:02:10 PM

10
ENGLISH
Disc operations
Playing a disc To go to the next or previous tracks
To go to a particular track directly
To select a number from 01 – 06:
To select a number from 07 – 12:
Prohibiting disc ejection
You can lock a disc in the loading slot.
To cancel the prohibition, repeat the same
procedure.
To check the current clock time while
listening to a disc
All tracks will be played repeatedly until you
change the source or eject the disc.
To stop play and eject the disc
To fast-forward or reverse the track
Total playing time of
the inserted disc
Total track number
of the inserted disc
Elapsed playing
time
Current track
number
EN10-13_KD-S12[J]f.indd 10EN10-13_KD-S12[J]f.indd 10 7/11/05 4:02:24 PM7/11/05 4:02:24 PM

11
ENGLISH
Selecting the playback modes
You can use only one of the following playback modes at a time.
1
2 Select your desired playback mode.
Repeat play
Ex.: When “TRK RPT” is selected
Mode Plays repeatedly
TRK RPT : The current track.
• RPT lights up.
RPT OFF : Cancels.
Random play
Ex.: When “DISC RND” is selected
Mode Plays at random
DISC RND : All tracks of the current disc.
• RND lights up.
RND OFF : Cancels.
EN10-13_KD-S12[J]f.indd 11EN10-13_KD-S12[J]f.indd 11 7/11/05 4:02:31 PM7/11/05 4:02:31 PM

12
ENGLISH
Sound adjustments
Selecting preset sound modes
(C-EQ: custom equalizer)
You can select a preset sound mode suitable to
the music genre.
~
Indication For: Preset values
BAS*1TRE*2
LOUD
*3
USER (Flat sound) 00 00 OFF
ROCK Rock or disco
music
+03 +01 ON
CLASSIC Classical
music
+01 –02 OFF
POPS Light music +04 +01 OFF
HIP HOP Funk or rap
music
+02 00 ON
JAZZ Jazz music +02 +03 OFF
*1 BAS: Bass; *2 TRE: Treble;
*3 LOUD: Loudness
Adjusting the sound
You can adjust the sound characteristics to your
preference.
1
2
Indication pattern changes as
you adjust the level.
Ex.: When “TRE” is selected
Indication Range
BAS*4 (bass)
Adjust the bass.
–06 (min.) to
+06 (max.)
TRE*4 (treble)
Adjust the treble.
–06 (min.) to
+06 (max.)
FAD*5 (fader)
Adjust the front and rear
speaker balance.
R06 (Rear only)
to
F06 (Front only)
BAL (balance)
Adjust the left and right
speaker balance.
L06 (Left only)
to
R06 (Right only)
LOUD*4 (loudness)
Boost low and high
frequencies to produce a
well-balanced sound at low
volume level.
LOUD ON
J
LOUD OFF
VOL*6 (volume)
Adjust the volume.
00 (min.) to
30 or 50 (max.)*7
*4 When you adjust the bass, treble, or
loudness, the adjustment you have made is
stored for the currently selected sound mode
(C-EQ) including “USER.”
*5 If you are using a two-speaker system, set
the fader level to “00.”
*6 Normally the +/– buttons work as the volume
control. So you do not have to select “VOL”
to adjust the volume level.
*7 Depending on the amplifier gain control
setting. (See page 13 for details.)
EN10-13_KD-S12[J]f.indd 12EN10-13_KD-S12[J]f.indd 12 7/11/05 4:02:31 PM7/11/05 4:02:31 PM

13
ENGLISH
Indications Selectable settings, [reference page]
DEMO
Display demonstration
DEMO ON : [Initial]; Display demonstration will be activated
automatically if no operation is done for about
20 seconds, [7].
DEMO OFF : Cancels.
CLOCK H
Hour adjustment
1 – 12, [7]
[Initial: 1 (1:00)]
CLOCK M
Minute adjustment
00 – 59, [7]
[Initial: 00 (1:00)]
AMP GAIN
Amplifier gain control
You can change the maximum volume level of this unit.
LOW PWR : VOL 00 – VOL 30 (Select this if the maximum
power of the speaker is less than 50 W to avoid
damaging the speaker.)
HIGH PWR : [Initial]; VOL 00 – VOL 50
AREA
Tuner channel interval
AREA EU : Select this when using the unit in an area other than
North and South America. (FM: 50 kHz—manual
tuning, 100 kHz—auto search; AM: 9 kHz)
AREA US : [Initial]; Select this when using the unit in North or
South America. (FM: 200 kHz; AM: 10 kHz)
General settings — PSM
Basic procedure
You can change PSM (Preferred Setting Mode)
items listed on the table that follows.
1
2 Select a PSM item.
Ex.: When you select “AMP GAIN”
3 Adjust the PSM item selected.
4 Repeat steps 2 and 3 to adjust the
other PSM items if necessary.
5 Finish the procedure.
EN10-13_KD-S12[J]f.indd 13EN10-13_KD-S12[J]f.indd 13 7/11/05 4:02:32 PM7/11/05 4:02:32 PM

14
ENGLISH
Maintenance
How to clean the connectors
Frequent detachment will deteriorate the
connectors.
To minimize this possibility, periodically wipe
the connectors with a cotton swab or cloth
moistened with alcohol, being careful not to
damage the connectors.
Connector
Moisture condensation
Moisture may condense on the lens inside the
CD player in the following cases:
• After starting the heater in the car.
• If it becomes very humid inside the car.
Should this occur, the CD player may
malfunction. In this case, eject the disc and
leave the unit turned on for a few hours until the
moisture evaporates.
How to handle discs
When removing a disc from
its case, press down the center
holder of the case and lift the
disc out, holding it by the
edges.
• Always hold the disc by the edges. Do not
touch its recording surface.
When storing a disc into its case, gently insert
the disc around the center holder (with the
printed surface facing up).
• Make sure to store discs into the cases after
use.
To keep discs clean
A dirty disc may not play correctly.
If a disc does become dirty, wipe
it with a soft cloth in a straight line
from center to edge.
• Do not use any solvent (for
example, conventional record cleaner, spray,
thinner, benzine, etc.) to clean discs.
To play new discs
New discs may have some rough
spots around the inner and outer
edges. If such a disc is used, this
unit may reject the disc.
To remove these rough spots, rub the edges
with a pencil or ball-point pen, etc.
Center holder
Warped
disc
Sticker Sticker
residue Disc
Stick-on
label
Do not use the following discs:
EN14-17_KD-S12[J]f.indd 14EN14-17_KD-S12[J]f.indd 14 7/11/05 4:02:45 PM7/11/05 4:02:45 PM

15
ENGLISH
More about this unit
Basic operations
Turning on the power
• By pressing CD or FM/AM on the unit, you
can also turn on the power. If the source is
ready, playback also starts.
Turning off the power
• If you turn off the power while listening to a
disc, disc play will start from where playback
has been stopped previously, next time you
turn on the power.
Tuner operations
Storing stations in memory
• During SSM search...
– All previously stored stations are erased
and stations are stored newly.
– Received stations are preset in No. 1
(lowest frequency) to No. 6 (highest
frequency).
– When SSM is over, the station stored in
No. 1 will be automatically tuned in.
• When storing a station manually, a previously
preset station is erased when a new station is
stored in the same preset number.
Disc operations
Caution for DualDisc playback
• The Non-DVD side of a “DualDisc” does
not comply with the “Compact Disc Digital
Audio” standard. Therefore, the use of Non-
DVD side of a DualDisc on this product may
not be recommended.
General
• This unit has been designed to reproduce
CDs, and CD-Rs (Recordable)/ CD-RWs
(Rewritable) in audio CD (CD-DA) format.
• When a disc has been loaded, selecting “CD”
for the playback source starts disc play.
Inserting a disc
• When a disc is inserted upside down, the disc
automatically ejects.
• Do not insert 8 cm (3-3/16") discs (single CD)
and unusual shape discs (heart, flower, etc.)
into the loading slot.
Playing a CD-R or CD-RW
• Use only “finalized” CD-Rs or CD-RWs.
• This unit can play back multi-session discs;
however, unclosed sessions will be skipped
while playing.
• Some CD-Rs or CD-RWs may not play
back on this unit because of their disc
characteristics, and for the following causes:
– Discs are dirty or scratched.
– Moisture condensation occurs on the lens
inside the unit.
– The pickup lens inside the unit is dirty.
– CD-R or CD-RW on which the files are
written with “Packet Write” method.
– There are improper recording conditions
(missing data, etc.) or media conditions
(stain, scratch, warp, etc.).
• CD-RWs may require a longer readout time
since the reflectance of CD-RWs is lower
than that of regular CDs.
• Do not use the following CD-Rs or CD-RWs:
– Discs with stickers, labels, or protective
seal stuck to the surface.
– Discs on which labels can be directly
printed by an ink jet printer.
Using these discs under high temperatures
or high humidity may cause malfunctions or
damage to discs.
Changing the source
• If you change the source, playback also stops
(without ejecting the disc).
Next time you select “CD” for the playback
source, disc play starts from where it has been
stopped previously.
Ejecting a disc
• If the ejected disc is not removed within
15 seconds, the disc is automatically inserted
again into the loading slot to protect it from
dust. (Disc will not play this time.)
General settings—PSM
• If you change the “AMP GAIN” setting from
“HIGH PWR” to “LOW PWR” while the
volume level is set higher than “VOL 30,” the
unit automatically changes the volume level
to “VOL 30.”
EN14-17_KD-S12[J]f.indd 15EN14-17_KD-S12[J]f.indd 15 7/11/05 4:02:47 PM7/11/05 4:02:47 PM

16
ENGLISH
Troubleshooting
What appears to be trouble is not always serious. Check the following points before calling a service
center.
Symptoms Remedies/Causes
General
• Sound cannot be heard from the
speakers.
• Adjust the volume to the optimum level.
• Check the cords and connections.
• The unit does not work at all. Reset the unit (see page 2).
FM/AM
• SSM automatic presetting does not
work.
Store stations manually.
• Static noise while listening to the
radio.
Connect the antenna firmly.
Disc playback
• Disc automatically ejects. Insert the disc correctly.
• CD-R/CD-RW cannot be played back.
• Tracks on the CD-R/CD-RW cannot
be skipped.
• Insert a finalized CD-R/CD-RW.
• Finalize the CD-R/CD-RW with the component
which you used for recording.
• Disc can be neither played back nor
ejected.
• Unlock the disc (see page 10).
• Eject the disc forcibly (see page 2).
• Disc sound is sometimes interrupted. • Stop playback while driving on rough roads.
• Use an unscratched disc.
• Check the cords and connections.
• “NO DISC” appears on the display. • Insert a correct disc into the loading slot.
EN14-17_KD-S12[J]f.indd 16EN14-17_KD-S12[J]f.indd 16 7/11/05 4:02:48 PM7/11/05 4:02:48 PM

17
ENGLISH
Specifications
AUDIO AMPLIFIER SECTION
Power Output:
18 W RMS × 4 Channels at 4 Ω
and ≤ 1% THD+N
Signal to Noise Ratio:
80 dBA (reference: 1 W into 4 Ω)
Load Impedance: 4 Ω (4 Ω to 8 Ω allowance)
Tone Control Range:
Bass: ±10 dB at 100 Hz
Treble: ±10 dB at 10 kHz
Frequency Response: 40 Hz to 20 000 Hz
Line-Out Level/Impedance:
2.0 V/20 kΩ load (full scale)
Output Impedance: 1 kΩ
TUNER SECTION
Frequency Range:
FM: 87.5 MHz to 107.9 MHz
(with channel interval set to 200 kHz)
87.5 MHz to 108.0 MHz
(with channel interval set to 50 kHz)
AM: 530 kHz to 1 710 kHz
(with channel interval set to 10 kHz)
531 kHz to 1 602 kHz
(with channel interval set to 9 kHz)
[FM Tuner]
Usable Sensitivity: 11.3 dBf (1.0 µV/75 Ω)
50 dB Quieting Sensitivity:
16.3 dBf (1.8 µV/75 Ω)
Alternate Channel Selectivity (400 kHz): 65 dB
Frequency Response: 40 Hz to 15 000 Hz
Stereo Separation: 35 dB
Capture Ratio: 1.5 dB
[AM Tuner]
Sensitivity: 20 µV
Selectivity: 35 dB
CD PLAYER SECTION
Type: Compact disc player
Signal Detection System: Non-contact optical
pickup (semiconductor laser)
Number of channels: 2 channels (stereo)
Frequency Response: 5 Hz to 20 000 Hz
Dynamic Range: 96 dB
Signal-to-Noise Ratio: 98 dB
Wow and Flutter: Less than measurable limit
GENERAL
Power Requirement:
Operating Voltage:
DC 14.4 V (11 V to 16 V allowance)
Grounding System: Negative ground
Allowable Operating Temperature:
0°C to +40°C (32°F to 104°F)
Dimensions (W × H × D):
Installation Size (approx.):
182 mm × 52 mm × 150 mm
(7-3/16" × 2-1/16" × 5-15/16")
Panel Size (approx.):
188 mm × 58 mm × 11 mm
(7-7/16" × 2-5/16" × 7/16")
Mass (approx.):
1.4 kg (3.1 lbs) (excluding accessories)
Design and specifications are subject to change
without notice.
If a kit is necessary for your car, consult
your telephone directory for the nearest car
audio speciality shop.
EN14-17_KD-S12[J]f.indd 17EN14-17_KD-S12[J]f.indd 17 7/11/05 4:02:48 PM7/11/05 4:02:48 PM

Having TROUBLE with operation?
Please reset your unit
Refer to page of How to reset your unit
Still having trouble??
USA ONLY
Call 1-800-252-5722
http://www.jvc.com
We can help you!
© 2005 Victor Company of Japan, Limited
EN, SP
0705DTSMDTJEIN
Rear_KD-S12[J]f.indd 2Rear_KD-S12[J]f.indd 2 7/12/05 6:32:36 PM7/12/05 6:32:36 PM

KD-S12
Installation/Connection Manual
Manual de instalación/conexión
GET0317-002A
[J]
0705DTSMDTJEIN
EN, SP
J
Handles
F
Washer (ø5)
G
Lock nut (M5)
H
Mounting bolt—
M5 x 20 mm (M5 x 13/16")
I
Rubber cushion
A / B
Hard case/Control panel
C
Sleeve
D
Trim plate
E
Power cord
Do the required electrical connections.
Bend the appropriate tabs
to hold the sleeve firmly in
place.
Parts list for installation and connection
INSTALLATION (IN-DASH MOUNTING)
If you are not sure how to install this unit correctly, consult your JVC car audio dealer.
Removing the unit
Before removing the unit, release the rear section.
ENGLISH
You need the installation kits which corresponds to your car.
• Mark all the check boxes ( ) to make sure you have follow the instructions and the listed
parts.
12 V DC, NEGATIVE ground
1
When using the optional stay
Screw (option)
Stay (option)
Fire wall
Dashboard
Install the unit at an
angle of less than
30˚.
When installing the unit without
using the sleeve
In a Toyota for example, first remove the car
radio and install the unit in its place.
Bracket
Flat type screws—
M5 x 8 mm (M5 x 3/8")
Flat type screws—
M5 x 8 mm (M5 x 3/8")
Check the battery system in your car.
Bracket
Instal_EN_KD-S12[J]f.indd 2Instal_EN_KD-S12[J]f.indd 2 6/30/05 4:07:59 PM6/30/05 4:07:59 PM

Heat sink
2
TROUBLESHOOTING
• The fuse blows.
* Are the red and black leads connected correctly?
• Power cannot be turned on.
* Is the yellow lead connected?
• No sound from the speakers.
* Is the speaker output lead short-circuited?
• Sound is distorted.
* Is the speaker output lead grounded?
* Are the “–” terminals of L and R speakers grounded in common?
• Noise interfere with sounds.
* Is the rear ground terminal connected to the car’s chassis using shorter and thicker cords?
• Unit becomes hot.
* Is the speaker output lead grounded?
* Are the “–” terminals of L and R speakers grounded in common?
• This unit does not work at all.
* Have you reset your unit?
ELECTRICAL CONNECTIONS
Make sure to disconnect the battery’s negative terminal.
• Be sure to ground this unit to the car’s chassis again after installation.
Note:
It is recommended to connect to the speakers with maximum power of more than 50 W (both at the rear and at the front, with an impedance
of 4 Ω to 8 Ω). If the maximum power is less than 50 W, change “AMP GAIN” setting to prevent the speakers from being damaged (see
page 13 of the INSTRUCTIONS).
PRECAUTIONS on power supply and speaker connections:
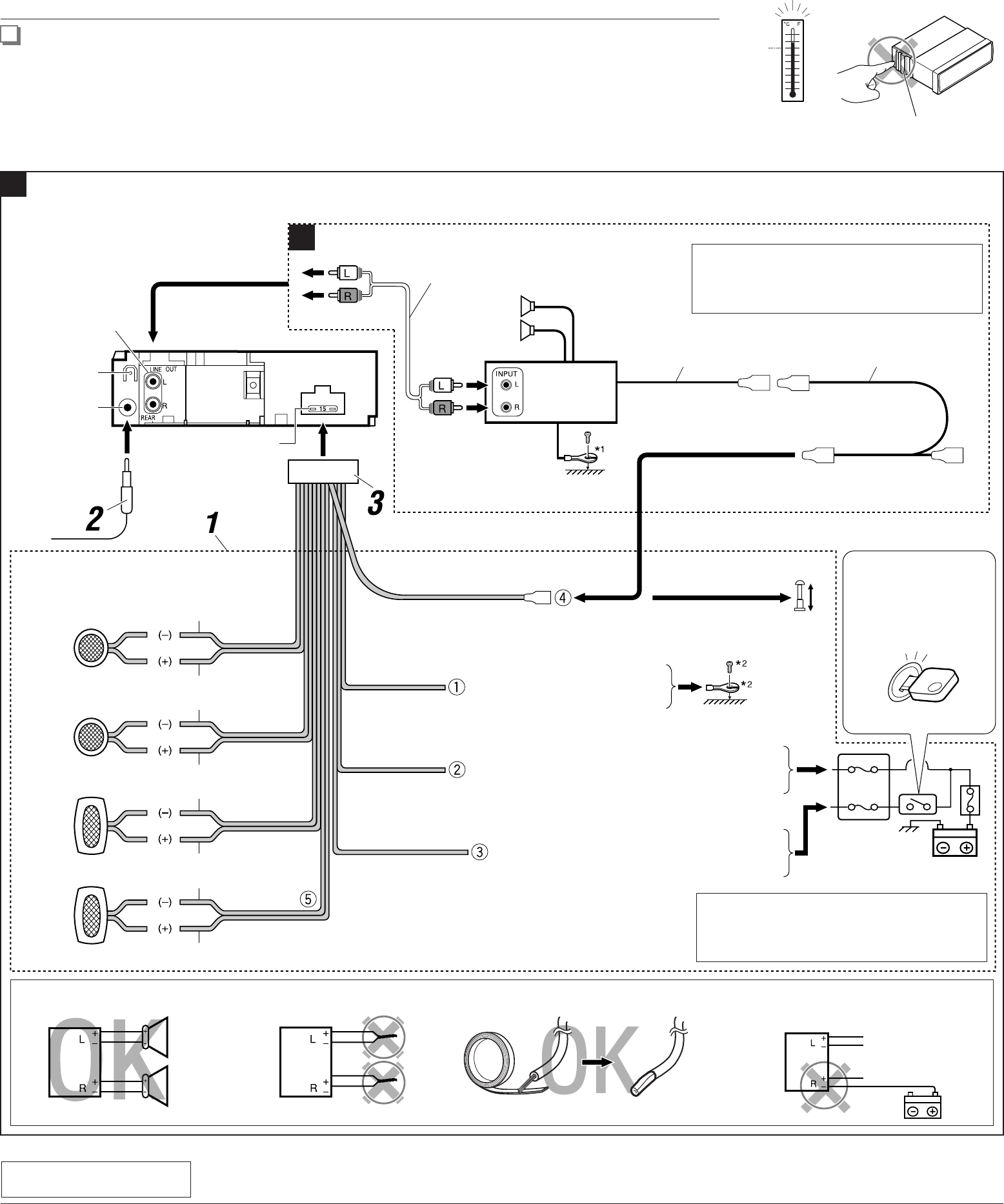
ATypical Connections
Before connecting: The leads of the power cord and those of the connector from the car body may be different in color.
Line out
Rear ground
terminal
15 A fuse
Antenna terminal
Black
Blue with white stripe
Red
Yellow*3
*2 Not included for this unit
*3
Before checking the operation of this unit prior to
installation, this lead must be connected, otherwise power
cannot be turned on.
To metallic body or chassis of the car
Ignition switch
Fuse block
To an accessory terminal in the fuse block
To the remote lead of other equipment or
automatic antenna if any (200 mA max.)
Front speaker (left)
Front speaker (right)
Rear speaker (left)
Rear speaker (right) Purple
Purple with black stripe
Green
Green with black stripe
Gray
Gray with black stripe
White
White with black stripe
To a live terminal in the fuse block connecting to the car battery
(bypassing the ignition switch) (constant 12 V)
Rear speakers
JVC Amplifier
Remote lead Y-connector (not supplied for this unit)
Connecting the external amplifier
B
Connect only the front speakers if your speaker
system is two-speaker system.
High
Signal cord (not supplied)
*1 Firmly attach the ground wire to the metallic body or to the
chassis of the car—to the place not coated with paint (if
coated with paint, remove the paint before attaching the
wire). Failure to do so may cause damage to the unit.
Instal_EN_KD-S12[J]f.indd 3Instal_EN_KD-S12[J]f.indd 3 6/30/05 4:08:07 PM6/30/05 4:08:07 PM