Jvc Kw Xc550 Installation Manual
KW-XC550 Installation Manual VNN3828-T631
KW-XC550 KW-XC550 VNN3828-T631 English, French, Spanish, INSTALLATION MANUAL
2015-07-14
: Jvc Jvc-Kw-Xc550-Installation-Manual-772763 jvc-kw-xc550-installation-manual-772763 jvc pdf
Open the PDF directly: View PDF
.
Page Count: 4

KW-XC550
Installation/Connection Manual
Manual de instalación/conexión
Manuel d’installation/raccordement
Less than 20°
Menos de 20°
Inférieur à 20°
Install the unit at an angle of less than 20°.
Instale la unidad a un ángulo de menos de 20°.
Installez l’appareil avec un angle inférieur à 20°.
Screws supplied with this unit:
Select the proper screw type, fitting to your car.
Tornillos suministrados con esta unidad:
Seleccione el tipo de tornillo apropiado para su automóvil.
Vis fournies avec cet appareil:
Choisissez le type de vis correct, selon votre voiture.
Flat countersunk screw
(M5 x 6 mm)
Tornillo de cabeza avellanada
plana (M5 x 6 mm)
Vis à tête plate fraisée
(M5 x 6 mm)
Binding screw
(M5 x 6 mm)
Tornillo de fijación
(M5 x 6 mm)
Vis de pression
(M5 x 6 mm)
VNN3828-T631
[J] J
V
C1298MNMMDWJES
EN, SP, FR
1
Remove the audio system originally installed.
Note: Be sure to keep all the screws and parts removed
from your car. They are to be used in the future.
2
Install the mounting brackets, removed from the car, to this
unit.
3
Connect the wires (see the diagrams on the reverse side).
4
Fix this unit to the car using the screws removed in step 1.
The following example shown is for installation in a Toyota.
For more details, consult your JVC car audio dealer.
1
Desmonte el sistema de audio instalado originalmente.
Nota: Guarde todos los tornillos y piezas removidos de su
automóvil, pues deberá utilizarlos posteriormente.
2
Instale los soportes de montaje removidos de su automóvil,
en esta unidad.
3
Conecte los cables (consulte los diagramas del reverso).
4
Fije esta unidad al automóvil usando los tornillos removidos
en el paso 1.
El ejemplo indicado a continuación es para la instalación
en un Toyota. Para mayor información, consulte con su
concesionario JVC de equipos de audio para automóviles.
1
Retirez le système audio installé à l’origine.
Remarque:
Conservez toutes les vis et les pièces retirées
de votre voiture. Elles pourront être réutilisées
dans le futur.
2
Installez les supports de montage, retirés de la voiture, sur
cet appareil.
3
Connectez les fils (référez-vous aux diagrammes au dos
de cette feuille).
4
Fixez cet appareil à la voiture en utilisant les vis retirées à
l’étape 1.
L’exemple suivant représente l’installation dans une
voiture Toyota. Pour plus renseignements, consultez votre
revendeur autoradio JVC.
ESPAÑOL
•Esta unidad está diseñada para funcionar con 12 voltios de
CC, con sistemas eléctricos de masa NEGATIVA.
INSTALACION (MONTAJE EN EL
TABLERO DE INSTRUMENTOS)
La siguiente ilustración muestra una instalación típica. Sin
embargo usted deberá efectuar los ajustes correspondientes a
su automóvil. En este caso, consulte el manual suministrado con
el kit de instalación (opción).
En algunos casos, y dependiendo del tipo y modelo de su
automóvil, es posible que no se pueda instalar esta unidad en la
consola central.
Si tiene alguna pregunta o necesita información acerca de las
herramientas para instalación, consulte con su concesionario de
JVC de equipos de audio para automóviles o a una compañía
que suministra tales herramientas.
Antes de instalar la unidad
•Para evitar cortocircuitos, recomendamos desconectar el
terminal negativo de la batería y realizar todas las conexiones
eléctricas antes de instalar la unidad.
•Para su seguridad, no instale la unidad en un sitio donde
constituya un obstáculo para la conducción o donde no haya
una ventilación suficiente a su alrededor.
•Después de decidir la posición de instalación, confirme que
los cables sean suficientemente largos.
•Para instalar la unidad, asegúrese de utilizar los tornillos
provistos y de seguir las instrucciones. El uso de otros tornillos
podría hacer que las piezas se aflojen o dañen.
•En caso de dudas sobre cómo instalar correctamente la unidad,
consulte con su concesionario JVC de equipos de audio para
automóviles o solicite la instalación a un técnico cualificado.
•Cuando apriete pernos o tornillos, asegúrese de no que no
quede ningún cable de conexión atrapado.
Precaución:
Para instalar los soportes de montaje en la unidad, utilice
solamente los tornillos suministrados (M5 x 6 mm).
Si utiliza un tornillo de más de 6 mm de largo, se podrá dañar la
unidad.
Después de instalar la unidad
Confirme el funcionamiento correcto de todas las lámparas de
frenos, luces, intermitentes, limpiaparabrisas, etc.
FRANÇAIS
•
Cet appareil est conçu pour fonctionner sur des sources de
courant continu de 12 volts à masse NEGATIVE.
INSTALLATION (MONTAGE DANS LE
TABLEAU DE BORD)
L’illustration suivante est un exemple d’installation typique.
Cependant, vous devez faire les ajustements correspondant à votre
voiture particulière. Dans ce cas, consultez le manuel fourni avec
le kit d’installation (en option).
Dans certains cas, selon le modèle de votre voiture, il peut ne pas
être possible d’installer l’appareil dans la console centrale.
Si vous avez des questions ou avez besoin d’information sur des
kits d’installation, consulter votre revendeur d’autoradios JVC ou
une compagnie d’approvisionnement.
Avant d’installer l’appareil
•
Pour éviter les courts-circuits, nous recommandons que vous
déconnectez la borne négative de la batterie et de réaliser toutes
les connexions électriques avant d’installer d’appareil.
•
Pour votre sécurité, n’installez pas l’appareil dans un endroit où
il peut gêner votre conduite ou dans un endroit où la ventilation
autour de l’appareil est insuffisante.
•
Quand l’emplacement de l’installation à été décidé, vérifiez que
fils sont suffisamment longs.
•
Lors du montage de l’appareil, assurez-vous d’utiliser les vis
fournies comme indiqué. Si d’autres vis sont utilisées, certaines
parties de l’appareil peuvent être endommagées ou mal fixées.
•
Si vous n’êtes pas sûr sur la façon d’installer l’appareil
correctement, consultez un revendeur d’autoradio JVC ou faites-
le installer par un technicien qualifié.
•
Lors du serrage des vis et des boulons, faites attention de ne
pas pincer un cordon de connexion.
Attention:
Pour installer les supports de montage sur l’appareil, utilisez
uniquement les vis fournies (M5 x 6 mm).
Si vous utilisez des vis plus longues que 6 mm, l’appareil risque
d’être endommagé.
Après installer l’appareil
Vérifiez que les feux d’arrêt, les feux, les clignotants, les essuie-
glace, etc. fonctionnement correctement.
ENGLISH
• This unit is designed to operate on 12 volts DC, NEGATIVE
ground electrical systems.
INSTALLATION (IN-DASH
MOUNTING)
The following illustration shows a typical installation. However, you
should make adjustments corresponding to your specific car. In
this case consult the manual included with the installation kit
(option).
In some case, depending of the type and the model of your car, it
is not possible to install the unit into the center console.
If you have any questions or require information regarding
installation kits, consult your JVC car audio dealer or a company
supplying kits.
Before installing the unit
• To prevent short circuits, it is recommended to disconnect the
battery’s negative terminal and make all electrical connections
before installing the unit.
• For reason of security, do not install the unit in a place where it
may disturb your driving or where there is not enough ventilation
space around the unit.
• When the installation position has been determined, confirm that
the cords are sufficiently long.
• When mounting the unit, be sure to use the screws provided, as
instructed. If other screws are used, there is a possibility that
parts could become loose or damaged.
• If you are not sure how to install this unit correctly, consult a JVC
car audio dealer or have it installed by a qualified technician.
• When tightening screws or bolts be careful not to pinch any
connection cord.
Caution:
To install the mounting brackets to the unit, use only the supplied
screws (M5 x 6 mm).
If you use any screw longer than 6 mm, the unit can be damaged.
After installing the unit
Check if all the brake lamps, lights, flasher, wiper, etc. work
correctly.
If there is an interfering tab on the mounting bracket, bent it flat.
Si hay alguna lengüeta interferente en el soporte de montaje, dóblela
hasta que quede plana.
S’il y a une languette gênante sur le support de montage, pliez-la.
Securely connect the ground wire to the metal body of the car using
the screw originally fixed to the metal body of the car.
Conecte firmemente el cable de tierra a la carrocería metálica del
automóvil usando el tornillo instalado originalmente en la misma.
Connectez solidement le fil de masse à la carrosserie métallique
de la voiture en utilisant une vis fixée d’origine à la carrosserie.
Mounting bracket removed from the car
Soporte de montaje desmontado del automóvil
Support de montage retiré de la voiture
Screws supplied with this unit
Tornillos suministrados con esta unidad
Vis fournies avec cet appareil
Screw removed from the car in step 1
Tornillo sacado del automóvil en el paso 1
Vis retirées de la voiture à l’étape 1
Screws supplied with this unit
Tornillos suministrados con esta
unidad
Vis fournies avec cet appareil.
Mounting bracket removed from the car
Soporte de montaje desmontado del
automóvil
Support de montage retiré de la voiture
Screw removed from the car in step 1
Tornillo sacado del automóvil en el paso 1
Vis retirées de la voiture à l’étape 1

Installation : Remote Controller
Instalación : Control remoto
Installation : Télécommande
When installing the unit in a Nissan car.
Cuando instale la unidad en un automóvil Nissan.
Lors de l’installation de l’appareil dans une voiture Nissan.
Fix the supplied plate as illustrated.
Fije la placa suministrada de la manera indicada en la ilustración.
Fixez la plaque fournie comme montré sur l’illustration.
Parts list for installation and connection
The following parts are provided with this unit.
After checking them, please set them correctly.
Binding screws (M5 x 6 mm)
Tornillo de fijación (M5 x 6 mm)
Vis de pression (M5 x 6 mm)
Plate for use with a Nissan car
Placa para usar con un automóvil Nissan
Plaque utilisée pour les voitures Nissan
R03(UM-4)/AAA(24F)
Lista de piezas para instalación y conexión
Con esta unidad se suministran las siguientes piezas.
Después de inspeccionarlas, colóquelas correctamente.
Liste des pièces pour l’installation et
raccordement
Les pièces suivantes sont fournies avec cet appareil.
Après vérification, veuillez les placer correctement.
Dashboard, etc.
Tablero de instrumentos, etc.
Tableau de bord, etc.
RM-RK17
SEL
POWER
FUNC
+
D
I
S
C
B
A
N
D
/
P
R
O
G
/
Plate for use with a Nissan car
Placa para usar con un automóvil Nissan
Plaque utilisée pour les voitures Nissan
Remote controller
Control remoto
Télécommande
Holder
Soporte
Support
• Before attaching the double-faced tape, wipe and clean the place where you plan to attach it.
•Antes de adherir la cinta de ambos lados, limpie el sitio de instalación con un paño.
•
Avant d’attacher la bande double face, essuyez et nettoyez l’emplacement où vous projettez de
l’attacher.
Batteries
Pilas
Piles
Remote controller and holder
Control remoto y soporte
Télécommande et support
Power cord
Cordón de alimentación
Cordon d’alimentation
Double-faced tape
Cinta adhesiva de ambos lados
Bande double face
Double-faced tape
Cinta adhesiva de ambos lados
Bande double face
Flat countersunk screws (M5 x 6 mm)
Tornillo de cabeza avellanada plana (M5 x 6 mm)
Vis à tête plate fraisée (M5 x 6 mm)

LLINE OUT
R
LR
L
R
2
3
4
2
1
6
5
1
3
ENGLISH
ELECTRICAL CONNECTIONS
To prevent short circuits, we recommend that you disconnect the
battery’s negative terminal and make all electrical connections
before installing the unit. If you are not sure how to install this unit
correctly, have it installed by a qualified technician.
Note:
This unit is designed to operate on 12 volts DC, NEGATIVE
ground electrical systems. If your vehicle does not have this
system, a voltage inverter is required, which can be purchased at
JVC car audio dealers.
• Replace the fuse with one of the specified rating. If the fuse
blows frequently, consult your JVC car audio dealer.
• If noise is a problem...
This unit incorporates a noise filter in the power circuit. However,
with some vehicles, clicking or other unwanted noise may occur.
If this happens, connect the unit’s rear ground terminal (see
connection diagram below) to the car’s chassis using shorter
and thicker cords, such as copper braiding or gauge wire. If noise
still persists, consult your JVC car audio dealer.
• Maximum input of the speakers should be more than 40 watts at
the rear and 40 watts at the front, with an impedance of 4 to 8
ohms.
•Be sure to ground this unit to the car’s chassis.
• The heat sink becomes very hot after
use. Be careful not to touch it when
removing this unit.
ESPAÑOL
CONEXIONES ELECTRICAS
Para evitar cortocircuitos, recomendamos que desconecte el
terminal negativo de la batería y que efectúe todas las conexiones
eléctricas antes de instalar la unidad. Si usted no está seguro de
cómo instalar correctamente la unidad, hágala instalar por un
técnico cualificado.
Nota:
Esta unidad está diseñada para funcionar con 12 voltios de CC,
con sistemas eléctricos de masa NEGATIVA. Si su vehículo no
posee este sistema, será necesario un inversor de tensión, que
puede ser adquirido en los concesionarios de JVC de equipos
de audio para automóviles.
•Reemplace el fusible por uno con la corriente especificada. Si
el fusible se quemase frecuentemente consulte con su
concesionario de JVC de equipos de audio para automóviles.
•Si el ruido fuese un problema...
Esta unidad tiene un filtro de ruido en el circuito de alimentación.
Sin embargo, en algunos vehículos, pueden producirse
chasquidos u otros ruidos indeseados. En tal caso conecte el
terminal de tierra posterior (ver diagrama de conexión abajo)
del receptor al chasis del automóvil, utilizando cordones más
gruesos y cortos tales como alambre de cobre trenzado o de
grueso calibre. Si el ruido persiste, consulte a su concesionario
de JVC de equipos de audio para automóvil.
•La entrada máxima de los altavoces traseros debe ser mayor
de 40 vatios y la de los delanteros de 40 vatios, con una
impedancia de 4 a 8 ohmios.
•Asegúrese de conectar esta unidad a tierra en el chasis del
automóvil.
•El sumidero térmico estará muy caliente después del uso.
Asegúrese de no tocarlo al desmontar esta unidad.
FRANÇAIS
RACCORDEMENTS ELECTRIQUES
Pour éviter tout court-circuit, nous vous recommandons de
débrancher la borne négative de la batterie et d’effectuer tous les
raccordements électriques avant d’installer l’appareil. Si l'on n’est
pas sûr de pouvoir installer correctement cet appareil, le faire
installer par un technicien qualifié.
Remarque:
Cet appareil est conçu pour fonctionner sur des sources de courant
continu de
12 volts à masse NEGATIVE
. Si votre véhicule n’offre
pas ce type d’alimentation, il vous faut un convertisseur de tension,
que vous pouvez acheter chez un revendeur d’autoradios JVC.
•
Remplacer le fusible par un de la valeur précisée. Si le fusible
saute souvent, consulter votre revendeur d’autoradios JVC.
•
Si le bruit est un problème...
Cet appareil incorpore un filtre de bruit dans le circuit
d’alimentation. Cependant, avec certains véhicules, quelques
claquements ou autres bruits non désirés risquent de se produire.
Si cela arrive, raccorder la
borne de masse arrière
de l’appareil
au châssis de la voiture (voir le schéma de raccordement ci-
dessous) en utilisant des cordons les plus gros et les plus courts
possibles telle qu'une barre de cuivre ou une tresse. Si le bruit
persiste, consulter votre revendeur d’autoradios JVC.
•
La puissance admissible des haut-parleurs doit être supérieure
à 40 watts à l’arrière et à 40 watts l’avant, avec une impédance
de
4 à 8 ohms
.
•S’assurer de raccorder la mise à la masse de cet appareil
au châssis de la voiture.
•
Le radiateur devient très chaud après usage. Faire attention de
ne pas le toucher en retirant cet appareil.
Heat sink
Sumidero térmico
Dissipateur de chaleur
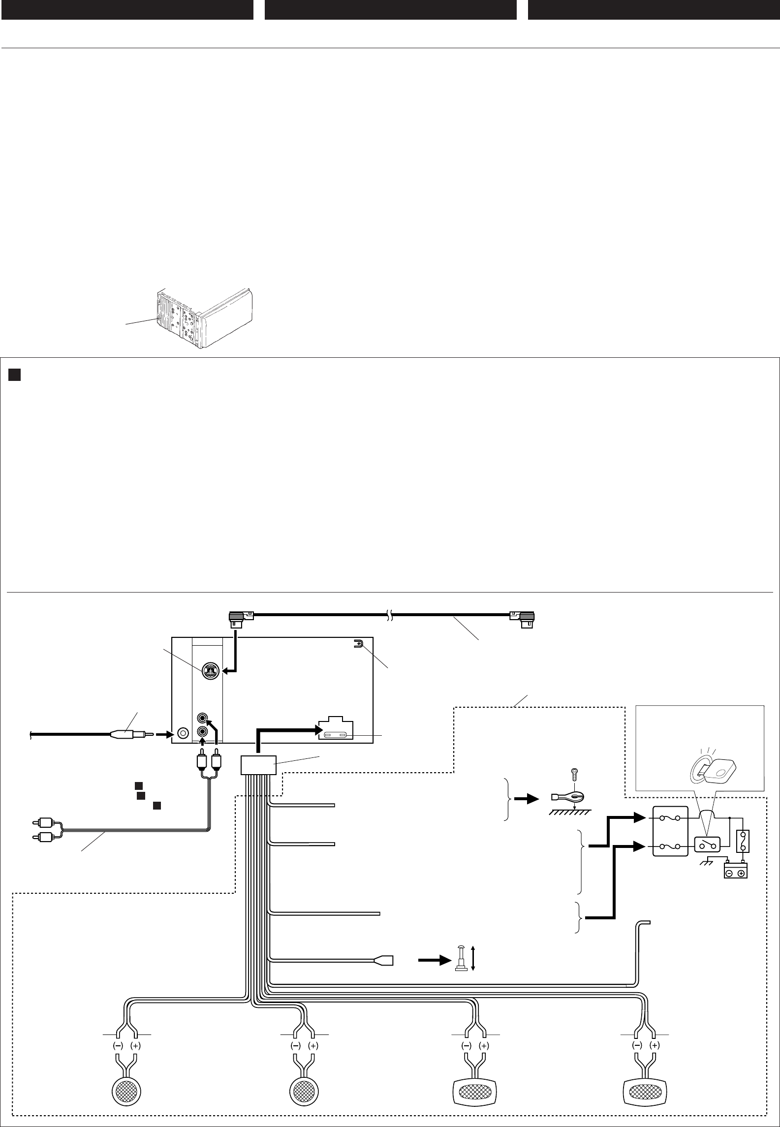
Before connecting: Check the wiring in the vehicle carefully.
Incorrect connection may cause serious damage to this unit.
1
Connect the colored leads of the power cord to the car battery,
speakers and automatic antenna (if any) in the following
sequence.
1Black: ground
2Yellow: to car battery (constant 12V)
3Red: to an accessory terminal
4Others: to speakers
5Blue with white stripe: to other equipment
: also used when the automatic power antenna
requires power more than 200 mA.
6Orange with white stripe: to illumination or small lamp
terminal
2
Connect the antenna cord.
3
Finally connect the wiring harness to the unit.
Antes de la conexión: Verifique atentamente el conexionado
del vehículo para no cometer errores al conectar esta unidad.
Una conexión incorrecta podría producir daños graves en la
unidad.
1
Conecte los conductores de color del cable de alimentación
a la batería del automóvil, altavoces y antena automática (si
la hubiere) en la secuencia siguiente.
1Negro: a tierra
2Amarillo: a la batería del automóvil (12V constantes)
3Rojo: a un terminal de accesorio
4Otros: a los altavoces
5Azul con rayas blancas: a otro equipo
: también se utiliza cuando la antena motriz automática
requiere una energía de más de 200 mA.
6Naranja con rayas blancas: a illuminación o terminal de
lámpara pequeña
2
Conecte el cable de antena.
3
Por último, conecte a la unidad el cableado preformado.
Avant de commencer la connexion:
vérifiez attentivement le
câblage du véhicule pour ne pas connecter incorrectement cet
appareil. Une connexion incorrecte peut endommager
sérieusement l’appareil.
1
Connectez les fils de couleur du cordon d’alimentation à la
batterie de la voiture, aux enceintes et à l’antenne automatique
(s’il y en a une) dans l’ordre suivant.
1
Noir: a la masse
2
Jaune: a la batterie de la voiture (12V constant)
3
Rouge: à la prise accessoire
4
Autres fils: aux enceintes
5
Bleu avec bande blanche: à un autre appareil
: utilisé aussi quand l’antenne électrique automatique
nécessite un courant supérieur à 200 mA.
6
Orange avec de bande blanche: vers borne d’ilumination
ou de petete lampe
2
Connectez le cordon d’antenne.
3
Finalement, connectez le faisceau de fils à l’appareil.
A Typical Connections / Conexiones típicas / Raccordements typiques
White
Blanco
Blanc
Gray
Gris
Gris
Purple
Púrpura
Violet
*1: Before checking the operation of this unit prior to installation,
this lead must be connected, otherwise power cannot be turned
on.
*1: Antes de comprobar el funcionamiento de esta unidad previa
a de la instalación, es necesario conectar este cable, de lo
contrario no se podrá conectar la alimentación.
*1: Pour vérifier le fonctionnement de cet appareil avant
installation, ce fil doit être raccordé, sinon l’appareil ne peut
pas être mis sous tension.
Left speaker (front)
Altavoz izquierdo (frontal)
Haut-parleur gauche (avant)
Right speaker (front)
Altavoz derecho (frontal)
Haut-parleur droit (avant)
Left speaker (rear)
Altavoz izquierdo (trasero)
Haut-parleur gauche (arrière)
Right speaker (rear)
Altavoz derecho (trasero)
Haut-parleur droit (arrière)
*
*
Not supplied with this unit.
No suministrado con esta unidad.
Non fourni avec cet appareil.
*
To metallic body or chassis of the car
A un cuerpo metálico o chasis del
automóvil
Vers corps métallique ou châssis de la
voiture
Fuse block
bloque de fusibles
Porte-fusible
To illumination or small
lamp terminal
A illuminación o terminal
de lámpara pequeña
Vers borne d'illumination
ou de petete lampe
To a live terminal in the fuse block connecting to the car battery
(bypassing the ignition swich).
A un terminal activo del bloque de fusibles conectado a la
batería del automóvil (desviando el interruptor de encendido)
À une borne sous tension du porte-fusible connectée à la batterie
de la voiture (en dérivant l’interrupteur d’allumage)
Yellow*1
Amarillo*1
Jaune*
1
Red
Rojo
Rouge
Blue with white stripe
Azul con rayas blancas
Bleu avec bande blanche
To automatic antenna if any
A la antena automática si la hubiere
Vers borne d’antenne automatique s'il y en a une
Orange with white stripe / Naranja con rayas blancas /
Orange avec bande blanche
Signal cord (not supplied with this unit)
Cable de señal (no suministrado con esta unidad)
Cordon de signal (non fourni avec cet appareil)
To other equipment (see diagram B )
A otro equipo (véase el diagrama B )
À un autre appareil (voir le diagramme
B
)
To the car antenna
A la antena del automóvil
À l’antenne de la voiture
Cord (supplied with the CD changer)
Cable (suministrado con el cambiador de CD)
Cordon (fourni avec la changeur de CD)
From the CD Changer
Del cambiador de CD
À partir du changeur CD
JVC CD changer jack
Jack del cambiador de CD de JVC
Prise de changeur de CD JVC
Rear ground terminal
Terminal de tierra posterior
Borne arrière de masse
Green
Verde
Vert
To an accessory terminal in the fuse block
A un terminal accesorio del bloque de fusibles
Vers borne accessoire du porte-fusible
Ignition switch
Interruptor de encendido
Interrupteur d'allumage
Black
Negro
Noir
Purple with black stripes
Púrpura con rayas negras
Violet avec bande noire
Green with black stripes
Verde con rayas negras
Vert avec bande noire
Gray with black stripes
Gris con rayas negras
Gris avec bande noire
White with black stripes
Blanco con rayas negras
Blanc avec bande noire
10A fuse
Fusible de 10A
Fusible 10A

PRECAUTIONS on power supply and speaker
connections:
•DO NOT connect the speaker leads of the power cord to the
car battery; otherwise, the unit will be seriously damaged.
• Connect the black lead (ground), yellow lead (to car battery,
constant 12V), and red lead (to an accessory terminal) correctly.
• BEFORE connecting the speaker leads of the power cord to
the speakers, check the speaker wiring in your car.
– If the speaker wiring in your car is as illustrated in Fig. 1
and Fig. 2 below, DO NOT connect the unit using that original
speaker wiring. If you do, the unit will be seriously damaged.
Redo the speaker wiring so that you can connect the unit to
the speakers as illustrated in Fig. 3.
– If the speaker wiring in your car is as illustrated in Fig. 3,
you can connect the unit using the original speaker wiring in
your car.
– If you are not sure of the speaker wiring of your car, consult
your car dealer.
TROUBLESHOOTING
•The fuse blows.
* Are the red and black leads connected correctly?
•Power cannot be turned on.
* Is the yellow lead connected?
•No sound from the speakers.
* Is the speaker output lead short-circuited?
•Sound is distorted.
* Is the speaker output lead grounded?
* Are the “–” terminals of L and R speakers grounded in common?
•Unit becomes hot.
* Is the speaker output lead grounded?
* Are the “–” terminals of L and R speakers grounded in common?
L
R+
-
+
-
+
-
+
-
Fig. 1
L
R+
-
+
-
+
-
+
-
Fig. 2
L
R+
-
+
-
+
-
+
-
Fig. 3
Connecting the leads / Conexión de los conductores / Raccordement des fils CAUTION / PRECAUCION / PRECAUTION:
•To prevent short-circuit, cover the terminals of the UNUSED leads with
insulating tape.
•Para evitar cortocircuitos, cubra los cables NO UTILIZADOS con cinta
aislante.
•Pour éviter les court-circuits, couvrir les bornes des fils qui NE SONT
PAS UTILISÉS avec de la bande isolante.
Solder the core wires to connect
them securely.
Suelde los alambres de alma para
conectarlos con firmeza.
Souder les âmes desfils pour les
raccorder entre eux de façon sûre.
PRECAUCIONES sobre las conexiones de la
fuente de alimentación y de los altavoces:
•NO conecte los conductores de altavoz del cable de
alimentación a la batería de automóvil, pues podrían
producirse graves daños en la unidad.
•Conecte correctamente el conductor negro (a tierra), el
conductor amarillo (a la batería del automóvil, 12V constantes),
y el conductor rojo (a un terminal de accesorio).
•ANTES de conectar a los altavoces los conductores de altavoz
del cable de alimentación, verifique el conexionado de altavoz
de su automóvil.
–Si el conexionado de altavoz de su automóvil es como
se indica en las Figs. 1 y 2 de abajo, NO conecte la unidad
utilizando ese conexionado de altavoz original. Si lo hace,
se producirán daños graves en la unidad.
Vuelva a efectuar el conexionado de altavoz de manera que
pueda conectar la unidad a los altavoces de la manera
indicada en la Fig.3.
–Si el conexionado de altavoz de su automóvil es como
se indica en la Fig. 3, podrá conectar la unidad utilizando
el conexionado de altavoz original de su automóvil.
– Si tiene dudas sobre el conexionado de altavoz de su
automóvil, consulte con su concesionario.
PRECAUTIONS sur l’alimentation et la
connexion des enceintes:
•NE CONNECTEZ PAS les fils d’enceintes du cordon
d’alimentation à la batterie de la voiture; sinon, l’appareil
serait sérieusement endommagé.
•
Connectez correctement le fil noir (à la masse), le fil jaune (à
la batterie de la voiture,12V constant) et le fil rouge (à la prise
accessoire).
•
AVANT de connecter les fils d’enceintes du cordon
d’alimentation aux enceintes, vérifiez le câblage des enceintes
de votre voiture.
–
Si le câblage des enceintes de votre voiture est réalisé
comme montré sur la Fig. 1 ou Fig. 2 ci-dessous,
NE
CONNECTEZ PAS l’appareil en utilisant ce câblage original
d’enceintes. Si vous le faites, l’appareil sera sérieusement
endommagé.
Recommencez le câblage des enceintes de façon que vous
puissiez connecter l’appareil aux enceintes comme montré
sur la Fig. 3.
–
Si le câblage des enceintes de votre voiture est comme
montré sur la Fig. 3,
vous pouvez connecter l’appareil en
utilisant ce câblage original d’enceintes pour votre voiture.
– Si vous n’êtes pas sûrs du câblage d’enceintes de votre
voiture, consulter le concessionnaire de votre voiture.
LOCALIZACION DE AVERIAS
•El fusible se quema.
* ¿Están los conductores rojo y negro correctamente conectados?
•No es posible conectar la alimentación.
* ¿Está el cable amarillo conectado?
•No sale sonido de los altavoces.
* ¿Está el cable de salida del altavoz cortocircuitado?
•El sonido presenta distorsión.
* ¿Está el cable de salida del altavoz conectado a masa?
* ¿Están los terminales “–” de los altavoces L y R conectados a
una masa común?
•La unidad se calienta.
* ¿Está el cable de salida del altavoz conectado a masa?
* ¿Están los terminales “–” de los altavoces L y R conectados a
una masa común?
EN CAS DE DIFFICULTÉS
•Le fusible saute.
*
Les fils rouge et noir sont-ils racordés correctement?
•L’appareil ne peut pas être mise sous tension.
*
Le fil jaune est-elle raccordée?
•Pas de son des haut-parleurs.
*
Le fil de sortie de haut-parleur est-il court-circuité?
•Le son est déformé.
*
Le fil de sortie de haut-parleur est-il à la masse?
*
Les bornes “–” des haut-parleurs gauche et droit sont-elles mises
ensemble à la masse?
•L’appareil devient chaud.
*
Le fil de sortie de haut-parleur est-il à la masse?
*
Les bornes “–” des haut-parleurs gauche et droit sont-elles mises
ensemble à la masse?
JVC KW-XC550
L
L
R
R
AUX
LR
Portable unit, etc.
Unidad portátil, etc.
Appareil portable, etc.
JVC CD changer *
Cambiador de CD JVC *
Changeur de CD JVC *
Cord (supplied with the CD Changer)
Cable (suministrado con el cambiador de CD)
Cordon (fourni avec la changeur de CD)
JVC power amplifier
Amplificador de potencia de
JVC
Amplificateur de puissance
JVC
Stereo Mini jack ø 3.5 mm
Miniclavija estéreo de ø 3,5 mm
Prise stéréo mini ø 3,5 mm
* We recommend that you connect one of the CH-X series CD changers.
If your CD changer is one of the KD-MK series, you need an optional cord (KS-U15K).
* Recomendamos conectar uno de los cambiadores de CD de la serie CH-X.
Si su cambiador de CD es de la serie KD-MK, necesitará un cable opcional (KS-U15K).
* Nous recommandons que vous connectiez un changeur de CD de la série CH-X.
Si votre changeur de CD appartient à la série KD-MK, vous avez besoin d’un cordon optionnel
(KS-U15K).
Signal cord (not supplied with this unit)
Cable de señal (no suministrado con esta unidad)
Cordon de signal (non fourni avec cet appareil)
To Line out
A la salida de línea
A la sortie de ligne
B Connections Adding Other Equipment / Conexiones para añadir otros equipos / Raccordement pour ajouter d’autres appareils
Since this unit has line-out terminals, an amplifier and other
equipment can be used to upgrade your car stereo system.
• Connect the remote lead (blue with white stripes) to the remote
lead of the other equipment so that it can be controlled through
this unit.
• For amplifier only:
– Connect this unit’s line-out terminals to the amplifier’s line-in
terminals.
– Disconnect the speakers from this unit, connect them
to the amplifier. Leave the speaker leads of this unit
unused. (Cover the terminals of these unused leads with
insulating tape, as illustrated above.)
• When connecting other equipment to the AUX jack on the front
panel, supply the power to the equipment independently.
Como esta unidad posee terminales de salida de línea, se puede
utilizar un amplificador u otro equipamiento para mejorar el
sistema estereofónico de su automóvil.
•Conecte el cable remoto (azul con rayas blancas) al cable
remoto del otro equipo para poderlo controlar a través de
esta unidad.
•Sólo para el amplificador:
– Conecte los terminales de salida de línea de esta unidad
con los terminales de entrada de línea del amplificador.
– Desconecte los altavoces de esta unidad y conéctelos al
amplificador. Los cables de los altavoces de esta unidad
quedan sin usar. (Cubra los terminales de estos cables
sin usar con cinta aislante, tal comose indica en la figura
de arriba.)
•Cuando conecte el otro equipo al jack AUX del panel frontal,
provea alimentación al otro equipo de manera independiente.
Comme cet appareil a des bornes de sortie de ligne, un
amplificateur et d’autres appareils peuvent être utilisés pour
améliorer votre chaîne stéréo automobile.
•
Connectez le fil de commande à distance (bleu avec des
bandes blanches) au fil de commande à distance de l’autre
appareil de façon qu’il puisse être commandé par cet appareil.
•
Pour l'amplificateur seulement:
– Raccorder les bornes de sortie ligne de cet appareil aux bornes
d’entrée ligne de l’amplificateur.
– Déconnectez les enceintes de cet appareil et connectez-
les à l’amplificateur. Laissez les fils d’enceintes de cet
appareil inutilisés. (Recouvrir les extrémités de ces fils
inutilisés avec de la bande isolante comme montré ci-
dessus.)
•
Lors de la connexion d’un autre appareil aux prises AUX sur le
panneau avant, alimentez cet appareil indépendamment.
Remote In
Entrada para control remoto
Entrée de la commande à distance
Remote Out
Salida para control remoto
Sortie de la commande à distance
Twist the core wires when connecting.
Retuerza los alambres de alma para
conectarlos.
Torsader les âmes des fils en les
raccordant.