Jvc Kw Xc777 Instruction Manual EN02 07KW XC777[J]7
KW-XC777 49688ien
2015-07-14
: Jvc Jvc-Kw-Xc777-Instruction-Manual-772770 jvc-kw-xc777-instruction-manual-772770 jvc pdf
Open the PDF directly: View PDF
.
Page Count: 41
- INSTRUCTIONS
- IMPORTANT FOR LASER PRODUCTS
- CONTENTS
- LOCATION OF THE BUTTONS
- BASIC OPERATIONS
- RADIO OPERATIONS
- CD OPERATIONS
- TAPE OPERATIONS
- SOUND ADJUSTMENTS
- LEVEL METER SETTING
- OTHER MAIN FUNCTIONS
- EXTERNAL COMPONENT OPERATIONS
- CD CHANGER OPERATIONS
- MAINTENANCE
- TROUBLESHOOTING
- SPECIFICATIONS
- IMPORTANT
- Installation/Connection Manual

CD/CASSETTE RECEIVER KW-XC777
ENGLISH
ESPAÑOL
RADIOCASSETTE/CD KW-XC777
INSTRUCTIONS
MANUAL DE INSTRUCCIONES
MANUEL D’INSTRUCTIONS
For customer Use:
Enter below the Model No. and
Serial No. which are located on
the top or bottom of the cabinet.
Retain this information for future
reference.
Model No.
Serial No.
LVT0833-001A
[J]
FRANÇAIS
For installation and connections, refer to the separate manual.
Para la instalación y las conexiones, refiérase al manual separado.
Pour l’installation et les raccordements, se référer au manuel séparé.
RECEPTOR DE CD-CASSETTE KW-XC777
EX
180
MP3
INPUT
COVER.KW-XC777[J] 01.12.7, 5:38 PM3

2
ENGLISH
INFORMATION (For USA)
This equipment has been tested and found to comply with the limits for a Class B digital device,
pursuant to Part 15 of the FCC Rules. These limits are designed to provide reasonable protection
against harmful interference in a residential installation. This equipment generates, uses, and can
radiate radio frequency energy and, if not installed and used in accordance with the instructions,
may cause harmful interference to radio communications. However, there is no guarantee that
interference will not occur in a particular installation. If this equipment does cause harmful
interference to radio or television reception, which can be determined by turning the equipment off
and on, the user is encouraged to try to correct the interference by one or more of the following
measures:
– Reorient or relocate the receiving antenna.
– Increase the separation between the equipment and receiver.
– Connect the equipment into an outlet on a circuit different from that to which the receiver is
connected.
– Consult the dealer or an experienced radio/TV technician for help.
IMPORTANT FOR LASER PRODUCTS
Precautions:
1.CLASS 1 LASER PRODUCT
2.CAUTION: Invisible laser radiation when open and interlock failed or defeated. Avoid direct exposure
to beam.
3.CAUTION: Do not open the top cover. There are no user-serviceable parts inside. Leave all
servicing to qualified service personnel.
4.CAUTION: This CD player uses invisible laser radiation, however, is equipped with safety switches
to prevent radiation emission when unloading CDs. It is dangerous to defeat the safety switches.
5.CAUTION: Use of controls, adjustments or performance of procedures other than those specified
herein may result in hazardous radiation exposure.
CAUTION on Volume Setting
CDs produce very little noise compared with other sources. If the volume level is adjusted for the
tuner, for example, the speakers may be damaged by the sudden increase in the output level.
Therefore, lower the volume before playing a CD and adjust it as required during playback.
How to reset your unit
Press the reset button on the front panel using
a ball-point pen or similar tool.
Note:
Your preset adjustments – such as preset channels or
sound adjustments – will be erased.
EN02-07KW-XC777[J]7 01.12.7, 5:37 PM2

ENGLISH
3
How to reset your unit .............................. 2
About the demonstration mode
(DEMO MODE) ..................................... 3
LOCATION OF THE BUTTONS ........... 4
Control panel............................................ 4
Remote controller ..................................... 5
Preparing the remote controller ............... 6
BASIC OPERATIONS ...................... 7
RADIO OPERATIONS ..................... 8
Listening to the radio ................................ 8
Storing stations in memory ...................... 9
Automatic preset: SSM .......................... 9
Manual preset ........................................ 9
Storing your favorite station into the
EX (extra) button ................................. 10
Tuning in to a preset station ..................... 10
Other convenient tuner functions ............. 11
Scanning broadcast stations ................. 11
Showing a station name ........................ 11
Selecting FM reception mode ................ 11
CD OPERATIONS .......................... 12
Playing a CD ............................................ 12
Playing a CD Text .................................... 13
Locating a track or a particular portion
on a CD ................................................ 13
Selecting CD playback modes ................. 14
Prohibiting CD ejection ............................ 14
TAPE OPERATIONS ....................... 15
Listening to a tape .................................... 15
Finding the beginning of a tune ................ 16
Other convenient tape operations ............ 17
Skipping blank portions on the tape ...... 17
Playing the current tune repeatedly....... 17
Prohibiting tape ejection ........................... 17
SOUND ADJUSTMENTS .................. 18
Adjusting the sound ................................. 18
Reinforcing the bass sound ..................... 18
Selecting preset sound modes ................. 19
Storing your own sound adjustments ....... 20
LEVEL METER SETTING .................. 21
Selecting level meter patterns .................. 21
Level meter patterns .............................. 21
OTHER MAIN FUNCTIONS ............... 22
Setting the clock ....................................... 22
Changing general settings (PSM) ............ 22
Assigning names to the sources .............. 25
EXTERNAL COMPONENT OPERATIONS ...
27
CD CHANGER OPERATIONS ............. 28
Playing CDs ............................................. 28
Selecting CD playback modes ................. 30
MAINTENANCE ............................ 31
Handling cassettes ................................... 31
Handling CDs ........................................... 32
TROUBLESHOOTING ..................... 33
SPECIFICATIONS .......................... 35
BEFORE USE
*For safety....
• Do not raise the volume level too much, as this will
block outside sounds, making driving dangerous.
• Stop the car before performing any complicated
operations.
*Temperature inside the car....
If you have parked the car for a long time in hot or
cold weather, wait until the temperature in the car
becomes normal before operating the unit.
Thank you for purchasing a JVC product. Please read all instructions carefully before operation, to
ensure your complete understanding and to obtain the best possible performance from the unit.
CONTENTS
About the demonstration mode (DEMO MODE)...
When shipped from the factory, “DEMO” is set to “DEMO ON” in this unit. The demonstration will
start automatically if no sound comes in for 3 minutes. (See page 25.)
To deactivate the demonstration mode
1Press and hold SEL for more than 2 seconds so that one of the PSM items appears on the display.
2Press ¢ or 4 to select “DEMO.”
3Press – to select “DEMO OFF.”
4Press SEL (Select) to finish the setting.
EN02-07KW-XC777[J]7 01.12.7, 5:37 PM3

4
ENGLISH
LOCATION OF THE BUTTONS
Control panel
Control panel
1Display window
2CD loading slot
3
ATT
/
(standby/on / attenuator) button
4DISP (display) button
5MP3 INPUT jack
6SEL (select) button
7EQ LV (Equalizer/Level) button
8+ / – buttons
9Reset button
pMODE button
qCassette compartment
wCD 0 (eject) button
eSource buttons
•CD/CH button
•FM/AM button
•TAPE/AUX button
r•2 PROG 3 button
•+10 / –10 button
tTAPE 0(eject) button
y4/ ¢ buttons
uEX (extra) button
iNumber buttons
Display window
oDolby NR indicator
;EQ level indicator/S. BASS (Super Bass) level/
level meter
aMain display
sLevel meter
dPlay mode indicators
RND (random), RPT (repeat),
B.SKIP (blank skip)
fCD indicator
gTAPE indicator
hText name indicators
DISC, TRACK, STATION
jSource indicators
CD, CD-CH (CD-changer), TAPE, AUX, F1, F2,
F3, A
kTuner reception indicators
MO (monaural), ST (stereo)
lClock display
Display window
EX
180
MP3
INPUT
1
2
3
4
5
6
7
8
9
p
q
w
e
r
t
y
u
i
o; asd
fg h j kl
EN02-07KW-XC777[J]7 01.12.7, 5:37 PM4

ENGLISH
5
1Functions the same as the
ATT
/
button
on the main unit.
2•Changes the band while listening to the
radio.
•Changes the tape direction while listening to
a tape.
•Selects disc numbers in the increasing
order, and starts playing while listening to
the CD changer.
3•Selects preset numbers in the increasing
order while listening to the radio.
•Selects disc numbers in the decreasing
order, and starts playing while listening to
the CD changer.
4Functions the same as the +/– buttons on the
main unit.
Note:
This button does not function for the preferred
setting mode (PSM) adjustment.
Remote controller
1
2
3
4
6
7
5
5Selects the sound mode.
Each time you press button, the EQ
(equalizer) mode changes.
6Selects the source.
Each time you press FUNC (function), the
source changes.
7•Searches stations while listening to the
radio.
•Fast-forwards or reverses the track if
pressed and held while listening to a CD.
•Skips to the beginning of the next tracks or
goes back to the beginning of the current (or
previous) tracks if pressed briefly while
listening to a CD.
•Fast-forwards or rewinds a tape and find a
beginning of a tune (MMS) while listening to
a tape.
•Does not function as 5/∞ buttons.
EN02-07KW-XC777[J]7 01.12.7, 5:37 PM5

6
ENGLISH
Preparing the remote controller
Before using the remote controller:
•Aim the remote controller directly at the remote
sensor on the main unit. Make sure there is no
obstacle in between.
•Do not expose the remote sensor to strong light
(direct sunlight or artificial lighting).
EX
Remote sensor
Installing the battery
When the controllable range or effectiveness of
the remote controller decreases, replace the
battery.
1. Remove the battery holder.
1) Push out the battery holder in the direction
indicated by the arrow using a ball-point
pen or a similar tool.
2) Remove the battery holder.
2. Place the battery.
Slide the battery into the holder with the + side
facing upwards so that the battery is fixed in
the holder.
1)
2)
(back side)
Lithium coin battery
(product number:
CR2025)
WARNING:
• Store the battery in a place where children cannot
reach.
If a child accidentally swallows the battery,
consult a doctor immediately.
• Do not recharge, short, disassemble or heat the
battery or dispose it in a fire.
Doing any of these things may cause the battery
to give off heat, crack or start a fire.
• Do not leave the battery with other metallic
materials.
Doing this may cause the battery to give off heat,
crack or start a fire.
• When throwing away or saving the battery, wrap
it in tape and insulate; otherwise, the battery may
start to give off heat, crack or start a fire.
• Do not poke the battery with tweezers or similar
tools.
Doing this may cause the battery to give off heat,
crack or start a fire.
(back side)
3. Return the battery holder.
Insert again the battery holder pushing it until
you hear a clicking sound.
CAUTION:
DO NOT leave the remote controller in a place
(such as dashboards) exposed to direct sunlight for
a long time.
EN02-07KW-XC777[J]7 01.12.7, 5:37 PM6

ENGLISH
7
BASIC OPERATIONS
Note:
When you use this unit for the first
time, set the built-in clock correctly, see
page 22.
1
Turn on the power.
“HELLO!” appears on the display.
Note on One-Touch Operation:
When you select a source in step 2 below, the
power automatically comes on. You do not have
to press this button to turn on the power.
2
Select the source.
•Each time you press CD/CH,
the source changes to CD* and
CD-changer (or external
component)** alternately.
•Each time you press FM/AM, the
band changes to FM (FM1, FM2,
FM3) and AM.
•Each time you press TAPE/AUX,
the source changes to TAPE***
and external component (AUX
INPUT) alternately.
*If a CD is not in the loading slot, you cannot
select CD as the source to play. (“NO DISC” will
appear on the display.)
** Without connecting the CD changer or the
external component, you cannot select it as the
source to play.
*** If a cassette is not in the cassette compartment,
you cannot select TAPE as the source to play.
(“NO TAPE” will appear on the display.)
To operate the tuner, see pages 8 – 11.
To operate the CD player, see pages 12 – 14.
To operate the tape deck, see pages 15 – 17.
To operate the external components, see page 27.
To operate the CD changer, see pages 28 – 30.
3
Adjust the volume.
4
Adjust the sound as you want
(see pages 18 – 20).
•If you need to change the level meter
pattern, see page 21.
To drop the volume in a moment
Press
ATT
/
briefly while listening to any
source. “AT T ” starts flashing on the display, and
the volume level will drop in a moment.
To resume the previous volume level, press the
button briefly again.
To turn off the power
Press ATT
/ for more than 1 second. “SEE
YOU” appears, then the unit turns off.
•If you turn off the ignition key without turning off
this unit, the unit will automatically turn on
when you turn on the ignition key next time. If
the last selected source is ready for playback
(ex. a CD or a tape is in the unit), playback
starts automatically.
EX
180
MP3
INPUT
2
1
3
To turn up the volume.
To turn down the volume.
Level meter
Clock time
EN02-07KW-XC777[J]7 01.12.7, 5:37 PM7

8
ENGLISH
RADIO OPERATIONS
Listening to the radio
You can use either automatic searching or manual
searching to tune in to a particular station.
Searching a station automatically:
Auto search
1
Select the band (FM1, FM2, FM3, or
AM).
Note:
This receiver has three FM bands (FM1, FM2, and
FM3). You can use any one of them to listen to an FM
broadcast.
2
Start searching a station.
To stop searching before a station is received,
press the same button you have pressed for
searching.
Searching a station manually:
Manual search
1
Select the band (FM1, FM2, FM3, or
AM).
2
Press and hold ¢ or 4
until “M (manual)” starts flashing on
the display.
3
Tune in to a station you want while
“M” is flashing.
•If you release your finger from the button, the
manual mode will automatically turn off after 5
seconds.
•If you hold down the button, the frequency
keeps changing (in 200 kHz intervals for FM
and 10 kHz for AM) until you release the
button.
EX
180
MP3
INPUT
Selected band appears.
When a station is received, searching
stops.
FM1 FM2 FM3 AM
To search stations of
higher frequencies
To search stations of
lower frequencies
Press ¢ to tune in
to stations of higher
frequencies.
Press 4 to tune in
to stations of lower
frequencies.
EN08-11KW-XC777[J]7 01.12.7, 5:37 PM8

9
ENGLISH
Storing stations in memory
You can use one of the following methods to
store broadcasting stations in memory.
•Automatic preset: SSM (Strong-station
Sequential Memory)
•Manual preset
•Storing your favorite station in to the EX button
Automatic preset: SSM
You can preset 6 local stations in each FM band
(FM1, FM2, and FM3).
1
Select the band (FM1, FM2, or FM3).
2
Press MODE repeatedly until “SSM”
appears.
3
Press SEL.
Local stations with the strongest signals are
searched and stored automatically in the band you
have selected (FM1, FM2, and FM3). These stations
are preset in the number buttons — No. 1 (lowest
frequency) to No. 6 (highest frequency).
When automatic preset is over, the station stored
in number button 1 will be automatically tuned in.
“--SSM--” appears, then disappears when
automatic preset is over.
Manual preset
You can preset up to 6 stations in each band
(FM1, FM2, FM3, and AM) manually.
EXAMPLE: Storing an FM station of 88.3 MHz
into the preset channel number 1 of
the FM1 band
1
Select the FM1 band.
2
Tune in to a station (in this example,
of 88.3 MHz).
“P1” flashes for a few seconds.
3
Press and hold the number button
(in this example, 1) for more than 2
seconds.
4
Repeat the above procedure to store
other stations into other preset
numbers.
FM1 FM2 FM3 AM Press ¢ to tune in
to stations of higher
frequencies.
Press 4 to tune in
to stations of lower
frequencies.
EN08-11KW-XC777[J]7 01.12.7, 5:37 PM9

10
ENGLISH
Tuning in to a preset station
You can easily tune in to a preset station.
Remember that you must store stations first. If
you have not stored them yet, see page 9.
1
Select the band (FM1, FM2, FM3, or
AM) you want.
2
Select the number (1 – 6) for the
preset station you want.
FM1 FM2 FM3 AM
To tune in the favorite station (EX)
Press EX so that the unit
automatically turns on (if it has
been off).
Your favorite station is tuned in.
•If you press the button again, the previous
source will be played back again.
EX
EX
“EX” flashes on the display.
Storing your favorite station into the
EX (extra) button
You can preset an FM or AM station (such as
your favorite station or traffic announcement
station); and recall it by one touch operation even
if the unit is turned off.
EXAMPLE: Storing an FM station of 88.3 MHz
into the EX button
1
Select the FM1 band.
2
Tune in to a station (in this example,
of 88.3 MHz.)
3
Press and hold the EX button until
“EX” flashes.
Notes:
•A previously preset station is erased when a new
station is stored.
•Preset stations are erased when the power supply to
the memory circuit is interrupted (for example,
during battery replacement). If this occurs, preset
the stations again.
Press ¢ to tune in
to stations of higher
frequencies.
Press 4 to tune in
to stations of lower
frequencies.
EN08-11KW-XC777[J]7 01.12.7, 5:37 PM10

11
ENGLISH
Other convenient tuner functions
Scanning broadcast stations
1
Select “SCAN”.
* When receiving an FM stereo broadcast.
2
Start scanning.
Each time a broadcast is tuned
in, scanning stops for about 5
seconds (tuned frequency
number flashes on the display),
and you can check what
program is now being
broadcasted.
If you want to listen to that program, press MODE
button again to stop scanning.
Showing a station name
If you have assigned a name to a station
frequency, the display shows its assigned name
after the station frequency is displayed.
When the station name is displayed, the STATION
indicator lights up on the display (see page 25).
To confirm the station frequency while the
assigned name is shown, press DISP (display).
Each time you press the button, the assigned
name and the station frequency alternate on the
display.
Note:
If no name is assigned, “NO NAME” will appear
when you press DISP.
J
Lights up when receiving an FM broadcast
in stereo.
*SSM SCAN
*MONO
Canceled
(frequency indication)
Selecting FM reception mode
When an FM stereo broadcast is hard to
receive, follow the procedure below:
1
Select “MONO”.
2
Select FM reception mode.
FM reception mode turns on
(“MONO ON”) and off (“MONO
OFF”) alternately.
When the monaural mode is turned on, the sound
you hear becomes monaural but reception will be
improved.
Lights up.
SSM SCAN
MONO
Canceled
(frequency indication)
EN08-11KW-XC777[J]7 01.12.7, 5:37 PM11

12
ENGLISH
CD OPERATIONS
Playing a CD
1
Insert a disc into the loading slot.
The unit turns on,
draws a CD and
starts playback
automatically.
\
Current track
\
Total playing time of
the inserted disc
Total track number of
the inserted disc
Elapsed playing time
Note on One-Touch Operation:
When a CD is already in the loading slot, pressing
CD/CH turns on the unit and starts playback
automatically.
Notes:
•When a CD is inserted upside down, the CD
automatically ejects.
•When you play a CD Text, the disc title and
performer appear on the display. Then the current
track title appears on the display, followed by the
track number and elapsed playing time. See also
“Playing a CD Text” (page 13) and “Selecting the
scroll mode – SCROLL” (page 24).
If a CD Text includes much text information, some
may not appear on the display.
To stop play and eject the CD
Press CD 0.
CD play stops and the CD automatically ejects
from the loading slot (“EJECT” appears on the
display). The source changes to the last selected
source.
If you change the source, the CD play also stops
(without ejecting the CD this time).
Notes:
•If the ejected disc is not removed for about 15 seconds,
the disc is automatically inserted again into the
loading slot to protect it from dust. (CD play will not
start this time.)
•You can eject the CD even when the unit is turned off.
CD indicator lights up.
EX
180
MP3
INPUT
EN12-14KW-XC777[J]7 01.12.7, 5:37 PM12

13
ENGLISH
Playing a CD Text
In a CD Text, some information about the disc (its
disc title, performer and track title) is recorded.
You can show these disc information on the
display.
1
Select text display mode while
playing a CD Text.
Each time you press the
button, the display changes
as follows:
When disc information appears on the display,
the corresponding name indicator lights up.
Notes:
•You can use the scroll mode to show the disc
information on the display.
See also “Selecting the scroll mode – SCROLL” on
page 24.
•When you press DISP (display) while playing a
conventional CD, “NO NAME” appears for the disc
title/performer and the track title.
Locating a track or a
particular portion on a CD
To fast-forward or reverse the track
Disc Title / Performer Current track no.
and Track Title
Current track no.
and Elapsed playing time
When a disc title/performer is displayed.
When a track title is displayed.
Press and hold ¢
while playing a CD, to
fast-forward the track.
Press and hold 4
while playing a CD, to
reverse the track.
Press ¢ briefly
while playing a CD, to go
ahead to the beginning of
the next track. Each time
you press the button
consecutively, the
beginning of the next
tracks is located and
played back.
Press 4 briefly
while playing a CD, to go
back to the beginning of
the current track. Each
time you press the button
consecutively, the
beginning of the previous
tracks is located and
played back.
Press +10 while playing a
CD, to skip 10 tracks at a
time.
Press –10 while playing a
CD, to skip back 10 tracks
at a time.
To go to the next tracks or the previous
tracks
To skip 10 tracks
To go to a particular track directly
Press the number button corresponding to the
track number to start its playback.
•To select a track number from 1 – 6:
Press 1 (7) – 6 (12) briefly.
•To select a track number from 7 – 12:
Press and hold 1 (7) – 6 (12) for more than 1
second.
EN12-14KW-XC777[J]7 01.12.7, 5:37 PM13

14
ENGLISH
Selecting CD playback modes
To play back tracks repeatedly
(Repeat Play)
You can play back the current track repeatedly.
1Press MODE repeatedly until
“REPEAT” appears.
2Press SEL.
Each time you press the
button, CD repeat play mode
turns on (“REPEAT ON”) and
off (“REPEAT OFF”)
alternately.
When the repeat mode is turned on, the RPT
indicator lights up on the display.
To play back tracks at random
(Random Play)
You can play back all tracks on the CD at random.
1Press MODE repeatedly until
“RANDOM” appears.
2Press SEL.
Each time you press button,
CD random play mode turns
on (“RANDOM ON”) and off
(“RANDOM OFF”) alternately.
When the random mode is turned on, the RND
indicator lights up on the display and a track
randomly selected starts playing.
REPEAT RANDOM
INTRO
Canceled
REPEAT RANDOM
INTRO
Canceled
REPEAT RANDOM
INTRO
Canceled
To play back only intro (Intro scan)
You can play back the first 15 seconds of each
track sequentially.
1Press MODE repeatedly until
“INTRO” appears.
2Press SEL.
Each time you press button,
CD Intro scan mode turns on
(“INTRO ON”) and off
(“INTRO OFF”) alternately.
When the Intro scan mode is turned on, the
current track number flashes.
Prohibiting CD ejection
You can prohibit the CD ejection and can “lock” a
CD in the loading slot.
While pressing CD/CH, press
and hold CD 0for more than 2
seconds. “CD ” flashes on the
display for a while, and the CD is
locked and cannot be ejected.
To cancel the prohibition and “unlock” the CD,
press and hold CD 0 for more than 2 seconds
again, while pressing CD/CH. “EJECT OK”
flashes on the display for a while, and the CD is
“unlocked.”
\
EN12-14KW-XC777[J]7 01.12.7, 5:37 PM14

15
ENGLISH
TAPE OPERATIONS
Listening to a tape
You can play back type 1 (normal) tapes.
1
Insert a cassette into the cassette
compartment.
The unit turns on and tape play starts
automatically.
When one side of the tape reaches its end
during play, the other side of the tape
automatically starts playing. (Auto Reverse)
Note on One-Touch Operation:
When a cassette is already in the cassette
compartment, pressing TAPE/AUX turns on the
unit and starts tape play automatically.
2
Turn on or off the Dolby B NR* as
needed.
1Press MODE repeatedly until
“DOLBY B” appears.
Tape indicator flashes.
2Press SEL.
Each time you press the
button, the Dolby B NR turns
on (“DOLBY ON”) and off
(“DOLBY OFF”).
DOLBY B B.SKIP
REPEAT
Canceled
3
Select the tape direction.
Each time you press the
button, the tape direction
changes alternately.
*Manufactured under license from Dolby
Laboratories.
“Dolby” and the double-D symbol are
trademarks of Dolby Laboratories.
j
This indicator lights up when the Dolby B
NR is turned on.
EX
180
MP3
INPUT
EN15-17KW-XC777[J]7 01.12.7, 5:37 PM15

16
ENGLISH
To stop play and eject the cassette
Press TAPE 0.
Tape play stops and the cassette automatically
ejects from the cassette compartment.
If you change the source, the tape play also stops
(without ejecting the cassette this time).
•You can also eject the cassette by pressing TAPE 0
with the unit turned off.
To fast-forward and rewind a tape
To stop fast-forward and rewind at any
position on the tape, press 2 PROG 3.
Tape play starts from that position on the tape.
Note:
When the tape reaches its end while fast-forwarding,
the tape direction will be changed automatically.
Finding the beginning of a tune
Multi Music Scan allows you to automatically start
playback from the beginning of a specified tune.
You can specify up to 9 tunes ahead or before the
current tune.
During playback
1
Specify where (how many tunes
ahead of or before the current tune)
the tune you want is located.
When the beginning of the specified tune is
located, playback starts automatically.
Notes:
•While locating a specified tune:
–If the tape is rewound to its beginning, playback
starts from the beginning of that side.
–If the tape is fast-forwarded to the end, it is
reversed and played from the beginning of the
other side.
•In the following cases, Multi Music Scan may not
operate correctly.
–Tapes with tunes having long pianissimo passages
(very quiet parts) or non-recorded portions during
tunes.
–Tapes with short non-recorded sections.
–Tapes with high level noise or humming between
tunes.
–The Dolby NR setting does not match. For
example, if the tape is recorded with the Dolby C
NR.
Press ¢ for more
than 1 second to fast-
forward the tape. When
the tape reaches its end,
the tape is reversed and
playback starts from the
beginning of the other
side.
Press 4 for more
than 1 second to rewind
the tape. When the tape
reaches its end, playback
of the same side starts.
To locate a tune ahead of
the current tune on the
tape.
To locate a tune before
the current tune on the
tape.
Each time you press the button, the
number changes up to ±9.
EN15-17KW-XC777[J]7 01.12.7, 5:37 PM16

17
ENGLISH
Other convenient tape
operations
Skipping blank portions on the tape
You can skip blank portions between the tunes
(Blank Skip).
1Press MODE repeatedly until
“B.SKIP” appears.
2Press SEL.
Each time you press the
button, skip function mode
turns on (“B.SKIP ON”) and
off (“B.SKIP OFF”) alternately.
When this function is on, the B.SKIP indicator
lights up on the display and the unit skips blank
portions of 15 seconds or more, fast-forwards to
the next tune, then starts playing it.
Playing the current tune repeatedly
You can play the current tune repeatedly
(Repeat Play).
1Press MODE repeatedly until
“REPEAT” appears.
2Press SEL.
Each time you press the
button, repeat play mode
turns on (“REPEAT ON”) and
off (“REPEAT OFF”)
alternately.
Notes:
In the following cases, Blank Skip and Repeat Play
may not operate correctly.
–Tapes with tunes having long pianissimo passages
(very quiet parts) or non-recorded portions during
tunes.
–Tapes with short non-recorded sections.
–Tapes with high level noise or humming between
tunes.
–The Dolby NR setting does not match. For example,
if the tape is recorded with the Dolby C NR.
Prohibiting tape ejection
You can prohibit the tape ejection and can “lock”
a tape in the cassette compartment.
While pressing TAPE/AUX, press
and hold TAPE 0for more than
2 seconds. “TAPE ” flashes on
the display for a while, and the
tape is locked and cannot be
ejected.
To cancel the prohibition and “unlock” the
tape, press and hold TAPE 0 for more than 2
seconds again, while pressing TAPE/AUX.
“EJECT OK” flashes on the display for a while,
and the tape is “unlocked.”
DOLBY B B.SKIP
REPEAT
Canceled
DOLBY B B.SKIP
REPEAT
Canceled
EN15-17KW-XC777[J]7 01.12.7, 5:37 PM17

18
ENGLISH
SOUND ADJUSTMENTS
Reinforcing the bass sound
You can also adjust the level of Super Bass.
1
Select “S.BASS.”
2
Adjust the level within the range of
“00” to “08.”
Adjusting the sound
You can adjust the sound characteristics to your
preference.
1
Select the item you want to adjust.
Each time you press the button,
the adjustable items change as
follows:
Indication To do: Range
*If you are using a two-speaker system, set the fader
level to “00.”
2
Adjust the level.
Note:
Normally + / – buttons work for volume adjustment.
So you do not have to select “VOLUME” to adjust the
volume level.
EQ S.BASS
L.V.METERCanceled
FADER BAL VOLUME
FADER*
BAL
(Balance)
VOLUME
Adjust the
front and rear
speaker
Adjust the left
and right
speakers
Adjust the
volume
R06 (rear only)
F06 (front only)
L06 (left only)
R06 (right only)
00 (min.)
50 (max.)
While adjusting Super Bass, the BASS
indicator flashes.
As the number increases, Super Bass
level also increases.
EN18-20KW-XC777[J]7 01.12.7, 5:37 PM18

ENGLISH
19
Selecting preset sound modes
You can select a preset sound adjustment
suitable to the music genre.
1
Select “EQ.”
2
Select the sound mode.
The sound mode
changes as follows:
*Rhythm and Blues
** If you want to adjust and store your original
sound mode (USER), see “Storing your own
sound adjustments” on page 20.
To cancel the sound mode, select “FLAT” in
step 2.
Note:
You can adjust the sound mode to your preference, and
store it in memory.
EQ S.BASS
L.V.METERCanceled
FLAT Hard Rock R & B*
POP JAZZ DanceMusic
ClassicRaggaeCountry
USER** (back to the beginning)
EQ level changes as you select the sound
mode.
Ex.: When you select “R & B”
To store a sound mode separately for each
playback source (EQ Link)
Once you select a sound mode, it is stored in
memory. It will be recalled every time you select
the same source. A sound mode can be stored for
each of the following sources — FM1, FM2, FM3,
AM, CD, tape, external components and the EX
(extra) button (see page 10).
•See also “Changing general settings (PSM)” on
page 22.
1Press and hold SEL (select) for more than 2
seconds so that one of the PSM items appears
on the display.
2Press ¢ or 4 to select “EQ LINK
(Equalization Link).”
3Press + to select “LINK ON.”
4Press SEL (select) to finish the setting.
To cancel EQ Link, repeat the same procedure
and select “LINK OFF” by pressing – in step 3.
•When “EQ LINK” is set to “LINK ON”
The selected sound mode and Super Bass
level can be stored in memory for the current
source.
Each time you select the same source, the
same sound mode is also recalled, and shown
after the source name.
•When “EQ LINK” is set to “LINK OFF”
The selected sound mode effect applies to all
the sources selected.
EN18-20KW-XC777[J]7 01.12.7, 5:37 PM19

20
ENGLISH
3
Adjust the selected sound element.
•Refer to the table
below for adjusting the
selected sound
element.
Indication Range
LOW FREQ. 50 Hz , 80 Hz , 120 Hz
LOW LEVEL –06 (min.) — +06 (max.)
MID FREQ. 700 Hz , 1 kHz , 2 kHz
MID LEVEL –06 (min.) — +06 (max.)
HIGH FREQ. 8 kHz , 12 kHz
HIGH LEVEL –06 (min.) — +06 (max.)
4
Repeat step 2 and 3 to adjust the
other sound elements.
5
Store the adjustments.
Your setting is stored in USER
sound mode.
Storing your own sound
adjustments
You can adjust the sound modes to your
preference and store your own adjustments in
memory (USER sound mode).
•There is a time limit in doing the following
procedure. If the setting is cancelled before you
finish, start from step 1 again.
1
Select “EQ.”
2
Select sound elements to adjust.
Each time you press the button,
the sound elements to adjust
change as follows:
FREQ. (LOW, MID, HIGH):
Select the center frequency to
adjust.
LEVEL (LOW, MID, HIGH):
Adjust the enhancement level.
* By pressing ¢ or 4, you can
directly move as follows:
EQ S.BASS
L.V.METERCanceled
LOW FREQ.* LOW LEVEL
MID FREQ.* MID LEVEL
HIGH FREQ.* HIGH LEVEL
(back to the beginning)
LOW FREQ. MID FREQ.
HIGH FREQ.
EQ level adjusted flashes.
EX.: When you adjust “LOW FREQ.”
EN18-20KW-XC777[J]7 01.12.7, 5:37 PM20

ENGLISH
21
LEVEL METER SETTING
Selecting level meter patterns
You can select any one from 7 different level
meter patterns or a demonstration of all the
patterns.
1
Select “L.V. METER.”
2
Press +/– to select the level meter
pattern.
Each time you press
the button, the level
meter changes as
follows:
Level meter patterns
1. ALL DEMO (default setting)
Demonstrates all the level meter patterns,
each for 20 seconds.
2. Standard
Standard level meter.
3. SideWinder
Level meter is displayed horizontally.
4. Full Size
Level meter is displayed on the main display.
5. Spin
Spin in the right meter.
6. Double
Waves is displayed on both meters.
7. HIGH WAY
As if you were driving along a highway.
8. Dolphin
A dolphin is swimming in the main display.
9. OFF
No level meter is displayed.
EQ S.BASS
L.V.METERCanceled
Double HIGH WAY
Dolphin
Full Size Spin
SideWinderALL DEMO Standard
OFF (back to the beginning)
EN21-21KW-XC777[J]7 01.12.7, 5:38 PM21

22
ENGLISH
OTHER MAIN FUNCTIONS
Changing general settings (PSM)
You can change the following settings for this unit
by using the PSM (Preferred Setting Mode) control.
Basic Procedure
•There is a time limit in doing the following
procedure. If the setting is canceled before you
finish, start from step 1 again.
1
Press and hold SEL (select) for more
than 2 seconds so that one of the
PSM items appears on the display.
(See page 23.)
2
Select a PSM item you want to
adjust. (See page 23.)
3
Adjust the PSM item selected.
4
Repeat steps 2 and 3 to adjust the
other PSM items if necessary.
5
Finish the setting.
Setting the clock
After installation, set the built-in clock correctly.
1
Press and hold SEL (select) for more
than 2 seconds so that one of the PSM
items appears on the display. (See
page 23.)
2
If “CLOCK HOUR” does not appear,
press ¢ or 4 repeatedly
until it appears.
3
Adjust the hour.
4
Press ¢ or 4 until “CLOCK
MIN (minute)” appears on the display.
5
Adjust the minute.
6
Finish the setting.
To check the current clock time while the unit
is turned off, press DISP (display).
The power turns on, the clock time is shown for 5
seconds, then the power turns off.
EN22-26KW-XC777[J]7 01.12.7, 5:38 PM22

ENGLISH
23
Preferred Setting Mode (PSM) items
Back Advance
Back Advance
CLOCK OFF CLOCK ON CLOCK OFF 24
DIM OFF DIM ON
DIM AUTO
CONTRAST 1 –CONTRAST 10 CONTRAST 5 24
SCRL ONCE SCRL AUTO
SCRL OFF
DEMO OFF DEMO ON DEMO ON 25
CLOCK HOUR Hour adjustment
CLOCK MIN Minute adjustment
CLOCK DISP Clock display
EQ LINK Sound control
memory linkage
DIMMER Dimmer mode
CONTRAST Display contrast
SCROLL Scroll mode
EXT INPUT External input
selection
AUX ADJ Auxiliary input level
adjustment
DEMO Demonstration mode
12 3
Hold. Select. Set.
−+
LINK ON LINK OFF LINK OFF 19
DIM AUTO 24
SCRL ONCE 24
CD CHANGER LINE INPUT CD CHANGER 24
A.ADJ 00 –A.ADJ 05 A.ADJ 00 24
Factory-preset
See
Settings page
1:00 22
EN22-26KW-XC777[J]7 01.12.7, 5:38 PM23

24
ENGLISH
Setting the clock display – CLOCK DISP
You can set the clock to be shown on the display
when the unit is turned off.
When shipped from the factory, the clock is set
not to be shown on the display.
•CLOCK OFF: Clock display is turned off.
•CLOCK ON: Clock display is turned on.
Note:
If the power supply is not interrupted by turning off
the ignition key of your car, it is recommended to
select “CLOCK OFF” to save the car’s battery.
Selecting the dimmer mode – DIMMER
When you turn on the car headlights, the display
automatically dims (Auto Dimmer).
When shipped from the factory, Auto Dimmer
mode is activated.
•DIM OFF: Cancels Auto Dimmer.
•DIM ON: Always dims the display.
•DIM AUTO: Activates Auto Dimmer.
Note:
Auto Dimmer equipped for this unit may not work
correctly on some vehicles, particularly on those
having a control dial for dimming.
In this case, set the dimmer mode to “DIM ON” or
“DIM OFF.”
Adjusting the display contrast level
– CONTRAST
You can adjust the display contrast level among 1
(dark) to 10 (bright). When shipped from the
factory, the display contrast level is set at level 5.
Selecting the scroll mode – SCROLL
You can select the scroll mode for the disc
information.
When shipped from the factory, Auto Scroll mode
is set to “SCRL ONCE.”
•SCRL ONCE: Scrolls only once.
•SCRL AUTO: Repeats the scroll (5-second
intervals in between).
•SCRL OFF: Cancels Auto Scroll.
Selecting the external component to use
– EXT INPUT
You can connect the external component to the
CD changer jack on the rear using the Line Input
Adaptor KS-U57 (not supplied).
To use the external component as the playback
source through this unit, you need to select which
component – CD changer or external component
– to use.
When shipped from the factory, CD changer is
selected as the external component.
•CD CHANGER: To use the CD changer.
•LINE INPUT: To use the external
component other than CD
changer.
Notes:
•If the current source is CD changer or external
component, this item does not appear.
•For connecting the Line Input Adaptor KS-U57 and
the external component, refer to the Installation/
Connection Manual (separate volume).
Adjusting the auxiliary input level
– AUX ADJ
Adjust the auxiliary input level properly when an
external component is connected to the MP3 INPUT
jack.
When shipped from the factory, the auxiliary input
level is set at level 00.
If the input level of the connected component is
not high enough, increase the input level properly.
Without adjusting the line input level, you may be
surprised at a loud sound when you change the
source from the external component to another
source.
EN22-26KW-XC777[J]7 01.12.7, 5:38 PM24

ENGLISH
25
Turning the demo mode on or off
– DEMO MODE
You can turn the demo mode on or off. When
shipped from the factory, “DEMO ON” is selected.
•DEMO OFF: Turns the demo mode off.
•DEMO ON: Turns the demo mode on. The
demonstration will start
automatically if no sound comes
in for 3 minutes.
Note:
If the unit has been reset (and the power is on),
demonstration will start if no sound comes in for
about 15 seconds.
Assigning names to the sources
You can assign names to station frequencies and
the external component connected to the MP3
INPUT jack.
After assigning a name, it will appear on the
display when you select the source.
Sources Maximum number
of the characters
Station frequencies* Up to 10 characters
(up to 32 station
frequencies including
both FM and AM)
External components Up to 10 characters
(“AUX INPUT” only)
*You cannot assign name to a station frequency
stored in the EX (extra) button.
1
Select a source you want to assign a
name to.
When you select a
source, the power
automatically
comes on.
Each time you press the
button, the source
changes as described on
page 7.
2
Press and hold SEL (select) for more
than 2 seconds while pressing DISP
(display).
CONTINUED TO THE NEXT PAGE
(at the same time)
EN22-26KW-XC777[J]7 01.12.7, 5:38 PM25

26
ENGLISH
3
Select the character set you want
while “” is flashing.
Each time you press the
button, the character set
changes as follows:
4
Select a character.
About the available
characters, see the right
column.
5
Move the cursor to the next (or
previous) character position.
6
Repeat steps 3 to 5 until you finish
inputting the name.
7
Finish the procedure while the last
selected character is flashing.
Capital letters ( )
Small letters ( )
Numbers and symbols ( )
To erase the input characters
Press and hold DISP (display) for more than 1
seconds to erase all the characters at a time.
Note:
When you try to assign a name to the 33rd station
frequency, “NAME FULL” appears on the display. (In
this case, delete unwanted names before assignment.)
Available characters
Capital letters
Small letters
Number and symbols
ABCDE
FGHIJ
KLMNO
PQRST
UVWXY
Z
space
abcde
fghij
kl mno
pqr st
uvwxy
z
space
space
<=>
?@_ `
01234
56789
!
”#$%
&’()*
+, –./
:;
EN22-26KW-XC777[J]7 01.12.7, 5:38 PM26

27
ENGLISH
EXTERNAL COMPONENT OPERATIONS
You can connect two external components to this
unit.
Connect one to the MP3 INPUT jack on the
control panel, and the other to the CD changer
jack on the rear.
Preparations:
•For connecting the Line Input Adaptor KS-U57 and
the external component, refer to the Installation/
Connection Manual (separate volume).
•Before operating the external component connected
to the CD changer jack, select the external input
correctly. (See “Selecting the external component to
use – EXT INPUT” on page 24.)
1
Select the external component.
AUX INPUT: Press TAPE/AUX repeatedly
to select the component
connected to the MP3 INPUT
jack on the control panel.
LINE INPUT: Press CD/CH repeatedly to
select the component
connected to the CD changer
jack.
•If “LINE INPUT” does not appear on the
display, see page 24 and select the external
input (“Selecting the external component to
use – EXT INPUT”).
EX
180
MP3
INPUT
MP3 player, MD player, etc.
MP3 INPUT*
2
Turn on the connected component
and start playing the source.
3
Adjust the volume.
If the input level of the external component
connected to the MP3 INPUT jack is not
high enough, increase the input level
properly.
Without adjusting the input level, you may be
surprised at a loud sound when you change
the source from the external components to
another. (See “Adjusting the auxiliary input
level – AUX ADJ” on page 24.)
* This MP3 INPUT jack is not compatible with digital signals.
EN27-27KW-XC777[J]7 01.12.7, 5:38 PM27

28
ENGLISH
CD CHANGER OPERATIONS
We recommend that you use one of the CH-X
series with your unit.
If you have another CD automatic changer,
consult your JVC car audio dealer for
connections.
•For example, if your CD automatic changer is one
of the KD-MK series, you need a cord (KS-U15K)
for connecting it to this unit.
Before operating your CD automatic changer:
•Refer also to the Instructions supplied with
your CD changer.
•If no discs are in the magazine of the CD
changer or the discs are inserted upside
down, “NO DISC” will appear on the display. If
this happens, remove the magazine and set
the discs correctly.
•If “RESET 1 – RESET 8” appears on the
display, something is wrong with the
connection between this unit and the CD
changer. If this happens, check the
connection, connect the connecting cord(s)
firmly if necessary, then press the reset button
of the CD changer.
Playing CDs
Select the CD automatic changer (CD-CH).
Playback starts from the first
track of the first disc.
All tracks of all discs are played
back.
Note on One-Touch Operation:
When you press CD/CH, the power automatically
comes on. You do not have to press
ATT
/
to turn
on the power.
Elapsed playing timeTrack number
EX
180
MP3
INPUT
EN28-30KW-XC777[J]7 01.12.7, 5:38 PM28

ENGLISH
29
To go to a particular disc directly
Press the number button corresponding to the
disc number to start its playback (while CD
changer is playing).
•To select a disc number from 1 – 6:
Press 1 (7) – 6 (12) briefly.
•To select a disc number from 7 – 12:
Press and hold 1 (7) – 6 (12) for more than 1
second.
Ex.: When disc number 3 is selected.
Disc number Track number
\\
Track number Elapsed playing time
Press and hold ¢
while playing a CD, to
fast-forward the track.
Press and hold 4
while playing a CD, to
reverse the track.
Press ¢ briefly
while playing a CD, to go
ahead to the beginning of
the next track. Each time
you press the button
consecutively, the
beginning of the next
tracks is located and
played back.
Press 4 briefly
while playing a CD, to go
back to the beginning of
the current track. Each
time you press the button
consecutively, the
beginning of the previous
tracks is located and
played back.
To go to the next tracks or the previous tracks
To fast-forward or reverse the track
EN28-30KW-XC777[J]7 01.12.7, 5:38 PM29

30
ENGLISH
To play back only intro (Intro scan)
1Press MODE repeatedly until
“INTRO” appears.
2Press SEL.
Each time you press the
button, CD intro scan mode
changes as follows:
Mode Indicator Plays the beginnings
(15 seconds)
INTRO1 ON Track number Of all tracks on all
flashes inserted discs.
INTRO2 ON Disc number Of the first track on each
flashes inserted disc.
INTRO OFF None Canceled.
EX.:When “INTRO1 ON” is selected.
EX.:When “INTRO2 ON” is selected.
Disc number
Track number
REPEAT RANDOM
INTRO
Canceled
(Continuous play)
INTRO1 ON
INTRO OFF
INTRO2 ON
Selecting CD playback modes
To play back tracks repeatedly (Repeat Play)
1Press MODE repeatedly until
“REPEAT” appears.
2Press SEL.
Each time you press the
button, CD repeat play mode
changes as follows:
Mode RPT Plays repeatedly
Indicator
REPEAT1 ON Lights The current track (or
specified track).
REPEAT2 ON Flashes All tracks of the current
disc (or specified disc).
REPEAT OFF Goes off Canceled.
To play back tracks at random
(Random Play)
1Press MODE repeatedly until
“RANDOM” appears.
2Press SEL.
Each time you press the
button, CD random play mode
changes as follows:
Mode RND Plays at random
Indicator
RANDOM1 ON Lights All tracks of the current
disc, then the tracks of the
next disc, and so on.
RANDOM2 ON Flashes All tracks of all discs
inserted in the magazine.
RANDOM OFF Goes off Canceled.
REPEAT RANDOM
INTRO
Canceled
(Continuous play)
REPEAT1 ON
REPEAT OFF
REPEAT2 ON
REPEAT RANDOM
INTRO
Canceled
(Continuous play)
RANDOM1 ON
RANDOM OFF
RANDOM2 ON
EN28-30KW-XC777[J]7 01.12.7, 5:38 PM30

ENGLISH
31
Handling cassettes
The cassette deck built in this unit requires very
little attention, but you will be able to extend the
life of the cassette deck if you follow the
instructions below.
To clean the heads
•Clean the heads after every 10 hours of use
using a wet-type head cleaning tape (available
at an audio store).
When the head becomes dirty, you may realize
the following symptoms:
–Sound quality is reduced.
–Sound level decreases.
–Sound drops out.
•Do not play dirty or dusty tapes.
•Do not touch the highly-polished head with any
metallic or magnetic tools.
To keep the tape clean
•Always store the tapes in their storage cases
after use.
•Do not store tapes in the following places:
–Subject to direct sunlight
–With high humidity
–At extremely hot temperatures
MAINTENANCE
CAUTIONS:
•Do not play the tapes with peeling labels;
otherwise, they can damage the unit.
•Tighten tapes to remove slack since loose tape
may become entangled with the mechanism.
•Do not leave a cassette in the cassette compartment
after use, as the tape may become slack.
The function below is also provided to ensure the
longer life of the cassette deck.
Ignition key-off release
When you turn off the ignition key with a cassette
in the compartment, the unit automatically
releases the tape from its head.
EN31-35KW-XC777[J]7 01.12.7, 5:38 PM31

32
ENGLISH
Center holder
Handling CDs
The CD player built in this unit has been
designed to play back the CDs bearing the
following marks.
You can also play back your original CD-Rs
(Recordable) and CD-RWs (Rewritable) on this
receiver.
This unit is not compatible with MP3.
How to handle CDs
When removing a CD from
its case, press down the
center holder of the case
and lift the CD out, holding it
by the edges.
•Always hold the CD by the edges. Do not
touch its recording surface.
When storing a CD into its case, gently insert
the CD around the center holder (with the
printed surface facing up).
•Make sure to store CDs into the cases after
use.
To keep CDs clean
A dirty CD may not play
correctly. If a CD does
becomes dirty, wipe it with a
soft cloth in a straight line from
center to edge.
To play new CDs
New CDs may have some
rough spots around the inner
and outer edges.
If such a CD is used, this unit
may reject the CD.
To remove these rough spots, rub the edges
with a pencil or ball-point pen, etc.
COMPACT
DIGITAL AUDIO
Moisture condensation
Moisture may condense on the lens inside the
CD player in the following cases:
•After starting the heater in the car.
•If it becomes very humid inside the car.
Should this occur, the CD player may
malfunction. In this case, eject the CD and leave
the unit turned on for a few hours until the
moisture evaporates.
CAUTIONS:
•Do not insert 8 cm (3 3/16") CDs (single CDs)
into the loading slot. (Such CDs cannot be ejected.)
•Do not insert any CD of unusual shape — like a
heart or flower; otherwise, it will malfunction.
•Do not expose CDs to direct sunlight or any heat
source or place them in a place subject to high
temperature and humidity. Do not leave them in
a car.
•Do not use any solvent (for example,
conventional record cleaner, spray, thinner,
benzine, etc.) to clean CDs.
When playing a CD-R or CD-RW
You can play back your original CD-Rs or CD-
RWs recorded in audio CD format.
•User-edited CD-Rs (Recordable) and CD-RWs
(Rewritable) can be played back only if they are
already “finalized.”
•Before playing back CD-Rs or CD-RWs, read
their instructions or cautions carefully.
•Some CD-Rs or CD-RWs may not be played
back on this unit because of their disc
characteristics, damage or stain on them, or if
the player’s lens is dirty.
•CD-Rs or CD-RWs are susceptible to high
temperatures or high humidity; so do not leave
them inside your car.
•CD-RWs may require a longer readout time.
(This is caused by the fact that the reflectance
of CD-RWs is lower than for regular CDs.)
EN31-35KW-XC777[J]7 01.12.7, 5:38 PM32

ENGLISH
33
TROUBLESHOOTING
What appears to be trouble is not always serious. Check the following points before calling a service
center.
Symptoms
•CD cannot be played back.
•CD sound is sometimes
interrupted.
•“NO DISC” appears on the
display.
•CD can neither be played
back nor ejected.
•“EJECT ERR” appears on
the display.
•A cassette tape cannot be
inserted.
•Cassette tapes become hot.
•Tape sound is at very low
level and sound quality is
degraded.
•Sound is sometimes
interrupted.
•Sound cannot be heard from
the speakers.
Remedies
Insert the CD correctly.
Stop CD play while driving on
rough roads.
Change the CD.
Check the cords and
connections.
Insert CD.
Insert it correctly.
Press and hold both the
ATT
/
and CD 0 buttons
at the same time for several
seconds.
Press CD 0, or press both
the ATT
/and CD 0
buttons together to clear the
message.
Insert the cassette with the
exposed tape facing right.
———————
Clean it with a head cleaning
tape.
Check the cords and
connections.
Adjust it to the optimum level.
Check the cords and
connections.
Causes
CD is inserted upside down.
You are driving on rough
roads.
CD is scratched.
Connections are incorrect.
No CD is in the loading slot
(or in the magazine.)
CD is inserted incorrectly.
The CD player may function
incorrectly.
The CD was interrupted
ejection or insertion.
You have tried to insert a
cassette in the wrong way.
This is not a malfunction.
The tape head is dirty.
Connections are not good.
The volume control is turned
to the minimum level.
Connections are incorrect.
CONTINUED TO THE NEXT PAGE
EN31-35KW-XC777[J]7 01.12.7, 5:38 PM33

34
ENGLISH
Symptoms
•SSM automatic preset does
not work.
•Static noise while listening to
the radio.
•“NO MAGAZINE” appears on
the display.
•“RESET 8” appears on the
display.
•“RESET 1−RESET 7”
appears on the display.
•This unit does not work at
all.
•The CD changer does not
work at all.
•CD-R/CD-RW cannot be
played back.
•Tracks cannot be skipped on
CD-R/CD-RW.
Remedies
Store stations manually.
Connect the antenna firmly.
Insert the magazine.
Connect this unit and the CD
changer correctly and press
the reset button of the CD
changer.
Press the reset button of the
CD changer.
Press the reset button on the
front panel (see page 2.)
•Change a finalized CD-R/
CD-RW.
•Finalize the CD-R/CD-RW
with the component which
you used for recording.
Causes
Signals are too weak.
The antenna is not connected
firmly.
No magazine is in the CD
changer.
This unit is not connected to
a CD changer correctly.
———————
The built-in microcomputer
may function incorrectly due
to noise, etc.
CD-R/CD-RW is not finalized.
About mistracking:
Mistracking may result from driving on extremely rough roads. This does not damage
the unit and the CD, but will be annoying. We recommend that you stop CD play while
driving on such rough roads.
EN31-35KW-XC777[J]7 01.12.7, 5:38 PM34

ENGLISH
35
CD PLAYER SECTION
Type: Compact disc player
Signal Detection System: Non-contact optical
pickup (semiconductor laser)
Number of channels: 2 channels (stereo)
Frequency Response: 5 Hz to 20 000 Hz
Dynamic Range: 96 dB
Signal-to-Noise Ratio: 98 dB
Wow and Flutter: Less than measurable limit
CASSETTE DECK SECTION
Wow and Flutter: 0.1 % (WRMS)
Fast-Wind Time: 100 sec. (C-60)
Frequency Response: 30 Hz to 16 000 Hz
(Normal tape)
Signal-to-Noise Ratio: (Normal tape)
Dolby B NR ON: 65 dB
Dolby B NR OFF: 56 dB
Stereo Separation: 40 dB
GENERAL
Power Requirement:
Operating Voltage: DC 14.4 V (11 V to 16 V
allowance)
Grounding System: Negative ground
Allowable Working Temperature:
0°C to +40°C (32°F to 104°F)
Dimensions (W x H x D):
Installation Size:
178 mm x 100 mm x 150 mm
(7-1/16" x 3-15/16" x 5-15/16")
Front Panel Size:
170 mm x 96 mm x 20 mm
(6-3/4" x 3-13/16" x 13/16")
Mass: 2.3 kg (5.1 lbs) (excluding accessories)
Design and specifications subject to change without
notice.
AUDIO AMPLIFIER SECTION
Maximum Power Output:
Front: 45 W per channel
Rear: 45 W per channel
Continuous Power Output (RMS):
Front: 17 W per channel into 4 Ω,
40 Hz to 20 000 Hz at no more
than 0.8% total harmonic
distortion.
Rear: 17 W per channel into 4 Ω,
40 Hz to 20 000 Hz at no more
than 0.8% total harmonic
distortion.
Load Impedance: 4 Ω (4 to 8 Ω allowance)
Equalizer Control Range:
LOW: ±12 dB (50 Hz, 80 Hz, 120 Hz)
MID: ±12 dB (700 Hz, 1 kHz, 2 kHz)
HIGH: ±12 dB (8 kHz, 12 kHz)
Frequency Response: 40 Hz to 20 000 Hz
Signal-to-Noise Ratio: 70 dB
Line-In level/impedance:
MP3 INPUT : 3.5 mm dia. stereo mini jack
(analog)
Line-Out Level/Impedance:
2.0 V/20 kΩ load (full scale)
Output Impedance: 1 kΩ
TUNER SECTION
Frequency Range:
FM: 87.5 MHz to 107.9 MHz
AM: 530 kHz to 1 710 kHz
[FM Tuner]
Usable Sensitivity: 11.3 dBf (1.0 µV/75 Ω)
50 dB Quieting Sensitivity:
16.3 dBf (1.8 µV/75 Ω)
Alternate Channel Selectivity (400 kHz):
65 dB
Frequency Response: 40 Hz to 15 000 Hz
Stereo Separation: 35 dB
Capture Ratio: 1.5 dB
[AM Tuner]
Sensitivity: 20 µV
Selectivity: 35 dB
SPECIFICATIONS
If a kit is necessary for your car, consult
your telephone directory for the nearest
car audio speciality shop.
EN31-35KW-XC777[J]7 01.12.7, 5:38 PM35

J
V
C
EN, SP, FR
Having TROUBLE with operation?
Please reset your unit
Refer to page of How to reset your unit
Still having trouble??
USA ONLY
Call 1-800-252-5722
http://www.jvc.com
We can help you!
VICTOR COMPANY OF JAPAN, LIMITED
1201MNMMDWJEIN
http://www
.
j
v
cmobile.c
om
Visit us on-line for
Technical Support & Customer Satisfaction Survey.
US RESIDENTS ONLY
COVER.KW-XC777[J] 01.12.7, 5:38 PM2

IMPORTANT For KW-XC777
Notice the following information will help you solve your problems.
Keep this IMPORTANT sheet together with the INSTRUCTIONS.
• After installing the unit.
= Follow the procedure Å described below.
• If the unit does not operate.
= Follow the procedure Å described below.
• If a CD is not ejected from the loading slot.
= Follow the procedure ı described below. (If the procedure ı does not work, try
the procedure Å.)
• If a CD is not recognized (“NO DISC” appears on the
display) even though there is a CD in the loading slot.
= Follow the procedure ı described below. (If the procedure ı does not work, try
the procedure Å.)
ÅTo reset the microcomputer
Press the reset button on the front panel using a ball-point pen or a similar tool.
This will reset the built-in microcomputer.
NOTE: Your preset adjustments — such as preset channels or sound
adjustments — will also be erased.
ıTo eject a CD by force
Press and hold both the POWER / ATT (
ATT
/
) and CD 0 buttons at the
same time for several seconds until the “EJECT” appears on the display.
LVT0880-001A
EX
180
MP3
INPUT
CD 0
/ ATT )(
POWER / ATT
EX
180
MP3
INPUT
Reset button
KW-XC777IMPORTANT 01.11.29, 10:30 AM1

1
KW-XC777
Installation/Connection Manual
Manual de instalación/conexión
Manuel d’installation/raccordement
LVT0833-002A
[J]
J
V
C
1201MNMMDWJEIN
EN, SP, FR
ESPAÑOL
•Esta unidad está diseñada para funcionar con 12 voltios de
CC, con sistemas eléctricos de masa NEGATIVA.
INSTALACION (MONTAJE EN EL
TABLERO DE INSTRUMENTOS)
La siguiente ilustración muestra una instalación típica. Sin
embargo usted deberá efectuar los ajustes correspondientes a
su automóvil. En este caso, consulte el manual suministrado con
el kit de instalación (opción).
En algunos casos, y dependiendo del tipo y modelo de su
automóvil, es posible que no se pueda instalar esta unidad en la
consola central.
Si tiene alguna pregunta o necesita información acerca de las
herramientas para instalación, consulte con su concesionario de
JVC de equipos de audio para automóviles o a una compañía
que suministra tales herramientas.
Antes de instalar la unidad
•Para evitar cortocircuitos, recomendamos desconectar el
terminal negativo de la batería y realizar todas las conexiones
eléctricas antes de instalar la unidad.
•Para su seguridad, no instale la unidad en un sitio donde
constituya un obstáculo para la conducción o donde no haya
una ventilación suficiente a su alrededor.
•Después de decidir la posición de instalación, confirme que
los cables sean suficientemente largos.
•Para instalar la unidad, asegúrese de utilizar los tornillos
provistos y de seguir las instrucciones. El uso de otros tornillos
podría hacer que las piezas se aflojen o dañen.
•En caso de dudas sobre cómo instalar correctamente la unidad,
consulte con su concesionario JVC de equipos de audio para
automóviles o solicite la instalación a un técnico cualificado.
•Cuando apriete pernos o tornillos, asegúrese de no que no
quede ningún cable de conexión atrapado.
Precaución:
Para instalar los soportes de montaje en la unidad, utilice
solamente los tornillos suministrados (M5 x 6 mm).
Si utiliza un tornillo de más de 6 mm de largo, se podrá dañar la
unidad.
Después de instalar la unidad
Confirme el funcionamiento correcto de todas las lámparas de
frenos, luces, intermitentes, limpiaparabrisas, etc.
FRANÇAIS
•
Cet appareil est conçu pour fonctionner sur des sources de
courant continu de 12 volts à masse NEGATIVE.
INSTALLATION (MONTAGE DANS LE
TABLEAU DE BORD)
L’illustration suivante est un exemple d’installation typique.
Cependant, vous devez faire les ajustements correspondant à votre
voiture particulière. Dans ce cas, consultez le manuel fourni avec
le kit d’installation (en option).
Dans certains cas, selon le modèle de votre voiture, il peut ne pas
être possible d’installer l’appareil dans la console centrale.
Si vous avez des questions ou avez besoin d’information sur des
kits d’installation, consulter votre revendeur d’autoradios JVC ou
une compagnie d’approvisionnement.
Avant d’installer l’appareil
•
Pour éviter les courts-circuits, nous recommandons que vous
déconnectez la borne négative de la batterie et de réaliser toutes
les connexions électriques avant d’installer d’appareil.
•
Pour votre sécurité, n’installez pas l’appareil dans un endroit où
il peut gêner votre conduite ou dans un endroit où la ventilation
autour de l’appareil est insuffisante.
•
Quand l’emplacement de l’installation à été décidé, vérifiez que
fils sont suffisamment longs.
•
Lors du montage de l’appareil, assurez-vous d’utiliser les vis
fournies comme indiqué. Si d’autres vis sont utilisées, certaines
parties de l’appareil peuvent être endommagées ou mal fixées.
•
Si vous n’êtes pas sûr sur la façon d’installer l’appareil
correctement, consultez un revendeur d’autoradio JVC ou faites-
le installer par un technicien qualifié.
•
Lors du serrage des vis et des boulons, faites attention de ne
pas pincer un cordon de connexion.
Attention:
Pour installer les supports de montage sur l’appareil, utilisez
uniquement les vis fournies (M5 x 6 mm).
Si vous utilisez des vis plus longues que 6 mm, l’appareil risque
d’être endommagé.
Après installer l’appareil
Vérifiez que les feux d’arrêt, les feux, les clignotants, les essuie-
glace, etc. fonctionnement correctement.
ENGLISH
•This unit is designed to operate on 12 volts DC, NEGATIVE
ground electrical systems.
INSTALLATION (IN-DASH
MOUNTING)
The following illustration shows a typical installation. However, you
should make adjustments corresponding to your specific car. In
this case consult the manual included with the installation kit
(option).
In some case, depending of the type and the model of your car, it
is not possible to install the unit into the center console.
If you have any questions or require information regarding
installation kits, consult your JVC car audio dealer or a company
supplying kits.
Before installing the unit
•To prevent short circuits, it is recommended to disconnect the
battery’s negative terminal and make all electrical connections
before installing the unit.
•For reason of security, do not install the unit in a place where it
may disturb your driving or where there is not enough ventilation
space around the unit.
•When the installation position has been determined, confirm that
the cords are sufficiently long.
•When mounting the unit, be sure to use the screws provided, as
instructed. If other screws are used, there is a possibility that
parts could become loose or damaged.
•If you are not sure how to install this unit correctly, consult a JVC
car audio dealer or have it installed by a qualified technician.
•When tightening screws or bolts be careful not to pinch any
connection cord.
Caution:
To install the mounting brackets to the unit, use only the supplied
screws (M5 x 6 mm).
If you use any screw longer than 6 mm, the unit can be damaged.
After installing the unit
Check if all the brake lamps, lights, flasher, wiper, etc. work
correctly.
Parts list for installation and connection
The following parts are provided with this unit.
After checking them, please set them correctly.
Lista de piezas para instalación y conexión
Con esta unidad se suministran las siguientes piezas.
Después de inspeccionarlas, colóquelas correctamente.
Liste des pièces pour l’installation et
raccordement
Les pièces suivantes sont fournies avec cet appareil.
Après vérification, veuillez les placer correctement.
Plate for use with a Nissan car
Placa para usar con un automóvil Nissan
Plaque utilisée pour les voitures Nissan
Batteries
Pilas
Piles
Remote controller
Control remoto
Télécommande
Binding screws (M5 x 6 mm)
Tornillo de fijación (M5 x 6 mm)
Vis de pression (M5 x 6 mm)
Power cord
Cordón de alimentación
Cordon d’alimentation
Flat countersunk screws (M5 x 6 mm)
Tornillo de cabeza avellanada plana (M5 x 6 mm)
Vis à tête plate fraisée (M5 x 6 mm)
CR2025
When installing the unit in a Nissan car.
Cuando instale la unidad en un automóvil Nissan.
Lors de l’installation de l’appareil dans une voiture Nissan.
Fix the supplied plate as illustrated .
Fije la placa suministrada de la manera indicada en la ilustración.
Fixez la plaque fournie comme montré sur l’illustration.
Plate for use with a Nissan car
Placa para usar con un automóvil Nissan
Plaque utilisée pour les voitures Nissan

2
1
Remove the audio system originally installed.
Note: Be sure to keep all the screws and parts removed
from your car. They are to be used in the future.
2
Install the mounting brackets, removed from the car, to this
unit.
3
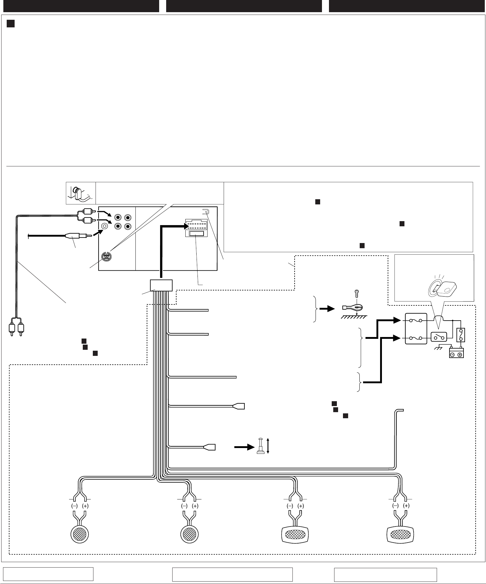
Connect the wires (see the diagrams on the reverse side).
4
Fix this unit to the car using the screws removed in step 1.
The following example shown is for installation in a Toyota.
For more details, consult your JVC car audio dealer.
1
Desmonte el sistema de audio instalado originalmente.
Nota: Guarde todos los tornillos y piezas removidos de su
automóvil, pues deberá utilizarlos posteriormente.
2
Instale los soportes de montaje removidos de su automóvil,
en esta unidad.
3
Conecte los cables (consulte los diagramas del reverso).
4
Fije esta unidad al automóvil usando los tornillos removidos
en el paso 1.
El ejemplo indicado a continuación es para la instalación
en un Toyota. Para mayor información, consulte con su
concesionario JVC de equipos de audio para automóviles.
1Retirez le système audio installé à l’origine.
Remarque:
Conservez toutes les vis et les pièces retirées
de votre voiture. Elles pourront être réutilisées
dans le futur.
2Installez les supports de montage, retirés de la voiture, sur
cet appareil.
3Connectez les fils (référez-vous aux diagrammes au dos
de cette feuille).
4Fixez cet appareil à la voiture en utilisant les vis retirées à
l’étape 1.
L’exemple suivant représente l’installation dans une
voiture Toyota. Pour plus renseignements, consultez votre
revendeur autoradio JVC.
Securely connect the ground wire to the metal body of the car using
the screw originally fixed to the metal body of the car.
Conecte firmemente el cable de tierra a la carrocería metálica del
automóvil usando el tornillo instalado originalmente en la misma.
Connectez solidement le fil de masse à la carrosserie métallique
de la voiture en utilisant une vis fixée d’origine à la carrosserie.
Mounting bracket removed from the car
Soporte de montaje desmontado del automóvil
Support de montage retiré de la voiture
Screw removed from the car in step 1
Tornillo sacado del automóvil en el paso 1
Vis retirées de la voiture à l’étape 1
Screws supplied with this unit
Tornillos suministrados con esta unidad
Vis fournies avec cet appareil.
Mounting bracket removed from the car
Soporte de montaje desmontado del automóvil
Support de montage retiré de la voiture
Screw removed from the car in step 1
Tornillo sacado del automóvil en el paso 1
Vis retirées de la voiture à l’étape 1
Screws supplied with this unit
Tornillos suministrados con esta unidad
Vis fournies avec cet appareil
Screws supplied with this unit:
Select the proper screw type, fitting to your car.
Tornillos suministrados con esta unidad:
Seleccione el tipo de tornillo apropiado para su
automóvil.
Vis fournies avec cet appareil:
Choisissez le type de vis correct, selon votre voiture.
Flat countersunk screw
(M5 x 6 mm)
Tornillo de cabeza avellanada
plana (M5 x 6 mm)
Vis à tête plate fraisée
(M5 x 6 mm)
Binding screw
(M5 x 6 mm)
Tornillo de fijación
(M5 x 6 mm)
Vis de pression
(M5 x 6 mm)
If there is an interfering tab on the mounting bracket, bent it flat.
Si hay alguna lengüeta interferente en el soporte de montaje, dóblela
hasta que quede plana.
S’il y a une languette gênante sur le support de montage, pliez-la.
Less than 30°
Menos de 30°
Inférieur à 30°
Install the unit at an angle of less than 30°.
Instale la unidad a un ángulo de menos de 30°.
Installez l’appareil avec un angle inférieur à 30°.
ELECTRICAL CONNECTIONS
To prevent short circuits, we recommend that you disconnect the
battery’s negative terminal and make all electrical connections
before installing the unit. If you are not sure how to install this unit
correctly, have it installed by a qualified technician.
Note:
This unit is designed to operate on 12 volts DC, NEGATIVE
ground electrical systems. If your vehicle does not have this
system, a voltage inverter is required, which can be purchased at
JVC car audio dealers.
•Replace the fuse with one of the specified rating. If the fuse
blows frequently, consult your JVC car audio dealer.
•If noise is a problem...
This unit incorporates a noise filter in the power circuit. However,
with some vehicles, clicking or other unwanted noise may occur.
If this happens, connect the unit’s rear ground terminal (see
connection diagram below) to the car’s chassis using shorter
and thicker cords, such as copper braiding or gauge wire. If noise
still persists, consult your JVC car audio dealer.
•
Maximum input of the speakers should be more than 45 watts at
the rear and 45 watts at the front, with an impedance of 4 Ω to 8 Ω.
•Be sure to ground this unit to the car’s chassis.
•The heat sink becomes very hot after use. Be careful not to touch
it when removing this unit.
CONEXIONES ELECTRICAS
Para evitar cortocircuitos, recomendamos que desconecte el
terminal negativo de la batería y que efectúe todas las
conexiones eléctricas antes de instalar la unidad. Si usted no
está seguro de cómo instalar correctamente la unidad, hágala
instalar por un técnico cualificado.
Nota:
Esta unidad está diseñada para funcionar con 12 voltios de
CC, con sistemas eléctricos de masa NEGATIVA. Si su
vehículo no posee este sistema, será necesario un inversor de
tensión, que puede ser adquirido en los concesionarios de
JVC de equipos de audio para automóviles.
•Reemplace el fusible por uno con la corriente especificada.
Si el fusible se quemase frecuentemente consulte con su
concesionario de JVC de equipos de audio para automóviles.
•Si el ruido fuese un problema...
Esta unidad tiene un filtro de ruido en el circuito de
alimentación. Sin embargo, en algunos vehículos, pueden
producirse chasquidos u otros ruidos indeseados. En tal caso
conecte el terminal de tierra posterior (ver diagrama de
conexión abajo) del receptor al chasis del automóvil,
utilizando cordones más gruesos y cortos tales como alambre
de cobre trenzado o de grueso calibre. Si el ruido persiste,
consulte a su concesionario de JVC de equipos de audio
para automóvil.
•La entrada máxima de los altavoces traseros debe ser mayor
de 45 vatios y la de los delanteros de 45 vatios, con una
impedancia de 4 Ω a 8 Ω.
•Asegúrese de conectar esta unidad a tierra en el chasis
del automóvil.
•El sumidero térmico estará muy caliente después del uso.
Asegúrese de no tocarlo al desmontar esta unidad.
RACCORDEMENTS ELECTRIQUES
Pour éviter tout court-circuit, nous vous recommandons de
débrancher la borne négative de la batterie et d’effectuer tous les
raccordements électriques avant d’installer l’appareil. Si l'on n’est
pas sûr de pouvoir installer correctement cet appareil, le faire
installer par un technicien qualifié.
Remarque:
Cet appareil est conçu pour fonctionner sur des sources de courant
continu de
12 volts à masse NEGATIVE
. Si votre véhicule n’offre
pas ce type d’alimentation, il vous faut un convertisseur de tension,
que vous pouvez acheter chez un revendeur d’autoradios JVC.
•
Remplacer le fusible par un de la valeur précisée. Si le fusible
saute souvent, consulter votre revendeur d’autoradios JVC.
•
Si le bruit est un problème...
Cet appareil incorpore un filtre de bruit dans le circuit
d’alimentation. Cependant, avec certains véhicules, quelques
claquements ou autres bruits non désirés risquent de se produire.
Si cela arrive, raccorder la
borne de masse arrière
de l’appareil
au châssis de la voiture (voir le schéma de raccordement ci-
dessous) en utilisant des cordons les plus gros et les plus courts
possibles telle qu'une barre de cuivre ou une tresse. Si le bruit
persiste, consulter votre revendeur d’autoradios JVC.
•
La puissance admissible des haut-parleurs doit être supérieure
à 45 watts à l’arrière et à 45 watts l’avant, avec une impédance
de
4 Ω à 8 Ω
.
•S’assurer de raccorder la mise à la masse de cet appareil
au châssis de la voiture.
•
Le radiateur devient très chaud après usage. Faire attention de
ne pas le toucher en retirant cet appareil.
Heat sink
Sumidero térmico
Dissipateur de chaleur

3
Before connecting: Check the wiring in the vehicle carefully.
Incorrect connection may cause serious damage to this unit.
1
Connect the colored leads of the power cord to the car battery,
speakers and automatic antenna (if any) in the following
sequence.
1Black: ground
2Yellow: to car battery (constant 12V)
3Red: to an accessory terminal
4Blue with white stripe (Remote out) :
to other equipment
5Blue : to automatic power antenna
(requires power more than 250 mA.)
6Orange with white stripe: to illumination or small lamp
terminal
7Others: to speakers
2
Connect the antenna cord.
3
Finally connect the wiring harness to the unit.
Antes de la conexión: Verifique atentamente el conexionado
del vehículo para no cometer errores al conectar esta unidad.
Una conexión incorrecta podría producir daños graves en la
unidad.
1
Conecte los conductores de color del cable de alimentación
a la batería del automóvil, altavoces y antena automática (si
la hubiere) en la secuencia siguiente.
1Negro: a tierra
2Amarillo: a la batería del automóvil (12V constantes)
3Rojo: a un terminal de accesorio
4Azul con rayas blancas
(Salida para control remoto) : a otro equipo
5Azul : a la antena motriz automática
(requiere una energía de más de 250 mA.)
6Naranja con rayas blancas: a illuminación o terminal de
lámpara pequeña
7Otros: a los altavoces
2
Conecte el cable de antena.
3
Por último, conecte a la unidad el cableado preformado.
Avant de commencer la connexion:
vérifiez attentivement le
câblage du véhicule pour ne pas connecter incorrectement cet
appareil. Une connexion incorrecte peut endommager
sérieusement l’appareil.
1Connectez les fils de couleur du cordon d’alimentation à la
batterie de la voiture, aux enceintes et à l’antenne automatique
(s’il y en a une) dans l’ordre suivant.
1
Noir: a la masse
2
Jaune: a la batterie de la voiture (12V constant)
3
Rouge: à la prise accessoire
4
Bleu avec bande blanche
(Sortie de la commande à distance): à un autre appareil
5
Bleu : à l’antenne électrique automatique
(nécessite un courant supérieur à 250 mA.)
6
Orange avec de bande blanche: vers borne d’ilumination
ou de petete lampe
7
Autres fils: aux enceintes
2Connectez le cordon d’antenne.
3Finalement, connectez le faisceau de fils à l’appareil.
A Typical Connections / Conexiones típicas / Raccordements typiques
TROUBLESHOOTING
•The fuse blows.
* Are the red and black leads connected correctly?
•Power cannot be turned on.
* Is the yellow lead connected?
•No sound from the speakers.
* Is the speaker output lead short-circuited?
•Sound is distorted.
* Is the speaker output lead grounded?
* Are the “–” terminals of L and R speakers grounded in common?
•Unit becomes hot.
* Is the speaker output lead grounded?
* Are the “–” terminals of L and R speakers grounded in common?
LOCALIZACION DE AVERIAS
•El fusible se quema.
* ¿Están los conductores rojo y negro correctamente
conectados?
•No es posible conectar la alimentación.
* ¿Está el cable amarillo conectado?
•No sale sonido de los altavoces.
* ¿Está el cable de salida del altavoz cortocircuitado?
•El sonido presenta distorsión.
* ¿Está el cable de salida del altavoz conectado a masa?
* ¿Están los terminales “–” de los altavoces L y R conectados
a una masa común?
•La unidad se calienta.
* ¿Está el cable de salida del altavoz conectado a masa?
* ¿Están los terminales “–” de los altavoces L y R conectados
a una masa común?
EN CAS DE DIFFICULTES
•Le fusible saute.
*
Les fils rouge et noir sont-ils racordés correctement?
•L’appareil ne peut pas être mise sous tension.
*
Le fil jaune est-elle raccordée?
•Pas de son des haut-parleurs.
*
Le fil de sortie de haut-parleur est-il court-circuité?
•Le son est déformé.
*
Le fil de sortie de haut-parleur est-il à la masse?
*
Les bornes “–” des haut-parleurs gauche et droit sont-elles
mises ensemble à la masse?
•L’appareil devient chaud.
*
Le fil de sortie de haut-parleur est-il à la masse?
*
Les bornes “–” des haut-parleurs gauche et droit sont-elles
mises ensemble à la masse?
3
7
2
1
6
4
5
1
3
L
R
L
R
2
F-OUT R-OUT
L R
L
R
*1: Before checking the operation of this unit prior to installation,
this lead must be connected, otherwise power cannot be
turned on.
*1: Antes de comprobar el funcionamiento de esta unidad
previa a de la instalación, es necesario conectar este
cable, de lo contrario no se podrá conectar la alimentación.
*1: Pour vérifier le fonctionnement de cet appareil avant
installation, ce fil doit être raccordé, sinon l’appareil ne peut
pas être mis sous tension.
Left speaker (front)
Altavoz izquierdo (frontal)
Haut-parleur gauche (avant)
Right speaker (front)
Altavoz derecho (frontal)
Haut-parleur droit (avant)
Left speaker (rear)
Altavoz izquierdo (trasero)
Haut-parleur gauche (arrière)
Right speaker (rear)
Altavoz derecho (trasero)
Haut-parleur droit (arrière)
*
Not supplied with this unit.
No suministrado con esta unidad.
Non fourni avec cet appareil.
*
To metallic body or chassis of the car
A un cuerpo metálico o chasis del
automóvil
Vers corps métallique ou châssis de la
voiture
Fuse block
bloque de fusibles
Porte-fusible
To a live terminal in the fuse block connecting to the car battery
(bypassing the ignition swich).
A un terminal activo del bloque de fusibles conectado a la
batería del automóvil (desviando el interruptor de encendido)
À une borne sous tension du porte-fusible connectée à la batterie
de la voiture (en dérivant l’interrupteur d’allumage)
To automatic antenna if any
A la antena automática si la hubiere
Vers borne d’antenne automatique s'il y en a une
Green
Verde
Vert
To an accessory terminal in the fuse block
A un terminal accesorio del bloque de fusibles
Vers borne accessoire du porte-fusible
*
•When connecting a CD changer, we recommend to use one of the CH-X series CD changers.
If your CD changer is one of the KD-MK series, you need an optional cord (KS-U15K).
•You can also connect an external component such as a portable MD player by connecting the Line Input Adaptor
KS-U57 (not supplied). (See diagram B .)
•Cuando conecte un cambiador de CD, se recomienda utilizar uno de la serie CH-X.
Si su cambiador de CD es de la serie KD-MK, necesitará un cable opcional (KS-U15K).
•También podrá conectar un componente exterior, tal como un reproductor de MD portátil conectando el
adaptador de entrada de línea KS-U57 (no suministrado). (Véase diagrama B ).
•Lors de la connexion d’un changeur de CD, nous vous recommandons d’utiliser un changeur de la série CH-X.
Si votre changeur de CD appartient à la série KD-MK, vous devez utiliser un cordon optionnel (KS-U15K).
•Vous pouvez aussi connecter un appareil extérieur tel qu’un lecteur de MD portable en connectant l’adaptateur
d’entrée de ligne KS-U57 (non fourni). (Voir le diagramme
B
.)
Ignition switch
Interruptor de encendido
Interrupteur d'allumage
Rear ground terminal
Terminal de tierra posterior
Borne arrière de masse
15A fuse / Fusible de 15A / Fusible 15A
To the car antenna
A la antena del automóvil
À l’antenne de la voiture
To other equipment (see diagram B )
A otro equipo (véase el diagrama B )
À un autre appareil (voir le diagramme
B
)
Signal cord (not supplied with this unit)
Cable de señal (no suministrado con esta unidad)
Cordon de signal (non fourni avec cet appareil)
Orange with white stripe / Naranja con rayas blancas /
Orange avec bande blanche
Black
Negro
Noir
Yellow*1
Amarillo*1
Jaune*
1
Red
Rojo
Rouge
Blue with white stripe
Azul con rayas blancas
Bleu avec bande blanche
To illumination or small lamp
terminal
A illuminación o terminal de
lámpara pequeña
Vers borne d'illumination ou
de petete lampe
Purple with black stripes
Púrpura con rayas negras
Violet avec bande noire
Purple
Púrpura
Violet
Green with black stripes
Verde con rayas negras
Vert avec bande noire
Gray
Gris
Gris
Gray with black stripes
Gris con rayas negras
Gris avec bande noire
White with black stripes
Blanco con rayas negras
Blanc avec bande noire
White
Blanco
Blanc
JVC CD changer jack
Jack del cambiador de CD de JVC
Prise de changeur de CD JVC
JVC CD changer or another external component
Cambiador de CD de JVC u otro componente exterior
Changeur CD JVC ou autre appareit extérieur
Blue
Azul
Bleu
ENGLISH ESPAÑOL FRANÇAIS
To other equipment (see diagram B )
A otro equipo (véase el diagrama B )
À un autre appareil (voir le diagramme
B
)

4
PRECAUTIONS on power supply and speaker
connections:
•DO NOT connect the speaker leads of the power cord to the
car battery; otherwise, the unit will be seriously damaged.
•Connect the black lead (ground), yellow lead (to car battery,
constant 12V), and red lead (to an accessory terminal) correctly.
•BEFORE connecting the speaker leads of the power cord to
the speakers, check the speaker wiring in your car.
– If the speaker wiring in your car is as illustrated in Fig. 1
and Fig. 2 below, DO NOT connect the unit using that original
speaker wiring. If you do, the unit will be seriously damaged.
Redo the speaker wiring so that you can connect the unit to
the speakers as illustrated in Fig. 3.
– If the speaker wiring in your car is as illustrated in Fig. 3,
you can connect the unit using the original speaker wiring in
your car.
– If you are not sure of the speaker wiring of your car, consult
your car dealer.
PRECAUCIONES sobre las conexiones de la
fuente de alimentación y de los altavoces:
•NO conecte los conductores de altavoz del cable de
alimentación a la batería de automóvil, pues podrían
producirse graves daños en la unidad.
•Conecte correctamente el conductor negro (a tierra), el
conductor amarillo (a la batería del automóvil, 12V constantes),
y el conductor rojo (a un terminal de accesorio).
•ANTES de conectar a los altavoces los conductores de altavoz
del cable de alimentación, verifique el conexionado de altavoz
de su automóvil.
–Si el conexionado de altavoz de su automóvil es como
se indica en las Figs. 1 y 2 de abajo, NO conecte la unidad
utilizando ese conexionado de altavoz original. Si lo hace,
se producirán daños graves en la unidad.
Vuelva a efectuar el conexionado de altavoz de manera que
pueda conectar la unidad a los altavoces de la manera
indicada en la Fig.3.
–Si el conexionado de altavoz de su automóvil es como
se indica en la Fig. 3, podrá conectar la unidad utilizando
el conexionado de altavoz original de su automóvil.
–Si tiene dudas sobre el conexionado de altavoz de su
automóvil, consulte con su concesionario.
PRECAUTIONS sur l’alimentation et la
connexion des enceintes:
•NE CONNECTEZ PAS les fils d’enceintes du cordon
d’alimentation à la batterie de la voiture; sinon, l’appareil
serait sérieusement endommagé.
•
Connectez correctement le fil noir (à la masse), le fil jaune (à
la batterie de la voiture,12V constant) et le fil rouge (à la prise
accessoire).
•
AVANT de connecter les fils d’enceintes du cordon
d’alimentation aux enceintes, vérifiez le câblage des enceintes
de votre voiture.
–
Si le câblage des enceintes de votre voiture est réalisé
comme montré sur la Fig. 1 ou Fig. 2 ci-dessous,
NE
CONNECTEZ PAS l’appareil en utilisant ce câblage original
d’enceintes. Si vous le faites, l’appareil sera sérieusement
endommagé.
Recommencez le câblage des enceintes de façon que vous
puissiez connecter l’appareil aux enceintes comme montré
sur la Fig. 3.
–
Si le câblage des enceintes de votre voiture est comme
montré sur la Fig. 3,
vous pouvez connecter l’appareil en
utilisant ce câblage original d’enceintes pour votre voiture.
–Si vous n’êtes pas sûrs du câblage d’enceintes de votre
voiture, consulter le concessionnaire de votre voiture.
Fig. 1 Fig. 2 Fig. 3
L
R+
-
+
-
+
-
+
-
L
R+
-
+
-
+
-
+
-
L
R+
-
+
-
+
-
+
-
Connecting the leads / Conexión de los conductores / Raccordement des fils CAUTION / PRECAUCION / PRECAUTION:
•To prevent short-circuit, cover the terminals of the UNUSED leads with
insulating tape.
•Para evitar cortocircuitos, cubra los cables NO UTILIZADOS con cinta
aislante.
•Pour éviter les court-circuits, couvrir les bornes des fils qui NE SONT
PAS UTILISÉS avec de la bande isolante.
Solder the core wires to connect
them securely.
Suelde los alambres de alma para
conectarlos con firmeza.
Souder les âmes desfils pour les
raccorder entre eux de façon sûre.
Twist the core wires when connecting.
Retuerza los alambres de alma para
conectarlos.
Torsader les âmes des fils en les
raccordant.
B Connections Adding Other Equipment / Conexiones para añadir otros equipos / Raccordement pour ajouter d’autres appareils
You can connect an amplifier and other equipment to upgrade
your car stereo system.
•For connections, refer also to the instructions supplied for other
components.
•Connect the remote lead (blue with white stripes) to the remote
lead of the other equipment so that it can be controlled through
this unit.
•For amplifier only:
–Connect this unit’s line-out terminals to the amplifier’s line-in
terminals.
–Disconnect the speakers from this unit, connect them to
the amplifier. Leave the speaker leads of this unit unused.
(Cover the terminals of these unused leads with
insulating tape, as illustrated above.)
Usted podrá conectar un amplificador y otro equipo para
mejorar el sistema estéreo de su automóvil.
•Para las conexiones, refiérase también a las instrucciones
suministradas para los otros componentes.
•Conecte el cable remoto (azul con rayas blancas) al cable
remoto del otro equipo para poderlo controlar a través de
esta unidad.
•Sólo para el amplificador:
–Conecte los terminales de salida de línea de esta unidad
con los terminales de entrada de línea del amplificador.
–Desconecte los altavoces de esta unidad y conéctelos al
amplificador. Los cables de los altavoces de esta unidad
quedan sin usar. (Cubra los terminales de estos cables
sin usar con cinta aislante, tal comose indica en la figura
de arriba.)
Vous pouvez connecter un amplificateur ou un autre appareil
pour améliorer votre système autoradio.
•
Pour les connexions, référez-vous aussi aux instructions
fournies avec les autres appareils.
•
Connectez le fil de commande à distance (bleu avec des
bandes blanches) au fil de commande à distance de l’autre
appareil de façon qu’il puisse être commandé par cet appareil.
•
Pour l'amplificateur seulement:
–Raccorder les bornes de sortie ligne de cet appareil aux bornes
d’entrée ligne de l’amplificateur.
–Déconnectez les enceintes de cet appareil et connectez-
les à l’amplificateur. Laissez les fils d’enceintes de cet
appareil inutilisés. (Recouvrir les extrémités de ces fils
inutilisés avec de la bande isolante comme montré ci-
dessus.)
LL
R
R
L
R
L
R
L
R
L
R
L
R
F-OUT
L
R
L
R
R-OUT
R
L
R
L
R
L
INPUT
F-OUT
L
R
R-OUT
R
L
Signal cord (not supplied with this unit)
Cable de señal (no suministrado con esta unidad)
Cordon de signal (non fourni avec cet appareil)
Line Input Adaptor KS-U57 (not supplied with this unit)
Adaptador de entrada de línea KS-U57 (no suministrado con esta unidad)
Adaptateur d’entrée de ligne KS-U57 (non fourni avec cet appareil)
or
o
ou
Cord (supplied with the CD Changer)
Cable (suministrado con el cambiador de CD)
Cordon (fourni avec la changeur de CD)
JVC CD changer
Cambiador de CD JVC
Changeur de CD JVC
Signal cord
(not supplied with this unit)
Cable de señal
(no suministrado con esta unidad)
Cordon de signal
(non fourni avec cet appareil)
External component
Componente exterior
Appareil extérieur
JVC power amplifier
Amplificador de potencia de
JVC
Amplificateur de puissance
JVC
To R-OUT (rear-OUT)
A R-OUT (traseto-OUT)
A R-OUT (arrière-OUT)
KW-XC777
Remote In
Entrada para control remoto
Entrée de la commande à distance
Remote Out
Salida para control remoto
Sortie de la commande à distance
Front speakers
Altavoces delanteros
Haut-parleur avant
JVC power amplifier
Amplificador de potencia de JVC
Amplificateur de puissance JVC
Signal cord (not supplied with this unit)
Cable de señal (no suministrado con esta unidad)
Cordon de signal (non fourni avec cet appareil)
You can connect another power
amplifier for front speakers.
Podrá conectar otro amplificador
de potencia para los altavoces
delanteros.
Vous pouvez connecter un autre
amplificateur de puissance pour
les enceintes avant.
Rear speakers
Altavoces posteriores
Haut-parleur arrière
To F-OUT (front-OUT)
A F-OUT (frontal-OUT)
A F-OUT (avant-OUT)
*
*
* Firmly attatch the ground wire to the metallic body or to the
chasis of car—to the place not coated with paint (if coated
with paint, remove the paint before attatching wire). Failure
to do so may cause damage to the unit.
* Fije firmemente el cable de tierra a la carrocería metálica o al
chasis del automóvil - a un lugar no cubierto con pintura (si
está cubierto con pintura, quítela antes de fijar el cable). De
lo contrario, se podrían producir daños en la unidad.
* Attachez fermement le fil de mise à la masse au corps
métallique ou au châssis de la voiture, à un endroit non
recouvert de peinture (s’il est recouvert de peinture, retirez
d’abord la peinture avant d’attacher le fil).
Sinon, cela pourrait endommager l’appareil.