KING PROFIT 328 CD/SD/USB/RADIO User Manual STEREO RADIO
KING PROFIT TRADING LTD. CD/SD/USB/RADIO STEREO RADIO
15_CD328BT UserMan

PORTABLE STEREO RADIO CD/MP3/USB/SD
CARD/BLUETOOTH PLAYER
INSTRUCTION MANUAL
Model: CD328BT
IMPORTANT: Please read before using and keep for future reference.

1
IMPORTANT NOTES
CAUTION
Use of controls or adjustment or performance of procedures other than those specified herein
may result in hazardous radiation exposure.
DANGER
This Compact disc player is classified as a Class 1
LASER PRODUCT.
THE CLASS 1 LASER PRODUCT label is located
on the rear exterior.
NOTE: The manufacturer is not responsible for any radio or TV interference caused by
unauthorized modifications.
Avoid installing the unit in locations described below:
1. Places exposed to direct sunlight or close to heat radiating appliances such as electric
heaters, or other equipments that radiate too much heat.
2. Places subjected to constant vibration.
3. Unventilated or dusty places.
4. Humid or moist places.
Operate buttons and switches as instructed in the manual.
Before turning on the power for the first time, make sure that the power cord is properly
installed and the voltage switch is correctly set.
Store your CD or other devices in a cool area to avoid damage from heat.
CAUTION: TO REDUCE THE RISK OF ELECTRIC SHOCK, DO DOT REMOVE COVER (OR
BACK). DO NOT OPEN THE UNIT. ANY SERVICING PLEASE REFER TO
QUALIFIED SERVICE PERSONNEL.
WARNING:
- Remove batteries if exhausted or if they will not be used for a long period.
- The incorrect use of batteries can cause electrolyte leakage and will corrode the
compartment or cause the batteries to burst. Therefore:
- Do not mix battery types, e.g. alkaline with zinc carbonate.
- When inserting new batteries, replace all batteries at the same time.

2
1. Read these instructions.
2. Keep these instructions.
3. Heed all warnings.
4. Follow all instructions.
5. Do not use this apparatus near water.
6. Clean only with dry cloth.
7. Do not block any ventilation openings. Install in accordance with the manufacture’s
instructions.
8. Do not install near any heat sources such as radiators, heat registers, stoves, or other
apparatus (including amplifiers) that produce heat.
9. Do not defeat the safety purpose of the polarized or grounding-type plug. A polarized plug
Has two blades with one wider than the other. A grounding-type plug has two blades and a
third grounding prong. The wide blade or the third prong are provided for your safety. If the
provided plug does not fit into your outlet. Consult an electrician for replacement of the
obsolete outlet.
10. Protect the power cord from being walked on or pinched particularly at the plugs,
convenience receptacles, and at the point where it exits from the apparatus.
11. Only use attachments/accessories specified by the manufacturer.
12. Use only with the cart, stand, tripod, bracket, or table specified by the
manufacturer,or sold with the apparatus. When a cart is used, use caution
when moving the cart/apparatus combination to avoid injury from tip-over.
13. Unplug the apparatus during lightening sorts or when unused for long periods of time.
14. Refer all servicing to qualified personnel. Servicing is required when the apparatus has
been damaged in any way,such as power-supply cord or plug is damaged. Liguid has
been spilied or objects have fallen into the apparatus,the apparatus has been exposed to
rain or moisture does not aperate normally, or has been dropped.
15. This appliance should not be exposed to dripping or splashing water and no objects filled
with liquids such as vases should be placed on apparatus.
16. The AC socket it is used to unplug the unit power cord and it must be easily accessible
every time it is necessary.
17. No flames objects, like candles, must be placed on the unit.
18. Ventilation warning: The normal ventilation of the product shall not be impeded for
intended use. Make sure there is enough space above and besides the holes. Install the
unit in a place with suitable ventilation openings (around 7cm) .
FCC Notice:
NOTE: This equipment has been tested and found to comply with the limits for a Class B digital
device, pursuant to Part 15 of the FCC Rules. These limits are designed to provide reasonable
protection against harmful interference in a residential installation. This equipment generates
uses and can radiate radio frequency energy and, if not installed and used in accordance with
the instructions, may cause harmful interference to radio communications. However, there is no
guarantee that interference will not occur in a particular installation. If this equipment does
cause harmful interference to radio or television reception, which can be determined by turning
3
the equipment off and on, the user is encouraged to try to correct the interference by one or
more of the following measures:
---Reorient or relocate the receiving antenna.
---Increase the separation between the equipment and receiver.
---Connect the equipment into an outlet on a circuit different from that to which the receiver is
connected.
---Consult the dealer or an experienced radio/TV technician for help.
WARNING: Changes or modifications not expressly approved by the party responsible for
compliance could void the user's authority to operate the equipment.
The device has been evaluated to meet general RF exposure requirement. The device can be
used in portable condition without restriction.
IC Notice:
This device complies with Canada Industry licence-exempt RSS standard(s).
Operation is subject to the following two conditions:
(1) this device may not cause interference; and
(2) this device must accept any interference. Including interference that may cause undesired
operation of the device.
CAN ICES-3 (B)
Avis d’Industrie Canada
Le présent appareil est conforme aux CNR d'industrie Canada applicables aux appareils radio
exem pts de licence L'exploitation est autorisée aux deux conditions suivantes:
1) I'appareil ne doit pas produire de brouillage; et
2) I'utillsateur de I'appareil doit accepter brouillage radio électrique subi meme si le brouillage est
susceptible d'encompromettre le fonctionnement. mauvais fonctionnement de I'appareil.
Cet appareil numériquie de la classe B est conforme à la norme NMB-003 du Canada.
CAN NMB-3 (B)

4
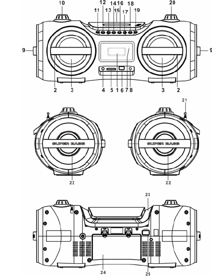
LOCATION OF CONTROLS
NAMES OF CONTROLS
1. DISPLAY
2. SPEAKER DECORATION RING
3. LEFT/RIGHT SPEAKERS
4. PHONES JACK
5. SD CARD SLOT
6. USB PORT
7. STANDBY/PAIR INDICATOR
8. AUX IN JACK
9. PASSIVE SPEAKER DECORATION
RING
10. VOLUME KNOB
11. FUNCTION BUTTON
12. EQ/LIGHT BUTTON
13. PROG./P-MODE BUTTON
14. BACK/FAST BACKWARD/-10
BUTTON
15. CD DOOR
16. NEXT/FAST FORWARD/+10
BUTTON
17. STOP BUTTON
18. PLAY/PAIR/PAUSE BUTTON
19. STANDBY BUTTON
20. TUNING KNOB
21. ANTENNA
22. LEFT/RIGHT PASSIVE SPEAKERS
23. HANDLE
24. BATTERY DOOR
25. AC SOCKET

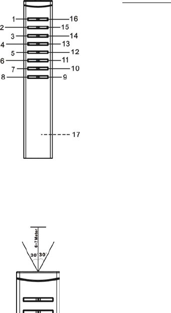
REMOTE HANDSET
LOADING THE BATTERIES INTO THE REMOTE HANDSET
Open the battery compartment cover.
Insert two “AAA” batteries (not included) as indicated inside the battery compartment.
Close the cover.
1. FUNCTION BUTTON
Key Functions:
2. TUN.-
3. STOP BUTTON
4. SKIP BACKWARD BUTTON
5. FOLD.+/+10/MEMORY+ BUTTON
6. MUTE BUTTON
7. PROG./MEMORY/P-MODE BUTTON
8. VOL- BUTTON
9. VOL+ BUTTON
10. DISCO LIGHT BUTTON
11. EQ/ID3
12. FOLD.-/-10/MEMORY- BUTTON
13. SKIP FORWARD BUTTON
14. PLAY/PAUSE/PAIR BUTTON
15. TUN.+
16. POWER/STANDBY BUTTON
17. BATTERY COMPARTMENT
REMOTE CONTROL OPERATION
To operate the unit with the remote control, point the
remote handset at the remote sensor on the front panel
and press the appropriate button on the remote handset.
The remote works best within a range of 6 ~ 7 meters from
the front panel and on an angle of 30 degrees. Bright
sunlight or room light conditions can interfere with the
remote control. If the remote operation is unsatisfactory or
stops working entirely, first try replacing the remote
batteries, then try reducing the room lighting conditions.
3
POWER SOURCE
This unit is designed to be operated on AC/DC.
AC OPERATION
Plug the tail of supplied AC power cord into AC socket on unit and the plug into household AC
outlet. The batteries will be automatically disconnected. This unit is designed in Switched-Mode
Power Source with voltage range from 100V to 240V.
DC OPERATION
Open the BATTERY COMPARTMENT DOOR. Install 8pcs UM-1/D size batteries (not included)
into compartment. Please follow correct polarities as indicated.
NOTE: when using battery, take off the AC cable from unit.
CAUTION:
Remove batteries if they are flat or not being used for a long period of time.
Batteries contain chemical substances, so they should be disposed of properly.
BASIC FUNCTION
SWITCHING ON THE UNIT
After connecting the power, press STANDBY button to unit or on remote control to turn on the
unit. Press the FUNC. button on unit or on remote control to choose TUNER / CD / USB / AUX
/SD CARD or BLUETOOTH function.
NOTE: In CD/MP3/USB/SD/AUX/BT mode when the unit is not providing the main function for
15 minutes, the unit will automatically switch into standby mode. To turn on the unit again, press
"STANDBY" button or replug the unit.
ESD hints – The product maybe reset or not reset to operation of control due to electrostatic
discharge, just switch off and reconnect again.
VOLUME ADJUSTING
Rotate the VOLUME button on unit or on remote control to increase or decrease volume.
EQ FUNCTION
This unit has a built-in equalizer system, Press EQ/LIGHT button on unit or EQ key on remote
control while playing to select different music style (sound tone): FLAT, CLASSIC, ROCK, POP
and JAZZ.
HEADPHONE JACK
For private listening, insert a 3.5mm headphone (not included) into the HEADPHONE jack (4).
The SPEAKER output would be automatically cut off.
CAUTION: LISTENING AT A HIGH VOLUME OVER A LONG PERIOD IS NOT GOOD FOR
YOUR EARS.
DISCO LIGHT
There are eight flashing modes of the disco light, press and hold the EQ/LIGHT button on unit or
press the LIGHT KEY on remote control to choose the desired mode: “LIGHT 01” to “LIGHT
07”,and “LIGHT 08” is auto-changing between different color . To turn off the disco light, press
and hold the EQ/LIGHT button on unit or press the LIGHT KEY on remote control until “LIGHT
OFF” shows on the display.

4
RADIO OPERATION
TUNING RADIO STATIONS
1. Press the FUNC. button on unit or on remote control to select the TUNER FUNCTION, this
unit is designed for FM ONLY.
2. Tune to desired station by rotating the TUNING knob on unit or by pressing TUN+/ ,
TUN-/ key on remote control, the display will show the band frequency. Example: FM
97.10 MHz. If the radio receive Stereo signal, “STEREO” will show on the display.
3. Extend FM TELESCOPIC ANTENNA to its full length and gently move the unit back and
forth to get the best reception, or place the unit in an open location.
4. To turn off the radio, press the FUNC. Button on unit or on remote control to switch to other
functions or press STANDBY button on unit or on remote control to turn off the unit
RADIO AUTO SCAN (SEARCH)
Press the /PAIR button on unit or key on remote control, the unit will conduct auto scan
and program until having found a strong signal. The unit will start to broadcast the P01 after
searching finished.
Press the /+10 button on unit or FOLD./10/M UP/DOWN key on the remote control to
choose next programmed station.
RADIO STATION MEMORY OPERATION
You may pre-store 30 (FM) radio stations in memory for your preference, so as you can listen to
your desired station directly and quickly, no need to tuning and search for again.
1. Press PROG./P-MODE button on unit or press MEMORY KEY on remote control, “P01 ” will
flash on the display. Then rotate the TUNING knob on the unit or press TUN-/ or
TUN+/ on remote control to select the first desired station.
2. Press PROG./P-MODE button on unit or MEMORY KEY on remote control, then press the
/+10 button or /-10 on unit or TUN-/ or TUN+/ key on remote control to
choose the desired sequence you want to store, then press the PROG./P-MODE button on
unit or press MEMORY key on remote control again to enter.
3. Search another station, repeat steps (1) & (2) until all desired stations stored. Up to 30
stations can be programmed.
4. Press the /-10 or /+10 or FOLD./10/M UP/DOWN button on remote to listen to the
stored station directly.
CD/MP3 OPERATION
Discs for Playback
This system can playback all digital audio CD/MP3, finalized digital audio CD-Recordable
(CD-R) discs, finalized digital audio CD-Rewritable (CD-RW) discs and CD-DA format digital
audio CD/CD-R/CD-RW discs.
LOADING A DISC
1. Press the FUNCTION button on unit or on remote control to select “CD” mode.
2. Press the PUSH TO OPEN button to open the CD door, “OPEN” will be shown on the
display.
3. Place an audio CD/MP3 DISC into the tray with the front side facing up.
4. Close the CD door.

5
The display will show a flashing “READING”, then the total number of tracks would be shown
and the playback will start from track.
5. To remove the CD, press STOP button on unit or on remote control to turn off the unit,
then press the PUSH TO OPEN button to open the CD compartment lid. Hold the CD by its
edges, and take it out carefully.
Note:
1. Make sure the disc is stopped before opening the CD DOOR.
2. To ensure good system performance; wait until the unit completely reads the disc before
proceeding.
3. If no disc loaded into the tray, or the disc is unreadable, the display will show “NO DISC”.
PLAYING A DISC
1. The playback starts from track 1 automatically when reading the disc.
To pause playback, press / PAIR button on unit or key on remote control. The
current playing time will flash on the display.
To resume playback, press / PAIR button on unit or key on remote control again.
2. To stop playback, press STOP button on unit or on remote control, the total number of
tracks will show on the display.
SELECTING A DESIRED TRACK/PASSAGE
To select a desired track
Press the /+10 or /-10 button on unit or “TUN+/ ”or “TUN-/ ” key on remote
control on stop mode or during playing until the desired track appears on the display. It will start
play automatically.
To search for a particular passage during playback (track scanning at high speed)
Press and hold the /+10 or /-10 button on unit or TUN+/ or TUN-/ key on remote
control to scan the current playing track at high speed until desired point (passage) appears,
then release the button for normal playback mode. Playback will start again from this point.
To select a song which track number exceeds 10(for MP3 disc only)
To select a song/track which number exceeds 10, press and hold the /+10 button on unit in
stop mode or press FOLD./10/M UP button on the remote control during playback each time to
skip forward 10 tracks in stop mode, then press the /+10 button on unit or TUN+/ key on
remote control to select desired track.
To select a desired folder(for MP3 disc that contains more than one folder)
To select a desired folder during playback, press and hold the FOLD./10/M UP/DOWN button
on the remote control to next/previous folder.
PROGRAMING TRACKS
Programming tracks of disc are possible when playback is stopped. Up to 20 tracks for CD disc
and 99 tracks for MP3 disc can be stored in the memory in any order.
1. In stop mode, press the PROG./P-MODE button on unit or P-MODE key on remote to enter
program setting, the PROG logo will flash on the display and show P01.
2. Press the /+10 button on unit or TUN+/ on remote control to select the first desired
track to be programmed. (example: track 2)
3. Press the PROG./P-MODE button on unit or P-MODE key on remote to enter. The display
would flash PROG and show P02.
4. Repeat steps 2 & 3 to store other desired tracks until all tracks programmed.

6
5. Press the /PAIR button on unit or key on remote control to start playback from the
first programmed track.
6. Press the STOP button on unit or on remote control to stop program playback.
To clear the program, you may press STOP button on unit or on remote control when
the disc stopped and open the CD compartment lid, the program will be erased.
REPEAT PLAY
You can play one track or all tracks on the disc repeatedly.
To Repeat a Single Track
1. Press PROG./P-MODE button on unit or press P-MODE key on remote control during play,
the display will show a steady “ ” and the current track will be played over an over again
till you press the STOP button on unit or on remote control.
2. To cancel repeat play, press PROG./P-MODE button on unit or press P-MODE key on remote
control until “ ” disappears from the display.
To repeat all the Tracks
1. Press PROG./P-MODE button on unit or press P-MODE key on remote control until the
“ ALL” shows steadily on the display, all tracks on the disc will be played over and
over again till you press the STOP button on unit or on remote control.
2. To cancel repeat play, press the PROG./P-MODE button on unit or press P-MODE key on
remote control until “ ALL” disappears from the display.
To repeat the folder (only for MP3 disc which contains more than one folder)
1. Press the PROG./P-MODE button on unit or press P-MODE key on remote control until
“ DIR ” show steadily on the display, the current folder will be repeated over and over
again till you press the STOP button on unit or on remote control.
2. To cancel repeat play, press the PROG./P-MODE button on unit or press P-MODE key on
remote control until “ DIR ” disappear from the display.
RANDOM PLAY
Press the PROG./P-MODE button on unit or P-MODE key on remote control in play mode till the
“RAN” shows steadily on the display, the random play will start from next track automatically,
until all tracks are played over and then it will stop. Press the PROG./P-MODE button on unit or
P-MODE key on remote control again until the “RAN” disappears from the display to cancel.
INTRO PLAY
Press the PROG. /P-MODE button on unit or press P-MODE key on remote control in play
mode till the “INTRO” shows steadily on the display, the intro play will start and scan 10
seconds for every track. To cancel intro play, press the PROG./P-MODE button on unit or press
P-MODE key on remote control until “INTRO ” disappear from the display.
LISTENING TO USB/SD CARD
USB OPERATION
1. Press the FUNCTION button on unit or on remote control to to select “USB” mode.
2. Connect the USB to the USB INPUT. The LCD will show the total number of tracks stored in
the USB. The playback stars from track 1 automatically after reading the USB.
3. To pause playback, press /PAIR button on unit or key on remote control. The
current playing time will flash on the display.
To resume playback, press /PAIR button on unit or key on remote control again.

7
4. Press the STOP button on unit or on remote control to stop playing. The display will show
total number of USB and STOP.
5. Proceed program play/repeat play (repeat 1- repeat folder - repeat all)/random play/intro
play operation as the same described in above “CD/MP3 OPERATION”.
6. It supports 32GB (USB)
CAUTION:
Do not use any USB extension cable for connecting the USB bar which may cause harmful
interference
SD CARD OPERATION
1. Press the FUNC. button on unit or on remote control to select “CARD” mode.
2. Connect the SD CARD to the SD INPUT. The LCD will show the total number of tracks
stored in the SD CARD. The playback stars from track 1 automatically after reading.
3. To pause playback, press / PAIR button on unit or key on remote control. The
current playing time will flash on the display.
To resume playback, press /PAIR button on unit or key on remote control again.
4. Press the STOP button on unit or on remote control to stop playing. The display will show
total number of USB and STOP.
5. Proceed program play/repeat play (repeat 1- repeat folder - repeat all)/random play/intro
play operation as the same described in above “CD/MP3 OPERATION”.
6. It supports 32GB (SD CARD)
BLUETOOTH OPERATION
1. Press the FUNC. button on unit or on remote control to switch to BLUETOOTH function, the
LCD will display “bT ” and the Pair/Standby indicator will flash at high speed.
2. Turn on the Bluetooth function on the device, scan the unit “TY-CWU500” and connect,
then input the password 0000 if required, the Pair/Standby blue light will light up to indicate
connection done, and the display will show “bt”. Press /PAIR button on the unit or play
key on the device to start playback. If the unit can't connect the relative Bluetooth within 2
minutes, press the /PAIR button on unit or PAIR key on remote control to reconnect.
3. Rotate the VOLUME knob to your desired level.
4. Press /+10 button or /-10 on the unit or TUN+/ or TUN-/ key on remote
control to choose the desired track.
5. To stop playback, press /PAIR button on unit or key on remote control.
Note: The Bluetooth works best within 10 meters.
AUX-IN OPERATION
1. Press the FUNCTION button on unit or on remote control to select “AUX” mode.
2. Insert the AUX line plug into the AUX IN jack (• 3.5mm) on the player, music from the device
would be amplified and exported from the speakers.
3. Adjust the volume on the unit or on the device to your desired level.
4. Proceed play/pause and next/previous on the device.

8
COMPACT DISC MAINTENANCE
1. Always use a compact disc bearing the mark as shown.
2. Notes on handling discs
Removing the disc from its storage case and loading it.
Do not touch the reflective recorded surface.
Do not stick paper or write anything on the surface.
Do not bend the disc.
3. Storage
Store the disc in its case.
Do not expose discs to direct sunlight or high temperatures, high humidity or dusty
places.
DO NOT STORE NEAR HEAT
4. Cleaning a disc
Should the disc become soiled, wipe off dust, dirt and fingerprints with a soft cloth.
The disc should be cleaned from the center to the edge.
Never use benzene, thinners, record cleaner fluid or anti-static spray.
Be sure to close the CD door, so the lens is not contaminated by dust.
Do not touch the lens.
HANDLE DISC ONLY AS SHOWN
9
SPECIFICATIONS
GENERAL
Power Requirement ………………………… AC100V-240V~60/50Hz
DC 12V UM-1/D x 8pcs
Power consumption …………………………. 48 Watts
Standby consumption ………………………… <0.5 Watts
Dimensions………………………………………21,0(D) x 49,2(W) x 19,8 (H) cm
Operation temperature………………………… + 5°C – + 35° C
BLUETOOTH: 3.0 VERSION
RECEIVER SECTION
Receiving Bands…………………………………FM
Frequency Range ……………………………… FM 87.5 – 108 MHz
COMPACT DISC SECTION
Optical Pickup……………………………….……3-Beam Laser
Frequency Response ……………………………100Hz – 16KHz
AUDIO SECTION
Power output …………………………………… .12.5W x 2
ACCESSORIES
Instruction Booklet ……………………………….1
AC Cord ………………………………………… 1
Note:
Specifications are subject to change for continuous improvement, we reserve the rights to
modification without prior notice.