Kaidan Tm 400 Users Manual C 60
TM-400 to the manual 60bd65ca-fc92-4736-b5f4-0f0f7321e5f4
2015-02-09
: Kaidan Kaidan-Tm-400-Users-Manual-567184 kaidan-tm-400-users-manual-567184 kaidan pdf
Open the PDF directly: View PDF  .
.
Page Count: 12

Meridian
TM-400™
User’s Guide
Motorized Turntable
for Rotational Object
Photography

Copyright Information
Copyright © 2000 Kaidan, Inc. All Rights Reserved. First Edition, September
2000. KiWi is a trademark of Kaidan, Inc. Other products mentioned herein may
be trademarks of their respective companies. Patents Pending.
Information in this manual is subject to change without notice and does not
represent a commitment on the part of Kaidan. No part of this manual may be
reproduced or transmitted in any form or by any means, electronic or mechani-
cal, including photocopying, recording, or information storage and retrieval sys-
tems, or translated to another language, for any purpose other than the licensee’s
personal use and as specifically allowed in the licensing agreement, without the
express written permission of Kaidan.
Kaidan Warranty and Return Policy
A • Limited Warranty
In the event of a defect in materials or workmanship, Kaidan will repair the
product with new or rebuilt parts for a period of three-hundred and sixty five
(365) days from the date of original purchase. Such work will be performed free
of charge. Follow the Product Return Procedure (Section D following).
Likewise, any software purchased from Kaidan also comes with a one year
warranty if your disc or media is defective or damaged. This warranty is ex-
tended only to the original purchaser and is not transferable. A purchase receipt
or other proof of original purchase will be required before warranty performance
is rendered.
This warranty only covers failures due to defects in materials or workman-
ship which occur during normal use. It does not cover damages or failures which
are caused  from accident, misuse, abuse, neglect, mishandling, misapplication,
alteration, faulty installation, modification, service by anyone other than an au-
thorized representative of Kaidan, Acts of God, or by products not supplied by
Kaidan.
This warranty covers any damage incurred during original shipment of prod-
uct to customer. Any item resold, or distributed by, and not explicitly manufac-
tured by Kaidan will be covered by their respective company’s product warranty.
B • Warranty Exclusions
There are no express warranties except as listed above.
Kaidan shall not be liable for special, incidental, consequential or punitive
damages, including, without limitation, loss of goodwill, profits or revenue, loss
of the use of this product or any associated equipment, cost of substitute equip-
ment, downtime costs, or claims of any party dealing with buyer  for  such
damages,resulting from use of this product or arising from breach of warranty
or contract, negligance, or any other legal theory .
All express and implied warranties, including the warranties of merchant-
ability and fitness for a particular purpose, are limited to the applicable war-
ranty period set forth above. Some states do not allow the exclusion or limitation
of consequential damages, or limitations on how long an implied warranty lasts,
so the above exclusions or limitations may not apply to you.
This warranty and any claims which arise with the Kaidan product(s) are
governed by the laws of the state of Pennsylvania. By purchasing this product,
customer acknowledges and agrees to these Limits and Exclusions. If a problem
with your Kaidan product develops during the warranty period, immediately
contact Kaidan for assistance.
C • Product Return Policy
All Kaidan products come with a 30-day return policy (a minimum 10 percent
re-stocking fees will apply) from date of purchase, with the exception of software
or videotapes.
Both of  the aforementioned items are copyrighted and subject to the laws
concerning intellectual property. Kaidan will replace defective software/video-
tapes free of charge upon return receipt of defective item(s). Products returned
under this policy, excluding replacement of defective items, must be shipped at
purchaser’s expense. Purchaser must ship product with an approved traceable
service, such as FedEx, and with appropriate levels of shipping insurance for the
item being returned. Kaidan will not be held responsible for returned items lost
or damaged in transit.
Kaidan will issue a refund to customer’s account if the following condi-
tions are satisfied:
1) Receipt of item(s) in a restockable condition.
Criteria for Restockable Condition is as follows:
• All parts are included in box; hardware, manuals, discs, nuts/bolts, tools.
• No signs of damage; scratches, bent parts, missing pieces, markings, alter-
ations, or additions to the product.
• All packaging materials are intact; foam, peanuts, cardboard, bubble bags.
• No signs of excess usage or wear to the product.
Items of Non-restockable condition are subject to the following:
• Restocking Fee/s - a minimum of 10 percent and possible additional fees
based on the condition of the product (how the product best meets the criteria
above), at Kaidan’s discretion.
Non-Restockable Condition - constitutes the following:
• Missing parts; hardware, manuals, discs, nuts/bolts, tools, and packaging
materials; foam, peanuts, cardboard, bubble bags.
•  Signs of damage; scratches,  bent parts, missing pieces, markings, alter-
ations, additions to the product.
• Signs of excess usage or wear to the product.
• Damage or loss incurred during uninsured shipping to Kaidan. In this case,
Kaidan cannot issue any type of refund. Customer will be responsible to sub-
mit claim with their shipping company.
• If damages occur in shipping, customer must submit claim with shipping
company prior to any action by Kaidan.
Items Part of Special Bundle
If item(s) are part of a special bundle offer, return of part of the bundle will
void any special pricing and the item(s) remaining in the possession of the cus-
tomer will revert to their regular Suggested Retail Price (SRP). The credit, to
customer, will reflect the difference of the actual product SRP from the amount
of credit due customer.
Shipping Costs
All shipping costs, VAT, duties and return costs are sole responsibility of cus-
tomer. If customer purchases thru Kaidan distributor or reseller, customer is
responsible for all shipping and VAT costs incurred by that distributor or reseller.
These charges are non-refundable.
For instructions on  the return of your product, follow the  Product Return
Procedure below
D • Product Return Procedure
When returning a product, customer must first contact Kaidan (or the dis-
tributor/reseller) and obtain a Return Material Authorization Number (RMA#).
After receiving the RMA#, customer will be instructed to return product directly
to Kaidan. Returned goods must be shipped with an approved traceable service,
such as FedEx, and with appropriate levels of shipping insurance for the item
being returned. Kaidan will not be held responsible for returned items lost or
damaged in transit. RMA numbers  are  valid  for 15 days, and the product(s)
must be received by Kaidan before the RMA expires. We are unable to accept for
return any product(s) received after the expiration of the RMA.
Return Packaging
The product packaging must reflect customer name, address, RMA# as well as
Kaidan information:
Kaidan Incorporated
703 E. Pennsylvania Blvd • Feasterville, PA 19053 • U.S.A.
Attention: Return Department per RMA# ______
Contact Information: Voice: 215-364-1778 • Fax: 215-322-4186
http://www.kaidan.com • E-mail: info@kaidan.com

Page - 3
Chapter 1
Assembling the TM-400
STEP A: UNPACKING THE BOXES
The components are detailed below. Please make sure that all parts are included. Examine the parts for any
signs of shipping damage. In the event of shipping damage, immediately contact Kaidan, or your local
distributor to process claims. If any items are missing or you notice any damage, call Kaidan at 215-364-1778,
between the hours of 10:00 am and 6:00 PM, Mon-Fri, EST.
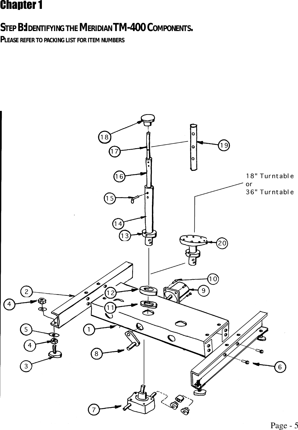
TM-400 PACKING LIST
Description (Item#) Qty
Box # 1
Top support and gearbox ass’y
(1 and 7) 1
1/2” hub(Part of 7) 1
10-24 z 1/2” SHCS (10) 4
Box#2
Side channel support (2) 2
Industrial glide (3)               4
Ajustable pedestal ass’y 1
(14,16,17,18 & 19)
Shaft collar (13)  1
Box#3
18” turntable ass’y (20) 1
Shaft collar (13) 1
Motor(9) 1
Motor Cable(Not Shown) 1
Controller (Not Shown) 1
3/8” hub (Part of 9) 1
coupler (Part of 9) 1
eMCee software disk (Mac) 1
eMCee software disk(Windows) 1
Serial Cable (Mac) 1
Serial Cable (Windows) 1
Sin 8a Serial Converter 1
Power Cord 1
RJ45 Cabling - 4’ 1
RJ45 Cabling - 6” 1
Box#4
36” turntable ass’y (Not shown) 1

Page - 4
TM-400 Hardware List
Hardware Package                             Qty.
99-1069 1/2-13 Jam Nuts          8.00
99-1070 1/2  Split Lock Washers          4.00
99-1071 1.5 ODx.5 ID FenderWshrs          8.00
99-1073 Industrial Glide          4.00
99-1116 Knob 3-Point, 1/4-20 Std          1.00
99-1028 3/32 Hex Wrench           1.00
99-1117 7/64 allen Wrench          1.00
99-2018 1/8  allen Wrench                           1.00
99-2019 3/16 allen Wrench                           1.00
99-2020 5/32 allen Wrench          1.00
99-2118 1/4 allen wrench          1.00
99-2119 5/16 allen wrench                           1.00
99-2023 3/8 x 1 1/4 SHCS                           8.00
99-2033 1/4  x 2   Hitch pins                           2.00
99-2078 3/8 Split Lockwasher           8.00
99-2094Ball Thrust Bearing/INA-455           1.00
82-4090bearing spacer           1.00
99-2208 Hex Bolt 3/8-16 x 2.25 lg.                           4.00
99-2134 3/8 SAE Washer                           8.00
99-2209 3/8 Wing Nut          4.00

Page - 5
Chapter 1
STEP B:IDENTIFYING THE MERIDIAN TM-400 COMPONENTS.
PLEASE REFER TO PACKING LIST FOR ITEM NUMBERS

Page - 6
Chapter 1
STEP C: ATTACHING THE SIDE SUPPORTS TO THE BASE
The side supports (Item #2) will accept the four industrial glides, two on each side. Attach them using the 1/
2” flat washers, lock washers and nuts(Fig A). Once you have attached the industrial glides, each side support
can be attached  to either side of the base assembly. To attach the side supports use the 3/8 socket screws
(Item 6) including a 3/8 flat & lockwashers(Fig B).
Fig. A Fig. B
STEP D: ATTACHING MOTOR AND TO THE BASE
The motor(9) ships with the 3/8” hub and coupler  attached. The coupler has grooves that will mate with
the grooved hubs attached to the motor(9) and turntable gearbox(7). Remove and use the four 10-24 screws
in the base assembly, attach the motor and align the coupler with the hubs.(Fig C) Take the motor cable and
attache the appropriate end to the wire harness coming from the motor
Gearbox
Motor
Coupler
Fig. C

Page - 7
STEP E: ATTACHING PEDESTAL / TURNTABLES
The pedestal and turntable assemblies for your Meridian TM-400 all use the same mounting system. The
adjustable pedestal (14, 16, 17, 18, 19) and the 18”turntable base(20) are fitted with a clamp collar. The collar is
designed to rest upon the large thrust bearing and support plate, which are placed “free floating” around
the pedestal axle. (Fig D) The 36” turntable bolts  to the 18” turntable using four 3/8-16 x 2 1/4 hexbolts, eight
3/8 flatwashers and four 3/8 wingnuts.
Bearing
Pedestal
Clamp
Collar
Support
Plate
Pedestal
Axle
Fig. D
The adjustable pedestal can be adjusted into various heights using the two cotter pins (15) provided.  The
adjustable pedestal has a series of set screws for locking the pedestal into a fixed position, removing any
lateral clearance needed for pedestal adjustment.
The top of the assembly is outfitted with single pedestal cap attached by a set screw. The pededstal cap has
a 1/4-20 thread that can accept bolts, for attaching small platforms and/or objects.
(Note: For complete instructions on controller and software installation., consult software disk shipped
STEP F:  USING THE ADJUSTABLE PEDESTAL
Page - 8
Kaidan Warranty and Return Policy
Limited Warranty
In the event of a defect in materials or workmanship, Kaidan will repair the product with new or
rebuilt parts for a period of three-hundred and sixty five (365) days from the date of original
purchase. Such work will be performed free of charge. Follow the Product Return Procedure, Item D
below.
Likewise, any software purchased from Kaidan also comes with a one year warranty if your disc or
media is defective or damaged.
This warranty is extended only to the original purchaser and is not transferable. A purchase receipt
or other proof of date of original purchase will be required before warranty performance is
rendered.
This warranty only covers failures due to defects in materials or workmanship which occur during
normal use. It does not cover damages or failures which are caused  from accident, misuse, abuse,
neglect, mishandling, misapplication, alteration, faulty installation, modification, service by anyone
other than an authorized representative of Kaidan, Acts of God or by products not supplied by
Kaidan.
This warranty covers any damage incurred during original shipment of product to customer.
Any item resold or distributed by and not explicitly manufactured by Kaidan will be covered by their
respective company’s product warranty.
Warranty Exclusions
There are no express warranties except as listed above.
KAIDAN SHALL NOT BE LIABLE FOR SPECIAL, INCIDENTAL, CONSEQUENTIAL OR PUNITIVE DAMAGES,
INCLUDING, WITHOUT LIMITATION, LOSS OF
GOODWILL, PROFITS OR REVENUE, LOSS OF THE USE OF THIS PRODUCT OR ANY ASSOCIATED
EQUIPMENT, COST OF SUBSTITUTE EQUIPMENT, DOWNTIME COSTS, OR CLAIMS OF ANY PARTY
DEALING WITH BUYER FOR SUCH DAMAGES, RESULTING FROM USE OF THIS PRODUCT OR ARISING
FROM BREACH OF WARRANTY OR CONTRACT, NEGLIGENCE, OR ANY OTHER LEGAL THEORY. ALL
EXPRESS AND IMPLIED WARRANTIES, INCLUDING THE WARRANTIES OF MERCHANTABILITY AND
FITNESS FOR A PARTICULAR PURPOSE, ARE LIMITED TO THE APPLICABLE WARRANTY PERIOD SET
FORTH ABOVE.
Some states do not allow the exclusion or limitation of consequential damages, or limitations on
how long an implied warranty lasts, so the above exclusions or limitations may not apply to you.
This warranty and any claims which arise with the Kaidan product(s) are governed by the laws of
the state of Pennsylvania. By purchasing this product, customer acknowledges and agrees to these
Limits and Exclusions. If a problem with your Kaidan product develops during the warranty period,
immediately contact Kaidan for assistance.
Product Return Policy
All Kaidan products come with a 30-day return policy (some restocking fees may apply) from date of
purchase, with the exception of software or videotapes.
Both of the aforementioned items are copyrighted and subject to the laws concerning intellectual
property. Kaidan will replace defective software/videotapes free of charge upon return receipt of
defective item(s). Products returned under this policy, excluding replacement of defective items,
must be shipped at  purchaser’s expense.  Purchaser must ship product with an approved traceable
service, such as FedEx, and with appropriate levels of shipping insurance for the item being returned.
Kaidan will not be held responsible for returned items lost or damaged in transit.

Page - 9
AAppendix A:
Troubleshooting eMCee™
THE  EMCEE SOFTWARE DOES NOT RECOGNIZE THE CONTROLLER?
The error message that the controller is not responding or that it is not a
known controller indicates a “break” in the serial communications between
eMCee and the hardware controller. Before troubleshooting the eMCee soft-
ware, please make sure that all your connections between the computer and
the hardware controller are properly setup. Follow thru the list below for the
most common hardware checks:
• The Serial cable is plugged into the serial port.
• The DB-25 pin end of the Serial cable is plugged into the Sin8 converter (blue).
• The slide switch on the converter is in the “P” position.
• The one end of the flat RJ-45 cable is plugged into the Sin8  Converter.
• The other end of the flat RJ-45 cable is plugged into the serial input on the
controller.
I HAVE CHECKED ALL MY SERIAL CONNECTIONS AND THE CONTROLLER STILL ISN’T RESPONDING?
Once you have checked your serial connections, a non-responding controller
may be the result of the wrong serial port selection in the eMCee preferences.
Please verify that the serial port which your cabling is plugged into is the same
serial port selected in eMCee’s preferences.
For Macintosh users: Under the Apple Menu  go to Control Panels -
AppleTalk. In the Apple Talk Control Panel, make sure that Appletalk is not
trying to use the port eMCee is using. If the serial port is being used by
AppleTalk, change the port or disable AppleTalk in the Chooser.
 ApplePowerBooks:  ApplePowerBooks have a combination Printer/Mo-
dem port. The eMCee software will only recognize the port when the Mo-
dem port is the selected serial port in eMCee’s preferences. PowerBook users
must also make AppleTalk inactive when using eMCee.
ALL MY CONNECTIONS AND PREFERENCES ARE SET BUT STILL THE CONTROLLER IS NOT  RESPONDING?
Once you have verified that the controller connections are appropriate and
that the preferences in eMCee are set for your configuration, if the controller
will still not respond, the culprit in most cases, is a system extension conflict.

Page - 10
The eMCee software controls Kaidan hardware via a serial interface and in
order for eMCee to function properly it must be able to gain solitary control
of the serial port being used. System Extensions that monitor the serial ports
for activity will deny eMCee solitary control of the serial port. Extensions like
3rd party print drivers or Palm Pilot’s Hot Sync that are constantly running,
will prevent eMCee accessing the serial port.
For Macintosh users: Under the Apple Menu, go to Control Panels - Exten-
sions Manger. In the Extensions Manager, deselect the extensions that you
want to disable. Restart your computer. If you are not sure of what exten-
sions may be causing this problem, follow these directions. Go to the Apple
Menu and select the Apple System Profiler. Create a new report,check off all
boxes in the dialog window and email the report to support@kaidan.com.
For PC users: Uninstall the extensions that may be conflicting with
eMCee.and restart your computer. If you are still experiencing problems please
get a profile of  your system & drivers, and email it to support@kaidan.com.
EMCEE IS WORKING, BUT IT APPEARS THAT THE TURNTABLE/RIG IS NOT MOVING TO THE RIGHT
POSITION?If the motors are running under eMCee control but they appear not to be
positioning properly, you may need to check the preferences of the eMCee
software. eMCee ships with all Kaidan motorized products and there are dif-
ferent preference settings for each Kaidan model. The preferences for eMCee
can be set by running the appropriate default setting script for your paticular
Kaidan product. The default setting scripts are located in the “Scripts” folder
of your eMCee software package. You can also enter the preferences directly
through eMCee’s preferences panel, see chart below for values.
TM-400TM-400
TM-400TM-400
TM-400 X-Axis Y-Axis
Steps per Rev 20000 0
Intial Velocity 100 0
Slew Velocity 500 0
Ramp Slope 10 0
Move Speeds 500 0
Step Resolution Full 0
MT-84MT-84
MT-84MT-84
MT-84 X-Axis Y-Axis
Steps per Rev 126033 0
Intial Velocity 250 0
Slew Velocity 300 0
Ramp Slope 20 0
Move Speeds 300 0
Step Resolution Full 0
M-1501M-1501
M-1501M-1501
M-1501 X-Axis Y-Axis
Steps per Rev 12000 20000
Intial Velocity 100 100
Slew Velocity 500 300
Ramp Slope 10 10
Move Speeds 500 300
Step Resolution Full
C-60C-60
C-60C-60
C-60 X-Axis Y-Axis
Steps per Rev 20000 374810
Intial Velocity 100 100
Slew Velocity 500 700
Ramp Slope 15 15
Move Speeds 500 700
Step Resolution Full

Page - 11
EMCEE WAS WORKING THE LAST TIME I USED IT, BUT NOW THE CONTROLLER IS NOT RESPONDING?
If you have been using eMCee succesfully but are now having communica-
tion problems, you should try discarding eMCee’s preferences.
For Macintosh users: open your System Folder, open the Preferences folder
and locate eMCee’s preference file, discard the file.
For PC users: the preference file for eMCee is in the same folder as the ap-
plication, discard the file. Once you have discarded the preferences, you will
need to restore the preferences for your specific Kaidan model.
I HAVE DONE EVERTYTHING BUT EMCEE CANNOT SEE THE CONTROLLER?
If you have read through this appendix and have not a solution to your prob-
lem, please email: support@kaidan.com or call 215-364-1778 Mon-Fri 9am to 6pm
EST.
Sincerely,
The Kaidan Support Team
M-2500M-2500
M-2500M-2500
M-2500 X-Axis Y-Axis
Steps per Rev 20000 20000
Intial Velocity 100 100
Slew Velocity 500 300
Ramp Slope 10 10
Move Speeds 500 300
Step Resolution Full
MDT-19MDT-19
MDT-19MDT-19
MDT-19 X-Axis Y-Axis
Steps per Rev 14165* 0
Intial Velocity 100 0
Slew Velocity 300 0
Ramp Slope 15 0
Move Speeds 300 0
Step Resolution Full 0
*Note - This value has been calibrated specifi-*Note - This value has been calibrated specifi-
*Note - This value has been calibrated specifi-*Note - This value has been calibrated specifi-
*Note - This value has been calibrated specifi-
cally for your unit, you will find this value oncally for your unit, you will find this value on
cally for your unit, you will find this value oncally for your unit, you will find this value on
cally for your unit, you will find this value on
the underside of the unit.the underside of the unit.
the underside of the unit.the underside of the unit.
the underside of the unit.

Page - 12
36" Turntable
18" Turntable
Flat Washer (8)
Wing Nut (4)
IN ORDER TO USE THE 36" TURNTABLE, IT MUST BE BOLTED TO THE 18" 
TURNTABLE AS SHOWN ABOVE IN FOUR PLACES, USING THE (4)3/8-16 X 2.25 
LG. HEX BOLT, (8)3/8" SAE WASHERS AND (4) 3/8" WING NUTS.
36" TURNTABLE ASSEMBLY INSTRUCTIONS
3/8-16x2.25lg. 
hex bolt