Kano Computing 18G2000E Customised Pi3 User Manual
Kano Computing Limited Customised Pi3
User manual

KANO-RPI3-VE
User Manual
2017.05
1. Product Introduction
This product design is based on the Raspberry Pi 3 Model B V1.2 board, change USB
hub chip, remove Ethernet function and RJ-45 connector, remove DSI and CSI
connector according to client’s requirements.
2. Platform Architecture
2.1 Block Diagram and Description
System Block Diagram
System Description
Referring to the Raspberry Pi 3 Model B V1.2 board, based on the Broadcom Quad
Core SOC, use 5V/2.5A for system power supply via micro USB, use 1GB LPDDR2 for
synchronous dynamic random access and 19.2MHz crystal for system clock, support
HDMI and Audio output, support Bluetooth BLE4.0 and 802.11 b/g/n WLAN then
communication via chip antenna, use USB2.0 hub to expanded 4 USB2.0 interfaces,
reserved 40pin 2.54mm pin pitch for GPIOs.
2.2 Key Components
Name Component Model
CPU BCM2837
DDR2 MEMORY EDB8132B4PB
WLAN and Bluetooth BCM43438

3. Operating Characteristics
Parameter Conditions
Min. Typ. Max. Unit
Input Power
Supply 5.1 5.5 V
Operating
Current 2.5 A
Power Ripple
Voltage
5.1V
power
network
150 mV
3.3V, 2.5V,
1.8V and
1.2V
power
network
50 mV
Operating
Ambient
Temperature
0 +50 ℃
Storage
Temperature -20 +70 ℃
Operating
Ambient
Humidity
0 60 %
Operating
Altitude 0 2000 m
Operating Air
Pressure 840 1060 hPa

4. PCB View
The size of PCB is 85mm(L)*56mm(W)*1.4mm(T).
Top View
Bottom View

5. Appearance
Top View
Bottom View

6. Interface
Micro SD Card
Socket
6.1 Micro USB Connector
5.1V/2.5A DC via micro USB connector.
6.2 HDMI
1x full size HDMI.
6.3 3.5mm Audio Jack
Support audio out and TV out.
6.4 USB 2.0
2 2Layer USB A port, support full USB2.0 speed.

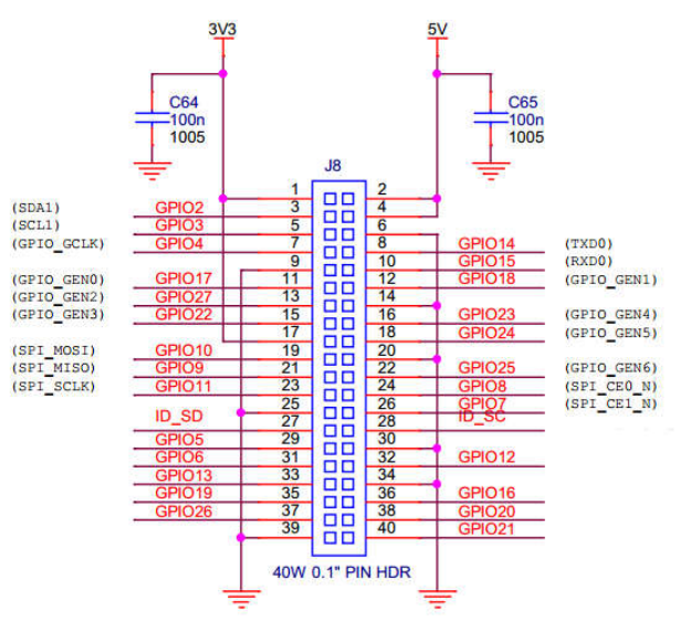
6.5 GPIOs
2.54mm 2*20 pin socket for GPIOs.
6.6 Chip Antenna
2.4GHz chip antenna for BLE4.0 and IEEE 802.11 b/g/n WLAN.
6.7 Micro SD Card Socket
Micro SD card for loading operating system and data storage.
FCC Caution: Any changes or modifications not expressly approved by the party
responsible for compliance could void the user's authority to operate this equipment.
This device complies with Part 15 of the FCC Rules. Operation is subject to the following
two conditions:
(1) This device may not cause harmful interference, and
(2) this device must accept any interference received, including interference that may
cause undesired operation.
This device and its antenna(s) must not be co-located or operating in conjunction with any
other antenna or transmitter.
NOTE:
This equipment has been tested and found to comply with the limits for a Class B digital
device, pursuant to Part 15 of the FCC Rules.
These limits are designed to provide reasonable protection against harmful interference
in a residential installation. This equipment generates, uses and can radiate radio
frequency energy and, if not installed and used in accordance with the instructions,
may cause harmful interference to radio communications.
However, there is no guarantee that interference will not occur in a particular installation.
If this equipment does cause harmful interference to radio or television reception,
which can be determined by turning the equipment off and on, the user is encouraged to
try to correct the interference by one or more of the followingmeasures:
-- Reorient or relocate the receiving antenna.
-- Increase the separation between the equipment and receiver.
-- Connect the equipment into an outlet on a circuit different from that to which the
receiver is connected.
-- Consult the dealer or an experienced radio/TV technician for help.
To maintain compliance with FCC’s RF Exposure guidelines, The 20cm is the minimum
distance that has to be maintained between your body and the device.
FCC ID: 2ACVK-18G2000E
IC Caution:
This device complies with Industry Canada licence-exempt RSS standard(s). Operation is
subject to the following two conditions:
(1) this device may not cause interference,
(2) this device must accept any interference, including interference that may cause
undesired operation of the device.
This Class [B] digital apparatus complies with Canadian ICE-003.
Le présent appareil est conforme aux CNR d'Industrie Canada applicables aux appareils
radio exempts de licence. L'exploitation est autorisée aux deux conditions suivantes : (1)
l'appareil ne doit pas produire de brouillage, et (2) l'utilisateur de l'appareil doit accepter
tout brouillage radioélectrique subi, même si le brouillage est susceptible d'en
compromettre le fonctionnement.
Cet appareil numérique de la classe [B] est conforme à la norme NMB-003 du Canada.