Keeson Technology BT40SA BLUETOOTH 4.0 RECEIVER User Manual
Jiaxing Shufude Electric Bed Co., Ltd. BLUETOOTH 4.0 RECEIVER Users Manual
Users Manual

BT40SA User Guide
1. Appearance
2. Specification
1. Part Number: JLDP.05.043.000;
2. Working Voltage:18-30V;
3. Working Current:5mA @29V;
4. Operation Temperature:-20~55℃;
5. Storage temperature:-45~85℃;
6. RF Frequency Range:2.379~2.496GHz;
7. RF Modulation: GFSK;
8. RF Transmitted Power: 0 dBm;
9. Housing Material: ABS 765A, 94V-0;

3. Interface Description
1. Status Indication: two color, three different status
Status 1: Red, when powered on;
Status 2: Blue, when Bluetooth is linked by smart phone;
Status 3: Blue and flashing, when user is operation the APP;
2. Main-MFP Interface:
Connect to the main control unit, including both power supply and
communication port;
3. Sub-MFP Interface:
Connect to the sub control unit, only including communication
port.
The sub-MFP interface only used in dual bedding system and
synchronous together. For single bedding system, only the
main-MFP interface is used.

4. Operation Instructions
The BT40SA is an optional accessory for the bedding system. It
connected to the main control unit. Also it’s a Bluetooth receiver and
all the operations are completed by APP in the smart phone.
For the detailed the operation, please see the APP user manual.
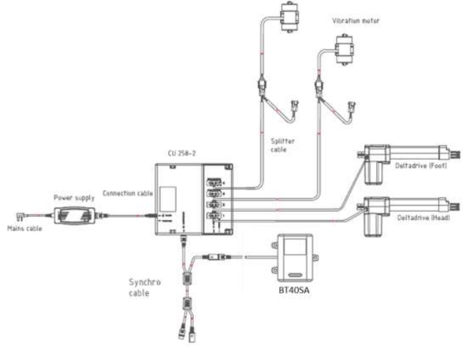
5. Assembling
To satisfy FCC RF Exposure requirements for this transmission devices, a
separation distance of 20 cm or more should be maintained between the antenna of this
device and persons during operation. To ensure compliance, operation at closer than
this distance is not recommended. The antenna(s) used for this transmitter must not
be co-located or operating in conjunction with any other antenna or transmitter.
This device complies with part 15 of the FCC Rules. Operation is subject to the following two conditions:
(1) This device may not cause harmful interference, and
(2) this device must accept any interference received, including interference that may cause undesired
operation.
6. FCC warning
Changes or modifications not expressly approved by the party responsible for compliance
could void the user's authority to operate the equipment.