Kenwood NX 800 800(K) User Manual To The 10958abd D8e1 4da4 B30b 0ca1db91a1fa
User Manual: Kenwood NX-800 to the manual
Open the PDF directly: View PDF .
Page Count: 110 [warning: Documents this large are best viewed by clicking the View PDF Link!]
- COVER / CONTENTS
- GENERAL
- SYSTEM SET-UP
- REALIGNMENT
- INSTALLATION
- DISASSEMBLY FOR REPAIR
- CIRCUIT DESCRIPTION
- COMPONENTS DESCRIPTION
- PARTS LIST
- EXPLODED VIEW
- PACKING
- TROUBLE SHOOTING
- ADJUSTMENT
- TERMINAL FUNCTION
- PC BOARD
- SCHEMATIC DIAGRAM
- INTERCONNECTION DIAGRAM
- BLOCK DIAGRAM
- LEVEL DIAGRAM
- SPECIFICATIONS
- PC BOARD (Complete view)
- SCHEMATIC DIAGRAM (Complete view)
- INTERCONNECTION DIAGRAM (Complete view)
- BLOCK DIAGRAM (Complete view)
- LEVEL DIAGRAM (Complete view)

© 2007-12 PRINTED IN JAPAN
B51-8803-00 (S) 343
UHF DIGITAL TRANSCEIVER
NX-800
SERVICE MANUAL
This product uses Lead Free solder.
Panel assy
(A62-1162-03)
Key top
(K29-9401-03)
Metallic cabinet
(A01-2194-11)
Microphone
(T91-0639-35)
GENERAL .................................................................. 2
SYSTEM SET-UP ...................................................... 4
REALIGNMENT ......................................................... 5
INSTALLATION ......................................................... 8
DISASSEMBLY FOR REPAIR ................................. 15
CIRCUIT DESCRIPTION .......................................... 18
COMPONENTS DESCRIPTION .............................. 24
PARTS LIST ............................................................. 27
EXPLODED VIEW .................................................... 40
PACKING ................................................................. 41
TROUBLE SHOOTING ............................................ 42
ADJUSTMENT ........................................................ 44
TERMINAL FUNCTION ........................................... 62
PC BOARD
TX-RX UNIT (X57-7390-10) (B/2) ....................... 71
TX-RX UNIT (X57-7390-10) (A/2) ....................... 72
DISPLAY UNIT (X54-3640-10) ............................ 76
SCHEMATIC DIAGRAM
TX-RX UNIT (X57-7390-10) ................................ 78
DISPLAY UNIT (X54-3640-10) ............................ 93
INTERCONNECTION DIAGRAM ............................ 96
BLOCK DIAGRAM ................................................... 98
LEVEL DIAGRAM .................................................. 100
SPECIFICATIONS ................................. BACK COVER
CONTENTS
NX-800
2
Document Copyrights
Copyright 2007 by Kenwood Corporation. All rights reserved.
No part of this manual may be reproduced, translated,
distributed, or transmitted in any form or by any means, elec-
tronic, mechanical, photocopying, recording, or otherwise,
for any purpose without the prior written permission of
Kenwood.
Disclaimer
While every precaution has been taken in the preparation
of this manual, Kenwood assumes no responsibility for errors
or omissions. Neither is any liability assumed for damages
resulting from the use of the information contained herein.
Kenwood reserves the right to make changes to any products
herein at any time for improvement purposes.
Firmware Copyrights
The title to and ownership of copyrights for firmware
embedded in Kenwood product memories are reserved for
Kenwood Corporation. Any modifying, reverse engineering,
copy, reproducing or disclosing on an Internet website of the
firmware is strictly prohibited without prior written consent of
Kenwood Corporation. Furthermore, any reselling, assigning
or transferring of the firmware is also strictly prohibited with-
out embedding the firmware in Kenwood product memories.
NXDN Transceivers:
The AMBE+2(TM) voice coding technology is embedded in
the firmware under the license of Digital Voice Systems, Inc.
INTRODUCTION
SCOPE OF THIS MANUAL
This manual is intended for use by experienced techni-
cians familiar with similar types of commercial grade commu-
nications equipment. It contains all required service informa-
tion for the equipment and is current as of this publication
date. Changes which may occur after publication are covered
by either Service Bulletins or Manual Revisions, which are
issued as required.
ORDERING REPLACEMENT PARTS
When ordering replacement parts or equipment informa-
tion, the full part identification number should be included.
This applies to all parts : components, kits, and chassis. If the
part number is not known, include the chassis or kit number
of which it is a part and a sufficient description of the required
component for proper identification.
GENERAL
PERSONAL SAFETY
The following precautions are recommended for personal
safety :
•DONOT transmit if someone is within two feet (0.6
meter) of the antenna.
•DONOT transmit until all RF connectors are secure and
any open connectors are properly terminated.
•SHUT OFF this equipment when near electrical blasting
caps or while in an explosive atmosphere.
•All equipment should be properly grounded before power-
up for safe operation.
•This equipment should be serviced by only qualified tech-
nicians.
PRE-INSTALLATION CONSIDERATIONS
1. UNPACKING
Unpack the radio from its shipping container and check for
accessory items. If any item is missing, please contact
KENWOOD immediately.
2. LICENSING REQUIREMENTS
Federal regulations require a station license for each radio
installation (mobile or base) be obtained by the equipment
owner. The licensee is responsible for ensuring transmitter
power, frequency, and deviation are within the limits permit-
ted by the station license.
Transmitter adjustments may be performed only by a
licensed technician holding an FCC first, second or general
class commercial radiotelephone operator’s license. There is
no license required to install or operate the radio.
3. PRE-INSTALLATION CHECKOUT
3-1. Introduction
Each radio is adjusted and tested before shipment. How-
ever, it is recommended that receiver and transmitter opera-
tion be checked for proper operation before installation.
3-2. Testing
The radio should be tested complete with all cabling and
accessories as they will be connected in the final installation.
Transmitter frequency, deviation, and power output should
be checked, as should receiver sensitivity, squelch operation,
and audio output. Signaling equipment operation should be
verified.

NX-800
3
4. PLANNING THE INSTALLATION
4-1. General
Inspect the vehicle and determine how and where the ra-
dio antenna and accessories will be mounted.
Plan cable runs for protection against pinching or crushing
wiring, and radio installation to prevent overheating.
4-2. Antenna
The favored location for an antenna is in the center of a
large, flat conductive area, usually at the roof center. The
trunk lid is preferred, bond the trunk lid and vehicle chassis
using ground straps to ensure the lid is at chassis ground.
4-3. Radio
The universal mount bracket allows the radio to be
mounted in a variety of ways. Be sure the mounting surface
is adequate to support the radio’s weight. Allow sufficient
space around the radio for air cooling. Position the radio close
enough to the vehicle operator to permit easy access to the
controls when driving.
4-4. DC Power and wiring
1. This radio may be installed in negative ground electrical
systems only. Reverse polarity will cause the cable fuse to
blow. Check the vehicle ground polarity before installation
to prevent wasted time and effort.
2. Connect the positive power lead directly to the vehicle
battery positive terminal. Connecting the Positive lead to
any other positive voltage source in the vehicle is not rec-
ommended.
3. Connect the ground lead directly to the battery negative
terminal.
4. The cable provided with the radio is sufficient to handle
the maximum radio current demand. If the cable must be
extended, be sure the additional wire is sufficient for the
current to be carried and length of the added lead.
5. INSTALLATION PLANNING – CONTROL STATIONS
5-1. Antenna system
Control station. The antenna system selection depends on
many factors and is beyond the scope of this manual. Your
KENWOOD dealer can help you select an antenna system
that will best serve your particular needs.
5-2. Radio location
Select a convenient location for your control station radio
which is as close as practical to the antenna cable entry point.
Secondly, use your system’s power supply (which supplies
the voltage and current required for your system). Make sure
sufficient air can flow around the radio and power supply to
allow adequate cooling.
GENERAL
SERVICE
This radio is designed for easy servicing. Refer to the
schematic diagrams, printed circuit board views, and align-
ment procedures contained in this manual.
NOTE
•If you do not intend to use the speaker 3.5-mm jack and
the D-sub 25-pin connector, fit the supplied speaker-jack
cap and D-sub cap to stop dust and sand from getting in.
•If the transceiver is turned ON or OFF when the power-on/
off status message is enabled, the transceiver sends the
status.
Speaker
jack cap
D-sub
cap
Power input
connector
Ignition
sense cable
Antenna
connector

NX-800
4
SYSTEM SET-UP
Merchandise received
License and frequency allocated by FCC
Choose the type of transceiver
Transceiver programming
See page 5.
A personal computer (IBM PC or compatible), programming
interface (KPG-46/46A), and programming software (KPG-111D)
are required for programming.
Are you using
the remote kit?
Are you using
the ignition sense cable?
Are you using
the public address?
Are you using
the voice guide & storage
unit?
KRK-10
KCT-46
KAP-2
VGS-1
YES
NO
YES
NO
YES
NO
YES
NO
Supplied microphone
Delivery
Are you using
the external speaker?
Are you using
the keypad microphone?
KES-3, KES-5 or KES-6 External speaker
KMC-32 or KMC-36
YES
NO
YES
NO
Desk top microphone KMC-9C
See page 10.
See page 8.
See page 9.
See page 11.
(Option)
(Option)
(Option)
(Option)
(Option)
(Option)
Frequency range RF power Type
450.0~520.0MHz 30W K

NX-800
5
1. Modes
Mode Function
User mode For normal use.
Panel test mode Used by the dealer to check the funda-
mental characteristics.
Panel tuning mode
Used by the dealer to tune the audio.
PC mode Used for communication between the
radio and PC.
Data programming Used to read and write frequency data
mode and other features to and from the radio.
PC test mode Used to check the radio using the PC.
This feature is included in the FPU.
PC tuning mode
Used to tune the radio using the PC.
This feature is included in the FPU.
Firmware Used when changing the main program
programming mode of the flash memory.
Clone mode Used to transfer programming data from
one radio to another.
Firmware version Used to confirm the internal firmware
information version.
2. How to Enter Each Mode
Mode Operation
User mode Power ON
Panel test mode [ ] + Power ON
PC mode Received commands from PC
Panel tuning mode [Panel test mode] + [ ]
Firmware programming mode [ ] + Power ON
Clone mode [ ] + Power ON
Firmware version information [ ] + Power ON
3. Panel Test Mode
Setting method refer to ADJUSTMENT.
4. Panel Tuning Mode
Setting method refer to ADJUSTMENT.
5. PC Mode
5-1. Preface
The transceiver is programmed by using a personal com-
puter, programming interface (KPG-46/46A) and program-
ming software (KPG-111D).
The programming software can be used with a PC or com-
patible. Figure 1 shows the setup of a PC for programming.
User mode
Panel test mode
Firmware version information
Panel tuning mode
Data programming mode
PC test mode PC tuning mode
PC mode
Clone mode
Firmware
programming mode
KPG-111D
PC
KPG-46 or KPG-46A or
KPG-46A + KCT-46 +
Tuning cable
(E30-3383-05)
KPG-46
Transceiver
PC
D-SUB
(25-pin)
Transceiver
PC
KPG-46A
D-SUB
(9-pin)
Transceiver
PC
KPG-46A
KCT-53U
USB
Fig. 1
REALIGNMENT
5-2. Connection procedure
1. Connect the transceiver to the computer using the inter-
face cable and USB adapter (When the interface cable is
KPG-46A, the KCT-53U can be used.).
Notes:
•You must install the KCT-53U driver in the computer to
use the USB adapter (KCT-53U).
•When using the USB adapter (KCT-53U) for the first time,
plug the KCT-53U into a USB port on the computer with
the computer power ON.
2. When the POWER switch on, user mode can be entered
immediately. When PC sends command the transceiver
enter PC mode, and “PROGRAM” is displayed on the LCD.
When data transmitting from transceiver, the red LED is lights.
When data receiving to transceiver, the green LED is lights.
Note:
The data stored in the computer must match the "Model
Name" when it is written into the flash memory.

NX-800
6
5-3. KPG-46/KPG-46A description
(PC programming interface cable: Option)
The KPG-46/46A is required to interface the transceiver to
the computer. It has a circuit in its D-sub connector (KPG-46
: 25-pin, KPG-46A : 9-pin) case that converts the RS-232C
logic level to the TTL level.
The KPG-46/46A connects the 8-pin microphone connector
of the transceiver to the RS-232C serial port of the computer.
5-4. KCT-53U description (USB adapter : Option)
The KCT-53U is a cable which connects the KPG-46A to a
USB port on a computer.
When using the KCT-53U, install the supplied CD-ROM
(with driver software) in the computer. The KCT-53U driver
runs under Windows 2000 or XP.
5-5. Programming software KPG-111D description
The KPG-111D is the programming software for the trans-
ceiver supplied on a CD-ROM. This software runs under MS-
Windows 2000, XP or Vista on an IBM-PC or compatible ma-
chine.
The data can be input to or read from the transceiver and
edited on the screen. The programmed or edited data can be
printed out. It is also possible to tune the transceiver.
6. Firmware Programming Mode
6-1. Preface
Flash memory is mounted on the transceiver. This allows
the transceiver to be upgraded when new features are re-
leased in the future. (For details on how to obtain the firm-
ware, contact Customer Service.)
6-2. Connection procedure
Connect the transceiver to the personal computer (IBM
PC or compatible) using the interface cable (KPG-46/46A) and
USB adapter (KCT-53U : when the interface cable is KPG-
46A, the KCT-53U can be used.). (Connection is the same as
in the PC Mode.)
Note :
You can only program firmware from the 8-pin micro-
phone connector on the front panel. Using the 25-pin logic
interface on the rear panel will not work.
6-3. Programming
1. Start up the firmware programming software (Fpro.exe
(ver. 4.0 or later)). The Fpro.exe exists in the KPG-111D
installed holder.
2. Set the communications speed (normally, 115200 bps)
and communications port in the configuration item.
3. Set the firmware to be updated by File name item.
4. Turn the transceiver power ON with the [ ] key held
down. Then, the orange LED on the transceiver lights and
“PROGRAM 115200” is displayed.
5. Check the connection between the transceiver and the
personal computer, and make sure that the transceiver is
in the Program mode.
6. Press write button in the window. When the transceiver
starts to receive data, the [LOADING] display lights.
7. If writing ends successfully, the checksum is calculated
and a result is displayed.
8. If you want to continue programming other transceivers,
repeat steps 4 to 7.
Note:
This mode cannot be entered if the Firmware Program-
ming mode is set to Disable in the Programming software.
6-4. Function
1. If you press the [ ] key while “PROGRAM 115200” is
displayed, the display changes to “PROGRAM 19200”
(The LED blinks green) to indicate that the write speed is
low speed (19200 bps). If you press the [ ] key again
while “PROGRAM 19200” is displayed, the display
changes to “PROGRAM 38400” (The LED lights red and
orange alternatively). If you press the [ ] key again while
“PROGRAM 38400” is displayed, the display changes to
“PROGRAM 57600” (The LED blinks orange). If you
press the [ ] key again while “PROGRAM 57600” is dis-
played, the display returns to “PROGRAM 115200” (The
LED lights orange).
2. If you press the [ ] key while “PROGRAM 115200” is
displayed, the checksum is calculated, and a result is dis-
played. If you press the [ ] key again while the
checksum is displayed, “PROGRAM 115200” is
redisplayed.
Note:
Normally, write in the high-speed mode.
7. Clone Mode
Programming data can be transferred from one radio to
another by connecting them via their 8-pin microphone con-
nectors. The operation is as follows (the transmit radio is the
master and the receive radio is a slave).
The following data cannot be cloned.
•Tuning data
•Embedded message with password
•ESN (Electronic Serial Number) data
Notes:
The following data can be cloned.
• Fleet (own)/ID (own) for FleetSync
•Unit ID (own) for NXDN
1. Turn the master transceiver power ON with the [ ] key
held down. If the read authorization password is set to the
transceiver, the transceiver displays “CLONE LOCK” If
the password is not set, the transceiver displays “CLONE
MODE”.
2. When you enter the correct password, and “CLONE
MODE” is displayed, the transceiver can be used as the
cloning master. The following describes how to enter the
password.
REALIGNMENT

NX-800
7
3.
•
How to enter the password with the microphone keypad;
If you press a key while “CLONE LOCK” is displayed, the
number that was pressed is displayed on the transceiver.
Each press of the key shifts the display in order to the left.
When you enter the password and press the [*] key,
“CLONE MODE” is displayed if the entered password is
correct. If the password is incorrect, “CLONE LOCK” is
redisplayed.
•How to enter the password with the [ ] and [ ] keys;
If the [ ] and [ ] keys is pressed while “CLONE LOCK”
is displayed, number (0 to 9) are displayd flashing. When
you press the [ ] key, the currently selected number is
determined. If you press the [ ] key after enterning the
password in this procedure, “CLONE MODE” is displayed
if the entered password is correct. If the password is in-
correct, “CLONE LOCK” is redisplayed.
4. Power on the slave transceiver.
5. Connect the cloning cable (Part No. E30-3382-05) to the
modular microphone jacks on the master and slave.
6. Press the [ ] key on the master while the master dis-
plays “CLONE MODE” The data of the master is sent to
the slave. While the slave is receiving the data, “PRO-
GRAM” is displayed. When cloning of data is completed,
the master displays “END”, and the slave automatically
operates in the User mode. The slave can then be oper-
ated by the same program as the master.
7. The other slave can be continuously cloned. When the
[ ] key on the master is pressed while the master
displays “END”, the master displays “CLONE MODE”
Carry out the operation in step 4 to 6. Can not be cloned if
the overwrite password is programmed to the slave.
Note:
Only the same models can be cloned together.
REALIGNMENT
Cloning cable
(E30-3382-05)
Fig. 2
8. Firmware Version Information
Turn the transceiver ON with the [ ] key held down.
Then, the version is displayed during holding the [ ] key.

NX-800
8
INSTALLATION
1. Ignition Sense Cable (KCT-46 : Option)
The KCT-46 is an optional cable for enabling the ignition
function. The ignition function lets you turn the power to the
transceiver on and off with the car ignition key.
1-1. Connecting the KCT-46 cable to the transceiver
1. Open the KCT-46 fuse holder and insert a mini blade fuse
(3A). ( q)
2. While holding a clear protective cover, remove the black
cap at the end of the yellow cable (ignition sense cable) of
the transceiver. ( w)
3. Connect the plug of the KCT-46 to the yellow cable termi-
nal of the transceiver. ( e)
4. Connect the other end of the KCT-46 to the ignition line of
the car. ( r)
Note : You must setup using the KPG-111D.
q
w
e
r
Ignition line
of the car
F52-0019-05
Fig. 1

NX-800
9
r
CN2
u
t
E37-1113-05
y
2. Horn Alert/P.A. Relay Unit (KAP-2 : Option)
The Horn alert (max. 2A drive), Public address and External
speaker function are enabled by installing the KAP-2 in the
transceiver.
2-1. Installing the KAP-2 unit in the transceiver
(The kit A is not used in the KAP-2 accessories)
1. Remove the cabinet, top packing and shielding plate of the
transceiver.
2. Set the KAP-2 relay unit jumper pins according to the pur-
pose of use.
3. Remove the 6-pin jumper connector inserted in the TX-RX
unit (A/2) connector (CN705). ( q)
4. Insert one side of the lead wire with connector (E37-1114-
05) into the relay unit connector (CN3) ( w) and the other
side into the TX-RX unit (A/2) connector (CN705) ( e).
CN705
q
CN705
CN3
E37-1114-05
w
e
5. Place the relay unit at the position shown in Figure 2-2 and
secure it to the chassis with a screw.
6. Remove the cap on the rear of the chassis by pushing it
from the inside with your finger. ( r)
7. Pass the 6-pin connector of the cable (E37-1113-05)
through the chassis hole ( t) and insert the bush into the
chassis hole.
8. Rotate the bush of the cable 90 degrees counterclockwise
as viewed from the rear of the chassis. ( y)
9. Insert the 6-pin connector of the cable into the connector
(CN2) of the KAP-2 relay unit. ( u)
Note : You must setup using the KPG-111D.
Fig. 2-1 Fig. 2-2 Fig. 2-3
Fig. 2-4
INSTALLATION

NX-800
10
INSTALLATION
■
Install the KRK-10 main panel onto the transceiver
4. Insert the flat cable that was removed in step 2 above into
the connector (CN1) of the interface unit (A/2) of the KRK-
10 main panel (A62-1101-11). ( u)
Note : The terminal side of the flat cable must face down
when inserting the flat cable into the connector.
5. Fit the main panel with four tabs onto the front of the
chassis. ( i)
Note : When installing the main panel onto the front of the
chassis, hold down the flat cable with your fingers to pre-
vent it from being caught.
■ Install the KRK-10 rear panel onto the front panel
6. Insert the flat cable attached to the interface unit (A/2) of
the KRK-10 rear panel (A82-0056-21) into the connector
(CN901) of the display unit of the panel ( o). (The flat
cable has been pre-inserted in the connector (CN2) of the
rear panel at the time of shipping.)
Note : The terminal side of the flat cable must face down
when inserting the flat cable into the connector.
7. Fit the four tabs of the rear panel into the front panel. ( !0 )
CN901
CN2 KRK-10 rear panel
!0
o
CN1
KRK-10 main panel
u
i
Fig. 3-3
Fig. 3-4
3.
Control Head Remote Kit (KRK-10 : Option)
The KRK-10 remote kit is used to remotely operate the
transceiver.
3-1. Installing the KRK-10 kit to the transceiver
1. Remove the front panel from the transceiver.
2. Install the KRK-10 main panel onto the transceiver.
3. Install the KRK-10 rear panel onto the front panel.
4. Connect the KRK-10 main panel to the rear panel with the
cable.
■ Remove the front panel from the transceiver
1. Lift the two tabs of the panel on the bottom of the trans-
ceiver with a flat-head screwdriver ( q) and remove the
panel from the chassis ( w).
Note : Confirm that the tabs of the speaker hardware fix-
ture and holder is securely fitted in the front panel.
2. Remove the flat cable from the connector (CN901) of the
display unit of the panel. ( e)
3. Fold the black line of the flat cable (in three parts) as
shown in Figure 3-2. ( r, t, y)
CN901
q
w
e
r
t
y
y
r
t
Chassis
side
Panel
side
Fig. 3-1
Fig. 3-2

NX-800
11
INSTALLATION
■ Connect the KRK-10 main panel to the rear panel
with the cable
8. Insert one 14-pin connector of the cable (E30-7514-15)
into the connector (CN3) of the interface unit (A/2) of the
main panel. ( !1 )
Note : Insert the connector that has a sticker onto the
cable to the connector of the main panel.
9. Secure the cable bush on the main panel and fit the water-
proof packing (orange) ( !2 ) securely over top.
10. Install the molded cover ( !3 ) over the connector on the
main panel and secure it with two screws ( !4 ).
11. Insert the other 14-pin connector of the cable into the
connector (CN4) of the interface unit (B/2) of the rear
panel. ( !5 )
12. Secure the cable bush on the rear panel and fit the water-
proof packing (orange) ( !6 ) securely over top.
13. Install the molded cover ( !7 ) over the connector on the
rear panel and secure it with two screws ( !8 ).
Note : A cable can be connected from the left side as shown
in the Figure 3-5 or from right side.
However, the 14-pin connector must be connected to correct
direction.
CN4
CN3
!8 !8
!7
!6
!5
!2
!2
!3
!4
!4
!1
(Right side)
KRK-10
rear panel
KRK-10
main panel
Sticker
Sticker
Fig. 3-5
CN1
CN595
q
w
Cushion
(G13-1994-04)
20 x 30 x 12 mm
Cushion
(G13-1992-04)
21 x 21 x 2.5 mm
VGS-1
Fig. 4
4. Voice Guide & Storage Unit
(VGS-1 : Option)
4-1. Installing the VGS-1 unit in the transceiver
1. Remove the cabinet, top packing and shielding plate of the
transceiver.
2. Attach two cushions to VGS-1 as shown in Figure 4. ( q)
Note : Be sure not to cover the connector with the bottom
cushion.
3. Insert the VGS-1 connector (CN1) into the TX-RX unit (A/2)
connector (CN595). ( w)
Note : You must setup using the KPG-111D.

NX-800
12
4
5Square plug
(E59-0419-05)
Black/White
lead
Black lead
Insulating cover
(F29-0481-15)
Fig. 5-3
321
654
■ KAP-2 Cable (E37-1113-15) 6-pin Connector
Pin No.
Color Name
1Red HR2
2Blue GND
3Yellow OSP
4Green ESP
5Brown GND
6Black HR1
INSTALLATION
5. External Speaker (Option)
5-1. KES-3
The KES-3 is an external speaker for the 3.5-mm-diameter
speaker jack.
■ Connection Procedure
1. Connect the KES-3 to the 3.5-mm-diameter speaker jack
on the rear of the transceiver.
5-2. KES-5 or KES-6
External speaker KES-5 or KES-6 can be installed for KAP-
2. If KES-5 or KES-6 is installed, it can be set by changing the
CN1 short pin from pins 4 and 5 to pins 5 and 6 on the KAP-2.
KAP-2 CN1 Connect Set Up
4-5 INT. SP or KES-3
5-6 KES-5 or KES-6
When you use the KES-5 or KES-6, plug the short pin to
pins 5 and 6 on the KAP-2.
When you use the INT. SP or KES-3, plug the short pin to
pins 4 and 5 on the KAP-2.
Fig. 5-1
HR1
HR2
EXT
INT
CN116
KAP-2 unit
Short pin
KES-5
or
KES-6
INT. SP
or
KES-3
Fig. 5-2
■ Connection Procedure
Insert the crimp terminal into the Square plug supplied
with the KAP-2.

NX-800
13
INSTALLATION
TX-RX unit (A/2)
Solder land
OPT10
OPT11
AGND
26P_RD
26P_TD
TXD2
RXD2
OPT1
OPT3
OPT4
OPT5
5V_1
DTI
OPT8
TXO
OPT7
OPT2
OPT9
RXEO
TXI
RXEI
OPT6
POW
33V
5V_2
DGND
GPS receiver
Fig. 6-1
3M Double coated cushion
No. 4016 (or No. 4416)
30 x 25 mm
3M Double coated cushion
No. 4016 (or No. 4416)
30 x 25 mm
GPS receiver
q
w
Fig. 6-2
Fig. 6-3
6. GPS Receiver Connection
6-1. Installing the GPS receiver
1. Remove the cabinet, top packing and shielding plate of the
transceiver.
2. Remove the front panel from the transceiver.
3. Attach two cushions to the top of the GPS receiver.
4. Attach the GPS receiver to the shield case with two cush-
ions as shown in Figure 6-2.
5. Solder each lead of the GPS receiver to a necessary loca-
tion of each landing on the component side of the TX-RX
unit (A/2).
6. Place the GPS antenna cable in the hollow at the rear of
the chassis. (Fig. 6-2 q )
Note : If the GPS receiver is installed, cut the base of the
convex tab of the top packing with a pair of nippers, or
similar tool. (Fig. 6-3 w )
If the convex tab of the top packing is cut off, the water
proofing property is no longer guaranteed.
Note : You must setup using the KPG-111D.

NX-800
14
INSTALLATION
CN1
CN595
GPS receiver
VGS-1
TX-RX unit (A/2)
Solder land
OPT10
OPT11
AGND
26P_RD
26P_TD
TXD2
RXD2
OPT1
OPT3
OPT4
OPT5
5V_1
DTI
OPT8
TXO
OPT7
OPT2
OPT9
RXEO
TXI
RXEI
OPT6
POW
33V
5V_2
DGND
GPS receiver
Fig. 6-4
Fig. 6-5
6-2.
Installing the GPS receiver together with the VGS-1
1. Remove the cabinet, top packing and shielding plate of the
transceiver.
2. Remove the front panel from the transceiver.
3. Attach a cushion to the bottom of the VGS-1 as shown in
Figure 6-5.
Note : Be sure not to cover the connector with the cush-
ion.
4. Insert the VGS-1 connector (CN1) into the TX-RX unit (A/2)
connector (CN595).
5. Perform step 3 to 6 of “6-1. Installing the GPS receiver”
described on page 13.
Note : You must setup using the KPG-111D.

NX-800
15
■ Removing the speaker hardware fixture
(J21-8481-03) and holder (J19-5485-02)
1. Remove the speaker lead from the holder hook. ( q)
2. Remove the speaker connector from the display unit con-
nector (CN902). ( w)
3. When removing the speaker hardware fixture, insert a flat-
head screwdriver at the position shown in Figure 2-1 and
tilt it in the direction shown by the arrow. ( e)
4. To remove the holder, insert a flat-head screwdriver into
tab of the holder and tilt it in the direction shown by the
arrow. ( r)
CN902
w
q
e
r
1. Precautions on Disassembly
■ TX-RX PCB (TX-RX unit A/2) Disassembly
1. Remove all screws and antenna terminals on the TX-RX
PCB.
2. Rotate the bush of the power supply cable 90 degrees
counterclockwise as viewed from the rear of the chassis
(q) and remove the power supply cable from the chassis
(w).
3. When the speaker phone jack is pushed up, using your
finger, from the rear of the chassis ( e), the TX-RX PCB is
removed from the chassis.
Note : The TX-RX PCB and D-sub PCB (TX-RX unit B/2) are
connected with a flat cable. Remove them carefully.
4. Turn the TX-RX PCB over and remove the flat cable from
the connector (CN600). ( r)
5. Remove the TX-RX PCB from the chassis.
q
w
e
CN600
r
Fig. 1-1
Fig. 1-3
Fig. 1-2
Fig. 2-1
Fig. 2-2
DISASSEMBLY FOR REPAIR

NX-800
16
■ Top packing installation procedure
1. Place the top packing over the shielding plate.
2. Fit the convex tab of the top packing into the hollow of the
chassis. ( q)
3. Fit the chassis into the groove of the top packing. ( w)
Verify that the top packing is in close contact with the
chassis.
q
w
■ FINAL shield case (F10-2489-03) installation
procedure
1. Place the shield case on the final section of the TX-RX unit
(A/2).
2. The shield case is installed on the positioning boss of the
chassis by pushing down on “PUSH2” (on the shield case)
while pushing “PUSH1” (stamped on two parts on the
shield case) to the right.
■ Power supply cable installation procedure
1. Pass the power supply cable through the chassis hole
(q) as shown in Figure 4-1 and insert the bush into the
chassis hole.
2. Rotate the bush of the power supply cable 90 degrees
clockwise as viewed from the rear of the chassis. ( w)
3. Align the ignition sense connector (yellow) of the power
supply cable around the chemical capacitor (C401) and
connect it to the TX-RX unit (A/2) connector (CN403).
4. Align the + (positive) terminal of the power supply cable
(red) as shown in Figure 4-2 and fix it to the terminal strip
with a screw.
5. Align the – (negative) terminal of the power supply cable
(black) as shown in Figure 4-2 and fix it to the terminal strip
with a screw.
IC403
C401
IC715
CN403
Black
Red
2. Precautions on Reassembly
■ TX-RX PCB (TX-RX unit A/2) Reassembly
1. With the TX-RX PCB turned over, insert the flat cable from
the D-sub PCB (TX-RX unit B/2) into the connector
(CN600) on the TX-RX PCB.
2. Place the TX-RX PCB at its original position, tilt the TX-RX
PCB and install the chassis as shown in Figure 3.
Fig. 3
w
q
Fig. 4-1
Fig. 4-2
Fig. 5
DISASSEMBLY FOR REPAIR

NX-800
17
qw
■ Installing the holder (J19-5485-12) and speaker
hardware fixture (J21-8481-03)
1. Insert two tabs of the holder (J19-5485-12) into the hol-
lows in the top of the panel. ( q)
2. Push the two tabs of the holder in on the opposite side of
those in step 1 above and fit them into the hollow in the
bottom of the panel. ( w)
Note : Push in the holder until it snaps in place.
3. Install the speaker holder onto the panel. ( e)
Note : To improve water resistance, fit the panel into the
groove of the holder.
4. Place the speaker into the speaker holder.
Note : The speaker must not ride on the holder rib.
5. Place the spacer on the speaker.
6. Insert the hardware fixture (J21-8481-03) into the hollow
of the panel as shown in Figure 7-3, then push two parts
of the hardware fixture and fit it into the hollow of the top
of the panel. (Fig. 7-3 r)
Note : Push in the hardware fixture until it snaps in place.
7. Insert the speaker connector into the display unit connec-
tor (CN902).
8. Place the speaker lead on the holder hook.
■ D-sub cap installation procedure
To improve water resistance, fit the D-sub cap into the D-
sub terminal hardware fixture of the transceiver in the follow-
ing order:
1. Fit the left side ( q) of the D-sub cap into the hardware
fixture.
2. Fit the right side ( w) of the D-sub cap into the hardware
fixture.
3. Fit the center ( e) of the D-sub cap into the hardware fix-
ture.
Verify that the D-sub cap is in close contact with the hard-
ware fixture.
q
w
e
Fig. 6
Fig. 7-1
DISASSEMBLY FOR REPAIR
Spacer
Speaker
Speaker holder
r
e
Fig. 7-2 Fig. 7-3
■ Removing the lithium cell (W09-0971-05)
Insert a screwdriver to groove of one side of the socket
(CN405) and pry the lithium cell up from the socket.
■ Installing the lithium cell (W09-0971-05)
Insert a lithium cell into one side of the socket (CN405).
Push the lithium cell to insert the lithium cell into the
socket.
Fig. 8
Fig. 9

NX-800
18
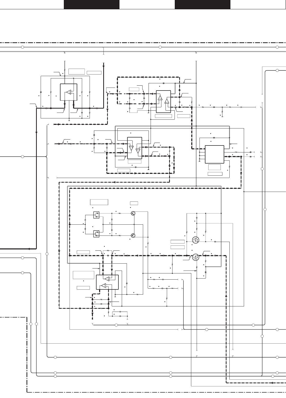
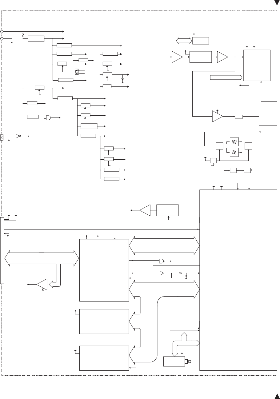
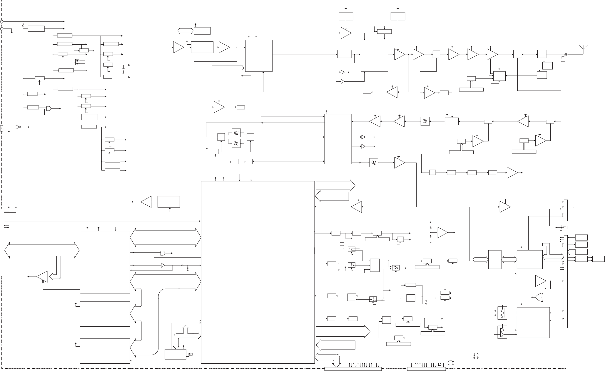
3. Receiver System
3-1. RF circuit
The front-end circuit consists of former BPF (D212, D213),
RF amplifier Q210, and latter BPF (D207, D208, D209 and
D210).
The BPF covers frequency ranges 450 to 520MHz.
The latter BPF (D207, D208, D209 and D210) attenuates
the unwanted signals, and sends only the necessary signal to
the first mixer.
1. Overview
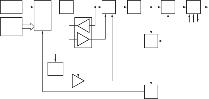
NX-800 is a UHF Mobile transceiver designed to operate in
the frequency range of 450 to 520MHz. The unit consists of
receiver, transmitter, phase-locked loop (PLL) frequency syn-
thesizer, base band parts, power supply, and control circuits.
2. Frequency Configuration
The receiver is a double-conversion super heterodyne
using first intermediate frequency (IF) of 58.05MHz and sec-
ond IF of 450kHz. Incoming signals from the antenna are
mixed with the local signal from the PLL circuit to produce
the first IF of 58.05MHz. This is then mixed with the
57.6MHz second local oscillator output to produce the
450kHz second IF. The transmit signal frequency is
generated by the PLL VCO, and modulated by the signal from
the DSP. It is then amplified and fed to the antenna.
CIRCUIT DESCRIPTION
Fig. 1 Frequency configuration
x3
57.6MHz
ANT
SW
RF
AMP
MIX
IF AMP
PLL
VCO
Base band Circuit
ANT
TX/RX:450~520MHz
MCF
CF
450kHz
58.05MHz
19.2MHz
450~520MHz
391.95~
461.95MHz
PA
AMP
TX
AMP
VCTCXO
AF
AMP
MIC
AMP
1st MIX SP
MIC
3-2. First Mixer
The signal from the BPF is heterodyned with the first local
oscillator signal from the PLL frequency synthesizer circuit at
the first mixer DBM (IC204) to become a 58.05MHz first
intermediate frequency(IF) signal.
The first IF signal is fed through a monolithic crystal
filter(XF202) to further remove spurious signals.
RF AMP
Q210
Buff AMP
Q208
BPF
ANT IF AMP
Q205
IF AMP
Q204
RX
VCO
Buff AMP
Q10
Buff AMP
Q9
BPF
1st MIX DBM
IC204
D212,D213
BPF
D207~D210
MCF
XF202
FM SYSTEM IC
IC202
-118dBm -120.5dBm -104dBm-114.5dBm -112.5dBm
0dBm0dBm
Fig. 2

NX-800
19
3-3. IF circuit
The first IF signal is passed through a four-pole monolithic
crystal filter (XF202) to reject adjacent channel signal. The
filtered first IF signal is amplified by the first IF amplifier
(Q204, Q205) and then applied to the lF system IC (IC202).
The IF system IC provides a second mixer, AGC amplifier,
and RSSI (Received Signal Strength Indicator).
The second mixer mixes the first IF signal with the
57.6MHz of second local oscillator output and produces the
second IF signal of 450kHz.
CIRCUIT DESCRIPTION
3-4. Audio amplifier circuit
Audio processing (high-pass filter, low-pass filter, de-
emphasized and so on) at FM mode and decoding at NXDN
mode are processed by DSP. Audio signal from IC510, IC502
goes through the amplifier (IC701). The signal then goes
through mute switch (IC707), amplifier (IC711), and elec-
tronic volume control (IC712).
While busy, INAMT becomes High, turn switch (Q709) on
and Mute switch (Q710) off, and signal is fed to AF Power
Amp (IC715). While Non-busy, INAMT is become Low, turn
switch (Q709) off and Mute switch (Q710) on, then there is
not AF output.
IC715Q710
AF AMP
INAMT
IC711
(2/2)
MUTE
SW
Q709
SW
SW
IC202
MIX. AGC
IC701 IC707IC704
IC510
IC502
DSP
IC201
IC712
AMT
VOL
RF Circuit (Front end)
CF203
BPF
Q203
2nd OSC
X1
19.2MHZ
VC
TCXO x3 CF201
CF202
BPF
INT. SP
EXT. SP
ANT
IC202 IC510
IC705(2/2)
FMDET ASQDET
VAGC
RSSI
BPF
Q702
AMP
D703
RECT
IC705(1/2)
AMP
IC203(1/2)
AMP
IC203(2/2)
AMP
3-5. Squelch Circuit
It amplifies the demodulated noise signal from IC202 after
filtering through BPF circuit. Then, the amplified signal is con-
verted to DC signal by the detection circuit. The converted
signal is fed back to IC510.
The second IF signal is passed through the ceramic filter
(CF201, CF202) to reject the adjacent channel signal. The
filtered second IF signal is amplified by AGC amplifier.
The signal from AGC amplifier is input to AD converter
(IC510) through ceramic filter (CF203) and operational ampli-
fier (IC201 and IC704).
Fig. 3
Fig. 4

NX-800
20
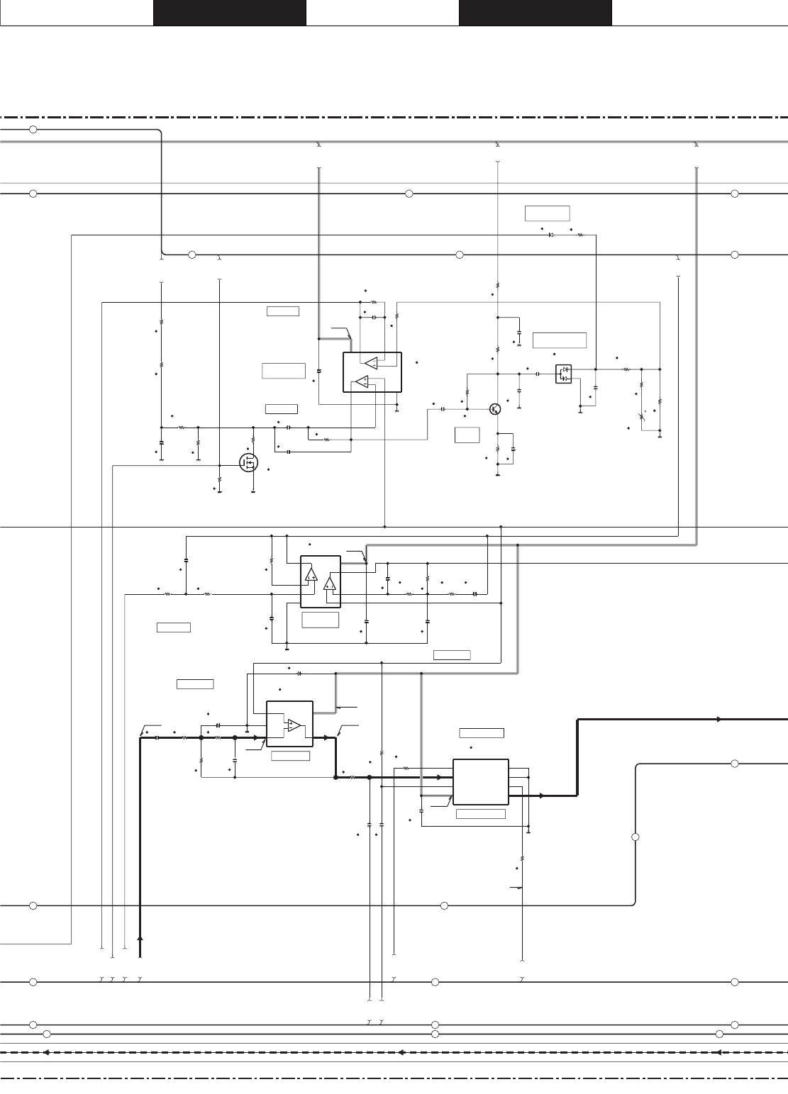
4-3. Drive and Final amplifier
The transmit signal obtained from the TX VCO buffer am-
plifier Q9, is amplified to approximately +17dBm by the driver
amplifiers Q10, Q101 and Q102.
This amplified signal is passed to the power amplifier
module(power module)IC102, which consists of a MOS-FET
amplifier and capable of transmission output power.
4-4. APC circuit
The Automatic transmission power control (APC) circuit
stabilizers the transmitter output power at a predetermined
level by detecting the power module output with a diodes
D108, D109 and D110. Diodes D108, D109 and D110 apply a
voltage to DC amplifier IC103 (1/2).
IC103 (2/2) compares the APC control voltage (PC) gener-
ated by microprocessor IC510 and DC amplifier IC101 (1/2,
2/2) with the detection output voltage from IC103 (1/2) to
control the Vgg Pin of IC102, and stabilizes transmission output.
The APC circuit is configured to protect over-current of the
power module due to fluctuations of the load at the antenna
end and to stabilize transmission output at voltage and
temperature variations.
4. Transmitter System
4-1. Audio Band Circuit
The signal from the microphone goes through the mute
switch (Q706), the Mic-Mute signal (MM) becomes Low,
then mute switch (Q706) is turned off. The signal from mi-
crophone goes through Mic-AGC (Q704, Q705, D704, D705),
and goes through switch IC (IC708), and amplified by Mic-
Amp IC706 (1/2), LPF IC706 (2/2) works as anti-aliasing filter.
If an optional scrambler board is installed, the switch
(IC708) adjusts the signal path so that the audio signal is input
to the scrambler board.
4-2. Base Band Circuit
The audio signal output from the base band circuit is con-
verted to digital data of a sampling frequency of 48 kHz. This
digital data is sent to the DSP (IC502), and voice signals of
300Hz or lower and frequencies of 3kHz or higher are cut off
and an audio range 300Hz to 3kHz is extracted. The audio
signal is then pre-emphasized in FM mode and synthesized
with the signals, such as QT and DQT, as required, and is
then output from the IC510. In Digital mode, the audio signal
is converted to the 4-Level FSK base band signal and output
from the IC510. The DTMF and MSK base band signals are
also generated by the DSP and output by the IC510.
LPF (IC702) works as smoothing filter. The DAC (IC712)
assigns the base band signal to the VCO and VCTCXO (X1).
At this time, the level output according to the transmit carrier
is fine-adjusted according to each modulation method.
CIRCUIT DESCRIPTION
SW
Q707 IC708
MM
AMP
IC706(1/2)
LPF
IC706(1/2)
LPF
IC702(1/2)
AMP IC712
IC709(1/2)
IC510
IC502 DSP
LPF
IC702(2/2)
AMP
IC1
AMP
VCTCXO
X1
VCO
IC5(2/2)
AGC
D703,D704
Q705,Q706
SW
SCSW
Optional Scrambler Board
INT. MIC
TX VCO
VCTCXO
19.2MHz
0dBm +17dBm
Drive AMP
Q10
Buff AMP
Q9
Drive AMP
Q101
Drive AMP
Q102
Final AMP
IC102
MOD
MB DC
AMP
DC
AMP
PC
MP
SW ANT Filter
D103,D106,
D216
DET
D108
ANT
Gate
bias
IC101 IC103
DET
D109
DET
D110
Fig. 5
Fig. 6

NX-800
21
CIRCUIT DESCRIPTION
5. PLL Frequency Synthesizer
5-1. VCTCXO (X1)
VCTCXO (X1) generates a reference frequency of
19.2MHz for the PLL frequency synthesizer. This reference
frequency is applied to pin 9 of the PLL IC (IC3) and
connected to IF circuit as a 2nd local signal through Tripler.
The VCTCXO oscillation frequency is determined by DC
voltage of VC terminal. The VC voltage is fixed to 1.65V by R1
and R2, and supplied to VC terminal through IC2. Modulation
signal is also fed to VC terminal through IC2.
The frequency adjustment is achieved by switching the
ratio of dividing frequency that is not adjusted by the DC
voltage impressed to VC. The resolution of adjusting fre-
quency is approximately 4Hz.
5-2. VCO
There is a RX VCO and a TX VCO.
The TX VCO (Q6) generates a transmit carrier and the RX
VCO (Q5) generates a 1st local signal. For the VCO oscillation
frequency, the transmit carrier is 450 to 520 MHz and the 1st
local signal is 391.95 to 461.95MHz.
The VCO oscillation frequency is determined by one sys-
tem of operation switching terminal "T/R" and two systems of
voltage control terminals "C/V" and "V-assist".
The operation switching terminal, "T/R", is controlled by
the control line (/T_R) output from the CPU (IC510). When
the /T_R logic is low, the VCO outputs the transmit carrier
and when it is high, it outputs a 1st local receive signal.
The voltage control terminals, "CV" and "V-assist", are
controlled by the PLL IC (IC3) and CPU (IC510) and the output
frequency changes continuously according to the applied
voltage. For the modulation input terminal, "VCO MOD", the
output frequency changes according to the applied voltage.
This is used to modulate the VCO output. "VCO MOD" works
only when "/T_R" is low.
5-3. PLL IC (IC3)
PLL IC compares the differences in phases of the VCO
oscillation frequency and the VCTCXO reference frequency,
returns the difference to the VCO CV terminal and realizes
the "Phase Locked Loop" for the return control. This allows
the VCO oscillation frequency to accurately match (lock) the
desired frequency.
When the frequency is controlled by the PLL, the
frequency convergence time increases as the frequency
difference increases when the set frequency is changed. To
supplement this, the CPU is used before control by the PLL
IC to bring the VCO oscillation frequency close to the desired
frequency. As a result, the VCO CV voltage does not change
and is always stable at approx. 3.0V.
The desired frequency is set for the PLL IC by the CPU
(IC510) through the 3-line "SDO1", "SCK1", "PCS_RF" serial
bus. Whether the PLL IC is locked or not is monitored by the
CPU through the “PLD” signal line. If the VCO is not the
desired frequency (unlock), the "PLD" logic is low.
5-4. Local Switch (D101, D205)
The connection destination of the signal output from the
buffer amplifier (Q10) is changed with the diode switch
(D101) that is controlled by the transmission power supply,
80T, and the diode switch (D205) that is controlled by the
receive power supply, 50R. If the 80T logic is high, it is con-
nected to a send-side pre-drive (Q101). If the 80T logic is
low, it is connected to a local amplifier (Q208).
Loop
Filter
BUFF
AMP
BUFF
AMP
Ripple
Filter
VCO
150C
VC
TCXO
PLL
IC3 Q9
Q5,Q6
D3,D4
D7~D12
D14
BUFF
AMP
Q10
LPF
Q3
SDO1
SCK1
/PCS RF
X1
19.2MHz
T/R
SW
D101,D205
50C
50C
to TX stage
80T
50R
to Local Amplifier
IC5
Q1
IC4
CV
VCO MOD
ASSIST
Fig. 7
NX-800
22
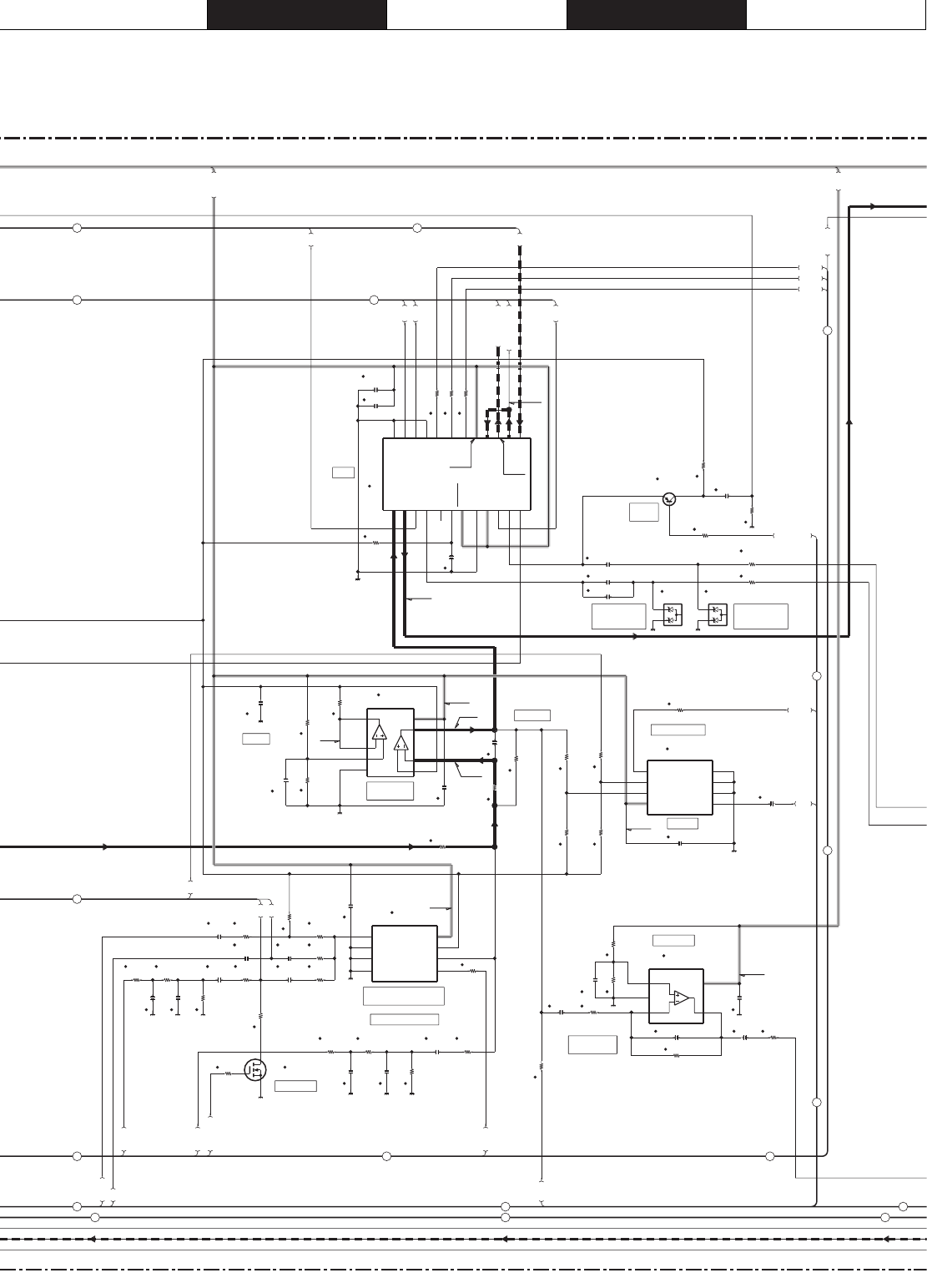
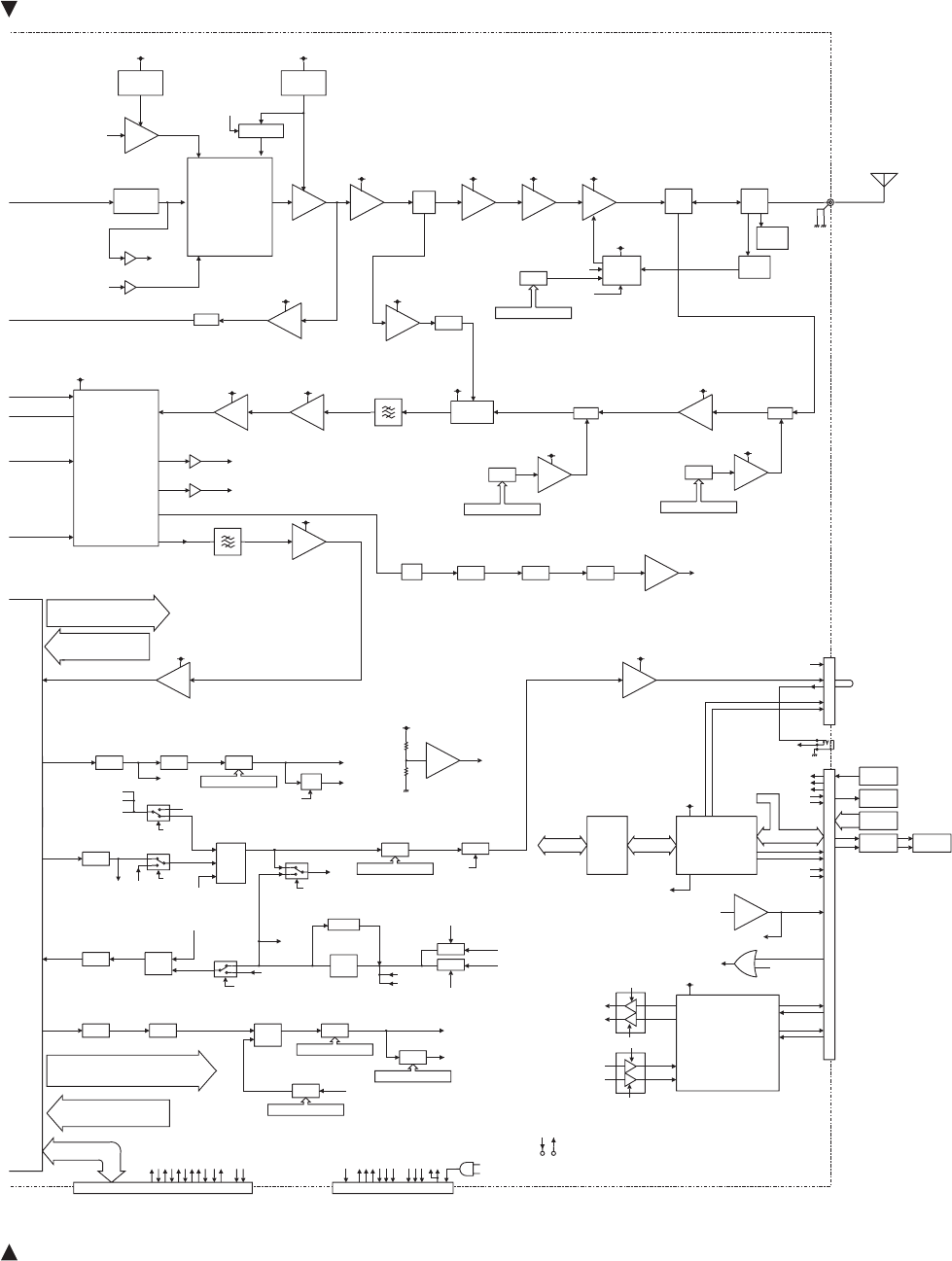
6. Control Circuit
The control circuit consists of CPU (IC510) and its periph-
eral circuits. IC510 mainly performs the following;
1) Switching between transmission and reception by PTT
signal input.
2) Reading system, zone, frequency, and program data
from the memory circuit.
3) Sending frequency program data to the PLL.
4) Controlling squelch on/off by the DC voltage from the
squelch circuit.
5) Controlling the audio mute circuit by decode data input.
6-1. CPU
The CPU (IC510) is 32bit RISC processor, equipped with
peripheral function and ADC/DAC.
This CPU operates at 18.432MHz clock and 3.3V /1.5V DC.
Controls the flash memory, SRAM, DSP, the receive circuit,
the transmitter circuit, the control circuit, and the display
circuit and transfers data to or from an external device.
6-2. Memory Circuit
Memory circuit consists of the CPU (IC510) and the SRAM
(IC503), the flash memory (IC501). The flash memory has
capacity of 32Mbit that contains the transceiver control
program for the CPU and stores the data. It also stores the
data for transceiver channels and operating parameter that
are written by the FPU. This program can be easily written
from external devices. The SRAM has capacity of 1Mbit that
contains work area and data area.
■ Flash memory
Note: The flash memory stores the data that is written by the
FPU (KPG-111D), tuning data (Deviation, Squelch, etc.), and
firmware program.
■ SRAM (static memory)
Note: The SRAM has temporary data area and work area.
When the power supply is off, it is backed up by an internal
secondary lithium battery. Therefore, the save data does not
break.
■ Real-time clock
The clock function is based on real-time clock IC (IC504).
When the power supply is off, it is backed up by an internal
secondary lithium battery
6-3. Display Unit
The display unit is composed of the CPU (IC911) and the
memory IC (IC913), and the LCD & Key backlight etc.
The LCD Ass’y (with LCD Driver) is controlled using the
bus lines on the connector (CN905) of the display unit. It
corrects the LCD contrast voltage using IC909.
6-4. Key Detection Circuit
Keys are detected using Key scan circuit in IC911. The /KI*
and KO* signals that are normally pulled up go low when any
key is pressed.
6-5. DSP
The DSP circuit consists of a DSP (IC502) and processes
the base band signal. The DSP operates on an external clock
of 18.432MHz (the same as the IC510), the I/O section oper-
ates at 3.3V and the core section operates at 1.5V. The DSP
carries out the following processes:
•4Level FSK processing
•Analog FM pre-emphasis/de-emphasis
•Vocoder processing between audio codec and modula-
tion/demodulation
•CAI processing, such as error correction encoding
•QT/DQT encoding/decoding
•DTMF encoding/decoding
•MSK encoding/decoding
•2TONE encoding/decoding
•Compressor/expander processing
•Voice scrambler processing
• Transmit/receive audio filtering processing
•Microphone amplifier AGC processing
•Audio mute processing
•Modulation level processing
7. Power Supply Circuit
+B is connected to Final amplifier and DC/DC converter IC
(IC405). IC405 regulates +B voltage to 5.0V (50M). 50M
operates whenever +B is supplied. IC402 (33M), IC408 (33A)
and IC409 (15M) are enabled while the 50M are operating.
33M and 15M provide the power to CPU, DSP, and Flash
memory. At this time CPU starts working. Voltage detector
IC (IC401) watches +B voltage. If +B voltage is higher than
8.6V, IC401 (/BINT) outputs High. If the /BINT signal is high,
Q404 (SB SW) is turned on by SBC signal from CPU. (High :
SB=ON, Low : SB=OFF). When the SB is turned on, IC403
(80C), IC404 (50C), IC406 (33C), IC407 (33GPS) and IC410
(150C) start working. Q416 and Q412 are controlled by SBC
signal. If the SBC signal becomes High, Q416 (33A-2) oper-
ates and Q412 (50MC SW) are turned on.
The CPU controls the TXC signal to High during transmis-
sion to supply power (80T) for transmission circuit. The CPU
controls the signals (RXC) to High during reception to supply
power (80R, 50R) for reception circuit.
When the CPU detects the PSW (Power switch) signal,
IGN (Ignition sense) signal or /BINT signal, it controls the SBC
signal to Low, and turns the transceiver power (SB) off.
When D401 and Q401 detect over-voltage condition, they
turns Q404 (SB SW) off. But the CPU still works.
If +B is not provided to the transceiver, the power is
provided to SRAM and RTC through the secondary battery
connected with CN405.
CIRCUIT DESCRIPTION

NX-800
23
CIRCUIT DESCRIPTION
D401
DET
Q401
INV
IC402
AVR
IC403
AVR
IC407
80T SW
Q408
80R SW
IC410
DC/DC
IC404
AVR
Q409
50R SW
Q404
SB SW
Q412
50MC SW
IC401
DET
IC405
DC/DC
50MC
SBC
CN405
RS-232C Driver
IC408
AVR
33A
33A-2
ASIC (Analog)
33M ASIC, DSP I/O
Flash memory
+B +B
SB
80C
80R
80T
TXC
/OVRB
/BINT
RXC
SBC
RXC
150C
50C
50R
Final Amp
Audio Amp, Display Block
PA connector
SB D_Sub 25Pin connector
Internal Option
Display Block
TX circuit
RX circuit
Assist, Tune circuit
VCO, Internal Option,
I/O expander, FM IC
IC409
AVR
Q411
33BU SW
IC506
DET
33BU
15M ASIC, DSP core
SRAM, RTC
CPU Reset
Q416
SW Audio circuit
RX circuit
IC406
AVR
33C TCXO, PLL
IC407
AVR
33GPS Internal Option
F401
5A F501
2A
8. Signaling Circuit
8-1. Encode (QT/DQT/DTMF/MSK/2TONE)
Each signaling data signal of QT, DQT, DTMF and MSK is
generated by the DSP circuit, superposed on a modulation
signal and output from IC510. The modulation balance of the
QT/DQT signal is adjusted by the D/A converter (IC712) and
the resulting signal is routed to the modulation input of the
VCO and VCTCXO (X1). The each deviation of the TX QT,
DQT, DTMF and MSK tone is adjusted by changing the out-
put level of the IC510 and the resulting signal is routed to
VCO and VCXO. The RX DTMF tone is routed to the receive
audio signal system, and is output from the speaker.
8-2. Decode (QT/DQT/DTMF/2TONE/MSK)
The audio signal is removed from the FM detection signal
sent to the DSP circuit and the resulting signal is decoded.
9. Compander Circuit
The term “compander” means compressor and expander.
The compander reduces noise by utilizing a compressor and
an expander. The NX-800 contains DSP (IC502) to perform
this operation. The NX-800 compander can be turned on or
off using the FPU.
Fig. 8

NX-800
24
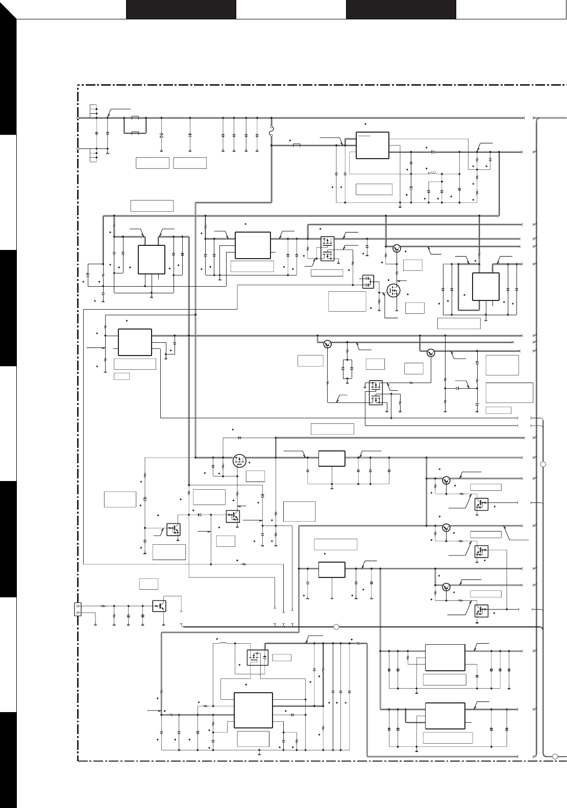
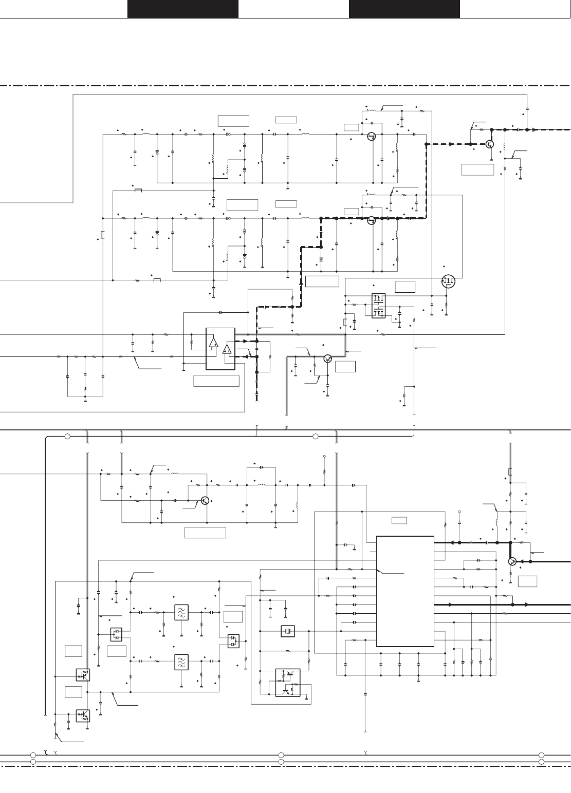
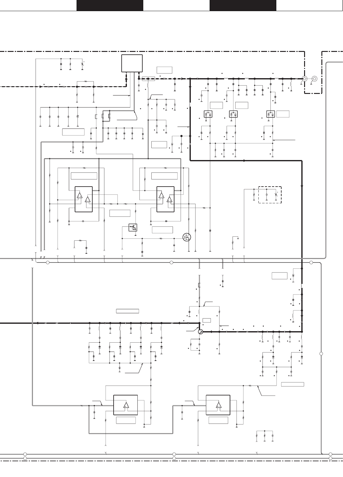
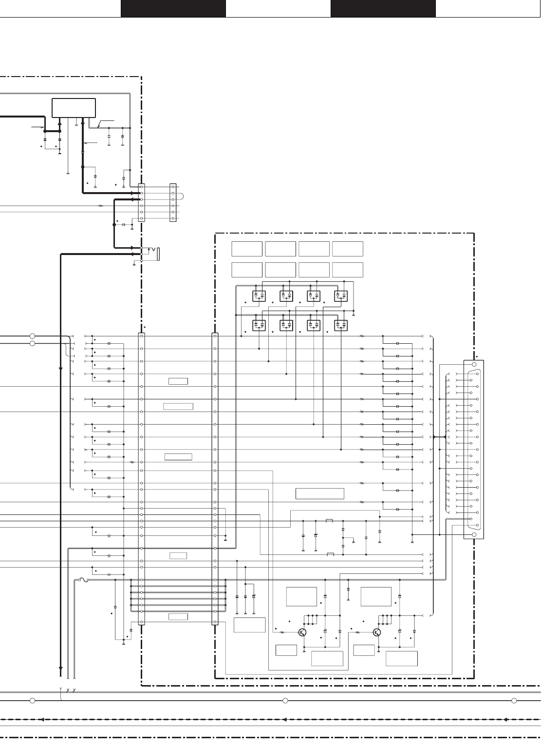
TX-RX unit (X57-7390-10) : NX-800
Ref. No. Part Name Description
IC1 MOS-IC Temp sensor
IC2 MOS-IC Buffer AMP (TCXO modulation)
IC3 MOS-IC PLL IC
IC4 MOS-IC Buffer AMP (VCO tune)
IC5 MOS-IC VCO modulation/Buffer AMP (CV)
IC101 MOS-IC Auto Power Control
IC102 MOS-IC Final AMP (RF Power Module)
IC103 MOS-IC Auto Power Control
IC201 MOS-IC Buffer AMP (2nd IF DET)
IC202 ANALOGUE IC IF IC
IC203 MOS-IC Buffer AMP (RSSI/VAGC)
IC204 MOS-IC 1st Mixer
IC205 MOS-IC Buffer AMP (BPF tune)
IC206 MOS-IC Buffer AMP (BPF tune)
IC401 MOS-IC Voltage Detector (BINT)
IC402 MOS-IC Voltage regulator (33M)
IC403 MOS-IC Voltage regulator (80C)
IC404 MOS-IC Voltage regulator (50C)
IC405 ANALOGUE IC DC/DC Converter (50M)
IC406 BI-POLAR IC Voltage regulator (33C)
IC407 MOS-IC Voltage regulator (33GPS)
IC408 MOS-IC Voltage regulator (33A)
IC409 MOS-IC Voltage regulator (15M)
IC410 ANALOGUE IC DC/DC Converter (150C)
IC501 ROM IC FLASH ROM
IC502 MCU DSP(BGA)
IC503 SRAM IC SRAM(BGA)
IC504 MOS-IC RTC
IC505 MOS-IC DELAY
IC506 MOS-IC RESET(CPU)
IC507 MOS-IC Bus Buffer (BFSX2)
IC508 MOS-IC Buffer AMP (18.432MHz)
IC509 MOS-IC
Bus Buffer (BER CLK/BER DATA)
IC510 MOS-IC MCU (BGA)
IC511 MOS-IC AND (PCS_RF/HD2)
IC512 MOS-IC
LEVEL SHIFT (AND ITXD1/SCTXD)
IC513 MOS-IC Buffer AMP (TXD2)
IC514 MOS-IC LEVEL SHIFT (I2CCK/I2CDT)
IC515 MOS-IC LEVEL SHIFT (TXDO/RTSO)
COMPONENTS DESCRIPTION
Display unit (X54-3640-10)
Ref. No. Part Name Description
IC901 MOS-IC AFO/BLC SW
IC902 MOS-IC AF Buffer AMP (AFO)
IC903 MOS-IC Voltage regulator (5C)
IC904 MOS-IC Voltage regulator (33C)
IC905 MOS-IC Bus Buffer (TXD0)
IC906 MOS-IC DC/DC Converter (N100C)
IC907 MOS-IC Dual Bus Buffer (RXD0/RXD1)
IC908 MOS-IC AND Gate (TXD1/RXD0)
IC909 MOS-IC Buffer AMP (LCD Contrast ADJ)
IC910 MOS-IC Bus Buffer (D0-D7)
IC911 MOS-IC MCU
IC912 MOS-IC Bus Buffer (A1-A2)
IC913 ROM IC Flash ROM
Q901 FET AFO SW
Q902 TRANSISTOR HK/RXD0 SW
Q904 TRANSISTOR HK/RXD0 SW
Q905 TRANSISTOR TX/RX LED (TX)
Q906 TRANSISTOR TX/RX LED (BUSY)
Q908 TRANSISTOR LCD BACK LIGHT SW
Q909 TRANSISTOR DIMER SW (LCD BACK LIGHT)
Q910 TRANSISTOR LCD BACK LIGHT SW
Q911 FET DIMER SW (LCD BACK LIGHT)
Q913 FET LCD RESET SW
D901 VARISTOR Surge absorption (DM/KVL)
D902 VARISTOR Surge absorption (HK/RXD)
D903 ZENER DIODE OVER DC Supply protection
D904 VARISTOR Surge absorption (BLC/AFO)
D906 VARISTOR LINE protection (SB)
D907 ZENER DIODE OVER DC Supply protection
D908 DIODE KEY MATRIX
D910 DIODE
Reverse Current Prevention (HK/RXD)
D911,912 DIODE KEY MATRIX
D913 DIODE LINE protection (PTT/TXDO)
D914 LED TX/RX LED
D915~926 LED LCD BACK LIGHT
D927~936 LED KEY BACK LIGHT
D937 DIODE LEVEL SHIFT (PRST)

NX-800
25
COMPONENTS DESCRIPTION
Ref. No. Part Name Description
IC516 MOS-IC LEVEL SHIFT (RXDO/CTSO)
IC517 MOS-IC I/O EXPANDER
IC518 MOS-IC RS-232C Driver
IC701 MOS-IC LPF (RXAF)
IC702 MOS-IC LPF (MOD)
IC703 MOS-IC LPF (APC/DEO)
IC704 MOS-IC Buffer AMP (2nd IF DET)
IC705 MOS-IC BRF/Buffer AMP (SQ)
IC706 MOS-IC LPF/SUM AMP
IC707 MOS-IC RXAF/RXEI SW
IC708 MOS-IC AF SW(TXO/TXI)
IC709 MOS-IC SUM AMP
(AI/TONE/MI1 MI2) / (MOD/DI)
IC710 MOS-IC AF SW (AI TONE OPT9/VREF)
IC711 MOS-IC SUM AMP (AF) / VREF
IC712 MOS-IC DAC
IC713 MOS-IC AO SW
IC714 MOS-IC AFO Buffer
IC715 ANALOGUE IC AF Power AMP
Q1 TRANSISTOR Ripple filter
Q3 TRANSISTOR Buffer AMP (PLL Fin)
Q4 TRANSISTOR Ripple filter
Q5,6 FET VCO
Q7,8 FET T/R SW (VCO)
Q9 TRANSISTOR Buffer AMP (VCO)
Q10 TRANSISTOR Buffer AMP (RF)
Q11 FET Buffer AMP (19.2MHz)
Q101 TRANSISTOR RF Pre-Drive AMP
Q102 TRANSISTOR RF Drive AMP
Q105 TRANSISTOR SW (RF Pwer H/L)
Q106 FET SW (RF Pwer H/L)
Q201 TRANSISTOR SW (W/N)
Q202 TRANSISTOR SW (W/N)
Q203 TRANSISTOR 2nd Local buffer AMP (X3)
Q204 TRANSISTOR 1st IF AMP
Q205 TRANSISTOR 1st IF AMP
Q208 TRANSISTOR Buffer AMP (Local)
Q210 TRANSISTOR LNA
Q212 TRANSISTOR SW (W/N)
Q401 TRANSISTOR SW (OVER DC Supply protection)
Ref. No. Part Name Description
Q402 TRANSISTOR DC SW (SB)
Q403 TRANSISTOR DC SW (IGN)
Q404 FET DC SW (SB)
Q405 TRANSISTOR DC SW (SCTAM1)
Q406 FET DC SW (33BU)
Q407 TRANSISTOR DC SW (80T)
Q408 TRANSISTOR DC SW (80R)
Q409 TRANSISTOR DC SW (50R)
Q410 TRANSISTOR DC SW (50MC)
Q411 TRANSISTOR DC SW (33BU)
Q412 TRANSISTOR DC SW (50MC)
Q413 TRANSISTOR DC SW (80T)
Q414 TRANSISTOR DC SW (80R)
Q415 TRANSISTOR DC SW (50R)
Q416 FET DC SW (33A-2)
Q417 FET DC SW
Q501 FET DC SW
Q701 FET SW (W/N)
Q702 TRANSISTOR Noise AMP
Q703 FET TONE SW
Q704 TRANSISTOR LIMIT
Q705 TRANSISTOR LIMIT
Q706 FET MUTE (MI1)
Q707 FET MUTE (MI2)
Q708 TRANSISTOR OPT10 SW
Q709 TRANSISTOR DC SW
Q710 TRANSISTOR AF MUTE
Q901,902 TRANSISTOR DC SW (AUXO1, AUXO2)
D2 DIODE Bypass diode
D3,4
VARIABLE
Frequency control
CAPACITANCE DIODE
D7~12
VARIABLE
Frequency control
CAPACITANCE DIODE
D14
VARIABLE
TX modulation
CAPACITANCE DIODE
D21 DIODE 2nd Local SW
D101 DIODE T/R SW
D102 ZENER DIODE PM DRAIN BAIAS protection
D103 DIODE Antenna switch
D106 DIODE Antenna switch

NX-800
26
Ref. No. Part Name Description
D903 DIODE Line protection (AUXIO1)
D904 DIODE Line protection (AUXIO2)
D905,906 ZENER DIODE OVER DC Supply protection
D907 DIODE Line protection (AUXIO3)
D908 DIODE Line protection (AUXIO4)
D909 DIODE Reverse Current Prevention (SB)
D910 ZENER DIODE OVER DC Supply protection
D911 DIODE Line protection (AUXIO8)
D912 DIODE Line protection (AUXIO5)
D913 DIODE Reverse Current Prevention (SB)
D914 ZENER DIODE OVER DC Supply protection
COMPONENTS DESCRIPTION
Ref. No. Part Name Description
D108~10 DIODE Power Det
D201,202 DIODE CF SW (W/N)
D205 DIODE T/R SW
D207~210
VARIABLE
Vari-Cap tune
CAPACITANCE DIODE
D212,213
VARIABLE
Vari-Cap tune
CAPACITANCE DIODE
D216 DIODE Antenna switch
D401 ZENER DIODE OVER DC Supply protection
D403 DIODE Reverse Current Prevention
D404 VARISTOR Surge absorption
D405 DIODE Reverse protection
D406 DIODE
Reverse Current Prevention (BLVL)
D407 DIODE DC/DC Converter (50M)
D408 DIODE Reverse Current Prevention
(OR 33M/SBC_2)
D409 DIODE DC/DC Converter (50M)
D410 DIODE Reverse Current Prevention
(Buck UP Battery)
D411 DIODE
Reverse Current Prevention (33BU)
D412 DIODE
Discharge (33H, 33A, CE)
D501,502 DIODE Line protection
D503 DIODE
Reverse Current Prevention (PCS_RF)
D504 DIODE
Reverse Current Prevention (RXD)
D506 DIODE Reverse Current Prevention
(OR G_RXD2)
D507 DIODE Reverse Current Prevention
(OR RXD2)
D508 DIODE Line protection
D509,510 DIODE Reverse Current Prevention
D511 DIODE Line protection (RXD2)
D512 DIODE Line protection (AUXIO9)
D702 DIODE SQ Voltage Control
D703 DIODE Noise Detector (SQ)
D704 DIODE AF Detector (LIMIT)
D705 DIODE AF Detector (LIMIT)
D706 ZENER DIODE Line protection (DI)
D707 ZENER DIODE Line protection (DEO)
D901 DIODE Line protection (BER CK)
D902 DIODE Line protection (BER DT)

NX-800
27
PARTS LIST
CAPACITORS
1 = Type ... ceramic, electrolytic, etc.
2 = Shape ... round, square, ect.
3 = Temp. coefficient
4 = Voltage rating
5 = Value
6 = Tolerance
Color*
CC45
Capacitor value
010 = 1pF
100 = 10pF
101 = 100pF
102 = 1000pF = 0.001µF
103 = 0.01µF
22
Multiplier
2nd number
1st number
0 = 22pF
CC 45 TH 1H J220
12346
5
Temperature coefficient
Tolerance (More than 10pF)
Voltage rating
Chip capacitors
1
1st Word
Color*
Code DG JKMX ZP No code
LCPRSTU
Black Red Orange Yellow Green Blue Violet
0 -80 -150 -220
+ 40
- 40
+ 80
- 20
+ 100
-0
-330 -470 -750
C
(%)
ppm/
0.25 0.5 2 5 10 20 More than 10µF-10 +50
Less than 4.7µF-10 +75
2nd Word HG
Example : CC45TH = -470
JKL
ppm/ 30 60
0.1 0.25 0.5 1 2
120 250 500
60ppm/
Gode CD FGB
(pF)
(Less than 10pF)
1st word
2nd word A
02.0 2.5 3.15
20 25 31.5
200 250 315
2000 2500 3150
1.0 1.25 1.6
10 12.5 16
100 125 160
1000 1250 1600
1
2
3
BCD EF
4.0
40
400
4000
G
5.0
50
500
5000
H
6.3
63
630
6300
J
8.0
80
800
8000
K
-
35
-
-
V
(EX) C C 7 3 F S L 1 H 000 J
Refer to the table above.
1 = Type
2 = Shape
5 = Voltage rating
4 = Temp. coefficient
3 = Dimension
6 = Value
7 = Tolerance
7654321
(EX) C K 7 3 F F 1 H 000 Z
7654321
(Chip)(CH,RH,UJ,SL)
(Chip)(B,F)
Chip resistor (Carbon)
(EX) R D 7 3 E B 2 B 000 J
7654321
RESISTORS
(Chip)(B,F)
Carbon resistor (Normal type)
(EX) R D 1 4 B B 2C 000 J
7654321
1 = Type
2 = Shape
5 = Rating wattage
4 = Temp. coefficient
3 = Dimension
6 = Value
7 = Tolerance
Dimension code L W T
Empty
A
B
C
D
E
F
G
H
L
W
T
0.5
5.0
0.4
3.2
0.3
2.0
0.2
1.25
0.2
1.6
0.2
1.25
0.2
0.8
0.05
0.5 0.05
0.5
0.3
2.5
0.5
5.6
0.5
4.5
0.5
4.5
0.5
4.5
0.2
3.0
0.3
2.0
0.2
1.6
0.05
1.0
0.4
3.2
Less than 2.0
Less than 2.0
Less than 2.0
Less than 1.25
Less than 1.5
Less than 1.25
Less than 1.25
Less than 1.0
Dimension (Chip capacitors)
Dimension (Chip resistor)
Rating wattage
Dimension
Dimension code L W T
E
F
G
H
0.2
1.6
0.2
1.25
0.2
0.8
0.05
0.5
0.1
0.5
0.05
0.35
0.2
3.2
0.3
2.0
0.2
1.6
0.05
1.0
1.0
1.0
Code
2C
2H
2E
Wattage
1/6W
1/2W
1/4W
Code
1J
2B
2A
Wattage
1/16W
1/8W
1/10W
Code
3A
3D
Wattage
1W
2W

NX-800
PARTS LIST
∗ New Parts. indicates safety critical components.
Parts without Parts No. are not supplied.
Les articles non mentionnes dans le Parts No. ne sont pas fournis.
Teile ohne Parts No. werden nicht geliefert.
L:
Scandinavia
K:
USA
P:
Canada
Y:
PX (Far East, Hawaii)
T:
England
E:
Europe
Y:
AAFES (Europe)
X:
Australia
M:
Other Areas
Parts No. Description
Address New
parts
Destination Destination
NX-800
Ref. No. Parts No. Description
Address New
parts
Ref. No.
28
NX-800 (Y51-5150-XX)
DISPLAY UNIT (X54-3640-10)
63 1C T91-0639-35 MICROPHONEACCESSORY
64 2A W09-0971-05 LITHIUM CELL
D914 ∗B30-2304-05 LED(RED/GREEN)
D915-926 B30-2281-05 LED(Y)
D927-936 B30-2282-05 LED(Y)
C903 CK73HB1E103K CHIP C 0.010UF K
C905 CK73HB1A104K CHIP C 0.10UF K
C906 CK73HB1H222K CHIP C 2200PF K
C907-909 CK73HB1H102K CHIP C 1000PF K
C910-912 CC73HCH1H101J CHIP C 100PF J
C913 CK73HB1A104K CHIP C 0.10UF K
C914 CK73HB1H102K CHIP C 1000PF K
C915 CK73FB1E475K CHIP C 4.7UF K
C916 CK73GB1E105K CHIP C 1.0UF K
C917,918 CK73HB1A104K CHIP C 0.10UF K
C919 CK73HB1H102K CHIP C 1000PF K
C920 CC73HCH1H121J CHIP C 120PF J
C921 CK73HB1A104K CHIP C 0.10UF K
C922-925 CK73HB1H102K CHIP C 1000PF K
C926-929 CK73HB1A104K CHIP C 0.10UF K
C930 CK73GB1E105K CHIP C 1.0UF K
C931,932 CK73HB1H102K CHIP C 1000PF K
C933 CK73GB1E105K CHIP C 1.0UF K
C934 CK73HB1H102K CHIP C 1000PF K
C935 ∗CS77BA1E4R7M CHIP TNTL 4.7UF 25WV
C936 CC73HCH1H100D CHIP C 10PF D
C938 CC73HCH1H100D CHIP C 10PF D
C939 CK73GB1C104K CHIP C 0.10UF K
C940 CK73FB1A106K CHIP C 10UF K
C941,942 CK73HB1H102K CHIP C 1000PF K
C943,944 ∗CS77BA1E4R7M CHIP TNTL 4.7UF 25WV
C945 CK73GB1H103K CHIP C 0.010UF K
C946 CC73HCH1H101J CHIP C 100PF J
C947 CK73HB1A104K CHIP C 0.10UF K
C948 CC73HCH1H101J CHIP C 100PF J
C949-954 CK73GB1E105K CHIP C 1.0UF K
C955 CC73HCH1H101J CHIP C 100PF J
C956,957 CK73HB1E103K CHIP C 0.010UF K
C958 CK73HB1H102K CHIP C 1000PF K
C959,960 CK73HB1E103K CHIP C 0.010UF K
C961 CK73HB0J105K CHIP C 1.0UF K
C962 CK73HB1A104K CHIP C 0.10UF K
C963 CC73HCH1H101J CHIP C 100PF J
C964 CK73GB1E105K CHIP C 1.0UF K
C965 CK73HB1A104K CHIP C 0.10UF K
C966,967 CK73HB1H102K CHIP C 1000PF K
CN901 E40-6559-05 FLAT CABLE CONNECTOR
CN902 E41-2671-05 PIN ASSY
CN905 E40-6557-05 FLAT CABLE CONNECTOR
J901 E58-0522-05 MODULAR JACK
11B A01-2194-11 METALLIC CABINET
43A∗A62-1162-03 PANEL ASSY
52A B09-0681-03 CAP(KAP-2)
7-∗B11-1850-04 FILTER(LCD)
83B∗B38-0922-05 LCD ASSY
11 3A B42-7296-04 STICKER(NEXEDGE)
18 1D ∗B62-2000-00 INSTRUCTION MANUAL
20 2B E04-0167-15 RF COAXIAL RECEPTACLE(M)
21 2B E30-7520-15 DC CORD(PIG TAIL)
22 2C E30-7523-35 DC CORD ASSY ACCESSORY
23 2A E37-1118-05
LEAD WIRE WITH CONNECTOR(SHORT CABLE)
24 3B E37-1124-05 LEAD WIRE WITH CONNECTOR(2P/SP)
25 2A E37-1378-05 FLAT CABLE(30P/D-SUB)
26 2A E37-1379-05 FLAT CABLE(30P/PANEL)
27 2B F10-2488-12 SHIELDING PLATE(CHASSIS)
28 1A F10-2489-13 SHIELDING CASE(FINAL)
29 1A F10-2490-13 SHIELDING CASE(VCO)
30 2C F52-0024-05 FUSE(BLADE TYPE)15A/32V
31 - G10-1322-04 FIBROUS SHEET(PANEL-SP)
32 2B,3B G10-1342-04 FIBROUS SHEET(BIRITSUKI)
33 - G11-4336-04 SHEET(PANEL-FG)
34 1B G11-4343-04 SHEET(STEP)
35 1A G13-2018-04 CUSHION(FINAL)
36 2B G13-2047-04 CUSHION(DC SCREW)
65 2B G13-2262-04 CUSHION(FPC)
37 1B G53-1613-11 PACKING(SHIELDPLATE)
38 1A G53-1616-03 PACKING(PHONE JACK)
39 2B G53-1626-03 PACKING(D-SUB OUTER)
40 2B G53-1643-04 PACKING(DC CORD)
41 2B G53-1645-03 PACKING(D-SUB INNER)
42 2A G53-1662-04 PACKING(ANT)
43 3A G53-1676-03 PACKING(CHASSIS)
44 2C ∗H02-0630-03 INNER CARTON CASE
45 2D ∗H12-4235-05 PACKING FIXTURE
46 2D ∗H12-4236-05 PACKING FIXTURE
49 3D ∗H52-2197-02 ITEM CARTON CASE
51 2C J19-1584-15 MIC HOLDER ACCESSORY
52 3B J19-5464-13 HOLDER(SP)
53 3B J19-5485-12 HOLDER(PANEL)
54 3B ∗J19-5502-03 HOLDER(LCD)
55 2B J21-8479-02 MOUNTING HARDWARE(D-SUB)
56 3B J21-8481-03 MOUNTING HARDWARE(SP)
57 3B ∗J21-8569-03 MOUNTING HARDWARELCD
58 2C J29-0726-03 BRACKET ACCESSORY
59 3B J30-1289-04 SPACER(SP SHEET)
60 3A ∗K29-9401-03 KEY TOP
A2B N09-2292-05 HEXAGON HEAD SCREW
B1A,2A N67-3008-48 PAN HEAD SEMS SCREW
C1A,2B ∗N87-2606-43 BRAZIER HEAD TAPTITE SCREW
D
1A,2A,2B
N87-2608-48 BRAZIER HEAD TAPTITE SCREW
61 2C N99-2039-05 SCREW SET ACCESSORY
62 3B T07-0757-15 SPEAKER
DISPLAY UNIT (X54-3640-10)

NX-800
PARTS LIST
Ref. No. Parts No. Description
Address New
parts
Ref. No. Parts No. Description
Address New
parts Destination Destination
TX-RX UNIT (X57-7390-11)
29
J31-0551-05 COLLAR
L901,902 L41-1095-39 SMALL FIXED INDUCTOR(1.0UH)
L903-905 L92-0140-05 CHIP FERRITE
L906 L92-0163-05 BEADS CORE
L907 L92-0140-05 CHIP FERRITE
L908 L92-0163-05 BEADS CORE
X901 L77-1950-05 CRYSTAL RESONATOR(11.0592MHZ)
CP907,908 RK75HA1JR00J CHIP-COM 0.00 J 1/16W
CP909 RK74HA1J104J CHIP-COM 100K J 1/16W
CP910 ∗RK74HA1J101J CHIP-COM 100 J 1/16W
CP912 ∗RK74HA1J101J CHIP-COM 100 J 1/16W
CP917 RK74HA1J104J CHIP-COM 100K J 1/16W
R900 RK73HB1J000J CHIP R 0.0 J 1/16W
R901 RK73GB2A000J CHIP R 0.0 J 1/10W
R902 RK73HB1J102J CHIP R 1.0K J 1/16W
R904 RK73HB1J101J CHIP R 100 J 1/16W
R905 RK73HB1J102J CHIP R 1.0K J 1/16W
R906 RK73HB1J331J CHIP R 330 J 1/16W
R907 RK73HB1J104J CHIP R 100K J 1/16W
R908 RK73HB1J473J CHIP R 47K J 1/16W
R909 RK73HB1J104J CHIP R 100K J 1/16W
R911 RK73HB1J472J CHIP R 4.7K J 1/16W
R912 RK73HB1J333J CHIP R 33K J 1/16W
R913 RK73HB1J823J CHIP R 82K J 1/16W
R914 RK73HB1J104J CHIP R 100K J 1/16W
R915 RK73HB1J473J CHIP R 47K J 1/16W
R916,917 RK73HB1J103J CHIP R 10K J 1/16W
R918 RK73GB2A100J CHIP R 10 J 1/10W
R919 RK73HB1J103J CHIP R 10K J 1/16W
R920,921 RK73HB1J101J CHIP R 100 J 1/16W
R922-925 RK73HB1J102J CHIP R 1.0K J 1/16W
R926 RK73HB1J103J CHIP R 10K J 1/16W
R927 RK73HB1J473J CHIP R 47K J 1/16W
R928 RK73HB1J103J CHIP R 10K J 1/16W
R929 RK73HB1J474J CHIP R 470K J 1/16W
R930 RK73HB1J103J CHIP R 10K J 1/16W
R931 RK73FB2B561J CHIP R 560 J 1/8W
R932 RK73FB2B471J CHIP R 470 J 1/8W
R933 RK73HB1J101J CHIP R 100 J 1/16W
R934-937 RK73HB1J473J CHIP R 47K J 1/16W
R938,939 RK73HB1J103J CHIP R 10K J 1/16W
R940 RK73HB1J274J CHIP R 270K J 1/16W
R941 RK73HB1J124J CHIP R 120K J 1/16W
R942 RK73HB1J000J CHIP R 0.0 J 1/16W
R943 RK73HB1J102J CHIP R 1.0K J 1/16W
R944 RK73HB1J104J CHIP R 100K J 1/16W
R945,946 RK73HB1J000J CHIP R 0.0 J 1/16W
R947 RK73HB1J474J CHIP R 470K J 1/16W
R948 RK73HB1J103J CHIP R 10K J 1/16W
R949 RK73HB1J102J CHIP R 1.0K J 1/16W
R950 RK73HB1J473J CHIP R 47K J 1/16W
R952 RK73HB1J000J CHIP R 0.0 J 1/16W
R953 RK73GB2A271J CHIP R 270 J 1/10W
R954 RK73GB2A470J CHIP R 47 J 1/10W
R955 RK73GB2A271J CHIP R 270 J 1/10W
R956 RK73GB2A101J CHIP R 100 J 1/10W
R957,958 RK73GB2A271J CHIP R 270 J 1/10W
R960 RK73HB1J000J CHIP R 0.0 J 1/16W
R962 RK73HB1J000J CHIP R 0.0 J 1/16W
R963,964 RK73GB2A391J CHIP R 390 J 1/10W
R965,966 RK73GB2A821J CHIP R 820 J 1/10W
R967-974 RK73HB1J103J CHIP R 10K J 1/16W
R976 RK73HB1J000J CHIP R 0.0 J 1/16W
R977-979 RK73HB1J473J CHIP R 47K J 1/16W
R981,982 RK73HB1J103J CHIP R 10K J 1/16W
R986 RK73HB1J103J CHIP R 10K J 1/16W
R988 RK73HB1J473J CHIP R 47K J 1/16W
R989 RK73HB1J474J CHIP R 470K J 1/16W
R990 RK73HB1J472J CHIP R 4.7K J 1/16W
R991 RK73HB1J474J CHIP R 470K J 1/16W
R992 RK73HB1J000J CHIP R 0.0 J 1/16W
R996 RK73HB1J472J CHIP R 4.7K J 1/16W
R997 RK73GB2A000J CHIP R 0.0 J 1/10W
R998 RK73HB1J000J CHIP R 0.0 J 1/16W
R999 RK73HB1J101J CHIP R 100 J 1/16W
D901,902 AVRM16080MAAB VARISTOR
D903 02DZ18F-X,Y ZENER DIODE
D904 AVRM16080MAAB VARISTOR
D906 MINISMDC020F VARISTOR
D907 02DZ18F-X,Y ZENER DIODE
D908 HSC119 DIODE
D910 1SS416 DIODE
D911,912 HSC119 DIODE
D913 DA204U DIODE
D937 1SS416 DIODE
IC901 TC7W66FK-F MOS-IC
IC902 TC75S51FE(F) MOS-IC
IC903 XC6204B502PR MOS-IC
IC904 XC6204B332M MOS-IC
IC905 TC7SH126FU-F MOS-IC
IC906 LM2682MMX MOS-IC
IC907 TC7WH126FU-F MOS-IC
IC908 TC7SH08FU-F MOS-IC
IC909 LMC7101BIM5 MOS-IC
IC910 TC74LCX245FK MOS-IC
IC911 ∗30620SPGPU3C MICROPROCESSOR IC
IC912 TC7WZ245FK-F MOS-IC
IC913 ∗29AL16D7KCCA ROM IC
Q901 SSM3K15TE(F) FET
Q902 DTC144EE DIGITAL TRANSISTOR
Q904 DTC144EE DIGITAL TRANSISTOR
Q905,906 DTC114EE DIGITAL TRANSISTOR
Q908,909 DTC114EE DIGITAL TRANSISTOR
Q910 12A02CH TRANSISTOR
Q911 SSM3K15TE(F) FET
Q913 UPA672T-A FET
TH901 ERTJ0EV104H THERMISTOR
C1 CK73HB0J105K CHIP C 1.0UF K
C2 CC73HCH1H101J CHIP C 100PF J
C3 CK73HB1H471K CHIP C 470PF K
C4 CK73HB1A104K CHIP C 0.10UF K
C5 CK73HB1E103K CHIP C 0.010UF K
C6 CC73HCH1H101J CHIP C 100PF J
C7 CC73HCH1H180J CHIP C 18PF J
TX-RX UNIT (X57-7390-11 for service)
DISPLAY UNIT (X54-3640-10)

NX-800
PARTS LIST
30
Ref. No. Parts No. Description
Address New
parts
Ref. No. Parts No. Description
Address New
parts Destination Destination
TX-RX UNIT (X57-7390-11)
C8 CC73HCH1H080B CHIP C 8.0PF B
C9 CK73HB1E103K CHIP C 0.010UF K
C10 CC73HCH1H390J CHIP C 39PF J
C11 CK73FB1A106K CHIP C 10UF K
C12 CC73HCH1H080B CHIP C 8.0PF B
C13 CK73HB1E103K CHIP C 0.010UF K
C14 CK73GB1E105K CHIP C 1.0UF K
C15 CC73HCH1H101J CHIP C 100PF J
C16 ,17 CK73HB1E103K CHIP C 0.010UF K
C18 -23 CC73HCH1H101J CHIP C 100PF J
C24 CK73HB1A104K CHIP C 0.10UF K
C25 ,26 CC73HCH1H101J CHIP C 100PF J
C27 CK73HB1A104K CHIP C 0.10UF K
C28 ,29 CC73HCH1H101J CHIP C 100PF J
C31 CC73HCH1H101J CHIP C 100PF J
C32 ∗CS77CA1VR15M CHIP TNTL 0.15UF 35WV
C33 CC73HCH1H330J CHIP C 33PF J
C34 CC73HCH1H470J CHIP C 47PF J
C35 CS77BA1D100M CHIP TNTL 10UF 20WV
C36 CC73HCH1H050B CHIP C 5.0PF B
C37 C92-0863-05 CHIP TNTL 0.047UF 35WV
C38 C93-0787-05 CHIP C 0.10UF
C39 CC73HCH1H030B CHIP C 3.0PF B
C41 CK73HB1H471K CHIP C 470PF K
C43 CK73HB1H471K CHIP C 470PF K
C44 ,45 CC73HCH1H101J CHIP C 100PF J
C46 CC73HCH1H050B CHIP C 5.0PF B
C47 CC73HCH1H470J CHIP C 47PF J
C48 CK73HB0J105K CHIP C 1.0UF K
C49 CC73HCH1H100B CHIP C 10PF B
C50 ,51 CC73HCH1H151J CHIP C 150PF J
C52 ,53 CK73HB1H471K CHIP C 470PF K
C54 CK73HB1A104K CHIP C 0.10UF K
C55 CK73HB0J105K CHIP C 1.0UF K
C56 CK73HB1H471K CHIP C 470PF K
C58 CC73HCH1H120G CHIP C 12PF G
C59 CC73HCH1H150G CHIP C 15PF G
C60 CC73HCH1HR75B CHIP C 0.75PF B
C61 CC73HCH1H0R5B CHIP C 0.5PF B
C63 CC73HCH1HR75B CHIP C 0.75PF B
C64 CC73HCH1H070B CHIP C 7.0PF B
C65 CK73FB1A106K CHIP C 10UF K
C66 ,67 CC73HCH1H060B CHIP C 6.0PF B
C68 CC73HCH1H040B CHIP C 4.0PF B
C69 CC73HCH1H050B CHIP C 5.0PF B
C70 CK73HB1H471K CHIP C 470PF K
C71 CK73GB1E105K CHIP C 1.0UF K
C72 CC73HCH1H030B CHIP C 3.0PF B
C73 CK73HB1H471K CHIP C 470PF K
C74 CC73HCH1H0R5B CHIP C 0.5PF B
C75 CK73HB1H471K CHIP C 470PF K
C76 CC73HCH1H0R5B CHIP C 0.5PF B
C77 ,78 CK73HB1H471K CHIP C 470PF K
C79 CC73HCH1H070B CHIP C 7.0PF B
C80 CK73HB1H471K CHIP C 470PF K
C81 CC73HCH1H100B CHIP C 10PF B
C82 CC73HCH1H330J CHIP C 33PF J
C83 ,84 CK73HB1H471K CHIP C 470PF K
C85 CK73HB1A104K CHIP C 0.10UF K
C86 CC73HCH1H070B CHIP C 7.0PF B
C88 CK73HB1E103K CHIP C 0.010UF K
C90 -92 CK73HB1E103K CHIP C 0.010UF K
C98 CK73HB1H471K CHIP C 470PF K
C101 CK73HB1H102K CHIP C 1000PF K
C102 CK73HB1H471K CHIP C 470PF K
C103 CK73HB1E103K CHIP C 0.010UF K
C104-107 CC73HCH1H101J CHIP C 100PF J
C108 CK73FB1E475K CHIP C 4.7UF K
C109 CC73HCH1H060D CHIP C 6.0PF D
C110-112 CC73HCH1H101J CHIP C 100PF J
C115-117 CC73HCH1H101J CHIP C 100PF J
C118 CC73HCH1H060D CHIP C 6.0PF D
C120 CK73HB1H471K CHIP C 470PF K
C123 CC73HCH1H220J CHIP C 22PF J
C125 CK73HB1H471K CHIP C 470PF K
C127 CK73HB1H471K CHIP C 470PF K
C128 CC73HCH1H470J CHIP C 47PF J
C131 CC73HCH1H101J CHIP C 100PF J
C132 CK73HB1H471K CHIP C 470PF K
C133 CC73HCH1H220J CHIP C 22PF J
C134 CK73HB1H471K CHIP C 470PF K
C135 CC73HCH1H101J CHIP C 100PF J
C136 CK73FB1H471K CHIP C 470PF K
C137 ∗CK73GB0J335K CHIP C 3.3UF K
C141 CC73HCH1H220J CHIP C 22PF J
C142 CC73HCH1H470J CHIP C 47PF J
C145 CC73HCH1H101J CHIP C 100PF J
C147 CK73HB1H471K CHIP C 470PF K
C150 C92-0875-05 ELECTRO 47UF 25WV
C152,153 CC73HCH1H101J CHIP C 100PF J
C155,156 CC73HCH1H220J CHIP C 22PF J
C157 CC73HCH1H101J CHIP C 100PF J
C158 CK73HB1H471K CHIP C 470PF K
C162 CC73FCH1H020C CHIP C 2.0PF C
C164 CC73GCH1H0R5B CHIP C 0.5PF B
C165 CC73GCH1H010B CHIP C 1.0PF B
C166 CC73HCH1H101J CHIP C 100PF J
C169 CC73HCH1H101J CHIP C 100PF J
C170 CC73GCH1H0R5B CHIP C 0.5PF B
C171 CC73GCH1H030B CHIP C 3.0PF B
C172 CC73HCH1H101J CHIP C 100PF J
C174 C93-0553-05 CHIP C 3.0PF C
C175 CC73HCH1H101J CHIP C 100PF J
C177 C93-0556-05 CHIP C 6.0PF D
C178 CC73GCH1H0R5B CHIP C 0.5PF B
C179 CC73GCH1H030B CHIP C 3.0PF B
C180,181 CC73HCH1H101J CHIP C 100PF J
C184 CM73F2H010C CHIP C 1.0PF C
C185 CM73F2H060D CHIP C 6.0PF D
C186 CM73F2H121J CHIP C 120PF J
C187 C93-0553-05 CHIP C 3.0PF C
C188 CM73F2H080D CHIP C 8.0PF D
C189 CM73F2H070D CHIP C 7.0PF D
C190 C93-0555-05 CHIP C 5.0PF C
C193,194 CK73HB1H471K CHIP C 470PF K
C201 CK73HB1E103K CHIP C 0.010UF K
C202-205 CK73HB1A104K CHIP C 0.10UF K
C206 CC73HCH1H100B CHIP C 10PF B

NX-800
PARTS LIST
Ref. No. Parts No. Description
Address New
parts
Ref. No. Parts No. Description
Address New
parts Destination Destination
TX-RX UNIT (X57-7390-11)
31
C207,208 CK73HB1E103K CHIP C 0.010UF K
C210 CK73HB1A104K CHIP C 0.10UF K
C211 CC73HCH1H100B CHIP C 10PF B
C212,213 CK73HB1A104K CHIP C 0.10UF K
C214 CC73HCH1H680J CHIP C 68PF J
C215 CC73HCH1H101J CHIP C 100PF J
C216 CC73HCH1H680J CHIP C 68PF J
C217 CK73HB1A104K CHIP C 0.10UF K
C218,219 CK73GB0J475K CHIP C 4.7UF K
C220 CC73HCH1H470J CHIP C 47PF J
C221 CK73FB1A106K CHIP C 10UF K
C222-224 CK73HB1E103K CHIP C 0.010UF K
C225 CK73HB1A104K CHIP C 0.10UF K
C226 CK73FB1A106K CHIP C 10UF K
C227 CC73HCH1H820J CHIP C 82PF J
C228-230 CK73HB1A104K CHIP C 0.10UF K
C231 CK73HB1E103K CHIP C 0.010UF K
C232 CK73HB1A104K CHIP C 0.10UF K
C233 CK73HB0J105K CHIP C 1.0UF K
C234 CK73HB1E103K CHIP C 0.010UF K
C236 CC73HCH1H470J CHIP C 47PF J
C237 CK73HB1H471K CHIP C 470PF K
C238-240 CK73HB1E103K CHIP C 0.010UF K
C242 CK73HB1H471K CHIP C 470PF K
C243 CK73HB1E103K CHIP C 0.010UF K
C244 CC73HCH1H470J CHIP C 47PF J
C245 CK73HB1H471K CHIP C 470PF K
C246 CK73HB1E103K CHIP C 0.010UF K
C247 CK73HB1A104K CHIP C 0.10UF K
C252 CC73HCH1H010B CHIP C 1.0PF B
C256 CC73HCH1H010B CHIP C 1.0PF B
C257 CK73HB1H471K CHIP C 470PF K
C260 CK73HB1E103K CHIP C 0.010UF K
C261 CC73HCH1H101J CHIP C 100PF J
C262 CK73HB1E103K CHIP C 0.010UF K
C263,264 CK73HB1H471K CHIP C 470PF K
C265 CK73HB1E103K CHIP C 0.010UF K
C266 CK73HB1H102K CHIP C 1000PF K
C267 CC73HCH1H070B CHIP C 7.0PF B
C268 CK73HB1E103K CHIP C 0.010UF K
C269,270 CK73HB1H471K CHIP C 470PF K
C271 CC73HCH1H100B CHIP C 10PF B
C272 CC73HCH1H020B CHIP C 2.0PF B
C273 CC73HCH1H120G CHIP C 12PF G
C275 CC73HCH1H010B CHIP C 1.0PF B
C276 CC73HCH1H060B CHIP C 6.0PF B
C278-281 CK73HB1H471K CHIP C 470PF K
C283 CC73HCH1H080B CHIP C 8.0PF B
C284 CK73HB1H471K CHIP C 470PF K
C285 CC73HCH1H220G CHIP C 22PF G
C286 CC73HCH1H070B CHIP C 7.0PF B
C287 CC73HCH1H050B CHIP C 5.0PF B
C288 CK73HB1H471K CHIP C 470PF K
C289 CK73GB1H104K CHIP C 0.10UF K
C290 CC73HCH1H180G CHIP C 18PF G
C291 CC73HCH1H070B CHIP C 7.0PF B
C292 CK73HB1H471K CHIP C 470PF K
C293 CC73HCH1H100B CHIP C 10PF B
C294 CK73HB1H471K CHIP C 470PF K
C295 CC73HCH1H180G CHIP C 18PF G
C296,297 CC73HCH1H070B CHIP C 7.0PF B
C298 CK73HB1H471K CHIP C 470PF K
C299 CC73HCH1H220G CHIP C 22PF G
C301 CC73HCH1H100B CHIP C 10PF B
C302 CK73GB1H104K CHIP C 0.10UF K
C307,308 CK73HB1H471K CHIP C 470PF K
C310 CC73HCH1H330G CHIP C 33PF G
C315 CC73HCH1H050B CHIP C 5.0PF B
C316 CK73HB1H471K CHIP C 470PF K
C317 CC73HCH1H100B CHIP C 10PF B
C318,319 CC73HCH1H020B CHIP C 2.0PF B
C320 CK73HB1H471K CHIP C 470PF K
C321 CC73HCH1H040B CHIP C 4.0PF B
C322 CC73HCH1H080B CHIP C 8.0PF B
C323 CC73HCH1H101J CHIP C 100PF J
C324 CC73HCH1H120G CHIP C 12PF G
C325 CC73HCH1H040B CHIP C 4.0PF B
C327 CK73HB1H471K CHIP C 470PF K
C330-334 CK73HB1A104K CHIP C 0.10UF K
C335 CC73HCH1H120G CHIP C 12PF G
C336 CK73HB1E103K CHIP C 0.010UF K
C337,338 CK73HB1A104K CHIP C 0.10UF K
C339 CK73HB1E103K CHIP C 0.010UF K
C341 CK73HB0J105K CHIP C 1.0UF K
C342 CK73FB1A106K CHIP C 10UF K
C343 CK73HB1A104K CHIP C 0.10UF K
C344 CC73HCH1H101J CHIP C 100PF J
C347 CK73HB1H471K CHIP C 470PF K
C348 CK73HB1E103K CHIP C 0.010UF K
C358 CK73HB1H102K CHIP C 1000PF K
C401 C92-0777-05 ELECTRO 1000UF 25WV
C403 CK73HB1H471K CHIP C 470PF K
C405 CK73HB1H471K CHIP C 470PF K
C406 CK73HB1H102K CHIP C 1000PF K
C409 CK73HB1E103K CHIP C 0.010UF K
C410 CK73GB1H103K CHIP C 0.010UF K
C411 CK73HB1H471K CHIP C 470PF K
C413 CK73GB1E105K CHIP C 1.0UF K
C415 CK73HB1H471K CHIP C 470PF K
C417 CK73HB1H471K CHIP C 470PF K
C419 CK73HB1H102K CHIP C 1000PF K
C420 CK73HB1A104K CHIP C 0.10UF K
C421 CK73GB1H473K CHIP C 0.047UF K
C422 CK73FB1E475K CHIP C 4.7UF K
C424 CK73GB1E105K CHIP C 1.0UF K
C425 CK73GB1H104K CHIP C 0.10UF K
C426 CK73HB1E103K CHIP C 0.010UF K
C427 CK73HB1H471K CHIP C 470PF K
C428 CC73HCH1H101J CHIP C 100PF J
C429 CK73GB1H104K CHIP C 0.10UF K
C430,431 CK73FB1E475K CHIP C 4.7UF K
C432 C92-0875-05 ELECTRO 47UF 25WV
C433 CK73GB1H104K CHIP C 0.10UF K
C434 CK73HB1H102K CHIP C 1000PF K
C435 CK73FB1A106K CHIP C 10UF K
C436 ∗CS77BA1A100M CHIP TNTL 10UF 10WV
C437 CK73HB1A224K CHIP C 0.22UF K
C438 CK73FB1A106K CHIP C 10UF K
C439 CK73HB1E103K CHIP C 0.010UF K
C440 CK73GB1E105K CHIP C 1.0UF K

NX-800
PARTS LIST
32
Ref. No. Parts No. Description
Address New
parts
Ref. No. Parts No. Description
Address New
parts Destination Destination
TX-RX UNIT (X57-7390-11)
C441,442 CK73HB1E103K CHIP C 0.010UF K
C443,444 CK73GB1E105K CHIP C 1.0UF K
C445 CK73FB1A106K CHIP C 10UF K
C446 C92-0765-05 CHIP TNTL 4.7UF 16WV
C447 CK73HB1A224K CHIP C 0.22UF K
C448 CK73HB1E103K CHIP C 0.010UF K
C449 CK73GB1C225K CHIP C 2.2UF K
C450 CK73HB1E103K CHIP C 0.010UF K
C451 CK73GB1C225K CHIP C 2.2UF K
C452 CK73HB0J105K CHIP C 1.0UF K
C453 CK73GB1E105K CHIP C 1.0UF K
C454 CK73HB1H471K CHIP C 470PF K
C455,456 CK73HB1E103K CHIP C 0.010UF K
C457,458 CK73GB1E105K CHIP C 1.0UF K
C459 C92-0765-05 CHIP TNTL 4.7UF 16WV
C460 CK73HB1A104K CHIP C 0.10UF K
C461 CC73HCH1H181J CHIP C 180PF J
C462 CK73HB1H471K CHIP C 470PF K
C463 CK73HB0J105K CHIP C 1.0UF K
C464 CC73HCH1H220J CHIP C 22PF J
C465-467 CK73GB1E105K CHIP C 1.0UF K
C468 CK73HB1E103K CHIP C 0.010UF K
C471 CK73HB0J105K CHIP C 1.0UF K
C473 ∗CS77BA1E4R7M CHIP TNTL 4.7UF 25WV
C474 CK73HB1E103K CHIP C 0.010UF K
C475 CK73FB1A106K CHIP C 10UF K
C501,502 CK73HB0J105K CHIP C 1.0UF K
C503-507 CK73HB1A104K CHIP C 0.10UF K
C508 CK73HB1H102K CHIP C 1000PF K
C509 CK73HB1A104K CHIP C 0.10UF K
C511-514 CK73HB1A104K CHIP C 0.10UF K
C515 CK73HB0J105K CHIP C 1.0UF K
C516,517 CK73HB1A104K CHIP C 0.10UF K
C518 CK73GB1E105K CHIP C 1.0UF K
C520-523 CK73HB1E103K CHIP C 0.010UF K
C527 CK73HB1E103K CHIP C 0.010UF K
C528 CK73HB1A104K CHIP C 0.10UF K
C529,530 CK73HB1E103K CHIP C 0.010UF K
C531 CK73HB1A104K CHIP C 0.10UF K
C532 CK73HB1E103K CHIP C 0.010UF K
C533 CK73HB1A104K CHIP C 0.10UF K
C534 CC73HCH1H101J CHIP C 100PF J
C535 CS77CP0J100M CHIP TNTL 10UF 6.3WV
C536 CK73HB1E103K CHIP C 0.010UF K
C537,538 CK73HB1A104K CHIP C 0.10UF K
C539 CK73HB1E103K CHIP C 0.010UF K
C540 CK73HB0J105K CHIP C 1.0UF K
C541 CK73HB1A104K CHIP C 0.10UF K
C542 CS77CP0J100M CHIP TNTL 10UF 6.3WV
C543-546 CC73HCH1H101J CHIP C 100PF J
C547-550 CK73HB1A104K CHIP C 0.10UF K
C551 CK73HB1E103K CHIP C 0.010UF K
C552 CK73HB0J105K CHIP C 1.0UF K
C553 CC73HCH1H101J CHIP C 100PF J
C554-558 CK73HB1A104K CHIP C 0.10UF K
C559 CK73HB1E103K CHIP C 0.010UF K
C560 CK73HB0J105K CHIP C 1.0UF K
C561-563 CC73HCH1H101J CHIP C 100PF J
C565,566 CC73HCH1H101J CHIP C 100PF J
C567 CK73HB1H102K CHIP C 1000PF K
C568-578 CC73HCH1H101J CHIP C 100PF J
C579 CK73HB1H102K CHIP C 1000PF K
C580 CC73HCH1H101J CHIP C 100PF J
C581-583 CK73HB1H102K CHIP C 1000PF K
C584,585 CC73HCH1H101J CHIP C 100PF J
C586 CK73HB1E103K CHIP C 0.010UF K
C587-589 CK73HB1H102K CHIP C 1000PF K
C590,591 CK73HB1E103K CHIP C 0.010UF K
C592,593 CC73HCH1H101J CHIP C 100PF J
C594,595 CK73HB1E103K CHIP C 0.010UF K
C596 CK73HB1A104K CHIP C 0.10UF K
C597-607 CK73HB1H102K CHIP C 1000PF K
C608 CC73HCH1H101J CHIP C 100PF J
C609 CK73HB1H102K CHIP C 1000PF K
C610 CC73HCH1H101J CHIP C 100PF J
C611 CK73HB1H102K CHIP C 1000PF K
C612 CK73GB1H103K CHIP C 0.010UF K
C613-616 CK73GB1E105K CHIP C 1.0UF K
C618 CK73HB1E103K CHIP C 0.010UF K
C620,621 CK73HB1E103K CHIP C 0.010UF K
C701 CK73GB0J335K CHIP C 3.3UF K
C702 CK73HB0J105K CHIP C 1.0UF K
C705 CK73HB1H122K CHIP C 1200PF K
C706 CK73HB1H331K CHIP C 330PF K
C707 CK73HB1A104K CHIP C 0.10UF K
C708 CK73HB1H122K CHIP C 1200PF K
C709 CC73HCH1H221J CHIP C 220PF J
C710 CK73HB1E103K CHIP C 0.010UF K
C711 CC73HCH1H181J CHIP C 180PF J
C712 CC73HCH1H680J CHIP C 68PF J
C714 CK73HB1E103K CHIP C 0.010UF K
C715 CK73HB1H122K CHIP C 1200PF K
C716 CC73HCH1H221J CHIP C 220PF J
C717 CK73HB1A104K CHIP C 0.10UF K
C718 CC73HCH1H221J CHIP C 220PF J
C719,720 CK73HB1A104K CHIP C 0.10UF K
C721 CC73HCH1H221J CHIP C 220PF J
C722 CC73HCH1H470J CHIP C 47PF J
C723,724 CK73HB1A104K CHIP C 0.10UF K
C725 CK73HB1E103K CHIP C 0.010UF K
C726 CK73HB1A104K CHIP C 0.10UF K
C727 CC73HCH1H820J CHIP C 82PF J
C729 CK73HB1A104K CHIP C 0.10UF K
C730 CK73HB1H561K CHIP C 560PF K
C731 CK73HB1A104K CHIP C 0.10UF K
C732 CK73HB1E103K CHIP C 0.010UF K
C734 CK73HB1E103K CHIP C 0.010UF K
C735 CK73FB1E475K CHIP C 4.7UF K
C736 CC73HCH1H101J CHIP C 100PF J
C737 CK73HB1A104K CHIP C 0.10UF K
C738 CK73HB1H102K CHIP C 1000PF K
C740 CK73HB1H472K CHIP C 4700PF K
C741 CK73HB1A154K CHIP C 0.15UF K
C742 CK73HB1A104K CHIP C 0.10UF K
C743 CK73HB1E103K CHIP C 0.010UF K
C744 CK73HB1A104K CHIP C 0.10UF K
C745-747 CK73HB1E103K CHIP C 0.010UF K
C748-751 CK73HB1A104K CHIP C 0.10UF K
C752,753 CK73HB1E103K CHIP C 0.010UF K
C754 CK73HB1H102K CHIP C 1000PF K

NX-800
PARTS LIST
Ref. No. Parts No. Description
Address New
parts
Ref. No. Parts No. Description
Address New
parts Destination Destination
TX-RX UNIT (X57-7390-11)
33
C757 CC73HCH1H150J CHIP C 15PF J
C761 CK73HB1E103K CHIP C 0.010UF K
C762,763 CK73HB1A104K CHIP C 0.10UF K
C764 CC73HCH1H220J CHIP C 22PF J
C765,766 CK73GB1E105K CHIP C 1.0UF K
C767 CK73HB1A104K CHIP C 0.10UF K
C768,769 CK73HB1E103K CHIP C 0.010UF K
C770 CK73HB1A104K CHIP C 0.10UF K
C773 CK73HB1A104K CHIP C 0.10UF K
C774 CK73HB1H102K CHIP C 1000PF K
C775 CK73HB1A104K CHIP C 0.10UF K
C776 CK73HB0J105K CHIP C 1.0UF K
C777 CK73HB1H102K CHIP C 1000PF K
C778 CK73HB1A104K CHIP C 0.10UF K
C779 CC73HCH1H680J CHIP C 68PF J
C782-786 CK73HB1A104K CHIP C 0.10UF K
C787 CK73FB1A106K CHIP C 10UF K
C788 CK73HB1A104K CHIP C 0.10UF K
C789 CK73FB1E475K CHIP C 4.7UF K
C790 CK73FB1A106K CHIP C 10UF K
C791 CK73HB1H102K CHIP C 1000PF K
C792 CC73HCH1H470J CHIP C 47PF J
C793 CK73HB1H102K CHIP C 1000PF K
C794,795 CK73FB1A106K CHIP C 10UF K
C796-799 CK73HB1A104K CHIP C 0.10UF K
C801,802 CK73GB1E105K CHIP C 1.0UF K
C803-805 CK73HB1H102K CHIP C 1000PF K
C806 ∗C92-0906-05 ELECTRO 330UF 16WV
C807 C92-0875-05 ELECTRO 47UF 25WV
C809 CK73HB1H102K CHIP C 1000PF K
C810 CK73HB1H471K CHIP C 470PF K
C811 CK73HB1H102K CHIP C 1000PF K
C813 CK73FB1A106K CHIP C 10UF K
C814 CK73HB1H471K CHIP C 470PF K
C815,816 CK73FB1A106K CHIP C 10UF K
C817 CK73HB1E103K CHIP C 0.010UF K
C818 CK73HB0J105K CHIP C 1.0UF K
C820 CK73GB1E105K CHIP C 1.0UF K
C821 CK73HB1H102K CHIP C 1000PF K
C824 CK73HB1H102K CHIP C 1000PF K
C825 CK73HCH1H101J CHIP C 100PF J
C901 CC73HCH1H101J CHIP C 100PF J
C902 CK73HB1H102K CHIP C 1000PF K
C903-906 CC73HCH1H101J CHIP C 100PF J
C907 CK73HB1H102K CHIP C 1000PF K
C908-921 CC73HCH1H101J CHIP C 100PF J
C922,923 CK73HB1H102K CHIP C 1000PF K
CN401,402 E23-1260-04 TERMINAL
CN403 E41-1682-05 PIN ASSY
CN502-513 E23-1278-05 TERMINAL
CN516,517 E23-1278-05 TERMINAL
CN520 E23-1278-05 TERMINAL
CN527 E23-1278-05 TERMINAL
CN540 E23-1278-05 TERMINAL
CN542,543 E23-1278-05 TERMINAL
CN549 E40-6720-05 SOCKET FOR PIN ASSY
CN595 E40-6361-05 PIN ASSY
CN597 E40-6558-05 FLAT CABLE CONNECTOR
CN600 E40-6560-05 FLAT CABLE CONNECTOR
CN611,612 E23-1278-05 TERMINAL
CN614 E23-1278-05 TERMINAL
CN705 E40-6582-05 PIN ASSY
CN901 E40-6560-05 FLAT CABLE CONNECTOR
J701 E11-0425-05 3.5D PHONE JACK(3P)
J901 E58-0521-05 SUB SOCKET(D)
F401 F53-0328-05 FUSE
F501 F53-0352-05 FUSE
CN405 J19-5386-05 HOLDER
CD201 L79-1850-05 TUNING COIL
CF201 L72-1017-05 CERAMIC FILTER
CF202 L72-1021-05 CERAMIC FILTER
CF203 L72-1020-05 CERAMIC FILTER
L1 L41-4795-39 SMALL FIXED INDUCTOR(4.7UH)
L3 L92-0163-05 BEADS CORE
L4 L40-1275-92 SMALL FIXED INDUCTOR(12NH)
L6 ,7 L40-1001-86 SMALL FIXED INDUCTOR(10UH)
L10 L40-1878-92 SMALL FIXED INDUCTOR(18NH)
L11 L40-2285-92 SMALL FIXED INDUCTOR(220NH)
L12 L40-1885-92 SMALL FIXED INDUCTOR(180NH)
L13 L40-2285-92 SMALL FIXED INDUCTOR(220NH)
L14 L40-1885-92 SMALL FIXED INDUCTOR(180NH)
L15 L40-2285-92 SMALL FIXED INDUCTOR(220NH)
L16 L40-1885-92 SMALL FIXED INDUCTOR(180NH)
L17 L34-4607-05 AIR-CORE COIL
L18 L34-4608-05 AIR-CORE COIL
L19 L40-2285-92 SMALL FIXED INDUCTOR(220NH)
L20 L92-0446-05 BEADS CORE
L21 L40-1885-92 SMALL FIXED INDUCTOR(180NH)
L22 L40-2285-92 SMALL FIXED INDUCTOR(220NH)
L23 L40-1885-92 SMALL FIXED INDUCTOR(180NH)
L25 L40-2775-71 SMALL FIXED INDUCTOR(27NH)
L26 L40-2275-92 SMALL FIXED INDUCTOR(22NH)
L31 -36 L92-0163-05 BEADS CORE
L40 ,41 L92-0163-05 BEADS CORE
L101 L40-1875-92 SMALL FIXED INDUCTOR(18NH)
L102 L92-0140-05 CHIP FERRITE
L103 L40-2275-92 SMALL FIXED INDUCTOR(22NH)
L106 L92-0140-05 CHIP FERRITE
L108,109 L92-0179-05 CHIP FERRITE
L110 L34-4638-05 AIR-CORE COIL
L111 L34-4758-05 AIR-CORE COIL
L112-114 L34-4743-05 AIR-CORE COIL
L115 L34-4848-05 AIR-CORE COIL
L201 L40-1085-71 SMALL FIXED INDUCTOR(100NH)
L202 L40-5681-86 SMALL FIXED INDUCTOR(0.56UH)
L204 L41-4778-45 SMALL FIXED INDUCTOR(47NH)
L205 L40-5681-86 SMALL FIXED INDUCTOR(0.56UH)
L206 L92-0138-05 CHIP FERRITE
L207 L40-5681-86 SMALL FIXED INDUCTOR(0.56UH)
L208 L92-0138-05 CHIP FERRITE
L209 L40-2275-92 SMALL FIXED INDUCTOR(22NH)
L210 L39-1498-05 TOROIDAL COIL
L211 L92-0138-05 CHIP FERRITE
L212 L39-1498-05 TOROIDAL COIL
L213 L40-1575-92 SMALL FIXED INDUCTOR(15NH)

NX-800
PARTS LIST
34
Ref. No. Parts No. Description
Address New
parts
Ref. No. Parts No. Description
Address New
parts Destination Destination
TX-RX UNIT (X57-7390-11)
L214 L40-1875-92 SMALL FIXED INDUCTOR(18NH)
L215 L39-1498-05 TOROIDAL COIL
L216-219 L34-4565-05 AIR-CORE COIL
L221 L41-1878-14 SMALL FIXED INDUCTOR(18NH)
L222 L41-6878-14 SMALL FIXED INDUCTOR(68NH)
L223,224 L34-4568-05 AIR-CORE COIL
L225 L41-6878-14 SMALL FIXED INDUCTOR(68NH)
L228 L40-2763-92 SMALL FIXED INDUCTOR(2.7NH)
L230 L92-0138-05 CHIP FERRITE
L402,403 L92-0179-05 CHIP FERRITE
L404 L92-0639-05 CHIP FERRITE
L405 L33-1496-05 SMALL FIXED INDUCTOR
L406 L33-1462-05 SMALL FIXED INDUCTOR
L501-503 L92-0138-05 CHIP FERRITE
L506-511 L92-0138-05 CHIP FERRITE
L512 L92-0140-05 CHIP FERRITE
L517,518 L92-0138-05 CHIP FERRITE
L521-523 L92-0162-05 BEADS CORE
L901,902 L92-0140-05 CHIP FERRITE
L903-905 L92-0162-05 BEADS CORE
X1 L77-3016-05 TCXO (19.2MHZ)
X501 L77-1802-05 CRYSTAL RESONATOR(32768HZ)
X502 L77-3015-05 TCXO (18.432M/4P/12)
XF202 ∗L71-0649-05 MCF (58.05MHZ)
R1 ,2 RK73HH1J223D CHIP R 22K D 1/16W
R3 RK73HB1J334J CHIP R 330K J 1/16W
R4 RK73HB1J101J CHIP R 100 J 1/16W
R5 RK73HB1J224J CHIP R 220K J 1/16W
R6 RK73HB1J472J CHIP R 4.7K J 1/16W
R7 RK73HB1J103J CHIP R 10K J 1/16W
R8 RK73HB1J472J CHIP R 4.7K J 1/16W
R10 RK73HB1J000J CHIP R 0.0 J 1/16W
R12 RK73HB1J472J CHIP R 4.7K J 1/16W
R13 RK73HB1J473J CHIP R 47K J 1/16W
R15 -19 RK73HB1J100J CHIP R 10 J 1/16W
R21 RK73HB1J100J CHIP R 10 J 1/16W
R22 ,23 RK73HB1J102J CHIP R 1.0K J 1/16W
R25 RK73HB1J000J CHIP R 0.0 J 1/16W
R26 RK73HB1J104J CHIP R 100K J 1/16W
R27 RK73HB1J473J CHIP R 47K J 1/16W
R28 RK73HB1J683J CHIP R 68K J 1/16W
R29 RK73HB1J000J CHIP R 0.0 J 1/16W
R30 RK73HB1J184J CHIP R 180K J 1/16W
R31 RK73HB1J473J CHIP R 47K J 1/16W
R32 RK73HB1J151J CHIP R 150 J 1/16W
R34 RK73HB1J102J CHIP R 1.0K J 1/16W
R35 RK73HH1J391D CHIP R 390 D 1/16W
R36 RK73HB1J106J CHIP R 10M J 1/16W
R37 RK73HB1J103J CHIP R 10K J 1/16W
R40 ,41 RK73HB1J000J CHIP R 0.0 J 1/16W
R42 RK73HB1J104J CHIP R 100K J 1/16W
R43 RK73HB1J100J CHIP R 10 J 1/16W
R44 RK73HB1J000J CHIP R 0.0 J 1/16W
R45 RK73HB1J104J CHIP R 100K J 1/16W
R46 RK73HB1J271J CHIP R 270 J 1/16W
R47 RK73HB1J154J CHIP R 150K J 1/16W
R49 RK73HB1J683J CHIP R 68K J 1/16W
R53 ,54 RK73HB1J473J CHIP R 47K J 1/16W
R55 RK73HB1J472J CHIP R 4.7K J 1/16W
R56 RK73HB1J474J CHIP R 470K J 1/16W
R57 RK73HH1J181D CHIP R 180 D 1/16W
R58 RK73HB1J181J CHIP R 180 J 1/16W
R59 RK73HH1J181D CHIP R 180 D 1/16W
R60 RK73HB1J102J CHIP R 1.0K J 1/16W
R61 RK73HB1J473J CHIP R 47K J 1/16W
R62 RK73HB1J154J CHIP R 150K J 1/16W
R63 RK73HB1J101J CHIP R 100 J 1/16W
R64 RK73HB1J682J CHIP R 6.8K J 1/16W
R65 RK73HB1J103J CHIP R 10K J 1/16W
R66 RK73HB1J331J CHIP R 330 J 1/16W
R67 RK73HB1J222J CHIP R 2.2K J 1/16W
R68 RK73HB1J470J CHIP R 47 J 1/16W
R69 RK73HB1J000J CHIP R 0.0 J 1/16W
R70 RK73HB1J472J CHIP R 4.7K J 1/16W
R71 RK73HB1J474J CHIP R 470K J 1/16W
R72 RK73HB1J183J CHIP R 18K J 1/16W
R74 RK73HB1J102J CHIP R 1.0K J 1/16W
R75 RK73HB1J221J CHIP R 220 J 1/16W
R76 RK73HB1J474J CHIP R 470K J 1/16W
R77 RK73HB1J101J CHIP R 100 J 1/16W
R79 -83 RK73HB1J000J CHIP R 0.0 J 1/16W
R84 ,85 RK73GB2A000J CHIP R 0.0 J 1/10W
R86 RK73GB2A272J CHIP R 2.7K J 1/10W
R101 RK73HB1J332J CHIP R 3.3K J 1/16W
R102 RK73HB1J821J CHIP R 820 J 1/16W
R103 RK73HB1J5R6J CHIP R 5.6 J 1/16W
R104 RK73HB1J821J CHIP R 820 J 1/16W
R105 RK73HB1J333J CHIP R 33K J 1/16W
R106 RK73HB1J221J CHIP R 220 J 1/16W
R107 RK73HB1J682J CHIP R 6.8K J 1/16W
R108 RK73GB2A100J CHIP R 10 J 1/10W
R109 RK73HB1J471J CHIP R 470 J 1/16W
R110 RK73GB2A220J CHIP R 22 J 1/10W
R111 RK73HB1J561J CHIP R 560 J 1/16W
R112 RK73HB1J272J CHIP R 2.7K J 1/16W
R113 RK73GB2A100J CHIP R 10 J 1/10W
R114 RK73HB1J331J CHIP R 330 J 1/16W
R115 RK73HB1J000J CHIP R 0.0 J 1/16W
R116 RK73GB2A000J CHIP R 0.0 J 1/10W
R117 RK73HB1J103J CHIP R 10K J 1/16W
R119 RK73HB1J473J CHIP R 47K J 1/16W
R120 RK73HB1J104J CHIP R 100K J 1/16W
R121 RK73GB2A000J CHIP R 0.0 J 1/10W
R122 RK73HB1J683J CHIP R 68K J 1/16W
R123 RK73HB1J273J CHIP R 27K J 1/16W
R124 RK73HB1J332J CHIP R 3.3K J 1/16W
R125 RK73FB2B271J CHIP R 270 J 1/8W
R126,127 RK73FB2B390J CHIP R 39 J 1/8W
R129 RK73FB2B271J CHIP R 270 J 1/8W
R131 RK73HB1J331J CHIP R 330 J 1/16W
R132,133 RK73HB1J104J CHIP R 100K J 1/16W
R134 RK73HB1J274J CHIP R 270K J 1/16W
R136 RK73HB1J104J CHIP R 100K J 1/16W
R137 RK73HB1J334J CHIP R 330K J 1/16W
R138 RK73EB2E301J CHIP R 300 J 1/4W
R140 RK73HB1J104J CHIP R 100K J 1/16W
R141 RK73HB1J124J CHIP R 120K J 1/16W

NX-800
PARTS LIST
Ref. No. Parts No. Description
Address New
parts
Ref. No. Parts No. Description
Address New
parts Destination Destination
TX-RX UNIT (X57-7390-11)
35
R142 RK73HB1J104J CHIP R 100K J 1/16W
R143 RK73GB2A000J CHIP R 0.0 J 1/10W
R144 RK73HB1J824J CHIP R 820K J 1/16W
R145 RK73HB1J823J CHIP R 82K J 1/16W
R146,147 RK73HB1J104J CHIP R 100K J 1/16W
R148 RK73HB1J103J CHIP R 10K J 1/16W
R149 RK73HB1J104J CHIP R 100K J 1/16W
R150 RK73HB1J823J CHIP R 82K J 1/16W
R151 RK73HB1J124J CHIP R 120K J 1/16W
R152 R92-1061-05 JUMPER REST 0 OHM
R153 RK73HB1J121J CHIP R 120 J 1/16W
R154 RK73EB2E301J CHIP R 300 J 1/4W
R156 RK73HB1J000J CHIP R 0.0 J 1/16W
R158 RK73HB1J000J CHIP R 0.0 J 1/16W
R160 RK73HB1J000J CHIP R 0.0 J 1/16W
R161 RK73HB1J332J CHIP R 3.3K J 1/16W
R201 RK73HB1J153J CHIP R 15K J 1/16W
R202,203 RK73HB1J223J CHIP R 22K J 1/16W
R204 RK73HB1J470J CHIP R 47 J 1/16W
R205,206 RK73HB1J223J CHIP R 22K J 1/16W
R207 RK73HB1J334J CHIP R 330K J 1/16W
R208 RK73HB1J153J CHIP R 15K J 1/16W
R209,210 RK73HB1J100J CHIP R 10 J 1/16W
R211 RK73HB1J102J CHIP R 1.0K J 1/16W
R212 RK73HB1J000J CHIP R 0.0 J 1/16W
R213 RK73HB1J102J CHIP R 1.0K J 1/16W
R215 RK73HB1J272J CHIP R 2.7K J 1/16W
R216 RK73HB1J000J CHIP R 0.0 J 1/16W
R218,219 RK73HB1J103J CHIP R 10K J 1/16W
R220 RK73HB1J473J CHIP R 47K J 1/16W
R221 RK73HB1J183J CHIP R 18K J 1/16W
R222 RK73HB1J222J CHIP R 2.2K J 1/16W
R223 RK73HB1J274J CHIP R 270K J 1/16W
R224 RK73HB1J103J CHIP R 10K J 1/16W
R225 RK73HB1J153J CHIP R 15K J 1/16W
R226 RK73HB1J473J CHIP R 47K J 1/16W
R227 RK73HB1J104J CHIP R 100K J 1/16W
R228 RK73HB1J223J CHIP R 22K J 1/16W
R229 RK73HB1J222J CHIP R 2.2K J 1/16W
R230 RK73HB1J223J CHIP R 22K J 1/16W
R231 RK73HB1J221J CHIP R 220 J 1/16W
R232 RK73HB1J101J CHIP R 100 J 1/16W
R234 RK73HB1J103J CHIP R 10K J 1/16W
R235 RK73HB1J000J CHIP R 0.0 J 1/16W
R237 RK73HB1J104J CHIP R 100K J 1/16W
R238 RK73HB1J103J CHIP R 10K J 1/16W
R239 RK73HB1J104J CHIP R 100K J 1/16W
R242 RK73HB1J221J CHIP R 220 J 1/16W
R243 RK73HB1J101J CHIP R 100 J 1/16W
R244 RK73HB1J000J CHIP R 0.0 J 1/16W
R245,246 RK73HB1J104J CHIP R 100K J 1/16W
R248 RK73HB1J474J CHIP R 470K J 1/16W
R250 RK73HB1J000J CHIP R 0.0 J 1/16W
R256 RK73HB1J181J CHIP R 180 J 1/16W
R257 RK73HB1J000J CHIP R 0.0 J 1/16W
R261 RK73HB1J472J CHIP R 4.7K J 1/16W
R262 RK73HB1J682J CHIP R 6.8K J 1/16W
R263 RK73HB1J000J CHIP R 0.0 J 1/16W
R265 RK73HB1J103J CHIP R 10K J 1/16W
R266 RK73HB1J222J CHIP R 2.2K J 1/16W
R267 RK73HB1J271J CHIP R 270 J 1/16W
R268,269 RK73HB1J470J CHIP R 47 J 1/16W
R270 RK73HB1J680J CHIP R 68 J 1/16W
R271 RK73HB1J222J CHIP R 2.2K J 1/16W
R272 RK73HB1J271J CHIP R 270 J 1/16W
R273 RK73HB1J180J CHIP R 18 J 1/16W
R274 RK73HB1J102J CHIP R 1.0K J 1/16W
R275 RK73HB1J271J CHIP R 270 J 1/16W
R276 RK73HB1J102J CHIP R 1.0K J 1/16W
R277 RK73GB2A000J CHIP R 0.0 J 1/10W
R279 RK73HB1J000J CHIP R 0.0 J 1/16W
R282 RK73HB1J000J CHIP R 0.0 J 1/16W
R283,284 RK73HB1J104J CHIP R 100K J 1/16W
R285 RK73HB1J103J CHIP R 10K J 1/16W
R286,287 RK73HB1J104J CHIP R 100K J 1/16W
R288 RK73HB1J101J CHIP R 100 J 1/16W
R289 RK73HB1J104J CHIP R 100K J 1/16W
R290 RK73HB1J274J CHIP R 270K J 1/16W
R291 RK73HB1J104J CHIP R 100K J 1/16W
R294 RK73HB1J000J CHIP R 0.0 J 1/16W
R296 RK73HB1J103J CHIP R 10K J 1/16W
R297 RK73HB1J000J CHIP R 0.0 J 1/16W
R299 RK73HB1J221J CHIP R 220 J 1/16W
R301 RK73HB1J564J CHIP R 560K J 1/16W
R302,303 RK73HB1J104J CHIP R 100K J 1/16W
R306,307 RK73HB1J183J CHIP R 18K J 1/16W
R310 RK73HB1J000J CHIP R 0.0 J 1/16W
R313 RK73GB2A000J CHIP R 0.0 J 1/10W
R314 RK73HB1J000J CHIP R 0.0 J 1/16W
R315,316 RK73HB1J104J CHIP R 100K J 1/16W
R317 RK73HB1J000J CHIP R 0.0 J 1/16W
R320,321 RK73HB1J000J CHIP R 0.0 J 1/16W
R324,325 RK73HB1J182J CHIP R 1.8K J 1/16W
R327 RK73HB1J332J CHIP R 3.3K J 1/16W
R328 RK73HB1J102J CHIP R 1.0K J 1/16W
R329 RK73HB1J562J CHIP R 5.6K J 1/16W
R330 RK73GB2A100J CHIP R 10 J 1/10W
R331 RK73HB1J473J CHIP R 47K J 1/16W
R332 RK73HB1J000J CHIP R 0.0 J 1/16W
R333 RK73HB1J102J CHIP R 1.0K J 1/16W
R334 RK73HB1J000J CHIP R 0.0 J 1/16W
R338 RK73HB1J103J CHIP R 10K J 1/16W
R339 RK73HB1J470J CHIP R 47 J 1/16W
R340,341 RK73HB1J121J CHIP R 120 J 1/16W
R342,343 RK73HB1J000J CHIP R 0.0 J 1/16W
R344 RK73HB1J152J CHIP R 1.5K J 1/16W
R345 RK73HB1J000J CHIP R 0.0 J 1/16W
R346 RK73HB1J223J CHIP R 22K J 1/16W
R352,353 RK73HB1J000J CHIP R 0.0 J 1/16W
R401 RK73HH1J105D CHIP R 1.0M D 1/16W
R402 RK73HB1J471J CHIP R 470 J 1/16W
R403 RK73HH1J104D CHIP R 100K D 1/16W
R404 RK73HB1J103J CHIP R 10K J 1/16W
R405 RK73HH1J274D CHIP R 270K D 1/16W
R406 RK73HH1J104D CHIP R 100K D 1/16W
R407 RK73HB1J473J CHIP R 47K J 1/16W
R408 RK73HB1J103J CHIP R 10K J 1/16W
R409 RK73HB1J683J CHIP R 68K J 1/16W

NX-800
PARTS LIST
36
Ref. No. Parts No. Description
Address New
parts
Ref. No. Parts No. Description
Address New
parts Destination Destination
TX-RX UNIT (X57-7390-11)
R410 RK73HB1J684J CHIP R 680K J 1/16W
R411 RK73HB1J104J CHIP R 100K J 1/16W
R413 RK73HB1J474J CHIP R 470K J 1/16W
R415 RK73HB1J332J CHIP R 3.3K J 1/16W
R417 RK73HB1J473J CHIP R 47K J 1/16W
R418,419 RK73HB1J103J CHIP R 10K J 1/16W
R420 RK73HB1J473J CHIP R 47K J 1/16W
R421 RK73HB1J474J CHIP R 470K J 1/16W
R422 RK73HB1J103J CHIP R 10K J 1/16W
R423-425 RK73GB2A472J CHIP R 4.7K J 1/10W
R426 RK73HB1J474J CHIP R 470K J 1/16W
R428,429 RK73HB1J103J CHIP R 10K J 1/16W
R430 RK73HH1J124D CHIP R 120K D 1/16W
R431 RK73HH1J183D CHIP R 18K D 1/16W
R432 RK73HH1J223D CHIP R 22K D 1/16W
R433 RK73HB1J102J CHIP R 1.0K J 1/16W
R434 RK73HB1J330J CHIP R 33 J 1/16W
R435 RK73GB2A100J CHIP R 10 J 1/10W
R436 RK73HB1J000J CHIP R 0.0 J 1/16W
R437 RK73HB1J474J CHIP R 470K J 1/16W
R438 RK73HB1J154J CHIP R 150K J 1/16W
R440 RK73HB1J102J CHIP R 1.0K J 1/16W
R441 RK73HB1J123J CHIP R 12K J 1/16W
R442 RK73HH1J334D CHIP R 330K D 1/16W
R443 RK73HH1J223D CHIP R 22K D 1/16W
R444 RK73HB1J272J CHIP R 2.7K J 1/16W
R445 RK73HB1J473J CHIP R 47K J 1/16W
R446 RK73GB2A100J CHIP R 10 J 1/10W
R447 RK73HB1J473J CHIP R 47K J 1/16W
R448 RK73HB1J000J CHIP R 0.0 J 1/16W
R449 RK73GB2A220J CHIP R 22 J 1/10W
R450 RK73HB1J000J CHIP R 0.0 J 1/16W
R501 RK73HB1J104J CHIP R 100K J 1/16W
R503 RK73HB1J102J CHIP R 1.0K J 1/16W
R504 RK73HB1J104J CHIP R 100K J 1/16W
R506 RK73HB1J474J CHIP R 470K J 1/16W
R507 RK73HB1J000J CHIP R 0.0 J 1/16W
R509 RK73HB1J000J CHIP R 0.0 J 1/16W
R510 RK73HB1J474J CHIP R 470K J 1/16W
R511 RK73HB1J220J CHIP R 22 J 1/16W
R512 RK73HB1J104J CHIP R 100K J 1/16W
R514 RK73HB1J000J CHIP R 0.0 J 1/16W
R515,516 RK73HB1J104J CHIP R 100K J 1/16W
R520,521 RK73HB1J473J CHIP R 47K J 1/16W
R522 RK73HB1J474J CHIP R 470K J 1/16W
R523 RK73HB1J473J CHIP R 47K J 1/16W
R524 RK73HB1J000J CHIP R 0.0 J 1/16W
R525 RK73HB1J104J CHIP R 100K J 1/16W
R527 RK73HB1J104J CHIP R 100K J 1/16W
R528,529 RK73HB1J000J CHIP R 0.0 J 1/16W
R531 RK73HB1J104J CHIP R 100K J 1/16W
R532 RK73HB1J101J CHIP R 100 J 1/16W
R533,534 RK73HB1J000J CHIP R 0.0 J 1/16W
R536,537 RK73HB1J000J CHIP R 0.0 J 1/16W
R538 RK73HB1J101J CHIP R 100 J 1/16W
R539 RK73HB1J000J CHIP R 0.0 J 1/16W
R540,541 RK73HB1J101J CHIP R 100 J 1/16W
R542 RK73HB1J104J CHIP R 100K J 1/16W
R543 RK73HB1J000J CHIP R 0.0 J 1/16W
R544 RK73HB1J104J CHIP R 100K J 1/16W
R545 RK73HB1J000J CHIP R 0.0 J 1/16W
R548 RK73GB2A000J CHIP R 0.0 J 1/10W
R550 RK73GB2A000J CHIP R 0.0 J 1/10W
R551 RK73HB1J101J CHIP R 100 J 1/16W
R552-554 RK73HB1J104J CHIP R 100K J 1/16W
R556-558 RK73HB1J104J CHIP R 100K J 1/16W
R560 RK73HB1J000J CHIP R 0.0 J 1/16W
R561 RK73HB1J473J CHIP R 47K J 1/16W
R562 RK73GB2A000J CHIP R 0.0 J 1/10W
R565 RK73GB2A000J CHIP R 0.0 J 1/10W
R567 RK73HB1J151J CHIP R 150 J 1/16W
R568 RK73HB1J102J CHIP R 1.0K J 1/16W
R569 RK73HB1J220J CHIP R 22 J 1/16W
R572 RK73HB1J220J CHIP R 22 J 1/16W
R574 RK73GB2A000J CHIP R 0.0 J 1/10W
R575 RK73HB1J103J CHIP R 10K J 1/16W
R576 RK73HB1J000J CHIP R 0.0 J 1/16W
R577 RK73HB1J102J CHIP R 1.0K J 1/16W
R578-580 RK73HB1J000J CHIP R 0.0 J 1/16W
R581 RK73HB1J474J CHIP R 470K J 1/16W
R582-586 RK73HB1J000J CHIP R 0.0 J 1/16W
R587 RK73HB1J102J CHIP R 1.0K J 1/16W
R588-590 RK73HB1J000J CHIP R 0.0 J 1/16W
R591 RK73HB1J102J CHIP R 1.0K J 1/16W
R592,593 RK73HB1J000J CHIP R 0.0 J 1/16W
R594 RK73HB1J102J CHIP R 1.0K J 1/16W
R595 RK73HB1J000J CHIP R 0.0 J 1/16W
R596 RK73HB1J104J CHIP R 100K J 1/16W
R597 RK73HB1J102J CHIP R 1.0K J 1/16W
R598-601 RK73FB2B102J CHIP R 1.0K J 1/8W
R602 RK73HB1J102J CHIP R 1.0K J 1/16W
R603,604 RK73HB1J000J CHIP R 0.0 J 1/16W
R605 RK73HB1J102J CHIP R 1.0K J 1/16W
R606 RK73HB1J103J CHIP R 10K J 1/16W
R607,608 RK73HB1J102J CHIP R 1.0K J 1/16W
R610 RK73HB1J102J CHIP R 1.0K J 1/16W
R611,612 RK73HB1J105J CHIP R 1.0M J 1/16W
R614 RK73HB1J474J CHIP R 470K J 1/16W
R615,616 RK73HB1J000J CHIP R 0.0 J 1/16W
R617-620 RK73HB1J102J CHIP R 1.0K J 1/16W
R621,622 RK73HB1J000J CHIP R 0.0 J 1/16W
R623-625 RK73HB1J104J CHIP R 100K J 1/16W
R627,628 RK73HB1J104J CHIP R 100K J 1/16W
R629 RK73HB1J105J CHIP R 1.0M J 1/16W
R630 RK73HB1J102J CHIP R 1.0K J 1/16W
R632 RK73HB1J103J CHIP R 10K J 1/16W
R633 RK73HB1J000J CHIP R 0.0 J 1/16W
R634 RK73HB1J103J CHIP R 10K J 1/16W
R636 RK73HB1J000J CHIP R 0.0 J 1/16W
R637 RK73HB1J103J CHIP R 10K J 1/16W
R638 RK73HB1J104J CHIP R 100K J 1/16W
R639 RK73HB1J102J CHIP R 1.0K J 1/16W
R640 RK73HB1J103J CHIP R 10K J 1/16W
R641,642 RK73HB1J104J CHIP R 100K J 1/16W
R644 RK73GB2A000J CHIP R 0.0 J 1/10W
R646 RK73HB1J682J CHIP R 6.8K J 1/16W
R648 RK73HB1J682J CHIP R 6.8K J 1/16W
R650 RK73GB2A000J CHIP R 0.0 J 1/10W
R651 RK73FB2B102J CHIP R 1.0K J 1/8W

NX-800
PARTS LIST
Ref. No. Parts No. Description
Address New
parts
Ref. No. Parts No. Description
Address New
parts Destination Destination
TX-RX UNIT (X57-7390-11)
37
R652 RK73HB1J104J CHIP R 100K J 1/16W
R654 RK73GB2A000J CHIP R 0.0 J 1/10W
R656 RK73HB1J471J CHIP R 470 J 1/16W
R658 RK73GB2A000J CHIP R 0.0 J 1/10W
R659-661 RK73HB1J104J CHIP R 100K J 1/16W
R662,663 RK73HB1J474J CHIP R 470K J 1/16W
R664-674 RK73HB1J104J CHIP R 100K J 1/16W
R676 RK73HB1J104J CHIP R 100K J 1/16W
R677 RK73HB1J474J CHIP R 470K J 1/16W
R678 RK73HB1J104J CHIP R 100K J 1/16W
R680-683 RK73HB1J000J CHIP R 0.0 J 1/16W
R684-686 RK73HB1J104J CHIP R 100K J 1/16W
R687,688 RK73HB1J472J CHIP R 4.7K J 1/16W
R689,690 RK73HB1J474J CHIP R 470K J 1/16W
R691-696 RK73HB1J104J CHIP R 100K J 1/16W
R697,698 RK73HB1J000J CHIP R 0.0 J 1/16W
R701 RK73HB1J104J CHIP R 100K J 1/16W
R703 RK73HB1J103J CHIP R 10K J 1/16W
R704 RK73HB1J563J CHIP R 56K J 1/16W
R705 RK73HB1J104J CHIP R 100K J 1/16W
R706 RK73HB1J683J CHIP R 68K J 1/16W
R707 RK73HB1J153J CHIP R 15K J 1/16W
R708 RK73HB1J683J CHIP R 68K J 1/16W
R709 RK73HB1J822J CHIP R 8.2K J 1/16W
R710 RK73HB1J104J CHIP R 100K J 1/16W
R712 RK73HB1J683J CHIP R 68K J 1/16W
R713 RK73HB1J563J CHIP R 56K J 1/16W
R714 RK73HB1J104J CHIP R 100K J 1/16W
R715 RK73HB1J473J CHIP R 47K J 1/16W
R716 RK73HB1J000J CHIP R 0.0 J 1/16W
R717 RK73HB1J473J CHIP R 47K J 1/16W
R718 RK73HB1J000J CHIP R 0.0 J 1/16W
R720 RK73HB1J104J CHIP R 100K J 1/16W
R721 RK73HB1J222J CHIP R 2.2K J 1/16W
R722 RK73HB1J683J CHIP R 68K J 1/16W
R724 RK73HB1J563J CHIP R 56K J 1/16W
R725 RK73HB1J683J CHIP R 68K J 1/16W
R726 RK73HB1J100J CHIP R 10 J 1/16W
R727 RK73HB1J274J CHIP R 270K J 1/16W
R728 RK73HB1J000J CHIP R 0.0 J 1/16W
R729 RK73HB1J104J CHIP R 100K J 1/16W
R730 RK73HB1J103J CHIP R 10K J 1/16W
R731 RK73HB1J000J CHIP R 0.0 J 1/16W
R732 RK73HB1J473J CHIP R 47K J 1/16W
R733 RK73HB1J333J CHIP R 33K J 1/16W
R734 RK73HB1J223J CHIP R 22K J 1/16W
R737 RK73HB1J473J CHIP R 47K J 1/16W
R738 RK73HB1J102J CHIP R 1.0K J 1/16W
R739 RK73HB1J000J CHIP R 0.0 J 1/16W
R740,741 RK73HB1J104J CHIP R 100K J 1/16W
R744 RK73HB1J473J CHIP R 47K J 1/16W
R745 RK73HB1J104J CHIP R 100K J 1/16W
R746 RK73HB1J103J CHIP R 10K J 1/16W
R747 RK73HB1J334J CHIP R 330K J 1/16W
R748 RK73HB1J000J CHIP R 0.0 J 1/16W
R749 RK73HB1J823J CHIP R 82K J 1/16W
R750 RK73HB1J332J CHIP R 3.3K J 1/16W
R751 RK73HB1J271J CHIP R 270 J 1/16W
R752 RK73HB1J102J CHIP R 1.0K J 1/16W
R753 RK73HB1J563J CHIP R 56K J 1/16W
R755 RK73HB1J103J CHIP R 10K J 1/16W
R756 RK73HB1J153J CHIP R 15K J 1/16W
R758 RK73HB1J103J CHIP R 10K J 1/16W
R759 RK73HB1J104J CHIP R 100K J 1/16W
R760 RK73HB1J152J CHIP R 1.5K J 1/16W
R761 RK73HB1J104J CHIP R 100K J 1/16W
R762 RK73HB1J474J CHIP R 470K J 1/16W
R763 RK73HB1J183J CHIP R 18K J 1/16W
R764 RK73HB1J124J CHIP R 120K J 1/16W
R765 RK73HB1J102J CHIP R 1.0K J 1/16W
R766 RK73HB1J104J CHIP R 100K J 1/16W
R767,768 RK73HB1J473J CHIP R 47K J 1/16W
R769 RK73HB1J472J CHIP R 4.7K J 1/16W
R770 RK73HB1J563J CHIP R 56K J 1/16W
R771 RK73HB1J104J CHIP R 100K J 1/16W
R772 RK73HB1J123J CHIP R 12K J 1/16W
R773 RK73HB1J684J CHIP R 680K J 1/16W
R774 RK73HB1J474J CHIP R 470K J 1/16W
R775 RK73HB1J823J CHIP R 82K J 1/16W
R776 RK73HB1J334J CHIP R 330K J 1/16W
R777 RK73HB1J154J CHIP R 150K J 1/16W
R778 RK73HB1J394J CHIP R 390K J 1/16W
R779 RK73HB1J474J CHIP R 470K J 1/16W
R780,781 RK73HB1J104J CHIP R 100K J 1/16W
R782 RK73HB1J153J CHIP R 15K J 1/16W
R783 RK73HB1J000J CHIP R 0.0 J 1/16W
R784 RK73HB1J154J CHIP R 150K J 1/16W
R785 RK73HB1J103J CHIP R 10K J 1/16W
R786 RK73HB1J393J CHIP R 39K J 1/16W
R787 RK73HB1J274J CHIP R 270K J 1/16W
R788 RK73HB1J223J CHIP R 22K J 1/16W
R789 RK73HB1J000J CHIP R 0.0 J 1/16W
R790 RK73HB1J224J CHIP R 220K J 1/16W
R791 RK73HB1J564J CHIP R 560K J 1/16W
R792 RK73HB1J102J CHIP R 1.0K J 1/16W
R793,794 RK73HB1J000J CHIP R 0.0 J 1/16W
R795 RK73HB1J224J CHIP R 220K J 1/16W
R796 RK73HB1J103J CHIP R 10K J 1/16W
R797 RK73HB1J334J CHIP R 330K J 1/16W
R798 RK73HB1J684J CHIP R 680K J 1/16W
R799 RK73HB1J563J CHIP R 56K J 1/16W
R800 RK73HB1J472J CHIP R 4.7K J 1/16W
R801 RK73HB1J104J CHIP R 100K J 1/16W
R802 RK73HB1J273J CHIP R 27K J 1/16W
R803 RK73HB1J153J CHIP R 15K J 1/16W
R804 RK73HB1J681J CHIP R 680 J 1/16W
R805 RK73HB1J823J CHIP R 82K J 1/16W
R806 RK73HB1J562J CHIP R 5.6K J 1/16W
R807,808 RK73HB1J103J CHIP R 10K J 1/16W
R809 RK73HB1J104J CHIP R 100K J 1/16W
R810 RK73HB1J102J CHIP R 1.0K J 1/16W
R812,813 RK73HB1J472J CHIP R 4.7K J 1/16W
R814-816 RK73HB1J104J CHIP R 100K J 1/16W
R817 RK73HB1J473J CHIP R 47K J 1/16W
R818 RK73HB1J333J CHIP R 33K J 1/16W
R819 RK73HB1J000J CHIP R 0.0 J 1/16W
R820 RK73HB1J474J CHIP R 470K J 1/16W
R821 RK73HB1J000J CHIP R 0.0 J 1/16W
R822 RK73HB1J101J CHIP R 100 J 1/16W
R823 RK73HB1J472J CHIP R 4.7K J 1/16W

NX-800
PARTS LIST
38
Ref. No. Parts No. Description
Address New
parts
Ref. No. Parts No. Description
Address New
parts Destination Destination
TX-RX UNIT (X57-7390-11)
R825,826 RK73HB1J103J CHIP R 10K J 1/16W
R827 RK73HB1J332J CHIP R 3.3K J 1/16W
R828 RK73HB1J000J CHIP R 0.0 J 1/16W
R831 RK73HB1J000J CHIP R 0.0 J 1/16W
R833-835 RK73HB1J101J CHIP R 100 J 1/16W
R836 RK73HB1J000J CHIP R 0.0 J 1/16W
R837 RK73HB1J472J CHIP R 4.7K J 1/16W
R838 RK73HB1J000J CHIP R 0.0 J 1/16W
R841 RK73HB1J000J CHIP R 0.0 J 1/16W
R842 RK73FB2B102J CHIP R 1.0K J 1/8W
R843 RK73HB1J471J CHIP R 470 J 1/16W
R845 RK73HB1J102J CHIP R 1.0K J 1/16W
R846 RK73HB1J332J CHIP R 3.3K J 1/16W
R901 RK73GB2A471J CHIP R 470 J 1/10W
R902,903 RK73HB1J101J CHIP R 100 J 1/16W
R904-913 RK73HB1J471J CHIP R 470 J 1/16W
R914 RK73GB2A471J CHIP R 470 J 1/10W
R915-917 RK73HB1J000J CHIP R 0.0 J 1/16W
R918,919 RK73HB1J101J CHIP R 100 J 1/16W
R921 RK73HB1J474J CHIP R 470K J 1/16W
D2 DA221 DIODE
D3 ,4 1SV325F VARIABLE CAPACITANCE DIODE
D7 -12 1SV282-F VARIABLE CAPACITANCE DIODE
D14 1SV278F VARIABLE CAPACITANCE DIODE
D21 HVC131 DIODE
D101 HVC131 DIODE
D102 02DZ5.6F-X,Y ZENER DIODE
D103 L407CDB DIODE (50V/1W)
D106 L7091CER DIODE
D108-110 HSM88AS-E DIODE
D201,202 DAN235E DIODE
D205 HVC131 DIODE
D207-210 1SV286F VARIABLE CAPACITANCE DIODE
D212,213 1SV286F VARIABLE CAPACITANCE DIODE
D216 HVC131 DIODE
D401 02DZ18F-X,Y ZENER DIODE
D403 1SS416 DIODE
D404 22ZR-10D SURGE ABSORBER
D405 DSA3A1 DIODE
D406 HSC119 DIODE
D407 ∗CRS02-Q DIODE
D408 1SS301F DIODE
D409-412 1SS388F DIODE
D501,502 1SS388F DIODE
D503,504 1SS416 DIODE
D506,507 1SS416 DIODE
D508 DA204U DIODE
D509,510 1SS416 DIODE
D511,512 DA204U DIODE
D702 HSC119 DIODE
D703-705 RB706F-40 DIODE
D706,707 EMZ6.8N ZENER DIODE
D901-904 DA204U DIODE
D905,906 02DZ18F-X,Y ZENER DIODE
D907,908 DA204U DIODE
D909 1SS355 DIODE
D910 02DZ18F-X,Y ZENER DIODE
D911,912 DA204U DIODE
D913 1SS355 DIODE
D914 02DZ18F-X,Y ZENER DIODE
IC1 LM73CIMKX-0 MOS-IC
IC2 LMC7101BIM5 MOS-IC
IC3 Note 1 MOS-IC
IC4 LMC7101BIM5 MOS-IC
IC5 TC75W51FK(F) MOS-IC
IC101 NJM2904V-ZB MOS-IC
IC102 RA30H4452M123 MOS-IC
IC103 NJM2904V-ZB MOS-IC
IC201 MCP6021-E/OT MOS-IC
IC202 TK10931VTL-G ANALOGUE IC
IC203 TC75W51FK(F) MOS-IC
IC204 SPM5001 MOS-IC
IC205,206 LMC7101BIM5 MOS-IC
IC401 ∗XC6108C23CMN MOS-IC
IC402 ∗XC6204B332P1 ANALOGUE IC
IC403 ∗NJM78M08FA-ZB ANALOGUE IC
IC404 TA7805FQ MOS-IC
IC405 LT1616ES6-PBF ANALOGUE IC
IC406 TK71733S BI-POLAR IC
IC407,408 XC6204B332M MOS-IC
IC409 XC6205B152PRN ANALOGUE IC
IC410 XC9101D09AKR ANALOGUE IC
IC501 ∗Note 1(BGA) ROM IC
IC502 Note 1(BGA) MICROPROCESSOR IC
IC503 ∗Note 1(BGA) SRAM IC
IC504 RV5C386A MOS-IC
IC505 TC7SH08FU-F MOS-IC
IC506 XC6109C29ANN ANALOGUE IC
IC507 TC7SH126FU-F MOS-IC
IC508 SM5023CNDH-G MOS-IC
IC509 TC7WT125FUF MOS-IC
IC510 ∗Note 1(BGA) MOS-IC
IC511 TC7SH08FU-F MOS-IC
IC512,513 TC7SET08FU-F MOS-IC
IC514 TC7WBD125AFK MOS-IC
IC515 TC7WT126FU-F MOS-IC
IC516 TC7WH126FU-F MOS-IC
IC517 Note 1 MOS-IC
IC518 ADM202EARNZ MOS-IC
IC701 TC75S51FE(F) MOS-IC
IC702,703 TC75W51FK(F) MOS-IC
IC704 MCP6021-E/OT MOS-IC
IC705,706 TC75W51FK(F) MOS-IC
IC707,708 TC7W53FK(F) MOS-IC
IC709 TC75W51FK(F) MOS-IC
IC710 TC7W53FK(F) MOS-IC
IC711 TC75W51FK(F) MOS-IC
IC712 M62364FP-F MOS-IC
IC713 TC7W53FK(F) MOS-IC
IC714 TC75S51FE(F) MOS-IC
IC715 LA4425A MOS-IC
Q1 2SC5383-T111 TRANSISTOR
Q3 2SC5636 TRANSISTOR
Q4 2SC5383-T111 TRANSISTOR
Q5 ,6 2SK508NV(K52) FET
Q7 SSM6L05FU-F FET
Q8 2SJ347F FET
Q9 ,10 2SC5636 TRANSISTOR
Q11 2SK1215-E(E) FET
•Note 1 : This part cannot be replaced. Therefore, this part is not supplied as a service part.
•If a part reference number is listed in a shaded box, that part does not come with the PCB.

NX-800
PARTS LIST
Ref. No. Parts No. Description
Address New
parts
Ref. No. Parts No. Description
Address New
parts Destination Destination
TX-RX UNIT (X57-7390-11)
39
Q101 2SC5108(Y)F TRANSISTOR
Q102 ∗2SC5455-A TRANSISTOR
Q105 DTC114EE DIGITAL TRANSISTOR
Q106 2SK1830F FET
Q201 DTA114EE DIGITAL TRANSISTOR
Q202 DTC144EE DIGITAL TRANSISTOR
Q203 2SC5636 TRANSISTOR
Q204,205 2SC3356(R23) TRANSISTOR
Q208 2SC5636 TRANSISTOR
Q210 2SC3357-A TRANSISTOR
Q212 EMD9 TRANSISTOR
Q401,402 DTC114EE DIGITAL TRANSISTOR
Q403 DTC114TE DIGITAL TRANSISTOR
Q404 2SJ645 FET
Q405 2SA1955A-F TRANSISTOR
Q406 UPA672T-A FET
Q407-409 12A02CH TRANSISTOR
Q410 SSM3K15TE(F) FET
Q411,412 2SA1955A-F TRANSISTOR
Q413-415 DTC114EE DIGITAL TRANSISTOR
Q416 SSM6L05FU-F FET
Q417 SSM5H01TU FET
Q501 UPA672T-A FET
Q701 SSM3K15TE(F) FET
Q702 2SC4617(Q) TRANSISTOR
Q703 SSM3K15TE(F) FET
Q704 2SC4738(GR)F TRANSISTOR
Q705 2SA1832(GR)F TRANSISTOR
Q706,707 2SJ243-A FET
Q708 2SA1832(GR)F TRANSISTOR
Q709 DTC114EE DIGITAL TRANSISTOR
Q710 DTC363EU DIGITAL TRANSISTOR
Q901,902 ∗QSX6 TRANSISTOR
TH101,102 ERTJ0EV104H THERMISTOR
TH701 ERTJ0EV104H THERMISTOR

40
NX-800
AB
1
2
3
1
37
34
27
36
Cx2
Cx2
35
Cx2
Dx2
Dx2
Dx3
Dx3
D
D
28
29
B
B
38
64
D
23
D
IC715
IC403
IC102
Bx2
26
TX-RX unit
(A/2)
(X57-) 25
D
D
Dx2
40
21
39
65
D
D
Dx2
A
A
55
41
20
D
D
542
TX-RX
unit (B/2)
(X57-)
43
701
702
703
704
707
705
706
60
4
11
32
32
52
62
59
56
53
32
32
54 Display unit
(X54-)
24
57
8
7
EXPLODED VIEW
Parts with the exploded numbers larger than 700 are not supplied.
If a part reference number is listed in a box on the exploded view of the PCB, that part does not come with the PCB. These parts must be ordered separately.
A :N09-2292-05
B :N67-3008-48
C :N87-2606-43
D :N87-2608-48

41
NX-800
PACKING
CD
1
2
3
Parts with the exploded numbers larger than 700 are not supplied.
46. PACKING FIXTURE
(H12-4236-05)
51. MIC HOLDER
(J19-1584-15)
63. MICROPHONE
(T91-0639-35)
30. FUSE(BLADE TYPE)15A/32V
(F52-0024-05)
45. PACKING FIXTURE
(H12-4235-05)
712
22. DC CORD ASSY
(E30-7523-35)
58. BRACKET
(J29-0726-03)
61. SCREW SET
(N99-2039-05)
44. INNER CARTON CASE
(H02-0630-03)
49. ITEM CARTON CASE
(H52-2195-02)
18. INSTRUCTION MANUAL
(B62-2000-00)
711

TROUBLE SHOOTING
NX-800
42
Fault diagnosis of the BGA (Ball Grid Array) IC
Overview: A flowchart for determining whether or not the transceiver can be powered on (the LCD does not function even if the
power switch is turned on) due to broken BGA parts.
BGA parts: ASIC (IC510), DSP (IC502), FLASH (IC501), SRAM (IC503)
When the BGA IC is problematic, please bring the printed circuit board (X57-7390-11) in for service. Various ESN/default adjust-
ment values are written on the printed circuit board for service. Additionally various ESN stickers are included. The power module
(RA30H4452M123), short connector (E37-1180-05) and button type lithium battery (W09-0971-05) do not belong to the printed
circuit board for service. Please use the part which has been attached to the printed circuit board. After the printed circuit board
has been readjusted, please attach any ESN stickers to the chassis. When "ESN Validation" is used with NXDN Trunking, you must
modify the ESN register.
● Checking power supply voltage
Checking voltage
Points to be checked Normal voltage
33M IC402 (5 pin) 3.3V
15M IC409 (5 pin) 1.5V
33A IC408 (5 pin) 3.3V
33BU D111 (Cathode side) 3.3V
Power supply of each device is connected through the coil.
[ASIC]
33M:L508 15M:L511 33A:R603
[DSP]
33M:L503 15M:L502
[FLASH]
33M:L501
[SRAM]
33BU:L522
● Checking the clock
Checking the clock
Points to be checked Normal voltage (3.3V)
18.432MHz ASIC side R569 18.432MHz
DSP side R511 18.432MHz
32.768kHz
IC504(1 pin) or R545
32.768kHz
When a normal value
is comfirmed.
● Checking the
Reset/Control signal
Checking the control signal input to the ASIC
Points to be checked Normal voltage
RST (RESET) IC506 (4 pin) 3.3V
/BINT IC401 (1 pin) 3.3V
/OVRB D403 (Cathode side) 3.3V
When a normal value
is comfirmed.
Checking the ASIC input switch signal
*Each signal is not masked by the setting of the FPU.
The POWER key is pressed and held.
Points to be checked Confirmed voltage
/PSW (R619) 0V
The ignition key is kept ON.
Points to be checked Confirmed voltage
/IGN (R618) 0V
When a normal value
is comfirmed.
Remove the R569, R511 and R545. If it oscillates
normally, the DSP and ASIC may be broken.
The BGA parts are not broken.
Checking for an abnormal point
33M has an abnormal voltage.
[ASIC]
Remove L508 to check the voltage of the 33M.
If the voltage becomes normal, the ASIC is broken.
[DSP]
Remove L503 to check the voltage of the 33M.
If the voltage becomes normal, the DSP is broken.
[FLASH]
Remove L501 to check the voltage of the 33M.
If the voltage becomes normal, the FLASH is broken.
15M has an abnormal voltage.
[ASIC]
Remove L511 to check the voltage of the 15M.
If the voltage becomes normal, the ASIC is broken.
[DSP]
Remove L502 to check the voltage of the 15M.
If the voltage becomes normal, the DSP is broken.
33A has an abnormal voltage.
[ASIC]
Remove R603 to check the voltage of the 33A.
If the voltage becomes normal, the ASIC is broken.
33BU has an abnormal voltage.
[SRAM]
Remove L522 to check the voltage of the 33BU.
If the voltage becomes normal, the SRAM is broken.
If the voltage is not corrected, there is a problem
other than the BGA parts.
When an abnormal
value is comfirmed.
When an
abnormal value
is comfirmed.
When an
abnormal value
is comfirmed.
When an abnormal
value is comfirmed.
When a normal value
is comfirmed.
● Checking the output signal
from the ASIC
Points to be checked Normal voltage
/FRST R509 3.3V
When a normal value
is comfirmed.
If the /FRST is always 0V, the ASIC is broken.
If the /FRST repeats 3.3V and 0V at intervals,
the ASIC, FLASH and SRAM may be broken.
When an abnormal
value is comfirmed.

TROUBLE SHOOTING
NX-800
43
● When an error display appears on the LCD.
The LCD displays "INIT ERROR1". An error occurs when the ASIC internal RAM reads
or writes. The ASIC may be broken.
The LCD displays "INIT ERROR2". An error occurs when the DSP internal RAM reads
or writes. The DSP may be broken.
The LCD displays "INIT ERROR3". An error occurs when the SRAM internal RAM
reads or writes. The SRAM may be broken.
● Checking the signal output
from the ASIC by software
control
● Panel control (TX-RX unit)
It is unlikely that the BGA parts are broken.
Points to be checked Normal voltage
/PRST R506 (Signal side) 3.3V
When a normal value
is comfirmed.
Points to be checked Normal voltage
SBC R408 3.3V
When a normal value
is comfirmed.
Points to be checked Normal voltage
80C C581 (Signal side) 8.0V
When a normal value
is comfirmed.
When a normal value
is comfirmed.
If the SBC is 3.3V and 80C regulator $IC403 (pin 1)
input side is 8.5V or more, the BGA parts are not broken.
Remove the Q501. If the ASIC side is 0V,
the ASIC/FALSH/SRAM may be broken.
Remove R408. If the ASIC side is 0V,
the ASIC/FALSH/SRAM may be broken.
When an abnormal
value is comfirmed.
When an abnormal
value is comfirmed.
● Panel control (TX-RX unit)
Checking voltage
Points to be checked Normal voltage
5C IC903 (5 pin) 5.0V
33C IC904 (5 pin) 3.3V
Checking the clock/reset
Points to be checked Normal voltage
Xout R948 11.059MHz (5.0V)
/PRST R947 (Signal side) 5.0V
FLASH R986 3.3V
When a normal value
is comfirmed.
When a normal value
is comfirmed.
The BGA parts are not broken.
When an
abnormal
value is
comfirmed.
Checking the Control signal
Points to be checked Normal voltage
/CS0 IC911 (48 pin) 3.3V→0V→3.3V
/RD IC911 (42 pin) 3.3V→0V→3.3V
When a normal value
is comfirmed.
When an abnormal
value is comfirmed.
Checking the Control signal
Points to be checked Normal voltage
/LCDRST R991 (Signal side) 3.3V
/CS3 IC912 (7 pin) 3.3V→0V→3.3V
If nothing is displayed even after replacing the panel,
the BGA may be broken.
The panel microcomputer receives a request of LCD
display from the ASIC. Then, the LCD displays.
The /LCDRST and /CS3 signal become abnormal if
communication is disabled due to a trouble in
the ASIC.
When an abnormal
value is comfirmed.
When an abnormal
value is comfirmed.
When an abnormal
value is comfirmed.
Points to be checked Normal voltage
/DRST R841 3.3V
When a normal value
is comfirmed.
If the /DRST is 0V, the ASIC/FALSH/SRAM are broken.
When an abnormal
value is comfirmed.
When a normal value
is comfirmed.

ADJUSTMENT
NX-800
44
Controls
Panel Test Mode
■ Test mode operation features
This transceiver has a test mode.
To enter test mode,
press and hold the [ ] key while turning the transceiver
power ON. Before the transceiver enters test mode, the
frequency version information appears on the LCD mo-
mentarily.
Test mode can be inhibited by programming. To
exit test mode, turn the transceiver power OFF. The follow-
ing functions are available in test mode.
■ Key operation
Key
“FNC” not appears on the sub LCD display
Function Display
[] / [ ]Test CH up/down Channel No.
[] / [ ]Volume up/down -
[ ] Push: Squelch level up Squelch level
Hold: Squelch off
Squelch off: icon appears
Wide : “w”
[ ] Wide/Narrow/Very narrow Narrow : “n”
Very narrow : “v”
[ ]
Shift to panel tuning mode
-
[ ] Function on “FNC” appears on the
sub LCD display
[ ] MSK 1200bps and 2400bps
2400bps : icon appears
[ ] Test signaling CH up Signaling No.
Key
“FNC” not appears
Function Display
Microphone key
[PTT] Transmit -
[0] to [9] Use as the DTMF keypad.
and If a key is pressed during
[A] to [D], transmission, the DTMF -
[#], [*]corresponding to the key
that was presses is sent.
Key
“FNC” appears on the sub LCD display
Function Display
[]- -
[ ] Analog/NXDN Analog: “A”
NXDN: “N”
[] / [ ]Function off -
[]- -
[ ] LCD all lights LCD all point appears
[ ]
High power/Low power
Low: icon appears
[ ] Function off -
[ ] Compander on/off
On: icon appears
[ ] Beat shift on/off
On: icon appears
Microphone key
[PTT] Transmit
[0] to [9]
and Function off -
[A] to [D],
[#], [*]
• LED indicator
Red LED Lights during transmission.
Green LED Lights when there is carrier.
• Sub LCD indicator
“FNC” Appears at function on.
• LCD display in panel test mode
KMC-36
Modular
MIC jack
Keypad
[HOOK]
Channel Up/Down key
[PTT]
Power switch
Volume Up/Down key
Programmable function keys
An SQ5 1- 1
Channel No.
An : Analog narrow mode
Aw : Analog wide mode
Nn : NXDN narrow mode
Nv : NXDN very narrow mode
Sub LCD
display
+25
Signaling No.
Main LCD display
Squelch level
(Analog mode only)
Temperature

ADJUSTMENT
NX-800
45
■ Frequency and Signaling
The transceiver has been adjusted for the frequencies
shown in the following table. When required, readjust them
following the adjustment procedure to obtain the frequencies
you want in actual operation.
• Test frequency
CH RX (MHz) TX (MHz)
1 485.05000 485.10000
2 450.05000 450.10000
3 519.95000 519.90000
4 485.00000 485.00000
5 485.20000 485.20000
6 485.40000 485.40000
7~16 - -
• Analog mode signaling
No. RX TX
1None None
2None 100Hz Square Wave
3LTR Data : LTR Data :
AREA=0, GOTO=12 AREA=0, GOTO=12
HOME=12 HOME=12
ID=47, FREE=25 ID=47, FREE=25
4QT : 67.0Hz QT : 67.0Hz
5QT : 151.4Hz QT : 151.4Hz
6QT : 210.7Hz QT : 210.7Hz
7QT : 254.1Hz QT : 254.1Hz
8DQT : D023N DQT : D023N
9DQT : D754I DQT : D754I
10 DTMF : 159D DTMF : 159D
11 None DTMF Code 9
12 2-tone : 2-tone :
A : 304.7Hz A : 304.7Hz
B : 3106.0Hz B : 3106.0Hz
13 Single Tone : 979.9Hz Single Tone : 979.9Hz
14 None Single Tone : 1000Hz
15 None MSK
16 MSK MSK
• NXDN mode signaling
No. RX TX
1RAN1 RAN1
2None PN9
3RAN1 Maximum deviation pattern
RAN: Radio Access Number
PN9: Pseudo-Random Pattern
(Factory only)
Panel Tuning Mode
■ Preparations for tuning the transceiver
Before attempting to tune the transceiver, connect the
unit to a suitable power supply.
Whenever the transmitter is turned, the unit must be con-
nected to a suitable dummy load (i.e. power meter).
The speaker output connector must be terminated with a
4Ω dummy load and connected to an AC voltmeter and an
audio distortion meter or a SINAD measurement meter at all
times during tuning.
■ Transceiver tuning (To enter tuning mode)
To enter tuning mode, press the [ ] key while the trans-
ceiver is in test mode. Use the [ ] key to write tuning data
through tuning modes, and the [ ]/[ ] key to adjust tuning
requirements (1 to 4096 appears on the LCD).
Use the [ ] key to select the adjustment item through
tuning modes. Use the [ ] key to adjust 5 reference level
adjustments, and use the [■] key to switch between Wide/
Narrow/Very narrow.
• LCD display in panel tuning mode
An CNTR 256
Proper value guide
(When the frequency adjustment
is necessary, ▼ or ▲ is displayed.)
Adjustment
point
L
L'
C
H'
H
2.6
Adjustment value
(1~4096)
Adjustment item
An: Analog narrow mode
Aw: Analog wide mode
Nn: NXDN narrow mode
Nv: NXDN very narrow mode
CV voltage, AD value, etc
Main LCD display
Sub LCD display

ADJUSTMENT
NX-800
46
■ 5 reference level adjustments frequency
Tuning point RX (MHz) TX (MHz)
Low 450.05000 450.10000
Low’ 467.55000 467.60000
Center 485.05000 485.10000
High’ 502.55000 502.60000
High 519.95000 519.90000
■ Key operation
Key
Function
Push Hold (1 second)
[] / [ ]
Adjustment value up/down
Continuation up/down
[] / [ ]Volume up/down Continuation up/down
[ ] Auto adjustment start -
[ ] Wide/Narrow/Very narrow -
[ ]
Shift to panel test mode
-
To enter 5 reference level
[ ] adjustments -
L/L’/C/H’/H
[ ]
Writes the adjustment value
-
[ ]
Go to next adjustment item
Back to last adjustment item
Microphone key
[PTT] Transmit -
[0] to [9]
and --
[A] to [D],
[#], [*]
■ Adjustment item and Display
Aw An Nn Nv Adjust item
Order Adjusutment item Main LCD Sub-LCD display
(Analog Wide) (Analog Narrow) (NXDN Narrow)
(NXDN Very Narrow)
Number
display Adjustment range
1LCD contrast CNTR - 1 point ADJ Common
1~256 Section 2
2Receive Assist RAST (CV voltage) 5 point ADJ Common
1~4096 Section 3
3Transmit Assist TAST (CV voltage) 5 point ADJ Common
1~4096 Section 3
4RTC RTC - 1 point ADJ Common
(Real-time clock) -62~-1/0/+1~+62 Section 4
5High Transmit HILMT - -5--Transmitter
Power Limit 1~256 Section 1
6Low Transmit LOLMT - -5--Transmitter
Power Limit 1~256 Section 2
7High Transmit HIPWR - -5--Transmitter
Power 1~1024 Section 3
8Low Transmit LOPWR - -5--Transmitter
Power 1~1024 Section 4
9Balance BAL
(Encode frequency)
-5--Transmitter
1~256 Section 5
10 Maximum Deviation NDEV - --55Transmitter
(NXDN) 1~1024 Section 6
11 Maximum Deviation ADEV - 55 --Transmitter
(Analog) 1~1024 Section 7

ADJUSTMENT
NX-800
47
Aw An Nn Nv Adjust item
Order Adjusutment item Main LCD Sub-LCD display
(Analog Wide) (Analog Narrow) (NXDN Narrow)
(NXDN Very Narrow)
Number
display Adjustment range
12 QT Deviation QT - 11 --Transmitter
1~1024 Section 8
13 DQT Deviation DQT - 11 --Transmitter
1~1024 Section 9
14 LTR Deviation LTR - 11 --Transmitter
1~1024 Section 10
15 DTMF Deviation DTMF - 11 --Transmitter
1~1024 Section 11
16 Single Tone Deviation TONE - 11 --Transmitter
1~1024 Section 12
17 MSK Deviation MSK - 11 --Transmitter
1~1024 Section 13
18 CWID Deviation CWID - ---1Transmitter
1~1024 Section 14
19 Sensitivity 1 SENS1 (RSSI - 5 - - Receive
measurement value)
1~256 Section 2
20 Sensitivity 2 SENS2 (RSSI - 5 - - Receive
measurement value)
1~256 Section 3
21 RSSI Reference RRSSI (RSSI 5 5 - *1 5 Receive
measurement value)
1~256 Section 4
22 Open Squelch SQL (ASQDET 5 5 - *1 5 Receive
measurement value)
1~256 Section 5
23 Low RSSI LRSSI (RSSI 5 5 - *1 5 Receive
measurement value)
1~256 Section 6
24 High RSSI HRSSI (RSSI 5 5 - *1 5 Receive
measurement value)
1~256 Section 7
25 Tight Squelch SQLT (ASQDET 5 5 - - Receive
measurement value)
1~256 Section 8
*1: Because NXDN Narrow adjusted by adjusting Analog Narrow, it is not necessary to adjust NXDN Narrow.

ADJUSTMENT
NX-800
48
■ Panel tuning mode flow chart
LCD Contrast
CNTR
5 reference level
Adjustments
Adjustment Item
LCD Display N/W/VN
For all adjustment items, press the [ ] key to write the adjustment value.
5 reference level
Adjustments
5 reference level
Adjustments exit
5 reference level
Adjustments
[■]
5 reference level
Adjustments
5 reference level
Adjustments
High Power Limit
HILMT
Low Power Limit
LOLMT
RX Assist
RAST
TX Assist
TAST
RTC
RTC
High Power
HIPWR
Low
L
Adjustment Point
LCD Display
Low-Center
L'
Center
C
Center-High
H'
High
H
Low Power
LOPWR
Balance
BAL
5 reference level
Adjustments
Sensitivity 1
SENS1
NXDN Deviation
NDEV Narrow
Narrow
Narrow
Narrow
Narrow
Narrow
NXDN Deviation Very
Narrow
[■]
5 reference level
Adjustments
Analog Max Deviation
ADEV Narrow Analog Max Deviation Wide
[■]
QT Deviation
QT Narrow QT Deviation Wide
[■]
DQT Deviation
DQT Narrow DQT Deviation Wide
[■]
LTR Deviation
LTR Narrow LTR Deviation Wide
[■]
DTMF Deviation
DTMF Narrow DTMF Deviation Wide
[■]
Single Tone Deviation
TONE Narrow Single Tone Deviation Wide
[■]
MSK Deviation
MSK Narrow
Narrow
5 reference level
Adjustments
Sensitivity 2
SENS2 Narrow
CW ID Deviation
CWID
Very
Narrow
MSK Deviation Narrow
[■]
5 reference level
Adjustments
RSSI(Reference)
RRSSI Narrow RSSI(Reference) Wide [■] [■]
RSSI(Reference) Very
Narrow
[■]
5 reference level
Adjustments
Squelch(Open)
SQL Narrow Squelch(Open) Wide [■] [■]
Squelch(Open) Very
Narrow
[■]
5 reference level
Adjustments
RSSI(Low)
LRSSI Narrow RSSI(Low) Wide [■] [■]
RSSI(Low) Very
Narrow
[■]
5 reference level
Adjustments
RSSI(High)
HRSSI
RSSI(High)
HRSSI
RSSI(High)
HRSSI
Narrow Wide [■] [■]
Very
Narrow
[■]
5 reference level
Adjustments
Squelch(Tight)
SQLT
Squelch(Tight)
SQLT
Narrow Wide
Panel Test Mode
[ ]
[ ]
[ ]
[ ]
[ ]
[ ]
[ ]
5 reference level
Adjustments
5 reference level
Adjustments
[ ]
[ ]
5 reference level
Adjustments
5 reference level
Adjustments
[ ]
[ ]
[ ]
[ ]
[ ]
[ ]
[ ] [ ][ ]
[ ]
[ ]
[ ]
[ ]
[ ]
[ ]
[ ]
[ ]
[ ]
[ ]
[ ]
[ ]
[ ]
[ ]
[ ]
[ ]
[ ]
[ ]
[ ]
[ ]press [ ]hold
[ ]hold
[ ]press [ ]hold
[ ]press [ ]hold
[ ]press [ ]hold
[ ]press [ ]hold
[ ]press [ ]hold
[ ]press [ ]hold
[ ]press [ ]hold
[ ]press [ ]hold
[ ]press [ ]hold
[ ]press [ ]hold
[ ]press [ ]hold
[ ]press [ ]hold
[ ]press [ ]hold
[ ]press [ ]hold
[ ]press [ ]hold
[ ]press [ ]hold
[ ]press [ ]hold
[ ]press [ ]hold
[ ]press [ ]hold
[ ]press [ ]hold
[ ]press [ ]hold
[ ]press [ ]hold
[ ]press [ ]hold
[ ]press [ ]hold
[ ]

ADJUSTMENT
NX-800
49
Test Equipment Required for Alignment
Test Equipment Major Specifications
1. Standard Signal Generator Frequency Range
400 to 520MHz
(SSG) Modulation Frequency modulation and external modulation
Output -127dBm/0.1µV to greater than -20dBm/22.4mV
* When performing the Frequency adjustment, the following accuracy is necessary.
• 0.001ppm
Use a standard oscillator for adjustments, if necessary.
2. Power Meter Input Impedance 50Ω
Operation Frequency
400 to 520MHz
Measurement Range Vicinity of 100W
3. Deviation Meter Frequency Range
400 to 520MHz
4. Digital Volt Meter Measuring Range 10mV to 20V DC
(DVM) Input Impedance High input impedance for minimum circuit loading
5. Oscilloscope DC through 30MHz
6. High Sensitivity Frequency Range 10Hz to 1000MHz
Frequency Counter Frequency Stability 0.01ppm or less
7. Ammeter 20A or more
8. AF Volt Meter Frequency Range 50Hz to 10kHz
(AF VTVM) Voltage Range 1mV to 10V
9. Audio Generator (AG) Frequency Range 50Hz to 5kHz or more
Output 0 to 1V
10. Distortion Meter Capability 3% or less at 1kHz
Input Level 50mV to 10Vrms
11. 4Ω Dummy Load Approx. 4Ω, 20W
12. Regulated Power Supply 13.6V, approx. 20A (adjustable from 9V to 20V)
Useful if ammeter equipped
1
8
1 : BLC/AFO
2 : +B
3 : GND
4 : PTT/TXD
(PC serial data
from radio)
MIC connector (Front panel view)
5 : MICE
6 : MIC
7 : HOOK/RXD
(PC serial data
to radio)
8 : DM/KVL
Test cable for microphone input (E30-3360-08)
3
2
4
5
6
7
8
3
1
2
4
5
6
7
8
1GREEN
RED
BLACK
BLUE
SHIELD
WHITE
GRAY
YELLOW
PTT
E
MIC-E
MIC
HK
Tuning cable (E30-3383-05)
Adapter cable (E30-3383-05) is
required for injecting an audio if
PC tuning is used.
See “PC Mode” section fot the
connection.
Lead wire +
MIC
Shield wire –

Item
Condition Measurement Adjustment
Specifications/
Remarks
Test-
equipment Unit Terminal PartsUnit Method
PC test modePanel test mode
ADJUSTMENT
NX-800
50
Radio Check Section
0.3±0.25ppm
+24.255Hz~
+266.805Hz
@485.1MHz
25W~35W
9.0A or less
21W~29W
9.0A or less
3.5W~6.5W
5.0A or less
Dev: 3kHz at
5mV±1mV
1. Frequency
check
2. High power
check
3. Low power
check
4. MIC
sensitivity
check
1) CH-Sig : 1-1
PTT : ON
1) CH-Sig : 1-1
PTT : ON
2) CH-Sig : 2-1
PTT : ON
3) CH-Sig : 3-1
PTT : ON
1) CH-Sig : 1-1
PTT : ON
2) CH-Sig : 2-1
PTT : ON
3) CH-Sig : 3-1
PTT : ON
1) CH-Sig : 1-1
AG : 1kHz
PTT : ON
1) Test Channel
Channel : 1
Test Signaling
Mode : Analog
Signaling : 1
PTT : Press [Transmit]
button.
1) Test Channel
Channel : 1
Test Signaling
Mode : Analog
Signaling : 1
PTT : Press [Transmit]
button.
2) Test Channel
Channel : 2
Test Signaling
Mode : Analog
Signaling : 1
PTT : Press [Transmit]
button.
3) Test Channel
Channel : 3
Test Signaling
Mode : Analog
Signaling : 1
PTT : Press [Transmit]
button.
1) Test Channel
Channel : 1
Test Signaling
Mode : Analog
Signaling : 1
PTT : Press [Transmit]
button.
2) Test Channel
Channel : 2
Test Signaling
Mode : Analog
Signaling : 1
PTT : Press [Transmit]
button.
3) Test Channel
Channel : 3
Test Signaling
Mode : Analog
Signaling : 1
PTT : Press [Transmit]
button.
1) Test Channel
Channel : 1
Test Signaling
Mode : Analog
Signaling : 1
AG : 1kHz
PTT : Press [Transmit]
button.
f. counter
Power
meter
Ammeter
Deviation
meter
Oscilloscope
AG
AF VTVM
Panel ANT Check an internal
temperature of radio
within 25˚C ± 2˚C.
Check
Adjust AG input to
get a standard MOD.

Item
Condition Measurement Adjustment
Specifications/
Remarks
Test-
equipment Unit Terminal PartsUnit Method
PC test modePanel test mode
ADJUSTMENT
NX-800
51
Common Section
1. Setting
2. LCD contrast
3. Receive
Assist
Transmit
Assist
4. RTC
oscillation
frequency
adjust
Adjust the LCD
contrast by looking.
The sub LCD display
and [V] indicator on
the PC window
shows VCO lock
voltage. Change the
adjustment value to
get VCO lock voltage
within the limit of the
specified voltage.
Note:
Confirm the VCO
lock voltage
approximately 3
seconds after the
adjustment value is
changed.
[Panel tuning mode]
Press [ ] key. After
automatic adjustment
adjusted value is
displayed on LCD.
Press [ ] key to store
the adjustment value.
[PC test mode]
Press [Start] button of
“Auto Tuning”. Press
[Apply] button to store
the adjustment value
after the automatic
adjustment was
finished.
After replacing
the LCD align
contrast.
3.0V±0.1V
[PC test mode]
Press [Apply All]
button to store the
adjustment value
after all
adjustment point
was adjusted.
Adjustment of the
transceiver’s
internal clock.
[Panel
tuning
mode]
[],[ ]
[PC test
mode]
[],[ ]
[ ]
1) Adj item:[CNTR]
Adjust:[***]
Press [ ] key to store
the adjustment value.
1) Adj item:[RAST]
Adjust:[***]
2)
Adj item:[L RAST]→
[L’ RAST]→[C RAST]→
[H’ RAST]→[H RAST]
Adjust:[***]
Press [ ] key to store
the adjustment value.
1) Adj item:[TAST]
Adjust:[***]
2)
Adj item:[L TAST]→
[L’ TAST]→[C TAST]→
[H’ TAST]→[H TAST]
Adjust:[***]
PTT : ON
Press [ ] key to store
the adjustment value.
1) Adj item:[RTC]
Adjust:[***]
1)
Adj item:[LCD Contrast]
Press [Apply] button
to store the
adjustment value.
1) Adj item:[Receive
Assist]
2) Adj item:[Low]
[Low’]
[Center]
[High’]
[High]
Press [Apply All] button to
store the adjustment value.
1) Adj item:[Transmit
Assist]
2) Adj item:[Low]
[Low’]
[Center]
[High’]
[High]
PTT: Press [Transmit]
button.
Press [Apply All] button to
store the adjustment value.
1) Adj item:
[RTC(Real-time clock)]
1) DC voltage:13.6V
2) SSG standard modulation
[Wide] MOD:1kHz,DEV:3kHz
[Narrow] MOD: 1kHz,DEV: 1.5kHz
5. Sensitivity
check
1) CH-Sig : 1-1
SSG output
Wide:
–117dBm (0.32µV)
(MOD: 1kHz/±3kHz)
Narrow:
–117dBm (0.32µV)
(MOD: 1kHz,
Dev: ±1.5kHz)
1) Test Channel
Channel : 1
Test Signaling
Mode : Analog
Signaling : 1
SSG output
Wide: –117dBm
(0.32µV)
(MOD: 1kHz/±3kHz)
Narrow:
–117dBm (0.32µV)
(MOD : 1kHz,
Dev: ±1.5kHz)
SSG
AF VTVM
Oscilloscope
Distortion
meter
ANT
EXT SP
connector
Check 12dB SINAD or
more
Item
Condition Measurement Adjustment
Specifications/
Remarks
Test-
equipment Unit Terminal PartsUnit Method
PC test modePanel tuning mode

Item
Condition Measurement Adjustment
Specifications/
Remarks
Test-
equipment Unit Terminal PartsUnit Method
PC test modePanel tuning mode
ADJUSTMENT
NX-800
52
5. Frequency
adjust
SSG ANT [PC test mode]
Press [Start] button of
“Auto Tuning”. Press
[Apply] button to store
the adjustment value
after the automatic
adjustment was
finished.
[PC test mode]
The value of
“IF20” will
become around
“0” after the
adjustment was
finished.
[ ] * The Frequency
adjustment can be
performed only in
PC test mode.
1) Adj item:
[Frequency]
2)
CH-Sig: 1-1
SSG output : -20dBm
(CW (without
modulation))
Caution:
Perform the frequency
adjustment under the
following conditions.
• Temperature range
of +23˚C to +27˚C
(+73.4˚F to +80.6˚F).
(The temperature is
displayed on the
Frequency adjustment
screen of the KPG-
111D and the LCD
of the transceiver.)
• Use an accuracy of
0.001ppm for the
SSG. (Use a standard
oscillator if necessary.
)
Transmitter Section
Item
Condition Measurement Adjustment
Specifications/
Remarks
Test-
equipment Unit Terminal PartsUnit Method
PC test modePanel tuning mode
1.
High Transmit
Power Limit
adjust
1) Adj item:[HILMT]
Adjust:[****]
2) Adj item:
[L HILMT]→
[L’ HILMT]→
[C HILMT]→
[H’ HILMT]→
[H HILMT]
Adjust:[****]
PTT : ON
Press [ ] key to store
the adjustment value.
1) Adj item:
[High Transmit
Power Limit]
2) Adj item:[Low]
[Low’]
[Center]
[High’]
[High]
PTT : Press [Transmit]
button.
Press [Apply All] button to
store the adjustment value.
Power
meter
Ammeter
ANT [L HILMT]: 33W
[L’ HILMT]: 33W
[C HILMT]: 33W
[H’ HILMT]: 28W
[H HILMT]: 28W
±3.0W
[PC test mode]
Press [Apply All]
button to store the
adjustment value
after all
adjustment point
was adjusted.
CAUTION!
Do not attempt to
adjust the transceiver’s
transmit output power
beyond its specifications.
If the transceiver is
adjusted beyond the
specifications, it may
cause deterioration of
the parts reliability and
the output power may
be lowered suddenly
and unstable.
The transceiver may be
also extremely hot.
[Panel
tuning
mode]
[],[ ]
[PC test
mode]
[],[ ]

Item
Condition Measurement Adjustment
Specifications/
Remarks
Test-
equipment Unit Terminal PartsUnit Method
PC test modePanel tuning mode
ADJUSTMENT
NX-800
53
2.
Low Transmit
Power Limit
adjust
3.
High Transmit
Power
adjust
4.
Low Transmit
Power
adjust
5. Balance
adjust *2
1) Adj item:[LOLMT]
Adjust:[****]
2) Adj item:
[L LOLMT]→
[L’ LOLMT]→
[C LOLMT]→
[H’ LOLMT]→
[H LOLMT]
Adjust:[****]
PTT : ON
Press [ ] key to store
the adjustment value.
1) Adj item:[HIPWR]
Adjust:[****]
2)
Adj item:[L HIPWR]→
[L’ HIPWR]→
[C HIPWR]→
[H’ HIPWR]→
[H HIPWR]
Adjust:[****]
PTT : ON
Press [ ] key to store
the adjustment value.
1) Adj item:[LOPWR]
Adjust:[****]
2)
Adj item:[L LOPWR]→
[L’ LOPWR]→
[C LOPWR]→
[H’ LOPWR]→
[H LOPWR]
Adjust:[****]
PTT : ON
Press [ ] key to store
the adjustment value.
1) Adj item:[BAL]
Adjust:[***]
Deviation meter
LPF : 3kHz
HPF : OFF
2)
Adj item:[L BAL]→
[L’ BAL]→[C BAL]→
[H’ BAL]→[H BAL]
Adjust:[***]
PTT : ON
Press [ ] key to store
the adjustment value.
Sub LCD: Tone frequency
[] key: Press while
transmitting to change
20Hz and 2kHz
1) Adj item:
[Low Transmit
Power Limit]
2) Adj item:[Low]
[Low’]
[Center]
[High’]
[High]
PTT : Press [Transmit]
button.
Press [Apply All] button to
store the adjustment value.
1) Adj item: [High
Transmit Power]
2) Adj item:[Low]
[Low’]
[Center]
[High’]
[High]
PTT : Press [Transmit]
button.
Press [Apply All] button to
store the adjustment value.
1) Adj item:
[Low Transmit Power]
2) Adj item:[Low]
[Low’]
[Center]
[High’]
[High]
PTT : Press [Transmit]
button.
Press [Apply All] button to
store the adjustment value.
1) Adj item:[Balance]
Deviation meter
LPF : 3kHz
HPF : OFF
2) Adj item:[Low]
[Low’]
[Center]
[High’]
[High]
PTT : Press [Transmit]
button.
Press [Apply All] button to
store the adjustment value.
[2kHz Sine Wave
Check box]: Check
while transmitting
change to 2kHz.
Power
meter
Ammeter
Deviation
meter
Oscilloscope
ANT 15.0W
[L HIPWR]: 30.0W
[L’ HIPWR]: 30.0W
[C HIPWR]: 30.0W
[H’ HIPWR]: 25.0W
[H HIPWR]: 25.0W
5.0W
The Deviation of
20Hz frequency is
fixed. Change the
2kHz adjustment
value to become
the same deviation
of 20Hz within the
specified range.
±1.0W
[PC test mode]
Press [Apply All]
button to store the
adjustment value
after all
adjustment point
was adjusted.
CAUTION!
Do not attempt to
adjust the transceiver’s
transmit output power
beyond its specifications.
If the transceiver is
adjusted beyond the
specifications, it may
cause deterioration of
the parts reliability and
the output power may
be lowered suddenly
and unstable.
The transceiver may be
also extremely hot.
±1.0W
9.0A or less
[PC test mode]
Press [Apply All]
button to store the
adjustment value
after all
adjustment point
was adjusted.
±0.5W
5.0A or less
[PC test mode]
Press [Apply All]
button to store the
adjustment value
after all
adjustment point
was adjusted.
2kHz Tone
deviation is within
±1.0% of 20Hz
tone deviation.
[PC test mode]
Press [Apply All]
button to store the
adjustment value
after all
adjustment point
was adjusted.
[Panel
tuning
mode]
[],[ ]
[PC test
mode]
[],[ ]
*2: Refer to the “Mode, Signaling, Necessary adjustment and order” table on page 57.
Balance adjustment is common with the adjustment of all signaling deviation.

Item
Condition Measurement Adjustment
Specifications/
Remarks
Test-
equipment Unit Terminal PartsUnit Method
PC test modePanel tuning mode
ADJUSTMENT
NX-800
54
6.
Maximum
Deviation
(NXDN)
adjust *3
[Narrow]
[Very Narrow]
7.
Maximum
Deviation
(Analog)
adjust *3
[Narrow]
[Wide]
1)
Adj item:[Nn NDEV]
Adjust:[****]
Deviation meter
LPF : 3kHz
HPF : OFF
2) Adj item:
[NnL NDEV]→
[NnL’ NDEV]→
[NnC NDEV]→
[NnH’ NDEV]→
[NnH NDEV]
Adjust:[****]
PTT : ON
Press [ ] key to store
the adjustment value.
1)
Adj item:[Nv NDEV]
Adjust:[****]
2) Adj item:
[NvL NDEV]→
[NvL’ NDEV]→
[NvC NDEV]→
[NvH’ NDEV]→
[NvH NDEV]
Adjust:[****]
PTT : ON
Press [ ] key to store
the adjustment value.
1)
Adj item:[An ADEV]
Adjust:[****]
Deviation meter
LPF : 15kHz
HPF : OFF
2) Adj item:
[AnL ADEV]→
[AnL’ ADEV]→
[AnC ADEV]→
[AnH’ ADEV]→
[AnH ADEV]
Adjust:[****]
PTT : ON
Press [ ] key to store
the adjustment value.
1)
Adj item:[Aw ADEV]
Adjust:[****]
2) Adj item:
[AwL ADEV]→
[AwL’ ADEV]→
[AwC ADEV]→
[AwH’ ADEV]→
[AwH ADEV]
Adjust:[****]
PTT : ON
Press [ ] key to store
the adjustment value.
1)
Adj item:[ Maximum
Deviation(NXDN
Narrow)]
Deviation meter
LPF : 3kHz
HPF : OFF
2) Adj item:[Low]
[Low’]
[Center]
[High’]
[High]
PTT : Press [Transmit]
button.
Press [Apply All] button to
store the adjustment value.
1)
Adj item:[ Maximum
Deviation(NXDN
Very Narrow)]
2) Adj item:[Low]
[Low’]
[Center]
[High’]
[High]
PTT : Press [Transmit]
button.
Press [Apply All] button to
store the adjustment value.
1)
Adj item:[ Maximum
Deviation(Analog
Narrow)]
Deviation meter
LPF : 15kHz
HPF : OFF
2) Adj item:[Low]
[Low’]
[Center]
[High’]
[High]
PTT : Press [Transmit]
button.
Press [Apply All] button to
store the adjustment value.
1)
Adj item:[ Maximum
Deviation(Analog
Wide)]
2) Adj item:[Low]
[Low’]
[Center]
[High’]
[High]
PTT : Press [Transmit]
button.
Press [Apply All] button to
store the adjustment value.
Deviation
meter
Oscilloscope
ANT 3056Hz
1337Hz
Write the same
adjustment value of
“NXDN Deviation
[Narrow]” for each
adjustment point.
Transmit at each
adjustment point and
check that the Analog
deviation is between
2050Hz and 2150Hz.
Deviation meter
LPF: 15kHz
HPF: OFF
[Panel tuning mode]
PTT: ON
[PC test mode]
PTT: Press
[Transmit] button
Write the same
adjustment value of
“NXDN Deviation
[Narrow]” for each
adjustment point.
Transmit at each
adjustment point and
check that the Analog
deviation is between
4150Hz and 4250Hz.
Deviation meter
LPF: 15kHz
HPF: OFF
[Panel tuning mode]
PTT: ON
[PC test mode]
PTT: Press
[Transmit] button
±50Hz
[PC test mode]
Press [Apply All]
button to store the
adjustment value
after all
adjustment point
was adjusted.
±50Hz
[PC test mode]
Press [Apply All]
button to store the
adjustment value
after all
adjustment point
was adjusted.
2050~2150Hz
[PC test mode]
Press [Apply All]
button to store the
adjustment value
after all
adjustment point
was adjusted.
4150~4250Hz
[PC test mode]
Press [Apply All]
button to store the
adjustment value
after all
adjustment point
was adjusted.
[Panel
tuning
mode]
[],[ ]
[PC test
mode]
[],[ ]
*3: Refer to the “Mode, Signaling, Necessary adjustment and order” table on page 57.
Analog deviation adjustment (Narrow/Wide) is common with the adjustment of all analog signaling.

Item
Condition Measurement Adjustment
Specifications/
Remarks
Test-
equipment Unit Terminal PartsUnit Method
PC test modePanel tuning mode
ADJUSTMENT
NX-800
55
8. QT Deviation
adjust *4
[Narrow]
[Wide]
9. DQT
Deviation
adjust *4
[Narrow]
[Wide]
10.
LTR
Deviation
adjust *4
[Narrow]
[Wide]
11.
DTMF
Deviation
adjust *4
[Narrow]
[Wide]
Deviation
meter
Oscilloscope
ANT Write the value as
followings.
513 (Reference
value)
Write the value as
followings.
430 (Reference
value)
Write the value as
followings.
465 (Reference
value)
Write the value as
followings.
650 (Reference
value)
0.30~0.40kHz
0.70~0.80kHz
0.30~0.40kHz
0.70~0.80kHz
0.65~0.85kHz
0.90~1.10kHz
1.40~1.60kHz
2.90~3.10kHz
[Panel
tuning
mode]
[],[ ]
[PC test
mode]
[],[ ]
1) Adj item:[An QT]
Adjust:[****]
Deviation meter
LPF : 3kHz
HPF : OFF
PTT : ON
Press [ ] key to store
the adjustment value.
1) Adj item:[Aw QT]
Adjust:[****]
PTT : ON
Press [ ] key to store
the adjustment value.
1) Adj item:[An DQT]
Adjust:[****]
Deviation meter
LPF : 3kHz
HPF : OFF
PTT : ON
Press [ ] key to store
the adjustment value.
1) Adj item:[Aw DQT]
Adjust:[****]
PTT : ON
Press [ ] key to store
the adjustment value.
1) Adj item:[An LTR]
Adjust:[****]
Deviation meter
LPF : 3kHz
HPF : OFF
PTT : ON
Press [ ] key to store
the adjustment value.
1) Adj item:[Aw LTR]
Adjust:[****]
PTT : ON
Press [ ] key to store
the adjustment value.
1)
Adj item:[An DTMF]
Adjust:[****]
Deviation meter
LPF : 15kHz
HPF : OFF
PTT : ON
Press [ ] key to store
the adjustment value.
1)
Adj item:[Aw DTMF]
Adjust:[****]
PTT : ON
Press [ ] key to store
the adjustment value.
1) Adj item:[QT
Deviation (Narrow)]
Deviation meter
LPF : 3kHz
HPF : OFF
PTT : Press [Transmit]
button.
Press [Apply] button to
store the adjustment value.
1) Adj item:[QT
Deviation (Wide)]
PTT : Press [Transmit]
button.
Press [Apply] button to
store the adjustment value.
1) Adj item:[DQT
Deviation (Narrow)]
Deviation meter
LPF : 3kHz
HPF : OFF
PTT : Press [Transmit]
button.
Press [Apply] button to
store the adjustment value.
1) Adj item:[DQT
Deviation (Wide)]
PTT : Press [Transmit]
button.
Press [Apply] button to
store the adjustment value.
1) Adj item:[LTR
Deviation (Narrow)]
Deviation meter
LPF : 3kHz
HPF : OFF
PTT : Press [Transmit]
button.
Press [Apply] button to
store the adjustment value.
1) Adj item:[LTR
Deviation (Wide)]
PTT : Press [Transmit]
button.
Press [Apply] button to
store the adjustment value.
1) Adj item:[DTMF
Deviation (Narrow)]
Deviation meter
LPF : 15kHz
HPF : OFF
PTT : Press [Transmit]
button.
Press [Apply] button to
store the adjustment value.
1) Adj item:[DTMF
Deviation (Wide)]
PTT : Press [Transmit]
button.
Press [Apply] button to
store the adjustment value.
*4: Refer to the “Mode, Signaling, Necessary adjustment and order” table on page 57.

Item
Condition Measurement Adjustment
Specifications/
Remarks
Test-
equipment Unit Terminal PartsUnit Method
PC test modePanel tuning mode
ADJUSTMENT
NX-800
56
12.
Single Tone
Deviation
(2TONE
deviation
adjust)
adjust *4
[Narrow]
[Wide]
13.
MSK
Deviation
adjust *4
[Narrow]
[Wide]
14.
CWID
Deviation
adjust *4
[Very Narrow]
1)
Adj item:[An TONE]
Adjust:[****]
Deviation meter
LPF : 15kHz
HPF : OFF
PTT : ON
Press [ ] key to store
the adjustment value.
1)
Adj item:[Aw TONE]
Adjust:[****]
PTT : ON
Press [ ] key to store
the adjustment value.
1) Adj item:[An MSK]
Adjust:[****]
Deviation meter
LPF : 15kHz
HPF : OFF
PTT : ON
Press [ ] key to store
the adjustment value.
1) Adj item:[Aw MSK]
Adjust:[****]
PTT : ON
Press [ ] key to store
the adjustment value.
1)
Adj item:[Nv CWID]
Adjust:[****]
Deviation meter
LPF : 3kHz
HPF : OFF
PTT : ON
Press [ ] key to store
the adjustment value.
1)
Adj item:[Single Tone
Deviation (Narrow)]
Deviation meter
LPF : 15kHz
HPF : OFF
PTT : Press [Transmit]
button.
Press [Apply] button to
store the adjustment value.
1)
Adj item:[Single Tone
Deviation (Wide)]
PTT : Press [Transmit]
button.
Press [Apply] button to
store the adjustment value.
1) Adj item:[MSK
Deviation (Narrow)]
Deviation meter
LPF : 15kHz
HPF : OFF
PTT : Press [Transmit]
button.
Press [Apply] button to
store the adjustment value.
1) Adj item:[MSK
Deviation (Wide)]
PTT : Press [Transmit]
button.
Press [Apply] button to
store the adjustment value.
1) Adj item:[CWID
Deviation]
Deviation meter
LPF : 3kHz
HPF : OFF
PTT : Press [Transmit]
button.
Press [Apply] button to
store the adjustment value.
Deviation
meter
Oscilloscope
ANT Write the value as
followings.
513 (Reference
value)
Write the value as
followings.
513 (Reference
value)
Write the value as
followings.
375 (Reference
value)
1.40~1.60kHz
2.90~3.10kHz
1.40~1.60kHz
2.90~3.10kHz
0.90~1.10kHz
[Panel
tuning
mode]
[],[ ]
[PC test
mode]
[],[ ]
*4: Refer to the “Mode, Signaling, Necessary adjustment and order” table on page 57.

ADJUSTMENT
NX-800
57
1. AF level
setting
2. Sensitivity 1
adjust
(BPF adjust)
SSG
DVM
AF VTVM
Dummy
load (4Ω)
ANT
Ext.SP
connector
Volume Up/Down
knob to obtain
2.83V AF output.
(2.0W @ 4Ω load)
Write the value as
followings
[L SENS1] / [Low]
: 90
[L’ SENS1] / [Low’]
: 119
[C SENS1] / [Center]
: 150
[H’ SENS1] / [High’]
: 184
[H SENS1] / [High]
: 224
2.83V±0.3V
Output voltage
adjustment of
IC206
[],[ ]
[Panel
tuning
mode]
[],[ ]
[PC test
mode]
[],[ ]
[Panel test mode]
1) CH-Sig : 1-1
SSG output:
-47dBm (1mV)
(MOD: 1kHz,
Dev: ±1.5kHz)
1) Adj item:[SENS1]
Adjust:[***]
2) Adj item:
[L SENS1]→
[L’ SENS1]→
[C SENS1]→
[H’ SENS1]→
[H SENS1]
Adjust:[***]
Press [ ] key to store
the adjustment value.
1) Test Channel
Channel : 1
Test Signaling
Mode : Analog
Signaling : 1
SSG output:
-47dBm (1mV)
(MOD: 1kHz,
Dev: ±1.5kHz)
1)
Adj item:[Sensitivity 1]
2) Adj item:[Low]
[Low’]
[Center]
[High’]
[High]
Press [Apply All] button to
store the adjustment value.
Receiver Section
Item
Condition Measurement Adjustment
Specifications/
Remarks
Test-
equipment Unit Terminal PartsUnit Method
PC test modePanel tuning mode
■ Mode, Signaling, Necessary adjustment and order
Mode Signaling Necessary adjustment and order
Wide Narrow Very Narrow
Analog Audio 1. Balance adjust 1. Balance adjust -
2. Analog Deviation adjust [Wide] 2. Analog Deviation adjust [Narrow]
QT 1. Balance adjust 1. Balance adjust
2. Analog Deviation adjust [Wide] 2. Analog Deviation adjust [Narrow] -
3. QT Deviation adjust [Wide] 3. QT Deviation adjust [Narrow]
DQT 1. Balance adjust 1. Balance adjust
2. Analog Deviation adjust [Wide] 2. Analog Deviation adjust [Narrow] -
3. DQT Deviation adjust [Wide] 3. DQT Deviation adjust [Narrow]
LTR 1. Balance adjust 1. Balance adjust
2. Analog Deviation adjust [Wide] 2. Analog Deviation adjust [Narrow] -
3. LTR Deviation adjust [Wide] 3. LTR Deviation adjust [Narrow]
DTMF 1. Balance adjust 1. Balance adjust
2. Analog Deviation adjust [Wide] 2. Analog Deviation adjust [Narrow] -
3. DTMF Deviation adjust [Wide] 3. DTMF Deviation adjust [Narrow]
2TONE 1. Balance adjust 1. Balance adjust
2. Analog Deviation adjust [Wide] 2. Analog Deviation adjust [Narrow] -
3. TONE Deviation adjust [Wide] 3. TONE Deviation adjust [Narrow]
MSK 1. Balance adjust 1. Balance adjust
(FleetSync) 2. Analog Deviation adjust [Wide] 2. Analog Deviation adjust [Narrow] -
3. MSK Deviation adjust [Wide] 3. MSK Deviation adjust [Narrow]
NXDN 1. Balance adjust 1. Balance adjust
-2. NXDN Deviation adjust [Narrow] 2. Analog Deviation adjust [Narrow]
3. CWID Deviation adjust [Very Narrow]

Item
Condition Measurement Adjustment
Specifications/
Remarks
Test-
equipment Unit Terminal PartsUnit Method
PC test modePanel tuning mode
ADJUSTMENT
NX-800
58
3. Sensitivity 2
adjust
(BPF adjust)
4. RSSI
reference
adjust *5
[Analog
Narrow]
[Analog
Wide]
[NXDN Very
Narrow]
SSG
AF VTVM
Oscilloscope
Distortion
meter
Dummy
load
ANT
Ext.SP
connector
Write the value as
followings
[L SENS2] / [Low]
: 70
[L’ SENS2] / [Low’]
: 120
[C SENS2] / [Center]
: 160
[H’ SENS2] / [High’]
: 206
[H SENS2] / [High]
: 245
[Panel test mode]
After input signal
from SSG, press
[] key to store the
adjustment value.
[PC test mode]
After input signal
from SSG, press
[Apply] button to
store the
adjustment value.
Output voltage
adjustment of
IC205
Adjust with the
analog signal.
[Panel
tuning
mode]
[],[ ]
[PC test
mode]
[],[ ]
1) Adj item:[SENS2]
Adjust:[***]
2) Adj item:
[L SENS2]→
[L’ SENS2]→
[C SENS2]→
[H’ SENS2]→
[H SENS2]
Adjust:[***]
Press [ ] key to store
the adjustment value.
1)
Adj item:[An RRSSI]
Adjust:[***]
2) Adj item:
[AnL RRSSI]→
[AnL’ RRSSI]→
[AnC RRSSI]→
[AnH’ RRSSI]→
[AnH RRSSI]
SSG output:
12dB SINAD level -3dB
(MOD: 1kHz,
Dev: ±1.5kHz)
1)
Adj item:[Aw RRSSI]
Adjust:[***]
2) Adj item:
[AwL RRSSI]→
[AwL’ RRSSI]→
[AwC RRSSI]→
[AwH’ RRSSI]→
[AwH RRSSI]
SSG output:
12dB SINAD level -3dB
(MOD: 1kHz,
Dev: ±3kHz)
1)
Adj item:[Nv RRSSI]
Adjust:[***]
2) Adj item:
[NvL RRSSI]→
[NvL’ RRSSI]→
[NvC RRSSI]→
[NvH’ RRSSI]→
[NvH RRSSI]
SSG output:
12dB SINAD level for
analog Narrow -3dB
(MOD: 1kHz,
Dev: ±1.5kHz)
1)
Adj item:[Sensitivity 2]
2) Adj item:[Low]
[Low’]
[Center]
[High’]
[High]
Press [Apply All] button to
store the adjustment value.
1) Adj item:[RSSI
Reference(Narrow)]
2) Adj item:[Low]
[Low’]
[Center]
[High’]
[High]
SSG output :
12dB SINAD level -3dB
(MOD: 1kHz,
Dev: ±1.5kHz)
1) Adj item:[RSSI
Reference(Wide)]
2) Adj item:[Low]
[Low’]
[Center]
[High’]
[High]
SSG output :
12dB SINAD level -3dB
(MOD: 1kHz,
Dev: ±3kHz)
1) Adj item:
[RSSI Reference
(Very Narrow)]
2) Adj item:[Low]
[Low’]
[Center]
[High’]
[High]
SSG output :
12dB SINAD level for
analog Narrow -3dB
(MOD: 1kHz,
Dev: ±1.5kHz)
*5: Because “RSSI reference adjust” of NXDN Narrow is adjusted by adjusting “RSSI reference adjust [Analog Narrow]”, it is not necessary to adjust
“RSSI reference adjust” of NXDN Narrow.

Item
Condition Measurement Adjustment
Specifications/
Remarks
Test-
equipment Unit Terminal PartsUnit Method
PC test modePanel tuning mode
ADJUSTMENT
NX-800
59
5.
Open Squelch
adjust *6
(Squelch
level 5
adjust)
[Analog
Narrow]
[Analog
Wide]
[NXDN Very
Narrow]
1) Adj item:[An SQL]
Adjust:[***]
2) Adj item:
[AnL SQL]→
[AnL’ SQL]→
[AnC SQL]→
[AnH’ SQL]→
[AnH SQL]
SSG output:
12dB SINAD level +1dB
(MOD: 1kHz,
Dev: ±1.5kHz)
1) Adj item:[Aw SQL]
Adjust:[***]
2) Adj item:
[AwL SQL]→
[AwL’ SQL]→
[AwC SQL]→
[AwH’ SQL]→
[AwH SQL]
SSG output:
12dB SINAD level +1dB
(MOD: 1kHz,
Dev: ±3kHz)
1) Adj item:[Nv SQL]
Adjust:[***]
2) Adj item:
[NvL SQL]→
[NvL’ SQL]→
[NvC SQL]→
[NvH’ SQL]→
[NvH SQL]
SSG output:
12dB SINAD level for
analog Narrow -2dB
(MOD: non)
1) Adj item:[Open
Squelch (Narrow)]
2) Adj item:[Low]
[Low’]
[Center]
[High’]
[High]
SSG output :
12dB SINAD level +1dB
(MOD: 1kHz
,
Dev:
±1.5kHz)
1) Adj item:[Open
Squelch (Wide)]
2) Adj item:[Low]
[Low’]
[Center]
[High’]
[High]
SSG output :
12dB SINAD level +1dB
(MOD: 1kHz
,
Dev:
±3kHz)
1) Adj item:
[Open Squelch
(Very Narrow)]
2) Adj item:[Low]
[Low’]
[Center]
[High’]
[High]
SSG output :
12dB SINAD level for
analog Narrow -2dB
(MOD
: non)
SSG
AF VTVM
Oscilloscope
Distortion
meter
Dummy
load
ANT
Ext.SP
connector
[Panel test mode]
After input signal
from SSG, press
[] key to store the
adjustment value.
[PC test mode]
After input signal
from SSG, press
[Apply] button to
store the
adjustment value.
Adjust with the
analog signal.
*6: Because “Squelch (Open) adjust” of NXDN Narrow is adjusted by adjusting “Squelch (Open) adjust [Analog Narrow]”, it is not necessary to adjust
“Squelch (Open) adjust” of NXDN Narrow.

Item
Condition Measurement Adjustment
Specifications/
Remarks
Test-
equipment Unit Terminal PartsUnit Method
PC test modePanel tuning mode
ADJUSTMENT
NX-800
60
6. Low RSSI at
-118dBm
adjust *7
[Analog
Narrow]
[Analog
Wide]
[NXDN Very
Narrow]
1)
Adj item:[An LRSSI]
Adjust:[***]
2) Adj item:
[AnL LRSSI]→
[AnL’ LRSSI]→
[AnC LRSSI]→
[AnH’ LRSSI]→
[AnH LRSSI]
SSG output :
-118dBm (0.28µV)
(MOD: 1kHz,
Dev: ±1.5kHz)
1) Adj item:[Aw R
LRSSI]
Adjust:[***]
2) Adj item:
[AwL LRSSI]→
[AwL’ LRSSI]→
[AwC LRSSI]→
[AwH’ LRSSI]→
[AwH LRSSI]
SSG output :
-118dBm (0.28µV)
(MOD: 1kHz,
Dev: ±3kHz)
1)
Adj item:[Nv LRSSI]
Adjust:[***]
2) Adj item:
[NvL LRSSI]→
[NvL’ LRSSI]→
[NvC LRSSI]→
[NvH’ LRSSI]→
[NvH LRSSI]
SSG output :
-118dBm (0.28µV)
(MOD: 1kHz,
Dev: ±1.5kHz)
1) Adj item:[Low RSSI
(Narrow)]
2) Adj item:[Low]
[Low’]
[Center]
[High’]
[High]
SSG output :
-118dBm
(0.28µV)
(MOD: 1kHz,
Dev: ±1.5kHz)
1) Adj item:[Low RSSI
(Wide)]
2) Adj item:[Low]
[Low’]
[Center]
[High’]
[High]
SSG output :
-118dBm
(0.28µV)
(MOD: 1kHz,
Dev: ±3kHz)
1) Adj item:[Low RSSI
(Very Narrow)]
2) Adj item:[Low]
[Low’]
[Center]
[High’]
[High]
SSG output :
-118dBm
(0.28µV)
(MOD: 1kHz,
Dev: ±1.5kHz)
SSG ANT
Ext.SP
connector
[Panel test mode]
After input signal
from SSG, press
[] key to store the
adjustment value.
[PC test mode]
After input signal
from SSG, press
[Apply] button to
store the
adjustment value.
Adjust with the
analog signal.
*7: Because “RSSI at -118dBm adjust” of NXDN Narrow is adjusted by adjusting “RSSI at -118dBm adjust [Analog Narrow]”, it is not necessary to
adjust “RSSI at -118dBm adjust” of NXDN Narrow.

Item
Condition Measurement Adjustment
Specifications/
Remarks
Test-
equipment Unit Terminal PartsUnit Method
PC test modePanel tuning mode
ADJUSTMENT
NX-800
61
7. High RSSI at
-80dBm
adjust *8
[Analog
Narrow]
[Analog
Wide]
[NXDN Very
Narrow]
8.
Tight Squelch
adjust
(Squelch
level 9
adjust)
[Analog
Narrow]
[Analog
Wide]
1)
Adj item:[An HRSSI]
Adjust:[***]
2) Adj item:
[AnL HRSSI]→
[AnL’ HRSSI]→
[AnC HRSSI]→
[AnH’ HRSSI]→
[AnH HRSSI]
SSG output :
-80dBm
(22.4µV)
(MOD: 1kHz,
Dev: ±1.5kHz)
1) Adj item:[Aw R
HRSSI]
Adjust:[***]
2) Adj item:
[AwL HRSSI]→
[AwL’ HRSSI]→
[AwC HRSSI]→
[AwH’ HRSSI]→
[AwH HRSSI]
SSG output :
-80dBm
(22.4µV)
(MOD: 1kHz,
Dev: ±3kHz)
1)
Adj item:[Nv HRSSI]
Adjust:[***]
2) Adj item:
[NvL HRSSI]→
[NvL’ HRSSI]→
[NvC HRSSI]→
[NvH’ HRSSI]→
[NvH HRSSI]
SSG output :
-80dBm
(22.4µV)
(MOD: 1kHz,
Dev: ±1.5kHz)
1) Adj item:[An SQLT]
Adjust:[***]
2) Adj item:
[AnL SQLT]→
[AnL’ SQLT]→
[AnC SQLT]→
[AnH’ SQLT]→
[AnH SQLT]
SSG output:
12dB SINAD level +6dB
(MOD: 1kHz,
Dev: ±1.5kHz)
1)
Adj item:[Aw SQLT]
Adjust:[***]
2) Adj item:
[AwL SQLT]→
[AwL’ SQLT]→
[AwC SQLT]→
[AwH’ SQLT]→
[AwH SQLT]
SSG output:
12dB SINAD level +6dB
(MOD: 1kHz,
Dev: ±3kHz)
1) Adj item:[High RSSI
(Narrow)]
2) Adj item:[Low]
[Low’]
[Center]
[High’]
[High]
SSG output :
-80dBm
(22.4µV)
(MOD: 1kHz,
Dev: ±1.5kHz)
1) Adj item:[High RSSI
(Wide)]
2) Adj item:[Low]
[Low’]
[Center]
[High’]
[High]
SSG output :
-80dBm
(22.4µV)
(MOD: 1kHz,
Dev: ±3kHz)
1) Adj item:[High RSSI
(Very Narrow)]
2) Adj item:[Low]
[Low’]
[Center]
[High’]
[High]
SSG output :
-80dBm
(22.4µV)
(MOD: 1kHz,
Dev: ±1.5kHz)
1) Adj item:[Tight
Squelch (Narrow)]
2) Adj item:[Low]
[Low’]
[Center]
[High’]
[High]
SSG output :
12dB SINAD level +6dB
(MOD: 1kHz,
Dev: ±1.5kHz)
1) Adj item:[Tight
Squelch (Wide)]
2) Adj item:[Low]
[Low’]
[Center]
[High’]
[High]
SSG output :
12dB SINAD level +6dB
(MOD: 1kHz,
Dev: ±3kHz)
SSG
SSG
AF VTVM
Oscilloscope
Distortion
meter
Dummy
load
ANT
Ext.SP
connector
[Panel test mode]
After input signal
from SSG, press
[] key to store the
adjustment value.
[PC test mode]
After input signal
from SSG, press
[Apply] button to
store the
adjustment value.
Adjust with the
analog signal.
*8: Because “RSSI at -80dBm adjust” of NXDN Narrow is adjusted by adjusting “RSSI at -80dBm adjust [Analog Narrow]”, it is not necessary to adjust
“RSSI at -80dBm adjust” of NXDN Narrow.

TERMINAL FUNCTION
NX-800
62
Display unit (X54-3640-10)
Pin No.
Name Function
CN901 (to TX-RX unit A/2 CN597)
1~6 SPO Speaker input.
7GND Ground.
880C 8V input.
9,10 SB Power input of switched power supply.
11 NC Non-connection.
12 /PSW Detection signal output of power switch.
13,14 GND Ground.
15 MIC MIC signal output.
16 ME MIC ground.
17 GND Ground.
18 AFO RX filtered AF signal input.
19 /PRST Display CPU reset signal input.
20~23 GND Ground.
24 SHIFT Control signal input of Beat-shift function.
25 NC Non-connection.
26 5C 5V output.
27 TXD Serial data signal input.
28 RXD Serial data signal output.
29,30 GND Ground.
CN902 (to internal speaker)
1GND Ground.
2 SPO Speaker output.
CN905 (to LCD ASSY)
1V5 LCD Drive voltage output.
2V4 LCD Drive voltage output.
3V3 LCD Drive voltage output.
4V2 LCD Drive voltage output.
5V1 LCD Drive voltage output.
6Vdd LCD Driver DC power supply.
7Vss LCD Driver Ground.
8Vdd LCD Driver DC power supply.
9D7 LCD Driver data output.
10 D6 LCD Driver data output.
11 D5 LCD Driver data output.
12 D4 LCD Driver data output.
13 D3 LCD Driver data output.
14 D2 LCD Driver data output.
15 D1 LCD Driver data output.
16 D0 LCD Driver data output.
17 /WR LCD Driver WR signal output.
18 A0 LCD Driver address output.
19 /RES LCD Driver Reset signal output.
20 /CS LCD Driver Chip-select signal output.
Pin No.
Name Function
J901 (MIC jack)
1DM MIC data detection.
2
HOOK/RXD
HOOK:Hook detection, RXD:Serial data input.
3MIC MIC signal input.
4ME MIC ground.
5 PTT/TXD PTT:PTT input, TXD:Serial data output.
6E Ground.
7SB Power output of switched power supply.
DC13.6V
±
15%, 200mA typ.
8BLC MIC key backlight control.
TX-RX unit (X57-7390-10) (A/2)
Pin No.
Name Description
CN595 (to Option board)
1OPT1
2OPT3
326P_RD
426P_TD
5NC
6OPT4
7 OPT10
8OPT5
9 DGND
10 AGND
11 AI
12 AO
13 AGND Refer to
14 5V "CN595 26-pin connector specification".
15 OPT9
16 DTI
17 OPT8
18 OPT11
19 OPT7
20 OPT2
21 TXO
22 RXEO
23 RXEI
24 TXI
25 OPT6
26 POW
CN597 (to Display Unit CN901)
1,2 GND Ground
3 RXD Serial data signal input
4TXD Serial data signal output
5NC Non-connection
650C 5V output.

TERMINAL FUNCTION
NX-800
63
Pin No.
Name Description
7SHIFT Control signal output of Beat-shift function
8~11 GND Ground
12 /PRST Display CPU reset signal output
13 AFO RX filtered AF signal output
14 GND Ground
15 ME MIC ground
16 MIC MIC signal input
17,18 GND Ground
19 /PSW Detection signal input of power switch
20 NC Non-connection
21,22 SB Power output of switched power supply
23 80C 8V output
24 GND Ground
25~30 SPO Speaker output
CN600 (to TX-RX unit B/2 CN901)
1NC Non-connection.
2~7 SB Power output of switched power supply.
8AFO RX filtered AF signal output.
9DI Data signal input.
10 50C 5V output.
11 GND Ground.
12 DEO RX Detected signal output.
13 MI2 External MIC signal input.
14 ME MIC ground.
15 GND Ground.
16 RXD0 Serial data input 0.
17 AUXO2 AUX output 2.
18 TXD0 Serial data output 0.
19 AUXO1 AUX output 1.
20 AUXIO9 AUX input/output 9.
21 AUXIO5 AUX input/output 5.
22 AUXIO8 AUX input/output 8.
23 AUXIO4 AUX input/output 4.
24 TXD2 Serial data output 2.
25 AUXIO3 AUX input/output 3.
26 RXD2 Serial data input 2.
27 AUXIO2 AUX input/output 2.
28 AUXIO1 AUX input/output 1.
29 AUXIO7 AUX input/output 7.
30 AUXIO6 AUX input/output 6.
Pin No.
Name Description
CN705
1SB Power output of switched power supply.
2 SPI Speaker output.
3SPO Speaker input.
4PA Control signal output of PA function.
5HOR Control signal output of Horn alert function.
6GND Ground.
CN403
1IGN Ignition sense input.
2GND Ground.
TX-RX unit (X57-7390-10) (B/2)
Pin No.
Name Description
CN901 (to TX-RX unit A/2 CN600)
1AUXIO6 AUX input/output 6.
2AUXIO7 AUX input/output 7.
3AUXIO1 AUX input/output 1.
4AUXIO2 AUX input/output 2.
5RXD2 Serial data output 2.
6AUXIO3 AUX input/output 3.
7TXD2 Serial data input 2.
8AUXIO4 AUX input/output 4.
9AUXIO8 AUX input/output 8.
10 AUXIO5 AUX input/output 5.
11 AUXIO9 AUX input/output 9.
12 AUXO1 AUX input 1.
13 TXD0 Serial data input 0.
14 AUXO2 AUX input 2.
15 RXD0 Serial data output 0.
16 GND Ground.
17 ME MIC ground.
18 MI2 External MIC signal output.
19 DEO RX Detected signal input.
20 GND Ground.
21 50C 5V input.
22 DI Data signal output.
23 AFO RX filtered AF signal input.
24 SB Power input of switched power supply.
25 SB Power input of switched power supply.
26 SB Power input of switched power supply.
27 SB Power input of switched power supply.
28 SB Power input of switched power supply.
29 SB Power input of switched power supply.
30 NC Non-connection.

TERMINAL FUNCTION
NX-800
64
Pin No.
Name Description
J901 (ACC. D-Sub 25pin)
1NC
2RXD1
3TXD1
4AUXIO9
5DI
6MI2
7GND
8AUXIO8
9TXD2
10 RXD2
11 GND
12 AUXIO7 Refer to
13 AUXIO6 "D-sub 25-pin connector specification".
14 SB
15 AUXO2
16 AUXO1
17 AFO
18 GND
19 DEO
20 AUXIO5
21 AUXIO4
22 AUXIO3
23 AUXIO2
24 AUXIO1
25 ME
Solder Land
Name Description
to GPS receiver
DGND Ground
RXD2 Data input
5V_2 5V power supply

TERMINAL FUNCTION
NX-800
65
CN595 26-pin connector specification
Pin No. Pin Name I/O Signal Type Rating and Condition
Parameter Min Typ Max Unit
VIH 2.7 - 3.5 V
1OPT1 I/O Digital/CMOS Out/CMOS Inwith Interrupt VIL -0.3 - 0.7 V
VOH(Io=-2mA) 2.8 - 3.4 V
VOL(Io=2mA) - - 0.7 V
VIH 2.7 - 3.5 V
2OPT3 I/O Digital/CMOS Out/CMOS Inwith Interrupt VIL -0.3 - 0.7 V
VOH(Io=-2mA) 2.8 - 3.4 V
VOL(Io=2mA) - - 0.7 V
VIH 2.7 - 3.5 V
326P_RD I Digital/CMOS Inwith Interrupt VIL -0.3 - 0.7 V
Baud Rate 19200 bps
VOH(Io=-2mA) 2.8 - 3.4 V
426P_TD O Digital/CMOS Out VOL(Io=2mA) - - 0.7 V
Baud Rate 19200 bps
5NC- -
VIH 2.7 - 3.5 V
6OPT4 I/O Digital/CMOS Out/CMOS In VIL -0.3 - 0.7 V
VOH(Io=-2mA) 2.8 - 3.4 V
VOL(Io=2mA) - - 0.7 V
Output Amplitude - 0.28 - Vp-p
7OPT10 O Digital/Analog Coupling Capacitor 0.1 uF
(USEL) allowable Load 100 - - kΩ
Pull_Down Registor - 470 - kΩ
VIH 2.7 - 3.5 V
8OPT5 I/O Digital/CMOS Out/CMOS In VIL -0.3 - 0.7 V
VOH(Io=-2mA) 2.8 - 3.4 V
VOL(Io=2mA) - - 0.7 V
9 DGND - -
10 AGND - -
Input Amplitude - 0.5 - Vp-p
11 AI - Analog Coupling Capacitor - 0.1 - uF
Input Impedance 22 - - kΩ
Output Amplitude - 50.0 - mVp-p
12 AO O Analog Coupling Capacitor - 0.1 - uF
allowable Load 220 - - kΩ
13 AGND - -
Output Voltage
14 5V - Power (Iout=200mA) 4.7 5.0 5.1 V
Output Current - - 100 mA
15 OPT9 I Analog Input Level - 3.3 - Vp-p
(STON) Coupling Capacitor - 0.01 - uF
Input Impedance 22 - - kΩ

TERMINAL FUNCTION
NX-800
66
Pin No. Pin Name I/O Signal Type Rating and Condition
Parameter Min Typ Max Unit
Input Level - 0.6 - Vp-p
16 DTI I Analog Coupling Capacitor - 0.1 - uF
Input Impedance 22 - - kΩ
VIH 2.7 - 3.5 V
17 OPT8 I/O Digital/CMOS Out/CMOS Inwith Interrupt VIL -0.3 - 0.7 V
VOH(Io=-2mA) 2.8 - 3.4 V
VOL(Io=2mA) - - 0.7 V
VIH 2.7 - 3.5 V
18 OPT11 I/O Digital/CMOS Out/CMOS In VIL -0.3 - 0.7 V
VOH(Io=-2mA) 2.8 - 3.4 V
VOL(Io=2mA) - - 0.7 V
VIH 2.7 - 3.5 V
19 OPT7 I/O Digital/CMOS Out/CMOS Inwith Interrupt VIL -0.3 - 0.7 V
VOH(Io=-2mA) 2.8 - 3.4 V
VOL(Io=2mA) - - 0.7 V
VIH 2.7 - 3.5 V
20 OPT2 I/O Digital/CMOS Out/CMOS Inwith Interrupt VIL -0.3 - 0.7 V
VOH(Io=-2mA) 2.8 - 3.4 V
VOL(Io=2mA) - - 0.7 V
Output Level - 130 - mVp-p
21 TXO O Analog Coupling Capacitor - 0.1 - uF
allowable Load 100 - - kΩ
Output Level - 640 - mVp-p
22 RXEO O Analog Coupling Capacitor - 0.1 - uF
allowable Load 100 - - kΩ
Input Level - 640 - mVp-p
23 RXEI I Analog Coupling Capacitor 0.1 uF
Input Impedance 22 - - kΩ
Input Level - 130 - mVp-p
24 TXI I Analog Coupling Capacitor 0.1 uF
Input Impedance 22 - - kΩ
VIH 2.7 - 3.5 V
25 OPT6 I/O Digital/CMOS Out/CMOS In VIL -0.3 - 0.7 V
VOH(Io=-2mA) 2.8 - 3.4 V
VOL(Io=2mA) - - 0.7 V
Output Voltage
26 POW - Power (Iout=100mA) 7.6 8.0 8.4 V
Output Current - - 100 mA

TERMINAL FUNCTION
NX-800
67
CN595 26-pin connector specification
Pin No. Pin Name Device I/O Connection Description/Function
[COR]
Conv/LTR
L: Not activity receiving
H: Activity receiving
[TOR]
1OPT1 ANI board O Aux Input Conv/LTR
L: Not activity receiving
H: Activity receiving
[LOK]
Conv
L: TX Complete
VGS-1 I BUSY BUSY indication
2OPT3 ANI board I KEY TX requirement input
VGS-1 I PLAY PLAY indication
326P_RD ANI board - - -
VGS-1 I SO Serial data input
426P_TD ANI board - - -
VGS-1 O SI Serial data output
5NC - - - -
6OPT4 ANI board O PTT PTT signal output
VGS-1 O EN Enable signal output
7OPT10 ANI board - - -
(USEL) VGS-1 O USEL UART speed select signal output
8OPT5 ANI board O Emergency Emergency signal output
VGS-1 O RST Reset signal output
9 DGND ANI board - A- GND
VGS-1 - DGND DGND
10 AGND ANI board - A- GND
VGS-1 - AGND AGND
11 AI ANI board - - -
VGS-1 I AO VGS Audio signal input
12 AO ANI board - - -
VGS-1 O AI VGS Audio signal output
13 AGND ANI board - A- GND
VGS-1 - AGND AGND
14 5V ANI board - - Note: POW and 5V can not be used simultaneously.
VGS-1 O 5C 5V power supply
15 OPT9 ANI board I Sidetone Side tone signal input
(STON) VGS-1 - - -
16 DTI ANI board I Data out Data signal input
VGS-1 - - -
17 OPT8 ANI board I Tone Control Speaker mute signal input
VGS-1 - - -

TERMINAL FUNCTION
NX-800
68
Pin No. Pin Name Device I/O Connection Description/Function
18 OPT11 ANI board O Man-Down Man-Down signal output
VGS-1 - - -
19 OPT7 ANI board I MIC Mute MIC mute signal input
VGS-1 - - -
20 OPT2 ANI board I Aux Output Emergency signal input
VGS-1 - - -
21 TXO ANI board - - -
VGS-1 - - -
22 RXEO ANI board - - -
VGS-1 - - -
23 RXEI ANI board - - -
VGS-1 - - -
24 TXI ANI board - - -
VGS-1 - - -
25 OPT6 ANI board - - -
VGS-1 - - -
26 POW ANI board O A+ 8V power supply
VGS-1 - - Note: POW and 5V can not be used simultaneously.

TERMINAL FUNCTION
NX-800
69
D-sub 25-pin connector specification
Pin No. Pin Name I/O A/D Rating and Condition
Parameter Min Typ Max Unit
1NC- - -
Input Voltage Range -30 30 V
Threshold Low 0.5 1.3 V
2RXD1 I Digital Threshold High 1.75 2.6 V
Baud Rate 115200 bps
CL 100 pF
Voltage Swing (3kΩ Load) ±5±9V
3TXD1 O Digital Baud Rate 115200 bps
CL 100 pF
VIH 4 - 5.2 V
4AUXIO9 I/O Digital VIL -0.5 - 1 V
VOH (Io=-1.5mA) 4 - 5.2 V
VOL (Io=1.5mA) - - 1.1 V
5DII Analog Input Voltage range (STD Deviation) - 0.5 - Vp-p
Freq Response (STD Dev.) 20-9600Hz -3 3 dB
Audio Level (STD Deviation) - 5 - mVrms
6MI2 I Analog Allowable Freq 300 3000 Hz
Input Impedance - 600 - Ω
7GND - GND
VIH 4 - 5.2 V
8AUXIO8 I/O Digital VIL -0.5 - 1 V
VOH (Io=-1.5mA) 4 - 5.2 V
VOL (Io=1.5mA) - - 1.1 V
VOH (Io=-1.5mA) 3.7 - 5.2 V
9TXD2 O Digital VOL (Io=1.5mA) - - 1.1 V
CL 100 pF
VIH 2.8 - 5.2 V
10 RXD2 I Digital VIL - - 0.65 V
CL 100 pF
11 GND - GND
VIH 4 - 5.2 V
12 AUXIO7/ I/O Digital VIL -0.5 - 1 V
BER_DATA VOH (Io=-1.5mA) 3.7 - 5.2 V
VOL (Io=1.5mA) - - 1.1 V
VIH 4 - 5.2 V
13 AUXIO6/ I/O Digital VIL -0.5 - 1 V
BER_CLK VOH (Io=-1.5mA) 3.7 - 5.2 V
VOL (Io=1.5mA) - - 1.1 V
14 SB - Power Voltage This parameter depends on Battery Voltage
Supply Current - - 2 A
The type of this port is open collector.
15 AUXO2 O Digital VOL 0.4 V
IOL -500 mA

TERMINAL FUNCTION
NX-800
70
Pin No. Pin Name I/O A/D Rating and Condition
Parameter Min Typ Max Unit
The type of this port is open collector.
16 AUXO1 O Digital VOL 0.4 V
IOL -500 mA
Output Level 0.7 Vp-p
17 AFO O Analog Coupling Capacitor 0.1 uF
allowable Load 100 - - kΩ
allowable freq 300 3000 Hz
18 GND - GND
Output Level - 0.28 - Vp-p
Coupling Capacitor - 4.7 - uF
allowable Load 47 - - kΩ
19 DEO O Analog Freq. Response (STD Dev)
Wide 20-4800Hz -6 1 dB
4800-7200Hz -24 1 dB
Narrow 20-4800Hz -15 1 dB
VIH 4 - 5.2 V
20 AUXIO5 I/O Digital VIL -0.5 - 1 V
VOH (Io=-1.5mA) 4 - 5.2 V
VOL (Io=1.5mA) - - 1.1 V
VIH 4 - 5.2 V
21 AUXIO4 I/O Digital VIL -0.5 - 1 V
VOH (Io=-1.5mA) 4 - 5.2 V
VOL (Io=1.5mA) - - 1.1 V
VIH 4 - 5.2 V
22 AUXIO3 I/O Digital VIL -0.5 - 1 V
VOH (Io=-1.5mA) 4 - 5.2 V
VOL (Io=1.5mA) - - 1.1 V
VIH 4 - 5.2 V
23 AUXIO2 I/O Digital VIL -0.5 - 1 V
VOH (Io=-1.5mA) 4 - 5.2 V
VOL (Io=1.5mA) - - 1.1 V
VIH 4 - 5.2 V
24 AUXIO1 I/O Digital VIL -0.5 - 1 V
VOH (Io=-1.5mA) 4 - 5.2 V
VOL (Io=1.5mA) - - 1.1 V
25 ME - Analog This is GND port for Microphone.

71
ABCDE FGH I J
1
2
3
4
5
6
7
8
9
10
11
12
13
14
CN901
C902
C903
C906 C904C905
25
25
14
14
1
1
13
13
C915
D906
J79-0130-19 B/2
J79-0130-19 B/2
J901
D901 D902 D903 D904 D907 D908 D909
D910
D911 D912 D913
D914
SB
NC/RSSI
SB
SB
SB
SB
AFO
SB
50C
GND
DI/RTS
MI2
DEO
GND
ME
AUXO2
RXD0
AUXO1
TXD0
AUXIO5
AUXIO9/CTS
AUXIO4
AUXIO8
AUXIO3
TXD2/AUXIO9
AUXIO2
RXD2/DI
AUXIO1
AUXIO6/BER CK
AUXIO7/BER DT
R902
R903
R904
R905
R906
R907
R908
R909
R910
R911
R912
R913
C909
C910
C911
C912
C913
C914
C916
C917
C918
C919
C920
C921
C923
L901
L902
1
30
C901
C908
D905
Q901
BE
CC
CC
BE
CC
CC
Q902
R901
R914
C907
C922
PC BOARD NX-800
Component side
Foil side
Layer 1
Layer 2
Layer 3
Layer 4
Layer 5
Layer 6
Component side
Foil side
Layer 1
Layer 2
Layer 3
Layer 4
Layer 5
Layer 6
TX-RX UNIT (X57-7390-10) (B/2) Component side view (J79-0130-19 B/2)
TX-RX UNIT (X57-7390-10) (B/2) Foil side view (J79-0130-19 B/2)
Ref. No. Address
D905 5G
D906 5H
Ref. No. Address
Q901 8H
Q902 8H
D901 9C
D902 9D
D903 9D
Ref. No. Address
D904 9E
D907 9E
D908 9F
D909 9H
D910 9H
Ref. No. Address
D911 9F
D912 9F
D913 9H
D914 9H

72
JIHGFEDCBA
1
2
3
4
5
6
7
8
9
10
11
12
13
14
C20
C21
R401
2
1
CV
R415
R417
C125R117
J79-0130-19 A/2
R630
R826
R632
R633
R634
R636
R637
R445
R640
16
7
12 13 18
19
24
R644
C419
C805
C612
R842
C613C614
R650
C615
C421
R651
C422
C618
R654
R656
R658
C435
C820
C438
C440
R672
R673
R674
C448
33V 5V_2 DGND
R678
C449
R684
BSC1 BSC0
DGND
FLDM
R689R690
D404
L106
D408
C471
L506
L508
IC407
3
1
4
5
L511
L517
L522
R506
4
1
5
8
R131
R523
CN705
IC715
IC403
1
O
G
I
5
+
+
+
+
+
R918
R919
5
8
L31
L32
L
L35
+
+
+
C515
F401
CN549
1
67
12
1318
19
25
C537
C538
12
C539
R578
C540
R580
R583 R589
C550
C554
C555
R592
C557
C559
R595
Q403
Q405
Q406
C560
D504
D506
D507
D508
D509
4
1
5
8
Q411
L402
L403
D510
D512
CN595
CN597
C581
C583
C584C585
IC507
C587
C588
C589
C590
C591
C592
IC513
3
3
1
4
5
3
1
4
6
1
4
5
C593
IC514
IC518
C19
C32
C35
C37
C47
C48
C54
C55
R120
R125
R129
R132
IC
5
C123
R13
R15
R17
C128
R18
C131
C132
C134
C137
R32
C1
R42R45
R49
C15
J701
EXT. SP
R403
CN401
+B
CN402
GND
CN403
R823
C401
C403
C406
R831
6GMD
HOR
PA
SPO
SPI
SB
1
C410
C806
C807
C427
C428
C429
F501
C432
D405
C473
Q709
D102
R422 R426
R433
R444
R638
R639
R641
R642
R646
R648
R652
R659
R660
R661
R662
R663
R664
R665
R666
R667
R668
R669
R670
R671
D410
BATT CHK
D411
C527
C534
R575
R576
R579
R582
R585
R586
R588
R590
R593
D511
RS-232C
TTL
C594
IC515
C595
IC516
4
4
1
5
8
1
5
8
C596
IC517
R603
R413
C616
1
89
16
C817
C439
Q501
3
3
1
4
5
1
12
1920
4
6
L512
L903
C543
OPT1
26P_RD
OPT10
AI
GND
OPT9
OPT8
OPT7
TXO
RXEI
OPT6
OPT3
26P_TD
OPT4
OPT5
GND
AO
DTI
OPT11
OPT2
RXEO
TXI
25
1
26
2
C545
C546
C547C548
C549 C551
C552
C553
C556
C558
C561 C562
C563
C565
C566
C567
C568
C569
C570
C571
C572
C573
C574
C575
C576
C577
C578
C579
IC512
L509
L510
R534
OPT10
OPT11
AGND
26P_RD
26P_TD
TXD2
RXD2
OPT1
OPT3
OPT4
OPT5
5V_1
DTI
OPT8
TXO
OPT7
OPT2
OPT9
RXEO
TXI
RXEI
OPT6
POW
C582
C586
(DM)
GND
RXD
TXD
NC
5C
SHIFT/MODEL
GND
(LCDDO)
(LCDDI)
RST2(LCDCLK)
(LCDCB)
AFO
GND
ME
MIC
GND
GND
PSW
NC
SB
SB
8C
GND
SPO
SPO
SPO
SPO
SPO
SPO
1
30
CN405
C580
IC101
C22
C23
C24
C25
C27
C28
C434
C437
C447
C450
C452
IC406
IC3
R21
R23
3
1
4
5
3
1
4
5
R126
R127 C136
R119
R122
C120
R115
R123
R133
R134
C25
C29
C33
D2
IC4
R12
R19
R22
R30
R31
R36 R53
R54
R76
C18
R25
R29
R35
R37
R44
C825
NX-800 PC BOARD
TX-RX UNIT (X57-7390-10) (A/2)
Component side view (J79-0130-19 A/2)

73
JKLMNOPQRS
1
2
3
4
5
6
7
8
9
10
11
12
13
14
S
GD
D
GS
C20
C21
CV
R417
C202 C201
CD201
1
12 13
24
Q105 Q106
6
L108
L109
C471
IC203
4
1
5
8
RAGC
VAG C
IFDET
LO
GND
BPF
D21
L1
4
1
5
8
4
1
5
8
R131
4
1
5
8
L31
L32 L33
R10
L35
+
+
+
R353
R1
1
67
12
1318
19
25
IC102
34
+
Q212
C13
C19
3
1
4
6
R210
C31
C32
C35
R221
R342
C37
C38
R230
C47
C48
R234
C54
C55
C213
Q11
C217
C218
C219
C223
C226
C227
C228
C230
C233
R277
C90C91
C92
R282
R283
R284
R286
C2
R287
C4
C5
C6
C7
C9
R294
R921
C327
D207
D208
D209
D210
C284 C285
C288
C289
C290
C292
C295
C299
CF203
R
120 R132
R329
R136
R137
R330
R333
R334
TH101
R142
TH102
R338
R147
R148 R156
C302
R345
IC5
R152
R352
R13
R548
R161
R15
R17
R18
C134
R28
C336
R32
R1
R5
R8
C341
C342
C343
C150
R42R45
C158
R49
C358
C174
C177
R72
R74
C185
C186
R77
C187
C188
C189
L217
C190
L219
C193
C194
C10
C14
C15
3
1
4
5
3
1
4
5
C145
C162
IC101
IC103
C22
C23
C24
C25
C27
C28
C434
C437
C1
C447
C450
C452
IC406
IC3
L34
R21
R23
R2
R6
C16 C17
3
3
1
4
6
1
4
5
3
1
4
5
3
1
4
5
X1
IC201
3
1
4
5
IC202
Q201
Q202
C141
C142
C147
R122
R123
R133
R134
R141
R144
R145
R146
C25
C29
C33
D2
R140
IC1
IC4
R12
R16
R19
R22
Q1
R26 R27
R30
R31
R34
R36
R7
C157
R53
R54
R75
R76
R80
R81
R86
C18
C88
C1
C3
IC2
R25
R29
R35
R2
R3
R37
R4
R44
R79
C11
R211R212
R550
R218
R220
R222
R224
R225
R226
R227
R229
R238
R239
R246
C212
C224
C231
C232
C236
C239
R276
R279
C244
R285
R288
R310
R289
R290
R291
R296
C281
C283
IC205
IC206
C286
C287
C291
C293C294
C296
C297
C298
R301
R302
R303
R124
R328
C127
R562
C334
R565
C337 C338
C184
L216 L218
R209
R215
R216
R219
R223
R228
C210
C221
C222
C225
C229
R331
C339
R248
C245
TX-RX UNIT (X57-7390-10) (A/2)
Component side view (J79-0130-19 A/2)
PC BOARD NX-800
Component side
Foil side
Layer 1
Layer 2
Layer 3
Layer 4
Layer 5
Layer 6
Ref. No. Address
IC1 9K
IC2 10L
IC3 9J
IC4 12J
IC5 11J
IC101 7J
IC102 3K
IC103 7K
IC201 10N
IC202 9O
IC203 10P
IC205 7N
IC206 7O
IC403 5B
IC406 8J
IC407 12H
IC507 10C
IC512 12B
IC513 8B
IC514 9D
IC515 8D
IC516 8D
IC517 9C
IC518 7D
IC715 4B
Q1 12K
Q11 9K
Q105 8K
Q106 8K
Ref. No. Address
Q201 10N
Q202 10N
Q212 10O
Q403 2E
Q405 9B
Q406 9B
Q411 10B
Q501 11C
Q709 5D
D2 12J
D21 9K
D102 5I
D207 11M
D208 10M
D209 9M
D210 8M
D404 6F
D405 6G
D408 5G
D410 10B
D411 10B
D504 13B
D506 8C
D507 8C
D508 8B
D509 9D
D510 8D
D511 8C
D512 9B

74
JIHGFEDCBA
1
2
3
4
5
6
7
8
9
10
11
12
13
14
S
G
D
G
S
D
G
D
C
E
EB
+
3
1
4
6
4
1
5
8
XF202
R213
C39
C45
R232
C46
C49
R235
C50
R
R243
R244
C208
C60
C211
C61
R442
C64
Q10
C214
C
C215
C216
C66
C67
C69
C70 C73
C74
C76
R262
R263
R265
R266
R267
R269
C81
C84
C234
R271
C85
C86
R273
R274
C238
C240
C242
C243
C246
C98
C252
C256
Q101
Q102
R299
C261
D201
C262
D202
C264
C459
C265
C269
C460
C462
C464
C271
C465
D212
C466
C273
C467
C276
L112
C280
L115
IC204
IC410
R103
R106
D10
R109
D12
D14
R110 R112
R307
R313
R314 R315
R316
L4
L6 L7
R320
CN502
CN503
CN504
CN505
CN507
CN508
L15 L16
L17
C104
L18
C105
C107
R143
CN510
C109
CN511 CN513
R149
R340
C110
R341 L25
C307
R150
R151
CN520
R158
CN527
C315
C316
L36
C317
R160
C319
C320
L40
C322
C323
C324
Q3 Q4
Q8
Q9
C335
R40 R41
C152
C347
C348
C156
D103
C165
R
5
D106
Q203
R58
D108
C170
D110
C171
R62
R63
C175
C179
L201
L204
L205
L206
L207
L208
C181
L209
L406
L212
L221
L223
L225
L228
L230
R201
R207
CF201
WIDE
CF202
NARROW
B
C
E
3
1
4
5
R297
L101
L103
D213
D216
L110
L111
L113
L114
R101
R102
R104
R105
R107
R108
R111
R306
R113
R114
R317
R138
C101
C102
C103
C106
C301
CN517
C111
C112
C308
C115
C116
R154
C310
C318
C321
C325
C133
C135
C153
C155
C162
C164
C166
C169
D109
C172
Q210
C178
C180
L222
L224
R231
R237
C203
C204
C205
R242
C206
C207
R245
R250
R256
R257
C220
R261
R268
R270
R272
C237
R275
C257
C260
C263
D205
C266
C267
C268
C270
C272
C275
C278 C279
R321
R324
R325 R327
R332
R339
R343
R344
R346
CN540
CN543
C330
C331
C332
C333
C344
D101
Q204
Q205
Q208
R69
L202
R70
L210
L211
L213
L214
L215
R202
R203
R204
R205 R206
R208
C34
C36
C41
C43
C44
C51
C52
C53
R438
C59
R441
R443
C63
C68
R450
C77
C78
C79
C80
C82
C83
C247
C8
D3
D4
D7
D8
D9
C461
D11
L3 L10
L11
L12
L13
L14
L19
L20
L21
L22
L26
R153
L41
R43
R46
R47
R56
R57
R61
R64
R65 R66
R67 R68
R82R83
R84
R85
C12
R436
C58
C458 Q6
Q417
Q5
NX-800 PC BOARD
TX-RX UNIT (X57-7390-10) (A/2)
Foil side view (J79-0130-19 A/2)
Ref. No. Address
IC204 11F
IC401 7M
IC402 6N
IC404 6P
IC405 5N
IC408 5M
IC409 7N
IC410 12J
IC501 12P
IC502 10Q
IC503 12Q
IC504 10N
IC505 10P
IC506 13P
IC508 10O
IC509 9P
IC510 12O
IC511 9O
IC701 12M
IC702 8N
IC703 12L
IC704 10M
IC705 12L
IC706 8M
IC707 12M
IC708 8N
IC709 8O
IC710 11M
IC711 11L
IC712 9L
IC713 11K
IC714 11L
Q3 9I
Q4 9J
Q5 10I
Ref. No. Address
Q6 10J
Q7 10K
Q8 10J
Q9 10I
Q10 10I
Q101 7I
Q102 7J
Q203 8E
Q204 9D
Q205 10D
Q208 10G
Q210 7G
Q401 3P
Q402 4P
Q404 4P
Q407 5P
Q408 5P
Q409 7O
Q410 7N
Q412 6N
Q413 5P
Q414 5P
Q415 7O
Q416 5N
Q417 12I
Q701 12K
Q702 11L
Q703 12M
Q704 7P
Q705 8P
Q706 8R
Q707 8R
Q708 10L
Q710 5Q
D3 11I
Ref. No. Address
D4 11J
D7 11H
D8 11J
D9 11H
D10 11I
D11 11J
D12 11I
D14 11J
D101 9H
D103 5F
D106 6E
D108 6D
D109 5D
D110 4D
D201 10E
D202 10F
D205 9H
D212 7E
D213 7E
D216 7D
D401 3O
D403 4P
D406 3P
D407 4N
D409 4N
D412 5N
D501 13O
D502 13O
D503 9O
D702 11L
D703 11L
D704 7O
D705 8O
D706 9L
D707 9M
Component side
Foil side
Layer 1
Layer 2
Layer 3
Layer 4
Layer 5
Layer 6

75
JKLMNOPQRS
1
2
3
4
5
6
7
8
9
10
11
12
13
14
S
G
D
G
S
D
S
GD
S
GD
S
GD
S
GD
S
G
D
3
1
4
4
1
5
84
4
1
5
8
1
5
8
4
1
5
8
6
SB
NC/RSSI
SB
SB
SB
SB
AFO
SB
50C
GND
DI/RTS
MI2
DEO
GND
ME
AUXO2
RXD0
AUXO1
TXD0
AUXIO5
AUXIO9/CTS
AUXIO4
AUXIO8
AUXIO3
TXD2/AUXIO9
AUXIO2
RXD2/DI
AUXIO1
AUXIO6/BER CK
AUXIO7/BER DT
+
+
C
E
EB
+
3
1
4
6
3
1
4
5
4
1
+
G
S
D
1
23
4
3
3
1
4
6
1
4
5
1
30
R405
R410
R605
R606
R607
R608
R800
R418R419
R801
R803
R610
R805
R806
R807 R808
R809
C45
R810
R812
R814
R815
R817
R818
R430
R432
R434
R435
C56
R437
R821
R822
R825
C60
R440
C65
C409
R446
C67
R447
C600
C69
R449
C601
C602
C603
C604
C605
C606
C607
C413
R838
C608
C71
C609
C415
C73
C801
C76
C802
C803
C804
C610
C611
R843
R845
C424
C426
C810C811
C813
C815
C816
C433
C821
C441
C443
C445
C446
Q102
R681
R682
C453
R683
C454
R685
C456
R686
C459
C460
D401
R691
R692
C463
D406
D407
R697
C468
D409
D412
Q703
C474
Q704
Q705
C475
Q706
L507
IC405
IC409
10
L518
L905
0
9
D14
R
110 R112
R116
R503
R504
R507
R121
R509
L7
R511 R512
R514R515
R709
R516
R710
R712 R713
R714
R520
R521
R715
CN506
R716
R522
R717
R718
CN509
L17
R527
R528
R529
C108
R720
C109
R916
R722
R724
R725
R531
R532
R533
C110
R536
R537
C117
CN520
C118
R731
C501
C502
R733
R542
C507
R737
R543
C509
R740
C511
C705
C706
C512
C707
C513
C708
C709
R551
R746
R552
R749
Q4
C714
C520
C715
C716
C522
Q7
C523
Q8
R560
C719 R755
R756
R759
R567
R568
C720
C723
C531
R761
C532
C533
+
R763
C729
R765
R766
R767
R574
R768
R41
R577
C735
C541
R771
C542
C738
R774
R775
R581
R584
R587
C740
R55
C744
R781
C746
R783
C748
R784
R787
R788
Q401
Q402
Q404
C750
C751
R790
Q409
R791
R792
R795
Q410
Q412
Q413
Q414
Q415
C761
D702
L404
D704
L405
D705
L406
D706
C768
C769
C770
C773
C774
C776
C777
IC504
IC505
C779
IC506
IC508
IC701
IC702
IC703
IC704
IC510
IC705
IC706
C786
IC708
IC709
C789
C597
C598
C599
C790
IC712
C792
C793
IC714
C795
C796C797
C799
1
1213
24
15
5
1
6
4
1
5
8
8
3
1
4
5
3
1
4
5
4
1
5
8
3
1
4
4
1
5
8
4
1
5
8
5
3
1
4
5
4
4
1
5
8
1
5
8
4
1
5
8
3
3
3
1
4
5
1
4
6
3
1
4
5
1
4
5
O
G
I
CN600
J79-0130-19 A/2
L102
L103
R111
R113
R114
C112
C115
C116
C34
C36
C51
R438
C63
C77
C78
D4
D8
D11
L12
L14
L20
L21
R153
R56
R61 R82R83
R85
C12
R436
C58
C457
C458 Q6
R600
R601
R802
R611
R612
R615
R616
R617
R618
R619
R620 R624
R819
R625
R629
R820
CN611
CN612
CN614
R833
R834
R835
R836
R837
C72
C75
R846
C620
C621
C818
R677
R680
R687
R688
Q701
Q702
Q708
L501
L904
L523
R701
R703
R704
R706
R707
R708
R721
CN512 CN516
R726
L23
R727
R728
R729
R730
R732
R734
R738
R545
C702
TH701
R744
R747
C710
C711
R750
C521
R751
R752
C717
C718
R758
R569
C722
C724
R760
C725
C726
R762
C727
R764
C535
R769
C730
C731
C732
C734
R770
R772
C737
C544
R776
R777
R778
C741
C743
R780
R59
C745
R782
C747
C749
R785
R60
R598
R599
C752
C753
C754
D501
D502
R794
R71
R799
D703
D707
C767
C814
IC501
C775
C778
C785
IC707
C788
IC710
IC711
IC713
C798
R602
R604
R614
R621
R622
R623
R627
R628
R841
C824
R676
L502
L521
R501
R510
R524
R525
R915
R917
R538
R539
C503
C504 R540
R541
C506
C508
X501
X502
C516
R553
C518
R554
R556
R557
R558
R561
C528
C530
C536
R572
R591
R594R596
R597
D503
IC502
IC509
IC511
R406
R420
R421
R423
R424
R425
R428
R429
R431
R827
R448
C420
C425
C430
C431
C436
C442
C444
C451
C455
Q710
IC401
IC402
IC404
R705
R739
R741
R745
R748
C712
CN542
R753
C529
C721
C736
R773
R779
C742
R786
R789
Q407
Q408
C757
R793
R796
R797
R798
C762
Q416
C763
C764 C765
C766
C782
C783
C784
R698
C514
R402
R404
R407
R408
R409
R411
R828
C405
C411
C417
C809
D403
IC408
R804
R813
R816
R693
R694
R695
R696
Q707
L503
C505
R544
C517
IC503
C787
C791
C794
C701
TX-RX UNIT (X57-7390-10) (A/2)
Foil side view (J79-0130-19 A/2)
PC BOARD NX-800

76
JIHGFEDCBA
1
2
3
4
5
6
7
8
9
10
11
12
13
14
DG
S
DG
S
J901
DM/KVL
DM/KVL
MIC
MIC
PTT/TXD
PTT/TXD
SB
SB
HK/RXD
HK/RXD
ME
ME
E
E
BLC/AFO
BLC/AFO
R921
R923
R924
R925
R945
C923
C924
C925
R962
R967
R968
R969
R970
R971
R972
R973
R974
R981
R982
C949
C950
C951
C952
C953
C954
C955
C956
C963
D912
D915
D916
D919
D920
D921 D922
D927
D931
D932
Q901
Q902
Q904
Q905
Q906
Q911
L905
L908
R901
R906
R908
R909
R911
R912
R915
R916 R917
R918
CN902
R926
R927
R930
R933
R937
R938 R939
C905
C906 C907
R944
C909
1
29 30
GND
RXD
5C
SHIFT
GND
GND
AFO
ME
GND
/PSW
SB
8C
SPO
SPO
SPO
GND
TXD
NC
GND
GND
/PRST
GND
MIC
GND
NC
SB
GND
SPO
SPO
SPO 2
R946
R947
X901
C911
C913
C915
R954
C918
C919
R956
C920
C921
C928
C930
C933
C934
C941
C942
C946
R996
D901
D902
D903
C964
D906
C967
D910
D913
IC902 5
4
1
3
IC906
CP912
R977
R978
R979
R999
1
V5
V4
V3
V2
V1
VDD
VSS
VDD
D7
D6
D5
D4
D3
D2
D1
D0
/WR
AO
/RES
/CS 20
IC911
CP907 CP908
CP909
CP910
CP917
Q908
Q909
Q910
L901
L902
L903
L904
L906
R902
R905
R907
R913
R914
R919
CN901
CN905
R929
R932R931
R934
R935
R936
C903
R940
R941
TH901
R942
GND
LDM
R943
C908
R948
R949
C910
C912
C914
R950
C916
R952
R953
C917
R955
R957
R958
C926
C927
R963
C929
R965
C931 C932
C935
C936
C938
C939
C940
C943
C944
C945
C947
C948
C957
R997
1
25
26 50
51
75
76100
D904
C965
D907
1
2
IC901
8
5
1
4
4
5
5
8
4
1
3
1
4
5
3
1
IC903
IC904
5
4
4
4
5
3
1
5
8
4
1
5
3
1
1
3
+
+
+
IC905
IC907
IC908
IC909
R922
C922
D914
PSW
LEFT
UP
LEFT
DOWN
D929
D935
PF1 PF2
NX-800 PC BOARD
DISPLAY UNIT (X54-3640-10) Component side view (J79-0157-19)
DISPLAY UNIT (X54-3640-10) Foil side view (J79-0157-19)

77
JKLMNOPQRS
1
2
3
4
5
6
7
8
9
10
11
12
13
14
R904
R920
R923
R924
C924
C925 R972
R973
R974
R981
R982
C963
D908
D911
D917
D918
D923
D924
D925 D926
D928
D933
D934
CP912
R900
R978
R979
/WR
AO
/RES
/CS 20
C962
C966
IC910
IC913
1
24 25
48
CP910
P
917
L907
R928
R964
R966
R986
R992
C959
50
51
75
76
R998 C960
C961
IC912
8
5
1011
120 1
4
D937
Q913 1
34
6R960R976
R988
R989
R990
R991 C958
D930
PF3 PF4
D936
RIGHT
DOWN
RIGHT
UP
J79-0157-19
J79-0157-19
DISPLAY UNIT (X54-3640-10) Foil side view (J79-0157-19)
DISPLAY UNIT (X54-3640-10) Component side view (J79-0157-19)
PC BOARD NX-800
Component side
Foil side
Layer 1
Layer 2
Layer 3
Layer 4
Component side
Foil side
Layer 1
Layer 2
Layer 3
Layer 4
Ref. No. Address
Q913 2K
D908 4N
D911 4M
D912 4H
D914 3C
D915 3G
D916 3H
D917 3K
D918 3L
D919 5H
D920 5G
D921 5I
D922 3I
D923 5L
Ref. No. Address
D924 5K
D925 5N
D926 3M
D927 6E
D928 6K
D929 3D
D930 5P
D931 6I
D932 6G
D933 6O
D934 6M
D935 5D
D936 3P
Ref. No. Address
IC901 9D
IC902 10E
IC903 11F
IC904 11G
IC905 9F
IC906 12F
IC907 9F
IC908 9F
IC909 12G
IC910 12K
IC911 10I
IC912 13L
IC913 11L
Q901 9D
Q902 9E
Q904 9E
Ref. No. Address
Q905 12C
Q906 12C
Q908 10E
Q909 11B
Q910 10E
Q911 12B
D901 10C
D902 10B
D903 10B
D904 9B
D906 10D
D907 11D
D910 9E
D913 9C
D937 12L

NX-800 SCHEMATIC DIAGRAM
78
7.84V
14.34V
R : 1.73V
T : 1.66V
0V
1.88V
0V
R : 13.55V
T : 13.02V
3.28V
3.30V
T : 4.96V
4.99V
R : 0V
R : 4.96V
T : 0V
R : 0V
T : 8.01V
R : 8.01V
T : 0V
R : 8.01V
T : 0V
R : 8.03V
T : 7.97V
R : 0V
T : 7.96V
1.88V
3.29V
T : 3.50V
R : 3.62V
4.99V
0V
5.01V
3.32V 3.29V
R : 13.57V
T : 13.09V
R : 13.57V
T : 13.07V
2.97V
0V
3.31V
3.31V
3.89V 1.49V
5.01V
5.00V
0V
1.57V
0V
2SA1955A-F
470k
R426
Q411
3.3k
R415
470k
R413
(SCTAM1)
DC SW
R422
Q406
10u
C438
UPA672T-A
10k
(33BU)
DC SW
DC SW
(33BU)
Q405
2SA1955A-F
IC401
XC6108C23CMN
VOLTAGE
DETECTOR (BINT)
VSEN
CD
100k
R406
5
270k
R405
4VIN
C420
2
1
VoUT
VSS
0.1u
C442 0.01u
C444 1u
R449
22
3
CURRENT
PREVENTION
(OR 33M/SBC 2)
REVERSE
REGULATOR (33M)
VOLTAGE
2CE
XC6204B332P1
C409 0.01u
0.01u
C474
47k
R447
1SS388F
D412
3VIN
IC402
C413 1u
4
10
R446
C441 0.01u
C443 1u
C426 0.01u
C424 1u
VSS
NC
VOLTAGE
1
D408
1SS301F
REGULATOR (33A)
VoUT 5
VIN VOUT
3
2
CE
VSS 4
NC
0
R448
1
XC6204B332M
5
IC408
CN405
47k
R445
R433
2.7k
R444
D410
1SS388F
1k
D411
1SS388F
PREVENTION
(33BU)
CURRENT
REVERSE
SCTAM1
REGULATOR (15M)
VOLTAGE
33M
33BU
(50MC)
C455 0.01u
VoUT
C451 2.2u
XC6205B152PRN
VIN
NC
VSS
1
2
IC409
3CE
5
4
15M
SSM3K15TE(F)
470k
R421
DC SW
(50MC)
R429
Q410
10k
C453 1u
C456 0.01u
2SA1955A-F
R428
Q412
DC SW
10k
DC SW (50IF)
R440
1k
50MC
R437
470k
1u
C463
SSM6L05FU-F
Q416
33A_2
33A
0.01u
CRS02-Q
F401
C419 1000p
C421 0.047u
C427 470p
C428 100p
DSA3A1
D404
D405
22ZR-10D
470p
C403
C401
1000u25
PROTECTIONABSORPTION
SURGE REVERSE
C430 4.7u
C431 4.7u
D407
L404
SW BooST
C468
SHDN
LT1616ES6-PBF
5
6
4
VIN GND 2
1
3
FB
L403
L402
IC405
4.7u16
C446
22uH
10u
C475
C445
10u
R431R432
18k22k
1SS388F
L405
120k
R430
470p
C454
D409
Converter (50M)
50M
DC/DC
IC405,D407,409
+B
1u
1u
C458
C459
4.7u16
C457
22k
R443
0.1u
C460
DC/DC
(150C)
CONVERTER
12k
R441
180p
C461
0
R450
10
R435
33
R434
C464 22p
VSS
CLK
CC/GAIN
VoUT/FB
R436 2
0
150k
R438
CE/SS
VIN
LSEN
3
4
EXT
1
XC9101D09AKR
IC410
7
6
5470p
C462
8
C465 1u
C466 1u
C467 1u
Q417
SSM5H01TU
L406
68u
330k
R442
DC SW
1000p
/OVRB
/IGN
100k
R403
C406
0.01u
C410
SBC
BLVL
68k
R409
02DZ18F-X,Y
PROTECTION
1M
R401
1
2
Q403
DTC114TE
DC SW
(IGN)
10k
C425 0.1u
1
680k100k
HSC119
PROTECTION)
SUPPLY
SW (OVER DC
C405
470p
Q401
DTC114EE
R408
DC SW
(SB)
470p
C417
R411
R404
D403
DTC114EE
1SS416
Q402
R410
D406
10k
C422
4.7u
R402
D401
SUPPLY
OVER DC
470
(SB)
47k
R407
470p
C411
2SJ645
Q404
DC SW
470p
C415
C450 0.01u
C452 1u
C471 1u
NP/VREF
C437 0.22u
C434 1000p
R417
oN/oFF
0.22u
VOUTVIN
C439 0.01u
C440 1u
3
2
CE
VSS 4
NC
XC6204B332M
1
IC407
5
C447
2.2u
C449
C448
0.01u
DC SW (80T)
DC SW (80R)
DC SW (50R)
4.7k
TK71733S
2
1
3
VIN
GND
VoUT 5
4
IC406
10u10
C436
C433 0.1u
GND
3
IN 2
oUT
Q409
12A02CH
47k
R420
R425
IC404
TA7805FQ
4.7k
12A02CH
Q408
10k
R419
R424
C432
C429
C473
0.1u
4.7u25
R423
10k
R418
4.7k
12A02CH
Q407
47u25
DTC114EE
Q415
DTC114EE
Q414
DTC114EE
Q413
REVERSE
PREVENTION
CURRENT
(BACK UP BATTERY)
SB
80C
80T
80R
(BLVL)
REVERSE
PREVENTION
CURRENT
REGULATOR (50C)
VOLTAGE
50C
50R
/BINT
/RST
TXC
RXC
33C
33GPS
REGULATOR (33C)
VOLTAGE
VOLTAGE
REGULATOR (33GPS)
47k
PREVENTION
CURRENT
REVERSE
D406
150C
CN402
CN401
CN403
VOLTAGE
REGULATOR (80C)
3
2
oUTIN
GND
1
IC403
NJM78M08FA-ZB
5A
/BINT
BATT CHK
C435
10u
+
+
+
+
+
+
TX-RX UNIT (X57-7390-10)
1
1
1
ABCDE
1
2
3
4
5
6
7
X57-739 1/16

SCHEMATIC DIAGRAM NX-800
1.65V
0.64V
0V
3.26V
3.31V
3.17V
3.21V
3.31V
3.31V
4.97V
3.29V
FC-T : 6.61V
FC-R : 7.08V
14.34V
14.30V
13.72V
0.92V
4.95V
1.44V
1.65V
I2CCK
I2CDT
R77
/PCS_RF
TCXO_MOD
R80
0
R22 1k
0
R7
10k
C14
1u
C25
100p
2SC5383-T111
Q1
SDO1
R81
SCK1
R76
43
INPUT+
C29
100p
INPUT- 470k
R31
47k
5
LMC7101BIM5
OUTPUT
V+
2
1
IC4
V-
PLD
R30
180k
C33
33p
C38
R36
10M
DA221
D2
0.1u
CV
C13
R4
100
ADDRSMBDAT
BUFFER AMP
R1
22k
R2
C3
470p
C1
1u
C4
0.1u
22k
2
(TCXO MODULATION)
BUFFER AMP
V+
3
INPUT+ INPUT-
4
LMC7101BIM5
IC2
1 OUTPUT
330k
R79
V- 5
100
GND oUTPUT
VC
19.2MHz
VCC
C88
0.01u
R72
18k
R74
1k
C6
100p
(19.2MHz)
Q11
2SK1215-E(E)
10u
R5
220k
C11
0
HVC131
D21
R6
4.7k
18p
C90
0.01u
C7
39p
C10
C91
0.01u
C92
0.01u
R86
2.7k
L1
4.7u
R8
4.7k
C15
R10
0
L31
LM73CIMKX-0
SMBCLK
5
6ALERT
4
IC1
VDD
GND 2
1
3
C5
0.01u
R75
220
C22 100p
R18 10
R17 10
R15 10
R12
4.7k
L32
C18
100p
C21 100p
C20 100p
C19 100p
9
22
/FVco
FVco
VCCcp2
100p
17
18
21
19
20 Data
/CS
VCC_digital
LD/PS2
VCCcp 2
CPout2
13
14
15
16
10
11
12
OSCout
VCC_SOC
GND_OSC
/Fin
VCC
25
23
24
GND
Mod_in
Max_out
Clock
1
2
Fin
VCCcp1
CPout1
LD/PS1
7
8
NC
/OSC_AC_GND
OSC
5
6
3
4
C23 100p
C26 100p
C24 0.1u
C27 0.1u
R13
47k
C28
100p
R21
10
R23
1k
R19
10
C17 0.01u
C16 0.01u
R16
10
L33
L35
PLL IC
IC3
L34
C36
5p
C46
C34
47p 12n
L4
5p
R47
150k
C49
10p
R46
C53
470p
C52
470p
Q3
BUFFER AMP
(PLL FIN)
270
2SC5636
50C
RIPPLE
FILTER
150C
BYPASS
DIODE
(VCO TUNE)
BUFFER AMP
50C
50C
50C
33C
0.01u
33C
CV
SENSOR
TEMP
R3
33C
C9
0.01u
C2
100p
10
R43
L10
18n
3p
C39
VCO TUNE
TCXO MOD
X1
ASSIST
R918
100
R919
100
1 11
222
FGHIJ
X57-739 2/16
TX-RX UNIT (X57-7390-10)

NX-800 SCHEMATIC DIAGRAM
W : 0V
N : 3.29V
W : 0.99V
N : 1.09V
W : 2.89V
N : 0.29V
4.97V
W : 0.99V
N : 1.09V
4.92V
W : 3.27V
N : 0.02V
0.66V
4.86V
4.35V
0.74V
4.87V
4.98V
1.65V
1.65V
4.21V
T : 3.31V
R : 0.02V
R : 0V
T : 3.47V
T : 0V
R : 3.21V
0.74V
R : 3.07V
T : 3.05V
3.94V
470p
5
4
3
2
1
8
9
7
6
12
11
10
R215
SW
C201
(W/N)
0.01u
Q202
DTC144EE
C204
0.1u
SW
(W/N)
Q201
DTA114EE
C202
0.1u
R201
CF SW
(W/N)
15k
R203
22k
C332
0.1u
DAN235E
D201
C203
0.1u
0.1u
IN
L72-1021-05
R344
1.5k
CF202
R327
oUT
R324
1.8k
0
Narrow
R325
R208
15k
C333
0.1u
3.3k
R206
22k
(W/N)
CF SW
D202
DAN235E
0.1u
1.8k
2.7k
EMD9
Q212
R331
47k
R329
5.6k
C336
10k
0.01u
R213
1k
R204
47
R328
1k
C205
0.1u
R202
22k
C330
C348
0.01u
R346
22k
IN
L72-1017-05
R343
CF201
WIDE
oUT
R205
22k
C331
R207
330k
2SC5636
Q203
10p
C206
C207
0.01u
L202
560n
C208
0.01u
C214
68p
R332
0
C211
10p
CD201
C343
10u
C342
0.1u
R330
10
0
R219
C227 82p
C219 4.7u
C218 4.7u
C225
0.1u
R216 C228 0.1u
C217 0.1u
R338 10k
R210 10
R333
100n
L201
C216
68p
C220
47p
L204
C215
100p
47n
C222
0.01u
0
R353
C210
0.1u
1k
C223
0.01u
FM_DET
10u
C226
10u
C221
C231
0.01u
C229
0.1u
C358
1000p
R224 10k
C338 0.1u
C337 0.1u
R225 15k
22k
C233 1u
R82
R345
GND
OSC<E>
FMIFi
AGCAMPo
AMDETo
FMIFdecp1
FMIFdecp2
FMDETo
QUADi
LIMo
RFAGCo
AMSW
RSSIo
16
17
13
14
15
AMIFi
VCC
MIXo
AMIFdecp
COMPi
COMPo
AGC
NAMPi
NAMPo
21
22
18
19
20
R228
R230
22k
R223
270k
R227 100k
C232 0.1u
C341
1u
R334
0
47k
TK10931VTL-G
IF IC
IC202
OSC<B>
R226
RFin
23
24
C339
0.01u
R234
10k
Q204
2SC3356(R23)
IF AMP
1st
R235
0
R237
100k
0.01u 470p
L205
C234
0.01u0
560n
R232
100
C238 C237
R231
220
L206
1
2
4
3
R34
1k
R26
100k
470p
VCO_MOD
VCO MODULATION/
BUFFER AMP (CV)
C48
1u
R45
100k
8
7
5
6
VSS
VDD
R42
R44
0
C47
47p
C54
0.1u
IC5
TC75W51FK(F)
100k
C56
4.7k
10u
C65
/T_R
2SC5383-T111
R55
Q4
0
C71
1u
L20
R83
0
R60
1k
220n
L15
1SV282-F
220n
L11
1SV325F
C61
0.5p
L41
L40
C31
100p
R352
0
R27
47k
R28
68k
R41
L3
D4
10u
L7
0
C45
100p
1SV325F
C51
150p
1SV282-F
C43
470p
D12
180n
L14
R49
68k
C55
1u
R54
47k
R53
47k
470p
180n
L12
R85
01SV282-F
D8
D11
C41
D4,8,11,12
D10
220n
L13
C58
12p
180n
L16
1SV282-F
TX VCO
C60
0.75p
R40
D3
C44
100p
10u
L6
0
C50
150p
R84
0
D9
1SV282-F
D7
D3,7,9,10
C59
15p
1SV282-F
27n
L25
2SJ347F
Q8
1SV278F
SSM6L05FU-F
R56
470k
MODULATION
TX
D14
T/R SW
(VCO)
470p
C75
Q7
R61
47k
C63
0.75p
Q9
2SC5636
R63
100
C80
470p
R62
150k
C81
10p
C79
7p
2nd LOCAL
BUFFER AMP (X3)
50R
50C
50R
33C
50C
39000
150
R32
10u20
C35
0.15u35
C32
0.047u35
C37
R29R25
10k
R37R35
RIPPLE
FILTER
C77
CONTROL
FREQUENCY
(VCO)
BUFFER AMP
FREQUENCY
CONTROL
CV
RX
TX
C8
8p
R71
470k
C12
8p
L17
17.5n
C67
6p
3p
C72
L23
180n
R59
180
5p
C69
L21
180n
470p
C73
R153
120
C78
470p
2SK508NV(K52)
Q6
VCO
L19 R58
180
R57
220n
C66
6p
470p
C70
C68
4p
L22
220n
Q5
2SK508NV(K52)
VCO
180
C64
7p
L18
22n
RX VCO
0.5p
C76
0.5p
C74
L79-1850-05
W_/N
VCO_MOD,/T_R
+
+
+
1 11
22
222
X57-739 3/16
KLMNO
TX-RX UNIT (X57-7390-10)

SCHEMATIC DIAGRAM NX-800
1.39V
1.39V
4.95V
0.74V
4.34V
1.20V
1.76V
4.75V
4.80V
1.19V
1.79V
3.29V
4.33V
0.93V
R : 2.81V
T : 0V
7.92V
0.87V
0.15V
R : 0V
T : 4.94V
R : 2.14V
T : 4.26V
1.14V
0.52V7.60V
2SC5636
C83
100p
R263
R220R221
IF_DET
MCP6021-E/OT
IC201
C212
0.1u
R212
0
10
C213
0.1u
R211
1k
C224
0.01u
VoUT
BUFFER AMP
(2nd IF DET)
3
VIN+
2VSS
1
4
5
VIN-
VDD
R218
10k
R209
RSSI
oUT
47k
C230
0.1u
R222
2.2k
18k
CF203
450kHz
IN C334
0.1u
R229
2.2k
10k
C239
R239
100k
C236
47p
R238
63
(RSSI/VAGC)
BUFFER AMP
0.01u
VDD
7
8
R246
2
1
IC203
TC75W51FK(F)
5VSS 4
VAG C
C244
47p
100k
100 2200
2SC3356(R23)
C240
0.01u
1st
IF AMP
Q205
R244
560n
L207
R243 L208
R242
R320
C246
0.01u
R245
100k
C243
0.01u
C242
470p
R248
470k
C247
0.1u
R250
00 0
6
INoUT
C252
1p
R256
180
XF202
3
1
5
4
2
58.05MHz
R257
0
C256
1p
R321
0
C261
R64
6.8k
R65
10k
C82
33p
Q10
C269
470p
4.7u
MIXER
SPM5001
S2
G2
R268 L211
L210
L39-1498-05
C262
0.01u
C265
0.01u
C263
470p
47
3
C268
1st
D2
IC204
D1
G1
2
1
L212
L39-1498-05
C270
470p
4
R270
S1 5
6L215
2.2k
L39-1498-05
470p
C278
470p
C279
R276
1k
R271
R262
6.8k
R267
C264
470p
270
R265
10k
C344
100p
R339
47
R266
2.2k
22n
L209
Q208
2SC5636
C267
7p
C271
10p
C266
R269
47
1000p
C273
12p
L213
15n
C276
6p
L214
18n
R274R275
R273
18
R272
270
1k
C280
470p
270
C106
PRE-DRIVE AMP
470p
C257
470p
R261
C260
0.01u
4.7k
L36
C98
470p
R68
47
C85
0.1u
R66
330
C84
470p
SW
T/R
HVC131
D205
C103
470p
R101
3.3k
R107
R105
33k
R108
10
6.8k
T/R
D101
HVC131
C86
7p
R67
2.2k
22n
L26
R158
0
R70
4.7k
C101
1000p
SW
R102
820
R103
5.6
R104
820
C104
100p
RF
C105
100p
R106
220
2SC5108(Y)F
Q101
R109
330
R112
2.7k
R111
560
L103
C108
C110
100p
R110
C111
100p
22
C107
100p
100p
R113
10
C117 C116
100p100p
C115
100p
L101
18n
C109
6p RF DRIVE AMP
Q102
2SC5455-A
C118
6p
22n
R114
C112
470
100p
C102
0.01u
0.01u
68
L102
80T
33A_2
BUFFER AMP
(LOCAL)
50R
50C
BUFFER AMP
(RF)
50R
50R
RX
TX
TX
RX
50R
50C
50R
80T
33A_2
R342
0
C245
470p
R160
0
R69
0
120
R341
120
R340
2p
C272
1p
C275
W_/V
1 11
22 2
X57-739 4/16
PQRST
TX-RX UNIT (X57-7390-10)

NX-800 SCHEMATIC DIAGRAM
FH : 5.64V
14.33V
FC : 3.69V
FL : 1.60V
14.33V
FL : 3.70V
FC : 6.16V
FH : 9.21V
8.01V
2.62V
3.37V
FC-L : 0.81V
FC-H : 2.32V
FC-L : 3.34V
FC-H : 13.01V
FC-L : 13.38V
R : 0V
T : 0.78V
FC-H : 3.77V R : 0V
T : 1.59V
-t
100k
TH102
C194
470p
R161
3.3k
GND
NJM2904V-ZB
TV2 R285
R282
0
C289
0.1u
V-
BUFFER AMP
(BPF TUNE)
INPUT+
10k
2
3
V+
INPUT-
4
LMC7101BIM5
IC205
OUTPUT15
R290
270k
R291
100k
C302
0.1u
0
R277
470p
C281
+B
APC
R123
27k
R120
4
2
3
R122
68k
R119
1
47k
TV1
V-
INPUT+
R296
10k
V+
2
3
INPUT-
LMC7101BIM5
OUTPUT1
IC206
R301
560k
R302
100k
4
R303
100k
5
820k
10p0
R299
R294
L221
C347
470p
C301
C315
R307
LNA
220
2SC3357-A
Q210
18k
5p
R306
18n
18k
R297 L230
0
R317R313
00
100k
DTC114EE
R133
100k
80R
MP
/H_L
5
6
C134
R134
270k
8
7
V+
100k
IC101
R140
100k
C157
100p
2SK1830F
Q106
R137
330k
Q105
R141
470p
4GND
2
3
5
6
R144
V+
NJM2904V-ZB
1
IC103
8
7
R145 82k
C193
R146
100k
470p
R147
100k
THP2
C131
C123
C128
47p
22p
R125
C127
100k
TH100
R124
3.3k
470p
C186
C150
C135
C133
R132
R131
330
PM DRAIN BIAS
PROTECTION
C137
3.3u L106
D102
C132
470p
100p
02DZ5.6F-X,Y
C142
C141
22p
C147
470p
C145
100p
47p
L108
L109
D106
L7091CER
C162
100k
R143
0
1/4W100p
47u25
C152
R154
300
R138
300
1/4W
C156
22p
L111
22p
C153
100p
C155
R126
39
R127
39
R129
270
270
C136
470p
-t
L407CDB
L110
ANTENNA
SWITCH
D103
R150
82k
C172
100p
R149
100k
C166
100p
2p
C169
100p
C175
R148
10k
100p
HSM88AS-E
POWER
DET
D108 C165
1p
HSM88AS-E
D109 C171
3p
R151
120k
C180
100p
TH2
HSM88AS-E
D110
C179
3p
C164
0.5p
C187
C170
L112
0.5p
C188
L114
C189
L113
C178
0.5p
C190
R152
0
L115
ANT
VARI-CAP TUNE
BUFFER AMP
(BPF TUNE)
POWER
DET
POWER
DET
SWITCH
ANTENNA
22p
100p
5p
7p
8p
3p
120p
80T
150C
TX
RX
POEWR CONTROL
AUTO
POEWR CONTROL
AUTO
120k
SW
(RF PWER H/L)
(RF PWER H/L)
SW
C158
R136
100k
470p
80T
150C
+B
R142
THP
0
R121
0
R116
C184
1p
100p
C181
C185
6p
C174
3p
C177
6p
R279
0
1SV286F
D207
100k
R283
C285
22p
L216
470p
C284
C286
7p
8p
C283
C288
470p
18p
C290 L217
C287
5p
C291
7p
1SV286F
D208
100k
R284
470p
C298
C294
470p
D210 L219
C299
R287
100k 7p
C297
1SV286F 22p
C296
7p
18p
C295 L218
C293
10p
1SV286F
D209
100k
R286
100
R288
100k
R289
470p
C292
D207-210
470p
C307
50R
C317
10p
C322
8p
1SV286F
470p
C316 R315
100k
D212
C320
470p 100k
R316
1SV286F
D213
C319
L223
C318
2p
4p
C321
2p
L224
12p
C324
12p
C335
33p
C310
0
R314
68n
L225 C325
4p
L228
2.7n
D216
HVC131
D212,213
VARI-CAP TUNE
ANTENNA
SWITCH
RA30H4452M123
4RFoUTPUT
IC102
1RFINPUT
GATEBIAS
2
3DRAINBIAS
C308
470p
C323
100p
L222
68n
10T
2.5T
1.5T1.5T1.5T
9.5T
5T
5T
5T
5T
8T
8T
DSW
470p
C125
10k
R117
R115
470p
C120
0
R156
MPL 0
RFAGC
470p
C327
470k
R921
0
R310
+
1 11
2 22
2
22 2
X57-739 5/16
UVWXY
TX-RX UNIT (X57-7390-10)

SCHEMATIC DIAGRAM NX-800
1.48V 3.31V
R512
R507
100k
R516
100k
R531
R529 0
100k
R527
HD7
/CS3
/WR
0.1u
0.1u
C507
C509
0.1
C511
A14
A15
A11
A12
A13
A10
0.1u
C513
0
R567
R560
150
MCDOAF
MCSCKCN
D9 D9
K9
A2
K6
A2
CVDD7
N3
HCS
CVSS2
CVSS1
HD7
DVDD1
CVDD1
HAS
CVDD2
CVSS3
DVSS1
C1
A1
B1
C2 A22
F1
F3
F2
G2
D4
E2
D3
D2
D1
E4
E3
E1
A12
A11
A10
A15
A14
A13
F4
DVSS9
A21
B2
A2
0.1u
CVSS6
HoLDA
CVSS4
HoLD
DVDD2
MP_MC
BDR1
BFSR1
HR_W
R_W
READY
MSC
IoSTRB
MSTRB
K3
J4
K1
K2
XF
IAQ
J2
H1
G1
G3
G4
H2
H3
H4
J1
IS
DS
PS
J3
R584
M2
L1
L2
L3
M1
BIo
N1
N2
M3
HCNTL0
BCLKR1
DVSS5
B4
A8
A9
A7
A6
A3
C3
B3
A9
A8
C505
C4
A7
A6
HD6
A4
A5
A3
A4
D5
A5
A4
C5
A3 B5
K4
L4
M4
N4
BFSR0
BCLKR2
BCLKR0
BDR0
BFSR2
K5
L5
M5
N5
BDR2
HCNTL1
BCLKX0
BCLKX2
/HDS2
/RD
B7
C504
A6
A0
A1
HDS2
DVDD6
C6
0.1u
A5
D6
A0
A1
B6
C506
HDS1
DVSS8
CVSS10
CVDD6
C7
D7
A7
0.1u
M7
M6
L6
N6
CVSS7
HINT
CVDD4
BFSX0
DSP
IC502
L7
N7
K7
HRDY
BFSX2
DVDD4
D8
D15
HD5
D13
D14
D15
A8
100k
D13
B8
D14
R501
C8
D12
HD4
D11
D10
B9
A9
D12
D9
C9
D10
D11
BDX2
M8
N8
L8
HD0
DVSS6
BDX0
M9
K8
N9
L9
HBIL
IACK
NMI
INT0
R694 100k
R695 100k
R686 100k
R693 100k
100k
0
R685
/MCCSAF
R543
R542 100k
/MCCSRCN
BCLKR2
MCDOCN
BFSR2
R544 BDR2
BCLKX2
C516 0.1u
100k
R553
R541 100
100k
R696
C517 0.1u
/MCCSXCN
R540 100
/BFSX2
BDX2
R539 0
R538 100 MCDICN
R558 100k
/DWUP
/SYMTIM
EMU1_oFF
A18
A17
A16
D5
D4
D3
D2
D0
RS
DVSS4
X2_CLKIN
HD3
TDo
TMS
TCK
TDI
CVSS5
CLKoUT
DVSS3
HPIENA
CVDD3
TRST
EMU0
HD2
HPI16
ToUT
DVDD3
CLKMD3
CLKMD2
CLKMD1
DVSS2
BFSX1
BDX1
M12
A11
C503
D7
D8
DVDD5
D6
D7
A10
B10
D8
C10
D10
D6
0.1u
A20
CVSS9
A19
A12
B11
A13
N10
M10
L10
N11
INT3
INT2
INT1
CVDD5
L11
M11
N12
CVSS8
HD1
BCLKX1
DVSS7
A16
A17
C11
B13
B12
F13
F12
G10
X1 F11
C13
C12
E12
E11
E10
D13
D12
D11
E13
D1
F10
0
R514
R511
D1
D0
D4
D5
D2
D3
22
K12
K13
J10
J12
H13
G12
G13
G11
J13
H10
H11
H12
J11
N13
K11
M13
L12
L13
K10
R698 0
R524 0
47k
R521
R528 0
R697 0
R532 100
R533 0
/BER_EN
/DRST
C512
L502
L503
100k
R515
0
1000p
C508
470k
R510
R841
0.1u
R525
100k
0.1u
C514
R557 100k
R552 100k
R554 100k
C824 1000p
R556 100k
C518 1u
INT3
/DINT
R537 0
R536 0
FSDET
MCSCKAF
/MCCSAF
MCDIAF
0
100k
R520
47k
15M
33M
/HINT
/HRDY
RXC
33M_1
15M_1
15M_1
33M_1
100k
0
BCLKR0
BCLKX0
X2_CLKIN
HD2
/SCRST
1
1
1
2 22
33 3
3
3
3
3
444
4
4
4
555
5
5
5
5
3
6
6
6
77 7
X57-739 6/16
ZAA AB AC AD
TX-RX UNIT (X57-7390-10)

NX-800 SCHEMATIC DIAGRAM
3.31V
4.99V
3.31V
3.31V
3.31V
3.31V
3.31V
2A1 7
(BER CLK/BER DATA)
BUFFER AMP
4GND
3Y2
5Y1
A2
6G2
TC7WT125FUF
IC509
1G1
0.01u
C529
VCC 8
AIO7
AIO6
1u
1u
C501
C502
D15 DQ15 A1
A1 A12
A12 D0DQ0
/WR
/WP
/FRST
D6
D4
D1
D3
A7
A4
A8
A2
A5
A0
A3
A6
A13
WP/ACC
A17
A12
RESET
RY/BY
WE
A9
A4
A7
A3
A8
/WR
A13
A17
A12
A9
A4
A3
A7
A8
R504
100k
0
R509
B3
A5
B2
B1
A6
A3
A2
A1
A4
B4
B5
B6
470k
R522
L522
D4
H5 C2
VSS2
DQ6
H6 A2
A6
A2
A6 C1
DQ4
FLASH ROM
H2
DQ3
DQ1
H4
H3
VSS1
H1
A18 A18
A10
A14
C5
A10
A21 C3
C4
A14 C6
A1
A4
A3
A2
A5
A1
B1
A6
B3
B2
A6
A0
A3
CE2
A1
H6 A14
A14
A13
H5
A13
DQ4
A8
WE
A2
B4
A4
A7 B5
/RD
/CS0
/CS2
/RD
D11
D13
D9
L501
E6
E5
E4
E3
E2
F6
F5
F4
F3
F2
F1
E1
F6
G1
G2
F4
F3
E6
G3
F1
E1
IC501
G6
DQ11
DQ13
VCC
G5
G4
DQ9
G3
G2
D1
A19
A5
A20
A11
A19
A20
A5
D3
D2
A11 D4
D5
oE
DQ8
A16
DQ7
CE
DQ14
DQ12
G1
NC
DQ10
A15 A15
DQ5
DQ2
DQ0
D6
A0
IC503
SRAM
H4
A9
A9
A10
A11
H2
H3
A11
A10
DQ3
H1
G6
B6 D5
D1
A5
NC1
DQ5
C3
C1
DQ1 C4
C6
NC3
A15
A15
DQ2
DQ7
CE
oE
A16
G5
G4
A16
VSS1
NC2
DQ6
VSS2
VCC2
VCC1 D6
D1
1u
D8
D7
D14
D12
D10
A0
D5
D2
D0
D2
D7
D3
C515
D
D6
C522
0.01u
2 INA
1 INB
GND
3
VCC 5
oUTY
4
DELAY
TC7SH08FU-F
IC505
VSS
2
0.01u
C520
3
CD
0.01u
C523
RESET (CPU)
VIN
XC6109C29ANN
100
1
R551
IC506
4
VoUT
OSCINSCL
C521
I2CCK
I2CDT
32K
/RINT
INTRB
4SDA
3
VSS
5
7
OSCOUT 8
INTRA 6
32768Hz
CLKC
X501
RV5C386A
32KOUT
01
2
R545
RTC
IC504
47k
R561
10
VDD 9
33BU
33M
A16
CN549
5R590 0
10k
R575
43
C527
GND
R585 0
R576 0
R578 0
R579 0
R580 0
R583 0
R582 0
R586 0
R588 0
R589 0
R592 0
16
17
19
20
18
11
12
10
14
15
13
6
9
8
7
oUTY
IC507
TC7SH126FU-F
(OP : 20PIN BER CLK/BER DATA)
1G
2 INA
/BFSX2
/BER_EN
BUFFER AMP
5
VCC
BFSR2
HD7
BCLKR2
L506
SCRXD
INT3
BDR2
100p
R595 0
C534
1
4
3
2
R593
0
SCTXD
/SCRST
BCLKX2
50C
33M
0.01u
SCBSY
RST
0.01u
33M
50C
33BU
BCLKX0
BCLKR0
X2_CLKIN
HD2 HD2
X2_CLKIN
SCTAM1
D
D
D
D
D
D
D
SCTAM1
BDX2
D
L905
L904
1 11
2
2
22
3 33
4 4 4
5
5
5 5
44
4
4
5
3
3
3
3
3
6 66
7 7
8
8
9
9
X57-739 7/16
AE AF AG AH AI
TX-RX UNIT (X57-7390-10)

SCHEMATIC DIAGRAM NX-800
C13
OPT10SEL
OPT5
OPT4
OPT1
OPT2
OPT3
OPT8
OPT7
OPT11
OPT6
I2CDT
I2CCK
SDO1
SCK1
TONESW
/PCS
SDO0
SCK0
/EVCS
STSW
R503 1k
MIC
RXAF
W_/N
CV
BLVL
THP2
BEEP
TONE
MOD
KEYo2
MICADC0
MoDDAC
MICADC1
MICVR
SPDAC
KEYo0
KEYo1
KEYo3
KEYo4
PWM2
SPCK0
SPCS02
SPCS00
SPCS01
SPCK1
SPCS12
SPCS11
SPCS10
1M
R612
R687 4.7k
R688 4.7k
DD
/WP
I2CCK
I2CDT
RXD3
T8
U7
V7
U6
SPI1
SPo1
R14
A9
C10
V4
U5
T6
U4
T4
V5
SPI0
SCK
SDT
RXD3
SPo0
V6
10u6.3
0.1u
C533
C535
V8
R597
R587 1k
R568 1k
R591
1k
K3
J3
K1
K2
H1
T5
G3
H2
H3
J1
J2 ADC8
ADC7
ADC4
ADC5
ADC6
ADC9
V13
U12
R4
P4 PWM1
V12
T10
L2
R9
V11
U10
T11
U11
T12
KEYI0
KEYI1
KEYI2
KEYI3
KEYI4
TI
V14
TXD3
RXD2
T14
RXD2
TXD1
RXD1
TXD2
RTS0
CTS0
T15
V15
U15
R15
TXD1
TXD2
RXD1
RTS0
CTS0
AMT
HDS2/HDS2
RXD0
TXD0
R18
T18
R16
RXD0
TXD0
CS0
HRADY
CS2
CS1
B12
D14
A14
B13
/CS0
/HRDY
/CS2
M17
F17
C15
READ/RD
CS4
CS3
BLE
BHE
A13
D13
B14
C14
/CS3
DT15
WRITE
DT13
DT14
A15
A16
E15
D15
D15
/WR
D13
D14
DT8
D8
DT11
DT12
DT10
DT9
B15
D16
D18
D17
D11
D12
D9
D10
DT6
DT7
DT5
DT4
F16
E17
G16
E18
D6
D7
D5
D4
CPU
IC510
M15
ADD21
DT2
DT3
DT1
DT0
G15
F18
H16
G17
D3
D2
D0
D1
ADD19
ADD20
ADD18
ADD17
P15
J16
H15
N15
A19
A20
A18
A17
ADD12
A12
ADD14
ADD15
ADD16
ADD13
K15
J15
P16
M16
A14
A16
A15
A13
ADD11
ADD10
ADD9
ADD8
P17
K16
L16
N17
A11
A10
A9
A8
A11
ADD3
A3
ADD5
ADD6
ADD7
ADD4
J17
K17
N18
M18
A5
A6
A7
A4
ADD1
ADD2
ADD0
USRCKI
J18
L18
K18
H18
A1
A2
A0
32K
/RINT
XTALI
32I
DSPCK
CKo
XTALo
A12
B11
A10
B4
A4
22
R569
NC25
NC28
NC27
NC26
NC30
IFIR
MICIR
ADC1
NC29
NC14
NC13
NC12
NC11
NC24
NC19
NC20
NC23
NC22
NC21
NC18
NC17
NC16
NC15
NC10
NC9
NC8
NC7
NC6
NC5
NC4
NC3
NC2
NC1
T17
R13
F15
T16
D5
J4
F3
T1
N4
100k
R720
R572 22
1k
R577
U18
V18
U2
U1
V17
D6
C18
C16
A3
D4
B16
C5
C3
V2
V1
A2
B17
U17
B18
A18
A17
B2
B1
A1
1k
33A_2
/HINT
33A_2
32K
SCBSY
33A_2
HD2
X2_CLKIN X2_CLKIN
HD2
ASQDET
SCBSY
1M
R611
I2CCK
I2CDT
MPL
+
1
1 11
2
2 22
3
4
4
5
4
3
6
6
6 66
8
8
8
8
8
9
9
9
9
9
55 5
5
5
5
X57-739 8/16
AJ AK AL AM AN
TX-RX UNIT (X57-7390-10)

NX-800 SCHEMATIC DIAGRAM
1.48V
3.31V
3.29V
L508
C541
10u6.3
C542
R692 100k
THP
VAG C
RSSI
ASSIST
ASQAPC
1k
R610
R605
R607
BSCAN0
BSCAN1
FCDADC
TEST0
TEST2
TEST3
SQDAC
TEST1
IFADCP
IFADCN
/DRST
R691 100k
/FRST
100k
R701D
1k
R606 10k
0
R608 1k
R845
L15
R17
G18
L17
N16
RSTo
R10
R12
R11
T13
U14
U13
H17
E16
P18
TDI
TMS
TDo
TCK
TRST
RTCK
RST
E2
D1
E3
IFVR
V3
C2
F1
F2
E1
G2
G1
D2
IFR
ADC0
BooT
ADC2
DAC0
ADC3
AGND9
AGND8
AGND7
AGND6
AVCC5
AVCC4
NC36
AVCC2
AGND5
AGND4
AGND3
AVCC10
AGND2
NC34
AVCC9
AVCC8
NC35
AVCC6
DGND4
DGND6
DGND5
DGND7
DGND12
DGND15
DGND14
DGND13
DGND11
DGND10
AVCC1
DGND8
DGND9
H5
E6
L1
K5
J5
C540
0.1u
0.1u
C537
C538
0.01u
C539
D3
G4
F4
V16
E4
1u
G5
F5
E5
U3
M1
L3
K4
T3
H4
J14
K14
U16
C17
T2
C4
A5
B3
P7
P8
P12
P13
R603
0
PSRRF RXC
R3
68k
R706
0.1u
R614
100p
C544
D
AGCDAC
470k
D
/SCSW
D9
MCSCKCNMCCK1
MCo0 D11
A8
MCCK0
MCI0
B9
MCCS0 B10
MCDOAF
MCDIAF
MCSCKAF
/MCCSAF
C9
B8
A7
MCo1
MCI1
B7
MCCX1
MCCR1
MCDOCN
MCDICN
/MCCSXCN
R629
/MCCSRCN
D
1M
R627 100k
R628 100k
/DWUP
R684
VFRM
MCo2 D10
C8
MCCS2
MCCK2 R617 1k
C7
VoINT D7 R616 0 /DINT
D
N1
D8
RSSIT R615 0
M3
PSRIF
PSRPLL
M2
PLD
GPIo2
R624
R625
R676
R2
R1 R623 100k
N2
P1
L4
RXRVE
RXSLT
N3
PSTPLL
PSTIF
P2
M4
TMoD
PSTPA
P3
TRAMP
TXRVE
/PRST
/T_R
MM2
MM
W_/V
TXC
D12 R619 1k
R6
R5
FSDET
SYMTIM R621 0
C12
SIMDT
SIMCK
R620 1k
/PSW
0.01u
C621
D
/SYMTIM
FSDET
GPIo0
C11
SIMRST
V9
T9
GPIo1
R618 1k /INT25P
/BINT
/IGN
/OVRB
B6
R7
U9
V10
GPIo3 R682 0
R683 0
T7
GPIo4 R622 0
GPIo5
U8
R8
GPIo7
GPIo6 R681 0
A6
GPIo8 R680 0
GPIo9
470k
R677
D
/INAMT
DVDD3
DVDD1 B5
C6
GPIo11
GPIo10
E8
DVDD2 L511
E9
DVDD5
G14
F14
DVDD4 C560 1u
N14
M14
DVDD6 C558 0.1u
C559 0.01u
SBC
/H_L
DVDD10
P9
P10
DVDD8
DVDD7
N5
DVDD9 C556 0.1u
C557 0.1u
C555 0.1u
DVDIo2 E7
M5
DVDIo1
E13
DVDIo3 C552 1u
H14
C554 0.1u
C551 0.01u
DVDIo7
P11
L14
DVDIo5
DVDIo4
P6
DVDIo6 C548 0.1u
C549 0.1u
C550 0.1u
DGND2 E10
L5
DGND1
E11
DGND3 E12
C547 0.1u
RST
R604
1k
R602
1k
1k
100k
100k
100k
100k
ASQDET
33A
33M
15M
33M
33A_2
33M_4
BSHIFT
PLD
450K
15M
33M
33A-2
X2_CLKIN
HD2HD2
X2_CLKIN
ASQDET
SCBSY
D
D
L903
DSW
C814
470p
RFAGC
+
1 11
1
1
2 22
2
2
2
6 6
6
6
9 99
9
9
5
X57-739 9/16
AO AP AQ AR AS
TX-RX UNIT (X57-7390-10)

SCHEMATIC DIAGRAM NX-800
3.31V
3.31V
RX-IF GND
AVR (E23-1278-05)TX-DRIVE (E23-1278-05)
RX-IF (E23-1278-05)
TX-MODULE (E23-1278-05)
RX-FRONT (E23-1278-05)
VCO (E23-1278-05)CONTROL (E23-1278-05) DIGITAL GND
CN512 CN516 CN527 CN540 CN543CN506 CN509 CN611
CN612 CN614
CN503 CN505 CN510CN507 CN502 CN504 CN508
CN511 CN513 CN517 CN520 CN542
R548 0
R562 0 R534 0
0.01u
C620
R565 0
DD
0
R574
L518
C566 100p
C567 1000p
C568 100p
C569 100p
C570 100p
C571 100p
C543 100p
C545 100p
C546 100p
C553 100p
C561 100p
C562 100p
C563 100p
C565 100p
C579 1000p
C572 100p
C573 100p
C574 100p
C575 100p
C576 100p
C577 100p
C578 100p
CN595
2
3
1
13
11
12
L512
8
9
10
6
7
4
5
20
21
16
17
18
15
14
19
23
24
25
22
26
L517
OPT3
26P_RD
OPT1
L509
L510
AO
AI
26P_TD
OPT4
OPT10
OPT5
33GPS
TXO
OPT2
OPT7
OPT9
DTI
OPT8
OPT11
OPT6
RXEO
RXEI
TXI
XTN INHN
0.1u
C528
BUFFER AMP
(18.432MHz)
0.1u
C531
VC
4
470k
R581
VCC
R596
0.01u
C532
1k
1
R594
100k
3
VSS
XT 1
2
4Q
VDD
6
5
SM5023CNDH-G
IC508
L521
IC511
/PCS_RF
VCC
TC7SH08FU-F
oUTY
GND
2
GND
C530
3
0.01u
X502
oUTPUT
18.432MHz AND
(PCS RF/HD2)
1
2
3
INB
INA
0.01u
C536
REVERSW
(PCS RF)
PREVENTION
CURRENT
1SS416
5
4D503
R598 1k
R599 1k
R600 1k
R601 1k
D502
1SS388F
D501
1SS388F
L507
33M
/PCS
33M_4
50C
80C
OPT10
OPT11
26P_RD
26P_TD
25P_TXD2
G_RXD2
OPT1
OPT3
OPT4
OPT5
DT1
OPT8
TXO
OPT7
OPT2
OPT9
RXEO
TXI
OPT6
RXEI
D
BSHIFT
PLDPLD
450K 450K
50C
80C
33GPS
HD2
X2_CLKIN
D
D
D
26P_RD
26P_TD
PROTECTION
LINE
RXEO
RXEI
0
R915
R917
0
R916
0
R550 0
1 11
2
2
2
9
9
9
9
99 9
1313
13
13
X57-739 10/16
AT AU AV AW AX
TX-RX UNIT (X57-7390-10)

NX-800 SCHEMATIC DIAGRAM
1.63V
1.63V
3.28V
1.62V 1.62V 3.26V
R : 3.31V
T : 0V
3.25V
1.63V
1.63V
3.28V
1.65V
1.65V 1.63V
1.63V
1.31V1.31V
3.28V
R : 0V
T : 1.63V
1.62V
1.62V 3.28V
1.63V
1.63V
3.28V
C750
81
68p
C712
100k
R710
330p
C706
100k3.3u
C701 R705 100k
R714
R716C707
00.1u
0
R731
1
7
8VDD
MOD SMF
LPF (MOD)
C720
100k
0
100k
R741
VSS 4
2
3
5
6
TC75W51FK(F)
IC702
R739
R745
IC709
MOD SUM
100p
C736
R749
82k
68k
1200p
C715
68k
LPF/SUM AMP
VSS
4
R748
5
MIC SUM2
0
IC706
0.1u
TC75W51FK(F)
1
2
3
220p
C721
R722
56k
R724
R725
MIC AA
8
7
6
VDD
R765
SCSW(MIC)
SUM AMP
(AI/TONE/MI1/MI2)
/(MOD/DI)
MIC SUM1
6
7
5
VEE
INH
CoMMoN
CH1
VCC
CH0
2
3
A
GND
(TXO/TXI)
AF SW
4
0.1u
C751
1k
47k
R767
47k
R768
C714
0.01u
C710
47k
R717
VIN+
VSS
VoUT
MCP6021-E/OT
3
2
1
0.01u
C725
0.01u
C732
22k
R734
VIN-
4
5
VDD
(2nd IF DET)
10k
R730
0.01u
IC704
33k
R733
C744
IC708
TC7W53FK(F)
0.1
0.1u
0.1u
C742
100k
R759
56k
R753
0.1u
C748
100k
R766
10
R726
BUFFER AMP
2nd IF BUFF
TC75W51FK(F)
R798 C784
C757 15p
R774 470k
82k
680k 0.1u
R789
0.1u
VSS
4
3
C770
1VDD
2
R773 680k
R801
330k
R797
0.1u
C783
0
1000p
5.6k
R806
C793
100k
470k
0.1u
C773
5
6
39k
R786
8
7
22p
C764
10k
R796
0.1u
C782
Q705
2SA1832(GR)F
R779
1u
C766
RB706F-40
D705
270k
R787
0
R793
2SJ243-A
MUTE (MI1)
100k
Q706
4.7k
R812
10u
C787
680
2SJ243-A
R816
R804
10u
C795
Q707
MUTE (MI2)
4.7k
R813
100k
R809
100k
R815
10u
C794
Q704
LIMIT
Q704,705
2SC4738(GR)F
D704
(LIMIT)
AF DETECTOR
D704,705
1u
C765
150k
R784
RB706F-40
C762
C763
1000p
C791 33A_2
MIC
/SCSW
MOD
0.1u
C729
TXO
0.1u
0.1u TXI
DTI
ME
MI2
MI1
1
2
2
1
R775
6
VREF
PLD
PLD
450K
IF_DET
33A_2
33A_2
33A-2
MM
MM2
OPT10
OPT10
C815 10u
C816 10u
1
1
1 11
2 22
9
9
9 99
13
13
1010
11
11
1111
1313
13
13
13
X57-739 11/16
AY AZ BA BB BC
TX-RX UNIT (X57-7390-10)

SCHEMATIC DIAGRAM NX-800
0V
3.28V
1.64V
1.62V
1.62V
3.28V
3.28V
3.28V
C717
TC75S51FE(F)
TC75W51FK(F)
LPF
(APC/DEO)
C718
220p
oUT
VDD
VSS
R718
C705
1200p
1
RXAF SMF
C708
1200p
R713
56k
R708
68k
R704
56k
C702
1u
C711
180p
LPF (RXAF)
3
2
IC701
IN-
VSS
IN+1
APC SMF
R703
10k
R712
68k
C709
220p 0
2
3
4
R715
1000p
C821
R707
15k
R709
8.2k
SSM3K15TE(F)
47k
Q701
R721
2.2k
C716
220p
0
R838
4.7k
R837
ASQ BPF
AMP (SQ)
BRF/BUFFER
ASQ DET
C731
0.1u
RXAF/RXEI SW
C726
0.1u
R752
1k
R843
470
8
TC7W53FK(F)
SCSW(RXAF)
GND
CoMMoN
VEE
R728
0
R732
47k
4
5
8
7
6
5
R738
1k
IC707
CH1
CH0
VCC
A
R737
47k
C723
0.1u
7
6
5
VDD
C727
82p
C730
560p
DEO BUFF
R744
47k
R740
100k
C735
4.7u
1
4
3
2
INH
IC703
R727
270k
0.01
NOISE
AMP
Q702
2SC4617(Q)
R751
270
7
TC75W51FK(F)
IC705
C719
81 VDD
5
6
VSS
4
3
2
C722
47p
100k
R729
R750
C734
R747
330k
R746
10k
R762
470k
C737
0.1u
100k
TH701
-t
DETECTOR (SQ)
3.3k
C740
4700p
C738
1000p
D703
RB706F-40
C818
1u
NOISE
R761
C741
0.15u
R760
1.5k
100k
SQ VOLTAGE
CONTROL
HSC119
D702 R755
10k
0.1u
0.1u
0.1u
C724
ME
MI2
MI1
VREFVREF
33A_2
FMDET
W_/N
APC
50R
AMT
/SCSW
RXEI
RXEO
PLD
ME
MI1
MI2
VIN8
33A_2
33A_2
RXAF
ASQAPC
ASQDET
W_/N
OPT10OPT10
1 11
2
2 22
9 99
10
10
10
10
11 1111
13 13 13
X57-739 12/16
BD BE BF BG BH
TX-RX UNIT (X57-7390-10)

NX-800 SCHEMATIC DIAGRAM
1.62V
3.28V
1.62V
1.62V
4.98V
3.28V
3.28V
1.62V
1.62V
3.28V
1.62V
R807
150k0.01u0.1u 63
LEVEL
SHIFT (TXD)
R805
R769
4.7k
C747
0.01u
R756
C746
C743
0.01u
R758
10k15k
R763
18k
0.01u
SIDE TONE MUTE
AF SW
(AI TONE OPT9/VREF)
VEE
GND
SSM3K15TE(F)
Q703
TONE SW
12k
R772
R771
100k
C753
0.01u
R782
15k
R785
10k
C769
C768
0.01u
R778
390k
4
C775
0.1u
R788
22k
0.01u
R791
560k
CH1
A5
3.3k
R846
R792
1k
C785
0.1u
TC75S51FE(F)
C792 47p
oUT
VDD
R814
100k
C786
0.1u
R808
10k
82k
IC714
IN-
3
1
2VSS
IN+
C798
0.1u
R819
0
C796
4
5
0.1u
15k 27k
R770
C745
0.01u
R764
120k
TC7W53FK(F)
SUM AMP
TC75W51FK(F)
INH
CoMMoN
56k
C749 C752
330k
R777
C767
0.1u
1
2
VREF
C754
1000p
100k
C761
0.01u
R781
2
3
4
100k
R780
R783
0
1
R794
IC710
CH0
VCC 8
7
R790
(AF) / VREF
R800
4.7k
R803
6
5
VSS
C779
C778
0.1u
IC711
8
7
VDD
VREF
R795
68p0
R802
R799
56k
RX SUM
DAC
VIN8
VoUT8
VoUT7
VIN7
GND
RESET
VDAREF
VIN6
VoUT6
VoUT5
VIN5
20
15
R836
0
14
13
C774
1000p 19
18
17
16
D0
24
23
22
21
5
10
IC712
M62364FP-F
11
12
VoUT4
VIN4
6
8
9
7
LD
DI
VIN3
CLK
VoUT3
C777
1000p
1u
2
3
1
4
VoUT1
VoUT2
VIN1
VDD
VIN2
R833 100
R834 100
R835 100
VCC CoMMoN
10k
AFO BEFF
AO SW
C788
0.1u
0.1u
4
2
1
3
VGS REC SEL
TC7W53FK(F)
CH0
CH1
A
5
7
8
6
IC713
INH
GND
VEE
R810
1k
C797
C813 10u
C790 10u
PROTECTION
LINE
(DI)
C789 4.7u
SW
OPT10
D707
EMZ6.8N
D706
EMZ6.8N
(DEO)
R822
100
R818
33k
R821
0
R820
470k
0.1u
2SA1832(GR)F
47k
Q708
R817
C799
R776
220k
220k
2
1
2
1
6
VREF
33A_2
TV1
TV2
C776
VCO_MOD
TCXO_MOD
MP
SDO0
SCK0
/EVCS
STSW
TONESW
BEEP
TONE
AFO
AI
OPT9
OPT10SEL
OPT6
AO
50C
PROTECTION
LINE
/INAMT
MI2
MI1
ME ME
MI1
MI2
AFO
VIN8
/INAMT
33A-2
50C
OPT10
DI
DEO
1 11
1
1
2 2
9 99
9
9
10
11 11
13 1313
X57-739 13/16
BI BJ BK BL BM
TX-RX UNIT (X57-7390-10)

SCHEMATIC DIAGRAM NX-800
5.01V 5.01V
3.31V
4.98V
4.98V
4.98V
0V
G1
GND
A1
Y2
R636
0
4
1
2
3
R642 100k
R641 100k
R638 100k
R637 10k
R639 1k
C613
0.01u
Y1 5
A2
LEVEL SHIFT
(TXDO/RTSO)
C594
0.01u
G2
VCC
TC7WT126FU-F
IC515
7
8
6
470k
R689
R690
470k
DRIVER
RS-232C
C612
1u
LEVEL SHIFT
D510
D509
1SS416
1SS416
(RXDO/CTSO)
R652
C595
TC7WH126FU-F
G1
A1
GND
Y2
1
2
4
3
8
7
VCC
Y1 5
A2
G2 6
IC516
R656
470
0.01u
ADM202EARNZ
R2oUT
T2IN
T1IN
T1oUT
GND
R1oUT
R1IN
VCC
11
14
15
12
13
16
9
10 T2oUT
C1-
C2+
C2-
V-
C1+
V+
3
4
5
6
1
2
C615
1u
C616
1u
IC518
R2IN 7
8C614
1u
D507
PROTECTION
LINE
BUFFERAMP (TXD2)
D508
DA204U
IC513
TC7SET08FU-F
1SS416
R678
100k
GND
INB
INA
3
2
1
R650
0
C592
100p
C593
100p
C618
0.01u
R644
0
oUTY
VCC
4
5
R658
0
REVERSE
PREVENTION
(OR G RXD2)
1SS416
(I2CCK/I2CDT)
LEVEL SHIFT
IC514
TC7WBD125AFK
C591
0.01u
VCC
CURRENT
D506
R640
10k
1
4
3
2oE1
B2
GND
A1
EXPANDER
IC517
P16P02
DA204U
D511
R842
1k
R651
1k
24
C596
0.1u
1
2
3
P00
P01
A2
8
6.8k
R646
A2
B1
oE2
5
6
7
R648
6.8k
16
17
18
19
20
21
22
23
I/O
P17
A0
SCL
SDA
VCC
INT
A1
R659 100k
R660 100k
R671
R669 100k
R668 100k
R667 100k
R666 100k
R665 100k
R664 100k
P06
4
5
6
P03
P04
P05
R670
100k
7
100k
PROTECTION
LINE
(AID9)
13
14
15
P10
P11
P12
P07
GND
P14
P15
P13
11
12
8
9
10
DA204U
D512
R661 100k
R673 100k
R672 100k
R674 100k
C820
1u
SW
DC
DTC114EE
R823
4.7k
Q709
Q710
DTC363EU
C801
1u
R825
10k
R827
3.3k
R663 470k
R662 470k
AF
MUTE
R828C802
1u 0
10k
R826
AO2
AO1
AIO9
AIO8
AIO7
AIO1
AIO2
AIO3
AIO4
AIO5
AIO6
I2CDT
I2CCK
/INT25P
RXD2
G_RXD2
TXD2
PREVENTION
(OR RXD2)
CURRENT
REVERSE
25P_TXD2
AIO6,AIO7
100k
CURRENT
PREVENTION
REVERSE
CTS0
RXD0
RXD3
26P_RD
RTS0
TXD0
26P_TD
50C
33M
50C
50C
33M
50MC
50M
SB
HOR
PA
MI2
MI1
ME
AFO
AFO
/INAMT
DI/RTS
DEO
MI2
ME
RXD0
TXD0
TXD2/AUXIO9
RXD2/DI
SB
ME
MI1
DI
DEO
LINE
(RXD2)
PROTECTION
9 99
9
9
12 12
12
99 9
13
13
X57-739 14/16
BN BO BP BQ BR
TX-RX UNIT (X57-7390-10)

NX-800 SCHEMATIC DIAGRAM
1.34V
6.38V
13.54V
AUXIO7/BER DT
AUXIO6/BER CK
C611
1000p
C597
1000p
AUXIO9/CTS
F501
C609 1000p
C610 100p
3
4
5
1
2
NC/RSSI
SB
SB
SB
SB
7
8
9
10
6
DI/RTS
50C
SB
AFO
SB
C608 100p
R654
0
C607 1000p
C606 1000p
RXD016
11
12
13
14
15 GND
GND
DEO
MI2
ME
20
17
18
19 AUXO1
AUXO2
TXD0
AUXIO227
C605 1000p
C604 1000p
C603 1000p
C602 1000p
C601 1000p
21
22
23 AUXIO4
AUXIO5
AUXIO8
24
25
26
TXD2/AUXIO9
RXD2/DI
AUXIO3
C600 1000p
C599 1000p
C598 1000p
CN600
28
29
30
AUXIO1
D914
02DZ18F-X,Y
D910
02DZ18F-X,Y
C922
1000p
R914
C907
1000p
R901
DC SW
(AUXO1)
470
A(AUXO1)
DC SW
470
A
D911
D907
DA204U
DA204U
D903
D901
DA204U
DA204U
OVER DC
SUPPLY PROTECTION
PREVENTION
02DZ18F-X,Y
26
27
29
28
30
C903 100p
C901 100p
A
21
23
25
24
22
02DZ18F-X,Y
D906
AA
CURRENT
(SB)
REVERSE
Q901
QSX6
AA
15
18
17
16
19
20
A
12
11
14
13
D905
C902
1000p
C906
C905
100p
AAA
Q902
QSX6
D909
1SS355
L902
D913
1SS355
100p
470
C904
100p
L901
C908
100p
470
470
C910 100p
C909 100p
C921 100p
4
8
9
10
7
6
5
CN901
2
1
3
DA204U
D902
D904
DA204U
D908
DA204U
470
470
470
470
470
470
C918 100p
C919 100p
C920 100p
C917 100p
C916 100p
C915 100p
C914 100p
100
100
470
D912
DA204U
A
C913 100p
C912 100p
C911 100p
J901
C923
1000p
A
(BER CK)
(BER DT)
D902
D901
LINE
PROTECTION
(AUXIO3)(AUXIO1)
(AUXIO2)
D904
(AUXIO4)
D908
D903 D907
(AUXIO8)
(AUXIO5)
D912
D911
J701
0
C810
470p
EXT.SP
HOR
PA
GND
SPO
SPI
SB
6
2
3
4
5
1
1000p
SPO
C811
R831
PROTECTION
LINE
PROTECTION
LINE
PROTECTION
LINE
PROTECTION
LINE
PROTECTION
LINE
PROTECTION
LINE
PROTECTION
LINE
SUPPLY
OVER DC
PROTECTION
PROTECTION
OVER DC
SUPPLY
OVER DC
PROTECTION
SUPPLY
(SB)
REVERSE
CURRENT
PREVENTION
13
12
24
23
10
22
9
21
8
20
4
3
2
19
6
25
5
17
16
15
2
15
3
16
4
17
5
6
19
20
8
21
9
22
10
23
24
12
25
13
27
26
1
14
2
15
3
16
4
17
5
18
6
19
7
20
8
21
9
22
10
23
11
24
12
25
13
AIO6
AIO7
AIO1
AIO2
AIO3
AIO4
AIO8
AIO5
AIO9
AO1
AO2
AIO7
AIO6
R912
R913
R908
R909
R910
R911
R905
R907
R906
R904
R903
R902
CN705
HOR
PA
SB
50C
AFO
DI/RTS
DEO
MI2
ME
RXD0
TXD0
TXD2/AUXIO9
RXD2/DI
SB
MI1
MEME
MI1
1000p
C809
2
3
5
4
C803
1000p
1000p
C804
C806
330u16
1000p
C807
47u25
C805
OUT
GND2
GND1
IN
1
IC715
LA4425A
VCC
2A
+
+
D-SUB25
9 99
12
9
X57-739 15/16
BS BT BU BV BW
TX-RX UNIT (X57-7390-10)

SCHEMATIC DIAGRAM NX-800
93
4.98V
5.01V
5.01V
13.52V
5.01V
3.12V
SPO
3oUTY4
LEVEL SHIFT
(AND ITXD1/SCTXD)
VCC
5
GND
1INA
INB
2
0.01u
IC512
TC7SET08FU-F
0.01u
C817
1000p
10k
R634
1SS416
R633
PREVENTION
(RXD)
CURRENT
REVERSE
100p
C825
R632
D504
GND
(DM)
1
4
RXD
2
3
TXD
GND
C588 1000p
C589
R523 47k
470k
R506
SHIFT/MODEL
7
NC
5C
5
6
C587 1000p
DC SW
Q501
UPA672T-A
0.01u
(LCDDI)
(LCDDO)
10
GND
8
9
(LCDCLK)
RST2 (LCDCE)
AFO
13
11
12
19
100p
C585
C586
100p
C584
ME
15
14
PSW
18
MIC
GND
16
17 GND
1k
R630
1000p
1000p
C583
C581
1000p
C582 SB
21
NC
20
SB
24
8C
23
22
GND
100p
C580
SPO
SPO
28
SPO
SPO
26
25
27
SPO
30
29
CN597
50C
MI1
ME
33M
C590
80C
SB
SPO
/PSW
AFO
/PRST
RXD1
SCRXD
10k
0
SCTXD
TXD1
SHIFT
D903D902
AVRM16080MAAB
C905 0.1u
C906 2200p
C907 1000p
AVRM16080MAAB
AVRM16080MAAB
02DZ18F-X,Y
SURGE
ABSORPTION
(HK/RXD) PROTECTION
OVER DC
SUPPLY
v
(DM/KVL)
SURGE
ABSORPTION
v
D902
D901
D901
8 BLC/AFO
ABSORPTION
SURGE
(BLC/AFO)
v
D904
D903
D904 1k
R902
D906
MINISMDC020F
C908 1000p
C909 1000p
C903 0.01u
C965 0.1u
HK/RXDHK/RXD
5 PTT/TXD
7SB
6E
2
4
3
ME
MIC
PTT/TXDO
1 DM/KVL
J901
100p 100p
C911 100p
DM/KVL
PROTECTION
(SB)
v
C910 C912
RXD
GND
GND
29
30
LINE
1u
L902
1u
L901
TXD
28
27
NC
5C
25
26
/PRST
02DZ18F-X,Y
24
OVER DC
PROTECTION
SUPPLY
D907
21
GND
GND
GND 22
23
/PRST
GND 20
19
5C
1000p
C914
D907
RXD
TXD
MIC
ME
GND
AFO 0
R901
18
17
16
13
GND
GND
15
14
NC
/PSW
11
12
HSC119
D912
HSC119
D911
D908
HSC119
1
SPO
SB
SB 10
9
PSW
GND
8C 8
7POWER
8C
KO1
KO2
4
SPO
SPO
6
5
SPO
SPO
SPO 3
2
KI1
KI2
KI0
KO0
KI3
KEY MATRIX
1000p
C924
1k
R920
R904
100
CN901
CH DOWN
D908,911,912
100
R921
100
"PF1""PF2"
2
SP 1
CH UP
CN902
1000p
C923
R923
R922
1k
VOL DOWN"PF3"
1000p
C925
1000p
C922
1k
VOL UP"PF4"
R925
1k
R924
TX-RX UNIT (X57-7390-10)
DISPLAY UNIT (X54-3640-10)
9
9
9
15
X57-739 16/16, X54-364 1/3
BX BY BZ CA CB
Note : The components marked with a dot ( ●) are parts of layer 1.

NX-800 SCHEMATIC DIAGRAM
-9.69V
2.23V
4.86V
5.02V
ON HOOK
: 0V
5.02V 5.02V
5.02V
5.02V
8.00V
5.02V
7.87V 5.02V 3.31V
0V
5.00V
R :0V
T : 5.00V
0.76V
4.99V
R :1.98V
T : 0VT : 1.86V
R :0V
T : 0V
R : 5.00V
7.27V
8.00V 7.97V
PREVENTION(HK/RXD) GND
100 VoUTGND
BUFFER AMP
(LCD CONTRAST ADJ)
C945
0.01u
5C
C933
PROTECTION 5
C943
C1-NC
1000p
C934
4.7u25
(PTT/TXDO)
C935
4.7u25
7
1u
LINE
43
C2-VIN
6
C944
1
C2+C1+
8
2
4.7u25
1
OUTPUT
V-
INPUT+INPUT-
V+ 2
3
PTT/TXDO
HK/RXD
C913
DM/KVL
0.1u
RXD1
100
R999
Q901 (TXD0)
270k
R940
R906
330
IC906 DC/DC CONVERTER
R933
10k
R926
DA204U
D913
45
LM2682MMX (N100C)
47k
R908
100k
R907
HK/RXD0 SW
1k
R905
AFO SW
SSM3K15TE(F)
AFO/BLC SW
BUCNT1VCC G
0.1u
C926
47k
R934
1
2
GND
INA
4
5
oUTY
TXD0
RXD0
3
470k 120k
LMC7101BIM5
IC909
-t
R929 R941
100k
TH901
100k
R909
1SS416
D910
oUT IN1 CoNT1 6
54
3
GND
CoNT2 oUT_IN2
IN_oUT2
DTC144EE
Q904
DTC144EE
Q902
8
7
VCC
1
2IN oUT1
IC905
TC7SH126FU-F
BUS BUFFER TXD1
5C
0.1u
IC901
TC7W66FK-F
R927
47k
33k
R912
4.7k
R911
C917
5C A1 18
G1
VCC
0.1u
C927
BUCNT2
47k
R935
Y2G2
Y16
7
3
2
/PRST
R956
R954
R937
DIMMER SW
B30-2304-05
D914
47k
R936
(AFO)
10k
R916
TC7SH08FU-F
/PRST
5C
TXD
RXD
D910
REVERSE CURRENT
BUFFER IC907
A25
TC7WH126FU-F
DUAL BUS
(RXD0/RXD1)
4
PTT/TXD0
DM/KVL
LCDADJ
0.1u
C929
0.1u
C928
120p
C920
100k
R914
3
R915
47k
0.1u 82k 4
oUTIN- (TXD1/RXD0)
AND GATE
R917 10k
0.1u
C921
2
1
C919
1000p
C918 R913
5
VSS
IN+ VDD
IC902
TC75S51FE(F)
INA 1
INB
5VCC
2
3
GND
4 oUTY
BLC2
AFOSW
8C
C939
1u
10u
C964
0.1u
C940
15
5C
AF BUFFER AMP
5C
IC908
VOLTAGE
REGULATOR (33C)
NCVoUT
1u
C916
4
NC
3CE
5C
33C
L903
VIN
REGULATOR
VOLTAGE
(5C)
2
CE
VSS
10
4.7u
C915
IC903
34
R918
XC6204B502PR
L908
51 VOUT
2
1u
VSS
VIN
10k
R930
C930
IC904
XC6204B332M
10k
R919
RED
GREEN
DIMM
BLC1
SSM3K15TE(F)
1000p
C942
(LCD BACK LIGHT)
Q911
DTC114EE
Q909
8C
SW
B30-2282-05
B30-2282-05
B30-2281-05
B30-2281-05
B30-2281-05
B30-2281-05
(TX)
820
R966
820
R965
R964
390
390
R963
270
R958
270
R957
270
R955
270
R953
LED
TX/RX
5C
Q909,911
100
47
47k
BACK LIGHT
C941
1000p
1000p
C932
1000p
C931
Q908
DTC114EE
DTC114EE
Q906
DTC114EE
Q905 D915-926
LCD
R939
10k
BACK LIGHT
B30-2282-05
B30-2282-05
D928
D927
D918
D917
D916
D915
D930
D929
D934
D932
D926
D924
D922
D920
D927-936
KEY
D936
D935
R938
470
R932
560
R931
(BUSY)
TX/RX LED
TX/RX LED LIGHT
LCD
BACK
10k
12A02CH
Q910
D931
D933
D923
D925
D919
D921
LCD KEY
+
+
+
19
18 18
17 17
19
16
15
15 15
16
15
16
X54-364 2/3
CC CD CE CF CG
DISPLAY UNIT (X54-3640-10)

SCHEMATIC DIAGRAM NX-800
95
5.02V
5.02V
3.30V 3.30V
3.30V
3.30V
-4.29V
D15
D15
7
R946 0
35
12KEY_6
12KEY_10
12KEY_9
12KEY_8
RXD0
TXD0
DGND
CP908
CP907
RXD0
TXD0
RXD1
TXD1
33C
0
R997
34
32
29
27
28
26
0
0
25
33
30 TXD1
NC
NC
31
12KEY_7
RXD1
14
11.0592MHz
12KEY_3
12KEY_5
12KEY_4
24
23
22
1k
21
19 12KEY_1
12KEY_2
20
R942 LDM
PTT/TXD0
DM/KVL
R943
0
18
17 DM/KVL
/PTT
10p
C936
R950 47k
VCC1
16 /NMI
15
/PRST
12
X901
10p
C938
C947 0.1u
VSS
Xin
13
R949 1k
R948 10k
11
RST2
Xout
10
R947 470k
C946 100p
9
8BLC1
CNVSS
BLC2
BCLK
/HOLD
/HLDA
12KEY_12
12KEY_11
DGND
CP912
CP910
R978 47k
R977 47k
R979 47k
/RD
L906
/CS1
/CS0
/CS2
/WR
/CS3
A19
48
47
46
49
44
45
42
43
40
37
100
100
/CS1
/CS0
/CS2
/WR
/BHE
/RD
39
/RDY
38 ALE
41
/CS3
36
A18
A19
50
60
A13
A13
A16
A17
51
A16
A17
A14
A15
52
53
54
A15
A14
A10
A10
A12
A11
55
56
57
A11
A12
A9
59
58
VCC2
A9
65
A7
CPU 62
C961
1u
A8
61
A8
VSS
IC911
30620SPGPU3C
A5
A6
A7
63
64
A5
A6
68 A2
A3
A4
66
67
A2
A3
A4
69
70
A1
A0
A1
100p
R967 10k
R968 10k
R969 10k
R970 10k
R971 10k
R972 10k
R973 10k
R974 10k
FLASH ROM
91
CP909
100k
RED
GREEN
BUCNT2
AVSS
VREF
LEDR
LEDG
BUCNT1
AVCC
BUCNT2
2
5
4.7k
R996
R945 0 6
AFOSW
BYTE
L904
1000p
C967 R944
100k
3DIMM
WP
4/LCDRST
LCDADJ
93
92
95
96
98
97
94
100
99
KO0
KO1
1LCDADJ
C957
C948
100p
0.01u
BLC2
AFOSW
BLC1
DIMM
BUCNT1
0
R952
5C
KO0
KO1
L905
5C
33C
BUS BUFFER
(A1-A2)
/WR
A1
D2
D0
D1
BUS BUFFER
(D0-D7)
D3
D4
VCC
G
B1
B2
VCC
oE
B4
B3
B2
B1
TC7WZ245FK-F
TC74LCX245FK
R988
SW
47k
GND
R990
4
3
2
1
A2
A1
DIR
6
4
5
2
3
1
A5
A4
A3
A1
A2
DIR
C960
0.01u
4.7k
IC912
C959
0.01u
IC910
RESET
LCD
5
6
8
7
15
17
16
18
19
20
33C
0
100k
CP917
D7
REVERSE
D12
D12
D13
73
D14
71
72
D13
D14
D11
74
75
D11
76
78
77
80
83
82
85
86
88
87
84
79
90
89
D10
D8
D7
D9
81
D5
D6
D3
D2
D4
D0
D1
/KI2
/KI1
/KI3
KO2
/KI0
D10
D8
D7
D9
D5
D6
D3
D2
D4
D0
D1
PREVENTION
(SRAM WR)
CURRENT
1000p
D937
C966
247
R992
KI2
KI1
KI3
KI0
KO2
1
BYTE
A16 A15
A14
A17 48
0
3
4
VSS2
DQ15/A-1 A12
A13
46
45
D15
A11DQ7
1SS416
D937
A15
A16
A13
A14
A12
R998
0
1633
/WRDQ4 WE
D4
DQ13 A8
D13
5
6
7
DQ14
DQ6
A10
A9
44
43
42
D6
D14
L907
9
10
8
DQ5
DQ12
A19
NC1
40
39
D5
D12
41
0.1u
A9
A10
A11
/CS2
1336
/CS3
12
DQ11 NC2
11
RESETVCC
37
D11
38
C962
D6
D5
D7
14
15
DQ2
DQ3
DQ10
A18
NC3
RY/BY
D2
35
D3
D10 34
R928
R986
10k
10k
/CS1
B7
B5
B6
B8
A4
A3
0
GND
D8
8
7
9
10
A8
A7
A6
17
18
DQ9
DQ1 A7
A17
A6DQ8
32
31
D1
D9
19
20
21
oE
DQ0 A5
A4
30
29
28
D0
/RD
A8
A19
A7
A6
A5
R960
A0
A1
11
12
13
14
23
24
22
CE
VSS1 A2
A1
26
/CS0
27
R900
0
R962
0
29AL16D7KCCA
IC913
25
A3
A2
/RES
/CS
/WR
Q913
UPA672T-A
1000p
C963
R991
470k
R982
10k
100p
10k
C958
R989
470k
R976
R981
13
15
14
18
17
16
20
19
D0
D2
D1
D3
A0
CN905
VDD
VDD
VSS
C949 1u
C950 1u
C951 1u
C952 1u
C953 1u
C954 1u
0.01u
C955 33C-2
C956
10
11
12
V4
V3
V2
V1
D4
D5
D6
D7
3
2
9
7
8
6
5
4
V51
LCD
18
18
17
21
21
20
17
19
19
16 16
15 15
20
21
20
20
21
21
20
20
CLCKCJCICH
1
2
3
4
5
6
7
X54-364 3/3
DISPLAY UNIT (X54-3640-10)
Note : The components marked with a dot ( ●) are parts of layer 1.

NX-800
96
INTERCONNECTION DIAGRAM
LCD
X54-364*-**
DISPLAY UNIT
INT SP
DM
PTT
HK
E
MIC
SB
ME
BLC
1
8
30
1
CN902
J901
SPO
GND
1
2
CN905
V5
V4
V3
V2
V1
VD D
VD D
VSS
D7
D6
D4
D5
D3
D2
D0
D1
/WR
A0
/CS
/RES
1 20
GND
SPO
SPO
SPO
PRST
80C
GND
SB
SB
PSW
SPO
NC
GND
GND
ME
MIC
GND
AFO
SPO
SHIFT
5C
GND
GND
NC
GND
GND
TXD
RXD
GND
SPO
CN901

NX-800
97
INTERCONNECTION DIAGRAM
TX-RX UNIT
X57-739*-**
ANT
DGND
CN595
OPT6
OPT2
AI
1
TD
GN D
OPT3
TXI
50C
DTI
NC
OPT4
OPT7
RXEO
OPT11
OPT1O
RD
AO
80C
OPT9
RXEI
OPT5
GN D
OPT8
OPT1
J901
SB
SPI
SPO
HO R
GN D
PA
1
30
30
1
CN705
A/2
R152
EXT SP
NC
SB
RXD1
AUXO2
TXD 1
AUXO1
AUXIO9
AFO
DI
GN D
MI2
DEO
GN D
AUXIO 5
AUXIO8
AUXIO 4
TXD 2
AUXIO 3
RXD2
AUXIO 2
GN D
AUXIO 1
AUXIO7
ME
AUXIO6
2
IGN
1
CN403
GND
1
6
1
2
3
4
5
6
7
8
9
10
11
12
13
14
15
16
17
18
19
20
21
22
23
24
25
AUDIO IC
IC715
LA4425A
80C AV R
IC403
X57-739*-**
B/2
-
13.6 V
+
NC
GND
SB
SPO
GND
SHIFT
ME
RXD
GND
SPO
SB
NC
GND
SPO
TXD
GND
MIC
SPO
SPO
PSW
80C
PRST
GND
GND
SPO
GND
GND
AFO
GND
50C
CN597
TXO
15
31
CN549
1
20
1
30
CN600 CN901
RA30H4452M123
IC102
CN401
CN402
26 PIN BOARD TO BOARD CONNECTOR
14
AUXIO7
AUXIO3
AUXO 1
SB
AFO
TXD0
DI
SB
RXD0
SB
TXD0
AUXIO6
SB
SB
AUXIO5
50C
SB
NC
RXD2
ME
AUXIO4
NC
AUXIO7
AUXIO3
SB
AUXO 2
TXD 2
RXD0
AUXIO4
AUXIO2
MI2
AUXIO1
AUXIO2
SB
SB
AUXO1
GND
DEO
SB
ME
AUXIO1
AUXIO8
AUXIO9
AUXIO8
SB
AUXO2
AUXIO5
SB
AUXIO6
DI
RXD2
MI2
AUXIO9
GN

NX-800
98
CN403
E41-0927-05
2
1
CN405
F401
F53-0328-05
X501
32.768kHz
L77-1802-05
R567
150
C544
100p
D408
1SS301F
GND
DCin
(13.6V) +B
DCDC
Converter
IC405
XC6204B332P1
50M
3.3V AVR
IC402
33M
XC6205B152PRN
IC409
1.5V AVR 15M
DC SW
Q404
2SJ645
SB
SBC_2
8V AVR 80C
DC SW
TXC
80T
Q407
12A02CH
DC SW
RXC
80R
12A02CH
Q408
50C
IC404
5V AVR
TA7805FQ
DC SW
RXC
50R
12A02CH
Q409
TK71733S
IC406
3.3V AVR 33C
XC6204B332M
3.3V AVR 33GPS
IC407
DCDC
Converter
IC410
XC9101D09AKR
150C
SSM6L05FU
50IF
Q416
IFC
DC SW
CN401
CN402
/IGN
Detect
Protect
02DZ18F-X,Y
D401
DTC114EE
Q401
SBC_2
SBC
/BINT
2SA1955A-F
Q405
DC SW
/BINT
SCTAM1
2SA1955A-F
Q411
DC SW
/RST
33BU
RESET /RST
DSP
IC502
IC501
FLASH ROM
IC503
SRAM
33M 15M
33M 15M
(for production)
CN549
SCTAM1 33M
/MCCSRCN,/MCCSXCN,MCDOCN.MCDICN
/MCCSAF,MCDOAF,MCDIAF
/SYMTIM,FSDET,/DWUP,/DINT
MCSCKAF
VCTCXO
X502
L77-3015-05
18.432MHz
IC508
SM5023CNDH-G
BUFF
Main_CLK
BSHIFT
Main_CLK
Main_CLK
A[0-20],D[0-15],/RD./WR
/CS0,/CS2,/CS3,/HRDY,/WP
/FRST,/DRST,/HINT,/HDS2
33M
33BU
/PCS
/PCS_RF
HD2
/RST
RV5C386A
IC504
RTC
/RINT
32K
I2CCK.I2CDT
IC511
TC7SH08FU-F
I2CCK
I2CDT
TEMP
SENSOR
IC1
LM73CIMKX-0
33C
X1
19.2MHz
L77-3016-05
VCTCXO
IC2
LMC7101BIM5
BUFF
TCXO_MOD
33C
Q11
BUFF
2SK1215-E(E)
PLL
IC3
3
SCK1,SDO1,/PCS_RF
PLD
Q203
2SC5636
33C 50C
2nd Local
D202
SW
Q202 DTC144EE
33C
W_/N
SW
CF
CF201
D201
Q201 DTA114EE
SW
CF
CF202
(Wide)
(Narrow)
33BU
BPF
50R
SCBSY
SCBSY
SCTXD
SCRXD
BER_CLK BUFF
BER_DATA
/BER_EN
TC7WT125FUF
IC509
/RST
Buck UP Battery
XC6108C23CMN
IC401
Q403
DTC114TE
XC6109C29ANLN
IC506
IC403
IC505
TC7SH08FU-F
BCLKR0
MCSCKCN
BCLKX0
CPU
IC510
XC6204B332P1
33A
XC6204B332M
IC408
3.3V AVR
DC SWSBC_2 SSM6L05FU
33A2
SBC_2
33M
2SA1955A-F
Q412 50MCDC SW
15M1.5V AVR
Q416
IC409
XC6205B152PRN
NJM78M08FA-ZB
L79-1850-05
CD201
EMD9
Q212
W_/N
SW CD
DAN235E DAN235E
BLOCK DIAGRAM

NX-800
99
BLOCK DIAGRAM
J701
E11-0425-05
R780
100k
R781
100k
26pin Option Board
CN595
POW
5V_1
26P_RD
26P_TD
OPT10
OPT9
DTI
AO
AI
RXEO
RXEI
TXO
TXI
OPT[1-8]
OPT11
Display UNIT
CN597
SCRXD
TXD1
RXD1
IC512
TC7SET08FU-F
SCTXD
80C
50C
SB
/PRST
PBSHIFT
AFO
ME
MI1
/PSW
SPO
I/O Expander AUXIO[1-9]
AUXO1
AUXO2
50C
BUFF
IC513
TXD2
TC7SET08FU-F
TXD2
MI2
ME
25P_TXD2
DI
DEO
AFO
BER_CLK
BER_DATA
PA
HOR
G_RXD2
RXD2
RXD2
D506,D507
1SS416
IC518
ADM202EARNZ
RS-232C Driver
TXD0
RXD0
RTS0
CTS0
50MC
IC516
LEVEL SHIFT
TC7WH126FU-F
50MC
50MC
CTS0
RXD0
LEVEL SHIFT
TC7WT126FU-F
50MC
IC515
/INT25P
I2CCK
I2CDT
I2CCK
I2CDT
TXD0
RTS0
LPF
IC702(2/2)
TC75W51FK(F)
MOD TC75W51FK(F)
LPF
IC702(1/2) IC709(1/2)
TC75W51FK(F)
SUM
IC712(6/8)
M62364FP-F
DAC DI
DAC
M62364FP-F
IC712(1/8)
TCXO_MOD
IC712(2/8)
DAC
M62364FP-F
VCO_MOD
MICTC75W51FK(F)
LPF
IC706(1/2) TC75W51FK(F)
IC706(2/2)
SUM
DTI
TXI
/SCSW
TXO
IC708
TC7W53FK(F)
IC709(2/2)
TC75W51FK(F)
SUM
LIMIT
D704,705 RD706F-40
Q704 2SC4738(GR)F
Q705 2SA1832(GR)F
AI
TONE
MUTE
MUTE
Q706
2SJ243-A
Q707
2SJ243-A
MM
MM2
MI2
MI1
RXAF
TC75S51FE(F)
LPF
IC701 IC707
TC7W53FK(F)
/SCSW
AMT
RXEO RXEI
SUM
TC75W51FK(F)
IC711(2/2)
TC7W53FK(F)
IC710
STSW
BEEP
OPT9
TONE
AI
IC713
TC7W53FK(F)
OPT6
AO
IC712(5/8)
DAC
M62364FP-F
AMP
SPI
Ext SP JACK
SPO
SB
SB
50C
6pin Option Connector
TC75W51FK(F)
IC711(1/2)
BUFF
VREF
33A
BUFF
450k
IF_DET
IC704
MCP6021-E/0T
ASQAPC
IC703(1/2)
LPF
TC75W51FK(F)
APC
TC75W51FK(F)
LPF
IC703(2/2)
DAC
M62364FP-F
IC712(8/8)
DEO
OPT10SEL
LOOP
FILTER
TC75W51FK(F)
IC5(1/2)
CV
VCO
Q5,Q6
2SK508NV(K52)
FILTER
Ripple
50C
T/R SW
/T_R
2SC5636
BUFF
Q9
FILTER
150C
Ripple
Q4
2SC5383-T1112SC5383-T111
Q1
IC4
BUFF
LMC7101BIM5
ASSIST
IC5(2/2)
TC75W51FK(F)
VCO_MOD
2SC5636
Q3
BUFF
BPF
Fin
50C
2SC5636
BUFF
Q10
T/R
D101,205
SW
PRE-
Q101
AMP
DRIVE
Q102
DRIVE
AMP
IC102
FINAL
AMP
RA30H4452M123
SW
ANT
80T 80T SB
D103
L407CDB
D106
ANT
LPF
APC
APC
MP
/H_L IC101,103
NJM2904V-ZB
80T
PWR
DET
D108,109,110
HSM88AS-E
IC712(7/8)
M62364FP-F
DAC
BPF
LMC7101BIM5
IC206
BUFF
150C
IC712(3/8)
M62364FP-F
IC705(2/2)
TC75W51FK(F)
DAC TV1
LNA
80R
Q210
2SC3357-A
BPF
BUFF
DAC
M62364FP-F
LMC7101BIM5
TV2
150C
IC205
IC712(4/8)
1st
MIXER
2SC5636
BUFF
Q208
IC204
SPM5001
L210,212,215
L39-1498-05
XF202
AMP
IF
Q205Q204
AMP
IF
IF IC
IC202
TK10931VTL-G
50C
50R 50R 50R
IC203(1/2)
TC75W51FK(F)
TC75W51FK(F)
IC203(2/2)
VAGC
RSSI
IC201
BUFF
MCP6021-E/0T
CF203
50R
33A
SW
OPT10
50C
50R
IC715
LA4425A
IC514
TC7WBD125AFK
LEVEL SHIFT
IC517
CN705
SB
G_RXD2
CN556
CN557
25P_TXD2
OPT10SEL,/EVCS,SCK0,SDO0
TXD[0-3],IFC,TXC,RXC,SBC
TONESW,AMT,STSW,BEEP,TONE,/PRST
/OVRB,/IGN,/PSW,/BINT
MM,MM2,INAMT,/SCSW,RTS0,PBSHIFT
/INT25P
CTS0,RXD[0-3]
VAGC,PLD,MPL,BLVL
SCK1,SDO1
RFAGC,ASSIST,DSW
/T_R,W_/N,W_/V,/H_L
CV,THP,RSSI,ASQDET
/EVCS,SCK0,SDO0
/EVCS,SCK0,SDO0
/EVCS,SCK0,SDO0
/EVCS,SCK0,SDO0
/EVCS,SCK0,SDO0
MCF
LPF
/EVCS,SCK0,SDO0
MUTE
INAMT
DTC363EU
Q710
/EVCS,SCK0,SDO0
/EVCS,SCK0,SDO0
D212,213
1SV286F1SV286F
D207,208
D209,210
2SC3356(R23) 2SC3356(R23)
ASQDET
BUFF
D703
RB706-402SC5383-T111
DET
SW
AMP
Q702
BPF
IC705(1/2)
TC75W51FK(F)
SSM3K15TE(F)
Q701
2SA1832(GR)F
Q708
Q709
DTC114EE
VREF
Q12 2SJ347F
Q11 SSM6L05FU
HVC131
2SC5455-A2SC5108(Y)F
DET
THP
THP2
TEMP
L7091CER
D911 D912
D907 D908
02DZ18F-X,Y
1SS355
QSX6
PROTECT
PROTECT
IMVERTER
Q901,Q902
VOLTEGE
D910,914
D905
02DZ18F-X,Y
D906
D-SUB UNIT
02DZ18F-X,Y
CN600-CN901
PROTECT
D909,913
SURGE
VOLTEGE
PROTECT
VOLTEGE
D901 D904

NX-800
100
LEVEL DIAGRAM
Receiver Section
Transmitter Section
5.2mVrms
MIC
–118dBm –120.5dBm –114.5dBm
0dBm W:-85.5dBm
N:-83.0dBm
W:-92.0dBm
N:-93.0dBm
0dBm
–112.5dBm –121.5dBm –118.0dBm
BPF
D212,D213
BPF
BPF
CF
RX VCO
D207~D210
ANT
Radio Frequency 58.05MHz 450kHz
SG input level for 12dB SINAD are obtained Measured by
connecting SG to each point via a 0.01µF capacitor.
MIC input : 3kHz DEV. (Wide), 1.5kHz DEV. (Narrow) at 1kHz MOD.
Transmitting frequency : Center frequency
RF AMP
Q210
Buff AMP
Q208
Buff AMP
Q10
Buff AMP
Q9
MCF
XF202 IF AMP
Q205
–104dBm –72.0dBm
IF AMP
Q204
67
IC709
(MIC SUM1)
4.0mVrms
61
IC706
(MIC SUM2)
48.2mVrms
K2 K3
IC510
(ASIC)
69.2mVrms
61
IC702
(MOD SMF)
W:244mVrms
N:122mVrms
W:244mVrms
N:122mVrms
21
IC709
(MOD SUM)
CF201
CF202
FM SYSTEM IC
IC202
1st MIX DBM
IC204

NX-800
101
LEVEL DIAGRAM
E1 K1
IC510
(ASIC)
4Ω
Audio Frequency
AF VTVM
AF level obtained when the AF output level is adjusted for 4.00V/4Ω
with the front panel AF VOL control. Measured with AF voltmeter
connected to the external speaker jack, receiving a –53dBm SSG
signal modulated at 1kHz, DEV. WIDE 3kHz (NARROW 1.5kHz).
–82.0dBm –82.0dBm 186mVrms
34
IC701
(RXAF SMF)
226mVrms
67
IC711
(RX SUM)
226mVrms
13 14
IC712
(EVOL)
VOL=20
96mVrms
14
IC715
(SP AMP)
W:354mVrms
N:177mVrms
W:198mVrms
N:99mVrms
W:198mVrms
N:99mVrms
13
IC712
(EVOL)
DEV, BAL
67
IC5
(VCO_MOD) (TX VCO)
Q6
J701
4.00Vrms
IF AMP
IC201
CF
CF203
TX VCO
VCTCXO
19.2MHz
-2.5dBm +17.5dBm
Drive AMP
Q10
Buff AMP
Q9
Drive AMP
Q101
Drive AMP
Q102
Final AMP
IC102
30W6.5dBm
MOD
MB DC
AMP
DC
AMP
PC
MP
SW ANT Filter
D103,D106,
D216
DET
D108
ANT
Gate
bias
IC101 IC103
DET
D109
DET
D110

NX-800
2967-3, Ishikawa-machi, Hachioji-shi, Tokyo, 192-8525 Japan
P.O. BOX 22745, 2201 East Dominguez Street, Long Beach,
6070 Kestrel Road, Mississauga, Ontario, Canada L5T 1S8
Rembrücker Str. 15, 63150 Heusenstamm, Germany
Leuvensesteenweg 248 J, 1800 Vilvoorde, Belgium
KENWOOD House, Dwight Road, Watford, Herts.,
Amsterdamseweg 37, 1422 AC Uithoorn, The Netherlands
Via G. Sirtori, 7/9 20129 Milano, Italy
Bolivia, 239-08020 Barcelona, Spain
(A.C.N. 001 499 074)
16 Giffnock Avenue, Centrecourt Estate, North Ryde, N.S.W. 2113 Australia
Unit 3712-3724, Level 37, Tower one Metroplaza, 223 Hing Fong Road,
1 Ang Mo Kio Street 63, Singapore 569110
CA 90801-5745, U.S.A.
Kwai Fong, N.T., Hong Kong
WD18 9EB United Kingdom
L’Etoile Paris Nord 2, 50 Allée des Impressionnistes,
Bp 58416 Villepinte, 95944 Roissy Ch De Gaulle Cedex
GENERAL
Frequency Range ...................................... 450~520MHz
Number of Channels ................................. 512
Zones ........................................................ 128
Max. Channels per Zone ........................... 250
Channel Spacing........................................ Analog : 12.5/25 kHz Digital : 6.25/12.5 kHz
Operating Voltage ..................................... 10.8~15.7V
Operating Temperature Range.................. –22°F~+140°F (–30°C~+60°C)
Frequency Stability .................................... ±1.0ppm
Antenna Impedance .................................. 50Ω
Dimensions (W x H x D) ............................ 6.30” x 1.77” x 6.18” in. (160 x 45 x 157 mm)
(Projections not included)
Weight....................................................... 3.03 lbs. (1.38 kg)
RECEIVER
Sensitivity .................................................. Digital @6.25kHz (3% BER) : 0.20µV Digital @12.5kHz (3% BER) : 0.28µV
Analog 12dB SINAD : 0.25µV
Selectivity .................................................. Analog @25kHz : -80dB Analog @12.5kHz : -70dB
Intermodulation Distortion ........................ Analog @25kHz : -75dB Analog @12.5kHz : -75dB
Spurious Response ................................... Analog :- 85dB
Audio Distortion ........................................ Less than 3%
Audio Output ............................................. 4W
TRANSMITTER
RF Power Output ...................................... 1~30W
Spurious Response ................................... 75dB
FM Hum and Noise (Typ) .......................... Analog @25kHz : 50dB Analog @12.5kHz : 45dB
Modulation ................................................ 16K0F3E, 14K4F1D, 11K0F3E, 8K30F1E, 8K10F1E, 8K10F1D, 8K30F1D, 8K30F7W,
4K00F1E, 4K00F1D, 4K00F7W, 4K00F2D
Analog measurements made per TIA/EIA 603
KENWOOD reserves the right to change specifications without prior notice or obligation.
SPECIFICATIONS

71
ABCDE FGH I J
1
2
3
4
5
6
7
8
9
10
11
12
13
14
CN901
C902
C903
C906 C904C905
25
25
14
14
1
1
13
13
C915
D906
J79-0130-19 B/2
J79-0130-19 B/2
J901
D901 D902 D903 D904 D907 D908 D909
D910
D911 D912 D913
D914
SB
NC/RSSI
SB
SB
SB
SB
AFO
SB
50C
GND
DI/RTS
MI2
DEO
GND
ME
AUXO2
RXD0
AUXO1
TXD0
AUXIO5
AUXIO9/CTS
AUXIO4
AUXIO8
AUXIO3
TXD2/AUXIO9
AUXIO2
RXD2/DI
AUXIO1
AUXIO6/BER CK
AUXIO7/BER DT
R902
R903
R904
R905
R906
R907
R908
R909
R910
R911
R912
R913
C909
C910
C911
C912
C913
C914
C916
C917
C918
C919
C920
C921
C923
L901
L902
1
30
C901
C908
D905
Q901
BE
CC
CC
BE
CC
CC
Q902
R901
R914
C907
C922
PC BOARD NX-800
Component side
Foil side
Layer 1
Layer 2
Layer 3
Layer 4
Layer 5
Layer 6
Component side
Foil side
Layer 1
Layer 2
Layer 3
Layer 4
Layer 5
Layer 6
TX-RX UNIT (X57-7390-10) (B/2) Component side view (J79-0130-19 B/2)
TX-RX UNIT (X57-7390-10) (B/2) Foil side view (J79-0130-19 B/2)
Ref. No. Address
D905 5G
D906 5H
Ref. No. Address
Q901 8H
Q902 8H
D901 9C
D902 9D
D903 9D
Ref. No. Address
D904 9E
D907 9E
D908 9F
D909 9H
D910 9H
Ref. No. Address
D911 9F
D912 9F
D913 9H
D914 9H

JKLMNOPQRSIHGFEDCBA
1
2
3
4
5
6
7
8
9
10
11
12
13
14
1
2
3
4
5
6
7
8
9
10
11
12
13
14
S
GD
D
GS
C20
C21
R401
2
1
CV
R415
R417
C125R117
C202 C201
CD201
J79-0130-19 A/2
R630
R826
R632
R633
R634
R636
R637
R445
R640
16
7
12 13 18
19
24
R644
1
12 13
24
C419
C805
C612
R842
C613C614
R650
C615
C421
R651
C422
C618
R654
R656
R658
C435
C820
C438
C440
R672
R673
R674
C448
33V 5V_2 DGND
R678
C449
Q105 Q106
R684
BSC1 BSC0
DGND
FLDM
R689R690
D404
L106
L108
D408
L109
C471
IC203
4
1
5
8
L506
L508
IC407
3
1
4
5
L511
L517
L522
RAGC
VAG C
IFDET
LO
GND
BPF
D21
R506
L1
4
1
5
8
4
1
5
8
R131
R523
CN705
IC715
IC403
1
O
G
I
5
+
+
+
+
+
R918
R919
4
1
5
8
L31
L32 L33
R10
L35
+
+
+
R353
C515
F401
CN549
R1
1
67
12
1318
19
25
C537
C538
IC102
12 34
+
C539
R578
C540
R580
R583 R589
C550
C554
C555
R592
C557
C559
R595
Q403
Q405
Q406
Q212
C560
D504
D506
D507
D508
D509
4
1
5
8
Q411
L402
L403
D510
D512
CN595
CN597
C581
C583
C584C585
IC507
C587
C588
C589
C590
C591
C592
IC513
3
3
1
4
5
3
1
4
6
1
4
5
C593
IC514
IC518
C13
C19
3
1
4
6
R210
C31
C32
C35
R221
R342
C37
C38
R230
C47
C48
R234
C54
C55
C213
Q11
C217
C218
C219
C223
C226
C227
C228
C230
C233
R277
C90C91
C92
R282
R283
R284
R286
C2
R287
C4
C5
C6
C7
C9
R294
R921
C327
D207
D208
D209
D210
C284 C285
C288
C289
C290
C292
C295
C299
CF203
R120
R125
R129
R132
R329
R136
R137
R330
R333
R334
TH101
R142
TH102
R338
R147
R148 R156
C302
R345
IC5
R152
R352
C123
R13
R548
R161
R15
R17
C128
R18
C131
C132
C134
C137
R28
C336
R32
R1
R5
R8
C341
C342
C343
C150
R42R45
C158
R49
C358
C174
C177
R72
R74
C185
C186
R77
C187
C188
C189
L217
C190
L219
C193
C194
C10
C14
C15
J701
EXT. SP
R403
CN401
+B
CN402
GND
CN403
R823
C401
C403
C406
R831
6GMD
HOR
PA
SPO
SPI
SB
1
C410
C806
C807
C427
C428
C429
F501
C432
D405
C473
Q709
D102
R422 R426
R433
R444
R638
R639
R641
R642
R646
R648
R652
R659
R660
R661
R662
R663
R664
R665
R666
R667
R668
R669
R670
R671
D410
BATT CHK
D411
C527
C534
R575
R576
R579
R582
R585
R586
R588
R590
R593
D511
RS-232C
TTL
C594
IC515
C595
IC516
4
4
1
5
8
1
5
8
C596
IC517
R603
R413
C616
1
89
16
C817
C439
Q501
3
3
1
4
5
1
12
1920
4
6
L512
L903
C543
OPT1
26P_RD
OPT10
AI
GND
OPT9
OPT8
OPT7
TXO
RXEI
OPT6
OPT3
26P_TD
OPT4
OPT5
GND
AO
DTI
OPT11
OPT2
RXEO
TXI
25
1
26
2
C545
C546
C547C548
C549 C551
C552
C553
C556
C558
C561 C562
C563
C565
C566
C567
C568
C569
C570
C571
C572
C573
C574
C575
C576
C577
C578
C579
IC512
L509
L510
R534
OPT10
OPT11
AGND
26P_RD
26P_TD
TXD2
RXD2
OPT1
OPT3
OPT4
OPT5
5V_1
DTI
OPT8
TXO
OPT7
OPT2
OPT9
RXEO
TXI
RXEI
OPT6
POW
C582
C586
(DM)
GND
RXD
TXD
NC
5C
SHIFT/MODEL
GND
(LCDDO)
(LCDDI)
RST2(LCDCLK)
(LCDCB)
AFO
GND
ME
MIC
GND
GND
PSW
NC
SB
SB
8C
GND
SPO
SPO
SPO
SPO
SPO
SPO
1
30
CN405
C580
3
1
4
5
3
1
4
5
C145
C162
IC101
IC103
C22
C23
C24
C25
C27
C28
C434
C437
C1
C447
C450
C452
IC406
IC3
L34
R21
R23
R2
R6
C16 C17
3
3
1
4
6
1
4
5
3
1
4
5
3
1
4
5
X1
IC201
3
1
4
5
IC202
Q201
Q202
R126
R127 C136
C141
C142
C147
R119
R122
C120
R115
R123
R133
R134
R141
R144
R145
R146
C25
C29
C33
D2
R140
IC1
IC4
R12
R16
R19
R22
Q1
R26 R27
R30
R31
R34
R36
R7
C157
R53
R54
R75
R76
R80
R81
R86
C18
C88
C1
C3
IC2
R25
R29
R35
R2
R3
R37
R4
R44
R79
C11
R211R212
R550
R218
R220
R222
R224
R225
R226
R227
R229
R238
R239
R246
C212
C224
C231
C232
C236
C239
R276
R279
C244
R285
R288
R310
R289
R290
R291
R296
C281
C283
IC205
IC206
C286
C287
C291
C293C294
C296
C297
C298
R301
R302
R303
R124
R328
C127
R562
C334
R565
C337 C338
C184
L216 L218
R209
R215
R216
R219
R223
R228
C210
C221
C222
C225
C229
R331
C339
R248
C245
C825
NX-800 PC BOARD
TX-RX UNIT (X57-7390-10) (A/2)
Component side view (J79-0130-19 A/2)
TX-RX UNIT (X57-7390-10) (A/2)
Component side view (J79-0130-19 A/2)
PC BOARD NX-800
Component side
Foil side
Layer 1
Layer 2
Layer 3
Layer 4
Layer 5
Layer 6
Ref. No. Address
IC1 9K
IC2 10L
IC3 9J
IC4 12J
IC5 11J
IC101 7J
IC102 3K
IC103 7K
IC201 10N
IC202 9O
IC203 10P
IC205 7N
IC206 7O
IC403 5B
IC406 8J
IC407 12H
IC507 10C
IC512 12B
IC513 8B
IC514 9D
IC515 8D
IC516 8D
IC517 9C
IC518 7D
IC715 4B
Q1 12K
Q11 9K
Q105 8K
Q106 8K
Ref. No. Address
Q201 10N
Q202 10N
Q212 10O
Q403 2E
Q405 9B
Q406 9B
Q411 10B
Q501 11C
Q709 5D
D2 12J
D21 9K
D102 5I
D207 11M
D208 10M
D209 9M
D210 8M
D404 6F
D405 6G
D408 5G
D410 10B
D411 10B
D504 13B
D506 8C
D507 8C
D508 8B
D509 9D
D510 8D
D511 8C
D512 9B
72 73

JKLMNOPQRSIHGFEDCBA
1
2
3
4
5
6
7
8
9
10
11
12
13
14
1
2
3
4
5
6
7
8
9
10
11
12
13
14
S
G
D
G
S
D
G
S
D
S
GD
S
GD
S
GD
S
GD
S
G
D
3
1
4
4
1
5
84
4
1
5
8
1
5
8
4
1
5
8
6
SB
NC/RSSI
SB
SB
SB
SB
AFO
SB
50C
GND
DI/RTS
MI2
DEO
GND
ME
AUXO2
RXD0
AUXO1
TXD0
AUXIO5
AUXIO9/CTS
AUXIO4
AUXIO8
AUXIO3
TXD2/AUXIO9
AUXIO2
RXD2/DI
AUXIO1
AUXIO6/BER CK
AUXIO7/BER DT
+
+
C
E
EB
+
3
1
4
6
3
1
4
6
3
1
4
5
4
1
5
8
+
G
S
D
1
23
4
3
3
1
4
6
1
4
5
1
30
R405
XF202
R213
R410
R605
R606
R607
R608
R800
R418
C39
R419
R801
R803
R610
R805
R806
R807 R808
R809
C45
R232
C46
R810
C49
R235
R812
R814
R815
R817
C50
R818
R430
R432
R434
R435
C56
R243
R437
R244
C208
R821
R822
R825
C60
R440
C211
C61
R442
C64
Q10
C214
C65
C215
C409
C216
C66
R446
C67
R447
C600
C69
R449
C601
C602
C603
C604
C605
C606
C607
C413
C70
R838
C608
C71
C609
C415
C73
C74
C801
C76
R262
C802
C803
R263
C804
C610
R265
C611
R266
R267
R843
R269
R845
C424
C81
C426
C84
C234
C810
R271
C85
C811
C86
R273
C813
R274
C238
C815
C816
C433
C240
C242
C243
C821
C246
C98
C441
C443
C445
C252
C446
C256
Q101
Q102
R299
R681
R682
C453
R683
C454
C261
D201
R685
C262
D202
C456
R686
C264
C459
C265
C269
C460
D401
R691
C462
R692
C463
C464
C271
C465
D212
C466
D406
C273
C467
D407
R697
C468
D409
C276
L112
D412
Q703
C280
C474
Q704
L115
Q705
C475
Q706
IC204
L507
IC405
IC409
IC410
L518
L905
R103
R106
D10
R109
D12
D14
R110 R112
R307
R116
R503
R504
R313
R507
R314 R315
R121
R509
R316
L4
L6 L7
R511 R512
R514
R320
R515
R709
R516
R710
CN502
R712
CN503
R713
CN504
R714
R520
CN505
R521
R715
CN506
R716
R522
CN507
R717
CN508
R718
L15
CN509
L16
L17
R527
C104
L18 R528
C105
R529
C107
R143
CN510
C108
R720
C109
CN511
R916
R722
CN513
R724
R149
R725
R531
R532
R533
R340
C110
R341 L25 R536
C307
R537
R150
R151
C117
CN520
C118
R731
C501
C502
R733
R158
R542
CN527
C507
R737
R543
C315
C509
C316
L36
C317
R160
C319
R740
C511
C705
C706
C512
C707
C513
C320
C708
L40
C709
R551
C322
R746
R552
C323
C324 R749
Q3 Q4
C714
C520
C715
C716
C522
Q7
C523
Q8
R560
Q9
C719 R755
R756
C335
R759
R567
R568
C720
C723
C531
R761
C532
C533
+
R763
C729
R765
R766
R767
R40
R574
R768
R41
C152
R577
C347
C348
C156
C735
C541
R771
C542
C738
R774
R775
R581
R584
D103
R587
C740
C165
R55
D106
Q203
R58
D108
C744
R781
C746
R783
C748
R784
R787
C170
D110
R788
C171
Q401
R62
Q402
R63
Q404
C750
C175
C751
R790
C179
L201
Q409
R791
R792
L204
L205
R795
L206
L207
L208
Q410
C181
L209
Q412
Q413
Q414
Q415
C761
D702
L404
D704
L405
D705
L406
L212
D706
C768
C769
C770
C773
C774
L221
C776
L223
C777
IC504
L225
IC505
C779
IC506
L228
IC508
IC701
IC702
IC703
L230
IC704
IC510
IC705
IC706
C786
IC708
IC709
C789
C597
C598
C599
C790
IC712
C792
C793
IC714
C795
C796C797
C799
R201
R207
CF201
WIDE
CF202
NARROW
B
C
E
1
1213
24
3
1
4
5
5
1
6
4
1
5
8
8
3
1
4
5
3
1
4
5
4
1
5
8
3
1
4
4
1
5
8
4
1
5
8
5
3
1
4
5
4
4
1
5
8
1
5
8
4
1
5
8
3
3
3
1
4
5
1
4
6
3
1
4
5
1
4
5
O
G
I
CN600
J79-0130-19 A/2
R297
L101
L102
L103
D213
D216
L110
L111
L113
L114
R101
R102
R104
R105
R107
R108
R111
R306
R113
R114
R317
R138
C101
C102
C103
C106
C301
CN517
C111
C112
C308
C115
C116
R154
C310
C318
C321
C325
C133
C135
C153
C155
C162
C164
C166
C169
D109
C172
Q210
C178
C180
L222
L224
R231
R237
C203
C204
C205
R242
C206
C207
R245
R250
R256
R257
C220
R261
R268
R270
R272
C237
R275
C257
C260
C263
D205
C266
C267
C268
C270
C272
C275
C278 C279
R321
R324
R325 R327
R332
R339
R343
R344
R346
CN540
CN543
C330
C331
C332
C333
C344
D101
Q204
Q205
Q208
R69
L202
R70
L210
L211
L213
L214
L215
R202
R203
R204
R205 R206
R208
C34
C36
C41
C43
C44
C51
C52
C53
R438
C59
R441
R443
C63
C68
R450
C77
C78
C79
C80
C82
C83
C247
C8
D3
D4
D7
D8
D9
C461
D11
L3 L10
L11
L12
L13
L14
L19
L20
L21
L22
L26
R153
L41
R43
R46
R47
R56
R57
R61
R64
R65 R66
R67 R68
R82R83
R84
R85
C12
R436
C58
C457
C458 Q6
Q417
R600
R601
R802
R611
R612
R615
R616
R617
R618
R619
R620 R624
R819
R625
R629
R820
CN611
CN612
CN614
R833
R834
R835
R836
R837
C72
C75
R846
C620
C621
C818
R677
R680
R687
R688
Q701
Q702
Q708
L501
L904
L523
R701
R703
R704
R706
R707
R708
R721
CN512 CN516
R726
L23
R727
R728
R729
R730
R732
R734
R738
R545
C702
TH701
R744
R747
C710
C711
R750
C521
R751
R752
C717
C718
R758
R569
C722
C724
R760
C725
C726
R762
C727
R764
C535
R769
C730
C731
C732
C734
R770
R772
C737
C544
R776
R777
R778
C741
C743
R780
R59
C745
R782
C747
C749
R785
R60
R598
R599
C752
C753
C754
D501
D502
R794
R71
R799
D703
D707
C767
C814
IC501
C775
C778
C785
IC707
C788
IC710
IC711
IC713
C798
R602
R604
R614
R621
R622
R623
R627
R628
R841
C824
R676
L502
L521
R501
R510
R524
R525
R915
R917
R538
R539
C503
C504 R540
R541
C506
C508
X501
X502
C516
R553
C518
R554
R556
R557
R558
R561
C528
C530
C536
R572
R591
R594R596
R597
D503
IC502
IC509
IC511
R406
R420
R421
R423
R424
R425
R428
R429
R431
R827
R448
C420
C425
C430
C431
C436
C442
C444
C451
C455
Q710
IC401
IC402
IC404
R705
R739
R741
R745
R748
C712
CN542
R753
C529
C721
C736
R773
R779
C742
R786
R789
Q407
Q408
C757
R793
R796
R797
R798
C762
Q416
C763
C764 C765
C766
C782
C783
C784
R698
C514
R402
R404
R407
R408
R409
R411
R828
C405
C411
C417
C809
D403
IC408
R804
R813
R816
R693
R694
R695
R696
Q707
L503
C505
R544
C517
IC503
C787
C791
C794
Q5
C701
NX-800 PC BOARD
TX-RX UNIT (X57-7390-10) (A/2)
Foil side view (J79-0130-19 A/2)
TX-RX UNIT (X57-7390-10) (A/2)
Foil side view (J79-0130-19 A/2)
PC BOARD NX-800
Ref. No. Address
IC204 11F
IC401 7M
IC402 6N
IC404 6P
IC405 5N
IC408 5M
IC409 7N
IC410 12J
IC501 12P
IC502 10Q
IC503 12Q
IC504 10N
IC505 10P
IC506 13P
IC508 10O
IC509 9P
IC510 12O
IC511 9O
IC701 12M
IC702 8N
IC703 12L
IC704 10M
IC705 12L
IC706 8M
IC707 12M
IC708 8N
IC709 8O
IC710 11M
IC711 11L
IC712 9L
IC713 11K
IC714 11L
Q3 9I
Q4 9J
Q5 10I
Ref. No. Address
Q6 10J
Q7 10K
Q8 10J
Q9 10I
Q10 10I
Q101 7I
Q102 7J
Q203 8E
Q204 9D
Q205 10D
Q208 10G
Q210 7G
Q401 3P
Q402 4P
Q404 4P
Q407 5P
Q408 5P
Q409 7O
Q410 7N
Q412 6N
Q413 5P
Q414 5P
Q415 7O
Q416 5N
Q417 12I
Q701 12K
Q702 11L
Q703 12M
Q704 7P
Q705 8P
Q706 8R
Q707 8R
Q708 10L
Q710 5Q
D3 11I
Ref. No. Address
D4 11J
D7 11H
D8 11J
D9 11H
D10 11I
D11 11J
D12 11I
D14 11J
D101 9H
D103 5F
D106 6E
D108 6D
D109 5D
D110 4D
D201 10E
D202 10F
D205 9H
D212 7E
D213 7E
D216 7D
D401 3O
D403 4P
D406 3P
D407 4N
D409 4N
D412 5N
D501 13O
D502 13O
D503 9O
D702 11L
D703 11L
D704 7O
D705 8O
D706 9L
D707 9M
Component side
Foil side
Layer 1
Layer 2
Layer 3
Layer 4
Layer 5
Layer 6
74 75

JKLMNOPQRSIHGFEDCBA
1
2
3
4
5
6
7
8
9
10
11
12
13
14
1
2
3
4
5
6
7
8
9
10
11
12
13
14
DG
S
DG
S
J901
DM/KVL
DM/KVL
MIC
MIC
PTT/TXD
PTT/TXD
SB
SB
HK/RXD
HK/RXD
ME
ME
E
E
BLC/AFO
BLC/AFO
R904
R920
R921
R923
R924
R925
R945
C923
C924
C925
R962
R967
R968
R969
R970
R971
R972
R973
R974
R981
R982
C949
C950
C951
C952
C953
C954
C955
C956
C963
D908
D911
D912
D915
D916
D917
D918
D919
D920
D921 D922
D923
D924
D925 D926
D927
D928
D931
D932
D933
D934
Q901
Q902
Q904
Q905
Q906
Q911
L905
L908
R901
R906
R908
R909
R911
R912
R915
R916 R917
R918
CN902
R926
R927
R930
R933
R937
R938 R939
C905
C906 C907
R944
C909
1
29 30
GND
RXD
5C
SHIFT
GND
GND
AFO
ME
GND
/PSW
SB
8C
SPO
SPO
SPO
GND
TXD
NC
GND
GND
/PRST
GND
MIC
GND
NC
SB
GND
SPO
SPO
SPO 2
R946
R947
X901
C911
C913
C915
R954
C918
C919
R956
C920
C921
C928
C930
C933
C934
C941
C942
C946
R996
D901
D902
D903
C964
D906
C967
D910
D913
IC902 5
4
1
3
IC906
CP912
R900
R977
R978
R979
R999
1
V5
V4
V3
V2
V1
VDD
VSS
VDD
D7
D6
D5
D4
D3
D2
D1
D0
/WR
AO
/RES
/CS 20
C962
C966
IC910
IC911
IC913
1
24 25
48
CP907 CP908
CP909
CP910
CP917
Q908
Q909
Q910
L901
L902
L903
L904
L906
L907
R902
R905
R907
R913
R914
R919
CN901
CN905
R928
R929
R932R931
R934
R935
R936
C903
R940
R941
TH901
R942
GND
LDM
R943
C908
R948
R949
C910
C912
C914
R950
C916
R952
R953
C917
R955
R957
R958
C926
C927
R963
R964
C929
R965
R966
C931 C932
C935
C936
C938
C939
C940
C943
C944
C945
C947
C948
R986
R992
C957
C959
R997
1
25
26 50
51
75
76100
R998 C960
C961
D904
C965
D907
1
2
IC901
8
5
1
4
4
5
5
8
4
1
3
1
4
5
3
1
IC903
IC904
5
4
4
4
5
3
1
5
8
4
1
5
3
1
1
3
+
+
+
IC905
IC907
IC908
IC909
IC912
8
5
1011
120 1
4
D937
Q913 1
34
6
R922
C922
R960R976
R988
R989
R990
R991 C958
D914
PSW
LEFT
UP
LEFT
DOWN
D929
D930
D935
PF1 PF2 PF3 PF4
D936
RIGHT
DOWN
RIGHT
UP
J79-0157-19
J79-0157-19
NX-800 PC BOARD
DISPLAY UNIT (X54-3640-10) Component side view (J79-0157-19)
DISPLAY UNIT (X54-3640-10) Foil side view (J79-0157-19) DISPLAY UNIT (X54-3640-10) Foil side view (J79-0157-19)
DISPLAY UNIT (X54-3640-10) Component side view (J79-0157-19)
PC BOARD NX-800
Component side
Foil side
Layer 1
Layer 2
Layer 3
Layer 4
Component side
Foil side
Layer 1
Layer 2
Layer 3
Layer 4
Ref. No. Address
Q913 2K
D908 4N
D911 4M
D912 4H
D914 3C
D915 3G
D916 3H
D917 3K
D918 3L
D919 5H
D920 5G
D921 5I
D922 3I
D923 5L
Ref. No. Address
D924 5K
D925 5N
D926 3M
D927 6E
D928 6K
D929 3D
D930 5P
D931 6I
D932 6G
D933 6O
D934 6M
D935 5D
D936 3P
Ref. No. Address
IC901 9D
IC902 10E
IC903 11F
IC904 11G
IC905 9F
IC906 12F
IC907 9F
IC908 9F
IC909 12G
IC910 12K
IC911 10I
IC912 13L
IC913 11L
Q901 9D
Q902 9E
Q904 9E
Ref. No. Address
Q905 12C
Q906 12C
Q908 10E
Q909 11B
Q910 10E
Q911 12B
D901 10C
D902 10B
D903 10B
D904 9B
D906 10D
D907 11D
D910 9E
D913 9C
D937 12L
76 77

NX-800 SCHEMATIC DIAGRAM
Note : The components marked with a dot (●) are parts of layer 1.
7.84V
14.34V
R : 1.73V
T : 1.66V
0V
1.88V
0V
R : 13.55V
T : 13.02V
3.28V
3.30V
T : 4.96V
4.99V
R : 0V
R : 4.96V
T : 0V
R : 0V
T : 8.01V
R : 8.01V
T : 0V
R : 8.01V
T : 0V
R : 8.03V
T : 7.97V
R : 0V
T : 7.96V
1.65V
0.64V
0V
3.26V
3.31V
3.17V
3.21V
3.31V
3.31V
4.97V
3.29V
W : 0V
N : 3.29V
1.39V
1.39V
W : 0.99V
N : 1.09V
W : 2.89V
N : 0.29V
4.97V
W : 0.99V
N : 1.09V
4.92V
W : 3.27V
N : 0.02V
0.66V
4.86V
4.95V
0.74V
4.35V
0.74V
4.34V
1.88V
3.29V
T : 3.50V
R : 3.62V
4.99V
0V
5.01V
3.32V 3.29V
R : 13.57V
T : 13.09V
R : 13.57V
T : 13.07V
2.97V
0V
3.31V
3.31V
3.89V 1.49V
FC-T : 6.61V
FC-R : 7.08V
14.34V
14.30V
13.72V
5.01V
0.92V
4.95V
4.87V
4.98V
1.65V
1.65V
4.21V
T : 3.31V
R : 0.02V
1.20V
1.76V
4.75V
R : 0V
T : 3.47V
T : 0V
R : 3.21V
0.74V
4.80V
1.19V
1.79V
3.29V
4.33V
0.93V
FH : 5.64V
14.33V
FC : 3.69V
FL : 1.60V
14.33V
FL : 3.70V
FC : 6.16V
FH : 9.21V
8.01V
2.62V
3.37V
FC-L : 0.81V
FC-H : 2.32V
FC-L : 3.34V
R : 2.81V
T : 0V
7.92V
FC-H : 13.01V
FC-L : 13.38V
R : 0V
T : 0.78V
0.87V
0.15V
R : 0V
T : 4.94V
R : 2.14V
T : 4.26V
1.14V
0.52V7.60V FC-H : 3.77V R : 0V
T : 1.59V
5.00V
0V
1.57V
1.44V
1.65V
R : 3.07V
T : 3.05V
3.94V
0V
2SC5636
C83
100p
R263
I2CCK
I2CDT
R77
/PCS_RF
TCXO_MOD
470p
R220R221
5
4
3
2
1
8
9
7
6
12
11
10
R215
SW
C201
(W/N)
0.01u
Q202
DTC144EE
C204
0.1u
SW
(W/N)
Q201
DTA114EE
C202
0.1u
R201
CF SW
(W/N)
15k
R203
22k
C332
0.1u
DAN235E
D201
C203
0.1u
0.1u
IF_DET
IN
L72-1021-05
R344
1.5k
CF202
R327
oUT
R324
1.8k
0
Narrow
R325
R208
15k
C333
0.1u
3.3k
R206
22k
(W/N)
CF SW
D202
DAN235E
0.1u
1.8k
MCP6021-E/OT
IC201
C212
0.1u
R212
0
10
C213
0.1u
R211
1k
C224
0.01u
VoUT
BUFFER AMP
(2nd IF DET)
3
VIN+
2VSS
1
4
5
VIN-
VDD
R218
10k
R209
2.7k
EMD9
Q212
R331
47k
R329
5.6k
C336
10k
0.01u
R80
0
R213
1k
R204
47
R328
1k
C205
0.1u
R202
22k
C330
C348
0.01u
R346
22k
IN
L72-1017-05
R343
CF201
WIDE
oUT
R205
22k
C331
R207
330k
2SC5636
Q203
10p
C206
C207
0.01u
L202
560n
C208
0.01u
C214
68p
R332
0
C211
10p
CD201
C343
10u
C342
0.1u
R330
10
0
R219
C227 82p
C219 4.7u
C218 4.7u
C225
0.1u
R216 C228 0.1u
C217 0.1u
R338 10k
R210 10
R333
100n
L201
C216
68p
C220
47p
L204
C215
100p
47n
C222
0.01u
0
R353
C210
0.1u
1k
C223
0.01u
R22 1k
0
R7
10k
C14
1u
C25
100p
2SC5383-T111
Q1
SDO1
R81
SCK1
R76
43
INPUT+
C29
100p
INPUT- 470k
R31
47k
5
LMC7101BIM5
OUTPUT
V+
2
1
IC4
V-
PLD
R30
180k
C33
33p
C38
R36
10M
DA221
D2
FM_DET
RSSI
oUT
47k
C230
0.1u
R222
2.2k
18k
CF203
450kHz
IN C334
0.1u
R229
2.2k
10u
C226
10u
C221
C231
0.01u
C229
0.1u
C358
1000p
R224 10k
C338 0.1u
C337 0.1u
R225 15k
22k
C233 1u
10k
C239
R239
100k
C236
47p
R238
63
(RSSI/VAGC)
BUFFER AMP
0.01u
VDD
7
8
R246
2
1
IC203
TC75W51FK(F)
5VSS 4
VAG C
C244
47p
100k
R82
100 2200
R345
GND
OSC<E>
FMIFi
AGCAMPo
AMDETo
FMIFdecp1
FMIFdecp2
FMDETo
QUADi
LIMo
RFAGCo
AMSW
RSSIo
16
17
13
14
15
AMIFi
VCC
MIXo
AMIFdecp
COMPi
COMPo
AGC
NAMPi
NAMPo
21
22
18
19
20
R228
R230
22k
R223
270k
R227 100k
C232 0.1u
C341
1u
R334
0
47k
TK10931VTL-G
IF IC
IC202
OSC<B>
R226
RFin
23
24
C339
0.01u
R234
10k
Q204
2SC3356(R23)
IF AMP
1st
R235
0
2SC3356(R23)
C240
0.01u
1st
IF AMP
Q205
R244
R237
100k
0.01u 470p
L205
C234
0.01u0
560n
R232
100
C238 C237
R231
220
L206
560n
L207
R243 L208
R242
1
2
4
3
0.1u
CV
R34
1k
R26
100k
470p
VCO_MOD
VCO MODULATION/
BUFFER AMP (CV)
C48
1u
R45
100k
8
7
5
6
VSS
VDD
R42
R44
0
C47
47p
C54
0.1u
IC5
TC75W51FK(F)
100k
C56
R320
C246
0.01u
R245
100k
C243
0.01u
C242
470p
R248
470k
C247
0.1u
R250
00 0
6
INoUT
C252
1p
R256
180
XF202
3
1
5
4
2
58.05MHz
R257
0
C256
1p
R321
0
4.7k
10u
C65
/T_R
2SC5383-T111
R55
Q4
0
C71
1u
L20
R83
0
R60
1k
C261
C13
R4
100
ADDRSMBDAT
BUFFER AMP
R1
22k
R2
C3
470p
C1
1u
C4
0.1u
22k
2
(TCXO MODULATION)
BUFFER AMP
V+
3
INPUT+ INPUT-
4
LMC7101BIM5
IC2
1OUTPUT
330k
R79
V- 5
100
GND oUTPUT
VC
19.2MHz
VCC
C88
0.01u
R72
18k
R74
1k
C6
100p
(19.2MHz)
Q11
2SK1215-E(E)
10u
R5
220k
C11
0
HVC131
D21
R6
4.7k
18p
C90
0.01u
C7
39p
C10
C91
0.01u
C92
0.01u
R86
2.7k
L1
4.7u
R8
4.7k
C15
R10
0
L31
LM73CIMKX-0
SMBCLK
5
6ALERT
4
IC1
VDD
GND 2
1
3
C5
0.01u
R75
220
C22 100p
R18 10
R17 10
R15 10
R12
4.7k
L32
C18
100p
C21 100p
C20 100p
C19 100p
9
22
/FVco
FVco
VCCcp2
100p
17
18
21
19
20 Data
/CS
VCC_digital
LD/PS2
VCCcp 2
CPout2
13
14
15
16
10
11
12
OSCout
VCC_SOC
GND_OSC
/Fin
VCC
25
23
24
GND
Mod_in
Max_out
Clock
1
2
Fin
VCCcp1
CPout1
LD/PS1
7
8
NC
/OSC_AC_GND
OSC
5
6
3
4
C23 100p
C26 100p
C24 0.1u
C27 0.1u
R13
47k
C28
100p
R21
10
R23
1k
R19
10
C17 0.01u
C16 0.01u
R16
10
L33
L35
PLL IC
IC3
L34
220n
L15
1SV282-F
220n
L11
1SV325F
C61
0.5p
L41
L40
C31
100p
R352
0
R27
47k
R28
68k
R41
L3
D4
10u
L7
0
C45
100p
1SV325F
C51
150p
1SV282-F
C43
470p
D12
180n
L14
R49
68k
C55
1u
R54
47k
R53
47k
470p
180n
L12
R85
01SV282-F
D8
D11
C41
D4,8,11,12
D10
220n
L13
C58
12p
180n
L16
1SV282-F
TX VCO
C60
0.75p
R40
D3
C44
100p
10u
L6
0
C50
150p
C36
5p
R84
0
D9
1SV282-F
D7
D3,7,9,10
C59
15p
1SV282-F
C46
C34
47p 12n
L4
5p
R47
150k
C49
10p
27n
L25
2SJ347F
Q8
1SV278F
SSM6L05FU-F
R56
470k
MODULATION
TX
D14
T/R SW
(VCO)
470p
C75
Q7
R61
47k
C63
0.75p
Q9
2SC5636
R63
100
R64
C80
470p
6.8k
R65
10k
R46
C53
470p
C52
470p
Q3
BUFFER AMP
(PLL FIN)
270
2SC5636
R62
150k
C81
10p
C82
33p
C79
7p
Q10
C269
470p
4.7u
-t
100k
TH102
C194
470p
R161
3.3k
GND
NJM2904V-ZB
TV2 R285
R282
0
C289
0.1u
V-
BUFFER AMP
(BPF TUNE)
INPUT+
10k
2
3
V+
INPUT-
4
LMC7101BIM5
IC205
OUTPUT15
R290
270k
R291
100k
C302
0.1u
MIXER
SPM5001
S2
G2
R268 L211
L210
L39-1498-05
C262
0.01u
C265
0.01u
C263
470p
47
3
C268
1st
D2
IC204
D1
G1
2
1
L212
L39-1498-05
C270
470p
4
R270
S1 5
6L215
2.2k
L39-1498-05
0470p
C278
470p
C279
R276
R277
1k
R271
R262
6.8k
R267
C264
470p
270
R265
10k
C344
100p
R339
47
R266
2.2k
22n
L209
Q208
2SC5636
C267
7p
C271
10p
C266
R269
47
1000p
C273
12p
L213
15n
C276
6p
L214
18n
R274R275
R273
18
R272
270
1k
C280
470p
270
470p
C281
+B
APC
R123
27k
R120
4
2
3
R122
68k
R119
1
47k
TV1
V-
INPUT+
R296
10k
V+
2
3
INPUT-
LMC7101BIM5
OUTPUT1
IC206
R301
560k
R302
100k
4
R303
100k
5
820k
10p0
R299
R294
L221
C347
470p
C301
C315
R307
LNA
220
2SC3357-A
Q210
18k
5p
R306
18n
18k
R297 L230
0
R317R313
00
100k
DTC114EE
R133
100k
80R
MP
/H_L
5
6
C134
R134
270k
8
7
V+
100k
IC101
R140
100k
C157
100p
2SK1830F
Q106
R137
330k
Q105
R141
470p
4GND
2
3
5
6
R144
V+
NJM2904V-ZB
1
IC103
8
7
R145 82k
C193
R146
100k
470p
R147
100k
THP2
C131
C106
PRE-DRIVE AMP
470p
C257
470p
R261
C260
0.01u
4.7k
L36
C98
470p
R68
47
C85
0.1u
R66
330
C84
470p
SW
T/R
HVC131
D205
C103
470p
R101
3.3k
R107
R105
33k
R108
10
6.8k
T/R
D101
HVC131
C86
7p
R67
2.2k
22n
L26
R158
0
R70
4.7k
C101
1000p
SW
R102
820
R103
5.6
R104
820
C104
100p
RF
C105
100p
R106
220
2SC5108(Y)F
Q101
R109
330
R112
2.7k
R111
560
L103
C108
C110
100p
R110
C111
100p
22
C107
100p
100p
R113
10
C117 C116
100p100p
C115
100p
C123
C128
47p
22p
L101
18n
C109
6p RF DRIVE AMP
Q102
2SC5455-A
C118
6p
R125
C127
100k
TH100
R124
3.3k
470p
C186
C150
C135
C133
R132
R131
330
PM DRAIN BIAS
PROTECTION
C137
3.3u L106
D102
C132
470p
100p
02DZ5.6F-X,Y
C142
C141
22p
C147
470p
C145
100p
47p
L108
L109
D106
L7091CER
C162
100k
R143
0
1/4W100p
47u25
C152
R154
300
R138
300
1/4W
C156
22p
L111
22p
C153
100p
C155
R126
39
R127
39
R129
270
270
C136
470p
-t
L407CDB
L110
ANTENNA
SWITCH
D103
R150
82k
C172
100p
R149
100k
C166
100p
2p
C169
100p
C175
R148
10k
100p
HSM88AS-E
POWER
DET
D108 C165
1p
HSM88AS-E
D109 C171
3p
R151
120k
C180
100p
TH2
HSM88AS-E
D110
C179
3p
C164
0.5p
C187
C170
L112
0.5p
C188
L114
C189
L113
C178
0.5p
C190
R152
0
L115
ANT
2SA1955A-F
470k
R426
Q411
3.3k
R415
470k
R413
(SCTAM1)
DC SW
R422
Q406
10u
C438
UPA672T-A
10k
(33BU)
DC SW
DC SW
(33BU)
Q405
2SA1955A-F
IC401
XC6108C23CMN
VOLTAGE
DETECTOR (BINT)
VSEN
CD
100k
R406
5
270k
R405
4VIN
C420
2
1
VoUT
VSS
0.1u
C442 0.01u
C444 1u
R449
22
3
CURRENT
PREVENTION
(OR 33M/SBC 2)
REVERSE
REGULATOR (33M)
VOLTAGE
2CE
XC6204B332P1
C409 0.01u
0.01u
C474
47k
R447
1SS388F
D412
3VIN
IC402
C413 1u
4
10
R446
C441 0.01u
C443 1u
C426 0.01u
C424 1u
VSS
NC
VOLTAGE
1
D408
1SS301F
REGULATOR (33A)
VoUT 5
VIN VOUT
3
2
CE
VSS 4
NC
0
R448
1
XC6204B332M
5
IC408
CN405
47k
R445
R433
2.7k
R444
D410
1SS388F
1k
D411
1SS388F
PREVENTION
(33BU)
CURRENT
REVERSE
SCTAM1
REGULATOR (15M)
VOLTAGE
33M
33BU
(50MC)
C455 0.01u
VoUT
C451 2.2u
XC6205B152PRN
VIN
NC
VSS
1
2
IC409
3CE
5
4
15M
SSM3K15TE(F)
470k
R421
DC SW
(50MC)
R429
Q410
10k
C453 1u
C456 0.01u
2SA1955A-F
R428
Q412
DC SW
10k
DC SW (50IF)
R440
1k
50MC
R437
470k
1u
C463
SSM6L05FU-F
Q416
33A_2
33A
0.01u
CRS02-Q
F401
C419 1000p
C421 0.047u
C427 470p
C428 100p
DSA3A1
D404
D405
22ZR-10D
470p
C403
C401
1000u25
PROTECTIONABSORPTION
SURGE REVERSE
C430 4.7u
C431 4.7u
D407
L404
SW BooST
C468
SHDN
LT1616ES6-PBF
5
6
4
VIN GND 2
1
3
FB
L403
L402
IC405
4.7u16
C446
22uH
10u
C475
C445
10u
R431R432
18k22k
1SS388F
L405
120k
R430
470p
C454
D409
Converter (50M)
50M
DC/DC
IC405,D407,409
+B
1u
1u
C458
C459
4.7u16
C457
22k
R443
0.1u
C460
DC/DC
(150C)
CONVERTER
12k
R441
180p
C461
0
R450
10
R435
33
R434
C464 22p
VSS
CLK
CC/GAIN
VoUT/FB
R436 2
0
150k
R438
CE/SS
VIN
LSEN
3
4
EXT
1
XC9101D09AKR
IC410
7
6
5470p
C462
8
C465 1u
C466 1u
C467 1u
Q417
SSM5H01TU
L406
68u
330k
R442
DC SW
1000p
/OVRB
/IGN
100k
R403
C406
0.01u
C410
SBC
BLVL
68k
R409
02DZ18F-X,Y
PROTECTION
1M
R401
1
2
Q403
DTC114TE
DC SW
(IGN)
10k
C425 0.1u
1
680k100k
HSC119
PROTECTION)
SUPPLY
SW (OVER DC
C405
470p
Q401
DTC114EE
R408
DC SW
(SB)
470p
C417
R411
R404
D403
DTC114EE
1SS416
Q402
R410
D406
10k
C422
4.7u
R402
D401
SUPPLY
OVER DC
470
(SB)
47k
R407
470p
C411
2SJ645
Q404
DC SW
470p
C415
C450 0.01u
C452 1u
C471 1u
NP/VREF
C437 0.22u
C434 1000p
R417
oN/oFF
0.22u
VOUTVIN
C439 0.01u
C440 1u
3
2
CE
VSS 4
NC
XC6204B332M
1
IC407
5
C447
2.2u
C449
C448
0.01u
DC SW (80T)
DC SW (80R)
DC SW (50R)
4.7k
TK71733S
2
1
3
VIN
GND
VoUT 5
4
IC406
10u10
C436
C433 0.1u
GND
3
IN 2
oUT
Q409
12A02CH
47k
R420
R425
IC404
TA 7805FQ
4.7k
12A02CH
Q408
10k
R419
R424
C432
C429
C473
0.1u
4.7u25
R423
10k
R418
4.7k
12A02CH
Q407
47u25
DTC114EE
Q415
DTC114EE
Q414
DTC114EE
Q413
REVERSE
PREVENTION
CURRENT
(BACK UP BATTERY)
SB
80C
80T
80R
(BLVL)
REVERSE
PREVENTION
CURRENT
REGULATOR (50C)
VOLTAGE
50C
50R
/BINT
/RST
TXC
RXC
33C
33GPS
REGULATOR (33C)
VOLTAGE
VOLTAGE
REGULATOR (33GPS)
47k
PREVENTION
CURRENT
REVERSE
D406
150C
CN402
CN401
CN403
VARI-CAP TUNE
BUFFER AMP
(BPF TUNE)
POWER
DET
POWER
DET
SWITCH
ANTENNA
22p
100p
22n
R114
C112
470
100p
C102
0.01u
5p
7p
8p
3p
120p
0.01u
68
2nd LOCAL
BUFFER AMP (X3)
80T
L102
80T
150C
33A_2
BUFFER AMP
(LOCAL)
50R
50C
BUFFER AMP
(RF)
50R
50R
50R
50C
50R
33C
50C
50C
RIPPLE
FILTER
150C
BYPASS
DIODE
(VCO TUNE)
BUFFER AMP
39000
150
R32
10u20
C35
0.15u35
C32
0.047u35
C37
R29R25
10k
R37R35
RIPPLE
FILTER
50C
50C
50C
33C
C77
CONTROL
FREQUENCY
(VCO)
BUFFER AMP
FREQUENCY
CONTROL
0.01u
33C
CV CV
RX RX
TX TX
TX TX
RX RX
SENSOR
TEMP
POEWR CONTROL
AUTO
POEWR CONTROL
AUTO
120k
SW
(RF PWER H/L)
(RF PWER H/L)
SW
C158
R136
R3
100k
470p
80T
33C
50R
50C
50R
80T
33A_2
150C
+B
R342
0
C245
470p
R142
VOLTAGE
REGULATOR (80C)
3
2
oUTIN
GND
1
IC403
NJM78M08FA-ZB
C9
0.01u
C2
100p
C8
8p
R71
470k
C12
8p
L17
17.5n
C67
6p
3p
C72
L23
180n
R59
180
5p
C69
L21
180n
470p
C73
R153
120
C78
470p
2SK508NV(K52)
Q6
VCO
L19 R58
180
R57
220n
C66
6p
470p
C70
C68
4p
L22
220n
Q5
2SK508NV(K52)
VCO
180
C64
7p
L18
22n
RX VCO
10
R43
L10
18n
3p
C39
THP
R160
0
R69
0
120
R341
120
R340
2p
C272
1p
C275
0
R121
0
R116
C184
1p
100p
C181
C185
6p
C174
3p
C177
6p
R279
0
1SV286F
D207
100k
R283
C285
22p
L216
470p
C284
C286
7p
8p
C283
C288
470p
18p
C290 L217
C287
5p
C291
7p
1SV286F
D208
100k
R284
470p
C298
C294
470p
D210 L219
C299
R287
100k 7p
C297
1SV286F 22p
C296
7p
18p
C295 L218
C293
10p
1SV286F
D209
100k
R286
100
R288
100k
R289
470p
C292
D207-210
470p
C307
50R
C317
10p
C322
8p
1SV286F
470p
C316 R315
100k
D212
C320
470p 100k
R316
1SV286F
D213
C319
L223
C318
2p
4p
C321
2p
L224
12p
C324
12p
C335
33p
C310
0
R314
68n
L225 C325
4p
L228
2.7n
D216
HVC131
D212,213
VARI-CAP TUNE
ANTENNA
SWITCH
5A
/BINT
BATT CHK
VCO TUNE
TCXO MOD
RA30H4452M123
4RFoUTPUT
IC102
1RFINPUT
GATEBIAS
2
3DRAINBIAS
C435
10u
X1
0.5p
C76
0.5p
C74
L79-1850-05
C308
470p
C323
100p
L222
68n
ASSIST
W_/N
W_/V
VCO_MOD,/T_R
10T
2.5T
1.5T1.5T1.5T
9.5T
5T
5T
5T
5T
8T
8T
DSW
470p
C125
10k
R117
R115
470p
C120
0
R156
MPL 0
RFAGC
470p
C327
470k
R921
0
R310
R918
100
R919
100
+
+
+
+
+
+
+
+
+
+
TX-RX UNIT (X57-7390-10)
1
1
11 111 11 1 11 1 11
22 2 22
2
2222222222 2 2
3.31V
4.99V
3.31V
3.31V
1.48V 3.31V
3.31V
3.31V
3.31V
1.48V
3.31V
3.29V
3.31V
3.31V
RX-IF GND
AVR (E23-1278-05)TX-DRIVE (E23-1278-05)
RX-IF (E23-1278-05)
TX-MODULE (E23-1278-05)
RX-FRONT (E23-1278-05)
VCO (E23-1278-05)CONTROL (E23-1278-05) DIGITAL GND
CN512 CN516 CN527 CN540 CN543CN506 CN509 CN611
CN612 CN614
CN503 CN505 CN510CN507 CN502 CN504 CN508
CN511 CN513 CN517 CN520 CN542
R548 0
R562 0 R534 0
0.01u
C620
R565 0
DD
0
R574
R512
R507
100k
R516
100k
R531
R529 0
100k
R527
HD7
/CS3
/WR
0.1u
0.1u
C507
C509
0.1
C511
A14
A15
A11
A12
A13
A10
0.1u
C513
0
R567
R560
150
MCDOAF
MCSCKCN
D9 D9
K9
A2
K6
A2
CVDD7
N3
HCS
CVSS2
CVSS1
HD7
DVDD1
CVDD1
HAS
CVDD2
CVSS3
DVSS1
C1
A1
B1
C2 A22
F1
F3
F2
G2
D4
E2
D3
D2
D1
E4
E3
E1
A12
A11
A10
A15
A14
A13
F4
DVSS9
A21
B2
A2
0.1u
CVSS6
HoLDA
CVSS4
HoLD
DVDD2
MP_MC
BDR1
BFSR1
HR_W
R_W
READY
MSC
IoSTRB
MSTRB
K3
J4
K1
K2
XF
IAQ
J2
H1
G1
G3
G4
H2
H3
H4
J1
IS
DS
PS
J3
R584
M2
L1
L2
L3
M1
BIo
N1
N2
M3
HCNTL0
BCLKR1
DVSS 5
B4
A8
A9
A7
A6
A3
C3
B3
A9
A8
C505
C4
A7
A6
HD6
A4
A5
A3
A4
D5
A5
A4
C5
A3 B5
K4
L4
M4
N4
BFSR0
BCLKR2
BCLKR0
BDR0
BFSR2
K5
L5
M5
N5
BDR2
HCNTL1
BCLKX0
BCLKX2
/HDS2
/RD
B7
C504
A6
A0
A1
HDS2
DVDD 6
C6
0.1u
A5
D6
A0
A1
B6
C506
HDS1
DVSS8
CVSS10
CVDD6
C7
D7
A7
0.1u
M7
M6
L6
N6
CVSS7
HINT
CVDD4
BFSX0
DSP
IC502
L7
N7
K7
HRDY
BFSX2
DVDD 4
D8
D15
HD5
D13
D14
D15
A8
100k
D13
B8
D14
R501
C8
D12
HD4
D11
D10
B9
A9
D12
D9
C9
D10
D11
BDX2
M8
N8
L8
HD0
DVSS6
BDX0
M9
K8
N9
L9
HBIL
IACK
NMI
INT0
R694 100k
R695 100k
R686 100k
R693 100k
100k
0
R685
/MCCSAF
R543
R542 100k
/MCCSRCN
BCLKR2
MCDOCN
BFSR2
R544 BDR2
BCLKX2
C516 0.1u
100k
R553
R541 100
100k
R696
C517 0.1u
/MCCSXCN
R540 100
/BFSX2
BDX2
R539 0
R538 100 MCDICN
R558 100k
/DWUP
/SYMTIM
EMU1_oFF
A18
A17
A16
D5
D4
D3
D2
D0
RS
DVSS4
X2_CLKIN
HD3
TDo
TMS
TCK
TDI
CVSS5
CLKoUT
DVSS3
HPIENA
CVDD3
TRST
EMU0
HD2
HPI16
ToUT
DVDD3
CLKMD3
CLKMD2
CLKMD1
DVSS2
BFSX1
BDX1
M12
A11
C503
D7
D8
DVDD 5
D6
D7
A10
B10
D8
C10
D10
D6
0.1u
A20
CVSS9
A19
A12
B11
A13
N10
M10
L10
N11
INT3
INT2
INT1
CVDD5
L11
M11
N12
CVSS8
HD1
BCLKX1
DVSS 7
A16
A17
C11
B13
B12
F13
F12
G10
X1 F11
C13
C12
E12
E11
E10
D13
D12
D11
E13
D1
F10
0
R514
R511
D1
D0
D4
D5
D2
D3
22
K12
K13
J10
J12
H13
G12
G13
G11
J13
H10
H11
H12
J11
N13
K11
M13
L12
L13
K10
R698 0
R524 0
47k
R521
R528 0
R697 0
R532 100
R533 0
/BER_EN
/DRST
C512
L502
L503
100k
R515
0
1000p
C508
470k
R510
R841
0.1u
R525
100k
0.1u
C514
R557 100k
R552 100k
R554 100k
C824 1000p
R556 100k
C518 1u
INT3
/DINT
R537 0
R536 0
FSDET
MCSCKAF
/MCCSAF
MCDIAF
L518
C566 100p
C567 1000p
C568 100p
C569 100p
C570 100p
C571 100p
C543 100p
C545 100p
C546 100p
C553 100p
C561 100p
C562 100p
C563 100p
C565 100p
C579 1000p
C572 100p
C573 100p
C574 100p
C575 100p
C576 100p
C577 100p
C578 100p
CN595
2
3
1
13
11
12
L512
8
9
10
6
7
4
5
20
21
16
17
18
15
14
19
23
24
25
22
26
L517
OPT3
26P_RD
OPT1
L509
L510
AO
AI
26P_TD
OPT4
OPT10
OPT5
33GPS
TXO
OPT2
OPT7
OPT9
DTI
OPT8
OPT11
OPT6
RXEO
RXEI
TXI
2A1 7
(BER CLK/BER DATA)
BUFFER AMP
4GND
3Y2
5Y1
A2
6G2
TC7WT125FUF
IC509
1G1
0.01u
C529
VCC 8
AIO7
AIO6
XTN INHN
0.1u
C528
BUFFER AMP
(18.432MHz)
0.1u
C531
VC
4
470k
R581
VCC
R596
0.01u
C532
1k
1
R594
100k
3
VSS
XT 1
2
4Q
VDD
6
5
SM5023CNDH-G
IC508
L521
IC511
/PCS_RF
VCC
TC7SH08FU-F
oUTY
GND
2
GND
C530
3
0.01u
X502
oUTPUT
18.432MHz AND
(PCS RF/HD2)
1
2
3
INB
INA
0.01u
C536
REVERSW
(PCS RF)
PREVENTION
CURRENT
1SS416
5
4D503
L508
C541
10u6.3
C542
C13
R692 100k
OPT10SEL
OPT5
OPT4
OPT1
OPT2
OPT3
OPT8
OPT7
OPT11
OPT6
I2CDT
I2CCK
SDO1
SCK1
TONESW
/PCS
SDO0
SCK0
/EVCS
STSW
R503 1k
THP
VAG C
RSSI
ASSIST
MIC
RXAF
W_/N
CV
BLVL
THP2
BEEP
TONE
MOD
ASQAPC
1k
R610
R605
R607
KEYo2
MICADC0
MoDDAC
MICADC1
MICVR
SPDAC
KEYo0
KEYo1
KEYo3
KEYo4
PWM2
BSCAN0
BSCAN1
FCDADC
TEST0
TEST2
TEST3
SQDAC
TEST1
IFADCP
IFADCN
SPCK0
SPCS02
SPCS00
SPCS01
SPCK1
SPCS12
SPCS11
SPCS10
1M
R612
R687 4.7k
R688 4.7k
DD
/WP
I2CCK
I2CDT
RXD3
T8
U7
V7
U6
SPI1
SPo1
R14
A9
C10
V4
U5
T6
U4
T4
V5
SPI0
SCK
SDT
RXD3
SPo0
V6
10u6.3
0.1u
C533
C535
/DRST
R691 100k
/FRST
100k
R701D
V8
R597
R587 1k
R568 1k
R591
1k
K3
J3
K1
K2
H1
T5
G3
H2
H3
J1
J2 ADC8
ADC7
ADC4
ADC5
ADC6
ADC9
V13
U12
R4
P4 PWM1
V12
T10
L2
R9
V11
U10
T11
U11
T12
KEYI0
KEYI1
KEYI2
KEYI3
KEYI4
1k
R606 10k
0
R608 1k
R845
L15
R17
G18
L17
N16
RSTo
R10
R12
R11
T13
U14
U13
H17
E16
P18
TI
TDI
TMS
TDo
TCK
TRST
RTCK
RST
E2
D1
E3
IFVR
V3
C2
F1
F2
E1
G2
G1
D2
IFR
ADC0
BooT
ADC2
DAC0
ADC3
V14
TXD3
RXD2
T14
RXD2
TXD1
RXD1
TXD2
RTS0
CTS0
T15
V15
U15
R15
TXD1
TXD2
RXD1
RTS0
CTS0
AMT
HDS2/HDS2
RXD0
TXD0
R18
T18
R16
RXD0
TXD0
CS0
HRADY
CS2
CS1
B12
D14
A14
B13
/CS0
/HRDY
/CS2
M17
F17
C15
READ/RD
CS4
CS3
BLE
BHE
A13
D13
B14
C14
/CS3
DT15
WRITE
DT13
DT14
A15
A16
E15
D15
D15
/WR
D13
D14
DT8
D8
DT11
DT12
DT10
DT9
B15
D16
D18
D17
D11
D12
D9
D10
DT6
DT7
DT5
DT4
F16
E17
G16
E18
D6
D7
D5
D4
CPU
IC510
M15
ADD21
DT2
DT3
DT1
DT0
G15
F18
H16
G17
D3
D2
D0
D1
ADD19
ADD20
ADD18
ADD17
P15
J16
H15
N15
A19
A20
A18
A17
ADD12
A12
ADD14
ADD15
ADD16
ADD13
K15
J15
P16
M16
A14
A16
A15
A13
ADD11
ADD10
ADD9
ADD8
P17
K16
L16
N17
A11
A10
A9
A8
A11
ADD3
A3
ADD5
ADD6
ADD7
ADD4
J17
K17
N18
M18
A5
A6
A7
A4
ADD1
ADD2
ADD0
USRCKI
J18
L18
K18
H18
A1
A2
A0
32K
/RINT
XTALI
32I
DSPCK
CKo
XTALo
A12
B11
A10
B4
A4
22
R569
NC25
NC28
NC27
NC26
NC30
IFIR
MICIR
ADC1
NC29
NC14
NC13
NC12
NC11
NC24
NC19
NC20
NC23
NC22
NC21
NC18
NC17
NC16
NC15
AGND9
AGND8
AGND7
AGND6
NC10
NC9
NC8
NC7
NC6
NC5
NC4
NC3
NC2
NC1
AVCC5
AVCC4
NC36
AVCC2
AGND5
AGND4
AGND3
AVCC10
AGND2
NC34
AVCC9
AVCC8
NC35
AVCC6
DGND4
DGND6
DGND5
DGND7
DGND12
DGND15
DGND14
DGND13
DGND11
DGND10
AVCC1
DGND8
DGND9
T17
R13
F15
T16
D5
J4
F3
T1
N4
100k
R720
R572 22
1k
R577
H5
U18
V18
U2
U1
V17
D6
C18
C16
A3
D4
B16
C5
C3
V2
V1
E6
L1
K5
J5
A2
B17
U17
B18
A18
A17
B2
B1
A1
C540
0.1u
0.1u
C537
C538
0.01u
C539
D3
G4
F4
V16
E4
1u
G5
F5
E5
U3
M1
L3
K4
T3
H4
J14
K14
U16
C17
T2
C4
A5
B3
P7
P8
P12
P13
R603
0
PSRRF RXC
R3
68k
R706
0.1u
R614
100p
C544
D
AGCDAC
470k
D
/SCSW
D9
MCSCKCNMCCK1
MCo0 D11
A8
MCCK0
MCI0
B9
MCCS0 B10
MCDOAF
MCDIAF
MCSCKAF
/MCCSAF
C9
B8
A7
MCo1
MCI1
B7
MCCX1
MCCR1
MCDOCN
MCDICN
/MCCSXCN
R629
/MCCSRCN
D
1M
R627 100k
R628 100k
/DWUP
R684
VFRM
MCo2 D10
C8
MCCS2
MCCK2 R617 1k
C7
VoINT D7 R616 0 /DINT
D
N1
D8
RSSIT R615 0
M3
PSRIF
PSRPLL
M2
PLD
GPIo2
R624
R625
R676
R2
R1 R623 100k
N2
P1
L4
RXRVE
RXSLT
N3
PSTPLL
PSTIF
P2
M4
TMoD
PSTPA
P3
TRAMP
TXRVE
/PRST
/T_R
MM2
MM
W_/V
TXC
D12 R619 1k
R6
R5
FSDET
SYMTIM R621 0
C12
SIMDT
SIMCK
R620 1k
/PSW
0.01u
C621
D
/SYMTIM
FSDET
GPIo0
C11
SIMRST
V9
T9
GPIo1
R618 1k /INT25P
/BINT
/IGN
/OVRB
B6
R7
U9
V10
GPIo3 R682 0
R683 0
T7
GPIo4 R622 0
GPIo5
U8
R8
GPIo7
GPIo6 R681 0
A6
GPIo8 R680 0
GPIo9
470k
R677
D
/INAMT
DVDD3
DVDD1 B5
C6
GPIo11
GPIo10
E8
DVDD2 L511
E9
DVDD 5
G14
F14
DVDD 4 C560 1u
N14
M14
DVDD6 C558 0.1u
C559 0.01u
SBC
/H_L
DVDD10
P9
P10
DVDD8
DVDD 7
N5
DVDD9 C556 0.1u
C557 0.1u
C555 0.1u
DVDIo2 E7
M5
DVDIo1
E13
DVDIo3 C552 1u
H14
C554 0.1u
C551 0.01u
DVDI o7
P11
L14
DVDIo5
DVDI o4
P6
DVDIo6 C548 0.1u
C549 0.1u
C550 0.1u
DGND2 E10
L5
DGND1
E11
DGND3 E12
C547 0.1u
1u
1u
C501
C502
D15 DQ15 A1
A1 A12
A12 D0DQ0
/WR
/WP
/FRST
D6
D4
D1
D3
A7
A4
A8
A2
A5
A0
A3
A6
A13
WP/ACC
A17
A12
RESET
RY/BY
WE
A9
A4
A7
A3
A8
/WR
A13
A17
A12
A9
A4
A3
A7
A8
R504
100k
0
R509
B3
A5
B2
B1
A6
A3
A2
A1
A4
B4
B5
B6
470k
R522
L522
D4
H5 C2
VSS2
DQ6
H6 A2
A6
A2
A6 C1
DQ4
FLASH ROM
H2
DQ3
DQ1
H4
H3
VSS1
H1
A18 A18
A10
A14
C5
A10
A21 C3
C4
A14 C6
A1
A4
A3
A2
A5
A1
B1
A6
B3
B2
A6
A0
A3
CE2
A1
H6 A14
A14
A13
H5
A13
DQ4
A8
WE
A2
B4
A4
A7 B5
/RD
/CS0
/CS2
/RD
D11
D13
D9
L501
E6
E5
E4
E3
E2
F6
F5
F4
F3
F2
F1
E1
F6
G1
G2
F4
F3
E6
G3
F1
E1
IC501
G6
DQ11
DQ13
VCC
G5
G4
DQ9
G3
G2
D1
A19
A5
A20
A11
A19
A20
A5
D3
D2
A11 D4
D5
oE
DQ8
A16
DQ7
CE
DQ14
DQ12
G1
NC
DQ10
A15 A15
DQ5
DQ2
DQ0
D6
A0
IC503
SRAM
H4
A9
A9
A10
A11
H2
H3
A11
A10
DQ3
H1
G6
B6 D5
D1
A5
NC1
DQ5
C3
C1
DQ1 C4
C6
NC3
A15
A15
DQ2
DQ7
CE
oE
A16
G5
G4
A16
VSS1
NC2
DQ6
VSS2
VCC2
VCC1 D6
D1
1u
D8
D7
D14
D12
D10
A0
D5
D2
D0
D2
D7
D3
C515
D
D6
0
100k
R520
47k
C522
0.01u
2INA
1INB
GND
3
VCC 5
oUTY
4
DELAY
TC7SH08FU-F
IC505
VSS
2
0.01u
C520
3
CD
0.01u
C523
RESET (CPU)
VIN
XC6109C29ANN
100
1
R551
IC506
4
VoUT
OSCINSCL
C521
I2CCK
I2CDT
32K
/RINT
INTRB
4SDA
3
VSS
5
7
OSCOUT 8
INTRA 6
32768Hz
CLKC
X501
RV5C386A
32KOUT
01
2
R545
RTC
IC504
47k
R561
10
VDD 9
RST
15M
33M
33BU
33M
A16
CN549
5R590 0
10k
R575
43
C527
GND
R585 0
R576 0
R578 0
R579 0
R580 0
R583 0
R582 0
R586 0
R588 0
R589 0
R592 0
16
17
19
20
18
11
12
10
14
15
13
6
9
8
7
oUTY
IC507
TC7SH126FU-F
(OP : 20PIN BER CLK/BER DATA)
1G
2 INA
/BFSX2
/BER_EN
BUFFER AMP
5
VCC
BFSR2
HD7
BCLKR2
L506
SCRXD
INT3
BDR2
100p
R595 0
C534
R598 1k
R599 1k
R600 1k
R601 1k
1
4
3
2
R593
0
D502
1SS388F
SCTXD
D501
1SS388F
/SCRST
BCLKX2
L507
50C
33M
0.01u
R604
1k
R602
1k
1k
1k
100k
100k
100k
100k
ASQDET
33A
33M
15M
33M
33A_2
/HINT
33A_2
/HRDY
/HINT
RXC
33A_2
32K
SCBSY SCBSY
33M
/PCS
33M_4 33M_4
50C
80C
OPT10
OPT11
26P_RD
26P_TD
25P_TXD2
G_RXD2
OPT1
OPT3
OPT4
OPT5
DT1
OPT8
TXO
OPT7
OPT2
OPT9
RXEO
TXI
OPT6
RXEI
D
BSHIFT BSHIFT
RST
PLDPLD PLD
450K 450K 450K
0.01u
33M_1
15M_1
15M_1
33M_1
100k
0
33M
50C
33BU
33A_2
15M
33M
33A-2
50C
80C
33GPS
BCLKR0
BCLKX0 BCLKX0
BCLKR0
X2_CLKIN
HD2
X2_CLKIN
HD2 HD2
X2_CLKIN
HD2
X2_CLKIN X2_CLKIN
HD2 HD2
X2_CLKINX2_CLKIN
HD2 HD2
X2_CLKIN
ASQDET ASQDET
SCBSY SCBSY
/SCRST
SCTAM1
D
D
D
D
D
D
D
SCTAM1
BDX2
1M
R611
D
D
D
D
D
26P_RD
26P_TD
D
I2CCK
I2CDT
PROTECTION
LINE
L903
RXEO
RXEI
L905
L904
MPL
DSW
C814
470p
RFAGC
0
R915
R917
0
R916
0
R550 0
+
+
1
1
11 11 1
1111 11
11
1
11
2222
2
222
2222 22
22
2
2
2
2
333 3
3
3
3
3
33
3
444
4
4
4
4 4 4
4
4
5555
5
5
5
5
5
555
4
3
44
4
4
5
3
3
3
3
3
3
66
6
6
666
6
6666 6
6
6
777 7 7
88
8
8
8
8
8
99
9
9
9
9
99 999
9
9
9
9
9
99 9
555 5
5
5
5
1313
13
13
1.62V
1.63V
1.63V
3.28V
1.62V 1.62V 3.26V
R : 3.31V
T : 0V
3.25V
0V
3.28V
1.64V
1.62V
1.62V
3.28V
3.28V
1.62V
1.62V
4.98V
3.28V
5.01V 5.01V
3.31V
1.63V
1.63V
3.28V
1.65V
1.65V 1.63V
1.63V
1.31V1.31V
3.28V
R : 0V
T : 1.63V
1.62V
1.62V 3.28V
1.63V
3.28V
3.28V
1.63V
3.28V
3.28V
1.62V
1.62V
3.28V
1.62V
4.98V
4.98V
4.98V
0V
1.34V
6.38V
13.54V
C717
TC75S51FE(F)
TC75W51FK(F)
LPF
(APC/DEO)
C718
220p
oUT
VDD
VSS
R718
C705
1200p
1
RXAF SMF
C708
1200p
R713
56k
R708
68k
R704
56k
C702
1u
C711
180p
LPF (RXAF)
3
2
IC701
IN-
VSS
IN+1
APC SMF
R703
10k
R712
68k
C709
220p 0
2
3
4
R715
1000p
C821
R707
15k
R709
8.2k
SSM3K15TE(F)
47k
Q701
R721
2.2k
C716
220p
0
R838
4.7k
R837
ASQ BPF
AMP (SQ)
BRF/BUFFER
ASQ DET
AUXIO7/BER DT
AUXIO6/BER CK
C611
1000p
C597
1000p
R807
150k0.01u0.1u
C731
0.1u
63
LEVEL
SHIFT (TXD)
R805
R769
4.7k
C747
0.01u
RXAF/RXEI SW
C726
0.1u
R756
R752
1k
C746
C743
0.01u
R758
10k15k
R763
18k
0.01u
SIDE TONE MUTE
AF SW
(AI TONE OPT9/VREF)
VEE
GND
SSM3K15TE(F)
Q703
TONE SW
12k
R772
R771
100k
C753
0.01u
R782
15k
R785
10k
C769
C768
0.01u
R778
390k
4
C775
0.1u
R788
22k
0.01u
R791
560k
CH1
A5
3.3k
R846
R792
1k
C785
0.1u
G1
GND
A1
Y2
R636
0
4
1
2
3
TC75S51FE(F)
C792 47p
oUT
VDD
R814
100k
C786
0.1u
R808
10k
82k
IC714
IN-
3
1
2VSS
IN+
C798
0.1u
R819
0
C796
4
5
0.1u
R642 100k
R641 100k
R638 100k
R637 10k
R639 1k
C613
0.01u
Y1 5
A2
LEVEL SHIFT
(TXDO/RTSO)
C594
0.01u
G2
VCC
TC7WT126FU-F
IC515
7
8
6
470k
R689
R690
470k
DRIVER
RS-232C
C612
1u
LEVEL SHIFT
D510
D509
1SS416
1SS416
(RXDO/CTSO)
R652
C595
TC7WH126FU-F
G1
A1
GND
Y2
1
2
4
3
8
7
VCC
Y1 5
A2
G2 6
IC516
R656
470
0.01u
ADM202EARNZ
R2oUT
T2IN
T1IN
T1oUT
GND
R1oUT
R1IN
VCC
11
14
15
12
13
16
9
10 T2oUT
C1-
C2+
C2-
V-
C1+
V+
3
4
5
6
1
2
C615
1u
C616
1u
IC518
R2IN 7
8C614
1u
15k 27k
R843
470
R770
8
TC7W53FK(F)
SCSW(RXAF)
GND
CoMMoN
VEE
R728
0
R732
47k
4
5
8
7
6
5
R738
1k
IC707
CH1
CH0
VCC
A
R737
47k
C723
0.1u
7
6
5
VDD
C727
82p
C730
560p
DEO BUFF
R744
47k
R740
100k
C735
4.7u
1
4
3
2
INH C745
0.01u
R764
120k
IC703
R727
270k
0.01
NOISE
AMP
Q702
2SC4617(Q)
R751
270
7
TC75W51FK(F)
IC705
C719
81 VDD
5
6
VSS
4
3
2
C722
47p
100k
R729
R750
C734
R747
330k
R746
10k
R762
470k
C737
0.1u
100k
TH701
-t
DETECTOR (SQ)
3.3k
C740
4700p
C738
1000p
D703
RB706F-40
C818
1u
NOISE
R761
C741
0.15u
R760
1.5k
100k
TC7W53FK(F)
SUM AMP
TC75W51FK(F)
INH
CoMMoN
56k
C749 C752
330k
R777
C767
0.1u
1
2
VREF
C754
1000p
100k
C761
0.01u
R781
2
3
4
100k
R780
R783
0
1
R794
IC710
CH0
VCC 8
7
R790
(AF) / VREF
R800
4.7k
R803
6
5
VSS
C779
C778
0.1u
IC711
8
7
VDD
VREF
R795
68p0
R802
R799
56k
RX SUM
DAC
VIN8
VoUT8
VoUT7
VIN7
GND
RESET
VDAREF
VIN6
VoUT6
VoUT5
VIN5
20
15
R836
0
14
13
C774
1000p 19
18
17
16
D0
24
23
22
21
5
10
IC712
M62364FP-F
11
12
VoUT4
VIN4
6
8
9
7
LD
DI
VIN3
CLK
VoUT3
C777
1000p
1u
2
3
1
4
VoUT1
VoUT2
VIN1
VDD
VIN2
SQ VOLTAGE
CONTROL
HSC119
D702 R755
10k
R833 100
R834 100
R835 100
D507
PROTECTION
LINE
BUFFERAMP (TXD2)
D508
DA204U
IC513
TC7SET08FU-F
1SS416
VCC CoMMoN
10k
AFO BEFF
AO SW
C788
0.1u
0.1u
4
2
1
3
VGS REC SEL
TC7W53FK(F)
CH0
CH1
A
5
7
8
6
IC713
INH
GND
VEE
R810
1k
C797
C813 10u
C790 10u
PROTECTION
LINE
(DI)
C789 4.7u
SW
OPT10
D707
EMZ6.8N
D706
EMZ6.8N
(DEO)
R822
100
R818
33k
R821
0
R820
470k
0.1u
2SA1832(GR)F
47k
Q708
R817
C799
R678
100k
GND
INB
INA
3
2
1
AUXIO9/CTS
F501
R650
0
C592
100p
C593
100p
C609 1000p
C610 100p
3
4
5
1
2
NC/RSSI
SB
SB
SB
SB
7
8
9
10
6
DI/RTS
50C
SB
AFO
SB
C608 100p
R654
0
C607 1000p
C606 1000p
RXD016
11
12
13
14
15 GND
GND
DEO
MI2
ME
20
17
18
19 AUXO1
AUXO2
TXD0
C618
0.01u
R644
0
oUTY
VCC
4
5
R658
0
AUXIO227
C605 1000p
C604 1000p
C603 1000p
C602 1000p
C601 1000p
21
22
23 AUXIO4
AUXIO5
AUXIO8
24
25
26
TXD2/AUXIO9
RXD2/DI
AUXIO3
C600 1000p
C599 1000p
C598 1000p
CN600
28
29
30
AUXIO1
REVERSE
PREVENTION
(OR G RXD2)
1SS416
(I2CCK/I2CDT)
LEVEL SHIFT
IC514
TC7WBD125AFK
C591
0.01u
VCC
CURRENT
D506
R640
10k
1
4
3
2oE1
B2
GND
A1
EXPANDER
IC517
P16P02
DA204U
D511
R842
1k
R651
1k
24
C596
0.1u
1
2
3
P00
P01
A2
8
6.8k
R646
A2
B1
oE2
5
6
7
R648
6.8k
16
17
18
19
20
21
22
23
I/O
P17
A0
SCL
SDA
VCC
INT
A1
R659 100k
R660 100k
R671
R669 100k
R668 100k
R667 100k
R666 100k
R665 100k
R664 100k
P06
4
5
6
P03
P04
P05
R670
100k
7
100k
PROTECTION
LINE
(AID9)
13
14
15
P10
P11
P12
P07
GND
P14
P15
P13
11
12
8
9
10
DA204U
D512
R661 100k
R673 100k
R672 100k
R674 100k
C820
1u
SW
DC
DTC114EE
R823
4.7k
Q709
Q710
DTC363EU
C801
1u
R825
10k
R827
3.3k
R663 470k
R662 470k
AF
MUTE
R828C802
1u 0
D914
02DZ18F-X,Y
D910
02DZ18F-X,Y
C922
1000p
R914
C907
1000p
R901
DC SW
(AUXO1)
470
A(AUXO1)
DC SW
470
A
D911
D907
DA204U
DA204U
D903
D901
DA204U
DA204U
OVER DC
SUPPLY PROTECTION
PREVENTION
02DZ18F-X,Y
26
27
29
28
30
C903 100p
C901 100p
A
21
23
25
24
22
02DZ18F-X,Y
D906
AA
CURRENT
(SB)
REVERSE
Q901
QSX6
AA
15
18
17
16
19
20
A
12
11
14
13
D905
C902
1000p
C906
C905
100p
AAA
Q902
QSX6
D909
1SS355
L902
D913
1SS355
100p
470
C904
100p
L901
C908
100p
470
470
C910 100p
C909 100p
C921 100p
4
8
9
10
7
6
5
CN901
2
1
3
DA204U
D902
D904
DA204U
D908
DA204U
470
470
470
470
470
470
C918 100p
C919 100p
C920 100p
C917 100p
C916 100p
C915 100p
C914 100p
100
100
470
D912
DA204U
A
C913 100p
C912 100p
C911 100p
J901
C923
1000p
A
(BER CK)
(BER DT)
D902
D901
LINE
PROTECTION
(AUXIO3)(AUXIO1)
(AUXIO2)
D904
(AUXIO4)
D908
D903 D907
(AUXIO8)
(AUXIO5)
D912
D911
J701
0
C810
470p
EXT.SP
HOR
PA
GND
SPO
SPI
SB
6
2
3
4
5
1
10k
R826
1000p
AO2
AO1
AIO9
AIO8
AIO7
AIO1
AIO2
AIO3
AIO4
AIO5
AIO6
I2CDT
I2CCK
/INT25P
SPO
RXD2
G_RXD2
TXD2
PREVENTION
(OR RXD2)
CURRENT
REVERSE
25P_TXD2
AIO6,AIO7
C811
0.1u
0.1u
0.1u
C724
R776
220k
220k
100k
CURRENT
PREVENTION
REVERSE
CTS0
RXD0
RXD3
26P_RD
RTS0
TXD0
26P_TD
R831
PROTECTION
LINE
PROTECTION
LINE
PROTECTION
LINE
PROTECTION
LINE
PROTECTION
LINE
PROTECTION
LINE
PROTECTION
LINE
SUPPLY
OVER DC
PROTECTION
PROTECTION
OVER DC
SUPPLY
OVER DC
PROTECTION
SUPPLY
(SB)
REVERSE
CURRENT
PREVENTION
13
12
24
23
10
22
9
21
8
20
4
3
2
19
6
25
5
17
16
15
2
15
3
16
4
17
5
6
19
20
8
21
9
22
10
23
24
12
25
13
27
26
1
14
2
15
3
16
4
17
5
18
6
19
7
20
8
21
9
22
10
23
11
24
12
25
13
AIO6
AIO7
AIO1
AIO2
AIO3
AIO4
AIO8
AIO5
AIO9
AO1
AO2
AIO7
AIO6
R912
R913
R908
R909
R910
R911
R905
R907
R906
R904
R903
R902
CN705
50C
33M
50C
50C
33M
50MC
50M
SB
HOR
PA
HOR
PA
C750
81
68p
C712
100k
R710
330p
C706
100k3.3u
C701 R705 100k
R714
R716C707
00.1u
0
R731
1
7
8VDD
MOD SMF
LPF (MOD)
C720
100k
0
100k
R741
VSS 4
2
3
5
6
TC75W51FK(F)
IC702
R739
R745
IC709
MOD SUM
100p
C736
R749
82k
68k
1200p
C715
68k
LPF/SUM AMP
VSS
4
R748
5
MIC SUM2
0
IC706
0.1u
TC75W51FK(F)
1
2
3
220p
C721
R722
56k
R724
R725
MIC AA
8
7
6
VDD
R765
SCSW(MIC)
SUM AMP
(AI/TONE/MI1/MI2)
/(MOD/DI)
MIC SUM1
6
7
5
VEE
INH
CoMMoN
CH1
VCC
CH0
2
3
A
GND
(TXO/TXI)
AF SW
4
0.1u
C751
1k
47k
R767
47k
R768
C714
0.01u
C710
47k
R717
VIN+
VSS
VoUT
MCP6021-E/OT
3
2
1
0.01u
C725
0.01u
C732
22k
R734
VIN-
4
5
VDD
(2nd IF DET)
10k
R730
0.01u
IC704
33k
R733
C744
IC708
TC7W53FK(F)
0.1
0.1u
0.1u
C742
100k
R759
56k
R753
0.1u
C748
100k
R766
10
R726
BUFFER AMP
2nd IF BUFF
TC75W51FK(F)
R798 C784
C757 15p
R774 470k
82k
680k 0.1u
R789
0.1u
VSS
4
3
C770
1VDD
2
R773 680k
R801
330k
R797
0.1u
C783
0
1000p
5.6k
R806
C793
100k
470k
0.1u
C773
5
6
39k
R786
8
7
22p
C764
10k
R796
0.1u
C782
Q705
2SA1832(GR)F
R779
1u
C766
RB706F-40
D705
270k
R787
0
R793
2SJ243-A
MUTE (MI1)
100k
Q706
4.7k
R812
10u
C787
680
2SJ243-A
R816
R804
10u
C795
Q707
MUTE (MI2)
4.7k
R813
100k
R809
100k
R815
10u
C794
Q704
LIMIT
Q704,705
2SC4738(GR)F
D704
(LIMIT)
AF DETECTOR
D704,705
1u
C765
150k
R784
RB706F-40
C762
C763
1000p
C791 33A_2
MIC
/SCSW
MOD
0.1u
C729
TXO
0.1u
0.1u TXI
DTI
ME ME
MI2 MI2
MI1 MI1
2
1
1
2
2
1
2
1
R775
6
6
VREF VREFVREF VREF
33A_2
33A_2
FMDET
W_/N
APC
50R
TV1
TV2
C776
VCO_MOD
TCXO_MOD
MP
SDO0
SCK0
/EVCS
STSW
TONESW
BEEP
TONE
AMT
/SCSW
AFO
AI
OPT9
RXEI
RXEO
OPT10SEL
OPT6
AO
50C
PROTECTION
LINE
/INAMT
SB
50C
PLD PLD
ME
MI1
MI2 MI2
MI1
ME ME
MI1
MI2 MI2
MI1
ME
AFO AFO
AFO AFO
VIN8 VIN8
33A_2
/INAMT /INAMT
DI/RTSDI/RTS
DEODEO
MI2MI2
MEME
RXD0RXD0
TXD0TXD0
TXD2/AUXIO9TXD2/AUXIO9
RXD2/DIRXD2/DI
SBSB
PLD
450K
IF_DET
MI1
MEME
MI1
ME
MI1
33A_2
33A_2
33A-2
33A_2
33A-2
50C
MM
MM2
RXAF
ASQAPC
ASQDET
W_/N
OPT10OPT10OPT10 OPT10
OPT10
DI
DEO
DI
DEO
LINE
(RXD2)
PROTECTION
1000p
C809
2
3
5
4
C803
1000p
1000p
C804
C806
330u16
1000p
C807
47u25
C805
OUT
GND2
GND1
IN
1
IC715
LA4425A
VCC
2A
C815 10u
C816 10u
+
+
D-SUB25
1
1
111111 11
1
1
1
2222
2222 2
9
9
9999
13
13
999999
9
9
999
9
9
99
10 1010
10 10
10
10
11 11
11
1111
11 1111 11
12 1212
12
999 9
1313
13
13
13 13 13 13 13 13 1313
13
4.98V
5.01V
-9.69V
5.01V
13.52V
5.01V
2.23V
4.86V
5.02V
ON HOOK
: 0V
5.02V 5.02V
5.02V
5.02V
5.02V
5.02V
8.00V
3.12V
5.02V
7.87V 5.02V 3.31V
0V
5.00V
3.30V 3.30V
3.30V
R :0V
T : 5.00V
0.76V
4.99V
R :1.98V
T : 0VT : 1.86V
R :0V
T : 0V
R : 5.00V
7.27V
8.00V 7.97V
3.30V
-4.29V
SPO
3oUTY4
LEVEL SHIFT
(AND ITXD1/SCTXD)
VCC
5
GND
1INA
INB
2
0.01u
IC512
TC7SET08FU-F
0.01u
C817
1000p
10k
R634
1SS416
R633
PREVENTION
(RXD)
CURRENT
REVERSE
100p
C825
R632
D504
GND
(DM)
1
4
RXD
2
3
TXD
GND
C588 1000p
C589
R523 47k
470k
R506
SHIFT/MODEL
7
NC
5C
5
6
C587 1000p
DC SW
Q501
UPA672T-A
0.01u
(LCDDI)
(LCDDO)
10
GND
8
9
(LCDCLK)
RST2 (LCDCE)
AFO
13
11
12
19
100p
C585
C586
100p
C584
ME
15
14
PSW
18
MIC
GND
16
17 GND
1k
R630
1000p
1000p
C583
C581
1000p
C582 SB
21
NC
20
SB
24
8C
23
22
GND
100p
C580
SPO
SPO
28
SPO
SPO
26
25
27
SPO
30
29
CN597
50C
MI1
ME
33M
C590
80C
SB
SPO
/PSW
AFO
/PRST
RXD1
SCRXD
10k
0
SCTXD
TXD1
PREVENTION(HK/RXD)
SHIFT D15
D15
7
GND R946 0
35
100 12KEY_6
12KEY_10
12KEY_9
12KEY_8
RXD0
TXD0
VoUTGND
D903D902
AVRM16080MAAB
C905 0.1u
C906 2200p
C907 1000p
AVRM16080MAAB
AVRM16080MAAB
02DZ18F-X,Y
SURGE
ABSORPTION
(HK/RXD) PROTECTION
OVER DC
SUPPLY
v
(DM/KVL)
SURGE
ABSORPTION
v
D902
D901
D901
8BLC/AFO
ABSORPTION
SURGE
(BLC/AFO)
v
D904
D903
D904 1k
R902
DGND
BUFFER AMP
(LCD CONTRAST ADJ)
C945
0.01u
5C
C933
PROTECTION 5
C943
C1-NC
1000p
C934
4.7u25
(PTT/TXDO)
C935
4.7u25
7
1u
LINE
43
C2-VIN
6
C944
1
C2+C1+
8
2
4.7u25
CP908
CP907
RXD0
TXD0
RXD1
TXD1
33C
0
R997
1
OUTPUT
V-
INPUT+INPUT-
V+ 2
3
34
32
29
27
28
26
0
0
25
33
30 TXD1
NC
NC
31
12KEY_7
RXD1
PTT/TXDO
D906
MINISMDC020F
C908 1000p
C909 1000p
C903 0.01u
C965 0.1u
HK/RXD HK/RXDHK/RXD
5 PTT/TXD
7SB
6E
2
4
3
ME
MIC
PTT/TXDO
1DM/KVL
J901
100p 100p
C913
C911 100p
DM/KVL DM/KVL
PROTECTION
(SB)
v
C910 C912
0.1u
RXD
GND
GND
29
30
LINE
1u
L902
1u
L901
TXD
28
27
NC
5C
25
26
RXD1 14
100
R999
Q901 (TXD0)
11.0592MHz
270k
R940
R906
330
IC906 DC/DC CONVERTER
R933
10k
R926
DA204U
D913
45
LM2682MMX (N100C)
47k
R908
100k
R907
HK/RXD0 SW
1k
R905
AFO SW
SSM3K15TE(F)
AFO/BLC SW
BUCNT1VCC G
0.1u
C926
47k
R934
1
2
GND
INA
4
5
oUTY
TXD0
RXD0
3
470k 120k
LMC7101BIM5
IC909
-t
R929 R941
12KEY_3
12KEY_5
12KEY_4
24
23
22
1k
21
19 12KEY_1
12KEY_2
20
100k
TH901
R942 LDM
PTT/TXD0
DM/KVL
R943
0
18
17 DM/KVL
/PTT
10p
C936
R950 47k
VCC1
16 /NMI
15
100k
R909
1SS416
D910
oUT IN1 CoNT1 6
54
3
GND
CoNT2 oUT_IN2
IN_oUT2
DTC144EE
Q904
DTC144EE
Q902
8
7
VCC
1
2IN oUT1
IC905
TC7SH126FU-F
BUS BUFFER TXD1
5C
0.1u
IC901
TC7W66FK-F
R927
47k
33k
R912
4.7k
R911
C917
5C A1 18
G1
VCC
0.1u
C927
BUCNT2
47k
R935
Y2G2
Y16
7
3
2
/PRST /PRST
12
X901
10p
C938
C947 0.1u
VSS
Xin
13
R949 1k
R948 10k
11
RST2
Xout
10
R947 470k
C946 100p
9
8BLC1
CNVSS
BLC2
BCLK
/HOLD
/HLDA
12KEY_12
12KEY_11
DGND
CP912
CP910
R978 47k
R977 47k
R979 47k
/RD
L906
/CS1
/CS0
/CS2
/WR
/CS3
A19
48
47
46
49
44
45
42
43
40
37
100
100
/CS1
/CS0
/CS2
/WR
/BHE
/RD
39
/RDY
38 ALE
41
/CS3
36
A18
A19
50
60
A13
A13
A16
A17
51
A16
A17
A14
A15
52
53
54
A15
A14
A10
A10
A12
A11
55
56
57
A11
A12
A9
59
58
VCC2
A9
65
A7
CPU 62
C961
1u
A8
61
A8
VSS
IC911
30620SPGPU3C
A5
A6
A7
63
64
A5
A6
68 A2
A3
A4
66
67
A2
A3
A4
69
70
A1
A0
A1
100p
R967 10k
R968 10k
R969 10k
R970 10k
R971 10k
R972 10k
R973 10k
R974 10k
FLASH ROM
R956
R954
R937
DIMMER SW
B30-2304-05
D914
91
CP909
100k
47k
R936
(AFO)
10k
R916
TC7SH08FU-F
/PRST /PRST
02DZ18F-X,Y
24
OVER DC
PROTECTION
SUPPLY
D907
21
GND
GND
GND 22
23
/PRST
GND 20
19
5C 5C
1000p
C914
D907
RXD
TXD TXD
RXD
MIC
ME
GND
AFO 0
R901
18
17
16
13
GND
GND
15
14
NC
/PSW
11
12
RED
GREEN
BUCNT2
D910
REVERSE CURRENT
BUFFER IC907
A25
TC7WH126FU-F
DUAL BUS
(RXD0/RXD1)
4
PTT/TXD0
DM/KVL
AVSS
VREF
LEDR
LEDG
BUCNT1
AVCC
BUCNT2
2
5
4.7k
R996
R945 0 6
AFOSW
BYTE
L904
1000p
C967 R944
100k
3DIMM
WP
4/LCDRST
LCDADJ LCDADJ
93
92
95
96
98
97
94
100
99
KO0
KO1
1LCDADJ
0.1u
C929
0.1u
C928
120p
C920
100k
R914
3
R915
47k
0.1u 82k 4
oUTIN- (TXD1/RXD0)
AND GATE
R917 10k
0.1u
C921
2
1
C919
1000p
C918 R913
5
VSS
IN+ VDD
IC902
TC75S51FE(F)
INA 1
INB
5VCC
2
3
GND
4oUTY
C957
C948
100p
0.01u
BLC2
AFOSW
BLC2
AFOSW
BLC1
DIMM
BUCNT1
0
R952
5C
KO0
KO1
L905
HSC119
D912
HSC119
D911
D908
HSC119
1
SPO
SB
SB 10
9
PSW
GND
8C 8
7POWER
8C 8C
KO1
KO2
4
SPO
SPO
6
5
SPO
SPO
SPO 3
2
KI1
KI2
KI0
KO0
KI3
KEY MATRIX
1000p
C924
1k
R920
R904
100
CN901
CH DOWN
D908,911,912
100
R921
100
"PF1""PF2"
2
SP 1
CH UP
CN902
1000p
C923
R923
R922
1k
VOL DOWN"PF3"
C939
1u
10u
C964
0.1u
C940
15
5C
AF BUFFER AMP
5C
IC908
VOLTAGE
REGULATOR (33C)
NCVoUT
1u
C916
4
NC
3CE
5C 5C
33C 33C
BUS BUFFER
(A1-A2)
/WR
A1
D2
D0
D1
BUS BUFFER
(D0-D7)
D3
D4
L903
VIN
REGULATOR
VOLTAGE
(5C)
2
CE
VSS
10
4.7u
C915
IC903
34
R918
XC6204B502PR
L908
51 VOUT
2
1u
VSS
VIN
10k
R930
C930
IC904
XC6204B332M
10k
R919
RED
GREEN
DIMM
BLC1
SSM3K15TE(F)
1000p
C942
(LCD BACK LIGHT)
Q911
DTC114EE
Q909
VCC
G
B1
B2
VCC
oE
B4
B3
B2
B1
TC7WZ245FK-F
TC74LCX245FK
R988
SW
47k
GND
R990
4
3
2
1
A2
A1
DIR
6
4
5
2
3
1
A5
A4
A3
A1
A2
DIR
C960
0.01u
4.7k
IC912
C959
0.01u
IC910
RESET
LCD
5
6
8
7
15
17
16
18
19
20
33C
0
100k
CP917
D7
REVERSE
D12
D12
D13
73
D14
71
72
D13
D14
D11
74
75
D11
76
78
77
80
83
82
85
86
88
87
84
79
90
89
D10
D8
D7
D9
81
D5
D6
D3
D2
D4
D0
D1
/KI2
/KI1
/KI3
KO2
/KI0
D10
D8
D7
D9
D5
D6
D3
D2
D4
D0
D1
PREVENTION
(SRAM WR)
CURRENT
1000p
D937
C966
247
R992
KI2
KI1
KI3
KI0
KO2
1
BYTE
A16 A15
A14
A17 48
0
3
4
VSS2
DQ15/A-1 A12
A13
46
45
D15
A11DQ7
1SS416
D937
A15
A16
A13
A14
A12
R998
0
1633
/WRDQ4 WE
D4
DQ13 A8
D13
5
6
7
DQ14
DQ6
A10
A9
44
43
42
D6
D14
L907
9
10
8
DQ5
DQ12
A19
NC1
40
39
D5
D12
41
0.1u
A9
A10
A11
/CS2
1336
/CS3
12
DQ11 NC2
11
RESETVCC
37
D11
38
C962
D6
D5
D7
14
15
DQ2
DQ3
DQ10
A18
NC3
RY/BY
D2
35
D3
D10 34
R928
R986
10k
10k
/CS1
B7
B5
B6
B8
A4
A3
0
GND
D8
8
7
9
10
A8
A7
A6
17
18
DQ9
DQ1 A7
A17
A6DQ8
32
31
D1
D9
19
20
21
oE
DQ0 A5
A4
30
29
28
D0
/RD
A8
A19
A7
A6
A5
R960
A0
A1
11
12
13
14
23
24
22
CE
VSS1 A2
A1
26
/CS0
27
R900
0
R962
0
29AL16D7KCCA
IC913
25
A3
A2
1000p
C925
1000p
C922
1k
VOL UP"PF4"
R925
1k
R924
8C
/RES
/CS
/WR
SW
B30-2282-05
B30-2282-05
B30-2281-05
B30-2281-05
B30-2281-05
B30-2281-05
(TX)
820
R966
820
R965
R964
390
390
R963
270
R958
270
R957
270
R955
270
R953
LED
TX/RX
5C
Q909,911
100
47
47k
BACK LIGHT
C941
1000p
1000p
C932
1000p
C931
Q908
DTC114EE
DTC114EE
Q906
DTC114EE
Q905 D915-926
LCD
R939
10k
BACK LIGHT
B30-2282-05
B30-2282-05
D928
D927
D918
D917
D916
D915
D930
D929
D934
D932
D926
D924
D922
D920
D927-936
KEY
D936
D935
Q913
UPA672T-A
1000p
C963
R991
470k
R982
10k
100p
10k
C958
R989
470k
R976
R981
13
15
14
18
17
16
20
19
D0
D2
D1
D3
A0
CN905
R938
470
R932
560
R931
(BUSY)
TX/RX LED
TX/RX LED LIGHT
LCD
BACK
10k
12A02CH
Q910
D931
D933
D923
D925
D919
D921
LCD KEY
VDD
VDD
VSS
C949 1u
C950 1u
C951 1u
C952 1u
C953 1u
C954 1u
0.01u
C955 33C-2
C956
10
11
12
V4
V3
V2
V1
D4
D5
D6
D7
3
2
9
7
8
6
5
4
V51
+
+
+
TX-RX UNIT (X57-7390-10)
DISPLAY UNIT (X54-3640-10)
LCD
9
9
9
19
18
18 18 18
17
21
21
20
17 17 17
19 19
19
1616 16
15 15 15
1515 15
16
15
20
16
21
20
20
21
21
20
20

NX-800 NX-800
INTERCONNECTION DIAGRAMINTERCONNECTION DIAGRAM
LCD
X54-364*-**
DISPLAY UNIT TX-RX UNIT
X57-739*-**
ANT
DGND
CN595
OPT6
OPT2
AI
1
TD
GN D
OPT3
TXI
50C
DTI
NC
OPT4
OPT7
RXEO
OPT11
OPT1O
RD
AO
80C
OPT9
RXEI
OPT5
GN D
OPT8
OPT1
INT SP
J901
SB
SPI
SPO
HO R
GN D
PA
DM
PTT
HK
E
MIC
SB
ME
BLC
1
8
1
30
30
1
30
1
CN902
J901
CN705
A/2
R152
SPO
GND
EXT SP
NC
SB
RXD1
AUXO2
TXD 1
AUXO1
AUXIO9
AFO
DI
GN D
MI2
DEO
GN D
AUXIO 5
AUXIO8
AUXIO 4
TXD 2
AUXIO 3
RXD2
AUXIO 2
GN D
AUXIO 1
AUXIO7
ME
AUXIO6
1
2
2
IGN
1
CN403
GND
1
6
1
2
3
4
5
6
7
8
9
10
11
12
13
14
15
16
17
18
19
20
21
22
23
24
25
AUDIO IC
IC715
LA4425A
80C AV R
IC403
X57-739*-**
B/2
-
13.6 V
+
CN905
V5
V4
V3
V2
V1
VD D
VD D
VSS
D7
D6
D4
D5
D3
D2
D0
D1
/WR
A0
/CS
/RES
1 20
GND
SPO
SPO
SPO
PRST
80C
GND
SB
SB
PSW
SPO
NC
GND
GND
ME
MIC
GND
AFO
SPO
SHIFT
5C
GND
GND
NC
GND
GND
TXD
RXD
GND
SPO
NC
GND
SB
SPO
GND
SHIFT
ME
RXD
GND
SPO
SB
NC
GND
SPO
TXD
GND
MIC
SPO
SPO
PSW
80C
PRST
GND
GND
SPO
GND
GND
AFO
GND
50C
CN901 CN597
TXO
15
31
CN549
1
20
1
30
CN600 CN901
RA30H4452M123
IC102
CN401
CN402
26 PIN BOARD TO BOARD CONNECTOR
14
AUXIO7
AUXIO3
AUXO 1
SB
AFO
TXD0
DI
SB
RXD0
SB
TXD0
AUXIO6
SB
SB
AUXIO5
50C
SB
NC
RXD2
ME
AUXIO4
NC
AUXIO7
AUXIO3
SB
AUXO 2
TXD 2
RXD0
AUXIO4
AUXIO2
MI2
AUXIO1
AUXIO2
SB
SB
AUXO1
GND
DEO
SB
ME
AUXIO1
AUXIO8
AUXIO9
AUXIO8
SB
AUXO2
AUXIO5
SB
AUXIO6
DI
RXD2
MI2
AUXIO9
GN
9796

NX-800 NX-800
BLOCK DIAGRAMBLOCK DIAGRAM
CN403
E41-0927-05
2
1
CN405
F401
F53-0328-05
X501
32.768kHz
L77-1802-05
J701
E11-0425-05
R780
100k
R781
100k
R567
150
C544
100p
D408
1SS301F
GND
DCin
(13.6V) +B
DCDC
Converter
IC405
XC6204B332P1
50M
3.3V AVR
IC402
33M
XC6205B152PRN
IC409
1.5V AVR 15M
DC SW
Q404
2SJ645
SB
SBC_2
8V AVR 80C
DC SW
TXC
80T
Q407
12A02CH
DC SW
RXC
80R
12A02CH
Q408
50C
IC404
5V AVR
TA7805FQ
DC SW
RXC
50R
12A02CH
Q409
TK71733S
IC406
3.3V AVR 33C
XC6204B332M
3.3V AVR 33GPS
IC407
DCDC
Converter
IC410
XC9101D09AKR
150C
SSM6L05FU
50IF
Q416
IFC
DC SW
CN401
CN402
/IGN
Detect
Protect
02DZ18F-X,Y
D401
DTC114EE
Q401
SBC_2
SBC
/BINT
2SA1955A-F
Q405
DC SW
/BINT
SCTAM1
2SA1955A-F
Q411
DC SW
/RST
33BU
RESET /RST
DSP
IC502
IC501
FLASH ROM
IC503
SRAM
33M 15M
33M 15M
(for production)
CN549
SCTAM1 33M
/MCCSRCN,/MCCSXCN,MCDOCN.MCDICN
/MCCSAF,MCDOAF,MCDIAF
/SYMTIM,FSDET,/DWUP,/DINT
MCSCKAF
VCTCXO
X502
L77-3015-05
18.432MHz
IC508
SM5023CNDH-G
BUFF
Main_CLK
BSHIFT
Main_CLK
Main_CLK
A[0-20],D[0-15],/RD./WR
/CS0,/CS2,/CS3,/HRDY,/WP
/FRST,/DRST,/HINT,/HDS2
33M
33BU
/PCS
/PCS_RF
HD2
/RST
RV5C386A
IC504
RTC
/RINT
32K
I2CCK.I2CDT
26pin Option Board
CN595
POW
5V_1
26P_RD
26P_TD
OPT10
OPT9
DTI
AO
AI
RXEO
RXEI
TXO
TXI
OPT[1-8]
OPT11
Display UNIT
CN597
SCRXD
TXD1
RXD1
IC511
TC7SH08FU-F
IC512
TC7SET08FU-F
SCTXD
80C
50C
SB
/PRST
PBSHIFT
AFO
ME
MI1
/PSW
SPO
I/O Expander AUXIO[1-9]
AUXO1
AUXO2
50C
BUFF
IC513
TXD2
TC7SET08FU-F
TXD2
MI2
ME
25P_TXD2
DI
DEO
AFO
BER_CLK
BER_DATA
PA
HOR
G_RXD2
RXD2
RXD2
D506,D507
1SS416
IC518
ADM202EARNZ
RS-232C Driver
TXD0
RXD0
RTS0
CTS0
50MC
IC516
LEVEL SHIFT
TC7WH126FU-F
50MC
50MC
CTS0
RXD0
LEVEL SHIFT
TC7WT126FU-F
50MC
IC515
/INT25P
I2CCK
I2CDT
I2CCK
I2CDT
TXD0
RTS0
LPF
IC702(2/2)
TC75W51FK(F)
MOD TC75W51FK(F)
LPF
IC702(1/2) IC709(1/2)
TC75W51FK(F)
SUM
IC712(6/8)
M62364FP-F
DAC DI
DAC
M62364FP-F
IC712(1/8)
TCXO_MOD
IC712(2/8)
DAC
M62364FP-F
VCO_MOD
MICTC75W51FK(F)
LPF
IC706(1/2) TC75W51FK(F)
IC706(2/2)
SUM
DTI
TXI
/SCSW
TXO
IC708
TC7W53FK(F)
IC709(2/2)
TC75W51FK(F)
SUM
LIMIT
D704,705 RD706F-40
Q704 2SC4738(GR)F
Q705 2SA1832(GR)F
AI
TONE
MUTE
MUTE
Q706
2SJ243-A
Q707
2SJ243-A
MM
MM2
MI2
MI1
RXAF
TC75S51FE(F)
LPF
IC701 IC707
TC7W53FK(F)
/SCSW
AMT
RXEO RXEI
SUM
TC75W51FK(F)
IC711(2/2)
TC7W53FK(F)
IC710
STSW
BEEP
OPT9
TONE
AI
IC713
TC7W53FK(F)
OPT6
AO
IC712(5/8)
DAC
M62364FP-F
AMP
SPI
Ext SP JACK
SPO
SB
SB
50C
6pin Option Connector
TC75W51FK(F)
IC711(1/2)
BUFF
VREF
33A
BUFF
450k
IF_DET
IC704
MCP6021-E/0T
I2CCK
I2CDT
TEMP
SENSOR
IC1
LM73CIMKX-0
33C
X1
19.2MHz
L77-3016-05
VCTCXO
ASQAPC
IC703(1/2)
LPF
TC75W51FK(F)
APC
TC75W51FK(F)
LPF
IC703(2/2)
DAC
M62364FP-F
IC712(8/8)
DEO
OPT10SEL
IC2
LMC7101BIM5
BUFF
TCXO_MOD
33C
Q11
BUFF
2SK1215-E(E)
PLL
IC3
3
SCK1,SDO1,/PCS_RF
PLD
Q203
2SC5636
33C 50C
LOOP
FILTER
TC75W51FK(F)
IC5(1/2)
CV
VCO
Q5,Q6
2SK508NV(K52)
FILTER
Ripple
50C
T/R SW
/T_R
2SC5636
BUFF
Q9
FILTER
150C
Ripple
Q4
2SC5383-T1112SC5383-T111
Q1
IC4
BUFF
LMC7101BIM5
ASSIST
IC5(2/2)
TC75W51FK(F)
VCO_MOD
2SC5636
Q3
BUFF
BPF
Fin
50C
2SC5636
BUFF
Q10
T/R
D101,205
SW
PRE-
Q101
AMP
DRIVE
Q102
DRIVE
AMP
IC102
FINAL
AMP
RA30H4452M123
SW
ANT
80T 80T SB
D103
L407CDB
D106
ANT
LPF
APC
APC
MP
/H_L IC101,103
NJM2904V-ZB
80T
PWR
DET
D108,109,110
HSM88AS-E
IC712(7/8)
M62364FP-F
DAC
BPF
LMC7101BIM5
IC206
BUFF
150C
IC712(3/8)
M62364FP-F
IC705(2/2)
TC75W51FK(F)
DAC TV1
LNA
80R
Q210
2SC3357-A
BPF
BUFF
DAC
M62364FP-F
LMC7101BIM5
TV2
150C
IC205
IC712(4/8)
1st
MIXER
2SC5636
BUFF
Q208
IC204
SPM5001
L210,212,215
L39-1498-05
XF202
AMP
IF
Q205Q204
AMP
IF
IF IC
IC202
TK10931VTL-G
50C
50R 50R 50R
2nd Local
IC203(1/2)
TC75W51FK(F)
TC75W51FK(F)
IC203(2/2)
VAGC
RSSI
D202
SW
Q202 DTC144EE
33C
W_/N
SW
CF
CF201
D201
Q201 DTA114EE
SW
CF
CF202
(Wide)
(Narrow)
IC201
BUFF
MCP6021-E/0T
CF203
50R
33A
SW
OPT10
50C
50R
33BU
BPF
50R
IC715
LA4425A
IC514
TC7WBD125AFK
LEVEL SHIFT
IC517
CN705
SB
G_RXD2
CN556
CN557
25P_TXD2
OPT10SEL,/EVCS,SCK0,SDO0
TXD[0-3],IFC,TXC,RXC,SBC
TONESW,AMT,STSW,BEEP,TONE,/PRST
/OVRB,/IGN,/PSW,/BINT
MM,MM2,INAMT,/SCSW,RTS0,PBSHIFT
/INT25P
CTS0,RXD[0-3]
VAGC,PLD,MPL,BLVL
SCK1,SDO1
RFAGC,ASSIST,DSW
/T_R,W_/N,W_/V,/H_L
CV,THP,RSSI,ASQDET
SCBSY
SCBSY
SCTXD
SCRXD
BER_CLK BUFF
BER_DATA
/BER_EN
TC7WT125FUF
IC509
/RST
/EVCS,SCK0,SDO0
/EVCS,SCK0,SDO0
/EVCS,SCK0,SDO0
/EVCS,SCK0,SDO0
/EVCS,SCK0,SDO0
MCF
LPF
/EVCS,SCK0,SDO0
MUTE
INAMT
DTC363EU
Q710
/EVCS,SCK0,SDO0
/EVCS,SCK0,SDO0
D212,213
1SV286F1SV286F
D207,208
D209,210
Buck UP Battery
XC6108C23CMN
IC401
Q403
DTC114TE
XC6109C29ANLN
IC506
IC403
IC505
TC7SH08FU-F
BCLKR0
MCSCKCN
BCLKX0
CPU
IC510
XC6204B332P1
33A
XC6204B332M
IC408
3.3V AVR
DC SWSBC_2
SSM6L05FU
33A2
SBC_2
33M
2SA1955A-F
Q412
50MCDC SW
15M1.5V AVR
Q416
IC409
XC6205B152PRN
NJM78M08FA-ZB
L79-1850-05
CD201
EMD9
Q212
W_/N
SW CD
DAN235E DAN235E 2SC3356(R23) 2SC3356(R23)
ASQDET
BUFF
D703
RB706-402SC5383-T111
DET
SW
AMP
Q702
BPF
IC705(1/2)
TC75W51FK(F)
SSM3K15TE(F)
Q701
2SA1832(GR)F
Q708
Q709
DTC114EE
VREF
Q12 2SJ347F
Q11 SSM6L05FU
HVC131
2SC5455-A2SC5108(Y)F
DET
THP
THP2
TEMP
L7091CER
D911 D912
D907 D908
02DZ18F-X,Y
1SS355
QSX6
PROTECT
PROTECT
IMVERTER
Q901,Q902
VOLTEGE
D910,914
D905
02DZ18F-X,Y
D906
D-SUB UNIT
02DZ18F-X,Y
CN600-CN901
PROTECT
D909,913
SURGE
VOLTEGE
PROTECT
VOLTEGE
D901 D904
9998

NX-800 NX-800
LEVEL DIAGRAMLEVEL DIAGRAM
5.2mVrms
E1 K1
IC510
(ASIC)
MIC
–118dBm –120.5dBm –114.5dBm
0dBm W:-85.5dBm
N:-83.0dBm
W:-92.0dBm
N:-93.0dBm
0dBm
–112.5dBm –121.5dBm –118.0dBm
BPF
D212,D213
BPF
BPF
CF
RX VCO
D207~D210
ANT
4Ω
Radio Frequency 58.05MHz 450kHz Audio Frequency
SG input level for 12dB SINAD are obtained Measured by
connecting SG to each point via a 0.01µF capacitor. AF VTVM
AF level obtained when the AF output level is adjusted for 4.00V/4Ω
with the front panel AF VOL control. Measured with AF voltmeter
connected to the external speaker jack, receiving a –53dBm SSG
signal modulated at 1kHz, DEV. WIDE 3kHz (NARROW 1.5kHz).
MIC input : 3kHz DEV. (Wide), 1.5kHz DEV. (Narrow) at 1kHz MOD.
Transmitting frequency : Center frequency
RF AMP
Q210
Buff AMP
Q208
Buff AMP
Q10
Buff AMP
Q9
MCF
XF202 IF AMP
Q205
–104dBm –72.0dBm
IF AMP
Q204
–82.0dBm –82.0dBm 186mVrms
34
IC701
(RXAF SMF)
226mVrms
67
IC711
(RX SUM)
226mVrms
13 14
IC712
(EVOL)
VOL=20
96mVrms
14
IC715
(SP AMP)
67
IC709
(MIC SUM1)
4.0mVrms
61
IC706
(MIC SUM2)
48.2mVrms
K2 K3
IC510
(ASIC)
69.2mVrms
61
IC702
(MOD SMF)
W:244mVrms
N:122mVrms
W:244mVrms
N:122mVrms
W:354mVrms
N:177mVrms
W:198mVrms
N:99mVrms
W:198mVrms
N:99mVrms
21
IC709
(MOD SUM)
13
IC712
(EVOL)
DEV, BAL
67
IC5
(VCO_MOD) (TX VCO)
Q6
J701
4.00Vrms
IF AMP
IC201
CF201
CF202
CF
CF203
FM SYSTEM IC
IC202
1st MIX DBM
IC204
TX VCO
VCTCXO
19.2MHz
-2.5dBm +17.5dBm
Drive AMP
Q10
Buff AMP
Q9
Drive AMP
Q101
Drive AMP
Q102
Final AMP
IC102
30W6.5dBm
MOD
MB DC
AMP
DC
AMP
PC
MP
SW ANT Filter
D103,D106,
D216
DET
D108
ANT
Gate
bias
IC101 IC103
DET
D109
DET
D110
101100