Kenwood DNX_DDX7_insta_K_En_r1 If Not Then Manuals\dnx7120 Install
User Manual: Kenwood If not then Manual: ://inform3.kenwoodusa.com/manuals%5Cdnx7120_Install
Open the PDF directly: View PDF
.
Page Count: 32

© B54-4653-00/00 (KW/RW)
DNX7120
DDX712
DDX7032
GPS NAVIGATION SYSTEM
MONITOR WITH DVD RECEIVER
INSTALLATION MANUAL
SYSTÈME DE NAVIGATION GPS
MONITEUR AVEC RÉCEPTEUR DVD
MANUEL D’INSTALLATION
SISTEMA DE NAVEGACIÓN GPS
MONITOR CON RECEPTOR DVD
MANUAL DE INSTALACIÓN
DNX_DDX7_insta_K_En_r1.indd Sec1:iDNX_DDX7_insta_K_En_r1.indd Sec1:i 08.1.31 1:34:39 PM08.1.31 1:34:39 PM

2 | DNX7120/DDX712/DDX7032
1
..........1
2
..........1
3
..........1
4
..........1
5
..........1
6
..........2
7
..........1
8
..........1
9
..........6
0
..........6
!
..........1
@
DNX7120 only ..........1
#
DNX7120 only..........1
$
DNX7120 only..........1
Accessories
DNX_DDX7_insta_K_En_r1.indd 2DNX_DDX7_insta_K_En_r1.indd 2 08.1.31 1:34:39 PM08.1.31 1:34:39 PM

English | 3
Installation Procedure
1. To prevent a short circuit, remove the key from the
ignition and disconnect the - battery.
2. Make the proper input and output wire
connections for each unit.
3. Connect the speaker wires of the wiring harness.
4. Connect the wiring harness wires in the following
order: ground, battery, ignition.
5. Connect the wiring harness connector to the unit.
6. Install the unit in your car.
7. Reconnect the - battery.
8. Press the reset button.
2WARNING
• If you connect the ignition wire (red) and the battery wire
(yellow) to the car chassis (ground), you may cause a short
circuit, that in turn may start a fire. Always connect those
wires to the power source running through the fuse box.
Acquiring GPS Signals
The first time you turn on the DNX7120, you must
wait while the system acquires satellite signals for
the first time. This process could take up to several
minutes. Make sure your vehicle is outdoors in an
open area away from tall buildings and trees for
fastest acquisition. After the system acquires satellites
for the first time, it will acquire satellites quickly each
time thereafter.
¤
• Mounting and wiring this product requires skills and
experience. For safety’s sake, leave the mounting and wiring
work to professionals.
• Make sure to ground the unit to a negative 12V DC power
supply.
• Do not install the unit in a spot exposed to direct sunlight
or excessive heat or humidity. Also avoid places with too
much dust or the possibility of water splashing.
• Do not use your own screws. Use only the screws provided.
If you use the wrong screws, you could damage the unit.
• If the power is not turned ON (“PROTECT” is displayed),
the speaker wire may have a short-circuit or touched the
chassis of the vehicle and the protection function may
have been activated. Therefore, the speaker wire should be
checked.
• Make sure that all wire connections are securely made by
inserting jacks until they lock completely.
• If your vehicle’s ignition does not have an ACC position, or
if the ignition wire is connected to a power source with
constant voltage such as a battery wire, the power will not
be linked with the ignition (i.e., it will not turn on and off
along with the ignition). If you want to link the unit’s power
with the ignition, connect the ignition wire to a power
source that can be turned on and off with the ignition key.
• Use a commercially available conversion connector if the
connector does not fit in the vehicle connector.
• Insulate unconnected wires with vinyl tape or other similar
material. To prevent a short circuit, do not remove the caps
on the ends of the unconnected wires or the terminals.
• If the console has a lid, make sure to install the unit so that
the faceplate will not hit the lid when closing and opening.
• If the fuse blows, first make sure the wires aren’t touching
to cause a short circuit, then replace the old fuse with one
with the same rating.
• Connect the speaker wires correctly to the terminals to
which they correspond. The unit may be damaged or fail to
work if you share the - wires or ground them to any metal
part in the car.
• After the unit is installed, check whether the brake lamps,
blinkers, wipers, etc. on the car are working properly.
• Mount the unit so that the mounting angle is 30° or less.
• This unit has the cooling fan (page 5) to decrease the
internal temperature. Do not mount the unit in a place
where the cooling fan of the unit are blocked. Blocking
these openings will inhibit the cooling of the internal
temperature and result in malfunction.
• Do not press hard on the panel surface when installing the
unit to the vehicle. Otherwise scars, damage, or failure may
result.
DNX_DDX7_insta_K_En_r1.indd 3DNX_DDX7_insta_K_En_r1.indd 3 08.1.31 1:34:41 PM08.1.31 1:34:41 PM

4 | DNX7120/DDX712/DDX7032
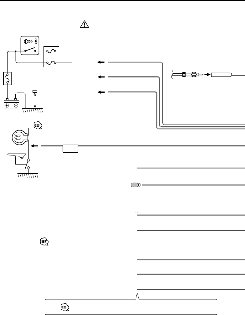
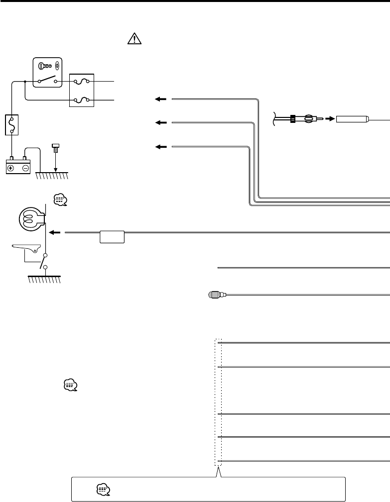
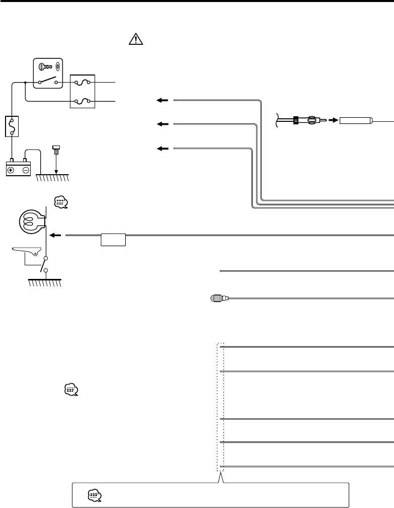
Connection
B
C
PRK SW
B
C
A
A
If you connect the ignition wire (red) and the battery
wire (yellow) to the car chassis (ground), you may
cause a short circuit, that in turn may start a fire. Always
connect those wires to the power source running
through the fuse box.
Antenna Cord FM/AM
antenna input
For the sake of safety, be sure to connect the parking sensor.
Parking sensor wire (Light Green)
Connect to the vehicle's parking brake
detection switch harness using the
supplied relay connector.
Battery wire (Yellow)
Ground wire (Black) -
(To car chassis)
Ignition wire (Red)
Steering remote control input (Light Blue/Yellow)
If no connections are made, do not let the cable come out from the tab.
Connect to the terminal that is grounded when either
the telephone rings or during conversation.
Mute wire (Brown)
Depending on what antenna you are using,
connect either to the control terminal of the motor antenna, or to the
power terminal for the booster amplifier of the film-type antenna.
Motor antenna control wire (Blue)
When using the optional power amplifier,
connect to its power control terminal.
Power control wire (Blue/White)
To "EXT.AMP.CONT." terminal of the amplifier
having the external amp control function.
External amplifier control wire (Pink/Black)
To car light control switch Dimmer control wire (Orange/White)
Reveres sensor wire (Purple/White)
Connect to vehicle's reverse lamp harness
when using the optional rear view camera.
Ignition key
switch
ACC
Car fuse box
(Main fuse)
Battery
Car fuse box
To connect the Kenwood navigation system,
consult your navigation manual.
To steering remote
To use the steering wheel remote control feature,
you need to an exclusive remote adapter (not
supplied) matches your car is required.
When this terminal is not in use, leave its cap on.
DNX_DDX7_insta_K_En_r1.indd 4DNX_DDX7_insta_K_En_r1.indd 4 08.1.31 1:34:42 PM08.1.31 1:34:42 PM

English | 5
ANT. CONT
P CONT
EXT.CONT
REVERSE
MUTE
REMO.CONT
+
+
+
+
ILLUMI
To front left speaker
To front right speaker
To rear left speaker
To rear right speaker
White/Black
White
Gray/Black
Gray
Green/Black
Green
Purple
Purple/Black
Accessory 1
Cooling fan
Rear view
FUSE (15A)
Accessory @ (GPS Antenna )
(DNX7120 only) (see page 8)
DNX_DDX7_insta_K_En_r1.indd 5DNX_DDX7_insta_K_En_r1.indd 5 08.1.31 1:34:42 PM08.1.31 1:34:42 PM

6 | DNX7120/DDX712/DDX7032
System Connection
CAMERA
REAR VIEW AV IN1
FRONT
REAR
WOOFER
SUB
RELAY 2
RELAY 1 AV OUT
■ Front Preout
• Audio left output (White)
• Audio right output (Red)
■ Rear Preout
• Audio left output (White)
• Audio right output (Red)
■ Subwoofer Preout
• Audio left output (White)
• Audio right output (Red)
■ Rear View Camera Input
• Video input (Yellow)
■ Audio/Video Input1
• Video input (Yellow)
• Audio left input (White)
• Audio right input (Red)
■ Audio/Video Output
• Video output (Yellow)
• Audio left output (White)
• Audio right output (Red)
To Relay Box
Accessory
2
USB terminal USB device
(commercially available)
■ Video Input2
Resistance-free mini plug(3.5φ)
■ Audio Input2
Resistance-free stereo type mini plug(3.5φ)
Accessory
3
Accessory 4
Do not connect.
DNX_DDX7_insta_K_En_r1.indd 6DNX_DDX7_insta_K_En_r1.indd 6 08.1.31 1:34:43 PM08.1.31 1:34:43 PM

English | 7
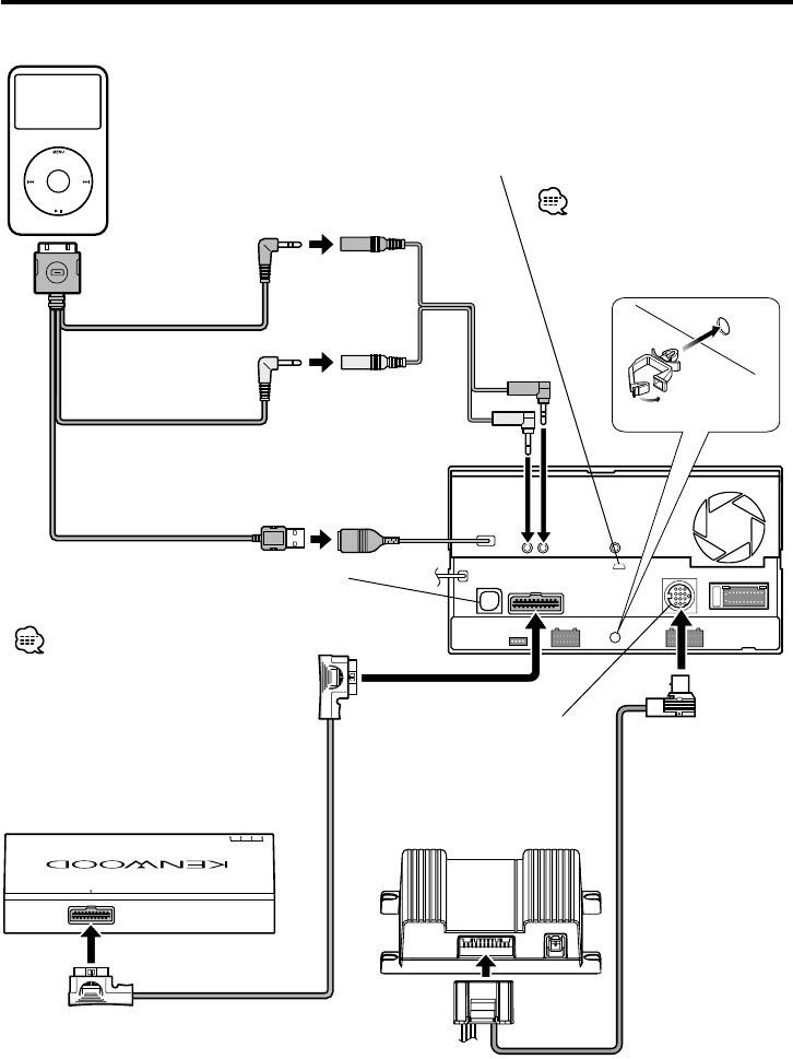
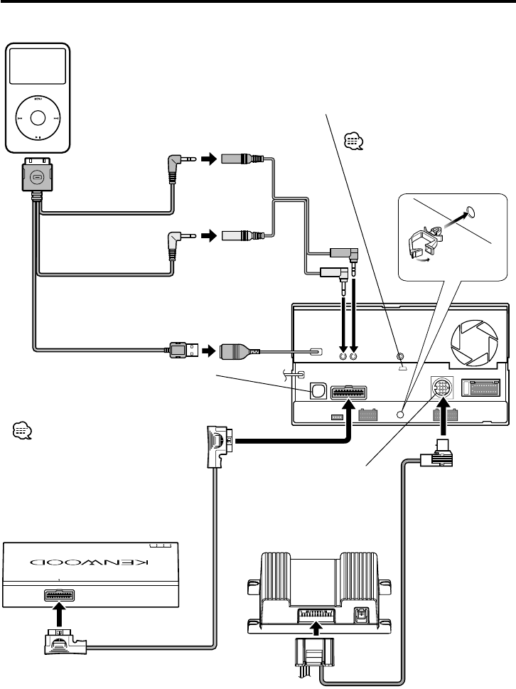
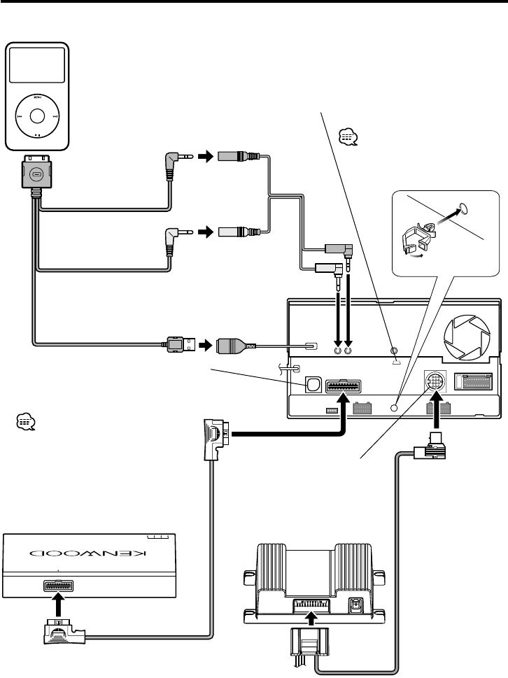
Optional Accessory Connection
TV ANTENNA INPUT
TO MONITOR UNIT
KCA-iP300V
(Optional Accessory)
iPod
(commercially available)
TV Tuner
(Optional Accessory)
Connection cable
(Included in the TV tuner)
Audio Output (Black)
Video Input
Video Output (Yellow)
Audio Input
USB terminal
USB terminal
Navigation System
(Optional Accessory)
Connection cable
(Included in the Navigation System)
Accessory 5
Navigation System Input
(DDX712/DDX7032 only)
To SIRIUS Satellite Radio tuner/ XM Satellite
Radio tuner/ HD Radio tuner/KCA-BT200
(Optional Accessory)
Conversion adapter (Optional Accessory)
may be necessary for connection of
Optional Accessory.
Contact your Kenwood dealer for details.
When connecting the XM Tuner
GXM30 (optional accessory) or TMC
Tuner GTM10 (optional accessory),
put the cable clamper (accessory
$) to the back of this unit first, and
then wire the cable through the
clamper.
Accessory $
To GXM30/ GTM10
DNX_DDX7_insta_K_En_r1.indd 7DNX_DDX7_insta_K_En_r1.indd 7 08.1.31 1:34:43 PM08.1.31 1:34:43 PM

8 | DNX7120/DDX712/DDX7032
Installing the Escutcheon
For General Motors
1. Cut out accessory 7 to meet the shape of the
opening of the center console.
2. Attach accessory 7 to the unit.
For Volkswagen
1. Attach accessory ! to the unit.
Accessory 7
Cut out to meet the shape of
the opening in the vehicle.
Accessory !
Installing the GPS Antenna
(DNX7120 only)
GPS antenna is installed inside of the car. It should
be installed as horizontally as possible to allow easy
reception of the GPS satellite signals.
To mount the GPS antenna inside your vehicle:
1. Clean your dashboard or other surface.
2. Peel the backing off of the adhesive on the bottom
of the metal plate (Accessory #).
3. Press the metal plate (Accessory #) down firmly on
your dashboard or other mounting surface. You can
bend the metal plate (Accessory #) to conform to
a curved surface, if necessary.
4. Place the GPS antenna (Accessory @) on top of the
metal plate (Accessory #).
Accessory @
Accessory #
¤
• Depending on the type of car, reception of the GPS satellite
signals might not be possible with an inside installation.
• The GPS antenna should be installed at a position that is
spaced at least 12 inch (30 cm) from cellular phone or other
transmitting antennas. Signals from the GPS satellite may be
interfered with by these types of communication.
• Painting the GPS antenna with (metallic) paint may cause a
drop in performance.
DNX_DDX7_insta_K_En_r1.indd 8DNX_DDX7_insta_K_En_r1.indd 8 08.1.31 1:34:44 PM08.1.31 1:34:44 PM

English | 9
For Toyota/Scion
1. Cut out accessory 7 as illustrated.
2. Fold double-sided adhesive (accessory
8) along the slit and attach it to
accessory 7 cut-out against the
center rib as illustrated. Use 2 pieces
of accessory 8 for 1 accessory 7 cut-
out.
3. Attach accessory 7 cut-out to the unit.
Cutting line
Accessory 7
Accessory 8
DNX_DDX7_insta_K_En_r1.indd 9DNX_DDX7_insta_K_En_r1.indd 9 08.1.31 1:34:44 PM08.1.31 1:34:44 PM

10 | DNX7120/DDX712/DDX7032
Installation for Monitor/Player Unit
Bend the tabs of the mounting
sleeve with a screwdriver or similar
utensil and attach it in place.
Metal mounting strap
(commercially available)
Self-tapping screw
(commercially available)
Screw (M4X8)
(commercially available)
Make sure that the unit is installed securely in place. If the unit is unstable,
it may malfunction (eg, the sound may skip).
Firewall or metal support
Installation on Toyota, Nissan or Mitsubishi Car using Brackets
Car Bracket
Accessory 9 (M5x6mm)
or Accessory 0 (M5x7mm)
Accessory 9 (M5x6mm)
or Accessory 0 (M5x7mm)
DNX_DDX7_insta_K_En_r1.indd 10DNX_DDX7_insta_K_En_r1.indd 10 08.1.31 1:34:45 PM08.1.31 1:34:45 PM

English | 11
Removing the Hard Rubber Frame
(escutcheon)
1. Engage the catch pins on the removal tool 6 and
remove the two locks on the lower level.
Lower the frame and pull it forward as shown in
the figure.
Accessory 6
Lock
Catch
⁄
• The frame can be removed from the top side in the same
manner.
2. When the lower level is removed, remove the
upper two locations.
Removing the Unit
1. Remove the hard rubber frame by referring to the
removal procedure in the section <Removing the
Hard Rubber Frame>.
2. Remove the Hex-head screw with integral washer
(M4 × 8) on the back panel.
3. Insert the two removal tools 6 deeply into the
slots on each side, as shown.
Accessory 6
4. Lower the removal tool toward the bottom, and
pull out the unit halfway while pressing towards
the inside.
⁄
• Be careful to avoid injury from the catch pins on the
removal tool.
5. Pull the unit all the way out with your hands, being
careful not to drop it.
Removing Monitor/Player Unit
DNX_DDX7_insta_K_En_r1.indd 11DNX_DDX7_insta_K_En_r1.indd 11 08.1.31 1:34:45 PM08.1.31 1:34:45 PM

12 | DNX7120/DDX712/DDX7032
1
..........1
2
..........1
3
..........1
4
..........1
5
..........1
6
..........2
7
..........1
8
..........1
9
..........6
0
..........6
!
..........1
@
DNX7120 seulement
..........1
#
DNX7120 seulement
..........1
$
DNX7120 seulement
..........1
Accessoires
DNX_DDX7_insta_K.indb 12DNX_DDX7_insta_K.indb 12 08.1.30 2:52:32 PM08.1.30 2:52:32 PM

Français | 13
Procédure d’installation
1. Pour éviter un court-circuit, retirez la clé du contact
et débranchez la batterie -.
2. Effectuez correctement les connexions d'entrée et
sortie de chaque appareil.
3. Connectez les câbles d'enceinte du câblage de
distribution électrique.
4. Raccordez les câbles du câblage de distribution
électrique dans l'ordre suivant : masse, batterie,
allumage.
5. Connectez le connecteur du câblage de
distribution électrique à l’appareil.
6. Installez l’appareil dans votre voiture.
7. Rebranchez la batterie -.
8. Appuyez sur la touche de réinitialisation.
2ATTENTION
• Si vous connectez le câble d’allumage (rouge) et le câble
de batterie (jaune) au châssis de la voiture (masse), vous
risquez de causer un court-circuit qui peut provoquer
un incendie. Connectez toujours ces câbles à la source
d’alimentation de la boîte à fusible.
Acquisition des signaux GPS
Lors de la mise sous tension initiale du DNX7120, vous
devez attendre que le système acquière des signaux
satellites pour la première fois. Cette procédure peut
durer plusieurs minutes. Veillez à ce que le véhicule se
trouve à l'extérieur dans un espace ouvert et loin de
grands immeubles et d'arbres pour que l'acquisition
s'effectue plus rapidement. Une fois les signaux
satellites acquis pour la première fois, le système
trouvera ces signaux plus rapidement par la suite.
¤
• Le montage et le câblage de cette unité requiert un
savoir faire et de l'expérience. Dans l'intérêt de la sécurité,
veuillez laisser le travail de montage et de câblage aux
professionnels.
• Assurez-vous de mettre l’appareil à la masse sur une
alimentation négative de 12V CC.
• N’installez pas l’appareil dans un endroit exposé
directement à la lumière du soleil, à une chaleur excessive
ou à l’humidité. Évitez aussi les endroits trop poussiéreux ou
le potentiel d’éclaboussures d’eau.
• N'utilisez pas vos propres vis. Utilisez uniquement les vis
fournies. Si vous utilisez les mauvaises vis, vous risquez
d'endommager l'appareil.
• Si l'alimentation n'est pas activée ("PROTECT" est affiché),
il peut que le câble d'enceinte présente un court-circuit
ou ait touché le châssis du véhicule et que la fonction de
protection ait été activée. Il convient par conséquent de
vérifier le câble d'enceintes.
• Assurez-vous que toutes les connexions de câble sont faites
correctement en insérant les fiches jusqu’à ce qu’elles soient
verrouillées.
• Si l’allumage de votre véhicule n’a pas de position ACC,
ou si le câble d’allumage est connecté à une source
d’alimentation à tension constante comme un câble de
batterie, l’alimentation de l’appareil ne sera pas reliée à
l’allumage (c. à d., il ne se mettra pas sous et hors tension en
même temps que l’allumage). Si vous souhaitez connecter
l’alimentation de l’appareil avec l’allumage, connectez le
câble d’allumage à une source d’alimentation qui peut être
mise sous et hors tension avec la clef de contact.
• Utilisez un connecteur de conversion disponible dans le
commerce si le connecteur n'est pas adapté à celui du
véhicule.
• Isolez les câbles non connectés avec un ruban adhésif en
vinyle ou autre matériel similaire. Pour éviter un court-
circuit, n'enlevez pas les capuchons au bout des câbles ou
des bornes non connectés.
• Si la console a un couvercle, assurez-vous d’installer l’unité
de manière à ce que la façade ne touche pas le couvercle
lors de l’ouverture et de la fermeture.
• Si le fusible saute, assurez-vous d'abord que les câbles ne
se touchent pas de façon à entrer en court-circuit, puis
remplacez le vieux fusible par un autre fusible de même
capacité nominale.
• Raccordez bien les câbles d'enceinte aux bornes
correspondantes. L'unité risque d'être endommagée ou de
ne pas fonctionner si vous mettez les câbles - à la masse
ou les unissez à une partie métallique quelconque de la
voiture.
• Après avoir installé l’appareil, vérifiez si les feux de
freinage, les indicateurs, les clignotants, etc. de la voiture
fonctionnent correctement.
• Montez l’unité de façon à ce que l’angle de montage soit
de 30° ou moins.
• Cette unité possède un ventilateur de refroidissement
(page 15) pour faire baisser la température interne. Ne pas
monter cette unité à un endroit où le ventilateur serait
obstrué. Toute obstruction de ces ouvertures empêcherait
le refroidissement de la température interne et provoquerait
une panne.
• N'appuyez pas frot sur la surface du tableau lors de
l'installation de l'appareil dans le véhicule. Vous risqueriez
d'entraîner l'apparition d'égratignures, des dommages ou
un dysfonctionnement.
DNX_DDX7_insta_K.indb 13DNX_DDX7_insta_K.indb 13 08.1.30 2:52:34 PM08.1.30 2:52:34 PM

14 | DNX7120/DDX712/DDX7032
Connexion
B
C
PRK SW
B
C
A
A
Si vous connectez le câble d’allumage (rouge) et
le câble de batterie (jaune) au châssis de la voiture
(masse), vous risquez de causer un court-circuit qui peut
provoquer un incendie. Connectez toujours ces câbles à
la source d’alimentation de la boîte à fusible.
Câble d'antenne Entrée de
l’antenne AM/FM
Par mesure de sécurité, connecter le câble du détecteur de stationnement.
Câble du capteur de stationnement (Vert clair)
Connectez à la distribution électrique de
commutateur de détection de frein à main du
véhicule à l’aide du connecteur de relais fourni.
Câble de batterie (Jaune)
Câble de masse (Noir) -
(Vers le châssis du véhicule)
Câble d’allumage (Rouge)
Entrée de télécommande de direction
(Bleu clair/Jaune)
Si aucune connexion n'est faite, ne laissez pas le câble sortir à l'extérieur.
Connectez à une prise qui est à la masse soit quand le
téléphone sonne soit pendant une conversation.
Câble de sourdine (Brun)
En fonction de l'antenne que vous utilisez,
connectez-vous soit à la borne de commande de l'antenne à moteur, soit
à la borne d'alimentation de l'amplificateur booster de l'antenne type-film.
Câble de commande de l'antenne à moteur (Bleu)
Lorsque vous utilisez l'amplificateur de puissance optionnel,
connectez-vous à sa borne de commande de l'alimentation.
Câble de commande de l'alimentation (Bleu/Blanc)
Vers le terminal "EXT.AMP.CONT." de l’amplificateur
ayant la fonction de contrôle de l’amp. extérieur.
Câble de commande de l’amplificateur externe
(Rose/Noir)
Vers l'interrupteur de commande d'éclairage de la voiture Câble de commande du gradateur (Orange/Blanc)
Câble de capteur de marche arrière (Violet/Blanc)
Connectez au faisceau des feux arrières du
véhicule lors de l'utilisation de la caméra de vue
arrière en option.
Contact
ACC
Boîte à fusible
de la voiture
(Fusible principal)
Batterie
Boîte à fusible
de la voiture
Pour connecter le système de navigation
Kenwood, consultez le manuel du système
de navigation.
Vers la télécommande de direction
Pour utiliser la fonction de télécommande de direction,
vous avez besoin d'un adaptateur de télécommande
spécial (non fourni) qui correspond à votre véhicule.
Lorsque cette borne n'est pas utilisée, laissez son
capuchon en place.
DNX_DDX7_insta_K.indb 14DNX_DDX7_insta_K.indb 14 08.1.30 2:52:35 PM08.1.30 2:52:35 PM

Français | 15
ANT. CONT
P CONT
EXT.CONT
REVERSE
MUTE
REMO.CONT
+
+
+
+
ILLUMI
Vers l'enceinte gauche
avant
Vers l'enceinte droite
avant
Vers l'enceinte gauche
arrière
Vers l'enceinte droite
arrière
Blanc/Noir
Blanc
Gris/Noir
Gris
Vert/Noir
Vert
Violet
Violet/Noir
Accessoire 1
Ventilateur de refroidissement
Vue arrière
FUSIBLE (15A)
Accessoire @ (antenne GPS)
(DNX7120 seulement) (voyez la page 18)
DNX_DDX7_insta_K.indb 15DNX_DDX7_insta_K.indb 15 08.1.30 2:52:36 PM08.1.30 2:52:36 PM

16 | DNX7120/DDX712/DDX7032
Connexion du système
CAMERA
REAR VIEW AV IN1
FRONT
REAR
WOOFER
SUB
RELAY 2
RELAY 1 AV OUT
■ Pré-sortie avant
• Sortie audio gauche (Blanc)
• Sortie audio droite (Rouge)
■ Pré-sortie arrière
• Sortie audio gauche (Blanc)
• Sortie audio droite (Rouge)
■ Pré-sortie du Subwoofer
• Sortie audio gauche (Blanc)
• Sortie audio droite (Rouge)
■ Entrée de caméra de marche
arrière
• Entrée vidéo (Jaune)
■ Entrée audio/vidéo 1
• Entrée vidéo (Jaune)
• Entrée audio gauche (Blanc)
• Entrée audio droite (Rouge)
■ Sortie audio/vidéo
• Sortie vidéo (Jaune)
• Sortie audio gauche (Blanc)
• Sortie audio droite (Rouge)
Vers la boîte-relais
Accessoire 2
Borne USB Périphérique USB
(disponibles dans le commerce)
■ Entrée vidéo 2
Mini-prise sans résistance (3,5φ)
■ Entrée audio 2
Mini-prise sans résistance de type stéréo(3,5φ)
Accessoire
3
Accessoire 4
Ne pas connecter.
DNX_DDX7_insta_K.indb 16DNX_DDX7_insta_K.indb 16 08.1.30 2:52:36 PM08.1.30 2:52:36 PM

Français | 17
Connexion d'accessoires optionnels
TV ANTENNA INPUT
TO MONITOR UNIT
Vers le GXM30/ GTM10
KCA-iP300V
(Accessoire optionnel)
iPod
(disponibles dans le
commerce)
Syntoniseur TV
(Accessoire optionnel)
Câble de connexion
(Compris dans le syntoniseur de TV)
Sortie audio (Noir)
Entrée vidéo
Sortie vidéo (Jaune)
Entrée audio
Borne USB
Borne USB
Système de navigation
(Accessoire optionnel)
Câble de connexion
(Compris dans le système de navigation)
Accessoire 5
Entrée du système de navigation
(DDX712/DDX7032 seulement)
Vers le syntoniseur radio satellite SIRIUS/
le syntoniseur radio satellite XM/le
syntoniseur HD Radio/le KCA-BT200
(accessoire optionnel)
Un adaptateur de conversion (accessoire
optionnel) peut être nécessaire pour la
connexion des accessoires optionnels.
Contactez votre revendeur Kenwood
pour plus de détails.
Au moment de connecter le
syntoniseur direct MSN (accessoire
optionnel), placez d'abord l'attache-
câble (accessoire $) à l'arrière de
cet appareil, puis passez le câble
à travers.
Accessoire $
DNX_DDX7_insta_K.indb 17DNX_DDX7_insta_K.indb 17 08.1.30 2:52:36 PM08.1.30 2:52:36 PM

18 | DNX7120/DDX712/DDX7032
Installation de l'écusson
Pour General Motors
1. Découpez l'accessoire 7 de sorte à obtenir la
forme de l'ouverture de la console centrale.
2. Attachez l'accessoire 7 à l'unité.
Pour Volkswagen
1. Attachez l'accessoire ! à l'unité.
Accessoire 7
Découpez de sorte à
obtenir la forme de
l'ouverture dans le véhicule.
Accessoire !
Installation de l'antenne GPS
(DNX7120 seulement)
L'antenne GPS s'installe à l'intérieur du véhicule. Elle
doit être installée aussi horizontalement que possible
pour faciliter la réception des signaux satellite GPS.
Pour monter l'antenne GPS à l'intérieur du
véhicule:
1. Nettoyez le tableau de bord ou autre surface.
2. Retirez la pellicule recouvrant l'adhésif sur le
dessous de la plaque de métal (accessoire #).
3. Pressez fermement la plaque de métal (accessoire
#) contre le tableau de bord ou toute autre
surface de montage. Vous pouvez plier la plaque de
métal (accessoire #) pour l'adapter à une surface
courbe, s'il y a lieu.
4. Déposez l'antenne GPS (accessoire @) sur la
plaque de métal (accessoire #).
Accessoire @
Accessoire #
¤
• Selon le type de véhicule, la réception des signaux GPS
peut ne pas être possible lorsqu'installé à l'intérieur.
• L'antenne GPS doit être installée à un endroit éloigné d'au
moins 30 cm (12 pouces) de tout téléphone portable ou
autre antenne de transmission. Les signaux du satellite GPS
pourraient être affectés par ces types de communication.
• Le fait de recouvrir l'antenne GPS d'une couche de peinture
(métallisée) peut nuire à sa performance.
DNX_DDX7_insta_K.indb 18DNX_DDX7_insta_K.indb 18 08.1.30 2:52:37 PM08.1.30 2:52:37 PM

Français | 19
Pour Toyota/Scion
1. Découpez l'accessoire 7 comme sur
l'illustration.
2. Pliez le ruban adhésif sur deux faces
(accessoire 8) le long de la fente et
attachez-le à l'accessoire découpé 7
contre la nervure centrale comme
illustré. Utilisez deux morceaux de
l'accessoire 8 pour 1 accessoire
découpé 7.
3. Attachez l'accessoire découpé 7 à
l'unité.
Ligne de découpage
Accessoire 7
Accessoire 8
DNX_DDX7_insta_K.indb 19DNX_DDX7_insta_K.indb 19 08.1.30 2:52:38 PM08.1.30 2:52:38 PM

20 | DNX7120/DDX712/DDX7032
Installation pour unité moniteur/lecteur
Tordez les pattes du manchon de
montage avec un tournevis ou un
outil similaire et fixez-le.
Armature de montage métallique
(disponibles dans le commerce)
Vis taraudeuse
(disponibles dans
le commerce)
Vis (M4X8)
(disponibles dans
le commerce)
Assurez-vous que l’appareil est solidement installé à sa place. Si l’appareil est
instable, il pourrait ne pas bien fonctionner (par ex., le son pourrait sauter).
Tablier ou support
métallique
Installation dans des véhicules Toyota, Nissan ou Mitsubishi avec des supports
Support pour voiture
Accessoire 9 (M5x6mm)
ou Accessoire 0 (M5x7mm)
Accessoire 9 (M5x6mm)
ou Accessoire 0 (M5x7mm)
DNX_DDX7_insta_K.indb 20DNX_DDX7_insta_K.indb 20 08.1.30 2:52:38 PM08.1.30 2:52:38 PM

Français | 21
Pour enlever le cadre en caoutchouc
dur (écusson)
1. Engagez les loquets de l'outil de démontage 6
et enlever les deux crochets situés sur le niveau
inférieur.
Baissez le cadre et tirez-le vers l’avant comme
montré sur l’illustration.
Accessoire 6
Crochet
Loquet
⁄
• Le cadre peut être enlevé de la partie supérieure en
procédant de la même manière.
2. Quand la partie inférieure est retirée, retirez les
deux crochets supérieurs.
Pour enlever l'unité
1. Retirez la protection en plastique rigide en vous
reportant à la marche à suivre de la section <Pour
enlever le cadre en caoutchouc dur>.
2. Retirez la vis à tête hexagonale avec la rondelle
intégrale (M4 × 8) sur le panneau arrière.
3. Insérez les deux outils de démontage 6
profondément dans les fentes de chaque côté
comme indiqué.
Accessoire 6
4. Inclinez les outils de démontage vers le bas et
faites sortir à moitié l'unité en pressant les outils
vers l'intérieur.
⁄
• Veillez à ne pas vous blesser avec les loquets de l'outil de
démontage.
5. Sortez l’appareil entièrement avec les mains, en
faisant attention de ne pas le faire tomber.
Pour enlever l'unité moniteur/lecteur
DNX_DDX7_insta_K.indb 21DNX_DDX7_insta_K.indb 21 08.1.30 2:52:38 PM08.1.30 2:52:38 PM

22 | DNX7120/DDX712/DDX7032
1
..........1
2
..........1
3
..........1
4
..........1
5
..........1
6
..........2
7
..........1
8
..........1
9
..........6
0
..........6
!
..........1
@
DNX7120 solamente
..........1
#
DNX7120 solamente
..........1
$
DNX7120 solamente
..........1
Accesorios
DNX_DDX7_insta_K.indb 22DNX_DDX7_insta_K.indb 22 08.1.30 2:52:39 PM08.1.30 2:52:39 PM

Español | 23
Procedimiento de instalación
1. Para evitar cortocircuitos, retire la llave de
encendido y desconecte la - batería.
2. Realice en forma adecuada las conexiones de
cables de entrada y salida para cada unidad.
3. Conecte los cables del altavoz del mazo de cables.
4. Conecte los cables del mazo en el siguiente orden:
tierra, batería, encendido.
5. Conecte el mazo de cables a la unidad.
6. Instale la unidad en el automóvil.
7. Conecte nuevamente la - batería.
8. Presione el botón de reinicio (reset).
2ADVERTENCIA
• Si conecta el cable de encendido (rojo) y el cable de la
batería (amarillo) al chasis del vehículo (tierra), puede
ocasionar un cortocircuito, que puede provocar un
incendio. Conecte siempre esos cables a la fuente de
alimentación que pasa por la caja de fusibles.
Recepción de señales GPS
La primera vez que active el sistema DNX7120, debe
esperar mientras el sistema recibe las señales del
satélite por primera vez. Este proceso puede durar
varios minutos. Asegúrese de que su vehículo se
encuentre en el exterior en una zona abierta, alejado
de edificios y árboles para una recepción más rápida.
Una vez que el sistema haya recibido la señal del
satélite por primera vez, la recibirá posteriormente de
una forma más rápida.
¤
• El montaje y cableado de este producto requiere
conocimientos y experiencia. Para su seguridad, deje el
trabajo de montaje y cableado a profesionales.
• Asegúrese de utilizar para la unidad una fuente de
alimentación de 12V CC con masa negativa.
• No instale la unidad en un sitio expuesto a la luz directa del
sol, o excesivamente húmedo o caluroso. Asimismo evite
los lugares muy polvorientos o sujetos a salpicaduras de
agua.
• No utilice sus propios tornillos. Utilice únicamente los
tornillos suministrados. Si utiliza tornillos erróneos, podría
dañar la unidad.
• Si no se enciende la alimentación (se muestra "PROTECT"),
el cable del altavoz puede que haya sufrido un cortocircuito
o que haya tocado el chasis del vehículo y se haya activado
la función de protección. Por lo tanto, es necesario revisar el
cable e altavoz.
• Asegúrese de efectuar correctamente las conexiones de
los cables, insertando los enchufes hasta que queden
firmemente bloqueados.
• Si el encendido de su vehículo no tiene una posición
ACC, o si el cable del encendido está conectado a una
fuente de alimentación con voltaje constante tal como
un cable de batería, la alimentación de la unidad no
estará interconectada con el encendido (es decir, que
no se encenderá o apagará junto con el encendido). Si
desea interconectar la alimentación de la unidad con el
encendido, conecte el cable del encendido a una fuente de
alimentación que pueda conectarse y desconectarse con la
llave de encendido.
• Utilice un conector de conversión disponible
comercialmente si el conector no se ajusta al del vehículo.
• Aísle los cables desconectados con cinta de vinilo u otro
material similar. Para prevenir los cortocircuitos, no quite las
tapas de los cables o terminales desconectados.
• Si el panel de mandos tiene una tapa, asegúrese de instalar
la unidad de tal forma que la placa frontal no golpee la tapa
cuando se abra o se cierre.
• Si se funden los fusibles, asegúrese primero de que los
cables no están en contacto pues pueden ocasionar un
cortocircuito, luego reemplace el fusible dañado por uno
nuevo que tenga la misma potencia de servicio.
• Conecte correctamente los cables de altavoz a los
terminales que corresponden. La unidad se puede dañar o
no funcionar si comparte los cables - o los conecta a tierra
a cualquier parte metálica del vehículo.
• Después de haber instalado la unidad, asegúrese de que las
luces de freno, los intermitentes, los limpiaparabrisas, etc.
del automóvil funcionan correctamente.
• Instale la unidad en un ángulo de 30˚ o menos.
• Esta unidad tiene un ventilador de refrigeración (página 25)
para reducir la temperatura interna. No monte la unidad
en un lugar en el que el ventilador de refrigeración de la
unidad pueda quedar obstruido. Si estas aberturas quedan
bloqueadas, la refrigeración no se producirá, aumentando la
temperatura interna y provocando averías.
• No pulse fuerte sobre la superficie del panel al instalar
la unidad en el vehículo. De lo contrario podría rayarse,
averiarse o fallar.
DNX_DDX7_insta_K.indb 23DNX_DDX7_insta_K.indb 23 08.1.30 2:52:40 PM08.1.30 2:52:40 PM

24 | DNX7120/DDX712/DDX7032
Conexión
B
C
PRK SW
B
C
A
A
Si conecta el cable de encendido (rojo) y el cable de la
batería (amarillo) al chasis del vehículo (tierra), puede
ocasionar un cortocircuito, que puede provocar un
incendio. Conecte siempre esos cables a la fuente de
alimentación que pasa por la caja de fusibles.
Cable de antena Entrada de
antena FM/AM
Por razones de seguridad, asegúrese de conectar el sensor de estacionamiento.
Cable del sensor de estacionamiento (Verde claro)
Conecte al cableado del interruptor de detección
del freno de estacionamiento del vehículo
utilizando el conector relee suministrado.
Cable de la batería (Amarillo)
Cable de masa (Negro) -
(Al chasis del automóvil)
Cable del encendido (Rojo)
Entrada del mando a distancia de la dirección
(Azul Claro/Amarillo)
Si no se efectúan las conexiones, no deje que el cable sobresalga de la lengüeta.
Conecte al terminal puesto a masa ya sea al sonar el
teléfono o durante la conversación.
Cable de silenciador (Marrón)
Dependiendo de la antena que está utilizando,
conecte al terminal de control de la antena motriz, o al terminal de
alimentación del amplificador de refuerzo de la antena tipo pelicular.
Cable de control de la antena del motor (Azul)
Al utilizar el amplificador de alimentación
opcional, conecte su terminal de control.
Cable de control de alimentación (Azul/Blanco)
Al terminal "EXT.AMP.CONT." del amplificador con la función
de control del amplificador externo.
Cable de control del amplificador externo
(Rosado/Negro)
Al interruptor de control de iluminación del automóvil Cable de reductor de luz (Naranja/Blanco)
Cable del sensor de marcha atrás (Violeta/Blanco)
Conecte en el arnés del foco de indicación
de reversa del vehículo al utilizar la cámara de
retrovisión opcional.
Interruptor de la
llave de encendido
ACC
Caja de fusibles
del automóvil
(Fusible principal)
Batería
Caja de fusibles
del automóvil
Para conectar el sistema de navegación
Kenwood, consulte el manual de navegación.
Al mando a distancia de la dirección
Para utilizar la función de mando a distancia de la dirección,
necesita un adaptador remoto exclusivo (no suministrado)
que sea compatible con su vehículo.
Si esta terminal no está en uso, deje colocada la tapa.
DNX_DDX7_insta_K.indb 24DNX_DDX7_insta_K.indb 24 08.1.30 2:52:41 PM08.1.30 2:52:41 PM

Español | 25
ANT. CONT
P CONT
EXT.CONT
REVERSE
MUTE
REMO.CONT
+
+
+
+
ILLUMI
Al altavoz delantero
izquierdo
Al altavoz delantero
derecho
Al altavoz trasero
izquierdo
Al altavoz trasero
derecho
Blanco/Negro
Blanco
Gris/Negro
Gris
Verde/Negro
Verde
Púrpura
Púrpura/Negro
Accesorio 1
Ventilador de refrigeración
Vista posterior
FUSIBLE (15A)
Accesorio @ (Antena GPS)
(DNX7120 solamente) (consulte la página 28)
DNX_DDX7_insta_K.indb 25DNX_DDX7_insta_K.indb 25 08.1.30 2:52:41 PM08.1.30 2:52:41 PM

26 | DNX7120/DDX712/DDX7032
Conexión del sistema
CAMERA
REAR VIEW AV IN1
FRONT
REAR
WOOFER
SUB
RELAY 2
RELAY 1 AV OUT
■ Salida previa delantera
• Salida izquierda de audio (Blanca)
• Salida derecha de audio (Roja)
■ Salida previa trasera
• Salida izquierda de audio (Blanca)
• Salida derecha de audio (Roja)
■ Salida previa del subwoofer
• Salida izquierda de audio (Blanca)
• Salida derecha de audio (Roja)
■ Entrada de la cámara de visión
trasera
• Entrada de video (Amarillo)
■ Entrada 1 de Audio/Video
• Entrada de video (Amarillo)
• Entrada izquierda de audio (Blanca)
• Entrada derecha de audio (Roja)
■ Salida de Audio/Video
• Salida de video (Amarillo)
• Salida izquierda de audio (Blanca)
• Salida derecha de audio (Roja)
A la caja de relees
Accesorio
2
Terminal USB Dispositivo USB
(disponible en el comercio)
■ Entrada 2 de video
Toma mini sin resistencia(3,5φ)
■ Entrada 2 de audio
Toma mini tipo estéreo sin resistencia(3,5φ)
Accesorio
3
Accesorio 4
No conectar.
DNX_DDX7_insta_K.indb 26DNX_DDX7_insta_K.indb 26 08.1.30 2:52:42 PM08.1.30 2:52:42 PM

Español | 27
Conexión de accesorios opcionales
TV ANTENNA INPUT
TO MONITOR UNIT
KCA-iP300V
(Accesorio opcional)
iPod
(disponible en el
comercio)
Sintonizador de TV
(Accesorio opcional)
Cable de conexión
(Incluido con el sintonizador de TV)
Salida de audio (Negro)
Entrada de video
Salida de video (Amarillo)
Entrada de audio
Terminal USB
Terminal USB
Sistema de navegación
(Accesorio opcional)
Cable de conexión
(Incluido con el sistema de navegación)
Accesorio 5
Entrada del sistema de navegación
(solamente el DDX712/DDX7032)
Al sintonizador de radio satélite SIRIUS/
sintonizador de radio satélite XM/
sintonizador de radio HD/KCA-BT200
(Accesorio opcional)
Podría ser necesario un adaptador de
conversión (Accesorio opcional) para la
conexión del accesorio opcional.
Para más detalles póngase en contacto
con su distribuidor Kenwood.
Al conectar el Sintonizador Directo
MSN (accesorio opcional), coloque
la abrazadera del cable (accesorio
$) en la parte posterior de esta
unidad primero, y después conecte
el cable a través de la abrazadera.
Accesorio $
Al GXM30/ GTM10
DNX_DDX7_insta_K.indb 27DNX_DDX7_insta_K.indb 27 08.1.30 2:52:42 PM08.1.30 2:52:42 PM

28 | DNX7120/DDX712/DDX7032
Instalación de la eserina
Para General Motors
1. Corte el accesorio 7 para realizar la forma de la
apertura de la consola central.
2. Coloque el accesorio 7 en la unidad.
Para Volkswagen
1. Coloque el accesorio ! a la unidad.
Accesorio 7
Corte para coincidir con
la forma de la apertura
en el vehículo.
Accesorio !
Instalación de la antena GPS
(DNX7120 solamente)
La antena GPS está instalada en el interior del coche.
Debería instalarse lo más horizontalmente posible
para permitir una recepción sencilla de las señales del
satélite GPS.
Para montar la antena GPS en el interior del
vehículo:
1. Limpie el salpicadero o cualquier otra superficie.
2. Retire el adhesivo de la parte inferior de la placa de
metal (Accesorio #).
3. Presione la placa de metal (Accesorio #)
firmemente sobre el salpicadero o cualquier otra
superficie de montaje. Puede doblar la placa de
metal (Accesorio #) para ajustarla a la superficie
curva, si fuera necesario.
4. Coloque la antena GPS (Accesorio @) en la parte
superior de la placa de metal (Accesorio #).
Accesorio @
Accesorio #
¤
• Dependiendo del tipo de coche, la recepción de las
señales de satélite GPS puede que no sea posible con una
instalación interior.
• La antena GPS debería instalarse en una posición, como
mínimo, a 30 cm (12 pulgadas) del teléfono móvil o de
cualquier otra antena de transmisión. Las señales del satélite
GPS puede verse interferida por estos dispositivos de
comunicación.
• Pintar la antena GPS con pintura (metálica) puede provocar
una reducción de su rendimiento.
DNX_DDX7_insta_K.indb 28DNX_DDX7_insta_K.indb 28 08.1.30 2:52:43 PM08.1.30 2:52:43 PM

Español | 29
Para Toyota/Scion
1. Corte el accesorio 7 como se muestra
en la ilustración.
2. Doble el adhesivo de doble cara
(accesorio 8) a lo largo del corte y
colóquelo en el accesorio 7 corte
contra el soporte central como se
indica en la ilustración. Utilice 2 piezas
del accesorio 8 para a accesorio 7.
3. Coloque el accesorio 7 en la unidad.
Línea de corte
Accesorio 7
Accesorio 8
DNX_DDX7_insta_K.indb 29DNX_DDX7_insta_K.indb 29 08.1.30 2:52:43 PM08.1.30 2:52:43 PM

30 | DNX7120/DDX712/DDX7032
Instalación para el monitor/unidad de reproductor
Doble las lengüetas del manguito
de montaje con un destornillador
o herramienta similar y fíjelo.
Correa de montaje metálica
(disponible en el comercio)
Tornillo autorroscante
(disponible en el comercio)
Tornillo (M4X8)
(disponible en el comercio)
Asegúrese de que la unidad está instalada en forma segura. Si la unidad está
en una posición inestable, es posible que no funcione correctamente (por
ejemplo, el sonido puede interrumpirse).
Muro cortafuego o
soporte de metal
Instalación en coches Toyota, Nissan o Mitsubishi utilizando soportes
Soporte del vehículo
Accesorio 9 (M5x6mm)
o Accesorio 0 (M5x7mm)
Accesorio 9 (M5x6mm)
o Accesorio 0 (M5x7mm)
DNX_DDX7_insta_K.indb 30DNX_DDX7_insta_K.indb 30 08.1.30 2:52:44 PM08.1.30 2:52:44 PM

Español | 31
Desinstalación del marco duro de
goma (escudete)
1. Conecte los pasadores de la herramienta de
extracción 6 y extraiga los dos bloqueos del nivel
inferior.
Tal como se muestra en la figura, baje el marco y
extráigalo hacia adelante.
Accesorio 6
Cierre
Loquet
⁄
• El marco puede extraerse desde el lado superior del mismo
modo.
2. Después de extraer la parte inferior, libere de la
misma manera los dos lugares del lado superior.
Desinstalación de la unidad
1. Extraiga el marco duro de goma siguiendo el
procedimiento de extracción descrito en la sección
<Desinstalación del marco duro de goma>.
2. Quite el tornillo de cabeza hexagonal con arandela
integral (M4 × 8) del panel posterior.
3. Inserte las dos herramientas de extracción 6
profundamente en las ranuras de cada lado, tal y
como se muestra.
Accesorio 6
4. Mueva la herramienta de extracción hacia abajo, y
extraiga la unidad hasta la mitad mientras presiona
hacia adentro.
⁄
• Procure evitar cualquier tipo de accidente con los pasadores
de bloqueo en la herramienta de extracción.
5. Termine de sacar la unidad con las manos,
prestando atención para no dejarla caer.
Desinstalación de monitor/reproductor
DNX_DDX7_insta_K.indb 31DNX_DDX7_insta_K.indb 31 08.1.30 2:52:44 PM08.1.30 2:52:44 PM

DNX_DDX7_insta_K.indb 32DNX_DDX7_insta_K.indb 32 08.1.30 2:52:45 PM08.1.30 2:52:45 PM