Keston C55 Installation Manual 376\377\000W\000o\000r\000d\000 \000P\000r\000o\000 \000 \000C\000h\000a\000p\0000\000_\000W\000D\0005\0003\0006\000_\0000\
Keston-C40-Installation-Manual-719677 keston-c40-installation-manual-719677
C40 Installation and Servicing Manual C40 Installation and Servicing Manual
C45,C55 Nat gas and propane C45,C55 Nat gas and propane
C45_40P_55_Manual_WD536_1_2010 C45_40P_55_Manual_WD536_1_2010
Jan12_C40P_45_Manual Jan12_C40P_45_Manual
2015-05-15
: Keston Keston-C55-Installation-Manual-719676 keston-c55-installation-manual-719676 keston pdf
Open the PDF directly: View PDF .
Page Count: 54

C45 C40P C55 C55P
Fan Powered High Efficiency
Modulating Domestic Condensing Gas Boiler
Installation and Servicing Instructions
C45, C40P, C55 & C55P Models
ISSUE: 1/2010
CE/PI No : 87CL131
C45 - GC No : 41-930-25
CE/PI No : 87BN14
C40P - GC No : 41-930-08
C55 - GC No : 41-930-09
C55P - GC No : 41-930-10
These instructions must be left either with
the user or next to the site gas meter.
KESTON BOILERS LIMITED
34 West Common Road, Bromley, Hayes, Kent BR2 7BX, UK
Tel. +44 (0)20 8462 0262 Fax. +44 (0)20 8462 4459
email : info@keston.co.uk web : www.keston.co.uk
COMPLIANT WITH BUILDING REGULATION PART L1 & L2 2002
SEDBUK A RATED
WD536 The Keston C45, C40P, C55 & C55P

CONTENTS
Section Description
0 HANDLING INSTRUCTIONS
0.1 List of contents
0.2 Recommended handling procedure
1 GENERAL INSTRUCTION
1.1 Description
1.2 Boiler Schematic
1.3 Related Documents
1.4 Physical Data
1.5 Performance Data C45 and C40P
1.6 Performance Data C55 and C55P
1.7 Optional Accessories
2 BOILER LOCATION
2.1 Dimensions & Minimum Clearances
2.2 Service Connections
2.3 Position
2.4 Electrical
2.5 Boiler Size Selection
2.6 Gas Supply
2.7 Water Systems
2.8 Flue System
2.9 Air Supply
2.10 Compartment Installation
2.11 Condensate Drainage
3 INSTALLATION OF THE BOILER
3.1 Wall Mounting Bracket
3.2 Mounting The Boiler
3.3 Assembly Practice
3.4 Installing Flue And Air Pipes
3.5 Condensate Drainage
3.6 Water System
3.7 Gas Supply
3.8 Electrical Supply
3.9 Exchanging A Boiler
WD536 The Keston C45, C40P, C55 & C55P
Page : i

4 COMMISSIONING OF THE BOILER
4.1 Initial Flushing
4.2 Gas Supply
4.3 Electrical Installation
4.4 LP Gas
4.5 Initial Firing
4.6 Hot Flushing
4.7 Combustion Testing
4.8 Checking The Gas Pressure
4.9 Timing The Gas Meter
4.10 Handing Over To The User
5 FAULT FINDING
5.1 Electrical Control Sequence
5.2 Normal Operation
5.3 Fault Modes
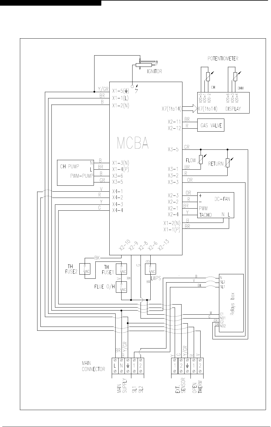
5.4 Functional Flow Wiring Diagram
5.5 Electrical Wiring Diagram
5.6 Illustrated Wiring Diagram
5.7 Exploded Assembly Diagrams
6 SERVICING
6.1 Pre Service Checks
6.2 Recommended Routine Service
7 REPLACEMENT OF PARTS
7.0 General
7.1 Precautions
7.2 Access
7.3 Replacement Procedure
7.4 Electrical Components
7.5 Spark Ignition/Flame Detection Electrode
7.6 Burner
7.7 Heat Exchanger
7.8 Condensate Trap
7.9 Pump
8 SPARE PARTS LISTINGS
9 GAS BOILER COMMISSIONING CHECKLIST
WD536 The Keston C45, C40P, C55 & C55P
Page : ii

0. HANDLING INSTRUCTION
0.1 LIST OF CONTENTS
The Keston C40P,C45 and C55(P) are supplied almost totally pre-assembled. Since the units
use standard 50 mm muPVC pipe for the flue and air intake systems the boiler is packed in a
single box without additional flue kit. All additional components are packed inside the boiler
cabinet itself. The following is a list of components and their location in the boiler cabinet
Equipment List
Item Quantity Location
Wall Bracket Rawl Plugs 5 Inside accessories bag
Wall Bracket Wall Fixing Screws 5 Inside accessories bag
Wall Mounting Bracket 1 Secured to inside right hand
side of boiler case
Wall Mounting Bracket Nuts 2 Inside accessories bag.
Wall Mounting Bracket Washers 2+2 Inside accessories bag
Gas Cock (22 mm cxc) 1 Inside accessories bag
50 mm muPVC Air/Flue Terminals 2 Inside accessories bag
Flue Spigot Nipple 1 Inside accessories bag
Cabinet Cable Entry Clamps 2 Inside accessories bag
User Control Knobs 2 Inside accessories bag
Outside Temperature Sensor 1 Inside accessories bag
Document List
Item Quantity Location
User Instructions 1 In A4 envelope
Lifting Instructions 1 In A4 envelope
Installer Notice 1 In A4 envelope
Registration of Purchase - 2 YEAR Guarantee 1 In A4 envelope - C45&C40P
2 YEAR Warranty Plan 1 In A4 envelope - C45&C40P
12 Month Guarantee 1 In A4 envelope - C55&C55P
Installation Template 1 In document bag
Remove the cabinet shell by removing the four retaining screws in the top of the cabinet and
the three retaining screws in the bottom of the cabinet.
0.2 Recommended Handling Procedure
Before hanging the appliance on the wall it is best to store the appliance laid on its back with
the casing on. When ready to hang the boiler on the wall remove the casing and place to one
side. At this stage it is assumed that the wall bracket is correctly secured on the wall face.
a) Have the wall bracket nuts and washers to hand so that they can be accessed whilst
holding the boiler in position on its mounting bracket.
b) The boiler has a dry weight of 61.5kg (136 lbs) and will therefore require at least two
people to lift without the use of lifting aids.
c) Lift the boiler by gripping at the four corners of the boiler back plate. When lifting this
appliance the back should be kept straight at all times. Avoid twisting at the waist -
reposition the feet instead. Avoid upper body bending when holding the appliance and
keep the boiler as close to the body as possible.
d) Lift the boiler and locate onto the two studs of the wall mounting bracket.
e) Hold the boiler on the wall bracket by applying pressure onto the front surface of the heat
exchanger.
f) Place the wall mounting bracket washers over the bracket studs protruding through the
back plate of the boiler.
g) Secure the boiler onto the wall bracket by fixing the wall mounting bracket nuts onto the
wall bracket studs. These should be tightened well.
WD536 The Keston C45, C40P, C55 & C55P
Page : iii

In the event the appliance must be fitted by one operative the integral circulating pump head
and complete combustion fan/gas valve/venturi assembly can be removed from the appliance
prior to lifting. However, the resulting weight will still be higher than considered acceptable for
a one-man lift.
Safety footwear and gloves are recommended PPE when lifting this appliance.
The C45 and C55 boilers can be fitted in compartments with very small clearances required
around the appliance (refer to Section 1.4). Due consideration should therefore be given to
access within the compartment for lifting and positioning.
WD536 The Keston C45, C40P, C55 & C55P
Page : iv

1. GENERAL INSTRUCTION
1.1 DESCRIPTION
The Keston C45, C40P and C55(P) are unique in concept and design. They comprise a
high efficiency stainless steel heat exchanger coupled with a low emissions burner to
deliver ultra high efficiency condensing mode operation within a compact wall hung
cabinet. The unit automatically adjusts gas and air rate according to demand to give an
output in the range of 12.6kW to 44.9kW (C45 & C40P) and 14.3kW to 55.2kW (C55 &
C55P). The integral Grundfos pump is automatically controlled to best match water flow
rate to heat output & further increase appliance efficiency. In addition, they feature an
optional connection for an outside sensor to enable the boilers inbuilt weather
compensation option. Separate inputs are provided for hot water and central heating
demand signals to enable different temperature levels to be set (ideal for underfloor
heating systems). While the application for which the C45, C40P and C55(P) were
designed is the same as those which other boilers are used, the Keston C45, C40P and
C55(P) have the added advantage of very high efficiency, and small diameter plastic flue
which can be extended up to 45 metres horizontally or vertically.
The Keston C45, C40P and C55(P) uses a variable speed combustion blower to deliver a
premix of gas and air to a downward firing burner in a high efficiency, single pass heat
exchanger. The flue system is room sealed and fan powered. The ignition is direct spark
and fully automatic. The boiler housing is not waterproof and should be installed in a
position where it will always be dry. Combustion air is drawn from the cabinet which is
connected to outside atmosphere via a small diameter plastic intake pipe. The cabinet
therefore remains under negative pressure at all times the boiler is operating.
The boiler is suitable for connection to open vented or, preferably, sealed systems.
The boiler heat exchanger is made from highly corrosion resistant stainless steel in
corrugated pipe form which provides massive surface area within a compact dimension.
The hot combustion gases from the down firing burner pass around the stainless steel
pipes imparting heat into the system water. The integral variable speed Grundfos pump
within the appliance cabinet ensures the heat exchanger receives correct water flow when
firing. The C45, C40P and C55(P) are not high water content boilers and do not contain
the metal mass, or water volume, of a cast iron or steel boiler. These boilers are of low
mass and low water content and therefore responds faster when there is a call for heat.
The C45, C40P and C55(P) feature full user diagnostics, integral frost protection function,
automatic pump and fan exercise in periods of inactivity, anti cycle control, dry fire
protection and connections for remote lockout and run monitoring (optional accessory).
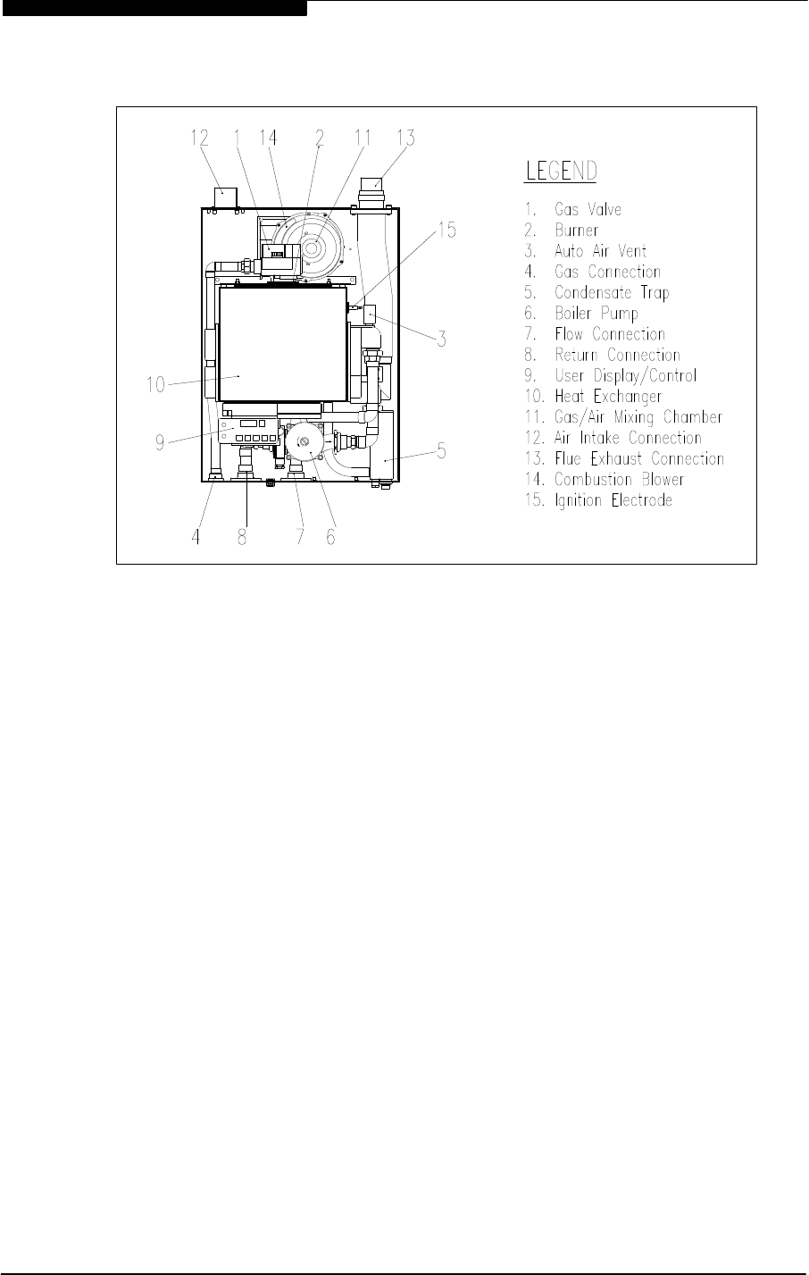
1.2 BOILER SCHEMATIC
Air is drawn into the boiler through a 50 mm muPVC (BS5255 and/or BSEN1566-1 and
BSEN1329) plastic pipe or, alternatively, via a 75mm composite plastic pipe. Gas is mixed
with combustion air at the inlet to the fan. The gas flow is automatically regulated by the
gas valve according to the air flow generated by the fan. The gas and air are thoroughly
mixed in the blower and fed into the burner located at the top end of the heat exchanger
module. The gas and air mixture is ignited by a direct spark ignition control system and
burns with a blue flame just off the surface of the burner. As the hot products of
combustion pass downwards, they are cooled by exchanging heat with the circulating
water which enters the heat exchanger at the bottom of the heat exchanger. The optimum
heat input is detected by monitoring flow and return temperatures and is adjusted by
controlling the speed of the fan. The optimum pump speed is also detected and
automatically selected by the boiler.
When the return water temperature is below 55
o
C, part of the water vapour in the
combustion products will condense inside the heat exchanger, thus increasing the boiler
efficiency further by releasing the latent heat of condensation. This condensate falls to the
bottom of the heat exchanger where it is separated from the flue gases and exits from the
boiler through the condensate drain. Any condensate formed in the flue runs back down
WD536 Chapter 1 : General Instruction The Keston C45, C40P, C55 & C55P
Installation & Servicing Instructions Page : 1

the flueway and is drained at the base of the flue connection to the heat exchanger or
drain points within the flue.
Fig. 1.2 - Boiler Layout
The condensate is very slightly acidic (about the same acidity as vinegar) and should be
piped in a plastic pipe. It is not harmful to the waste disposal system and may be disposed
of as normal waste water.
The flue gases are piped in a 50 mm muPVC (BS5255 and/or BSEN1566-1 and
BSEN1329) plastic or, alternatively, 75mm composite plastic pipe to the outside. The
temperature of the flue gases are usually around 5
o
C to 10
o
C above the temperature of
the return water. The flue pipe should be terminated outside the building from where they
cannot re-enter the building or any other adjacent building.
The heating level may be controlled by room thermostats, hot water calorifier thermostats,
programmer time clocks and energy management systems. A Keston room controller can
be connected which will provide enhance controls such as room compensation and
optimum start to further increase efficiency and comfort levels.
The C45, C40P and C55(P) feature an integral frost protection function which will operate
the pump, regardless of the external controls, should the boiler temperature fall below
7
o
C. In the event the boiler temperature falls below 3
o
C the boiler will also fire. This is to
avoid damage to the boiler through freezing of boiler water. The boiler will turn off when
the flow temperature exceeds 10
o
C.
The C45, C40P and C55(P) feature an integral pump exercise function which will run the
pump, without firing the boiler, for 10 seconds in the event the boiler is on standby for in
excess of 24 hours without firing. This is to help prevent seizing of the pump due to long
periods of inactivity.
1.3 RELATED DOCUMENTS
The Keston C45, C40P and C55(P) Condensing Boiler must be installed in accordance
with the current issue of the Gas Safety (Installation and Use) Regulations 1996, current
IEE Wiring Regulations, Building Regulations, Building Standards (Scotland)
Consolidation, and the Bye Laws of the local Water Undertaking.
WD536 Chapter 1 : General Instruction The Keston C45, C40P, C55 and C55P
Installation & Servicing Instructions Page : 2

In addition, due account must be taken to the following Codes Of Practice:
BS 6891 : Low Pressure Installation Pipes
BS 6798 : Installation of Gas Fired Hot Water Boilers of
Rated Input Not Exceeding 70kW
BS 5449 : Installation Pumped Central Heating
BS 5546 : Installation of Gas Hot Water Supplies for
Domestic Purposes (2nd family gases)
BS 5440.1 : Flues (for gas appliances of rated input not
exceeding 70kW)
BS 5440.2 : Air Supply (for gas appliances of rated input not
exceeding 70kW)
BS 5482.1 : Domestic Propane and Butane Burning
Installations
BS 7074.1 : Expansion Vessels
BS 7593 : Treatment of Water in Hot Water Central Heating
Systems
BS 7671 : Requirements for Electrical Installations. IEE
Wiring Regulations 16th Edition.
BSEN 12828:2003 : Heating Systems in Buildings: Design for water
based heating systems
BSEN 12831:2003 : Heating Systems in Buildings: Method for
calculation of design heat load
BSEN 14336:2004 : Heating Systems in Buildings: Installation and
commissioning of water based heating systems
For Timber Framed Buildings, British Gas Publications DM2. Also British Gas
Publications 'Guidance Notes For The Installation Of Domestic Gas Condensing
Boilers' and 'Specification For Domestic Wet Central Heating Systems'.
1.4 PHYSICAL DATA - C45 and C55
WD536 Chapter 1 : General Instruction The Keston C45, C40P, C55 & C55P
Installation & Servicing Instructions Page : 3
Cabinet Height mm 720
Cabinet Width mm 520
Cabinet Depth mm 320
Top Clearance mm 150
Side Clearance mm 25
Base Clearance mm 150
Front Clearance (for servicing) mm 305
Weight - Full kg / (lbs) 70.5/(157.8)
Weight - Empty kg / (lbs) 61.5/(135.8)
Flow and Return Connection Rp 1" F
Gas Connection Rp 0.75" F
Condensate Connection mm 22mm plastic overflow
IP Rating IP20 (IPX0)
Flue and Air Intake Material 50mm muPVC (BS5255 and/or BSEN1566-1 and BSEN1329)
Flue Pipe Size (nominal bore) mm / (in) 50 / (2)
Air Intake Pipe Size (nominal bore) mm / (in) 50 / (2)
Max. Air Intake Length m 29
Max. Flue Outlet Length m 15
Max. Total Flue Outlet and Air Intake Length m 30
Flue and Air Intake Material 75mm Keston Composite
Flue Pipe Size (nominal bore) mm / (in) 75 / (3)
Air Intake Pipe Size (nominal bore) mm / (in) 75 / (3)
Max. Air Intake Length m 87
Max. Flue Outlet Length m 45
Max. Total Flue Outlet and Air Intake Length m 90

1.5 PERFORMANCE DATA - C45 & C40P
1.6 PERFORMANCE DATA - C55 & C55P
WD536 Chapter 1 : General Instruction The Keston C45, C40P, C55 and C55P
Installation & Servicing Instructions Page : 4
C45 C40P
Nat. Gas (G20) LPG (G31)
Min. Input (Gross CV) kW/(Btu/h) 12.9/(43,900) 12.6/(43,000)
Max. Input (Gross CV) kW/(Btu/h) 45.6/(155,600) 43.2/(147,400)
Max. Output To Water
(80/60
o
C Flow/Return) kW/(Btu/h) 40.3/(137,600) 39.1/(133,300)
(50/30
o
C Flow/Return) kW/(Btu/h) 44.9/(153,400) 43.2/(147,400)
Min. Output To Water
(80/60
o
C Flow/Return) kW/(Btu/h) 11.3/(38,500) 11.4/(38,800)
(50/30
o
C Flow/Return) kW/(Btu/h) 12.6(43,000) 12.6(43,000)
Max. Burner Press.-Hot
(Factory Preset)
mbar/(in w.g) 0 0
Gas Consumption After 10 mins l/s / (Ft
3
/hr) 1.21/(153.4) 0.451/(57.4)
Max. Operating Flow Temp.
o
C 82.00 82.00
Max. Head (Open Systems) m / (ft) 30.50 / (100) 30.50 / (100)
Max. Press. (Sealed System) bar 2.70 2.70
Min. Head (Open Systems) m 3.0 3.0
Inlet Gas Pressure mbar/(in w.g) 20.0 / (8.0) 37.0/(14.8)
Recommended Temp Diff.
o
C 8 to 20 8 to 20
Electrical Supply 230V 50Hz 230V 50Hz
Power Consumption (Max) W 260 260
Power Consumption (Standby) W 8 8
Type of Gas G20 Natural Gas G31 LPG
Optimum Flue Gas CO
2
Level % 8.3 ±0.2 9.9 ±0.2
Expected CO/CO2 Ratio (at max rate) 0.001 0.0013
Destination Countries GB/IE GB/IE
SEDBUK Efficiency 90.4% 92.5%
C55 C55P
Nat. Gas (G20) LPG (G31)
Min. Input (Gross CV) kW/(Btu/h) 14.3/(48,800) 14.8/(50,500)
Max. Input (Gross CV) kW/(Btu/h) 56.5/(192,800) 53.4/(182,300)
Max. Output To Water
(80/60
o
C Flow/Return) kW/(Btu/h) 49.7/(169,700) 48.0/(163,900)
(50/30
o
C Flow/Return) kW/(Btu/h) 55.2/(188,500) 53.4/(182,300)
Min. Output To Water
(80/60
o
C Flow/Return) kW/(Btu/h) 12.5/(42,900) 12.9/(44,100)
(50/30
o
C Flow/Return) kW/(Btu/h) 14.3/(48,800) 14.8/(50,500)
Max. Burner Press.-Hot
(Factory Preset)
mbar/(in w.g) 0 0
Gas Consumption After 10 mins l/s / (Ft
3
/hr) 1.50/(190.1) 0.54/(68.3)
Max. Operating Flow Temp.
o
C 82.00 82.00
Max. Head (Open Systems) m / (ft) 30.50 / (100) 30.50 / (100)
Max. Press. (Sealed System) bar 2.70 2.70
Min. Head (Open Systems) m 3.0 3.0
Inlet Gas Pressure mbar/(in w.g) 20.0 / (8.0) 37.0/(14.8)
Recommended Temp Diff.
o
C 8 to 20 8 to 20
Electrical Supply 230V 50Hz 230V 50Hz
Power Consumption (Max) W 260 260
Power Consumption (Standby) W 8 8
Type of Gas G20 Natural Gas G31 LPG
Optimum Flue Gas CO
2
Level % 8.8 ±0.2 10.2 ±0.2
Expected CO/CO2 Ratio (at max rate) 0.001 0.0013
Destination Countries GB/IE GB/IE
SEDBUK Efficiency 90.2% 92.2%

Keston Boilers Ltd declare that there are no substances harmful to health within the
appliance or used during the production of the appliance.
The C45 and C55 are intended for domestic and commercial EMC environments and on a
governed G20 meter supply.
The C40P and C55P is intended for domestic and commercial EMC environments and on a
governed G31 supply.
Seasonal Efficiency (SEDBUK) = 90.4% (C45), 92.5% (C40P), 90.2% (C55) & 92.2 (C55P)
This value is used in the UK Government's Standard Assessment Procedure (SAP) for
energy rating of dwellings. The test data from which it has been calculated have been
certified by Advantica Technologies Ltd.
IMPORTANT
This product contains ceramic fibre boards, which although not regarded as a risk, contain
ceramic fibre which may cause temporary irritation to eyes, skin and respiratory tract. The
fibres are held in place by inorganic binders. Therefore as long as the boards are not
disturbed they will not be released. Since the boards are non-serviceable parts there
should be no risk.
To ensure that the release of fibres from these RCF articles is kept to a minimum, during
installation and servicing we recommend that you use a HEPA filtered vacuum to remove
any dust accumulated in and around the appliance before and after working on the appli-
ance. When replacing these articles we recommend that the replaced items are not broken
up, but are sealed within heavy duty polythene bags, and clearly labelled as RCF waste.
RCF waste is classed as a stable, non-reactive hazardous waste and may be disposed at a
landfill licensed to accept such waste. Protective clothing is not required when handling
these articles, but we recommend you follow the normal hygiene rules of not smoking,
eating or drinking in the work area and always wash your hands before eating or drinking.
This appliance is not intended for use by persons (including children) with reduced
physical, sensory or mental capabilities, or lack of experience and knowledge, unless they
have been given supervision or instruction concerning use of the appliance by a person
responsible for their safety.
Children should be supervised to ensure that they do not play with the appliance.
BENCHMARK INITIATIVE
As part of the industry wide “Benchmark” initiative C45, C40P &
C55(P) boilers manual includes Gas Boiler Commissioning
Checklist (Chapter 9). This form should be completed by your
installer at the end of the installation and commissioning process.
The details of the Checklist will be required in the event of any warranty work being required.
There is also Service Interval Record (Chapter 9) to be completed after each annual service
visit.
These forms (Chapter 9) should be kept in a safe place for the life of the boiler.
GAS SAFE REGISTER INFORMATION
The boiler should be installed and serviced only by GAS SAFE REGISTER registered operatives.
All GAS SAFE REGISTER registered Installers carry a GAS SAFE REGISTER ID card and have a
registration number. Both should be recorded in your boiler manual (Chapter 9: GAS BOILER
COMMISSIONING CHECKLIST). You can check your installer by calling GAS SAFE REGISTER
direct on 0800 408 5500.
WD536 Chapter 1 : General Instruction The Keston C45, C40P, C55 & C55P
Installation & Servicing Instructions Page : 5

1.7 OPTIONAL ACCESSORIES
A range of accessories are available from Keston Boilers Ltd to compliment an installation.
Terminal wall sealing collars are available to make good the external all face whilst working from
the inside of the building using 50mm muPVC (BS5255 and/or BSEN1566-1 and BSEN1329) pipe
or 75mm (actual dimensions are int.dia. = 68mm, ext.dia. = 78mm) Keston Composite pipe.
Stand-off frames are available to leave a 50mm gap behind the boiler to allow routing of pipes
behind the boiler.
Description Part Number
Flue Terminal Wall Sealing Collar (50mm) C.08.0.00.07.0
Air Terminal Wall Sealing Collar (50mm) C.08.0.00.07.0
50/75mm Flue Adapter C.17.2.00.60.0
Flue Outlet Terminal (75mm) C.17.2.26.00.0
Air Inlet Terminal (75mm) C.17.2.26.00.0
Stand Off Back Plate C.17.0.02.00.0
Keston Chronotherm Room Controller C.17.4.21.00.0
WD536 Chapter 1 : General Instruction The Keston C45, C40P, C55 and C55P
Installation & Servicing Instructions Page : 6

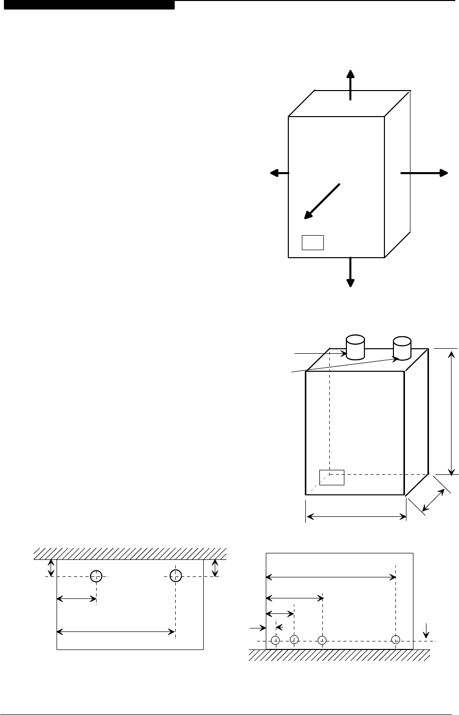
2. BOILER LOCATION
2.1 DIMENSIONS AND MINIMUM
CLEARANCES
The boiler must be installed in minimum
clearances shown to allow subsequent
servicing, and safe operation. However,
larger clearances may be required
during installation.
2.2 SERVICE CONNECTIONS
Gas, water, air and flue pipe,
condensation, and electrical connections
are as shown. Gas : 0.75 inch BSP
female. Flow/Return 1 inch BSP female
.
An optional stand-off frame is also
available which mounts behind the boiler
to leave a 50mm deep space behind the
boiler. This is to permit pipe routing
behind the boiler if required. See Section
1.5 - Optional Accessories.
2.3 POSITION
The C45, C40P and C55(P) are not
suitable for external installation. The
boiler may be installed in any room or
internal space, although particular
attention is drawn to the requirements
of the current IEE Wiring Regulations
and, in Scotland, the electrical
provisions of the Building Regulations
applicable in Scotland, with respect to
the installation of the boiler in a room or
internal space containing a bath or
shower.
Where a room-sealed appliance is
installed in a room containing a bath or
shower, any electrical switch or
appliance control, utilising mains
electricity, should be so situated that it
WD536 Chapter 2 - Boiler Location The Keston C45, C40P, C55 & C55P
Installation & Servicing Instructions Page : 7
All dimensions in mm.
150
305 (W hen servicing appliance )
150
Figure 2.1.1
Minimum Clearances
25
25
10 (W hen appliance is operating )
All dimensions in mm.
520
320
Figure 2.1.2
Dimensions
Air Intake
Flue
720
mm
Base View
Service Connection Locations All dimensions are in mm.
65
447
Top View
51
42
249
117
36
Return
Flow
Condense
Gas
Air Flue
38
485

cannot be touched by a person using the bath or shower. The C45, C40P and C55(P) are
classified as IP20 (IPX0) and are therefore suitable for installation in Zone 3 areas, unless
subject to hose down.
Compartment installation is permitted - such compartments must be constructed in
accordance with BS 6798.
The wall on which the boiler is mounted must be of suitable load bearing capacity and
must be non-combustible.
The Keston C45 and C55 can be located virtually anywhere desired provided that all
regulations are complied with. Because of the boiler's compact size and venting flexibility,
the installation is not limited to a boiler room setting. Before locating the boiler near a living
space consider whether the sounds generated by the boiler will be objectionable. The
boiler may be located within a cupboard enclosure to reduce noise levels if located within
a living space. LPG boilers must not be installed in a cellar.
2.4 ELECTRICAL
2.4.1 Electrical Connections
The boiler must be connected to a permanent 230V ~ 50Hz supply, fused at 3A.
The boiler has two thermostats and will therefore accept up to two switched
live signal inputs at 230V, such as heating and hot water demand. For
single signal systems switched live 1 may be used on its own. In the event
the boiler receives a signal from both inputs at the same time the setting of
thermostat 2, usually used for hot water demand, will take priority. Wiring
external to the boiler must be in accordance with current I.E.E wiring regulations
and local regulations.
The method of connection to the mains electricity supply must facilitate complete
electrical isolation of the boiler, preferably by the use of a fused, unswitched three
pin plug and a shuttered socket-outlet, both complying with the requirements of
WD536 Chapter 2 - Boiler Location The Keston C45, C40P, C55 & C55P
Installation & Servicing Instructions Page : 8
Chimneys not used for
venting any other
appliance may be used.
Figure 2.3
Secure air & flue pipes at
chimney outlet.
[NB: Refer to
Section 2.8.3]

BS 1363. There must be only one common method of isolation for the boiler and
its control system.
The appliance must be connected to the 3A supply via a fused double-pole switch
having at least 3 mm (1/8 inch) contact separation in both poles, serving only the
boiler and the system controls.
The connection point to the mains supply should be readily accessible and
adjacent to the boiler, except for rooms containing a bath or a shower. Refer to
section 2.3 Position.
2.4.2 External Wiring & Controls
1. The boiler is designed so that all control wiring is external to the boiler.
2. A programmer may be used with zone valves to give independent control
of central heating and hot water.
3. A Keston Chronotherm controller may be used to provide room
compensation and optimum stop/start control on heating only systems
4. Control signal inputs must the 230VAC "switched live" type.
5. A Keston outside temperature sensor may be connected as an option.
The boiler will automatically detect this connection and will operate on a
"weather compensation" basis when receiving a signal on switched live 1.
Screened cable (80% density) must be used to connect the outside
temperature sensor.
2.5 BOILER SIZE SELECTION
The C45, C40P and C55(P) will automatically adjust heat output and pump speed to
match the system requirements at any given time. Efficiency and combustion levels are
maintained at optimum levels throughout the possible output range. The C45, C40P and
C55(P) are therefore suitable for all systems with a total heat load within the maximum
range of the boiler.
2.6 GAS SUPPLY
A gas meter should be connected to the service pipe by the local gas region or their
contractor. An existing meter should be checked preferably by the gas region to ensure
that the meter is adequate to deal with the rate of gas supply required. Installation pipes
should be fitted in accordance with BS 6891.
Minimum/Maximum Gas Pressure:
Natural gas pressure before the gas valve must be maintained at between 18 mbar (7.2 in
WG) and 22 mbar (8.8 in) while the boiler is running.
LPG pressure must be maintained between 31.5 mbar (12.4 in w.g) and 37.6 mbar (14.8
in w.g) while the boiler is running.
WD536 Chapter 2 - Boiler Location The Keston C45, C40P, C55 & C55P
Installation & Servicing Instructions Page : 9
5
2
1
9
3
N/U
Brown
Blue
Grey
Orange
Green/Yellow
White
V4043H1106
Zone Valve
Heating
2
1
3
Brown
Blue
Grey
Orange
Green/Yellow
V4043H1056
Zone Valve
DHW 10
8
Live
Neutral
Earth
Mains Supply
230V
Fused @ 3A
1
2
3
Programmer
ST6300A
L
N
1
3
4
1
2
6
4
Room Thermostat
T6360B1028
1
3
2
4
5
2
KESTON
C55 / C45
L
N
E
SL1
SL2
1
2
3
9
10
Cyl. Thermostat 6
8
L641A1039
C
1
2
2.4.4 Wiring Expample - Honeywell S-Plan for DHW and (Optional) Weather Compensated Heating Control
EX1
EX2 To Keston
Ext. Sensor
[Optional]
OR
Keston Spa
Cylinder Stat
C
1
2
C
1
2
6
8
Keston Spa
Overheat Stat

Gas pressures above or below these levels will lead to problems associated with the gas
valve's internal pressure regulator.
Supply pipes to the boiler must not be sized less than the boiler inlet connection
(22 mm). Due consideration must be given to the supply pressure to other gas
appliances in the premises. Reduction in dynamic gas supply pressure will result in
intermittent ignition failures. Ensure gas supply pipe work is adequately sized for
the length of run from the meter to the boiler at a supply rate of 46kW for the C45
and 57kW for the C55 model.
A gas cock is supplied loose with the boiler. This cock should be fitted in the gas line to
the boiler as close to the boiler as possible so that it is easily identified as the cock to
isolate the boiler.
2.7 WATER SYSTEMS
All piping must be installed in accordance with all applicable local and Water Supply
Bylaws for forced hot water heating systems.
Consideration must be given to pipe capabilities and pressure drop through the piping
when selecting pipe sizes. The primary pipe connections to the boiler must be sized
according to the system load, not dictated by the boiler connection sizes.
Water treatment must be carried out to BS 7593 : Treatment of Water in Hot Water
Central Heating Systems.
a The C45, C40P and C55(P) are suitable for use on open, vented water systems
with combined feed and vent fitted to the boiler return.
b It is preferable for use on sealed water systems, provided the appropriate
components required (see Section 2.7.2 Sealed Systems) are included in the
system.
c Any system must be thoroughly flushed clean of grease, dirt and debris, prior to
connection with the boiler. A trap may be installed in the flow line to collect any
solder, or other debris, from the installation.
d All water systems must be constructed to comply with requirements of the Local
Water Authority.
e Always use a system complying with the requirements of BS 5449 and BS 6798.
f System design must ensure an open circuit is always available to ensure
circulation when the pump overrun function is operating after boiler shutdown.
g Copper tubing to BS 2871 Part 1 or barrier plastic pipe suitable to 110
o
C, such as
Unipipe, is recommended.
h Jointing should be either with capillary, threaded or compression fittings. Pipes
should have a gradient to ensure air is passed easily to vent points and water
flows readily to drain points.
i Draining taps must be located in accessible positions which permit the draining of
the boiler and hot water storage vessel. Draining taps should be at least 22 mm in
nominal size and be in accordance with BS 2879.
AIR VENT POINTS
j These must be fitted at all high points where air will naturally collect and must be
sited to allow complete draining of the system.
k. Where thermal stores are to be used the thermal store supplier should be
consulted as to the compatibility of the thermal store with a Keston C45, C40P
and C55(P). Thermal store units where the boiler directly heats an open vented
thermal store are not suitable for use with the C45, C40P or C55(P).
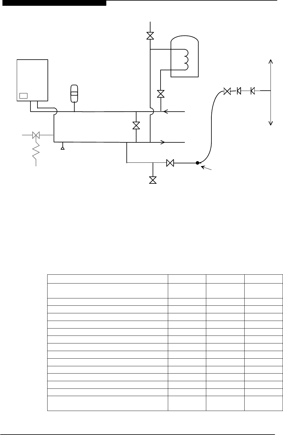
2.7.1 Open Vented Systems
A typical system is shown in Figure 2.7.1 which includes a combined feed and
vent. Note that the combined feed and vent must be fitted to the primary
RETURN. A safety valve is specified for the primary flow to ensure discharge path
at all times in the event the feed/vent connection is isolated from the boiler flow
[see 2.7.2(i)]. However, in the event the system is configured with no isolation
valve on the primary flow and wired such the boiler cannot fire when all zone
WD536 Chapter 2 - Boiler Location The Keston C45, C40P, C55 & C55P
Installation & Servicing Instructions Page : 10

valves are closed, then the safety valve may be omitted. Note that the minimum
static head required is 9 ft at the top of the boiler.
Although suitable for open vented systems with combined feed and vent
arrangements, the C45, C40P and C55(P) are low water content boilers. As such,
any air entrainment within the system water will produce boiler “kettling”. It is
therefore recommended, if in any doubt, to consider the use of sealed systems
where possible.
2.7.2 Sealed Systems
Sealed systems must be designed in accordance with BS 5449 and BS 7074 Pt1.
A typical sealed system is shown in Figure 2.7.2. It must include :
(i) A safety valve fitted on the flow, adjacent to the boiler. It must be non
adjustable and preset to 3 bar. A drain pipe must be attached, at least as
big as the valve connection, and routed to drain in any area not
hazardous nor where it may be subject to freezing.
(ii) An expansion vessel complying with BS 4814 and sized in accordance
with the requirements of BS 5449 and BS 7074 Pt 1. The vessel must
be positioned on the primary return to the boiler. Table 2.7.2
Expansion Vessel Selection provides guidance for the correct expansion
vessel size to use.
(iii) A filling point, in accordance with local water authority requirements.
(iv) A method of system make-up (automatic or manual), in accordance with
local water authority requirements.
(v) There must be no permanent connection of mains water to the boiler
system.
(vi) The installation must be designed to work with flow temperatures of up to
110
o
C.
WD536 Chapter 2 - Boiler Location The Keston C45, C40P, C55 & C55P
Installation & Servicing Instructions Page : 11
C45
Rad. 2 Rad. 1
Minimum
9ft Height
Cylinder
Figure2.7.1 : Open Vented System Diagram
Valve
Valve
Expansion
Pipe
Expansion
Tank
28mm
Minimum
L/S
Valve
By-pass
FLOW
RETURN
Safety
Valve
or
C55
(See note 2.7.1)

All components of the system including the heat exchanger of the indirect cylinder
must be suitable for a working pressure of 3 bar and a temperature of 110
o
C.
Care should be taken in making all connections that the risk of leakage is
minimised.
0.1560.1090.0833
Multiplying factor for other system
volumes
46.832.725.0
300 litres
42.930.022.9
275 litres
39.027.220.8
250 litres
35.124.518.7
225 litres
31.221.816.7
200 litres
27.319.114.6
175 litres
23.416.312.5
150 litres
19.513.610.4
125 litres
15.610.98.3
100 litres
11.78.26.3
75 litres
7.85.44.2
50 litres
3.92.72.1
25 litres VolumeVessel ExpansionTotal Water Content of system
1.5 bar1.0 bar0.5 bar
Vessel charge & initial system
pressure.
3.0 bar
Safety Valve Setting
Table 2.7.2 Expansion Vessel Selection
WD536 Chapter 2 - Boiler Location The Keston C45, C40P, C55 & C55P
Installation & Servicing Instructions Page : 12
C45
Figure 2.7.2 : Sealed System Diagram
Expansion
Vessel Double Check
Valve
Air Vent
Hose
Union
bib tap
Hosepipe
( disconnected
after filling )
Hose
Connector
BS 1010:2
Stop Tap
Test Cock
Drain
Cock
HEATING CIRCUIT
RETURN
FLOW
Safety
Valve
By-pass
Bal.
Valve
L/S
or
C55

2.7.3 Hot Water System (if applicable)
The hot water storage vessel must be of the indirect type (certain direct cylinders
can be used provided they are suitably adapted by fitting an immersion calorifier).
DIRECT CYLINDERS MUST NOT BE USED. Further guidance is provided in BS
1394. It is advisable to fit a locksheild valve on the cylinder return to enable
balancing of the flow rate through the cylinder.
The Keston Spa range of stainless steel unvented cylinders are an ideal
option for use with the Keston range. The Keston Spa range combine
exceptional recovery times with durable, long life stainless steel
construction and all associated controls. Contact Keston Boilers Ltd for
information
2.7.4 Boiler By-pass Piping
Boiler water flows are critical to the operation of the boiler. If flow cannot be
maintained through the system piping to meet the minimums required by the
boiler, insufficient water flows through the boiler will cause the boiler to "kettle" or
even produce steam which can damage the heat exchanger and will invalidate the
heat exchanger warranty. In addition, an open circuit is required after boiler
shutdown to permit circulation during the boilers 2 minute pump overrun
sequence.
It is normally advisable to incorporate a boiler by-pass in the system, especially if
thermostatic radiator valves are used. The flow/return differential should be 10
o
C
to 20
o
C. To comply with the new Building Regulations Part L1 the bypass
must of the automatic type.
2.7.5 Balance Headers - Multiple Boiler Installations
Where multiple boilers are installed on a common distribution system
maintenance of balanced flow through each boiler is extremely important. The
implementation of a balance header, as detailed below, is recommended to
ensure adequate and balanced water circulation is maintained by each boilers
integral shunt pump, irrespective of system conditions.
The size of the balance header is dependant on the number of boilers serving the
header. A guide to sizing is given below:
Total Boiler Output (Max) Header Diameter
Up to 110kW 3”
Up to 220kW 4”
Up to 330kW 4.5”
Up to 440kW 5”
When assembling the balance header the following design considerations must
be observed:
A) Each boiler must have its own flow and return connections to the balance
header pipe. Common flow and return connections with the other boilers
will cause reverse circulation effects to occur.
B) The minimum distance between the system flow and return connections
is 600mm.
C) A drain off point should be fitted to the base of the header, along with
cleaning access, for sludge removal.
D) The top of the header should be vented.
2.7.6 Air Elimination
In the initial charge of water to the boiler system and in all subsequent additions
of water to the system some air will be dissolved in the water. As the water is
heated the air is driven out of the solution and will collect in high spots in the
system. These air bubbles can interfere with pumping and heat transfer and
must be eliminated.
WD536 Chapter 2 - Boiler Location The Keston C45, C40P, C55 & C55P
Installation & Servicing Instructions Page : 13

Installation of air bleed valves at the high spot(s) in the system will allow for air
elimination when filling the system and will allow re-venting in a day or so after all
air has been driven out of solution.
2.7.7 System Pump Selection (if required)
The C45, C40P and C55(P)
feature an integral circulating
pump which has sufficient
excess head to drive most
domestic systems. The
available head is indicated in
the chart below. If the system
index circuit resistance, at the
desired flow rate, is in excess
of the available head from the
integral pump an additional
system pump will be required.
The schematic above
illustrates a recommended
approach to using an
additional system pump. The
additional system pump should
be sized to overcome the index
circuit resistance only as the
boilers integral pump will
overcome boiler resistance.
If an additional pump is
required the selected pump
must comply with BS 1394.
2.8 FLUE SYSTEM
2.8.1 Design
Individual air supply and flue outlet pipes are used. The material used for flue
outlet &/or air inlet must be muPVC to BS5255 and/or BSEN1566-1 and
BSEN1329 of an internal diameter of 51 mm. (i.e. nominal 50 mm diameter
muPVC solvent weld waste pipe). Marley muPVC Solvent Weld Waste System
(50mm) and Polypipe System 2000 muPVC Solvent Weld Waste (50mm) are
recommended systems. DO NOT USE ABS PIPE OR FITTINGS.
WD536 Chapter 2 - Boiler Location The Keston C45, C40P, C55 & C55P
Installation & Servicing Instructions Page : 14
Fig 2.7.7 Available Pump Head Graph
10 20 30 40 50 60
1.0
2.0
3.0
4.0
5.0
6.0
Water Flow - L/min
Static Pressure - m WC
8.0
7.0
C45/C55
Additional system
pump.
Primary flow
Primary Return
Expansion
Vessel
Safety
Valve AAV
42mm
Header

Alternatively, where flue or air intake
lengths of up to 45m are require,
Glynwed Friatec DN70 pipe may be
used.
Both 50mm flue outlet terminal and
50mm air inlet terminal are supplied
and are illustrated in Figure 2.8.1.
Both terminals are identical. The
flue and air terminals must be fitted
to the appropriate duct using solvent
weld adhesive. If 75mm terminals
are required these can be obtained
from your Keston Boilers stockist.
Request part numbers
C.17.2.26.00.0 (terminals) and
C.17.2.00.60.0 (50 to 75 adapters).
2.8.2 Maximum Lengths
The maximum lengths of both air inlet pipe and flue outlet pipe, when no bends
are used, are as detailed below.
50mm 75mm
Maximum Air Inlet Length : 29.0 m 89.0 m
Maximum Flue Outlet Length : 15.0 m 45.0 m
Maximum Total Flue and Air Intake Length : 30.0 m 90.0 m
However, each bend used has an equivalent length that must be deducted from
the maximum straight length stated above. Knuckle bends must not be used.
A 92.5
o
sweep elbow is equivalent to 1.0m straight length.
Example (assuming 50mm muPVC flue and air pipework):
Air inlet uses two 92.5
o
sweep elbows. Hence, maximum length permissible (i.e.
a+b in figure
2.8.2) = 29.0m
- 1.0m - 1.0m
= 27.0m
Flue outlet
uses one 92.5
o
sweep elbow.
Hence,
maximum
length
permissible
(i.e. c+d in
figure 2.8.2) =
15.0m - 1.0 m
= 14.0m
WD536 Chapter 2 - Boiler Location The Keston C45, C40P, C55 & C55P
Installation & Servicing Instructions Page : 15
Flue Outlet/Air Inlet Terminals
Figure 2.8.1 : Terminals
FLUE
AIR
c
d
a
Figure 2.8.2 : Flue & Air Maximum Length Example
b
C45 or C55

2.8.3 Boiler Output vs Flue Length
Due to the resistance presented by extended flue length a slight reduction in
maximum boiler output will occur where flue lengths in excess of 8m (50mm
muPVC), or 24m (Friaphon DN70) are used. In such cases the boiler output will
be reduced by 1% per additional 1m (50mm muPVC) and 1% per additional 3m
(Friaphon DN70).
2.8.4 Slope
'Horizontal' flue outlet pipework
MUST slope at least 3.5 degrees
(61 mm per metre run)
downwards towards the boiler
where 50mm muPVC pipe is
used. In the event 75mm Friatec
pipe wise used a slope at least 2
degrees (35mm per metre run)
can be used. Pipework can be
vertical. Only swept elbows can
be used.
Air inlet pipework can be truly
horizontal or vertical, or sloping in
a downward direction towards the
boiler but in this case rain, etc.,
must be prevented from entering
the pipe. There must be no
troughs in any of the
pipework, whether it be air
inlet or flue outlet.
Due the low temperature of the flue gases further condensate will form within the
flue system. Drain points, with suitable traps, must therefore be incorporated
within the flue system at the base of vertical flue sections in excess of 3m, for
50mm muPVC pipe flue systems. These additional condensate drains must be
run to discharge as detailed in section 2.11. Such drain points can be formed
using standard plastic fittings. Refer to the example in Figure 2.8.3.
2.8.5 Terminations
Air inlet terminals must be facing horizontally or downwards to prevent entry of
rain into the terminal and positioned to ensure only fresh air is drawn into the
boiler. The air terminal must be located outside of the building.
Drawing of combustion air directly from a ventilated boiler room invalidates the
heat exchanger warranty.
The flue outlet terminal is designed to face outwards but can, if desired, be
adapted to face in any direction BUT must not be directed in the region of the air
inlet.
The two terminals are subject to the requirements of BS 5440 Pt 1 for clearances
from features of the building although some can be decreased to the values
indicated.
The Keston C45, C40P and C55(P), as with any condensing boiler, will
generate a condensate “plume” from the flue terminal in all weather
conditions. Consideration must therefore be given to the effect of this
“plume” when selecting a location for the flue terminal.
It is advisable for horizontal flue terminals to place a 45
o
elbow at the end of the
flue to direct the condensate plume up and away from the property.
WD536 Chapter 2 - Boiler Location The Keston C45, C40P, C55 & C55P
Installation & Servicing Instructions Page : 16
6 in min.
Figure 2.8.3 :
Flue Condensate Drain
Point Example
Tee Fitting
To Boiler
To Terminal

300300L Horizontally from terminal on same wall.
1,5001,500K Vertically from terminal on same wall.
1001,200J From opening in a car port.
1,2001,200I From terminal facing a terminal.
100600H From surface or boundary line facing a
terminal
100200G Above ground or balcony or roof.
50200F From internal or external corner or
boundary lines
5075E From vertical drain or soil pipes.
50200D Below balconies or car port roof.
50200C Below eaves (unventilated)
7575B Below gutters, soil pipes, drain pipes.
50300A Below or beside openable window, air brick,
etc.
Air
Inlet
Flue
Terminal
Dimensions (mm)
Table 2.8.5 Minimum Flue Terminations & Air Inlet Dimensions
2.8.6 Clearances From Wall
Flue outlet and air inlet terminations must be at least 40 mm from the wall face.
2.8.7 Distance Between Flue Outlet & Air Inlet
There is no maximum - the terminations must not be on opposite sides of the
dwelling but can be in areas of unequal pressure
A minimum clearance of at least 300mm must be left between the terminations
and the flue terminal must be directed away from the air intake terminal.
2.8.8 General Installations
All parts of the system must be constructed in accordance with BS 5440 Part 1,
except where specifically mentioned in these instructions.
All pipe work must be adequately supported.
All joints other than push-on or plastic compression connectors must be made
and sealed with solvent cement suitable for muPVC pipes and conforming to BS
6209: 1982.
Consideration must be given to Corgi/Gas Safe bulletin TB200/TB008 regarding
flues in voids.
The boiler casing must always be correctly fitted to the boiler when leaving the
appliance operational.
External wall faces and any internal faces of cavity walls must be made good. For
50mm muPVC terminals, rubber collars are available for flue and air terminals to
finish the external wall face around the terminals (Part No C.08.0.00.07.0)
2.9 AIR SUPPLY
The C45, C40P and C55(P) are room sealed appliances and therefore do not require
purpose provided ventilation to the boiler room for combustion air.
2.10 COMPARTMENT INSTALLATION
The C45, C40P and C55(P) models operate with very low heat emission levels. As a
results the boilers can be installed in a compartment without ventilation.
WD536 Chapter 2 - Boiler Location The Keston C45, C40P, C55 & C55P
Installation & Servicing Instructions Page : 17

2.11 CONDENSATE DRAINAGE
Being a condensing boiler, the C45, C40P and C55(P) are fitted with a condensate trap at
the base of the heat exchanger and flue assembly, with facility to connect to a drain point
underneath the appliance.
The connection to the boiler condensate outlet and the condensate discharge pipe work
within the dwelling must be sealed.
Use only plastic piping and do not reduce below 15 mm internal diameter within the
dwelling. Condensate should preferably be drained into the sanitary waste system or,
alternatively, the rainwater system of the property in most cases. Ensure in all cases that
the disposal of the condensate is in accordance with any local regulations in force.
Termination of the pipe must be either at a branch or stack internal to the house, or
externally at an open gully. Alternatively, discharge into a purpose made condensate
soakaway can be considered. Existing or purpose built drains must use suitable corrosion
resistant material as condensate is mildly acidic.
A minimum slope downwards towards the drain of 1 in 20 is essential. Freezing of the
termination and pipework must be prevented. Any drainage pipes outside the property
must be at least 32 mm inside diameter.
WD536 Chapter 2 - Boiler Location The Keston C45, C40P, C55 & C55P
Installation & Servicing Instructions Page : 18

3. INSTALLATION OF THE BOILER
Read Chapter 2 - Boiler Location and decide upon the position of the boiler.
Installation of the boiler is straightforward but consideration must be given to access to allow flue
and air pipes to be pushed through walls and ceilings. The order in which the components are
installed will depend upon particular site conditions, but in general it will be easiest and most
accurate to install the boiler and then build up the flue outlet and air inlet pipes to the terminal - this
is the sequence described.
3.1 WALL MOUNTING BRACKET
a Place the bracket
on the wall
horizontally with
the pre-drilled
holes at the
bottom and
position as
dictated by the
template supplied
within the boiler
packaging.
b Drill through the
centre hole of the
bracket, plug the
hole and fix in
position.
c Using a spirit level
make sure the
bracket is
completely level
and mark the
position of the
other screw holes.
d Remove the
bracket and drill
the holes in the positions marked. Plug these holes.
e Screw the bracket to the wall using screws of an appropriate size for the wall type
(No. 12 x 2 inch wood screws normally suffice).
3.2 MOUNTING THE BOILER
a Lift and locate the boiler in the studs protruding from the wall bracket.
b Fix the boiler on the bracket studs using the nuts and the washers supplied.
3.3 ASSEMBLY PRACTICE
Remove all plastic debris and burrs when installing air intake piping. Plastic filings caused
by cutting muPVC pipe must not be allowed to be drawn into the combustion air blower.
Prevent dust entering the air intake when cutting on building sites. Blower failure which is
determined to be caused by plastic filings or other debris will not be covered by guarantee.
3.4 INSTALLING FLUE AND AIR PIPES
WHEN INSTALLING A REPLACEMENT BOILER, A NEW FLUE SYSTEM
MUST BE FITTED. DO NOT RE-USE THE ORIGINAL FLUE SYSTEM.
NB: When installing the boiler for the first time or ever, assemble the flue spigot
with the flue spigot nipple (50mm muPVC - see the accessories bag).
WD536 Chapter 3 : Installation The Keston C45, C40P, C55 & C55P
Installation & Servicing Instructions Page : 19
All dimensions in mm.
Figure 3.1 Wall Mounting Fixing Locations
190

Remember the flue pipe must slope downwards back towards the boiler and this
is best achieved using 92.5
o
bends.
a Using the template supplied within the boiler packaging mark the
positions of the two holes for the flue and air pipes on the wall(s) or
ceiling.
b Drill the two holes in the wall/ceiling, preferably using a core drill.
c Measure, cut and check the air and flue pipes to pass to the exit from the
wall(s) or ceiling.
Always thoroughly deburr all pipes and, most important, remove shavings from
within the pipe.
d Mount the boiler on the wall bracket and fix the flue and air spigots
(packed loose with the boiler and with appropriate gaskets) to the boiler
flue and air outlet connections (the flue spigot incorporates a combustion
test plug) tightly to ensure there is no leakage. Assemble, using adhesive,
the pipework from the boiler connections to the exit from the first
wall/ceiling (remount the boiler if removed). When pushing pipe through
walls, ensure grit and dust is not allowed to enter the pipe.
Ensure pipes are fully engaged into sockets.
Connect the condensate drainage system and fill the condensate
trap by pouring water down the boiler flue spigot ( See Section 3.5
Condensate Drainage).
e Using the same methods drill any further holes (always covering existing
pipework), cut and assemble the pipework.
f From outside, complete the two terminations - See Section 2.8 Flue
System and make good all holes.
g Support any pipes whose route could be displaced either of its own
accord or by accident. Any horizontal run over 1m or vertical runs of any
length must always be supported. Brackets should be placed at intervals
of approximately 1m.
h Check all connections for security and re-seal any joints using solvent
cement where soundness may be in doubt.
Note: It is equally important to seal the air inlet with solvent cement as the flue
outlet pipe joints.
3.5 CONDENSATE DRAINAGE
NB: When installing the boiler for the first time or ever, consider:
Condensate Trap Assembly
The condensate trap is fitted loose inside the cabinet.
i) remove the nut from the condensate trap spigot;
ii) fit the condensate trap through the two holes in the bottom of the
frame;
iii) replace the nut from the frame bottom
Connect the condensate drainage system to the boiler. It is advisable to use a detachable
fitting at connection to the boiler to enable easy removal for servicing.
Fill the condensate trap by pouring water into the boiler flue spigot until water is seen to
flow freely from the condensate drainage system. Make the final connection of flue pipe to
the boiler.
Details are provided in Chapter 2 - Section 2.11 Condensate Drainage
Connection : 22 mm plastic pipe.
WD536 Chapter 3 : Installation The Keston C45, C40P,C55 & C55P
Installation & Servicing Instructions Page : 20

3.6 WATER SYSTEM
Connect the flow and return pipework to the boiler. Details of system requirements are
given in Chapter 2 - Section 2.7 Water Systems.
Connections : 1” BSPF
For optimum performance after installation, this boiler and its associated central heating
system must be flushed in accordance with the guidelines given in BS7592:1992,
"Treatment of water in domestic hot water central heating systems".
This must involve the use of a proprietary cleaner, such as Fernox Superfloc, or
BetzDearborn's Sentinel X300 or X400. Full instructions are supplied with the products,
but for immediate information, please contact Fernox on 01799 550811 or BetzDearborn
on 0151 420 9563.
For long term protection against corrosion and scale, after flushing, it is recommended
that an inhibitor such a Fernox MB1 or BetzDearborn's Sentinel X100 is dosed in
accordance with the guidelines given in BS7593:1992.
3.7 GAS SUPPLY
Connect the gas supply to the appliance. Details of gas supply requirements are given in
Chapter 2 - Section 2.6 Gas Supply. Supply of adequate gas pressure (with the boiler
running) is critical to ensure reliable operation of the boiler.
Connections : 0.75 inch BSPF.
3.8 ELECTRICAL SUPPLY
The entry point(s) for the electrical supply cable(s) is in the base of the appliance (see
Section 2.2 Service Connections fig. 2.1.2) via two cordgrip bushes. Feed the cable(s)
through its bush and route inside the cabinet to the connection strip located to the front
bottom left of the cabinet.
1. The electrical supply must be as specified in Chapter 2 - Section 2.4 Electrical
Supply.
WARNING : THIS APPLIANCE MUST BE EARTHED.
2. All external controls and wiring must be suitable for mains voltage. Supply wiring
should be in PVC insulated cable not less than 1.0mm
2
to BS 6500 Table 16
(material code H05VV-F).
3. The permanent live supply connection may be via a 3 amp fused double pole
switch, serving only the boiler. (Refer to Chapter 2 - Section 2.4 Electrical Supply).
The system controls for the boiler must also be supplied via this isolator.
4. Securely tighten the terminal screws and route the cable(s) through the
re-openable cable clips. Ensure all cables are secured and that the cord grip bush
is tightened to securely grip the main cable at entry to the cabinet. Remove the
factory fitted link wire between the room thermostat terminals on the boiler.
The supply cable(s) must be connected to the main terminals as follows:-
N - Blue wire (Neutral) for 3A permanent
L - Brown wire (Live) 3A permanent supply
- Yellow/Green Wire (Earth)
SL1 - 230V Switched Live Signal 1 - Room Thermostat
SL2 - 230V Switched Live Signal 2 - DHW Thermostat
1,2&E - Optional outside temperature sensor for weather
compensation.
3,4 - Optional Chronotherm with open therm protocol. This is
ideal for heating only systems.
Ensure connection is made such that if the cable slips in its anchorage the current
carrying conductors become taut before the earthing conductor.
WD536 Chapter 3 : Installation The Keston C45, C40P, C55 & C55P
Installation & Servicing Instructions Page : 21

3.9 EXCHANGING A BOILER
Before removing an existing boiler add Fernox Supafloc , or equivalent cleaning agent, in
accordance with the manufacturers’ instructions. Open all radiator valves and fire the
boiler. When the system is fully heated, shut off the gas supply and drain down the central
heating system.
Important
The C45, C40P and C55(P) condensing boilers contain components which could be
damaged or blocked by grease, dirt or solder etc. It is essential that sludge or scale is
removed from an existing system.
The guarantee provided with the Keston C45, C40P and C55(P) does not cover damage
caused by system debris or sludge.
Connect the new boiler as instructed in this manual and fit in accordance with Sections
3.1 to 3.8
For sealed systems, fill to a pressure of about 2.7 bar. Check the complete system for
water soundness. If leaks need to be rectified using flux or solder the system must be
flushed cold again before proceeding.
Reduce the pressure to the Initial System Design Pressure for sealed systems, if
applicable. Vent the system.
Gas Supply
The complete gas installation up to the boiler service cock must be checked for
soundness. BS 6891.
Electrical Installation
Carry out preliminary electrical safety checks, i.e. Earth continuity, Polarity, Resistance to
Earth, Short Circuit and earth loop impedance using a suitable test meter.
Initial Firing
The gas pressure setting is factory adjusted to within the required range and does
not need readjustment. If the reading is incorrect then check such factors as soundness
of the air and flue pipe joints, pressure sensible joints and the gas inlet pressure
(minimum 18 mbar required for Natural Gas and 31 mbar required for LP gas). If all joints
are sound and the gas inlet pressure is satisfactory set the gas pressure check the gas
input. Full details of this procedure are given in Section 4.9 Timing The Gas Meter.
Combustion Testing
It is advisable on all installations that the combustion quality is checked by measuring the
carbon dioxide (CO
2
), or oxygen (O
2
), level. This procedure is detailed in Section 4.7
Combustion Testing. Badly tuned combustion will lead to reduce the life of the boiler and
invalidate the warranty.
WD536 Chapter 3 : Installation The Keston C45, C40P,C55 & C55P
Installation & Servicing Instructions Page : 22

4. COMMISSIONING OF THE BOILER
Important:
This condensing boiler contains components which could be damaged or blocked by grease, dirt,
solder etc., from the water system. The following commissioning procedures must be followed
precisely.
It is essential that combustion is checked at high and low rate , as per Section 4.7, using a
calibrated flue gas analyser set for the relevant gas type.
4.1 INITIAL FLUSHING
All waterways within the Keston C45 and C55 are either copper, high alloy stainless steel
or aluminium. As a result water treatment chemicals for central heating boilers such as
Fernox MB1, Sentinel X100 or equivalent, are suitable. In any event reference must be
made to BS 7593 : Treatment Of Water In Hot Water Central Heating Systems.
a. Disconnect the boiler from the system at the flow and return connections and
temporarily link the flow and return pipes on the system.
b. Flush the entire system until clean water is discharged, free from dirt, flux, solder
etc. The use of a flushing chemical is recommended, e.g. Fernox Supafloc, or
equivalent.
Sludge and scale must be removed from an existing system. Boiler failure due to
system debris or sludge shall invalidate the guarantee.
c. Connect the system to the boiler and fill in accordance with Section 2.7 - Water
Systems. At this stage, for sealed systems, fill to a pressure of about 2.7 bar.
d. Check the complete system for water soundness. If leaks need to be rectified
using flux and solder, the system must be flushed cold again before proceeding.
e. Reduce the pressure to the Initial System Design Pressure for sealed systems, if
applicable. Vent the system
4.2 GAS SUPPLY
The complete gas installation up to the boiler service cock must be checked for
soundness. BS 6891.
4.3 ELECTRICAL INSTALLATION
Carry out preliminary electrical safety checks, i.e. Earth continuity, Polarity, Resistance to
Earth, Short Circuit using a suitable test meter.
4.4 LP GAS
The Keston C45, C40P and C55(P) are supplied preset for the gas designated on the
boiler packing. No field conversion is possible. LPG installations must use C40P and
C55P models only.
4.5 INITIAL FIRING
Important
Checking the gas pressure to the pre-mix burner requires a special procedure, outlined
below, which must be carried out.
a. Purge the gas supply in accordance with BS 6891.
b. Vent the water system.
Important:
The heat exchanger consists of crossflow tubes which can trap an air pocket.
Great care must be taken to ensure that water flow has been established through
the heat exchanger and thus ensuring no air pockets remain in the heat
exchanger and pipe work. Firing the boiler while an air pocket exists in the heat
exchanger could damage it.
c. Turn the gas service cock to ON.
d. Turn on the electrical supply, setting any external controls to call for heat.
WD536 Chapter 4 : Commissioning The Keston C45, C40P, C55 & C55P
Installation & Servicing Instructions Page : 23

e. Adjust the upper rotary control knob, central heating temperature, to the
maximum clockwise position. Adjust the lower rotary control know, DHW
temperature, to the maximum clockwise position.
Once a demand is received the left hand digit of the boiler display will change to
“1” to indicate the boiler has entered the 10 second pre-purge phase. During this
phase the boiler fan and pump will start to run. The digit will then change to “2” to
indicate ignition is taking place whilst the gas valve is opened and the spark
generated. Once the gas has ignited at the main burner the left hand digit will
change to “3” or “4” (depending on demand received) to show the boiler is alight.
If an air lock or other blockage is present the unit may go to overheat or water
pressure lockout. This will be indicated by the first digit of the display showing “9”
and a flashing error code starting with “b”. If this occurs clear the blockage and/or
purge the air from the system, and press the “Reset” button to restart the ignition
sequence.
If ignition does not occur, the boiler, at approximately 20 second intervals, will
make four further attempts to light the burner.
If after five automatic attempts the boiler still fails to ignite, the display will show
the code “E 02” indicating no ignition.
If, after five manual attempts (to allow for purging of any air in the gas line), the
boiler still fails to ignite (indicated by the red (lockout) lamp) refer to Section 5.3 -
Fault Modes.
f. Check for gas soundness between the gas service cock and connection to
the burner manifold.
4.6 HOT FLUSHING
a. Allow the system to heat up, checking for water soundness.
b. Follow instructions provided with the cleaning agent, i.e. Fernox Supafloc, or
equivalent. Turn off the boiler and flush the water system while still hot.
Thoroughly flush the system with clear water.
c. Refill the system using a quality water treatment such as Fernox MB1 or Sentinel
X100. For sealed systems, fill to the required Initial Design Pressure.
4.7 COMBUSTION TESTING
Competence to carry out the check of combustion performance
PLEASE NOTE: BS 6798:2009 Specification for installation and maintenance of gas fired
boilers of rated input not exceeding 70kW net advises that:
The person carrying out a combustion measurement should have been assessed as
competent in the use of a flue gas analyser and the interpretation of the results;
The flue gas analyser used should be one meeting the requirements of BS7927 or
BS-EN50379-3 and be calibrated in accordance with the analyser manufacturers’
requirements, and
Competence can be demonstrated by satisfactory completion of the CPA1 ACS
assessment which covers the use of electronic portable combustion gas analysers in
accordance with BS 7967, Parts 1 to 4.
Although the gas pressure is preset at the factory it is required to assure proper
combustion by measuring gas input and the level of carbon dioxide, or oxygen and carbon
monoxide, in the flue outlet from the boiler. Over firing or under firing the burner will
reduce the longevity of the appliance and may result in excessive carbon monoxide levels.
Carbon dioxide and carbon monoxide are colourless, odourless gases produced by all
combustion processes. When the Keston condensing boiler is operating properly, carbon
dioxide (CO
2
) levels will be between 8 & 8.2% (C45 low rate), 8.3 & 8.5% (C55 low rate),
8.2 & 8.7% (C45 high rate) and 8.6 & 9% C55 (high rate) and carbon oxide (CO) levels will
be between 5 to 20 ppm (low rate) and 50 to 150 ppm (high rate) for natural gas. For LP
gas, carbon dioxide (CO
2
) levels will be between 9.3 & 9.5% (C40P low rate), 9.6 & 9.8%
(C55P low rate), 9.8 & 10.3% (C40P high rate) and 10 & 10.5% (C55P high rate) and the
carbon monoxide will be between 5 & 20 ppm (low rate) and 50 & 150 ppm.
In any event, the CO
2
level at low rate must ALWAYS be less than CO
2
levels at high rate.
WD536 Chapter 4 : Commissioning The Keston C45, C40P, C55 & C55P
Installation & Servicing Instructions Page : 24

To measure CO
2
levels in the Keston boiler remove the 1/8" plug from the flue outlet pipe
spigot (Figure 5.7.4 item 18). Insert the probe of a calibrated combustion analysis meter
and sample the gases as instructed in the test equipment's instructions.
When firing the boiler for the first time since installation, the CO level at high rate may be
between 100-220 ppm and between 50-80 ppm at low rate. This is due to compounds
used during manufacture curing within the combustion chamber. On boilers which have
been fired for more than one hour since installation, the CO levels should not exceed 150
ppm at high rate and 50 ppm at low rate. If CO levels above these values are
experienced, the combustion chamber and flue system should be investigated.
The C55 & C45 are factory set for combustion and should need no adjustment. However,
in the event adjustment is required.
Check combustion errors are not a result of incorrectly installed flue and/or air system,
terminal location or damage or debris on the burner. If all these factors are found to be in
order proceed as follows:
1) Set any controls to call for heat.
2) Set the boiler to run at maximum / minimum fan speed. To do this is necessary to
access the hidden buttons (behind the “KESTON” label under the display). There are five
buttons, which are used to adjust settings and provide additional boiler information. The
drawing below shows the layout of these buttons and their function.
To set the fan to maximum.
Press the “Mode” button repeatedly until the display shows “Stby”.
Press and hold the “Mode” and “+” key together for 2 seconds. The display will
then show “H nn”. The unit is now locked on max fan speed.
3) Measure the CO
2
reading in the flue gases and adjust, if necessary, the
adjustment screw (pos. 5) to produce a CO
2
reading of 8.2% to 8.7% for C45 and 8.6% to
9% for C55 with a corresponding CO level of 50 to 150 ppm for natural gas and 9.8% to
10.3% for C40P and 10% to 10.5% for C55P with a corresponding CO level of 50 to 150
ppm for LPG. NORMAL ADJUSTMENT, IF REQUIRED, SHOULD NEED NO MORE
THAN HALF OF ONE ROTATION OF THE ADJUSTMENT SCREW (pos. 5).
ADJUSTMENTS, IF MADE, SHOULD BE IN STEPS OF NO MORE THAN 1/8 OF A
TURN. YOU MUST WAIT 1 MINUTE AFTER EACH ADJUSTMENT TO ALLOW THE
SETTING TO STABILISE BEFORE TAKING A READING
To set the fan to minimum
Press the “Mode” button repeatedly until the display shows “Stby”
Press and hold the “Mode” and “-“ keys together for 2 seconds. The display will
then show “L nn”. The unit is now locked on min fan speed.
4) Measure the CO
2
reading in the flue gases. The CO
2
reading must be 8% to 8.2%
for C45 and 8.3% to 8.5% for C55 with a corresponding CO level of 5 to 20 ppm for
natural gas and 9.3% to 9.5% for C40P and 9.6% to 9.8% for C55P with a corresponding
CO level of 5 to 20 ppm for LPG. THE CO2 LEVEL AT LOW RATE MUST ALWAYS BE
WD536 Chapter 4 : Commissioning The Keston C45, C40P, C55 & C55P
Installation & Servicing Instructions Page : 25

LESS THAN THE CO2 LEVEL AT HIGH RATE. ADJUSTMENTS, IF MADE, SHOULD BE
IN STEPS OF NO MORE THAN 1/8 OF A TURN. YOU MUST WAIT 1 MINUTE AFTER
EACH ADJUSTMENT TO ALLOW THE SETTING TO STABILISE BEFORE TAKING A
READING
If following the above procedure, combustion levels described above at both high
and low rate could not be obtained, please turn off the appliance and isolate the
gas to the appliance. Telephone KESTON BOILERS technical support (phone no.
0208 462 0262)
To revert to normal modulation
Press the “Mode” button repeatedly until the display shows “Stby”
Press and hold the “+” and “-“ keys together for 2 seconds.
4.8 CHECKING THE GAS PRESSURE
The gas setting is factory
adjusted to within the
required range and should
not need adjustment. If the
reading is incorrect then
check such factors as
soundness of the air and flue
pipe joints and the gas inlet
pressure (pos. 3) (minimum
18 mbar required for natural
gas, minimum 31 mbar
required for LP gas).
If all joints are sound and
the gas inlet pressure is
satisfactory check the gas
input by timing the gas
meter as detail in Section
4.9 Timing The Gas Meter.
If the gas input cannot be measured then it’s
compulsory to measure the combustion quality as detail in Section 4.7 Combustion
Testing.
4.9 TIMING THE GAS METER
After the boiler has been started, and with no other appliances using gas, time the gas
meter to be certain that the unit is running at the proper gas input. Determine the cubic
feet of gas passing through the meter and determine the input in Btu per hour. Input must
be within plus or minus 5% of the rated input.
Time, in seconds, the time taken to pass 2 cubic feet of gas through the meter (i.e. one
revolution of a 2 cu ft dial) or 0.1 cubic metres if the meter is of the new metric digital type.
Model Time for 2 cu ft Time for 0.1 cu m
C45 (natural gas) 48 85
C40P (LPG) 125 221
C55 (natural gas) 39 68
C55P (LPG) 105 185
If the meter timing is found to be incorrect when the boiler is firing at maximum rate
contact Keston Boilers Ltd for further guidance.
WD536 Chapter 4 : Commissioning The Keston C45, C40P, C55 & C55P
Installation & Servicing Instructions Page : 26

4.10 HANDING OVER TO THE USER
It is important to fully explain the following:
a. Procedure to light and turn off the boiler, including isolation of the electrical supply
if necessary.
b. The function of the lockout feature must be explained :
If the display shows “E 02” this means that the boiler has failed to light. Press the
“Reset” button and wait.
i) If lockout recurs immediately then the gas supply should be checked as
ON, otherwise consult a Service Engineer.
ii) If it is not possible to relight, the boiler must be isolated and a Service
Engineer called in to rectify the fault.
c. Advise that a reduction in the water pressure reading on the system pressure
gauge, for sealed systems, indicates a leak which should be rectified before
further use.
d. Advise that the appliance should be serviced by a competent person at least once
a year.
e. Advise on the frost protection and pump/fan exercise feature.
f. Hand over User Instructions.
Complete all sections of the Chapter 9 Gas Boiler Commissioning Checklist that are
relevant to the appliance installation. The details will be required in the event of any
warranty work.
g. Advise the user that a plume of water vapour (steam) from the flue terminal is
normal and that there is no need for concern.
WD536 Chapter 4 : Commissioning The Keston C45, C40P, C55 & C55P
Installation & Servicing Instructions Page : 27

5. FAULT FINDING
5.1 ELECTRICAL CONTROL SEQUENCE
When the external controls are calling for heat, power will be fed to the boiler connection
strip at terminals SL1 (Switched Live 1) &/or SL2 (Switched Live 2) and N (Neutral). If the
user control setting on the relevant knob is to a temperature less than the boiler flow
temperature the display will show “6 nn” where nn is the actual boiler flow temperature. If
the user control setting of the relevant knob is to a temperature above the actual boiler
flow temperature and provided all temperature thermostats and pressure switches are
closed the control PCB will initiate the following sequence.
(1) The fan will start.
(2) When the fan reaches running speed, the control PCB will start the ignition
sequence and the first digit of the display will show “1”.
(3) After a pre-purge period of about 10 seconds, the first digit of the display will show
“2”, the gas valve will open to allow gas to mix with the air at the suction side of
the fan and the ignition spark will occur at the main burner.
(4) When the burner ignites, the flame is detected by the control PCB through the
combined flame sensor/ignitor and the ignition spark is stopped. The first digit of
the display will show “3” or “4” depending on the external demand being served.
The boiler is now in its normal run condition.
(5) The boiler will automatically and continuously adjust its power output and pump
speed to best match the demands of the system at any time.
(6) The burner will continue to operate until the gas valve interrupts the gas supply.
The gas valve will be closed by the control PCB if power is interrupted to the
boiler by any external control or the boiler thermostat. If an interruption to the gas
supply causes loss of the flame, the control box will pause for approximately 10
seconds and then attempt to re-ignite the unit. If this attempt fails, i.e. due to
continued lack of gas supply, the boiler will make four further attempts to ignite at
intervals of approximately 10 seconds and will then go to a lockout state (the
display shows “E 02”). Once the gas supply has been resumed the boiler can be
reset by pressing the “Reset” button.
(7) The boiler can also be shut down by the cabinet temperature sensor or flue
overheat thermostat.
Any failure of the boiler to sequence in the above manner should be investigated using the
following trouble shooting flow diagram.
Before attempting any electrical fault finding, always carry out preliminary electrical system
checks. On completion of any service/fault finding task which has required the breaking
and remaking of electrical connections, the checks, earth continuity, polarity, short circuit,
resistance to earth must be repeated.
WD536 Chapter 5 : Fault Finding The Keston C45, C40P, C55 & C55P
Installation & Servicing Instructions Page : 28

QUICK REFERENCE
5.2 NORMAL OPERATION
The C45, C40P and C55(P) boilers feature a user display which shows actual flow temperature at
all times (the last two digits of the display) and a status number (the first digit) which identifies
what the boiler is doing at any given time. The table below shows the range of status codes which
will be displayed as part of normal boiler operation:
NORMAL OPERATION CODES
Temporary mode whilst boiler is adjusting internal settingsA nn Boiler pump is in DHW overrun mode (2 mins)8 nn Boiler pump is in Central Heating overrun mode (2 mins)7 nn Burner is off because the boiler is up to temperature6 nn Temporary mode whilst boiler is adjusting internal settings5 nn Boiler is alight and running in response to a demand from DHW (i.e. SL2)4 nn Boiler is alight and running in response to a demand from central heating (i.e. SL1)3 nn Boiler has opened gas valve and is sparking at ignitor2 nn Boiler is running fan prior to attempting ignition1 nn Boiler in standby waiting for demand signal0 nn MeaningDisplay
5.3 FAULT MODES
5.3.1 Automatic Lockout Avoidance
The boiler will react to adverse conditions in two ways. If the fault is not severe, or is not
persistent, the boiler will halt (or block) operation for a set time before it attempts to fire again.
During this block time the block code will be displayed, alternately with the code “9 nn”, where nn
is the boiler flow temperature.
BLOCK CODES
Waiting for fan to startB 65 Difference between flow and return temperatures too high. Check water circulationB 30 Incorrect signal from fan. Possible fan faulty.B 29 No signal from fan. Possible fan disconnected or faulty.B 28 Low water pressureB 26 Flow temperature climbing too quickly. Possible air lock or circulation blockageB 25
Return temperature exceeded flow temperature. Check pump direction on boiler
and any external pumps. Check wires on flow and return thermistors are not
crossed.
B 24 Return temperature exceeded 95
o
CB 19 Flow temperature exceed 95
o
CB 18 Reason for blockDisplay
WD536 Chapter 5 : Fault Finding The Keston C45, C40P, C55 & C55P
Installation & Servicing Instructions Page : 29

5.3.2 LOCKOUT
If the fault is persistent or more severe the boiler will lockout with a error code. When the boiler
has entered this error mode it will not attempt to restart until the “Reset” button is pressed.
ERROR CODES
Low water pressureE 44 Return thermistor open circuit - check/replace connections/thermistorE 37 Flow thermistor open circuit - check/replace connections/thermistorE 36 Return thermistor short circuit - check/replace connections/thermistorE 32 Flow thermistor short circuit - check/replace connections/thermistorE 31 Difference between flow and return temperatures too high. Check circulation.E 30 Fan not rotating - check fan connection and fan for fault.E 28 Flow temperature increased too quickly. Check water circulation.E 25 Maximum return temperature exceeded. Check circulation.E 19 Flow overheat - check water circulationE 18 Thermal fuse blown or flue overheat thermostat activated.E 12 Internal electronics error - rest or replace control boxE 11 Power has been reset whilst boiler was in lockoutE 04 Gas valve faulty or not connectedE 03
No ignition after restart. Check gas supply, gas valve operation and ignitor
electrode spark generation
E 02 Flame detected when not expected. Check boiler earth and probe condition.E 00 Description of faultDisplay
WD536 Chapter 5 : Fault Finding The Keston C45, C40P, C55 & C55P
Installation & Servicing Instructions Page : 30

5.4 FUNCTIONAL FLOW WIRING DIAGRAM
WD536 Chapter 5 : Fault Finding The Keston C45, C40P, C55 & C55P
Installation & Servicing Instructions Page : 31

5.5 ELECTRICAL WIRING DIAGRAM
WD536 Chapter 5 : Fault Finding The Keston C45, C40P, C55 & C55P
Installation & Servicing Instructions Page : 32

5.6 ILLUSTRATED WIRING DIAGRAM
WD536 Chapter 5 : Fault Finding The Keston C45, C40P, C55 & C55P
Installation & Servicing Instructions Page : 33

5.7 Exploded Assembly Diagrams
5.7.1 Boiler Controls Assembly
WD536 Chapter 5 : Fault Finding The Keston C45, C40P, C55 & C55P
Installation & Servicing Instructions Page : 34

5.7.2 Waterway, Condensate & Flue Assembly
WD536 Chapter 5 : Fault Finding The Keston C45, C40P, C55 & C55P
Installation & Servicing Instructions Page : 35

5.7.3 Air - Gas Assembly
WD536 Chapter 5 : Fault Finding The Keston C45, C40P, C55 & C55P
Installation & Servicing Instructions Page : 36

5.7.4 Casing Assembly
WD536 Chapter 5 : Fault Finding The Keston C45, C40P, C55 & C55P
Installation & Servicing Instructions Page : 37

5.7.5 Exploded Diagrams Parts Reference List
Boiler Controls Assembly (Fig. 5.7.1)
GC Number Code Description
E93-126 88 C55/C55P/C45 Main Control Box
(C.17.4.01.00.0 A)
E93-127 88 C40P Main Control Box
(C.13.4.03.00.0 A)
E93-130 106 Control Panel (C.17.4.02.00.0)
95 Terminal Block HV (C.17.4.41.00.0)
167 Terminal Block LV (C.17.4.42.00.0)
E72-401 109 Thermal Fuse (C.08.4.21.00.0)
E93-135 101 Ignitor Cable (C.17.4.07.00.0)
Waterway, Condensate & Flue Assembly (Fig. 5.7.2)
GC Number Code Description
E93-136 36 Heat Exchanger
(C.17.2.02.00.0)
E93-137 77 C55 Burner (C.17.2.01.00.1)
E93-138 77 C45/C40P/C55P Burner
(C.13.2.01.00.0)
E93-141 44 Burner Head Gasket (C.17.2.00.09.0)
E93-142 43 Ignitor Gasket (C.17.2.00.62.0 A)
E93-143 74 Spark Ignition Electrode
(C.17.2.29.00.0 A)
E93-144 56 Condensate Trap (C.17.2.07.00.4)
E93-145 47 Flow/Return Thermistor (C.17.2.04.00.0)
E72-332 46 Flue Overheat Stat (C.08.2.30.00.0)
114-045 48 Water Pressure Switch (B.04.2.23.00.0)
E93-146 52 Water Pump (C.17.2.06.00.0)
Air - Gas Assembly (Fig. 5.7.3)
GC Number Code Description
E93-147 73 Combustion Blower (C.17.3.01.00.3)
163 C45/C55 Gas Valve - Mixer Air Gas
Assembly (C.17.3.17.00.0)
163 C55P Gas Valve - Mixer Air Gas
Assembly (C.17.3.18.00.0)
163 C40P Gas Valve - Mixer Air Gas
Assembly (C.13.3.03.00.0)
Casing Assembly (Fig. 5.7.4)
GC Number Code Description
E93-150 8 Cabinet Cover (C.17.1.04.00.2 A)
3 C55 Databadge - NG (C.17.1.00.01.0)
3 C55P Databadge - LPG (C.17.1.00.02.0)
3 C45 Databadge - NG (C.15.1.00.01.0)
3 C40P Databadge - LPG (C.13.1.00.02.0)
E73-355 18 Combustion Test Plug (B.04.2.00.49.1)
WD536 Chapter 5 : Fault Finding The Keston C45, C40P, C55 & C55P
Installation & Servicing Instructions Page : 38

6. ROUTINE (ANNUAL) SERVICING
To ensure the continued safe and efficient operation of the boiler it is necessary to carry out
routine servicing at regular intervals. The frequency of the servicing will depend upon the particular
operating conditions, but it is recommended that an annual service should be carried out by a
qualified engineer.
It is the law that any service work must be carried out by competent qualified persons.
NB: When servicing ensure that the gas and electrical supplies to the boiler are isolated before
any work starts. It should be noted that setting the user controls to “Standby” does not
isolate the electrical supply and parts of the boiler will remain live.
Hazardous materials are not used in the construction of the C45, C40P and C55(P). However, due
care should be taken when handling boiler components.
All joints should be checked for soundness after servicing and before firing the appliance.
After servicing complete the Gas Boiler Commissioning Checklist - Service Interval Record
(Chapter 9). These forms (Chapter 9) should be kept in a safe place for the life of the boiler.
PLEASE NOTE: During routine servicing, and after any maintenance or change of part of
the combustion circuit, the following must be checked:
The integrity of the flue systems and flue joints, as described in Section 3.4
The integrity of the boiler combustion circuit and the relevant seals
The operational (working) gas inlet pressure at maximum rate, as described in
Section 4.8
The gas rate, as described in Section 4.9
The combustion performance, as described in Section 4.7
6.1 Pre-Service Checks
It is recommended that an inspection should be carried out prior to shutting down the unit
for servicing. Remove the front cover by removing the screws retaining the top and
bottom. The following items should be observed:
a. Smooth starting and running of the blower.
b. Smooth lighting of the burner.
c. Check for leakage of gas, gas/air or combustion products.
d. Check for condensate leaks.
f. Check that the boiler does not enter “blocks” in operation whilst running (indicated
by the display alternating between “9 nn” and “B nn”, where nn indicated either the
flow temperature or the block code). If so refer to section 5.2 and section 5.3 for
details of code meanings and rectify.
g. Check for water soundness.
h. Inspect the flue vent and air intake pipework. Joints must be sound and all
pipework well bracketed.
i. Check that there is a steady fall back to the boiler from the flue pipe to allow
condensate to run back into the boiler.
j. With the boiler operating at a low return temperature (i.e. less than 50
o
C) check
that the condensate flows freely from the condensate line.
6.2 Recommended Routine Service
a. Remove the outer case by first removing the securing screws at the top and
bottom of the appliance.
WD536 Chapter 6 : Servicing The Keston C45, C40P, C55 & C55P
Installation & Servicing Instructions Page : 39

b. Remove the burner head (Section 7.6) and inspect the burner appearance. Black
markings or other discoloration's on the gauze indicate too much gas or a lack of
air possibly due to a blocked air inlet. Any breakage's or damage to the burner
mesh indicate the burner must be replaced.
c. If necessary clean the burner with a mild household detergent and rinse under a
hot running tap.
d. If necessary, from visual inspection, clean the heat exchanger using a suitable
stiff plastic bristle brush, vacuum out any large particles and flush the heat
exchanger with fresh water until the water flowing from the condensate drain is
clear.
e. Remove the condensate trap (Section 7.8) and clean by flushing through with
clean running water.
f. Check the electrode assembly mounted on the heat exchanger. If the point is
damaged or burnt replace it.
Check that the spark gap measures 3 mm.
g. Replace the burner head, renewing the gasket if necessary, and reconnect the
gas/air supply. Ensure the flanged gas/air supply joint is air tight.
h. Turn on the electrical supply to the boiler and allow the boiler to reach operating
temperature levels.
i. Remove the combustion test point plug from the flue pipe. This is situated on the
flue spigot out of the cabinet.
j. Carry the full procedure detailed in section 4.7 COMBUSTION TESTING -
MANDATORY
k. Replace the combustion test point plug.
l. Recheck the burner pressure by following the procedure detailed in Section 4.7.
m. Check all joints for soundness up to the gas burner.
n. Complete the Gas Boiler Commissioning Checklist - Service Interval Record
(Chapter 9).
WD536 Chapter 6 : Servicing The Keston C45, C40P, C55 & C55P
Installation & Servicing Instructions Page : 40

7. REPLACEMENT OF PARTS
CONTENTS
7.0 GENERAL
7.1 PRECAUTIONS
7.2 ACCESS
7.3 REPLACEMENT PROCEDURE
7.4 ELECTRICAL COMPONENTS
7.4.1 CONTROL PANEL
7.4.2 BOILER FLOW & RETURN THERMISTORS
7.4.3 CABINET TEMPERATURE SENSOR
7.4.4 FLUE PROTECTION THERMOMSTAT
7.4.5 WATER PRESSURE SWITCH
7.4.6 MAIN CONTROL BOX
7.4.7 COMBUSTION BLOWER
7.4.8 GAS CONTROL VALVE / VENTURI ASSEMBLY
7.5 SPARK IGNITION/FLAME DETECTION ELECTRODE
7.6 BURNER
7.7 HEAT EXCHANGER
7.8 CONDENSATE TRAP
7.9 PUMP
7.0 GENERAL
The following must always be carried out by a competent/qualified person.
7.1 PRECAUTIONS
i) Always switch off the mains electricity supply and disconnect the plug at the
isolating switch and socket. (If a switch only is used then remove the fuse.)
ii) Gain access to the appliance (Section 7.2) and turn off the gas supply at the
appliance service cock.
WARNING : Parts of the boiler internal wiring will remain live even after setting
the User Controls to Standby. Shut off the power supply at the
isolating switch before working on the appliance.
7.2 ACCESS
i) Remove the cabinet by removing the screws to the top and bottom of the cabinet.
7.3 REPLACEMENT PROCEDURE
i) Always replace in the reverse order unless otherwise stated.
ii) Electrical connections must be remade in accordance with the Electrical Wiring
Diagram (Section 5.5).
iii) Test the soundness of any gas carrying or water carrying joint broken during the
service procedures.
7.4 ELECTRICAL COMPONENTS
7.4.1 Control Panel (Fig. 5.7.1 item 106)
i) Isolate the appliance (Section 7.1)
ii) Gain access (Section 7.2)
iii) Remove the user control cover by removing the four retaining screws (Fig
5.7.1, item 90).
iv) Disconnect the Control Panel by unplugging the ribbon cable connection
block.
v) Disconnect the potentiometers (Fig 5.7.1, item 119) by unplugging the
cable connection.
vi) Reassemble (Section 7.3)
vii) Check for correct operation of the Control Panel.
WD536 Chapter 7 : Replacement Of Parts The Keston C45, C40P, C55 & C55P
Installation & Servicing Instructions Page : 41

7.4.2 Boiler Flow and Return Thermistors (Fig. 5.7.2 item 47)
i) Isolate the appliance (Section 7.1)
ii) Gain access (Section 7.2)
iii) Remove the push on connectors from the thermistor taking note of the
correct positions.
iv) Unclip the thermistor from the pipe.
v) Reassemble (Section 7.3)
NB: When fitting the new thermistor it is an advantage to smear a thin
film of heat sink compound between the thermistor and pipe.
This, combined with fitting the new thermistor tightly to the pipe,
ensures a good contact.
7.4.3 Cabinet Temperature Sensor (Fig 5.7.1 item 109)
i) Isolate the appliance (Section 7.1)
ii) Gain access (Section 7.2)
iii) Remove the cabinet temperature sensor from the connector block by
slackening the retaining screws.
iv) Reassemble (Section 7.3)
7.4.4 Flue Protection Thermostat (Fig. 5.7.2 item 46)
i) Isolate the appliance (Section 7.1)
ii) Gain access (Section 7.2)
iii) Remove the push on connectors from the thermostat taking note of the
correct positions.
iv) Unscrew the two retaining screws, or nuts, and remove the thermostat.
v) Reassemble (Section 7.3)
NB: When fitting the new thermostat it is an advantage to smear a
thin film of heat sink compound between the thermostat and
plate. This, combined with fitting the new thermostat tightly to the
plate, ensures a good contact.
7.4.5 Water Pressure Switch (Fig. 5.7.2 item 48)
i) Isolate the appliance (Section 7.1)
ii) Shut off the water supply to the appliance.
iii) Gain access (Section 7.2)
iv) Drain the system to below the level of the appliance using the drain off
tap at the base of the return pipe from the heat exchanger.
v) Remove the push on connectors from the water pressure switch taking
note of the correct positions.
vi) Unscrew the pressure switch.
vii) Reassemble (Section 7.3).
NB: Use a little jointing compound or PTFE tape on the thread.
viii) Refill the system (See Section 4 - Commissioning).
7.4.6 Main Control Box (Fig. 5.7.1 item 88)
i) Isolate the appliance (Section 7.1)
ii) Gain access (Section 7.2)
iii) Pull off the multi-pin connectors and HT lead away from the board.
iv) Remove the three retaining screws securing the control block to the boiler
backframe.
v) Remove the control
vi) Reassemble (Section 7.3)
7.4.7 Combustion Blower (Fig. 5.7.3 item 73)
i) Isolate the appliance (Section 7.1)
ii) Gain access (Section 7.2)
iii) Disconnect the two connector blocks from the combustion blower.
iv) Unscrew the bolts securing the venturi (fig 5.7.3 item 81) to the inlet port
of the combustion blower.
v) Remove the four bolts securing the combustion blower (fig. 5.7.3 item 80)
outlet flange to the burner and remove the combustion blower.
vi) Reassemble (Section 7.3)
NB: When reassembling inspect any gaskets for damage and replace
if necessary.
WD536 Chapter 7 : Replacement Of Parts The Keston C45, C40P, C55 & C55P
Installation & Servicing Instructions Page : 42

7.4.8 Gas Control Valve / Venturi Assembly (Fig. 5.7.3 item 163)
i) Isolate the appliance (Section 7.1)
ii) Gain access (Section 7.2)
iii) Remove the push on connector block to the gas valve.
iv) Unscrew the bolts (Fig 6.7.3 item 149) securing the gas inlet pipe to the
gas control valve / venturi assembly.
v) Unscrew the bolts securing the gas control valve / venturi assembly (Fig
6.7.3 item 81) to the inlet port of the combustion blower.
vi) Remove the gas valve/venturi assembly as a complete unit.
vii) Reassemble (Section 7.3)
viii) Check the gas rate and combustion (See Section 4 - Commissioning)
NB: Always change the gas valve/venturi assembly together. This
assembly is factory preset but must be checked using the
procedure set out in Section 4.7 (Combustion testing).
7.5 SPARK IGNITION/FLAME DETECTION ELECTRODE (Fig. 5.7.2 item 74)
i) Isolate the appliance (Section 7.1)
ii) Gain access (Section 7.2)
iii) Remove the pull off HT lead to the spark ignition electrode.
iv) Undo the screws to the spark ignition electrode flange located on the heat
exchanger side panel and withdraw the spark ignition electrode.
v) Reassemble (Section 7.3)
NB: When reassembling inspect the gasket for damage and replace if
necessary.
With the new spark ignition electrode in place it is essential to ensure the
gap between the tip of the electrode and the earth post is 3 mm.
Distances above or below 3 mm will affect ignition performance. If
necessary gently bend the electrode taking care not to damage the
ceramic insulator.
7.6 BURNER (Fig. 5.7.2 items 77)
i) Isolate the appliance (Section 7.1)
ii) Gain access (Section 7.2)
iii) Remove the combustion blower (Section 7.4.7)
iv) Remove the 12 nuts fixing the burner to the top of the heat exchanger.
v) Withdraw the burner from the top of the heat exchanger.
vi) Reassemble (Section 7.3)
NB: When reassembling inspect any gaskets for damage and replace if
necessary.
7.7 HEAT EXCHANGER (Fig. 5.7.2 item 36)
i) Isolate the appliance (Section 7.1)
ii) Gain access (Section 7.2)
iii) Shut of the water supply to the appliance.
iv) Remove the burner (Section 7.6)
v) Drain the system to below the level of the appliance using the drain off tap at the
base of the boiler return pipe.
vi) Remove the flue protection thermostat (Section 7.4.4)
vii) Remove the spark ignition/flame detection electrode (Section 7.5)
viii) Remove the flue connection by slackening the retaining strap and pulling the flue
off the heat exchanger spigot.
ix) Remove the condensate trap hose (Fig 5.7.2 item 54) by releasing the retaining
clamp and pulling the hose away from the spigot at the base of the heat
exchanger flue outlet box.
x) Disconnect the flow and return pipe unions (Fig 5.7.2 item 45) from the heat
exchanger.
WD536 Chapter 7 : Replacement Of Parts The Keston C45, C40P, C55 & C55P
Installation & Servicing Instructions Page : 43

xi) Remove the two screws fixing the heat exchanger to the top mounting bracket
(Fig 5.7.2 item 63)
xii) Remove the heat exchanger
xiii) Reassemble (Section 7.3)
xiv) Recommission (Section 4 - Commissioning)
7.8 CONDENSATE TRAP (Fig. 5.7.2 item 56)
i) Isolate the appliance (Section 7.1)
ii) Gain access (Section 7.2)
iii) Disconnect the condensate line from the base of the heat exchanger.
iv) Disconnect the condense line from the projection of the condensate trap from the
base of the cabinet.
v) Withdraw the condensate trap.
vi) Mop up any spilled condensate.
vii) Reassemble (Section 7.3)
NB: When re-fitting the condensate trap pour water onto the condensate hose
from the base of the heat exchanger until nearly full. Then reconnect the
condensate hose to the base of the heat exchanger.
7.9 PUMP (Fig 5.7.2 item 52)
i) Isolate the appliance (Section 7.1)
ii) Gain Access (section 7.2)
iii) Isolate the waterways to the pump using the pump isolation valves(Fig 5.7.2 item
51)
iv) Disconnect the pump electrical cable from the connections box of the pump head
taking note of the correct position.
v) Remove the four allen bolts securing the pump head to the pump back plate.
vi) Remove the pump head.
vii) Reassemble (Section 7.3)
WD536 Chapter 7 : Replacement Of Parts The Keston C45, C40P, C55 & C55P
Installation & Servicing Instructions Page : 44

8. SHORT SPARE PARTS LIST
Item GC No Part Denomination Item GC No PartDenomination
77 E93-137 C55 Burner 44 E93-141 Burner Gasket
E93-138 C55P/C45/C40P Burner
43 E93-142 Ignitor Gasket 74 E93-143 Ignitor/Sensor Probe
47 E93-145 Flow/Return Thermistors 46 E72-332 Flue Thermostat
163 C45/C55 Gas Valve
/
Venturi
Assy.
88 E93-126 C55/55PC45 Main Contr. Box
C55P Gas Valve/Venturi Assy. E93-127
C40P Main Control Box
C40P Gas Valve
/
Venturi
Assy.
WD536 Chapter 8 : Spare Parts Listings The Keston C45, C40P, C55P & C55P
Installation & Servicing Instructions Page : 45

SHORT SPARE PARTS LIST FOR THE KESTON
CONDENSING BOILER RANGE
Item GC No Part Denomination
47 E93-145 Flow/Return Temperature Thermistor
48 114-045 Water Pressure Switch
46 E72-332 Flue Protection Thermostat
88 E93-126 Main Control Box (C55/C55P/C45)
88 E93-127 Main Control Box (C40P)
106 E93-130 Control Panel
73 E93-147 Combustion Blower
163 Gas Valve / Venturi Ass. (C45/C55)
163 Gas Valve / Venturi Ass. (C55P)
163 Gas Valve / Venturi Ass. (C40P)
56 E93-144 Condensate Trap
74 E93-143 Ignition Electrode
77 E93-137 Burner (C55)
77 E93-138 Burner (C55P/C45/C40P)
36 E93-136 Heat Exchanger
52 E93-146 Circulating Pump
109 E72-401 Cabinet Temperature Sensor
WD536 Chapter 8 : Spare Parts Listings The Keston C45, C40P, C55P & C55P
Installation & Servicing Instructions Page : 46

WD536 Chapter 9 : Benchmark Checklist Final The Keston C45, C40P, C55 & C55P
Installation & Servicing Instructions Page : 47
9. GAS BOILER COMMISSIONING CHECKLIST
BENCHMARK No.
GAS BOILER COMMISSIONING CHECKLIST
BOILER SERIAL No. ___________________ NOTIFICATION No. ____________________
CONTROLS
To comply with the Building Regulation, each section must have a tick in one or other of the boxes
TIME & TEMPERATURE CONTROL TO
HEATING
ROOM T/STAT &
PROGRAMMER/TIMER
PROGRAMMABLE ROOMSTAT
TIME & TEMPERATURE CONTROL TO HOT
WATER
CYLINDER T/STAT &
PROGRAMMER/TIMER
COMBI BOILER
HEATING ZONE VALVES FITTED
NOT REQUIRED
HOT WATER ZONE VALVES FITTED
NOT REQUIRED
THERMOSTATIC RADIATOR VALVES FITTED
AUTOMATIC BYPASS TO SYSTEM FITTED
NOT REQUIRED
FOR ALL BOILERS CONFIRM THE FOLLOWING
THE SYSTEM HAS BEEN FLUSHED IN ACCORDANCE WITH THE BOILER MANUFACTURER’S INSTRUCTIONS ?
THE SYSTEM CLEANER USED
THE INHIBITOR USED
FOR THE CENTRAL HEATING MODE, MEASURE & RECORD
GAS RATE m
3
/hr ft
3
/hr
BURNER OPERATING PRESSURE (IF APPLICABLE) N/A mbar
CENTRAL HEATING FLOW TEMPERATURE
O
C
CENTRAL HEATING RETURN TEMPERATURE
O
C
FOR COMBINATION BOILERS ONLY
HAS A WATER SCALE REDUCER BEEN FITTED ? YES
NO
WHAT TYPE OF SCALE REDUCER HAS BEEN FITTED ?
FOR THE DOMESTIC HOT WATER MODE, MEASURE & RECORD
GAS RATE m
3
/hr ft
3
/hr
MAXIMUM BURNER OPERATING PRESSURE (IF APPLICABLE) N/A mbar
COLD WATER INLET TEMPERATURE
O
C
HOT WATER OUTLET TEMPERATURE
O
C
WATER FLOW RATE lts/mi
n
FOR CONDENSING BOILERS ONLY CONFIRM THE FOLLOWING
THE CONDENSATE DRAIN HAS BEEN INSTALLED IN ACCORDANCE WITH
THE MANUFACTURER’S INSTRUCTIONS ? YES
FOR ALL INSTALLATIONS CONFIRM THE FOLLOWING
THE HEATING AND HOT WATER SYSTEM COMPLIES
WITH CURRENT BUIDING REGULATIONS
THE APPLIANCE AND ASSOCIATED EQUIPMENT HAS BEEN INSTALLED AND COMISSIONED
IN ACCORDANCE WITH THE MANUFACTURER’S INSTRUCTIONS
IF REQUIRED BY THE MANUFACTURER, HAVE YOU RECORDE A CO/CO
2
RATIO READING? N/A
YES
CO/CO
2
RATIO
THE OPERATION OF THE APPLIANCE AND SYSTEM
CONTROLS HAVE BEEN DEMONSTRATED TO THE CUSTOMER

WD536 Chapter 9 : Benchmark Checklist Final The Keston C45, C40P, C55 & C55P
Installation & Servicing Instructions Page : 48
SERVICE INTERVAL RECORD
It is recommended that your heating system is serviced regularly
and that you complete the appropriate Service Interval Record Below
Service Provider. Before completing the appropriate Service Interval Record below, please ensure you have carried out the service
as described in the boiler manufacturer’s instructions. Always use the manufacturer’s specified spare part when replacing all controls
SERVICE 2
DATE
ENGINEER NAME
COMPANY NAME
TEL No.
GAS SAFE REGISTER ID CARD SERIAL No.
COMMENTS
SIGNATURE
SERVICE 1
DATE
ENGINEER NAME
COMPANY NAME
TEL No.
GAS SAFE REGISTER ID CARD SERIAL No.
COMMENTS
SIGNATURE
SERVICE 3
DATE
ENGINEER NAME
COMPANY NAME
TEL No.
GAS SAFE REGISTER ID CARD SERIAL No.
COMMENTS
SIGNATURE
SERVICE 4
DATE
ENGINEER NAME
COMPANY NAME
TEL No.
GAS SAFE REGISTER ID CARD SERIAL No.
COMMENTS
SIGNATURE
SERVICE 6
DATE
ENGINEER NAME
COMPANY NAME
TEL No.
GAS SAFE REGISTER ID CARD SERIAL No.
COMMENTS
SIGNATURE
SERVICE 5
DATE
ENGINEER NAME
COMPANY NAME
TEL No.
GAS SAFE REGISTER ID CARD SERIAL No.
COMMENTS
SIGNATURE
SERVICE 7
DATE
ENGINEER NAME
COMPANY NAME
TEL No.
GAS SAFE REGISTER ID CARD SERIAL No.
COMMENTS
SIGNATURE
SERVICE 8
DATE
ENGINEER NAME
COMPANY NAME
TEL No.
GAS SAFE REGISTER ID CARD SERIAL No.
COMMENTS
SIGNATURE
SERVICE 9
DATE
ENGINEER NAME
COMPANY NAME
TEL No.
GAS SAFE REGISTER ID CARD SERIAL No.
COMMENTS
SIGNATURE
SERVICE 10
DATE
ENGINEER NAME
COMPANY NAME
TEL No.
GAS SAFE REGISTER ID CARD SERIAL No.
COMMENTS
SIGNATURE

†
Read Installation Manual Carefully
†
Ensure that there is at least 9 feet head of water pressure at the
top of the boiler .
†
Ensure that ALL dust particles, filings , plastic chips etc. are
removed from the inlet pipe.
†
If the installation is a replacement the system must be flushed
clean. System should be drained hot, then refilled, then drained
again until the water is clean.
†
Ensure that there is a proper electrical supply i.e. 230V fused at
3A for the permanent live.
†
Take great care with pipe connections to ensure that no
damage is done to the internal pipework.
†
Ensure that the 22mm condensate pipe is not exposed to
freezing conditions.
†
Make sure that the exhaust pipe terminates away from windows
or vents and is out of reach.
†
Make sure that the air inlet and exhaust pipe outlets are at least
300mm apart.
†
Check tightness of all connections in the boiler before firing.
†
Ensure that the terminals supplied are fitted to both the exhaust
and air inlet pipes.
†
The system must be free from air before firing.
†
If TRV's are installed on radiators ensure that a bypass is
installed to maintain required flow.
†
Complete the Gas Boiler Commissioning Checklist - Service
Interval Record (Chapter 9).
†
Complete the combustion testing (Section 4.7) using a
calibrated flue gas analyser.
WD536 The Keston C45, C40P, C55 C55P
KESTON CONDENSING BOILERS
IMPORTANT
C45, C40P & C55(P)
INSTALLATION KEY POINTS