Kidde Firex 2650 560 561 English Ma2650 Owner S Manual MA2650~8
2014-07-06
: Kidde Kidde-Firex-2650-560-2650-561-English-Ma2650-Owner-S-Manual kidde-firex-2650-560-2650-561-english-ma2650-owner-s-manual kidde pdf
Open the PDF directly: View PDF
.
Page Count: 6

PRODUCT OVERVIEW
PRODUCT APPLICATION:
The Firex Series Duct Smoke Detectors provide early detection of smoke and products of combustion present in air moving through an HVAC
duct in commercial, industrial and residential applications.
These devices are designed to prevent the recirculation of smoke in areas by the air handling systems, fans and blowers. Complete systems
may be shut down in the event of smoke detection.
NOTE
For the correct installation of a duct smoke unit, please refer to the NFPA 72E (Standard for Automatic Fire Detectors), NFPA 90A (Standard for
Installation of Air Condition and Ventilation Systems) and NFPA 92A (Recommended practice for smoke control systems.)
This detector is not intended for open area protection nor should it be used for early warning detection or replace a regular fire detection system.
Maple chase provides a special U.L. 50 listed, NEMA 3R rated weatherproof enclosure separately (Model 0590) which should be used in
appropriate outdoor applications for protection from the elements. Other installations above the roof line (attics, banjo type roofs, etc.) do not
require our special Model 0590 weatherproof enclosure as long as the Maple Chase duct smoke detectors are not exposed to dripping water or
other environmental elements. Our Model 0590 weatherproof enclosure should be used in all applications where environmental elements are
a concern or local code requires a weatherproof enclosure for proper installation. All installations of our duct smoke detectors and weatherproof
enclosures should be done in accordance with all applicable electrical and building codes.
PRODUCT DESCRIPTION:
The Firex Smoke Detector is fitted with a mounting base that will accept an Apollo Ionization Model # 55000 - 250 or Photoelectric Detector
Head Model # 55000 - 350. The duct unit supports 2 sets of Form “C” Alarm Contacts and 1 form “C” Trouble Contact. The trouble contact
supervises the presence of the input power and removal of the detector head.
THE TROUBLE CONTACTS (TERMINALS 13-14-15) ARE SHOWN IN THE NON-ENERGIZED CONDITION.
The trouble contact will not operate in the event of a smoke alarm.
The Firex Duct Detector models 2650-560 and 2650-561 will operate on one of the following input voltage sources: 24V.A.C., 24V.D.C., 115V.A.C
and 230V.A.C..
The duct smoke detector units are designed to operate in duct widths from 12 inches to 10 feet wide with an air velocity between 300 and 4000
feet per minute. To verify correct installation, the pressure differential between the input and exhaust tubes should be
measured using a Magnehelic pressure gauge or equivalent. An acceptable reading must be between 0.01 and 1.2 inches of water.
For a Smoke Duct Detector unit to operate correctly, it must be installed 6 duct widths from any obstruction i.e. elbows, deflector plates, filters,
dampers, etc. In situations where the criteria cannot be met, deviations are acceptable providing they meet the pressure differential
requirements.
SAMPLING TUBES:
The principal of operation of a duct detector is based on the Venturi effect. Two tubes extend into the HVAC duct. Air flowing through the duct
is forced into the air intake tube via the air intake holes, and passes over the detector head. The air will be drawn out via the exhaust tube back
into the HVAC duct. (7” exhaust tube provided in the installation kit.)
When the particles of smoke suspended in the air stream reach the alarm threshold of the detector head, the unit will go into alarm.
REMOTE ACCESSORIES:
Audible and visual alarm indicators, remote status indicators and remote reset/test switches can be accommodated by the
Firex Duct units by connecting to the D.C. voltage output terminals 16 to 20 (see page 6 for details). These terminals are not supervised and
the current will only be present when the detector unit is in alarm. The remote pilot led will be permanently illuminated when connected to the
output terminals.
MODEL 2650-560 Ionization
MODEL 2650-561 Photoelectric
INSTALLATION INSTRUCTIONS FOR
UNIVERSAL DUCT SMOKE DETECTORS
1

Duct Unit Installation
DUCT SMOKE LOCATION PRE-REQUISITES:
This guideline contains general information on duct smoke detector installation, but does not preclude the NFPA documents listed. Maple Chase
Company assumes no responsibility for improperly installed duct detectors. To determine the correct installation position for a Firex Duct Smoke
Detector, the following factors must be considered.
1) A uniform non turbulent airflow of between 300 ft/min to 4000 ft/min. must be present in the HVAC duct. To determine the duct
velocities examine the engineering specifications that define the expected velocities or use an Alnor model 6000P
velocity/meter (or equivalent).
2) In order to prevent stratification, duct smoke units where possible, must be located a minimum of six duct widths down stream
from a source of turbulence i.e. elbows, deflector plates, filters, dampers, and inlets.
In installations where it is impossible to adhere to the six duct width requirement, units can be installed closer but as far from inlets, bends or
deflector plates as possible. Should this situation arise, check velocity readings in the duct prior to the duct smoke unit installation. Ensure the
duct smoke unit pressure differential complies with the unit specifications. The pressure differential between the input sampling tube and exhaust
tube for the Firex series smoke duct unit should be greater than 0.01 inches of water and less than 1.2 inches of water.
3) Identify a location for the installation of the duct unit that will permit easy access for viewing and serviceability.
4) Install duct units in the return air side of an HVAC unit prior to the air being exhausted from the building or diluted with outside air.
5) When installing duct smoke units down stream of filters, fires occurring in the filters will be detected, but if the filters become blocked
insufficient air flow through the duct unit will prevent the correct operation of the duct detector.
6) Where possible, install duct detectors upstream of air humidifies and downstream of dehumidifiers..
7) To prevent false alarms, the duct detector should not be mounted in areas of extreme high or low temperatures, in areas where high
humidity exists or in areas where the duct may contain gases or excess dust.
SAMPLING TUBE ASSEMBLY:
Sampling tubes are to be ordered separately in one of the 3 standard lengths.
0532 For duct widths of 1.0’ TO 2.5’
0533 For duct widths of 2.5’ TO 5.0’
0534 For duct widths of 5.0’ TO 10.0’
The standard sampling tubes are steel tubes with air intake holes drilled down the entire length of the tube. These tubes must be cut to length
and must span the entire width of the duct. Sampling tubes over 3.0 feet must be supported on the opposite side of the duct. To ensure the
correct operation of the sensing tube, the red end cap (red stopper in installation kit) must be inserted in the end of the air intake sampling tube.
Once the airflow direction has been determined, insert the inlet and exhaust tubes into the sampling tube connectors fitted to the back of the
duct smoke detector which are equipped with set screws. These connectors will allow the tubes to be correctly orientated and secured by
tightening the set screw. Ensure air intake sampling tube is positioned so that the inlet holes are facing the airflow.
2
6 Duct Widths
Minimum
Bend or Other
Obstruction
Insert Red Stopper
This End of Inlet Tube
Air Flow
Tube Support Hole Only for Ducts
Greater than 3 Feet Wide
Duct Width Air Flow
Direction
Exhaust Tube
Installed Downstream of
Air Flow
Do Not Insert
Red Stopper
Set
Screw
Holes Face
Air Flow
Inlet Tube

DUCT PREPARATION:
For ease of duct unit installation, remove mounting template from the installation kit. Remove paper backing from the
mounting template and affix it to the duct at the desired location. Using the template as a guide, drill 4 mounting holes (3/32” diam.) for the 12
X 1/2” sheet metal screws packaged in the installation kit.
Drill or punch 1 3/8” holes for sampling tubes, using the template as a guide. Clean all holes.
MOUNTING DUCT SMOKE DETECTOR:
After securing the sampling tubes to the duct smoke unit, or initially placing the tubes through the 1 3/8” holes drilled or punched in the HVAC
duct to accept the sampling tubes and then attaching them to the duct unit. Hold the duct unit assembly in position and
using 4# 12 X 1/2” sheet metal screws (Packaged in the installation kit) secure the duct smoke detector to the HVAC duct sheet metal work.
AIR SAMPLING VERIFICATION:
To ensure correct operation of the duct unit use a Magnehelic differential pressure gauge or Dwyer model 4000 to determine the differential
pressure between the inlet and exhaust tubes. The differential pressure between the two tubes should be greater than 0.01 inches of water and
less than 1.2 inches of water.
Model Number:
Apollo Detector Model Number: S60A Ionization Detector 55000 - 250
S60A Photoelectric Detector 55000 - 350
POWER REQUIREMENTS
QUIESCENT CURRENT ALARM CURRENT
24V AC 35 mA 24V AC 74mA
24V DC 15 mA 24V DC 48mA
QUIESCENT CURRENT ALARM CURRENT
115V AC 25mA 115V AC 32mA
QUIESCENT CURRENT ALARM CURRENT
230V AC 12mA 230V AC 16mA
RELAY CONTACT RATINGS:
Alarm contacts: 2 form “C” rated at 12AMPS @ 120V A.C. resistive
Trouble contacts: 1 Set form “C” rated at 10AMPS @ 115V A.C. resistive
Air velocity: 300 to 4000ft/min
Ambient temperate: Model 2650-560 -5oF to 155oF (-23oC to 68oC)
Ambient temperate: Model 2650-561 -5oF to 100oF (-23oC to 38oC)
Humidity: 10% to 85% R.H. no condensation
Material: 18GA Steel back box, clear plastic cover
Finish: Gray paint
Dimensions: L-9 1/8” X W-7 1/4” X H-2 1/4”
Max. net wt.: 3 1/2 lbs.
Radioactive element: For Firex 2650-560 (Ionization model)
Americium 241, 0.9 micro curie
Do not expose to corrosive atmospheres.
3
PRODUCT SPECIFICATIONS
2650 - 560 Ionization
24V AC/DC, 115V AC, 230V AC
2650 - 561 Photoelectric
24V AC/DC, 115V AC, 230V AC

TEST PROCEDURES
OPERATIONAL TESTING
To determine the correct operation of the Firex Duct Smoke Detector, ensure power is connected and the green pilot led is illuminated.
The led on the detector head does not flash during the standby mode. The led on the detector head will be permanently illuminated when
smoke is detected and the head is in alarm.
With the air handling unit shut down, and the clear cover removed, press and hold the test/reset button on the Firex Duct Unit. The red alarm
led on the circuit board will be illuminated and the alarm relay outputs will change state. Using a multimeter set to OHMS (or continuity
buzzer function on the meter) place the meter probes on the following terminals and ensure the contacts are closed (continuity) 8, 9-11, 12
when releasing the test/reset button these contacts will open.
The trouble contacts 13, 14, 15 will not change state in the event of a fire alarm, operational or functional testing. The trouble contacts can be
tested by rotating the Apollo detector head counter-clockwise and removing the detector head. This action will extinguish the pilot (green) led
and cause the trouble contacts to change state, 13, 14 will be closed (continuity)14, 15 will be open circuit. Replacing the detector head and
rotating it clockwise until it locks, will cause the green pilot led to be illuminated and the unit will be operational, terminals 13, 14 will be open
circuit and 14, 15 will be closed (continuity).
FUNCTIONAL TESTING
Once operational testing is concluded the unit requires functional testing to determine the correct operation of the detector head.
With the clear cover removed and using the aerosol test smoke Apollo test gas part # 29600-105 or Home Safeguard test gas
part # RW-25S-TG (Obtainable from Air Products & Controls LTD.) Spray the test gas directly at the detector head from a distance of 12
inches for 2 seconds.
CAUTION SPRAYING FROM A DISTANCE CLOSER THAN 12 INCHES CAN CAUSE DETECTOR CONTAMINATION.
After 15 to 20 seconds the detector head will go into alarm, illuminating the detector head led and causing the duct unit functions to operate,
relays will change state and the remote accessories if attached will function.
If no test gas is available to conduct the testing, light a piece of clothesline (rope) and blow the flame out, hold the smoldering rope 3 inches
from the detector head and blow across the lit area towards the detector head, the alarm indicator will illuminate within one minute.
Should testing be required for simulated fire conditions, smoke bombs placed in the duct may not be suited for the particular detector head
selected and installed.
S60A Apollo ionization detector 55000-250 utilizes a radio active source as its means of detection and will detect smoke particles of between .1
and 1 micron in size.
S60A Photoelectric Detector 55000 - 350 operates on the principle of light scatter and will detect smoke particles of between 1 and 10 microns
in size.
When purchasing smoke bombs for functional testing, ensure smoke particle sizes comply with the criteria as described above.
MAINTENANCE
Each installation location must be assessed on its own merits. If the protected area is of a very dirty nature then the Firex Duct units will have
to be checked and cleaned on a Quarterly basis or when cleaning is required.
As a guideline the Apollo detector head should be cleaned every six months or as required.
The best methods of cleaning are to vacuum the detector head thoroughly or to blow the detector head out using compressed air.
Do not use chemicals to clean the detector head housing as this could contaminate the detector head and damage the casing.
Sensing tubes must be inspected and cleaned in accordance with the schedule as determined above, to allow the free flow of air through the
sensing tube.
Form No. MA 2650 11/98 Rev. A.
4
2820 Thatcher Road, Downers Grove, IL 60515
PH: (630) 719-5500 FAX: (630) 719-4400

Electrical Installation
WIRING
Prior to connecting power to the Firex 2650-560 and 2650-561 duct units, determine the correct input voltage and ensure it is connected to the
correct terminals. (Refer to power connections)
24V A.C./D.C.,Terminals 5, 6 ; 115V A.C., Terminals 1, 2, 3 ; 230V A.C., Terminals 1, 2, 4
POWER CONNECTIONS:
CAUTION:
For terminals 7, 8, 9 - 10, 11, 12 do not use looped wire under terminals. Break wire run to provide supervision of connections. To test the
correct operation of the duct smoke unit, excluding the detector head (see functional testing page 4) remove detector head and connect one
of the appropriate dedicated power sources to the applicable terminals (See above). Replace detector head and the unit will be energized
(The green led will be illuminated). When pressing the test/reset button the red Alarm led will be illuminated. In the event of a fire alarm,
certain equipment may have to be shut down. A shut down will be achieved by interrupting the supply source to that particular piece of
equipment when wired as indicated below.
EXAMPLE:
Fan Supply Source
79
NC C NO
RELAY
P P
1
Dedicated INPUT Voltage
FirexDuct Unit
In alarm, 7 and 8
will open,
interrupting supply
to fan
5
24V A.C./D.C. INPUTS
Terminals 5, 6
24 V.A.C.
50/60 HZ 0.2A MAX
8
Form No.MA 124 11/98 Rev A
24 V.D.C.
0.1A MAX 115 V.A.C. 50/60 Hz
0.1A MAX
115V A.C. INPUT
Terminals 1,2,3.
230 V.A.C. 50/60 Hz
0.1A MAX
230V A.C. INPUT
Terminals 1,2,4.
See
Power
Connections
ALARM
CONTACTS
12 A
ALARM
CONTACTS
12 A
*TROUBLE
CONTACTS
10-A REMOTE
ACCESSORIES
FIREX DUCT SMOKE DETECTOR
24 V.A.C. OPERATION 24 V.D.C. OPERATION 115 V.A.C. OPERATION 230 V.A.C. OPERATION
+
-

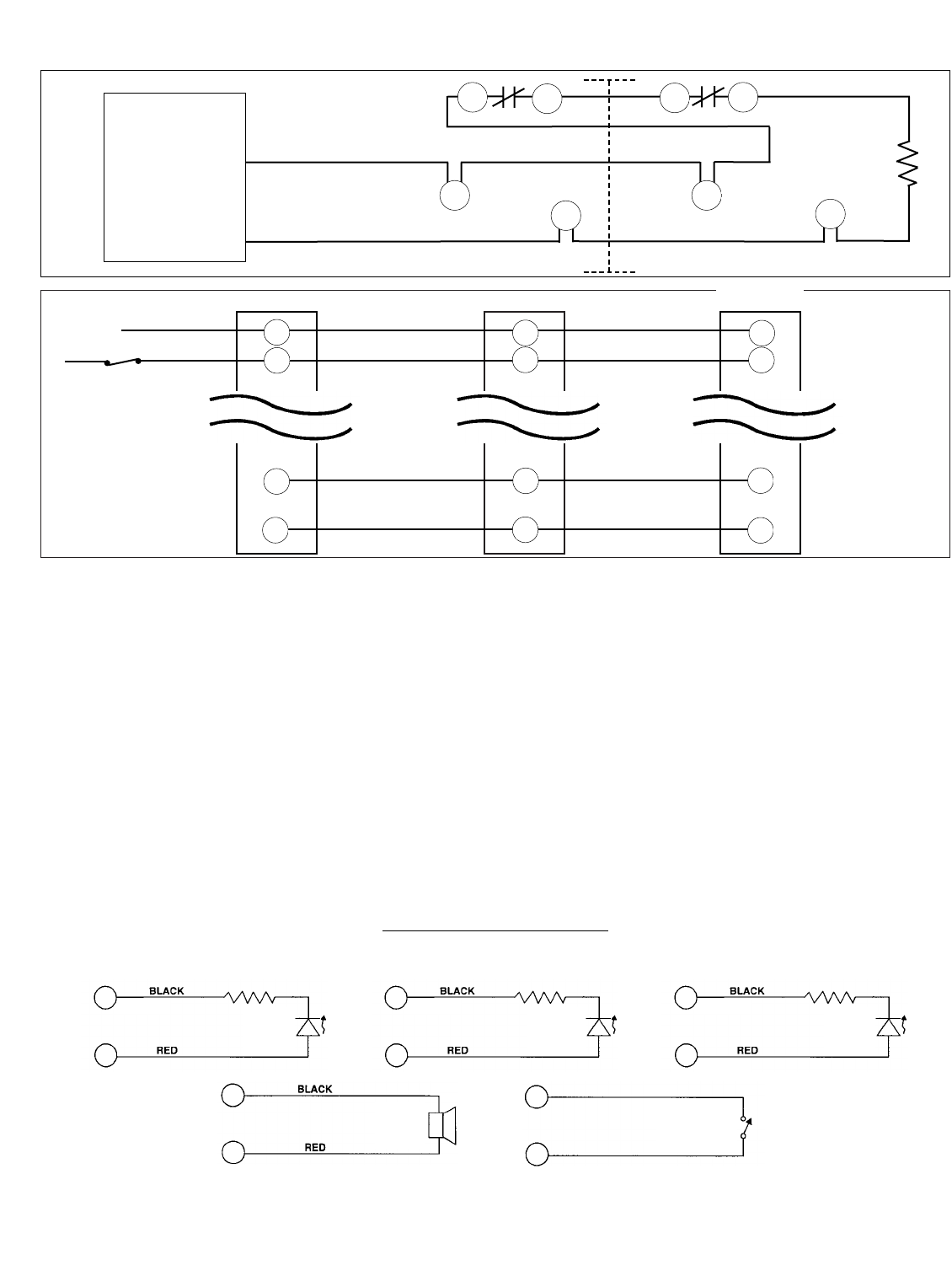
Fire Alarm Control Panel Wiring
Common functions include one or all of the following:
Remote Common Alarm indication, Remote Pilot indication, RemoteTtrouble indication, Remote Common Reset, Common Shutdown,
and Common Visual indication.
Common Fault indication ( when green pilot led is extinguished) can not be achieved on the Firex Duct Units. Individual Remote Pilot
led’s must be installed to monitor detector head or power source removal for each unit.
A Common Trouble (Yellow) led can be installed on any unit to monitor the removal of a detector head. When installing a Common
Trouble led which will be illuminated when any detector head is removed, a jumper wire on each unit must be installed between
terminals 13 and 20. Terminals 14 and 16 between each unit must be wired in series.
With multiple units wired in a common function fashion and an alarm or functional test is initiated, all duct unit alarm leds will be
illuminated. In a common alarm state only the led of the detector head in alarm will be illuminated, all other head leds will be off.
With multiple units connected, a common reset will be achieved by interrupting the supply voltage.
REMOTE ACCESSORY WIRING
Remote accessory terminals 16 to 20 are not supervised and the output voltage will be present when the duct detector is in alarm or
the test/reset switch is operated.
For the 0543 & 0544 accessories with a Trouble L.E.D. (yellow), a jumper wire must be placed between Terminals 13 and 20. The Trouble L.E.D.
(yellow) will illuminate when the sensing head of the detector is removed.
UL
Listed
Fire
Alarm
Control
Unit
14 15 14 15
11
12
11
12
Firex Detector
#1
Firex Detector
#2
EOL
End
of
Line
Fig. 1
Strobe
&
Horn
Negative
Positive
Negative
Positive
6
Green
“Pilot”
Led
Form No. MA 2650 11/98 Rev. A.
19
20
Negative
Positive
Red
“Alarm”
Led
17
17
16
16
Negative
Positive
Yellow
“Trouble”
Led
14
16
Installation requiring common functions must be wired as shown in fig. 2.
Input Power Source
Will Be Either
24V, 115V or 230V
Fig. 2
DUCT UNIT #1 DUCT UNIT #2 DUCT UNIT #3
COMMON INPUT
POWER
COMMON RESET
INPUT
POWER
INPUT
POWER
17
16
Key or
Push button
“test/Reset”
Switch
18 18
20 20
P
P
P
P
P
P
18
20