King Kutter Lawn Mower 999994 Users Manual
!! King-2 King Kutter Lawn Mower Manuals - Lawn Mower Manuals – The Best Lawn Mower Manuals Collection
999994 to the manual 1fb39992-73ae-4187-91f6-3b2f843ef68a
2015-02-09
: King-Kutter King-Kutter-King-Kutter-Lawn-Mower-999994-Users-Manual-568207 king-kutter-king-kutter-lawn-mower-999994-users-manual-568207 king-kutter pdf
Open the PDF directly: View PDF
.
Page Count: 44

PO Box 1200
305 Commerce Drive
Winfield, Alabama 35594
FREE FLOATING
REAR DISCHARGE
FLEX HITCH
FINISHING MOWER
Part No 999994 www.kingkutter.com

TO THE PURCHASER
This manual contains valuable information about your
new King Kutter Flex Hitch Rear Discharge Finishing Mower. It
has been carefully prepared to give you helpful suggestions
for operating, adjusting, servicing and ordering repair parts.
Keep this manual in a convenient place for quick and
easy reference. Study it carefully. You have purchased a de-
pendable and sturdy mower, but only by proper care and op-
eration can you expect to receive the service and long life de-
signed and built into it.
Sometime in the future your mower may need new parts
to replace those that are worn or broken. If so, go to your
dealer and provide him with the model and part number.
Customer Information
Name ______________________________________________
Purchased From ______________________________________
Date Purchased ______________________________________
Model No. ___________________________________________
Serial No. ___________________________________________
3

It is the purchaser and/or operator’s responsibility to….
- Read and understand the information contained in this
manual.
- Operate, lubricate, assemble and maintain the equip-
ment in accordance with all instructions and safety
procedures in this manual.
- Inspect the equipment and replace or repair any parts
that are damaged or worn which under continued op-
eration would cause damage, wear to other parts, or
cause a safety hazard.
- Return the equipment or parts to the authorized King
Kutter dealer, from where it was purchased, for ser-
vice or replacement of defective parts that are cov-
ered by warranty. (The King Kutter Factory may in-
spect equipment or parts before warranty claims are
honored.)
- Payment of all costs incurred by the dealer for traveling to
or transporting the equipment for warranty inspection and
or claims.
4

5
CONTENTS
ITEM PAGE
Safety ......................................................................... 6
Assembly Instructions ................................................ 8
Before Putting Into Service ....................................... 10
Safety Training ......................................................... 11
Transportation Safety ............................................... 15
Attaching To Tractor .................................................. 16
Sizing PTO ............................................................... 18
Operating Instructions .............................................. 19
Maintenance ............................................................. 21
5-6-7 FT. Belt Replacement ...................................... 22
4 FT. Belt Replacement ............................................ 24
Maintenance Safety .................................................. 26
Safety Decal's And Locations ................................... 27
Replacement Parts ................................................... 34
PTO Shaft Parts ....................................................... 36
Spindle Unit Parts ..................................................... 37
Gearbox Parts .......................................................... 38
PTO Shaft Cover Removal...................................…..40
Warranty ………………………………………………...43

SAFETY
READ AND FOLLOW THE INSTRUC-
TIONS IN THIS MANUAL AND ESPE-
CIALLY IN THE SAFETY SECTION.
FAILURE TO DO SO CAN RESULT IN
SERIOUS INJURY OR DEATH.
TAKE NOTE! THIS SAFETY ALERT
SYMBOL FOUND THROUGHOUT
THIS MANUAL IS USED TO CALL
YOUR ATTENTION TO INSTRUC-
TIONS INVOLVING YOUR PERSONAL
SAFETY AND THE SAFETY OF OTH-
ERS.
THIS SYMBOL MEANS
ATTENTION!
BECOME ALERT!
YOUR SAFTEY IS INVOLVED
SIGNAL WORDS:
The signal words DANGER, WARNING and CAUTION are used with the safety
messages in this manual and with each safety signs. They are defined as follows:
DANGER: Indicates an immediate hazardous situation that, if not avoided, could
result in serious injury or death. This signal word is to be limited to the most ex-
treme situations typically for machine components that, for functional purposes,
cannot be guarded.
WARNING: Indicates a potentially hazardous situation that, if not avoided, could
result in serious injury or death, and includes hazards that are exposed when guards
are removed. It may also be used to alert against unsafe practices.
CAUTION: Indicates a potentially hazardous situation that, if not avoided, may
result in minor or moderate injury. It may also be used to alert against unsafe prac-
tice.
If you have any questions not answered in this manual or require additional copies
or the manual is damaged, please contact your dealer or King Kutter, Inc.
P.O. Box 1200 Winfield, AL 35594 (205) 487-3202 or www.kingkutter.com
6

EQUIPMENT SAFETY GUIDELINES
- Safety of the operator and by standards is one of the main concerns in designing and devel-
oping a mower. However, every year accidents occur which could have been avoided by a
few seconds of thought and a more careful approach to handling equipment. You, the opera-
tor, can avoid many accidents by observing the following precautions and insist those working
with you, or for you, follow them.
- In order to provide a better view, certain photographs or illustrations in this manual may show
an assembly with a safety shield removed. However, equipment should never be operated in
this condition. Keep all shields in place. If shield removal becomes necessary for repairs, re-
place the shield prior to use.
- Replace any safety sign that is not readable or is missing. Location of such safety signs is
indicated in this manual.
- Never use alcoholic beverages or drugs that can hinder alertness or coordination while oper-
ating this equipment. Consult your doctor about operating this machine while taking prescrip-
tion medications.
- Under no circumstances should children under the age of 18 be allowed to work with this equip-
ment. Do not allow persons to operate or assemble this unit until they have read this manual and
have developed a thorough understanding of the safety precautions and of how it works. Review
the safety instructions with all users annually.
- This equipment is dangerous to children and persons unfamiliar with its operation. The opera-
tor should be a responsible, properly trained and physically able person familiar with farm ma-
chinery and trained in this equipment’s operations. If the elderly are assisting with farm work,
their physical limitations need to be recognized and accommodated.
- Use a tractor equipped with a Roll Over Protective System and seat belts. (ROPS)
- Never exceed the limits of a piece of machinery. If its ability to do a job, or to do so safely, is
in question- DON’T TRY IT.
- Do not modify the equipment in any way. Unauthorized modification could result in serious
injury or death and may impair the function and life of the equipment.
- In addition to the design and the confirmation of this implement, including safety signs and
safety equipment, hazard control and accident prevention are dependent upon the aware-
ness, concern, prudence, and proper training of personnel involved in the operation, trans
port, maintenance, and storage of the machine. Refer also to safety messages and operation
instruction in each of the appropriate sections of the tractor and mower manuals. Pay close
attention to the safety signs affixed to the tractor and the finishing mower.
7

FINISHING MOWER ASSEMBLY INSTRUCTIONS
STEP 1
With finishing mower still in crate, lay flat on a level surface. Remove
the top & side sections of the crate, leaving the finishing mower resting
on the bottom section. Set aside PTO shaft.
STEP 2
Insert tail wheel arms as shown in Figure E and tighten both the bolt & jam nut.
STEP 3
Raise A – frame assembly (Fig. A & B, Marked #1) forward and swivel brace
arms (Marked #2) around toward rear of the mower. Hook the brace arms to the
tabs (Marked #3, Fig. C) on the back of the mower with bolts provided.
(Fig. D Fully Assembled.)
STEP 4
Tighten all nuts and bolts.
8
Figure A Figure B

9
Figure E Figure F
Figure D
Figure C

BEFORE PUTTING FINISHING MOWER INTO SERVICE
(IMPORTANT-INSTRUCTIONS PRIOR TO START UP)
SHIPPED WITH OIL IN GEARBOX
SHIPPED WITHOUT GREASE IN GREASE FITTINGS.
UNIT MUST BE SERVICED BEFORE USING.
• Use Multi-Purpose Gear Oil (I.E. S.A.E. 80w/90 or S.A.E. 85w/140 Multi-
purpose gear oil) in Gearbox.
• For all Grease Fittings use TYPE/grade II tube grease.
STEP 1 Place finishing mower so that the deck is secure and level.
STEP 2 Remove 1/2‖ Pipe Plug (Located at top of gearbox) and 1/8‖ Pipe Plug
(located at lower 1/3 of gearbox) if oil comes out lower hole replace lower
plug immediately and continue to Step 4. If no oil comes out continue to
Step 3.
STEP 3 Fill gearbox using multi-purpose gear oil through top 1/2‖ fill hole until gear
oil is level with lower 1/8" hole.
STEP 4 Replace both the 1/2‖ pipe plug (located at top of gear box) and 1/8" pipe
plug (located at lower 1/3 of gear box) and clean away any excess oil.
STEP 5 Fill spindle units (3) with grease until full. There are easy access holes in
top cover for greasing spindle units. (Figure C page 21)
STEP 6 Grease wheel axles (4), wheel forks (4), front roller axle (1), and PTO
shaft universal joints (2). (Figure C page 21)
STEP 7 Check air pressure in tires, maintain rated PSI listed on the tire at all
times.
STEP 8 Check all bolts, nuts and belt to insure they are tight and secure.
CAUTION:
DO NOT over fill gearbox. This could cause damage to oil seals and can cause per-
manent damage to the gearbox. This issue will not be covered under warranty.
10

SAFETY TRAINING
- Safety is a primary concern in the design and manufacture of our product. Un-
fortunately, our efforts to provide safe equipment can be wiped out by a single
careless act of an operator or bystander.
- In addition to the design and configuration of equipment, hazard control and ac-
cident prevention are dependent upon the awareness, concern, prudence and
proper training of personnel involved in the operation, transport, maintenance
and storage of this equipment.
- It has been said, ― The best safety device is an informed, careful operator.‖ We
ask you to be that kind of operator. It is the operator’s responsibility to read and
understand all safety and operating instructions in the manual and to follow
them. Accidents can be avoided.
- Working with unfamiliar equipment can lead to careless injuries. Read this man-
ual, and the manual for your tractor, before assembly or operating, to acquaint
yourself with the machines. If this machine is used by any person other than
you, or is loaned or rented, it is the finishing mower owner’s responsibility to
make certain that owner's manual be available to the operator prior to operating:
1- Reads and understands the operator’s manuals.
2- Is instructed in safe and proper use.
- Know your controls and how to stop tractor, engine, and the mower quickly in an
emergency. Read this manual and the one provided with your tractor.
- Train all new personnel and review instructions frequently with existing workers.
Be certain only a properly trained and physically able person will operate the
machinery. A person who has not read and understood all operating and
safety instructions is not qualified to operate the machine. An untrained opera
tor exposes himself and bystanders to possible serious injury or death. If the
elderly are assisting with farm work, their physical limitations need to be recog-
nized and accommodated.
11

PREPARTION
- Never operate the tractor and mower until you have read and completely under-
stand this manual, the Tractor Operator’s Manual, and each of the safety mes-
sages found on the safety signs on the tractor and mower.
- Personal protection equipment including hardhat, safety glasses, safety shoes, and gloves
are recommended during assembly, installation, operation, adjustment, maintenance, re-
pairing, removal, or moving the implement. Do not allow long hair, loose fitting clothing, or
jewelry to be around equipment.
- PROLONGED EXPOSURE TO LOUD NOISE MAY CAUSE PERMANENT HEARING
LOSS! Tractors with or without mowers attached can often be noisy enough to cause per-
manent, partial hearing loss. We recommend that you wear hearing protection on a full-
time basis if the noise in the operator’s position exceeds 80 db. Noise over 80 db on a
long-term basis can cause severe hearing loss. Noise over 90 db adjacent to the operator
over a long-term basis may cause permanent, total hearing loss. NOTE: Hearing loss from
loud noise (from tractors, chain saws, radios, and other such sources close to the ear) is
cumulative over a lifetime without hope of natural recovery.
- Operate the mower only with a tractor equipped with an approved Roll-Over-Protective
System (ROPS). Always wear your seat belt. Serious injury of even death could result
from falling off the tractor — particularly during a turnover when the operator could be
pinned under the ROPS or the tractor.
- Clear area to be cut of stones, branches or other debris that might be thrown, causing in-
jury or damage.
- Operate only in daylight or good artificial light.
- Ensure mower is properly mounted, adjusted and in good operating condition.
- Ensure that all safety shielding and safety signs are properly installed and in good condi-
tion.
STARTING AND STOPPING SAFETY
- Check the tractor master shield over the PTO stub shaft. Make sure it is in good condition
and fastened securely to the tractor. Purchase a new shield if old shield is damaged or
missing.
- All tractors that are not equipped with a ―live‖ power takeoff (PTO) need to be equipped
with an over-running PTO clutch. These are available through most farm equipment
stores. NOTE: The addition of an over-running PTO clutch may change the length of the
PTO driveline required. Pay extra attention to the instructions on the PTO driveline Instal-
lation. Be sure that the driveline system guarding is adequate.
- Mower operating power is supplied from tractor PTO. Refer to your tractor manual for PTO
engagement and disengagement instructions. Know how to stop tractor and mower
quickly in case of an emergency.
- When engaging PTO, the engine RPM should always be at idle speed. Once engaged and
ready to start cutting, raise PTO speed to 540 RPM and maintain throughout cutting opera-
12

OPERATIONAL SAFETY
- The use of this equipment is subject to certain hazards that cannot be protected
against by the mechanical means or product design. All operators of this equip-
ment must read and understand this entire manual, paying particular attention to
safety and operating instructions, prior to using. If there is something in this
manual you do not understand, ask your supervisor, or your dealer, to explain it
to you.
- Most accidents occur because of neglect or carelessness. Keep all helpers and
bystanders at least several hundred feet from an operating finishing mower.
Only properly trained people should operate this machine.
- When machine is operated in populated areas where thrown objects could injure
persons or property, operation must be stopped when anyone comes within
several hundred feet.
- The majority of the accidents involve entanglement on the driveline, injury of by-
standers by the objects thrown by the rotating blades, and operators being
knocked off the tractor by low hanging limbs and then being run over by the
mower. Accidents are most likely to occur with machines that are loaned or
rented to someone who has not read the owner’s manual and is not familiar with
a finishing mower.
- The finishing mower is designed for use only on tractors with 540-RPM power
take off.
- Install and secure all guards and shields before starting or operating. The dis-
charge chute, bands, flaps, driveline guards and tractor, shields should be used
and maintained in good working condition. They should be inspected carefully,
at least daily, for missing or broken cable, chain links, shields, or guards. (Worn
items must be replaced at once to reduce possibility of injury)
- Disengage power takeoff (PTO) and place transmission in neutral before at-
tempting to start engine.
- Many varied objects, such as wire, cable, rope, or chains, can become entan-
gled in the operating parts of the mower. These items could then swing out side
the housing at greater velocities than the blades. Such a situation is extremely
hazardous. Inspect the cutting area for such objects before mowing. Remove
any like objects from the site.
13

OPERATIONAL SAFETY continued...
- Never allow the cutting blade to contact such items. Cut material higher at first,
allowing finishing mower to clear hidden objects. Never assume an area is
clear. Always Check!
- Always stop the tractor, disengage PTO, set brake, shut off the tractor engine,
remove the ignition key, lower implement to the ground and allow cutter blades
to come to a complete stop before dismounting tractor. Never leave equipment
unattended with the tractor running.
- Never place hands or feet under mower with tractor engine running or before
you are sure all motion has stopped. Stay clear of all moving parts.
- Do not reach or place any part of your body under equipment until it is blocked
securely.
- Do not allow riders on the finishing mower or tractor at anytime. There is no
safe place for any riders.
- Do not operate unless all personnel, livestock, and pets are several hundred
feet away to prevent injury by thrown objects. Never direct discharge chute to-
ward anyone.
- Never operate tractor and finishing mower under trees with low hanging limbs.
Operators can be knocked off the tractor and then run over by the rotating
blades.
- The rotating parts of this machine have been designed and tested for rugged
use. However, they could fail upon impact with heavy, solid objects such as steel
guardrails and concrete abutment. Such impact could cause the broken objects
to be thrown outward at very high velocities. To reduce the possibility of property
damage, serious injury, or even death, never allow the cutting blades to contact
such obstacles.
- Stop mower and tractor immediately upon striking an obstruction. Turn engine
off, remove key, inspect and repair any damage before resuming operation.
- Stay alert for uneven terrain, holes, rocks, and roots and other hidden haz-
ards. Keep away from drop-offs and hazards that could cause roll over. Use
extreme care and maintain minimum ground speed when transporting or oper-
ating on hillsides, over rough ground and when operating close to ditches or
fences. Be careful and slow down when turning sharp corners and changing
direction on slopes. Do not start or stop suddenly on slopes. Avoid operation
on steep slopes. In extremely uneven terrain, rear wheels weights, front trac-
tor weight, and/or tire ballast should be used to improve stability.
14

OPERATIONAL SAFETY continued...
- Pass finishing mower diagonally through sharp dips and avoid sharp drops to
prevent ―hanging up‖ tractor and finishing mower. Practice will improve your
skills in maneuvering on rough terrain. Always cut down slopes, never across
the face. Always check tractor manual for proper use on slopes.
- When using a unit, a minimum 20% of tractor and equipment weight must be on
tractor front wheels. Without this weight, tractor could tip over, causing personal
injury or death. The weight may be attained with a front- end loader, front wheel
weights, ballast in the tires or front tractor weights. When attaining a minimum
20% of tractor and equipment weight on the front wheels, you must not exceed
the ROPS weight certification. Weigh the tractor and equipment. Do not guess
or estimate!
TRANSPORT SAFETY
- Comply with state and local laws governing highway safety and movement of
farm machinery on public roads.
- The use of flashing amber lights is acceptable in most localities. However, some
localities prohibit their use. Local laws should be checked for all lighting and
marking requirements.
- At all times, when driving the tractor and equipment on the road or highway un-
der 20 mph (32 kph) use flashing amber warning lights and a slow moving vehi-
cle (SMV) identification emblem. Do not exceed 20 mph (32 kph). Reduce
speed on rough roads and surfaces.
- Plan your route to avoid heavy traffic.
- Always install transport locks, pins or brackets before transporting.
- Do not drink and drive.
- Be a safe and courteous driver. Always yield to oncoming traffic in all situations,
including narrow bridges, intersections, etc. Watch for traffic when operating
near or crossing roadways.
- Turn curves or go up or down hills only at a low speed and at a gradual steering
angle. Make certain that a least 20% of the tractor’s weight is on the front
wheels to maintain safe steerage. Slow down on rough or uneven surface. Al-
ways check tractor manual for proper use on slopes.
- Use extreme care and maintain minimum ground and when operating close to
ditches or fences. Be careful when turning sharp corners.
- Never allow riders on either tractor or mower.
15

16
ATTACHING TO TRACTOR
STEP 1 Attach to tractor's category 1 three point hitch as described in
the Tractor's Operator’s Manual.
WARNING
Failure to install retaining clip on gearbox input shaft would allow driveline to
swing freely if bolt is sheared causing possible injury or death.
STEP 2
Determine if the PTO shaft needs to be shortened.
NOTE:
Due to the many variations in the tractor hitch points and distances between
equipment gearbox input shaft and tractor PTO out put shafts, some combina-
tions may require PTO shafts to be shortened as described by the following
steps.
STEP 3
Raise and lower finishing mower in order to locate the shortest distance be-
tween equipment gearbox input shaft and tractor PTO output shaft. With the fin-
ishing mower in the shortest distance position shut down the tractor and SE-
CURELY BLOCK FINISHING MOWER IN POSITION.
STEP 4
Pull apart PTO shaft and attach outer section to tractor PTO output shaft.
NOTE: Be sure to pull on PTO shaft section to ensure yoke has locked into
place.
WARNING
Never stand between
tractor and finishing mower
while backing up tractor

17
ATTACHING TO TRACTOR continued....
STEP 5
Place and hold inner PTO shaft section next to outer section and check if PTO
shaft is too long. Each section should end approximately 3 inches short of
reaching u-joint shield on the opposite section. If the shaft is too long measure
3 inches back from each u-joint shield and mark the other shaft section. Be sure
to do this for both PTO shaft halves. NOTE: Do not cut PTO shaft sections at
this time.
STEP 6
Raise finishing mower and remove blocking. Raise and lower finishing mower in
order to locate the longest distance between equipment input shaft and the trac-
tor PTO output shaft. With the finishing mower in the longest distance position
shut down the tractor and SECURELY BLOCK THE FINISHING MOWER IN
POSITION.
STEP 7
As in step 5 hold PTO shaft sections together and check for a minimum of 6
inches of overlap. If PTO shaft has been marked for cutting the overlap is the
distance measured between the two marks. If the PTO shaft has less than a 6
inch overlap, DO NOT USE. Contact your authorized King Kutter Dealer.
NOTE
If the PTO shaft length is too long go to SIZING PTO SHAFT (pg. 18)
STEP 8
Apply any multi-purpose grease to the outside of the male (inner) PTO shaft
section. Assemble PTO shaft and install on finishing mower and tractor.
WARNING - Failure to install retaining clip on gearbox input shaft would allow
driveline to swing freely if bolt is sheared causing possible injury or
death.
STEP 9
Pull on tractor side of PTO shaft yoke to be sure it has locked in place. Make
certain PTO shaft shielding is in place and good working condition.
STEP 10
The PTO shaft shield is a non-rotating design and must be secured prior to
equipment use. Using the chain on each yoke shield attach to a fixed object
on the tractor and equipment ends that will not allow the PTO shaft shield to
rotate during operation.

18
SIZING PTO SHAFT
STEP 1
Cutting the PTO shaft to length. NOTE:
Be sure to cut equal lengths of each
PTO shaft section. Clamp end of PTO
shaft in a vice and cut off shield where
marked. (Figure 1-A & 1-B)
STEP 2
Using cut section of the shield as a guide
cut shaft off the same amount. (Figure
2)
STEP 3
Repeat steps 1 and 2 for other PTO
shaft section.
STEP 4
Use a file to deburr PTO shafts. Clean
up all chips, burrs and filings from both
ends of the PTO shaft.
Note: If you shear the bolt that attaches
the PTO shaft to the gearbox re-
place with a grade 2 bolt only. Re-
placement with another grade of
bolt will void your warranty and may
cause terminal damage to the PTO shaft,
gearbox, or tractor.
Figure 1-A
Figure 1-B
Figure 2

19
OPERATING INSTRUCTIONS
This mower was designed to CUT LAWN GRASS ONLY. Use of your finish-
ing mower to cut any material other than lawn grass may damage the mower
and void your warranty.
CUTTING HEIGHT ADJUSTMENT
To prevent blades from striking the ground your finishing mower
should be set to the highest position that will give desired grass
height. By setting your mower up this way you reduce blade wear and
stress on the mower. Mowing at regular intervals will yield far better
results than periodic mowing. (i.e. weekly vs. by-weekly mowing.)
STEP 1
Raise finishing mower off the ground with the tractor and SECURELY
BLOCK IN POSITION.
STEP 2
Remove pin from top of wheel fork assembly. Lower wheel fork
assembly from tail wheel arm.
STEP 3
Arrange spacers until desired cutting height is achieved. Cutting heights
range from approximately 2.0-6.0 inches in height.
STEP4
Reinstall wheel fork assembly into tail wheel arm and install keeper pin.
STEP 5
Repeat adjustment process on remaining wheel fork assemblies.
NOTE: Make sure all are adjusted to the same height for an even cut.

20
FINISHING MOWER OPERATION
STEP 1
Before each use perform the maintenance described in maintenance section (pg# 21)
STEP2
Read, understand, and follow the information on safety training, preparation, starting
and stopping safety, operational safety, transport safety warning sections of this man-
ual (pages 11 thru 16)
STEP 3
With tractor running, lower finishing mower to ground so that the swivel links are par-
allel to the ground. This allows the free-floating hitch system to follow the contour of
the ground, thus mowing evenly on uneven terrain.
STEP 4
With the tractor at idle RPM, engage PTO and slowly advance throttle to 540 PTO
RPM. NOTE: Finishing mower designed to run at 540 PTO RPM only.
STEP 5
Select a low gear for the tractor and begin to mow. Tractor ground speed
is to be controlled by gear selection only and not engine speed. Tractor
ground speed should allow finishing mower to maintain 540 PTO RPM and
thus maximum blade tip speed.
NOTE: Do not allow the tractor engine or finishing mower to bog down or stall. This
causes undue wear and tear on the mower and tractor. If this continues to happen re-
duce ground speed and raise cutting height of finishing mower. Never attempt to
clean out a plugged discharge chute until the tractor has been shut down and the
mower blades have completely stopped.
STEP 6
After each use clean all debris from the top and bottom of the finishing
mower. Replace any missing or illegible safety decals. Inspect for any dam-
aged or worn parts and replace before next use. Store finishing mower in a
dry environment.

21
MAINTENANCE
1). Periodically check and maintain proper gear oil level.
2). Every 8 hours, grease spindles (3), roller axle (1), wheel forks (4), wheel axles
(4), PTO shaft universal joints (2), and PTO telescoping surface.
NOTE: Use only a grade Type II tube grease.
3). Keep tires inflated to rated PSI (listed on tire) at all times.
4). Before each use check to make sure all safety features are installed and work-
ing properly.
5). Keep blades sharp and balanced at all times. When replacing blades, replace
all 3 blades and blade bolts at the same time.
NOTE: Blade bolts are left hand thread!
6). Periodically check all nuts, bolts, and belt to insure they are tight and secure.
Figure C
(grease points at arrows)

22
5-6-7 FT. FINISHING MOWER
TO REPLACE BELT:
STEP 1 Remove top cover.
STEP 2 Release adjustment spring.
STEP 3 Loosen nut on adjustment pulley to allow for movement. (See Figure ―D‖)
STEP 4 Loosen nut on right side of ―L‖ bracket. (See Figure ―D‖)
STEP 5 Loosen belt by moving adjustment pulley in opposite direction you would
to tighten belt.
STEP 6 Remove nuts (2) from hinged gearbox plate from finishing mower deck.
(See Figure E)
STEP 7 Loosen nuts (2) from hinged bolt gearbox plate.
STEP 8 Raise gearbox assembly and slip out belt.
STEP 9 See Figure D for belt placement on pulleys.
STEP 10 Do step 5 thru 7 under Section: "TO ADJUST BELT" to tighten.
TO ADJUST BELT:
STEP 1 Remove top cover.
STEP 2 Release adjustment spring.
STEP 3 Loosen nut on adjustment pulley to allow for movement. (See Figure D)
STEP 4 Loosen nut on right side of ―L‖ bracket. (See Figure D)
STEP 5 Turn nut on left side of ―L‖ bracket in counter clockwise direction until belt
is tight.
STEP 6 Re-tighten nut on right side of ―L‖ bracket and nut on adjustment pulley.
STEP 7 Re-hook adjustment spring. (See Figure ―D‖)

23
Figure D
Figure E

24
4 FT. FINISHING MOWER ONLY
TO REPLACE BELT:
STEP 1 Remove top cover.
STEP 2 Loosen nut on adjustment pulley to allow for movement. (See
Fig. ―D‖)
STEP 3 Loosen nut on right side of L Bracket. (See Fig. ―D‖)
STEP 4 Loosen belt by moving adjustment pulley in opposite direction
you would to tighten belt.
STEP 5 Remove bolts (2) from hinge bolt gearbox plate from finishing
mower deck. (See Fig. E).
STEP 6 Loosen nuts (2) from hinge bolt gearbox plate.
STEP 7 Raise gearbox assembly and pull out belt.
STEP 8 See (Fig. D) for belt placement on pulleys.
STEP 9 Do step 4 & 5 under section: ―TO ADJUST BELT‖ to tighten.
TO ADJUST BELT:
STEP 1 Remove top cover.
STEP 2 Loosen nut on adjustment pulley to allow for movement. (See
Fig. ―D‖)
STEP 3 Loosen nut on right side of L Bracket. (See Fig. ―D‖)
STEP 4 Turn nut on left side of L Bracket in counter clockwise direction
until belt is tight.
STEP 5 Retighten nut on right side of L Bracket and nut on adjustment
pulley.

25
4 FT. FINISHING MOWER ONLY

26
MAINTENANCE SAFETY
- Good maintenance is your responsibility. Poor maintenance is an invitation to trou-
ble.
- Follow good shop practices.
- Keep service area clean and dry
- Be sure electrical outlets and tools are properly grounded
- Use adequate light for the job at hand.
- Make sure there is plenty ventilation. Never operate the engine of the towing vehi-
cle in a closed building. The exhaust fumes may cause asphyxiation.
- Before working on this machine, disengage the PTO, shut off the engine, set the
bakes, and remove the ignition keys.
- Be certain all moving parts on attachments have come to a complete stop before
attempting to perform maintenance.
- Never work under equipment unless it is blocked securely.
- Always use personal protection devices such as eye, hand and hearing protectors,
when performing any service or maintenance.
- Frequently check mower blades. They should be sharp, free of nicks and cracks
and securely fastened. NOTE: Blade bolts are left hand thread!
- Periodically tighten all bolts, nuts, and screws and check that all cotter pins are
properly installed to ensure unit is in safe condition.
- When completing a maintenance or service function, make sure all safety shields
and devices are installed before placing unit in service.
- After servicing, be sure all tools, parts and service equipment are removed from
mower.
- Do not allow debris, grease or oil to build up on any deck or platform.
- Where replacement parts are necessary for periodic maintenance and servicing,
genuine factory replacement parts must be used to restore your equipment to origi-
nal specifications.
- The manufacturer will not be responsible for injuries or damages caused by use of
unapproved parts and/or accessories.
- A fire extinguisher and the first aid kit should be kept readily accessible while per-
forming maintenance on this equipment.
STORAGE SAFETY
- Following operation, or when unhooking the mower, stop the tractor, set
the brakes, disengage the PTO, shut off the engine and remove the igni-
tion keys.
- Store the unit in an area away from human activity.
- Do not park equipment where it can be exposed to direct contact to livestock for
long periods of time. Damage and livestock injury could result.
- Make sure all parked machines are on a hard, level surface and engage all safety
devices.

27
SAFETY SIGN LOCATIONS
The types of safety signs and locations on the equipment are shown in the illustration
below. Good safety requires that you familiarize yourself with the various safety signs,
the type of warning and the area, or particular function related to that area, that re-
quires your SAFTY AWARENESS
REMEMBER: If safety signs have been damaged, removed, become illegible or parts
have been replaced without signs, new safety signs must be applied. New safety
signs are available from your authorized dealer, distributor or factory.

28
1

29
2
3

30
4
5

31
6
7
8

32
9
10

33
11
12
MODEL NO.
DESCRIPTION
SN# XXXXXXXXXX

34
REAR DISCHARGE FLEX HITCH FINISHING MOWER

35
Ref.
No.
Part Name 4’ 5’ 6’ 7’
STAINLESS
1 Top Cover 124684 124685 124686 124687
2 Gear Box Plate 403029 403025 403025 403025
3 Idler Pulley Bracket - 312647 312647 -
3 Double-Idler Pulley Bracket - - 312647 312641
4 Spindle Unit - Single 502303 502303 502303 -
4 Spindle Unit - Double - - 502304 502304
5 Idler Pulley - Single 164090 164090 164090 -
5 Idler Pulley- Double - - 164091 164091
6 Belt Adjustment Assembly 403682 403688 403688 403688
7 V– Belt* 1671081 1671332 1671483 1671624
7 V - Belt Double - - 167149 167163
8 Spring - 502027 502027 502027
9 Gearbox 184000 184000 184000 184005
10 Main Pulley - Single 165114 165114 165112 165112
10 Main Pulley - Double - - 165113 165113
11 Swivel Link Bolt Pkg. 3/4‖ x 4‖ /w nut 502011 502011 502011 502011
12 Swivel Link Set 502010 502010 502010 502010
13 Cat. 1 Lift Pins (2/pk) 500001 500001 500001 500001
14 Lift Arm Spacer /w Bolt & Nut 501095 501095 501095 501095
15 Lift Arm Assembly 403664 403664 403664 403664
16 Center Roller /w Axle 502110 502110 502110 502110
17 Roller Axle 403670 403670 403670 403670
18 Height Adjuster Set 502120 502120 502120 502120
19 Front Tail Wheel Arm 403410 403700 403700 403700
19 Rear Tail Wheel Arm 403700 403700 403700 403700
20 Wheel Fork 403023 403023 403023 403023
21 Axle Bolt 3/4‖ x 5‖ /w Nut 502125 502125 502125 502125
22 Tire & Rim /w Axle & Nut 502015 502020 502020 502020
23 Brace Arm 310067 310066 310065 310065
24 Blade Set /w Bolts 502316 502320 502324 502328
25 Spindle Pulley - Single 502313 502313 502313 -
25 Spindle Pulley - Double - - 502314 502314
26 22‖ PTO Shaft 147022 147022 147022 147022
27 LH Blade Bolt Set /w Washer 502310 502310 502310 502310
28 Plastic Knob 502287 502287 502287 502287
29 Belt Guards (1-LH, 1-RH) 502400 502401 502402 502403
30 Gearbox Plate Bolt Pkg. - 502197 502197 502197
31 Pivot Shield Kit 501029 501029 501029 501029
32 Pivot Bar 401031 401031 401031 401031
*1B-108 2B-133 3B-148 4B-162 *167112

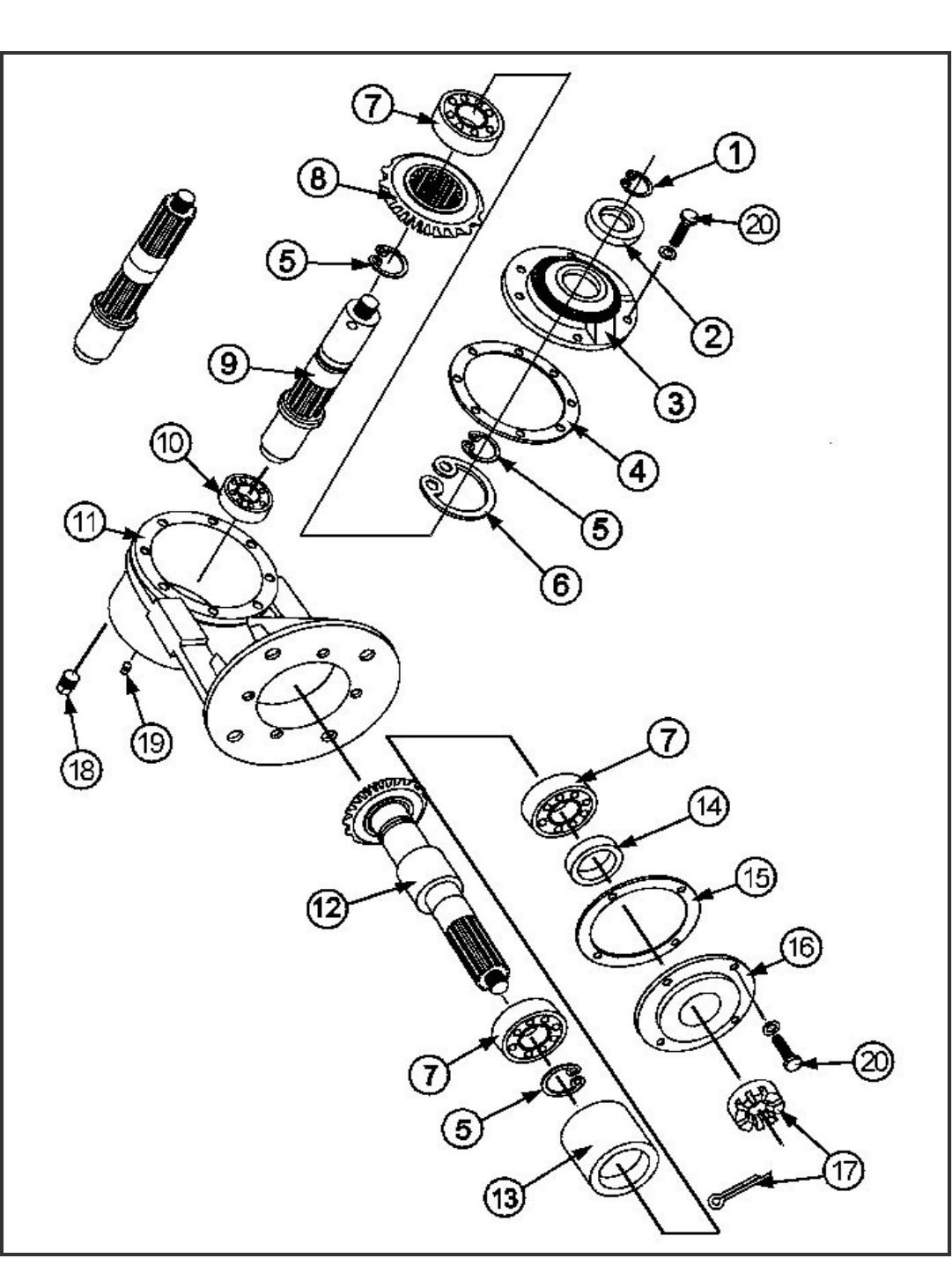
38
40 HP GEARBOX

39
Ref.
No.
Part Name 4’-5’-6’ Gearbox
184000
7’ Gearbox
184005
1 Snap Ring 106138 106138
2 Input Seal (NAK 35 x 54 x 10) 156010 156010
3 Front Cap 129015 129015
4 Front Cap Gasket 124130 124130
5 Snap Ring 131031 131031
6 Snap Ring 131030 131030
7 Bearing (Hoover 208) 155005 155005
8 Input Gear 185007 185010
9 Input Shaft 186010 186010
10 Bearing (NSK 6207) 155010 155010
11 Housing 129010 129010
12 Output Shaft 185005 185006
13 Spacer - 131045
14 Output Seal (NAK 40 x 54 x 7) 156005 156005
15 Bottom Cap Gasket 124131 124131
16 Bottom Cap 129005 129005
17 1’ Castle Nut /w Washer & Cotter Pin 501110 501110
18 1/2‖ Pipe Plug 131035 131035
19 1/8‖ Pipe Plug 131040 131040
20 3/8‖ x 1‖ Bolt & Lock washer - -

36
22" PTO 147022
Ref.
No.
Part Name
147022
1 Roll Pin Kit 500131
2 Male Tube End Yoke 151045
3 Implement End Yoke 151040
4 Female Tube End Yoke 151050
5 Tractor End Yoke 151035
6 Inner Tube 14 Series 151090
7 Outer Tube 14 Series 151091
8 Cross Kit # 4 170015
9 Quick Disconnect Pin 170110
10 Safety Shield BYPY 124310
10 Safety Shield Eurocardan 124311

37
Blade Spindle Unit
Ref.
No.
Part Name 502303 502304
1 & 2 Bearing Kit - (2) Ball Bearings (6205),
(2) Seals (TCM25x52x7TC), (4) Snap Rings
555009
555009
3 Spindle Pulley /w Nut & Key 502313 502314
4 Blade Bolt Set (3) /w Washer 502310 502310
5 Spindle Cap 191302 191302

40
BONDIOLI- (BYPY)
1). There are 3 white tabs around the cover as shown in (A in FIG. 1). Take a
screwdriver and press against the tabs one at a time with downward angular
pressure toward the end of shaft marked (B in FIG. 2). As you are pressing tab
grasp cover at point marked (B in FIG. 2) and apply pressure against cover in
the direction of arrow, do this for each tab. (Sometimes the other tabs may
relock, if they do you must repeat unlock procedure.) You will feel it click when
the tab releases, after all 3 tabs are released you can slide the cover down the
shaft in direction of (C in FIG. 2).
2) To put cover back into place slide cover back toward end until all the tabs
relock. (You may have to tap lightly with screwdriver or hammer handle).
NOTE: Cover may be longer on some models but, they will come off the
same as above.
EUROCARDAN SERIES 4
1) First you must locate the black tab (D in FIG. 3) put flat screwdriver in slot in
end of tab and turn until the flat side is pointing towards center of shaft. Once
you do this take the thin flat screwdriver and put into slot labeled (E in FIG. 3)
pry tab all the way out as shown in (FIG. 3)
2). There are 3 white tabs around the cover as shown in (G in FIG. 4). You must
line up cover slots and tabs (as shown in FIG. 4, F & G) Take a screwdriver
and press against the tabs one at a time with downward angular pressure to-
ward the end of shaft. As you are pressing tab grasp cover and apply pressure
against cover in the direction of arrow, (H in FIG-3) do this for each tab.
(Sometimes the other tabs may relock, if they do you must repeat unlock proce-
dure.) You will feel it click when the tab releases, after all 3 tabs are released
you can slide the cover down the shaft in PTO SHAFTS
COVER REMOVAL direction of (H in FIG. 3).
3) To put cover back into place slide cover back toward end (be sure tabs and slots
line up) until all the tabs relock. (You may have to tap lightly with screwdriver or
hammer handle). Once they have relocked replace black tab that was removed
with flat side toward shaft center then turn flat side up to lock in place.
LA MAGDALENA
1) There are 3 black tabs around the cover (K in FIG. 5). Take a screwdriver and
press against the tabs one at a time with downward angular pressure toward
the end of shaft marked (J in FIG. 5). As you are pressing tab grasp cover at
point marked (J in FIG. 5) and apply pressure against cover in the direction of
arrow, do this for each tab.
2) To replace slide cover back toward end and line up black tabs with the holes
and lock in place.
PTO SHAFTS COVER REMOVAL

41
BONDIOLI COVER REMOVAL
FIGURE- 1 FIGURE– 2
FIGURE– 3 FIGURE– 4
FIGURE– 5
EUROCARDAN SERIES 4 COVER REMOVAL
LA MAGDALENA COVER REMOVAL

42
PTO SHAFTS COVER REMOVAL
EUROCARDAN SERIES 5
1). There are 2 black tabs around the cover as shown in (B in FIG. 1). Take a flat
screwdriver and pry under the tabs one at a time at point (B in FIG. 2) lifting tab
over on top of (e-shaped lock). After both tabs are released you can slide the
locking ring down the shaft in direction of (C in FIG. 3). Then you will see a
metal e-ring (E in FIG. 4) at point (D in FIG. 4) you must pry under ring and re-
move it, (it will just slide down shaft unless you take PTO apart) then apply pres-
sure against cover (A in FIG. 1) in the direction of arrow and slide cover down
shaft.
2) To put cover back into place slide cover back toward end, making sure cover and
locking mechanism (F in FIG. 4) line up. Replace metal e-ring, slide the locking
ring back into place, be sure the tabs lock securely over locks.
NOTE: Cover may be longer on some models but, they will come off the
same as above.
FIGURE- 1 FIGURE– 2
FIGURE– 3 FIGURE– 4

43
1. Limited Warranty.
King Kutter, Inc. (―King Kutter‖), P.O. Box 1200, Winfield, Alabama 35594, warrants to the original retail pur-
chaser (―Purchaser‖) that the product that is the subject of this sale is free from defects in material and work-
manship at the time of sale.
Under this warranty, King Kutter will repair the defective product free of charge to the Purchaser, with either
new or used and reconditioned replacement parts. All warranty service will be performed at service centers
designated by King Kutter. If King Kutter is unable to repair the product to conform to the warranty after a
reasonable number of attempts, King Kutter will provide, at its option, one of the following: (a) a replacement
for the product or, (b) a full refund of the purchase price. Repair, replacement, or refunds are the Pur-
chaser’s EXCLUSIVE remedies against King Kutter under this limited warranty. King Kutter will not be liable
for any special, incidental or consequential damages based upon breach or warranty, breach of contract, neg-
ligence, strict tort liability, or any other legal theory. Such damages include, but are not limited to, loss of prof-
its, loss of savings or revenue, loss of use of the product or any associated equipment, cost of capital, cost of
any substitute equipment, facilities or services, down time, the claims of third parties including customers, and
injury to property. These limitations also apply, to the extent allowed by law, to personal injury.
The purchaser must notify the Seller in writing of any defect in material or workmanship within one (1) year
following the date of purchase. If the equipment is used for commercial purposes, the Purchaser must notify
the Seller in writing of any defect in material or workmanship within ninety (90) days following the date of pur-
chase. In no event will King Kutter be liable under this warranty unless written notice is received by the Seller
within one (1) year from the date of original retail sale.
2. Warranty of Title.
King Kutter warrants that it transfers a good title to the product free of any encumbrances, and free of the
rightful claim of any third party for infringement of patent or copyright.
3. What is Not Covered by This Limited Warranty.
King Kutter will not be responsible for damage to or failure in the product which results from accident, misuse,
abuse, neglect, installation of attachments not provided by King Kutter, modifications to the product, or dam-
age caused by use of the product for purposes other than those for which it was designed.
4. No Other Warranties.
Unless modified in writing and signed by both parties, this agreement is understood to be the complete and
exclusive agreement and warranty between King Kutter and Purchaser, superseding all prior agreements,
oral and written, and all other communication between King Kutter and Purchaser related to the subject mat-
ter of this agreement.
THIS LIMITED WARRANTY IS IN LIEU OF ALL OTHER WARRANTIES, EXPRESS OR IMPLIED, INCLUD-
ING, BUT NOT LIMITED TO, THE IMPLIED WARRANTY OF MERCHANTABILITY AND THE IMPLIED
WARRANTY OF FITNESS FOR A PARTICULAR PURPOSE. No employee of King Kutter nor anyone else is
authorized to make any warranty or representation in addition to or different from those made in this agree-
ment.
5. Allocation of Risk.
This agreement allocates the risk of product failure between King Kutter and the Purchaser. This Allocation is
recognized by both parties as reflected in the price of the goods. The Purchaser acknowledges that he or she
has read this agreement, understands it, and is bound by its terms.