KitchenAid 4317266 FC Book User Manual To The 17c09e98 6efd 4fa1 817b Da64b0717b85
User Manual: KitchenAid 4317266 to the manual
Open the PDF directly: View PDF
.
Page Count: 32

KITCHENAID CONSUMER SERVICES
Technical Training Department
Failure Codes & Wiring Diagrams
for
KitchenAid Freestanding & Slide-In Ranges And Built-In Ovens
All rights reserved. No portion of this document may be reproduced in any form without
written permission from Whirlpool Corporation.
Part No. 4317266

2
ELECTRONIC OVEN CONTROLS
BAKE
CONVECTION
BROIL CLEAN
123
456
78
0
9
BAKE
AUTO
SET
TEMP
PROBE START
TIME
STOP
TIME
CLOCK
SET
OVEN
LIGHT SET CANCEL
START
ENTER
CANCEL
OFF
BROIL ROAST
DELAY/TIMED KITCHEN TIMER
888
88:88
BAKE
123
456
78
0
9
BROIL
CLEAN START
TIME
STOP
TIME
CLOCK
SET
OVEN
LIGHT SET CANCEL
START
ENTER
CANCEL
OFF
DELAY/TIMED KITCHEN TIMER
888
88:88
BAKE BROIL
BAKE BROIL ROAST
CLEAN
MEATS
BAKED
GOODS
OTHER
FOODS
COOK
TIME
START
CANCEL
CONVECT
FULL
MEAL
CLOCK
SET • START
HR. MIN MIN SEC
STOP
TIME ON
ON
LIGHT
SURFACE LIGHT
EASY CONVECT
CONVECTION TIMER
OFF
OVEN
LIGHT
SET-START CANCEL
OFF
888
88:88
8:30 88:88
88:88
123
456
78
0
9
BAKE BROIL CLEAN
COOK
TIME
START
CANCEL
SURFACE
LIGHT
CLOCK
SET • START
STOP
TIME
ON
TIMER
OVEN
LIGHT
SET-START CANCEL
888
88:88
123
456
78
0
9
OFF
Figure 1
Figure 2
Figure 3
Figure 4

3
ON
EASY CONVECT
CONVECTION
COOK TIME
CHECK
FOOD AT
START
TIME
2:00
12:00
11:30
1:30
350
BAKED
GOODS
OTHER
FOODS
COOK
TIME
CLEAN
MEATS OVEN
LIGHT
CONVECT
FULL
MEAL
CONTROL
LOCK
START
UPPER OVEN
CANCEL / OFF
LOWER OVEN
CANCEL / OFF
BROIL
• MAXI
• • ECONO
SET-START CANCEL
STOP
TIME
CLOCK
SET-START
TIMER
CONVERSION
123
456
789
0
Superba
EasyConvect
EASY CONVECT
F
425
F
BAKEUPPER
OVEN
LOWER
OVEN BAKE BROIL ROAST
CONVECTOIN
ON
ON
EASY CONVECT
CONVECTION
COOK TIME
CHECK
FOOD AT
START
TIME
2:00
12:00
11:30
1:30
350
BAKED
GOODS
OTHER
FOODS
COOK
TIME
CLEAN
MEATS
OVEN
LIGHT
CONVECT
FULL
MEAL
CONTROL
LOCK
START
UPPER OVEN
CANCEL / OFF
LOWER OVEN
CANCEL / OFF
BROIL
• MAXI
• • ECONO
SET-START CANCEL
STOP
TIME
CLOCK
SET-START
TIMER
CONVERSION
123
456
789
0
Superba
EasyConvect
F
BAKEUPPER
OVEN
LOWER
OVEN BAKE BROIL ROAST
CONVECTOIN
F
ON
450
ON
EASY CONVECT
CONVECTION
COOK TIME
CHECK
FOOD AT
START
TIME
2:00
12:00
11:30
1:30
350
BAKED
GOODS
OTHER
FOODS
COOK
TIME
CLEAN
MEATS
OVEN
LIGHT
CONVECT
FULL
MEAL
CONTROL
LOCK
START
CANCEL
OFF
BROIL
• MAXI
• • ECONO
SET-START CANCEL
STOP
TIME
CLOCK
SET-START
TIMER
CONVERSION
123
456
789
0
Superba
EasyConvect
F
BAKE
BAKE BROIL ROAST
CONVECTOIN
ON ON
COOK TIME
UPPER
OVEN
LOWER
OVEN
2:00
350 450
BAKE CLEAN
COOK
TIME
UPPER OVEN
CANCEL / OFF
LOWER OVEN
CANCEL / OFF
START
OVEN
LIGHT
CONTROL
LOCK
STOP
TIME
BROIL
• MAXI
• • ECONO
SET-START CANCEL
CLOCK
SET-START
TIMER
123
456
789
0
Figure 5
Figure 6
Figure 7
Figure 8
Figure 9
ON
EASY CONVECT
CONVECTION
COOK TIME
CHECK
FOOD AT
START
TIME
2:00
2:00
11:30
1:30
350
BAKED
GOODS
OTHER
FOODS
COOK
TIME
CLEAN
MEATS OVEN
LIGHT
CONVECT
FULL
MEAL
CONTROL
LOCK
START
START
POPCORN
3 MINS
CUSTOM
REHEAT
CUSTOM
DEFROST
CUSTOM
COOK
BROIL CRISP KEEP
WARM
MICRO
COOK
POWER
LOWER OVEN
CANCEL / OFF
MICRO OVEN
BROIL
• MAXI
• • ECONO
SET-START CANCEL
STOP
TIME
CLOCK
SET-START
TIMER
CONVERSION
123
456
789
0
Superba
EasyConvect
EasyMinute
CANCEL
F
BAKE
BAKE BROIL ROAST
CONVECTION
LOWER OVEN MICRO OVEN
F
ON
450

4
TECH SHEET LOCATIONS
Behind Control Panel
Behind Control Panel
Behind Control Panel
Behind Control Panel

5
KERC500EAL1
KERC500EAL2
KERC500EWH0
KERC500EWH1
KERC500EWH2
KERC500EWH3
KERC500YAL2
KERC500YAL3
KERC500YAL4
KERC500YAL5
KERC500YBL2
KERC500YBL3
KERC500YBL4
KERC500YBL5
KERC507EAL1
KERC507EAL2
KERC507EBL1
KERC507EBL2
KERC507EWH0
KERC507EWH1
KERC507EWH2
KERC507EWH3
KERC507YAL3
KERC507YAL4
KERC507YAL5
KERC507YWH2
KERC507YWH3
KERC507YWH4
KERC507YWH5
KERC600EAL0
KERC600EAL1
KERC600EAL2
KERC600EWH0
KERC600EWH1
KERC600EWH2
KERC607EAL0
KERC607EAL1
KERC607EAL2
KERC607EWH0
KERC607EWH1
KERC607EWH2
KERH507EWH0
KERH507EWH3
Touch Panel
Part #
Model # Figure #
(Page 2)
2
2
4
2
2
4
2
2
2
2
2
2
2
2
2
2
2
2
3
2
2
3
1
1
1
1
1
1
1
4
4
4
4
4
4
3
3
3
3
3
3
3
3
9752278
9752278
9752279
9752278CW
9752278CW
3190379
9750918
9750918
9750918
9750918
9750716
9750716
9750716
9750716
9752277CT
9752277CT
9752277CB
9752277CB
3190378
9752277CW
9752277CW
3190378
9750699
9750699
9750699
9750700
9750700
9750700
9750700
3190379
9752692
9752692
3190379
9752692
9752692
3190378
9752691
9752691
3190378
9752691
9752691
3190378
3190378
A.C.T. NON-CONVECTION
A.C.T. NON-CONVECTION
TIMER NON-CONVECTION
A.C.T. NON-CONVECTION
A.C.T. NON-CONVECTION
TIMER NON-CONVECTION
KITCHENAID TIMER THERMOSTAT
KITCHENAID TIMER THERMOSTAT
KITCHENAID TIMER THERMOSTAT
KITCHENAID TIMER THERMOSTAT
KITCHENAID TIMER ASSEMBLY
KITCHENAID TIMER ASSEMBLY
KITCHENAID TIMER ASSEMBLY
KITCHENAID TIMER ASSEMBLY
A.C.T. CONVECTION
A.C.T. CONVECTION
A.C.T. CONVECTION
A.C.T. CONVECTION
TIMER CONVECTION
A.C.T. CONVECTION
A.C.T. CONVECTION
TIMER CONVECTION
KITCHENAID CONVECTION
KITCHENAID CONVECTION
KITCHENAID CONVECTION
KITCHENAID TIMER CONVECTION
KITCHENAID TIMER CONVECTION
KITCHENAID TIMER CONVECTION
KITCHENAID TIMER CONVECTION
TIMER NON-CONVECTION
D.A.C. NON-CONVECTION
D.A.C. NON-CONVECTION
TIMER NON-CONVECTION
D.A.C. NON-CONVECTION
D.A.C. NON-CONVECTION
TIMER CONVECTION
TIMER CONVECTION
TIMER CONVECTION
TIMER CONVECTION
TIMER CONVECTION
TIMER CONVECTION
TIMER CONVECTION
TIMER CONVECTION
Description
9752381
9752381
9752381
9752381
9752381
9752381
9750877
9750877
9750877
9750877
9750877
9750877
9750877
9750877
9752381
9752381
9752381
9752381
9752381
9752381
9752381
9752381
9750877
9750877
9750877
9750877
9750877
9750877
9750877
9751598
9751598
9751598
9751598
9751598
9751598
9751598
9751598
9751598
9751598
9751598
9751598
9750877
9750877
Page
#
14
14
14
14
14
14
14
14
14
14
14
14
14
14
14
14
14
14
14
14
14
14
14
14
14
14
14
14
14
15
15
15
15
15
15
15
15
15
15
15
15
14
14
Tech
Sheet
Part #

6
KERH507YAL2
KERH507YAL3
KERH507YAL4
KERH507YAL5
KERH507YBL2
KERH507YBL3
KERH507YBL4
KERH507YBL5
KERH507YWH2
KERH507YWH3
KERH507YWH4
KERH507YWH5
KERI500EAL1
KERI500EWH 1
KERI500YAL3
KERl500YAL4
KERS507EAL1
KERS507EWH0
KERS507EWH1
KERS507YAL3
KERS507YAL4
KERS507YWH2
KERS507YWH3
KERS507YWH4
KESC300BAL1
KESC300BAL2
KESC300BAL3
KESC300BAL4
KESC300BAL5
KESC300BAL6
KESC300BBL1
KESC300BBL2
KESC300BBL3
KESC300BBL4
KESC300BBL5
KESC300BBL6
KESC300BWH0
KESC300BWH1
KESC300BWH2
KESC300BWH3
KESC300BWH4
KESC300BWH5
KESC300BWH6
Touch Panel
Part #
Model
Tech
Sheet
Part #
Figure #
(Page 2) Description Page
#
1
1
1
1
1
1
1
1
1
1
1
1
2
2
2
2
2
2
2
1
1
1
1
1
4
4
4
4
4
4
4
4
4
4
4
4
4
4
4
4
4
4
4
9750699
9750699
9750699
9750699
9750917
9750917
9750917
9750917
9750700
9750700
9750700
9750700
9752278
9752278CW
9750918
9750918
9752277CT
9752277CW
9752277CW
9750699
9750699
9750700
9750700
9750700
3190379
3190379
3190379
3190379
9752692
9752692
3190379
3190379
3190379
3190379
9752692
9752692
3190379
3190379
3190379
3190379
3190379
9752692
9752692
KITCHENAID CONVECTION
KITCHENAID CONVECTION
KITCHENAID CONVECTION
KITCHENAID CONVECTION
KITCHENAID TIMER ASSY. CONV.
KITCHENAID TIMER ASSY. CONV.
KITCHENAID TIMER ASSY. CONV.
KITCHENAID TIMER ASSY. CONV.
KITCHENAID TIMER CONVECTION
KITCHENAID TIMER CONVECTION
KITCHENAID TIMER CONVECTION
KITCHENAID TIMER CONVECTION
A.C.T. NON-CONVECTION
A.C.T. NON-CONVECTION
KITCHENAID TIMER THERMOSTAT
KITCHENAID TIMER THERMOSTAT
A.C.T. CONVECTION
A.C.T. CONVECTION
A.C.T. CONVECTION
KITCHENAID CONVECTION
KITCHENAID CONVECTION
KITCHENAID TIMER CONVECTION
KITCHENAID TIMER CONVECTION
KITCHENAID TIMER CONVECTION
TIMER NON-CONVECTION
TIMER NON-CONVECTION
TIMER NON-CONVECTION
TIMER NON-CONVECTION
D.A.C. NON-CONVECTION
D.A.C. NON-CONVECTION
TIMER NON-CONVECTION
TIMER NON-CONVECTION
TIMER NON-CONVECTION
TIMER NON-CONVECTION
D.A.C. NON-CONVECTION
D.A.C. NON-CONVECTION
TIMER NON-CONVECTION
TIMER NON-CONVECTION
TIMER NON-CONVECTION
TIMER NON-CONVECTION
TIMER NON-CONVECTION
D.A.C. NON-CONVECTION
D.A.C. NON-CONVECTION
14
14
14
14
14
14
14
14
14
14
14
14
14
14
14
14
14
14
14
14
14
14
14
14
15
15
15
15
15
15
15
15
15
15
15
15
15
15
15
15
15
15
15
9750877
9750877
9750877
9750877
9750877
9750877
9750877
9750877
9750877
9750877
9750877
9750877
9752381
9752381
9750877
9750877
9752381
9752381
9752381
9750877
9750877
9750877
9750877
9750877
9751598
9751598
9751598
9751598
9751598
9751598
9751598
9751598
9751598
9751598
9751598
9751598
9751598
9751598
9751598
9751598
9751598
9751598
9751598

7
KESC307BAL1
KESC307BAL2
KESC307BAL3
KESC307BAL4
KESC307BAL5
KESC307BAL6
KESC307BWH1
KESC307BWH2
KESC307BWH3
KESC307BWH4
KESC307BWH5
KESC307BWH6
KESH307BAL1
KESH307BAL2
KESH307BAL3
KESH307BAL4
KESH307BAL5
KESH307BAL6
KESH307BBL1
KESH307BBL2
KESH307BBL3
KESH307BBL4
KESH307BBL5
KESH307BBL6
KESH307BWH1
KESH307BWH2
KESH307BWH3
KESH307BWH4
KESH307BWH5
KESH307BWH6
KESS300BAL0
KESS300BWH0
KGRT500BAL1
KGRT500BAL2
KGRT500BAL3
KGRT500BAL4
KGRT500BWH1
KGRT500BWH2
KGRT500BWH3
KGRT500BWH4
KGRT500FAL0
KGRT500FWH0
KGRT507BAL1
Touch Panel
Part #
Model
Tech
Sheet
Part #
Figure #
(Page 2) Description Page
#
4
4
4
4
4
4
4
4
4
4
3
3
3
3
3
3
3
3
3
3
3
3
3
3
3
3
3
3
3
3
3
3
3
3
3
3
3
3
3
3
3
3
4
3190379
3190379
3190379
3190379
3190379
3190379
3190379
3190379
3191107
3191107
3190378
3190378
3190378
3190378
3190378
9752691
9752691
3190378
3190378
3190378
3190378
9752691
9752691
3190378
3190378
3190378
3190378
9752691
9752691
3190378
3190378
3190378
3190378
9752691
9752691
3190378
3190378
3190378
3190378
9752691
9752691
3190379
3190379
TIMER CONVECTION
TIMER CONVECTION
TIMER CONVECTION
TIMER CONVECTION
TIMER CONVECTION
TIMER CONVECTION
TIMER CONVECTION
TIMER CONVECTION
TIMER CONVECTION
TIMER CONVECTION
TIMER CONVECTION
TIMER CONVECTION
TIMER CONVECTION
TIMER CONVECTION
TIMER CONVECTION
TIMER CONVECTION
TIMER CONVECTION
TIMER CONVECTION
TIMER CONVECTION
TIMER CONVECTION
TIMER CONVECTION
TIMER CONVECTION
TIMER CONVECTION
TIMER CONVECTION
TIMER CONVECTION
TIMER CONVECTION
TIMER CONVECTION
TIMER CONVECTION
TIMER CONVECTION
TIMER CONVECTION
TIMER NON-CONVECTION
TIMER NON-CONVECTION
TIMER NON-CONVECTION
TIMER NON-CONVECTION
TIMER NON-CONVECTION
TIMER NON-CONVECTION
TIMER NON-CONVECTION
TIMER NON-CONVECTION
TIMER NON-CONVECTION
TIMER NON-CONVECTION
D.A.C. NON-CONVECTION
D.A.C. NON-CONVECTION
TIMER CONVECTION
16
16
16
16
16
16
16
16
16
16
16
15
15
15
15
15
15
15
15
15
15
15
15
15
15
15
15
15
15
15
15
15
15
15
15
15
15
15
15
15
15
16
16
9752669
9752669
9752669
9752669
9752669
9752669
9752669
9752669
9752669
9752669
9752669
9751598
9751598
9751598
9751598
9751598
9751598
9751598
9751598
9751598
9751598
9751598
9751598
9751598
9751598
9751598
9751598
9751598
9751598
9751598
9751598
9751598
9751598
9751598
9751598
9751598
9751598
9751598
9751598
9751598
9751598
9752669
9752669

8
Model Figure #
(Page 2) Description Page
#
3
3
3
3
3
3
3
3
3
3
3
3
3
3
4
4
4
4
4
4
4
4
4
4
3
3
3
3
3
3
3
3
3
3
3
3
3
3
3
3190378
3190378
3190378
3190378
3190378
3190378
3190378
3190378
3190378
3190378
3190378
3191106
3191106
3191106
3190379
3190379
3190379
3190379
3190379
3190379
3190379
3190379
3191107
3191107
3190378
3190378
3190378
3190378
3190378
3190378
3190378
3190378
3190378
3190378
3190378
3190378
3191106
3191106
3191106
TIMER CONVECTION
TIMER CONVECTION
TIMER CONVECTION
TIMER CONVECTION
TIMER CONVECTION
TIMER CONVECTION
TIMER CONVECTION
TIMER CONVECTION
TIMER CONVECTION
TIMER CONVECTION
TIMER CONVECTION
D.A.C. 3 CONTROL CONVECTION
D.A.C. 3 CONTROL CONVECTION
D.A.C. 3 CONTROL CONVECTION
TIMER NON-CONVECTION
TIMER NON-CONVECTION
TIMER NON-CONVECTION
TIMER NON-CONVECTION
TIMER NON-CONVECTION
TIMER NON-CONVECTION
TIMER NON-CONVECTION
TIMER NON-CONVECTION
D.A.C. NON-CONVECTION
D.A.C. NON-CONVECTION
TIMER CONVECTION
TIMER CONVECTION
TIMER CONVECTION
TIMER CONVECTION
TIMER CONVECTION
TIMER CONVECTION
TIMER CONVECTION
TIMER CONVECTION
TIMER CONVECTION
TIMER CONVECTION
TIMER CONVECTION
TIMER CONVECTION
D.A.C. 3 CONTROL CONVECTION
D.A.C. 3 CONTROL CONVECTION
D.A.C. 3 CONTROL CONVECTION
Tech
Sheet
Part #
9752669
9752669
9752669
9752669
9752669
9752669
9752669
9752669
9752669
9752669
9752669
9752669
9752669
9752669
9752669
9752669
9752669
9752669
9752669
9752669
9752669
9752669
9752669
9752669
9752669
9752669
9752669
9752669
9752669
9752669
9752669
9752669
9752669
9752669
9752669
9752669
9752669
9752669
9752669
16
16
16
16
16
16
16
16
16
16
16
16
16
16
16
16
16
16
16
16
16
16
16
16
16
16
16
16
16
16
16
16
16
16
16
16
16
16
16
KGRT507BAL2
KGRT507BAL3
KGRT507BAL4
KGRT507BBL1
KGRT507BBL2
KGRT507BBL3
KGRT507BBL4
KGRT507BWH1
KGRT507BWH2
KGRT507BWH3
KGRT50
7BWH4
KGRT507FAL0
KGRT507FBL0
K
GRT507
FWH0
KGST300BAL0
KGST300BAL1
KGST300BAL2
KGST300BAL3
KGST300BWH0
KGST300BWH1
KGST300BWH2
KGST300BWH3
KGST300FAL0
KGST300FWH0
KGST307BAL0
KGST307BAL1
KGST307BAL2
KGST307BAL3
KGST307BBL0
KGST307BBL1
KGST307BBL2
KGST307BBL3
KGST307BWH0
KGST307BWH1
KGST307BWH2
KGST307BWH3
KGST307FAL0
KGST307FBL0
KGST307FWH0
Touch Panel
Part #

9
Black White Almond Biscuit Black Stainless
4451060 4451061 4451062
4451063 4451064 4451065
4451248 4451249
4451251 4451252
4451254 4451255
4451257 4451258 4451259
4451260 4451261
4451263 4451264
4451276 4451277
4451279 4451280 4451279
4451285 4451286
4451288 4451289
4451291 4451292 4451293 4451297
4451294 4451295 4451296
BUILT-IN MODEL OVENS TOUCH PANEL COLORS
NOTE: The charts on the following pages show only white touch panels. For other touch panel
colors, refer to the above chart.

10
Touch Panel
Part #
Model Figure #
(Page 3)
Description Tech
Sheet
Part #
KEBI101DWH0
KEBI101DWH1
KEBI101DWH2
KEBI101DWH4
KEBI101DWH6
KEBI101DWH7
KEBI141DWH0
KEBI141DWH1
KEBI141DWH2
KEBI141DWH4
KEBI141DWH6
KEBI141DWH7
KEBI171DWH0
KEBI171DWH1
KEBI171DWH2
KEBI171DWH4
KEBI171DWH6
KEBI171DWH7
KEBI276DWH0
KEBI276DWH1
KEBI276DWH2
KEBI276DWH4
KEBI276DWH6
KEBS107DWH0
KEBS107DWH1
KEBS107DWH2
KEBS107DWH4
KEBS107DWH6
KEBS107DWH7
KEBS147DWH0
KEBS147DWH1
KEBS147DWH2
KEBS147DWH4
KEBS147DWH6
KEBS147DWH7
KEBS177DWH0
KEBS177DWH1
KEBS177DWH2
KEBS177DWH4
KEBS177DWH6
KEBS177DWH7
8
8
8
8
8
8
8
8
8
8
8
8
8
8
8
8
8
8
8
8
8
8
8
7
7
7
7
7
7
7
7
7
7
7
7
7
7
7
7
7
7
N/A
4451249
4451261
4451261
4451261
4451801
N/A
4451249
4451249
4451249
4451249
4451801
N/A
4451255
4451255
4451255
4451255
4451801
N/A
4451277
4451277
4451277
4451277
N/A
4451264
4451264
4451264
4451264
4451804
N/A
4451252
4451252
4451252
4451252
4451804
N/A
4451258
4451258
4451258
4451258
4451804
Thermal Single Oven
Thermal Single Oven
Thermal Single Oven
Thermal Single Oven
Thermal Single Oven
Thermal Single Oven
Thermal Single Oven
Thermal Single Oven
Thermal Single Oven
Thermal Single Oven
Thermal Single Oven
Thermal Single Oven
Thermal Single Oven
Thermal Single Oven
Thermal Single Oven
Thermal Single Oven
Thermal Single Oven
Thermal Single Oven
Thermal Double Oven
Thermal Double Oven
Thermal Double Oven
Thermal Double Oven
Thermal Double Oven
Thermal Convection
Thermal Convection
Thermal Convection
Thermal Convection
Thermal Convection
Thermal Convection
Thermal Convection
Thermal Convection
Thermal Convection
Thermal Convection
Thermal Convection
Thermal Convection
Thermal Convection
Thermal Convection
Thermal Convection
Thermal Convection
Thermal Convection
Thermal Convection
Electronic
Control
Page
#
N/A
4448865
4448865
4448865
4448865
4448453
N/A
4448865
4448865
4448865
4448865
4451845
N/A
4448865
4448865
4448865
4448865
4451845
N/A
4448868
4448868
4448868
4448868
N/A
4448866
4448866
4448866
4448866
4451845
N/A
4448866
4448866
4448866
4448866
4451845
N/A
4448866
4448866
4448866
4448866
4451845
4450809
4454768
4454768
4454768
4452023
4451876
4450809
4454768
4454768
4454768
4452023
4451876
4450809
4454768
4454768
4454768
4452023
4451876
4448401
4454770
4454770
4454770
4452025
4448401
4454769
4454769
4454769
4452024
4451876
4450810
4454769
4454769
4454769
4452024
4451876
4450810
4454769
4454769
4454769
4452024
4451876
19
28
28
28
23
19
28
28
28
23
19
28
28
28
23
30
30
30
25
29
29
29
24
20
29
29
29
24
20
29
29
29
24

11
Touch Panel
Part #
Model Figure #
(Page 3)
Description Tech
Sheet
Part #
KEBS207DWH0
KEBS207DWH1
KEBS207DWH2
KEBS207DWH4
KEBS207DWH6
KEBS208DWH0
KEBS208DWH1
KEBS208DWH2
KEBS208DWH4
KEBS208DWH6
KEBS247DWH0
KEBS247DWH1
KEBS247DWH2
KEBS247DWH4
KEBS247DWH6
KEBS277DWH0
KEBS277DWH1
KEBS277DWH2
KEBS277DWH4
KEBS277DWH6
KEBS278DWH0
KEBS278DWH1
KEBS278DWH2
KEBS278DWH4
KEBS278DWH6
KEMS307DWH1
KEMS307DWH2
KEMS307DWH4
KEMS307DWH6
KEMS308DWH0
KEMS308GWH0
KEMS377DWH1
KEMS377DWH2
KEMS377DWH4
KEMS377DWH6
KEMS377GWH0
KEMS378DWH0
KEMS378GWH0
6
6
6
6
6
5
5
5
5
5
6
6
6
6
6
6
6
6
6
6
5
5
5
5
5
9
9
9
9
9
9
9
9
9
9
N/A
4451295
4451295
4451295
4451295
N/A
4451286
4451286
4451286
4451286
N/A
4451289
4451289
4451289
4451289
N/A
4451292
4451292
4451292
4451292
N/A
4451280
4451280
4451280
4451280
4451064
4451064
4451064
4451064
N/A
4451766
4451061
4451061
4451061
4451061
4451766
N/A
4451769
Thermal Convection Upper
Thermal Convection Upper
Thermal Convection Upper
Thermal Convection Upper
Thermal Convection Upper
Thermal Convection Double
Thermal Convection Double
Thermal Convection Double
Thermal Convection Double
Thermal Convection Double
Thermal Convection Upper
Thermal Convection Upper
Thermal Convection Upper
Thermal Convection Upper
Thermal Convection Upper
Thermal Convection Upper
Thermal Convection Upper
Thermal Convection Upper
Thermal Convection Upper
Thermal Convection Upper
Thermal Convection Double
Thermal Convection Double
Thermal Convection Double
Thermal Convection Double
Thermal Convection Double
Microwave/Thermal Oven
Microwave/Thermal Oven
Microwave/Thermal Oven
Microwave/Thermal Oven
Microwave/Thermal Convection
Microwave/Thermal Convection
Microwave/Thermal Oven
Microwave/Thermal Oven
Microwave/Thermal Oven
Microwave/Thermal Oven
Microwave/Thermal Oven
Microwave/Thermal Convection
Microwave/Thermal Convection
N/A
4448871
4448871
4448871
4448871
N/A
4448871
4448871
4448871
4448871
N/A
4448871
4448871
4448871
4448871
N/A
4448871
4448871
4448871
4448871
N/A
4448871
4448871
4448871
4448871
4448869
4448869
4448869
4448869
N/A
4451653
4448869
4448869
4448869
4448869
4451653
N/A
4452482
4450310
4050811
4454771
4454771
4452026
4450310
4454771
4454771
4454771
4452026
4448437
4454771
4454771
4454771
4452026
4448437
4454771
4454771
4454771
4452026
4450310
4454771
4454771
4454771
4452026
4451057
4454773
4454773
4452028
4452028
4451057
4454773
4454773
4452028
4452028
Electronic
Control
Page
#
18
21
31
31
26
18
31
31
31
26
17
31
31
31
26
17
31
31
31
26
18
31
31
31
26
22
32
32
27
27
22
32
32
27
27
9
9
9

12
FAILURE CODES
FF
FF
F55
55
5Door signal inconsistent:
•Open and close the door to see if
the oven light responds.
•If the oven light does not operate
properly, replace the door switch.
FF
FF
F66
66
6*Ambient (console bimetal) sensor
open (too hot):
•Check control bimetal.
FF
FF
F77
77
7*Control or keypad switches shorted:
•Check continuity of door and latch
switches.
PP
PP
PFF
FF
FPower Failure:
•Power has been turned on for the
first time, or power has been inter-
rupted.
Temperature Calibration
•Press and hold the BAKE keypad
for 4 seconds. The timer will show
the current setting.
•Press the Bake keypad again to
calibrate the oven temperature.
Each press of the up s or down
tkeypad will change the calibra-
tion temperature by 5˚F to a
maximum of ±35˚F.
HIDDEN CODES
To obtain the hidden codes, press and hold each of the following pads for 5 seconds:
BAKE Oven calibration allows bake temperature to be varied ± 35°
BROIL Toggles between Fahrenheit (F) and Celsius (C).
0 Displays the last failure (F/E) code that was used and the latest ROM revision.
1Shows the type of range the electronic control is configured for.
3 Locks out the keypads so they cannot be used.
6 Switches the range to SABBATH mode.
7Changes the tone frequency.
FF
FF
F11
11
1Control out of calibration:
•Place the sensor in ice water
(32˚F) and check the resistance
(1000 ±20 Ω).
•If the resistance is not within the
specified range, replace the sen-
sor.
•If sensor resistance is okay, re-
place the control module.
FF
FF
F22
22
2Keyboard shorted. Cancel not operat-
ing:
•Press the CANCEL keypad.
•Press the BAKE keypad and wait
for 30 seconds.
•If the F2 code remains, replace the
electronic control.
FF
FF
F33
33
3Oven probe shorted or open:
•Place the sensor in ice water
(32˚F) and check resistance (1000
±20 Ω).
•If the resistance is not within the
specified range, replace the sen-
sor.
•If sensor resistance is okay, re-
place the control module.
FF
FF
F44
44
4Meat probe shorted:
•Make sure the meat probe is
plugged in.
•Check the probe for 5000 Ω at
room temperature and 4000 Ω at
200˚F.
* Not used on some oven controls.
13
UNIVERSAL FAILURE & ERROR CODES
FF
FF
F11
11
1 = Electronics Subsystem Failure. Replace the electronic control board.
E0 = EEPROM communication error.
E1 = EEPROM checksum error.
E2 = A/D converter error (is there an error bit in the microprocessor?; does this mean
lost a voltage rail?)
E3 = Configuration jumper (cavity size or gas/electric) does not match setting defined
in EEPROM (this was designed to notify the installer that the jumpers were not
reconnected properly).
E5 = Calibration shifted.
E9 = Stack overflow.
FF
FF
F22
22
2 = Keypad Subsystem Failure. Replace the keypad if properly connected and this F code
is displayed.
E0 = Shorted keypad or keypad stuck.
E1 = Keypad or keytail not connected.
E4 = Keypads unsettled (applies to capacitive glass when a constant reading cannot
be taken).
E5 = Cancel key low or open.
FF
FF
F33
33
3 = Cavity Temperature Sensor Failure. Check for welded relays. If okay, replace the tem-
perature sensor.
E0 = Sensor open.
E1 = Sensor shorted.
E2 = Non self-clean over-temperature (usually 550˚F).
E3 = Self-clean over-temperature (usually 900˚F).
FF
FF
F44
44
4 = Meat Probe Failure. Check for proper resistance on probe. If okay, replace the meat
probe jack.
E1 = Meat probe shorted.
FF
FF
F55
55
5 = Latch Subsystem Failure. Check for proper latch movement, switch actuation, and
clearance between the latch and door.
E0 = Latch switch does not agree with door switch (i.e. Iatch in locked position with
door open).
E1 = Latch will not lock.
E3 = Loss of ground or L1 to N is reversed. Check to make sure that the voltage from
L1 to ground is 120-volts AC.
E5 = Self-clean temperature set point is not reached within the required time range
(usually 30 - 45 minutes).
E7 = Latch will not unlock.
FF
FF
F66
66
6 = Electronics Over-Temperature. Check the blower and ventilation system.
E0 = Over-temperature with blower on high speed.
E1 = Over-temperature with blower on low speed.
E2 = Over-temperature with blower off.
FF
FF
F77
77
7 = Digital Switch Signal (i.e. 5 vdc @ 1kHz) Failure. Check for shorted door or latch switch
wiring to chassis ground.
E0 = Signal line shorted to ground.

14
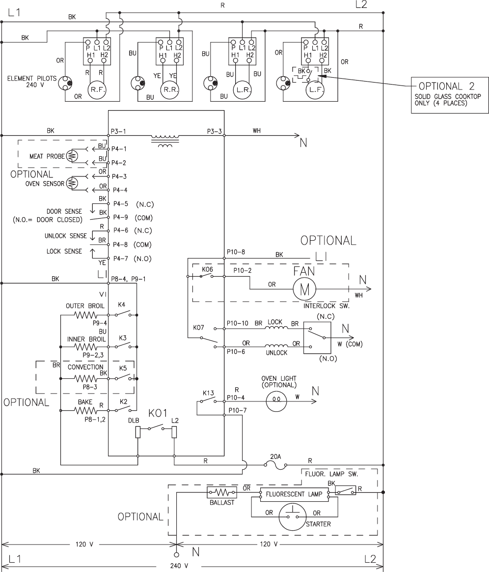
WIRING DIAGRAMS
Tech Sheet #9752381 & #9750877

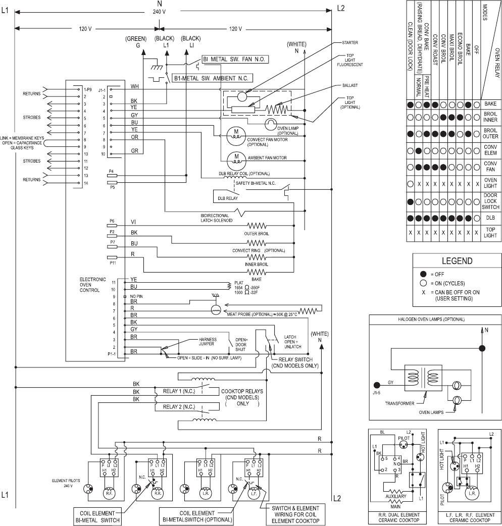
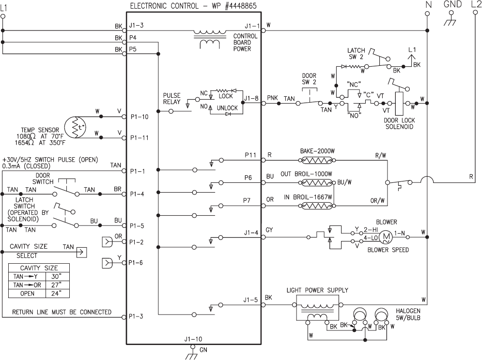
15
Tech Sheet #9751598

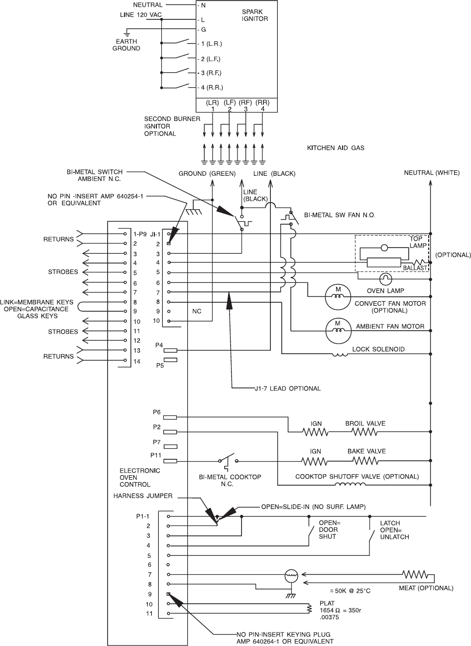
16
Tech Sheet #9752669

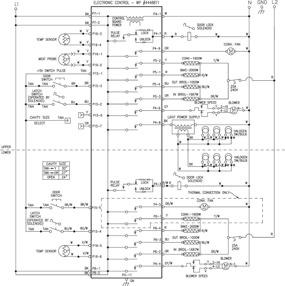
17
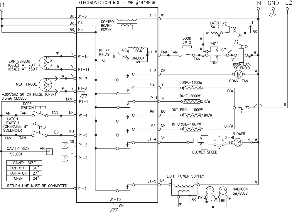
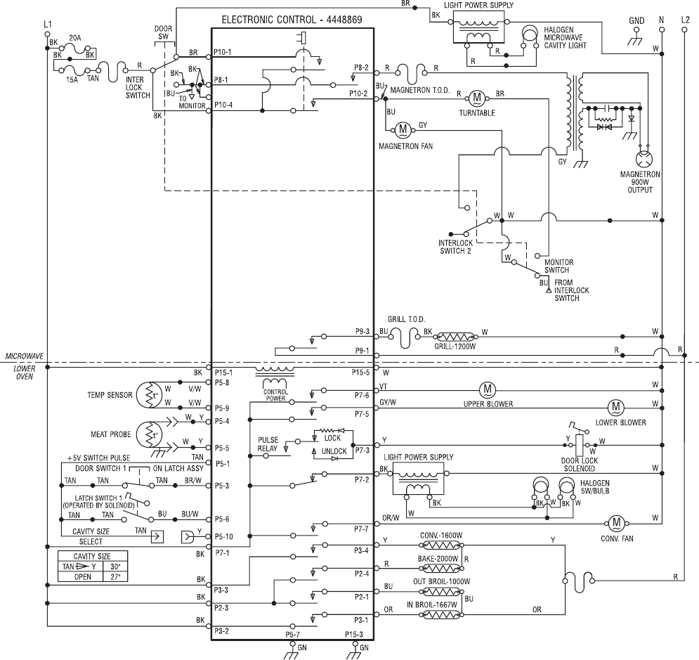
Tech Sheet #4448437

18
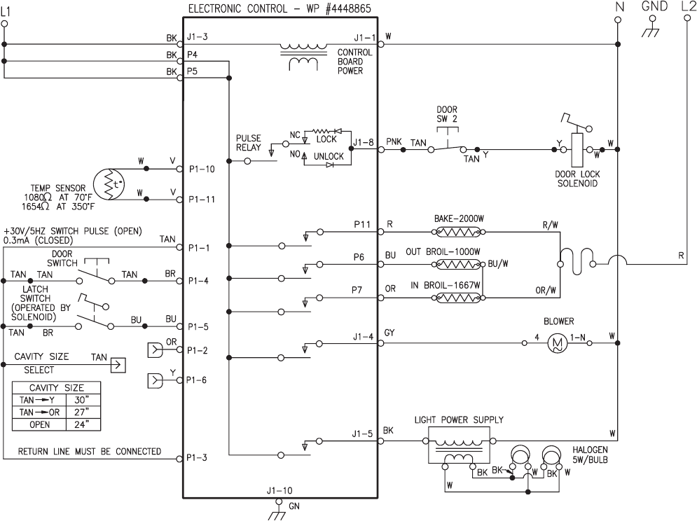
Tech Sheet #4450310

19
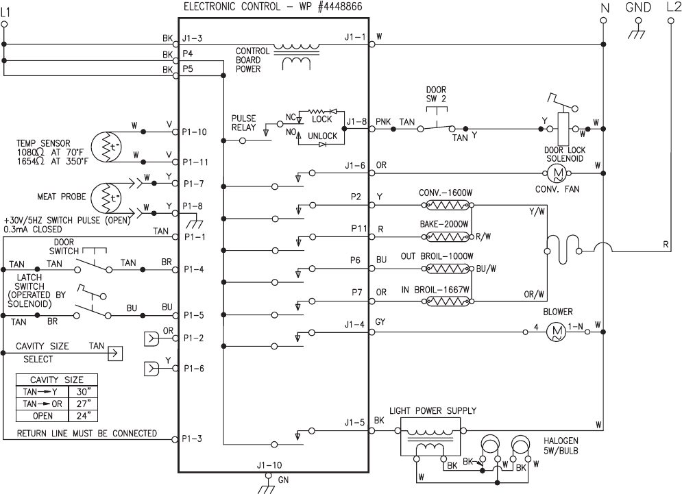
Tech Sheet #4450809

20
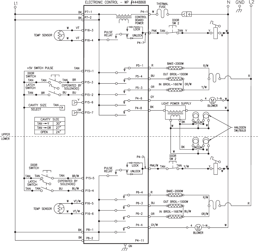
Tech Sheet #4450810

21
Tech Sheet #4450811

22
Tech Sheet #4451057

23
Tech Sheet #4452023

24
Tech Sheet #4452024

25
Tech Sheet #4452025

26
Tech Sheet #4452026

27
Tech Sheet #4452028

28
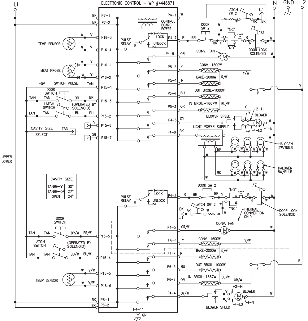
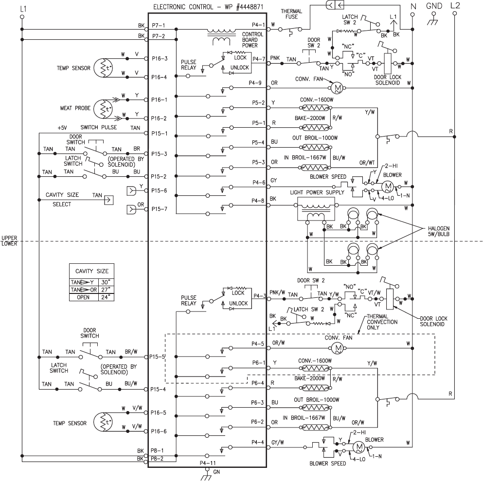
Tech Sheet #4454768

29
Tech Sheet #4454769

30
Tech Sheet #4454770

31
Tech Sheet #4454771

32
Tech Sheet #4454773