Kitchenaid KXD4630YSS3 User Manual RETRACTABLE DOWN VENT SYSTEM Manuals And Guides 1710230L
User Manual: Kitchenaid KXD4630YSS3 KXD4630YSS3 KITCHENAID RETRACTABLE DOWN VENT SYSTEM - Manuals and Guides View the owners manual for your KITCHENAID RETRACTABLE DOWN VENT SYSTEM #KXD4630YSS3. Home:Kitchen Appliance Parts:Kitchenaid Parts:Kitchenaid RETRACTABLE DOWN VENT SYSTEM Manual
Open the PDF directly: View PDF
.
Page Count: 30

LI3ZTC/W10342489G
30" (76.2 CM) AND 36" (91.4 CM)
RETRACTABLE (POP-UP) DOWNDRAFT
VENT SYSTEM
Installation Instructions and Use & Care Guide
For questions about features, operation/performance, parts, accessories, or service in the U.S.A., call: 1-800-422-1230
or visit our website at www.kitchenaid.com.
In Canada, call: 1-800-807-6777, or visit our website at www.kitchenaid.ca.
SYSTÈME DE VENTILATION RÉTRACTABLE
(CLAPET) DE 30" (76,2 CM) ET 36" (91,4 CM) –
ASPIRATION PAR LE BAS
Instructions d’installation et Guide d’utilisation et d’entretien
Pour des questions à propos des caractéristiques, du fonctionnement/rendement, des pièces, accessoires ou dépannage, composer le :
1-800-422-1230 ou visitez notre site web à www.kitchenaid.com.
Au Canada, composer le : 1-800-807-6777 ou visitez notre site web à www.kitchenaid.ca.
IMPORTANT: READ AND SAVE THESE INSTRUCTIONS.
FOR RESIDENTIAL USE ONLY.
IMPORTANT : LIRE ET CONSERVER CES INSTRUCTIONS.
POUR UTILISATION RÉSIDENTIELLE UNIQUEMENT.

2
TABLE OF CONTENTS TABLE DES MATIÈRES
VENT SYSTEM SAFETY.................................................................3
INSTALLATION REQUIREMENTS ................................................. 5
Tools and Parts ............................................................................. 5
Location Requirements ................................................................5
Electrical Requirements ...............................................................8
Venting Requirements ..................................................................8
INSTALLATION INSTRUCTIONS
INTERIOR-MOUNTED VENT MOTOR .......................................... 9
Venting Methods ..........................................................................9
Install Vent System .....................................................................10
Rear Mounting – Blower Motor ..................................................12
Complete Installation .................................................................14
Make Electrical Connections .....................................................16
Check Operation ........................................................................16
INSTALLATION INSTRUCTIONS
EXTERIOR-MOUNTED VENT MOTOR .......................................17
Venting Methods ........................................................................17
Install Vent System .....................................................................18
Complete Installation (Exterior-Mounted Motor) .......................18
Install Downdraft Vent In-Line (External Type)
Blower Motor ..............................................................................20
Make Electrical Connections for In-Line Blower
Motor System .............................................................................21
Make Electrical Power Supply Connection
to Downdraft Vent ......................................................................22
Check Operation ........................................................................23
VENT SYSTEM USE .....................................................................24
Operating Downdraft Vent .........................................................24
VENT SYSTEM CARE ..................................................................24
Surface of Downdraft Vent ......................................................... 24
Filters ..........................................................................................24
TROUBLESHOOTING ..................................................................25
WIRING DIAGRAMS .....................................................................26
Interior-Mounted Blower Motor ................................................26
Exterior-Mounted Blower Motor ................................................27
ASSISTANCE OR SERVICE .........................................................28
In the U.S.A. ...............................................................................28
In Canada ...................................................................................28
Accessories ................................................................................28
WARRANTY ..................................................................................29
SÉCURITÉ DU SYSTÈME DE VENTILATION .............................30
EXIGENCES D'INSTALLATION ...................................................32
Outils et pièces ...........................................................................32
Exigences d’emplacement .........................................................32
Spécifications électriques ..........................................................36
Exigences concernant l'évacuation ...........................................36
INSTRUCTIONS D’INSTALLATION
VENTILATEUR MONTÉ À L’INTÉRIEUR.....................................37
Méthodes d’évacuation .............................................................37
Installation du conduit d’évacuation ..........................................38
Montage du ventilateur à l'arrière ..............................................40
Achever l’installation ..................................................................42
Raccordements électriques .......................................................44
Contrôle du fonctionnement ......................................................44
INSTRUCTIONS D’INSTALLATION
VENTILATEUR MONTÉ À L’EXTÉRIEUR ...................................45
Méthodes d’évacuation .............................................................45
Installation du conduit d’évacuation ..........................................46
Achever l’installation (Ventilateur monté à l’extérieur) ...............46
Installation du ventilateur en ligne (type externe)
du système d’extraction par le bas ...........................................48
Raccordements électriques du système
de ventilation en ligne ................................................................49
Raccordement de l’alimentation électrique
au système d’extraction par le bas ............................................50
Contrôle du fonctionnement ......................................................51
UTILISATION DU SYSTÈME D’EXTRACTION ...........................52
Utilisation du système d’extraction par le bas ..........................52
ENTRETIEN DU SYSTÈME D’ÉVACUATION .............................53
Surface du système d’extraction par le bas ..............................53
Filtres ..........................................................................................53
DÉPANNAGE .................................................................................54
SCHÉMA DE CÂBLAGE ...............................................................55
Ventilateur monté à l'intérieur ...................................................55
Ventilateur monté à l'extérieur ...................................................56
ASSISTANCE OU SERVICE .........................................................57
Aux É.-U. ....................................................................................57
Au Canada ..................................................................................57
Accessoires ................................................................................57
GARANTIE .....................................................................................58

3
VENT SYSTEM SAFETY
You can be killed or seriously injured if you don't immediately
You can be killed or seriously injured if you don't follow
All safety messages will tell you what the potential hazard is, tell you how to reduce the chance of injury, and tell you what can
happen if the instructions are not followed.
Your safety and the safety of others are very important.
We have provided many important safety messages in this manual and on your appliance. Always read and obey all safety
messages.
This is the safety alert symbol.
This symbol alerts you to potential hazards that can kill or hurt you and others.
All safety messages will follow the safety alert symbol and either the word “DANGER” or “WARNING.”
These words mean:
follow instructions.
instructions.
DANGER
WARNING
State of California Proposition 65 Warnings:
WARNING: This product contains one or more chemicals known to the State of California to cause cancer.
WARNING: This product contains one or more chemicals known to the State of California to cause birth defects or other
reproductive harm.

4
IMPORTA NT SAFETY INSTRUCTIONS
READ AND SAVE THESE INSTRUCTIONS

5
INSTALLATION REQUIREMENTS
Tools and Parts
Gather the required tools and parts before starting installation.
Read and follow the instructions provided with any tools
listed here.
Tools Needed
■Jigsaw or keyhole saw
■Drill
■1/8" (3 mm) drill bit for pilot holes
■Pencil
■Tape measure or ruler
■Flat-blade screwdriver
■Phillips screwdriver
■3/8" (9.5 mm) nut driver
■Level
■Pliers
■Metal snips
■Wire stripper or utility knife
■Caulking gun and weatherproof caulking compound
Parts Supplied
■Top trim – stainless
■End caps (2)
■Lower support legs (2)
■Undercounter mounting brackets (2)
■4 x 8 mm screws (16)
■3.5 x 9.5 mm screws (3)
■31/4" x 10" (8.3 cm x 25.4 cm) rectangular damper
■43/4" (12.0 cm) motor box
■¼" (6.4 mm) deep cover
■Flat vent cover plate
■6" (15.2 cm) diameter vent transition with damper (interior-
mounted blower motor models only)
■10" (25.4 cm) diameter vent collar (exterior-mounted blower
model only)
Parts Needed
■UL listed or CSA approved ½" (12.7 mm) conduit connector
■Wall or roof cap with damper to match vent system
■Vent system
■Home power supply cable
■UL listed wire connectors (3)
■Wiring cable for optional remote blower kit
■Vent clamps/duct tape as required
Location Requirements
NOTE: Downdraft vent is installed directly behind the cooktop.
Install the downdraft vent first, and then install the cooktop.
IMPORTANT: Observe all governing codes and ordinances.
■Have a qualified technician install the downdraft vent. It
is the installer’s responsibility to comply with installation
clearances specified on the model/serial/rating plate. The
model/serial/rating plate is located on the front of the
downdraft vent above the terminal box cover.
■Downdraft vent location should be away from strong draft
areas, such as windows, doors, and strong heating vents
or fans.
■Cabinet opening dimensions that are shown must be used.
Given dimensions provide minimum clearance.
■Consult the cooktop manufacturer installation instructions
before making any cutouts.
Check that the downdraft vent and cooktop location will
clear the cabinet walls, backsplash, and rear wall studs
inside the cabinet.
Check for the minimum distance between the front edge
of the countertop and the front edge of the cooktop. The
minimum horizontal distance between the overhead cabinets
is the same as the width of the installed downdraft vent.
■All openings in ceiling and wall where the downdraft vent
will be installed must be sealed.
■Grounded electrical outlet is required. See the “Electrical
Requirements” section.
■When installing the downdraft vent, the cabinet drawer
will need to be removed and the drawer front installed
permanently to the cabinet.
Cabinet Construction:
Downdraft vent is designed for use in a cabinet with a depth of
24" (61 cm). Some installations require a countertop deeper than
25" (63.5 cm). See the “Countertop Cutout Dimensions” section.
The maximum depth of the overhead cabinet is 13" (33 cm).
Overhead cabinets installed at either side of the downdraft vent
must be 18" (45.7 cm) above the cooking surface.
For Mobile Home Installations
The installation of this downdraft vent must conform to the
Manufactured Home Construction Safety Standards, Title 24
CFR, Part 328 (formerly the Federal Standard for Mobile Home
Construction and Safety, title 24, HUD, Part 280) or when such
standard is not applicable, the standard for Manufactured Home
Installation 1982 (Manufactured Home Sites, Communities
and Setups) ANSI A225.1/NFPA 501A, or latest edition, or with
local codes.

6
Product Dimensions
As-Received Blower
Reversed Blower
10" (25.4 cm)
4³⁄₄"
(12 cm)
16¹⁵⁄₁₆" (43 cm)
10"
(25.4 cm)
Front of
Range Hood
Front of
Range Hood
Models with interior-mounted blower motor Models with exterior-mounted blower motor
4³⁄₄" (12.1 cm)
13¹⁄₈" (33.4 cm)
6⁹⁄₁₆"
(16.7 cm)
10" (25.4 cm)
diameter
vent collar
16¹⁄₂" (42.0 cm)
8¹⁄₄"
(21.0 cm) ³⁄₄" (1.9 cm)
Top trim widths:
30" (76.2 cm)
36" (91.4 cm)
13¹⁄₂" (34.3 cm)
retractable
vent height
27" (68.6 cm) for 30" (76.2 cm) vent
33" (83.8 cm) for 36" (91.4 cm) vent
16¹⁄₂" (42.0 cm)
10"
(25.4 cm)
2¹⁄₈" (5.4 cm)
28¹⁄₂"
(72.4 cm)
³⁄₈" (0.95 cm)
1¹⁄₂" (3.8 cm)
13¹⁄₈" (33.4 cm)
5¹⁄₄" (13.3 cm)
for 30" (76.2 cm) vent
8¹⁄₄" (21.0 cm)
for 36" (91.4 cm) vent
³⁄₄"
(1.9 cm)

7
Cabinet Dimension
NOTES:
■See cooktop manufacturer’s instructions for cooktop cutout
depth and width.
■Use dimensions for vent system cutout location that applies
to your installation.
■Interior-mounted blower systems connect with 31/4" x 10"
(8.3 cm x 25.4 cm) rectangular or 6" (15.2 cm) round vent
system. The cutout locations for this vent system will
depend on your specific installation.
Countertop Cutout Dimensions
IMPORTANT: Countertops with a bull-nosed front edge are not recommended for these installations.
Some models require a countertop deeper than 25" (63.5 cm); see the following illustrations.
To avoid mistakes, it is recommended that the cooktop and vent cutouts be drawn on the countertop before making any cutouts.
See the Cooktop Installation Instructions for complete cutout dimensions, location dimensions, and installation details.
A
BC
E
H
D
I
G
F
A. Downdraft vent
B. Cooktop
C. Measurement of cooktop rear overhang
D. D = Measurement of cooktop rear
overhang (C) + 113/16" (46.2 mm) (E)
E. 113/16" (46.2 mm)
F. ½" (12.7 mm) minimum
G. ¼" (6.4 mm) minimum
H. Countertop and backsplash
I. ½" (12.7 mm) minimum
¹⁄₂
" (12.7 mm)
minim
um
Locate power
supply junction
box at lower
left hand
rear corner
of the cabinet.
Interior-mounted blower motor model Exterior-mounted blower motor model
NOTES:
■See cooktop manufacturer’s instructions for cooktop cutout
depth and width.
■Exterior-mounted blower systems connect with 10" (25.4 cm)
round vent. The cutout locations for this vent system will
depend upon your specific installation.
A = ¹⁄₂" (12.7 mm)
minimum
21⁵⁄₁₆"
(54.1 cm)
Cutouts are
for 3¹⁄₄" x 10"
(8.3 cm x 25.4 cm)
rectangular or 6"
(15.2 cm) round
vent system. Centerline of cooktop cutout
21⁵⁄₁₆"
(54.1 cm)
Locate power
supply junction
box at lower
left-hand
rear corner
of the cabinet.
10" (25.4 cm)

8
Electrical Requirements
Observe all governing codes and ordinances.
Ensure that the electrical installation is adequate and in
conformance with National Electrical Code, ANSI/NFPA 70 (latest
edition) or CSA Standards C22.1-94, Canadian Electrical Code,
Part 1 and C22.2 No. 0-M91 (latest edition) and all local codes
and ordinances.
If codes permit and a separate ground wire is used, it is
recommended that a qualified electrician determine that
the ground path is adequate.
A copy of the above code standards can be obtained from:
National Fire Protection Association
1 Batterymarch Park
Quincy, MA 02169-7471
CSA International
8501 East Pleasant Valley Road
Cleveland, OH 44131-5575
■A 120-volt, 60 Hz., AC-only, 15-amp, fused electrical
circuit is required.
■If the house has aluminum wiring, follow the procedure
below:
1. Connect a section of solid copper wire to the pigtail leads.
2. Connect the aluminum wiring to the added section
of copper wire using special connectors and/or tools
designed and UL listed for joining copper to aluminum.
Follow the electrical connector manufacturer's recommended
procedure. Aluminum/copper connection must conform with
local codes and industry accepted wiring practices.
■Wire sizes and connections must conform with the rating of
the appliance as specified on the model/serial/rating plate.
The model/serial/rating plate is located on the front of the
downdraft vent, above the wiring box cover.
■Wire sizes must conform to the requirements of the National
Electrical Code, ANSI/NFPA 70 (latest edition) or CSA
Standards C22. 1-94, Canadian Electrical Code, Part 1
and C22.2 No. 0-M91 (latest edition) and all local codes
and ordinances.
E
A
B
C
D
A. ½" (12.7 mm) minimum to
backsplash or rear wall
B. 3/4" (19.1 mm) maximum
backsplash depth
C. 271/2" (69.9 cm) on 30" (76.2 cm)
models
331/2" (85.9 cm) on 36" (91.4 cm)
models
D. D = E + 113/16" (46.2 mm)
E. Cooktop rear overhang
Venting Requirements
IMPORTANT: Make sure there is proper clearance within the wall
or floor before making exhaust vent cutouts.
■Use heavy (rigid) metal vent.
■Venting system must terminate to the outside.
■Do not terminate the vent system in an attic or other
enclosed area.
■Do not use 4" (10.2 cm) laundry-type wall caps.
■Do not install 2 elbows together.
■Do not use plastic or metal foil vent.
■The length of vent system and number of elbows should
be kept to a minimum to provide efficient performance.
■Use no more than three 90° elbows.
■Make sure there is a minimum of 24" (61 cm) of straight vent
between the elbows if more than one elbow is used.
■Use clamps or duct tape to seal all joints in the vent system.
■Use caulking tape to seal the exterior wall or floor opening
around cap.
■Do not cut joist or stud. If vent cutout falls over a joist
or stud, a supporting frame must be constructed.
Flexible metal vent is not recommended. If it is used, calculate
each foot of flexible vent as 2 ft (0.6 m) of rigid metal vent.
Flexible elbows count twice as much as standard elbows.
Recommended vent system length:
For either interior-mounted or exterior-mounted blower
installations, the vent system length should not exceed the
maximum lengths listed in the “Maximum Length of Vent
System” chart. See “Calculating Vent System Length” in the
“Venting Methods” section in the Installation Instructions for the
interior- or exterior-mounted vent motor.
Cold Weather Installations
An additional backdraft damper should be installed to minimize
backward cold airflow and a thermal break should be installed
to minimize conduction of outside temperatures as part of the
vent system. The damper should be on the cold air side of the
thermal break.
The break should be as close as possible to where the vent
system enters the heated portion of the house.
Makeup Air
Local building codes may require the use of makeup air systems
when using ventilation systems greater than specified CFM of
air movement. The specified CFM varies from locale to locale.
Consult your HVAC professional for specific requirements in
your area.

9
INSTALLATION INSTRUCTIONS
INTERIOR-MOUNTED VENT MOTOR
Venting Methods
Determine which venting method is best for your application.
Vent system can terminate either through the wall or floor.
Island Location
NOTE: For island locations, a front- or rear-mounted blower
motor can also be mounted for right or left venting if needed for
your application. Most island applications would still require the
venting to be directed down through the floor.
Built-In Cabinet Locations
Front-Mounted (Standard)
Blower Motor Rear-Mounted Blower Motor
A
A
A. Down vent
BC
A
A. Down vent
B. Left vent
C. Right vent
Island Location – Vent System Installed Under
a Concrete Slab Using PVC Sewer Pipe
Front- (Standard) Mounted Blower Motor
Rear-Mounted Blower Motor
Calculating Vent System Length
3¼" x 10" (8.3 cm x 25.4 cm) rectangular vent is required from
the blower motor box. It can be transitioned to 6" (15.2 cm)
round vent if needed.
Maximum Length of Vent System
Vent Length
6" (15.2 cm) round 35 ft (8.9 m)
31/4" x 10" (8.3 cm x 25.4 cm) 35 ft (8.9 m)
A
B
C
D
E
F
G
H
I
J
K
L
M
A
B
C
D
E
F
G
H
I
J
K
L
M
A. Wall cap
B. 6" (15.2 cm) round metal vent
C. 16" (40.6 cm) maximum
D. 6" (15.2 cm) round PVC sewer pipe
E. 6" (15.2 cm) round metal vent transition with damper (supplied)
F. 6" (15.2 cm) round PVC coupling
G. Concrete slab
H. 6" (15.2 cm) round PVC sewer pipe
I. 6" (15.2 cm) round 90° PVC sewer pipe elbow
J. Tightly pack gravel or sand completely around pipe.
K. 6" (15.2 cm) round 90° PVC sewer pipe elbow
L. 6" (15.2 cm) round PVC coupling
M. 12" (30.5 cm) minimum

10
To calculate the length of the system you need, add the
equivalent feet (meters) for each vent piece used in the system.
Vent Piece 31/4" x 10" (8.3 cm x 25.4 cm)
Rectangular
31/4" x 10" (8.3 cm x 25.4 cm)
90° elbow 5.0 ft
(1.5 m)
31/4" x 10" (8.3 cm x 25.4 cm)
flat elbow 12.0 ft
(3.7 m)
31/4" x 10" (8.3 cm x 25.4 cm)
wall cap 0.0 ft
(0.0 m)
Vent Piece 6" (15.2 cm) Round
45° elbow 2.5 ft
(0.8 m)
90° elbow 5.0 ft
(1.5 m)
6" (15.2 cm) wall cap 0.0 ft
(0.0 m)
31/4" x 10" (8.3 cm x 25.4 cm)
to 6" (15.2 cm) transition 4.5 ft
(1.4 m)
6" (15.2 cm) to 31/4" x 10"
(8.3 cm x 25.4 cm) transition 1 ft
(0.3 m)
31/4" x 10" (8.3 cm x 25.4 cm)
to 6" (15.2 cm) 90° elbow
transition
5.0 ft
(1.5 m)
6" (15.2 cm) to 31/4" x 10"
(8.3 cm x 25.4 cm) 90° elbow
transition
5.0 ft
(1.5 m)
Example Vent System
The following example falls within the maximum vent length
of 35 ft (8.9 m).
2 - 90° elbow = 10.0 ft (3 m)
1 - wall cap = 0.0 ft (0.0 m)
8 ft (2.4 m) straight = 8.0 ft (2.4 m)
Transition = 4.5 ft (1.4 m)
Length of 6" (15.2 cm) or 31/4" x 10"
(8.3 cm x 25.4 cm) system = 22.5 ft (6.8 m)
Install Vent System
1. Place cardboard or similar material on top of a flat surface
where you can easily assemble the downdraft vent system.
2. Remove parts packages, downdraft vent, and blower box
from the carton.
3. Remove all shipping materials, tape, and film from the
downdraft vent and blower box.
4. Measure distance “X” from the cabinet floor to the top of the
countertop. Subtract 281/2" (72.4 cm) from distance “X” to
determine dimension “Y” (X - 281/2" = Y).
A
B
C
6 ft
(1.8 m)
2 ft (0.6 m)
D
A. Blower motor
B. Transition
C. 90° elbows
D. Back draft damper
WARNING
Excessive Weight Hazard
Use two or more people to move and install
downdraft vent.
Failure to do so can result in back or other injury.
Cabinet floor
Top of countertop
Downdraft vent
“X”
“Y”
28¹⁄₂"
(73 cm)

11
5. Attach the support legs to the side of the vent box with
4 - 4 x 8 mm screws in each support leg. Adjust to dimension
“Y” from the bottom of the vent box to the bottom of the
support legs. Tighten screws.
Determine Which Vent Direction Is Best for
Your Installation
When installed in a cabinet, vent system can exhaust through
the bottom, left, or right of the cabinet.
IMPORTANT: When using the 6" (15.2 cm) vent transition
(supplied) for 6" round venting, only left or right venting is
recommended.
Bottom Venting:
NOTE: If installing the vent damper in the down position, a wall
or roof cap with a damper at the exit end of the vent system
is required.
■Downdraft vent is shipped with blower in down-venting
position, so no modification is required.
■If rear mounting of the blower motor is not required, go
to the “Complete Installation (Interior-Mounted Motor)”
section.
■To mount the blower motor to the rear side of the vent box,
go to the “Rear Mounting - Blower Motor” section.
A
B
Dim.
“Y”
C
A. Motor box
B. Support leg
C. 4 x 8 mm screws (4)
Left or Right Venting:
1. Using 2 or more people, place the downdraft vent system
on its back.
2. Remove the 4 screws from the cover plate mounted to the
face of the motor box and set them aside.
3. Slide the cover plate up and slip it over the keyhole slot
shoulder screws. Set the cover aside.
4. Remove 4 screws from the bottom of the motor box that
hold the motor assembly to the motor box.
NOTE: Disconnect the electrical wiring connection from
motor if needed.
5. Remove 3 screws and the vent cover plate from the left
or right side of the motor box for the venting direction to
be used.
6. Rotate the blower motor assembly 90° to the left or right side
to the chosen venting direction and secure to the blower box
with motor mounting screws previously removed. Do not
twist or bind the wires.
7. Install the vent cover plate over the rectangular opening in the
bottom of the motor box and secure with vent cover screws.
NOTE: Reinstall the electrical wiring connection to motor
if removed.
8. Reinstall the cover plate to the face of the motor box and
secure with 4 cover plate screws previously removed.
9. For mounting the blower motor to the back of the vent
box, go to the “Rear Mounting - Blower Motor” section.
Otherwise, go to the “Complete Installation (Interior-Mounted
Motor)” section.
A
B
C
E
D
G
F
A. Cover plate
B. Cover plate screws (4)
C. Cover plate keyhole slot
shoulder screws (4)
D. Motor mounting screws (4)
E. Vent cover plate
F. Motor box
G. Vent cover screws (3)

12
Rear Mounting – Blower Motor
NOTE: Optional blower motor rear-mounting position
(opposite side) for island cabinet locations. The blower motor
box assembly can be moved to the opposite side (rear)
of the vent box.
1. Remove 7 screws from the mounting flanges of the blower
motor box.
Front View
2. Lift blower motor box off the shoulder screws in the keyhole
slots. Disconnect wire connection from blower motor and set
blower motor box aside.
3. Remove 6 screws from the mounting flange of the ¼" (6.4 mm)
deep cover.
B
A
C
A
A
A. Screws (7)
B. Keyhole slot shoulder screws (2)
C. Blower motor box
A
A. Blower motor box
Rear View
4. Lift the ¼" (6.4 mm) deep cover off the shoulder screws
in the keyhole slots and set the cover aside.
5. Remove the screws from the wire-mounting plate.
B
A
C
A. Screws (6)
B. Keyhole slot shoulder screws (2)
C. 1/4" (6.4 mm) deep cover
A
A. Deep cover
A
A
BC
A. Screws
B. Wire-mounting plate
C. Blower motor box

13
6. Hold the wire-mounting plate and push the grommet out
of the wire-mounting plate.
7. Slide the wire assembly through the slot in the wire-mounting
plate to remove it.
8. Place the wire assembly through the opening to the opposite
side of the vent box.
9. Reassemble the wire assembly and grommet to the wire-
mounting plate.
10. Install the wire mounting plate to the vent box using the
4 screws previously removed.
11. Place the blower motor box assembly with the keyhole slots
over the 2 shoulder screws on the rear of the vent box and
reconnect the wire connection to the blower motor.
12. Mount the blower motor box to the vent box and secure
using the 6 screws previously removed.
13. Mount the 43/4" (12.0 cm) cover box (supplied) to the front
of the vent box. Place the keyhole slots over the 2 shoulder
screws, align the mounting holes, and secure the cover box
to vent box using the 6 screws previously removed from the
¼" (6.4 mm) deep cover.
A
B
A. Wire-mounting plate
B. Grommet
14. Remove the front cover from the deep cover, place the front
cover over the previously mounted cover box, and secure
using the 4 screws previously removed.
15. Go to the “Complete Installation (Interior Mounted Motor)”
section.
C
B
B
A
A. Deep cover
B. Front cover
C. Cover box (supplied)

14
2. Remove 4 screws attaching the terminal box cover.
3. Determine which direction (front or rear) the home power
supply cable will enter the terminal box. Remove the
appropriate knockout from the front or rear panel and install a
1/2" (12.7 mm) UL listed or CSA approved conduit connector.
4. Using 2 or more people, insert the downdraft vent into the
countertop cutout. Position downdraft vent so it is centered
in the cutout with the rear flange over the edge of the cutout
and the rear of the vent box against the edge of the cutout.
A
A. Terminal box cover
A
C
B
D
E
F
G
A. Rear flange of downdraft vent
B. Edge of cutout in countertop
C. Rear of downdraft vent
D. Cabinet back
E. Lower support leg
F. Cabinet floor
G. Countertop
Complete Installation
(Interior-Mounted Motor)
NOTE: The downdraft vent system is supplied with a 31/4" x 10"
(8.3 cm x 25.4 cm) back draft damper and a 6" (15.2 cm) round
vent transition with damper. Refer to “31/4" x 10" (8.3 cm x
25.4 cm) Back Draft Damper” or “6" (15.2 cm) Round Vent
Transition with Damper,” depending upon the type of venting
you are using.
31/4" x 10" (8.3 cm x 25.4 cm) Back-Draft Damper
1. Attach the 3¼" x 10" (8.3 cm x 25.4 cm) back draft damper
to the vent opening in the blower motor box, using three
3.5 x 9.5 mm screws.
6" (15.2 cm) Round Vent Transition with Damper
1. Attach the 6" (15.2 cm) round vent transition to vent opening
(left- or right- side venting only is recommended), using two
3.5 x 9.5 mm screws.
A
A
B
A. 3.5 x 9.5 mm screws
B. 3¼" x 10" (8.3 cm x 25.4 cm) back-draft damper
A
B
A. 3.5 x 9.5 mm screws
B. 6" (15.2 cm) round vent transition with damper

15
5. Install the left and right undercounter mounting brackets to
the vent box. Slide the keyhole slots over the guide tabs and
push the brackets up to set them in place.
6. Drill 2 pilot holes through each of the undercounter mounting
brackets into the underside of the countertop. Using 2 screws
(not provided) of the appropriate length, mount the brackets to
the countertop.
IMPORTANT: Select a screw length that will not allow the
screws to go through the countertop when tightened.
D
A
B
C
A. Vent box
B. Undercounter mounting bracket
C. Keyhole slots
D. Guide tabs
A
B
C
A. Screws
B. Backsplash
C. Countertop
7. Check that the downdraft vent is level as shown below.
Loosen the lower support leg screws and position the legs
against the cabinet floor.
8. Fasten the lower support legs to the cabinet floor with
screws (not provided).
9. Tighten the lower support legs screws.
10. Attach the left and right end caps to the vent box. Place the
tab into the mounting slot at each end of the downdraft vent,
as shown, and push down to lock into place.
A
B
A
B
A. Downdraft
B. Level
A
A. Screw (not provided)
A
B
A. End cap tab
B. Mounting slot

16
Make Electrical Connections
1. Disconnect power.
2. Feed the power supply cable through the conduit connector
and into the terminal box.
3. Connect the green (or green/yellow) ground wire to the green
or yellow/green ground wire using UL listed wire connectors.
Tighten the screw on the conduit connector.
4. Connect the 2 white wires together using UL listed wire
connectors.
5. Connect the 2 black wires together using UL listed wire
connectors.
6. Replace the terminal box cover and secure with screw.
7. Reconnect power.
WARNING
Electrical Shock Hazard
Disconnect power before servicing.
Replace all parts and panels before operating.
Failure to do so can result in death or electrical shock.
WARNING
Electrical Shock Hazard
Electrically ground blower.
Connect ground wire to green and yellow ground wire
in terminal box.
Failure to do so can result in death or electrical shock.
A
B
C
D
E
F
A. Green or green and yellow
ground wire
B. White wires
C. UL listed wire connectors
D. Black wires
E. UL listed or CSA approved
conduit connector
F. Downdraft vent wiring
Check Operation
1. Push and hold the button on the top of the downdraft vent
for a few seconds. The retractable section of the downdraft
vent will rise and the blower will be able to start using the
control slider. Remove any protective film and use a stainless
steel cleaner to clean any remaining grease. Position the top
trim over the retractable section and snap trim into place.
Trim kits for matching your cooktop color are available from
your dealer.
For information on ordering, see the “Assistance or Service”
section.
2. Slide the control slider on the side of vent to check the
operation and speed of the blower.
3. If the blower does not operate:
■Check that filter or filters are pressed in as far as they
will go.
■Check that the circuit breaker has not tripped or
a household fuse blown.
4. Connect vent system to blower. Vent system must end with
a wall or roof cap. Use clamps or duct tape to seal all joints.
5. Install cooktop according to manufacturer’s instructions.
Check that rear of cooktop overlaps edge of retractable
downdraft vent by 3/8" (9.5 mm). See “Countertop Cutout
Dimensions” in the “Location Requirements” section.
NOTE: To get the most-efficient use from your new retractable
downdraft vent, read the “Vent System Use” section.
A
B
D
E
C
A. Top trim
B. On/Off button
C. Blower control slider
D. End cap
E. Filters

17
INSTALLATION INSTRUCTIONS
EXTERIOR-MOUNTED VENT MOTOR
CAUTION: To reduce the risk of fire and electrical shock,
install the downdraft only with remote blower systems
that are sold by Whirlpool Corporation. Model numbers
UXI0600DYS (600 cfm) and UXI01200DYS (1200 cfm).
NOTE: Exterior-mounted vent motor installations require
an approved in-line blower motor system. Model numbers
UXI0600DYS (600 cfm) and UXI1200DYS (1200 cfm) are
available from your dealer or authorized parts supplier. See
“Blower motor system” in the “Accessories” section.
Venting Methods
Determine which venting method is best for your application.
Vent system can terminate through the wall or roof. A wall cap
or roof cap is required.
NOTES:
■Venting through a concrete slab is not recommended.
■The in-line blower motor system must be placed in
an enclosed area and can be located in a utility room,
basement, crawl space, or attic. Observe all governing
codes and ordinances.
■10" (25.4 cm) round vent duct is required for connections to
the retractable downdraft vent system outlet cover and the
in-line blower motor inlet and outlet covers. 10" (25.4 cm)
round vent duct is recommended for the retractable
downdraft vent system with in-line blower motor system.
Transitioning to different size ducting will reduce the
efficiency of the retractable downdraft vent system.
Island Location—
Front Vent Island Location—Rear Vent
To attic
installed in-line
blower motor system
To basement, crawlspace
or utility room installed
in-line blower motor system
To basement, crawlspace
or utility room installed
in-line blower motor system
To attic
installed in-line
blower motor system
Built-In Cabinet Locations
Calculating Vent System Length
It is recommended that you use round vent instead of rectangular
vent, especially if elbows are required. If rectangular vent is
required, it should be transitioned to 10" (25.4 cm) round vent
as soon as possible.
Maximum Length of Vent System
Vent Length
10" (25.4 cm) round 60 ft (18.3 m)
To calculate the length of the system you need, add the
equivalent feet (meters) for each vent piece used in the system.
Vent Piece 6" (15.2 cm) Round
45° elbow 2.5 ft
(0.8 m)
90° elbow 5.0 ft
(1.5 m)
The maximum equivalent vent lengths of 10" (25.4 cm) round
vents - 60 ft (18.3 m).
2 - 90° elbow = 10.0 ft (3 m)
10 ft (3 m) elbows = 10.0 ft (3 m)
Length of 10" (25.4 cm) system = 20 ft (6 m)
NOTE: The exterior-mounted vent motor requires a separate
wiring cable that should be installed at the same time the vent
work is installed.
To attic
installed in-line
blower motor system
To basement, crawlspace
or utility room installed
in-line blower motor system

18
Install Vent System
WARNING
Excessive Weight Hazard
Use two or more people to move and install
downdraft vent.
Failure to do so can result in back or other injury.
1. Place cardboard or similar material on top of a flat surface
where you can easily assemble the downdraft vent system.
2. Remove parts packages, downdraft vent, and blower box
from the carton.
3. Remove all shipping materials, tape, and film from the
downdraft vent and blower box.
4. Measure distance “X” from the cabinet floor to the top of the
countertop. Subtract 281/2" (72.4 cm) from distance “X” to
determine dimension “Y” (X - 281/2 = Y).
5. Attach the support legs to the side of the vent box with
4 - 4 x 8 mm screws in each support leg. Adjust to dimension
“Y” from the bottom of the vent box to the bottom of the
support legs. Tighten screws.
Determine Which Vent Direction Is Best for
Your Installation
When installed in a cabinet, vent system can exhaust through
the bottom, left, or right of the cabinet. The downdraft vent is
shipped with a 10" diameter vent collar plate.
Front or Rear Venting:
1. Using 2 or more people, place the downdraft vent system on
the opposite side for venting.
2. Remove the 4 screws from the cover plate mounted
to the face of the motor box and set them aside.
Cabinet floor
Top of countertop
Downdraft vent
“X”
“Y”
28¹⁄₂"
(73 cm)
A
B
Dim.
“Y”
C
A. Motor box
B. Support leg
C. 4 x 8 mm screws (4)
3. Slide the cover plate up and slip it over the keyhole slot
shoulder screws. Set the cover aside.
4. Install the 10" diameter vent collar plate to the vent box
where the cover plate was removed in the previous step.
Secure using the 4 screws from the cover plate.
5. Go to the “Complete Installation (Exterior-Mounted Motor)”
section.
Complete Installation
(Exterior-Mounted Motor)
1. Remove 4 screws attaching the terminal box cover.
2. Determine which direction (front or rear) the home power supply
cable and the wiring conduit from the in-line blower system will
enter the terminal box. Remove the appropriate knockout from
the front or rear panel and install two
1
/
2
" (12.7 mm) UL listed or
CSA approved conduit connectors.
3. Using 2 or more people, insert the downdraft vent into the
countertop cutout. Position downdraft vent so it is centered
in the cutout with the rear flange over the edge of the cutout
and the rear of the vent box against the edge of the cutout.
A
A. Terminal box cover
A
C
B
D
E
F
G
A. Rear flange of downdraft vent
B. Edge of cutout in countertop
C. Rear of downdraft vent
D. Cabinet back
E. Lower support leg
F. Cabinet floor
G. Countertop

19
4. Install the left and right undercounter mounting brackets to
the vent box. Slide the keyhole slots over the guide tabs and
push the brackets up to set them in place.
5. Drill 2 pilot holes through each of the undercounter mounting
brackets into the underside of the countertop. Using 2 screws
(not provided) of the appropriate length, mount the brackets to
the countertop.
IMPORTANT: Select a screw length that will not allow the
screws to go through the countertop when tightened.
D
A
B
C
A. Vent box
B. Undercounter mounting bracket
C. Keyhole slots
D. Guide tabs
A
B
C
A. Screws
B. Backsplash
C. Countertop
6. Check that the downdraft vent is level as shown below.
Loosen the lower support legs screws and position the
legs against the cabinet floor.
7. Fasten the lower support legs to the cabinet floor with
screws (not provided).
8. Tighten the lower support legs screws.
9. Attach the left and right end caps to the vent box. Place the
tab into the mounting slot at each end of the downdraft vent,
as shown, and push down to lock into place.
A
B
A
B
A. Downdraft
B. Level
A
A. Screw (not provided)
A
B
A. End cap tab
B. Mounting slot

20
NOTE: Your downdraft vent requires you to purchase an
in-line (external type) blower motor system. See “Blower
Motor System” in the “Accessories” section.
Prepare for Mounting the In-Line Blower System
The in-line blower system must be fastened to a secure
structure of the roof, ceiling, wall, floor, or new or existing frame
construction. The 4 holes on either the inlet (bottom) side or the
outlet (top) side of the blower must be used to mount the in-line
blower system to the structure.
NOTE: The mounting hole locations must span the studs.
Additional stud framing may be required. Plywood may be
used to span open areas between ceiling or floor joists or roof
rafters to aid installation. This structure must be strong enough
to support the weight of the in-line blower system (50 lb
[22.6 kg] min).
Prepare the In-line Blower System
1. Using 2 or more people, move the in-line blower motor
system to the mounting location.
2. Remove the 10 screws from the front cover of the in-line
blower motor housing and set them aside.
3. Remove the front cover of the in-line blower motor housing
and set it aside.
NOTE: To make the blower motor housing easier to mount,
the blower motor assembly can be removed. If you do not
want to remove the blower motor assembly, proceed to
“Install In-line Blower System” in this section.
4. Disconnect the motor electrical plug from the blower motor
assembly.
5. Remove the screws that secure the blower motor assembly
to the in-line blower housing and set them aside.
6. Pull the spring clip to release the blower motor assembly.
Remove the blower motor assembly from the housing and
place it on a covered surface.
WARNING
Excessive Weight Hazard
Use two or more people to move and install
downdraft vent.
Failure to do so can result in back or other injury.
A
BC
D
A. Front cover
B. Blower mounting screws
C. Spring clip
D. Motor electrical plug
Install In-line Blower System
NOTE: The blower motor housing can be mounted using 4 holes
from either the inlet side or the outlet side of the blower.
Outlet Side
Inlet Side
1. Position the in-line blower motor housing in its mounting
location and mark the 4 mounting hole locations.
2. Drill 4 mounting pilot holes using a 3/16" (4.8 mm) drill bit.
3. Attach the in-line blower motor housing to the mounting
location with four 6 x 80 mm mounting screws and washers.
4. If it is removed, reinstall the blower motor assembly and
secure it with the screws previously removed.
5. If it is removed, reattach the motor electrical plug to the
connector on the blower motor assembly.
Complete Preparation
1. Determine and make all necessary cuts for the vent system.
IMPORTANT: When cutting or drilling into the floor, ceiling or
wall, do not damage electrical wiring or other hidden utilities.
2. Determine the location where the 1/2" (1.3 cm) wiring conduit
will be routed through the floor, ceiling or wall between the
inline blower and the downdraft vent.
3. Drill a 11/4" (3.2 cm) hole at this location.
A
AA
A
A. Mounting holes
A
A
A. Mounting holes
Install Downdraft Vent In-Line (External Type) Blower Motor

21
4. Locate the electrical terminal boxes in the in-line blower
housing and downdraft vent. Remove the terminal box
covers and set the covers and screws aside.
5. Remove the electrical knockout from the in-line blower
housing and downdraft vent to prepare for the installation of
the UL listed or CSA approved 1/2" (1.3 cm) wiring conduit
and conduit connector.
6. With the downdraft vent mounted, run the 1/2" (1.3 cm) wiring
conduit between the in-line blower motor housing and the
downdraft vent. Pull enough 1/2" (1.3 cm) wiring conduit to
allow for easy connection to the terminal boxes in the in-line
blower housing and downdraft vent.
7. Run the six 18 AWG wires through the 1/2" (1.3 cm) wiring
conduit and conduit connectors and into the terminal boxes
on the in-line blower housing and downdraft vent. Leave
enough wire length in each terminal box to make the wiring
connections.
8. Install the conduit connectors and conduit to the in-line
blower housing and downdraft vent electrical terminal boxes.
9. Connect the vent system to the downdraft vent and in-line
blower system and seal all joints with clamps.
A
B
A. Electrical terminal box
B. Electrical knockout
Make Electrical Connections for In-Line
Blower Motor System
Electrical Connection Inside In-line Blower System
1. Disconnect power.
2. Connect the wires from the wiring conduit to the wires from
the motor electrical plug cable inside the in-line blower
housing terminal box.
3. Use UL listed wire connectors and connect the black wires
(C) together.
4. Use UL listed wire connectors and connect the white wires
(D) together.
5. Use UL listed wire connectors and connect the red wires
(E) together.
6. Use UL listed wire connectors and connect the blue wires
(F) together.
WARNING
Electrical Shock Hazard
Disconnect power before servicing.
Replace all parts and panels before operating.
Failure to do so can result in death or electrical shock.
A
B
C
D
E
F
G
H
I
J
A. UL listed or CSA approved
1/2" (1.3 cm) wiring conduit
B. UL listed wire connectors
C. Black wires
D. White wires
E. Red wires
F. Blue wires
G. Gray wires
H. Green (or yellow/green) and
green/yellow wires
I. Motor electrical plug cable

22
7. Use UL listed wire connectors and connect the gray wires
(G) together.
8. Connect the green (or yellow/green) ground wire to the
green/yellow ground wire (H) in the terminal box using UL
listed wire connectors.
9. Reinstall the in-line blower terminal box cover and screw.
10. Reinstall the front cover of the in-line blower housing and
secure it with 10 mounting screws.
Electrical Connection Inside Downdraft Vent Between
In-Line Blower System and Downdraft Vent
NOTE: Discard the 6-wire connector assembly supplied with
the in-line blower motor system.
1. With the downdraft vent mounted, locate the bottom wiring
cable (5 wires) inside the downdraft vent terminal box.
2. Connect the wires from the bottom wiring cable (5 wires)
inside the downdraft vent terminal box to the wires from
the in-line blower wiring conduit inside the downdraft vent
terminal box.
3. Connect the same color wires to each other (black to black,
white to white, etc.) using UL listed wire connectors.
NOTE: Connect the green (or green/yellow) ground wire from
the wiring conduit to the green (or bare) ground wire from the
home power supply using UL listed wire connectors.
(See the “Make Electrical Power Supply Connections to
Downdraft Vent” section.)
4. Go to “Make Electrical Power Supply Connection
to Downdraft Vent” section.
WARNING
Electrical Shock Hazard
Electrically ground blower.
Connect ground wire to green and yellow ground wire
in terminal box.
Failure to do so can result in death or electrical shock.
A
B
C
D
E
F
G
H
I
A. UL listed or CSA approved
1/2" (1.3 cm) wiring conduit
B. UL listed wire connectors
C. Black wires
D. White wires
E. Red wires
F. Blue wires
G. Gray wires
H. Green (or green/yellow)
wire
I. Bottom wiring cable
(5 wires)
Make Electrical Power Supply Connection
to Downdraft Vent
1. Disconnect power.
2. Locate the downdraft vent terminal box.
3. Use UL listed wire connectors and connect black wires
(D) together.
WARNING
Electrical Shock Hazard
Disconnect power before servicing.
Replace all parts and panels before operating.
Failure to do so can result in death or electrical shock.
A
A. Terminal box
A
B
C
D
E
F
A. Green or green and yellow
ground wires
B. White wires
C. UL listed wire connectors
D. Black wires
E. UL listed or CSA approved
conduit connector
F. Downdraft vent wiring

23
4. Use UL listed wire connectors and connect white wires
(B) together.
NOTE: The green (or green/yellow) ground wire in the conduit
from the in-line blower motor system is to be connected with
the green (or bare) wire of the home power supply cable and
with the green/yellow wire (A) in the terminal box.
5. Connect green (or bare) ground wire from home power
supply to the green/yellow ground wires (A) in terminal box
using UL listed wire connectors.
6. Install terminal box cover.
7. Reconnect power.
WARNING
Electrical Shock Hazard
Electrically ground blower.
Connect ground wire to green and yellow ground wire
in terminal box.
Failure to do so can result in death or electrical shock.
Check Operation
1. Push and hold the button on the top of the downdraft vent
for a few seconds. The retractable section of the downdraft
vent will rise and the blower will be able to start using the
control slider. Remove any protective film and use a stainless
steel cleaner to clean any remaining grease. Position the top
trim over the retractable section and snap trim into place.
Trim kits for matching your cooktop color are available from
your dealer.
For information on ordering, see the “Assistance or Service”
section.
2. Slide the control slider on the side of vent to check the
operation and speed of the blower.
3. If the blower does not operate:
■Check that filter or filters are pressed in as far as they
will go.
■Check that the circuit breaker has not tripped or
a household fuse blown.
4. Connect vent system to blower. Vent system must end with
a wall or roof cap. Use clamps or duct tape to seal all joints.
NOTE: To get the most-efficient use from your new retractable
downdraft vent, read the “Vent System Use” section.
A
B
D
E
C
A. Top trim
B. On/Off button
C. Blower control slider
D. End cap
E. Filters

24
VENT SYSTEM USE
The retractable downdraft vent system is designed to remove
smoke, cooking vapors, and odors from the cooktop area.
■For best results, the vent should be operating before cooking
is started.
■If you use large or tall utensils, place them on the large rear
element or burner surface.
■A higher heat setting than normally used may be needed
when the downdraft vent is operating.
■For gas cooktops, the downdraft vent system may affect
the flame stability and cooking performance. To improve
the burner performance, either decrease the downdraft vent
blower speed or increase the cooktop burner flame setting.
■For gas cooktops with flame-sensing ignitions, the downdraft
vent system may disperse the flame away from the spark
igniter and may cause it to continually spark while trying to
reignite a burner that is already lit. To resolve the issue of the
cooktop igniter continuously sparking, either decrease the
downdraft vent blower speed or increase the cooktop flame
setting for that burner.
Operating Downdraft Vent
To Use:
1. Push and hold the button on top of downdraft vent for a few
seconds. (This slight delay helps avoid unintentional raising
of the vent during cleaning of the cooktop area.) Retractable
section of downdraft vent will rise. Blower will begin to vent
immediately if blower control knob slider is set to an On
position.
2. Slide the control slider on the right-hand side of the
downdraft vent to adjust the blower motor speed.
When Cooking Is Complete:
1. Push the button on top of the retractable downdraft vent.
The blower will turn off and the retractable section of the
vent will return to the closed position.
NOTE: If a spill occurs on the cooktop that allows liquids to seep
inside the downdraft vent, you must turn the downdraft vent off
immediately. It is possible to cause damage to the downdraft
vent if water is allowed inside the downdraft vent while it is
operating.
2. Immediately turn off the downdraft vent at the speed control
located on the right-hand side of the downdraft vent.
3. Turn off the power supply to the downdraft vent at the circuit
breaker box or fuse box.
4. Allow plenty of time for the downdraft vent to dry naturally.
Do not open the downdraft vent to remove the water.
VENT SYSTEM CARE
Surface of Downdraft Vent
To avoid damaging the finish, clean downdraft vent with soap
and water. Do not use scouring powder or abrasive solutions.
Exterior Surfaces:
To avoid damage to the exterior surface, do not use steel wool
or soap-filled scouring pads.
Always wipe dry to avoid watermarks.
Cleaning Method:
■Liquid detergent soap and water or all-purpose cleanser.
■Wipe with damp soft cloth or nonabrasive sponge, and then
rinse with clean water and wipe dry.
NOTE: To avoid damage, do not soak cloth or sponge.
Filters
Frequently remove and clean the filter(s) in the retractable section
of the downdraft vent. This will improve the operating efficiency of
the downdraft vent system.
To Replace:
1. Remove each filter by pulling the spring release handle and
then pulling down the filter.
2. Wash metal filters as needed in dishwasher or hot detergent
solution.
3. Reinstall the filter by making sure the spring release handles
are toward the front. Insert metal grease filter into upper
track.
4. Pull the spring release handle down.
5. Push up on metal filter and release handle to latch into place.
6. Repeat steps 1 through 5 for the other filter.
To Clean:
1. Remove the filter(s) and clean them in a dishwasher or in a
hot detergent solution. The downdraft vent will not operate
when the filters are not in place.
2. Dry the clean filter(s) and reinstall, making sure that they lock
into place.
If Retractable Downdraft Vent Does Not Operate After
Clean Filters Have Been Installed:
Push the filter in as far as it will go. When the filter is removed,
the microswitch behind the filter is inactivated. This feature will
not allow the vent system to operate until the filter is properly
installed.
C
A
B
A. Spring-release handles
B. Left metal filter
C. Right metal filter

25
TROUBLESHOOTING
First try the solutions suggested here. If you need further assistance or more recommendations that may help you avoid
a service call, refer to the warranty page in this manual and scan the code there with your mobile device or visit
http://kitchenaid.custhelp.com.
In Canada, visit http://www.kitchenaid.ca.
Contact us by mail with any questions or concerns at the address below:
In the U.S.A.:
KitchenAid Brand Home Appliances
Customer eXperience Center
553 Benson Road
Benton Harbor, MI 49022-2692
Please include a daytime phone number in your correspondence.
In Canada:
Customer eXperience Centre
KitchenAid Canada
200 - 6750 Century Ave.
Mississauga, Ontario L5N 0B7
PROBLEM POSSIBLE CAUSES AND/OR SOLUTIONS
Nothing will
operate Has a household fuse been blown or has a circuit breaker tripped? Replace the fuse or reset the circuit breaker.
If the problem continues, call an electrician.
Are the filters not seating in the plenum? Make sure the filters are fully depressing the filter switches.
Has the Start button been pressed for at least 3 seconds? Push and hold the button on the top of the downdraft
vent for at least 3 seconds to complete the cycle needed to start retracting.
Vent does
not retract Are the filters in place on downdraft vent? When the filters are removed, the microswitch behind the filter is
inactivated. This feature will not allow the vent system to operate until the filter is properly installed.
Are the filters installed correctly? Push the filter in as far as it will go to activate the microswitch behind the filter.
Has the Start button been pressed for at least 3 seconds? Push and hold the button on the top of the downdraft
vent for at least 3 seconds to complete the cycle needed to start retracting.
Is the downdraft correctly secured? Make sure that the vent hood is level and upright. Check it is securely
fastened to the floor and the counter top.
Vent partially
raises Has an obstruction been interfering with the vent movement? Ensure the cooktop is not interfering with the
downdraft vent movement.
Is the vent level? Level the vent. See the “Install Vent System” section.
Blower does
not operate Is the vent fully raised? Check that the vent is totally in the up position.
Are the filters installed correctly? Push the filter in as far as it will go to activate the switch behind the filter.
Has the control slider been moved from the Off position? Slide the control slider on the right-hand side of the
downdraft vent to adjust the blower motor speed.
Is the blower installed correctly? See the “Rear Mounting – Blower Motor” section.
Downdraft
not level on
countertop
Is the vent level? Level the vent. See the “Install Vent System” section.
Is the vent raising more in one side? Make sure both of the support legs have the same height from the bottom of
the vent box to the bottom of the support legs. See the “Install Vent System” section.
Vent making
noises Was the vent recently installed and making grinding noises? Use stainless steel cleaner to remove any residue
left by the white protective film. Ensure nothing is blocking path of vent.
Is there noise due to moving air? Ensure the installation of the product is fully into the cutout and no gap in the
middle of it.

26
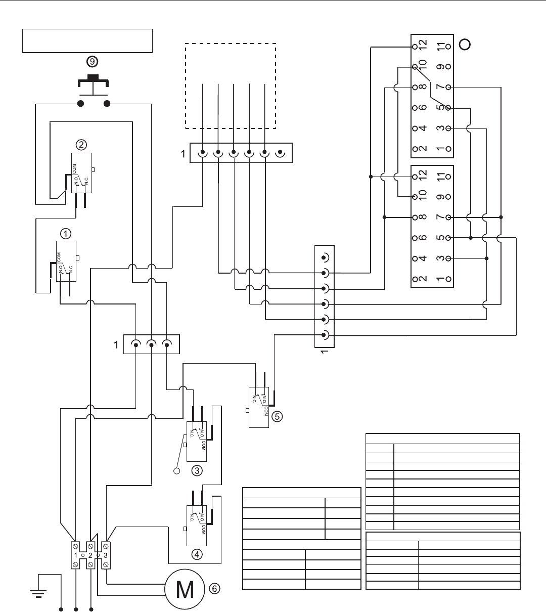
WIRING DIAGRAMS
Interior-Mounted Blower Motor
SEL0016521A
1° Speed
2° Speed
GY
BR
GY
BK
BU
GY
RD
WH
BK
RD
RD
Note: Wiring for external
blower motor
Note: Wiring Diagram is drawn
with plenum in down position
8
Component Layout
RD
RD
BR
BR
GY
BU
GY
BU
GY
RD
WH
BK
GY
RD
WH
BR
BK
GY
RD
WH
BR
BK BK
BR
WH
RD
WH
RD
BR
BR
GY
RD
BR
BR
BU
GY
BK
WH
YL/GN
GY
BU
Common
3° Speed
4° Speed
Power supply
120VAC
Frequency 60Hz
Wattage rating 420W
Amperage 3.7A
Motor Resistance
Blue - White 21.6 Ohms
Blue - Red 18 Ohms
Blue - Gray 14.3 Ohms
Blue - Black 9.8 Ohms
DescriptionNum.
9
8
7
6
5
4
3
2
1
Start Sw. - Plenum Up/Down
Blower Speed Switches
Blower Motor
Plenum Drive Motor
Motor microswitch
Plenum Up Limit Switch
Plenum Down Limit Switch
Filter microswitch
Filter microswitch
RD
GY
BR
BR
GY
Blower Switch operation
Contact Function
1 - 3 OFF
3 - 5 1st Speed
5 - 7 2nd Speed
8 - 10 3rd Speed
10 - 12 4th Speed
GND L N
Motor Specifications
S50
4° Speed
3° Speed
2° Speed
1° Speed
Note: Wiring Diagram is drawn
with plenum in down position
Component Layout
RD
RD
RD
GY
YL/GN
BR
YL
Neutral
BU
BK
GY
RD
WH
WH
RD
GY
BK
BU
BR
BU
BR
GY
RDRD
GY
BR
BR
BR
BR
BU
GY
GY
GY GY
GY
BU
WH
BK
YL/GN
GND L N
RD
BK
GY
RD
WH
BR
BK
GY
RD
WH
BR
BK
WH
RD
BR
Motor Specifications
Power supply
Frequency
Wattage rating
Amperage
Motor Resistance
120 VAC
60 Hz
420 W
3.7 A
Blue - White
Blue - Red
Blue - Gray
Blue - Black
21.6 Ohms
18 Ohms
14.3 Ohms
9.8 Ohms
Blower Switch operation
Contact Function
1 - 3
3 - 5
5 - 7
8 - 10
10 - 12
Off
1st Speed
2nd Speed
3rd Speed
4th Speed
Num.
Filter microswitch
1
2
3
4
5
6
7
8
9
Filter microswitch
Plenum Down Limit Switch
Plenum Up Limit Switch
Motor microswitch
Plenum Drive motor
Blower motor
Blower Speed Switches
Start Sw. - Plenum Up/Down
Description
SEL0015061B
8
9
2
1
5
3
6
M
M
1 2 3
4
7
1
1
3
2 4
5
6
7
8
9
10
11
12
N.O.
N.C.
COM
N.O.
N.C.
COM
N.O.
N.C.
COM
N.O.
N.C.
COM
1
1
N.O.
N.C.
COM

27
WIRING DIAGRAMS
Interior-Mounted Blower Motor SEL0016521A
1° Speed
2° Speed
GY
BR
GY
BK
BU
GY
RD
WH
BK
RD
RD
Note: Wiring for external
blower motor
Note: Wiring Diagram is drawn
with plenum in down position
8
Component Layout
RD
RD
BR
BR
GY
BU
GY
BU
GY
RD
WH
BK
GY
RD
WH
BR
BK
GY
RD
WH
BR
BK BK
BR
WH
RD
WH
RD
BR
BR
GY
RD
BR
BR
BU
GY
BK
WH
YL/GN
GY
BU
Common
3° Speed
4° Speed
Power supply
120VAC
Frequency 60Hz
Wattage rating 420W
Amperage 3.7A
Motor Resistance
Blue - White 21.6 Ohms
Blue - Red 18 Ohms
Blue - Gray 14.3 Ohms
Blue - Black 9.8 Ohms
DescriptionNum.
9
8
7
6
5
4
3
2
1
Start Sw. - Plenum Up/Down
Blower Speed Switches
Blower Motor
Plenum Drive Motor
Motor microswitch
Plenum Up Limit Switch
Plenum Down Limit Switch
Filter microswitch
Filter microswitch
RD
GY
BR
BR
GY
Blower Switch operation
Contact Function
1 - 3 OFF
3 - 5 1st Speed
5 - 7 2nd Speed
8 - 10 3rd Speed
10 - 12 4th Speed
GND L N
Motor Specifications
Exterior-Mounted Blower Motor

28
ASSISTANCE OR SERVICE
If you need service
Please refer to the warranty page in this manual.
If you need replacement parts
If you need to order replacement parts, we recommend that you
use only factory specified parts. Factory specified parts will fit
right and work right because they are made with the same
precision used to build every new appliance.
To locate factory specified replacement parts in your area, call
the following customer assistance telephone number or your
nearest designated service center.
In the U.S.A.
Call Whirlpool Customer eXperience Center toll-free:
1-800-422-1230 or visit our website at www.kitchenaid.com.
Our consultants provide assistance with:
■Scheduling of service. Whirlpool designated service
technicians are trained to fulfill the product warranty and
provide after-warranty service anywhere in the United States.
■Features and specifications on our full line of appliances.
■Referrals to local dealers.
■Installation information.
■Use and maintenance procedures.
■Accessory and repair parts sales.
■Specialized customer assistance (Spanish speaking, hearing
impaired, limited vision, etc.).
For further assistance
If you need further assistance, you can write to Whirlpool
Corporation with any questions or concerns at:
KitchenAid Brand Home Appliances
Customer eXperience Center
553 Benson Road
Benton Harbor, MI 49022-2692
Please include a daytime phone number in your correspondence.
In Canada
Call the Whirlpool Canada LP Customer eXperience Centre
toll-free at 1-800-6777 or visit our website at www.whirlpool.ca.
Our consultants provide assistance with:
■Scheduling of service. Whirlpool designated service
technicians are trained to fulfill the product warranty and
provide after-warranty service anywhere in Canada.
■Features and specifications on our full line of appliances.
■Referrals to local dealers.
■Use and maintenance procedures.
■Accessory and repair parts sales.
For further assistance
If you need further assistance, you can write to Whirlpool
Canada LP with any questions or concerns at:
Customer eXperience Centre
KitchenAid Canada
200 - 6750 Century Ave.
Mississauga, Ontario L5N 0B7
Please include a daytime phone number in your correspondence.
Accessories
NOTE: Instructions are included with each kit.
For Model Series KXD4630
30" (76.2 cm) One-Piece Top Trim
Order Part Number W10387672 (black)
Order Part Number W10388169 (white)
For Model Series KXD4636 and KXD4736
36" (91.4 cm) One-Piece Top Trim
Order Part Number W10387675 (black)
Order Part Number W10388170 (white)
For Model Series KXD4736Y
Blower Motor System (1 system is required)
600 CFM In-Line Blower Motor System
Order model number UXI0600DYS
1200 CFM In-Line Blower Motor System
Order model number UXI1200DYS

29
11/14
IF YOU NEED SERVICE:
1. Before contacting us to arrange service, please determine whether your product requires repair. Some
questions can be addressed without service. Please take a few minutes to review the Troubleshooting or
Problem Solver section of the Use and Care Guide, scan the QR code on the right to access additional
resources, or visit http://kitchenaid.custhelp.com.
2. All warranty service is provided exclusively by our authorized KitchenAid Service Providers. In the U.S. and
Canada, direct all requests for warranty service to:
KitchenAid Customer eXperience Center
In the U.S.A., call 1-800-422-1230. In Canada, call 1-800-807-6777.
If outside the 50 United States or Canada, contact your authorized KitchenAid dealer to determine whether another warranty applies.
KITCHENAID®
MAJOR APPLIANCE
LIMITED WARRANTY
ATTACH YOUR RECEIPT HERE. PROOF OF PURCHASE IS REQUIRED
TO OBTAIN WARRANTY SERVICE.
Please have the following information available when you call the
Customer eXperience Center:
■Name, address and telephone number
■Model number and serial number
■A clear, detailed description of the problem
■Proof of purchase including dealer or retailer name and address
ONE YEAR LIMITED WARRANTY
WHAT IS COVERED WHAT IS NOT COVERED
For one year from the date of purchase,
when this major appliance is installed,
operated and maintained according to
instructions attached to or furnished
with the product, KitchenAid brand
of Whirlpool Corporation or Whirlpool
Canada LP (hereafter “KitchenAid”) will
pay for Factory Specified Replacement
Parts and repair labor to correct
defects in materials or workmanship
that existed when this major appliance
was purchased, or at its sole discretion
replace the product. In the event of
product replacement, your appliance will
be warranted for the remaining term of
the original unit’s warranty period.
YOUR SOLE AND EXCLUSIVE REMEDY
UNDER THIS LIMITED WARRANTY
SHALL BE PRODUCT REPAIR AS
PROVIDED HEREIN. Service must be
provided by a KitchenAid designated
service company. This limited warranty
is valid only in the United States or
Canada and applies only when the major
appliance is used in the country in which
it was purchased. This limited warranty
is effective from the date of original
consumer purchase. Proof of original
purchase date is required to obtain
service under this limited warranty.
1. Commercial, non-residential, multiple-family use, or use inconsistent with published user, operator or
installation instructions.
2. In-home instruction on how to use your product.
3. Service to correct improper product maintenance or installation, installation not in accordance with
electrical or plumbing codes or correction of household electrical or plumbing (i.e. house wiring, fuses
or water inlet hoses).
4. Consumable parts (i.e. light bulbs, batteries, air or water filters, preservation solutions, etc.).
5. Defects or damage caused by the use of non-genuine KitchenAid parts or accessories.
6. Conversion of products from natural gas or L.P. gas.
7. Damage from accident, misuse, abuse, fire, floods, acts of God or use with products not approved by
KitchenAid.
8. Repairs to parts or systems to correct product damage or defects caused by unauthorized service,
alteration or modification of the appliance.
9. Cosmetic damage including scratches, dents, chips, and other damage to the appliance finishes
unless such damage results from defects in materials and workmanship and is reported to KitchenAid
within 30 days.
10. Discoloration, rust or oxidation of surfaces resulting from caustic or corrosive environments including
but not limited to high salt concentrations, high moisture or humidity or exposure to chemicals.
11. Food or medicine loss due to product failure.
12. Pick-up or delivery. This product is intended for in-home repair.
13. Travel or transportation expenses for service in remote locations where an authorized KitchenAid
servicer is not available.
14. Removal or reinstallation of inaccessible appliances or built-in fixtures (i.e. trim, decorative panels,
flooring, cabinetry, islands, countertops, drywall, etc.) that interfere with servicing, removal or
replacement of the product.
15. Service or parts for appliances with original model/serial numbers removed, altered or not easily
determined.
The cost of repair or replacement under these excluded circumstances shall be borne by the
customer.
DISCLAIMER OF IMPLIED WARRANTIES
IMPLIED WARRANTIES, INCLUDING ANY IMPLIED WARRANTY OF MERCHANTABILITY OR IMPLIED WARRANTY OF FITNESS FOR A
PARTICULAR PURPOSE, ARE LIMITED TO ONE YEAR OR THE SHORTEST PERIOD ALLOWED BY LAW. Some states and provinces do not allow
limitations on the duration of implied warranties of merchantability or fitness, so this limitation may not apply to you. This warranty gives you specific
legal rights, and you also may have other rights that vary from state to state or province to province.
DISCLAIMER OF REPRESENTATIONS OUTSIDE OF WARRANTY
KitchenAid makes no representations about the quality, durability, or need for service or repair of this major appliance other than the representations
contained in this warranty. If you want a longer or more comprehensive warranty than the limited warranty that comes with this major appliance, you
should ask KitchenAid or your retailer about buying an extended warranty.
LIMITATION OF REMEDIES; EXCLUSION OF INCIDENTAL AND CONSEQUENTIAL DAMAGES
YOUR SOLE AND EXCLUSIVE REMEDY UNDER THIS LIMITED WARRANTY SHALL BE PRODUCT REPAIR AS PROVIDED HEREIN. KITCHENAID
SHALL NOT BE LIABLE FOR INCIDENTAL OR CONSEQUENTIAL DAMAGES. Some states and provinces do not allow the exclusion or limitation of
incidental or consequential damages, so these limitations and exclusions may not apply to you. This warranty gives you specific legal rights, and you
also may have other rights that vary from state to state or province to province.
http://kitchenaid.custhelp.com
W10342489G
®/™ ©2016 KitchenAid. Used under license in Canada. All rights reserved.
Utilisé sous licence au Canada. Tous droits réservés. 11/16