Kiwi Technology TLM991 LoRa wireless module User Manual
Kiwi Technology Inc. LoRa wireless module
Users Manual

Kiwi-tec Confidential Documentation 1
User Manual
V.1.0.0
Model: TLM991

Kiwi-tec Confidential Documentation 2
History
Date
Version
Revision Description
Writer
2017/5/03
V.1.0.0
LiuKen

Kiwi-tec Confidential Documentation 3
Table of Contents
1. TLM991 ........................................................................................................................................... 1
1.1. Features ............................................................................................................................... 1
1.2. Applications ......................................................................................................................... 1
1.3. Characteristics ..................................................................................................................... 2
1.4. PCB ...................................................................................................................................... 3
1.5. Pin Assignment .................................................................................................................... 4
1.6. Module Dimension and Recommend Footprint ..................................................................... 6
2. Software Setup ................................................................................................................................ 8

Kiwi-tec Confidential Documentation 1
1. TLM991
TLM991 is based on LoRa technology of Semtech, it is a multi-channel high performance transmitter/receiver
designed to simultaneously receive several LoRa packets using random spreading factors on random channels.
The device is mainly intended for the ISM (Industrial, Scientific, and Medical) frequency bands at 902~928
MHz. The module integrated many RF functions and PA to make the maximum output power up to +27dBm
and signal coverage can reach up 10km.
1.1. Features
LoRa Modem
Frequency bands :902~928MHz
Programmable output power up to +27dBm for all supported frequencies,the communication distance is
above 10km in sight of sight.
Programmable baseband modulator with LoRa.
High sensitivity: down to -142.5dBm
Small dimension: 63.08mm×30mm×11.45 mm
1.2. Applications
Automated meter Reading
Home and Building automation
Wireless Alarm and security systems
Industrial monitoring and control
Long Range irrigation systems
Machine to Machine(M2M)
Internet of Things(IoT)

Kiwi-tec Confidential Documentation 2
1.3. Characteristics
Test operating conditions:Ta=25°C,VCC=3.3V if nothing else stated.
Parameter
Typical
Condition/Note
Operating supply voltage
DC IN 5V
DC IN 3.3V
Frequency
902~928MHz
Frequency accuracy
±10KHz
Modulation
LoRa
Programmable
Transmit power
+27dBm
Output power programmable
Data rate
0.244~4.55Kbps(LoRa)
Programmable
Spurious emissions and
harmonics
< -30dBm
TX power @+27dBm
Communication distance
10Km
0.244Kbps Baud data rata, BW=125K
Output power = +27dBm.
Antenna impedance
50ohm
Operating temperature
-40~+85 °C
Storage temperature
50~+125°C
Dimension
63.08mm×30mm×11.45 mm
Accessories
1. N Jack to IPEX Ф1.37 300mm
2. N Jack to N Jack cable 300mm
3. Antenna
Antenna Type:
(1)
Manufacturer: ARISTOTLE ENTERPRISES INC.
Model: RFA-WAVE-C55-U-B70-1
Type:dipole
Gain: 2.0 dBi
(2)
Manufacturer: GSC-TECH
Model: OMA-G01
Type: dipole
Gain: 8.0 dBi
Note:
1. The module transmission data rate will affect Transmission distance, the higher the data rate, the closer
the distance, and the lower the receiving sensitivity.
2. The supply voltage to the module will affect TX power, in the operating supply voltage range, the lower
the voltage to get the lower the TX power.
3. The antenna will strongly affect the communication distance, please select matched antenna and connect
it correctly.
The module mount will affect the communication distance.

Kiwi-tec Confidential Documentation 3
1.4. PCB

Kiwi-tec Confidential Documentation 4
1.5. Pin Assignment
PIN
Accessory port
signal name
Signal
Direction
Original
PCIe
Signal(4)
PCIe
Direction
Accessory Port Signal
Description
1
DC_NINT2
O
WAKE#
O
Interrupt Output from
Accessory Card(4)
2
3.3V
S
+3.3V
S
3.3V (from base board)
3
DC-NINT1
O
COEX1
I/O
Interrupt Output from
Accessory Card(4)
4
GND
R
GND
R
Ground
5
SDIO_CMD/SPI_MOSI
I
COEX2
I
SDIO Command or SPI Master
Out Slave In (1,2,3,4)
6
TBD1
I
+1.5V
S
Uncommitted (Connected to
processor GPIO pin)
7
SDIO_D0/SPI_MISO
I/O or O
CLKREQ#
O
SDIO Data 0 or SPI Master In
Slave Out(1,2,3,4)
8
TBD2
I
UIM_PWR
O
Uncommitted (Connected to
processor GPIO pin)
9
GND
R
GND
R
Ground
10
TBD3
O
UIM_DAT
A
I/O
Uncommitted (Connected to
processor GPIO pin)
11
SDIO_D3/SPI_NCS0
I/O or I
REFCLK-
O
SDIO Data 3 or SPI Chip
Select 0 (1,2,3,4)
12
SDIO_D2/SPI_NCS2
I/O or I
COEX2
I/O
SDIO Data 2 or SPI Chip
Select 2 (1,2,3,4)
13
SDIO_CLK/SPI_CLK
I
REFCLK+
I
SDIO Data2 or SPI clock
(1,2,3,4)
14
GPIO1
I/O
UIM_RES
ET
O
General Purpose I/O 1
15
GND
R
GND
R
Ground
16
SDIO_D1/SPI_NCS1
I/O or I
COEX1
I/O
SDIO Data 1 or SPI Chip
Select1 (1,2,3,4)
17
TBD5
R
UIM_C8
U
Uncommitted (Connected to
processor GPIO pin)
18
GND
R
GND
R
Ground
19
TDB6
R
UIM_C4
U
Uncommitted (Connected to
processor GPIO pin)
20
SPI_NCS3/W_DIASABLE
#
I/O
W_DISAB
LE#
I
SPI Chip Select 3 or
W_DISABLE# depending on
build option (1,2,3,4)
21
GND
R
GND
R
GND
22
NDC_RESET
I
PERST#
I
Low Active Reset
23
5V
R
PERn0
I/O
5V (From Base Board) (4)
24
3.3V
S
+3.3V
S
3.3V (From Base Board)(4)
25
5V
R
PERp0
I/O
5V (From Base Board)(4)
26
GND
R
GND
R
Ground
27
EEPROM A1
R
GND
R
ID EEPROM Address Bit 1(4)
28
GPS_PPS
I
+1.5V
S
GPS Pulse Per Second (4)
29
EEPROM A2
R
GND
R
ID EEPROM Address Bit 2(4)
30
I2CCLK
I/O
SMB_CLK
I/O
I2C Clock

Kiwi-tec Confidential Documentation 5
31
GPIO3/DIBP
I/O
PETn0
I/O
General Purpose I/O 3 or Soft
modem DIBP depending on
build option(4)
32
I2CDA
I/O
SMB_DAT
A
I/O
I2C Data
33
GPIO4/DIBM
I/O
PETp0
I/O
General Purpose I/O 4 or Soft
modem DIBM depending on
build option(4)
34
GND
R
GND
R
Ground
35
GND
R
GND
R
Ground
36
USB_D-
I/O
USB_D-
I/O
USB Negative Data
37
GND
R
GND
R
Ground
38
USB_D+
I/O
USB_D+
I/O
USB Positive Data
39
3.3V
S
+3.3V
S
3.3V (From Base Board)
40
GND
GND
Ground
41
3.3V
S
+3.3V
S
3.3V(From Base Board)
42
GPIO2/LED_WWAN#
I/O
LED_WW
AN#
O
General Purpose I/O or
LED_WWAN# depending on
build option
43
GND
R
GND
R
Ground
44
DCD
O
LEDWLA
N#
O
UART DCD
45
CTS
O
Reserved
U
UART CTS
46
RI
O
LED_WPA
N
O
UART RI
47
RTS
I
Reserved
U
UART RTS
48
DTR
I
+1.5V
S
UART DTR
49
RXD
O
Reserved
U
UART Receive data
50
GND
R
GND
R
Ground
51
TXD
I
Reserved
U
UART transmit data
52
3.3V
S
+3.3V
S
3.3V (from Base Board)
Note:
1. SPI device on daughter card can be slave only.
2. SDIO interface may be on only 1 port of Base Board, depending on Base Board design.
3. If a Base Board support an SDIO interface, it must be able to be shared with an SPI Master interface.
4. The Accessory Port interface is not 100% compatible with the PCIe standard. The PCIe channel has been
replaced with an SPI/SDIO interface, and additional voltage are being supplied.
5. Signal Direction definitions
O = Output
I = Input
I/O = Bidirectional
S = Power Source
R = Power Return
U = Undefined

Kiwi-tec Confidential Documentation 6
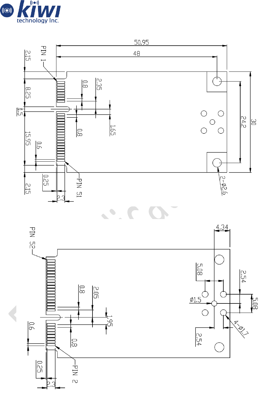
1.6. Module Dimension and Recommend Footprint

Kiwi-tec Confidential Documentation 7

Kiwi-tec Confidential Documentation 8
2. Software Setup
TLM991 can only be used on Linux-based operating system. For driving TLM991 on Linux, the source code of
TLM991 can be download from https://github.com/Lora-net/lora_gateway. Please use the following
command to download the source code. Note that, due to FDTI’s SPI interface being removed, the source
code above v3.2.0, including v3.2.0, would not work with TLM991.
# git clone https://github.com/Lora-net/lora_gateway.git
# cd lora_gateway
# git checkout -b v3.1.0
Before building the source code, some modification is needed for driving TLM991:
1. Editing libloragw/library.cfg
CFG_SPI= ftdi
2. Editing libloragw/src/loragw_spi.ftdi.c, changing following
a = PinHigh(mpsse, GPIOL1);
b = PinLow(mpsse, GPIOL1);
to
a = PinLow(mpsse, GPIOL1);
b = PinHigh(mpsse, GPIOL1);
The last step is installed libftdi and related header files on host operating system. Then, you can proceed to
compile the source code.
More detail can also be founded on https://github.com/mirakonta/lora_gateway/wiki.
Notice:
Any changes or modifications not expressly approved by the party responsible for compliance could void your authority to operate the equipment.
Note: This equipment has been tested and found to comply with the limits for a Class B digital device, pursuant to part 15 of the FCC Rules. These limits are designed to
provide reasonable protection against harmful interference in a residential installation. This equipment generates, uses and can radiate radio frequency energy and, if not
installed and used in accordance with the instructions, may cause harmful interference to radio communications. However, there is no guarantee that interference will not
occur in a particular installation. If this equipment does cause harmful interference to radio or television reception, which can be determined by turning the equipment off
and on, the user is encouraged to try to correct the interference by one or more of the following measures:
- Reorient or relocate the receiving antenna.
- Increase the separation between the equipment and receiver.
- Connect the equipment into an outlet on a circuit different from that to which the receiver is connected.
- Consult the dealer or an experienced radio/TV technician for help.
This device complies with Part 15 of the FCC Rules. Operation is subject to the following two conditions:
(1) this device may not cause harmful interference and
(2) this device must accept any interference received, including interference that may cause undesired operation.
This equipment complies with FCC RF radiation exposure limits set forth for an uncontrolled environment. This equipment should be installed and operated with a minimum
distance of 20 centimeters between the radiator and your body.
For a host using a certified modular with a standard fixed label, if (1) the module’s FCC ID is not visible when installed in the host, or (2) if the host is marketed so that end
users do not have straightforward commonly used methods for access to remove the module so that the FCC ID of the module is visible; then an additional permanent label
referring to the enclosed module: “Contains Transmitter Module FCC ID: 2AKIBTLM991 ” or “Contains FCC ID: 2AKIBTLM991 ” must be used. The host OEM user manual
must also contain clear instructions on how end users can find and/or access the module and the FCC ID.