Kohler Command 5 Hp Users Manual Engines Service 5, 6
CH6 to the manual 42f827b4-e0f3-4bab-8d78-b12ba7bd765a
2015-01-21
: Kohler Kohler-Command-5-Hp-Users-Manual-219763 kohler-command-5-hp-users-manual-219763 kohler pdf
Open the PDF directly: View PDF
.
Page Count: 109 [warning: Documents this large are best viewed by clicking the View PDF Link!]
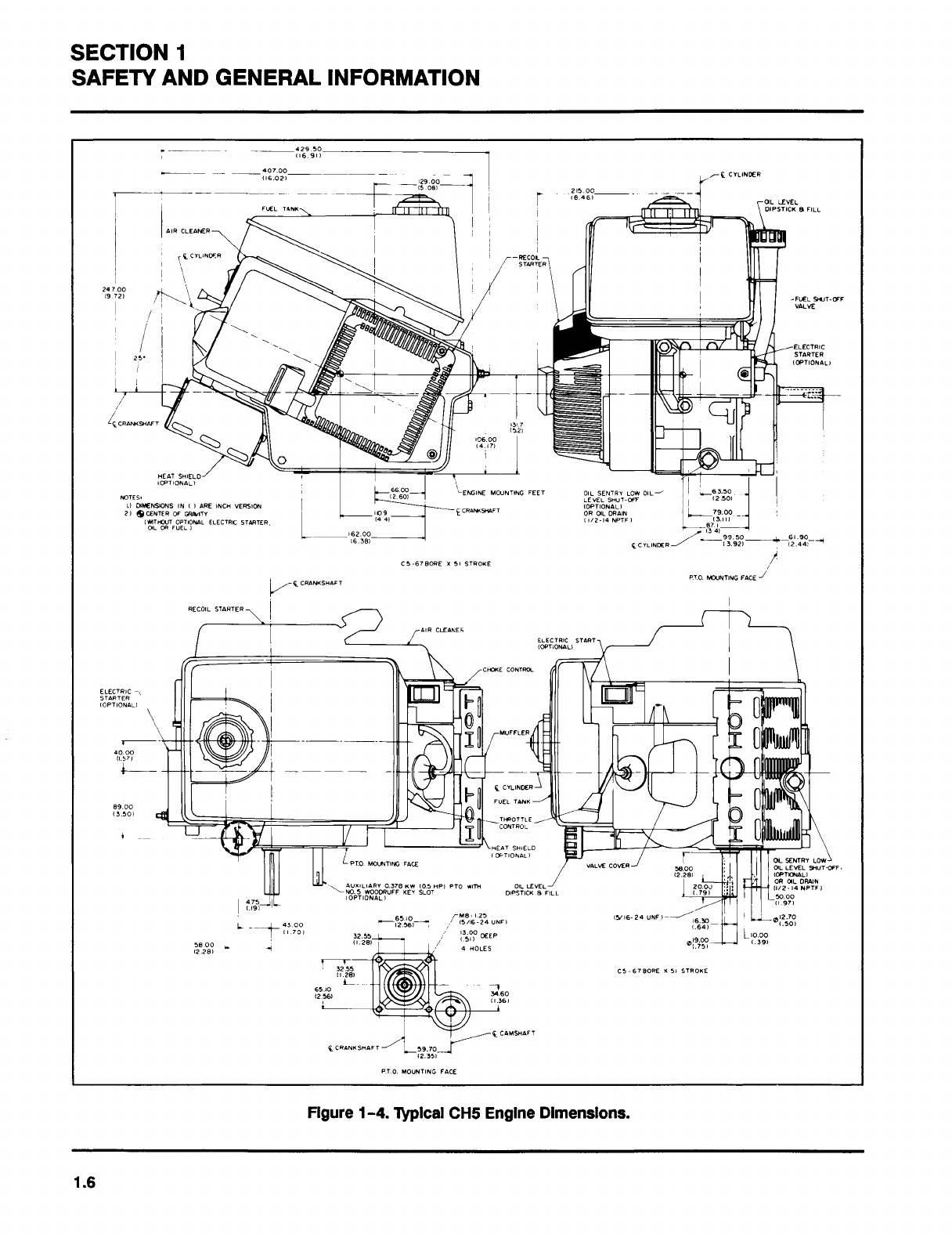
- Table of Contents
- Section 1 - Safety and General Information
- Section 2 - Special Tools
- Section 3 - Troubleshooting
- Section 4A (Ch5) - Air Cleaner & Air Intake System
- Section 4B (Ch6) - Air Cleaner & Air Intake System
- Section 5 - Fuel System and Governor
- Section 6 - Lubrication System
- Section 7 - Retractable Starter
- Section 8 - Electrical System and Components
- Section 9 - Disassembly
- Section 10 - Internal Components
- Section 11 - Reassembly












































































































