Kohler Mira Azora Users Manual
Thermostatic Electric Shower to the manual 40d61be4-7eca-47b3-b6a1-bf2d67be71fe
2015-01-26
: Kohler Kohler-Mira-Azora-Users-Manual-219934 kohler-mira-azora-users-manual-219934 kohler pdf
Open the PDF directly: View PDF
.
Page Count: 32

1
These instructions are to be left with the user
Installation & User Guide
Mira Azora Thermostatic Electric Shower
2
Contents
Introduction ................................................................................................3
Important Safety Information .....................................................................4
Pack Contents Checklist ...........................................................................6
Specications ............................................................................................8
Installation Requirements ..........................................................................8
Installation ............................................................................................... 11
Commissioning ........................................................................................17
User Instructions .....................................................................................19
Fault Diagnosis ........................................................................................21
Maintenance ............................................................................................23
Mira Azora Spare Parts List ..................................................................... 26
Accessories..............................................................................................26
Mira Energise Shower Fittings Spare Parts List ......................................28
Dimensions ..............................................................................................29
Wiring Diagram ........................................................................................30
Customer Services ..................................................................................31

3
Introduction
Thank you for purchasing a quality Mira product. To enjoy the full potential of your
new product, please take time to read this guide thoroughly. Having done so,
keep it handy for future reference.
The Mira Azora is a thermostatic electric shower with separate controls for power
selection and temperature/ow adjustment. A unique thermostatic valve stabilizes
temperature changes caused by water pressure uctuations. These can result
from taps being turned on or off, or a toilet being ushed. An individual light indi-
cates “ON/OFF”.
The Mira Azora comes complete with a set of Mira Energise Shower Fittings.
Mira Azora 9.8 kW
A 9.8 kW 240 V AC (9.0 kW 230 V AC) heater with Mira Azora adjustable spray
handset with four different spray actions (start, soothe, force and eco*). Supplied
complete with exible hose, clamp bracket assembly, slide bar, supports, hose
retaining ring and soap dish. Available in a satin chrome and glass nish.
* The eco setting reduces the water ow to give economical use of water, whilst
still giving an adequate shower performance. This setting performs best with most
gravity, pumped, and mains pressure unvented systems. On electric showers and
some combination boiler systems the economy setting will have no effect, and will
give the same spray action as the start setting.
Patents and Design Registration
If you experience any difculty with the installation or operation of your new
shower, then please refer to the Fault Diagnosis section, before contacting
Kohler Mira Ltd. Our telephone and fax numbers can be found on the back
cover of this guide.
Design Registration: 000578463-001-002
Patents: GB2341667, Ireland 82835
Patent Applications: GB0612240.2, GB0415901.8, Ireland 2006/0462
4
Important Safety Information
Warning!
Follow all warnings, cautions and instructions contained in this guide, and
on or inside the appliance.
1. Products manufactured by us are safe and risk-free, provided that they are
installed, used and maintained in good working order, in accordance with our
instructions and recommendations.
2. Isolate the electrical and water supplies before commencing installation. The
electricity must be turned off at the mains and the appropriate circuit fuse
removed, if applicable.
3. Mains connections are exposed when the cover is removed.
4. Refer to the wiring diagram before making any electrical connections (see
internal wiring diagram at the back of the book).
5. Make sure that any pipework that could become frozen is properly insulated.
6. Having completed the installation, make sure that the user is familiar with the
operation of the appliance.
7. Make sure that this guide is left with the user.
8. DO NOT commission this appliance if water leaks from the unit or the heater
tank pressure relief valve.
9. DO NOT t any form of outlet control (e.g. Trigger handset) as the outlet acts
as a vent for the tank body. Only Mira recommended outlet ttings should be
used.
10. Ensure all electrical connections are tight, to prevent overheating.
11. Warning! DO NOT operate this appliance if it is frozen. Allow the appliance to
thaw before using. The shower unit must not be tted where it may be exposed
to freezing conditions.
12. This product is not suitable for areas with high humidity (i.e. steam rooms).
Please consult your installer.
13. THIS APPLIANCE MUST BE EARTHED. ENSURE SUPPLEMENTARY
BONDING COMPLIES WITH THE “REQUIREMENTS FOR ELECTRICAL
INSTALLATIONS”.
In accordance with the current edition of “The Plugs and Sockets etc. (Safety)
Regulations” in force at the time of installation, this Mira Escape is intended to
be permanently connected to the xed electrical wiring of the mains system.
Installation must be carried out in accordance with these instructions, and
must be conducted by designated, qualied and competent personnel.
5
Caution!
1. Read all of these instructions and retain this guide for later use.
2. The electrical installation must comply to “BS 7671 - Requirements for Electrical
Installations”, commonly referred to as the IEE Wiring Regulations - Part 7, or
any particular regulations and practices, specied by the local electricity supply
company.
3. The plumbing installation must comply with the requirements of UK Water
Regulations/Bye-laws (Scotland), Building Regulations or any particular
regulations and practices, specified by the local water company or water
undertakers.
4. Make sure that you fully understand how to operate this shower and make sure
that it is properly maintained in accordance with the instructions given in this
manual.
5. Anyone who may have difculty understanding or operating the controls of any
shower should be attended whilst showering. Particular consideration should
be given to:
The young, the elderly, the inrm, the disabled, anyone who suffers from
a medical condition that can result in temporary incapacity (e.g. epilepsy
or blackouts), anyone inexperienced in the correct operation of the
controls.
6. Sunburn or skin conditions can increase your sensitivity to hot water. Make sure
that you set the shower to a cooler temperature.
7. If any of the following conditions occur, isolate the electricity and water supplies
and refer to ”Customer Services”, in the back page of this guide.
• If the cover is not correctly tted and water has entered the
appliance case.
• If the case is damaged.
• If the appliance begins to make an odd noise, smell or smoke.
• If the appliance shows signs of a distinct change in performance,
indicating a need for maintenance.
• DO NOT operate if water leaks from the appliance.
8. When this appliance has reached the end of its serviceable life, it should be
disposed of in a safe manner, in accordance with current local authority recycling,
or waste disposal policy.

6
Pack Contents Checklist
Mira Azora
Tick the appropriate boxes to familiarise yourself with the part names and to
conrm that the parts are included.
3 x Wall Plugs
3 x Fixing Screws
1 x Mira Azora
1 x Installation and User Guide
1 x Installation Template
1 x Installer Checklist
1 x Guarantee Card
Documentation
1 x Compression Nut
1 x Olive

7
Mira Energise Electric Shower Fittings
Tick the appropriate boxes to familiarise yourself with the part names and to con-
rm that the parts are included.
2 x Wall Plugs
1 x Slide Bar 1 x Flexible Hose
1 x Handset
2 x Hose Seals
1 x Clamp Bracket
Assembly
1 x Soap Dish
1 x Hose Retaining
Ring
2 x End Plugs
2 x Fixing Screws
1 x Installation and User Guide
Documentation
2 x End Supports
2 x Slide Bar Ends

8
Installation Requirements
1. Plumbing
Minimum maintained inlet pressure 70 kPa (0.7 bar).
100 kPa (1.0 bar) recommended for satisfactory operation.
Maximum static inlet pressure 1000 kPa (10 bar).
Minimum static pressure 20 kPa (0.2 bar) to keep the inlet valve closed.
2. Electrical
The Mira Azora 9.8 kW requires a 45 Amp fuse.
The terminal block will accept cable up to 16 mm2 .
3. Standards and Approvals
The Mira Azora complies with all relevant directives for CE marking.
1. Plumbing
Specications
The appliance is designed to operate with a minimum maintained inlet
pressure of 0.7 bar up to a maximum static inlet pressure of 10 bar.
When installed in very hard water areas (above 200 ppm temporary
hardness) your installer may advise the installation of a water treatment
device, to reduce the effects of limescale formation. Your local water
company will be able to advise the hardness of water in your area.
It is recommended that a non-restrictive (free owing) isolating valve
is tted in the cold water supply pipe to allow the complete maintenance
of the appliance. Do not use a valve with a loose washer plate (jumper)
as this can lead to a build up of static pressures.
The appliance is suitable for installation within the shower area. It is tted
with a pressure relief device and must be positioned over a water
catchment area with the controls at a convenient height for all users.
The appliance must be tted on to a nished at and even wall surface
(this wall surface should be tiled or waterproofed). Do not t the
appliance to the wall and tile up to the case. For safety requirements, an
air gap must be left behind the appliance.

9
Avoid layouts where the shower hose will be sharply kinked. This may
reduce the life of the hose.
A Hose Retaining Ring is supplied to prevent the handset from dropping
below the spill-over level of the bath or shower tray, which
could lead to contamination from back-siphoning. The supplied Hose
Retaining Ring should meet the majority of user requirements for
shower installations with exible outlet ttings. However, there will be
occasions when it will not provide a suitable solution. In these instances
an outlet double checkvalve, e.g. a Mira DCV-H, must be tted. This
will increase the required supply pressure typically by 0.1 bar (see section
“Accessories”).
Supply pipework must be ushed to clear debris before connecting to
the appliance.
To avoid damage to the case when soldered ttings are used, pre-solder
the pipework and ttings before connecting them to the inlet connector
assembly. Refrain from applying excessive force when making any
connections. Always provide mechanical support when making the
plumbing connections.
The appliance is tted with a brass inlet compression assembly for
connecting to a 15mm supply pipe from the top, bottom or back. Double
checkvalves, if tted in the inlet supply to the appliance, can cause a
pressure build-up, which could exceed the maximum static inlet pressure
and damage the appliance.
Isolating Valve
Avoid Sharp Kinks
Convenient height
for all the family
25 mm Min
Bath Shower Tray
Fixed to nished
wall surface
Minimum
200mm from
ceiling
Hose Retaining Ring

10
In a domestic installation, the rating of the electricity supplier’s fuse and
the consumer unit must be adequate for the additional demand. All Mira
electric showers are high power units, it is essential to contact your
electricity supplier to ensure that the supply is adequate for the product.
Voltage drop due to local heavy demand will reduce the shower’s
performance.
The appliance must be earthed by connecting the supply-cable earth
conductor to the earth terminal.
Supplementary bonding: Within the bathroom or shower room, all
accessible conductive parts of electrical equipment and extraneous
conductive parts (metal parts) that are likely to introduce earth potential,
must be electrically bonded to earth using a minimum cable size of
4.0mm2 if the cable is not mechanically protected, (2.5 mm2 if
mechanically protected).
The minimum cable size (cross-sectional area) required should be in
accordance with BS 7671.
As a guide only, and in accordance with BS 7671 we recommend close
circuit protection: i.e. 9.8 kW = 45 Amp
It is strongly recommended that a 30 mA Residual Current Device (RCD)
is included in the electrical circuit. This may be part of the consumer unit
or a separate unit.
A separate, permanently connected supply must be taken from the
consumer unit to the appliance through a double-pole switch, which has
at least 3 mm of contact separation. The switch can be a ceiling mounted
pullcord type within the shower room, or a wall mounted switch in an
adjacent room.
DO NOT twist the individual cable cores of either the live or neutral
conductors, as this will prevent them from entering the terminal block.
DO NOT exert strain on the terminal block. Ensure that the electrical
connections are tightly screwed down.
DO NOT turn-on the electrical supply until the plumbing has been
completed.
2. Electrical

11
Double-pole
Isolating Switch
Consumer Unit
Installation
Warning! Turn off the electrical and water supplies before proceeding with the
installation of the Mira Azora. The electricity must be turned off at the mains
and the appropriate circuit fuse removed, if applicable.
Note! An installation template is supplied to help you install the Mira Azora.
1Installation of Mira Azora
Remove the three cover retaining
screws and the cover.
Caution! Handle glass cover assembly
with care.
Cover
Cover Retaining
Screw

12
Drill and plug the top two xing holes. Secure the appliance to the wall with
the screws provided. Drill the bottom xing hole with the product in place.
Alternative xings (not supplied) may be necessary for some wall structures.
Avoid drilling into any supply cable/pipe.
Before tting the Cover, make sure that the appropriate cutouts have been
removed to suit the supply entering the product.
Thoroughly ush the mains-fed cold water supply pipe. The supply
must be clean and free from debris BEFORE connecting the appliance.
To ush the pipework, turn on the water supply and drain a minimum of 10
litres (2 gallons) of water into a bucket or catchment area. Turn off the water
supply.
An installation template is supplied to help you install the Mira Azora.
Put the installation template on the wall and mark through the positions of the
xing holes. Ensure the position of these holes do not come in line with any
buried cables or pipework. Make sure that sufcient electrical supply cable is
available for connection to the terminal block.
Determine the direction of the inlet
water supply: top (falling), bottom
(rising), or back inlet .
Note! Make sure that the back inlet
does not go directly back into the
wall. Use a soldered elbow.
Swivel the inlet connector assembly
to suit. Remove the inlet blanking
cap. Avoid trapping the green earth
bonding wire.
Install the mains-fed cold water
supply pipe. Do not overtighten.

13
Feed cable into Case. Fit Earth
sleeve (not supplied) and then
strip insulation.
Do not twist cable cores.
L = BROWN
E = GREEN/YELLOW
N = BLUE
Ret the Cover, making sure it is
correctly located. Do not overtighten
screws.
Caution! Handle glass cover
assembly with care.
Do not use alternative screws to
secure the Cover. This can cause
internal damage to the appliance.
Do not seal around the back of
appliance.
Cover
Cover Retaining
Screw
When tting the Cover, position
the controls to correspond with the
internal drive features as shown.
Firmly connect the conductors. Do
not exert strain on the terminal
block.

14
Cold Water Supply
Pipe (Bottom Entry)
Fixing Screw
Holes For Cover
Retaining Screws
Electrical
Supply Cable
Terminal
Block
Inlet Connector
Assembly
Heater Tank

15
Decide on a suitable position for the slide bar avoiding buried cables and
pipes.
Drill the two 7.0 mm xing holes for the slidebar at 600 mm centres and insert
the wall plugs.
Assemble the clamp bracket components. Push the plastic slidebar ends into
the slidebar.
Push the slidebar through the clamp bracket assembly, soapdish and hose
retaining ring.
Fit the bottom end support loosely to the wall. This will make aligning the top
support easier. Insert the xing screw into the countersunk hole of the plastic
slide bar end and through the slidebar support.
Place the screw through the top end support and fully tighten. Fully tighten
the bottom end support.
Fit the end support caps over the slidebar end supports.
Screw the hose onto the handset and the outlet of the shower (Make sure the
hose seals are tted). Do not overtighten.
Place the handset into the slidebar clamp bracket.
Note! The clamp bracket is tapered. The handset will only t properly from
one direction. If necessary turn the end of the clamp bracket until the handset
will t.
If the clamp bracket pivots downwards under the weight of the handset
the central securing screw in the bracket will require tightening to hold the
handset in position.
Installation of Shower Fittings
2

16
600 mm
End Support Cap
End Support
Fixing Screw
Slidebar End
Clamp Bracket Assembly
Soap Dish
Slidebar
Handset
Hose Retaining Ring

17
Commissioning
If you are unsure how an electric shower works, please read through the section
“User Instructions” before continuing.
Turn control to full cold. Turn the water supply fully
on.
Check for water leaks. Set control to ‘I’. Switch on electrical supply.
Press the ‘Start/Stop’ button. Water will be at full force
and at a cool temperature.
Turn control to full cold. The temperature will rise slightly.Set control to ‘II’.
Turn the control slowly.
Temperature remains cool
and ow is reduced
Electrical supply is
turned off at the mains.
0 - 5 Secs
0 - 10 Secs
1.
4.
3.2.
6.5.
9.8.7.
12.11.10.

18
The temperature will rise further.
Adjust temperature as
required. Flow rate will adjust
automatically.
The shower will purge from its tank
for a few seconds.
Residual water may drain over a few minutes.
Set control to ‘III’.
5 - 10 Secs
0 - 5 Secs
13.
15.
14.
16.
Press STOP and isolate power.
17. 18.
Note! A slight hissing sound may be heard from the appliance during operation.
High mains water pressure and high shower temperatures will affect the tone.
This is quite normal in use.

19
User Instructions
Read the section “Important Safety Information” rst.
Note! At the end of every shower make sure that the shower head points into the
catchment area. A small amount of water may be retained in the shower handset
after the shower has been turned off. This may drain over a few minutes.
Press the ‘Start/Stop’ button.
2.
Switch on electrical supply.
1.
Set to desired position.
3.
Residual water may drain over a
few minutes.
7.
4.
Check water temperature before
entering shower.
5.
Allow 10 - 15 seconds for any temperature adjustments to reach the handset.
6.
Press STOP button. Shower will continue to
run for a few seconds before stopping.

20
Spray Action
The handset spray head has four different spray actions:- Eco, Start, Soothe and
Force. The handset operation is described below.
1. Eco
To access the eco setting, turn
the spray plate fully clockwise.
Water will ow from the
outer set of holes at a reduced
ow rate.
2. Start
To access the start setting turn
the spray plate anticlockwise
until it ‘clicks’ (one click from
the eco setting). Water will ow
from the outer set of holes.
3. Soothe
To access the soothe setting
turn the spray plate
anticlockwise until it ‘clicks’ (two
clicks from the eco setting).
Water will ow from the large
diameter holes.
4. Force
To access the force setting turn
the spray plate anticlockwise
until it ‘clicks’ (three clicks from
the eco setting). Water will ow
from the inner set of holes.

21
Handset
dripping.
OFF Any Insufcient Water supply
pressure for shut off.
Inlet Valve faulty.
The minimum static pressure
to ensure shut off and prevent
dripping is 0.2 bar.
Note: If other appliances are
operating, static pressure may
drop below 0.2 bar. Contact
local water company. Renew
the Flow Valve.
Replace.
Due to the rise in mains
water supply temperature,
the Heater setting may be
too high.
Turn the Heater Control to II
and adjust the Temperature
control until a suitable
temperature is achieved.
III
ON
Unable to
select a cool
enough shower.
OFF Any
The trouble shooting information tabled below gives details on probable causes and
remedies should difculties be encountered whilst the shower is in operation.
Warning! There are no user serviceable components beneath the cover of the appliance.
ONLY A COMPETENT TRADESPERSON SHOULD REMOVE THE FRONT COVER!
Symptom Power
Light
Heater
Setting
I/II/III
Probable Cause Possible Remedy
Appliance fails
to operate.
Shower cycles
from hot to
cold.
OFF
ON
Any
II/III
Electrical supply isolated at
double pole switch.
Handset blocked.
Water pressure below
minimum required for
appliance operation.
Switch on electrical supply via
the pullcord or wall mounted
switch.
Remove and clean.
Make sure incoming mains
water stopcock and/or appliance
isolating valve is fully turned on.
Fuse blown or MCB/RCD
tripped, indicating possible
electrical fault.
Renew the fuse or reset the
MCB/RCD. If fault persists,
contact your installer.
Temperature dial or Heater
setting too high.
Turn the Heater Control to II
setting or turn the Temperature
Control until a cooler
temperature is achieved.
Fault Diagnosis
OFF Any
ON II/III
ON II/III
Thermostatic mechanism is
faulty or damaged.
Replace.ON II/III
All of the following remedies must only be performed by a Competent Tradesperson

22
Insufcient water supply
pressure/ow for operation.
Contact local water company.
Supply pressure must be a
minimum of 0.7 bar.
Note: If other appliances are
operating, pressure may drop
below 0.7 bar.
Power
Light
Heater
Setting
Low/Medium/
High
Probable Cause Possible Remedy
Symptom
Low or No
ow
ON Any
Other outlets (e.g. toilet,
garden hose, washing
machine, etc.) drawing
water while the shower is
being used.
Turn off other appliances whilst
shower is in use.
ON Any
ON Any
Cover not tted correctly
causing Start/Stop
button not to operate.
Check Cover is cut and tted
correctly. Check services
(electrical or plumbing) are not
interfering with location of Cover.
Inlet Valve faulty. Replace.
Heater Tank excessively
scaled.
Replace. In hard water areas
consider the use of a water
softener.
ON Any Handset blocked. Remove and clean.
ON Any
ON Any
ON Any
Operation of
Temperature
Control has
little or no
effect on water
temperature.
II/IIION Handset or Inlet Filter
blocked.
Remove and clean.
Inlet Valve faulty. Replace.
Heater Tank failure. Replace.
Microswitch failure. Replace.
II/IIION
II/IIION
II/IIION
Water supply pipework or
inlet lter restricted by a
blockage or partial blockage.
Flush supply pipe. Clean Inlet
Filter.

23
Appliance fails
to produce hot
water when set
on Medium/
High Heater
Setting.
ON II/III
Heater Tank failure.
Contact local water
company.
Replace.
Supply pressure below
0.2 bar.
Contact local water company.
Check mains water static
pressure.
AnyON
ON II/III
ON II/III Possible failure of the
Microswitch or thermal
switch.
Use a suitable continuity
device to check the continuity
of the Microswitch or Heater
Tank and replace parts as
necessary.
Water will not
turn off.
Power
Light
Heater
Setting
Low/Medium/
High
Probable Cause Possible RemedySymptom
No change in
temperature
between Low/
Medium/High
setting.
ON Any
ON Any
Insufcient mains water
pressure.
Contact local water company.
Possible failure of Flow
Valve, Microswitch, or
Heater Tank.
Use a suitable continuity
device to check the continuity
of the Microswitch or Heater
Tank and replace parts
as necessary.
ON Any Inlet Valve, Solenoid, or
Start/Stop switch faulty.
Replace as necessary.
Maintenance
Handset - Cleaning
Clean with mild washing up detergent or
soap solution. Wipe dry with a soft cloth.
Poor shower performance can be
avoided by cleaning the spray plate.
Use thumb or soft cloth to wipe rubber
nozzles. The handset must be descaled
regularly.
Insufcient Water supply.

24
Make sure that the electrical supply
is turned off at the mains and that
the water supply is fully turned off.
Hold a wrench across the ats of
the metal connector. Unscrew
the lter using another wrench as
shown. Clean or renew the Filter
as necessary. Ret in reverse order
making sure the Filter is screwed
fully home.
Do not overtighten. Make sure
plumbing connections are sealed
before restoring electricity supply.
Inlet Filter - Cleaning/Renewing
Read the section “Important Safety Information” rst
Remove the three screws and
the cover.
Caution! Handle glass cover
assembly with care.
Ret the Cover making sure
it is correctly located. Do not
overtighten the screws.
Cover
Cover Retaining Screw
Filter
25
Spare Parts List

26
DCV-H: An outlet double check valve, designed to prevent
the backow or backsiphonage of potentially contaminated
water, through shower controls which are tted with a
exible hose as part of the outlet shower tting. Available
as an optional accessory from your Mira Showers stockists.
Accessories
Mira Azora Spare Parts List
405.58 Inlet Connector Assembly
406.27 Inlet Filter (with ‘O’ seal tted)
416.38 Clamp Bracket (Inlet)
416.41 Thermal Switch
416.48 Latching Switch
416.51 Solenoid Coil
872.01 Microswitch N/O - 2 pin
872.28 Microswitch C/O - 3 pin
1563.519 Terminal Block Assembly
1563.533 Thermostatic Valve/Heater Tank 9.8 kW 240 V AC
1563.534 Outlet Connector Assembly
1563.537 Temperature Control Belt Thermostatic
1563.538 Temperature Cam & Pulley
1563.539 Switching Assembly
1563.540 Inlet Valve Assembly
1563.551 Component Pack - chrome - components identied ‘B’
1634.009 Cover Assembly
1634.015 Power On LED Assembly
1634.026 Screw Pack - components identied ‘A’

27
Mira Azora Spare Parts Diagram
405.58
406.27
416.38
416.41
416.48 416.51
872.01
872.28
1563.507
1563.539
A
A
A
A
A
A
A
A
A
A
1563.534
1563.519
1634.009
1563.533
1563.537
1563.538
B
B
B
B
B
1563.540
1634.015

28
Mira Energise Shower Fittings Spare Parts List
449.03
Slidebar Wall Fixing
Assembly
632.73
Hose Seal (x2)
126.65
Slidebar Ends
449.02
Slidebar
449.04
Soap Dish
449.05
Hose
449.01
Clamp Bracket
Assembly
1563.592
Handset
1563.594
Hose Retaining
Ring
1563.593
Adjuster
Ring
450.36
Spray Plate
Pack

29
Dimensions
100 mm
77 mm
233 mm
367 mm
69 mm
660 mm600 mm

30
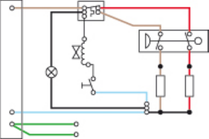
Wiring Diagram
Thermal Cutout
Dual Disc
Tank Connection
Load
Inlet Connector
Pressure/Power
Selector Switch
Solenoid
Valve
Power On
L.E.D.
START/STOP
L
E
N
Internal Wiring Diagram
31
Spare Parts
We maintain an extensive stock of spares, and aim to
provide support throughout the product’s expected life.
Spares can be purchased from approved stockists or
merchants (locations on request) or direct from Customer
Services.
Spares direct will normally be despatched within
two working days. Payment can be made by Visa or
Mastercard at the time of ordering. Should payment by
cheque be preferred a pro-forma invoice will be sent.
Note! In the interests of safety, spares requiring exposure
to mains voltages can only be sent to competent persons.
Service
Our Service Force is available to provide a quality service
at a reasonable cost. You will have the assurance of a
Mira trained engineer/agent, genuine Mira spares – and a
12 month guarantee on the repair.
Payment should be made directly to the Service
Engineer/Agent, using Visa, Mastercard or a cheque
supported by a banker’s card.
To contact us
England, Scotland & Wales
Mira Showers Customer Services
Telephone: 0870 241 0888
8:30 am to 5:00 pm Working days (4:30 pm Friday)
8:30 am to 12:30 pm Saturday
E-mail: technical@mirashowers.com
Fax: 01242 282595
By Post: Cromwell Road
Cheltenham
Gloucestershire
GL52 5EP
Northern Ireland
Wm H Leech & Son Ltd
Telephone: 028 9044 9257 – Mon to Fri 9 am-5pm
Fax: 028 9044 9234 – 24 hours
Post: Maryland Industrial Estate
Ballygowan Road
Moneyreagh, Co Down
BT23 6BL
Republic of Ireland
Modern Plant Ltd
Telephone: 01 4591344 – Mon to Fri 9am to 5pm
Fax: Dublin 01 4592329 – 24 hours
E-mail: Sales@Modernplant.ie
Post: Otter House
Naas Road
Clondalkin
Dublin 22
Guarantee of Quality
Mira Showers guarantee your product against any defect
in materials or workmanship for the period shown in the
Guarantee Registration Document included with your
shower.
Alternatively, to conrm the applicable guarantee period
please contact Customer Services.
To validate the guarantee, please return your completed
registration card.
Within the guarantee period we will resolve defects, free
of charge, by repairing or replacing parts or modules as
we may choose.
To be free of charge, service work must only be
undertaken by Mira Showers or our approved agents in
Northern Ireland and Republic of Ireland.
Service under this guarantee does not affect the expiry
date. The guarantee on any exchanged parts or product
ends when the normal product guarantee period expires.
Not covered by this guarantee:
Damage or defects arising from incorrect installation,
improper use or lack of maintenance, including build-up
of limescale.
Damage or defects if the product is taken apart, repaired
or modied by any person not authorised by Mira
Showers or our approved agents.
This guarantee is in addition to your statutory and other
legal rights.
Before using your shower
Please take the time to read and understand the
operating and safety instructions detailed in this manual.
What to do if something goes wrong
If when you rst use your shower it doesn’t function
correctly, rst contact your installer to check that
installation and commissioning are satisfactory and in
accordance with the instructions in this manual. We are
on-hand to offer you or your installer any advice you may
need.
Should this not resolve the difculty, simply contact our
Customer Services who will give every assistance, and if
necessary arrange for our service engineer to visit.
If later the performance of your shower declines, consult
this manual to see whether simple home maintenance
is required. Please call our Customer Services to talk
the difculty through, request service under guarantee
if applicable, or take advantage of our comprehensive
After-Sales service.
As part of our quality and training programme calls may
be recorded or monitored.
Our Customer Services Team is comprehensively trained
to provide every assistance you may need: help and
advice, spare parts or a service visit.
Customer Services

32
1062243-W2-A (J95L) © Kohler Mira Limited, September 2006
Mira Showers
Kohler Mira Ltd
Cromwell Road,
Cheltenham GL52 5EP.
Mira is a registered trade mark of
Kohler Mira Limited.
The company reserves the right to alter
product specications without notice.
www.mirashowers.com