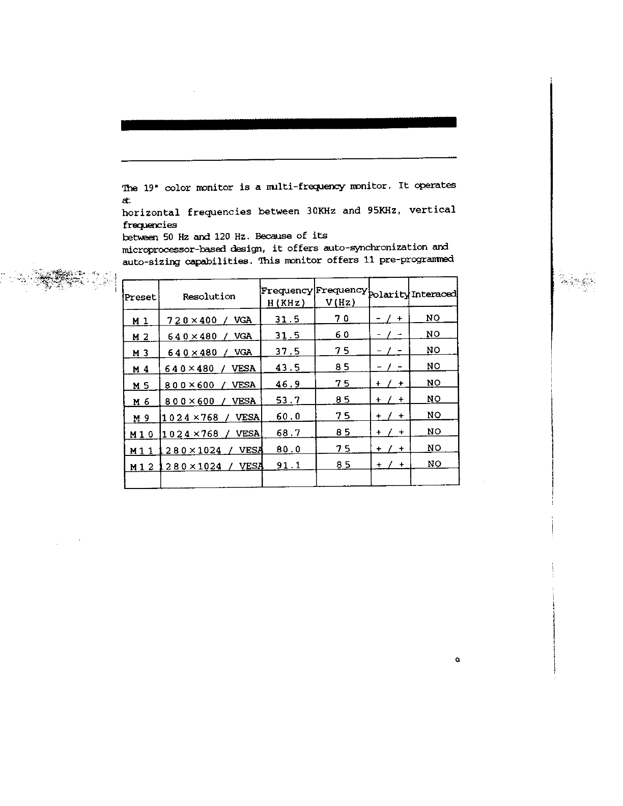
Korea Data Systems Co KD-1900 User Manual 8
Korea Data Systems Co Ltd 8
UserManual.wiki
>
Korea Data Systems Co
>
KD 1900 User Manual HTML Version
8
Navigation menu
Upload a User Manual
Namespaces
Wiki Guide
HTML
PDF
Info
Views
User Manual
Discussion / Help
Navigation