LG Electronics USA WB1NP8 Bluetooth Adapter Card User Manual Part 1
LG Electronics USA Bluetooth Adapter Card Part 1
Contents
- 1. User Manual Part 1
 - 2. User Manual Part 2
 
User Manual Part 1

Confidential  Product Approval Datasheet  1/42 
Copyright  2017 MCS LOGIC Limited. All rights reserved 
V1.1 
2017.10.26 
Date 
2017.10.26 
Revision 
1.1 
Page 
42 
MSL Level 
4 
PRODUCT APPROVAL DATASHEET 
PRODUCT
Bluetooth Adapter Card 
MODEL NAME
WB1NP8 
MCSLogic P/N 
MB8675C0 
LG P/N 
EAT64075301 
CUSTOMER
LG Electronics 
Checked By 
Approved By 
Company Seal 
MCSLOGIC 

Confidential  Product Approval Datasheet  2/42 
Copyright  2017 MCS LOGIC Limited. All rights reserved 
V1.1 
2017.10.26 
Revision History 
Version 
Date 
(YY/MM/DD) 
Revision Description 
1.0 
1.1 
17/09/18 
17/10/26 
Initial release 
“6. Module Schematic” is updated 
“7. Electrical Characteristics” is updated 
“12. Planar figure of parts” is updated 
Add LG P/N   
Add “17.Reliability Test”   
Add “18.RF Test Data” 

Confidential  Product Approval Datasheet  3/42 
Copyright  2017 MCS LOGIC Limited. All rights reserved 
V1.1 
2017.10.26 
The present condition of RF Certification 
MODEL NAME 
WB1NP8 
LG P/N 
EAT64075301 
TBD  TBD
No 
Country of RF Certification 
Mark of RF Certification 
1 
Canada(IC) 
TBD 
2 
North America(FCC) 
TBD 
3 
South Korea(KC) 
TBD 
4 
Europe(CE) 
TBD 
5 
Taiwan(NCC) 
TBD 
6 
Japan(TELEC) 
TBD 
7 
China(SRRC) 
TBD 
8 
Argentina(CNC) 
TBD 

Confidential  Product Approval Datasheet  4/42 
Copyright  2017 MCS LOGIC Limited. All rights reserved 
V1.1 
2017.10.26 
Table of Contents 
1. GENERAL DESCRIPTION .......................................................................................................................................... 5 
2. QUALITY ........................................................................................................................................................................ 5 
3. TEST ................................................................................................................................................................................ 5 
4. BLOCK DIAGRAM ....................................................................................................................................................... 6 
5. PIN DESCRIPTIONS ..................................................................................................................................................... 7 
6. MODULE SCHEMATIC ............................................................................................................................................. 10 
7. ELECTRICAL CHARACTERISTICS ....................................................................................................................... 11 
8. MODULE’S MARKING INFORMATION ............................................................................................................... 15 
9. MECHANICAL DIMENSION .................................................................................................................................... 16 
10. PCB SMT GUIDE ......................................................................................................................................................... 18 
11. BILL OF MATERIALS ............................................................................................................................................... 20 
12. PLANAR FIGURE OF PARTS ................................................................................................................................... 22 
13. PACKING INFORMATION ....................................................................................................................................... 23 
13.1 TRAY ............................................................................................................................................................................. 23 
13.2 INNER BOX .................................................................................................................................................................. 24 
13.3 OUTTER BOX .............................................................................................................................................................. 25 
13.4 PACKING PROCESS .................................................................................................................................................. 26 
13.5 STATIC SHIELD BAG ................................................................................................................................................ 27 
14. REFLOW PROFILE .................................................................................................................................................... 28 
15. MODULE POSITION GUIDE .................................................................................................................................... 29 
16. PCB ANTENNA REPORT .......................................................................................................................................... 30 
17. RELIABILITY TEST ................................................................................................................................................... 33 
18. RF TEST DATA ............................................................................................................................................................ 38 

Confidential  Product Approval Datasheet  5/42 
Copyright  2017 MCS LOGIC Limited. All rights reserved 
V1.1 
2017.10.26 
1. General Description
WB1NP8  is a fully integrated  Bluetooth module.  It  is  based on  CSR’s  Bluecore 8675  chip with 
specific interface design to meet LG Electronics’s needs. 
WB1NP8  is  compatible  with  Bluetooth  specification  version  4.2.  It  integrates  RF,  Baseband 
controller, etc., a completed Bluetooth subsystem. 
Features : 
-Operation Range (Class I)
-Fully Compatible with Bluetooth Specification 4.2
-Dual-mode Bluetooth / Bluetooth low energy
-Operating Temperature Range : -10℃ ~ 70℃
-Operating VDD Range : 3.0 V ~ 3.6V
-Interface : UART/USB
-Internal Antenna
-RoHS Compliant
Applications : 
-Consumer Products
2. Quality
Qaulity  should  meet  each  condition  which  mentioned  on  this  specification.  However,  the  items 
which  are  not  mentioned  on  this  specification  follow  the  inspection  agreements  and  standards 
which are agree with both companies. 
3. Test
Electrical  characteristics  are  tested  for  every  products.  However,  if  there  are  any  objection  in 
judgement, it should be treated with agreements of companies. 

Confidential  Product Approval Datasheet  6/42 
Copyright  2017 MCS LOGIC Limited. All rights reserved 
V1.1 
2017.10.26 
4. Block Diagram
Confidental

Confidential  Product Approval Datasheet  7/42 
Copyright  2017 MCS LOGIC Limited. All rights reserved 
V1.1 
2017.10.26 
5. Pin Descriptions
Confidental

Confidential  Product Approval Datasheet  8/42 
Copyright  2017 MCS LOGIC Limited. All rights reserved 
V1.1 
2017.10.26 
No 
Pin Name 
I/O 
Description 
1 
GND 
I
CON CONNECTION FOR AUDIO 
2 
MIC_LP 
I
MIC INPUT POSITIVIE LEFT 
3 
MIC_LN 
I
MIC INPUT NEGATIVE LEFT 
4 
MIC_BIAS_A 
O
MIC BIAS A 
5 
MIC_BIAS_B 
O
MIC BIAS B 
6 
MIC_RN 
I
MIC INPUT NEGATIVE RIGHT 
7 
MIC_RP 
I
MIC INPUT POSITIVIE RIGHT 
8 
GND 
I
GND CONNECTION FOR INTERNAL DIGITAL CIRCUITTRY AND PADS 
9 
PCM_IN 
I/O
SYNCHRONOUS DATA INPUT, Alternative function PIO[17] 
10 
PCM_CLK 
I/O
SYNCHRONOUS DATA CLOCK, Alternative function PIO[20] 
11 
PCM_OUT 
I/O
SYNCHRONOUS DATA OUTPUT, Alternative function PIO[18] 
12 
PCM_SYNC 
I/O
SYNCHRONOUS DATA SYNC, Alternative function PIO[19] 
13 
SPI_CLK 
I
SPI CLOCK 
14 
SPI_MOSI 
I
SPI DATA INPUT 
15 
SPI_MISO 
O
SPI DATA OUTPUT 
16 
SPI_CS# 
I
CHIP SELECT FOR SPI, ACTIVE LOW 
17 
AIO[1] 
I
AIO 
18 
AIO[0] 
I
AIO 
19 
VDD_USB 
I
POSITIVE SUPPLY FOR USB PORT 
20 
USB_N 
I/O
USB DATA MINUS 
21 
USB_P 
I/O
USB DATA PLUS 
22 
VDD_PADS_1 
I
1.7~3.6V SUPPLY INPUT FOR IO PORTS 
(RST#, UART, PCM, SPI, PIO[3:0] 
23 
RST# 
I
RESET IF LOW (>5ms) 
24 
LED[0] 
O
LED DRIVER 
25 
LED[2] 
O
LED DRIVER 
26 
LED[1] 
O
LED DRIVER 
27 
GND 
I
GND CONNECTION FOR INTERNAL DIGITAL CIRCUITTRY AND PADS 
28 
UART_RTS 
I/O
UART REQUEST TO SEND, ACTIVE LOW, Alternative function PIO[16] 
29 
UART_RX 
I
UART DATA IN 
30 
UART_CTS 
I/O
UART CLEAR TO SEND, ACTIVE LOW 
31 
UART_TX 
O
UART DATA OUT 
32 
PIO[0] 
I/O
GPIO 
33 
PIO[1] 
I/O
GPIO 
34 
PIO[2] 
I/O
GPIO 
35 
PIO[15] 
I/O
GPIO 
36 
PIO[7] 
I/O
GPIO 
37 
PIO[6] 
I/O
GPIO 

Confidential  Product Approval Datasheet  9/42 
Copyright  2017 MCS LOGIC Limited. All rights reserved 
V1.1 
2017.10.26 
38 
VDD_PADS_2 
I
1.7~3.6V SUPPLY INPUT FOR PIO[15:4] 
39 
PIO[3] 
I/O
GPIO 
40 
PIO[14] 
I/O
GPIO 
41 
PIO[5] 
I/O
GPIO 
42 
PIO[10] 
I/O
GPIO 
43 
PIO[4] 
I/O
GPIO 
44 
GND 
I
GND CONNECTION FOR INTERNAL DIGITAL CIRCUITTRY AND PADS 
45 
PIO[11] 
I/O
GPIO 
46 
PIO[12] 
I/O
GPIO 
47 
PIO[13] 
I/O
GPIO 
48 
QSPI_FLASH_IO3 
I/O
SERIAL QUAD IO FLASH DATA BIT 3, Alternative function PIO[28] 
49 
QSPI_FLASH_CS# 
I/O
SPI FLASH CHIP SELECT, , Alternative function PIO[23] 
50 
QSPI_FLASH_CLK 
I/O
SPI FLASH CLOCK, Alternative function PIO[21] 
51 
QSPI_FLASH_IO0 
I/O
SERIAL QUAD IO FLASH DATA BIT 0, Alternative function PIO[25] 
52 
QSPI_SPAM_CLK 
I/O
SPI RAM CLOCK, Alternative function PIO[22] 
53 
QSPI_FLASH_IO1 
I/O
SERIAL QUAD IO FLASH DATA BIT 1, Alternative function PIO[26] 
54 
QSPI_FLASH_IO2 
I/O
SERIAL QUAD IO FLASH DATA BIT 2, Alternative function PIO[27] 
55 
QSPI_SRAM_CS# 
I/O
SPI RAM CHIP SELECT, Alternative function PIO[24] 
56 
1V8_SMPS 
O
1.8V REGULATOR OUTPUT 
57 
VBAT_SENSE 
I
BATTERY CHARGER SENSE INPUT 
58 
VBATT 
I
BATTERY POSITIVE TERMINAL 
59 
VBUS 
I
BATTERY CHARGER INPUT 
60 
3V3_OUT 
O
ALTERMATIVE  SUPPLY  VIA  BYPASS  REGULATOR  FOR  1.8V  AND  1.35V 
REGULATOR INPUTS. MUSET BE THE SAME POTENTIAL AS VBAT. 
61 
CHG_EXT 
I
EXTERNAL BATTERY CHARGER CONTROL 
62 
GND 
I
GND CONNECTION FOR AUDIO DRIVER 
63 
SPKR_LP 
O
SPEAKER OUTPUT POSITIVE LEFT 
64 
SPKR_LN 
O
SPEAKER OUTPUT NEGATIVE LEFT 
65 
SPKR_RP 
O
SPEAKER OUTPUT POSITIVE RIGHT 
66 
SPKR_RN 
O
SPEAKER OUTPUT NEGATIVE RIGHT 
67 
GND 
I
1.35V REGULATOR GND 
68 
VRGEG_EN 
I
REGULATOR ENABLE INPUT 
69 
VDD_PADS_3 
I
1.7V~3.6V SUPPLY INPUT FOR RERIAL QUAD IO FLASH PORT 
70 
GND 
I
1.8V REGULATOR GND 

Confidential  Product Approval Datasheet  10/42 
Copyright  2017 MCS LOGIC Limited. All rights reserved 
V1.1 
2017.10.26 
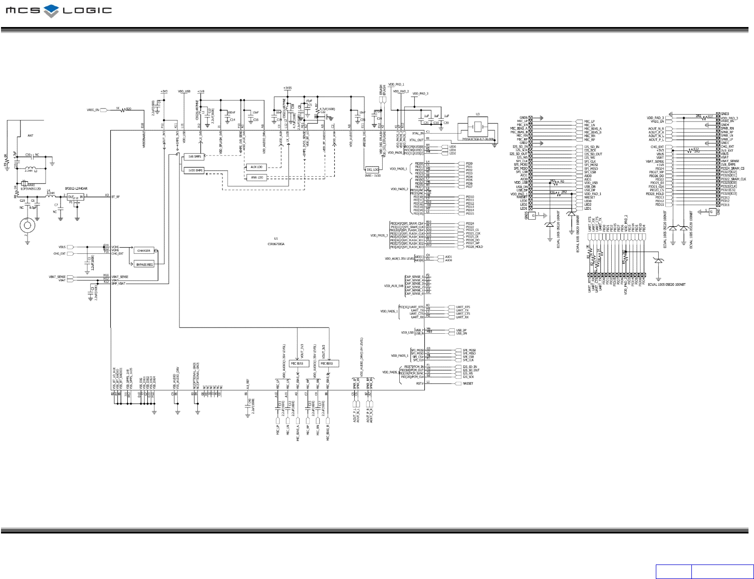
6. Module schematic
Power line EOS protection components are applied ( VDD_USB, VDD_PAD1, VDD_PAD_2, VDD_PAD_3, 3, 3V3_EXT) 
Confidental

Confidential  Product Approval Datasheet  11/42 
Copyright  2017 MCS LOGIC Limited. All rights reserved 
V1.1 
2017.10.26 
7. Electrical Characteristics
Conditions    : VDD = 3.3V,    Ta = 25 ℃, unless otherwise noted. 
Absolute Maximum Ratings 
Parameter 
Min 
Max 
Unit 
Power Supply Voltage : VDD 
-0.4V
3.6V 
DCV 
Storage Temperature 
-40
85 
℃ 
Recommended Operating Conditions 
Parameter 
Min 
Max 
Unit 
Power Supply Voltage 
3.0V 
3.6V 
DCV 
Operation Temperature 
-10
70 
℃ 
Current consumption 
Parameter 
Connection Type 
Avg 
Peak 
Unit 
Page scan, Time interval = 1.28s 
- 
<1 
1 
mA 
Inquiry and Page scan, Time interval = 1.28s 
- 
<1 
1 
mA 
ACL No data transfer 
Master 
7 
8 
mA 
ACL data transfer 
Master 
20 
22 
mA 
Input/Output Characteristics 
Parameter 
Min 
Max 
Unit 
VIL Input Voltage Low 
-0.4
0.8 
V 
VIH Input Voltage High 
0.7*VDD 
VDD+0.4 
V 
VOL Output Voltage Low 
- 
0.2 
V 
VOH Output Voltage High 
VDD-0.2 
- 
V 

Confidential  Product Approval Datasheet  12/42 
Copyright  2017 MCS LOGIC Limited. All rights reserved 
V1.1 
2017.10.26 
General Performance 
Parameter 
Condition 
Min 
Typ 
Max 
Unit 
Frequency Range 
Normal 
2402 
- 
2480 
MHz 
Transmitter Performance 
Parameter 
Condition 
Min 
Avg 
Max 
Unit 
Transmit Power(e.i.r.p)
Normal 
- 
- 
- 
dBm 
Parameter 
Condition 
Min 
Typ 
Max 
Unit 
Power density 
Normal 
- 
- 
<20 
dBm 
20dB bandwidth 
Normal 
1000 
KHz 
Adjacent channel power 
(F0 = 2441MHz) 
F=F0 ±2MHz 
- 
- 
-20
dBm 
F=F0 ±3MHz 
- 
- 
-40
dBm 
F=F0 ±4MHz 
- 
- 
-40
dBm 
Out-band Spurious Emission 
30MHz ~ 1GHz 
- 
- 
-36
dBm 
1GHz ~ 12.75GHz 
- 
- 
-30
dBm 
1.8GHz ~ 1.9GHz 
- 
- 
-47
dBm 
5.1GHz ~ 5.3GHz 
- 
- 
-47
dBm 
Modulation Characteristic 
∆F1avg 
140 
- 
175 
KHz 
∆F2max 
115 
- 
- 
KHz 
∆F2avg / ∆F1avg 
80 
- 
- 
% 
Initial Carrier Frequency 
Tolerance 
DH1 packet 
-75
- 
75 
KHz 
Carrier Frequency Drift 
DH5 packet 
-25
25 
KHz 
Receiver Performance 
Parameter 
Condition 
Min 
Type 
Max 
Unit 
Sensitivity at 0.1% BER 
Single slot (DH1 packet) 
- 
- 
-70
dBm
Sensitivity at 0.1% BER 
Multi slot (DH5 packet) 
- 
- 
-70
dBm
Maximum received signal at 0.1% BER 
-20
- 
- 
dBm
Maximum level of intermodulation 
interferers 
 f1-f2 = 5 MHz, 
Pwanted= -64 dBm 
-39
- 
- 
dBm

Confidential  Product Approval Datasheet  13/42 
Copyright  2017 MCS LOGIC Limited. All rights reserved 
V1.1 
2017.10.26 
Derating (Operating) 
N
O 
ITEM 
SIZE 
VALUE 
RATED 
V/C/W 
INPUT 
VOLTAGE 
INPUT 
CURRENT 
USAGE 
RATIO 
1 
C10,C20,C21 
CL05A105KP5NNNC 
1005 
1uF 
10V 
3.3V 
33% 
LMK105 BJ105KV-F 
2 
C4 
CL10A225KP8NNNC 
1608 
2.2uF 
10V 
3.3V 
33% 
LMK107 BJ225KA-T 
3 
C14,C16 
CL05B103KB5NNNC 
1005 
10nF 
50V 
1.8V 
3.60% 
0402B103K500 
4 
C13 
CL10A225KP8NNNC 
1608 
2.2uF 
10V 
1.8V 
18% 
LMK107 BJ225KA-T 
5 
C5 
CL05C150JB5NNNC 
1005 
15pF 
50V 
1.35V 
2.70% 
0402N150J500 
6 
C35 
CL05B103KB5NNNC 
1005 
10nF 
50V 
1.35V 
2.70% 
0402B103K500 
7 
C19 
CL05A105KP5NNNC 
1005 
1uF 
10V 
1.35V 
13.50% 
LMK105 BJ105KV-F 
8 
C8 
CL10A225KP8NNNC 
1608 
2.2uF 
10V 
1.35V 
13.50% 
LMK107 BJ225KA-T 
9 
C18 
CL10A475KQ8NNNC 
1608 
4.7uF 
6.3V 
1.35V 
21.42% 
LDK107 BJ475KA-T 
10 
C24 
CL05A474KQ5NNNC 
1005 
470nF 
6.3V 
1.2V 
19.04% 
LMK105 BJ474KV-F 
10V 
8.33% 
11 
L1 
CIG21W4R7MNE 
2012 
4.7uH 
650mA 
1.8V 
3mA 
0.46% 
CKP2012N4R7M-T 
700mA 
0.42% 
12 
L2 
CIG21W4R7MNE 
2012 
4.7uH 
650mA 
1.35V 
25mA 
3.84% 
CKP2012N4R7M-T 
700mA 
3.57% 
13 
R20 
RC1005J102CS 
1005 
1k 
3.3V 
0.3uA 
0.0015% 
WR04X102 JTL 
14 
C1 
CL10A225KP8NNNC 
1608 
2.2uF 
10V 
5.0V 
50% 
LMK107 BJ225KA-T 
15 
C3 
CL10A225KP8NNNC 
1608 
2.2uF 
10V 
4.2V 
42% 
LMK107 BJ225KA-T 
16 
B9 
CL10A225KP8NNNC 
1608 
2.2uF 
10V 
0.9V 
9% 
LMK107 BJ225KA-T 
17 
C11, C12, C15, 
C17 
CL10A225KP8NNNC 
1608 
2.2uF 
10V 
0.65V 
6.50% 
LMK107 BJ225KA-T 
18 
U1 
CSR8675C-IBBH-R 
112-BALL 
, 6.5mm x 
6.5mm x 1mm 
CSR8670 
3.6V 
3.3V 
22mA 
19 
L4 
CIH05T3N3SNC 
1005 
3.3nH 
300mA 
RF Components are not measured 
20 
L3 
CIH05T2N2SNC 
1005 
2.2nH 
300mA 
21 
C6 
CL05C0R5BB5NNNC 
1005 
0.5pF 
50V 
22 
R8, R9 
RC1005J000CS 
1005 
0R 
20mA(1/16W) 
23 
C23 
CL05C4R7CB5NNNC 
1005 
4.7pF 
50V 
24 
F1 
BF2012-L2R4DAR 
2.0mm x 
1.25mm x 
1mm 
2.4GHZ 
0.5W 

Confidential  Product Approval Datasheet  14/42 
Copyright  2017 MCS LOGIC Limited. All rights reserved 
V1.1 
2017.10.26 
Derating (Stand-by) 
NO 
ITEM 
SIZE 
VALUE 
RATED 
V/C/W 
INPUT 
VOLTAGE 
INPUT 
CURRENT 
USAGE 
RATIO 
1 
C10,C20,C21 
CL05A105KP5NNNC 
1005 
1uF 
10V 
3.3V 
33% 
LMK105 BJ105KV-F 
2 
C4 
CL10A225KP8NNNC 
1608 
2.2uF 
10V 
3.3V 
33% 
LMK107 BJ225KA-T 
3 
C14,C16 
CL05B103KB5NNNC 
1005 
10nF 
50V 
1.8V 
3.60% 
0402B103K500 
4 
C13 
CL10A225KP8NNNC 
1608 
2.2uF 
10V 
1.8V 
18% 
LMK107 BJ225KA-T 
5 
C5 
CL05C150JB5NNNC 
1005 
15pF 
50V 
1.35V 
2.70% 
0402N150J500 
6 
C35 
CL05B103KB5NNNC 
1005 
10nF 
50V 
1.35V 
2.70% 
0402B103K500 
7 
C19 
CL05A105KP5NNNC 
1005 
1uF 
10V 
1.35V 
13.50% 
LMK105 BJ105KV-F 
8 
C8 
CL10A225KP8NNNC 
1608 
2.2uF 
10V 
1.35V 
13.50% 
LMK107 BJ225KA-T 
9 
C18 
CL10A475KQ8NNNC 
1608 
4.7uF 
6.3V 
1.35V 
21.42% 
LDK107 BJ475KA-T 
10 
C24 
CL05A474KQ5NNNC 
1005 
470nF 
6.3V 
1.2V 
19.04% 
LMK105 BJ474KV-F 
10V 
8.33% 
11 
L1 
CIG21W4R7MNE 
2012 
4.7uH 
650mA 
1.8V 
<1mA 
0.15% 
CKP2012N4R7M-T 
700mA 
0.14% 
12 
L2 
CIG21W4R7MNE 
2012 
4.7uH 
650mA 
1.35V 
<1mA 
0.15% 
CKP2012N4R7M-T 
700mA 
0.14% 
13 
R20 
RC1005J102CS 
1005 
1k 
3.3V 
0.3uA 
0.0015% 
WR04X102 JTL 
14 
C1 
CL10A225KP8NNNC 
1608 
2.2uF 
10V 
5.0V 
50% 
LMK107 BJ225KA-T 
15 
C3 
CL10A225KP8NNNC 
1608 
2.2uF 
10V 
4.2V 
42% 
LMK107 BJ225KA-T 
16 
B9 
CL10A225KP8NNNC 
1608 
2.2uF 
10V 
0.9V 
9% 
LMK107 BJ225KA-T 
17 
C11, C12, 
C15, C17 
CL10A225KP8NNNC 
1608 
2.2uF 
10V 
0.65V 
6.50% 
LMK107 BJ225KA-T 
18 
U1 
CSR8675C-IBBH-R 
112-BALL 
, 6.5mm x 
6.5mm x 1mm 
CSR8670 
3.6V 
3.3V 
22mA 
19 
L4 
CIH05T3N3SNC 
1005 
3.3nH 
300mA 
RF Components are not measured 
20 
L3 
CIH05T2N2SNC 
1005 
2.2nH 
300mA 
21 
C6 
CL05C0R5BB5NNNC 
1005 
0.5pF 
50V 
22 
R8, R9 
RC1005J000CS 
1005 
0R 
20mA(1/16W) 
23 
C23 
CL05C4R7CB5NNNC 
1005 
4.7pF 
50V 
24 
F1 
BF2012-L2R4DAR 
2.0mm x 
1.25mm x 
1mm 
2.4GHZ 
0.5W 

Confidential  Product Approval Datasheet  15/42 
Copyright  2017 MCS LOGIC Limited. All rights reserved 
V1.1 
2017.10.26 
8. Module’s Marking Information
TBD  TBD 
[top]  [bottom] 
No. 
Description 
No. 
Description 
① 
② 
③ 
④ 
⑤ 
⑥ 
⑦ 
⑧ 
⑨ 
⑩ 
⑪ 
⑫ 
⑬ 
⑭ 
⑮ 
⑯

Confidential  Product Approval Datasheet  16/42 
Copyright  2017 MCS LOGIC Limited. All rights reserved 
V1.1 
2017.10.26 
9. Mechanical Dimension
TOP VIEW 
Mark 
Dimension 
Mark 
Dimension 
Mark 
Dimension 
Mark 
Dimension 
A 
33.0±0.3 
D 
19.0±0.3 
G 
1.5±0.2 
J 
0.4±0.1 
B 
20.0±0.6 
E 
7.2±0.2 
H 
0.6±0.2 
K 
3±0.3 
C 
24.0±0.3 
F 
1.0±0.3 
I 
0.5±0.1 
(Unit : mm) 
Module PCB coplanarity measured from seating plane ≤ 0.1 mm 
Confidental

Confidential  Product Approval Datasheet  17/42 
Copyright  2017 MCS LOGIC Limited. All rights reserved 
V1.1 
2017.10.26 
PCB LAYOUT Layer 1  PCB LAYOUT Layer 2 
PCB LAYOUT Layer3  PCB LAYOUT Layer 4 
TOP_SILK  BOTTOM SILK 
Confidental

Confidential  Product Approval Datasheet  18/42 
Copyright  2017 MCS LOGIC Limited. All rights reserved 
V1.1 
2017.10.26 
10. PCB SMT Guide
LAYOUT DIMENSION(TOP VIEW) 
Mark 
Dimension 
Mark 
Dimension 
Mark 
Dimension 
Mark 
Dimension 
Mark 
Dimension 
A 
33.0 
D 
25.15 
G 
7.0 
J 
0.72 
M 
0.28 
B 
20.0 
E 
21.6 
H 
1.6 
K 
1.0 
N 
0.14 
C 
18.4 
F 
7.15 
I 
0.8 
L 
0.29 
(Unit : mm) 
Confidental

Confidential  Product Approval Datasheet  19/42 
Copyright  2017 MCS LOGIC Limited. All rights reserved 
V1.1 
2017.10.26 
SMT Module Position 
`
ANTENNA AREA
[TOP VIEW]  [BOTTOM VIEW] 
Confidental

Confidential  Product Approval Datasheet  20/42 
Copyright  2017 MCS LOGIC Limited. All rights reserved 
V1.1 
2017.10.26 
11. Bill of Materials
No 
Q’ty 
Circuit Ref 
Description 
Value 
Package 
Part Name 
Tolerance 
Temp. 
Characteristic 
Rated 
Voltage 
Temperature 
  MTTF(Hour) 
Vendor 
1 
1 
C6 
Chip Ceramic 
0.5pF 
1005 
CL05C0R5BB5NNNC 
±0.25pF 
C0G 
50V 
-55°C ~ 
+125°C
    31,853,943,612 
S.S.E.M 
0402N0R5C500 
    56,700,000,000 
WALSIN 
2 
1 
C23 
Chip Ceramic 
4.7pF 
1005 
CL05C4R7CB5NNNC 
±0.25pF 
C0G 
50V 
-55°C ~ 
+125°C
    31,853,943,612 
S.S.E.M 
0402N4R7C500 
    56,700,000,000 
WALSIN 
3 
1 
C5 
Chip Ceramic 
15pF 
1005 
CL05C150JB5NNNC 
±5% 
C0G 
50V 
-55°C ~ 
+125°C
    31,853,943,612 
S.S.E.M 
0402N150J500 
    56,700,000,000 
WALSIN 
4 
3 
C14, C16, C35 
Chip Ceramic 
10nF 
1005 
CL05B103KB5NNNC 
±10% 
X7R 
50V 
-55°C ~ 
+125°C
    31,853,943,612 
S.S.E.M 
0402B103K500 
    56,700,000,000 
WALSIN 
5 
1 
C24 
Chip Ceramic 
470nF 
1005 
CL05A474KQ5NNNC 
±10% 
X5R 
6.3V 
-55°C ~ +85°C 
55,897,774 
S.S.E.M 
LMK105 BJ474KV-F 
10V 
809,000,000 
TAIYO YUDEN 
6 
4 
C19,C10, C20,C21 
Chip Ceramic 
1uF 
1005 
CL05A105KP5NNNC 
±10% 
X5R 
10V 
-55°C ~ +85°C 
55,897,774 
S.S.E.M 
LMK105 BJ105KV-F 
809,000,000 
TAIYO YUDEN 
7 
10 
C1,C3,C4,C8,C11,C12,C13,C15,C17,C40 
Chip Ceramic 
2.2uF 
1608 
CL10A225KP8NNNC 
±10% 
X5R 
10V 
-55°C ~ +85°C 
55,897,774 
S.S.E.M 
LMK107 BJ225KA-T 
809,000,000 
TAIYO YUDEN 
8 
2 
C22.C18 
Chip Ceramic 
4.7uF 
1608 
CL10A475KQ8NNNC 
±10% 
X5R 
6.3V 
-55°C ~ +85°C 
55,897,774 
S.S.E.M 
LDK107 BJ475KA-T 
10V 
809,000,000 
TAIYO YUDEN 
9 
2 
R8, R9 
Resistor 
0R 
1005 
RC1005J000CS 
±5% 
1/16W 
-55°C ~ 155°C 
15,490,052 
S.S.E.M 
WR04X000 PTL 
112,000,000 
WALSIN 
10 
6 
R5,R6,R7,R32,R36,R37 
Resistor 
2.2R 
1005 
RC1005J2R2CS 
±5% 
1/16W 
-55°C ~ 155°C 
15,490,052 
S.S.E.M 
WR04X2R2 JTL 
112,000,000 
WALSIN 
11 
5 
R20 , R3, R2, R1, R4 
Resistor 
1K 
1005 
RC1005J102CS 
±5% 
1/16W 
-55°C ~ 
+125°C
15,490,052 
S.S.E.M 
WR04X102 JTL 
112,000,000 
WALSIN 
12 
1 
L3 
Chip inductor 
2.2nH 
1005 
CIH05T2N2SNC 
±0.3nH 
300mA 
-55°C ~ 
+125°C
181,145 
S.S.E.M 
HK10052N2S-T 
    78,192,000,000 
TAIYO YUDEN 
13 
1 
L4 
Chip inductor 
3.3nH 
1005 
CIH05T3N3SNC 
±0.3nH 
300mA 
-55°C ~ 
+125°C
181,145 
S.S.E.M 
HK10053N3S-T 
    78,192,000,000 
TAIYO YUDEN 
14 
2 
L1, L2 
Power inductor 
4.7uH 
2012 
CIG21W4R7MNE 
±20% 
650mA 
-40℃~85℃
181,145 
S.S.E.M 
CKP2012N4R7M-T 
700mA 
-40℃~85℃
    30,535,000,000 
TAIYO YUDEN 
15 
5 
DIODE1, DIODE2, 
DIODE3, 
DIODE4, DIODE5 
Chip Varistor 
100pF 
1005 
ECVAL1005 05E20 
100NBT 
5.5V 
-55°C ~ 
+125°C
2,000,000 
JOINSET 
16 
1 
VARI 
Chip Varistor 
0.15pF 
1005 
LOPIVA05G12D 
12V 
-40°C ~ +85°C 
2,000,000 
JOINSET 
17 
1 
U1 
BLUETOOTH 
CHIP 
CSR8675 
112-BALL, 6.5mm x 6.5mm x 
1mm 
CSR8675C-IBBH-R 
-40°C ~ +85°C 
47,000,000 
CSR 
18 
1 
U3 
X-TAL 
26MHz 
3.2mm x 2.5mm x 0.7mm 
JYD3A1C3G8-8.7-26.000 
±10PPM 
-40°C ~ 
+125°C
10,000,000 
정원전자 

Confidential  Product Approval Datasheet  21/42 
Copyright  2017 MCS LOGIC Limited. All rights reserved 
V1.1 
2017.10.26 
19 
1 
F1 
Filter 
2.4GHZ 
2.0mm x 1.25mm x 1mm 
BF2012-L2R4DAR 
-40°C ~ +85°C 
988,000,000 
ACX 
20 
1 
PCB 
33mm x 20mm x 1mm 
MB8675C0 
TLB PCB 
21 
1 
SHIELD CAN 
16mm x 13mm x 2mm 
SHIELD CAN 
HUMAN TECH 

.
Confidential  Product Approval Datasheet  22/42 
Copyright  2017 MCS LOGIC Limited. All rights reserved 
V1.1 
2017.10.26 
12. Planar figure of parts
Confidental