LG LRBP1031NI User Manual REFRIGERATOR Manuals And Guides L0301004
LG Bottom Mount Refrigerator Manual L0301004 LG Bottom Mount Refrigerator Owner's Manual, LG Bottom Mount Refrigerator installation guides
User Manual: LG LRBP1031NI LRBP1031NI LG REFRIGERATOR - Manuals and Guides View the owners manual for your LG REFRIGERATOR #LRBP1031NI. Home:Kitchen Appliance Parts:LG Parts:LG REFRIGERATOR Manual
Open the PDF directly: View PDF
.
Page Count: 33

SERVICING PRECAUTIONS
Air Recharging in Compressor
Test the refrigeration by connecting it electrically before
refilling operation. It is necessary to ascertain the function
of the meter-compressor and identify the defects
immediately. If defects have been found, empty the old
system of possible R134a residue by breaking off the end
of the extension piece at its narrow point. (Figure 1)
Replace the filter and any damaged components. Unsolder
and pull off the piece remaining inside the service tube and
then attach an complete extension with male Hansen, and
solder it to the same tube again. (Figure 2)
POINT TO BE
BROKEN
SERVICE TUBE EXTENSION
CHARGE TUBE
EXTENSION
MALE HANSEN
SOLDERING POINT
Figure 1Figure 2
It is necessary to execute the soldering operation with
valve open so that the fumes caused by oil residue can
come out freely without blowholes between two tubes
during the heating of the point to be soldered.
The extension fitted with the male Hansen is connected to
the female fitting of the vacuum pump tube. (Figure 3)
UM
PRESSURE
GAUGE
igure 3
Air evacuating from the system begins as soon as the
pump starts. The refrigeration system must be kept under
vacuum until the reading on the low-pressure gauge
indicates vacuum (0 absolute, -1 atm., -760 mm hg) in any
case it is advisable to keep the pump running for about 30
minutes. (Figure 3)
In case that a considerable leakage occurs it will be
necessary to stop the vaccum pump and to add a small
quantity of Freon to the system, if vacuum should not be
obtained (pressure gauge can't fall to 1 atmosphere), start
the refrigeration unit and find the leakage with the special
leak-finder. When the defective soldering point is visible,
re-do it after opening the extension tube valve and
reestablishing the normal outside pressure inside the
group.
Because the melted alloy is sucked into the tubes and
blocks them, the pressure must be rebalanced when
vacuum is in the system in soldering. As soon as the
vacuum operation is over, add the quantity in grams of
R134a to the refrigeration system. Remember that every
system has an exact quantity of R134a with atolerance of
+5 grams that can be added. (Figure 4)
q\ i TO TiE R134a CYLINDER
'__ TOsTTHEEMREFRiGEF_lr_ N4
Before performing this operation (if the vacuum pump and
refilling cylinder are connected), make sure that the valve
placed between the vacuum pump and the refilling tube are
closed in order to keep the Freon for addition to the system.
(Figure 5)
FILLING OR VALVE TO BE OPENED
CHARGE TUBE WHEN REFILLING
TO THE REFRIGERATION TO THE CHARGE
SYSTEM CYLINDER
VALVE TO BE CLOSED
AFTER VACUUM
TO THE VACUUM PUMP Figure 5
In addition, check the graduated scale on the cylinder for
the quantity of R134a to be added, for example, if we have
750 grams of Freon in the cylinder and must add 165
grams to the group, this amount will be reached when R-
134a has dropped to 585 grams, remembering that the
indicator shows a lower limit of meniscus. De this after
choosing the scale corresponding to the gas pressure
different scales reported as the same gas pressure
indicated by the pressure gauge on the top of the column.
To make R134a flow into the system, open the valve
placed at the base of the cylinder and connected to the
filling tube. The amount of Freon cannot be added to the
system all at once because it may cause a blocking of
the motor-compressor. Therefore, proceed by adding the
original quantity of about 20-30 grams and close the valve
immediately.
The pressure rises and the motor compressor must start
sucking the gas and lowering the pressure again.
Regulate the valve again, in the safe way until reaching the
quantity of R134a established for the system being
charged. When the system is running, the suction pressure
must be stabilized between 0.30 to 0.6 atmosphere.
-3-

98.12.04 80/120
CIRCUIT DIAGRAM
_a
L '
DISPLAY CONI_OL P_.B
PWBASSY,MAIN
] 1
BK
-T,4EPLL_ 1YP_
P_PAGITGR pAqT,
CCM=REgSOR _F_,4
pi_T ONClRCUrr
g_l ,_E PJJB,IECr
TO CP_NQEIN BFFEFfS_T
LOC_JT E8 ANDP_CO RDAk_E
wr_ MOOEL_tPE
.W_EN 6TARTMS ce,aJcrrcR
_sNOTLetuP, MC_4 _PTC
START ISCONNE,_TED
_rTERNALLy
TM --
C,_PA_m3_ p,TJC E_Rm P/_T
3854JD1026A
BK:BLACK BN:BROWN RD:RED BO:BRIGHTORANGE
YL:YB.LOW GN,GREB_ BL:BLUE PR:PURPLE GY:GRAY WH:WHITE
SB:SKYBLUE PK:PINK GF_.:GREEN/YELLOW WH_K.'WHITF.._LACK

PARTS IDENTIFICATION
FreezerTemperature _
Control or 2)
Removable
Glass Shelf(2 or 3)
Lam
Multi-air Flow
Fresh Meat Kee
(Optional)
Temperature Control
Used to keep fruits
and vegetables, etc.
fresh and crisp.
Compartment
Plinth
Door Basket
(3 or 5)
Utility Comer
(movable)
Bottle Holder
-2J_ Bottle
Door Basket
Screw
NOTE : This is a basic model. The shape of refrigerator is subject to change.
-5-

REPLACEMENT OF DOOR OPENING TYPE
1. PRECAUTION
1) Before reversing the door, first of all, you should take
out food and accessories like shelves or trays which are
not fixed in the refrigerator.
2) Use Torque Wrench or Spanner to fix or remove the
bolt.
3) Don't lay the refrigerator down in working with it, it will
cause to get out of order,
4) Be careful not to drop the door in disassembling or
assembling the freezer or the refrigerator door.
2. HOW TO REVERSE THE DOORS
1) Seperate screw O and remove lower cover Oand move
cap lower cover 0. And, seperate screw O, lower hinge
!_, and remove pin O. Separating the freezer door @ in
opening, and more the position the cap I@.
2) Separating screw @ and remove the center hinge @
and the refrigerator door @. Move the position of cap@.
3) Move the position of upper hinge pin @, and cap @.
Assemble the refrigerator door @. Assemble center
hinge @ and bolt @, Assemble freezer door @,
Assemble the lower hinge @, bolt O and lower cover 0.
@
-6-

DISASSEMBLY
1 DOOR
• Freezer Door
1) Loosen 2 screws and pull the Lower Cover.
2) Loosen hexagonal bolts fixing the lower hinge to the
body to remove the freezer door only.
Lower Hinge
_ Figure 6
3) Pull out the Door Gasket to remover from the
Door Foam Assy, F.
2 DOOR SWITCH
1) Loosen four screws in upper part and disconnect top
cover.
2) Disconnect Lead Wire from switch.
3) Disengage hook behind the switch by pressing it with
hands.
Figure 9
GASKET
Figure 7
•Refrigerator Door
1) Loosen hexagonal bolts fixing the center hinge(Hinge,C)
to the body to remove the refrigerator door only.
e,C
Figure 8
3 REFRIGERATOR ROOM LAMP
1) Remove the Cover Lamp, R by pulling with a '-' type
driver.
2) Remove the Lamp by turning.
Figure 10
2) Pull out the Door Gasket to remove from the
Door Foam Assy, R.
-7-

4 FAN AND FAN MOTOR
1) Remove freezer drawers.
2) Remove two cap, screws and loosen two screws in Grille Fan.
3) Pull out the Grille Fanand Shroud, R
4) Disconnect the housing of lead wire.
5) Separate the Fan Assy.
6) Losse 2 screw fixed to the Bracket.
7) Pull out Shroud, F remove the Fan Motor Assy.
8) Separate the Motor Bracket and Rubber.
FAN MOTOR
_L3-_ " GRILLE
_,"_k "', Figure 11
5 DEFROST CONTROL ASSY
Defrost Control Assy consists of Thermistor and Fuse, Melting.
Thermistor functions to defrost automatically and it is attached to
metal side of the Evaporator and senses temperature,
Fuse, Melting is a kind of safety device for preventing overheating
of the Heater when defrosting,
At the temperature of 72°C, it stops the emission of heat from the
Heater,
1) Pull out the Shroud, F after removing the Gdlle,
2) Separate the connector connected with the Defrost Control
Assy and replace new one.
Melting
Figure 12
6 DAMPER CONTROL
1) Remove the Cover Lamp, R and loosen 2 screw.
2) Pull the Control Box, R and separate the lead wire
housing.
3) Remove the Cover Lamp, R.
4) Separate the Insulation Multi Duct and Control Box, R.
5) Disassemble the Knob.
6) Separate the Damper Control and Control Box, R.
7) Separate the Damper Control and Resistor.
8) Disconnect the lead wire.
REFRIGERATOR ROOM LAMP
Figure 13
7HEATER, SHEATH
In this refrigerator, Heater, Sheath is used for defrosting
heater. During heating, the temperature of heater rises
about 300-500°C. Therefore, be careful not to burn while
servicing.
1) After removing the Grille and Shroud, separate the
Heater, Sheath by disconnecting the connectors.
2) Exchanged Heater, Sheath and connected the housing.
Heater, Sheath
Figure 14
-8-

ADJUSTMENT
1 COMPRESSOR
1) Role
The compressor intakes low temperature and low pressure
gas evaporated from Evaporator of the Refrigerator, and
condenses this gas to high temperature and high pressure
gas, and then plays delivering role to Condenser.
2) Composition
The Compressor is Composed of Compressor Apparatus
compressing gas, Compressor Motor moving Compressor
Apparatus and Case protecting Compressor Apparatus
and Motor. There are PTC-Starter, and Over Load
Protector (OLP) in the Compressor outside. On the other
hand, because the Compressor consists of 1/1000ram processing
precision components and is sealed after production in absence
of dust or humidity, deal and repair with care.
3) Note for Usage
(1) Be careful not to allow over-voltage and over-current.
(2) No Strike
If applying forcible power or strike (dropping or careless
dealing), poor operation and noise may occur.
(3) Use proper electric components appropriate to the
Compressor.
(4) Note to Keep Compressor.
If Compressor gets wet in the rain and rust in the pin of
Hermetic Terminal, the result may be poor operation
and poor contact may cause.
(5) Be careful that dust, humidity, and flux welding don't
inflow in the Compressor inside in replacing the
Compressor. Dust, humidity, and flux due to welding
which inflows to Cylinder may cause Iockage and noise.
2 PTC-STARTER
1) Composition of PTC-Starter
(1) PTC (Positive Temperature Coefficient) is a no-contact
semiconductor starting device which uses ceramic
material and this material consists of BaTiO3.
(2) The higher the temperature is, the higher becomes the
resistance value. These features are used as starting
device for the Motor.
2) Role of PTC-Starter
(1) PTC is attached to Hermetic Compressor used for
Refrigerator, Show Case and starts Motor.
(2) Compressor for household refrigerator applies to
single-phase induction Motor.
For normal operation of the single-phase induction
motor, in the starting operation flows in both main coil
and sub-coil. After the starting is over, the current in
subcoil is cut off. The proper features of PTC play all
the above roles. So, PTC is used as a motor starting
device.
3) PTC-Applied Circuit Diagram
• According to Starting Method for the Motor
OVERLOAD PROTECTOR(O.L.P)
PTCq= _ COMPRESSOR
PTC STARTER HERMETIC
TERMINAL
RSIR
Figure 19
4) Motor Restarting and PTC Cooling
(1) For restarting after power off during normal
Compressor Motor operation, plug the power cord after
5 min. for pressure balance of Refrigerating Cycle and
PTC cooling.
(2) During normal operation of the Compressor Motor, PTC
elements generate heat continuously. Therefore,
if PTC isn't cooled for a while after the power has been
shut off, Motor can't operate again.
5) Relation of PTC-Starter and OLP
(1) If the power is off during operation of Compressor and
the power is on before the PTC is cooled, (instant shut-
off within 2 min. or reconnect a power plug due to
misconnecting), the PTC isn't cooled and a resistance
value grows. As a result, current can't flow to the sub-
coil and the Motor can't operate and the OLP operates
by flowing over current in only in the main-coil.
(2) While the OLP repeats on and off operation about 3-5
times, PTC is cooled and Compressor Motor performs
normal operation.
If OLP doesn't operate when PTC is not cooled,
Compressor Motor is worn away and causes circuit-
short and fire. Therefore, use a properly fixed OLP
without fail.
6) Note to Use PTC-Starter
(1) Be careful not to allow over-voltage and over-current.
(2) No Strike
Don't apply a forcible power or strike.
(3) Keep apart from any liquid.
If liquid such as oil or water away enter the PTC,
PTC materials it may break due to insulation
breakdown of the material itself.
(4) Don't change PTC at your convenience.
Don't disassemble PTC and mold. If the exterior to the
PTC-starter is damaged, resistance value is altered and
it may cause poor starting of the compressor motor
may cause.
(5) Use a properly fixed PTC.
-9-

30LP (OVER LOAD PROTECTOR)
1) Definition of OLP
(1) OLP (OVER LOAD PROTECTOR) is attached to the
Hermetic Compressor and protects the Motor by cutting
off current in Compressor Motor in case of over-rising
temperature by Bimetal in the OLP.
(2) When over-voltage flows to Compressor motor, the
Bimetal works by heating the heater inside the OLP,
and the OLP protects Motor by cutting off current which
flows to the Compressor Motor.
2) Role of the OLP
(1) The OLP is attached to the Hermetic Compressor used
for the Refrigerator and Show Case and prevents the
Motor Coil from being started in the Compressor.
(2) De not turn the Adjust Screw of the OLP in any way for
normal operation of the OLP.
(Composition and connection Diagram of OLP)
CIRCUIT DIAGRAM
CONTACTINGD
POINT COVER
BIMETAL
BIMETAL
ADJUSTB
SCREW
HEATER Figure 20
CIRCUIT DIAGRAM
3854JD1026A
BK:BLACK BN:BROWN RD;RED BO BRIGHTORANGE
YL:YELLOW GN:GREEN BL:BLUE PR;PURPLE GY:GRAY WH:WHITE
SB:SKY BLUE PK:PINK GN/YL:GREENHELLOW WH/BK;WHITEtBLACK
NOTE : 1. This is a basic diagram and specifications vary in different localities.
-10-

TROUBLESHOOTING (Mechanical Part)
1 COMPRESSOR AND ELECTRIC COMPONENTS
Power
Source.
Check the
resistance of
Motor
Compressor.
Remove the PTC-
]_ Starter from the
Compressor and
measure the voltage
between Terminal C of
Compressor and
Terminals 5 or 6 of PTC.
}Dj Applied voltage isn't
in the range of Rating
Voltage _+10%.
_ heck the resistance
among M-C, S-C and
M-S in Motor
Compressor.
(Rating Voltage
_+10%)?
OLP disconnected?
Advise the customer
to use a regular
Trans.
YES _
YES
Replace Compressor.
YES Replace OLR
_ Check connection
condition.
Reconnect.
Check the
resistance of
PTC-Starter. _I heck the resistance of
two terminals in PTC-
Starter.
Check OLR _ heck if applying
a regular OLP.
YES I Replace
NO _- PTC-Starter.
YES
OLP works within b YES
30 sec. in forcible
OLP operation by Replace OLP.
turning instant power
on and off.
Check
starting state.
_,_ easure minimum
starting voltage after 5
min. for balancing cycle
pressure and cooling the
PTC. _ Components start in
the voltage of Rating
Voltage -+10% below.
INO
O_K_
-11 -

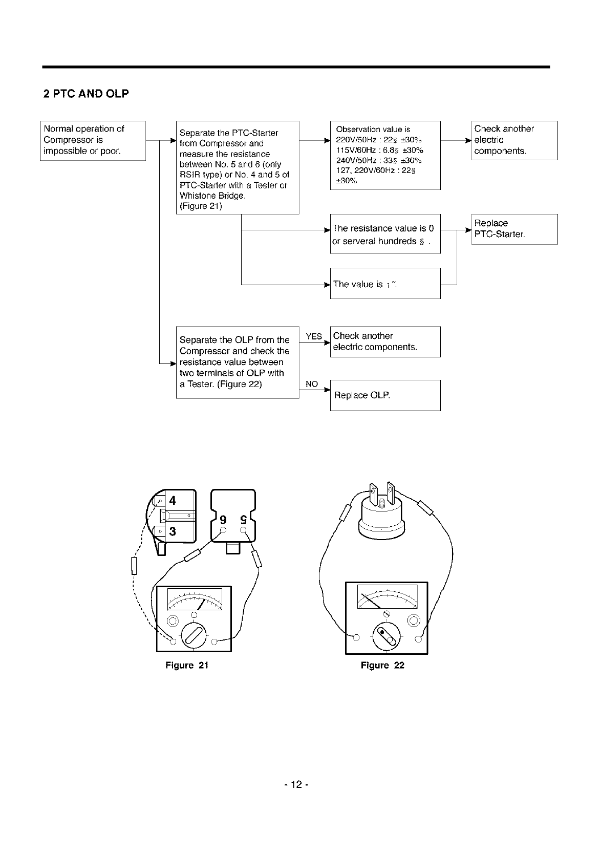
2 PTC AND OLP
Normal operation of
Compressor is
mposs b e or poor.
Separate the PTC-Starter
from Compressor and
measure the resistance
between No. 5 and 6 (only
RSIR type) or No. 4 and 5 of
PTC-Stader with a Tester or
Whistone Bridge.
(Figure 21)
Observation value is
220V/50Hz :22§ _+30%
115V/60Hz : 6.8§ _+30%
240V/50Hz : 33§ _+30%
127, 220V/60Hz : 22§
+_3O%
. 'oros,'a c v esOt
or serveral hundreds §.
Separate the OLP from the
Compressor and check the
resistance value between
two terminals of OLP with
a Tester. (Figure 22)
_ Check another
electric components.
}_ Replace OLP.
t Check another
electric
components.
Replace
PTC-Starter.
Figure 21 Figure 22
-12-

3 ANOTHER ELECTRIC COMPONENTS
•Cooling is impossible
Compressor _._ Check if current flows to
doesn't run. _ the following
components.
Cause.
a. Thermistor
b. Starting devices
c. OLP
d. Compressor coil
e. Circuit Parts
_- Poor contacting.
Shorted or broken.
_, Poor contacting
or shorted.
Coil shorted.
Poor contacting
or shorted.
Replace
each component.
Running state of
Compressor is poor.
•Cooling ability is poor
t
] F
Check a starting
voltage. J"-L
Check if current flows ] ,.j
to starting devices.
Check current flowing
in sub-coil of
Compressor.
Check capacity of OLR ]_{
The items described ]_[
above are normal.
Low voltage.
Poor contacting _,[
and broken.
Shorted.
Lack of capacity.
Coil of motor _[
Compressor.
Raise the voltage.
Replace
each component.
Replace
the compressor.
Replace
each component.
Fan motor
doesn't run.
Much frost are sticked
to the EVAPORATOR.
[__ Check current flowing
in SWITCH, DOOR. "[
Check current flowinginthe
MOTOR[MECH],FAN. _
Check current flowing
of the following
components.
• THERMISTOR
• FUSE, MELTING
Check current flowing
of the following
components.
• HEATER, SHEATH
Poor contacting.
Coil is shorted.
Shorted. _[
Replace
each component.
Replace
the Heater, Sheath
-13-

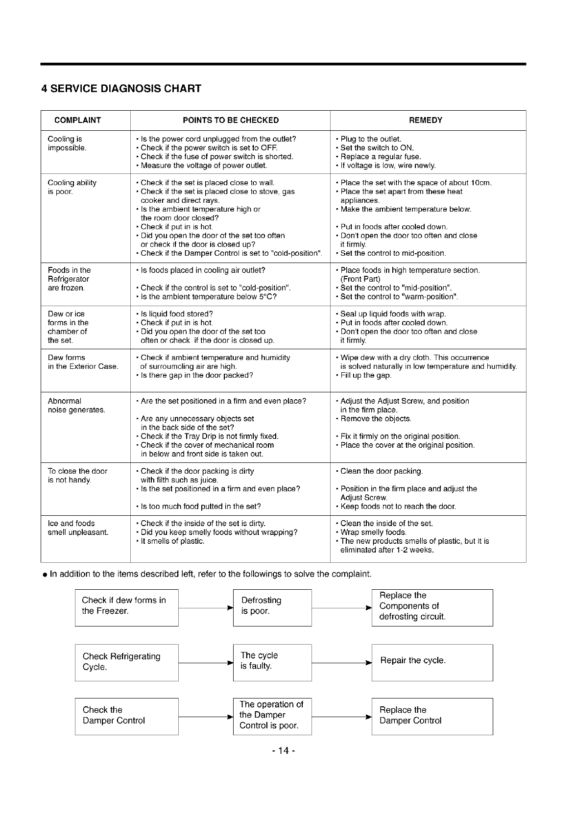
4 SERVICE DIAGNOSIS CHART
COMPLAINT POINTS TO BE CHECKED REMEDY
Cooling is , Is the power cord unplugged from the outlet? • Plug to the outlet.
impossible. , Check if the power switch is set to OFF. • Set the switch to ON.
• Check if the fuse of power switch is shorted. • Replace a regular fuse.
• Measure the voltage of power outlet. • If voltage is low, wire newly.
Cooling ability
is poor.
• Check if the set is placed close to wall.
• Check if the set is placed close to stove, gas
cooker and direct rays.
• is the ambient temperature high or
the room door closed?
• Check if put in is hot.
• Did you open the door of the set too often
or check if the door is closed up?
• Check if the Damper Control is set to "cold-position".
• Place the set with the space of about 10cm.
• Place the set apart from these heat
appliances.
• Make the ambient temperature below.
• Put in foods after cooled down.
• Don't open the door too often and close
it firmly.
• Set the control to mid-position.
Foods in the , is foods placed in cooling air outlet? • Place foods in high temperature section.
Refrigerator (Front Part)
are frozen. , Check if the control is set to "cold-position". • Set the control to "mid-position".
• is the ambient temperature below 5°C? • Set the control to "warm-position".
Dew or ice • is liquid food stored? • Seal up liquid foods with wrap.
forms in the , Check if put in is hot. • Put in foods after cooled down.
chamber of • Did you open the door of the set too • Don't open the door too often and close
the set. often or check if the door is closed up. it firmly.
Dew forms , Check if ambient temperature and humidity • Wipe dew with a dry cloth. This occurrence
in the Exterior Case. of surroumcling air are high. is solved naturally in Iow temperature and humidity.
• is there gap in the door packed? • Fill up the gap.
Abnormal , Are the set positioned in a firm and even place? • Adjust the Adjust Screw, and position
noise generates, in the firm place.
• Are any unnecessary objects set • Remove the objects.
in the back side of the set?
• Check if the Tray Drip is not firmly fixed. • Fix it firmly on the original position.
• Check if the cover of mechanical room • Place the cover at the original position.
in below and front side is taken out.
To ciose the door • Check if the door packing is dirty • CIean the door packing.
is not handy, with filth such as juice.
• is the set positioned in a firm and even place? • Position in the firm place and adjust the
Adjust Screw.
• is too much food putted in the set? • Keep foods not to reach the doo£
ice and foods , Check if the inside of the set is dirty. • Clean the inside of the set.
smeli unpleasant. , Did you keep smeIly foods without wrapping? • Wrap smelly foods.
• it smells of plastic. • The new products smells of plastic, but it is
eliminated after 1-2 weeks.
• In addition to the items described left, refer to the followings to solve the complaint.
Check if dew forms in Defrosting
the Freezer. is poor.
Replace the
Components of
defrosting circuit.
Check Refrigerating
Cycle.
Check the
Damper Control
The cycle
is faulty.
The operation of
the Damper
Control is poor.
Repair the cycle.
Replace the
Damper Control
-14-

5 REFRIGERATING CYCLE
•Troubleshooting Chart
CAUSE STATE OF STATE OF THE TEMPERATURE
THE SET EVAPORATOR OF THE REMARKS
COMPRESSOR
PARTIAL Freezer room and Low flowing sound of A little high • A little Refrigerant
LEAKAGE Refrigerator Refrigerant is heard and more than discharges.
don't cool frost forms in inlet only ambient • Normal cooling is possible
mr- normally, temperature, when injecting of Refrigerant
>the regular amount.
>
WHOLE Freezer room and Flowing sound of Refrigerant Equal to ambient • No discharging of Refrigerant.
LEAKAGE Refrigerator is not heard and frost isn't temperature. • Normal cooling is possible
don't cool formed, when injecting ef Refrigerant
normally, the regular amount.
o PARTIAL Freeze room and Flowing sound of Refrigerant A little high • Normal discharging of
CLOG Refrigerator is heard and frost forms more than refrigerant,
don't cool in inlet only. ambient • The capillary tube is faulty.
m normally, temperature.
u
£U
-< WHOLE Freezer room and Flowing sound of Refrigerant Equal to ambient • Normal discharging of
CLOG Refrigerator is not heard and frost isn't temperature. Refrigerant.
03 don't cool. formed.
MOISTURE Cooling operation Flowing sound of Refrigerant Low than • Cooling operation restarts
CLOG stops periodically, is not heard and frost melts, ambient when heating the inlet of
temperature capillary tube.
o COMP- Freezer and Low flowing sound of A little high • The pressure of high
O _ RESSION Refrigerator Refrigerant is heard and than ambient pressure part in
:um don't cool. frost forms in inlet only. temperature, compressor is low.
rnQ
03-4
__ NO COMP- No compressing Flowing sound of Refrigerant Equal to ambient • No pressure of high pressure
O rn RESSION operation, is not heard and no frost, temperature, part in the compressor.
Z
•Leakage Detection
•Observe discharging point of refrigerant which may be in the oil discharging part in the compressor and hole of evaporator.
Whether Compressor
runs or not,
YES
Whether frost
forms or not in
Evaporator.
Frost formed normally
>Whether oil
No frost leaks or not.
or forms
in inlet only |
Normal amount
Observe the discharged
amount of Refrigerant.
Moisture Clog. Faulty
Compressor.
Check Compressor
No or much amount
Inject Refrigerant to Compressor
and check coo ng operat on.
Clogged by dust.
Frost formed normally
YES
7 ¸
_'1 Gas leakage.
(Check the leakage point)
-15-

•General Control of Refrigerating Cycle
NO. ITEMS CONTENTS AND SPECIFICATIONS REMARKS
WELDINg
ROD
FLUX
DRIER
ASM
VACUUM
DRY AND
AIR
NITROGEN
GAS
(1) H 30
• Chemical Ingredients
Ag: 30%, Cu: 27%, Zn: 23%, Cd: 20%
• Brazing Temperature: 710~840°C
(2) Bcup-2
• Chemical Ingredients
Cu: About 93%
P: 6.8~7.5%
The rest: within 0.2%
• Brazing Temperature: 735~840°C
• Ingredients and how to make
Borax 30%
Borax 35%
Fluoridation kalium: 35%
Water: 4%
Mix the above ingredients and boil until
they are transformed into liquid.
(1) Assemble the drier within 30min.
after unpacking.
(2) Keep the unpacked drier at the temperature
of 80~100°C.
(1) When measuring with pirant Vacuum
gauge the charging M/C, vacuum
degree is within 1 Torr.
(2) If the vacuum degree of the cycle inside is
10 Torr. below for low pressure and 20 Torr.
for high pressure, it says no vacuum
leakage state.
(3) Vacuum degree of vacuum pump must be
0.05 Torr. below after 5 min.
(4) Vacuum degree must be same to the
value described item (2) above for more than
20 min.
(1) The pressure of dry air must be more
han 12~16kg/cm 2
(2) Temperature must be more than
-20- -70°C.
(3) Keep the pressure at 12~6kg/cm2 also
when substituting dry air for Nitrogen Gas.
• Recommend H34 containing 34% Ag in the
Service Center.
• Make amount for only day,
Holding period: 1 day
• Close the cover of container to prevent dust
putting in the FLUX.
• Keep it in a stainless steel container.
• Don't keep the drier in a outdoors because
humidity damages to it.
• Apply M/C Vacuum Gauge without fail.
• Perform vacuum operation until a proper
vacuum degree is built up.
• If a proper vacuum degree isn't built up,
check the leakage from
the Cycle Pipe line part and
Quick Coupler Connecting part.
NIPPLE (1) Check if gas leaks with soapy water. • Check if gas leaks from joint of the
6 AND (2) Replace Quick Coupler in case of leakage. Coupler.
COUPLER
PiPE • Put all Joint Pipes in a clean box and
7 cover tightly with the lid so that dust or
humidity is not inserted.
-16-

MICOM FUNCTION & PCB CIRCUIT EXPLANATION
This description is made for GR-349, 389SQ. Please refer to overall PCB circuits for other models.
1 FUNCTION EXPOSITION
1) FUNCTION
(1) The refrigerator starts from optimum condition when electric power is first on, But the operation condition changes "Mid"
"Mid/Max" _"Max" _ "Min" _ "Min/Mid" _ "Mid" whenever pressing the FREEZE TEMP button.
(2) It returns to "Mid" conditions if power off and on again.
VACATION FREEZE TEMP
(_)NOTC_
]-EMP(°C)-li5 -_ii!5 -1:-_i!5 -22
ROOM FREEZER
QUICK FREEZE
2) QUICK FREEZER
(1) Function to raise the freezing speed by operating the COMP successively. As pressing the QUICK FREEZE button, the
QUICK FREEZE LED is displayed. Then after 3 hours' successive operation of COMP, the QUICK FREEZING function
will be released.
(2) Defrosting During the QUICK FREEZING operates as follow.
When the QUICK FREEZING time is below 90 minutes, defrost and then operate the QUICK FREEZING for the
remaining time. When the QUICK FREEZING time is over 90 minutes, defrost and then operate the QUICK FREEZING
for 2 hours
(3) If QUICK FREEZE button is pressed during defrosting, the QUICK FREEZE LED is lit up. But the QUICK FREEZING
operates for 3 hours after 7 minutes from the end of defrosting.
(4) If VACATION button is pressed during the QUICK FREEZING, the QUICK FREEZING LED function is released.
(5) If power off during the QUICK FREEZING and power on again, the QUICK FREEZING function is released.
3) VACATION FUNCTION
(1) Function for Energy Saving. As pressing the VACATION button, the VACATION LED is displayed and this function is
operated.
(2) Freezer Compartment is not kept by compressor at the notch displayed but at -13°C+ differential.
(3) Defrosting and Fan control is same as normal operation.
(4) If QUICK FREEZE button is pressed during the VACATION FUNCTION, VACATION FUNCTION is released.
(5) If power off during the VACATION FUNCTION and power on again, the VACATION FUNCTION is released.
-17-

4) DOOR OPENING ALARM
(1) When the REFRIGERATOR DOOR is opened and won't be closed after 1 minute from the its opened, BUZZER sounds
to notify it.
(2) At frist, BUZZER sounds three times at each intervals of 0.5 second. Then makes a 0.5 second ONIOFF alarm three
times at intervals of 30 seconds.
(3) If the REFRIGERATOR door closed during ALARM, it is released.
FREEZER CLOSE_
DOOR
BUZZER
OPEN
within
1 minute
1 minute
i i
i three three i three
i times times i times
30 30
seconds seconds
ICLOSE
5) DISPLAY BUTTON RING
(1) If display function button(FREEZE TEMP, QUICK FREEZE, VACATION) of the front of the TOP COVER is pushed,
BUZZER rings with "DING- DONG-"(See the BUZZER OPERATION CHECK)
6) DEFROSTING
(1) If the accumulated time for the operation of the COMPRESSOR is meet with 7 hours, the DEFROSTING HEATER is
started.
(2) The first defrosting is performed at 4 hours(compressor ON) later since the power is on,
(3) If DEFROST SENSOR is over 7°C during DEFROSTING, end the operation of DEFROSTING with DEFROSTING
HEATER paused, And after 7 minutes, the operation for the freezing is started,
But, if DEFROST SENSOR is not reach to 7°C after 2 hours' operation of the defrosting heater, it represents a defrosting
trouble.(See the TROUBLE REPRESENTING FUNCTION)
(4) If DEFROST SENSOR is short or open, defrosting is not performed.
7) ORDERLY OPERATION OF ELECTRIC PARTS
To avoid NOISE and DAMAGE, the items containing an electric parts such as COMP, DEFROSTING HEATER and FAN
MOTOR operate in order as follows.
r-
63
..1
OPERATION STATE
WHEN DEFROST SENSOR
TEMPERATURE IS OVER
7°C, (WHEN PURCHASING
OR MOVING)
WHEN DEFROST SENSOR
TEMPERATURE IS BELOW
7°C. (WHEN POWER
FAILURE OR SERVICING)
WHEN RETURNING TO NORMAL
STATE FROM TEST MODE
OPERATION ORDER
POWER COMP FAN
ON _ ON _ON
after 0.5 sec. after 0.5 sec.
POWER DEFROSTING DEFROSTING
ON _HEATER ON "_ HEATER ON
after 0.5 sec. after 10sec.
COMP FAN
_'_ ON J= ON
after 0.5 sec. after 0.5 sec.
All Elec. Parts
OFF
after 7 min.
COMP
_'_ ON
after 0.5 sec.
FAN
=" ON
-18-

8) SELF-TEST
(1) Function to make service easy in case of occuring a trouble in the product.
(2) When occurring a trouble, if the button is pushed, but the function could not operate.
(3) If a toruble release during the representation of trouble, arefrigerator performs the normal function(RESET).
(4) To represent aERROR CODE, it use FREEZE TEMP LEDs on TOP COVER. If ERROR occurs, the other LEDs except
ERROR CODE LEDs are all off.
VACATION FREEZE TEMP QUICK FREEZE
o [oi [oi [oi
F1 F2 F3 F4 C>
ERROR CODE LEDs
i
O [ OPERATE NORMAL _ O ION
:OFF
ERROR CODE LEDs
NO. ITEMS DESCRIPTION
FI F2 F3 F4
1 FREEZER (_ • • • FREEZER SENSOR open 15 minutes On/
_ENSOR abnormal ,or short. 15 minutes Off
2 DEFROST DEFROST SENSOR open
_ENSOR abnormal • • _ • or short.
I
3 DEFROSTING DEFROST HEATER,
FUNCTION TEMP. FUSE open or
is abnormal disconnection (Displayed
after at least 4 hours
from the trouble's
occurring.)
4 R%SENSOR NOTE 1) Room Temperature
abnormal SENSOR open or short
OPERATION IN TROUBLE'S OCCURRING
COMP FAN DEFROSTHEATER
O O
O O No defrosting
O O O
O O O
*NOTE 1) If one second pass after pressing the QUICK FREEZE and FREEZE TEMP buttons togather in normal
operation, operates as follow.
If normal, LEDs on the TOP COVER is all on.
RT-SENSOR _ If abnormal, LEDs are all on except VACATION LED.
-19-

9) FUNCTION TEST
(1) Function to check the testing function of PCB and refrigerator and to find where the trouble.
(2) The test switch is on the MAIN PCB of refrigerator.
TEST FUNCTION is released and RESET after MAX. 2hours regardless of TEST MODE.
(3) If the buttons on TOP COVER is pushed during TEST MODE, Function is not operated and only BUZZER ring with
"DING-DONG-"
(4) After the end of TEST MODE, pull out the power cord and plug it in again(RESET).
(5) If a ERROR occurs during the TEST MODE, TEST FUNCTION is released and DISPLAY LEDs represent ERROR
CODE.
(6) If the TEST swithch is pushed during ERROR CODE, TEST FUNCTION is not operated.
MODE OPERATION CONTENTS REMARKS
TEST 1 Press TEST button 1. COMP OPERATES SUCCESSIVELY.
once. 2. FAN OPERATES SUCCESSIVELY.
3. DEFROSTING HEATER OFF
4. ALL DISPLAY LEDS ON.
TEST 2 Press TEST button 1. COMP OFF. If DEFROST HEATER
once in the state of 2. FAN OFF. is over 7°C, it returns
TEST MODE 1. 3. DEFROST HEATER ON. to the NORMAL STATE.
4. ALL THE DISPLAY LEDS OFF EXCEPT
QUICK FREEZE AND VACATION LEDS.
NORMAL Press TEST button Return to the initial condition. Comp starts
STATE once in the state of (RESET) after 7 minutes.
TEST MODE 2.
•LED Check Function :Press the QUICK FREEZE and FREEZE TEMP buttons at the same time. After 1 sec., all the
LEDs of the DISPLAY are ON simultaneously. If release the BUTTON, return to the previous
condition.
- 20 -

2FUNCTION DESCRIPTION
1) ELECTRIC CIRCUITS
23 TEST
Vss(Vass)
TRANS secondary side is composed of electric power circuits for RELAY driving electricity (12Vdc) and for supplying
electricity to MICOM and IC (5Vdc). The voltage in each part is as follows.
PARTS both ends of VA1 both ends of CM1 both ends of CM2 both ends of CE2 both ends of CC2
VOLTAGE 230Vac 14Vac 17Vdc 12Vdc 5Vdc
VA1 is the part to protect over voltage and noise, When more than 385V is applied, the thermaFfuse(130°C cut-off, local
option) in a first part of TRANS is cut so that the elements in the secondary side of TRANS are protected.
2) OSCILLATION CIRCUIT
osc1
CST4 00MGW
r[-, oT
CIRCUIT for occurring CLOCK which motivates the internal local element of IC1 to transmit and receive an information and
BASIC TIME for calculating time. Use a proper form for OSC 1, Because in case that SPECIFICATION is changed, the
calculated time in IC1 is changed or IC1 isn't able to operate.
3) RESET CIRCUIT
_ESET
All the internal parts of MICOM(IC1) return to the initial condition when the early power ON or apply power again in MICOM
after temporary power failure. As a result, all the functions operate acording to the early condition. At the early period of
power ON the "LOW" voltage is applied in the RESET terminal of MICOM for the fixed time. The RESET terminal is 5V
during the general operation.
-21 -

4) LOAD/BUZZER OPERATION, DOOR OPENING SENSING CIRCUIT
(1) LOAD OPERATIONCHECK
i{ )
OLP
CONP COOLING FAN
FAN MOTOR
FUSE M DEFROSTING
HEATER
CON1
RY1 _ ] IC4
D6 F ]
IN4_4 11 6 1
D8 I I
L J
COMP,
KIND OF LOAD FAN MOTOR DEFROSTING HEATER
COMP COOLING FAN
MEASURING POINT (IC5) No.13 No.14 No.15
ON below 1V
STATE OFF 12V
/df the DOOR-R is opened during FAN MOTOR is operated, FAN MOTOR is stopped immediately.
foThe (_, (_ of DOOR SlW-R is connected DOOR OPEN DETECTION CIRCUIT as follow.
fdf the DOOR-R is opened or closed, then the DOOR SIW-R is ONIOFF, and the LAMP-R is ON/OFF,
and at the same time, SAN of the @, (_ of DOOR StW-R for detection of DOOR-R open is ONIOFR
(2) DOOR OPENING PERCEPTION CHECK
_E
CON3
*NOTICE: If you would change DOOR S/W-R, must use the componenot of right PART NUMBER, Because there is a
similar type DOOR StW-R of NOT MICOM MODEL, it's logic of the (_, (_ of DOOR StW-R is reversed.
_MEASURING POINT NO.6 OF IC 1 (MICOM)
REFRIGERATORD_
CLOSE 5V(S/W of (_), (_) is OFF state)
OPEN 0V(StW of (_), (_ is ON state)
fLEven though LAMP-R is operated a normal ON/OFF according to DOOR S/W-R, but the MICOM couldn't detect a
DOOR-R opened or closed of lead wire of the _}, (_ is abnormal or SAN of the (_, (_ of DOOR StW-R is abnormal.
fcVVhen DOOR-R open isn't detected : Even though DOOR-R is opened, FAN MOTOR couldn't stop.
When DOOR-R close isn't detected : Even though DOOR-R is closed, BUZZER sounds a DOOR OPEN ALARM.
check a lead wire of the (_, _) and DOOR S/VWR.
- 22 -

(3)BUZZER OPERATION CHECK
14 R55/BUZ
R40/INT0
CONDITIONS
MEASURI_ DISPLAY FUNCTION BUTTON RING DOOR OPEN ALARM
POINT _- (DING~ DONG~) (SCREECHING) OFF
ICl (No.14 Pin)
ICl (No.13 Pin)
!O.05si_ 0.2s _!O.lsi_ ls :
,i,i
5v _ -- i
/
OV--
5V
0V-- J I /
!_ 2.66khz(DING) ! 2.232khz/DONG_/ !
:0.5s :0.5s :ov
OV-- --
l l
°v=--tl Y
0V _ --, OV
i 3.1kh_ i OFF :
- 23 -

5) TEMP SENSOR CIRCUITS
R67
(AN7)
R65
(AN5)
R64
(AN4)
CClO_
223/?[ 7
\\\ T RF3
R19 _ 261KF
2K
CON3 CON101
RT SENSOR
(RT-SENSOR)
@
\\\
_,_ CON4
RF2
10 R16 26.1KF
cc8_ "_' 4 _ D SENSOR
\ (DEFROST SENSOR)]
_RFI
R15 _162KF 2
cc71 F SENSOR
(FREEZER COMPARTMENT
223 f?[7 1 SENSOR)
The above circuit reads the surrounding temperature, DEFROSTING temperature and FREEZER ROOM temperature into
MICOM(ICl). OPEN or SHORT state of each SENSOR is as follows.
SENSOR CHECK POINT '4ORMAL (_30°C-50°C) SHORT OPEN
ROOM TEMPERATURE POINT(_Voltage
SENSOR
DEFROST SENSOR POINT(_)Voltage 0.5V - 4.5V 0V 5V
FREEZER SENSOR POINT @Voltage
6) SWITCH INPUT CIRCUIT
The following circuit is atest switch input circuit for checking the refrigerator.
ICl R56 _s TEST S/W
Go
- 24 -

7) TEMPERATURE COMPENSATION
FREEZER TEMPERATURE
COMPENSATION IC1
FREEZER ROOM
RESISTANCE VALUES(R1)
180 k_
56 k_
33 k_
18 k_
12 k_
10 k_
8.2 k_
5.6 k_)
3.3 k_)
2 k£_
470 £_
TEMPERATURE COMPENSATION
+ 5.0°C
+4.0°C
+3.0°C
+2.0°C
+1.0°C
O°C
-1.O°C
-2.0°C
_3.0°C
4.0°C
_5.0oc
REMARKS
COMPENSATE WARMLY
J
STANDARD
COMPENSATE COOLLY
•TEMPERATURE COMPENSATION TABLE by adjusting resistance values. (the temp difference compared to the present
temp,)
eg) If the compensation resistance of freezer compartment is changed from 10K (present resistance) to 18K (revised
resistance), the temp of freezer compartment goes up by +2°C.
- 25 -

• TEMPERATURE COMPENSATION OF FREEZER ROOM
Rev]sedreslstance
_'--_ 470£_ 2k£_ 3.3k£_ 5.6k£_ 8.2k£_ 10k£_ 12k£_ 18k£_ 33k£_ 56k£_ 180k£_
NOT 1oct 2oct 3ocl. 4oct 5o01. 6ocl. 7ocl. 8ocl. 9oct 10oc 1,
470_ COMPENSATE
1°c,J. NOT 1°Ct 2°C1" 3°Ct 4°C1" 5°C1" 6°C1" 7°C1" 8°Ct 9°C1"
2k£_ COMPENSATE
2°c,J. 1°c,J. NOT 1°C1" 2°CT 3°C1" 4°01 ` 5°01` 6°C1` 7°C1` 8°C1`
3.3k0 ;OMPENSATE
3°c,J. 2°c,J. 1°c,J. NOT 1°C1` 2°C1` 3°C1` 4°C1` 5°C1` 6°C1` 7°C1`
5.6k0 COMFENSATE
4°c,J. 3°c,J. 2°c,J. 1°C4- NOT 1°C1` 2°C1` 3°C1` 4°C1` 5°C1` 6°C1`
8.2k0 COMPENSATE
FREEZER NOT
5°c,J. 4°c,J. 3°c,J. 2°C$ 1°c,J. 1°C1` 2°C1` 3°C1` 4°C1` 5°C1`
ROOM 10k£_ ;0MRENSATE
(R1) 6oc,j. 5oc,j. 4oc,j. 3oc$ 2oc,j. 1oc4" NOT 1oc1, 2oc1, 3ocl, 4oc1,
12k£_ _OMFE_SA1E
7°c,J. 6°c,J. 5°c,J. 4°C$ 3°c,J- 2°C$ 1°C4- NOT 1°C1` 2°C1` 3°C1`
18k£_ COM_NSATE
8°c,J. 7°c,J. 6°c,J. 5°C$ 4°c,J. 3°C$ 2°C$ 1°C$ NOT 1°C1` 2°C1`
33kD _OMFE_SA]E
9°c,J. 8°c,J. 7°c,J. 6°C$ 5°c,J. 4°C$ 3°C$ 2°C$ 1°C$ NOT 1°C1`
56k£_ COMPENSATE
NOT
lOC,J. 9°c,J. 8°c,J. 7°C$ 6°c,J. 5°C$ 4°C$ 3°C$ 2°C$ l°C,J.
180kD COM_NSAT£
• This circuit is aimed to input the necessary temperature compensation values into the MICOM in order to adjust the freezer
temperature which is different in each model.
- 26 -

8) LIGHTING CIRCUITS OF KEY BUTTON INPUT AND DISPLAY PARTS
R04
R05
R06
R07
R4_
CON5 9
KR%O6M
28
27
Q2
KRAIO6M Ew_
Q3
KRAIO6M
180
25 R12
24 180
22
_CC6 IR14
_7 lo2
8
7
6
5
4
5
CON101
SCAN2
SCAN1
SCANO
L1 L2
DSPO _ L5_
}SP1
VAC
}SP2 ./
/o SV,lg2 ya sva0,_
VACATION FREEZER TEMP QUICK FREEZE
KEY CONTROL KEY KEY
DISPLAY PART j
The above circuit is to judge the operation conditions of function key and to light each function indicating LED. It is operated
by SCAN method.
- 27 -

3. SENSOR RESISTANCE CHARACTERISTICS TABLE
MEASUREDTEMPERATURE RESISTANCEOFFREF..ZERSENSORRESISTANCEOFDEFROSTSENSOR,ROOMTEMPERATURESENSOR
_20°C 22.3k_ 77k_
-15°C 16.9kD 60kD
-10°C 13.0kD 47.3kD
-5°C 10.1kD 38.4kD
0°C 7.8kD 30kD
+5°C 6.2kD 24.1kD
+10°C 4.9kD 19.5kD
+15°C 3.9kD 15.9kD
+20°C 3.1kD 13kD
+25°C 2.5kD 11kD
+30°C 2.0kD 8.9kD
+40°C 1.4kD 6.2kD
+50°C 0.8kD 4.3kD
•The tolerance of sensor resistance is +5%.
• Be sure to measure the sensor resistance after keeping the sensor more than 3 minutes at a measuring temperature.
(It needs delay due to sensor speed.)
• Measure the resistances of SENSORs with a digital tester after disconnecting CON 4 of MAIN PWB ASSY.
- 28 -

4. MAIN PWB ASS'Y AND PARTS LIST
1) MAIN PWB ASS'Y
f
DI D3 [34 D2
- 29 -

2) REPLACEMENT PARTS LIST
NO D_V3 NO DESORIPTIO_ SPEC' QTY MAKER REMARK
1 }070JB2024 "WB,MAIN FR I(DS 1107A
2 qTOJB2005 TRANS POE h2#OV, O:l#\
IA DO0 SANt=1.6
1A K.T.C TRANS
TAESUNG
5 i630JB80010 1 JAE EUN CON1
#
5 }630JB800_ WAFER SMW250 Ot 1 CON3
YEON HC
6 ;630JBOOO#P SMW250 O! 1 CON2
7
8 )IZZJB2OO2AMICOMCHll GMS81504 1 L _ IC1 (=@Z:_2002B)
9
10
}IRH178120A ¢_)BA17812] ROHM
11 )IKE781200fl _2)KIA7812P 1 KEO IC2
)IRH17B120A (1)BA17812] ROHW
12 }IKE781200fl_EGULATOF/2)KIA7812P KEC
}1RH1780500 (_JBA17BOS] ROHM
13 )IKE7BO5OOZ _2)KIA7805P 1 KEC IC3
}IKE704200A
14 RESET IC
}IKDOIOIOOA
15 )IKE650030BDRIVE IC
16 )ITO721000A"HOTO TF
17
18
510 000184
19 @20JB2002_
RELAY
i920JB2DO3A
20
KIATO42F KEC
1 IC6
BMR 0101E KOOENSHI
KID65003AF 1 KEC IC4
TLP72 TOSHIB#
G2R 1A ONRON
VS 12MB 1 TAK_I_WARY1
JWlaFHN N AIS
GSN I OMRON
2 RY2,RY3
570 000124 CST4.0DMG_ OSC1
21 57O 00012B_ESONATOF 1 MURATA (=6212AQ9002B)
OST4OOM_WTFO
22 VARISTOF (1)1NR14D€7 1 IL JIN VA1
(2)5VC€71D1€/ SAMHWA
23
6 01 _6
24 IDD#O0#OgAA tECTIR_BIO0 1N#O0# (1)PC
(2)DELTA
25 IDD#O0709A# 1N€007
26 @D414800A4S_]TCHIMGDIOD1N4148
27 )CE22BOJ61E 2200uF/35/
28 )CE10B1J61_ 1000uF/35_
29 )CE1081H618ELF'CAPACITOl1000uF/25_
30 )CE¢771H61_ 470uF/25\
31 ICE2271F638 220uF/16_
52 ICE4761H638 47uF/25V
35 128105K63_ luF/50V
5_$ 1908d03002_JIEZOBUZZER BM 20K
35 _C02231N40C._ CAPACI]Q 223/100V
36 _CKIO20Hg08 102/25V
• R'CAPACITOI
37 ICK2230Hg08 223/25V
1 (1)pc D7
1 (2)ROHM DB
1 (1)SAMHfCACE1
(2}S__OUNG
I CE2
1 CE3
1 CE5
1 CE6
1 BUJUN BUZZ
2 SElL CMI,CM2
1 CO6
5 CC1,2,4,7,8
1 _E _NO CClO
38 ICKIO4i}HBOB 104/50V
39 IRD5602K60£R,CEMEN 56K 2W
40 IRD2700H60_ 270J 1/2W
41 ]RDlgOOHO08 180J 1/4W
#2 )RD1BOOH60BCARBONRU 180J 1/#W
45 )RD1BOOH608 180J 1/#W
44
45
46
3 CC3,5,9
1 (1)CY Rll
(2)K OHM R12
1 (3)DONeHO
1 (#)SaNeYO R13
NO
47
48
49
50
51
52
53
54
55
56
57
58
59
60
61
62
63
54
65
66
67
68
69
70
71
72
73
74
75
76
77
78
79
80
81
82
83
84
85
86
87
88
89
90
91
92
93
94
95
96
97
98
99
100
101
102
103
104
105
106
DWG NO" )ESCRIP_ON SPEC' Q_'. MAKER REMARK
OROIOOBG608 lOOJ 1/4W
ORD2200G608 220J lJ4W 1 t18
ORD22008608
0R047000608
ORO6200G608
ORDIO010608
ORO2001G608
ORD220IG608
ORD#701G608
ORDIOO2G608
:ARBONFIL_
20KJ 1/#W
470J 1/4W
620J 1/4W
1KJ 1/#W 2_3,R€
2 t15,16
2KJ 1/4W 1)C.Y
3:2)K OHMt19 R5R7
1 3)BONGHOt14
20KJ 1/#W [4)SUNGYO
4.7KJ 1/#W 4 t9,17,20,21
1 t10
IOKJ 1/4W
ORDIOO#G608 1MJ 1/4W 1 t8
ORN1012G¢08 1 ©KF 1/4W
ORN1612G408_ETALFIL_ 162KF 1/#W 1 IF1
ORN2612G408 26.1KF 1/€W 1 _F2
ORN2612G408 26.1KF 1/€W 1 IF3
_ !,CARBONFIL_ F RBBN 12K _1
CDMPENSATIBN
OTRIO6OOgAC KRA1 06M 4 01,2,3,4
OTRIO6OO9AE KRC1 06M
OTR127309ADRANSlSTOFKTAI273(KTA966)Y _E.C
OTRS2OSO9AC KTC3205(KTC2256)Y
OTRI27OO9AF KTAI270(KTAB62)Y
6600JBBOOIAEST S/W 1 TEST
OLAO102K018NDUCTOR lOuH FAEYANG LI(J)
_3607015 lUMP WIRE 0.6_lOmm
'#3607015 lUMP WIRE
0.6.10mm 5 01,02,04,05,1_
2 OPI,OP2
0 6_Smm
0.6"7.5mm 3 J12_J14
0,6_12,5mm 4 JO6_J09
'$3607015 lUMP WIRE 06'_15mm 2 J10,J11
5877JB2034A/_IIEA_ F_#
¢920JB3001AEAT SINK(5V:( J572 OB(}B2A) (IC3)
492QJB3002AIEAT_4NK(12V:(J572 OOO03A) 1
4920JB3003AiEAT9NK(12V:( J572 O0004A) (IC2)
1SBF0302418SCREW 1
49111001 SOLDER ALMITKR 19RMA 30g
49111 00# iEB[2LFABB_ H63A 25g
59333105 :LUX AUTE JS71 15g KOKI
- 30 -

3) PWB ASS'Y, DISPLAY AND PARTS LIST
_ = _ _ _ _ _ _1'_1€ €_ MAKER =1 2
NO, D_, NO, DESCRIP_ON MA_RIAL SPED* OTt, REMARK
16870JB2025 PWB,DISPLAY FR-1(DS-1107A_ 1A DOOSAN
26630JB8OOSB WAFER 3MAW250-O YEON HO
6600JB8004_ TACT S/W <PT-1109R 2KYUND IN stam,S'WlO3
_r KPT-1105A 1
-- 6600JB8OOSh TACT S/W KYUNG IN SWlO2
5
6 ODL300359AA LED SH_O-RO._O_;'O_8REN 5SEOULSEMI LI_L5
70DD414809AA S/W DIODE 1N4148 3 ROHM B101_D103
86500JB3001A SENSOR PBN-43 1 ]l__Ar_ RT-SENSOR
96877JB2049A L/WIRE ASSY,:D/H 1
IO
11
12
13
14 JUMP W1RE 3.6"6mm 1 ,xH
_- 43607015 JUMP W1RE 0.6*lOmm 2do2,Jo3
16 JUMP W1RE 0.6*12.Start 1
17 49111001 SOLDER _LMITKR-19RNI 2g _gw
18 49111006 SOLDERLE_DB_ S63S-B20 5g w4_l,r-IFJSO.D'
19 59333105 FLUX AUTO JS71 0.5g KOKI
20 --"-- _Nx_ IPA KOKI,2F)_-_
13 oooo DI02
_° _© °_o_
ISWI02
_R Jo2
D
L1 L2 L3 L4 L5
,, ,,,
-31 -

5. PWBcircuitdrawing-ThePWBcircuitdrawingmaychangewithoutnotice.
,)
23
CON1 _ _ D_
i--_1
_ m
COMP COOLING FAN
FAN MOTOR
FUSE-M DEFROS_NG
HEATER
_S/V-R
F-RDDM CDMPENSATIDN
_OMPENSA_ F-ROOM REMARK
RENSTANCE _R1
_<a +_ WARM
laKJ o"c STANDARD
_2_J -1_
_8KJ -2_ _COLD
-4=C
470J -_
RY2
c_-1 I I
1_1 15 =
RY3 I I
GSN--1
I I
I11°11_
=./j_ L_ _sJ
OSCI
CST4 COMGW
[_ '-' .- _18
IC6 =
= _ 17
Cc5 C_
104
[_ tl _ F-ROOM COMPENSATION
_.(vm)
R01
R_7 L¢_
co
P,,_/Buz
r...)
F._
_N
XOUT
RE_T
R66
(^IN6)
CIRCUIT DIAGRAM
32

R02
R03
R04
R05
R06
R07
R42
R67
(,_7)
R65
R64
(AN4)
R44
KR_IOeM _
KR¢_O_
O3
KRAIOSM
180
R12
Z2
___ :R14
102 20}(
¢7
TRF3
R19 26"1KF
CCIOj_ 21<
_ T _
cc_j_ _x
ccTJ- _<
=+j_ _"
CON2
i-
_7
i-
CON101
SCAN2
'SCAN1
i ,3 SCAN0
L1 L2
] _ RT-SENSOR
-(ROOM TEMPERATURE)
i
CON3 DISPLAY PART
D-SENSOR
(DEFROST SENSOR)
_] F-SENSOR
(FREEZE-SENSOR)
DOOR-R OPEN
DETECTION
- 33 -

2.Ref. No : GR-349
- 36 -

- 37 -