Land Pride At2584 Users Manual
!! Land-34 Land Pride Lawn Mower Manuals - Lawn Mower Manuals – The Best Lawn Mower Manuals Collection
AT2660 to the manual 7e2cad46-d31c-4909-a58b-6fb6dcc1f97a
2015-02-09
: Land-Pride Land-Pride-At2584-Users-Manual-569828 land-pride-at2584-users-manual-569828 land-pride pdf
Open the PDF directly: View PDF
.
Page Count: 160 [warning: Documents this large are best viewed by clicking the View PDF Link!]

Air Tunnel Grooming Mower
AT2560, AT2572, (AT2584 See AT2684), AT2660,
AT2672, AT2684 & AT3590
14326
310-002P
Parts Manual
Read the Operator's manual entirely. When
you see this symbol, the subsequent
instructions and warnings are serious - follow
without exception.Your life and the lives of
others depend on it!
© Copyright 2008 Printed 07/23/08
Cover photo may show optional equipment not
supplied with standard unit.
Table of Contents Part Number Index

Section 1: Introduction.................................................6
Using This Manual...............................................................6
Manual Replacement Information.......................................6
Manual Revisions................................................................6
Touch-up Paint....................................................................6
Hardware Legend................................................................7
Replacement Hardware......................................................7
Serial Numbers...................................................................7
Part Number Service Coding..............................................7
AT25 SERIES
Section 2: Decks............................................................8
Deck (S/N 59101-)..............................................................8
Deck (S/N 59102+)............................................................10
Deck (S/N 59102+)............................................................12
Front Roller........................................................................14
Gauge Wheel....................................................................16
Gauge Wheel Tire (814-071C)..........................................18
Guards..............................................................................20
Hitch..................................................................................22
Section 3: Drive...........................................................24
Belt Drive (S/N 212180-)...................................................24
Belt Drive (S/N 212181+)..................................................28
Left and Right Spindle Hub Assembly (S/N 212180-).......32
Spindle Hub Assembly (S/N 212180-)..............................34
Section 3: Gauge Wheel..............................................36
Gauge Wheel (814-271C).................................................36
Gauge Wheels..................................................................38
Section 4: Drive...........................................................40
Belt Drive...........................................................................40
Belt Take-Up......................................................................44
Section 4: Gearboxes..................................................46
Gearbox (826-081C) (826-011C) Comer..........................46
Gearbox (826-081C) IEG..................................................48
Gearbox (826-203C) OMNI...............................................50
Gearbox (826-293C) OMNI...............................................52
Gearbox (826-325C) Comer.............................................54
Section 5: Drivelines...................................................56
Driveline (826-012C) Eurocardan (S/N 199605-)..............56
Driveline (826-012C) Eurocardan (S/N 199606+).............58
Driveline (826-012C) Walterscheid....................................60
Driveline (826-064C) Eurocardan.....................................62
Driveline Heavy Duty (826-064C) Walterscheid................64
Section 5: Gearboxes..................................................66
Gearbox (826-296C) OMNI...............................................66
Gearbox (826-311C) AT2684) OMNI.................................68
Gearbox (826-326C) Comer AT2660, AT2672 & AT2684...70
Section 6: Drivelines...................................................72
Driveline (826-297C) Eurocardan.....................................72
Section 6: Labels.........................................................74
Label Placement...............................................................74
Section 7: Labels.........................................................76
Label Placement AT26......................................................76
Section 7: Options.......................................................78
Front Anti-Scalping Roller.................................................78
AT26 SERIES
Section 2: Decks..........................................................80
Front Roller........................................................................80
Guards..............................................................................82
Hitch..................................................................................84
Section 3: Gauge Wheel..............................................86
Gauge Wheel (814-071C).................................................86
Gauge Wheel (814-144C) & (814-191C)...........................88
Gauge Wheel (814-271C).................................................90
Gauge Wheel Tire (814-188C)..........................................92
Gauge Wheels..................................................................94
Section 4: Drive...........................................................96
Belt Drive...........................................................................96
Belt Take-Up....................................................................100
Section 5: Gearboxes................................................102
Gearbox (826-296C) OMNI.............................................102
Gearbox (826-311C) AT2684) OMNI...............................104
Gearbox (826-326C) Comer AT2660, AT2672 & AT2684.106
Section 6: Drivelines.................................................108
Driveline (826-064C) Eurocardan...................................108
Driveline (826-297C) EC (S/N 246675 to 426011)..........110
Driveline (826-297C) EC (S/N 426012+).........................112
Section 7: Labels.......................................................114
Label Placement AT26....................................................114
AT35 SERIES
Section 2: Decks........................................................116
Deck................................................................................116
Gauge Wheel..................................................................118
Gauge Wheel Tire (814-114C), (814-070C),(814-193C) &
(814-272C)................................................................120
Section 3: Drive.........................................................122
Belt Drive (S/N 209357-).................................................122
Belt Drive (S/N 209358+)................................................126
Center Blade Hub (S/N 212180-)....................................130
Right Hand and Left Hand Blade Hub (S/N 212180-).....132
Section 4: Gearboxes................................................134
Gearbox (826-055C) Comer...........................................134
Gearbox (826-206C) OMNI.............................................136
Gearbox (826-296C) OMNI.............................................138
Gearbox (826-326C) Comer...........................................140
© Copyright 2008. All rights reserved.
Land Pride provides this publication “as is” without warranty of any kind, either expressed or implied.While every precaution has been taken in the preparation of this manual,
Land Pride assumes no responsibility for errors or omissions. Neither is any liability assumed for damages resulting from the use of the information contained herein. Land
Pride reserves the right to revise and improve its products as it sees fit. This publication describes the state of this product at the time of its publication, and may not reflect
the product in the future.The illustrations in this manual are not intended for safe and proper assembly or disassembly of equipment. The illustrations are intended for
ordering parts only. Land Pride is registered trademark.
All other brands and product names are trademarks or registered trademarks of their respective holders.
Printed in the United States of America.
2AT2560, AT2572, (AT2584 See AT2684), AT2660, AT2672, AT2684 & AT3590 Air Tunnel Grooming Mower 310-002P 07/23/08
Table of Contents Part Number Index
Table of Contents

Section 5: Drivelines.............................................142
Driveline (826-057C) Walterscheid (Option)...............142
Driveline (826-080C) Walterscheid (S/N 209357- & S/N
236470+)..............................................................144
Driveline (826-195C) EC New Shields (S/N 209358 to
236469)................................................................146
Driveline (826-195C) EC Old Shields (S/N 209358 to
236469)................................................................148
Driveline Slip Clutch (317189) Walterscheid..............150
Section 6: Labels...................................................152
Label Placement........................................................152
Section 7: Options................................................154
Front Anti-Scalping Roller..........................................154
Part Number Index................................................156
Table of Contents Part Number Index
Table of Contents (continued)
07/23/08 AT2560, AT2572, (AT2584 See AT2684), AT2660, AT2672, AT2684 & AT3590 Air Tunnel Grooming Mower 310-002P 3

AT25 SERIES
BBelt Drive...........................................................................40
Belt Drive (S/N 212180-)...................................................24
Belt Drive (S/N 212181+)..................................................28
Belt Take-Up......................................................................44
DDeck (S/N 59101-)..............................................................8
Deck (S/N 59102+)............................................................10
Deck (S/N 59102+)............................................................12
Driveline (826-012C) Eurocardan (S/N 199605-)..............56
Driveline (826-012C) Eurocardan (S/N 199606+).............58
Driveline (826-012C) Walterscheid....................................60
Driveline (826-064C) Eurocardan.....................................62
Driveline (826-297C) Eurocardan.....................................72
Driveline Heavy Duty (826-064C) Walterscheid................64
FFront Anti-Scalping Roller.................................................78
Front Roller........................................................................14
GGauge Wheel....................................................................16
Gauge Wheel (814-271C).................................................36
Gauge Wheel Tire (814-071C)..........................................18
Gauge Wheels..................................................................38
Gearbox (826-081C) (826-011C) Comer..........................46
Gearbox (826-081C) IEG..................................................48
Gearbox (826-203C) OMNI...............................................50
Gearbox (826-293C) OMNI...............................................52
Gearbox (826-296C) OMNI...............................................66
Gearbox (826-311C) AT2684) OMNI.................................68
Gearbox (826-325C) Comer.............................................54
Gearbox (826-326C) Comer AT2660, AT2672 & AT2684...70
Guards..............................................................................20
HHitch..................................................................................22
LLabel Placement...............................................................74
Label Placement AT26......................................................76
Left and Right Spindle Hub Assembly (S/N 212180-).......32
SSpindle Hub Assembly (S/N 212180-)..............................34
AT26 SERIES
BBelt Drive...........................................................................96
Belt Take-Up....................................................................100
DDriveline (826-064C) Eurocardan...................................108
Driveline (826-297C) EC (S/N 246675 to 426011)..........110
Driveline (826-297C) EC (S/N 426012+).........................112
FFront Roller........................................................................80
GGauge Wheel (814-071C).................................................86
Gauge Wheel (814-144C) & (814-191C)...........................88
Gauge Wheel (814-271C).................................................90
Gauge Wheel Tire (814-188C)..........................................92
Gauge Wheels..................................................................94
Gearbox (826-296C) OMNI.............................................102
Gearbox (826-311C) AT2684) OMNI...............................104
Gearbox (826-326C) Comer AT2660, AT2672 & AT2684.106
Guards..............................................................................82
HHitch..................................................................................84
LLabel Placement AT26....................................................114
AT35 SERIES
BBelt Drive (S/N 209357-).................................................122
Belt Drive (S/N 209358+)................................................126
CCenter Blade Hub (S/N 212180-)....................................130
DDeck................................................................................116
Driveline (826-057C) Walterscheid (Option)....................142
Driveline (826-080C) Walterscheid (S/N 209357- & S/N
236470+)..................................................................144
Driveline (826-195C) EC New Shields (S/N 209358 to
236469).....................................................................146
Driveline (826-195C) EC Old Shields (S/N 209358 to
236469).....................................................................148
Driveline Slip Clutch (317189) Walterscheid...................150
FFront Anti-Scalping Roller...............................................154
GGauge Wheel..................................................................118
Gauge Wheel Tire (814-114C), (814-070C),(814-193C) &
(814-272C)................................................................120
Gearbox (826-055C) Comer...........................................134
Gearbox (826-206C) OMNI.............................................136
Gearbox (826-296C) OMNI.............................................138
Gearbox (826-326C) Comer...........................................140
Table of Contents Part Number Index
Alphabetized Table of Contents
4AT2560, AT2572, (AT2584 See AT2684), AT2660, AT2672, AT2684 & AT3590 Air Tunnel Grooming Mower 310-002P 07/23/08

LLabel Placement........................................................152
RRight Hand and Left Hand Blade Hub (S/N 212180-).132
Table of Contents Part Number Index
Alphabetized Table of Contents (continued)
07/23/08 AT2560, AT2572, (AT2584 See AT2684), AT2660, AT2672, AT2684 & AT3590 Air Tunnel Grooming Mower 310-002P 5

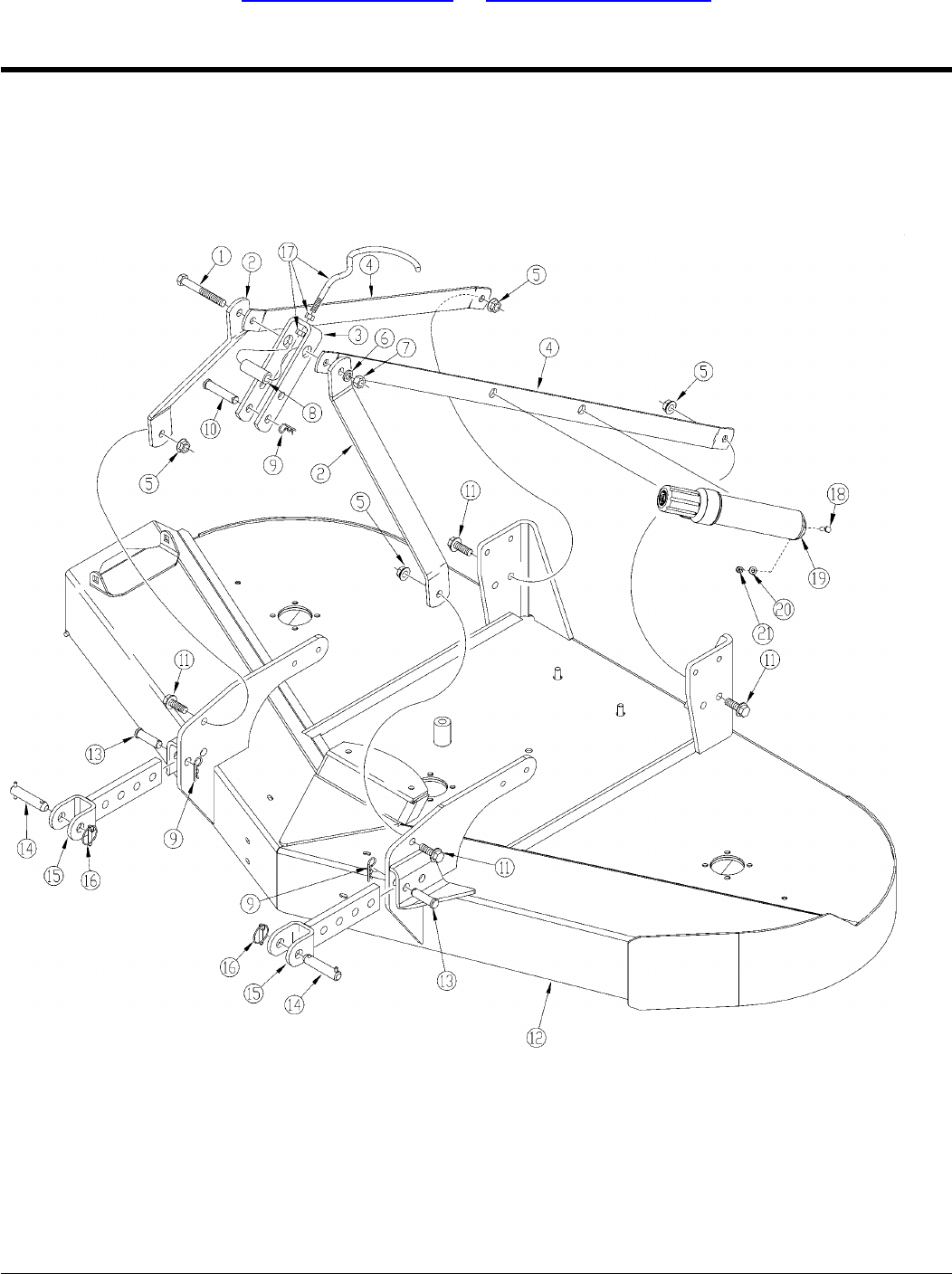
RevisionCommentsPart DescriptionPart No.Ref.
Drawing Image Numberdwg10827
60 WT MOWER FRAME310-067H1.
72 WT MOWER FRAME310-028H1.
LOWER HITCH WELDMENT310-019H2.
OptionalLOWER HITCH WELDMENT 16 1/8310-212H2.
LOWER HITCH PIN310-020S3.
PIN CLEVIS 5/8 X 2 1/2 PLT805-141C4.
PIN CLEVIS 3/4 X 2 1/2 PLT805-140C5.
PIN HAIR COTTER .120 PLT805-143C6.
PIN LYNCH 5/16 X 1 3/4805-015C7.
UPPER HITCH310-068D8.
UPPER HITCH BRACE310-067D9.
PIVOTING HITCH - UPPER310-015D10.
SPACER - TOP HITCH310-012D11.
HHCS 5/8-18X5 1/2 GR5802-242C12.
WASHER LOCK SPRING 5/8 PLT804-022C13.
NUT HEX 5/8-18 PLT803-022C14.
HHCS 5/8-18X1 3/4 GR5802-246C15.
RH BELT GUARD310-105D16.
LH BELT GUARD310-106D17.
CENTER COVER 60 WT310-070H18.
72 WT CENTER BELT COVER310-042H18.
BELT GUARD PIN CAP816-072C19.
WASHER FLAT 1/4 SAE PLT804-007C20.
WING 1/4-20X3/4802-241C21.
Rev. 21/4-20 X 1 U TYPE FASTENER800-013C22.
Rev 1; Use up stockRPBY 800-013C800-006C22.
HHCS 1/4-20X3/4 GR5802-004C23.
NUT LOCK 1/4-20 PLT803-007C24.
PIN CLEVIS 3/4 X 3 1/2 PLT805-142C25.
DISCHARGE CHUTE 60310-185D26.
72 WT DISCHARGE CHUTE310-123D26.
SCREW THUMB 1/4-20 X 1/2 LG801-041C27.
HHCS 1/4-20X1 1/4 GR5802-224C28.
07/23/08 AT2560, AT2572, (AT2584 See AT2684), AT2660, AT2672, AT2684 & AT3590 Air Tunnel Grooming Mower 310-002P 9
Table of Contents Part Number Index
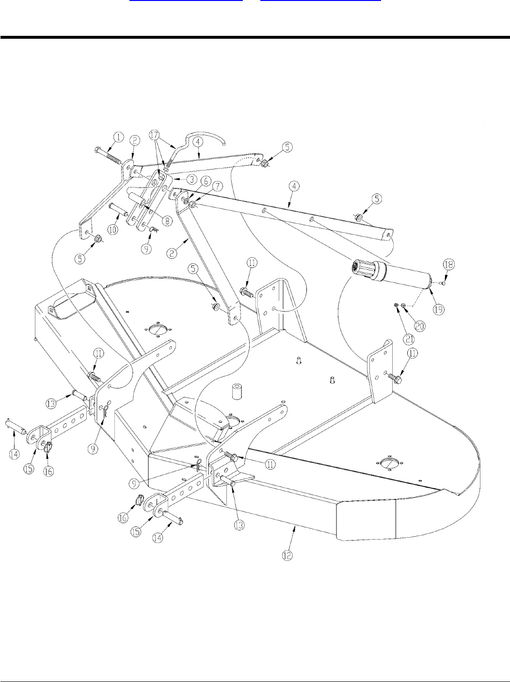
Section 2: Decks Land Pride
AT25 SERIES
Deck (S/N 59101-)
Applies to AT2560, AT2572

RevisionCommentsPart DescriptionPart No.Ref.
Drawing Image Numberdwg14161
60 WT MOWER FRAME310-067H1.
LOWER HITCH WELDMENT310-019H2.
OptionalLOWER HITCH WELDMENT 16 1/8310-212H2.
LOWER HITCH PIN310-020S3.
PIN CLEVIS 3/4 X 2 1/2 PLT805-140C4.
PIN HAIR COTTER .120 PLT805-143C5.
PIN LYNCH 5/16 X 1 3/4805-015C6.
UPPER HITCH310-068D7.
UPPER HITCH BRACE310-067D8.
PIVOTING HITCH - UPPER310-015D9.
SPACER - TOP HITCH310-012D10.
HHCS 5/8-18X5 1/2 GR5802-242C11.
WASHER LOCK SPRING 5/8 PLT804-022C12.
NUT HEX 5/8-18 PLT803-022C13.
HHCS 5/8-18X1 3/4 GR5802-246C14.
Rev. 2 not compat. w/Rev. 1(S/N 239292+)AT2560 RH BELT COVER310-437D15.
Rev. 1(S/N 239291-)AT2560 & 72 RH BELT GUARD310-315D15.
Rev. 2 not compat. w/Rev. 1(S/N 239292+)AT2560 LH BELT COVER310-438D16.
Rev. 1(S/N 239291-)AT2560 & 72 LH BELT GUARD310-316D16.
Rev. 2 not compat. w/Rev. 1(S/N 239292+)AT2560 CENTER BELT COVER WLDMT310-241H17.
Rev. 1(S/N 239291-)AT2560 & 72 CENTER BELT GUARD310-142H17.
Rev. 2 not compat. w/Rev. 1(S/N 143133+)KNOB 3 PRONG 1/4-20 X 1/2 LG817-192C18.
Rev. 1(S/N 59102<->143132)WING HEAD SCREW W/WEAR WASHER800-114C18.
Rev. 2 not compat. w/Rev. 1(S/N 143133+)CLIP U-TYPE NUT 1/4-20 SLF-RET800-163C19.
Rev. 1(S/N 59102<->143132)CLIP, U-TYPE NUT800-115C19.
WASHER FLAT 1/4 SAE PLT804-007C20.
HHCS 1/4-20X3/4 GR5802-004C21.
NUT LOCK 1/4-20 PLT803-007C22.
PIN CLEVIS 3/4 X 3 1/2 PLT805-142C23.
DISCHARGE CHUTE310-185D24.
SCREW THUMB 1/4-20 X 1/2 LG801-041C25.
(S/N 59102<->143132)NYLON PUSH-ON RETAINER800-116C26.
(S/N 239292+)RUBBER PLUG 1 3/8 W/CROSS SLIT816-298C27.
(S/N 317416+)DRIVELINE HOOK HANGER W/HRDWR800-320C28.
07/23/08 AT2560, AT2572, (AT2584 See AT2684), AT2660, AT2672, AT2684 & AT3590 Air Tunnel Grooming Mower 310-002P 11
Table of Contents Part Number Index
Section 2: Decks Land Pride
AT25 SERIES
Deck (S/N 59102+)
Applies to AT2560

RevisionCommentsPart DescriptionPart No.Ref.
Drawing Image Numberdwg14162
72 WT MOWER FRAME310-028H1.
LOWER HITCH WELDMENT310-019H2.
OptionalLOWER HITCH WELDMENT 16 1/8310-212H2.
LOWER HITCH PIN310-020S3.
PIN CLEVIS 3/4 X 2 1/2 PLT805-140C4.
PIN HAIR COTTER .120 PLT805-143C5.
PIN LYNCH 5/16 X 1 3/4805-015C6.
UPPER HITCH310-068D7.
UPPER HITCH BRACE310-067D8.
PIVOTING HITCH - UPPER310-015D9.
SPACER - TOP HITCH310-012D10.
HHCS 5/8-18X5 1/2 GR5802-242C11.
WASHER LOCK SPRING 5/8 PLT804-022C12.
NUT HEX 5/8-18 PLT803-022C13.
HHCS 5/8-18X1 3/4 GR5802-246C14.
Rev. 2 not compat. w/Rev. 1(S/N 239292+)AT2572 RH BELT COVER310-442D15.
Rev. 1(S/N 239291-)AT2560 & 72 RH BELT GUARD310-315D15.
Rev. 2 not compat. w/Rev. 1(S/N 239292+)AT2572 LH BELT COVER310-443D16.
Rev. 1(S/N 239291-)AT2560 & 72 LH BELT GUARD310-316D16.
Rev. 2 not compat. w/Rev. 1(S/N 239292+)AT2572 CENTER BELT COVER WLDMT310-243H17.
Rev. 1(S/N 239291-)AT2560 & 72 CENTER BELT GUARD310-142H17.
Rev. 2 not compat. w/Rev. 1(S/N 143133+)KNOB 3 PRONG 1/4-20 X 1/2 LG817-192C18.
Rev. 1(S/N 59102<->143132)WING HEAD SCREW W/WEAR WASHER800-114C18.
Rev. 2 not compat. w/Rev. 1(S/N 143133+)CLIP U-TYPE NUT 1/4-20 SLF-RET800-163C19.
Rev. 1(S/N 59102<->143132)CLIP, U-TYPE NUT800-115C19.
WASHER FLAT 1/4 SAE PLT804-007C20.
HHCS 1/4-20X3/4 GR5802-004C21.
NUT LOCK 1/4-20 PLT803-007C22.
PIN CLEVIS 3/4 X 3 1/2 PLT805-142C23.
72 WT DISCHARGE CHUTE310-123D24.
SCREW THUMB 1/4-20 X 1/2 LG801-041C25.
(S/N 72226+)LH BELT GUARD BRACKET310-332D26.
(S/N 72226+)RH BELT GUARD BRACKET310-333D27.
(S/N 72226+)HHCS 1/4-20X5/8 GR5802-078C28.
(S/N 72226+)WASHER LOCK SPRING 1/4 PLT804-006C29.
(S/N 59102<->143132)NYLON PUSH-ON RETAINER800-116C30.
(S/N 239292+)RUBBER PLUG 1 3/8 W/CROSS SLIT816-298C31.
(S/N 317416+)DRIVELINE HOOK HANGER W/HRDWR800-320C32.
07/23/08 AT2560, AT2572, (AT2584 See AT2684), AT2660, AT2672, AT2684 & AT3590 Air Tunnel Grooming Mower 310-002P 13
Table of Contents Part Number Index
Section 2: Decks Land Pride
AT25 SERIES
Deck (S/N 59102+)
Applies to AT2572

RevisionCommentsPart DescriptionPart No.Ref.
Drawing Image Numberdwg18882
FRONT ROLLER AT2660-72-84310-317S
RHSNB 3/8-16X1 GR5802-015C1.
NUT HEX 3/4-10 PLT NYLOCK803-025C2.
WLDMT. ROLLER SHAFT310-266H3.
FRONT ROLLER BRACKET LH.310-551D4.
4 X 10 ROLLER WHEEL817-049C5.
FRONT ROLLER BRACKET RH.310-550D6.
WASHER FLAT 3/4 SAE PLT804-025C7.
PIN COTTER 3/16 X 1 1/4 PLT805-016C8.
07/23/08 AT2560, AT2572, (AT2584 See AT2684), AT2660, AT2672, AT2684 & AT3590 Air Tunnel Grooming Mower 310-002P 15
Table of Contents Part Number Index
Section 2: Decks Land Pride
AT25 SERIES
Front Roller
Applies to AT2584

RevisionCommentsPart DescriptionPart No.Ref.
Drawing Image Numberdwg10606
GAUGE WHEEL ARM WELDMENT310-014H1.
SPINDLE BUSHING817-048C2.
GREASE ZERK STRAIGHT 1/4-28800-001C3.
GAUGE WHEEL ARM SUB310-064S4.
Rev. 2(S/N 264391+)PIN LYNCH 1/4 X 1 3/4 PLT805-126C5.
Rev 1; Use up stock(S/N 264390-)PIN WIRE RETAINING 1/4 X 1 3/4805-065C5.
SPACER 1"827-002C6.
SPACER 1/2"827-001C7.
Rev. 2 not compat. w/Rev. 1(S/N 159155+) MeasureGAUGE WHEEL YOKE(5 1/8 INSIDE)310-149H8.
Rev. 1(S/N 159154-) MeasureGAUGE WHEEL YOKE(4 1/4 INSIDE)310-003H8.
S/N 511276-NUT HEX 1/2-20 PLT803-018C9.
S/N 511276-WASHER LOCK SPRING 1/2 PLT804-015C10.
GAUGE WHEEL SPACER - SHORT310-024D11.
GAUGE WHEEL SPACER(SOLID TIRE)310-329D11.
Rev. 2 not compat. w/Rev. 1(S/N 159155+)SPACER TUBE GA. WHL. 5 1/8 LG310-328D12.
Rev. 1(S/N 159154-)SPACER TUBE - GW TIRE310-025D12.
Rev. 2 not compat. w/Rev. 1(S/N 159155+)HHCS 1/2-20X6 1/2 GR5802-350C13.
Rev. 1(S/N 159154-)HHCS 1/2-20X5 1/2 GR5802-243C13.
Rev. 2TIRE 10 X 4 TUBELESS AIR814-071C14.
Rev 1; Use up stockRPBY 814-071C310-104V14.
Rev. 3(S/N 260900+)TIRE 10X3.25 SOLID STRT RIB CR814-188C15.
Rev 2; Use up stock(S/N 260899-)RPBY 814-188C814-146C15.
Rev 1; Use up stockSOLID TIRE WHEEL 10 1/4X3 1/4814-057C15.
Dimensional check before orderingBUSHING 3/4 I.D. 1 3/8 X 1 LG890-189C16.
Dimensional check before orderingHS BUSH 3/4"IDX1 1/8"ODX 5/8LG8701016.
Fits 814-146C item #15 onlyHS BRG 3/4ID X 1.407OD X 5/8LG8704016.
ZERK STAKED800-100C17.
Solid tireGAUGE WHEEL & YOKE SUB310-017S18.
Air Tire4X10 AIR TIRE & YOKE ASSY310-105S18.
Rev. 2 not compat. w/Rev. 1AT2560 & AT2572 (S/N 254752+)HHCS 1/2-13X3 1/4 GR5802-099C19.
Rev. 1AT2560 & AT2572 (S/N 254751-)HHCS 3/8-24X3 GR 5802-245C19.
Rev. 3 not compat. w/Rev. 2AT2560 & AT2572 (S/N 254752+)WASHER 1 1/2 OD X 17/32 ID PLT804-174C20.
Rev. 2AT2560 & AT2572 (S/N 254751-)WASHER 1 1/2 OD X 13/32 ID PLT804-080C20.
Rev 1; Use up stockRPBY 804-080C310-310D20.
Rev. 2 not compat. w/Rev. 1AT2560 & AT2572 (S/N 254752+)WASHER LOCK SPRING 1/2 PLT804-015C21.
Rev. 1AT2560 & AT2572 (S/N 254751-)WASHER LOCK SPRING 3/8 PLT804-013C21.
Rev. 2 not compat. w/Rev. 1AT2560 & AT2572 (S/N 254752+)NUT HEX 1/2-13 PLT803-020C22.
Rev. 1AT2560 & AT2572 (S/N 254751-)NUT HEX 3/8-24 PLT803-146C22.
HS CGD RLR BRG.75IDX1.37X1.5LG8741023.
S/N 511277+NUT HEX FLG/LK 1/2-20 PLT.GR.G802-308C24.
07/23/08 AT2560, AT2572, (AT2584 See AT2684), AT2660, AT2672, AT2684 & AT3590 Air Tunnel Grooming Mower 310-002P 17
Table of Contents Part Number Index
Section 2: Decks Land Pride
AT25 SERIES
Gauge Wheel
Applies to AT2560, AT2572

RevisionCommentsPart DescriptionPart No.Ref.
Drawing Image Numberdwg13629
TIRE 10 X 4 TUBELESS AIR814-071C1.
TILDEN BRG 3/4IDX1 3/8ODX3 1/453-1822.
TILDEN RTNR 3/4IDX1 3/8ODX1/4L53-1643.
TILDEN BRG 3/4ID1.34ODX15/16L53-1894.
07/23/08 AT2560, AT2572, (AT2584 See AT2684), AT2660, AT2672, AT2684 & AT3590 Air Tunnel Grooming Mower 310-002P 19
Table of Contents Part Number Index
Section 2: Decks Land Pride
AT25 SERIES
Gauge Wheel Tire (814-071C)
Applies to AT2560, AT2572

RevisionCommentsPart DescriptionPart No.Ref.
Drawing Image Numberdwg18883
KNOB 3/8-16 MALE THD 2 3/8OD817-358C1.
RUBBER PLUG 1 3/8 W/CROSS SLIT816-298C2.
PLASTIC BELT GUARD RH. AT2660817-428C3.
PLASTIC BELT GUARD RH. AT2672817-436C3.
PLASTIC BELT GUARD RH. AT2584817-408C3.
PLASTIC BELT GUARD LH. AT2660817-429C4.
PLASTIC BELT GUARD LH. AT2672817-437C4.
PLASTIC BELT GUARD LH. AT2584817-409C4.
AT2660 & AT2672RUBBER DISCHARGE DEFLECTOR817-427C5.
AT2684 (Shown)RUBBER DISCHARGE DEFLECTOR817-412C5.
RHSNB 3/8-16X3/4 GR5802-149C6.
AT2660 & AT2672TOP PLATE HINGE SUPPORT310-578D7.
AT2684 (Shown)TOP PLATE HINGE SUPPORT310-563D7.
AT2660 & AT2672HINGE SUPPORT310-579D8.
AT2684 (Shown)HINGE SUPPORT310-562D8.
NUT HEX FLANGE LOCK 5/8-11803-263C9.
NUT HEX WHIZ 3/8-16 PLT803-198C10.
AT2660 & AT2672RHSNB 5/8-11X7 1/2 PLT802-692C11.
AT2684 (Shown)RHSNB 5/8-11X10 GR5 PLT802-688C11.
SPRING TORSION807-189C12.
07/23/08 AT2560, AT2572, (AT2584 See AT2684), AT2660, AT2672, AT2684 & AT3590 Air Tunnel Grooming Mower 310-002P 21
Table of Contents Part Number Index
Section 2: Decks Land Pride
AT25 SERIES
Guards
Applies to AT2584

RevisionCommentsPart DescriptionPart No.Ref.
Drawing Image Numberdwg18881
HHCS 5/8-18X5 GR5802-307C1.
A-FRAME310-474D2.
PIVOTING HITCH - UPPER310-015D3.
AT2660REAR BRACE310-583D4.
AT2672REAR BRACE310-597D4.
AT2584 (Shown)REAR BRACE310-475D4.
NUT HEX FLANGE LOCK 5/8-11803-263C5.
WASHER LOCK SPRING 5/8 PLT804-022C6.
NUT HEX 5/8-18 PLT803-022C7.
SPACER - TOP HITCH310-012D8.
PIN HAIR COTTER .120 PLT805-143C9.
PIN CLEVIS 3/4 X 3 1/2 PLT805-142C10.
HFS 5/8-11 X 1 3/4 GR5/8802-657C11.
WLDMT. AT2660310-321H12.
WLDMT. AT2672310-329H12.
(Shown)WLDMT. AT2584310-290H12.
PIN CLEVIS 3/4 X 2 1/2 PLT805-140C13.
LOWER HITCH PIN310-020S14.
LOWER HITCH WELDMENT310-019H15.
OptionalLOWER HITCH WELDMENT 16 1/8310-212H15.
PIN LYNCH 5/16 X 1 3/4805-015C16.
(S/N 317416+)DRIVELINE HOOK HANGER W/HRDWR800-320C17.
(S/N ______+)HHCS 1/4-20X1 GR5802-005C18.
(S/N ______+)MANUAL STORAGE CONTAINER816-504C19.
(S/N ______+)WASHER FLAT 1/4 SAE PLT804-007C20.
(S/N ______+)NUT HEX NYLOCK 1/4-20803-255C21.
07/23/08 AT2560, AT2572, (AT2584 See AT2684), AT2660, AT2672, AT2684 & AT3590 Air Tunnel Grooming Mower 310-002P 23
Table of Contents Part Number Index
Section 2: Decks Land Pride
AT25 SERIES
Hitch
Applies to AT2584

RevisionCommentsPart DescriptionPart No.Ref.
Drawing Image Numberdwg11754
HHCS 5/8-18X4 GR5802-237C1.
(S/N 72225- AT2572)V-IDLER PULLEY 5 O.D.808-074C2.
(S/N 72226+ AT2572)B-GROOVE IDLER PULLEY 6.25 OD808-128C2.
IDLER SPACER310-051D3.
(S/N 72225- AT2572)FLAT IDLE PULLEY 6 1/4 O.D.808-073C4.
(S/N 72226+ AT2572)FLAT IDLER PULLEY 6 3/4 O.D.808-129C4.
Rev. 2 not compat. w/Rev. 1(S/N 72225- AT2572)CW SPDLE HUB ASSY 5"PULL 3"TB310-132S5.
Rev. 1(S/N 72226+ AT2572)CW SPDLE HUB ASSY 6"PULL 3"TB310-161S5.
AT2560" mowerCW SPDLE HUB ASSY 5"PULL 4.5TB310-137S5.
HHCS 7/16-20X1 1/2 GR8802-229C6.
Rev. 2 not compat. w/Rev. 1AT2560 & AT2572 (S/N 72225- )CW SPDLE HUB ASSY 5PULL 7.4BTB310-138S7.
Rev. 1(S/N 72226+ AT2572)CW SPDLE HUB ASSY 6PULL 7.4BTB310-162S7.
AT2560" MowerV-BELT B144 146.9 E.L. KEVLAR816-063C8.
(S/N 72225- AT2572)V-BELT B158 160.9 E.L. KEVLAR816-064C8.
(S/N 72226+ AT2572)V-BELT B173 175.9 E.L. KEVLAR816-141C8.
Standard High Lift Blades 3 per 60"
mower
MWR BLD 1/4 X 20 29/32SD HL CW890-171C9.
Optional Medium Lift Blades 3 per
60" mower
MWR BLD 1/4 X 20 29/32SD ML CW890-375C9.
Optional Low Lift Blades 3 per 60"
mower
MWR BLD 5/16X20 29/32SD LL CW890-204C9.
Optional Mulch Blades 3 per 60"
Mower
MWR BLD MULCH 1/4X20.91SD CW890-702C9.
Standard High Lift Blades 3 per 72"
mower
MWR BLD 1/4 X 25SD HL CW890-172C9.
Optional Medium Lift Blades 3 per
72" mower
MWR BLD 1/4 X 25SD ML CW890-318C9.
Optional Low Lift Blades 3 per 72"
mower
MWR BLD 5/16 X 25SD LL CW890-200C9.
Optional Mulch Blades 3 per 72"
Mower
MWR BLD MULCH 1/4X25SD CW890-698C9.
WASHER LOCK SPRING 5/8 PLT804-022C10.
NUT HEX 5/8-18 PLT803-022C11.
Rev. 2 not compat. w/Rev. 1(S/N 174815+)NUT HEX 3/8-16 PLT803-014C12.
Rev. 1(S/N 174814-)NUT HEX 1/4-20 PLT803-006C12.
Rev. 2 not compat. w/Rev. 1(S/N 174815+)SP EYE 3/8-16X4802-567C13.
Rev. 1(S/N 174814-)SP EYE 1/4-20X2 3/4802-233C13.
SPRING EXT BELT HANDLE807-068C14.
TAKE-UP HANDLE-NEW SPRING310-088H15.
DOUBLE DISK ARM PIVOT BUSHINGS817-028C16.
NUT LOCK 5/8-18 NYLOK COLLAR P803-119C17.
PIN COTTER 3/16 X 1 3/4 PLT805-017C18.
NUT M 24 X 28.2.2.0114419.
FLAT WASHER 24 X 44 X 48.3.2.0040920.
AT2560" mowerB-GROOVE PULLEY 10 O.D.808-077C21.
Rev. 2 not compat. w/Rev. 1(S/N 72226+ AT2572)B-GROOVE DRIVE PULLEY 11 O.D.808-126C21.
Rev. 1(S/N 72225- AT2572)B-GROOVE PULLEY 9 O.D.808-076C21.
(S/N 204084-)GEAR BOX SPACER310-041D22.
KEY 1/4" X 11/16" LONG310-331D23.
GEARBOX SHAFT PROTECTOR817-050C24.
Rev. 3 not compat. w/Rev. 2(S/N 204085+)REP BY 826-325C826-203C25.
Rev. 2(S/N 204084-)RPBY 826-203C826-081C25.
Rev 1; Use up stockRPBY 826-081C826-011C25.
Used with 826-081CHHCS 5/8-18X1 3/4 GR5802-246C26.
Used with 826-011CHHCS 5/8-18X1 1/2 GR5802-207C26.
HHCS 5/8-18X2 1/2 GR5802-239C27.
NUT HEX 7/16-20 PLT803-115C28.
07/23/08 AT2560, AT2572, (AT2584 See AT2684), AT2660, AT2672, AT2684 & AT3590 Air Tunnel Grooming Mower 310-002P 25
Table of Contents Part Number Index
Section 3: Drive Land Pride
AT25 SERIES
Belt Drive (S/N 212180-)
Applies to AT2560, AT2572

RevisionCommentsPart DescriptionPart No.Ref.
WASHER LOCK 7/16 PLT804-014C29.
PTO SHAFT 35HP X 34 W/EXT CONE826-012C30.
PTO CAT. 3 X 34826-064C30.
Rev. 2Replaces 802-326C & 804-015C.HFS 1/2-20X1 1/4 GR5802-384C31.
Rev 1; Use up stockReplaced by 802-384C.HHCS 1/2-20X1 1/4 GR5802-326C31.
Rev 1; Use up stockReplaced by 802-384C.WASHER LOCK SPRING 1/2 PLT804-015C31.
Rev. 2WASHER BLADE 2ODX.56THKX.51ID804-110C32.
Rev 1; Use up stockRPBY 804-110C310-043D32.
26 AT2560, AT2572, (AT2584 See AT2684), AT2660, AT2672, AT2684 & AT3590 Air Tunnel Grooming Mower 310-002P 07/23/08
Table of Contents Part Number Index
Land Pride Section 3: Drive
AT25 SERIES
Belt Drive (S/N 212180-) (continued)
Applies to AT2560, AT2572

RevisionCommentsPart DescriptionPart No.Ref.
Drawing Image Numberdwg16499
HHCS 5/8-18X4 GR5802-237C1.
(S/N 72225- AT2572)V-IDLER PULLEY 5 O.D.808-074C2.
(S/N 72226+ AT2572)B-GROOVE IDLER PULLEY 6.25 OD808-128C2.
IDLER SPACER310-051D3.
(S/N 72225- AT2572)FLAT IDLE PULLEY 6 1/4 O.D.808-073C4.
(S/N 72226+ AT2572)FLAT IDLER PULLEY 6 3/4" O.D.808-129C4.
(S/N 239291-) AT2560CW SPINDLE HUB ASSEMBLY 5"315-375S5.
(S/N 239291-) AT2572CW SPINDLE HUB ASSEMBLY 6"315-378S5.
HHCS 7/16-20X1 1/2 GR8802-229C6.
AT2560V-BELT B144 146.9 E.L. KEVLAR816-063C7.
AT2572V-BELT B173 175.9 E.L. KEVLAR816-141C7.
Standard High Lift Blades 3 per 60"
mower
MWR BLD 1/4 X 20 29/32SD HL CW890-171C8.
Optional Medium Lift Blades 3 per
60" mower
MWR BLD 1/4 X 20 29/32SD ML CW890-375C8.
Optional Low Lift Blades 3 per 60"
mower
MWR BLD 5/16X20 29/32SD LL CW890-204C8.
Optional Mulch Blades 3 per 60"
Mower
MWR BLD MULCH 1/4X20.91SD CW890-702C8.
Standard High Lift Blades 3 per 72"
mower
MWR BLD 1/4 X 25SD HL CW890-172C8.
Optional Medium Lift Blades 3 per
72" mower
MWR BLD 1/4 X 25SD ML CW890-318C8.
Optional Low Lift Blades 3 per 72"
mower
MWR BLD 5/16 X 25SD LL CW890-200C8.
Optional Mulch Blades 3 per 72"
Mower
MWR BLD MULCH 1/4X25SD CW890-698C8.
WASHER LOCK SPRING 5/8 PLT804-022C9.
NUT HEX 5/8-18 PLT803-022C10.
NUT HEX 3/8-16 PLT803-014C11.
SP EYE 3/8-16X4802-567C12.
SPRING EXT BELT HANDLE807-068C13.
TAKE-UP HANDLE-NEW SPRING310-088H14.
DOUBLE DISK ARM PIVOT BUSHINGS817-028C15.
NUT LOCK 5/8-18 NYLOK COLLAR P803-119C16.
PIN COTTER 3/16 X 1 3/4 PLT805-017C17.
NUT M 24 X 28.2.2.0114418.
FLAT WASHER 24 X 44 X 48.3.2.0040919.
Rev. 2(S/N 359859+) AT25 60" mowersB-GROOVE PULLEY 10" CAST-IRON808-334C20.
Rev. 1(S/N 359858-)B-GROOVE PULLEY 10 O.D.808-077C20.
Rev. 1(S/N 359858-)B-GROOVE PULLEY 9 O.D.808-076C20.
Rev. 2 not compat. w/Rev. 1(S/N NR +) AT2572 mowersB-GROOVE PULLEY 11" CAST-IRON808-335C20.
Rev. 1(S/N NR -)B-GROOVE DRIVE PULLEY 11 O.D.808-126C20.
GEAR BOX SPACER310-041D21.
KEY 1/4" X 11/16" LONG310-331D22.
(S/N 220346-)GEARBOX SHAFT PROTECTOR817-050C23.
Rev. 2 not compat. w/Rev. 1(S/N 335075+)GBOX MOWER 50 HP 1:2.5 CW826-325C24.
Rev. 1(S/N 335074-)RPBY 826-325C826-203C24.
HHCS 5/8-18X1 1/2 GR5802-207C25.
HHCS 5/8-18X2 1/2 GR5802-239C26.
NUT HEX 7/16-20 PLT803-115C27.
WASHER LOCK 7/16 PLT804-014C28.
PTO SHAFT 35HP X 34 W/EXT CONE826-012C29.
PTO CAT. 3 X 34826-064C29.
Rev. 2 not compat. w/Rev. 1(S/N 329661+)HFS 1/2-20X2 GR8802-695C30.
Rev. 1(S/N 329660-)HFS 1/2-20X1 1/4 GR5802-384C30.
WASHER BLADE 2ODX.56THKX.51ID804-110C31.
07/23/08 AT2560, AT2572, (AT2584 See AT2684), AT2660, AT2672, AT2684 & AT3590 Air Tunnel Grooming Mower 310-002P 29
Table of Contents Part Number Index
Section 3: Drive Land Pride
AT25 SERIES
Belt Drive (S/N 212181+)
Applies to AT2560, AT2572

RevisionCommentsPart DescriptionPart No.Ref.
(S/N 239291-)TUBE NYLON 1/4OD X 062WL990-109R32.
(S/N 239291-)GREASE ZERK 1/8NPT 45-DEG800-193C33.
(S/N 239291-)FTG TUBE,CONNECTOR 1/8 MNPT800-157C34.
NUT LOCK 3/4-16 NYLOC COLLAR803-114C35.
1/4 SQ. KEY X 7/8 LG172-242D36.
WASHER FLAT 3/4 HARD ASTMF436804-093C37.
AT2560,B-GROOVE PULLEY 5 O.D.808-075C38.
AT2572B-GROOVE DRIVE PULLEY 6 O.D.808-127C38.
BEARING 6206 W/ METAL SHIELD822-161C39.
(S/N 329661+)BLADE HUB - MACH310-224D40.
(S/N 239292 <-> 329660)REP BY 310-348S310-361D41.
BEARING 206822-006C42.
BLADE HUB - 7/8310-300D43.
(S/N 239292+)CW TG SPINDLE HUB ASSY 5" PULL310-248S44.
(S/N 239292+) AT2572CW TG SPINDLE HUB ASSY 6" PULL310-249S44.
(S/N 239292+)GREASE ZERK STRAIGHT 1/4-28800-001C45.
(S/N 239292+)BLADE HUB MACHINED TOP GREASE310-457D46.
Rev. 2 not compat. w/Rev. 1(S/N 329661+)BLADE SPINDLE SHAFT CW TG310-630D47.
Rev. 1(S/N 239292 <-> 329660)RPBY 310-349S310-454D47.
30 AT2560, AT2572, (AT2584 See AT2684), AT2660, AT2672, AT2684 & AT3590 Air Tunnel Grooming Mower 310-002P 07/23/08
Table of Contents Part Number Index
Land Pride Section 3: Drive
AT25 SERIES
Belt Drive (S/N 212181+) (continued)
Applies to AT2560, AT2572

RevisionCommentsPart DescriptionPart No.Ref.
Drawing Image Numberdwg15045
Rev. 2Replaces 802-326C & 804-015CHFS 1/2-20X1 1/4 GR5802-384C1.
Rev 1; Use up stockReplaced by 802-384CHHCS 1/2-20X1 1/4 GR5802-326C1.
Rev 1; Use up stockReplaced by 802-384CWASHER LOCK SPRING 1/2 PLT804-015C2.
Rev. 2WASHER BLADE 2ODX.56THKX.51ID804-110C3.
Rev 1; Use up stockRPBY 804-110C310-043D3.
Rev. 2 not compat. w/Rev. 1(S/N 30988+)BLADE HUB310-300D4.
Rev. 1(S/N 30987-)BLADE HUB, FD - 1 5/8310-033D4.
Rev. 3 not compat. w/Rev. 2(S/N 107301+)BLADE SPINDLE SHAFT310-361D5.
Rev. 2 not compat. w/Rev. 1(S/N 30988<->107300)RPBY 310-179A310-299D5.
Rev. 1(S/N 30987-)BLADE SPINDLE310-032D5.
Includes 5; 7 and 13BLADE SPINDLE W/KEY 1/4SQ X7/8310-179A6.
Rev. 2 not compat. w/Rev. 1(S/N 107301+)1/4 SQ. KEY X 7/8 LG172-242D7.
Rev. 1(S/N 107300-)KEY WOODRUFF 1/4 X 3/4 #806890-163C7.
AT2560 mowers & (AT2572 S/N
72225-)
B-GROOVE PULLEY 5 O.D.808-075C8.
(S/N 72226+) AT2572B-GROOVE DRIVE PULLEY 6 O.D.808-127C8.
BEARING 206822-006C9.
NUT LOCK 3/4-16 NYLOC COLLAR803-114C10.
ZERK 5/16-24 STRAIGHT #1711B800-075C11.
AT2560LUBE FITTING 4 1/2 EXTENSION310-042D12.
AT2572LUBE FITTING 3" EXTENSION310-312D12.
Rev. 2(S/N 174548+)WASHER FLAT 3/4 HARD ASTMF436804-093C13.
Rev 1; Use up stock(S/N 174547-)WASHER FLAT 3/4 SAE PLT804-025C13.
Rev. 2 not compat. w/Rev. 1(S/N 30988+)BLADE HUB- MACH.-90310-224D14.
Rev. 1(S/N 30987-)SPINDLE HUB - MACH310-036D14.
Rev. 2BEARING 6206 W/ METAL SHIELD822-161C15.
Rev 1; Use up stockBEARING 206822-006C15.
Rev. 2 not compat. w/Rev. 1(S/N 72226+ AT2572)CW SPDLE HUB ASSY 6"PULL 3"TB310-161S16.
Rev. 1(S/N 72225- AT2572)CW SPDLE HUB ASSY 5"PULL 3"TB310-132S16.
AT2560CW SPDLE HUB ASSY 5"PULL 4.5TB310-137S16.
07/23/08 AT2560, AT2572, (AT2584 See AT2684), AT2660, AT2672, AT2684 & AT3590 Air Tunnel Grooming Mower 310-002P 33
Table of Contents Part Number Index
Section 3: Drive Land Pride
AT25 SERIES
Left and Right Spindle Hub Assembly (S/N 212180-)
Applies to AT2560, AT2572

RevisionCommentsPart DescriptionPart No.Ref.
Drawing Image Numberdwg15044
Rev. 2Replaces 802-326C & 804-015CHFS 1/2-20X1 1/4 GR5802-384C1.
Rev 1; Use up stockReplaces by 802-384CHHCS 1/2-20X1 1/4 GR5802-326C1.
Rev 1; Use up stockReplaces by 802-384CWASHER LOCK SPRING 1/2 PLT804-015C2.
Rev. 2WASHER BLADE 2ODX.56THKX.51ID804-110C3.
Rev 1; Use up stockRPBY 804-110C310-043D3.
Rev. 2 not compat. w/Rev. 1(S/N 30988+)BLADE HUB310-300D4.
Rev. 1(S/N 30987-)BLADE HUB, FD - 1 5/8310-033D4.
Rev. 3 not compat. w/Rev. 2(S/N 107301 <-> 239292)BLADE SPINDLE SHAFT310-361D5.
Rev. 2 not compat. w/Rev. 1(S/N 30988<->107300)RPBY 310-179A310-299D5.
Rev. 1(S/N 30987-)BLADE SPINDLE310-032D5.
(S/N 107300 <-> 239292)BLADE SPINDLE W/KEY 1/4SQ X7/8310-179A6.
Rev. 2 not compat. w/Rev. 1(S/N 107301+)1/4 SQ. KEY X 7/8 LG172-242D7.
Rev. 1(S/N 107300-)KEY WOODRUFF 1/4 X 3/4 #806890-163C7.
Rev. 2 not compat. w/Rev. 1(S/N 30988 <-> 239292)BLADE HUB- MACH.-90310-224D8.
Rev. 1(S/N 30987-)SPINDLE HUB - MACH310-036D8.
BEARING 206822-006C9.
NUT LOCK 3/4-16 NYLOC COLLAR803-114C10.
ZERK 5/16-24 STRAIGHT #1711B800-075C11.
AT2560 & AT257272 GREASE TUBE310-126D12.
(S/N 59102+) AT2560 & AT2572NUT HEX PIPE JAM 1/8-27 NPSF803-184C13.
AT2560 (S/N 72225- AT2572)B-GROOVE PULLEY 5 O.D.808-075C14.
(S/N 72226+ ) AT2572B-GROOVE DRIVE PULLEY 6 O.D.808-127C14.
Rev. 2(S/N 174548+)WASHER FLAT 3/4 HARD ASTMF436804-093C15.
Rev 1; Use up stock(S/N 174547-)WASHER FLAT 3/4 SAE PLT804-025C15.
Rev. 2(S/N 174548+)BEARING 6206 W/ METAL SHIELD822-161C16.
Rev 1; Use up stock(S/N 174547-)BEARING 206822-006C16.
Rev. 2 not compat. w/Rev. 1AT2560 & (S/N 72225- AT2572)CW SPDLE HUB ASSY 5PULL 7.4BTB310-138S17.
Rev. 1(S/N 72226+) AT2572CW SPDLE HUB ASSY 6PULL 7.4BTB310-162S17.
07/23/08 AT2560, AT2572, (AT2584 See AT2684), AT2660, AT2672, AT2684 & AT3590 Air Tunnel Grooming Mower 310-002P 35
Table of Contents Part Number Index
Section 3: Drive Land Pride
AT25 SERIES
Spindle Hub Assembly (S/N 212180-)
Applies to AT2560, AT2572

RevisionCommentsPart DescriptionPart No.Ref.
Drawing Image Numberdwg22240
MRTN HGH SPD SPCR3/4ID 1.125ODHSS-341.
MRTN GREASE SEAL 1.125(1.78OD)GS-32.
BEARING CONE #LM 11949822-045C3.
BEARING CUP #LM 11910822-050C4.
Complete AssemblyTIRE 11X4.00-5 RIB SEMI-SOLID814-271C5.
07/23/08 AT2560, AT2572, (AT2584 See AT2684), AT2660, AT2672, AT2684 & AT3590 Air Tunnel Grooming Mower 310-002P 37
Table of Contents Part Number Index
Section 3: Gauge Wheel Land Pride
AT25 SERIES
Gauge Wheel (814-271C)
Applies to AT2584

RevisionCommentsPart DescriptionPart No.Ref.
Drawing Image Numberdwg18884
PIN LYNCH 1/4 X 1 3/4 PLT805-126C1.
SPACER 1/2827-001C2.
SPACER 1827-002C3.
AT2684 (Shown)11' GW YOKE 5 1/8X5 1/8 INSIDE315-300H4.
AT2660 & AT2672GAUGE WHEEL YOKE(5 1/8 INSIDE)310-149H4.
HHCS 3/4-10X7 GR5802-095C5.
NUT HEX 3/4-10 PLT NYLOCK803-025C6.
AT268411 X 400-5 RIB TIRE W 3/4 BRGS814-144C7.
Rev. 2AT2684 S/N 467406+TIRE 11X4.00-5 RIB SEMI-SOLID814-271C7.
Rev. 1AT2684 S/N 467405-RPBY 814-271C814-191C7.
AT2660 & AT2672TIRE 4.10/3.50-4 TUBELESS AIR814-071C7.
AT2660 & AT2672TIRE 10X3.25 SOLID STRT RIB CR814-188C7.
AT2684 S/N 467406+11X4 SEMISOLID TIRE W/YOKE SUB310-314S8.
AT2684 S/N 467405-11X4.00 CASTER GW YOKE315-291S8.
AT2660 & AT26724X10 AIR TIRE & YOKE ASSY310-105S8.
AT2660 & AT26723.25X10 SOLID TIRE/YOKE ASSY310-017S8.
SPINDLE BUSHING817-048C9.
GREASE ZERK STRAIGHT 1/4-28800-001C10.
AT2660WELDMENT GAUGE WHEEL ARM310-327H11.
AT2672WELDMENT GAUGE WHEEL ARM310-355H11.
AT2684 (Shown)WELDMENT GAUGE WHEEL ARM310-296H11.
AT2660ASSY. GAUGE WHEEL ARM310-326S12.
AT2672ASSY. GAUGE WHEEL ARM310-354S12.
AT2684 (Shown) Includes items 9,
10 & 11
ASSY. GAUGE WHEEL ARM310-295S12.
HFS 1/2-13 X 3 1/2 GR5/8802-658C13.
NUT HEX WHIZ 1/2-13 PLT803-037C14.
S/N 511277+NUT HEX FLG/LK 1/2-20 PLT.GR803-308C15.
S/N 511276-NUT HEX 1/2-20 PLT803-018C15.
S/N 511276-WASHER LOCK SPRING 1/2 PLT804-015C16.
GAUGE WHEEL SPACER - SHORT310-024D17.
GAUGE WHEEL SPACER(SOLID TIRE)310-329D17.
SPACER TUBE GA. WHL. 5 1/8 LG310-328D18.
HHCS 1/2-20X6 1/2 GR5802-350C19.
BUSHING 3/4 I.D. 1 3/8 X 1 LG890-189C20.
HS BUSH 3/4IDX1 1/8ODX 5/8LG8701020.
ZERK STAKED800-100C21.
HS CGD RLR BRG.75IDX1.37X1.5LG8741022.
07/23/08 AT2560, AT2572, (AT2584 See AT2684), AT2660, AT2672, AT2684 & AT3590 Air Tunnel Grooming Mower 310-002P 39
Table of Contents Part Number Index
Section 3: Gauge Wheel Land Pride
AT25 SERIES
Gauge Wheels
Applies to AT2584

RevisionCommentsPart DescriptionPart No.Ref.
Drawing Image Numberdwg18886
AT2660, AT2672, AT2684 S/N
337567+
GBOX MOWER 50 HP 1:2.8 CW826-326C1.
AT2684 (S/N 311165 <-> 337566-)REP BY 826-326C826-311C1.
AT2684 (S/N 311164-)REP BY 826-326C826-296C1.
HHCS 5/8-18X1 3/4 GR5802-246C2.
AT2660 S/N 499702+GEARBOX MOUNT ASSEMBLY310-414V3.
AT2660 S/N 499701-WELDMENT GEARBOX MOUNT310-323H3.
AT2672 S/N 499702+GEARBOX MOUNT ASSEMBLY310-415V3.
AT2672 S/N 499701-WELDMENT GEARBOX MOUNT310-330H3.
AT2684 S/N 499702+GEARBOX MOUNT ASSEMBLY310-413V3.
AT2684 S/N 499701-WLDMT. GEARBOX MOUNT310-291H3.
WASHER LOCK SPRING 5/8 PLT804-022C4.
NUT HEX 5/8-18 PLT803-022C5.
Rev. 2 not compat. w/Rev. 1(S/N 344470+) AT2560 & AT2672B-GROOVE PULLEY 11" CAST-IRON808-335C6.
Rev. 1(S/N 344469-)B-GROOVE DRIVE PULLEY 11 O.D.808-126C6.
Rev. 2 not compat. w/Rev. 1(S/N 344470+) AT2684B-GROOVE PULLEY 9" CAST-IRON808-333C6.
Rev. 1(S/N 344469-)B-GROOVE PULLEY 9 O.D.808-076C6.
OMNI NUT HEX SLOTTED, 1-14UNC1200507.
AT2660ASSY. GEARBOX MOUNT310-322S8.
AT2672ASSY. GEARBOX MOUNT310-331S8.
AT2684ASSY. GEARBOX MOUNT310-292S8.
NUT HEX WHIZ 1/2-13 PLT803-037C9.
GREASE ZERK STRAIGHT 1/4-28800-001C10.
NUT LOCK 3/4-16 NYLOC COLLAR803-114C11.
WASHER FLAT 3/4 HARD ASTMF436804-093C12.
AT2660B-GROOVE PULLEY 5 O.D.808-075C13.
AT2672 & AT2684B-GROOVE DRIVE PULLEY 6 O.D.808-127C13.
BEARING 6206 W/ METAL SHIELD822-161C14.
AT2660, AT2672 & AT2684 S/N
329661+
BLADE SPINDLE SHAFT CW TG310-630D15.
AT2684 S/N 329660-BLADE SPINDLE SHAFT CW310-454D15.
1/4 SQ. KEY X 7/8 LG172-242D16.
BLADE HUB MACHINED TOP GREASE310-457D17.
BEARING 206822-006C18.
AT2660CW TG SPINDLE HUB ASSY 5" PULL310-248S19.
AT2672CW TG SPINDLE HUB ASSY 6" PULL310-249S19.
AT2684CW TG SPINDLE HUB ASSY 6" PULL310-261S19.
HHCS 7/16-20X1 1/2 GR8802-229C20.
AT2660V-BELT B103 106 E.L. KEVLAR816-308C21.
AT2672V-BELT B136 138.9 E.L. KEVLAR816-116C21.
AT2684V-BELT B150 153 E.L. KEVLAR816-338C21.
WASHER LOCK 7/16 PLT804-014C22.
NUT HEX 7/16-20 PLT803-115C23.
BLADE WASHER-90310-227D24.
Rev. 2(S/N 319784+)NUT HEX FLG. LOCK 1/2-20 PLT.803-308C25.
Rev 1; Use up stock(S/N 319783-)NUT HEX 1/2-20 PLT803-018C25.
(S/N 319783-)WASHER LOCK SPRING 1/2 PLT804-015C26.
AT2684BLADE BAR RH. THRD 10.50 CTR.315-823D27.
Standard high lift AT2660MWR BLD 1/4 X 20 29/32SD HL CW890-171C28.
Optional medium lift AT2660MWR BLD 1/4 X 20 29/32SD ML CW890-375C28.
Optional low lift AT2660MWR BLD 5/16X20 29/32SD LL CW890-204C28.
Optional mulch AT2660MWR BLD MULCH 1/4X20.91SD CW890-702C28.
Standard high lift AT2672MWR BLD 1/4 X 25SD HL CW890-172C28.
Optional medium lift AT2672MWR BLD 1/4 X 25SD ML CW890-318C28.
Optional low lift AT2672MWR BLD 5/16 X 25SD LL CW890-200C28.
Optional mulch AT2672MWR BLD MULCH 1/4X25SD CW890-698C28.
Optional high lift AT2684MWR BLD 5/16 X 29 SD HL CW890-684C28.
07/23/08 AT2560, AT2572, (AT2584 See AT2684), AT2660, AT2672, AT2684 & AT3590 Air Tunnel Grooming Mower 310-002P 41
Table of Contents Part Number Index
Section 4: Drive Land Pride
AT25 SERIES
Belt Drive
Applies to AT2584

RevisionCommentsPart DescriptionPart No.Ref.
Standard medium lift AT2684
(Shown)
MWR BLD 5/16 X 29 SD ML CW890-675C28.
Optional low lift AT2684MWR BLD 5/16 X 29 SD LL CW890-685C28.
Optional mulch AT2684MWR BLD MULCH 1/4X29SD CW890-706C28.
HHCS 1/2-20X1 3/4 GR5802-329C29.
Rev. 2 not compat. w/Rev. 1(S/N 329661+)HFS 1/2-20X2 GR8802-695C30.
Rev. 1(S/N 329660-)HFS 1/2-20X1 1/4 GR5802-384C30.
WASHER BLADE 2ODX.56THKX.51ID804-110C31.
NUT HEX FLANGE LOCK 5/8-11803-263C32.
FLAT IDLER PULLEY 6 3/4 O.D.808-129C33.
HHCS 5/8-11X4 1/4 GR5802-151C34.
RUBBER PLUG 1 3/8 W/CROSS SLIT816-298C35.
AT2672 & AT2684DRIVELINE CAT.2 W/EXT. CONE826-297C36.
DRIVELINE CAT.4 SC 540RPM826-064C36.
AT2600REP BY 826-064C826-012C36.
KEY 1/4 X 11/16 LONG310-331D37.
OMNI COTTER PIN 5 X 5010000138.
HFSS 1/2-13X1 1/2 GR5802-203C39.
AT2660 & AT2672BLADE HUB - 7/8 (PLATED)310-300D40.
42 AT2560, AT2572, (AT2584 See AT2684), AT2660, AT2672, AT2684 & AT3590 Air Tunnel Grooming Mower 310-002P 07/23/08
Table of Contents Part Number Index
Land Pride Section 4: Drive
AT25 SERIES
Belt Drive (continued)
Applies to AT2584

RevisionCommentsPart DescriptionPart No.Ref.
Drawing Image Numberdwg18885
HFS 5/8-11 X 1 3/4 GR5/8802-657C1.
FLAT IDLER PULLEY 6 3/4 O.D.808-129C2.
WASHER FLAT 5/8 USS PLT804-019C3.
SPACER BUSHING310-494D4.
SPRING IDLER BRACKET310-493D5.
NUT HEX FLANGE LOCK 5/8-11803-263C6.
SPRING EXT BELT HANDLE807-068C7.
CHAIN WELD 1/4 PROOF X 3 LINK890-641C8.
EYE BOLT OPEN 3/8-16X3 1/2802-668C9.
NUT HEX 3/8-16 PLT803-014C10.
WASHER FLAT 5/8 SAE PLT804-021C11.
07/23/08 AT2560, AT2572, (AT2584 See AT2684), AT2660, AT2672, AT2684 & AT3590 Air Tunnel Grooming Mower 310-002P 45
Table of Contents Part Number Index
Section 4: Drive Land Pride
AT25 SERIES
Belt Take-Up
Applies to AT2584

RevisionCommentsPart DescriptionPart No.Ref.
Drawing Image Numberdwg10508
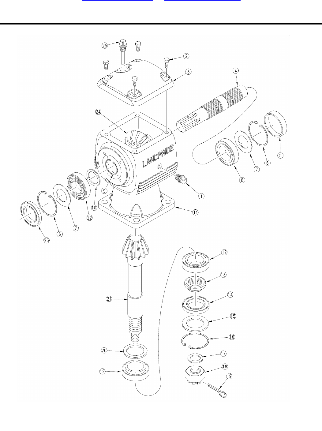
RPBY 826-203C826-081C
RPBY 826-203C826-011C
BOX0.141.0330.001.
KEY, 10 X 8 X 308.4.1.008892.
Rev. 2BEARING BALL 6207822-166C3.
Rev 1; Use up stockRPBY 822-166C8.0.1.008703.
LID,52 X 78.7.0.006934.
KEYED SHAFT, 1 3/8" Z60.141.2100.005.
RING BEVEL GEAR, Z34, M 3.360.141.5000.006.
SPACER0.141.7100.007.
CO SNAP RING INT 72 UN174378.5.2.001318.
CO SNAP RING EXT 35 UN174358.5.1.000059.
NUT M 24 X 28.2.2.0114410.
FLAT WASHER 24 X 44 X 48.3.2.0040911.
SPLIT RING, SB 728.5.3.0091512.
OIL SEAL, 35 X 72 X 128.7.1.0015213.
Rev. 2CO ADJUSTMENT SPACER, 35.3 X48A.259.50014.
Rev 1; Use up stockRPBY A.259.5000.259.7500.0014.
PINION SHAFT, Z12 M 3.360.141.6001.0015.
CO OIL PLUG 3/88.6.5.0000616.
BEARING #60078.0.1.0000017.
LID FLANGE0.141.1300.0018.
CO SPLIT RING SB 1258.5.3.0105719.
RING GASKET OR-44628.7.6.0105820.
Rev. 2OMNI SEAL-INPUT CR1393006012721.
Rev 1; Use up stockRPBY 0601278.7.3.0002821.
PIN COTTER 3/16 X 1 3/4 PLT805-017C22.
Rev. 2KEY 1/4" X 11/16" LONG310-331D23.
Rev 1; Use up stockDRIVE SPROCKET KEY123-004D23.
07/23/08 AT2560, AT2572, (AT2584 See AT2684), AT2660, AT2672, AT2684 & AT3590 Air Tunnel Grooming Mower 310-002P 47
Table of Contents Part Number Index
Section 4: Gearboxes Land Pride
AT25 SERIES
Gearbox (826-081C) (826-011C) Comer
Applies to AT2560, AT2572

RevisionCommentsPart DescriptionPart No.Ref.
Drawing Image Numberdwg13996
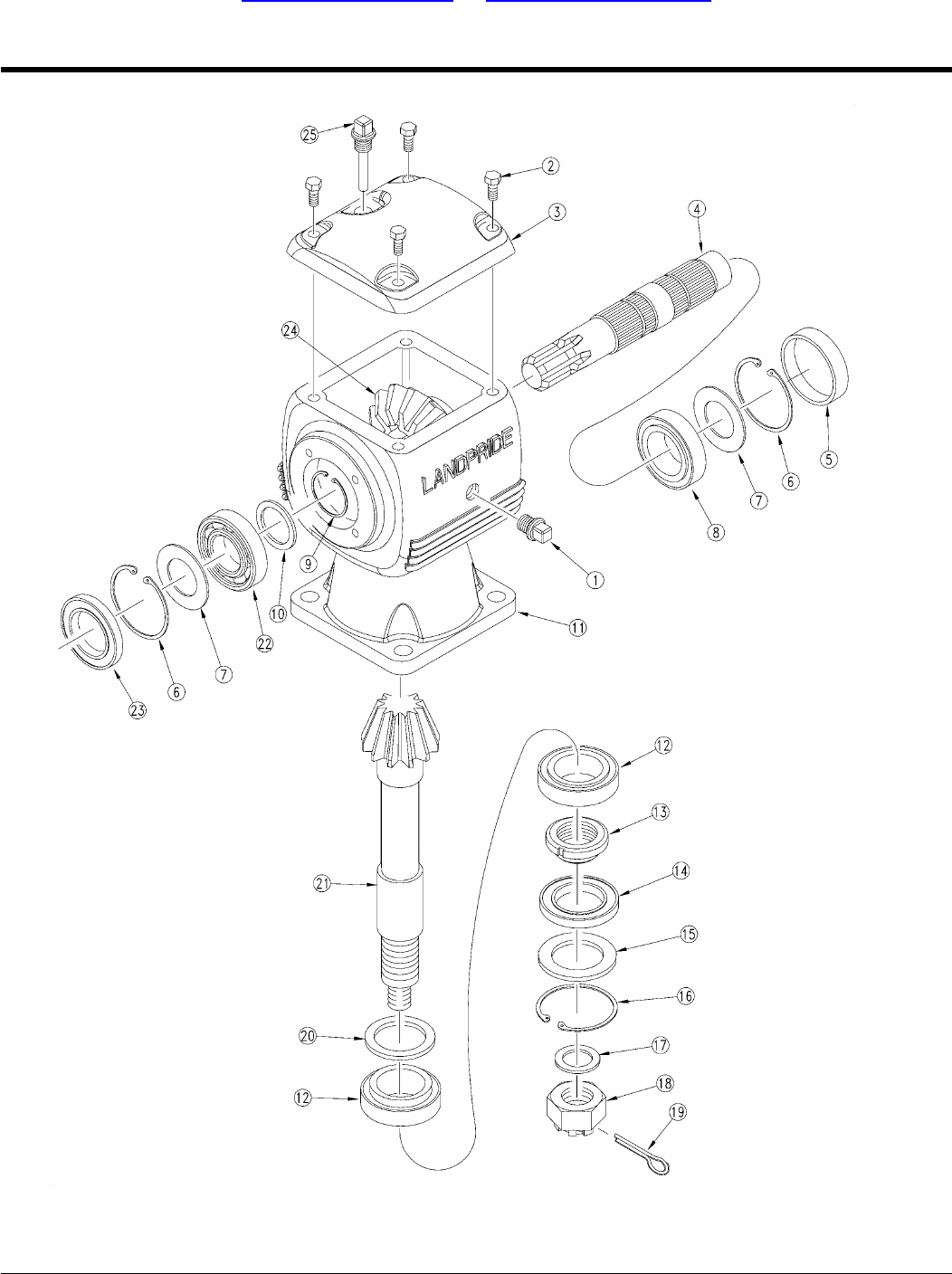
RPBY 826-203C826-081C
ITG GEARBOX HOUSING18-0211.
Rev. 2BEARING BALL 6207822-166C2.
Rev 1; Use up stockRPBY 822-166C04-0042.
ITG 1/2"-14 PIPE PLUG09-0023.
ITG INPUT SHAFT02-0354.
ITG RETAINING RING21-0125.
ITG 30 TOOTH INPUT GEAR03-0366.
ITG INPUT CAP GASKET 0.25MM08-004A7.
ITG INPUT CAP GASKET 0.10MM08-004B8.
ITG M10 LOCKWASHER07-0019.
ITG M10 X 1.5 X 25 CAP SCREW06-01210.
ITG INPUT CAP20-00711.
ITG CAP PLUG09-00912.
ITG OUTPUT CAP GASKET 0.25MM08-005A13.
ITG OUTPUT CAP GASKET 0.10MM08-005B14.
ITG OUTPUT CAP20-00315.
ITG OUTPUT OIL SEAL05-00516.
PIN COTTER 3/16 X 1 3/4 PLT805-017C17.
ITG 1"-14 SLOTTED HEX NUT11-00718.
ITG BLADE HUB WASHER07-00519.
ITG 12 TOOTH OUTPUT PIN & SHFT03-03720.
ITG BEARING SPACER10-00221.
Rev. 3BALL BEARING 6208822-188C22.
Rev 2; Use up stockRPBY 822-188C05000722.
Rev 1; Use up stockRPBY 05000704-00322.
ITG INPUT OIL SEAL05-00223.
KEY 1/4" X 11/16" LONG310-331D24.
Rev. 2 not compat. w/Rev. 1(S/N 146786+)SP SAFETY VALVE 1/8MNPT811-320C25.
Rev. 1(S/N 146785-)ITG 1/2-14NPT PRES-RELIEF PLUG09-00825.
07/23/08 AT2560, AT2572, (AT2584 See AT2684), AT2660, AT2672, AT2684 & AT3590 Air Tunnel Grooming Mower 310-002P 49
Table of Contents Part Number Index
Section 4: Gearboxes Land Pride
AT25 SERIES
Gearbox (826-081C) IEG
Applies to AT2560, AT2572

RevisionCommentsPart DescriptionPart No.Ref.
Drawing Image Numberdwg16020
RPBY 826-325C826-203C
OMNI SCREW-5/16"-18UNC X 7/8"1101921.
RPBY 804-009C1300062.
OMNI CAP-INPUT0202243.
OMNI GASKET-INPUT 0.10MM0702464.
OMNI GASKET-INPUT 0.20MM0702475.
OMNI GASKET-INPUT 0.30MM0702486.
OMNI GASKET-INPUT 0.50MM0702497.
OMNI SEAL-INPUT CR139300601278.
Rev. 2BALL BEARING 6208822-188C9.
Rev 1; Use up stockRPBY 822-188C0500079.
OMNI RTNG. RING 38MM RC DSH-3820014010.
OMNI SHAFT-INPUT 1-3/8"-6 SPLN04033511.
OMNI RTNG. RING 38MM RC DSH-3820014112.
OMNI GEAR-INPUT 30T03045913.
OMNI SHIM INPUT 0.10MM09017914.
OMNI SHIM INPUT 0.20MM09018015.
OMNI SHIM INPUT 0.30MM09018116.
OMNI SCREW-1/4"-20 UNC X 3/4"11000917.
OMNI LOCKWASHR 1/4" SPLIT TYPE13002818.
OMNI INSPECTION COVER24028019.
OMNI HOUSING-RC-2501017520.
OMNI PLUG SQ.HD.1/2-14NPT W/DP14004721.
Rev. 2 not compat. w/Rev. 1(S/N 215411+)OMNI PIPE PLUG 1/2' SQ HEAD14000022.
Rev. 1(S/N 215410-)OMNI PLUG VENT 1/2-14 NPTF14003322.
OMNI PINION OUTPUT 12T03045823.
OMNI SHIM OUTPUT 0.10MM09018224.
OMNI SHIM OUTPUT 0.20MM09018325.
OMNI SHIM OUTPUT 0.30MM09018426.
Rev. 2BEARING BALL 6207822-166C27.
Rev 1; Use up stockRPBY 822-166C05000627.
OMNI RETAINING RING20000028.
OMNI SPACER OUTPUT09019029.
OMNI GASKET-OUTPUT 0.10MM07025030.
OMNI GASKET-OUTPUT 0.20MM07025131.
OMNI GASKET-OUTPUT 0.30MM07025232.
OMNI GASKET-OUTPUT 0.50MM07025333.
OMNI SEAL-OUTPUT CR1582206012834.
OMNI CAP-OUTPUT02022535.
OMNI NUT HEX SLOTTED, 1-14UNC12005036.
OMNI COTTER PIN 5 X 5010000137.
OMNI PLUG PIPE SQ HD1/8-27NPTF14001738.
OMNI SPACER INPUT09018939.
07/23/08 AT2560, AT2572, (AT2584 See AT2684), AT2660, AT2672, AT2684 & AT3590 Air Tunnel Grooming Mower 310-002P 51
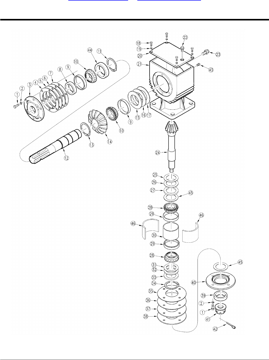
Table of Contents Part Number Index
Section 4: Gearboxes Land Pride
AT25 SERIES
Gearbox (826-203C) OMNI
Applies to AT2560, AT2572

RevisionCommentsPart DescriptionPart No.Ref.
Drawing Image Numberdwg18705
RPBY 826-325C826-293C
OMNI SCREW-5/16"-18UNC X 7/8"1101921.
WASHER LOCK SPRING 5/16 PLT804-009C2.
OMNI CAP-INPUT0202243.
OMNI GASKET-INPUT 0.10MM0702464.
OMNI GASKET-INPUT 0.20MM0702475.
OMNI GASKET-INPUT 0.30MM0702486.
OMNI GASKET-INPUT 0.50MM0702497.
OMNI SEAL-INPUT CR139300601278.
Rev. 2BALL BEARING 6208822-188C9.
Rev 1; Use up stockRPBY 822-188C0500079.
OMNI RTNG. RING 38MM RC DSH-3820014010.
OMNI SHAFT INPUT 1 3/8" - 6A04049111.
OMNI RTNG. RING 38MM RC DSH-3820014112.
OMNI GEAR-INPUT 30T03045913.
OMNI SHIM INPUT 0.10MM09017914.
OMNI SHIM INPUT 0.20MM09018015.
OMNI SHIM INPUT 0.30MM09018116.
OMNI SCREW-1/4"-20 UNC X 3/4"11000917.
OMNI LOCKWASHR 1/4" SPLIT TYPE13002818.
OMNI INSPECTION COVER24028019.
OMNI HOUSING RC-25 SERIES01025220.
OMNI PLUG SQ.HD.1/2-14NPT W/DP14004721.
OMNI PLUG VENT 1/2-14 NPTF14003322.
OMNI PINION OUTPUT 12T03045823.
OMNI SHIM OUTPUT 0.10MM09018224.
OMNI SHIM OUTPUT 0.20MM09018325.
OMNI SHIM OUTPUT 0.30MM09018426.
Rev. 2BEARING BALL 6207822-166C27.
Rev 1; Use up stockRPBY 822-166C05000627.
OMNI RETAINING RING20000028.
OMNI SPACER OUTPUT09019029.
OMNI GASKET-OUTPUT 0.10MM07025030.
OMNI GASKET-OUTPUT 0.20MM07025131.
OMNI GASKET-OUTPUT 0.30MM07025232.
OMNI GASKET-OUTPUT 0.50MM07025333.
OMNI SEAL-OUTPUT CR1582206012834.
OMNI CAP-OUTPUT02022535.
OMNI NUT HEX SLOTTED, 1-14UNC12005036.
OMNI COTTER PIN 5 X 5010000137.
OMNI PLUG PIPE SQ HD1/8-27NPTF14001738.
OMNI SPACER INPUT09018939.
OMNI SPACER, INPUT09034140.
07/23/08 AT2560, AT2572, (AT2584 See AT2684), AT2660, AT2672, AT2684 & AT3590 Air Tunnel Grooming Mower 310-002P 53
Table of Contents Part Number Index
Section 4: Gearboxes Land Pride
AT25 SERIES
Gearbox (826-293C) OMNI
Applies to AT2560, AT2572

RevisionCommentsPart DescriptionPart No.Ref.
Drawing Image Numberdwg19549
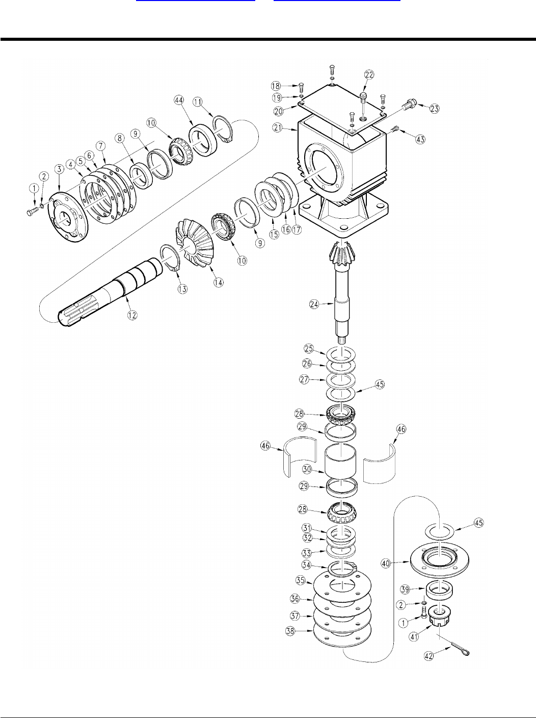
GBOX MOWER 50 HP 1:2.5 CW826-325C
CO OIL PLUG 3/88.6.5.000061.
CO BOLT M8X22 HHB8.1.1.005012.
CO COVER0.195.1300.003.
CO INPUT SHAFT 1" 3/8 Z60.195.2000.004.
CO CAP 72 X 108.7.0.007445.
CO SNAP RING INT 72 UN174378.5.2.001316.
COMER SHIM KIT 71.7A.248.75007.
CO ROLLER BEARING 30207 CL-B8.0.9.000268.
CO SNAP RING 40 UNI 74368.5.1.006809.
CO SHIM 35.3 X 48 X 2.50.259.7525.0010.
CO HOUSING0.195.0300.0011.
CO ROLLER BEARING 32208 CL-B8.0.9.0010212.
CO NUT M40 X 1.50.278.7103.0013.
CO OIL SEAL 35 X 80 X 10 RTA358.7.3.0008114.
CO PROTECTIVE FLAT WASHER1.195.7100.0015.
CO SNAP RING SB 818.5.3.0095516.
CO FLAT WASHER 25 X 44 X 48.3.2.0040917.
NUT CASTLE M 24 X 28.2.2.0114418.
CO COTTER PIN B5 X 508.4.7.0051619.
CO SHIM 40.3 X 51.5 826-067CA244.50120.
CO PINION Z12 M50.195.5001.0021.
BEARING BALL 6207822-166C22.
CO OIL SEAL 35 X 72 X 108.7.3.0005523.
CO CROWN GEAR Z30 M50.195.6001.0024.
CO OIL LEVEL PLUG 3/8" GASU0.195.7101.0025.
07/23/08 AT2560, AT2572, (AT2584 See AT2684), AT2660, AT2672, AT2684 & AT3590 Air Tunnel Grooming Mower 310-002P 55
Table of Contents Part Number Index
Section 4: Gearboxes Land Pride
AT25 SERIES
Gearbox (826-325C) Comer
Applies to AT2560, AT2572

RevisionCommentsPart DescriptionPart No.Ref.
Drawing Image Numberdwg22243
DRIVELINE WITH EXT. CONE826-012C
EC TWIST COLLAR KIT (TRT. END)10042201.
EC YOKE ASSEMBLY (TRACT. END)10120102.
EC CROSS ASSEMBLY10020203.
EC OUTER TUBE YOKE17020274.
EC 8X55-DIN-1481 O/TUBE R/PIN63308555.
Rev. 2EC OUTER TUBE15230736.
Rev 1; Use up stockRPBY 152307315323226.
Rev. 2EC INNER TUBE15220737.
Rev 1; Use up stockRPBY 152207315323087.
EC INNER TUBE YOKE17020298.
EC TWIST COLLAR KIT (IMP. END)10042249.
EC YOKE ASSEMBLY (IMP. END)111201010.
Rev. 2EC TUBE BEARING178221011.
Rev 1; Use up stockEC TUBE BEARING178201611.
Rev. 2EC OUTER TUBE RIGID CONE188420112.
Rev 1; Use up stockRPBY 1884201188323012.
Rev. 2EC SOFT CONE188420313.
Rev 1; Use up stockRPBY 1884203188301313.
EC PIN STOP ROTATION178421214.
DRIVELINE SHIELD SAFETY CHAIN04432115.
Rev. 2EC OUTER TUBE (1873077) 650 MM187306516.
Rev 1; Use up stockRPBY 1873065188234816.
Rev. 2EC INNER TUBE187206517.
Rev 1; Use up stockRPBY 1872065177233517.
Rev. 2EC SOFT LONG CONE188420518.
Rev 1; Use up stockRPBY 1884205188301418.
Rev. 2EC INNER TUBE RIGID CONE188420219.
Rev 1; Use up stockRPBY 1884202188323119.
Rev. 2EC TUBE BEARING IMP END178221120.
Rev 1; Use up stockEC TUBE BEARING178201620.
DECAL DANGER PTO DRIVELINE818-552C21.
DECAL DANGER GUARD MISS PTO818-540C22.
EC 08X60 1485DIN ROLL PIN633086023.
07/23/08 AT2560, AT2572, (AT2584 See AT2684), AT2660, AT2672, AT2684 & AT3590 Air Tunnel Grooming Mower 310-002P 57
Table of Contents Part Number Index
Section 5: Drivelines Land Pride
AT25 SERIES
Driveline (826-012C) Eurocardan (S/N 199605-)
Applies to AT2560, AT2572

RevisionCommentsPart DescriptionPart No.Ref.
Drawing Image Numberdwg22243
DRIVELINE WITH EXT. CONE826-012C
EC TWIST COLLAR KIT (TRT. END)10042201.
EC YOKE ASSEMBLY (TRACT. END)10130102.
EC CROSS ASSEMBLY10030203.
EC OUTER TUBE YOKE17030274.
EC 8X65-DIN-1481 O/TUBE R/PIN63308655.
EC OUTER TUBE (1524085) 720MM15240726.
EC INNER TUBE15230727.
EC INNER TUBE YOKE17030298.
EC TWIST COLLAR KIT (IMP. END)10042249.
EC YOKE ASSEMBLY (TRACT. END)111301010.
EC TUBE BEARING178421011.
EC OUTER TUBE RIGID CONE188420112.
EC SOFT CONE188420313.
EC PIN STOP ROTATION178421214.
DRIVELINE SHIELD SAFETY CHAIN04432115.
EC OUTER TUBE (1873077) 640MM187306416.
EC INNER TUBE (1872075) 640MM187206417.
EC SOFT LONG CONE188420518.
EC INNER TUBE RIGID CONE188420219.
EC TUBE BEARING178421120.
DECAL DANGER PTO DRIVELINE818-552C21.
DECAL DANGER GUARD MISS PTO818-540C22.
EC 08X60 1485DIN ROLL PIN633086023.
07/23/08 AT2560, AT2572, (AT2584 See AT2684), AT2660, AT2672, AT2684 & AT3590 Air Tunnel Grooming Mower 310-002P 59
Table of Contents Part Number Index
Section 5: Drivelines Land Pride
AT25 SERIES
Driveline (826-012C) Eurocardan (S/N 199606+)
Applies to AT2560, AT2572

RevisionCommentsPart DescriptionPart No.Ref.
Drawing Image Numberdwg10824
DRIVELINE WITH EXT. CONE826-012C
WS END YOKE3809051.
WS QUICK DISCONNECT KIT3819082.
WS CROSS & BRG KIT0444393.
WS INBOARD YOKE0410654.
WS SPRING PIN0206145.
WS INNER PROFILE0544846.
WS SHIELD CONE-4 RIB3772347.
WS BEARING RING0872798.
WS OUTER SHIELD TUBE3873329.
WS INNER SHIELD TUBE38726610.
WS SHIELD CONE-10RIB37724011.
WS OUTER PROFILE05448212.
WS INBOARD YOKE04106813.
WS SCREW36530514.
WS SAFETY CHAIN04432115.
DECAL DANGER GUARD MISS PTO818-540C16.
DECAL DANGER PTO DRIVELINE818-552C17.
07/23/08 AT2560, AT2572, (AT2584 See AT2684), AT2660, AT2672, AT2684 & AT3590 Air Tunnel Grooming Mower 310-002P 61
Table of Contents Part Number Index
Section 5: Drivelines Land Pride
AT25 SERIES
Driveline (826-012C) Walterscheid
Applies to AT2560, AT2572

RevisionCommentsPart DescriptionPart No.Ref.
Drawing Image Numberdwg22224
DRIVELINE CAT.4 SC 540RPM826-064C
EC YOKE ASSEMBLY10140121.
EC CROSS ASSEMBLY ( U JOINT)10040202.
EC OUTER TUBE YOKE17040273.
EC 08X60 1485DIN ROLL PIN63308604.
EC OUTER TUBE (1524095) 720MM15240725.
EC INNER TUBE (1525095) 720MM15250726.
EC 8X55-DIN-1481 O/TUBE R/PIN63308557.
EC INNER TUBE YOKE17040298.
EC PULL COLLAR KIT10042259.
EC TUBE BEARING178421010.
EC OUTER TUBE RIGID CONE188420111.
EC STIFFENING RING121323312.
EC SOFT CONE188420313.
EC PIN STOP ROTATION178421214.
EC OUTER TUBE (1873087) 640MM187306415.
EC INNER TUBE (1872087) 640MM187206416.
EC SOFT LONG CONE188420517.
EC INNER TUBE RIGID CONE188420218.
EC TUBE BEARING178421119.
DRIVELINE SHIELD SAFETY CHAIN04432120.
REP BY 044321100606520.
DECAL DANGER PTO DRIVELINE818-552C21.
REP BY 818-552C114000121.
DECAL DANGER GUARD MISS PTO818-540C22.
REP BY 818-540C114000322.
07/23/08 AT2560, AT2572, (AT2584 See AT2684), AT2660, AT2672, AT2684 & AT3590 Air Tunnel Grooming Mower 310-002P 63
Table of Contents Part Number Index
Section 5: Drivelines Land Pride
AT25 SERIES
Driveline (826-064C) Eurocardan
Applies to AT2560, AT2572

RevisionCommentsPart DescriptionPart No.Ref.
Drawing Image Numberdwg13457
PTO CAT. 3 X 34826-064C
WS YOKE 1 3/8-6 SPL3809061.
WS QUICK DISCONNECT KIT3819082.
WS CROSS & BRG KIT0444443.
WS INBOARD YOKE0415764.
WS SPRING PIN0206165.
WS INNER PROFILE 826-064C3648596.
WS SHIELD CONE - 5 RIB3773357.
WS BEARING RING - SC250872768.
WS OUTER SHIELD TUBE OVL3828779.
WS INNER SHIELD TUBE RND38287810.
WS SHIELD CONE 10 RIB37734011.
WS YOKE W/OTR PROFILE 826-064C38117812.
WS SCREW36530513.
WS SAFETY CHAIN04432114.
DECAL DANGER GUARD MISS PTO818-540C15.
DECAL DANGER PTO DRIVELINE818-552C16.
07/23/08 AT2560, AT2572, (AT2584 See AT2684), AT2660, AT2672, AT2684 & AT3590 Air Tunnel Grooming Mower 310-002P 65
Table of Contents Part Number Index
Section 5: Drivelines Land Pride
AT25 SERIES
Driveline Heavy Duty (826-064C) Walterscheid
Applies to AT2560, AT2572

RevisionCommentsPart DescriptionPart No.Ref.
Drawing Image Numberdwg18948
RC-25 1:2.8 CW 90 BOX(RC25HR)826-296C
OMNI SCREW-5/16"-18UNC X 7/8"1101921.
OMNI LOCKWASHR 5/16"SPLIT TYPE1300062.
OMNI CAP-INPUT0202243.
OMNI GASKET-INPUT 0.50MM0702494.
OMNI GASKET-INPUT 0.30MM0702485.
OMNI GASKET-INPUT 0.20MM0702476.
OMNI GASKET-INPUT 0.10MM0702467.
OMNI SEAL-INPUT CR139300601278.
OMNI BEARING CUP 302070501709.
OMNI BEARING CONE 3020705017210.
OMNI RTNG. RING 38MM RC DSH-3820014011.
OMNI SHAFT-INPUT 1-3/8"-6 SPLN04049112.
OMNI RTNG. RING 38MM RC DSH-3820014113.
OMNI GEAR INPUT, 34T03045714.
OMNI SHIM INPUT 0.30MM09018115.
OMNI SHIM INPUT 0.20MM09018016.
OMNI SHIM INPUT 0.10MM09017917.
OMNI SCREW-1/4"-20 UNC X 3/4"11000918.
OMNI LOCKWASHR 1/4" SPLIT TYPE13002819.
OMNI INSPECTION COVER24028020.
OMNI HOUSING-RC-2501025221.
OMNI PLUG SQ.HD.1/2-14NPT W/DP14004722.
OMNI PIPE PLUG 1/2' SQ HEAD14000023.
OMNI PINION-OUTPUT 12T03045624.
OMNI SHIM OUTPUT 0.10MM09018225.
OMNI SHIM OUTPUT 0.20MM09018326.
OMNI SHIM OUTPUT 0.30MM09018427.
OMNI BEARING CONE 3020805019728.
OMNI BEARING CUP 3020805019529.
OMNI SPACER OUTPUT09018530.
OMNI SHIM OUTPUT 0.10MM09018631.
OMNI SHIM OUTPUT 0.20MM09018732.
OMNI SHIM OUTPUT 0.30MM09018833.
OMNI RETAINING RING20000034.
OMNI GASKET-OUTPUT 0.10MM07025035.
OMNI GASKET-OUTPUT 0.20MM07025136.
OMNI GASKET-OUTPUT 0.30MM07025237.
OMNI GASKET-OUTPUT 0.50MM07025338.
OMNI SEAL-OUTPUT CR1582206012839.
OMNI CAP-OUTPUT02022540.
OMNI NUT HEX SLOTTED, 1-14UNC12005041.
OMNI COTTER PIN 5 X 5010000142.
OMNI PLUG PIPE SQ HD1/8-27NPTF14001743.
OMNI SPACER, INPUT09034144.
07/23/08 AT2560, AT2572, (AT2584 See AT2684), AT2660, AT2672, AT2684 & AT3590 Air Tunnel Grooming Mower 310-002P 67
Table of Contents Part Number Index
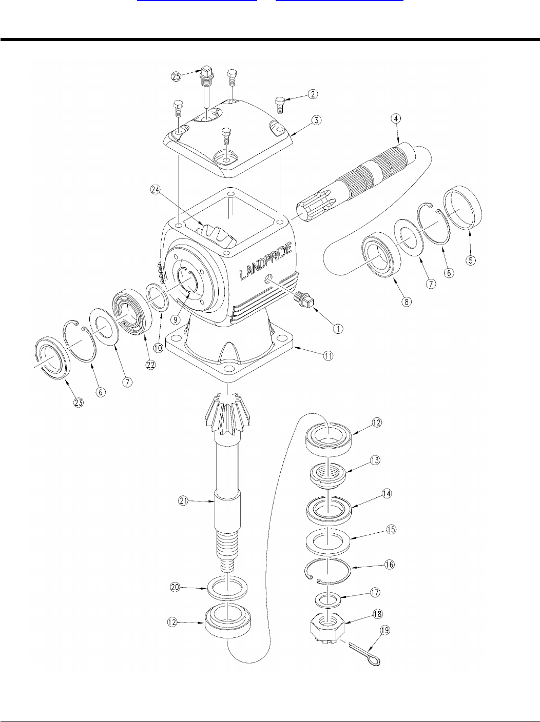
Section 5: Gearboxes Land Pride
AT25 SERIES
Gearbox (826-296C) OMNI
Applies to AT2584

RevisionCommentsPart DescriptionPart No.Ref.
Drawing Image Numberdwg19602
RC-25 1:2.8 CW 90 BOX(RC25HR)826-311C
OMNI SCREW-5/16"-18UNC X 7/8"1101921.
OMNI LOCKWASHR 5/16"SPLIT TYPE1300062.
OMNI CAP-INPUT0202243.
OMNI GASKET-INPUT 0.50MM0702494.
OMNI GASKET-INPUT 0.30MM0702485.
OMNI GASKET-INPUT 0.20MM0702476.
OMNI GASKET-INPUT 0.10MM0702467.
OMNI SEAL-INPUT CR139300601278.
OMNI BEARING CUP 302070501709.
OMNI BEARING CONE 3020705017210.
OMNI RTNG. RING 38MM RC DSH-3820014011.
OMNI SHAFT INPUT 1 3/8" - 6A04049112.
OMNI RTNG. RING 38MM RC DSH-3820014113.
OMNI GEAR INPUT, 34T03045714.
OMNI SHIM INPUT 0.30MM09018115.
OMNI SHIM INPUT 0.20MM09018016.
OMNI SHIM INPUT 0.10MM09017917.
OMNI SCREW-1/4"-20 UNC X 3/4"11000918.
OMNI LOCKWASHR 1/4" SPLIT TYPE13002819.
OMNI INSPECTION COVER24028020.
OMNI HOUSING RC-25 SERIES01025221.
OMNI PLUG SQ.HD.1/2-14NPT W/DP14004722.
OMNI PIPE PLUG 1/2' SQ HEAD14000023.
OMNI PINION-OUTPUT 12T03045624.
OMNI SHIM OUTPUT 0.10MM09018225.
OMNI SHIM OUTPUT 0.20MM09018326.
OMNI SHIM OUTPUT 0.30MM09018427.
OMNI BEARING CONE 3020805019728.
OMNI BEARING CUP 3020805019529.
OMNI OUTPUT SPACER 27mm310-580D30.
OMNI SHIM OUTPUT 0.10MM09018631.
OMNI SHIM OUTPUT 0.20MM09018732.
OMNI SHIM OUTPUT 0.30MM09018833.
OMNI RETAINING RING20000034.
OMNI GASKET-OUTPUT 0.10MM07025035.
OMNI GASKET-OUTPUT 0.20MM07025136.
OMNI GASKET-OUTPUT 0.30MM07025237.
OMNI GASKET-OUTPUT 0.50MM07025338.
OMNI SEAL-OUTPUT CR1582206012839.
OMNI CAP-OUTPUT02022540.
OMNI NUT HEX SLOTTED, 1-14UNC12005041.
OMNI COTTER PIN 5 X 5010000142.
OMNI PLUG PIPE SQ HD1/8-27NPTF14001743.
OMNI SPACER, INPUT09034144.
OMNI OUTPUT SHAFT SHIM 2mm310-581D45.
OMNI HOUSING TAKE-UP SPACER310-582D46.
07/23/08 AT2560, AT2572, (AT2584 See AT2684), AT2660, AT2672, AT2684 & AT3590 Air Tunnel Grooming Mower 310-002P 69
Table of Contents Part Number Index
Section 5: Gearboxes Land Pride
AT25 SERIES
Gearbox (826-311C) AT2684) OMNI
Applies to AT2584

RevisionCommentsPart DescriptionPart No.Ref.
Drawing Image Numberdwg19549
GBOX MOWER 50 HP 1:2.8 CW826-326C
CO OIL PLUG 3/88.6.5.000061.
CO BOLT M8X22 HHB8.1.1.005012.
CO COVER0.195.1300.003.
CO INPUT SHAFT 1" 3/8 Z60.195.2000.004.
CO CAP 72 X 108.7.0.007445.
CO SNAP RING INT 72 UN174378.5.2.001316.
COMER SHIM KIT 71.7A.248.5007.
CO ROLLER BEARING 30207 CL-B8.0.9.000268.
CO SNAP RING 40 UNI 74368.5.1.006809.
CO SHIM 35.3 X 48 X 2.50.259.7525.0010.
CO HOUSING0.195.0300.0011.
CO ROLLER BEARING 32208 CL-B8.0.9.0010212.
CO NUT M40 X 1.50.278.7103.0013.
CO OIL SEAL 35 X 80 X 10 RTA358.7.3.0008114.
CO PROTECTIVE FLAT WASHER1.195.7100.0015.
CO SNAP RING SB 818.5.3.0095516.
CO FLAT WASHER 25 X 44 X 48.3.2.0040917.
NUT CASTLE M 24 X 28.2.2.0114418.
CO COTTER PIN B5 X 508.4.7.0051619.
CO SHIM 40.3 X 51.5 826-067CA244.50120.
CO PINION Z12 M4.70.195.5000.0021.
BEARING BALL 6207822-166C22.
CO OIL SEAL 35 X 72 X 108.7.3.0005523.
CO CROWN GEAR Z33 M4.70.195.6000.0024.
CO OIL LEVEL PLUG 3/8" GASU0.195.7101.0025.
07/23/08 AT2560, AT2572, (AT2584 See AT2684), AT2660, AT2672, AT2684 & AT3590 Air Tunnel Grooming Mower 310-002P 71
Table of Contents Part Number Index
Section 5: Gearboxes Land Pride
AT25 SERIES
Gearbox (826-326C) Comer AT2660, AT2672 & AT2684
Applies to AT2584

RevisionCommentsPart DescriptionPart No.Ref.
Drawing Image Numberdwg15220
DRIVELINE CAT.2 W/EXT. CONE826-297C
EC TWIST COLLAR KIT (TRT. END)10042201.
EC YOKE ASSEMBLY (TRACT. END)10130102.
EC CROSS ASSEMBLY10030203.
EC OUTER TUBE YOKE17030274.
EC 08X60 1485DIN ROLL PIN63308605.
EC 850MM OUT. STOCK LENGTH TB.15240856.
EC 850MM INNER STOCK LENGTH TB15230857.
EC INNER TUBE YOKE17030298.
EC TWIST COLLAR KIT (IMP. END)10042249.
EC YOKE ASSEMBLY (TRACT. END)111301010.
EC TUBE BEARING178421011.
EC OUTER TUBE RIGID CONE188420112.
EC SOFT CONE188420313.
EC PIN STOP ROTATION178421214.
DRIVELINE SHIELD SAFETY CHAIN04432115.
EC 770MM OUTER STOCK SHEILD TB187307716.
EC INNER TUBE SHEILD 770MM187207717.
EC SOFT LONG CONE188420518.
EC INNER TUBE RIGID CONE188420219.
EC TUBE BEARING178421120.
DECAL DANGER PTO DRIVELINE818-552C21.
DECAL DANGER GUARD MISS PTO818-540C22.
EC 8X55-DIN-1481 O/TUBE R/PIN633085523.
EC PULL COLLAR KIT100422524.
EC YOKE ASSEMBLY101401225.
07/23/08 AT2560, AT2572, (AT2584 See AT2684), AT2660, AT2672, AT2684 & AT3590 Air Tunnel Grooming Mower 310-002P 73
Table of Contents Part Number Index
Section 6: Drivelines Land Pride
AT25 SERIES
Driveline (826-297C) Eurocardan
Applies to AT2584

RevisionCommentsPart DescriptionPart No.Ref.
Drawing Image Numberdwg22053
FD/AT SAFETY DECAL PACKAGE310-086A
FD/AT2560 DECAL PACKAGE310-074A
FD/AT2572 DECAL PACKAGE310-075A
DECAL DANGER ROTATE BLADE818-555C1.
DECAL DANGER THROWN OBJ CUTTER818-556C2.
DECAL GREASE EVERY 25 HOURS818-138C3.
DECAL FLAG818-190C4.
(S/N 254707-)DECAL 60 LP - BLACK818-090C5.
(S/N 254707-)DECAL 72 LP - BLACK818-092C5.
Rev. 2 not compat. w/Rev. 1(S/N 254708+)DECAL LANDPRIDE 13.25" - BROWN818-899C6.
Rev. 1(S/N 254707-)LP LOGO LARGE GREEN818-162C6.
(S/N 254707-)DECAL 25 SERIES LP - BLACK818-085C7.
DECAL WARNING GEN SAFE MOWER818-558C8.
Rev. 2 not compat. w/Rev. 1(S/N 254708+)DECAL LP W/TREE 10" - 3 COLOR818-892C9.
Rev. 1(S/N 254707-)LP LOGO SMALL BUCKSKIN818-165C9.
DECAL DANGER PTO DRIVELINE818-552C10.
DECAL PTO 826-064C818-249C11.
DECAL PTO FD/AT {826-012C}818-139C11.
DECAL DANGER GUARD MISS PTO818-540C12.
DECAL CAUTION V-BELT INST 6072818-144C13.
DECAL CAUTION 540 RPM818-130C14.
(S/N 254707-)DECAL DANGER CANNOT READ ENG818-557C15.
DECAL DANGER PTO DRIVELINE EN818-142C16.
DECAL RED REFLECTOR818-230C17.
DECAL NOTICE TO OWNER-NO WARRA818-560C18.
(S/N 254750-)DECAL AT LAND PRIDE BLACK818-728C19.
DECAL GREASE 25HRS BLACK/WHITE)818-298C20.
DECAL DANGER PD GUARD MISS SML818-543C21.
(S/N 254751+)DECAL AT2560-BROWN818-916C22.
(S/N 254751+)DECAL AT2572-BROWN818-917C22.
DECAL QUICK HITCH SYSTEM838-517C23.
07/23/08 AT2560, AT2572, (AT2584 See AT2684), AT2660, AT2672, AT2684 & AT3590 Air Tunnel Grooming Mower 310-002P 75
Table of Contents Part Number Index
Section 6: Labels Land Pride
AT25 SERIES
Label Placement
Applies to AT2560, AT2572

RevisionCommentsPart DescriptionPart No.Ref.
Drawing Image Numberdwg18887
AT2560 DECAL PACKAGE310-213A
AT2572 DECAL PACKAGE310-214A
AT2684 DECAL SHIPOUT BUNDLE310-318A
DECAL NOTICE TO OWNER-NO WARRA818-560C1.
DECAL WARNING GEN SAFE MOWER818-558C2.
DECAL DANGER PD GUARD MISS SML818-543C3.
DECAL CAUTION 540 RPM818-130C4.
DECAL AT2660-BROWN838-300C5.
DECAL AT2672-BROWN838-339C5.
DECAL AT2684 - BROWN838-260C5.
DECAL DANGER ROTATE BLADE818-555C6.
DECAL V-BELT INST. AT2660838-277C7.
DECAL V-BELT INSTALLATION838-262C7.
DECAL V-BELT INST. AT2684838-262C7.
DECAL DANGER THROWN OBJ CUTTER818-556C8.
DECAL LP W/TREE 10" - 2 COLOR818-890C9.
DECAL DANGER PTO DRIVELINE818-552C10.
DECAL GREASE 25HRS BLACK/WHITE818-298C11.
DECAL GREASE EVERY 25 HOURS818-138C12.
DECAL FLAG818-190C13.
DECAL RED REFLECTOR818-230C14.
DECAL DRIVELINE 826-273C838-063C15.
DECAL DANGER GUARD MISS PTO818-540C16.
Beneath grass chuteDECAL DANGER GUARD/BLADE HAZ.838-272C17.
DECAL LANDPRIDE 13.25" - BROWN818-899C18.
DECAL DANGER PTO DRIVELINE EN818-142C19.
DECAL QUICK HITCH SYSTEM838-517C20.
DECAL 5 YEAR GEARBOX WARRANTY818-862C21.
07/23/08 AT2560, AT2572, (AT2584 See AT2684), AT2660, AT2672, AT2684 & AT3590 Air Tunnel Grooming Mower 310-002P 77
Table of Contents Part Number Index
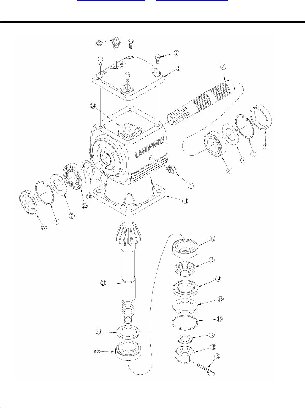
Section 7: Labels Land Pride
AT25 SERIES
Label Placement AT26
Applies to AT2584

RevisionCommentsPart DescriptionPart No.Ref.
Drawing Image Numberdwg22054
FRONT ROLLER - 72 WIND TUNNEL310-050S
4 X 10 ROLLER WHEEL817-049C1.
NUT LOCK 3/4-16 NYLOC COLLAR803-114C2.
WASHER LOCK 7/16 PLT804-014C3.
SCREW SLOTTED RD HD 3/8-16 X 1801-043C4.
NUT HEX 3/8-16 PLT803-014C5.
W.T. ROLLER BRKT. W/SHAFT310-055H6.
RH ROLLER BRACKET 72 WT310-128D7.
07/23/08 AT2560, AT2572, (AT2584 See AT2684), AT2660, AT2672, AT2684 & AT3590 Air Tunnel Grooming Mower 310-002P 79
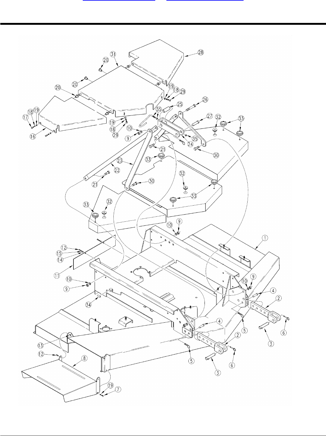
Table of Contents Part Number Index
Section 7: Options Land Pride
AT25 SERIES
Front Anti-Scalping Roller
Applies to AT2560, AT2572

RevisionCommentsPart DescriptionPart No.Ref.
Drawing Image Numberdwg18882
FRONT ROLLER AT2660-72-84310-317S
RHSNB 3/8-16X1 GR5802-015C1.
NUT HEX 3/4-10 PLT NYLOCK803-025C2.
WLDMT. ROLLER SHAFT310-266H3.
FRONT ROLLER BRACKET LH.310-551D4.
4 X 10 ROLLER WHEEL817-049C5.
FRONT ROLLER BRACKET RH.310-550D6.
WASHER FLAT 3/4 SAE PLT804-025C7.
PIN COTTER 3/16 X 1 1/4 PLT805-016C8.
07/23/08 AT2560, AT2572, (AT2584 See AT2684), AT2660, AT2672, AT2684 & AT3590 Air Tunnel Grooming Mower 310-002P 81
Table of Contents Part Number Index
Section 2: Decks Land Pride
AT26 SERIES
Front Roller
Applies to AT2660, AT2672, AT2684

RevisionCommentsPart DescriptionPart No.Ref.
Drawing Image Numberdwg18883
KNOB 3/8-16 MALE THD 2 3/8OD817-358C1.
RUBBER PLUG 1 3/8 W/CROSS SLIT816-298C2.
PLASTIC BELT GUARD RH. AT2660817-428C3.
PLASTIC BELT GUARD RH. AT2672817-436C3.
PLASTIC BELT GUARD RH. AT2584817-408C3.
PLASTIC BELT GUARD LH. AT2660817-429C4.
PLASTIC BELT GUARD LH. AT2672817-437C4.
PLASTIC BELT GUARD LH. AT2584817-409C4.
AT2660 & AT2672RUBBER DISCHARGE DEFLECTOR817-427C5.
AT2684 (Shown)RUBBER DISCHARGE DEFLECTOR817-412C5.
RHSNB 3/8-16X3/4 GR5802-149C6.
AT2660 & AT2672TOP PLATE HINGE SUPPORT310-578D7.
AT2684 (Shown)TOP PLATE HINGE SUPPORT310-563D7.
AT2660 & AT2672HINGE SUPPORT310-579D8.
AT2684 (Shown)HINGE SUPPORT310-562D8.
NUT HEX FLANGE LOCK 5/8-11803-263C9.
NUT HEX WHIZ 3/8-16 PLT803-198C10.
AT2660 & AT2672RHSNB 5/8-11X7 1/2 PLT802-692C11.
AT2684 (Shown)RHSNB 5/8-11X10 GR5 PLT802-688C11.
SPRING TORSION807-189C12.
07/23/08 AT2560, AT2572, (AT2584 See AT2684), AT2660, AT2672, AT2684 & AT3590 Air Tunnel Grooming Mower 310-002P 83
Table of Contents Part Number Index
Section 2: Decks Land Pride
AT26 SERIES
Guards
Applies to AT2660, AT2672, AT2684

RevisionCommentsPart DescriptionPart No.Ref.
Drawing Image Numberdwg18881
HHCS 5/8-18X5 GR5802-307C1.
A-FRAME310-474D2.
PIVOTING HITCH - UPPER310-015D3.
AT2660REAR BRACE310-583D4.
AT2672REAR BRACE310-597D4.
AT2584 (Shown)REAR BRACE310-475D4.
NUT HEX FLANGE LOCK 5/8-11803-263C5.
WASHER LOCK SPRING 5/8 PLT804-022C6.
NUT HEX 5/8-18 PLT803-022C7.
SPACER - TOP HITCH310-012D8.
PIN HAIR COTTER .120 PLT805-143C9.
PIN CLEVIS 3/4 X 3 1/2 PLT805-142C10.
HFS 5/8-11 X 1 3/4 GR5/8802-657C11.
WLDMT. AT2660310-321H12.
WLDMT. AT2672310-329H12.
(Shown)WLDMT. AT2584310-290H12.
PIN CLEVIS 3/4 X 2 1/2 PLT805-140C13.
LOWER HITCH PIN310-020S14.
LOWER HITCH WELDMENT310-019H15.
OptionalLOWER HITCH WELDMENT 16 1/8310-212H15.
PIN LYNCH 5/16 X 1 3/4805-015C16.
(S/N 317416+)DRIVELINE HOOK HANGER W/HRDWR800-320C17.
(S/N ______+)HHCS 1/4-20X1 GR5802-005C18.
(S/N ______+)MANUAL STORAGE CONTAINER816-504C19.
(S/N ______+)WASHER FLAT 1/4 SAE PLT804-007C20.
(S/N ______+)NUT HEX NYLOCK 1/4-20803-255C21.
07/23/08 AT2560, AT2572, (AT2584 See AT2684), AT2660, AT2672, AT2684 & AT3590 Air Tunnel Grooming Mower 310-002P 85
Table of Contents Part Number Index
Section 2: Decks Land Pride
AT26 SERIES
Hitch
Applies to AT2660, AT2672, AT2684

RevisionCommentsPart DescriptionPart No.Ref.
Drawing Image Numberdwg13629
TIRE 10 X 4 TUBELESS AIR814-071C1.
TILDEN BRG 3/4IDX1 3/8ODX3 1/453-1822.
HoosierHS 3/4ID X 2 1/2LG ROLLER BRG874132.
RPBY 53-164BF-15063.
HoosierRPBY 53-164RT-34143.
TILDEN RTNR 3/4IDX1 3/8OD53-1643.
BRG NEILSON 3/4ID1.34ODX15/16L953164.
07/23/08 AT2560, AT2572, (AT2584 See AT2684), AT2660, AT2672, AT2684 & AT3590 Air Tunnel Grooming Mower 310-002P 87
Table of Contents Part Number Index
Section 3: Gauge Wheel Land Pride
AT26 SERIES
Gauge Wheel (814-071C)
Applies to AT2660, AT2672

RevisionCommentsPart DescriptionPart No.Ref.
Drawing Image Numberdwg10499
MRTN HGH SPD SPCR3/4ID 1.125ODHSS-341.
MRTN GREASE SEAL 1.125(1.78OD)GS-32.
BEARING CONE #LM 11949822-045C3.
BEARING CUP #LM 11910822-050C4.
Complete Assembly11 X 400-5 RIB TIRE W 3/4 BRGS814-144C5.
Complete Assembly11X400-5 (LITE FOAM) RIB TIRE814-191C5.
814-144C OnlyTIRE MARTIN506-4R-I6.
Gauge Wheel814-144C6.
Gauge Wheel814-191C6.
07/23/08 AT2560, AT2572, (AT2584 See AT2684), AT2660, AT2672, AT2684 & AT3590 Air Tunnel Grooming Mower 310-002P 89
Table of Contents Part Number Index
Section 3: Gauge Wheel Land Pride
AT26 SERIES
Gauge Wheel (814-144C) & (814-191C)
Applies to AT2684

RevisionCommentsPart DescriptionPart No.Ref.
Drawing Image Numberdwg22240
MRTN HGH SPD SPCR3/4ID 1.125ODHSS-341.
MRTN GREASE SEAL 1.125(1.78OD)GS-32.
BEARING CONE #LM 11949822-045C3.
BEARING CUP #LM 11910822-050C4.
Complete AssemblyTIRE 11X4.00-5 RIB SEMI-SOLID814-271C5.
07/23/08 AT2560, AT2572, (AT2584 See AT2684), AT2660, AT2672, AT2684 & AT3590 Air Tunnel Grooming Mower 310-002P 91
Table of Contents Part Number Index
Section 3: Gauge Wheel Land Pride
AT26 SERIES
Gauge Wheel (814-271C)
Applies to AT2684

RevisionCommentsPart DescriptionPart No.Ref.
Drawing Image Numberdwg17714
HS BRG 3/4ID X 1.407OD X 5/8LG870401.
HS CGD RLR BRG.75IDX1.37X1.5LG874102.
TIRE 10X3.25 SOLID STRT RIB CR814-188C3.
07/23/08 AT2560, AT2572, (AT2584 See AT2684), AT2660, AT2672, AT2684 & AT3590 Air Tunnel Grooming Mower 310-002P 93
Table of Contents Part Number Index
Section 3: Gauge Wheel Land Pride
AT26 SERIES
Gauge Wheel Tire (814-188C)
Applies to AT2660, AT2672

RevisionCommentsPart DescriptionPart No.Ref.
Drawing Image Numberdwg18884
PIN LYNCH 1/4 X 1 3/4 PLT805-126C1.
SPACER 1/2827-001C2.
SPACER 1827-002C3.
AT2684 (Shown)11' GW YOKE 5 1/8X5 1/8 INSIDE315-300H4.
AT2660 & AT2672GAUGE WHEEL YOKE(5 1/8 INSIDE)310-149H4.
HHCS 3/4-10X7 GR5802-095C5.
NUT HEX 3/4-10 PLT NYLOCK803-025C6.
AT268411 X 400-5 RIB TIRE W 3/4 BRGS814-144C7.
Rev. 2AT2684 S/N 467406+TIRE 11X4.00-5 RIB SEMI-SOLID814-271C7.
Rev. 1AT2684 S/N 467405-RPBY 814-271C814-191C7.
AT2660 & AT2672TIRE 4.10/3.50-4 TUBELESS AIR814-071C7.
AT2660 & AT2672TIRE 10X3.25 SOLID STRT RIB CR814-188C7.
AT2684 S/N 467406+11X4 SEMISOLID TIRE W/YOKE SUB310-314S8.
AT2684 S/N 467405-11X4.00 CASTER GW YOKE315-291S8.
AT2660 & AT26724X10 AIR TIRE & YOKE ASSY310-105S8.
AT2660 & AT26723.25X10 SOLID TIRE/YOKE ASSY310-017S8.
SPINDLE BUSHING817-048C9.
GREASE ZERK STRAIGHT 1/4-28800-001C10.
AT2660WELDMENT GAUGE WHEEL ARM310-327H11.
AT2672WELDMENT GAUGE WHEEL ARM310-355H11.
AT2684 (Shown)WELDMENT GAUGE WHEEL ARM310-296H11.
AT2660ASSY. GAUGE WHEEL ARM310-326S12.
AT2672ASSY. GAUGE WHEEL ARM310-354S12.
AT2684 (Shown) Includes items 9,
10 & 11
ASSY. GAUGE WHEEL ARM310-295S12.
HFS 1/2-13 X 3 1/2 GR5/8802-658C13.
NUT HEX WHIZ 1/2-13 PLT803-037C14.
S/N 511277+NUT HEX FLG/LK 1/2-20 PLT.GR803-308C15.
S/N 511276-NUT HEX 1/2-20 PLT803-018C15.
S/N 511276-WASHER LOCK SPRING 1/2 PLT804-015C16.
GAUGE WHEEL SPACER - SHORT310-024D17.
GAUGE WHEEL SPACER(SOLID TIRE)310-329D17.
SPACER TUBE GA. WHL. 5 1/8 LG310-328D18.
HHCS 1/2-20X6 1/2 GR5802-350C19.
BUSHING 3/4 I.D. 1 3/8 X 1 LG890-189C20.
HS BUSH 3/4IDX1 1/8ODX 5/8LG8701020.
ZERK STAKED800-100C21.
HS CGD RLR BRG.75IDX1.37X1.5LG8741022.
07/23/08 AT2560, AT2572, (AT2584 See AT2684), AT2660, AT2672, AT2684 & AT3590 Air Tunnel Grooming Mower 310-002P 95
Table of Contents Part Number Index
Section 3: Gauge Wheel Land Pride
AT26 SERIES
Gauge Wheels
Applies to AT2660, AT2672, AT2684

RevisionCommentsPart DescriptionPart No.Ref.
Drawing Image Numberdwg18886
AT2660, AT2672, AT2684 S/N
337567+
GBOX MOWER 50 HP 1:2.8 CW826-326C1.
AT2684 (S/N 311165 <-> 337566-)REP BY 826-326C826-311C1.
AT2684 (S/N 311164-)REP BY 826-326C826-296C1.
HHCS 5/8-18X1 3/4 GR5802-246C2.
AT2660 S/N 499702+GEARBOX MOUNT ASSEMBLY310-414V3.
AT2660 S/N 499701-WELDMENT GEARBOX MOUNT310-323H3.
AT2672 S/N 499702+GEARBOX MOUNT ASSEMBLY310-415V3.
AT2672 S/N 499701-WELDMENT GEARBOX MOUNT310-330H3.
AT2684 S/N 499702+GEARBOX MOUNT ASSEMBLY310-413V3.
AT2684 S/N 499701-WLDMT. GEARBOX MOUNT310-291H3.
WASHER LOCK SPRING 5/8 PLT804-022C4.
NUT HEX 5/8-18 PLT803-022C5.
Rev. 2 not compat. w/Rev. 1(S/N 344470+) AT2560 & AT2672B-GROOVE PULLEY 11" CAST-IRON808-335C6.
Rev. 1(S/N 344469-)B-GROOVE DRIVE PULLEY 11 O.D.808-126C6.
Rev. 2 not compat. w/Rev. 1(S/N 344470+) AT2684B-GROOVE PULLEY 9" CAST-IRON808-333C6.
Rev. 1(S/N 344469-)B-GROOVE PULLEY 9 O.D.808-076C6.
OMNI NUT HEX SLOTTED, 1-14UNC1200507.
AT2660ASSY. GEARBOX MOUNT310-322S8.
AT2672ASSY. GEARBOX MOUNT310-331S8.
AT2684ASSY. GEARBOX MOUNT310-292S8.
NUT HEX WHIZ 1/2-13 PLT803-037C9.
GREASE ZERK STRAIGHT 1/4-28800-001C10.
NUT LOCK 3/4-16 NYLOC COLLAR803-114C11.
WASHER FLAT 3/4 HARD ASTMF436804-093C12.
AT2660B-GROOVE PULLEY 5 O.D.808-075C13.
AT2672 & AT2684B-GROOVE DRIVE PULLEY 6 O.D.808-127C13.
BEARING 6206 W/ METAL SHIELD822-161C14.
AT2660, AT2672 & AT2684 S/N
329661+
BLADE SPINDLE SHAFT CW TG310-630D15.
AT2684 S/N 329660-BLADE SPINDLE SHAFT CW310-454D15.
1/4 SQ. KEY X 7/8 LG172-242D16.
BLADE HUB MACHINED TOP GREASE310-457D17.
BEARING 206822-006C18.
AT2660CW TG SPINDLE HUB ASSY 5" PULL310-248S19.
AT2672CW TG SPINDLE HUB ASSY 6" PULL310-249S19.
AT2684CW TG SPINDLE HUB ASSY 6" PULL310-261S19.
HHCS 7/16-20X1 1/2 GR8802-229C20.
AT2660V-BELT B103 106 E.L. KEVLAR816-308C21.
AT2672V-BELT B136 138.9 E.L. KEVLAR816-116C21.
AT2684V-BELT B150 153 E.L. KEVLAR816-338C21.
WASHER LOCK 7/16 PLT804-014C22.
NUT HEX 7/16-20 PLT803-115C23.
BLADE WASHER-90310-227D24.
Rev. 2(S/N 319784+)NUT HEX FLG. LOCK 1/2-20 PLT.803-308C25.
Rev 1; Use up stock(S/N 319783-)NUT HEX 1/2-20 PLT803-018C25.
(S/N 319783-)WASHER LOCK SPRING 1/2 PLT804-015C26.
AT2684BLADE BAR RH. THRD 10.50 CTR.315-823D27.
Standard high lift AT2660MWR BLD 1/4 X 20 29/32SD HL CW890-171C28.
Optional medium lift AT2660MWR BLD 1/4 X 20 29/32SD ML CW890-375C28.
Optional low lift AT2660MWR BLD 5/16X20 29/32SD LL CW890-204C28.
Optional mulch AT2660MWR BLD MULCH 1/4X20.91SD CW890-702C28.
Standard high lift AT2672MWR BLD 1/4 X 25SD HL CW890-172C28.
Optional medium lift AT2672MWR BLD 1/4 X 25SD ML CW890-318C28.
Optional low lift AT2672MWR BLD 5/16 X 25SD LL CW890-200C28.
Optional mulch AT2672MWR BLD MULCH 1/4X25SD CW890-698C28.
Optional high lift AT2684MWR BLD 5/16 X 29 SD HL CW890-684C28.
07/23/08 AT2560, AT2572, (AT2584 See AT2684), AT2660, AT2672, AT2684 & AT3590 Air Tunnel Grooming Mower 310-002P 97
Table of Contents Part Number Index
Section 4: Drive Land Pride
AT26 SERIES
Belt Drive
Applies to AT2660, AT2672, AT2684

RevisionCommentsPart DescriptionPart No.Ref.
Standard medium lift AT2684
(Shown)
MWR BLD 5/16 X 29 SD ML CW890-675C28.
Optional low lift AT2684MWR BLD 5/16 X 29 SD LL CW890-685C28.
Optional mulch AT2684MWR BLD MULCH 1/4X29SD CW890-706C28.
HHCS 1/2-20X1 3/4 GR5802-329C29.
Rev. 2 not compat. w/Rev. 1(S/N 329661+)HFS 1/2-20X2 GR8802-695C30.
Rev. 1(S/N 329660-)HFS 1/2-20X1 1/4 GR5802-384C30.
WASHER BLADE 2ODX.56THKX.51ID804-110C31.
NUT HEX FLANGE LOCK 5/8-11803-263C32.
FLAT IDLER PULLEY 6 3/4 O.D.808-129C33.
HHCS 5/8-11X4 1/4 GR5802-151C34.
RUBBER PLUG 1 3/8 W/CROSS SLIT816-298C35.
AT2672 & AT2684DRIVELINE CAT.2 W/EXT. CONE826-297C36.
DRIVELINE CAT.4 SC 540RPM826-064C36.
AT2600REP BY 826-064C826-012C36.
KEY 1/4 X 11/16 LONG310-331D37.
OMNI COTTER PIN 5 X 5010000138.
HFSS 1/2-13X1 1/2 GR5802-203C39.
AT2660 & AT2672BLADE HUB - 7/8 (PLATED)310-300D40.
98 AT2560, AT2572, (AT2584 See AT2684), AT2660, AT2672, AT2684 & AT3590 Air Tunnel Grooming Mower 310-002P 07/23/08
Table of Contents Part Number Index
Land Pride Section 4: Drive
AT26 SERIES
Belt Drive (continued)
Applies to AT2660, AT2672, AT2684

RevisionCommentsPart DescriptionPart No.Ref.
Drawing Image Numberdwg18885
HFS 5/8-11 X 1 3/4 GR5/8802-657C1.
FLAT IDLER PULLEY 6 3/4 O.D.808-129C2.
WASHER FLAT 5/8 USS PLT804-019C3.
SPACER BUSHING310-494D4.
SPRING IDLER BRACKET310-493D5.
NUT HEX FLANGE LOCK 5/8-11803-263C6.
SPRING EXT BELT HANDLE807-068C7.
CHAIN WELD 1/4 PROOF X 3 LINK890-641C8.
EYE BOLT OPEN 3/8-16X3 1/2802-668C9.
NUT HEX 3/8-16 PLT803-014C10.
WASHER FLAT 5/8 SAE PLT804-021C11.
07/23/08 AT2560, AT2572, (AT2584 See AT2684), AT2660, AT2672, AT2684 & AT3590 Air Tunnel Grooming Mower 310-002P 101
Table of Contents Part Number Index
Section 4: Drive Land Pride
AT26 SERIES
Belt Take-Up
Applies to AT2660, AT2672, AT2684

RevisionCommentsPart DescriptionPart No.Ref.
Drawing Image Numberdwg18948
RC-25 1:2.8 CW 90 BOX(RC25HR)826-296C
OMNI SCREW-5/16"-18UNC X 7/8"1101921.
OMNI LOCKWASHR 5/16"SPLIT TYPE1300062.
OMNI CAP-INPUT0202243.
OMNI GASKET-INPUT 0.50MM0702494.
OMNI GASKET-INPUT 0.30MM0702485.
OMNI GASKET-INPUT 0.20MM0702476.
OMNI GASKET-INPUT 0.10MM0702467.
OMNI SEAL-INPUT CR139300601278.
OMNI BEARING CUP 302070501709.
OMNI BEARING CONE 3020705017210.
OMNI RTNG. RING 38MM RC DSH-3820014011.
OMNI SHAFT-INPUT 1-3/8"-6 SPLN04049112.
OMNI RTNG. RING 38MM RC DSH-3820014113.
OMNI GEAR INPUT, 34T03045714.
OMNI SHIM INPUT 0.30MM09018115.
OMNI SHIM INPUT 0.20MM09018016.
OMNI SHIM INPUT 0.10MM09017917.
OMNI SCREW-1/4"-20 UNC X 3/4"11000918.
OMNI LOCKWASHR 1/4" SPLIT TYPE13002819.
OMNI INSPECTION COVER24028020.
OMNI HOUSING-RC-2501025221.
OMNI PLUG SQ.HD.1/2-14NPT W/DP14004722.
OMNI PIPE PLUG 1/2' SQ HEAD14000023.
OMNI PINION-OUTPUT 12T03045624.
OMNI SHIM OUTPUT 0.10MM09018225.
OMNI SHIM OUTPUT 0.20MM09018326.
OMNI SHIM OUTPUT 0.30MM09018427.
OMNI BEARING CONE 3020805019728.
OMNI BEARING CUP 3020805019529.
OMNI SPACER OUTPUT09018530.
OMNI SHIM OUTPUT 0.10MM09018631.
OMNI SHIM OUTPUT 0.20MM09018732.
OMNI SHIM OUTPUT 0.30MM09018833.
OMNI RETAINING RING20000034.
OMNI GASKET-OUTPUT 0.10MM07025035.
OMNI GASKET-OUTPUT 0.20MM07025136.
OMNI GASKET-OUTPUT 0.30MM07025237.
OMNI GASKET-OUTPUT 0.50MM07025338.
OMNI SEAL-OUTPUT CR1582206012839.
OMNI CAP-OUTPUT02022540.
OMNI NUT HEX SLOTTED, 1-14UNC12005041.
OMNI COTTER PIN 5 X 5010000142.
OMNI PLUG PIPE SQ HD1/8-27NPTF14001743.
OMNI SPACER, INPUT09034144.
07/23/08 AT2560, AT2572, (AT2584 See AT2684), AT2660, AT2672, AT2684 & AT3590 Air Tunnel Grooming Mower 310-002P 103
Table of Contents Part Number Index
Section 5: Gearboxes Land Pride
AT26 SERIES
Gearbox (826-296C) OMNI
Applies to AT2684

RevisionCommentsPart DescriptionPart No.Ref.
Drawing Image Numberdwg19602
RC-25 1:2.8 CW 90 BOX(RC25HR)826-311C
OMNI SCREW-5/16"-18UNC X 7/8"1101921.
OMNI LOCKWASHR 5/16"SPLIT TYPE1300062.
OMNI CAP-INPUT0202243.
OMNI GASKET-INPUT 0.50MM0702494.
OMNI GASKET-INPUT 0.30MM0702485.
OMNI GASKET-INPUT 0.20MM0702476.
OMNI GASKET-INPUT 0.10MM0702467.
OMNI SEAL-INPUT CR139300601278.
OMNI BEARING CUP 302070501709.
OMNI BEARING CONE 3020705017210.
OMNI RTNG. RING 38MM RC DSH-3820014011.
OMNI SHAFT INPUT 1 3/8" - 6A04049112.
OMNI RTNG. RING 38MM RC DSH-3820014113.
OMNI GEAR INPUT, 34T03045714.
OMNI SHIM INPUT 0.30MM09018115.
OMNI SHIM INPUT 0.20MM09018016.
OMNI SHIM INPUT 0.10MM09017917.
OMNI SCREW-1/4"-20 UNC X 3/4"11000918.
OMNI LOCKWASHR 1/4" SPLIT TYPE13002819.
OMNI INSPECTION COVER24028020.
OMNI HOUSING RC-25 SERIES01025221.
OMNI PLUG SQ.HD.1/2-14NPT W/DP14004722.
OMNI PIPE PLUG 1/2' SQ HEAD14000023.
OMNI PINION-OUTPUT 12T03045624.
OMNI SHIM OUTPUT 0.10MM09018225.
OMNI SHIM OUTPUT 0.20MM09018326.
OMNI SHIM OUTPUT 0.30MM09018427.
OMNI BEARING CONE 3020805019728.
OMNI BEARING CUP 3020805019529.
OMNI OUTPUT SPACER 27mm310-580D30.
OMNI SHIM OUTPUT 0.10MM09018631.
OMNI SHIM OUTPUT 0.20MM09018732.
OMNI SHIM OUTPUT 0.30MM09018833.
OMNI RETAINING RING20000034.
OMNI GASKET-OUTPUT 0.10MM07025035.
OMNI GASKET-OUTPUT 0.20MM07025136.
OMNI GASKET-OUTPUT 0.30MM07025237.
OMNI GASKET-OUTPUT 0.50MM07025338.
OMNI SEAL-OUTPUT CR1582206012839.
OMNI CAP-OUTPUT02022540.
OMNI NUT HEX SLOTTED, 1-14UNC12005041.
OMNI COTTER PIN 5 X 5010000142.
OMNI PLUG PIPE SQ HD1/8-27NPTF14001743.
OMNI SPACER, INPUT09034144.
OMNI OUTPUT SHAFT SHIM 2mm310-581D45.
OMNI HOUSING TAKE-UP SPACER310-582D46.
07/23/08 AT2560, AT2572, (AT2584 See AT2684), AT2660, AT2672, AT2684 & AT3590 Air Tunnel Grooming Mower 310-002P 105
Table of Contents Part Number Index
Section 5: Gearboxes Land Pride
AT26 SERIES
Gearbox (826-311C) AT2684) OMNI
Applies to AT2684

RevisionCommentsPart DescriptionPart No.Ref.
Drawing Image Numberdwg19549
GBOX MOWER 50 HP 1:2.8 CW826-326C
CO OIL PLUG 3/88.6.5.000061.
CO BOLT M8X22 HHB8.1.1.005012.
CO COVER0.195.1300.003.
CO INPUT SHAFT 1" 3/8 Z60.195.2000.004.
CO CAP 72 X 108.7.0.007445.
CO SNAP RING INT 72 UN174378.5.2.001316.
COMER SHIM KIT 71.7A.248.5007.
CO ROLLER BEARING 30207 CL-B8.0.9.000268.
CO SNAP RING 40 UNI 74368.5.1.006809.
CO SHIM 35.3 X 48 X 2.50.259.7525.0010.
CO HOUSING0.195.0300.0011.
CO ROLLER BEARING 32208 CL-B8.0.9.0010212.
CO NUT M40 X 1.50.278.7103.0013.
CO OIL SEAL 35 X 80 X 10 RTA358.7.3.0008114.
CO PROTECTIVE FLAT WASHER1.195.7100.0015.
CO SNAP RING SB 818.5.3.0095516.
CO FLAT WASHER 25 X 44 X 48.3.2.0040917.
NUT CASTLE M 24 X 28.2.2.0114418.
CO COTTER PIN B5 X 508.4.7.0051619.
CO SHIM 40.3 X 51.5 826-067CA244.50120.
CO PINION Z12 M4.70.195.5000.0021.
BEARING BALL 6207822-166C22.
CO OIL SEAL 35 X 72 X 108.7.3.0005523.
CO CROWN GEAR Z33 M4.70.195.6000.0024.
CO OIL LEVEL PLUG 3/8" GASU0.195.7101.0025.
07/23/08 AT2560, AT2572, (AT2584 See AT2684), AT2660, AT2672, AT2684 & AT3590 Air Tunnel Grooming Mower 310-002P 107
Table of Contents Part Number Index
Section 5: Gearboxes Land Pride
AT26 SERIES
Gearbox (826-326C) Comer AT2660, AT2672 & AT2684
Applies to AT2660, AT2672, AT2684

RevisionCommentsPart DescriptionPart No.Ref.
Drawing Image Numberdwg2224
DRIVELINE CAT.4 SC 540RPM826-064C
EC YOKE ASSEMBLY10140121.
EC CROSS ASSEMBLY ( U JOINT)10040202.
EC OUTER TUBE YOKE17040273.
EC 08X60 1485DIN ROLL PIN63308604.
EC OUTER TUBE (1524095) 720MM15240725.
EC INNER TUBE (1525095) 720MM15250726.
EC 8X55-DIN-1481 O/TUBE R/PIN63308557.
EC INNER TUBE YOKE17040298.
EC PULL COLLAR KIT10042259.
EC TUBE BEARING178421010.
EC OUTER TUBE RIGID CONE188420111.
EC STIFFENING RING121323312.
EC SOFT CONE188420313.
EC PIN STOP ROTATION178421214.
EC OUTER TUBE (1873087) 640MM187306415.
EC INNER TUBE (1872087) 640MM187206416.
EC SOFT LONG CONE188420517.
EC INNER TUBE RIGID CONE188420218.
EC TUBE BEARING178421119.
DRIVELINE SHIELD SAFETY CHAIN04432120.
REP BY 044321100606520.
DECAL DANGER PTO DRIVELINE818-552C21.
REP BY 818-552C114000121.
DECAL DANGER GUARD MISS PTO818-540C22.
REP BY 818-540C114000322.
07/23/08 AT2560, AT2572, (AT2584 See AT2684), AT2660, AT2672, AT2684 & AT3590 Air Tunnel Grooming Mower 310-002P 109
Table of Contents Part Number Index
Section 6: Drivelines Land Pride
AT26 SERIES
Driveline (826-064C) Eurocardan
Applies to AT2660

RevisionCommentsPart DescriptionPart No.Ref.
Drawing Image Numberdwg26647
DRIVELINE W/ EXT. CONE826-297C
*
EC TWIST COLLAR KIT (TRT. END)10042201.
RPBY 101401310130102.
EC CROSS ASSEMBLY10030203.
EC OUTER TUBE YOKE17030274.
EC 08X60 1485DIN ROLL PIN63308605.
EC OUTER TUBE (1524095) 850MM15240856.
EC 850MM INNER STOCK LENGTH TB15230857.
EC INNER TUBE YOKE17030298.
EC TWIST COLLAR KIT (IMP. END)10042249.
EC YOKE ASSEMBLY (IMP. END)111301010.
EC TUBE BRG178421011.
EC OUTER TUBE RIGID CONE188420112.
EC SOFT CONE188420313.
EC PIN STOP ROTATION178421214.
DRIVELINE SHIELD SAFETY CHAIN4432115.
EC OUTER TUBE (1873087) 770MM187307716.
EC INNER TUBE (1872087) 770MM187207717.
EC SOFT LONG CONE188420518.
EC INNER TUBE RIGID CONE188420219.
EC TUBE BRG178421120.
DECAL DANGER PTO DRIVELINE818-552C21.
DECAL DANGER GUARD MISS PTO818-540C22.
EC 8X55-DIN-1481 O/TUBE R/PIN633085523.
07/23/08 AT2560, AT2572, (AT2584 See AT2684), AT2660, AT2672, AT2684 & AT3590 Air Tunnel Grooming Mower 310-002P 111
Table of Contents Part Number Index
Section 6: Drivelines Land Pride
AT26 SERIES
Driveline (826-297C) EC (S/N 246675 to 426011)
Applies to AT2660, AT2672, AT2684

RevisionCommentsPart DescriptionPart No.Ref.
Drawing Image Numberdwg26648
DRIVELINE CAT.2 W/EXT. CONE826-297C
*
EC YOKE ASSY (TRACTOR END)10140131.
EC CROSS ASSEMBLY ( U JOINT)10040202.
EC OUTER TUBE YOKE17040273.
EC 08X60 1485DIN ROLL PIN63308604.
EC OUTER TUBE (1524095) 840MM15240845.
EC INNER TUBE (1525095) 840MM15250846.
EC INNER TUBE YOKE17040297.
EC YOKE ASSY (TRACTOR END)10140138.
EC 8X55-DIN-1481 O/TUBE R/PIN63308559.
EC TUBE BRG178421010.
EC OUTER TUBE RIGID CONE188420111.
EC STIFFENING RING121323312.
EC SOFT CONE188420313.
EC PIN STOP ROTATION178421214.
EC OUTER TUBE (1873050) 270MM187302715.
EC INNER TUBE (1872050) 270MM187202716.
EC SOFT LONG CONE188420517.
EC INNER TUBE RIGID CONE188420218.
EC TUBE BRG178421119.
DECAL DANGER PTO DRIVELINE818-552C20.
DECAL DANGER GUARD MISS PTO818-540C21.
DRIVELINE SHIELD SAFETY CHAIN4432122.
EC PULL COLLAR KIT EVOLUTION100422723.
EC PULL COLLAR KIT EVOLUTION100422724.
07/23/08 AT2560, AT2572, (AT2584 See AT2684), AT2660, AT2672, AT2684 & AT3590 Air Tunnel Grooming Mower 310-002P 113
Table of Contents Part Number Index
Section 6: Drivelines Land Pride
AT26 SERIES
Driveline (826-297C) EC (S/N 426012+)
Applies to AT2660, AT2672, AT2684

RevisionCommentsPart DescriptionPart No.Ref.
Drawing Image Numberdwg18887
AT2560 DECAL PACKAGE310-213A
AT2572 DECAL PACKAGE310-214A
AT2684 DECAL SHIPOUT BUNDLE310-318A
DECAL NOTICE TO OWNER-NO WARRA818-560C1.
DECAL WARNING GEN SAFE MOWER818-558C2.
DECAL DANGER PD GUARD MISS SML818-543C3.
DECAL CAUTION 540 RPM818-130C4.
DECAL AT2660-BROWN838-300C5.
DECAL AT2672-BROWN838-339C5.
DECAL AT2684 - BROWN838-260C5.
DECAL DANGER ROTATE BLADE818-555C6.
DECAL V-BELT INST. AT2660838-277C7.
DECAL V-BELT INSTALLATION838-262C7.
DECAL V-BELT INST. AT2684838-262C7.
DECAL DANGER THROWN OBJ CUTTER818-556C8.
DECAL LP W/TREE 10" - 2 COLOR818-890C9.
DECAL DANGER PTO DRIVELINE818-552C10.
DECAL GREASE 25HRS BLACK/WHITE818-298C11.
DECAL GREASE EVERY 25 HOURS818-138C12.
DECAL FLAG818-190C13.
DECAL RED REFLECTOR818-230C14.
DECAL DRIVELINE 826-273C838-063C15.
DECAL DANGER GUARD MISS PTO818-540C16.
Beneath grass chuteDECAL DANGER GUARD/BLADE HAZ.838-272C17.
DECAL LANDPRIDE 13.25" - BROWN818-899C18.
DECAL DANGER PTO DRIVELINE EN818-142C19.
DECAL QUICK HITCH SYSTEM838-517C20.
DECAL 5 YEAR GEARBOX WARRANTY818-862C21.
07/23/08 AT2560, AT2572, (AT2584 See AT2684), AT2660, AT2672, AT2684 & AT3590 Air Tunnel Grooming Mower 310-002P 115
Table of Contents Part Number Index
Section 7: Labels Land Pride
AT26 SERIES
Label Placement AT26
Applies to AT2660, AT2672, AT2684

RevisionCommentsPart DescriptionPart No.Ref.
Drawing Image Numberdwg10482
Rev. 2 not compat. w/Rev. 1(S/N 239293+) (S/N 209357 <->
239292; Need to order item #16, 28,
31 & 33)
90 FRAME WELDMENT310-231H1.
Rev. 1(S/N 209357-)90 FRAME WELDMENT310-091H1.
LOWER HITCH WELDMENT310-019H2.
Rev. 2OptionalLOWER HITCH WELDMENT 16 1/8310-212H2.
Rev 1; Use up stockRPBY 310-212H310-114H2.
LOWER HITCH PIN310-020S3.
Rev. 2PIN CLEVIS 3/4 X 2 1/2 PLT805-140C4.
Rev 1; Use up stockPIN CLEVIS 5/8 X 2 1/2 PLT805-141C4.
PIN HAIR COTTER .120 PLT805-143C5.
PIN LYNCH 5/16 X 1 3/4805-015C6.
SCREW THUMB 1/4-20 X 1/2 LG801-041C7.
90 DISCHARGE CHUTE310-221D8.
NUT HEX 5/8-18 PLT803-022C9.
WASHER LOCK SPRING 5/8 PLT804-022C10.
Rev. 2 not compat. w/Rev. 1(S/N 209358+)DRIVE PULLEY COVER310-432D11.
Rev. 1(S/N 209357-)DRIVE PULLEY COVER310-241D11.
HHCS 1/4-20X3/4 GR5802-004C12.
NUT LOCK 1/4-20 PLT803-007C13.
WASHER FLAT 1/4 SAE PLT804-007C14.
WASHER LOCK SPRING 1/4 PLT804-006C15.
Rev. 2 not compat. w/Rev. 1(S/N 239292+)AT3590 RH BELT COVER310-451D16.
Rev. 1(S/N 239291-)RH BELT COVER-90310-231D16.
(S/N 239291-)HHCS 5/16-18X1 GR5802-159C17.
(S/N 239291-)WASHER LOCK SPRING 5/16 PLT804-009C18.
(S/N 239291-)WASHER FLAT 5/16 USS PLT804-010C19.
(S/N 239291-)BELT GUARD PIN CAP816-072C20.
HHCS 5/8-18X1 3/4 GR5802-246C21.
UPPER HITCH BRACE-90310-218D22.
UPPER HITCH310-068D23.
PIVOTING HITCH - UPPER310-015D24.
SPACER - TOP HITCH310-012D25.
HHCS 5/8-18X5 1/2 GR5802-242C26.
PIN CLEVIS 3/4 X 3 1/2 PLT805-142C27.
Rev. 2 not compat. w/Rev. 1(S/N 239292+)AT3590 LH BELT COVER310-452D28.
Rev. 1(S/N 239291-)LH BELT GUARD-90310-230D28.
HHCS 5/16-18X3/4 GR5802-007C29.
HHCS 5/8-18X2 GR5802-304C30.
Rev. 3 not compat. w/Rev. 2(S/N 239292+)AT3590 CENTER BELT COVER WLDMT310-247H31.
Rev. 2 not compat. w/Rev. 1(S/N 209358 <-> 239291)CENTER BELT COVER-90310-235H31.
Rev. 1(S/N 209357-)CENTER BELT COVER-90310-092H31.
(S/N 239292+)RUBBER PLUG 1 3/8 W/CROSS SLIT816-298C32.
(S/N 239292+)KNOB 3/8-16 FEMALE THD 2 3/8OD817-259C33.
(S/N 239292+)VINYL SEAL 3/8 X 1/2 (PER FT)816-004C34.
(S/N 317416+)DRIVELINE HOOK HANGER W/HRDWR800-320C35.
07/23/08 AT2560, AT2572, (AT2584 See AT2684), AT2660, AT2672, AT2684 & AT3590 Air Tunnel Grooming Mower 310-002P 117
Table of Contents Part Number Index
Section 2: Decks Land Pride
AT35 SERIES
Deck
Applies to AT3590

RevisionCommentsPart DescriptionPart No.Ref.
Drawing Image Numberdwg10485
GW ARM MOUNT 90310-150H1.
GREASE ZERK STRAIGHT 1/4-28800-001C2.
Rev. 2 not compat. w/Rev. 1(S/N 58905+)GAUGE WHEEL SFT PIVOT BUSHING890-202C3.
Rev. 1(S/N 58904-)G.W. SHAFT PIVOT BUSHING890-187C3.
90 GAUGE WHEEL YOKE310-090H4.
SPACER TUBE-LG. G.W.310-249D5.
SPACER TUBE-SH. G.W.310-250D6.
G.W. SPACER 1"310-251D7.
G.W. SPACER 1/2"310-252D8.
HHCS 1/2-20X8 GR5802-305C9.
NUT HEX 1/2-20 PLT803-018C10.
WASHER LOCK SPRING 1/2 PLT804-015C11.
Rev. 3 not compat. w/Rev. 2(S/N 264391+)PIN LYNCH 5/16 X 1 3/4805-015C12.
Rev. 2(S/N 264390-)PIN LYNCH 1/4 X 1 3/4 PLT805-126C12.
Rev 1; Use up stockPIN WIRE RETAINING 1/4 X 1 3/4805-065C12.
Rev. 2(S/N 210958+)TIRE 13X5.00-6 AIR TIREW/HOLES814-114C13.
Rev 1; Use up stock(S/N 210957-)RPBY 814-114C814-070C13.
Rev. 2(S/N 454239 +)TIRE 13X5.0-6SEMI-SOLID SMOOTH814-272C13.
Rev. 1(S/N 454238 -)RPBY 814-272C814-193C13.
GW SPACER 1/4"310-359D14.
Includes items 4 through 1490 G W YOKE SUB ASSY310-100S15.
HHCS 1/2-20X1 1/2 GR5802-036C16.
If requiredG. W. SHIM PLATE-90310-264D17.
07/23/08 AT2560, AT2572, (AT2584 See AT2684), AT2660, AT2672, AT2684 & AT3590 Air Tunnel Grooming Mower 310-002P 119
Table of Contents Part Number Index
Section 2: Decks Land Pride
AT35 SERIES
Gauge Wheel
Applies to AT3590

RevisionCommentsPart DescriptionPart No.Ref.
Drawing Image Numberdwg13631
Neilson/Martin/TildenTIRE 13X5.00-6 AIR TIREW/HOLES814-114C1.
REP BY 814-114C814-070C1.
TIRE 13X5.0-6SEMI-SOLID SMOOTH814-272C1.
RPBY 814-272C814-193C1.
TILDEN BRG 1.38 OD X3.7LG.75ID53-1802.
TILDEN RTNR 3/4IDX1 3/8ODX1/4L53-1643.
TILDEN BRG 3/4ID1.34ODX15/16L53-1894.
07/23/08 AT2560, AT2572, (AT2584 See AT2684), AT2660, AT2672, AT2684 & AT3590 Air Tunnel Grooming Mower 310-002P 121
Table of Contents Part Number Index
Section 2: Decks Land Pride
AT35 SERIES
Gauge Wheel Tire (814-114C), (814-070C),(814-193C) & (814-272C)
Applies to AT3590

RevisionCommentsPart DescriptionPart No.Ref.
Drawing Image Numberdwg10483
PIN HAIR COTTER .094805-010C1.
Rev. 2CEN GBOX COVER AFM40200315-358D2.
Rev 1; Use up stockRPBY 315-358D310-265D2.
PIN COTTER 3/16 X 1805-069C3.
GUARD MTG WELDMENT310-113H4.
WASHER LOCK SPRING 5/16 PLT804-009C5.
HHCS M8X1.25X20 GR8.8802-314C6.
NUT HEX 5/8-18 PLT803-022C7.
WASHER LOCK SPRING 5/8 PLT804-022C8.
TOP IDLER PULLEY TAKE-UP310-248D9.
Rev. 2IDLER PULLEY SPACER310-049D10.
Rev 1; Use up stockRPBY 310-049D310-233D10.
PULLEY IDLER 9" OD808-107C11.
NUT LOCK 5/8-11 PLT803-024C12.
TAKE-UP PULLEY MTG-90310-093H13.
IDLER SLIDE SPACER310-256D14.
RHSNB 5/8-11X1 1/4 GR5802-306C15.
HHCS 7/16-20X1 1/2 GR8802-229C16.
HHCS 5/8-18X5 GR5802-307C17.
IDLER SPACER-90310-232D18.
90" CENTER SPINDLE SUB ASSY310-110S19.
90" RL SPINDLE SUB ASSY310-097S20.
V-BELT C195 199.2 E.L. KEVLAR816-101C21.
NUT HEX 1/2-20 PLT803-018C22.
WASHER LOCK SPRING 1/2 PLT804-015C23.
Standard High LiftMWR BLD 5/16X31 17/32SD HL CW890-223C24.
Optional Medium LiftMWR BLD 5/16X31 17/32SD ML CW890-533C24.
Optional Low LiftMWR BLD 5/16X31 17/32SD LL CW890-205C24.
Optional mulch bladesMWR BLD MULCH 1/4X31.53SD C890-704C24.
BLADE MTG BAR BOTTOM310-228D25.
Rev. 2HHCS 1/2-20X2 GR5802-320C26.
Rev 1; Use up stockHSFCHCS 1/2-20X2 BLK802-302C26.
BLADE MTG BAR TOP310-226D27.
NUT HEX 7/16-20 PLT803-115C28.
WASHER LOCK 7/16 PLT804-014C29.
Rev. 2 not compat. w/Rev. 1(S/N 204173+)SPRING EXT 1 13/32 X 6 EXT807-050C30.
Rev. 1(S/N 204172-)SPRING EXT BELT HANDLE807-068C30.
OVER-CENTER LATCH-90310-094H31.
SPRING EYE-BOLT BRACKET310-095H32.
Rev. 2 not compat. w/Rev. 1(S/N 174815+)SP EYE 3/8-16X4802-567C33.
Rev. 1(S/N 174814-)SP EYE 1/4-20X2 3/4802-233C33.
Rev. 2 not compat. w/Rev. 1(S/N 174815+)NUT HEX 3/8-16 PLT803-014C34.
Rev. 1(S/N 174814-)NUT HEX 1/4-20 PLT803-006C34.
SNAP RING EXT 7/16800-099C35.
CO NUT, CASTLE M24 X 28.2.2.0051536.
PIN COTTER 3/16 X 1 3/4 PLT805-017C37.
HUB WASHER 90" GEAR BOX310-306D38.
FLAT WASHER 24 X 44 X 48.3.2.0040939.
90" DRIVE PULLEY808-108C40.
Furnished with GearboxDRIVE PULLEY HUB - MACH.826-058C41.
LF-135A GEAR BOX W/LP HUB826-055C42.
Rev. 2 not compat. w/Rev. 1HHCS 5/8-18X1 3/4 GR5802-246C43.
Rev. 1HHCS 5/8-18X1 1/2 GR5802-207C43.
GEARBOX SHAFT PROTECTOR817-050C44.
NUT LOCK 5/16-18 PLT803-011C45.
HHCS 5/16-18X2 GR5802-115C46.
KEY 5/8 SQ X 2 LG310-260D47.
07/23/08 AT2560, AT2572, (AT2584 See AT2684), AT2660, AT2672, AT2684 & AT3590 Air Tunnel Grooming Mower 310-002P 123
Table of Contents Part Number Index
Section 3: Drive Land Pride
AT35 SERIES
Belt Drive (S/N 209357-)
Applies to AT3590

RevisionCommentsPart DescriptionPart No.Ref.
Rev. 2 not compat. w/Rev. 1HHCS 1/2-20X1 1/2 GR5802-036C48.
Rev. 1HSFCHCS 1/2-20X1 1/4 BLK802-303C48.
BLADE WASHER-90310-227D49.
90 GROOMING MOWER S.B. PTO826-057C50.
WS PTO 2300 W/FRICTION CLUTCH826-080C50.
124 AT2560, AT2572, (AT2584 See AT2684), AT2660, AT2672, AT2684 & AT3590 Air Tunnel Grooming Mower 310-002P 07/23/08
Table of Contents Part Number Index
Land Pride Section 3: Drive
AT35 SERIES
Belt Drive (S/N 209357-) (continued)
Applies to AT3590

RevisionCommentsPart DescriptionPart No.Ref.
Drawing Image Numberdwg16479
NUT LOCK 3/4-16 NYLOC COLLAR803-114C1.
1/4 SQ. KEY X 7/8 LG172-242D2.
WASHER FLAT 3/4 HARD ASTMF436804-093C3.
Rev. 2PULLEY SPINDLE 7 1/2808-268C4.
Rev 1; Use up stockRPBY 808-268C808-106C4.
BEARING 6007 W/ METAL SHIELD822-162C5.
(S/N 212181 <-> 239291)FTG TUBE,CONNECTOR 1/8 MNPT800-157C6.
(S/N 239291-)BLADE HUB - MACH310-224D7.
(S/N 239291-)RPBY 310-353S310-225D8.
# 107 BEARING SINGLE SEAL822-096C9.
Rev. 2 not compat. w/Rev. 1(S/N 212181 <-> 239291)FDR3590 BLADE HUB ASSY310-228S10.
Rev. 1(S/N 212180-)90" RL SPINDLE SUB ASSY310-097S10.
Rev. 1(S/N 212180-)90" CENTER SPINDLE SUB ASSY310-110S10.
NUT HEX 5/8-18 PLT803-022C11.
WASHER LOCK SPRING 5/8 PLT804-022C12.
TOP IDLER PULLEY TAKE-UP310-248D13.
IDLER PULLEY SPACER310-049D14.
PULLEY IDLER 9" OD808-107C15.
NUT LOCK 5/8-11 PLT803-024C16.
TAKE-UP PULLEY MTG-90310-093H17.
IDLER SLIDE SPACER310-256D18.
RHSNB 5/8-11X1 1/4 GR5802-306C19.
HHCS 7/16-20X1 1/2 GR8802-229C20.
HHCS 5/8-18X5 GR5802-307C21.
IDLER SPACER-90310-232D22.
V-BELT C195 199.2 E.L. KEVLAR816-101C23.
Rev. 2(S/N 319784+)NUT HEX FLG. LOCK 1/2-20 PLT.803-308C24.
Rev 1; Use up stock(S/N 319783-)NUT HEX 1/2-20 PLT803-018C24.
(S/N 210729-)WASHER LOCK SPRING 1/2 PLT804-015C25.
Standard High LiftMWR BLD 5/16X31 17/32SD HL CW890-223C26.
Optional Medium LiftMWR BLD 5/16X31 17/32SD ML CW890-533C26.
Optional Low LiftMWR BLD 5/16X31 17/32SD LL CW890-205C26.
Optional mulchMWR BLD MULCH 1/4X31.53SD C890-704C26.
Rev. 2 not compat. w/Rev. 1(S/N 210730+)HHCS 1/2-20X1 3/4 GR5802-329C27.
Rev. 1(S/N 210729-)HHCS 1/2-20X2 GR5802-320C27.
BLADE MTG BAR TOP310-226D28.
NUT HEX 7/16-20 PLT803-115C29.
WASHER LOCK 7/16 PLT804-014C30.
SPRING EXT 1 13/32 X 6 EXT807-050C31.
OVER-CENTER LATCH-90310-094H32.
SPRING EYE-BOLT BRACKET310-095H33.
SP EYE 3/8-16X4802-567C34.
NUT HEX 3/8-16 PLT803-014C35.
SNAP RING EXT 7/16800-099C36.
OMNI NUT HEX SLOTTED, 1-14UNC12005037.
PIN COTTER 3/16 X 1 3/4 PLT805-017C38.
WASHER FLAT 1 SAE804-029C39.
Rev. 2(S/N 346256+)C-GROOVE PULLEY 11" CAST-IRON808-337C40.
Rev. 1(S/N 346255-)C-GROOVE DRIVE PULLEY 11 OD808-231C40.
Rev. 2 not compat. w/Rev. 1(S/N 341968+)GBOX MOWER 50 HP 1:2.8 CW826-326C41.
Rev. 1S/N 209358 to 341967)REP BY 826-326C826-206C41.
AFM4522 CW GEAR BOX SUB315-341V42.
(S/N 220346-)GEARBOX SHAFT PROTECTOR817-050C43.
HHCS 5/8-18X1 3/4 GR5802-246C44.
Rev. 3 not compat. w/Rev. 2(S/N 329661+)HFS 1/2-20X1 3/4 GR8802-699C45.
Rev. 2 not compat. w/Rev. 1(S/N 210730 <-> 329660)HHCS 1/2-20X1 GR5802-240C45.
Rev. 1(S/N 210729-)HHCS 1/2-20X1 1/2 GR5802-036C45.
07/23/08 AT2560, AT2572, (AT2584 See AT2684), AT2660, AT2672, AT2684 & AT3590 Air Tunnel Grooming Mower 310-002P 127
Table of Contents Part Number Index
Section 3: Drive Land Pride
AT35 SERIES
Belt Drive (S/N 209358+)
Applies to AT3590

RevisionCommentsPart DescriptionPart No.Ref.
BLADE WASHER-90310-227D46.
Rev. 2(S/N 236470+)WS PTO 2300 W/FRICTION CLUTCH826-080C47.
Rev 1; Use up stock(S/N 209358 <-> 236469)DRIVE CAT 4 W/O CLUTCH 55.36826-195C47.
(S/N 212181 <-> 239291)TUBE NYLON 1/4OD X 062WL990-109R48.
(S/N 212181 <-> 239291)GREASE ZERK 1/8NPT 45-DEG800-193C49.
KEY 1/4 X 11/16 LONG310-331D50.
(S/N 236470+)SMALL SHAFT CONE W ACCESS DOOR826-240C51.
(S/N 236470+)HHCS 5/16-18X3/4 GR5802-007C52.
(S/N 236470+)WASHER LOCK SPRING 5/16 PLT804-009C53.
(S/N 236470+)WASHER FLAT 5/16 USS PLT804-010C54.
(S/N 239292+)CW TG SPNDL HUB ASSY 7.5" PULL310-250S55.
(S/N 239292+)GREASE ZERK STRAIGHT 1/4-28800-001C56.
(S/N 239292+)BLADE HUB MACHINED TOP GREASE310-457D57.
Rev. 2 not compat. w/Rev. 1(S/N 329661+)BLADE SPINDLE SHAFT CW HVY TG310-632D58.
Rev. 1(S/N 239292 <-> 329660)RPBY 310-351S310-456D58.
128 AT2560, AT2572, (AT2584 See AT2684), AT2660, AT2672, AT2684 & AT3590 Air Tunnel Grooming Mower 310-002P 07/23/08
Table of Contents Part Number Index
Land Pride Section 3: Drive
AT35 SERIES
Belt Drive (S/N 209358+) (continued)
Applies to AT3590

RevisionCommentsPart DescriptionPart No.Ref.
Drawing Image Numberdwg10433
BLADE SPINDLE SHAFT310-225D1.
# 107 BEARING SINGLE SEAL822-096C2.
BLADE HUB- MACH.-90310-224D3.
Rev. 2PULLEY SPINDLE 7 1/2808-268C4.
Rev 1; Use up stockRPBY 808-268C808-106C4.
KEY WOODRUFF 1/4 X 3/4 #806890-163C5.
NUT LOCK 3/4-16 NYLOC COLLAR803-114C6.
ZERK 5/16-24 STRAIGHT #1711B800-075C7.
90 CENTER GREASE TUBE310-236D8.
(S/N 174548+)WASHER FLAT 3/4 HARD ASTMF436804-093C9.
(S/N 174547-)WASHER FLAT 3/4 SAE PLT804-025C9.
(S/N 59102+)NUT HEX PIPE JAM 1/8-27 NPSF803-184C10.
Rev. 2(S/N 174548+)BEARING 6007 W/ METAL SHIELD822-162C11.
Rev 1; Use up stock(S/N 174547-)# 107 BEARING SINGLE SEAL822-096C11.
90" CENTER SPINDLE SUB ASSY310-110S12.
07/23/08 AT2560, AT2572, (AT2584 See AT2684), AT2660, AT2672, AT2684 & AT3590 Air Tunnel Grooming Mower 310-002P 131
Table of Contents Part Number Index
Section 3: Drive Land Pride
AT35 SERIES
Center Blade Hub (S/N 212180-)
Applies to AT3590

RevisionCommentsPart DescriptionPart No.Ref.
Drawing Image Numberdwg10333
BLADE SPINDLE SHAFT310-225D1.
# 107 BEARING SINGLE SEAL822-096C2.
BLADE HUB- MACH.-90310-224D3.
Rev. 2PULLEY SPINDLE 7 1/2808-268C4.
Rev 1; Use up stockRPBY 808-268C808-106C4.
KEY WOODRUFF 1/4 X 3/4 #806890-163C5.
NUT LOCK 3/4-16 NYLOC COLLAR803-114C6.
ZERK 5/16-24 STRAIGHT #1711B800-075C7.
LH & RH GREASE TUBEE310-242D8.
Rev 2; Use up stock(S/N 174548+)WASHER FLAT 3/4 HARD ASTMF436804-093C9.
Rev. 1(S/N 174547-)WASHER FLAT 3/4 SAE PLT804-025C9.
Rev 2; Use up stock(S/N 174548+)BEARING 6007 W/ METAL SHIELD822-162C10.
Rev. 1(S/N 174547-)# 107 BEARING SINGLE SEAL822-096C10.
90" RL SPINDLE SUB ASSY310-097S11.
07/23/08 AT2560, AT2572, (AT2584 See AT2684), AT2660, AT2672, AT2684 & AT3590 Air Tunnel Grooming Mower 310-002P 133
Table of Contents Part Number Index
Section 3: Drive Land Pride
AT35 SERIES
Right Hand and Left Hand Blade Hub (S/N 212180-)
Applies to AT3590

RevisionCommentsPart DescriptionPart No.Ref.
Drawing Image Numberdwg10484
GEARBOX LF-135A W/LP HUB826-055C
CO GEAR Z220.135.5001.001.
CO CASTING0.135.0301.002.
CO SHAFT0.135.2003.003.
CO PINION SHAFT0.135.6002.004.
CO SPACER0.135.7101.005.
LID FLANGE0.141.1300.006.
CO WASHER PROTECTIVE1.135.7100.007.
BEARING #60078.0.1.000008.
BEARING #62078.0.1.008709.
BEARING #62088.0.1.0087110.
CO NUT, CASTLE M24 X 28.2.2.0051511.
FLAT WASHER 24 X 44 X 48.3.2.0040912.
CO PARALLEL KEY B 10 X 8 X 308.4.1.0099313.
CO SNAP RING 40 UNI 74358.5.1.0002914.
CO SNAP RING 80 UNI 74378.5.2.0003015.
CO SNAP RING SB 818.5.3.0095516.
CO SPLIT RING SB 1258.5.3.0105717.
CO PLUG 3/8"8.6.6.0020118.
CO DOUBLE LIP SEAL 40X80X128.7.1.0117119.
2nd revisionCO OIL SEAL BA 35 X 52 X 78.7.3.0002820.
Use up existing stock; revision 1RPBY 8.7.3.000288.7.3.0117220.
RING GASKET OR-44628.7.6.0105821.
2nd revisionCO SHIM 40.3 X 51.5 826-067CA244.50122.
Use up existing stock; revision 1RPBY A244.5010.244.7500.0022.
DRIVE PULLEY HUB - MACH.826-058C23.
PIN COTTER 3/16 X 1 3/4 PLT805-017C24.
LID,52 X 78.7.0.0069325.
07/23/08 AT2560, AT2572, (AT2584 See AT2684), AT2660, AT2672, AT2684 & AT3590 Air Tunnel Grooming Mower 310-002P 135
Table of Contents Part Number Index
Section 4: Gearboxes Land Pride
AT35 SERIES
Gearbox (826-055C) Comer
Applies to AT3590

RevisionCommentsPart DescriptionPart No.Ref.
Drawing Image Numberdwg15934
RPBY 826-296C826-206C
OMNI SCREW-5/16"-18UNC X 7/8"1101921.
OMNI LOCKWASHR 5/16"SPLIT TYPE1300062.
OMNI CAP-INPUT0202243.
OMNI GASKET-INPUT 0.50MM0702494.
OMNI GASKET-INPUT 0.30MM0702485.
OMNI GASKET-INPUT 0.20MM0702476.
OMNI GASKET-INPUT 0.10MM0702467.
OMNI SEAL-INPUT CR139300601278.
OMNI BEARING CUP 302070501709.
OMNI BEARING CONE 3020705017210.
OMNI RTNG. RING 38MM RC DSH-3820014011.
OMNI SHAFT-INPUT 1-3/8"-6 SPLN04033512.
OMNI RTNG. RING 38MM RC DSH-3820014113.
OMNI GEAR INPUT, 34T03045714.
OMNI SHIM INPUT 0.30MM09018115.
OMNI SHIM INPUT 0.20MM09018016.
OMNI SHIM INPUT 0.10MM09017917.
OMNI SCREW-1/4"-20 UNC X 3/4"11000918.
OMNI LOCKWASHR 1/4" SPLIT TYPE13002819.
OMNI INSPECTION COVER24028020.
OMNI HOUSING-RC-2501017521.
OMNI PLUG SQ.HD.1/2-14NPT W/DP14004722.
Rev. 2 not compat. w/Rev. 1(S/N 215411+)OMNI PIPE PLUG 1/2' SQ HEAD14000023.
Rev. 1(S/N 215410-)OMNI PLUG VENT 1/2-14 NPTF14003323.
OMNI PINION-OUTPUT 12T03045624.
OMNI SHIM OUTPUT 0.10MM09018225.
OMNI SHIM OUTPUT 0.20MM09018326.
OMNI SHIM OUTPUT 0.30MM09018427.
OMNI BEARING CONE 3020805019728.
OMNI BEARING CUP 3020805019529.
OMNI SPACER OUTPUT09018530.
OMNI SHIM OUTPUT 0.10MM09018631.
OMNI SHIM OUTPUT 0.20MM09018732.
OMNI SHIM OUTPUT 0.30MM09018833.
OMNI RETAINING RING20000034.
OMNI GASKET-OUTPUT 0.10MM07025035.
OMNI GASKET-INPUT 0.50MM07025336.
OMNI GASKET-INPUT 0.30MM07025237.
OMNI GASKET-INPUT 0.20MM07025138.
OMNI SEAL-OUTPUT CR1582206012839.
OMNI CAP-OUTPUT02022540.
OMNI NUT HEX SLOTTED, 1-14UNC12005041.
OMNI COTTER PIN 5 X 5010000142.
OMNI PLUG PIPE SQ HD1/8-27NPTF14001743.
07/23/08 AT2560, AT2572, (AT2584 See AT2684), AT2660, AT2672, AT2684 & AT3590 Air Tunnel Grooming Mower 310-002P 137
Table of Contents Part Number Index
Section 4: Gearboxes Land Pride
AT35 SERIES
Gearbox (826-206C) OMNI
Applies to AT3590

RevisionCommentsPart DescriptionPart No.Ref.
Drawing Image Numberdwg18706
RC-25 1:2.8 CW 90 BOX(RC25HR)826-296C
OMNI SCREW-5/16"-18UNC X 7/8"1101921.
OMNI LOCKWASHR 5/16"SPLIT TYPE1300062.
OMNI CAP-INPUT0202243.
OMNI GASKET-INPUT 0.50MM0702494.
OMNI GASKET-INPUT 0.30MM0702485.
OMNI GASKET-INPUT 0.20MM0702476.
OMNI GASKET-INPUT 0.10MM0702467.
OMNI SEAL-INPUT CR139300601278.
OMNI BEARING CUP 302070501709.
OMNI BEARING CONE 3020705017210.
OMNI RTNG. RING 38MM RC DSH-3820014011.
OMNI SHAFT INPUT 1 3/8" - 6A04049112.
OMNI RTNG. RING 38MM RC DSH-3820014113.
OMNI GEAR INPUT, 34T03045714.
OMNI SHIM INPUT 0.30MM09018115.
OMNI SHIM INPUT 0.20MM09018016.
OMNI SHIM INPUT 0.10MM09017917.
OMNI SCREW-1/4"-20 UNC X 3/4"11000918.
OMNI LOCKWASHR 1/4" SPLIT TYPE13002819.
OMNI INSPECTION COVER24028020.
OMNI HOUSING RC-25 SERIES01025221.
OMNI PLUG SQ.HD.1/2-14NPT W/DP14004722.
OMNI PIPE PLUG 1/2' SQ HEAD14000023.
OMNI PINION-OUTPUT 12T03045624.
OMNI SHIM OUTPUT 0.10MM09018225.
OMNI SHIM OUTPUT 0.20MM09018326.
OMNI SHIM OUTPUT 0.30MM09018427.
OMNI BEARING CONE 3020805019728.
OMNI BEARING CUP 3020805019529.
OMNI SPACER OUTPUT09018530.
OMNI SHIM OUTPUT 0.10MM09018631.
OMNI SHIM OUTPUT 0.20MM09018732.
OMNI SHIM OUTPUT 0.30MM09018833.
OMNI RETAINING RING20000034.
OMNI GASKET-OUTPUT 0.10MM07025035.
OMNI GASKET-OUTPUT 0.20MM07025136.
OMNI GASKET-OUTPUT 0.30MM07025237.
OMNI GASKET-OUTPUT 0.50MM07025338.
OMNI SEAL-OUTPUT CR1582206012839.
OMNI CAP-OUTPUT02022540.
OMNI NUT HEX SLOTTED, 1-14UNC12005041.
OMNI COTTER PIN 5 X 5010000142.
OMNI PLUG PIPE SQ HD1/8-27NPTF14001743.
OMNI SPACER, INPUT09034144.
07/23/08 AT2560, AT2572, (AT2584 See AT2684), AT2660, AT2672, AT2684 & AT3590 Air Tunnel Grooming Mower 310-002P 139
Table of Contents Part Number Index
Section 4: Gearboxes Land Pride
AT35 SERIES
Gearbox (826-296C) OMNI
Applies to AT3590

RevisionCommentsPart DescriptionPart No.Ref.
Image Reference: 30000dwg30000
GBOX MOWER 50 HP 1:2.8 CW826-326C
CO OIL PLUG 3/88.6.5.000061.
CO BOLT M8X22 HHB8.1.1.005012.
CO COVER0.195.1300.003.
CO INPUT SHAFT 1" 3/8 Z60.195.2000.004.
CO CAP 72 X 108.7.0.007445.
CO SNAP RING INT 72 UN174378.5.2.001316.
COMER SHIM KIT 71.7A.248.5007.
CO ROLLER BEARING 30207 CL-B8.0.9.000268.
CO SNAP RING 40 UNI 74368.5.1.006809.
CO SHIM 35.3 X 48 X 2.50.259.7525.0010.
CO HOUSING0.195.0300.0011.
CO ROLLER BEARING 32208 CL-B8.0.9.0010212.
CO NUT M40 X 1.50.278.7103.0013.
CO OIL SEAL 35 X 80 X 10 RTA358.7.3.0008114.
CO PROTECTIVE FLAT WASHER1.195.7100.0015.
CO SNAP RING SB 818.5.3.0095516.
CO FLAT WASHER 25 X 44 X 48.3.2.0040917.
NUT CASTLE M 24 X 28.2.2.0114418.
CO COTTER PIN B5 X 508.4.7.0051619.
CO SHIM 40.3 X 51.5 826-067CA244.50120.
CO PINION Z12 M4.70.195.5000.0021.
BEARING BALL 6207822-166C22.
CO OIL SEAL 35 X 72 X 108.7.3.0005523.
CO CROWN GEAR Z33 M4.70.195.6000.0024.
CO OIL LEVEL PLUG 3/8" GASU0.195.7101.0025.
07/23/08 AT2560, AT2572, (AT2584 See AT2684), AT2660, AT2672, AT2684 & AT3590 Air Tunnel Grooming Mower 310-002P 141
Table of Contents Part Number Index
Section 4: Gearboxes Land Pride
AT35 SERIES
Gearbox (826-326C) Comer
Applies to AT3590

RevisionCommentsPart DescriptionPart No.Ref.
Drawing Image Numberdwg10492
RPBY 826-080C826-057C
WALTERSHEID YOKE 1 3/8-6 SPL3809061.
WS QUICK DISCONNECT KIT3819082.
WS SHEARBOLT CLUTCH3358483.
HHCS 5/16-18X2 GR5802-115C4.
NUT LOCK 5/16-18 PLT803-011C5.
WS CROSS & BRG KIT0444446.
WS INBOARD YOKE0415767.
WS SPRING PIN0206168.
WS INNER PROFILE0590349.
WS OUTER PROFILE08579310.
WS INBORD YOKE04157711.
Rev. 2DECAL DANGER GUARD MISS PTO818-540C12.
Rev 1; Use up stockDECAL DANGER DRIVELINE SHIELD818-187C12.
WS SHIELD CONE - 5 RIB37733513.
WS SCREW36530514.
WS BEARING RING - SC2508727615.
DRIVELINE SHIELD SAFETY CHAIN04432116.
WS SHIELD TUBE OUTER38808717.
Rev. 2DECAL DANGER PTO DRIVELINE818-552C18.
Rev 1; Use up stockDECAL DANGER PTO DRIVELINE EN818-142C18.
WS INNER SHIELD38808819.
WS Q.D. PIN KIT33910720.
07/23/08 AT2560, AT2572, (AT2584 See AT2684), AT2660, AT2672, AT2684 & AT3590 Air Tunnel Grooming Mower 310-002P 143
Table of Contents Part Number Index
Section 5: Drivelines Land Pride
AT35 SERIES
Driveline (826-057C) Walterscheid (Option)
Applies to AT3590

RevisionCommentsPart DescriptionPart No.Ref.
Drawing Image Numberdwg10886
WS PTO 2300 W/FRICTION CLUTCH826-080C
Rev. 2WS YOKE 1 3/8-6 SPL ASGE1968391.
Rev 2; Use up stockRPBY 1968373809051.
Rev. 2WS ASGE COLLAR KIT3904042.
Rev 1; Use up stockRPBY 3904043819082.
WS FRICTION CLUTCH3171893.
WS CROSS & BRG KIT0444444.
WS INBOARD YOKE0415765.
WS SPRING PIN0206166.
WS INNER PROFILE0590347.
WS OUTER PROFILE0857938.
WS INBORD YOKE0415779.
Rev. 2DECAL DANGER GUARD MISS PTO818-540C10.
Rev 1; Use up stockDECAL DANGER DRIVELINE SHIELD818-187C10.
WS SHIELD CONE - 5 RIB37733511.
WS SCREW36530512.
WS BEARING RING - SC2508727613.
DRIVELINE SHIELD SAFETY CHAIN04432114.
WS SHIELD TUBE OUTER38808715.
Rev. 2DECAL DANGER PTO DRIVELINE818-552C16.
Rev 1; Use up stockDECAL DANGER PTO DRIVELINE EN818-142C16.
WS INNER SHIELD38808817.
07/23/08 AT2560, AT2572, (AT2584 See AT2684), AT2660, AT2672, AT2684 & AT3590 Air Tunnel Grooming Mower 310-002P 145
Table of Contents Part Number Index
Section 5: Drivelines Land Pride
AT35 SERIES
Driveline (826-080C) Walterscheid (S/N 209357- & S/N 236470+)
Applies to AT3590

RevisionCommentsPart DescriptionPart No.Ref.
Drawing Image Numberdwg16074
DRIVE CAT 4 W/O CLUTCH 55.36826-195C
EC TWIST COLLAR KIT (TRT. END)10042201.
EC YOKE ASSEMBLY (TRACT. END)10160102.
EC CROSS ASSEMBLY10060203.
EC OUTER TUBE YOKE17060274.
EC 10X80-DIN-1481 O/TUBE R/PIN63310805.
EC 1380MM OUTER TUBE15281216.
EC 1380MM INNER TUBE15261217.
EC INNER TUBE YOKE17060298.
EC TWIST COLLAR KIT (IMP. END)10042249.
EC YOKE ASSY 1 3/8-6(IMP. END)111601010.
EC TUBE BEARING (INNER TUBE)178671111.
EC INNER TUBE (1877111) 940MM187709412.
EC STIFFENING RING121573313.
EC LONG CONE188570414.
EC STOP RING121573515.
EC SAFETY SLEEVE188570916.
EC STANDARD CONE188570317.
EC OUTER TUBE (1876111) 940MM187609418.
EC TUBE BEARING (OUTER TUBE)178671019.
DECAL DANGER PTO DRIVELINE818-552C20.
DECAL DANGER GUARD MISS PTO818-540C21.
DRIVELINE SHIELD SAFETY CHAIN04432122.
EC GREASE ZERK 8X1 45 DEG.656050823.
EC 10X70 ROLL PIN633107024.
EC YOKE ASSEMBLY101401225.
EC PULL COLLAR KIT100422526.
EC YOKE ASSEMBLY101401227.
EC PULL COLLAR KIT100422528.
07/23/08 AT2560, AT2572, (AT2584 See AT2684), AT2660, AT2672, AT2684 & AT3590 Air Tunnel Grooming Mower 310-002P 147
Table of Contents Part Number Index
Section 5: Drivelines Land Pride
AT35 SERIES
Driveline (826-195C) EC New Shields (S/N 209358 to 236469)
Applies to AT3590

RevisionCommentsPart DescriptionPart No.Ref.
Drawing Image Numberdwg15386
DRIVE CAT 4 W/O CLUTCH 55.36826-195C
EC YOKE ASSEMBLY (TRACT. END)10160101.
EC CROSS ASSEMBLY10060202.
EC OUTER TUBE YOKE17060273.
EC 10X80-DIN-1481 O/TUBE R/PIN63310804.
EC 1380MM OUTER TUBE15281215.
EC 1380MM INNER TUBE15261216.
EC INNER TUBE YOKE17060297.
EC YOKE ASSY 1 3/8-6(IMP. END)11160108.
EC TUBE BEARING17860099.
EC OUTER TUBE RIGID CONE188601010.
EC SOFT CONE188601311.
DRIVELINE SHIELD SAFETY CHAIN04432112.
EC OUTER TUBE (1875113) 960MM187509613.
EC INNER TUBE (1874113) 960MM187409614.
EC INNER TUBE RIGID CONE188601115.
EC TUBE BEARING178600816.
EC SOFT LONG CONE188601417.
DECAL DANGER GUARD MISS PTO818-540C18.
DECAL DANGER PTO DRIVELINE818-552C19.
07/23/08 AT2560, AT2572, (AT2584 See AT2684), AT2660, AT2672, AT2684 & AT3590 Air Tunnel Grooming Mower 310-002P 149
Table of Contents Part Number Index
Section 5: Drivelines Land Pride
AT35 SERIES
Driveline (826-195C) EC Old Shields (S/N 209358 to 236469)
Applies to AT3590

RevisionCommentsPart DescriptionPart No.Ref.
Drawing Image Numberdwg10139
WS FRICTION CLUTCH317189
WS SNAP RING3041491.
WS FLANGED RING3385312.
WS LOCK COLLAR0457903.
WS COMPRESSION SPRNG0457934.
WS BACK UP RING0478255.
WS BALL0206926.
WS HEX NUT M83819577.
WS BELLEVILLE SPRING0434898.
WS THRUST PLATE3814959.
WS FRICTION DISK16855610.
WS HUB 1 3/8-6 SPL05155111.
WS CLUTCH HOUSING18583612.
WS Q.D. FLG. KIT34195313.
07/23/08 AT2560, AT2572, (AT2584 See AT2684), AT2660, AT2672, AT2684 & AT3590 Air Tunnel Grooming Mower 310-002P 151
Table of Contents Part Number Index
Section 5: Drivelines Land Pride
AT35 SERIES
Driveline Slip Clutch (317189) Walterscheid
Applies to AT3590

RevisionCommentsPart DescriptionPart No.Ref.
Drawing Image Numberdwg17598
Includes items 9, 15 & 16; two of
items 5 and 11
AT3590 SAFETY DECAL PACKAGE310-135A
Includes items 2 through 4, 9, 10, 13,
15 and 16; two of items 1, 5, and 11;
three of item 7
AT3590 DECAL PACKAGE310-136A
Rev. 2 not compat. w/Rev. 1DECAL LP W/TREE 16" - 3 COLOR818-894C1.
Rev. 1(S/N 254750-)LP LOGO SMALL BUCKSKIN818-165C1.
DECAL FLAG818-190C2.
(S/N 254750-)DECAL 90 LP-BLACK818-236C3.
(S/N 254750-)DECAL 35 SERIES LP - BLACK818-086C4.
DECAL DANGER DRIVELINE SHIELD818-187C5.
DECAL RED REFLECTOR818-230C6.
DECAL GREASE EVERY 25 HOURS818-138C7.
DECAL NOTICE TO OWNER-NO WARRA818-560C8.
DECAL CAUTION 540 RPM818-130C9.
DECAL 90WT V-BELT INSTALLATION818-237C10.
DECAL DANGER PTO DRIVELINE EN818-142C11.
DECAL DANGER PTO DRIVELINE818-552C12.
DECAL PTO AT35 FRICTION CLUTCH818-273C13.
DECAL PTO AT35 SHEAR BOLT818-248C13.
DECAL DANGER GUARD MISS PTO818-540C14.
Rev. 2DECAL DANGER ROTATE BLADE818-555C15.
Rev 1; Use up stockDECAL DANGER ROTATING BLADE818-140C15.
Rev. 2DECAL DANGER THROWN OBJ CUTTER818-556C16.
Rev 1; Use up stockDECAL DANGER THROWN OBJECT HAZ818-141C16.
DECAL WARNING GEN SAFE MOWER818-558C17.
(S/N 254750-)DECAL AT LAND PRIDE BLACK818-728C18.
DECAL GREASE 25HRS BLACK/WHITE)818-298C19.
(S/N 254751+)DECAL AT3590-BROWN818-918C20.
(S/N 254751+)DECAL DANGER PD GUARD MISS SML818-543C21.
DECAL QUICK HITCH SYSTEM838-517C22.
DECAL LANDPRIDE 13.25" - BROWN818-899C23.
07/23/08 AT2560, AT2572, (AT2584 See AT2684), AT2660, AT2672, AT2684 & AT3590 Air Tunnel Grooming Mower 310-002P 153
Table of Contents Part Number Index
Section 6: Labels Land Pride
AT35 SERIES
Label Placement
Applies to AT3590

RevisionCommentsPart DescriptionPart No.Ref.
Drawing Image Numberdwg12471
FRONT ROLLER BUNDLE-90310-111A
4 X 10 ROLLER WHEEL817-049C1.
L.H. FRONT ROLLER BRKT-90310-103H2.
R.H. ROLLER BRKT.310-263D3.
NUT LOCK 3/4-16 NYLOC COLLAR803-114C4.
WASHER LOCK SPRING 3/8 PLT804-013C5.
SCREW SLOTTED RD HD 3/8-16 X 1801-043C6.
NUT HEX 3/8-16 PLT803-014C7.
07/23/08 AT2560, AT2572, (AT2584 See AT2684), AT2660, AT2672, AT2684 & AT3590 Air Tunnel Grooming Mower 310-002P 155
Table of Contents Part Number Index
Section 7: Options Land Pride
AT35 SERIES
Front Anti-Scalping Roller
Applies to AT3590

The Part Number Index is a numeric index of all part numbers included in this manual. The index shows what page(s) the part is used on.
PagePart Number
1350.135.0301.00 ...........1350.135.2003.00 ...........1350.135.5001.00 ...........1350.135.6002.00 ...........1350.135.7101.00 ...........470.141.0330.00 ...........47, 1350.141.1300.00 ...........470.141.2100.00 ...........470.141.5000.00 ...........470.141.6001.00 ...........470.141.7100.00 ...........55, 71, 107, 1410.195.0300.00 ...........55, 71, 107, 1410.195.1300.00 ...........55, 71, 107, 1410.195.2000.00 ...........71, 107, 1410.195.5000.00 ...........550.195.5001.00 ...........71, 107, 1410.195.6000.00 ...........550.195.6001.00 ...........1350.244.7500.00 ...........470.259.7500.00 ...........55, 71, 107, 1410.259.7525.00 ...........55, 71, 107, 1410.278.7103.00 ...........51, 137010175 ......................53, 67, 69, 103,
105, 139
010252 ......................
4902-035 .......................51, 53, 67, 69,
103, 105, 137,
139
020224 ......................
51, 53, 67, 69,
103, 105, 137,
139
020225 ......................
61020614 ......................65, 143, 145020616 ......................151020692 ......................4903-036 .......................4903-037 .......................67, 69, 103, 105,
137, 139
030456 ......................
67, 69, 103, 105,
137, 139
030457 ......................
51, 53030458 ......................51, 53030459 ......................4904-003 .......................4904-004 .......................51, 137040335 ......................53, 67, 69, 103,
105, 139
040491 ......................
61041065 ......................61041068 ......................65, 143, 145041576 ......................143, 145041577 ......................151043489 ......................57, 59, 61, 63,
65, 73, 109, 143,
145, 147, 149
044321 ......................
61044439 ......................65, 143, 145044444 ......................151045790 ......................151045793 ......................151047825 ......................4905-002 .......................4905-005 .......................51, 53050006 ......................49, 51, 53050007 ......................67, 69, 103, 105,
137, 139
050170 ......................
67, 69, 103, 105,
137, 139
050172 ......................
PagePart Number
67, 69, 103, 105,
137, 139
050195 ......................
67, 69, 103, 105,
137, 139
050197 ......................
151051551 ......................61054482 ......................61054484 ......................143, 145059034 ......................4906-012 .......................47, 51, 53, 67,
69, 103, 105,
137, 139
060127 ......................
51, 53, 67, 69,
103, 105, 137,
139
060128 ......................
4907-001 .......................4907-005 .......................51, 53, 67, 69,
103, 105, 137,
139
070246 ......................
51, 53, 67, 69,
103, 105, 137,
139
070247 ......................
51, 53, 67, 69,
103, 105, 137,
139
070248 ......................
51, 53, 67, 69,
103, 105, 137,
139
070249 ......................
51, 53, 67, 69,
103, 105, 137,
139
070250 ......................
51, 53, 67, 69,
103, 105, 137,
139
070251 ......................
51, 53, 67, 69,
103, 105, 137,
139
070252 ......................
51, 53, 67, 69,
103, 105, 137,
139
070253 ......................
4908-004A .....................4908-004B .....................4908-005A .....................4908-005B .....................143, 145085793 ......................65, 143, 145087276 ......................61087279 ......................4909-002 .......................4909-008 .......................4909-009 .......................51, 53, 67, 69,
103, 105, 137,
139
090179 ......................
51, 53, 67, 69,
103, 105, 137,
139
090180 ......................
51, 53, 67, 69,
103, 105, 137,
139
090181 ......................
51, 53, 67, 69,
103, 105, 137,
139
090182 ......................
51, 53, 67, 69,
103, 105, 137,
139
090183 ......................
51, 53, 67, 69,
103, 105, 137,
139
090184 ......................
67, 103, 137, 139090185 ......................
PagePart Number
67, 69, 103, 105,
137, 139
090186 ......................
67, 69, 103, 105,
137, 139
090187 ......................
67, 69, 103, 105,
137, 139
090188 ......................
51, 53090189 ......................51, 53090190 ......................53, 67, 69, 103,
105, 139
090341 ......................
1351.135.7100.00 ...........55, 71, 107, 1411.195.7100.00 ...........4910-002 .......................42, 51, 53, 67,
69, 98, 103, 105,
137, 139
100001 ......................
571002020 ....................59, 73, 1111003020 ....................63, 109, 1131004020 ....................57, 59, 73, 111,
147
1004220 ....................
57, 59, 73, 111,
147
1004224 ....................
63, 73, 109, 1471004225 ....................1131004227 ....................147, 1491006020 ....................63, 1091006065 ....................571012010 ....................59, 73, 1111013010 ....................63, 73, 109, 1471014012 ....................1131014013 ....................147, 1491016010 ....................4911-007 .......................51, 53, 67, 69,
103, 105, 137,
139
110009 ......................
51, 53, 67, 69,
103, 105, 137,
139
110192 ......................
571112010 ....................59, 73, 1111113010 ....................147, 1491116010 ....................63, 1091140001 ....................63, 1091140003 ....................41, 51, 53, 67,
69, 97, 103, 105,
127, 137, 139
120050 ......................
63, 109, 1131213233 ....................1471215733 ....................1471215735 ....................47123-004D ...................51, 67, 69, 103,
105, 137, 139
130006 ......................
51, 53, 67, 69,
103, 105, 137,
139
130028 ......................
51, 67, 69, 103,
105, 137, 139
140000 ......................
51, 53, 67, 69,
103, 105, 137,
139
140017 ......................
51, 53, 137140033 ......................51, 53, 67, 69,
103, 105, 137,
139
140047 ......................
571522073 ....................591523072 ....................571523073 ....................73, 1111523085 ....................59, 63, 1091524072 ....................
PagePart Number
1131524084 ....................73, 1111524085 ....................63, 1091525072 ....................1131525084 ....................147, 1491526121 ....................147, 1491528121 ....................571532308 ....................571532322 ....................151168556 ......................571702027 ....................571702029 ....................59, 73, 1111703027 ....................59, 73, 1111703029 ....................63, 109, 1131704027 ....................63, 109, 1131704029 ....................147, 1491706027 ....................147, 1491706029 ....................30, 33, 35, 41,
97, 127
172-242D ...................
571772335 ....................571782016 ....................571782210 ....................571782211 ....................59, 63, 73, 109,
111, 113
1784210 ....................
59, 63, 73, 109,
111, 113
1784211 ....................
57, 59, 63, 73,
109, 111, 113
1784212 ....................
1491786008 ....................1491786009 ....................1471786710 ....................1471786711 ....................4918-021 .......................151185836 ......................1131872027 ....................59, 63, 1091872064 ....................571872065 ....................73, 1111872077 ....................1131873027 ....................59, 63, 1091873064 ....................571873065 ....................73, 1111873077 ....................1491874096 ....................1491875096 ....................1471876094 ....................1471877094 ....................571882348 ....................571883013 ....................571883014 ....................571883230 ....................571883231 ....................57, 59, 63, 73,
109, 111, 113
1884201 ....................
57, 59, 63, 73,
109, 111, 113
1884202 ....................
57, 59, 63, 73,
109, 111, 113
1884203 ....................
57, 59, 63, 73,
109, 111, 113
1884205 ....................
1471885703 ....................1471885704 ....................1471885709 ....................1491886010 ....................1491886011 ....................1491886013 ....................1491886014 ....................145196839 ......................4920-003 .......................4920-007 .......................
156 AT2560, AT2572, (AT2584 See AT2684), AT2660, AT2672, AT2684 & AT3590 Air Tunnel Grooming Mower 310-002P 07/23/08
Table of Contents Part Number Index
Part Number Index

PagePart Number
51, 53, 67, 69,
103, 105, 137,
139
200000 ......................
51, 53, 67, 69,
103, 105, 137,
139
200140 ......................
51, 53, 67, 69,
103, 105, 137,
139
200141 ......................
4921-012 .......................51, 53, 67, 69,
103, 105, 137,
139
240280 ......................
151304149 ......................17310-003H ...................9, 11, 13, 23, 85,
117
310-012D ...................
17310-014H ...................9, 11, 13, 23, 85,
117
310-015D ...................
17, 39, 95310-017S ...................9, 11, 13, 23, 85,
117
310-019H ...................
9, 11, 13, 23, 85,
117
310-020S ...................
17, 39, 95310-024D ...................17310-025D ...................9, 13310-028H ...................33, 35310-032D ...................33, 35310-033D ...................33, 35310-036D ...................25, 29310-041D ...................33310-042D ...................9310-042H ...................26, 33, 35310-043D ...................123, 127310-049D ...................79310-050S ...................25, 29310-051D ...................79310-055H ...................17310-064S ...................9, 11, 13310-067D ...................9, 11310-067H ...................9, 11, 13, 117310-068D ...................9310-070H ...................75310-074A ...................75310-075A ...................75310-086A ...................25, 29310-088H ...................119310-090H ...................117310-091H ...................117310-092H ...................123, 127310-093H ...................123, 127310-094H ...................123, 127310-095H ...................123, 127, 133310-097S ...................119310-100S ...................155310-103H ...................17310-104V ...................9310-105D ...................17, 39, 95310-105S ...................9310-106D ...................123, 127, 131310-110S ...................155310-111A ...................123310-113H ...................117310-114H ...................9, 13310-123D ...................35310-126D ...................79310-128D ...................25, 33310-132S ...................153310-135A ...................153310-136A ...................
PagePart Number
25, 33310-137S ...................25, 35310-138S ...................11, 13310-142H ...................17, 39, 95310-149H ...................119310-150H ...................25, 33310-161S ...................25, 35310-162S ...................33, 35310-179A ...................9, 11310-185D ...................9, 11, 13, 23, 85,
117
310-212H ...................
77, 115310-213A ...................77, 115310-214A ...................117310-218D ...................117310-221D ...................30, 33, 35, 127,
131, 133
310-224D ...................
127, 131, 133310-225D ...................123, 127310-226D ...................41, 97, 124, 128310-227D ...................123310-228D ...................127310-228S ...................117310-230D ...................117310-231D ...................117310-231H ...................123, 127310-232D ...................123310-233D ...................117310-235H ...................131310-236D ...................117310-241D ...................11310-241H ...................133310-242D ...................13310-243H ...................117310-247H ...................123, 127310-248D ...................30, 41, 97310-248S ...................119310-249D ...................30, 41, 97310-249S ...................119310-250D ...................128310-250S ...................119310-251D ...................119310-252D ...................123, 127310-256D ...................123310-260D ...................41, 97310-261S ...................155310-263D ...................119310-264D ...................123310-265D ...................15, 81310-266H ...................23, 85310-290H ...................41, 97310-291H ...................41, 97310-292S ...................39, 95310-295S ...................39, 95310-296H ...................33, 35310-299D ...................30, 33, 35, 42, 98310-300D ...................123310-306D ...................17310-310D ...................33310-312D ...................39, 95310-314S ...................11, 13310-315D ...................11, 13310-316D ...................15, 81310-317S ...................77, 115310-318A ...................23, 85310-321H ...................41, 97310-322S ...................41, 97310-323H ...................39, 95310-326S ...................39, 95310-327H ...................17, 39, 95310-328D ...................17, 39, 95310-329D ...................
PagePart Number
23, 85310-329H ...................41, 97310-330H ...................25, 29, 42, 47,
49, 98, 128
310-331D ...................
41, 97310-331S ...................13310-332D ...................13310-333D ...................39, 95310-354S ...................39, 95310-355H ...................119310-359D ...................30, 33, 35310-361D ...................41, 97310-413V ...................41, 97310-414V ...................41, 97310-415V ...................117310-432D ...................11310-437D ...................11310-438D ...................13310-442D ...................13310-443D ...................117310-451D ...................117310-452D ...................30, 41, 97310-454D ...................128310-456D ...................30, 41, 97, 128310-457D ...................23, 85310-474D ...................23, 85310-475D ...................45, 101310-493D ...................45, 101310-494D ...................15, 81310-550D ...................15, 81310-551D ...................21, 83310-562D ...................21, 83310-563D ...................21, 83310-578D ...................21, 83310-579D ...................69, 105310-580D ...................69, 105310-581D ...................69, 105310-582D ...................23, 85310-583D ...................23, 85310-597D ...................30, 41, 97310-630D ...................128310-632D ...................39, 95315-291S ...................39, 95315-300H ...................127315-341V ...................123315-358D ...................29315-375S ...................29315-378S ...................41, 97315-823D ...................145, 151317189 ......................143335848 ......................151338531 ......................143339107 ......................151341953 ......................65364859 ......................61, 65, 143, 145365305 ......................61377234 ......................61377240 ......................65, 143, 145377335 ......................65377340 ......................61, 145380905 ......................65, 143380906 ......................65381178 ......................151381495 ......................61, 65, 143, 145381908 ......................151381957 ......................65382877 ......................65382878 ......................61387266 ......................61387332 ......................143, 145388087 ......................143, 145388088 ......................
PagePart Number
145390404 ......................111, 11344321 ........................89506-4R-I ....................19, 87, 12153-164 .......................12153-180 .......................19, 8753-182 .......................19, 12153-189 .......................57, 63, 73, 109,
111, 113
6330855 ....................
57, 59, 63, 73,
109, 111, 113
6330860 ....................
596330865 ....................1476331070 ....................147, 1496331080 ....................1476560508 ....................47, 1358.0.1.00000 ...............47, 1358.0.1.00870 ...............1358.0.1.00871 ...............55, 71, 107, 1418.0.9.00026 ...............55, 71, 107, 1418.0.9.00102 ...............55, 71, 107, 1418.1.1.00501 ...............123, 1358.2.2.00515 ...............25, 29, 47, 55,
71, 107, 141
8.2.2.01144 ...............
25, 29, 47, 55,
71, 107, 123,
135, 141
8.3.2.00409 ...............
478.4.1.00889 ...............1358.4.1.00993 ...............55, 71, 107, 1418.4.7.00516 ...............478.5.1.00005 ...............1358.5.1.00029 ...............55, 71, 107, 1418.5.1.00680 ...............1358.5.2.00030 ...............47, 55, 71, 107,
141
8.5.2.00131 ...............
478.5.3.00915 ...............55, 71, 107, 135,
141
8.5.3.00955 ...............
47, 1358.5.3.01057 ...............47, 55, 71, 107,
141
8.6.5.00006 ...............
1358.6.6.00201 ...............47, 1358.7.0.00693 ...............55, 71, 107, 1418.7.0.00744 ...............478.7.1.00152 ...............1358.7.1.01171 ...............47, 1358.7.3.00028 ...............55, 71, 107, 1418.7.3.00055 ...............55, 71, 107, 1418.7.3.00081 ...............1358.7.3.01172 ...............47, 1358.7.6.01058 ...............17, 30, 39, 41,
95, 97, 119, 128
800-001C ...................
9800-006C ...................9800-013C ...................33, 35, 131, 133800-075C ...................123, 127800-099C ...................17, 39, 95800-100C ...................11, 13800-114C ...................11, 13800-115C ...................11, 13800-116C ...................30, 127800-157C ...................11, 13800-163C ...................30, 128800-193C ...................11, 13, 23, 85,
117
800-320C ...................
9, 11, 13, 117801-041C ...................79, 155801-043C ...................9, 11, 13, 117802-004C ...................23, 85802-005C ...................
07/23/08 AT2560, AT2572, (AT2584 See AT2684), AT2660, AT2672, AT2684 & AT3590 Air Tunnel Grooming Mower 310-002P 157
Table of Contents Part Number Index
Part Number Index (continued)

PagePart Number
117, 128802-007C ...................15, 81802-015C ...................119, 124, 127802-036C ...................13802-078C ...................39, 95802-095C ...................17802-099C ...................123, 143802-115C ...................21, 83802-149C ...................42, 98802-151C ...................117802-159C ...................42, 98802-203C ...................25, 29, 123802-207C ...................9802-224C ...................25, 29, 41, 97,
123, 127
802-229C ...................
25, 123802-233C ...................25, 29802-237C ...................25, 29802-239C ...................127802-240C ...................9802-241C ...................9, 11, 13, 117802-242C ...................17802-243C ...................17802-245C ...................9, 11, 13, 25, 41,
97, 117, 123, 127
802-246C ...................
123802-302C ...................124802-303C ...................117802-304C ...................119802-305C ...................123, 127802-306C ...................23, 85, 123, 127802-307C ...................17802-308C ...................123802-314C ...................123, 127802-320C ...................26, 33, 35802-326C ...................42, 98, 127802-329C ...................17, 39, 95802-350C ...................26, 29, 33, 35,
42, 98
802-384C ...................
25, 29, 123, 127802-567C ...................23, 45, 85, 101802-657C ...................39, 95802-658C ...................45, 101802-668C ...................21, 83802-688C ...................21, 83802-692C ...................29, 42, 98802-695C ...................127802-699C ...................25, 123803-006C ...................9, 11, 13, 117803-007C ...................123, 143803-011C ...................25, 29, 45, 79,
101, 123, 127,
155
803-014C ...................
17, 39, 41, 95,
97, 119, 123, 127
803-018C ...................
17803-020C ...................9, 11, 13, 23, 25,
29, 41, 85, 97,
117, 123, 127
803-022C ...................
123, 127803-024C ...................15, 39, 81, 95803-025C ...................39, 41, 95, 97803-037C ...................30, 33, 35, 41,
79, 97, 127, 131,
133, 155
803-114C ...................
25, 29, 41, 97,
123, 127
803-115C ...................
25, 29803-119C ...................17803-146C ...................35, 131803-184C ...................21, 83803-198C ...................
PagePart Number
23, 85803-255C ...................21, 23, 42, 45,
83, 85, 98, 101
803-263C ...................
39, 41, 95, 97,
127
803-308C ...................
13, 117804-006C ...................9, 11, 13, 23, 85,
117
804-007C ...................
53, 117, 123, 128804-009C ...................117, 128804-010C ...................17, 155804-013C ...................26, 29, 41, 79,
97, 123, 127
804-014C ...................
17, 26, 33, 35,
39, 41, 95, 97,
119, 123, 127
804-015C ...................
45, 101804-019C ...................45, 101804-021C ...................9, 11, 13, 23, 25,
29, 41, 85, 97,
117, 123, 127
804-022C ...................
15, 33, 35, 81,
131, 133
804-025C ...................
127804-029C ...................17804-080C ...................30, 33, 35, 41,
97, 127, 131, 133
804-093C ...................
26, 29, 33, 35,
42, 98
804-110C ...................
17804-174C ...................123805-010C ...................9, 11, 13, 23, 85,
117, 119
805-015C ...................
15, 81805-016C ...................25, 29, 47, 49,
123, 127, 135
805-017C ...................
17, 119805-065C ...................123805-069C ...................17, 39, 95, 119805-126C ...................9, 11, 13, 23, 85,
117
805-140C ...................
9, 117805-141C ...................9, 11, 13, 23, 85,
117
805-142C ...................
9, 11, 13, 23, 85,
117
805-143C ...................
123, 127807-050C ...................25, 29, 45, 101,
123
807-068C ...................
21, 83807-189C ...................25, 29808-073C ...................25, 29808-074C ...................30, 33, 35, 41, 97808-075C ...................25, 29, 41, 97808-076C ...................25, 29808-077C ...................127, 131, 133808-106C ...................123, 127808-107C ...................123808-108C ...................25, 29, 41, 97808-126C ...................30, 33, 35, 41, 97808-127C ...................25, 29808-128C ...................25, 29, 42, 45,
98, 101
808-129C ...................
127808-231C ...................127, 131, 133808-268C ...................41, 97808-333C ...................29808-334C ...................29, 41, 97808-335C ...................127808-337C ...................49811-320C ...................17814-057C ...................
PagePart Number
119, 121814-070C ...................17, 19, 39, 87, 95814-071C ...................119, 121814-114C ...................39, 89, 95814-144C ...................17814-146C ...................17, 39, 93, 95814-188C ...................39, 89, 95814-191C ...................119, 121814-193C ...................37, 39, 91, 95814-271C ...................119, 121814-272C ...................117816-004C ...................25, 29816-063C ...................25816-064C ...................9, 117816-072C ...................123, 127816-101C ...................41, 97816-116C ...................25, 29816-141C ...................11, 13, 21, 42,
83, 98, 117
816-298C ...................
41, 97816-308C ...................41, 97816-338C ...................23, 85816-504C ...................25, 29817-028C ...................17, 39, 95817-048C ...................15, 79, 81, 155817-049C ...................25, 29, 123, 127817-050C ...................11, 13817-192C ...................117817-259C ...................21, 83817-358C ...................21, 83817-408C ...................21, 83817-409C ...................21, 83817-412C ...................21, 83817-427C ...................21, 83817-428C ...................21, 83817-429C ...................21, 83817-436C ...................21, 83817-437C ...................75818-085C ...................153818-086C ...................75818-090C ...................75818-092C ...................75, 77, 115, 153818-130C ...................75, 77, 115, 153818-138C ...................75818-139C ...................153818-140C ...................153818-141C ...................75, 77, 115, 143,
145, 153
818-142C ...................
75818-144C ...................75818-162C ...................75, 153818-165C ...................143, 145, 153818-187C ...................75, 77, 115, 153818-190C ...................75, 77, 115, 153818-230C ...................153818-236C ...................153818-237C ...................153818-248C ...................75818-249C ...................153818-273C ...................75, 77, 115, 153818-298C ...................57, 59, 61, 63,
65, 73, 75, 77,
818-540C ...................
109, 111, 113,
115, 143, 145,
147, 149, 153
75, 77, 115, 153818-543C ...................57, 59, 61, 63,
65, 73, 75, 77,
818-552C ...................
109, 111, 113,
115, 143, 145,
147, 149, 153
PagePart Number
75, 77, 115, 153818-555C ...................75, 77, 115, 153818-556C ...................75818-557C ...................75, 77, 115, 153818-558C ...................75, 77, 115, 153818-560C ...................75, 153818-728C ...................77, 115818-862C ...................77, 115818-890C ...................75818-892C ...................153818-894C ...................75, 77, 115, 153818-899C ...................75818-916C ...................75818-917C ...................153818-918C ...................30, 33, 35, 41, 97822-006C ...................37, 89, 91822-045C ...................37, 89, 91822-050C ...................127, 131, 133822-096C ...................30, 33, 35, 41, 97822-161C ...................127, 131, 133822-162C ...................47, 49, 51, 53,
55, 71, 107, 141
822-166C ...................
49, 51, 53822-188C ...................25, 47826-011C ...................26, 29, 42, 57,
59, 61, 98
826-012C ...................
123, 135826-055C ...................124, 143826-057C ...................123, 135826-058C ...................26, 29, 42, 63,
65, 98, 109
826-064C ...................
124, 128, 145826-080C ...................25, 47, 49826-081C ...................128, 147, 149826-195C ...................25, 29, 51826-203C ...................127, 137826-206C ...................128826-240C ...................53826-293C ...................41, 67, 97, 103,
139
826-296C ...................
42, 73, 98, 111,
113
826-297C ...................
41, 69, 97, 105826-311C ...................29, 55826-325C ...................41, 71, 97, 107,
127, 141
826-326C ...................
17, 39, 95827-001C ...................17, 39, 95827-002C ...................77, 115838-063C ...................77, 115838-260C ...................77, 115838-262C ...................77, 115838-272C ...................77, 115838-277C ...................77, 115838-300C ...................77, 115838-339C ...................75, 77, 115, 153838-517C ...................17, 39, 9587010 ........................17, 9387040 ........................17, 39, 93, 9587410 ........................8787413 ........................33, 35, 131, 133890-163C ...................25, 29, 41, 97890-171C ...................25, 29, 41, 97890-172C ...................119890-187C ...................17, 39, 95890-189C ...................25, 29, 41, 97890-200C ...................119890-202C ...................25, 29, 41, 97890-204C ...................123, 127890-205C ...................123, 127890-223C ...................25, 29, 41, 97890-318C ...................
158 AT2560, AT2572, (AT2584 See AT2684), AT2660, AT2672, AT2684 & AT3590 Air Tunnel Grooming Mower 310-002P 07/23/08
Table of Contents Part Number Index
Part Number Index (continued)

PagePart Number
25, 29, 41, 97890-375C ...................123, 127890-533C ...................45, 101890-641C ...................42, 98890-675C ...................41, 97890-684C ...................42, 98890-685C ...................25, 29, 41, 97890-698C ...................25, 29, 41, 97890-702C ...................123, 127890-704C ...................42, 98890-706C ...................8795316 ........................30, 128990-109R ...................71, 107, 141A.248.500 ..................55A.248.7500 ................47A.259.500 ..................55, 71, 107, 135,
141
A244.501 ...................
87BF-1506 .....................151dwg10139 ..................133dwg10333 ..................131dwg10433 ..................117dwg10482 ..................123dwg10483 ..................135dwg10484 ..................119dwg10485 ..................143dwg10492 ..................89dwg10499 ..................47dwg10508 ..................17dwg10606 ..................61dwg10824 ..................9dwg10827 ..................145dwg10886 ..................25dwg11754 ..................155dwg12471 ..................65dwg13457 ..................19, 87dwg13629 ..................121dwg13631 ..................49dwg13996 ..................11dwg14161 ..................13dwg14162 ..................35dwg15044 ..................33dwg15045 ..................73dwg15220 ..................149dwg15386 ..................137dwg15934 ..................51dwg16020 ..................147dwg16074 ..................127dwg16479 ..................29dwg16499 ..................153dwg17598 ..................93dwg17714 ..................53dwg18705 ..................139dwg18706 ..................23, 85dwg18881 ..................15, 81dwg18882 ..................21, 83dwg18883 ..................39, 95dwg18884 ..................45, 101dwg18885 ..................41, 97dwg18886 ..................77, 115dwg18887 ..................67, 103dwg18948 ..................55, 71, 107dwg19549 ..................69, 105dwg19602 ..................75dwg22053 ..................79dwg22054 ..................63dwg22224 ..................109dwg2224 ....................37, 91dwg22240 ..................57, 59dwg22243 ..................111dwg26647 ..................113dwg26648 ..................
PagePart Number
141dwg30000 ..................37, 89, 91GS-3 ..........................37, 89, 91HSS-34 ......................87RT-3414 .....................55, 71, 107, 141U0.195.7101.00 .........
07/23/08 AT2560, AT2572, (AT2584 See AT2684), AT2660, AT2672, AT2684 & AT3590 Air Tunnel Grooming Mower 310-002P 159
Table of Contents Part Number Index
Part Number Index (continued)












































































