Land Pride Rotary Cutters Rcb6010 Users Manual
RCBM6010 to the manual ac31d0f1-bee6-4edd-a224-e3b1ea8a0295
2015-02-09
: Land-Pride Land-Pride-Rotary-Cutters-Rcb6010-Users-Manual-569968 land-pride-rotary-cutters-rcb6010-users-manual-569968 land-pride pdf
Open the PDF directly: View PDF
.
Page Count: 196 [warning: Documents this large are best viewed by clicking the View PDF Link!]

Rotary Cutters
RCB6010, RCBM6010, RCB6015 & RCBM6015
18198 318-263P
Parts Manual
Read the Operator's manual entirely. When
you see this symbol, the subsequent
instructions and warnings are serious - follow
without exception.Your life and the lives of
others depend on it!
© Copyright 2008 Printed 04/01/08
Cover photo may show optional equipment not
supplied with standard unit.
Table of Contents Part Number Index

Section 1: Introduction.................................................6
Using This Manual...............................................................6
Manual Replacement Information.......................................6
Manual Revisions................................................................6
Touch-up Paint....................................................................6
Hardware Legend................................................................7
Replacement Hardware......................................................7
Serial Numbers...................................................................7
Part Number Service Coding..............................................7
RCB6010 & RCB6015 SERIES (540
RPM)
Section 2: Decks............................................................8
Blade Carrier.......................................................................8
Deck Center Section (540 RPM).......................................10
Deck Wing Section (540 RPM)..........................................14
Hitch..................................................................................16
Weight Box........................................................................20
Wing Turnbuckle and Transport Bar..................................22
Section 3: Axles...........................................................24
Axle Center Deck (S/N 489025-).......................................24
Axle Center Deck (S/N 489026+)......................................26
Axle Tandem Center Deck (S/N 419602 to 489025).........28
Axle Tandem Center Deck (S/N 489026+)........................30
Axle Wing Deck (S/N 489025-).........................................32
Axle Wing Deck (S/N 489026+)........................................34
Section 4: Guards........................................................36
Guards Center Deck.........................................................36
Guards Wing Deck............................................................38
Section 5: Drivelines...................................................40
Driveline Center (826-260C) Walterscheid........................40
Driveline Center (826-478C) Comer (S/N 461935 to 461937,
468573+)....................................................................42
Driveline Center 540 RPM (826-183C) Eurocardan..........44
Driveline CV (826-117C) Walterschied..............................46
Driveline CV 540 RPM (826-476C) Comer (S/N 468558 to
______).......................................................................48
Driveline Slip Clutch (146.264.024.1) Comer....................50
Driveline Slip Clutch (146.284.020.1) Comer....................52
Driveline Slip Clutch (383805) Walterscheid.....................54
Driveline Slip Clutch (391708) Walterscheid.....................56
Driveline Slip Clutch 540/1000 RPM (1446016) EC..........58
Driveline Wing (826-185C) EC New Shielding..................60
Driveline Wing (826-262C) Walterscheid..........................62
Driveline Wing (826-481C) Comer (S/N 461935 to 461937,
468573+)....................................................................64
Section 6: Gearboxes..................................................66
Gearbox (826-231C) OMNI...............................................66
Gearbox (826-232C) OMNI...............................................68
Gearbox 540 RPM (826-320C) Comer.............................70
Gearbox 540 RPM (826-321C) Comer.............................72
Gearbox Divider (826-179C) Comer.................................74
Gearbox Divider (826-179C) OMNI...................................76
Section 7: Hydraulics..................................................78
Hydraulic Center Lift..........................................................78
Hydraulic Cylinder (810-162C) Red Lion..........................80
Hydraulic Cylinder (810-312C) Red Lion).........................82
Hydraulic Cylinder Center Lift (810-162C) Cross..............84
Hydraulic Cylinder Center Lift (810-162C) Midway...........86
Hydraulic Cylinder Wing (810-312C) Cross......................88
Hydraulic Cylinder Wing (810-312C) Midway....................90
Hydraulic Wing Lift............................................................92
Section 8: Labels.........................................................94
Label Placement...............................................................94
Label Placement...............................................................96
Section 9: Options.......................................................98
Baffle Option (318-402A)..................................................98
RCBM6010 & RCBM6015 SERIES (1000
RPM)
Section 2: Decks........................................................100
Blade Carrier...................................................................100
Deck Center Section (1000 RPM) RCBM Series............102
Deck Wing Section (1000 RPM)......................................106
Hitch................................................................................108
Weight Box......................................................................112
Wing Turnbuckle and Transport Bar................................114
Section 3: Axles.........................................................116
Axle Center Deck (S/N 489025-).....................................116
Axle Center Deck (S/N 489026+)....................................118
Axle Tandem Center Deck (S/N 419602 to 489025).......120
Axle Tandem Center Deck (S/N 489026+)......................122
Axle Wing Deck (S/N 489025-).......................................124
Axle Wing Deck (S/N 489026+)......................................126
Section 4: Guards......................................................128
Guards Center Deck.......................................................128
Guards Wing Deck..........................................................130
Section 5: Drivelines.................................................132
Driveline Center (826-478C) Comer (S/N 461935 to 461937,
468573+)..................................................................132
Driveline Center 1000 RPM (826-184C) Eurocardan......134
Driveline Center 1000 RPM (826-261C) Walterscheid.....136
Driveline CV 1000 RPM (826-244C) Walterscheid (S/N
468225-)...................................................................138
Driveline CV 1000 RPM (826-245C) 1 3/4-20 Walterscheid
(S/N 488896-)...........................................................140
© Copyright 2008. All rights reserved.
Land Pride provides this publication “as is” without warranty of any kind, either expressed or implied.While every precaution has been taken in the preparation of this manual,
Land Pride assumes no responsibility for errors or omissions. Neither is any liability assumed for damages resulting from the use of the information contained herein. Land
Pride reserves the right to revise and improve its products as it sees fit. This publication describes the state of this product at the time of its publication, and may not reflect
the product in the future.The illustrations in this manual are not intended for safe and proper assembly or disassembly of equipment. The illustrations are intended for
ordering parts only. Land Pride is registered trademark.
All other brands and product names are trademarks or registered trademarks of their respective holders.
Printed in the United States of America.
2RCB6010, RCBM6010, RCB6015 & RCBM6015 Rotary Cutters 318-263P 04/01/08
Table of Contents Part Number Index
Table of Contents

Driveline CV 1000 RPM (826-477C) 1 3/8-21 Comer (S/N
468226 to ______)...............................................142
Driveline CV 1000 RPM (826-499C) 1 3/4-20 Comer (S/N
488897+)..............................................................144
Driveline Slip Clutch (146.264.024.1) Comer.............146
Driveline Slip Clutch (146.284.020.1) Comer.............148
Driveline Slip Clutch (383805) Walterscheid..............150
Driveline Slip Clutch 1000 RPM (1406016)
Eurocardan..........................................................152
Driveline Slip Clutch 540/1000 RPM (1446016) EC....154
Driveline Wing (826-185C) EC New Shielding...........156
Driveline Wing (826-262C) Walterscheid....................158
Driveline Wing (826-481C) Comer (S/N 461935 to 461937,
468573+)..............................................................160
Section 6: Gearboxes............................................162
Gearbox 1000 RPM RCM5015 (826-317C) RCM6015
(826-322C) Comer...............................................162
Gearbox 1000 RPM RCM5015 (826-318C) RCM6015
(826-323C) Comer...............................................164
Gearbox 1000 RPM RCM5015 (826-319C) RCM6015
(826-324C) Comer...............................................166
Gearbox Divider 1000 RPM (826-180C) Comer........168
Section 7: Hydraulics............................................170
Hydraulic Center Lift...................................................170
Hydraulic Cylinder (810-162C) Red Lion....................172
Hydraulic Cylinder (810-312C) Red Lion)..................174
Hydraulic Cylinder Center Lift (810-162C) Cross.......176
Hydraulic Cylinder Center Lift (810-162C) Midway.....178
Hydraulic Cylinder Wing (810-312C) Cross...............180
Hydraulic Cylinder Wing (810-312C) Midway.............182
Hydraulic Wing Lift.....................................................184
Section 8: Labels...................................................186
Label Placement........................................................186
Label Placement........................................................188
Section 9: Options................................................190
Baffle Option (318-402A)...........................................190
Part Number Index................................................192
Table of Contents Part Number Index
Table of Contents (continued)
04/01/08 RCB6010, RCBM6010, RCB6015 & RCBM6015 Rotary Cutters 318-263P 3

RCB6010 & RCB6015 SERIES (540
RPM)
AAxle Center Deck (S/N 489025-).......................................24
Axle Center Deck (S/N 489026+)......................................26
Axle Tandem Center Deck (S/N 419602 to 489025).........28
Axle Tandem Center Deck (S/N 489026+)........................30
Axle Wing Deck (S/N 489025-).........................................32
Axle Wing Deck (S/N 489026+)........................................34
BBaffle Option (318-402A)..................................................98
Blade Carrier.......................................................................8
DDeck Center Section (540 RPM).......................................10
Deck Wing Section (540 RPM)..........................................14
Driveline Center (826-260C) Walterscheid........................40
Driveline Center (826-478C) Comer (S/N 461935 to 461937,
468573+)....................................................................42
Driveline Center 540 RPM (826-183C) Eurocardan..........44
Driveline CV (826-117C) Walterschied..............................46
Driveline CV 540 RPM (826-476C) Comer (S/N 468558 to
______).......................................................................48
Driveline Slip Clutch (146.264.024.1) Comer....................50
Driveline Slip Clutch (146.284.020.1) Comer....................52
Driveline Slip Clutch (383805) Walterscheid.....................54
Driveline Slip Clutch (391708) Walterscheid.....................56
Driveline Slip Clutch 540/1000 RPM (1446016) EC..........58
Driveline Wing (826-185C) EC New Shielding..................60
Driveline Wing (826-262C) Walterscheid..........................62
Driveline Wing (826-481C) Comer (S/N 461935 to 461937,
468573+)....................................................................64
GGearbox (826-231C) OMNI...............................................66
Gearbox (826-232C) OMNI...............................................68
Gearbox 540 RPM (826-320C) Comer.............................70
Gearbox 540 RPM (826-321C) Comer.............................72
Gearbox Divider (826-179C) Comer.................................74
Gearbox Divider (826-179C) OMNI...................................76
Guards Center Deck.........................................................36
Guards Wing Deck............................................................38
HHitch..................................................................................16
Hydraulic Center Lift..........................................................78
Hydraulic Cylinder (810-162C) Red Lion..........................80
Hydraulic Cylinder (810-312C) Red Lion).........................82
Hydraulic Cylinder Center Lift (810-162C) Cross..............84
Hydraulic Cylinder Center Lift (810-162C) Midway...........86
Hydraulic Cylinder Wing (810-312C) Cross......................88
Hydraulic Cylinder Wing (810-312C) Midway....................90
Hydraulic Wing Lift............................................................92
LLabel Placement...............................................................94
Label Placement...............................................................96
WWeight Box........................................................................20
Wing Turnbuckle and Transport Bar..................................22
RCBM6010 & RCBM6015 SERIES (1000
RPM)
AAxle Center Deck (S/N 489025-).....................................116
Axle Center Deck (S/N 489026+)....................................118
Axle Tandem Center Deck (S/N 419602 to 489025).......120
Axle Tandem Center Deck (S/N 489026+)......................122
Axle Wing Deck (S/N 489025-).......................................124
Axle Wing Deck (S/N 489026+)......................................126
BBaffle Option (318-402A)................................................190
Blade Carrier...................................................................100
DDeck Center Section (1000 RPM) RCBM Series............102
Deck Wing Section (1000 RPM)......................................106
Driveline Center (826-478C) Comer (S/N 461935 to 461937,
468573+)..................................................................132
Driveline Center 1000 RPM (826-184C) Eurocardan......134
Driveline Center 1000 RPM (826-261C) Walterscheid.....136
Driveline CV 1000 RPM (826-244C) Walterscheid (S/N
468225-)...................................................................138
Driveline CV 1000 RPM (826-245C) 1 3/4-20 Walterscheid
(S/N 488896-)...........................................................140
Driveline CV 1000 RPM (826-477C) 1 3/8-21 Comer (S/N
468226 to ______)....................................................142
Driveline CV 1000 RPM (826-499C) 1 3/4-20 Comer (S/N
488897+)..................................................................144
Driveline Slip Clutch (146.264.024.1) Comer..................146
Driveline Slip Clutch (146.284.020.1) Comer..................148
Driveline Slip Clutch (383805) Walterscheid...................150
Driveline Slip Clutch 1000 RPM (1406016) Eurocardan..152
Driveline Slip Clutch 540/1000 RPM (1446016) EC........154
Driveline Wing (826-185C) EC New Shielding................156
Driveline Wing (826-262C) Walterscheid........................158
Driveline Wing (826-481C) Comer (S/N 461935 to 461937,
468573+)..................................................................160
GGearbox 1000 RPM RCM5015 (826-317C) RCM6015
(826-322C) Comer....................................................162
Gearbox 1000 RPM RCM5015 (826-318C) RCM6015
(826-323C) Comer....................................................164
Gearbox 1000 RPM RCM5015 (826-319C) RCM6015
(826-324C) Comer....................................................166
Gearbox Divider 1000 RPM (826-180C) Comer.............168
Table of Contents Part Number Index
Alphabetized Table of Contents
4RCB6010, RCBM6010, RCB6015 & RCBM6015 Rotary Cutters 318-263P 04/01/08

Guards Center Deck...................................................128
Guards Wing Deck.....................................................130
HHitch...........................................................................108
Hydraulic Center Lift...................................................170
Hydraulic Cylinder (810-162C) Red Lion....................172
Hydraulic Cylinder (810-312C) Red Lion)..................174
Hydraulic Cylinder Center Lift (810-162C) Cross.......176
Hydraulic Cylinder Center Lift (810-162C) Midway.....178
Hydraulic Cylinder Wing (810-312C) Cross...............180
Hydraulic Cylinder Wing (810-312C) Midway.............182
Hydraulic Wing Lift.....................................................184
LLabel Placement........................................................186
Label Placement........................................................188
WWeight Box.................................................................112
Wing Turnbuckle and Transport Bar...........................114
Table of Contents Part Number Index
Alphabetized Table of Contents (continued)
04/01/08 RCB6010, RCBM6010, RCB6015 & RCBM6015 Rotary Cutters 318-263P 5

RevisionCommentsPart DescriptionPart No.Ref.
Drawing Image Numberdwg18311
BLADE BOL 1 1/8-12X3 7/16 W/KY802-277C1.
Center Standard Blade Quantity 2CUTTER BLADE 1/2X4X29 CCW820-168C2.
Center Optional Blade Quantity 2CUTTER BLADE 1/2X4X29 LL CCW820-188C2.
RH Standard Blade Quantity 2CUTTER BLADE 1/2X4X23 CCW820-169C2.
RH Optional Blade Quantity 2CUTTER BLADE 1/2X4X23 LL CCW820-189C2.
LH Standard Blade QuantityCUTTER BLADE 1/2X4X23 CW820-170C2.
LH Optional Blade Quantity 2CUTTER BLADE 1/2X4X23 LL CW820-190C2.
NUT HEX TOP LOCK 1 1/8-12 PLT.803-170C3.
WASHER FLAT 1 HARD ASTMF436 PN804-147C4.
Rev. 2 not compat. w/Rev. 1.(S/N 325492+)WLDMT. DP. 60 SERIES/U125 HUB318-364H5.
Rev. 1(S/N 325491-)WLDMT. DISHPAN318-164H5.
HHCS 3/4-10X2 1/4 GR5802-065C6.
NUT HEX FLANGE LOCK 3/4-10 PLT803-181C7.
OMNI/COMERLARGE ROUND DISHPAN 3/16318-190D8.
Rev. 2 not compat. w/Rev. 1.(S/N 325492+)ASSY. BLADE CARRIER318-368V9.
Rev. 1(S/N 325491-)ASSY. BLADE CARRIER318-165V9.
Center Section (S/N 325491-)ASSY. CCW BLADE CARRIER CTR.318-159S10.
RH wing (S/N 325491-)ASSY. CCW BLADE CARRIER RH.318-161S10.
LH Wing (S/N 325491-)ASSY. CW BLADE CARRIER LH.318-163S10.
Center (S/N 325492+)ASSY. CCW BLADE CARRIER CTR.318-369S10.
RH wing (S/N 325492+)ASSY. CCW BLADE CARRIER RH.318-370S10.
LH wing (S/N 325492+)ASSY. BLADE CARRIER318-368V10.
As RequiredBLADE SPACER 16 GA .06 thick312-075D11.
As RequiredBLADE SPACER 18 GA .05 thick312-082D11.
As RequiredBLADE SPACER 20 GA. .04 thick312-089D11.
As RequiredBLADE SPACER 24GA .03 thick312-808D11.
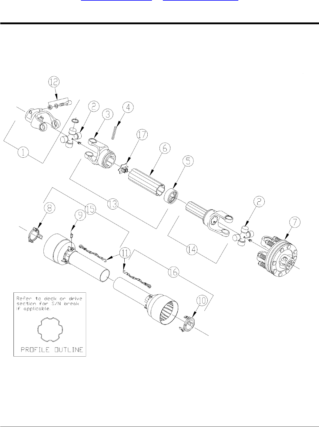
04/01/08 RCB6010, RCBM6010, RCB6015 & RCBM6015 Rotary Cutters 318-263P 9
Table of Contents Part Number Index
Section 2: Decks Land Pride
RCB6010 & RCB6015 SERIES (540 RPM)
Blade Carrier
Applies to RCB6010, RCB6015

RevisionCommentsPart DescriptionPart No.Ref.
Drawing Image Numberdwg22220
WLDMT. SKID SHOE LH.318-146H1.
NUT HEX WHIZ 1/2-13 PLT803-037C2.
HFS 1/2-13X2 GR8802-456C3.
WASHER LOCK SPRING 3/4 PLT804-023C4.
HHCS 3/4-10X1 1/2 GR5802-184C5.
WLDMT. SKID SHOE RH.318-145H6.
DIVBX.RCD101HD 1 3/4-20 1:1.21826-179C7.
PLASTIC DIVIDER BOX SHIELD817-416C8.
KNOB 3/8-16 FEMALE THD 2 3/8OD817-259C9.
PIN CLEVIS 3/8 X 5 1/2 PLT805-309C10.
PIN COTTER 5/32 X 1 1/4 LG805-045C11.
WASHER LOCK SPRING 3/8 PLT804-013C12.
NUT WING 3/8-16 PLT803-231C13.
WASHER FLAT 3/8 SAE PLT804-012C14.
SHIELD BRACKET WELDMENT318-401H15.
WASHER FLAT 5/16 USS PLT804-010C16.
WASHER LOCK SPRING 5/16 PLT804-009C17.
OMNI GearboxHHCS 5/16-18X3/4 GR5802-007C18.
COMER GearboxNUT HEX TOPLOCK 1 1/4-7GR9 PLT803-314C18.
PTO INT. CAT.4 540W/CLUTCH826-183C19.
Rev. 2(S/N 461935 to 461937, 468573+)PTO E60 X 21.7 1280NM CLUTCH826-478C19.
Rev. 1RPBY 826-478C826-260C19.
SPRING HOSE LOOP807-023C20.
GBOX RC60 1.75-20 1:1.46 CCW826-320C21.
(S/N 558465+)HHCS 3/4-10X2 1/4 GR5802-065C22.
(S/N 558464-)HHCS 3/4-10X2 GR5802-064C22.
WLDMT. CYLINDER SPRING BASE318-169H23.
SPRING COMP 1.88OD x .362W807-143C24.
HHCS 1-8X5 GR5802-235C25.
NUT HEX TOP LOCK 1-8 PLT803-168C26.
BLADE BOLT ACCESS COVER312-611D27.
NUT LOCK 3/4-10 PLT803-026C28.
Rev. 2(S/N 419602+)WLDMT. CENTER SECT. BID318-693H29.
Rev. 1(S/N 419601-)WLDMT. CTR. SECT. BID318-257H29.
Rev. 2 not compat. w/Rev. 1.(S/N 325492+)ASSY. CCW BLADE CARRIER CTR.318-369S30.
Rev. 1(S/N 325491-)ASSY. CCW BLADE CARRIER CTR.318-159S30.
RPBY 826-476C802-017C31.
FORMED HINGE BRACKET318-322D32.
(S/N 468558+)PTO CV V80 X 54.8 NO CLUTCH826-476C33.
PTO 2580 X 41.73 NO CLUTCH826-117C33.
WASHER HARDENED 1 1/8 USS804-169C34.
CO CASTLE NUT M36X38.2.2.0056035.
PIN COTTER 1/4 X 2 1/2 PLT805-105C36.
WASHER FLAT 1 USS PLT804-028C37.
HHCS 3/4-10X6 GR5802-070C38.
TOP PLATE SKID REINFORCEMENT318-167D39.
GREASE ZERK 1/4-28 THD FORMING800-080C40.
NUT HEX TOP LOCK 5/8-11 PLT803-271C41.
HHCS 5/8-11X1 3/4 GR5802-053C42.
WASHER FLAT 5/8 USS PLT804-019C43.
WLDMT. WINCH318-256H44.
NUT LOCK 3/8-16 PLT803-013C45.
BRAKE WINCH DLB2000890-671C46.
WINCH HANDLE 12" DBL2000890-679C47.
HHCS 3/8-16X1 3/4 GR5802-023C48.
WASHER LOCK SPRING 3/8 PLT804-013C49.
WASHER FLAT 3/8 USS PLT804-011C50.
04/01/08 RCB6010, RCBM6010, RCB6015 & RCBM6015 Rotary Cutters 318-263P 11
Table of Contents Part Number Index
Section 2: Decks Land Pride
RCB6010 & RCB6015 SERIES (540 RPM)
Deck Center Section (540 RPM)
Applies to RCB6010, RCB6015

RevisionCommentsPart DescriptionPart No.Ref.
WINCH CABLE AND HOOK890-680C51.
Includes items 41 through 51MECHANICAL WINCH318-271A52.
COMER GearboxHHCS 5/8-11X2 1/2 GR5802-058C53.
COMER GearboxNUT HEX TOP LOCK 5/8-11 PLT803-271C54.
Used with Weight Box onlyWLDMT. SHAFT PROTECTOR318-141H55.
S/N 488627+MANUAL STORAGE CONTAINER816-481C56.
S/N 488627+HHCS 1/4-20X1 GR5802-005C57.
S/N 488627+NUT HEX NYLOCK 1/4-20803-255C58.
S/N 488627+WASHER FLAT 1/4 SAE PLT804-007C59.
S/N 509805+BUSHING CYL 1 1/4 X 1 X 1890-005C60.
12 RCB6010, RCBM6010, RCB6015 & RCBM6015 Rotary Cutters 318-263P 04/01/08
Table of Contents Part Number Index
Land Pride Section 2: Decks
RCB6010 & RCB6015 SERIES (540 RPM)
Deck Center Section (540 RPM) (continued)
Applies to RCB6010, RCB6015

RevisionCommentsPart DescriptionPart No.Ref.
Drawing Image Numberdwg18310
LH Deck ShownDEFLECTOR318-087D1.
RH DeckDEFLECTOR318-086D1.
Rev. 2 not compat. w/Rev. 1.(S/N 292792+)WLDMT. WING RH. SECT. BID318-341H2.
Rev. 1(S/N 292791-)WLDMT. WING RH. SECT. BID318-258H2.
Rev. 2 not compat. w/Rev. 1.(S/N 292792+)WLDMT. WING LH. SECT. BID318-342H2.
Rev. 1(S/N 292791-)WLDMT. WING LH. SECT. BID318-259H2.
NUT HEX WHIZ 1/2-13 PLT803-037C3.
RHSNB 1/2-13X1 1/4 GR5802-214C4.
RHSNB 1/2-13X1 1/2 GR5802-106C5.
NUT LOCK 3/4-10 PLT803-026C6.
LH Deck (S/N 325492+)GBOX RC130L 1.75-20 1:1.46826-320C7.
RH Deck (S/N 325492+)GBOX RC60 1.75-20 1:1.46826-321C7.
LH Deck (S/N 325491-)GBOX RC130L 1.75-20 1:1.46826-231C7.
RH Deck (S/N 325491-)GBOX RC130L 1.75-20 1:1.46826-232C7.
(S/N 558465+)HHCS 3/4-10X2 1/4 GR5802-065C8.
(S/N 558464-)HHCS 3/4-10X2 GR5802-064C8.
SHIELD WELDMENT312-399H9.
WASHER FLAT 3/8 SAE PLT804-012C10.
NUT WING 3/8-16 PLT803-231C11.
WASHER LOCK SPRING 3/8 PLT804-013C12.
SHIELD MOUNT BRACKET WELDMENT312-400H13.
WASHER FLAT 5/16 USS PLT804-010C14.
WASHER LOCK SPRING 5/16 PLT804-009C15.
HHCS 5/16-18X3/4 GR5802-007C16.
BLADE BOLT ACCESS COVER312-611D17.
NUT HEX WHIZ 3/8-16 PLT803-198C18.
PLOW 3/8-16X1 1/4 GR5802-466C19.
Rev. 2 not compat. w/Rev. 1.(S/N 292792+)SKID SHOE318-335D20.
Rev. 1(S/N 292791-)SKID SHOE318-096D20.
RH DeckASSY. CCW BLADE CARRIER RH.318-370S21.
LH DeckASSY. CW BLADE CARRIER LH.318-371S21.
CO BLANK WASHER0.288.7101.0022.
WASHER HARDENED 1 1/8 USS804-169C22.
(S/N 325-492+)CO CASTLE NUT M36X38.2.2.0056023.
(S/N 325-491-)OMNI NUT HEX SLOTTED, 1 1/412009223.
PIN COTTER 1/4 X 2 1/2 PLT805-105C24.
ShownDEFLECTOR FLAT LH.318-171D25.
DEFLECTOR FLAT RH.318-170D25.
Rev. 2(S/N 461935 to 461937, 468573+)PTO V80 X 59.3 1280NM CLUTCH826-481C26.
Rev. 1RPBY 826-481C826-262C26.
PTO CAT.4 W/CLUTCH 1 3/4-20826-185C26.
04/01/08 RCB6010, RCBM6010, RCB6015 & RCBM6015 Rotary Cutters 318-263P 15
Table of Contents Part Number Index
Section 2: Decks Land Pride
RCB6010 & RCB6015 SERIES (540 RPM)
Deck Wing Section (540 RPM)
Applies to RCB6010, RCB6015

RevisionCommentsPart DescriptionPart No.Ref.
Drawing Image Numberdwg18308
Rev. 2 not compat. w/Rev. 1.(S/N 419602+)ASSY. SWIVEL TONGUE318-678L
Rev. 1Includes items 1 through 11 (S/N
419601-1)
ASSY. SWIVEL TONGUE318-254L
(S/N 306742-)WLDMT. SWIVEL HITCH318-253H1.
SAFETY CHAIN 10000 LB890-182C2.
HHCS 1-8X2 1/2 GR5802-096C3.
WASHER FLAT 1 USS804-028C4.
S/N 489026+WASHER FLAT 1 SAE804-029C5.
S/N 489025-NUT HEX TOP LOCK 1-8 PLT803-168C5.
Rev. 2 not compat. w/Rev. 1.(S/N 419602+)WLDMT. SWIVEL TONGUE318-694H6.
Rev. 1(S/N 419601-)WLDMT. SWIVEL TONGUE318-252H6.
S/N 489026+WLDMT. PVT. PIN TONGUE318-850H7.
S/N 489025-HHCS 1-8X5 GR5802-235C7.
GREASE ZERK 1/4-28 THD FORMING800-080C8.
WASHER FLAT 1 3/8HARD ASTMF436804-171C9.
NUT HEX SLOTTED 1 1/2-6 PLT803-301C10.
PIN COTTER 1/4 X 2 1/2 PLT805-105C11.
PIN COTTER 5/32 X 1 1/4 LG805-045C12.
PIN CLEVIS 3/4 X 1 1/2805-083C13.
WASHER FLAT 3/4 SAE PLT804-025C14.
WLDMT. LEVEL ROD SHORT318-008H15.
NUT HEX COUPLER 7/8-9 x 5803-265C16.
NUT HEX JAM 7/8-9803-075C17.
WLDMT. LEVEL ROD LONG318-007H18.
SIDEWIND JACK 5000 LB890-226C19.
Includes items 12 through 18ASSY. LEVEL ROD318-052L20.
(S/N 306743+)SHAFT WELDMENT318-358H21.
(S/N 306743+)HHCS 1-8X6 1/2 GR5802-074C22.
(S/N 306743+)CLEVIS WELDMENT318-357H23.
(S/N 306743+)WASHER FLAT 1 USS PLT804-028C24.
(S/N 306743+)NUT HEX TOP LOCK 1-8 PLT803-168C25.
(S/N 306743+)NUT HEX JAM 1-8 PLT803-030C26.
(S/N 306743+)ASSY. SWIVEL CLEVIS318-356S27.
ASSY. PINTLE HITCH CLEVIS318-555S28.
HHCS 1-8X9 GR5802-110C29.
Rev. 2 not compat. w/Rev. 1.(S/N 419602+)WLDMT. BALL HITCH TONGUE318-688H30.
Rev. 1(S/N 419601-)WLDMT. BALL HITCH TONGUE318-406H30.
Rev. 2 not compat. w/Rev. 1.(S/N 419602+)WLDMT. TONGUE318-570H31.
Rev. 1(S/N 419601-)WLDMT. TONGUE318-004H31.
NUT HEX FLANGE LOCK 3/4-10 PLT803-181C32.
HHCS 1-8X5 GR5802-235C33.
HHCS 3/4-10X5 1/2 GR5802-594C34.
WASHER FLAT 3/4 SAE PLT804-025C35.
HITCH TOP PLATE318-691D36.
BUSHING 1.50ODX1.00IDX1.25890-862C37.
WELDMENT HITCH CLEVIS318-834H38.
GREASE ZERK STRAIGHT 1/4-28800-001C39.
WELDMENT HITCH BASE318-835H40.
NUT HEX TOP LOCK 1-8 PLT803-168C41.
FORMED HITCH SUPPORT318-693D42.
Rev. 2ASSY. PIVOT-CLAMP HITCH318-833S43.
Rev 1; Use up stock(See Item 43)REPLACE WITH 318-833S318-746S44.
Rev 1; Use up stock(See Item 43)REPLACE WITH 318-833S318-661D45.
Rev 1; Use up stock(See Item 43)REPLACE WITH 318-833S318-745H46.
Rev 1; Use up stock(See Item 43)REPLACE WITH 318-833S318-744H47.
Included with item 47BUSHING 1.50ODX1.00IDX1.00890-858C48.
HHCS 3/4-10X4 1/2 GR5802-192C49.
04/01/08 RCB6010, RCBM6010, RCB6015 & RCBM6015 Rotary Cutters 318-263P 17
Table of Contents Part Number Index
Section 2: Decks Land Pride
RCB6010 & RCB6015 SERIES (540 RPM)
Hitch
Applies to RCB6010, RCB6015

RevisionCommentsPart DescriptionPart No.Ref.
NUT LOCK 3/4-10 PLT803-026C50.
S/N 489026+PIN ROLL 1/4 X 2 LG PL805-146C51.
NUT HEX TOP LOCK 1-8 PLT803-168C52.
18 RCB6010, RCBM6010, RCB6015 & RCBM6015 Rotary Cutters 318-263P 04/01/08
Table of Contents Part Number Index
Land Pride Section 2: Decks
RCB6010 & RCB6015 SERIES (540 RPM)
Hitch (continued)
Applies to RCB6010, RCB6015

RevisionCommentsPart DescriptionPart No.Ref.
Drawing Image Numberdwg22213
WLDMT. HINGE ROD318-017H1.
ASSY. HINGE ROD318-055L2.
SKID SHOE318-096D3.
WLDMT WEIGHT BOX RH. WING318-107H4.
ASSY. REAR CHAINGUARD318-111K5.
ROD 1/4 X 11318-160D6.
ROUND ROD 1/4 X 12 1/2318-196D7.
REAR CHAINGUARD318-198D8.
CHAINGUARD MOUNTING PLATE LH.318-353D9.
FRONT CHAINGUARD LH318-354D10.
ASSY. FRT.CG.WT.BOX RH.WING318-354K11.
RHSNB 3/8-16X1 GR5802-015C12.
HHCS 3/8-16X1 1/2 GR5802-022C13.
RHSNB 1/2-13X1 GR5802-183C14.
PLOW 3/8-16X1 1/4 GR5802-466C15.
NUT HEX 3/8-16 PLT803-014C16.
NUT HEX WHIZ 1/2-13 PLT803-037C17.
NUT HEX WHIZ 3/8-16 PLT803-198C18.
WASHER LOCK SPRING 3/8 PLT804-013C19.
CHAIN WELD 5/16 PROOF X 5 LINK890-341C20.
CHAIN WELD 5/16 PROOF X 7-LINK890-393C21.
04/01/08 RCB6010, RCBM6010, RCB6015 & RCBM6015 Rotary Cutters 318-263P 21
Table of Contents Part Number Index
Section 2: Decks Land Pride
RCB6010 & RCB6015 SERIES (540 RPM)
Weight Box
Applies to RCB6010, RCB6015

RevisionCommentsPart DescriptionPart No.Ref.
Drawing Image Numberdwg18312
WLDMT. HINGE ROD318-017H1.
HHCS 3/8-16X1 1/2 GR5802-022C2.
S/N 489026+WASHER FLAT 1 SAE804-029C3.
S/N 489025-NUT HEX TOP LOCK 1-8 PLT803-168C3.
S/N 489026+WLDMT. PVT. PIN TURNBUCKLE318-854H4.
S/N 222150 to 489025HHCS 1-8X5 1/2 GR5802-205C4.
S/N 222149-HHCS 1-8X5 GR5802-235C4.
PIN COTTER 3/16 X 1 1/2 PLT805-104C5.
WASHER FLAT 1 SAE804-029C6.
WLDMT. CYLINDER PIN318-018H7.
S/N 419602+TURNBUCKLE 1BORE W/SWIVEL 9.43890-893C8.
S/N 419601- Includes items 9 thru 13
& 20
TURNBUCKLE 1BORE W/SWIVELS890-506C8.
NUT HEX JAM 1 1/8-7 PLTD.803-266C9.
GREASE ZERK STRAIGHT 1/8-27NPT800-130C10.
NUT HEX 5/16-18 PLT803-008C11.
WASHER LOCK SPRING 5/16 PLT804-009C12.
HHCS 5/16-18X2 1/2 GR8802-649C13.
NUT HEX 3/8-16 PLT803-014C14.
WASHER LOCK SPRING 3/8 PLT804-013C15.
TRANSPORT BAR318-040D16.
S/N 489026+WLDMT. PVT. PIN TURNBUCKLE318-853H17.
S/N 489025-HHCS 1-8X4 GR5802-073C17.
PIN, HAIR COTTER 3/16 WIRE DIA805-088C18.
Includes items 1, 2, 17 & 18ASSY. HINGE ROD318-055L19.
GREASE ZERK STRAIGHT 1/4-28800-001C20.
S/N 489026+PIN ROLL 1/4 X 2 LG PL805-146C21.
04/01/08 RCB6010, RCBM6010, RCB6015 & RCBM6015 Rotary Cutters 318-263P 23
Table of Contents Part Number Index
Section 2: Decks Land Pride
RCB6010 & RCB6015 SERIES (540 RPM)
Wing Turnbuckle and Transport Bar
Applies to RCB6010, RCB6015

RevisionCommentsPart DescriptionPart No.Ref.
Drawing Image Numberdwg18313
(S/N 491602+)SPACER 1/2827-001C1.
(S/N 491601-)SPACER 1 1/2OD X .234W X 1318-085D1.
HHCS 1-8X5 1/2 GR5802-205C2.
HHCS 1-8X9 GR5802-110C3.
NUT HEX TOP LOCK 1-8 PLT803-168C4.
Rev. 2 not compat. w/Rev. 1.(S/N 419602+)WLDMT. STD. CENTER AXLE318-623H5.
Rev. 1(S/N 419601-)WLDMT. CENTER AXLE318-188H5.
HUB GREASE CAP200-001D6.
NUT HEX SLOTTED 7/8-14 PLT803-029C7.
WASHER SPINDLE - 7/8804-055C8.
BEARING CONE 15123822-091C9.
Rev. 2(S/N 414628+) W/CUPS, ZERK &
STUDS
HUB 4 BLT W/CUPS, ZERK & STUDS815-230C10.
Rev. 1(S/N 414627-) W/CUPS & ZERKHUB 4 BOLT WHL W/CUPS & ZERK815-093C10.
SEAL 1 3/8 ID X 2.441 OD X .313816-098C11.
PIN COTTER 3/16 X 1 1/4 PLT805-016C12.
GREASE ZERK 1/4-28 THD FORMING800-080C13.
Use with 17 & 22 S/N 414627-WASHER FLAT 1/2 SAE PLT804-016C14.
Use with 17 & 22 S/N 414627-WASHER LOCK SPRING 1/2 PLT804-015C15.
Use with 17 & 22 S/N 414627-HHCS 1/2-20X1 GR5802-240C16.
Use with 21 S/N 414627-BOLT WHEEL 1/2-20X1 90-DEG802-104C16.
Rev. 3(S/N 419602+)AC TIRE 24 X 7.7 2PC814-263C17.
Rev. 2(S/N 419601-)AC TIRE 27x7.75x15 MOUNTED814-201C17.
Rev. 1(S/N 419601-)TIRE 25.5 X 8.0-14 - MOUNTED814-086C17.
Rev. 3(S/N 419602+)AC TIRE 24 x 7.7 2PC FOAM FILL814-262C17.
Rev. 2(S/N 419601-)AC TIRE 27X7.75X15 MOUNTED FF814-202C17.
Rev. 1(S/N 419601-)TIRE 25.5 X 8.0-14 - AIR/FOAM814-189C17.
Rev. 2 not compat. w/Rev. 1.(S/N 419602+)SPINDLE - DUAL AXLE BOLT ON815-141C18.
Rev. 1(S/N 419601-)SPINDLE - DUAL AXLE BOLT ON815-109C18.
HHCS 1/2-13X3 1/4 GR5802-099C19.
NUT LOCK 1/2-13 PLT803-019C20.
WHEEL 15 X 5 X 4 BOLT814-066C21.
TIRE & WHEEL LAM. 6X9X21(TALL)814-059C22.
Use with 17 & 22 S/N 414628+NUT HEX FLG/LK 1/2-20 PLT.GR.G803-308C23.
Use with 21 S/N 414628+NUT LUG 1/2-20X90DEG PLT 13/16803-017C23.
S/N 414628+HUB STUD 1/2-20X1 5/8 GR5802-135C24.
GREASE ZERK STRAIGHT 1/4-28800-001C25.
BEARING CUP 15245822-092C26.
WELDMENT CHAIN ATTACH318-313H27.
U-BOLT 1/2-13 X 7 1/32 X 8 1/4806-026C28.
NUT HEX FLANGE LOCK 5/8-11803-263C29.
04/01/08 RCB6010, RCBM6010, RCB6015 & RCBM6015 Rotary Cutters 318-263P 25
Table of Contents Part Number Index
Section 3: Axles Land Pride
RCB6010 & RCB6015 SERIES (540 RPM)
Axle Center Deck (S/N 489025-)
Applies to RCB6010, RCB6015

RevisionCommentsPart DescriptionPart No.Ref.
Drawing Image Numberdwg23962
WLDMT. PVT. PIN TURNBUCKLE318-854H1.
WLDMT. PVT. PIN CTR. AXLE STD.318-851H2.
WASHER FLAT 1 SAE804-029C3.
HUB GREASE CAP200-001D4.
NUT HEX SLOTTED 3/4-16803-053C5.
WASHER HARDENED .81ID804-216C6.
BEARING CONE LM-67048822-021C7.
HUB 5-BOLT W/CUPS/STUDS815-243C8.
SEAL 1.75ID CR17617816-497C9.
PIN COTTER 5/32 X 1 3/4 LG805-246C10.
TIRE & WHL LAM. 6X9X21(5-BOLT)814-265C11.
AC TIRE 24 X 7.7 2PC. 5-BOLT814-285C12.
AC TIRE FF 24X7.7 2PC 5-BOLT814-288C13.
WHEEL 15 X 5 X 5 BOLT814-284C14.
WLDMT. STD. CENTER AXLE318-623H15.
SPINDLE-DUAL BOLT-ON815-240C16.
HHCS 1/2-13X3 1/4 GR5802-099C17.
NUT LOCK 1/2-13 PLT803-019C18.
TIRE 24X7.7-14 (814-285C)814-295C19.
TUBE FOR 24X7.7-14 (814-285C)814-297C20.
RIM 2PC 5BLT 10X6814-296C21.
NUT HEX 1/2-20 X 5/8 HIGH803-310C22.
HUB STUD 1/2-20X1.88 GR5802-779C23.
GREASE ZERK 1/4-28 THD FORMING800-080C24.
BEARING CUP LM-67010822-020C25.
BUSHING 1.25ODX1.00IDX3.00890-766C26.
SPACER 1/2827-001C27.
BEARING CUP LM-48510822-033C28.
BEARING CONE LM-48548822-034C29.
NUT LUG 1/2-20X90DEG PLT 13/16802-017C30.
PIN ROLL 1/4 X 2 LG PL805-146C31.
WELDMENT CHAIN ATTACH318-313H32.
U-BOLT 1/2-13 X 7 1/32 X 8 1/4806-026C33.
NUT HEX FLANGE LOCK 5/8-11 PLT803-263C34.
04/01/08 RCB6010, RCBM6010, RCB6015 & RCBM6015 Rotary Cutters 318-263P 27
Table of Contents Part Number Index
Section 3: Axles Land Pride
RCB6010 & RCB6015 SERIES (540 RPM)
Axle Center Deck (S/N 489026+)
Applies to RCB6010, RCB6015

RevisionCommentsPart DescriptionPart No.Ref.
Drawing Image Numberdwg22084
HUB GREASE CAP200-001D1.
WLDMT. CENTER AXLE318-571H2.
WLDMT. TANDEM ARM318-573H3.
OptionalWLDMT. PVT. PIN WALKING TANDEM318-855H4.
GREASE ZERK STRAIGHT 1/4-28800-001C5.
HHCS 1-8X6 GR5802-357C6.
HHCS 1/2-13X3 1/4 GR5802-099C7.
HHCS 1-8X9 GR5802-110C8.
HUB STUD 1/2-20X1 5/8 GR5802-135C9.
HHCS 1-8X5 1/2 GR5802-205C10.
NUT LOCK 1/2-13 PLT803-019C11.
NUT HEX SLOTTED 7/8-14 PLT803-029C12.
NUT HEX TOP LOCK 1-8 PLT803-168C13.
NUT HEX FLG/LK 1/2-20 PLT.GR.G803-308C14.
OptionalWASHER FLAT 1 SAE804-029C15.
WASHER SPINDLE - 7/8804-055C16.
PIN COTTER 3/16 X 1 1/4 PLT805-016C17.
OptionalPIN ROLL 1/4 X 2 LG PL805-146C18.
TIRE & WHEEL LAM. 6X9X21(TALL)814-059C19.
AC TIRE 24 x 7.7 2PC FOAM FILL814-262C20.
AC TIRE 24 X 7.7 2PC814-263C21.
TIRE 24X7.7-14 (814-263C)814-266C22.
RIM 2PC. 4BLT 10X6 BLACK814-267C23.
TUBE FOR 24X7.7-14 (814-263C)814-268C24.
SPINDLE - SINGLE BOLT ON 14IN815-199C25.
W/CUPS, ZERK & STUDSHUB 4 BLT W/CUPS, ZERK & STUDS815-230C26.
SEAL 1 3/8 ID X 2.441 OD X.313816-098C27.
BEARING CONE 15123822-091C28.
BEARING CUP 15245822-092C29.
SPACER 1/2827-001C30.
BUSHING 1.25ODX1.00IDX3.00890-766C31.
BUSHING 1.25ODX1.00IDX3.75890-817C32.
04/01/08 RCB6010, RCBM6010, RCB6015 & RCBM6015 Rotary Cutters 318-263P 29
Table of Contents Part Number Index
Section 3: Axles Land Pride
RCB6010 & RCB6015 SERIES (540 RPM)
Axle Tandem Center Deck (S/N 419602 to 489025)
Applies to RCB6010, RCB6015

RevisionCommentsPart DescriptionPart No.Ref.
Drawing Image Numberdwg23964
HUB GREASE CAP200-001D1.
Added Hardened BushingsWLDMT. CENTER AXLE318-571H2.
WLDMT. TANDEM ARM318-573H3.
OptionalWLDMT. PVT. PIN WALKING TANDEM318-966H4.
Optional W/ #4GREASE ZERK 1/4-28 THD FORMING800-080C5.
HHCS 1-8X7 GR5802-075C6.
HHCS 1/2-13X3 1/4 GR5802-099C7.
HHCS 1-8X9 GR5802-110C8.
HUB STUD 1/2-20X1.88 GR5802-779C9.
HHCS 1-8X5 1/2 GR5802-205C10.
NUT LOCK 1/2-13 PLT803-019C11.
NUT HEX SLOTTED 3/4-16803-053C12.
NUT HEX TOP LOCK 1-8 PLT803-168C13.
NUT HEX 1/2-20 X 5/8 HIGH803-310C14.
OptionalWASHER FLAT 1 SAE804-029C15.
WASHER HARDENED .81ID804-216C16.
PIN COTTER 5/32 X 1 3/4 LG805-246C17.
OptionalPIN ROLL 1/4 X 2 LG PL805-146C18.
TIRE & WHL LAM. 6X9X21(5-BOLT)814-265C19.
AC TIRE FF 24X7.7 2PC 5-BOLT814-288C20.
AC TIRE 24 X 7.7 2PC. 5-BOLT814-285C21.
TIRE 24X7.7-14 (814-263C)814-266C22.
RIM 2PC. 4BLT 10X6 BLACK814-267C23.
TUBE FOR 24X7.7-14 (814-263C)814-268C24.
SPINDLE-SINGLE BOLT-ON815-241C25.
HUB 5-BOLT W/CUPS/STUDS815-243C26.
SEAL 1.75ID CR17617816-497C27.
BEARING CONE LM-48548822-034C28.
BEARING CUP LM-48510822-033C29.
SPACER 1/2827-001C30.
BUSHING CYL 1 1/4 X 1 X 1890-005C31.
BUSHING 1.25ODX1.00IDX3.00890-766C32.
S/N 563872- Replace W/ 2 ea.
890-005C
BUSHING 1.25ODX1.00IDX3.75890-817C33.
BEARING CONE LM-67048822-021C34.
BEARING CUP LM-67010822-020C35.
S/N 563873+BUSHING CYL 1 1/4 X 1 X 1890-005C36.
04/01/08 RCB6010, RCBM6010, RCB6015 & RCBM6015 Rotary Cutters 318-263P 31
Table of Contents Part Number Index
Section 3: Axles Land Pride
RCB6010 & RCB6015 SERIES (540 RPM)
Axle Tandem Center Deck (S/N 489026+)
Applies to RCB6010, RCB6015

RevisionCommentsPart DescriptionPart No.Ref.
Drawing Image Numberdwg18314
Includes items 2 through 15ASSY. RH. AXLE318-050L
Includes items 1 and 3 through 15ASSY. LH. AXLE318-051L
Rev. 2 not compat. w/Rev. 1.(S/N 419602+)WLDMT. WING AXLE LH.318-583H1.
Rev. 1(S/N 419601-)WLDMT. WING AXLE LH318-190H1.
Rev. 2 not compat. w/Rev. 1.(S/N 419602+)WLDMT. WING AXLE RH.318-576H1.
Rev. 1(S/N 419601-)WLDMT. WING AXLE RH318-189H1.
NUT HEX TOP LOCK 1-8 PLT803-168C2.
HHCS 1-8X6 GR5802-357C3.
HUB GREASE CAP200-001D4.
NUT HEX SLOTTED 7/8-14 PLT803-029C5.
WASHER SPINDLE - 7/8804-055C6.
BEARING CONE 15123822-091C7.
Rev. 2(S/N 414628+) W/CUPS, ZERK &
STUDS
HUB 4 BLT W/CUPS, ZERK & STUDS815-230C8.
Rev. 1(S/N 414627-) W/CUPS & ZERKHUB 4 BOLT WHL W/CUPS & ZERK815-093C8.
SEAL 1 3/8 ID X 2.441 OD X.313816-098C9.
PIN COTTER 3/16 X 1 1/4 PLT805-016C10.
HHCS 1-8X4 GR5802-073C11.
Use with 19 & 21 S/N 414627-WASHER LOCK SPRING 1/2 PLT804-015C12.
Use with 19 & 21 S/N 414627-HHCS 1/2-20X1 GR5802-240C13.
Use with 20 S/N 414627-BOLT WHEEL 1/2-20X1 90-DEG802-104C13.
Use with 19 & 21 S/N 414627-WASHER FLAT 1/2 SAE PLT804-016C14.
SPINDLE - SINGLE AXLE BOLT ON815-108C15.
SPINDLE - DUAL AXLE BOLT ON815-109C16.
HHCS 1/2-13X3 1/4 GR5802-099C17.
NUT LOCK 1/2-13 PLT803-019C18.
Rev. 3(S/N 419602+)AC TIRE 24 X 7.7 2PC814-263C19.
Rev. 2(S/N 419601-)AC TIRE 27x7.75x15 MOUNTED814-201C19.
Rev. 1(S/N 419601-)TIRE 25.5 X 8.0-14 - MOUNTED814-086C19.
Rev. 3(S/N 419602+)AC TIRE 24 x 7.7 2PC FOAM FILL814-262C19.
Rev. 2(S/N 419601-)AC TIRE 27X7.75X15 MOUNTED FF814-202C19.
Rev. 1(S/N 419601-)TIRE 25.5 X 8.0-14 - AIR/FOAM814-189C19.
WHEEL 15 X 5 X 4 BOLT814-066C20.
TIRE & WHEEL LAM. 6X9X21(TALL)814-059C21.
Use with 19 & 21 S/N 414628+NUT HEX FLG/LK 1/2-20 PLT.GR.G803-308C22.
Use with 20 S/N 414628+NUT LUG 1/2-20X90DEG PLT 13/16803-017C22.
HUB STUD 1/2-20X1 5/8 GR5802-135C23.
GREASE ZERK STRAIGHT 1/4-28800-001C24.
BEARING CUP 15245822-092C25.
04/01/08 RCB6010, RCBM6010, RCB6015 & RCBM6015 Rotary Cutters 318-263P 33
Table of Contents Part Number Index
Section 3: Axles Land Pride
RCB6010 & RCB6015 SERIES (540 RPM)
Axle Wing Deck (S/N 489025-)
Applies to RCB6010, RCB6015

RevisionCommentsPart DescriptionPart No.Ref.
Drawing Image Numberdwg24522
WASHER FLAT 1 SAE804-029C1.
WLDMT. PVT. PIN WG. AXLE318-852H2.
HUB GREASE CAP200-001D3.
NUT HEX SLOTTED 3/4-16803-053C4.
WASHER HARDENED .81ID804-216C5.
BEARING CONE LM-67048822-021C6.
HUB 5-BOLT W/CUPS/STUDS815-243C7.
SEAL 1.75ID CR17617816-497C8.
PIN COTTER 5/32 X 1 3/4 LG805-246C9.
WLDMT. PVT. PIN TURNBUCKLE318-853H10.
TIRE & WHL LAM. 6X9X21(5-BOLT)814-265C11.
AC TIRE 24 X 7.7 2PC. 5-BOLT814-285C12.
AC TIRE FF 24X7.7 2PC 5-BOLT814-288C13.
WHEEL 15 X 5 X 5 BOLT814-284C14.
WLDMT. WING AXLE RH. HAND318-576H15.
WLDMT. WING AXLE LH. HAND318-583H15.
SPINDLE-SINGLE BOLT-ON815-237C16.
SPINDLE-DUAL BOLT-ON815-238C16.
HHCS 1/2-13X3 1/4 GR5802-099C17.
NUT LOCK 1/2-13 PLT803-019C18.
TIRE 24X7.7-14 (814-285C)814-295C19.
TUBE FOR 24X7.7-14 (814-285C)814-297C20.
RIM 2PC 5BLT 10X6814-296C21.
NUT HEX 1/2-20 X 5/8 HIGH803-310C22.
HUB STUD 1/2-20X1.88 GR5802-779C23.
GREASE ZERK 1/4-28 THD FORMING800-080C24.
BEARING CUP LM-67010822-020C25.
BUSHING 1.25ODX1.00IDX3.50890-819C26.
BEARING CUP LM-48510822-033C27.
BEARING CONE LM-48548822-034C28.
NUT LUG 1/2-20X90DEG PLT 13/16802-017C29.
PIN ROLL 1/4 X 2 LG PL805-146C30.
04/01/08 RCB6010, RCBM6010, RCB6015 & RCBM6015 Rotary Cutters 318-263P 35
Table of Contents Part Number Index
Section 3: Axles Land Pride
RCB6010 & RCB6015 SERIES (540 RPM)
Axle Wing Deck (S/N 489026+)
Applies to RCB6010, RCB6015

RevisionCommentsPart DescriptionPart No.Ref.
Drawing Image Numberdwg18315
(S/N 292791-)DBL.CG.FRT.CTR.RH.W/CABLE318-273K1.
(S/N 292791-)ASSY. DBL.CG.FRT.CTR. RH.OUTER318-066K1.
(S/N 292791-)DBL.CG.FRT.CTR.W/CABLE318-272K2.
(S/N 292791-)ASSY. DBL.CG.FRT.CENTER318-065K2.
(S/N 292791-)DBL.CG.FRT.CTR.LH.W/CABLE318-274K3.
(S/N 292791-)ASSY. DBL.CG.FRT.CTR. LH.OUTER318-097K3.
(S/N 419601-)ASSY. CG. REAR CENTER OUTER318-071K4.
DBL. CG. REAR CTR.OUT.W/CABLE318-285K4.
Rev. 2 not compat. w/Rev. 1.(S/N 419602+)ASSY. DBL. REAR CG. CTR.318-633K5.
Rev. 1(S/N 419601-)ASSY. CG. REAR CENTER318-070K5.
Rev. 2 not compat. w/Rev. 1.(S/N 419602+)DBL. CG. REAR WING W/CABLE318-286K5.
Rev. 1(S/N 419601-)DBL. CG. REAR CENTER W/CABLE318-284K5.
NUT HEX WHIZ 1/2-13 PLT803-037C6.
RHSNB 1/2-13X3 1/2 GR5 PLT802-585C7.
NUT HEX WHIZ 3/8-16 PLT803-198C8.
RHSNB 1/2-13X1 1/4 GR5802-214C9.
(S/N 292791-)CG. FRONT CENTER DUAL RH.318-117D10.
(S/N 292791-)ROUND ROD 1/4 X 21318-142D11.
(S/N 292791-)ROUND ROD 1/4 X 19318-141D12.
(S/N 292791-)CG. FRONT CENTER DUAL318-116D13.
(S/N 292791-)ROUND ROD 1/4 X 36318-108D14.
ROUND ROD 1/4 X 34318-143D15.
(S/N 292791-)CG. FRONT CENTER DUAL LH.318-124D16.
CG. CENTER REAR OUTER DUAL318-122D17.
ROUND ROD 1/4 X 10318-105D18.
Rev. 2 not compat. w/Rev. 1.(S/N 419602+)CG. WING REAR DUAL318-123D19.
Rev. 1(S/N 419601-)CG. CENTER REAR DUAL318-121D19.
Rev. 2(S/N 419602+)ROUND ROD .25 X 66.5318-620D20.
Rev. 1(S/N 419601-)ROUND ROD 1/4 X 31 1/2318-107D20.
CHAIN WELD 5/16 PROOF X 7-LINK890-393C21.
CHAIN 5/16 PROOF X 6 LINKS PLT890-175C21.
AIRCRAFT CBL.3/16 7X7 GALV.990-208R22.
HHCS 1/2-13X3 3/4 GR5802-042C23.
WASHER 3/4 X 17/32 X 18 GA PLT804-100C24.
NUT HEX WHIZ 1/2-13 PLT803-037C25.
SMV BRACKET318-310D26.
DECAL SLOW MOVING-GALV. BACKED818-055C27.
NUT HEX LOCK 1/4-20 FLG803-088C28.
SCREW RD HD 1/4-20 X 5/8801-018C29.
ASSY. SLOW MOVING VEHICLE318-304L30.
U-BOLT WIRE ROPE CLP 3/16 GAL.890-672C31.
HHCS 3/8-16X1 GR5802-017C32.
(S/N 292792+)RC5015 CEN FRONT DBLCHAIN RH318-340D33.
(S/N 292792+)RC5015 CEN SECT FRNT DBL CHAIN318-339D34.
(S/N 292792+)RC5015 CEN FRONT DBLCHAIN LH318-341D35.
(S/N 292792+) With cableASSY/DBL/CG/FRT/CTR/RH/CABLE318-330K36.
(S/N 292792+) Without cableASSY. DBL. CG. FRT. CTR. RH.318-325K36.
(S/N 292792+) With cableASSY/DBL/CG/FRT/CTR/CABLE318-329K37.
(S/N 292792+) Without cableASSY. DBL. CG. FRT. CTR.318-324K37.
(S/N 292792+) With cableASSY/DBL/CG/FRT/CTR/LH/CABLE318-331K38.
(S/N 292792+) Without cableASSY. DBL. CG. FRT. CTR. LH.318-326K38.
(S/N 292792+)ROUND ROD 1/4 X 25318-337D39.
04/01/08 RCB6010, RCBM6010, RCB6015 & RCBM6015 Rotary Cutters 318-263P 37
Table of Contents Part Number Index
Section 4: Guards Land Pride
RCB6010 & RCB6015 SERIES (540 RPM)
Guards Center Deck
Applies to RCB6010, RCB6015

RevisionCommentsPart DescriptionPart No.Ref.
Drawing Image Numberdwg18316
Includes items 2 through 6ASSY. CG. REAR WING318-072K1.
Inludes items 2 through 6 & 20DBL. CG. REAR WING W/CABLE318-286K1.
RHSNB 1/2-13X1 1/2 GR5802-106C2.
CG. WING REAR DUAL318-123D3.
ROUND ROD 1/4 X 31 1/2318-107D4.
CHAIN WELD 5/16 PROOF X 5 LINK890-341C5.
NUT HEX WHIZ 1/2-13 PLT803-037C6.
(S/N 292791-)DBL.CG.FRT.OUT.RH.WING W/CABLE318-276K7.
(S/N 292791-)ASSY. DBL.CG.FRT.WING OUT.RH.318-068K7.
(S/N 292791-)DBL.CG.FRT.IN.RH.WING W/CABLE318-275K8.
(S/N 292791-)ASSY. DBL.CG.FRT.WING INNER RH318-172K8.
(S/N 292791-)CG. FRONT WING OUTER RH. DUAL318-119D9.
(S/N 292791-)ROUND ROD 1/4 X 28 1/2318-106D10.
(S/N 292791-)CG. FRONT WING INNER DUAL RH318-183D11.
(S/N 292791-)ROUND ROD 1/4 X 49318-109D12.
AIRCRAFT CBL.3/16 7X7 GALV.990-208R13.
RHSNB 1/2-13X1 1/4 GR5802-214C14.
CHAIN WELD 5/16 PROOF X 7-LINK890-393C15.
(S/N 292791-)DBL.CG.FRT.IN.LH.WING W/CABLE318-277K16.
(S/N 292791-)ASSY. DBL CG. FRT. WG. INNR LH318-174K16.
(S/N 292791-)DBL.CG.FRT.OUT.LH.WING W/CABLE318-278K17.
(S/N 292791-)ASSY. DBL.CG.FRT.WING OUT.LH.318-069K17.
(S/N 292791-)CG. FRONT WING INNER DUAL LH318-184D18.
(S/N 292791-)CG. FRONT WING OUTER LH. DUAL318-120D19.
U-BOLT WIRE ROPE CLP 3/16 GAL.890-672C20.
(S/N 292792+)RC5015 WING FRONT DBLCHAIN RH318-342D21.
(S/N 292792+)ROUND ROD 1/4 X 73318-336D22.
(S/N 292792+)RC5015 WING FRONT DBLCHAIN LH318-343D23.
(S/N 292792+) With cableASSY/DBL/CG/FRT/WING/LH/CABLE318-333K24.
(S/N 292792+)ASSY. DBL. CG. FRT. WING LH.318-328K24.
(S/N 292792+) With cableASSY/DBL/CG/FRT/WING/RH/CABLE318-332K25.
(S/N 292792+) With cableASSY. DBL. CG. FRT. WING RH.318-327K25.
04/01/08 RCB6010, RCBM6010, RCB6015 & RCBM6015 Rotary Cutters 318-263P 39
Table of Contents Part Number Index
Section 4: Guards Land Pride
RCB6010 & RCB6015 SERIES (540 RPM)
Guards Wing Deck
Applies to RCB6010, RCB6015

RevisionCommentsPart DescriptionPart No.Ref.
Drawing Image Numberdwg16965
PTO INT. W2500/WSC CAT5 540826-260C
WS YOKE 1 3/4-20 SPL.I.C. 25003250271.
WS CROSS & BEARING KIT 25003122092.
WS INBOARD YOKE 25000971403.
WS SPRING PIN 10 X 903040464.
WS OUTER PROFILE S53917095.
WS FRICTION CLUTCH 540RPM33917086.
WS HEX BOLT M16 X 90 GR 8.87023527.
WS LOCK NUT M163040118.
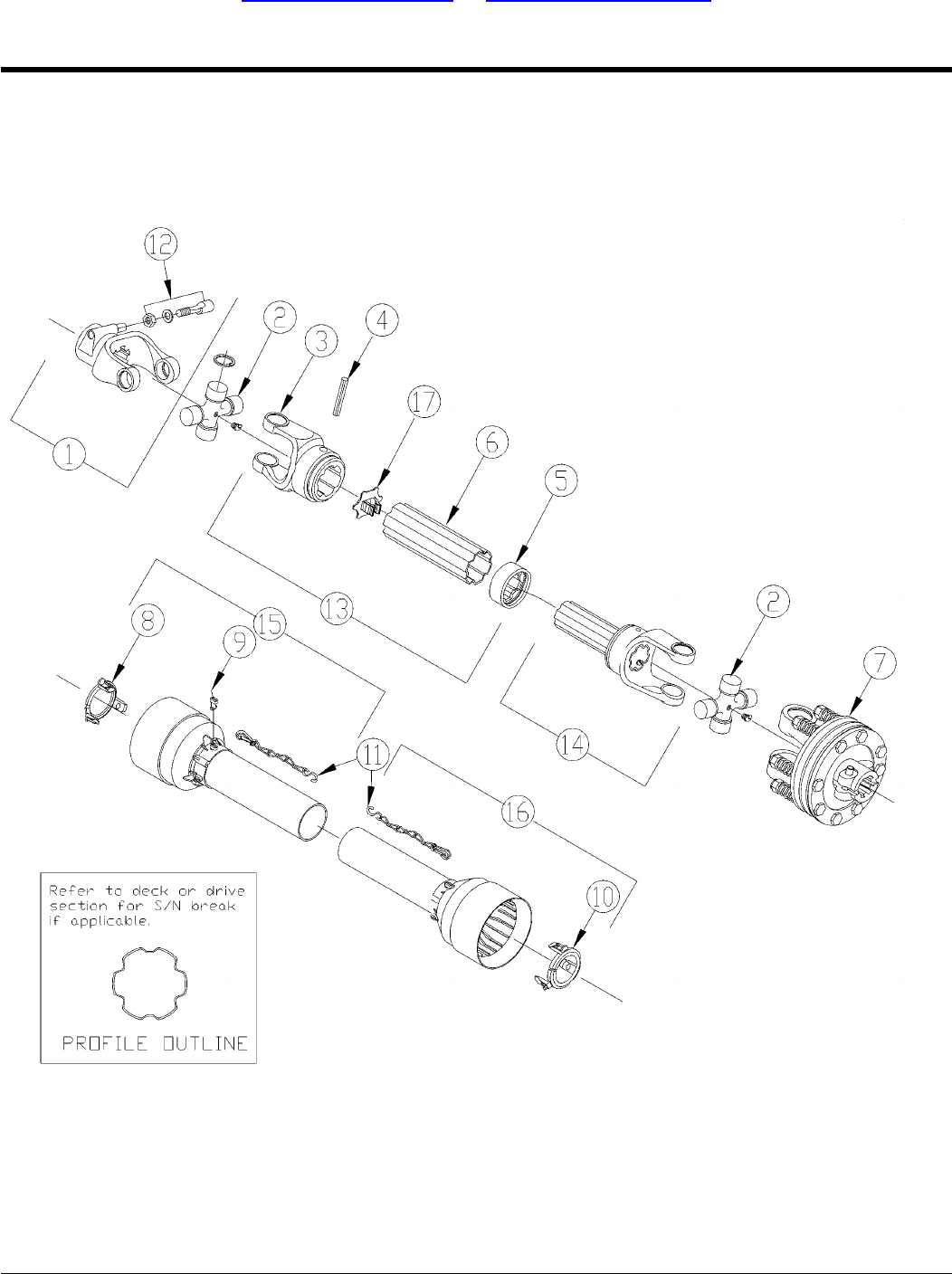
04/01/08 RCB6010, RCBM6010, RCB6015 & RCBM6015 Rotary Cutters 318-263P 41
Table of Contents Part Number Index
Section 5: Drivelines Land Pride
RCB6010 & RCB6015 SERIES (540 RPM)
Driveline Center (826-260C) Walterscheid
Applies to RCB6010, RCB6015

RevisionCommentsPart DescriptionPart No.Ref.
Drawing Image Numberdwg23952
PTO E60 X 21.7 1280NM CLUTCH826-478C
COMER YOKE COMPLETE141.026.357.11.
COMER CROSS ASSEMBLY180.016.1302.
COMER YOKE, OUTER170.016.630.13.
COMER SHAFT, SPLINED155.150.7264.
COMER ROLL PIN, INNER TUBE190.000.0165.
COMER INNER YOKE151.016.031.16.
COMER CLUTCH, COMPLETE ASSY146.264.024.17.
COMER TAPERED PIN SET 1 3/4165.000.5898.
04/01/08 RCB6010, RCBM6010, RCB6015 & RCBM6015 Rotary Cutters 318-263P 43
Table of Contents Part Number Index
Section 5: Drivelines Land Pride
RCB6010 & RCB6015 SERIES (540 RPM)
Driveline Center (826-478C) Comer (S/N 461935 to 461937, 468573+)
Applies to RCB6010, RCB6015

RevisionCommentsPart DescriptionPart No.Ref.
Drawing Image Numberdwg15570
PTO INT. CAT.4 540W/CLUTCH826-183C
*
Includes items 7, 8 & 9EC BOLT ASSY KIT6761280
YOKE ASSEMBLY (TRACTOR END)11065251.
CROSS ASSEMBLY10060202.
OUTER TUBE YOKE17060273.
10 X 80-DIN-148 ROLL PIN63310804.
EC TUBE JACK SHAFT1528014D5.
RPBY 1528014D15283045.
TORQUE LIMITER 4 FRICTION DISC14460166.
EC.BOLT61412807.
EC SPRING WASHER64121128.
EC NUT64101129.
WS ZERK M8 X 108409910.
04/01/08 RCB6010, RCBM6010, RCB6015 & RCBM6015 Rotary Cutters 318-263P 45
Table of Contents Part Number Index
Section 5: Drivelines Land Pride
RCB6010 & RCB6015 SERIES (540 RPM)
Driveline Center 540 RPM (826-183C) Eurocardan
Applies to RCB6010, RCB6015

RevisionCommentsPart DescriptionPart No.Ref.
Drawing Image Numberdwg14067
PTO CV 2580 X 41.73 NO CLUTCH826-117C
WS YOKE 1 3/4-20 SPL.I.C. 25003250271.
WS YOKE 1 3/8-6 SPL. ASSY 25003843032.
WS GREASE ZERK0206723.
WS DOUBLE YOKE 25003657254.
WS CROSS & BEARING KIT 25003843165.
WS INBOARD YOKE 25000971406.
WS SPRING PIN 10 X 903040467.
WS INNER PROFILE S4GA/S5L3555278.
WS PRFL.& SLEEVE W.A. S4GA/S5L3881419.
WS INBOARD YOKE 240037758910.
DECAL DANGER GUARD MISS PTO818-540C11.
WS SHIELD CONE - 12 RIB37744212.
WALTERSCHEID SCREW36530513.
WS BEARING RING - SC2508727614.
WALTERSCHEID SAFETY CHAIN04432115.
WS IN SHIELD TUBE ROUND38656116.
DECAL DANGER PTO DRIVELINE818-552C17.
WS OUTER SHIELD TUBE OVAL38869818.
WS SHIELD CONE 3 RIB17275819.
WS CROSS & BEARING KIT 250031220920.
WS SUPPORT BEARING35515521.
WS CV CONE & BEARING ASSY38604822.
WS ZERK38037123.
WS ASSY COLLAR KIT36491524.
WS HEX BOLT M16 X 90 GR 8.870235225.
WS LOCK NUT M1630401126.
04/01/08 RCB6010, RCBM6010, RCB6015 & RCBM6015 Rotary Cutters 318-263P 47
Table of Contents Part Number Index
Section 5: Drivelines Land Pride
RCB6010 & RCB6015 SERIES (540 RPM)
Driveline CV (826-117C) Walterschied
Applies to RCB6010, RCB6015

RevisionCommentsPart DescriptionPart No.Ref.
Drawing Image Numberdwg23947
PTO CV V80 X 54.8 NO CLUTCH826-476C
*
COMER COLLER YOKE ASSEMBLY141.028.358.11.
COMER CV -JOINT CROSS ASSEMBLY180.018.1582.
COMER WIDE ANGLE DOUBLE YOKE141.028.472.13.
COMER OUTER YOKE141.028.248.14.
COMER OUTER TUBE ROLL PIN190.000.2435.
COMER WIPER180.018.4376.
COMER OUTER TUBE15228053207107.
COMER CROSS ASSEMBLY180.018.0048.
COMER YOKE COMPLETE141.028.195.19.
COMER CV JOINT GUARD CONE180.018.56710.
COMER SCREW KIT FOR CV GUARD165.000.69411.
COMER BEARING RING158.018.47012.
COMER RETAINING COLLER INNER180.018.25113.
COMER BOLT180.014.24014.
COMER RETAINING COLLER INNER180.018.25215.
COMER SAFTEY CHAINS180.016.02516.
COMER CONE GUARD ASSEMBLY165.000.78517.
COMER TAPERED PIN SET 1 3/4165.000.58918.
COMER TUBE W/YOKE/LUBE/FEMALE122.981.027.119.
COMER TUBE W/YOKE/LUBE /MALE122.580.510.120.
COMER HLF FEMALE GRD W/LABEL142283141282121.
COMER HALF MALE GUARDING142287163282122.
COMER CAP OUTER TUBE, PLASTIC180.018.39323.
COMER COLLER KIT 3/8 YOKE165.000.62824.
04/01/08 RCB6010, RCBM6010, RCB6015 & RCBM6015 Rotary Cutters 318-263P 49
Table of Contents Part Number Index
Section 5: Drivelines Land Pride
RCB6010 & RCB6015 SERIES (540 RPM)
Driveline CV 540 RPM (826-476C) Comer (S/N 468558 to ______)
Applies to RCB6010, RCB6015

RevisionCommentsPart DescriptionPart No.Ref.
Drawing Image Numberdwg23957
COMER CLUTCH, COMPLETE ASSY146.264.024.1
*
COMER SPRING180.014.0221.
COMER YOKE, FLANGED151.016.037.12.
COMER BUSH180.019.0193.
COMER LINING RING180.019.0184.
COMER CLUTCH SUPPORT151.018.228.15.
COMER INNER PLATE180.019.0146.
COMER INTERMEDIATE PLATE180.019.1157.
COMER PRESSURE PLATE180.019.116.18.
COMER BOLT WITH NUT M10X100165.000.5489.
COMER TAPERED PIN SET 1 3/4165.000.58910.
04/01/08 RCB6010, RCBM6010, RCB6015 & RCBM6015 Rotary Cutters 318-263P 51
Table of Contents Part Number Index
Section 5: Drivelines Land Pride
RCB6010 & RCB6015 SERIES (540 RPM)
Driveline Slip Clutch (146.264.024.1) Comer
Applies to RCB6010, RCB6015

RevisionCommentsPart DescriptionPart No.Ref.
Drawing Image Numberdwg23958
COMER CLUTCH, DISC COMPLETE146.284.020.1
*
COMER SPRING180.014.0221.
COMER YOKE, FLANGED151.018.016.12.
COMER BUSH180.019.0193.
COMER LINING RING180.019.0184.
COMER CLUTCH SUPPORT151.018.228.15.
COMER INNER PLATE180.019.0146.
COMER INTERMEDIATE PLATE180.019.1157.
COMER PRESSURE PLATE180.019.116.18.
COMER BOLT WITH NUT M10X100165.000.5489.
COMER TAPERED PIN SET 1 3/4165.000.58910.
04/01/08 RCB6010, RCBM6010, RCB6015 & RCBM6015 Rotary Cutters 318-263P 53
Table of Contents Part Number Index
Section 5: Drivelines Land Pride
RCB6010 & RCB6015 SERIES (540 RPM)
Driveline Slip Clutch (146.284.020.1) Comer
Applies to RCB6010, RCB6015

RevisionCommentsPart DescriptionPart No.Ref.
Drawing Image Numberdwg17005
WS FRICTION CLUTCH383805
WS CLUTCH HOUSING3248221.
WS FRICTION DISK1685562.
WS HUB 1 3/4"-20 SPL3517933.
WS DRIVE PLATE0424544.
WS DRIVE PLATE0424595.
WS THRUST PLATE3814956.
WS BELLEVILLE SPRING0434897.
WS HEX NUT M83819578.
WS BRIDGE1863979.
WS LOCK NUT M1630401110.
WS BOLT M16X110 DIN 931-8.830406511.
04/01/08 RCB6010, RCBM6010, RCB6015 & RCBM6015 Rotary Cutters 318-263P 55
Table of Contents Part Number Index
Section 5: Drivelines Land Pride
RCB6010 & RCB6015 SERIES (540 RPM)
Driveline Slip Clutch (383805) Walterscheid
Applies to RCB6010, RCB6015

RevisionCommentsPart DescriptionPart No.Ref.
Drawing Image Numberdwg16916
WS FRICTION CLUTCH 540RPM391708
WS CLUTCH HOUSING3248221.
WS FRICTION DISK1685562.
WS HUB 1-3/4"-20 SPL3913583.
WS DRIVE PLATE0424544.
WS DRIVE PLATE0424595.
WS THRUST PLATE3814956.
WS BELLEVILLE SPRING0434897.
WS HEX NUT M83819578.
04/01/08 RCB6010, RCBM6010, RCB6015 & RCBM6015 Rotary Cutters 318-263P 57
Table of Contents Part Number Index
Section 5: Drivelines Land Pride
RCB6010 & RCB6015 SERIES (540 RPM)
Driveline Slip Clutch (391708) Walterscheid
Applies to RCB6010, RCB6015

RevisionCommentsPart DescriptionPart No.Ref.
Drawing Image Numberdwg15521
EC CLUTCH FD4/6 1 3/4 20 SPL1446016
*
EC CLUTCH SPRING12150121.
EC CLUTCH YOKE W/FLANGE17060332.
EC CLUTCH BUSHING17050093.
EC CLUTCH LINING RING18080104.
EC CLUTCH MIDDLE DISK17080345.
EC INNER DISK11380086.
EC HUB WITH FLANGE17080167.
Includes nut and washerEC CONICAL DOG KIT REPLACEMENT68214848.
EC PRESSURE DISK11380079.
EC BOLT & SCREW NUT KIT REPL.669101010.
04/01/08 RCB6010, RCBM6010, RCB6015 & RCBM6015 Rotary Cutters 318-263P 59
Table of Contents Part Number Index
Section 5: Drivelines Land Pride
RCB6010 & RCB6015 SERIES (540 RPM)
Driveline Slip Clutch 540/1000 RPM (1446016) EC
Applies to RCB6010, RCB6015

RevisionCommentsPart DescriptionPart No.Ref.
Drawing Image Numberdwg23996
PTO CAT.4 W/CLUTCH 1 3/4-20826-185C
*
EC TUBE BEARING (INNER TUBE)17867111.
EC STIFFENING RING12157332.
EC SHORT CONE18857023.
EC STOP RING12157354.
EC SAFETY SLEEVE18857095.
EC INNER TUBE SHEILD18779016.
RPBY 187790118771116.
EC OUTER TUBE SHEILD18769017.
RPBY 187690118761117.
EC STANDARD CONE18857038.
EC TUBE BEARING (OUTER TUBE)17867109.
EC CLUTCH FD4/6 1 3/4 20 SPL144601610.
EC CROSS ASSEMBLY100602011.
EC INNER TUBE YOKE170602912.
EC 1380MM INNER TUBE152612113.
EC 10X70 ROLL PIN633107014.
EC OUTER TUBE152890115.
RPBY 1528901152812115.
EC 10X80-DIN-1481 O/TUBE R/PIN633108016.
EC OUTER TUBE YOKE170602717.
EC YOKE ASSY 1 3/4-20(TRAC.END101602518.
DECAL DANGER GUARD MISS PTO818-540C19.
DECAL DANGER PTO DRIVELINE818-552C20.
DRIVELINE SHIELD SAFETY CHAIN04432121.
EC GREASE ZERK 8X1 45 DEG.656050822.
EC TWIST COLLAR KIT(TRACT END)100622023.
EC GREASE ZERK M6X1 STRAIGHT656000624.
EC YOKE110602525.
Includes 27,28EC BOLT676148026.
EC SCREW NUT (M14)641011427.
EC WASHER (d14)641211428.
04/01/08 RCB6010, RCBM6010, RCB6015 & RCBM6015 Rotary Cutters 318-263P 61
Table of Contents Part Number Index
Section 5: Drivelines Land Pride
RCB6010 & RCB6015 SERIES (540 RPM)
Driveline Wing (826-185C) EC New Shielding
Applies to RCB6010, RCB6015

RevisionCommentsPart DescriptionPart No.Ref.
Drawing Image Numberdwg17004
PTO W2500/WSC CAT5 540/1000826-262C
WS LOCK NUT M163040111.
WS HEX BOLT M16 X 90 GR 8.87023522.
WS YOKE 1 3/4-20 SPL.I.C. 25003250273.
WS CROSS & BEARING KIT 25003122094.
WS SPRING PIN 10 X 903040465.
WS INBOARD YOKE 25000971406.
WS PROFILE & SLEEVE W.A.3822237.
WS ZERK3803718.
WS SCREW3653059.
WS SHIELD CONE 7 RIB37743710.
WS BEARING RING - SC2508727611.
WS INNER SHEILD TUBE RND38776712.
DRIVELINE SHIELD SAFETY CHAIN04432113.
WS OUTER SHEILD TUBE OVAL39170714.
WS INNER PROFILE S4L32352415.
WS INBOARD YOKE 240009713316.
WS SUPPORT BEARING35515517.
WS FRICTION CLUTCH38380518.
DECAL DANGER PTO DRIVELINE818-552C19.
DECAL DANGER GUARD MISS818-540C20.
04/01/08 RCB6010, RCBM6010, RCB6015 & RCBM6015 Rotary Cutters 318-263P 63
Table of Contents Part Number Index
Section 5: Drivelines Land Pride
RCB6010 & RCB6015 SERIES (540 RPM)
Driveline Wing (826-262C) Walterscheid
Applies to RCB6010, RCB6015

RevisionCommentsPart DescriptionPart No.Ref.
Drawing Image Numberdwg23953
PTO V80 X 59.3 1280NM CLUTCH826-481C
COMER YOKE COMPLETE141.028.195.11.
COMER CROSS ASSEMBLY180.018.0042.
COMER YOKE OUTER151.018.241.13.
COMER OUTER TUBE ROLL PIN190.000.2434.
COMER WIPER180.018.4375.
COMER TUBE OUTER15228054507106.
COMER CLUTCH, DISC COMPLETE146.284.020.17.
COMER RETAINING COLLER INNER180.018.2518.
COMER BOLT180.014.2409.
COMER RETAINING COLLER INNER180.018.25210.
COMER SAFTEY CHAINS180.016.02511.
COMER TAPERED PIN SET 1 3/4165.000.58912.
COMER TUBE W/YOKE/LUBE/FEMALE122.580.023.113.
COMER TUBE W/YOKE/LUBE/MALE122.580.511.114.
COMER HALF FEMALE GRD W/LABEL142283194982115.
COMER HALF MALE GUARDING142287102982116.
COMER CAP OUTER TUBE, PLASTIC180.018.39317.
04/01/08 RCB6010, RCBM6010, RCB6015 & RCBM6015 Rotary Cutters 318-263P 65
Table of Contents Part Number Index
Section 5: Drivelines Land Pride
RCB6010 & RCB6015 SERIES (540 RPM)
Driveline Wing (826-481C) Comer (S/N 461935 to 461937, 468573+)
Applies to RCB6010, RCB6015

RevisionCommentsPart DescriptionPart No.Ref.
Drawing Image Numberdwg23944
GBOX RC130L 1.75-20 1:1.46 CW826-231C
OMNI HOUSING RC-130LS0101671.
OMNI INPUT CAP0202112.
OMNI OUTPUT PINION, 13T0304173.
OMNI GEAR INPUT, 19T0304184.
OMNI INPUT SHAFT, 1.75-20 SPL0403005.
Rev. 2Uses #33 spacerOMNI OUTPUT SHAFT TAP. SPL 18T0403146.
Rev. 1No spacer #33RPBY 040314 & 0901440403136.
OMNI BEARING CUP, 302100502007.
OMNI BEARING CUP,320120502028.
OMNI THRU SHAFT SEAL0600519.
OMNI OUTPUT SEAL06011510.
OMNI INPUT GASKET, 0.20MM07024011.
OMNI INPUT GASKET, 0.30MM07024112.
OMNI GASKET, 0.50MM07024213.
OMNI SHIM INPUT 0.10MM09014514.
OMNI SHIM INPUT 0.20MM09014615.
OMNI SHIM INPUT 0.30MM09014716.
OMNI SHIM OUTPUT 0.10MM09014817.
OMNI SHIM OUTPUT 0.20MM09014918.
OMNI SHIM OUTPUT 0.30MM09015019.
OMNI COTTER PIN 6.3X6010011420.
OMNI COTTER PIN 5X6510011821.
HHCS 3/8-16X1 GR5802-017C22.
HHCS 3/8-16X1 1/4 GR5802-079C23.
OMNI NUT HEX SLOTTED, 1 3/8-1812009424.
OMNI NUT-HEX SLOTTED, 1 1/4-1812009525.
OMNI LOCKWASHER13000226.
OMNI PLUG PIPE SQ HD1/8-27NPTF14001727.
OMNI PLUG 1/2 RELIEF W/LEVEL14004428.
OMNI RETAINING RING20012729.
OMNI INSPECTION COVER24027430.
OMNI BEARING CONE, 3021005020131.
OMNI BEARING CONE, 3201205020332.
OMNI SPACER09014433.
04/01/08 RCB6010, RCBM6010, RCB6015 & RCBM6015 Rotary Cutters 318-263P 67
Table of Contents Part Number Index
Section 6: Gearboxes Land Pride
RCB6010 & RCB6015 SERIES (540 RPM)
Gearbox (826-231C) OMNI
Applies to RCB6010, RCB6015

RevisionCommentsPart DescriptionPart No.Ref.
Drawing Image Numberdwg23944
GBOX RC130L 1.75-20 1:1.46 CCW826-232C
OMNI HOUS. RC-130LS REV. ROT.0101681.
OMNI BLANK CAP0202122.
OMNI OUTPUT PINION, 13T0304173.
OMNI GEAR INPUT, 19T0304184.
OMNI INPUT SHAFT, 1.75-20 SPL0403005.
Rev. 2Uses #33 spacerOMNI OUTPUT SHAFT TAP. SPL 18T0403146.
Rev. 1No spacer #33RPBY 040314 & 0901440403136.
OMNI BEARING CUP, 302100502007.
OMNI BEARING CUP,320120502028.
OMNI THRU SHAFT SEAL0600519.
OMNI OUTPUT SEAL06011510.
OMNI INPUT GASKET, 0.20MM07024011.
OMNI INPUT GASKET, 0.30MM07024112.
OMNI GASKET, 0.50MM07024213.
OMNI SHIM INPUT 0.10MM09014514.
OMNI SHIM INPUT 0.20MM09014615.
OMNI SHIM INPUT 0.30MM09014716.
OMNI SHIM OUTPUT 0.10MM09014817.
OMNI SHIM OUTPUT 0.20MM09014918.
OMNI SHIM OUTPUT 0.30MM09015019.
OMNI COTTER PIN 6.3X6010011420.
OMNI COTTER PIN 5X6510011821.
HHCS 3/8-16X1 GR5802-017C22.
HHCS 3/8-16X1 1/4 GR5802-079C23.
OMNI NUT HEX SLOTTED, 1 3/8-1812009424.
OMNI NUT-HEX SLOTTED, 1 1/4-1812009525.
WASHER LOCK SPRING 3/8 PLT804-013C26.
OMNI PLUG PIPE SQ HD1/8-27NPTF14001727.
OMNI PLUG 1/2 RELIEF W/LEVEL14004428.
OMNI RETAINING RING20012729.
OMNI INSPECTION COVER24027430.
OMNI BEARING CONE, 3021005020131.
OMNI BEARING CONE, 3201205020332.
OMNI SPACER09014433.
04/01/08 RCB6010, RCBM6010, RCB6015 & RCBM6015 Rotary Cutters 318-263P 69
Table of Contents Part Number Index
Section 6: Gearboxes Land Pride
RCB6010 & RCB6015 SERIES (540 RPM)
Gearbox (826-232C) OMNI
Applies to RCB6010, RCB6015

RevisionCommentsPart DescriptionPart No.Ref.
Drawing Image Numberdwg21167
GBOX RC60 1.75-20 1:1.46 CCW826-320C
*
CO HOUSINGU0.125.0531.001.
CO CROWN GEAR Z22 M8U0.125.5005.002.
CO BEARING 30209 RTA258.0.9.001433.
CO OIL SEAL 45 X 85 X 108.7.3.003314.
CO INPUT SHAFT 1 3/4"-20U0.125.2050.005.
CO SNAP RING UNI 74378.5.2.003326.
CO SHIM 84.70.709.7500.007.
CO SNAP RING 50 UNI74358.5.1.005338.
CO CASTLE NUTU0.125.7100.009.
CO SHIM 50.3X70.30.712.7500.0010.
CO BEARING 322108.0.9.0109011.
CO SEAL PROTECTOR1.181.7101.0012.
CO OIL SEAL 60X110X128.7.1.0234913.
CO BEARING 302128.0.9.0007914.
CO OUTPUT SHAFTU0.125.3002.0015.
CO COTTER PIN B 5X608.4.7.0226516.
CO CAP0.121.7101.0017.
CO BLANK WASHER0.288.7101.0018.
CO SHIM 45.3X2.50.252.7525.0019.
CO SHIM 40.3 X 61.7 X 10.285.7510.0020.
CO COVERU0.125.1301.0021.
CO BOLT M8X22 HHB8.1.1.0050122.
CO PLUG 1/2" GAS8.6.5.0020323.
CO OIL PLUG 3/88.6.5.0000624.
CO COTTER PIN B6X70 SLD-SPRTLY8.4.7.0104525.
CO CASTLE NUT M36X38.2.2.0056026.
CO CROWN GEAR Z15 M8U0.125.6004.0027.
04/01/08 RCB6010, RCBM6010, RCB6015 & RCBM6015 Rotary Cutters 318-263P 71
Table of Contents Part Number Index
Section 6: Gearboxes Land Pride
RCB6010 & RCB6015 SERIES (540 RPM)
Gearbox 540 RPM (826-320C) Comer
Applies to RCB6010, RCB6015

RevisionCommentsPart DescriptionPart No.Ref.
Drawing Image Numberdwg21171
GBOX RC60 1.75-20 1:1.46 CW826-321C
*
CO HOUSINGU0.125.0531.001.
CO CROWN GEAR Z22 M8U0.125.5005.002.
CO BEARING 30209 RTA258.0.9.001433.
CO OIL SEAL 45 X 85 X 108.7.3.003314.
CO INPUT SHAFT 1 3/4"-20U0.125.2050.005.
CO SNAP RING UNI 74378.5.2.003326.
CO SHIM 84.70.709.7500.007.
CO SNAP RING 50 UNI74358.5.1.005338.
CO CASTLE NUTU0.125.7100.009.
CO SHIM 50.3X70.30.712.7500.0010.
CO BEARING 322108.0.9.0109011.
CO SEAL PROTECTOR1.181.7101.0012.
CO OIL SEAL 60X110X128.7.1.0234913.
CO BEARING 302128.0.9.0007914.
CO OUTPUT SHAFTU0.125.3002.0015.
CO COTTER PIN B 5X608.4.7.0226516.
CO CAP0.121.7101.0017.
CO BLANK WASHER0.288.7101.0018.
CO SHIM 45.3X2.50.252.7525.0019.
CO SHIM 40.3 X 61.7 X 10.285.7510.0020.
CO COVERU0.125.1301.0021.
CO BOLT M8X22 HHB8.1.1.0050122.
CO PLUG 1/2" GAS8.6.5.0020323.
CO OIL PLUG 3/88.6.5.0000624.
CO COTTER PIN B6X70 SLD-SPRTLY8.4.7.0104525.
CO CASTLE NUT M36X38.2.2.0056026.
CO CROWN GEAR Z15 M8U0.125.6004.0027.
04/01/08 RCB6010, RCBM6010, RCB6015 & RCBM6015 Rotary Cutters 318-263P 73
Table of Contents Part Number Index
Section 6: Gearboxes Land Pride
RCB6010 & RCB6015 SERIES (540 RPM)
Gearbox 540 RPM (826-321C) Comer
Applies to RCB6010, RCB6015

RevisionCommentsPart DescriptionPart No.Ref.
Drawing Image Numberdwg19604
DIV OMNI/CO 540RPM 1 3/4-20826-179C
CO BOLT M10 X 35 8.88.1.1.001091.
TOP COVER PLATE0.305.1300.002.
CO BEARING 30209 RTA258.0.9.001433.
CO SNAP RING8.5.2.017724.
CO OIL SEAL 45 X 85 X 108.7.3.003315.
CO CASING0.305.0300.016.
CO SHIM 84.70.709.7500.007.
CO GEAR M6.5 Z200.305.6000.008.
CO SHAFT 1" 3/4 Z200.305.3000.009.
CO SHAFT 1" 3/4 Z200.305.2000.0010.
CO GEAR M6.5 Z240.305.5001.0011.
CO PLUG 3/8 GAS8.6.6.0020112.
CO 1/2" GAS BREATHER PLUG8.6.7.0026913.
04/01/08 RCB6010, RCBM6010, RCB6015 & RCBM6015 Rotary Cutters 318-263P 75
Table of Contents Part Number Index
Section 6: Gearboxes Land Pride
RCB6010 & RCB6015 SERIES (540 RPM)
Gearbox Divider (826-179C) Comer
Applies to RCB6010, RCB6015

RevisionCommentsPart DescriptionPart No.Ref.
Drawing Image Numberdwg15503
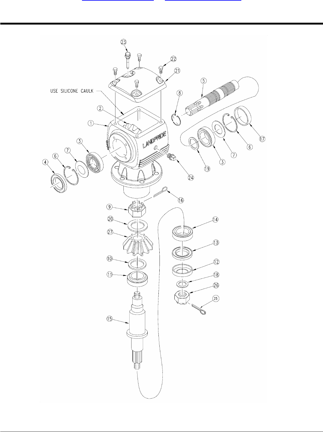
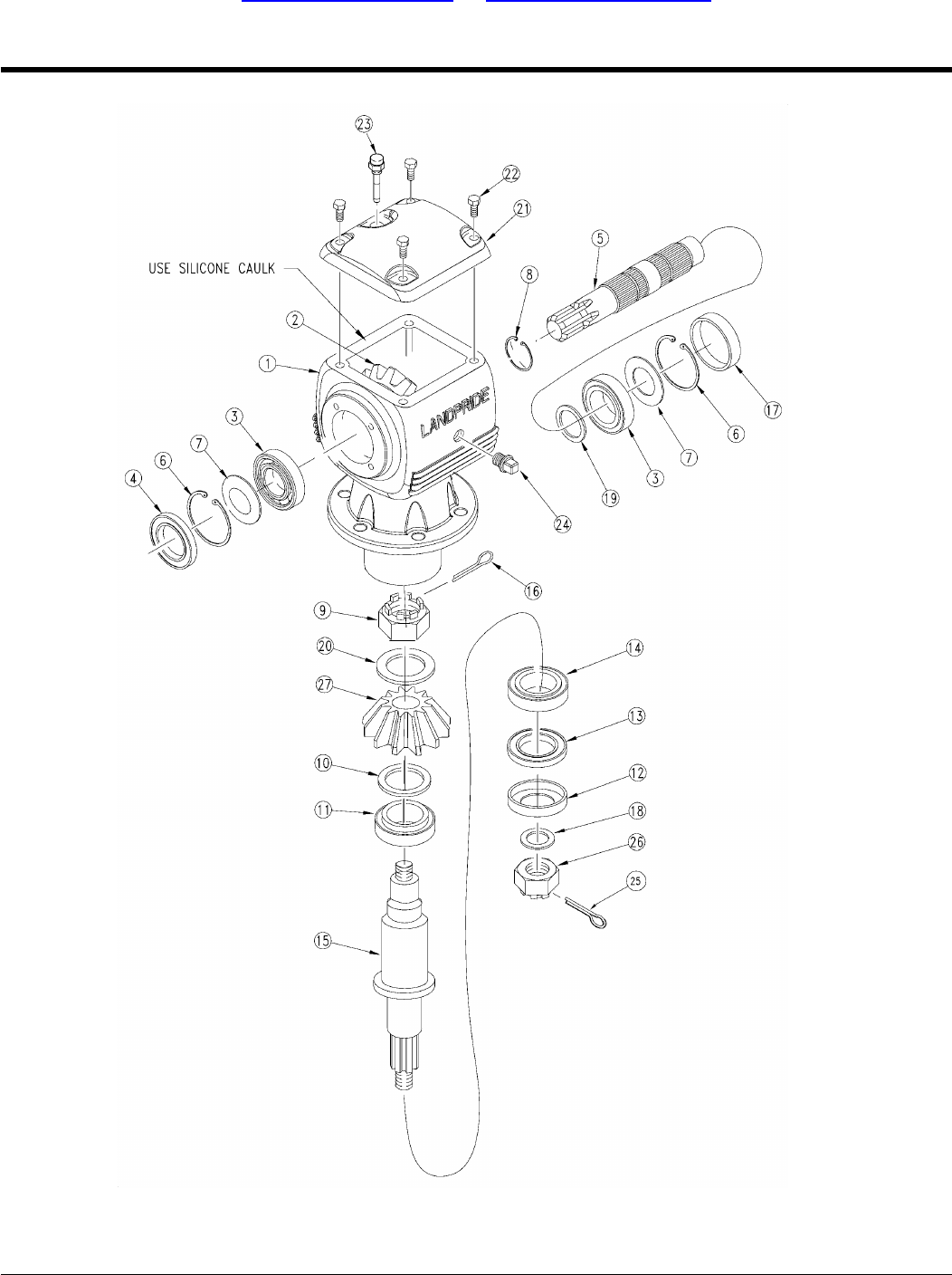
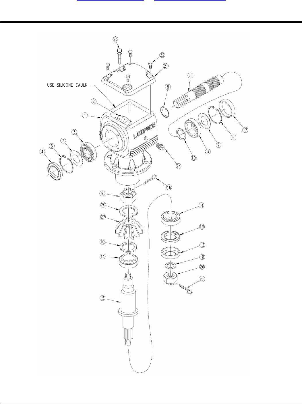
DIVBX.RCD101HD 1 3/4-20 1:1.21826-179C
OMNI HOUSING RCD101HD0100631.
OMNI INPUT CAP0201622.
OMIN CANTILEVERED OUTPUT CAP0200613.
OMNI OUTPUT CAP0201104.
OMNI PINION, 20T0304135.
OMNI GEAR, 24T0304126.
OMNI OUTPUT SHAFT,1.75-20SHORT0401217.
OMNI INPUT SHAFT, 1.75-20 LONG0401248.
OMNI BEARING CONE - 3680500089.
OMNI BEARING CONE -LM60304905001210.
OMNI BEARING CUP - LM 60301405001311.
BEARING CUP - 362A, OMNI05001412.
BEARING CUP - 362, OMNI05001513.
OMNI OUTPUT SEAL06002014.
OMNI THRU SHAFT SEAL06005115.
OMNI GASKET, 0.30MM07005716.
OMNI GASKET, 0.15MM07005817.
OMNI INPUT GASKET, 0.10MM07015118.
OMNI GASKET 0.30MM07014019.
OMNI GASKET 0.15MM07014120.
OMNI GASKET 0.10MM07014221.
SPACER, OMNI09000322.
HHCS 3/8-16X1 1/4 GR5802-079C23.
WASHER LOCK SPRING 3/8 PLT804-013C24.
OMNI LOCKNUT, TN-0612002525.
OMNI LOCKWASHER, TW-0613003026.
OMNI FLAT WASHER13002127.
OMNI PLUG 1/2-14NPT,PRW/OIL LV.14004628.
OMNI RETAINING RING20000329.
04/01/08 RCB6010, RCBM6010, RCB6015 & RCBM6015 Rotary Cutters 318-263P 77
Table of Contents Part Number Index
Section 6: Gearboxes Land Pride
RCB6010 & RCB6015 SERIES (540 RPM)
Gearbox Divider (826-179C) OMNI
Applies to RCB6010, RCB6015

RevisionCommentsPart DescriptionPart No.Ref.
Drawing Image Numberdwg15427
CYL 3.5X8X1.25 ROD (TIE ROD)810-162C1.
CP 3/4FORB MALE QD811-394C2.
HH3/8R1 168 3/4MORB 3/4FJIC811-619C3.
EL 3/4MJIC 3/4MORB811-063C4.
FILL PLUG VENTED 3/4-16 PLT800-306C5.
STROKE CONTROL SPACERS 1 1/4810-317C6.
04/01/08 RCB6010, RCBM6010, RCB6015 & RCBM6015 Rotary Cutters 318-263P 79
Table of Contents Part Number Index
Section 7: Hydraulics Land Pride
RCB6010 & RCB6015 SERIES (540 RPM)
Hydraulic Center Lift
Applies to RCB6010, RCB6015

RevisionCommentsPart DescriptionPart No.Ref.
Drawing Image Numberdwg25900
CYL 3.5X8X1.25 ROD (TIE ROD)810-162C
*
NUT HEX 5/8-18 PLT803-022C1.
MON PISTON NUT1305602.
LION PIN1349533.
MON CLEVIS PIN COTTER1359954.
SCREW SET SH 3/8-16X3/8 TYPE C801-023C5.
LION PLUG 3/4-16UNF SOCKET HD1865626.
Only Found in Kit #20MON ROD SEALN/A7.
Only Found in Kit #20MON PISTON SEAL (PSP)N/A8.
Only Found in Kit #20LION B.U. WASHER 073-236N/A9.
Only Found in Kit #20MON END CAP O-RINGN/A10.
Only Found in Kit #20SEAL WIPER RODN/A11.
Only Found in Kit #20MON PISTON WEAR RINGN/A12.
LION CYL. TUBE 3.5 X 849179813.
LION TIE ROD 5/8 X 849233814.
LION ROD CLEVIS 1 1/4 (1PIN)49265215.
LION CLEVIS CAP 3.5 ORB49267616.
LION ROD CAP 3.5 X 1 1/4 ORB49267717.
LION ROD 1.25 DIA. ASAE 849270018.
MON PISTON49475419.
MON SEALS REPAIR KIT64841120.
04/01/08 RCB6010, RCBM6010, RCB6015 & RCBM6015 Rotary Cutters 318-263P 81
Table of Contents Part Number Index
Section 7: Hydraulics Land Pride
RCB6010 & RCB6015 SERIES (540 RPM)
Hydraulic Cylinder (810-162C) Red Lion
Applies to RCB6010, RCB6015

RevisionCommentsPart DescriptionPart No.Ref.
Drawing Image Numberdwg12345
CYL 3X12X1.25 ROD (TIE ROD)810-312C
*
NUT HEX 1/2-13 PLT803-020C1.
MON PISTON NUT1305602.
SCREW SET SH 3/8-16X3/8 TYPE C801-023C3.
PLUG 9/16-18UNF MORB SOCKET HD1865614.
Only Found in Kit #18MON ROD SEALN/A5.
Only Found in Kit #18MON PISTON SEAL (PSP)N/A6.
Only Found in Kit #18MON END CAP B/U WASHERN/A7.
Only Found in Kit #18MON END CAP O-RINGN/A8.
Only Found in Kit #18SEAL WIPER RODN/A9.
Only Found in Kit #18MON PISTON WEAR RINGN/A10.
MON PISTON29475311.
MON CYL TUBE49174212.
MON TIE ROD49228213.
LION ROD CLEVIS 1 1/4 (1PIN)49265214.
LION CLEVIS CAP 3.0-9/16 ORB49272115.
LION ROD CAP 3.0X1.25-9/16 ORB49272216.
MON CYL ROD49287017.
MON SEALS REPAIR KIT64559918.
04/01/08 RCB6010, RCBM6010, RCB6015 & RCBM6015 Rotary Cutters 318-263P 83
Table of Contents Part Number Index
Section 7: Hydraulics Land Pride
RCB6010 & RCB6015 SERIES (540 RPM)
Hydraulic Cylinder (810-312C) Red Lion)
Applies to RCB6010, RCB6015

RevisionCommentsPart DescriptionPart No.Ref.
Drawing Image Numberdwg11421
CYL 3.5X8X1.25 ROD (TIE ROD)810-162C
*
BASE CROSS1D1509-41.
TIE ROD NUT CROSS2A0236-92.
Only available in Seal Kit (#19)O-RING3.
TIE ROD CROSS2A0581-13254.
TIE ROD CROSS1D0009-10505.
CROSS SCREW, CAP2A0079-6166.
CROSS CLEVIS PIN1D1551-162757.
CROSS PIN, CLIP2A0308-18.
CROSS ROD CLEVIS1D1003-59.
CROSS NUT, CLEVIS & TIE ROD2A0235-610.
ROD CROSS1D0205-126211.
Only available in Seal Kit (#19)WIPER12.
Only available in Seal Kit (#19)BACK-UP ROD13.
Only available in Seal Kit (#19)O-RING14.
HEAD CROSS1D1159-415.
Only available in Seal Kit (#19)BACK-UP PISTON16.
PISTON CROSS1D1401-35017.
PISTON NUT CROSS1A114118.
SEAL KIT CROSS 3.5 CYL 1C4429810-146C19.
04/01/08 RCB6010, RCBM6010, RCB6015 & RCBM6015 Rotary Cutters 318-263P 85
Table of Contents Part Number Index
Section 7: Hydraulics Land Pride
RCB6010 & RCB6015 SERIES (540 RPM)
Hydraulic Cylinder Center Lift (810-162C) Cross
Applies to RCB6010, RCB6015

RevisionCommentsPart DescriptionPart No.Ref.
Drawing Image Numberdwg11421
CYL 3.5X8X1.25 ROD (TIE ROD)810-162C
*
MW BASE (STD 1 PIN)6M51421.
MW TIE ROD NUT2A00162.
Only available in Seal Kit (#19)O-RING3.
MW ROD7M53164.
MW TUBE 3 1/2 X 8 CYLINDER5M51165.
MW CAPSCREW2A00066.
MW CLEVIS PIN2A02087.
MW PIN CLIP2A01328.
MW CLEVIS STD. DUTY1M60109.
MW NUT CLEVIS & TIE ROD2A001210.
MW ROD2M541611.
Only available in Seal Kit (#19)WIPER12.
Only available in Seal Kit (#19)BACK-UP ROD13.
Only available in Seal Kit (#19)O-RING14.
MW HEAD3M540815.
Only available in Seal Kit (#19)BACK-UP PISTON16.
MW PISTON 3 1/2 DIA.4M510217.
MW PISTON NUT 1-142A002418.
SEAL KIT 810-104C MW 3A5102810-149C19.
04/01/08 RCB6010, RCBM6010, RCB6015 & RCBM6015 Rotary Cutters 318-263P 87
Table of Contents Part Number Index
Section 7: Hydraulics Land Pride
RCB6010 & RCB6015 SERIES (540 RPM)
Hydraulic Cylinder Center Lift (810-162C) Midway
Applies to RCB6010, RCB6015

RevisionCommentsPart DescriptionPart No.Ref.
Drawing Image Numberdwg15572
CYL 3X12X1.25 ROD (TIE ROD810-312C
BASE CROSS1D1505-31.
CROSS NUT,CLEVIS AND TIE ROD2A0235-62.
Only found in seal kit 20.O-RING3.
TIE ROD CROSS2A0578-16754.
TUBE CROSS1D0005-14505.
CROSS SCREW CAP2A0079-6166.
CROSS CLEVIS PIN1D1551-162757.
CROSS PIN,CLIP2A0308-18.
CROSS ROD CLEVIS1D1003-59.
CROSS NUT, CLEVIS AND TIE ROD2A0235-610.
ROD CROSS1D0206-167511.
Only found in seal kit 20.WIPER12.
Only found in seal kit 20.BACK-UP13.
Only found in seal kit 20.O-RING14.
HEAD CROSS1D1155-1715.
Only found in seal kit 20.BACK UP16.
PISTON CROSS1D1401-25017.
CROSS NUT,PISTON2A0246-1218.
SEAL KIT MW 2.5X1.25ROD 3A3104810-177C19.
SEAL KIT CROSS 2.5 CYL 1C498810-178C19.
04/01/08 RCB6010, RCBM6010, RCB6015 & RCBM6015 Rotary Cutters 318-263P 89
Table of Contents Part Number Index
Section 7: Hydraulics Land Pride
RCB6010 & RCB6015 SERIES (540 RPM)
Hydraulic Cylinder Wing (810-312C) Cross
Applies to RCB6010, RCB6015

RevisionCommentsPart DescriptionPart No.Ref.
Drawing Image Numberdwg15242
CYL 3X12X1.25 ROD (TIE ROD810-312C
MW CLEVIS STD. DUTY1M60101.
MW ROD 1-1/4 DIA. X 10 STROKE2M44182.
MW HEAD CAP 3X1-1/4 RD 9/16SAE3M44103.
MW PISTON 3 DIA.4M41044.
MW TUBE 3 X 10 CYLINDER5M41205.
MW BASE 3 X 9/16 SAE6M41526.
MW TIE ROD 3 X 10 CYLINDER7M43207.
MW CLEVIS PIN2A02088.
Only found in seal kit 19MW WIPER9.
Only found in seal kit 19MW O-RING10.
Only found in seal kit 19MW BACK-UP11.
Only found in seal kit 19MW O-RING12.
Only found in seal kit 19MW BACK UP13.
MW PISTON NUT 1-142A002414.
MW TIE ROD NUT2A001415.
MW NUT CLEVIS & TIE ROD2A001216.
MW CAPSCREW2A000617.
MW PIN CLIP2A013218.
CYL SEAL KIT 3 X 7 MW 3A4104810-015C19.
04/01/08 RCB6010, RCBM6010, RCB6015 & RCBM6015 Rotary Cutters 318-263P 91
Table of Contents Part Number Index
Section 7: Hydraulics Land Pride
RCB6010 & RCB6015 SERIES (540 RPM)
Hydraulic Cylinder Wing (810-312C) Midway
Applies to RCB6010, RCB6015

RevisionCommentsPart DescriptionPart No.Ref.
Drawing Image Numberdwg18341
CYL 3X12X1.25 ROD (TIE ROD)810-312C1.
OREL 1/32 9/16MJIC 9/16MORB811-062C2.
VENT PLUG - 9/16-18 PLATED800-117C3.
Used without Weight BoxHH1/4R1 205 9/16FJIC811-165C4.
Used with Weight BoxASSY. HOSE BUNDLE 10'318-398L4.
AD 9/16MJIC 3/4MORB811-133C5.
CP 3/4FORB MALE QD811-394C6.
04/01/08 RCB6010, RCBM6010, RCB6015 & RCBM6015 Rotary Cutters 318-263P 93
Table of Contents Part Number Index
Section 7: Hydraulics Land Pride
RCB6010 & RCB6015 SERIES (540 RPM)
Hydraulic Wing Lift
Applies to RCB6010, RCB6015

RevisionCommentsPart DescriptionPart No.Ref.
Drawing Image Numberdwg22214
DECAL WARNING PINCH PT/CRUSH818-045C1.
DECAL BLADE ROTATION RC45180818-268C2.
DECAL WARNING OPERATING ANGLE818-276C3.
DECAL DANGER PTO DRIVELINE818-552C4.
DECAL DANGER PD GUARD MISS SML818-543C5.
RC6010 RCM6010 Beige & Red
Colored Units S/N 418250
DECAL DOMINATOR838-585C6.
On Green Colored Units S/N 418250DECAL DOMINATOR GREEN838-636C6.
DECAL FLAG818-190C7.
DECAL CAUTION 540 RPM818-130C8.
DECAL DANGER THROWN OBJ CUTTER818-556C9.
DECAL DANGER RAISED WING HAZAR818-561C10.
DECAL RED REFLECTOR818-230C11.
DECAL AMBER REFLECTOR818-229C12.
DECAL DANGER GUARD MISS PTO818-540C13.
DECAL IMPORTANT - SLIP CLUTCH818-680C14.
DECAL NOTICE - 20 MPH MAX818-681C15.
DECAL SAFETY COMBO SUNWEST818-830C16.
DECAL RC OSHA AG CHAIN GUARD818-564C17.
DECAL LANDPRIDE 30" BLACK838-243C18.
DECAL RC6010-BROWN838-098C19.
DECAL RC6010-BEIGE838-096C20.
DECAL WARNING HYD PRESS LONG838-094C21.
DECAL DANGER ROLLOVER HAZARD818-840C22.
FOLDING CUTTER SPEED WARNING838-588C23.
DECAL DANGER PTO DRIVELINE818-552C24.
DECAL IMPORTANT - SLIP CLUTCH818-680C25.
DECAL 5 YEAR GEARBOX WARRANTY818-862C26.
DECAL LANDPRIDE 16" - BIEGE818-902C27.
04/01/08 RCB6010, RCBM6010, RCB6015 & RCBM6015 Rotary Cutters 318-263P 95
Table of Contents Part Number Index
Section 8: Labels Land Pride
RCB6010 & RCB6015 SERIES (540 RPM)
Label Placement
Applies to RCB6010

RevisionCommentsPart DescriptionPart No.Ref.
Drawing Image Numberdwg18318
DECAL WARNING PINCH PT/CRUSH818-045C1.
DECAL WARNING OPERATING ANGLE818-276C2.
DECAL DANGER PTO DRIVELINE818-552C3.
DECAL DANGER PD GUARD MISS SML818-543C4.
On Beige & Red Colored UnitsDECAL DOMINATOR838-585C5.
On Green Colored UnitsDECAL DOMINATOR GREEN838-636C5.
DECAL FLAG818-190C6.
DECAL CAUTION 540 RPM818-130C7.
DECAL DANGER RAISED WING HAZAR818-561C8.
DECAL RED REFLECTOR818-230C9.
DECAL AMBER REFLECTOR818-229C10.
DECAL IMPORTANT - SLIP CLUTCH818-680C11.
DECAL NOTICE - 20 MPH MAX818-681C12.
DECAL SAFETY COMBO SUNWEST818-830C13.
DECAL DANGER ROTATING BLADES818-564C14.
DECAL LANDPRIDE 16" - BIEGE818-902C15.
DECAL RC6015-BROWN818-939C16.
DECAL RC6015-BEIGE838-047C17.
DECAL WARNING HYD PRESS LONG838-094C18.
DECAL DANGER ROLLOVER HAZARD818-840C19.
DECAL DANGER THROWN OBJ CUTTER818-556C20.
DECAL DANGER GUARD MISS PTO818-540C21.
DECAL LANDPRIDE 30" BLACK838-243C22.
04/01/08 RCB6010, RCBM6010, RCB6015 & RCBM6015 Rotary Cutters 318-263P 97
Table of Contents Part Number Index
Section 8: Labels Land Pride
RCB6010 & RCB6015 SERIES (540 RPM)
Label Placement
Applies to RCB6015

RevisionCommentsPart DescriptionPart No.Ref.
Drawing Image Numberdwg21261
WLDMT.DRIVELINE STORAGE BRKT.318-282H1.
WELDMENT CENTER BAFFLE LH.318-303H2.
BAFFLE REAR MOUNTING PLATE LH.318-308D3.
BAFFLE FRT. MOUNTING PLATE LH.318-346D4.
BAFFLE FRT. MOUNTING PLATE RH.318-347D5.
BAFFLE REAR MOUNTING PLATE RH.318-383D6.
WELDMENT CENTER BAFFLE RH.318-403H7.
HHCS 1/2-13X1 1/2 GR5802-091C8.
RHSNB 1/2-13X1 1/4 GR5802-214C9.
NUT HEX WHIZ 1/2-13 PLT803-037C10.
04/01/08 RCB6010, RCBM6010, RCB6015 & RCBM6015 Rotary Cutters 318-263P 99
Table of Contents Part Number Index
Section 9: Options Land Pride
RCB6010 & RCB6015 SERIES (540 RPM)
Baffle Option (318-402A)
Applies to RCB6015

RevisionCommentsPart DescriptionPart No.Ref.
Drawing Image Numberdwg18311
BLADE BOL 1 1/8-12X3 7/16 W/KY802-277C1.
Center Standard Blade Quantity 2CUTTER BLADE 1/2X4X29 CCW820-168C2.
Center Optional Blade Quantity 2CUTTER BLADE 1/2X4X29 LL CCW820-188C2.
RH Standard Blade Quantity 2CUTTER BLADE 1/2X4X23 CCW820-169C2.
RH Optional Blade Quantity 2CUTTER BLADE 1/2X4X23 LL CCW820-189C2.
LH Standard Blade QuantityCUTTER BLADE 1/2X4X23 CW820-170C2.
LH Optional Blade Quantity 2CUTTER BLADE 1/2X4X23 LL CW820-190C2.
NUT HEX TOP LOCK 1 1/8-12 PLT.803-170C3.
WASHER FLAT 1 HARD ASTMF436 PN804-147C4.
Rev. 2 not compat. w/Rev. 1.(S/N 325492+)WLDMT. DP. 60 SERIES/U125 HUB318-364H5.
Rev. 1(S/N 325491-)WLDMT. DISHPAN318-164H5.
HHCS 3/4-10X2 1/4 GR5802-065C6.
NUT HEX FLANGE LOCK 3/4-10 PLT803-181C7.
OMNI/COMERLARGE ROUND DISHPAN 3/16318-190D8.
Rev. 2 not compat. w/Rev. 1.(S/N 325492+)ASSY. BLADE CARRIER318-368V9.
Rev. 1(S/N 325491-)ASSY. BLADE CARRIER318-165V9.
Center Section (S/N 325491-)ASSY. CCW BLADE CARRIER CTR.318-159S10.
RH wing (S/N 325491-)ASSY. CCW BLADE CARRIER RH.318-161S10.
LH Wing (S/N 325491-)ASSY. CW BLADE CARRIER LH.318-163S10.
Center (S/N 325492+)ASSY. CCW BLADE CARRIER CTR.318-369S10.
RH wing (S/N 325492+)ASSY. CCW BLADE CARRIER RH.318-370S10.
LH wing (S/N 325492+)ASSY. BLADE CARRIER318-368V10.
As RequiredBLADE SPACER 16 GA .06 thick312-075D11.
As RequiredBLADE SPACER 18 GA .05 thick312-082D11.
As RequiredBLADE SPACER 20 GA. .04 thick312-089D11.
As RequiredBLADE SPACER 24GA .03 thick312-808D11.
04/01/08 RCB6010, RCBM6010, RCB6015 & RCBM6015 Rotary Cutters 318-263P 101
Table of Contents Part Number Index
Section 2: Decks Land Pride
RCBM6010 & RCBM6015 SERIES (1000 RPM)
Blade Carrier
Applies to RCBM6010, RCBM6015

RevisionCommentsPart DescriptionPart No.Ref.
Drawing Image Numberdwg23967
WLDMT. SKID SHOE LH.318-146H1.
NUT HEX WHIZ 1/2-13 PLT803-037C2.
HFS 1/2-13X2 GR8802-456C3.
WLDMT. SKID SHOE RH.318-145H4.
DIVIDER COMER 1000RPM 1 3/4-20826-180C5.
PLASTIC DIVIDER BOX SHIELD817-416C6.
KNOB 3/8-16 FEMALE THD 2 3/8OD817-259C7.
PIN CLEVIS 3/8 X 5 1/2 PLT805-309C8.
PIN COTTER 5/32 X 1 1/4 LG805-045C9.
WASHER LOCK SPRING 3/8 PLT804-013C10.
NUT WING 3/8-16 PLT803-231C11.
WASHER FLAT 3/8 SAE PLT804-012C12.
SHIELD BRACKET WELDMENT318-401H13.
WASHER FLAT 5/16 USS PLT804-010C14.
WASHER LOCK SPRING 5/16 PLT804-009C15.
HHCS 5/16-18X3/4 GR5802-007C16.
Small 1000 rpm drivelinePTO INT. CAT.4 1000W/CLUTCH826-184C17.
Large 1000 rpm drivelinePTO E60 X 21.7 1280NM CLUTCH826-478C17.
SPRING HOSE LOOP807-023C18.
GBOX RCM60 1.75-20 1.21:1 CCW826-323C19.
(S/N 558465+)HHCS 3/4-10X2 1/4 GR5805-065C20.
(S/N 558464-)HHCS 3/4-10X2 GR5802-064C20.
WLDMT. CYLINDER SPRING BASE318-169H21.
SPRING COMP 1.88OD x .362W807-143C22.
HHCS 1-8X5 GR5802-235C23.
NUT HEX TOP LOCK 1-8 PLT803-168C24.
BLADE BOLT ACCESS COVER312-611D25.
NUT LOCK 3/4-10 PLT803-026C26.
WLDMT. CENTER SECTION318-568H27.
ASSY. CCW BLADE CARRIER CTR.318-369S28.
HHCS 3/8-16X1 GR5802-017C29.
FORMED HINGE BRACKET318-322D30.
Small 1000 rpm drivelinePTO CV V80 X 56.8 NO CLUTCH826-477C31.
Large 1000 rpm drivelinePTO CV80 X 77.71 NO CLUTCH826-499C31.
WASHER HARDENED 1 1/8 USS804-169C32.
CO CASTLE NUT M36X38.2.2.0056033.
PIN COTTER 1/4 X 2 1/2 PLT805-105C34.
WASHER FLAT 1 USS PLT804-028C35.
HHCS 3/4-10X6 GR5802-070C36.
TOP PLATE SKID REINFORCEMENT318-167D37.
GREASE ZERK 1/4-28 THD FORMING800-080C38.
NUT HEX TOP LOCK 5/8-11 PLT803-271C39.
HHCS 5/8-11X1 3/4 GR5802-053C40.
WASHER FLAT 5/8 USS PLT804-019C41.
WLDMT. WINCH318-256H42.
NUT LOCK 3/8-16 PLT803-013C43.
BRAKE WINCH DLB2000890-671C44.
WINCH HANDLE 12" DBL2000890-679C45.
HHCS 3/8-16X1 3/4 GR5802-023C46.
WASHER LOCK SPRING 3/8 PLT804-013C47.
WASHER FLAT 3/8 USS PLT804-011C48.
WINCH CABLE AND HOOK890-680C49.
MECHANICAL WINCH318-271A50.
HHCS 5/8-11X2 1/2 GR5802-058C51.
NUT HEX TOP LOCK 5/8-11 PLT803-271C52.
WLDMT. SHAFT PROTECTOR318-141H53.
S/N 488627+MANUAL STORAGE CONTAINER816-481C54.
04/01/08 RCB6010, RCBM6010, RCB6015 & RCBM6015 Rotary Cutters 318-263P 103
Table of Contents Part Number Index
Section 2: Decks Land Pride
RCBM6010 & RCBM6015 SERIES (1000 RPM)
Deck Center Section (1000 RPM) RCBM Series
Applies to RCBM6010, RCBM6015

RevisionCommentsPart DescriptionPart No.Ref.
S/N 488627+HHCS 1/4-20X1 GR5802-005C55.
S/N 488627+NUT HEX NYLOCK 1/4-20803-255C56.
S/N 488627+WASHER FLAT 1/4 SAE PLT804-007C57.
S/N 509805+BUSHING CYL 1 1/4 X 1 X 1890-005C58.
104 RCB6010, RCBM6010, RCB6015 & RCBM6015 Rotary Cutters 318-263P 04/01/08
Table of Contents Part Number Index
Land Pride Section 2: Decks
RCBM6010 & RCBM6015 SERIES (1000 RPM)
Deck Center Section (1000 RPM) RCBM Series (continued)
Applies to RCBM6010, RCBM6015

RevisionCommentsPart DescriptionPart No.Ref.
Drawing Image Numberdwg18310
LH Deck ShownDEFLECTOR318-087D1.
RH DeckDEFLECTOR318-086D1.
Rev. 2 not compat. w/Rev. 1.(S/N 292792+)WLDMT. WING RH. SECT. BID318-341H2.
Rev. 1(S/N 292791-)WLDMT. WING RH. SECT. BID318-258H2.
Rev. 2 not compat. w/Rev. 1.(S/N 292792+)WLDMT. WING LH. SECT. BID318-342H2.
Rev. 1(S/N 292791-)WLDMT. WING LH. SECT. BID318-259H2.
NUT HEX WHIZ 1/2-13 PLT803-037C3.
RHSNB 1/2-13X1 1/4 GR5802-214C4.
RHSNB 1/2-13X1 1/2 GR5802-106C5.
NUT LOCK 3/4-10 PLT803-026C6.
LH DeckGBOX RCM60 1.75-20 1:1.21 CCW826-322C7.
RH DeckGBOX RCM60 1.75-20 1:1.21 CW826-324C7.
(S/N 558465+)HHCS 3/4-10X2 1/4 GR5802-065C8.
(S/N 558464-)HHCS 3/4-10X2 GR5802-064C8.
SHIELD WELDMENT312-399H9.
WASHER FLAT 3/8 SAE PLT804-012C10.
NUT WING 3/8-16 PLT803-231C11.
WASHER LOCK SPRING 3/8 PLT804-013C12.
SHIELD MOUNT BRACKET WELDMENT312-400H13.
WASHER FLAT 5/16 USS PLT804-010C14.
WASHER LOCK SPRING 5/16 PLT804-009C15.
HHCS 5/16-18X3/4 GR5802-007C16.
BLADE BOLT ACCESS COVER312-611D17.
NUT HEX WHIZ 3/8-16 PLT803-198C18.
PLOW 3/8-16X1 1/4 GR5802-466C19.
Rev. 2 not compat. w/Rev. 1.(S/N 292792+)SKID SHOE318-335D20.
Rev. 1(S/N 292791-)SKID SHOE318-096D20.
RH DeckASSY. CCW BLADE CARRIER RH.318-370S21.
LH DeckASSY. CW BLADE CARRIER LH.318-371S21.
CO BLANK WASHER0.288.7101.0022.
WASHER HARDENED 1 1/8 USS804-169C22.
(S/N 325-492+)CO CASTLE NUT M36X38.2.2.0056023.
(S/N 325-491-)OMNI NUT HEX SLOTTED, 1 1/412009223.
PIN COTTER 1/4 X 2 1/2 PLT805-105C24.
ShownDEFLECTOR FLAT LH.318-171D25.
DEFLECTOR FLAT RH.318-170D25.
Rev. 2(S/N 461935 to 461937, 468573+)PTO V80 X 59.3 1280NM CLUTCH826-481C26.
Rev. 1RPBY 826-481C826-262C26.
PTO CAT.4 W/CLUTCH 1 3/4-20826-185C26.
04/01/08 RCB6010, RCBM6010, RCB6015 & RCBM6015 Rotary Cutters 318-263P 107
Table of Contents Part Number Index
Section 2: Decks Land Pride
RCBM6010 & RCBM6015 SERIES (1000 RPM)
Deck Wing Section (1000 RPM)
Applies to RCBM6010, RCBM6015

RevisionCommentsPart DescriptionPart No.Ref.
Drawing Image Numberdwg18308
Rev. 2 not compat. w/Rev. 1.(S/N 419602+)ASSY. SWIVEL TONGUE318-678L
Rev. 1Includes items 1 through 11 (S/N
419601-1)
ASSY. SWIVEL TONGUE318-254L
(S/N 306742-)WLDMT. SWIVEL HITCH318-253H1.
SAFETY CHAIN 10000 LB890-182C2.
HHCS 1-8X2 1/2 GR5802-096C3.
WASHER FLAT 1 USS804-028C4.
S/N 489026+WASHER FLAT 1 SAE804-029C5.
S/N 489025-NUT HEX TOP LOCK 1-8 PLT803-168C5.
Rev. 2 not compat. w/Rev. 1.(S/N 419602+)WLDMT. SWIVEL TONGUE318-694H6.
Rev. 1(S/N 419601-)WLDMT. SWIVEL TONGUE318-252H6.
S/N 489026+WLDMT. PVT. PIN TONGUE318-850H7.
S/N 489025-HHCS 1-8X5 GR5802-235C7.
GREASE ZERK 1/4-28 THD FORMING800-080C8.
WASHER FLAT 1 3/8HARD ASTMF436804-171C9.
NUT HEX SLOTTED 1 1/2-6 PLT803-301C10.
PIN COTTER 1/4 X 2 1/2 PLT805-105C11.
PIN COTTER 5/32 X 1 1/4 LG805-045C12.
PIN CLEVIS 3/4 X 1 1/2805-083C13.
WASHER FLAT 3/4 SAE PLT804-025C14.
WLDMT. LEVEL ROD SHORT318-008H15.
NUT HEX COUPLER 7/8-9 x 5803-265C16.
NUT HEX JAM 7/8-9803-075C17.
WLDMT. LEVEL ROD LONG318-007H18.
SIDEWIND JACK 5000 LB890-226C19.
Includes items 12 through 18ASSY. LEVEL ROD318-052L20.
(S/N 306743+)SHAFT WELDMENT318-358H21.
(S/N 306743+)HHCS 1-8X6 1/2 GR5802-074C22.
(S/N 306743+)CLEVIS WELDMENT318-357H23.
(S/N 306743+)WASHER FLAT 1 USS PLT804-028C24.
(S/N 306743+)NUT HEX TOP LOCK 1-8 PLT803-168C25.
(S/N 306743+)NUT HEX JAM 1-8 PLT803-030C26.
(S/N 306743+)ASSY. SWIVEL CLEVIS318-356S27.
ASSY. PINTLE HITCH CLEVIS318-555S28.
HHCS 1-8X9 GR5802-110C29.
Rev. 2 not compat. w/Rev. 1.(S/N 419602+)WLDMT. BALL HITCH TONGUE318-688H30.
Rev. 1(S/N 419601-)WLDMT. BALL HITCH TONGUE318-406H30.
Rev. 2 not compat. w/Rev. 1.(S/N 419602+)WLDMT. TONGUE318-570H31.
Rev. 1(S/N 419601-)WLDMT. TONGUE318-004H31.
NUT HEX FLANGE LOCK 3/4-10 PLT803-181C32.
HHCS 1-8X5 GR5802-235C33.
HHCS 3/4-10X5 1/2 GR5802-594C34.
WASHER FLAT 3/4 SAE PLT804-025C35.
HITCH TOP PLATE318-691D36.
BUSHING 1.50ODX1.00IDX1.25890-862C37.
WELDMENT HITCH CLEVIS318-834H38.
GREASE ZERK STRAIGHT 1/4-28800-001C39.
WELDMENT HITCH BASE318-835H40.
NUT HEX TOP LOCK 1-8 PLT803-168C41.
FORMED HITCH SUPPORT318-693D42.
Rev. 2ASSY. PIVOT-CLAMP HITCH318-833S43.
Rev 1; Use up stock(See Item 43)REPLACE WITH 318-833S318-746S44.
Rev 1; Use up stock(See Item 43)REPLACE WITH 318-833S318-661D45.
Rev 1; Use up stock(See Item 43)REPLACE WITH 318-833S318-745H46.
Rev 1; Use up stock(See Item 43)REPLACE WITH 318-833S318-744H47.
Included with item 47BUSHING 1.50ODX1.00IDX1.00890-858C48.
HHCS 3/4-10X4 1/2 GR5802-192C49.
04/01/08 RCB6010, RCBM6010, RCB6015 & RCBM6015 Rotary Cutters 318-263P 109
Table of Contents Part Number Index
Section 2: Decks Land Pride
RCBM6010 & RCBM6015 SERIES (1000 RPM)
Hitch
Applies to RCBM6010, RCBM6015

RevisionCommentsPart DescriptionPart No.Ref.
NUT LOCK 3/4-10 PLT803-026C50.
S/N 489026+PIN ROLL 1/4 X 2 LG PL805-146C51.
NUT HEX TOP LOCK 1-8 PLT803-168C52.
110 RCB6010, RCBM6010, RCB6015 & RCBM6015 Rotary Cutters 318-263P 04/01/08
Table of Contents Part Number Index
Land Pride Section 2: Decks
RCBM6010 & RCBM6015 SERIES (1000 RPM)
Hitch (continued)
Applies to RCBM6010, RCBM6015

RevisionCommentsPart DescriptionPart No.Ref.
Drawing Image Numberdwg22213
WLDMT. HINGE ROD318-017H1.
ASSY. HINGE ROD318-055L2.
SKID SHOE318-096D3.
WLDMT WEIGHT BOX RH. WING318-107H4.
ASSY. REAR CHAINGUARD318-111K5.
ROD 1/4 X 11318-160D6.
ROUND ROD 1/4 X 12 1/2318-196D7.
REAR CHAINGUARD318-198D8.
CHAINGUARD MOUNTING PLATE LH.318-353D9.
FRONT CHAINGUARD LH318-354D10.
ASSY. FRT.CG.WT.BOX RH.WING318-354K11.
RHSNB 3/8-16X1 GR5802-015C12.
HHCS 3/8-16X1 1/2 GR5802-022C13.
RHSNB 1/2-13X1 GR5802-183C14.
PLOW 3/8-16X1 1/4 GR5802-466C15.
NUT HEX 3/8-16 PLT803-014C16.
NUT HEX WHIZ 1/2-13 PLT803-037C17.
NUT HEX WHIZ 3/8-16 PLT803-198C18.
WASHER LOCK SPRING 3/8 PLT804-013C19.
CHAIN WELD 5/16 PROOF X 5 LINK890-341C20.
CHAIN WELD 5/16 PROOF X 7-LINK890-393C21.
04/01/08 RCB6010, RCBM6010, RCB6015 & RCBM6015 Rotary Cutters 318-263P 113
Table of Contents Part Number Index
Section 2: Decks Land Pride
RCBM6010 & RCBM6015 SERIES (1000 RPM)
Weight Box
Applies to RCBM6010, RCBM6015

RevisionCommentsPart DescriptionPart No.Ref.
Drawing Image Numberdwg18312
WLDMT. HINGE ROD318-017H1.
HHCS 3/8-16X1 1/2 GR5802-022C2.
S/N 489026+WASHER FLAT 1 SAE804-029C3.
S/N 489025-NUT HEX TOP LOCK 1-8 PLT803-168C3.
S/N 489026+WLDMT. PVT. PIN TURNBUCKLE318-854H4.
S/N 222150 to 489025HHCS 1-8X5 1/2 GR5802-205C4.
S/N 222149-HHCS 1-8X5 GR5802-235C4.
PIN COTTER 3/16 X 1 1/2 PLT805-104C5.
WASHER FLAT 1 SAE804-029C6.
WLDMT. CYLINDER PIN318-018H7.
S/N 419602+TURNBUCKLE 1BORE W/SWIVEL 9.43890-893C8.
S/N 419601- Includes items 9 thru 13
& 20
TURNBUCKLE 1BORE W/SWIVELS890-506C8.
NUT HEX JAM 1 1/8-7 PLTD.803-266C9.
GREASE ZERK STRAIGHT 1/8-27NPT800-130C10.
NUT HEX 5/16-18 PLT803-008C11.
WASHER LOCK SPRING 5/16 PLT804-009C12.
HHCS 5/16-18X2 1/2 GR8802-649C13.
NUT HEX 3/8-16 PLT803-014C14.
WASHER LOCK SPRING 3/8 PLT804-013C15.
TRANSPORT BAR318-040D16.
S/N 489026+WLDMT. PVT. PIN TURNBUCKLE318-853H17.
S/N 489025-HHCS 1-8X4 GR5802-073C17.
PIN, HAIR COTTER 3/16 WIRE DIA805-088C18.
Includes items 1, 2, 17 & 18ASSY. HINGE ROD318-055L19.
GREASE ZERK STRAIGHT 1/4-28800-001C20.
S/N 489026+PIN ROLL 1/4 X 2 LG PL805-146C21.
04/01/08 RCB6010, RCBM6010, RCB6015 & RCBM6015 Rotary Cutters 318-263P 115
Table of Contents Part Number Index
Section 2: Decks Land Pride
RCBM6010 & RCBM6015 SERIES (1000 RPM)
Wing Turnbuckle and Transport Bar
Applies to RCBM6010, RCBM6015

RevisionCommentsPart DescriptionPart No.Ref.
Drawing Image Numberdwg18313
(S/N 491602+)SPACER 1/2827-001C1.
(S/N 491601-)SPACER 1 1/2OD X .234W X 1318-085D1.
HHCS 1-8X5 1/2 GR5802-205C2.
HHCS 1-8X9 GR5802-110C3.
NUT HEX TOP LOCK 1-8 PLT803-168C4.
Rev. 2 not compat. w/Rev. 1.(S/N 419602+)WLDMT. STD. CENTER AXLE318-623H5.
Rev. 1(S/N 419601-)WLDMT. CENTER AXLE318-188H5.
HUB GREASE CAP200-001D6.
NUT HEX SLOTTED 7/8-14 PLT803-029C7.
WASHER SPINDLE - 7/8804-055C8.
BEARING CONE 15123822-091C9.
Rev. 2(S/N 414628+) W/CUPS, ZERK &
STUDS
HUB 4 BLT W/CUPS, ZERK & STUDS815-230C10.
Rev. 1(S/N 414627-) W/CUPS & ZERKHUB 4 BOLT WHL W/CUPS & ZERK815-093C10.
SEAL 1 3/8 ID X 2.441 OD X .313816-098C11.
PIN COTTER 3/16 X 1 1/4 PLT805-016C12.
GREASE ZERK 1/4-28 THD FORMING800-080C13.
Use with 17 & 22 S/N 414627-WASHER FLAT 1/2 SAE PLT804-016C14.
Use with 17 & 22 S/N 414627-WASHER LOCK SPRING 1/2 PLT804-015C15.
Use with 17 & 22 S/N 414627-HHCS 1/2-20X1 GR5802-240C16.
Use with 21 S/N 414627-BOLT WHEEL 1/2-20X1 90-DEG802-104C16.
Rev. 3(S/N 419602+)AC TIRE 24 X 7.7 2PC814-263C17.
Rev. 2(S/N 419601-)AC TIRE 27x7.75x15 MOUNTED814-201C17.
Rev. 1(S/N 419601-)TIRE 25.5 X 8.0-14 - MOUNTED814-086C17.
Rev. 3(S/N 419602+)AC TIRE 24 x 7.7 2PC FOAM FILL814-262C17.
Rev. 2(S/N 419601-)AC TIRE 27X7.75X15 MOUNTED FF814-202C17.
Rev. 1(S/N 419601-)TIRE 25.5 X 8.0-14 - AIR/FOAM814-189C17.
Rev. 2 not compat. w/Rev. 1.(S/N 419602+)SPINDLE - DUAL AXLE BOLT ON815-141C18.
Rev. 1(S/N 419601-)SPINDLE - DUAL AXLE BOLT ON815-109C18.
HHCS 1/2-13X3 1/4 GR5802-099C19.
NUT LOCK 1/2-13 PLT803-019C20.
WHEEL 15 X 5 X 4 BOLT814-066C21.
TIRE & WHEEL LAM. 6X9X21(TALL)814-059C22.
Use with 17 & 22 S/N 414628+NUT HEX FLG/LK 1/2-20 PLT.GR.G803-308C23.
Use with 21 S/N 414628+NUT LUG 1/2-20X90DEG PLT 13/16803-017C23.
S/N 414628+HUB STUD 1/2-20X1 5/8 GR5802-135C24.
GREASE ZERK STRAIGHT 1/4-28800-001C25.
BEARING CUP 15245822-092C26.
WELDMENT CHAIN ATTACH318-313H27.
U-BOLT 1/2-13 X 7 1/32 X 8 1/4806-026C28.
NUT HEX FLANGE LOCK 5/8-11803-263C29.
04/01/08 RCB6010, RCBM6010, RCB6015 & RCBM6015 Rotary Cutters 318-263P 117
Table of Contents Part Number Index
Section 3: Axles Land Pride
RCBM6010 & RCBM6015 SERIES (1000 RPM)
Axle Center Deck (S/N 489025-)
Applies to RCBM6010, RCBM6015

RevisionCommentsPart DescriptionPart No.Ref.
Drawing Image Numberdwg23962
WLDMT. PVT. PIN TURNBUCKLE318-854H1.
WLDMT. PVT. PIN CTR. AXLE STD.318-851H2.
WASHER FLAT 1 SAE804-029C3.
HUB GREASE CAP200-001D4.
NUT HEX SLOTTED 3/4-16803-053C5.
WASHER HARDENED .81ID804-216C6.
BEARING CONE LM-67048822-021C7.
HUB 5-BOLT W/CUPS/STUDS815-243C8.
SEAL 1.75ID CR17617816-497C9.
PIN COTTER 5/32 X 1 3/4 LG805-246C10.
TIRE & WHL LAM. 6X9X21(5-BOLT)814-265C11.
AC TIRE 24 X 7.7 2PC. 5-BOLT814-285C12.
AC TIRE FF 24X7.7 2PC 5-BOLT814-288C13.
WHEEL 15 X 5 X 5 BOLT814-284C14.
WLDMT. STD. CENTER AXLE318-623H15.
SPINDLE-DUAL BOLT-ON815-240C16.
HHCS 1/2-13X3 1/4 GR5802-099C17.
NUT LOCK 1/2-13 PLT803-019C18.
TIRE 24X7.7-14 (814-285C)814-295C19.
TUBE FOR 24X7.7-14 (814-285C)814-297C20.
RIM 2PC 5BLT 10X6814-296C21.
NUT HEX 1/2-20 X 5/8 HIGH803-310C22.
HUB STUD 1/2-20X1.88 GR5802-779C23.
GREASE ZERK 1/4-28 THD FORMING800-080C24.
BEARING CUP LM-67010822-020C25.
BUSHING 1.25ODX1.00IDX3.00890-766C26.
SPACER 1/2827-001C27.
BEARING CUP LM-48510822-033C28.
BEARING CONE LM-48548822-034C29.
NUT LUG 1/2-20X90DEG PLT 13/16802-017C30.
PIN ROLL 1/4 X 2 LG PL805-146C31.
WELDMENT CHAIN ATTACH318-313H32.
U-BOLT 1/2-13 X 7 1/32 X 8 1/4806-026C33.
NUT HEX FLANGE LOCK 5/8-11 PLT803-263C34.
04/01/08 RCB6010, RCBM6010, RCB6015 & RCBM6015 Rotary Cutters 318-263P 119
Table of Contents Part Number Index
Section 3: Axles Land Pride
RCBM6010 & RCBM6015 SERIES (1000 RPM)
Axle Center Deck (S/N 489026+)
Applies to RCBM6010, RCBM6015

RevisionCommentsPart DescriptionPart No.Ref.
Drawing Image Numberdwg22084
HUB GREASE CAP200-001D1.
WLDMT. CENTER AXLE318-571H2.
WLDMT. TANDEM ARM318-573H3.
OptionalWLDMT. PVT. PIN WALKING TANDEM318-855H4.
GREASE ZERK STRAIGHT 1/4-28800-001C5.
HHCS 1-8X6 GR5802-357C6.
HHCS 1/2-13X3 1/4 GR5802-099C7.
HHCS 1-8X9 GR5802-110C8.
HUB STUD 1/2-20X1 5/8 GR5802-135C9.
HHCS 1-8X5 1/2 GR5802-205C10.
NUT LOCK 1/2-13 PLT803-019C11.
NUT HEX SLOTTED 7/8-14 PLT803-029C12.
NUT HEX TOP LOCK 1-8 PLT803-168C13.
NUT HEX FLG/LK 1/2-20 PLT.GR.G803-308C14.
OptionalWASHER FLAT 1 SAE804-029C15.
WASHER SPINDLE - 7/8804-055C16.
PIN COTTER 3/16 X 1 1/4 PLT805-016C17.
OptionalPIN ROLL 1/4 X 2 LG PL805-146C18.
TIRE & WHEEL LAM. 6X9X21(TALL)814-059C19.
AC TIRE 24 x 7.7 2PC FOAM FILL814-262C20.
AC TIRE 24 X 7.7 2PC814-263C21.
TIRE 24X7.7-14 (814-263C)814-266C22.
RIM 2PC. 4BLT 10X6 BLACK814-267C23.
TUBE FOR 24X7.7-14 (814-263C)814-268C24.
SPINDLE - SINGLE BOLT ON 14IN815-199C25.
W/CUPS, ZERK & STUDSHUB 4 BLT W/CUPS, ZERK & STUDS815-230C26.
SEAL 1 3/8 ID X 2.441 OD X.313816-098C27.
BEARING CONE 15123822-091C28.
BEARING CUP 15245822-092C29.
SPACER 1/2827-001C30.
BUSHING 1.25ODX1.00IDX3.00890-766C31.
BUSHING 1.25ODX1.00IDX3.75890-817C32.
04/01/08 RCB6010, RCBM6010, RCB6015 & RCBM6015 Rotary Cutters 318-263P 121
Table of Contents Part Number Index
Section 3: Axles Land Pride
RCBM6010 & RCBM6015 SERIES (1000 RPM)
Axle Tandem Center Deck (S/N 419602 to 489025)
Applies to RCBM6010, RCBM6015

RevisionCommentsPart DescriptionPart No.Ref.
Drawing Image Numberdwg23964
HUB GREASE CAP200-001D1.
Added Hardened BushingsWLDMT. CENTER AXLE318-571H2.
WLDMT. TANDEM ARM318-573H3.
OptionalWLDMT. PVT. PIN WALKING TANDEM318-966H4.
Optional W/ #4GREASE ZERK 1/4-28 THD FORMING800-080C5.
HHCS 1-8X7 GR5802-075C6.
HHCS 1/2-13X3 1/4 GR5802-099C7.
HHCS 1-8X9 GR5802-110C8.
HUB STUD 1/2-20X1.88 GR5802-779C9.
HHCS 1-8X5 1/2 GR5802-205C10.
NUT LOCK 1/2-13 PLT803-019C11.
NUT HEX SLOTTED 3/4-16803-053C12.
NUT HEX TOP LOCK 1-8 PLT803-168C13.
NUT HEX 1/2-20 X 5/8 HIGH803-310C14.
OptionalWASHER FLAT 1 SAE804-029C15.
WASHER HARDENED .81ID804-216C16.
PIN COTTER 5/32 X 1 3/4 LG805-246C17.
OptionalPIN ROLL 1/4 X 2 LG PL805-146C18.
TIRE & WHL LAM. 6X9X21(5-BOLT)814-265C19.
AC TIRE FF 24X7.7 2PC 5-BOLT814-288C20.
AC TIRE 24 X 7.7 2PC. 5-BOLT814-285C21.
TIRE 24X7.7-14 (814-263C)814-266C22.
RIM 2PC. 4BLT 10X6 BLACK814-267C23.
TUBE FOR 24X7.7-14 (814-263C)814-268C24.
SPINDLE-SINGLE BOLT-ON815-241C25.
HUB 5-BOLT W/CUPS/STUDS815-243C26.
SEAL 1.75ID CR17617816-497C27.
BEARING CONE LM-48548822-034C28.
BEARING CUP LM-48510822-033C29.
SPACER 1/2827-001C30.
BUSHING CYL 1 1/4 X 1 X 1890-005C31.
BUSHING 1.25ODX1.00IDX3.00890-766C32.
S/N 563872- Replace W/ 2 ea.
890-005C
BUSHING 1.25ODX1.00IDX3.75890-817C33.
BEARING CONE LM-67048822-021C34.
BEARING CUP LM-67010822-020C35.
S/N 563873+BUSHING CYL 1 1/4 X 1 X 1890-005C36.
04/01/08 RCB6010, RCBM6010, RCB6015 & RCBM6015 Rotary Cutters 318-263P 123
Table of Contents Part Number Index
Section 3: Axles Land Pride
RCBM6010 & RCBM6015 SERIES (1000 RPM)
Axle Tandem Center Deck (S/N 489026+)
Applies to RCBM6010, RCBM6015

RevisionCommentsPart DescriptionPart No.Ref.
Drawing Image Numberdwg18314
Includes items 2 through 15ASSY. RH. AXLE318-050L
Includes items 1 and 3 through 15ASSY. LH. AXLE318-051L
Rev. 2 not compat. w/Rev. 1.(S/N 419602+)WLDMT. WING AXLE LH.318-583H1.
Rev. 1(S/N 419601-)WLDMT. WING AXLE LH318-190H1.
Rev. 2 not compat. w/Rev. 1.(S/N 419602+)WLDMT. WING AXLE RH.318-576H1.
Rev. 1(S/N 419601-)WLDMT. WING AXLE RH318-189H1.
NUT HEX TOP LOCK 1-8 PLT803-168C2.
HHCS 1-8X6 GR5802-357C3.
HUB GREASE CAP200-001D4.
NUT HEX SLOTTED 7/8-14 PLT803-029C5.
WASHER SPINDLE - 7/8804-055C6.
BEARING CONE 15123822-091C7.
Rev. 2(S/N 414628+) W/CUPS, ZERK &
STUDS
HUB 4 BLT W/CUPS, ZERK & STUDS815-230C8.
Rev. 1(S/N 414627-) W/CUPS & ZERKHUB 4 BOLT WHL W/CUPS & ZERK815-093C8.
SEAL 1 3/8 ID X 2.441 OD X.313816-098C9.
PIN COTTER 3/16 X 1 1/4 PLT805-016C10.
HHCS 1-8X4 GR5802-073C11.
Use with 19 & 21 S/N 414627-WASHER LOCK SPRING 1/2 PLT804-015C12.
Use with 19 & 21 S/N 414627-HHCS 1/2-20X1 GR5802-240C13.
Use with 20 S/N 414627-BOLT WHEEL 1/2-20X1 90-DEG802-104C13.
Use with 19 & 21 S/N 414627-WASHER FLAT 1/2 SAE PLT804-016C14.
SPINDLE - SINGLE AXLE BOLT ON815-108C15.
SPINDLE - DUAL AXLE BOLT ON815-109C16.
HHCS 1/2-13X3 1/4 GR5802-099C17.
NUT LOCK 1/2-13 PLT803-019C18.
Rev. 3(S/N 419602+)AC TIRE 24 X 7.7 2PC814-263C19.
Rev. 2(S/N 419601-)AC TIRE 27x7.75x15 MOUNTED814-201C19.
Rev. 1(S/N 419601-)TIRE 25.5 X 8.0-14 - MOUNTED814-086C19.
Rev. 3(S/N 419602+)AC TIRE 24 x 7.7 2PC FOAM FILL814-262C19.
Rev. 2(S/N 419601-)AC TIRE 27X7.75X15 MOUNTED FF814-202C19.
Rev. 1(S/N 419601-)TIRE 25.5 X 8.0-14 - AIR/FOAM814-189C19.
WHEEL 15 X 5 X 4 BOLT814-066C20.
TIRE & WHEEL LAM. 6X9X21(TALL)814-059C21.
Use with 19 & 21 S/N 414628+NUT HEX FLG/LK 1/2-20 PLT.GR.G803-308C22.
Use with 20 S/N 414628+NUT LUG 1/2-20X90DEG PLT 13/16803-017C22.
HUB STUD 1/2-20X1 5/8 GR5802-135C23.
GREASE ZERK STRAIGHT 1/4-28800-001C24.
BEARING CUP 15245822-092C25.
04/01/08 RCB6010, RCBM6010, RCB6015 & RCBM6015 Rotary Cutters 318-263P 125
Table of Contents Part Number Index
Section 3: Axles Land Pride
RCBM6010 & RCBM6015 SERIES (1000 RPM)
Axle Wing Deck (S/N 489025-)
Applies to RCBM6010, RCBM6015

RevisionCommentsPart DescriptionPart No.Ref.
Drawing Image Numberdwg24522
WASHER FLAT 1 SAE804-029C1.
WLDMT. PVT. PIN WG. AXLE318-852H2.
HUB GREASE CAP200-001D3.
NUT HEX SLOTTED 3/4-16803-053C4.
WASHER HARDENED .81ID804-216C5.
BEARING CONE LM-67048822-021C6.
HUB 5-BOLT W/CUPS/STUDS815-243C7.
SEAL 1.75ID CR17617816-497C8.
PIN COTTER 5/32 X 1 3/4 LG805-246C9.
WLDMT. PVT. PIN TURNBUCKLE318-853H10.
TIRE & WHL LAM. 6X9X21(5-BOLT)814-265C11.
AC TIRE 24 X 7.7 2PC. 5-BOLT814-285C12.
AC TIRE FF 24X7.7 2PC 5-BOLT814-288C13.
WHEEL 15 X 5 X 5 BOLT814-284C14.
WLDMT. WING AXLE RH. HAND318-576H15.
WLDMT. WING AXLE LH. HAND318-583H15.
SPINDLE-SINGLE BOLT-ON815-237C16.
SPINDLE-DUAL BOLT-ON815-238C16.
HHCS 1/2-13X3 1/4 GR5802-099C17.
NUT LOCK 1/2-13 PLT803-019C18.
TIRE 24X7.7-14 (814-285C)814-295C19.
TUBE FOR 24X7.7-14 (814-285C)814-297C20.
RIM 2PC 5BLT 10X6814-296C21.
NUT HEX 1/2-20 X 5/8 HIGH803-310C22.
HUB STUD 1/2-20X1.88 GR5802-779C23.
GREASE ZERK 1/4-28 THD FORMING800-080C24.
BEARING CUP LM-67010822-020C25.
BUSHING 1.25ODX1.00IDX3.50890-819C26.
BEARING CUP LM-48510822-033C27.
BEARING CONE LM-48548822-034C28.
NUT LUG 1/2-20X90DEG PLT 13/16802-017C29.
PIN ROLL 1/4 X 2 LG PL805-146C30.
04/01/08 RCB6010, RCBM6010, RCB6015 & RCBM6015 Rotary Cutters 318-263P 127
Table of Contents Part Number Index
Section 3: Axles Land Pride
RCBM6010 & RCBM6015 SERIES (1000 RPM)
Axle Wing Deck (S/N 489026+)
Applies to RCBM6010, RCBM6015

RevisionCommentsPart DescriptionPart No.Ref.
Drawing Image Numberdwg18315
(S/N 292791-)DBL.CG.FRT.CTR.RH.W/CABLE318-273K1.
(S/N 292791-)ASSY. DBL.CG.FRT.CTR. RH.OUTER318-066K1.
(S/N 292791-)DBL.CG.FRT.CTR.W/CABLE318-272K2.
(S/N 292791-)ASSY. DBL.CG.FRT.CENTER318-065K2.
(S/N 292791-)DBL.CG.FRT.CTR.LH.W/CABLE318-274K3.
(S/N 292791-)ASSY. DBL.CG.FRT.CTR. LH.OUTER318-097K3.
(S/N 419601-)ASSY. CG. REAR CENTER OUTER318-071K4.
DBL. CG. REAR CTR.OUT.W/CABLE318-285K4.
Rev. 2 not compat. w/Rev. 1.(S/N 419602+)ASSY. DBL. REAR CG. CTR.318-633K5.
Rev. 1(S/N 419601-)ASSY. CG. REAR CENTER318-070K5.
Rev. 2 not compat. w/Rev. 1.(S/N 419602+)DBL. CG. REAR WING W/CABLE318-286K5.
Rev. 1(S/N 419601-)DBL. CG. REAR CENTER W/CABLE318-284K5.
NUT HEX WHIZ 1/2-13 PLT803-037C6.
RHSNB 1/2-13X3 1/2 GR5 PLT802-585C7.
NUT HEX WHIZ 3/8-16 PLT803-198C8.
RHSNB 1/2-13X1 1/4 GR5802-214C9.
(S/N 292791-)CG. FRONT CENTER DUAL RH.318-117D10.
(S/N 292791-)ROUND ROD 1/4 X 21318-142D11.
(S/N 292791-)ROUND ROD 1/4 X 19318-141D12.
(S/N 292791-)CG. FRONT CENTER DUAL318-116D13.
(S/N 292791-)ROUND ROD 1/4 X 36318-108D14.
ROUND ROD 1/4 X 34318-143D15.
(S/N 292791-)CG. FRONT CENTER DUAL LH.318-124D16.
CG. CENTER REAR OUTER DUAL318-122D17.
ROUND ROD 1/4 X 10318-105D18.
Rev. 2 not compat. w/Rev. 1.(S/N 419602+)CG. WING REAR DUAL318-123D19.
Rev. 1(S/N 419601-)CG. CENTER REAR DUAL318-121D19.
Rev. 2(S/N 419602+)ROUND ROD .25 X 66.5318-620D20.
Rev. 1(S/N 419601-)ROUND ROD 1/4 X 31 1/2318-107D20.
CHAIN WELD 5/16 PROOF X 7-LINK890-393C21.
CHAIN 5/16 PROOF X 6 LINKS PLT890-175C21.
AIRCRAFT CBL.3/16 7X7 GALV.990-208R22.
HHCS 1/2-13X3 3/4 GR5802-042C23.
WASHER 3/4 X 17/32 X 18 GA PLT804-100C24.
NUT HEX WHIZ 1/2-13 PLT803-037C25.
SMV BRACKET318-310D26.
DECAL SLOW MOVING-GALV. BACKED818-055C27.
NUT HEX LOCK 1/4-20 FLG803-088C28.
SCREW RD HD 1/4-20 X 5/8801-018C29.
ASSY. SLOW MOVING VEHICLE318-304L30.
U-BOLT WIRE ROPE CLP 3/16 GAL.890-672C31.
HHCS 3/8-16X1 GR5802-017C32.
(S/N 292792+)RC5015 CEN FRONT DBLCHAIN RH318-340D33.
(S/N 292792+)RC5015 CEN SECT FRNT DBL CHAIN318-339D34.
(S/N 292792+)RC5015 CEN FRONT DBLCHAIN LH318-341D35.
(S/N 292792+) With cableASSY/DBL/CG/FRT/CTR/RH/CABLE318-330K36.
(S/N 292792+) Without cableASSY. DBL. CG. FRT. CTR. RH.318-325K36.
(S/N 292792+) With cableASSY/DBL/CG/FRT/CTR/CABLE318-329K37.
(S/N 292792+) Without cableASSY. DBL. CG. FRT. CTR.318-324K37.
(S/N 292792+) With cableASSY/DBL/CG/FRT/CTR/LH/CABLE318-331K38.
(S/N 292792+) Without cableASSY. DBL. CG. FRT. CTR. LH.318-326K38.
(S/N 292792+)ROUND ROD 1/4 X 25318-337D39.
04/01/08 RCB6010, RCBM6010, RCB6015 & RCBM6015 Rotary Cutters 318-263P 129
Table of Contents Part Number Index
Section 4: Guards Land Pride
RCBM6010 & RCBM6015 SERIES (1000 RPM)
Guards Center Deck
Applies to RCBM6010, RCBM6015

RevisionCommentsPart DescriptionPart No.Ref.
Drawing Image Numberdwg18316
Includes items 2 through 6ASSY. CG. REAR WING318-072K1.
Inludes items 2 through 6 & 20DBL. CG. REAR WING W/CABLE318-286K1.
RHSNB 1/2-13X1 1/2 GR5802-106C2.
CG. WING REAR DUAL318-123D3.
ROUND ROD 1/4 X 31 1/2318-107D4.
CHAIN WELD 5/16 PROOF X 5 LINK890-341C5.
NUT HEX WHIZ 1/2-13 PLT803-037C6.
(S/N 292791-)DBL.CG.FRT.OUT.RH.WING W/CABLE318-276K7.
(S/N 292791-)ASSY. DBL.CG.FRT.WING OUT.RH.318-068K7.
(S/N 292791-)DBL.CG.FRT.IN.RH.WING W/CABLE318-275K8.
(S/N 292791-)ASSY. DBL.CG.FRT.WING INNER RH318-172K8.
(S/N 292791-)CG. FRONT WING OUTER RH. DUAL318-119D9.
(S/N 292791-)ROUND ROD 1/4 X 28 1/2318-106D10.
(S/N 292791-)CG. FRONT WING INNER DUAL RH318-183D11.
(S/N 292791-)ROUND ROD 1/4 X 49318-109D12.
AIRCRAFT CBL.3/16 7X7 GALV.990-208R13.
RHSNB 1/2-13X1 1/4 GR5802-214C14.
CHAIN WELD 5/16 PROOF X 7-LINK890-393C15.
(S/N 292791-)DBL.CG.FRT.IN.LH.WING W/CABLE318-277K16.
(S/N 292791-)ASSY. DBL CG. FRT. WG. INNR LH318-174K16.
(S/N 292791-)DBL.CG.FRT.OUT.LH.WING W/CABLE318-278K17.
(S/N 292791-)ASSY. DBL.CG.FRT.WING OUT.LH.318-069K17.
(S/N 292791-)CG. FRONT WING INNER DUAL LH318-184D18.
(S/N 292791-)CG. FRONT WING OUTER LH. DUAL318-120D19.
U-BOLT WIRE ROPE CLP 3/16 GAL.890-672C20.
(S/N 292792+)RC5015 WING FRONT DBLCHAIN RH318-342D21.
(S/N 292792+)ROUND ROD 1/4 X 73318-336D22.
(S/N 292792+)RC5015 WING FRONT DBLCHAIN LH318-343D23.
(S/N 292792+) With cableASSY/DBL/CG/FRT/WING/LH/CABLE318-333K24.
(S/N 292792+)ASSY. DBL. CG. FRT. WING LH.318-328K24.
(S/N 292792+) With cableASSY/DBL/CG/FRT/WING/RH/CABLE318-332K25.
(S/N 292792+) With cableASSY. DBL. CG. FRT. WING RH.318-327K25.
04/01/08 RCB6010, RCBM6010, RCB6015 & RCBM6015 Rotary Cutters 318-263P 131
Table of Contents Part Number Index
Section 4: Guards Land Pride
RCBM6010 & RCBM6015 SERIES (1000 RPM)
Guards Wing Deck
Applies to RCBM6010, RCBM6015

RevisionCommentsPart DescriptionPart No.Ref.
Drawing Image Numberdwg23952
PTO E60 X 21.7 1280NM CLUTCH826-478C
COMER YOKE COMPLETE141.026.357.11.
COMER CROSS ASSEMBLY180.016.1302.
COMER YOKE, OUTER170.016.630.13.
COMER SHAFT, SPLINED155.150.7264.
COMER ROLL PIN, INNER TUBE190.000.0165.
COMER INNER YOKE151.016.031.16.
COMER CLUTCH, COMPLETE ASSY146.264.024.17.
COMER TAPERED PIN SET 1 3/4165.000.5898.
04/01/08 RCB6010, RCBM6010, RCB6015 & RCBM6015 Rotary Cutters 318-263P 133
Table of Contents Part Number Index
Section 5: Drivelines Land Pride
RCBM6010 & RCBM6015 SERIES (1000 RPM)
Driveline Center (826-478C) Comer (S/N 461935 to 461937, 468573+)
Applies to RCBM6010, RCBM6015

RevisionCommentsPart DescriptionPart No.Ref.
Drawing Image Numberdwg19030
PTO INT. CAT.4 1000W/CLUTCH826-184C
Includes item 10EC YOKE ASSEMBLY (TRACT. END)11065251.
EC CROSS ASSEMBLY10060202.
EC OUTER TUBE YOKE17060273.
EC 10X80-DIN-1481 O/TUBE R/PIN63310804.
EC TUBE JACK SHAFT15283055.
EC CLUTCH FD2/6 1 3/4 20 SPL14060166.
EC.BOLT61412807.
EC SPRING WASHER64121128.
EC NUT64101129.
Includes items 7, 8 & 9EC BOLT ASSY KIT676128010.
EC GREASE ZERK 8X1 45 DEG.656050811.
04/01/08 RCB6010, RCBM6010, RCB6015 & RCBM6015 Rotary Cutters 318-263P 135
Table of Contents Part Number Index
Section 5: Drivelines Land Pride
RCBM6010 & RCBM6015 SERIES (1000 RPM)
Driveline Center 1000 RPM (826-184C) Eurocardan
Applies to RCBM6010, RCBM6015

RevisionCommentsPart DescriptionPart No.Ref.
Drawing Image Numberdwg16965
RPBY 826-478C826-261C
*
WS YOKE 1 3/4-20 SPL.I.C. 25003250271.
WS CROSS & BEARING KIT 25003122092.
WS INBOARD YOKE 2500971403.
WS SPRING PIN 10 X 903040464.
OUTER PROFILE S51938395.
WS FRICTION CLUTCH3913596.
WS HEX BOLT M16 X 90 GR 8.87023527.
WS LOCK NUT M163040118.
04/01/08 RCB6010, RCBM6010, RCB6015 & RCBM6015 Rotary Cutters 318-263P 137
Table of Contents Part Number Index
Section 5: Drivelines Land Pride
RCBM6010 & RCBM6015 SERIES (1000 RPM)
Driveline Center 1000 RPM (826-261C) Walterscheid
Applies to RCBM6010, RCBM6015

RevisionCommentsPart DescriptionPart No.Ref.
Drawing Image Numberdwg14067
Category 5RPBY 826-477C826-244C
*
WS YOKE 1 3/4-20 SPL.I.C. 25003250271.
WS YOKE 1 3/8-21 SPL. AS3636962.
WS GREASE ZERK0206723.
WS DOUBLE YOKE 25003657254.
WS CROSS & BEARING KIT 25003843165.
WS INBOARD YOKE 25000971406.
WS SPRING PIN 10 X 903040467.
WS IN PROF S4GA (330162) 840MM3813678.
WS PROF&SLV W.A. 830MM3882049.
WS INBOARD YOKE S433157310.
DECAL DANGER GUARD MISS PTO818-540C11.
WS SHIELD CONE - 12 RIB37744212.
WALTERSCHEID SCREW36530513.
WS BEARING RING - SC2508727614.
WALTERSCHEID SAFETY CHAIN04432115.
WS IN SHIELD RND (391410)750MM38709716.
DECAL DANGER PTO DRIVELINE818-552C17.
WS OUT SHLD OVL (391409) 755MM39140618.
WS SHIELD CONE 4 RIB10481019.
WS CROSS & BEARING KIT 250031220920.
WS SUPPORT BEARING35515521.
WS CV CONE & BEARING ASSY38604822.
WS ZERK38037123.
WS ASSY COLLAR KIT36491524.
WS HEX BOLT M16 X 90 GR 8.870235225.
WS LOCK NUT M1630401126.
04/01/08 RCB6010, RCBM6010, RCB6015 & RCBM6015 Rotary Cutters 318-263P 139
Table of Contents Part Number Index
Section 5: Drivelines Land Pride
RCBM6010 & RCBM6015 SERIES (1000 RPM)
Driveline CV 1000 RPM (826-244C) Walterscheid (S/N 468225-)
Applies to RCBM6010, RCBM6015

RevisionCommentsPart DescriptionPart No.Ref.
Drawing Image Numberdwg14067
PTO CV 2580 CAT5 1000 1 3/4-20826-245C
WS YOKE 1 3/4-20 SPL.I.C. 25003250271.
WS CV YOKE 1 3/4-20 SPL3637292.
WS GREASE ZERK0206723.
WS DOUBLE YOKE 25003657254.
WS CROSS & BEARING KIT 25003843165.
WS INBOARD YOKE 25000971406.
WS SPRING PIN 10 X 903040467.
WS INNER PROFILE3301628.
WS PROFILE & SLEEVE W.A.3877239.
WS INBOARD YOKE S433157310.
DECAL DANGER GUARD MISS PTO818-540C11.
WS SHIELD CONE - 12 RIB37744212.
WS SCREW36530513.
WS BEARING RING - SC2508727614.
DRIVELINE SHIELD SAFETY CHAIN04432115.
WS INNER SHIELD TUBE RND.38656016.
DECAL DANGER PTO DRIVELINE818-552C17.
WS OUTER SHIELD TUBE OVL.39163918.
WS SHIELD CONE 4 RIB10481019.
WS CROSS & BEARING KIT 250031220920.
WS SUPPORT BEARING35515521.
WS CV CONE & BEARING ASSY38604822.
WS ZERK38037123.
WS ASSY COLLAR KIT36491524.
WS HEX BOLT M16 X 90 GR 8.870235225.
WS LOCK NUT M1630401126.
04/01/08 RCB6010, RCBM6010, RCB6015 & RCBM6015 Rotary Cutters 318-263P 141
Table of Contents Part Number Index
Section 5: Drivelines Land Pride
RCBM6010 & RCBM6015 SERIES (1000 RPM)
Driveline CV 1000 RPM (826-245C) 1 3/4-20 Walterscheid (S/N 488896-)
Applies to RCBM6010, RCBM6015

RevisionCommentsPart DescriptionPart No.Ref.
Drawing Image Numberdwg23948
PTO CV V80X56.8 NO/CL 1 3/8-21826-477C
*
COMER CV-JOINT YOKE COLLER141.028.359.11.
COMER CV -JOINT CROSS ASSEMBLY180.018.1582.
COMER WIDE ANGLE DOUBLE YOKE141.028.472.13.
COMER OUTER YOKE141.028.248.14.
COMER OUTER TUBE ROLL PIN190.000.2435.
COMER WIPER180.018.4376.
COMER OUTER TUBE COMPLETE15228052607107.
COMER CROSS ASSEMBLY180.018.0048.
COMER YOKE COMPLETE141.028.195.19.
COMER CV JOINT GUARD CONE180.018.56710.
COMER SCREW KIT FOR CV GUARD165.000.69411.
COMER BEARING RING158.018.47012.
COMER RETAINING COLLER INNER180.018.25113.
COMER BOLT180.014.24014.
COMER RETAINING COLLER INNER180.018.25215.
COMER SAFTEY CHAINS180.016.02516.
COMER CONE GUARD ASSEMBLY165.000.78517.
COMER TAPERED PIN SET 1 3/4165.000.58918.
COMER TUBE W/YOKE/LUBE/FEMALE122.981.002.119.
COMER TUBE W/YOKE/LUBE/MALE122.580.501.120.
COMER HALF FEMALE GRD W/LABEL142283144282121.
COMER HALF MALE GUARDING142287164282122.
COMER CAP OUTER TUBE, PLASTIC180.018.39323.
COMER COLLER KIT 3/8 YOKE165.000.62824.
04/01/08 RCB6010, RCBM6010, RCB6015 & RCBM6015 Rotary Cutters 318-263P 143
Table of Contents Part Number Index
Section 5: Drivelines Land Pride
RCBM6010 & RCBM6015 SERIES (1000 RPM)
Driveline CV 1000 RPM (826-477C) 1 3/8-21 Comer (S/N 468226 to ______)
Applies to RCBM6010, RCBM6015

RevisionCommentsPart DescriptionPart No.Ref.
Drawing Image Numberdwg23960
PTO CV80 X 77.71 NO CLUTCH826-499C
COMER COLLER YOKE ASSEMBLY141.028.360.11.
COMER CV -JOINT CROSS ASSEMBLY180.018.1582.
COMER WIDE ANGLE DOUBLE YOKE141.028.472.13.
COMER OUTER YOKE141.028.248.14.
COMER OUTER TUBE ROLL PIN190.000.2435.
COMER WIPER180.018.4376.
COMER OUTER TUBE COMPLETE15228052607107.
COMER CROSS ASSEMBLY180.018.0048.
COMER YOKE COMPLETE141.028.195.19.
COMER CV JOINT GUARD CONE180.018.56710.
COMER SCREW KIT FOR CV GUARD165.000.69411.
COMER BEARING RING158.018.47012.
COMER RETAINING COLLER INNER180.018.25113.
COMER BOLT180.014.24014.
COMER RETAINING COLLER INNER180.018.25215.
COMER SAFTEY CHAINS180.016.02516.
COMER CONE GUARD ASSEMBLY165.000.78517.
COMER TAPERED PIN SET 1 3/4165.000.58918.
COMER TUBE W/YOKE/LUBE/FEMALE122.981.002.119.
COMER TUBE W/YOKE/LUBE/MALE122.580.501.120.
COMER HALF FEMALE GRD W/LABEL142283144282121.
COMER HALF MALE GUARDING142287164282122.
COMER CAP OUTER TUBE, PLASTIC180.018.39323.
COMER YOKE KIT COLLAR165.000.62924.
04/01/08 RCB6010, RCBM6010, RCB6015 & RCBM6015 Rotary Cutters 318-263P 145
Table of Contents Part Number Index
Section 5: Drivelines Land Pride
RCBM6010 & RCBM6015 SERIES (1000 RPM)
Driveline CV 1000 RPM (826-499C) 1 3/4-20 Comer (S/N 488897+)
Applies to RCBM6010, RCBM6015

RevisionCommentsPart DescriptionPart No.Ref.
Drawing Image Numberdwg23957
COMER CLUTCH, COMPLETE ASSY146.264.024.1
*
COMER SPRING180.014.0221.
COMER YOKE, FLANGED151.016.037.12.
COMER BUSH180.019.0193.
COMER LINING RING180.019.0184.
COMER CLUTCH SUPPORT151.018.228.15.
COMER INNER PLATE180.019.0146.
COMER INTERMEDIATE PLATE180.019.1157.
COMER PRESSURE PLATE180.019.116.18.
COMER BOLT WITH NUT M10X100165.000.5489.
COMER TAPERED PIN SET 1 3/4165.000.58910.
04/01/08 RCB6010, RCBM6010, RCB6015 & RCBM6015 Rotary Cutters 318-263P 147
Table of Contents Part Number Index
Section 5: Drivelines Land Pride
RCBM6010 & RCBM6015 SERIES (1000 RPM)
Driveline Slip Clutch (146.264.024.1) Comer
Applies to RCBM6010, RCBM6015

RevisionCommentsPart DescriptionPart No.Ref.
Drawing Image Numberdwg23958
COMER CLUTCH, DISC COMPLETE146.284.020.1
*
COMER SPRING180.014.0221.
COMER YOKE, FLANGED151.018.016.12.
COMER BUSH180.019.0193.
COMER LINING RING180.019.0184.
COMER CLUTCH SUPPORT151.018.228.15.
COMER INNER PLATE180.019.0146.
COMER INTERMEDIATE PLATE180.019.1157.
COMER PRESSURE PLATE180.019.116.18.
COMER BOLT WITH NUT M10X100165.000.5489.
COMER TAPERED PIN SET 1 3/4165.000.58910.
04/01/08 RCB6010, RCBM6010, RCB6015 & RCBM6015 Rotary Cutters 318-263P 149
Table of Contents Part Number Index
Section 5: Drivelines Land Pride
RCBM6010 & RCBM6015 SERIES (1000 RPM)
Driveline Slip Clutch (146.284.020.1) Comer
Applies to RCBM6010, RCBM6015

RevisionCommentsPart DescriptionPart No.Ref.
Drawing Image Numberdwg17005
WS FRICTION CLUTCH383805
WS CLUTCH HOUSING3248221.
WS FRICTION DISK1685562.
WS HUB 1 3/4"-20 SPL3517933.
WS DRIVE PLATE0424544.
WS DRIVE PLATE0424595.
WS THRUST PLATE3814956.
WS BELLEVILLE SPRING0434897.
WS HEX NUT M83819578.
WS BRIDGE1863979.
WS LOCK NUT M1630401110.
WS BOLT M16X110 DIN 931-8.830406511.
04/01/08 RCB6010, RCBM6010, RCB6015 & RCBM6015 Rotary Cutters 318-263P 151
Table of Contents Part Number Index
Section 5: Drivelines Land Pride
RCBM6010 & RCBM6015 SERIES (1000 RPM)
Driveline Slip Clutch (383805) Walterscheid
Applies to RCBM6010, RCBM6015

RevisionCommentsPart DescriptionPart No.Ref.
Drawing Image Numberdwg15523
EC CLUTCH FD2/6 1 3/4 20 SPL1406016
EC CLUTCH SPRING12150121.
EC CLUTCH YOKE W/FLANGE17060332.
EC CLUTCH BUSHING17050093.
EC CLUTCH LINING RING18080104.
EC HUB WITH FLANGE17080175.
Rev. 2(S/N)CONICAL DOG KIT68214846.
Rev 1; Use up stock(S/N)REP BY 682148468214836.
EC INNER DISK11380087.
EC PRESSURE DISK11380078.
EC COMPLETE BOLT66910809.
04/01/08 RCB6010, RCBM6010, RCB6015 & RCBM6015 Rotary Cutters 318-263P 153
Table of Contents Part Number Index
Section 5: Drivelines Land Pride
RCBM6010 & RCBM6015 SERIES (1000 RPM)
Driveline Slip Clutch 1000 RPM (1406016) Eurocardan
Applies to RCBM6010, RCBM6015

RevisionCommentsPart DescriptionPart No.Ref.
Drawing Image Numberdwg15521
EC CLUTCH FD4/6 1 3/4 20 SPL1446016
*
EC CLUTCH SPRING12150121.
EC CLUTCH YOKE W/FLANGE17060332.
EC CLUTCH BUSHING17050093.
EC CLUTCH LINING RING18080104.
EC CLUTCH MIDDLE DISK17080345.
EC INNER DISK11380086.
EC HUB WITH FLANGE17080167.
Includes nut and washerEC CONICAL DOG KIT REPLACEMENT68214848.
EC PRESSURE DISK11380079.
EC BOLT & SCREW NUT KIT REPL.669101010.
04/01/08 RCB6010, RCBM6010, RCB6015 & RCBM6015 Rotary Cutters 318-263P 155
Table of Contents Part Number Index
Section 5: Drivelines Land Pride
RCBM6010 & RCBM6015 SERIES (1000 RPM)
Driveline Slip Clutch 540/1000 RPM (1446016) EC
Applies to RCBM6010, RCBM6015

RevisionCommentsPart DescriptionPart No.Ref.
Drawing Image Numberdwg23996
PTO CAT.4 W/CLUTCH 1 3/4-20826-185C
*
EC TUBE BEARING (INNER TUBE)17867111.
EC STIFFENING RING12157332.
EC SHORT CONE18857023.
EC STOP RING12157354.
EC SAFETY SLEEVE18857095.
EC INNER TUBE SHEILD18779016.
RPBY 187790118771116.
EC OUTER TUBE SHEILD18769017.
RPBY 187690118761117.
EC STANDARD CONE18857038.
EC TUBE BEARING (OUTER TUBE)17867109.
EC CLUTCH FD4/6 1 3/4 20 SPL144601610.
EC CROSS ASSEMBLY100602011.
EC INNER TUBE YOKE170602912.
EC 1380MM INNER TUBE152612113.
EC 10X70 ROLL PIN633107014.
EC OUTER TUBE152890115.
RPBY 1528901152812115.
EC 10X80-DIN-1481 O/TUBE R/PIN633108016.
EC OUTER TUBE YOKE170602717.
EC YOKE ASSY 1 3/4-20(TRAC.END101602518.
DECAL DANGER GUARD MISS PTO818-540C19.
DECAL DANGER PTO DRIVELINE818-552C20.
DRIVELINE SHIELD SAFETY CHAIN04432121.
EC GREASE ZERK 8X1 45 DEG.656050822.
EC TWIST COLLAR KIT(TRACT END)100622023.
EC GREASE ZERK M6X1 STRAIGHT656000624.
EC YOKE110602525.
Includes 27,28EC BOLT676148026.
EC SCREW NUT (M14)641011427.
EC WASHER (d14)641211428.
04/01/08 RCB6010, RCBM6010, RCB6015 & RCBM6015 Rotary Cutters 318-263P 157
Table of Contents Part Number Index
Section 5: Drivelines Land Pride
RCBM6010 & RCBM6015 SERIES (1000 RPM)
Driveline Wing (826-185C) EC New Shielding
Applies to RCBM6010, RCBM6015

RevisionCommentsPart DescriptionPart No.Ref.
Drawing Image Numberdwg17004
PTO W2500/WSC CAT5 540/1000826-262C
WS LOCK NUT M163040111.
WS HEX BOLT M16 X 90 GR 8.87023522.
WS YOKE 1 3/4-20 SPL.I.C. 25003250273.
WS CROSS & BEARING KIT 25003122094.
WS SPRING PIN 10 X 903040465.
WS INBOARD YOKE 25000971406.
WS PROFILE & SLEEVE W.A.3822237.
WS ZERK3803718.
WS SCREW3653059.
WS SHIELD CONE 7 RIB37743710.
WS BEARING RING - SC2508727611.
WS INNER SHEILD TUBE RND38776712.
DRIVELINE SHIELD SAFETY CHAIN04432113.
WS OUTER SHEILD TUBE OVAL39170714.
WS INNER PROFILE S4L32352415.
WS INBOARD YOKE 240009713316.
WS SUPPORT BEARING35515517.
WS FRICTION CLUTCH38380518.
DECAL DANGER PTO DRIVELINE818-552C19.
DECAL DANGER GUARD MISS818-540C20.
04/01/08 RCB6010, RCBM6010, RCB6015 & RCBM6015 Rotary Cutters 318-263P 159
Table of Contents Part Number Index
Section 5: Drivelines Land Pride
RCBM6010 & RCBM6015 SERIES (1000 RPM)
Driveline Wing (826-262C) Walterscheid
Applies to RCBM6010, RCBM6015

RevisionCommentsPart DescriptionPart No.Ref.
Drawing Image Numberdwg23953
PTO V80 X 59.3 1280NM CLUTCH826-481C
COMER YOKE COMPLETE141.028.195.11.
COMER CROSS ASSEMBLY180.018.0042.
COMER YOKE OUTER151.018.241.13.
COMER OUTER TUBE ROLL PIN190.000.2434.
COMER WIPER180.018.4375.
COMER TUBE OUTER15228054507106.
COMER CLUTCH, DISC COMPLETE146.284.020.17.
COMER RETAINING COLLER INNER180.018.2518.
COMER BOLT180.014.2409.
COMER RETAINING COLLER INNER180.018.25210.
COMER SAFTEY CHAINS180.016.02511.
COMER TAPERED PIN SET 1 3/4165.000.58912.
COMER TUBE W/YOKE/LUBE/FEMALE122.580.023.113.
COMER TUBE W/YOKE/LUBE/MALE122.580.511.114.
COMER HALF FEMALE GRD W/LABEL142283194982115.
COMER HALF MALE GUARDING142287102982116.
COMER CAP OUTER TUBE, PLASTIC180.018.39317.
04/01/08 RCB6010, RCBM6010, RCB6015 & RCBM6015 Rotary Cutters 318-263P 161
Table of Contents Part Number Index
Section 5: Drivelines Land Pride
RCBM6010 & RCBM6015 SERIES (1000 RPM)
Driveline Wing (826-481C) Comer (S/N 461935 to 461937, 468573+)
Applies to RCBM6010, RCBM6015

RevisionCommentsPart DescriptionPart No.Ref.
Drawing Image Numberdwg21167
RCM5015GBOX RCM50 1.75-20 1:1.21 CCW826-317C
RCM6015GBOX RCM60 1.75-20 1:1.21 CCW826-322C
RCM5015 (826-317C)CO HOUSINGU0.125.0531.001.
RCM6015 (826-322C)CO HOUSINGU0.125.0532.001.
CO CROWN GEAR Z22 M7.8U0.125.5003.002.
CO BEARING 30209 RTA258.0.9.001433.
CO OIL SEAL 45 X 85 X 108.7.3.003314.
CO INPUT SHAFT 1 3/4"-20U0.125.2050.005.
CO SNAP RING UNI 74378.5.2.003326.
CO SHIM 84.70.709.7500.007.
CO SNAP RING 50 UNI74358.5.1.005338.
CO CASTLE NUTU0.125.7100.009.
CO SHIM 50.3X70.30.712.7500.0010.
CO BEARING 322108.0.9.0109011.
CO SEAL PROTECTOR1.181.7101.0012.
CO OIL SEAL 60X110X128.7.1.0234913.
CO BEARING 302128.0.9.0007914.
RCM5015 (826-317C)CO OUTPUT SHAFTU0.125.3002.0015.
RCM5015 (826-317C)CO OUTPUT SHAFTU0.125.3003.0015.
CO COTTER PIN B 5X608.4.7.0226516.
CO CAP0.121.7101.0017.
CO BLANK WASHER0.288.7101.0018.
CO SHIM 45.3X2.50.252.7525.0019.
CO SHIM 40.3 X 61.7 X 10.285.7510.0020.
CO COVERU0.125.1301.0021.
CO BOLT M8X22 HHB8.1.1.0050122.
CO OIL LEVEL PLUG SOLD-SPRTLYU0.125.7003.0023.
CO OIL PLUG 3/88.6.5.0000624.
CO COTTER PIN B6X70 SLD-SPRTLY8.4.7.0104525.
CO CASTLE NUT M36X38.2.2.0056026.
CO CROWN GEAR Z18 M7.8U0.125.6003.0027.
04/01/08 RCB6010, RCBM6010, RCB6015 & RCBM6015 Rotary Cutters 318-263P 163
Table of Contents Part Number Index
Section 6: Gearboxes Land Pride
RCBM6010 & RCBM6015 SERIES (1000 RPM)
Gearbox 1000 RPM RCM5015 (826-317C) RCM6015 (826-322C) Comer
Applies to RCBM6010, RCBM6015

RevisionCommentsPart DescriptionPart No.Ref.
Drawing Image Numberdwg21167
RCM5015GBOX RCM50 1.75-20 1.21:1 CCW826-318C
RCM6015GBOX RCM60 1.75-20 1.21:1 CCW826-323C
RCM5015 (826-318C)CO HOUSINGU0.125.0531.001.
RCM6015 (826-323C)CO HOUSINGU0.125.0532.001.
CO CROWN GEAR Z18 M7.8U0.125.6003.002.
CO BEARING 30209 RTA258.0.9.001433.
CO OIL SEAL 45 X 85 X 108.7.3.003314.
CO INPUT SHAFT 1 3/4"-20U0.125.2050.005.
CO SNAP RING UNI 74378.5.2.003326.
CO SHIM 84.70.709.7500.007.
CO SNAP RING 50 UNI74358.5.1.005338.
CO CASTLE NUTU0.125.7100.009.
CO SHIM 50.3X70.30.712.7500.0010.
CO BEARING 322108.0.9.0109011.
CO SEAL PROTECTOR1.181.7101.0012.
CO OIL SEAL 60X110X128.7.1.0234913.
CO BEARING 302128.0.9.0007914.
RCM5015 (826-318C)CO OUTPUT SHAFTU0.125.3002.0015.
RCM6015 (826-323C)CO OUTPUT SHAFTU0.125.3003.0015.
CO COTTER PIN B 5X608.4.7.0226516.
CO CAP0.121.7101.0017.
CO BLANK WASHER0.288.7101.0018.
CO SHIM 45.3X2.50.252.7525.0019.
CO SHIM 40.3 X 61.7 X 10.285.7510.0020.
CO COVERU0.125.1301.0021.
CO BOLT M8X22 HHB8.1.1.0050122.
CO OIL LEVEL PLUG SOLD-SPRTLYU0.125.7003.0023.
CO OIL PLUG 3/88.6.5.0000624.
CO COTTER PIN B6X70 SLD-SPRTLY8.4.7.0104525.
CO CASTLE NUT M36X38.2.2.0056026.
CO CROWN GEAR Z22 M7.8U0.125.5003.0027.
04/01/08 RCB6010, RCBM6010, RCB6015 & RCBM6015 Rotary Cutters 318-263P 165
Table of Contents Part Number Index
Section 6: Gearboxes Land Pride
RCBM6010 & RCBM6015 SERIES (1000 RPM)
Gearbox 1000 RPM RCM5015 (826-318C) RCM6015 (826-323C) Comer
Applies to RCBM6010, RCBM6015

RevisionCommentsPart DescriptionPart No.Ref.
Drawing Image Numberdwg21171
RCM5015GBOX RCM50 1.75-20 1:1.21 CW826-319C
RCM6015GBOX RCM60 1.75-20 1:1.21 CW826-324C
RCM5015 (826-319C)CO HOUSINGU0.125.0531.001.
RCM6015 (826-324C)CO HOUSINGU0.125.0532.001.
CO CROWN GEAR Z22 M7.8U0.125.5003.002.
CO BEARING 30209 RTA258.0.9.001433.
CO OIL SEAL 45 X 85 X 108.7.3.003314.
CO INPUT SHAFT 1 3/4"-20U0.125.2050.005.
CO SNAP RING UNI 74378.5.2.003326.
CO SHIM 84.70.709.7500.007.
CO SNAP RING 50 UNI74358.5.1.005338.
CO CASTLE NUTU0.125.7100.009.
CO SHIM 50.3X70.30.712.7500.0010.
CO BEARING 322108.0.9.0109011.
CO SEAL PROTECTOR1.181.7101.0012.
CO OIL SEAL 60X110X128.7.1.0234913.
CO BEARING 302128.0.9.0007914.
RCM5015 (826-319C)CO OUTPUT SHAFTU0.125.3002.0015.
RCM6015 (826-319C)CO OUTPUT SHAFTU0.125.3003.0015.
CO COTTER PIN B 5X608.4.7.0226516.
CO CAP0.121.7101.0017.
CO BLANK WASHER0.288.7101.0018.
CO SHIM 45.3X2.50.252.7525.0019.
CO SHIM 40.3 X 61.7 X 10.285.7510.0020.
CO COVERU0.125.1301.0021.
CO BOLT M8X22 HHB8.1.1.0050122.
CO OIL LEVEL PLUG SOLD-SPRTLYU0.125.7003.0023.
CO OIL PLUG 3/88.6.5.0000624.
CO COTTER PIN B6X70 SLD-SPRTLY8.4.7.0104525.
CO CASTLE NUT M36X38.2.2.0056026.
CO CROWN GEAR Z18 M7.8U0.125.6003.0027.
04/01/08 RCB6010, RCBM6010, RCB6015 & RCBM6015 Rotary Cutters 318-263P 167
Table of Contents Part Number Index
Section 6: Gearboxes Land Pride
RCBM6010 & RCBM6015 SERIES (1000 RPM)
Gearbox 1000 RPM RCM5015 (826-319C) RCM6015 (826-324C) Comer
Applies to RCBM6010, RCBM6015

RevisionCommentsPart DescriptionPart No.Ref.
Drawing Image Numberdwg19604
DIV OMNI/CO 1000RPM 1 3/4-20826-180C
*
CO BOLT M10 X 35 8.88.1.1.001091.
TOP COVER PLATE0.305.1300.002.
CO BEARING 30209 RTA258.0.9.001433.
CO SNAP RING8.5.2.017724.
CO OIL SEAL 45 X 85 X 108.7.3.003315.
CO CASING0.305.0300.016.
CO SHIM 84.70.709.7500.007.
CO GEAR M6.5 Z240.305.5001.008.
CO SHAFT 1" 3/4 Z200.305.3000.009.
CO SHAFT 1" 3/4 Z200.305.2000.0010.
CO GEAR M6.5 Z200.305.6000.0011.
CO PLUG 3/8 GAS8.6.6.0020112.
CO 1/2" GAS BREATHER PLUG8.6.7.0026913.
04/01/08 RCB6010, RCBM6010, RCB6015 & RCBM6015 Rotary Cutters 318-263P 169
Table of Contents Part Number Index
Section 6: Gearboxes Land Pride
RCBM6010 & RCBM6015 SERIES (1000 RPM)
Gearbox Divider 1000 RPM (826-180C) Comer
Applies to RCBM6010, RCBM6015

RevisionCommentsPart DescriptionPart No.Ref.
Drawing Image Numberdwg15427
CYL 3.5X8X1.25 ROD (TIE ROD)810-162C1.
CP 3/4FORB MALE QD811-394C2.
HH3/8R1 168 3/4MORB 3/4FJIC811-619C3.
EL 3/4MJIC 3/4MORB811-063C4.
FILL PLUG VENTED 3/4-16 PLT800-306C5.
STROKE CONTROL SPACERS 1 1/4810-317C6.
04/01/08 RCB6010, RCBM6010, RCB6015 & RCBM6015 Rotary Cutters 318-263P 171
Table of Contents Part Number Index
Section 7: Hydraulics Land Pride
RCBM6010 & RCBM6015 SERIES (1000 RPM)
Hydraulic Center Lift
Applies to RCBM6010, RCBM6015

RevisionCommentsPart DescriptionPart No.Ref.
Drawing Image Numberdwg25900
CYL 3.5X8X1.25 ROD (TIE ROD)810-162C
*
NUT HEX 5/8-18 PLT803-022C1.
MON PISTON NUT1305602.
LION PIN1349533.
MON CLEVIS PIN COTTER1359954.
SCREW SET SH 3/8-16X3/8 TYPE C801-023C5.
LION PLUG 3/4-16UNF SOCKET HD1865626.
Only Found in Kit #20MON ROD SEALN/A7.
Only Found in Kit #20MON PISTON SEAL (PSP)N/A8.
Only Found in Kit #20LION B.U. WASHER 073-236N/A9.
Only Found in Kit #20MON END CAP O-RINGN/A10.
Only Found in Kit #20SEAL WIPER RODN/A11.
Only Found in Kit #20MON PISTON WEAR RINGN/A12.
LION CYL. TUBE 3.5 X 849179813.
LION TIE ROD 5/8 X 849233814.
LION ROD CLEVIS 1 1/4 (1PIN)49265215.
LION CLEVIS CAP 3.5 ORB49267616.
LION ROD CAP 3.5 X 1 1/4 ORB49267717.
LION ROD 1.25 DIA. ASAE 849270018.
MON PISTON49475419.
MON SEALS REPAIR KIT64841120.
04/01/08 RCB6010, RCBM6010, RCB6015 & RCBM6015 Rotary Cutters 318-263P 173
Table of Contents Part Number Index
Section 7: Hydraulics Land Pride
RCBM6010 & RCBM6015 SERIES (1000 RPM)
Hydraulic Cylinder (810-162C) Red Lion
Applies to RCBM6010, RCBM6015

RevisionCommentsPart DescriptionPart No.Ref.
Drawing Image Numberdwg12345
CYL 3X12X1.25 ROD (TIE ROD)810-312C
*
NUT HEX 1/2-13 PLT803-020C1.
MON PISTON NUT1305602.
SCREW SET SH 3/8-16X3/8 TYPE C801-023C3.
PLUG 9/16-18UNF MORB SOCKET HD1865614.
Only Found in Kit #18MON ROD SEALN/A5.
Only Found in Kit #18MON PISTON SEAL (PSP)N/A6.
Only Found in Kit #18MON END CAP B/U WASHERN/A7.
Only Found in Kit #18MON END CAP O-RINGN/A8.
Only Found in Kit #18SEAL WIPER RODN/A9.
Only Found in Kit #18MON PISTON WEAR RINGN/A10.
MON PISTON29475311.
MON CYL TUBE49174212.
MON TIE ROD49228213.
LION ROD CLEVIS 1 1/4 (1PIN)49265214.
LION CLEVIS CAP 3.0-9/16 ORB49272115.
LION ROD CAP 3.0X1.25-9/16 ORB49272216.
MON CYL ROD49287017.
MON SEALS REPAIR KIT64559918.
04/01/08 RCB6010, RCBM6010, RCB6015 & RCBM6015 Rotary Cutters 318-263P 175
Table of Contents Part Number Index
Section 7: Hydraulics Land Pride
RCBM6010 & RCBM6015 SERIES (1000 RPM)
Hydraulic Cylinder (810-312C) Red Lion)
Applies to RCBM6010, RCBM6015

RevisionCommentsPart DescriptionPart No.Ref.
Drawing Image Numberdwg11421
CYL 3.5X8X1.25 ROD (TIE ROD)810-162C
*
BASE CROSS1D1509-41.
TIE ROD NUT CROSS2A0236-92.
Only available in Seal Kit (#19)O-RING3.
TIE ROD CROSS2A0581-13254.
TIE ROD CROSS1D0009-10505.
CROSS SCREW, CAP2A0079-6166.
CROSS CLEVIS PIN1D1551-162757.
CROSS PIN, CLIP2A0308-18.
CROSS ROD CLEVIS1D1003-59.
CROSS NUT, CLEVIS & TIE ROD2A0235-610.
ROD CROSS1D0205-126211.
Only available in Seal Kit (#19)WIPER12.
Only available in Seal Kit (#19)BACK-UP ROD13.
Only available in Seal Kit (#19)O-RING14.
HEAD CROSS1D1159-415.
Only available in Seal Kit (#19)BACK-UP PISTON16.
PISTON CROSS1D1401-35017.
PISTON NUT CROSS1A114118.
SEAL KIT CROSS 3.5 CYL 1C4429810-146C19.
04/01/08 RCB6010, RCBM6010, RCB6015 & RCBM6015 Rotary Cutters 318-263P 177
Table of Contents Part Number Index
Section 7: Hydraulics Land Pride
RCBM6010 & RCBM6015 SERIES (1000 RPM)
Hydraulic Cylinder Center Lift (810-162C) Cross
Applies to RCBM6010, RCBM6015

RevisionCommentsPart DescriptionPart No.Ref.
Drawing Image Numberdwg11421
CYL 3.5X8X1.25 ROD (TIE ROD)810-162C
*
MW BASE (STD 1 PIN)6M51421.
MW TIE ROD NUT2A00162.
Only available in Seal Kit (#19)O-RING3.
MW ROD7M53164.
MW TUBE 3 1/2 X 8 CYLINDER5M51165.
MW CAPSCREW2A00066.
MW CLEVIS PIN2A02087.
MW PIN CLIP2A01328.
MW CLEVIS STD. DUTY1M60109.
MW NUT CLEVIS & TIE ROD2A001210.
MW ROD2M541611.
Only available in Seal Kit (#19)WIPER12.
Only available in Seal Kit (#19)BACK-UP ROD13.
Only available in Seal Kit (#19)O-RING14.
MW HEAD3M540815.
Only available in Seal Kit (#19)BACK-UP PISTON16.
MW PISTON 3 1/2 DIA.4M510217.
MW PISTON NUT 1-142A002418.
SEAL KIT 810-104C MW 3A5102810-149C19.
04/01/08 RCB6010, RCBM6010, RCB6015 & RCBM6015 Rotary Cutters 318-263P 179
Table of Contents Part Number Index
Section 7: Hydraulics Land Pride
RCBM6010 & RCBM6015 SERIES (1000 RPM)
Hydraulic Cylinder Center Lift (810-162C) Midway
Applies to RCBM6010, RCBM6015

RevisionCommentsPart DescriptionPart No.Ref.
Drawing Image Numberdwg15572
CYL 3X12X1.25 ROD (TIE ROD810-312C
BASE CROSS1D1505-31.
CROSS NUT,CLEVIS AND TIE ROD2A0235-62.
Only found in seal kit 20.O-RING3.
TIE ROD CROSS2A0578-16754.
TUBE CROSS1D0005-14505.
CROSS SCREW CAP2A0079-6166.
CROSS CLEVIS PIN1D1551-162757.
CROSS PIN,CLIP2A0308-18.
CROSS ROD CLEVIS1D1003-59.
CROSS NUT, CLEVIS AND TIE ROD2A0235-610.
ROD CROSS1D0206-167511.
Only found in seal kit 20.WIPER12.
Only found in seal kit 20.BACK-UP13.
Only found in seal kit 20.O-RING14.
HEAD CROSS1D1155-1715.
Only found in seal kit 20.BACK UP16.
PISTON CROSS1D1401-25017.
CROSS NUT,PISTON2A0246-1218.
SEAL KIT MW 2.5X1.25ROD 3A3104810-177C19.
SEAL KIT CROSS 2.5 CYL 1C498810-178C19.
04/01/08 RCB6010, RCBM6010, RCB6015 & RCBM6015 Rotary Cutters 318-263P 181
Table of Contents Part Number Index
Section 7: Hydraulics Land Pride
RCBM6010 & RCBM6015 SERIES (1000 RPM)
Hydraulic Cylinder Wing (810-312C) Cross
Applies to RCBM6010, RCBM6015

RevisionCommentsPart DescriptionPart No.Ref.
Drawing Image Numberdwg15242
CYL 3X12X1.25 ROD (TIE ROD810-312C
MW CLEVIS STD. DUTY1M60101.
MW ROD 1-1/4 DIA. X 10 STROKE2M44182.
MW HEAD CAP 3X1-1/4 RD 9/16SAE3M44103.
MW PISTON 3 DIA.4M41044.
MW TUBE 3 X 10 CYLINDER5M41205.
MW BASE 3 X 9/16 SAE6M41526.
MW TIE ROD 3 X 10 CYLINDER7M43207.
MW CLEVIS PIN2A02088.
Only found in seal kit 19MW WIPER9.
Only found in seal kit 19MW O-RING10.
Only found in seal kit 19MW BACK-UP11.
Only found in seal kit 19MW O-RING12.
Only found in seal kit 19MW BACK UP13.
MW PISTON NUT 1-142A002414.
MW TIE ROD NUT2A001415.
MW NUT CLEVIS & TIE ROD2A001216.
MW CAPSCREW2A000617.
MW PIN CLIP2A013218.
CYL SEAL KIT 3 X 7 MW 3A4104810-015C19.
04/01/08 RCB6010, RCBM6010, RCB6015 & RCBM6015 Rotary Cutters 318-263P 183
Table of Contents Part Number Index
Section 7: Hydraulics Land Pride
RCBM6010 & RCBM6015 SERIES (1000 RPM)
Hydraulic Cylinder Wing (810-312C) Midway
Applies to RCBM6010, RCBM6015

RevisionCommentsPart DescriptionPart No.Ref.
Drawing Image Numberdwg18341
CYL 3X12X1.25 ROD (TIE ROD)810-312C1.
OREL 1/32 9/16MJIC 9/16MORB811-062C2.
VENT PLUG - 9/16-18 PLATED800-117C3.
Used without Weight BoxHH1/4R1 205 9/16FJIC811-165C4.
Used with Weight BoxASSY. HOSE BUNDLE 10'318-398L4.
AD 9/16MJIC 3/4MORB811-133C5.
CP 3/4FORB MALE QD811-394C6.
04/01/08 RCB6010, RCBM6010, RCB6015 & RCBM6015 Rotary Cutters 318-263P 185
Table of Contents Part Number Index
Section 7: Hydraulics Land Pride
RCBM6010 & RCBM6015 SERIES (1000 RPM)
Hydraulic Wing Lift
Applies to RCBM6010, RCBM6015

RevisionCommentsPart DescriptionPart No.Ref.
Drawing Image Numberdwg22214
DECAL WARNING PINCH PT/CRUSH818-045C1.
DECAL BLADE ROTATION RC45180818-268C2.
DECAL WARNING OPERATING ANGLE818-276C3.
DECAL DANGER PTO DRIVELINE818-552C4.
DECAL DANGER PD GUARD MISS SML818-543C5.
RC6010 RCM6010 Beige & Red
Colored Units S/N 418250
DECAL DOMINATOR838-585C6.
On Green Colored Units S/N 418250DECAL DOMINATOR GREEN838-636C6.
DECAL FLAG818-190C7.
DECAL CAUTION 540 RPM818-130C8.
DECAL DANGER THROWN OBJ CUTTER818-556C9.
DECAL DANGER RAISED WING HAZAR818-561C10.
DECAL RED REFLECTOR818-230C11.
DECAL AMBER REFLECTOR818-229C12.
DECAL DANGER GUARD MISS PTO818-540C13.
DECAL IMPORTANT - SLIP CLUTCH818-680C14.
DECAL NOTICE - 20 MPH MAX818-681C15.
DECAL SAFETY COMBO SUNWEST818-830C16.
DECAL RC OSHA AG CHAIN GUARD818-564C17.
DECAL LANDPRIDE 30" BLACK838-243C18.
DECAL RC6010-BROWN838-098C19.
DECAL RC6010-BEIGE838-096C20.
DECAL WARNING HYD PRESS LONG838-094C21.
DECAL DANGER ROLLOVER HAZARD818-840C22.
FOLDING CUTTER SPEED WARNING838-588C23.
DECAL DANGER PTO DRIVELINE818-552C24.
DECAL IMPORTANT - SLIP CLUTCH818-680C25.
DECAL 5 YEAR GEARBOX WARRANTY818-862C26.
DECAL LANDPRIDE 16" - BIEGE818-902C27.
04/01/08 RCB6010, RCBM6010, RCB6015 & RCBM6015 Rotary Cutters 318-263P 187
Table of Contents Part Number Index
Section 8: Labels Land Pride
RCBM6010 & RCBM6015 SERIES (1000 RPM)
Label Placement
Applies to RCBM6010

RevisionCommentsPart DescriptionPart No.Ref.
Drawing Image Numberdwg18318
DECAL WARNING PINCH PT/CRUSH818-045C1.
DECAL WARNING OPERATING ANGLE818-276C2.
DECAL DANGER PTO DRIVELINE818-552C3.
DECAL DANGER PD GUARD MISS SML818-543C4.
On Beige & Red Colored UnitsDECAL DOMINATOR838-585C5.
On Green Colored UnitsDECAL DOMINATOR GREEN838-636C5.
DECAL FLAG818-190C6.
DECAL CAUTION 540 RPM818-130C7.
DECAL DANGER RAISED WING HAZAR818-561C8.
DECAL RED REFLECTOR818-230C9.
DECAL AMBER REFLECTOR818-229C10.
DECAL IMPORTANT - SLIP CLUTCH818-680C11.
DECAL NOTICE - 20 MPH MAX818-681C12.
DECAL SAFETY COMBO SUNWEST818-830C13.
DECAL DANGER ROTATING BLADES818-564C14.
DECAL LANDPRIDE 16" - BIEGE818-902C15.
DECAL RC6015-BROWN818-939C16.
DECAL RC6015-BEIGE838-047C17.
DECAL WARNING HYD PRESS LONG838-094C18.
DECAL DANGER ROLLOVER HAZARD818-840C19.
DECAL DANGER THROWN OBJ CUTTER818-556C20.
DECAL DANGER GUARD MISS PTO818-540C21.
DECAL LANDPRIDE 30" BLACK838-243C22.
04/01/08 RCB6010, RCBM6010, RCB6015 & RCBM6015 Rotary Cutters 318-263P 189
Table of Contents Part Number Index
Section 8: Labels Land Pride
RCBM6010 & RCBM6015 SERIES (1000 RPM)
Label Placement
Applies to RCBM6015

RevisionCommentsPart DescriptionPart No.Ref.
Drawing Image Numberdwg21261
WLDMT.DRIVELINE STORAGE BRKT.318-282H1.
WELDMENT CENTER BAFFLE LH.318-303H2.
BAFFLE REAR MOUNTING PLATE LH.318-308D3.
BAFFLE FRT. MOUNTING PLATE LH.318-346D4.
BAFFLE FRT. MOUNTING PLATE RH.318-347D5.
BAFFLE REAR MOUNTING PLATE RH.318-383D6.
WELDMENT CENTER BAFFLE RH.318-403H7.
HHCS 1/2-13X1 1/2 GR5802-091C8.
RHSNB 1/2-13X1 1/4 GR5802-214C9.
NUT HEX WHIZ 1/2-13 PLT803-037C10.
04/01/08 RCB6010, RCBM6010, RCB6015 & RCBM6015 Rotary Cutters 318-263P 191
Table of Contents Part Number Index
Section 9: Options Land Pride
RCBM6010 & RCBM6015 SERIES (1000 RPM)
Baffle Option (318-402A)
Applies to RCBM6015

The Part Number Index is a numeric index of all part numbers included in this manual.The index shows what page(s) the part is used on.
PagePart Number
71, 73, 163, 165,
167
0.121.7101.00 ...........
71, 73, 163, 165,
167
0.252.7525.00 ...........
71, 73, 163, 165,
167
0.285.7510.00 ...........
15, 71, 73, 107,
163, 165, 167
0.288.7101.00 ...........
75, 1690.305.0300.01 ...........75, 1690.305.1300.00 ...........75, 1690.305.2000.00 ...........75, 1690.305.3000.00 ...........75, 1690.305.5001.00 ...........75, 1690.305.6000.00 ...........71, 73, 75, 163,
165, 167, 169
0.709.7500.00 ...........
71, 73, 163, 165,
167
0.712.7500.00 ...........
77010063 ......................67010167 ......................69010168 ......................77020061 ......................77020110 ......................77020162 ......................67020211 ......................69020212 ......................47, 139, 141020672 ......................77030412 ......................77030413 ......................67, 69030417 ......................67, 69030418 ......................77040121 ......................77040124 ......................67, 69040300 ......................67, 69040313 ......................67, 69040314 ......................55, 57, 151042454 ......................55, 57, 151042459 ......................55, 57, 151043489 ......................47, 61, 63, 139,
141, 157, 159
044321 ......................
77050008 ......................77050012 ......................77050013 ......................77050014 ......................77050015 ......................67, 69050200 ......................67, 69050201 ......................67, 69050202 ......................67, 69050203 ......................77060020 ......................67, 69, 77060051 ......................67, 69060115 ......................77070057 ......................77070058 ......................77070140 ......................77070141 ......................77070142 ......................77070151 ......................67, 69070240 ......................67, 69070241 ......................67, 69070242 ......................45084099 ......................47, 63, 139, 141,
159
087276 ......................
77090003 ......................67, 69090144 ......................67, 69090145 ......................67, 69090146 ......................67, 69090147 ......................
PagePart Number
67, 69090148 ......................67, 69090149 ......................67, 69090150 ......................63, 159097133 ......................41, 47, 63, 139,
141, 159
097140 ......................
71, 73, 163, 165,
167
1.181.7101.00 ...........
67, 69100114 ......................67, 69100118 ......................45, 61, 135, 1571006020 ....................61, 1571006220 ....................61, 1571016025 ....................139, 141104810 ......................61, 1571106025 ....................45, 1351106525 ....................59, 153, 1551138007 ....................59, 153, 1551138008 ....................77120025 ......................15, 107120092 ......................67, 69120094 ......................67, 69120095 ......................59, 153, 1551215012 ....................61, 1571215733 ....................61, 1571215735 ....................65, 161122.580.023.1 ...........143, 145122.580.501.1 ...........49122.580.510.1 ...........65, 161122.580.511.1 ...........143, 145122.981.002.1 ...........49122.981.027.1 ...........67130002 ......................77130021 ......................77130030 ......................81, 83, 173, 175130560 ......................81, 173134953 ......................81, 173135995 ......................67, 69140017 ......................67, 69140044 ......................77140046 ......................135, 1531406016 ....................43, 133141.026.357.1 ...........49, 65, 143, 145,
161
141.028.195.1 ...........
49, 143, 145141.028.248.1 ...........49141.028.358.1 ...........143141.028.359.1 ...........145141.028.360.1 ...........49, 143, 145141.028.472.1 ...........491422831412821 ........143, 1451422831442821 ........65, 1611422831949821 ........65, 1611422871029821 ........491422871632821 ........143, 1451422871642821 ........45, 59, 61, 155,
157
1446016 ....................
43, 51, 133, 147146.264.024.1 ...........53, 65, 149, 161146.284.020.1 ...........43, 133151.016.031.1 ...........51, 147151.016.037.1 ...........53, 149151.018.016.1 ...........51, 53, 147, 149151.018.228.1 ...........65, 161151.018.241.1 ...........143, 1451522805260710 ........491522805320710 ........65, 1611522805450710 ........61, 1571526121 ....................451528014D ..................61, 1571528121 ....................
PagePart Number
451528304 ....................1351528305 ....................61, 1571528901 ....................43, 133155.150.726 ..............49, 143, 145158.018.470 ..............51, 53, 147, 149165.000.548 ..............43, 49, 51, 53,
65, 133, 143,
145, 147, 149,
161
165.000.589 ..............
49, 143165.000.628 ..............145165.000.629 ..............49, 143, 145165.000.694 ..............49, 143, 145165.000.785 ..............55, 57, 151168556 ......................43, 133170.016.630.1 ...........59, 153, 1551705009 ....................45, 61, 135, 1571706027 ....................61, 1571706029 ....................59, 153, 1551706033 ....................59, 1551708016 ....................1531708017 ....................59, 1551708034 ....................47172758 ......................61, 1571786710 ....................61, 1571786711 ....................51, 53, 147, 149180.014.022 ..............49, 65, 143, 145,
161
180.014.240 ..............
49, 65, 143, 145,
161
180.016.025 ..............
43, 133180.016.130 ..............49, 65, 143, 145,
161
180.018.004 ..............
49, 143, 145180.018.158 ..............49, 65, 143, 145,
161
180.018.251 ..............
49, 65, 143, 145,
161
180.018.252 ..............
49, 65, 143, 145,
161
180.018.393 ..............
49, 65, 143, 145,
161
180.018.437 ..............
49, 143, 145180.018.567 ..............51, 53, 147, 149180.019.014 ..............51, 53, 147, 149180.019.018 ..............51, 53, 147, 149180.019.019 ..............51, 53, 147, 149180.019.115 ..............51, 53, 147, 149180.019.116.1 ...........59, 153, 1551808010 ....................55, 151186397 ......................83, 175186561 ......................81, 173186562 ......................61, 1571876111 ....................61, 1571876901 ....................61, 1571877111 ....................61, 1571877901 ....................61, 1571885702 ....................61, 1571885703 ....................61, 1571885709 ....................43, 133190.000.016 ..............49, 65, 143, 145,
161
190.000.243 ..............
137193839 ......................85, 1771A1141 ......................89, 1811D0005-1450 .............85, 1771D0009-1050 .............85, 1771D0205-1262 .............89, 1811D0206-1675 .............85, 89, 177, 1811D1003-5 ...................
PagePart Number
89, 1811D1155-17 .................85, 1771D1159-4 ...................89, 1811D1401-250 ...............85, 1771D1401-350 ...............89, 1811D1505-3 ...................85, 1771D1509-4 ...................85, 89, 177, 1811D1551-16275 ...........87, 91, 179, 1831M6010 .....................25, 27, 29, 31,
33, 35, 117, 119,
121, 123, 125,
127
200-001D ...................
77200003 ......................67, 69200127 ......................67, 69240274 ......................83, 175294753 ......................87, 91, 179, 1832A0006 ......................87, 91, 179, 1832A0012 ......................91, 1832A0014 ......................87, 1792A0016 ......................87, 91, 179, 1832A0024 ......................85, 89, 177, 1812A0079-616 ...............87, 91, 179, 1832A0132 ......................87, 91, 179, 1832A0208 ......................85, 89, 177, 1812A0235-6 ...................85, 1772A0236-9 ...................89, 1812A0246-12 .................85, 89, 177, 1812A0308-1 ...................89, 1812A0578-1675 .............85, 1772A0581-1325 .............91, 1832M4418 .....................87, 1792M5416 .....................41, 47, 55, 63,
137, 139, 141,
151, 159
304011 ......................
41, 47, 63, 137,
139, 141, 159
304046 ......................
55, 151304065 ......................9, 101312-075D ...................9, 101312-082D ...................9, 101312-089D ...................15, 107312-399H ...................15, 107312-400H ...................11, 15, 103, 107312-611D ...................9, 101312-808D ...................41, 47, 63, 137,
139, 141, 159
312209 ......................
17, 109318-004H ...................17, 109318-007H ...................17, 109318-008H ...................21, 23, 113, 115318-017H ...................23, 115318-018H ...................23, 115318-040D ...................33, 125318-050L ...................33, 125318-051L ...................17, 109318-052L ...................21, 23, 113, 115318-055L ...................37, 129318-065K ...................37, 129318-066K ...................39, 131318-068K ...................39, 131318-069K ...................37, 129318-070K ...................37, 129318-071K ...................39, 131318-072K ...................25, 117318-085D ...................15, 107318-086D ...................15, 107318-087D ...................15, 21, 107, 113318-096D ...................37, 129318-097K ...................37, 129318-105D ...................
192 RCB6010, RCBM6010, RCB6015 & RCBM6015 Rotary Cutters 318-263P 04/01/08
Table of Contents Part Number Index
Part Number Index

PagePart Number
39, 131318-106D ...................37, 39, 129, 131318-107D ...................21, 113318-107H ...................37, 129318-108D ...................39, 131318-109D ...................21, 113318-111K ...................37, 129318-116D ...................37, 129318-117D ...................39, 131318-119D ...................39, 131318-120D ...................37, 129318-121D ...................37, 129318-122D ...................37, 39, 129, 131318-123D ...................37, 129318-124D ...................37, 129318-141D ...................12, 103318-141H ...................37, 129318-142D ...................37, 129318-143D ...................11, 103318-145H ...................11, 103318-146H ...................9, 11, 101318-159S ...................21, 113318-160D ...................9, 101318-161S ...................9, 101318-163S ...................9, 101318-164H ...................9, 101318-165V ...................11, 103318-167D ...................11, 103318-169H ...................15, 107318-170D ...................15, 107318-171D ...................39, 131318-172K ...................39, 131318-174K ...................39, 131318-183D ...................39, 131318-184D ...................25, 117318-188H ...................33, 125318-189H ...................9, 101318-190D ...................33, 125318-190H ...................21, 113318-196D ...................21, 113318-198D ...................17, 109318-252H ...................17, 109318-253H ...................17, 109318-254L ...................11, 103318-256H ...................11318-257H ...................15, 107318-258H ...................15, 107318-259H ...................12, 103318-271A ...................37, 129318-272K ...................37, 129318-273K ...................37, 129318-274K ...................39, 131318-275K ...................39, 131318-276K ...................39, 131318-277K ...................39, 131318-278K ...................99, 191318-282H ...................37, 129318-284K ...................37, 129318-285K ...................37, 39, 129, 131318-286K ...................99, 191318-303H ...................37, 129318-304L ...................99, 191318-308D ...................37, 129318-310D ...................25, 27, 117, 119318-313H ...................11, 103318-322D ...................37, 129318-324K ...................37, 129318-325K ...................37, 129318-326K ...................39, 131318-327K ...................39, 131318-328K ...................37, 129318-329K ...................
PagePart Number
37, 129318-330K ...................37, 129318-331K ...................39, 131318-332K ...................39, 131318-333K ...................15, 107318-335D ...................39, 131318-336D ...................37, 129318-337D ...................37, 129318-339D ...................37, 129318-340D ...................37, 129318-341D ...................15, 107318-341H ...................39, 131318-342D ...................15, 107318-342H ...................39, 131318-343D ...................99, 191318-346D ...................99, 191318-347D ...................21, 113318-353D ...................21, 113318-354D ...................21, 113318-354K ...................17, 109318-356S ...................17, 109318-357H ...................17, 109318-358H ...................9, 101318-364H ...................9, 101318-368V ...................9, 11, 101, 103318-369S ...................9, 15, 101, 107318-370S ...................15, 107318-371S ...................99, 191318-383D ...................93, 185318-398L ...................11, 103318-401H ...................99, 191318-403H ...................17, 109318-406H ...................17, 109318-555S ...................103318-568H ...................17, 109318-570H ...................29, 31, 121, 123318-571H ...................29, 31, 121, 123318-573H ...................33, 35, 125, 127318-576H ...................33, 35, 125, 127318-583H ...................37, 129318-620D ...................25, 27, 117, 119318-623H ...................37, 129318-633K ...................17, 109318-661D ...................17, 109318-678L ...................17, 109318-688H ...................17, 109318-691D ...................17, 109318-693D ...................11318-693H ...................17, 109318-694H ...................17, 109318-744H ...................17, 109318-745H ...................17, 109318-746S ...................17, 109318-833S ...................17, 109318-834H ...................17, 109318-835H ...................17, 109318-850H ...................27, 119318-851H ...................35, 127318-852H ...................23, 35, 115, 127318-853H ...................23, 27, 115, 119318-854H ...................29, 121318-855H ...................31, 123318-966H ...................63, 159323524 ......................55, 57, 151324822 ......................41, 47, 63, 137,
139, 141, 159
325027 ......................
141330162 ......................139, 141331573 ......................55, 151351793 ......................47, 63, 139, 141,
159
355155 ......................
PagePart Number
47355527 ......................139363696 ......................141363729 ......................47, 139, 141364915 ......................47, 63, 139, 141,
159
365305 ......................
47, 139, 141365725 ......................63, 159377437 ......................47, 139, 141377442 ......................47377589 ......................47, 63, 139, 141,
159
380371 ......................
139381367 ......................55, 57, 151381495 ......................55, 57, 151381957 ......................63, 159382223 ......................55, 63, 151, 159383805 ......................47384303 ......................47, 139, 141384316 ......................47, 139, 141386048 ......................141386560 ......................47386561 ......................139387097 ......................141387723 ......................63, 159387767 ......................47388141 ......................139388204 ......................47388698 ......................57391358 ......................137391359 ......................139391406 ......................141391639 ......................63, 159391707 ......................41, 57391708 ......................41391709 ......................91, 1833M4410 .....................87, 1793M5408 .....................83, 175491742 ......................81, 173491798 ......................83, 175492282 ......................81, 173492338 ......................81, 83, 173, 175492652 ......................81, 173492676 ......................81, 173492677 ......................81, 173492700 ......................83, 175492721 ......................83, 175492722 ......................83, 175492870 ......................81, 173494754 ......................91, 1834M4104 .....................87, 1794M5102 .....................91, 1835M4120 .....................87, 1795M5116 .....................45, 1356141280 ....................61, 1576331070 ....................45, 61, 135, 1576331080 ....................45, 1356410112 ....................61, 1576410114 ....................45, 1356412112 ....................61, 1576412114 ....................83, 175645599 ......................81, 173648411 ......................61, 1576560006 ....................61, 135, 1576560508 ....................59, 1556691010 ....................1536691080 ....................45, 1356761280 ....................61, 1576761480 ....................1536821483 ....................59, 153, 1556821484 ....................91, 1836M4152 .....................
PagePart Number
87, 1796M5142 .....................41, 47, 63, 137,
139, 141, 159
702352 ......................
91, 1837M4320 .....................87, 1797M5316 .....................71, 73, 163, 165,
167
8.0.9.00079 ...............
71, 73, 75, 163,
165, 167, 169
8.0.9.00143 ...............
71, 73, 163, 165,
167
8.0.9.01090 ...............
75, 1698.1.1.00109 ...............71, 73, 163, 165,
167
8.1.1.00501 ...............
11, 15, 71, 73,
103, 107, 163,
165, 167
8.2.2.00560 ...............
71, 73, 163, 165,
167
8.4.7.01045 ...............
71, 73, 163, 165,
167
8.4.7.02265 ...............
71, 73, 163, 165,
167
8.5.1.00533 ...............
71, 73, 163, 165,
167
8.5.2.00332 ...............
75, 1698.5.2.01772 ...............71, 73, 163, 165,
167
8.6.5.00006 ...............
71, 738.6.5.00203 ...............75, 1698.6.6.00201 ...............75, 1698.6.7.00269 ...............71, 73, 163, 165,
167
8.7.1.02349 ...............
71, 73, 75, 163,
165, 167, 169
8.7.3.00331 ...............
17, 23, 25, 29,
33, 109, 115,
117, 121, 125
800-001C ...................
11, 17, 25, 27,
31, 35, 103, 109,
117, 119, 123,
127
800-080C ...................
93, 185800-117C ...................23, 115800-130C ...................79, 171800-306C ...................37, 129801-018C ...................81, 83, 173, 175801-023C ...................12, 104802-005C ...................11, 15, 103, 107802-007C ...................21, 113802-015C ...................11, 27, 35, 37,
67, 69, 103, 119,
127, 129
802-017C ...................
21, 23, 113, 115802-022C ...................11, 103802-023C ...................37, 129802-042C ...................11, 103802-053C ...................12, 103802-058C ...................11, 15, 103, 107802-064C ...................9, 11, 15, 101,
107
802-065C ...................
11, 103802-070C ...................23, 33, 115, 125802-073C ...................17, 109802-074C ...................31, 123802-075C ...................67, 69, 77802-079C ...................99, 191802-091C ...................17, 109802-096C ...................
04/01/08 RCB6010, RCBM6010, RCB6015 & RCBM6015 Rotary Cutters 318-263P 193
Table of Contents Part Number Index
Part Number Index (continued)

PagePart Number
25, 27, 29, 31,
33, 35, 117, 119,
121, 123, 125,
127
802-099C ...................
25, 33, 117, 125802-104C ...................15, 39, 107, 131802-106C ...................17, 25, 29, 31,
109, 117, 121,
123
802-110C ...................
25, 29, 33, 117,
121, 125
802-135C ...................
21, 113802-183C ...................11802-184C ...................17, 109802-192C ...................23, 25, 29, 31,
115, 117, 121,
123
802-205C ...................
15, 37, 39, 99,
107, 129, 131,
191
802-214C ...................
11, 17, 23, 103,
109, 115
802-235C ...................
25, 33, 117, 125802-240C ...................9, 101802-277C ...................29, 33, 121, 125802-357C ...................11, 103802-456C ...................15, 21, 107, 113802-466C ...................37, 129802-585C ...................17, 109802-594C ...................23, 115802-649C ...................27, 31, 35, 119,
123, 127
802-779C ...................
23, 115803-008C ...................11, 103803-013C ...................21, 23, 113, 115803-014C ...................25, 33, 117, 125803-017C ...................25, 27, 29, 31,
33, 35, 117, 119,
121, 123, 125,
127
803-019C ...................
83, 175803-020C ...................81, 173803-022C ...................11, 15, 18, 103,
107, 110
803-026C ...................
25, 29, 33, 117,
121, 125
803-029C ...................
17, 109803-030C ...................11, 15, 21, 37,
39, 99, 103, 107,
113, 129, 131,
191
803-037C ...................
27, 31, 35, 119,
123, 127
803-053C ...................
17, 109803-075C ...................37, 129803-088C ...................11, 17, 18, 23,
25, 29, 31, 33,
803-168C ...................
103, 109, 110,
115, 117, 121,
123, 125
9, 101803-170C ...................9, 17, 101, 109803-181C ...................15, 21, 37, 107,
113, 129
803-198C ...................
11, 15, 103, 107803-231C ...................12, 104803-255C ...................25, 27, 117, 119803-263C ...................17, 109803-265C ...................23, 115803-266C ...................11, 12, 103803-271C ...................17, 109803-301C ...................
PagePart Number
25, 29, 33, 117,
121, 125
803-308C ...................
27, 31, 35, 119,
123, 127
803-310C ...................
11803-314C ...................12, 104804-007C ...................11, 15, 23, 103,
107, 115
804-009C ...................
11, 15, 103, 107804-010C ...................11, 103804-011C ...................11, 15, 103, 107804-012C ...................11, 15, 21, 23,
69, 77, 103, 107,
113, 115
804-013C ...................
25, 33, 117, 125804-015C ...................25, 33, 117, 125804-016C ...................11, 103804-019C ...................11804-023C ...................17, 109804-025C ...................11, 17, 103, 109804-028C ...................17, 23, 27, 29,
31, 35, 109, 115,
119, 121, 123,
127
804-029C ...................
25, 29, 33, 117,
121, 125
804-055C ...................
37, 129804-100C ...................9, 101804-147C ...................11, 15, 103, 107804-169C ...................17, 109804-171C ...................27, 31, 35, 119,
123, 127
804-216C ...................
25, 29, 33, 117,
121, 125
805-016C ...................
11, 17, 103, 109805-045C ...................103805-065C ...................17, 109805-083C ...................23, 115805-088C ...................23, 115805-104C ...................11, 15, 17, 103,
107, 109
805-105C ...................
18, 23, 27, 29,
31, 35, 110, 115,
119, 121, 123,
127
805-146C ...................
27, 31, 35, 119,
123, 127
805-246C ...................
11, 103805-309C ...................25, 27, 117, 119806-026C ...................11, 103807-023C ...................11, 103807-143C ...................91, 183810-015C ...................85, 177810-146C ...................87, 179810-149C ...................79, 81, 85, 87,
171, 173, 177,
179
810-162C ...................
89, 181810-177C ...................89, 181810-178C ...................83, 89, 91, 93,
175, 181, 183,
185
810-312C ...................
79, 171810-317C ...................93, 185811-062C ...................79, 171811-063C ...................93, 185811-133C ...................93, 185811-165C ...................79, 93, 171, 185811-394C ...................79, 171811-619C ...................25, 29, 33, 117,
121, 125
814-059C ...................
PagePart Number
25, 33, 117, 125814-066C ...................25, 33, 117, 125814-086C ...................25, 33, 117, 125814-189C ...................25, 33, 117, 125814-201C ...................25, 33, 117, 125814-202C ...................25, 29, 33, 117,
121, 125
814-262C ...................
25, 29, 33, 117,
121, 125
814-263C ...................
27, 31, 35, 119,
123, 127
814-265C ...................
29, 31, 121, 123814-266C ...................29, 31, 121, 123814-267C ...................29, 31, 121, 123814-268C ...................27, 35, 119, 127814-284C ...................27, 31, 35, 119,
123, 127
814-285C ...................
27, 31, 35, 119,
123, 127
814-288C ...................
27, 35, 119, 127814-295C ...................27, 35, 119, 127814-296C ...................27, 35, 119, 127814-297C ...................25, 33, 117, 125815-093C ...................33, 125815-108C ...................25, 33, 117, 125815-109C ...................25, 117815-141C ...................29, 121815-199C ...................25, 29, 33, 117,
121, 125
815-230C ...................
35, 127815-237C ...................35, 127815-238C ...................27, 119815-240C ...................31, 123815-241C ...................27, 31, 35, 119,
123, 127
815-243C ...................
25, 29, 33, 117,
121, 125
816-098C ...................
12, 103816-481C ...................27, 31, 35, 119,
123, 127
816-497C ...................
11, 103817-259C ...................11, 103817-416C ...................95, 97, 187, 189818-045C ...................37, 129818-055C ...................95, 97, 187, 189818-130C ...................95, 97, 187, 189818-190C ...................95, 97, 187, 189818-229C ...................95, 97, 187, 189818-230C ...................95, 187818-268C ...................95, 97, 187, 189818-276C ...................47, 61, 63, 95,
97, 139, 141,
157, 159, 187,
189
818-540C ...................
95, 97, 187, 189818-543C ...................47, 61, 63, 95,
97, 139, 141,
157, 159, 187,
189
818-552C ...................
95, 97, 187, 189818-556C ...................95, 97, 187, 189818-561C ...................95, 97, 187, 189818-564C ...................95, 97, 187, 189818-680C ...................95, 97, 187, 189818-681C ...................95, 97, 187, 189818-830C ...................95, 97, 187, 189818-840C ...................95, 187818-862C ...................95, 97, 187, 189818-902C ...................97, 189818-939C ...................9, 101820-168C ...................9, 101820-169C ...................
PagePart Number
9, 101820-170C ...................9, 101820-188C ...................9, 101820-189C ...................9, 101820-190C ...................27, 31, 35, 119,
123, 127
822-020C ...................
27, 31, 35, 119,
123, 127
822-021C ...................
27, 31, 35, 119,
123, 127
822-033C ...................
27, 31, 35, 119,
123, 127
822-034C ...................
25, 29, 33, 117,
121, 125
822-091C ...................
25, 29, 33, 117,
121, 125
822-092C ...................
11, 47826-117C ...................11, 75, 77826-179C ...................103, 169826-180C ...................11, 45826-183C ...................103, 135826-184C ...................15, 61, 107, 157826-185C ...................15, 67826-231C ...................15, 69826-232C ...................139826-244C ...................141826-245C ...................11, 41826-260C ...................137826-261C ...................15, 63, 107, 159826-262C ...................163826-317C ...................165826-318C ...................167826-319C ...................11, 15, 71826-320C ...................15, 73826-321C ...................107, 163826-322C ...................103, 165826-323C ...................107, 167826-324C ...................11, 49826-476C ...................103, 143826-477C ...................11, 43, 103, 133826-478C ...................15, 65, 107, 161826-481C ...................103, 145826-499C ...................25, 27, 29, 31,
117, 119, 121,
123
827-001C ...................
97, 189838-047C ...................95, 97, 187, 189838-094C ...................95, 187838-096C ...................95, 187838-098C ...................95, 97, 187, 189838-243C ...................95, 97, 187, 189838-585C ...................95, 187838-588C ...................95, 97, 187, 189838-636C ...................12, 31, 104, 123890-005C ...................37, 129890-175C ...................17, 109890-182C ...................17, 109890-226C ...................21, 39, 113, 131890-341C ...................21, 37, 39, 113,
129, 131
890-393C ...................
23, 115890-506C ...................11, 103890-671C ...................37, 39, 129, 131890-672C ...................11, 103890-679C ...................12, 103890-680C ...................27, 29, 31, 119,
121, 123
890-766C ...................
29, 31, 121, 123890-817C ...................35, 127890-819C ...................17, 109890-858C ...................17, 109890-862C ...................
194 RCB6010, RCBM6010, RCB6015 & RCBM6015 Rotary Cutters 318-263P 04/01/08
Table of Contents Part Number Index
Part Number Index (continued)

PagePart Number
23, 115890-893C ...................13797140 ........................37, 39, 129, 131990-208R ...................85, 87, 177, 179dwg11421 ..................83, 175dwg12345 ..................47, 139, 141dwg14067 ..................91, 183dwg15242 ..................79, 171dwg15427 ..................77dwg15503 ..................59, 155dwg15521 ..................153dwg15523 ..................45dwg15570 ..................89, 181dwg15572 ..................57dwg16916 ..................41, 137dwg16965 ..................63, 159dwg17004 ..................55, 151dwg17005 ..................17, 109dwg18308 ..................15, 107dwg18310 ..................9, 101dwg18311 ..................23, 115dwg18312 ..................25, 117dwg18313 ..................33, 125dwg18314 ..................37, 129dwg18315 ..................39, 131dwg18316 ..................97, 189dwg18318 ..................93, 185dwg18341 ..................135dwg19030 ..................75, 169dwg19604 ..................71, 163, 165dwg21167 ..................73, 167dwg21171 ..................99, 191dwg21261 ..................29, 121dwg22084 ..................21, 113dwg22213 ..................95, 187dwg22214 ..................11dwg22220 ..................67, 69dwg23944 ..................49dwg23947 ..................143dwg23948 ..................43, 133dwg23952 ..................65, 161dwg23953 ..................51, 147dwg23957 ..................53, 149dwg23958 ..................145dwg23960 ..................27, 119dwg23962 ..................31, 123dwg23964 ..................103dwg23967 ..................61, 157dwg23996 ..................35, 127dwg24522 ..................81, 173dwg25900 ..................81, 83, 173, 175N/A ............................71, 73, 163, 165,
167
U0.125.0531.00 .........
163, 165, 167U0.125.0532.00 .........71, 73, 163, 165,
167
U0.125.1301.00 .........
71, 73, 163, 165,
167
U0.125.2050.00 .........
71, 73, 163, 165,
167
U0.125.3002.00 .........
163, 165, 167U0.125.3003.00 .........163, 165, 167U0.125.5003.00 .........71, 73U0.125.5005.00 .........163, 165, 167U0.125.6003.00 .........71, 73U0.125.6004.00 .........163, 165, 167U0.125.7003.00 .........71, 73, 163, 165,
167
U0.125.7100.00 .........
04/01/08 RCB6010, RCBM6010, RCB6015 & RCBM6015 Rotary Cutters 318-263P 195
Table of Contents Part Number Index
Part Number Index (continued)






























































































