Lantronix MPBGPRO Wireless Device Server User Manual Integration Guide

lantronix Wireless Device Server Integration Guide

Integration Guide

     Need new  photo and logo   2/18/2008 4:38 PM        MatchPort b/g Pro™  Integration Guide                      Part Number 900-532 Revision A  ??? 2008
 MatchPort b/g Pro Integration Guide                                      2 Copyright and Trademark  © 2008 Lantronix. All rights reserved. No part of the contents of this book may be transmitted or reproduced in any form or by any means without the written permission of Lantronix. Printed in the United States of America.  MatchPort® b/g Pro, with its patent-pending technology, is a trademark of Lantronix. Ethernet is a trademark of XEROX Corporation. UNIX is a registered trademark of The Open Group. Windows 95, Windows 98, Windows 2000, Windows NT, and Windows XP are trademarks of Microsoft Corp. Netscape is a trademark of Netscape Communications Corporation. Contacts Lantronix Corporate Headquarters 15353 Barranca Parkway Irvine, CA 92618, USA Phone: 949-453-3990 Fax:   949-453-3995 Technical Support Online:  www.lantronix.com/support  Sales Offices For a current list of our domestic and international sales offices, go to the Lantronix web site at www.lantronix.com/about/contact/
 MatchPort b/g Pro Integration Guide       3   Disclaimer and Revisions  Operation of this equipment in a residential area is likely to cause interference to other devices, in which case the user, at his or her own expense, will be required to take whatever measures may be required to correct the interference. Note: This product has been designed to comply with the limits for a Class B digital device pursuant to Part 15 of FCC and EN55022:1998 Rules when properly enclosed and grounded. These limits are designed to provide reasonable protection against radio interference in a residential installation. This equipment generates, uses, and can radiate radio frequency energy, and if not installed and used in accordance with this guide, may cause interference to radio communications. Changes or modifications to this device not explicitly approved by Lantronix will void the user's authority to operate this device. Note: With the purchase of MatchPort b/g Pro, the OEM agrees to an OEM firmware license agreement that grants the OEM a non-exclusive, royalty-free firmware license to use and distribute the binary firmware image provided, only to the extent necessary to use the MatchPort b/g Pro hardware. For further details, please see the MatchPort b/g Pro OEM firmware license agreement.  Disclaimer  This equipment has been tested and found to comply with the limits for a Class B digital device, pursuant to Part 15 of the FCC Rules. These limits are designed to provide reasonable protection against harmful interference in a residential installation. This equipment generates, uses, and can radiate radio frequency energy and, if not installed and used in accordance with the instructions, may cause harmful interference to radio communications. However, there is no guarantee that interference will not occur in a particular installation. If this equipment does cause harmful interference to radio or television reception, which can be determined by turning the equipment off and on, the user is encouraged to try to correct the interference by one of the following measures: u Reorient or relocate the receiving antenna. u Increase the separation between the equipment and receiver. u Connect the equipment into an outlet on a circuit different from that to which the receiver is connected. u Consult the dealer or an experienced radio/TV technician for help. This device complies with Part 15 of the FCC Rules. Operation is subject to the following two conditions: (1) This device may not cause harmful interference, and (2) this device must accept any interference received, including interference that may cause undesired operation. This device is intended only for OEM Integrators. The OEM integrator should be aware of the following important issues. Labeling of the End Product  The label on the end product incorporating the MatchPort b/g pro module must clearly state that it contains an FCC-approved RF module. For example: “This product contains an RF transmitter FCC ID: R68MPBGPRO and IC: 3867A-MPBGPRO.”
 MatchPort b/g Pro Integration Guide       4 RSS-GEN Sections 7.1.4 and 7.1.5 Statement for Devices with Detachable Antennas  This device has been designed to operate with the antennas listed in the Certificate, and having a maximum gain of 5 dBi. Antennas not included in this list or having a gain greater than 5 dBi are strictly prohibited for use with this device, unless system-level FCC approval is gained. The required antenna impedance is 50 ohms.   To reduce potential radio interference to other users, the antenna type and its gain should be so chosen that the equivalent isotropically radiated power (EIRP) is not more than that required for successful communication. Integration Note a) This module is authorized under limited module approval specified to mobile host equipment. So, the antenna must be installed such that 20cm is maintained between the antenna and users. b) The transmitter module may not be co-located with any other transmitter or antenna. As long as the two conditions above are met, further transmitter testing will not be required. However, the OEM integrator is still responsible for testing their end product for any additional compliance requirements required with this module installed (for example, digital device emission, PC peripheral requirements, etc.) Note: In the event that these conditions cannot be met (for example certain laptop configurations, general purpose PCMCIA or similar cards, or co-location with another transmitter), then the FCC authorization is no longer considered valid and the FCC ID cannot be used on the final product (including the transmitter) and obtaining a separate FCC authorization. Note: Changes or modifications to this device not explicitly approved by Lantronix will void the user's authority to operate this device.   Date Rev. Comments ???  A  Initial Release
 MatchPort b/g Pro Integration Guide                                      5  Contents 1: Introduction  7 About the Integration Guide _______________________________________________  7 Additional Documentation _________________________________________________  7 2: Description and Specifications  8 MatchPort b/g Pro Block Diagram ___________________________________________  8 MatchPort b/g Pro Pinouts________________________________ ____________________ 10 Power and Ground _____________________________________________________  10 Reset ________________________________________________________________  10 Ethernet Connections ___________________________________________________  11 Ethernet LED Connections _______________________________________________  12 Wireless LED Connections _______________________________________________  13 Antenna Mating Connector _______________________________________________  13 Antenna ______________________________________________________________  14 Serial Input/Output  _____________________________________________________  14 Sample Layouts for RS485 Connectivity  ____________________________________  15 IO Configurable Pins (CPs) _______________________________________________  17 BOOTP_EN# __________________________________________________________  17 BOOTP enable  ________________________________ ____________________________  17 Diagnostics LED ________________________________ ___________________________  17 Pin Connection Options ________________________________ ______________________ 18 Electrical Specifications  _________________________________________________  18 Wireless Specifications __________________________________________________  19 Technical Specifications _________________________________________________  20 Dimensions ___________________________________________________________  21 Recommended PCB Layout ______________________________________________  23 Product Information Label ________________________________________________  24 3: Demonstration Kit  25 Contents of the Kit______________________________________________________  25 Demo Board Description _________________________________________________  25 Serial Interfaces  _______________________________________________________  26 Power Supply _________________________________________________________  26 General Control ________________________________________________________  26 Configuration Switch Bank _______________________________________________  27 Demo Board Layout ____________________________________________________  29 Demo Board Schematics  ________________________________________________  30 Compliance Information _________________________________________________  34 Warranty _____________________________________________________________  35 List of Figures
 MatchPort b/g Pro Integration Guide       6 Figure 2-1. MatchPort b/g Pro Top and Front Views .................. Error! Bookmark not defined. Figure 2-2. MatchPort b/g Pro Block Diagram .......................................................................... 9 Figure 2-3. Connection Diagram to an RJ45 Jack .................................................................. 12 Figure 2-4. Recommended LED Connections ........................................................................ 12 Figure 2-5. Combined RS232/422 Transceiver....................................................................... 15 Figure 2-6. Separate RS232/422 Transceivers....................................................................... 16 Figure 2-7. Separate RS422 Transceivers for 2-Wire and 4-Wire Setups ............................... 16 Figure 2-8. BOOTP_EN# APPLICATION CIRCUIT ................................................................ 18 Figure 2-9. Side Views ........................................................................................................... 21 Figure 2-10. Top View ........................................................................................................... 22 Figure 2-11. Bottom View ...................................................................................................... 22 Figure 2-12. PCB Layout (Top View) ...................................................................................... 23 Figure 2-13. Product Label .................................................................................................... 24 Figure 3-1. MatchPort Demo Board Layout ............................................................................ 29 Figure 3-2. Demo Board Block Diagram ................................................................................. 30 Figure 3-3. Schematic............................................................................................................ 31  List of Tables Table 2-1. RS232 Connections .............................................................................................. 15 Table 2-2. JP6 RS422/485 Connections on Demo board ....................................................... 15 Table 2-3. Absolute Maximum Ratings ................................................................................... 18 Table 2-4. Recommended Operating Conditions .................................................................... 19 Table 2-5.  Specifications....................................................................................................... 20 Table 3-1. RS-232 Signals on Serial Port 1 ............................................................................ 26 Table 3-2. RS-422 4-Wire Connector on Serial Port 1 ............................................................ 26 Table 3-3. Demo Board JP1 Jumper Configuration ................................................................ 27 Table 3-4. Demo Board JP7 Jumper Configuration for CON1 ................................................. 27 Table 3-5. Demo Board JP5 Jumper Configuration ................................................................ 28
 MatchPort b/g Pro Integration Guide                                          7  11::  IInnttrroodduuccttiioonn  About the Integration Guide This guide provides the information needed to integrate the MatchPort b/g Pro™ device server within another product. The intended audiences are the engineers responsible for integrating the MatchPort b/g Pro into their product. Notes:  u The MatchPort b/g Pro Demo Kit provides hardware and firmware for customer evaluation. The complete kit includes a Module Universal Demo Kit (Lantronix PN MP10010NMK-01) and a MatchPort b/g Pro sample (Lantronix PN FP300200S-01) u For developing application firmware on MatchPort b/g Pro, there is a MatchPort Plus Development board with a Background Debug Mode (BDM) connector. Please contact Lantronix for more details. Additional Documentation The following guides are available on the product CD and the Lantronix Web site (www.lantronix.com) MatchPort b/g Pro User Guide Provides information needed to configure, use, and update the MatchPort b/g Pro firmware. MatchPort b/g Pro Command Reference Lists and explains MatchPort b/g Pro command line and XML commands. MatchPort b/g Pro Quick Start Briefly explains the basics to get the MatchPort b/g Pro up and running. MatchPort Demonstration Kit Quick Start Guide Provides information needed to configure, use, and update the MatchPort demonstration kit.
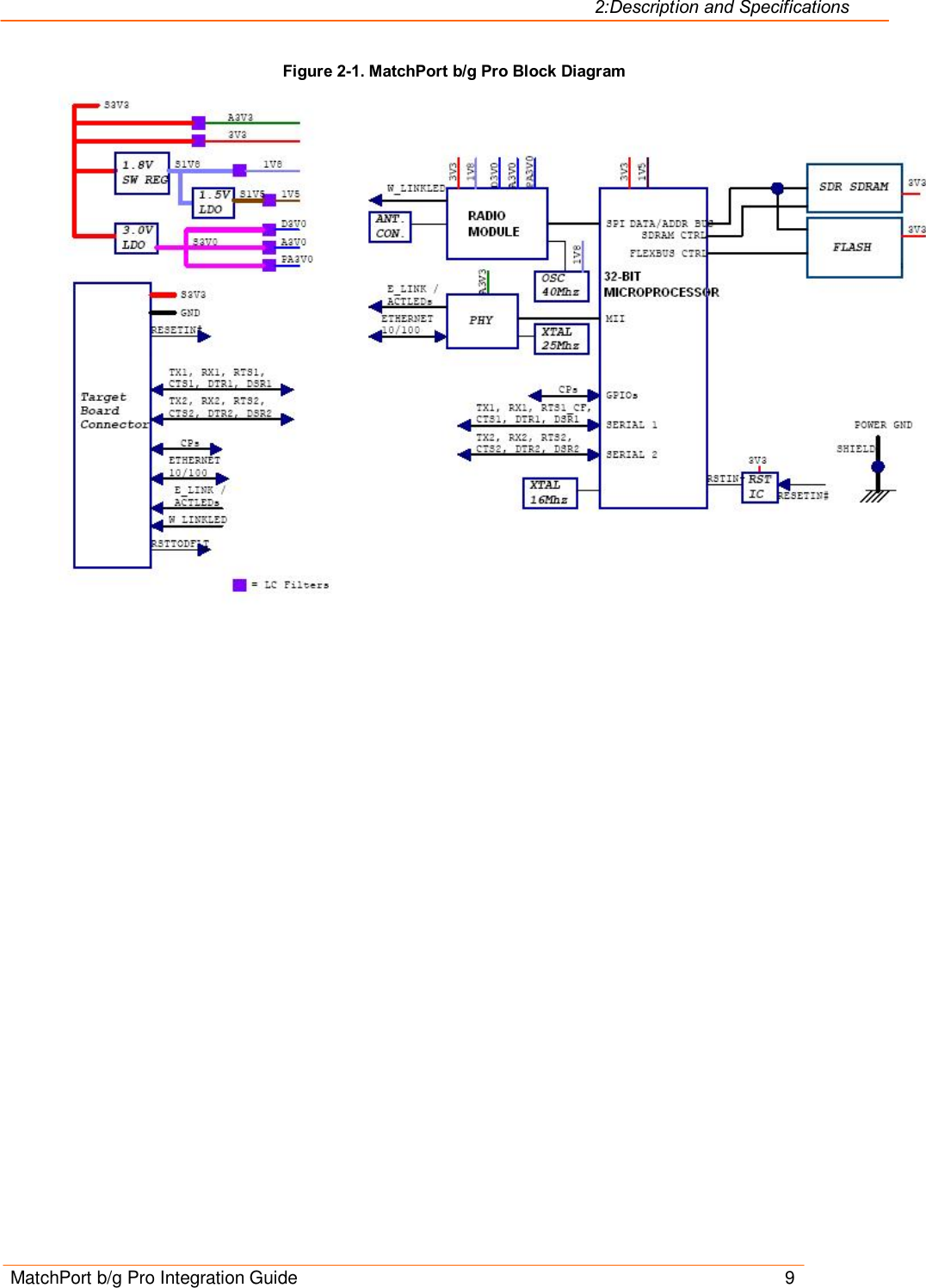
 MatchPort b/g Pro Integration Guide                                       8 22::  DDeessccrriippttiioonn  aanndd  SSppeecciiffiiccaattiioonnss  The MatchPort b/g Pro embedded device server is a complete network-enabling solution on a 1.75"x1.75" PCB. This miniature device server empowers original equipment manufacturers (OEMs) to go to market quickly and easily with networking and web page serving capabilities built into their products. The MatchPort b/g Pro has the following features: u Power Supply: Regulated 3.3V input required. There are step-down converters to 1.8V and 1.5V for ICs on board. All voltages have LC filtering to minimize noises and emissions. u Controller: A Lantronix DSTni-FX 32-bit microprocessor, running at 166 MHz internal bus and 83 MHz external bus. u Memory: 64 Mbits Flash and 64 Mbits SDRAM.  u Ethernet: 10/100 Base TX with auto-negotiation and HP auto-MDIX. On- board 100-ohm terminations included. Users just need an RJ45 jack and 1:1 Ethernet magnetics with a minimal numbers of discrete components. u Integrated Ethernet LED Drivers: For connections to Ethernet Link and Activities LEDs.  u Serial Ports: Two full RS232 serial ports with all hardware handshaking signals. Baud rates can be standard or customized up to 230 Kbps. RS232/422/RS485 functionalities can also be configured on Serial Port 1. u Configurable IO Pins (CPs): Up to 7 pins are configurable as general purpose I/Os if no DTR or DCD is used on serial ports. u Interface Signals: 3.3V-level interface signals. u Temperature Range: Operates over an extended temperature range.  MatchPort b/g Pro Block Diagram The following drawing is a block diagram of the MatchPort b/g Pro showing the relationships of the components.
2:Description and Specifications MatchPort b/g Pro Integration Guide    9 Figure 2-1. MatchPort b/g Pro Block Diagram
2:Description and Specifications MatchPort b/g Pro Integration Guide    10 MatchPort b/g Pro Pinouts There are two headers of 1x20, 2-mm pin spacing. The odd row header is designated as P1; pins are numbered 1 to 39. The even row header is designated as P2; pins are numbered  2 to 40. PIN # NAME FUNCTION PIN # NAME FUNCTION P1.1  RESETIN#  Active low Reset. Leave floating if not used.  P2.2  GND  Ground P1.3  RSVD  Reserved. Do not connect  P2.4  NC  No Connect P1.5  TX1  Transmit Data output (logic level), port 1  P2.6  ETX+  PHY’s Differential Ethernet Transmit Data + P1.7  RTS1  Request to Send output (logic level), port 1  P2.8  ETX-  PHY’s Differential Ethernet Transmit Data - P1.9  RX1  Receive Data input (logic level), port 1  P2.10  ETCT  Differential Ethernet Transmit Data Center Tap P1.11  CTS1  Clear to Send input (logic level), port 1  P2.12  ERCT  Differential Ethernet Receive Data Center Tap P1.13  CP1  IO Configurable Pin 1  P2.14  ERX+  PHY’s Differential Ethernet Receive Data + P1.15  CP2  IO Configurable Pin 2  P2.16  ERX-  PHY’s Differential Ethernet Receive Data - P1.17  CP3  IO Configurable Pin 3  P2.18  E_LINKLED  Connect to Link LED. 3.3V level. Active low. P1.19  CP4  IO Configurable Pin 4  P2.20  E_ACTLED  Connect to Acitivities LED. 3.3V level. Active low. P1.21  TX2  Transmit Data output (logic level), port 2  P2.22  W_LINKLED  Wireless LAN status LED output Active low P1.23  RTS2  Request to Send output (logic level), port 2  P2.24  BOOTP_EN#  Network Boot and Boot Loader Enable pin. P1.25  RX2  Receive Data input (logic level), port 2  P2.26  RSVD  Reserved. Do not connect P1.27  CTS2  Clear to Send input (logic level), port 2  P2.28  RSVD  Reserved. Do not connect P1.29  CP5  IO Configurable Pin 5  P2.30  RSVD  Reserved. Do not connect P1.31  CP6  IO Configurable Pin 6  P2.32  RSVD  Reserved. Do not connect P1.33  CP7  IO Configurable Pin 7  P2.34  RSVD  Reserved. Do not connect P1.35  RSVD  Reserved. Do not connect  P2.36  RSVD  Reserved. Do not connect P1.37  S3.3V  3.3V Power Input  P2.38  RSVD  Reserved. Do not connect P1.39  GND  Ground  P2.40  RSVD  Reserved. Do not connect    Power and Ground The MatchPort b/g Pro requires a regulated 3.3Vdc +/- 5% power input at P1.37 and ground at pin P1.39. Direct connection of 3.3V and ground on MatchPort b/g Pro to 3.3V power and ground planes of the target board is recommended in place of heavy trace routing to minimize noises as well as voltage drops at the connection. Reset The MatchPort b/g Pro reset pin RESETIN# is an input-only pin and connects to an 811-type reset IC. This input is for a pushbutton switch type manual reset. If no external reset control is desired, leave this pin floating.
2:Description and Specifications MatchPort b/g Pro Integration Guide    11 There is an on board capacitor, 0.1uF to ground, at the RESETIN# to filter out transient voltages. However, as always, it is a good practice to have RESETIN# trace on the target board as short as possible to avoid reset occurrences when transient voltages such as those caused by ESD are present. Ethernet Connections The MatchPort b/g Pro provides Ethernet interface transmit ETX and receive data ERX connections from a PHY device. Thus, before presenting signals to the outside world using an RJ45 jack, a 1:1 Ethernet Magnetics is needed to interface and to isolate the unit. A recommended connection diagram to an RJ45 jack with integrated 1:1 Ethernet magnetics is shown below.
2:Description and Specifications MatchPort b/g Pro Integration Guide    12 Figure 2-2. Connection Diagram to an RJ45 Jack    We recommend a low capacitance TVS diode array such as a Semtech SRV05-4 at ETX+, ETX-, ERX+, ERX- if frequent transient voltages are present.  Ethernet LED Connections The E_LINKLED and E_ACTLED signals are driven by the PHY. They are active low. Recommended connections on the target board are shown below. Figure 2-3. Recommended LED Connections
2:Description and Specifications MatchPort b/g Pro Integration Guide    13 Warning: The MatchPort b/g Pro has two 4.7K pull-ups on the  E_LINKLED and E_ACTLED signals to set up the PHY’s LED Indicator Mode as Ethernet Link and Activities at Power On Reset (POR). Do not connect these two signals with any pull-down resistors as they may corrupt the logic level on these two signals at POR, causing undesired operation.  Wireless LED Connections The W_LINKLED is driven by the Radio Module. It is active low. Recommended connections on the target board are shown below. Figure TBD. Recommended LED Connections    Output W_LINKLED can be used to drive an external LED to monitor the activity of the radio. The output is active when the receiver and or transmitter are on. The output is active low and can drive an LED with 10mA max.  If WLAN Power Management is disabled, and when the unit is associated with a network, the receiver will always be on and thus any LED output, that indicates the receiver or transmitter being on will be active continuously.  Antenna Mating Connector An antenna connection is made via the U.FL style connector on the MatchPort. Lantronix offers two cable options, reverse-SMA to U.FL (P/N 500-180-R) or U.FL to U.FL (P/N 500-181-R). Figure 2-4. Reverse-SMA to U.FL (P/N 500-180-R)  Figure 2-5. U.FL to U.FL Cable (P/N 500-181-R)
2:Description and Specifications MatchPort b/g Pro Integration Guide    14 Note: The antenna cable is included in the MatchPort b/g Pro sample. For production, it can be purchased from Lantronix or a cable supplier.   Figure 2-6. R-SMA Antenna Connector Dimensions (not to scale)  Antenna The MatchPort b/g Pro has been FCC certified with a 5dBi gain antenna for wireless 802.11b/g. It is for applications with antennas of equal gain or less. The following are two of the recommended antennas with 2.15dBi gain and a link to their vendor. They are available from Lantronix as well. u Wanshih WSS003 (Lantronix part number 930-029-R) u Wanshih WSS002 (Lantronix part number 930-033-R) www.wanshih.com Serial Input/Output The unit has two serial ports compatible with RS232 serial standards at data rates up to 230 Kbps. Serial Port 1 can also be configured as RS422/485, but Serial Port 2 cannot. The serial I/O signals are 3.3V CMOS logic level. Serial signals can be connected to the OEM CPU/UART or RS232/422/485 serial transceivers. For evaluation and prototype work, it is convenient to have an external RS232 interface that can connect to the serial port on a PC. The MatchPort Demo Board has RS232/422/485 transceivers to implement this external interface. If desired, use the CPs to create a DTE or DCE-style interface using any available CPs. To create these interfaces, connect the signals according to the tables below. Note: CPx and CPy are any of the available CPs.
2:Description and Specifications MatchPort b/g Pro Integration Guide    15 Table 2-1. RS232 Connections MatchPort b/g Pro DCE Connector DTE Connector Signal (Logic) Description   DB9 DB25 Signal DB9 DB25 Signal RXD1  Data In  2  3  RXD1  3  2  TXD1 TXD1  Data Out  3  2  TXD1  2  3  RXD1 RTS1  H/W Flow Control Output 7  4  RTS1  8  5  CTS1 CTS1  H/W Flow Control Input  8  5  CTS1  7  4  RTS1 CPx  Modem Control Input  1  8  DCD  4  20  DTR CPy  Modem Control Output   4  20  DTR  1  8  DCD Table 2-2. JP6 RS422/485 Connections on Demo board MatchPort b/g Pro Signal (logic) Description   RS485 Signal JP6 Pin DB25 4 Wire DB25 2 Wire DB9  4 wire DB9  2 wire TXD1  Data Out  TX+485  4  14  14  7  7 TXD1  Data Out  TX-485  3  15  15  3  3 RXD1  Data In  RX+485  2  21  14  2  7 RXD1  Data In  RX-485  1  22  15  8  3 RTS1  TX Enable             CP3  RS485 Select             CP4  RS485 2-wire             Sample Layouts for RS485 Connectivity Figure 2-7. Combined RS232/422 Transceiver
2:Description and Specifications MatchPort b/g Pro Integration Guide    16 Figure 2-8. Separate RS232/422 Transceivers   Figure 2-9. Separate RS422 Transceivers for 2-Wire and 4-Wire Setups
2:Description and Specifications MatchPort b/g Pro Integration Guide    17 To protect the MatchPort b/g Pro and circuitry on the target board against ESD at serial ports, the selected transceiver(s) should have RS232/422/485 bus-pin ESD protection (typically around 15 KV) either on-chip or by external diode arrays. IO Configurable Pins (CPs) There are up to seven CPs if no DTR or DCD is used on the serial ports. Any CP can be configured as DTR or DCD as described above. CPs can be configured (see the User Guide). All CPs have a pull-up. PIN # NAME FUNCTION P1.13  CP1  IO Configurable Pin 1 P1.15  CP2  IO Configurable Pin 2 P1.17  CP3  IO Configurable Pin 3 P1.19  CP4  IO Configurable Pin 4 P1.29  CP5  IO Configurable Pin 5 P1.31  CP6  IO Configurable Pin 6 P1.33  CP7  IO Configurable Pin 7 BOOTP_EN# The BOOTP_EN# pin performs two functions simultaneously. It drives an optional external diagnostics LED to indicate the status of the bootloader. It also serves as input to enable booting from the network when no valid FW image is found in FLASH. BOOTP enable Holding BOOTP_EN# low (via switch or jumper) during and up to 10 seconds after a reset allows booting the device with a FW image on a TFTP server only in case no valid image is present on FLASH. The MatchPort b/g Pro will issue a BOOTP request to acquire an IP address for itself, the IP address of a TFTP server, and the filename of the FW image on the TFTP server. Then it will fetch that file via TFTP, verify, and execute it. Diagnostics LED After supplying power to the unit or pressing and releasing the reset button, the diagnostics LED turns on and stays on while the bootloader is running and does not encounter any errors. After the bootloader loads firmware from serial, network or FLASH, it turns off the LED right before handing over execution. In case an error occurs during the bootloader operation, it will flash the LED. The pattern will be pause, X * long flashes, Y * short flashes, pause, X long flashes, etc. X is the first digit of the error number and Y the second. Following are the currently implemented errors:  INVALID_BOOTLOADER_CHECKSUM    11 NO_FLASH_IMAGE_FOUND          12 BAD_FLASH_IMAGE_FOUND          13 BAD_COMMAND_PARAMETER        14 NO_BOOTP_RESPONSE            15 BAD_BOOTP_RESPONSE            16 NO_BOOTP_TFTP_IMAGE            17 RECEPTION_TIMEOUT              18 RECEPTION_OVERRUN             19
2:Description and Specifications MatchPort b/g Pro Integration Guide    18 IMAGE_OVERSIZE                21 BAD_IMAGE_CHECKSUM            22 BAD_IMAGE_DESTINATION          23 INTERNAL_CODING_PROBLEM         24 Pin Connection Options The circuit below is an example on how to correctly connect a switch (or permanent jumper) and an LED to the BOOTP_EN# pin. The customer has the option of implementing either the switch/resistor or the driver/LED or both or none. The switch can be replaced by a jumper or hardwire. Having the hardwire in place means that if the firmware image in FLASH becomes corrupt, the MatchPort b/g Pro will automatically send out BOOTP requests over the network. This could be a security risk. The switch or jumper allows BOOTP requests to be sent only after manual intervention. If no switch/jumper/hardwire is installed, network recovery is only possible by issuing a!NL command over the serial port. Figure 2-10. BOOTP_EN# APPLICATION CIRCUIT  Electrical Specifications Caution: Stressing the device above the rating listed in this table may cause permanent damage to the MatchPort b/g Pro. Exposure to Absolute Maximum Rating conditions for extended periods may affect the MatchPort b/g Pro's reliability. Table 2-3. Absolute Maximum Ratings Parameter Symbol Min Max Units Supply Voltage  VCC  0  3.6  Vdc CP Voltage  VCP  -0.3  VCC +0.05  Vdc Ethernet ETX+, ETX-, ERX+, ERX-Voltage  VETH  0  VCC +0.3  Vdc Operating Temperature    -40  70  oC Storage Temperature    -40  85  oC
2:Description and Specifications MatchPort b/g Pro Integration Guide    19 Table 2-4. Recommended Operating Conditions Parameter Symbol Min Typical Max Units Supply Voltage  VCC  3.15  3.3  3.46  Vdc Supply Voltage Ripples  VCC_PP      2  % Supply Current _ Power Management enabled  ICC    245    mA Supply Current _ Power Management disabled      260    mA Supply Current (Peak)      350    mA Supply Reset Threshold  VRST  2.85  2.93  3.00  Vdc CP Pull-ups, except CP5  RPU    100    Kohm CP5 Pull-up  RPU    20    Kohm CP, RX, CTS, BOOTP_EN#  Input Low Voltage  VCP_IL      0.8  Vdc CP, RX, CTS, BOOTP_EN#  Input High Voltage  VCP_IH  2      Vdc (see note below) CP, TX, RTS Output Low Voltage  (IOL = 4 mA)  VCP_OL      0.4  Vdc CP, TX, RTS Output High Voltage  (IOH = -4 mA)  VCP_OH  VCC -0.4      Vdc (see note below) E_LINKLED, E_ACTLED  Current Drive (sink)  IELED    12    mA (see note below) W_LINKLED        10  mA  Notes:   u Do not connect a pull-down resistor on E_LINKLED and E_ACTLED. u All pins are not 5V-tolerant  Wireless Specifications Refer to the following table for the MatchPort b/g Pro’s wireless specifications: Table 2-5. Wireless Specifications Category IEEE 802.11b/g Frequency Range   2.400 – 2.484 GHz  Output Power   14 +2.0/- 1.5 dBm  1, 2, 5.5, 11 Mbps 12 +/- 1.5 dBm  6, 9, ≥ 12 Mbps Antenna Connector   RF, U-FL TYPE HIROSE PN = U_FL-R-SMT-10 Data Rates  1,2,5.5,11,6,9,12,18,24,36,48,54 Mbps     Radio   Number of Selectable Subchannels US 1-11 CA 1-11 JP 1-14 FR 10-13 SP 10-11 OT 1-13   (OT=Others) Modulation   DSSS,DBPSK,DQPSK,CCK, OFDM, 16QAM, 64QAM Security  WEP, WPA, WPA2/802.11i, EAP-TTLS, PEAP, LEAP Maximum Receive Level  -10 dBm (with PER < 8%)
2:Description and Specifications MatchPort b/g Pro Integration Guide    20 Receiver Sensitivity  -69 dBm for 54 Mbps -88 dBm for 11 Mbps -85 dBm for 6 Mbps -91 dBm for 1.0 Mbps W_LINKLED Current  Max 10 mA  Technical Specifications Table 2-6.  Specifications Category MatchPort b/g Pro CPU   Lantronix DSTni-FX 32-bit Microprocessor, 166 MHz internal bus, 83 MHz external bus Memory  64 Mbits Flash and 64 Mbits SDRAM Firmware  Upgradeable via TFTP, FTP, and the Web Configuration Pins  Up to 7 pins if no DTR or DCD is used on serial ports. Reset Circuit  RESETIN# is low active and push-button type. Minimum RESETIN# pulse width is 2 ms at IIL = -500 µA. Reset is also triggered if 3.3V at pin P1.37 drops below 2.93V typically.  Serial Interface   CMOS (Asynchronous) 3.3V - level signals Speed software selectable and customizable (300 bps to 230400 bps) Serial Line Formats  7 or 8 data bits,  1-2 Stop bits, Parity: odd, even, none Modem Control  DTR, DCD using CPs Flow Control  XON/XOFF (software), CTS/RTS (hardware), none Network Interface   Ethernet 10/100 base TX with Auto Negotiation, and HP Auto MDIX Protocols Supported  ARP, UDP, TCP, Telnet, ICMP, SNMP, DHCP, BOOTP, Auto IP, HTTP, HTTPS, SMTP, TFTP, FTP Management  Internal web server, SNMP Serial login, Telnet login, DeviceInstaller software, SSH Internal Web Server  Serves web pages WEB storage capacity: approx. 2.5 MB Security  Password protection, locking features Average Power Consumption (at 3.3V) 0.8 W with Power Management enabled 0.85 W with Power Management disabled Weight   1 oz (28 g) Cover Material  ABS Temperature   Operating range: -40°C to +70°C (-40°F to +158°F) Storage range: -40°C to +85°C (-40°F  to 185°F) Warranty  2-year limited warranty Included Software  Windows™ 98/NT/2000/XP-based Device Installer configuration software and Windows™-based Com Port Redirector and Secure Com Port Redirector, DeviceInstaller, and Web-Manager.
2:Description and Specifications MatchPort b/g Pro Integration Guide    21 Dimensions The MatchPort b/g Pro dimensions are shown in the following diagrams:  Figure 2-11. Side Views
2:Description and Specifications MatchPort b/g Pro Integration Guide    22 Figure 2-12. Top View   Figure 2-13. Bottom View
2:Description and Specifications MatchPort b/g Pro Integration Guide    23 Recommended PCB Layout The hole pattern and mounting dimensions for the MatchPort b/g Pro device server are shown in the following drawing: Figure 2-14. PCB Layout (Top View)    Note: If a socket is used for product development purpose only, two 2-mm, 20-pin sockets spaced 1.42" apart can be used (e.g., Samtec P/N SMM-120-02-S-S-TR). u To optimize noise and cross-talk reduction, noise immunity, and impedance matching on ETX+, ETX-, ERX+, ERX-, follow these guidelines when routing traces on the target PCB: - Route (ETX+, ETX-) pair as close to each other as possible, and far away from ERX+, ERX- and other signals - Route (ERX+, ERX-) pair as close to each other as possible, and far away from ETX+, ETX- and other signals - Set up PCB routing properties on each pair (ETX+, ETX-) and (ERX+, ERX-) to achieve 100-ohm impedance. - For EMI purposes, connect the metal housing (shield) of the RJ45 jack to Power Ground or Earth Ground and do not allow floating.  If  power ground and earth ground are to be separated, add ceramic capacitors in the range of 1000 pF to 0.1 uF in a stitching pattern between the two grounds to provide low impedance paths at high frequencies. The voltage rating on the ceramic capacitors should be much higher than the required isolation voltage between the two grounds. u Connect 3.3V and ground on the MatchPort b/g Pro directly to 3.3V power and ground planes of the target board in place of heavy trace routing. This will minimize noises as well as voltage drops due to the trace. u Make the RESETIN# trace on the target board as short as possible to avoid reset occurrences when transient voltages such as those caused by ESD are present.
2:Description and Specifications MatchPort b/g Pro Integration Guide    24 Product Information Label The product information label contains important information about your specific unit, such as its product ID (name), bar code, part number, and MAC address.  Figure 2-15. Product Label         MAC Address Revision Manufacturing Code Part Number
 MatchPort b/g Pro Integration Guide                                       25 33::  DDeemmoonnssttrraattiioonn  KKiitt  Using a MatchPort b/g Pro sample and the MatchPort Demonstration Kit, you can get familiar with the product and understand how to integrate the MatchPort b/g Pro into a given product design.  Contents of the Kit The MatchPort Demonstration Kit contains the following items:  u MatchPort Demo Board u 3.3V wall adaptor u RS-232 cable, DB9F/F, null modem u RJ45 Ethernet cable u Antenna 2.15 dBi gain You must obtain a MatchPort b/g Pro sample separately for use with this Demonstration Kit. Note: For developing application firmware on the MatchPort b/g Pro, Lantronix offers a MatchPort Plus Development board with a Background Debug Mode (BDM) connector. Please contact Lantronix for more details. Demo Board Description  The MatchPort Demo Board provides a test platform for the Lantronix MatchPort device server products, including MatchPort b/g Pro. The demo board uses 3.3V power from the wall adaptor same as that of MatchPort. The demo board has the following features u 2 serial ports with an RS232/RS422/RS485 Maxim MAX3160 transceiver on each. The ports have DB9M connectors CON1and CON2. u 1 RJ45 with integrated magnetics 1:1 for Ethernet connection; auto-MDIX compatible. u Access to all signals on the MatchPort via header pins for measurements and connections to other places.
3:Demonstration Kit MatchPort b/g Pro Integration Guide    26 Serial Interfaces The demo board has RS-232/422/485 transceivers, one per port. However, note that only Serial Port 1 supports RS232/RS422/485 on MatchPort b/g Pro. The table below lists the RS232 signals and corresponding pins on the demo board. All signals are level-shifted by the transceivers. Table 3-1. RS-232 Signals on Serial Port 1 MatchPort Demo  PIN FUNCTION  DB9 Pin # Serial Port 1 CON1 TX1_232 (Data Out)  3 RX1_232 (Data In)  2 CTS1_232 (HW Flow Control Input)  8 RTS1_232 (HW Flow Control Output)  7 DCD1_232 (Modem Control Input)  1 DTR1_232 (Modem Control Output)  4 GND (Ground)  5 Table 3-x. RS-232 Signals on Serial Port 2 MatchPort Demo  PIN FUNCTION  DB9 Pin # Serial Port 2 CON2 TX2_232 (Data Out)  3 RX2_232(Data In)  2 CTS2_232 (HW Flow Control Input)  8 RTS2_232 (HW Flow Control Output)  7 DCD2_232 (Modem Control Input)  1 DTR2_232 (Modem Control Output)  4 GND (Ground)  5 Table 3-2. RS-422 4-Wire Connector on Serial Port 1 MatchPort Demo  PIN FUNCTION DB9 Pin # Serial Port 1 CON1 TX+485 (Data Out)  7 TX-485 (Data Out)  3 RX+485 (Data In)  2 RX-485 (Data In)  8 GND (Ground)  5 Power Supply The demo board uses an external 3.3V regulated supply (included with kit). General Control The following tables denote the configuration of the demo board. Configuring the jumpers re-routes signals on the demo board to drive LEDs (general purpose outputs), to use as Serial control signals, or to connect to other places on target board as General Purpose IO (GPIO).
3:Demonstration Kit MatchPort b/g Pro Integration Guide    27 Configuration Switch Bank Table 3-3. Demo Board JP1 Jumper Configuration JP1 pin/Signal JP1 pin/Signal Function 1/CP1  2/LED12  Jumper 1-2, CP1 Controls LED12 3/CP2  4/LED11  Jumper 3-4, CP2 Controls LED11 5/CP3  6/LED10  Jumper 5-6, CP3 Controls LED10 7/CP4  8/LED9  Jumper 7-8, CP4 Controls LED9 9/CP5  10/LED8  Jumper 9-10, CP5 Controls LED8 11/CP6  12/LED7  Jumper 11-12, CP6 Controls LED7 13/CP7  14/LED6  Jumper 13-14, CP7 Controls LED6  Table 3-4. Demo Board JP7 Jumper Configuration for CON1 JP7 pin/Signal JP7 pin/Signal Function 1/TXD1  2/TXA  Jumper 1-2, Send TXD to RS232/485 transceiver. 3/RTS1  4/RTSA  Jumper 3-4, Send RTS to RS232/485 transceiver. In 485 mode RTS controls transmit enable. 5/CP3  6/SEL4XXA  Jumper 5-6, CP3 high selects 485 mode, low 232 mode. Pin at transceiver is pulled down to default to 232 mode. 7/RXD1  8/RXA  Jumper 7-8, Receive RXD from RS232/485 transceiver. 9/CTS1  10/CTSA  Jumper 9-10, Receive CTS from RS232 transceiver. 11/CP4  12/HDPX4XXA  Jumper 11-12. In 485 mode, CP4 selects full duplex when low and half duplex when high. Pin at transceiver is pulled down to default to full duplex. 13/CP1  14/DTRA  Jumper 13-14, CP1 drives DTR to RS232 transceiver. 15/CP2  16/DCDA  Jumper 15-16, CP2 receives DCD from RS232 transceiver. Table 3-xx. Demo Board JP8 Jumper Configuration for CON2 JP7 pin/Signal JP7 pin/Signal Function 1/TXD2  2/TXB  Jumper 1-2, Send TXD to RS232 transceiver. 3/RTS2  4/RTSB  Jumper 3-4, Send RTS to RS232 transceiver.  5/CP7  6/SEL4XXB  Do not add jumper since only RS232 is supported. Pin at transceiver is pulled down to default to 232 mode. 7/RXD2  8/RXB  Jumper 7-8, Receive RXD from RS232 transceiver. 9/CTS2  10/CTSB  Jumper 9-10, Receive CTS from RS232 transceiver. 11/RESERVED on MatchPort b/g Pro 12/HDPX4XXB  Do not add jumper since only RS232 is supported. Pin at transceiver is pulled down to default to 232 mode. 13/CP5  14/DTRB  Jumper 13-14, CP5 drives DTR to RS232 transceiver. 15/CP6  16/DCDB  Jumper 15-16, CP6 receives DCD from RS232 transceiver. Note: CP arrangement in the tables above is for demonstration purpose only. In customers’ applications, any CP can be assigned as a function of DTR or DCD. All CPs can be used as GPIOs.
3:Demonstration Kit MatchPort b/g Pro Integration Guide    28 Table 3-5. Demo Board JP5 Jumper Configuration Pin/Signal Pin/Signal Function 1/3V3  2/3V3_UUT  MatchPort UUT power input jumper for current measurement. Jumper 1-2 must be installed to provide power to UUT. If using CPs for any combination of the demo board configurations above, please use the appropriate CP function selection as shown in Table 3-5. If assigning a CP for any function other than the serial port, remove the jumper for the associated CP pin from JP7 to avoid conflict with the serial port function. Table 3-5. Demo Board Configurable Pin Jumper Configurations. Configurable Pin JP1 Function JP7,JP8 Function CP1  LED12  JP7, CON1 DTR CP2  LED11  JP7, CON1 DCD CP3  LED10  JP7, CON1 RS485/232 Select CP4  LED9  JP7, CON1 RS485 Duplex Select CP5  LED8  JP8, CON2 DTR CP6  LED7  JP8, CON2 DCD CP7  LED6  JP8, leave open
3:Demonstration Kit MatchPort b/g Pro Integration Guide    29 Demo Board Layout  Figure 3-1. MatchPort Demo Board Layout
3:Demonstration Kit MatchPort b/g Pro Integration Guide    30 Demo Board Schematics  Figure 3-2. Demo Board Block Diagram   * Depends on module used.
3:Demonstration Kit MatchPort b/g Pro Integration Guide    31 Figure 3-3. Schematic
3:Demonstration Kit MatchPort b/g Pro Integration Guide    32   Figure 3-3. Schematic, continued
3:Demonstration Kit MatchPort b/g Pro Integration Guide    33    Figure 3-3. Schematic, continued
 MatchPort b/g Pro Integration Guide                                       34 AA::  CCoommpplliiaannccee  aanndd  WWaarrrraannttyy  IInnffoorrmmaattiioonn  Compliance Information (According to ISO/IEC Guide 17050-1, 17050-2 and EN 45014)  Manufacturer’s Name & Address:  Lantronix 15353 Barranca Parkway, Irvine, CA 92618 USA  Product Name Model: MatchPort b/g Pro Embedded Device Server Conforms to the following standards or other normative documents: Safety: UL 60950-1 CAN/CSA-C22.2 No. 60950-1-03 EN 60950-1:2006, Low Voltage Directive (73/23/EEC) EMC & Radio: For purposes of certification, the MatchPort b/g pro was tested as a modular device. CFR Title 47 FCC Part 15, Subpart B and C, Class B FCC Module Approval FCC Identifier: R68MPBGPRO Industry Canada ICES-003 Issue 4 (2004), Class B Industry Canada RSS-Gen Issue 2 (2007) Industry Canada RSS-210 Issue 7 (2007) Industry Canada Module Approval IC: 3867A-MPBGPRO EN 301 489-1   v1.6.1 (2006-07), EMC Directive (1999/5/EC) EN 301 489-17 v.1.2.1 (2002-08), EMC Directive (1999/5/EC) EN 300 328 v1.7.1 (2006-10), R&TTE Directive (1999/5/EC) Australia / New Zealand AS/NZS CISPR 22 (2006), Class B Australia / New Zealand AS/NZS 4771 (2000 + A1:2003) EN55022: 2006 EN55024: 1998 + A1: 2001 + A2: 2003 EN61000-3-2: 2006 EN61000-3-3: 1995 + A1: 2001
A:Compliance and Warranty Information  MatchPort b/g Pro Integration Guide    35 Manufacturer’s Contact: Director of Quality Assurance, Lantronix 15353 Barranca Parkway, Irvine, CA 92618 USA Tel: 949-453-3990 Fax: 949-453-3995 Warranty  For details on the Lantronix warranty replacement policy, go to our web site at www.lantronix.com/support/warranty

Navigation menu