Lectrosonics MM400 Wireless Microphone Transmitter User Manual mm400man
Lectrosonics Inc Wireless Microphone Transmitter mm400man
users manual

MM200/MM400
FREQUENCY-AGILE UHF MINIATURE
BELT-PACK TRANSMITTER
LECTROSONICS, INC.
Rio Rancho, NM
www.lectrosonics.com
OPERATING INSTRUCTIONS
and trouble-shooting guide

2
The MM400 transmitter is FCC type accepted under Part 74: 536-608 MHz and 614-806 MHz
WARNING! TO PREVENT INTERNAL CORROSION!
If the transmitter is wet (either due to immersion or high levels of perspiration),
BEFORE opening any covers or connectors, carefully blot the transmitter dry with
a clean paper towel or cloth. Remove all moisture. After opening any connector or
cover, carefully blot up any remaining moisture that may have remained around the
seal. THIS IS IMPORTANT! DO NOT CLOSE ANY COVER OR CONNECTOR
BEFORE MAKING CERTAIN THERE IS NO MOISTURE IN OR NEAR THE
OPENING. After use, it is important to store the transmitter in a dry place with all
access doors and connectors opened to allow any internal humidity to evaporate.
Specifically, open the battery door, the frequency cover plate and fully unscrew and
remove the microphone connector before storing. Do NOT store wet and do NOT
store sealed. If moisture is sealed inside the unit it has nowhere to go other than to
chemically react with and destroy components and the printed circuit board.
TABLE OF CONTENTS
WARNING! TO PREVENT INTERNAL CORROSION! ................................ 2
INTRODUCTION ................................................................................................... 3
GENERAL TECHNICAL DESCRIPTION .............................................................. 3
Temporary Placeholder ......................................................................................... 4
CONTROLS AND FUNCTIONS ............................................................................ 6
BATTERY INSTALLATION .................................................................................... 7
OPERATING INSTRUCTIONS .............................................................................. 8
OPERATING NOTES ............................................................................................ 8
ADJUSTING THE TRANSMITTER FREQUENCY ............................................... 8
MICROPHONE RF Bypassing ............................................................................. 9
TROUBLESHOOTING........................................................................................... 9
SPECIFICATIONS AND FEATURES ................................................................. 10
SERVICE AND REPAIR...................................................................................... 11
RETURNING UNITS FOR REPAIR .................................................................... 12
WARRANTY ..........................................................................................Back cover

3
Frequency Agile UHF Miniature Belt-Pack Transmitter
Rio Rancho, NM – USA
INTRODUCTION
Thank you for selecting the Lectrosonics MM400 frequency agile UHF miniature
transmitter. The MM400 combines over 80 years of engineering experience with the
very latest components, in a design that addresses the most demanding professional
applications.
The design of the MM400 was the direct result of numerous conversations with users,
staging and touring companies and dealers across the US. The specific concerns and
needs brought up in these conversations led directly to the development of the
operational features offered on the MM400. Two hundred fifty six frequencies are user
selectable in 100kHz steps to alleviate interference problems in traveling venues.
The MM400 is a rugged, machined stainless steel package with a removable, spring
loaded belt clip. 3.3 Volts of bias voltage is available to power electret mics. Level
indicating LEDs are provided on the control panel to make level settings quick and
accurate, without having to view the receiver. The battery compartment accepts AA
alkaline or lithium batteries. The antenna is a detachable, locking ¼ wavelength
flexible bronze cable that connects to a 50 Ohm SMA port on the transmitter.
Only the MM400 transmitter is covered in this manual. Companion receivers are
covered in separate manuals. The transmitter will operate with any 400 Series
Lectrosonics receiver in the same frequency group.
If you have a miniature transmitter marked as a MM200 transmitter, this is a factory
programmed variant of the MM400 that uses the Digital Signal Processor in the
MM400 to model the dual band compander used in the 200 series with the appropriate
compander time constants and frequency division. Since the signals are converted
from analog to digital, processed and then converted back to analog, there is a delay
as with all digital audio systems. This delay is 1.6 mS or an equivalent audio path
length delay of 18 inches. With the exception of the audio processing, all other
comments and instructions in this manual can be applied to either the MM400 or
MM200.
GENERAL TECHNICAL DESCRIPTION
If the unit will be used in a wet environment (possible immersion, perspiration, rain scenes, etc.) – be certain all
connectors have intact gaskets and that a properly sealed Lectrosonics’ waterproof mic connector is installed and
used with the microphone.
GENERAL
The 400 system uses 75kHz wide deviation for an extremely high signal to noise ratio. The switching power supplies
provide constant voltages to the transmitter circuits from the beginning (1.5 Volts) to the end (0.85 Volts) of battery life.
The input amplifier uses an ultra low noise op amp for quiet operation. It is gain controlled with a wide range dual
envelope input compressor which cleanly limits input signal peaks over 30dB above full modulation.

4
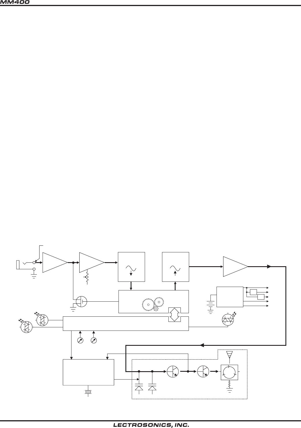
MM400 Block Diagram
DIGITAL HYBRID TECHNOLOGY
All wireless links suffer from channel noise to some degree, and all wireless microphone systems seek to minimize
the impact of that noise on the desired signal. Conventional analog systems use compandors for enhanced dynamic
range, at the cost of subtle artifacts (known as “pumping” and “breathing”). Wholly digital systems defeat the noise by
sending the audio information in digital form, at the cost of some combination of power, bandwidth and resistance to
interference.
The Lectrosonics Digital Hybrid system overcomes channel noise in a dramatically new way, digitally encoding the
audio in the transmitter and decoding it in the receiver, yet still sending the encoded information via an analog FM
wireless link. This proprietary algorithm is not a digital implementation of an analog compandor but a technique which
can be accomplished only in the digital domain, even though the inputs and outputs are analog signals. (As of this
writing, the patent is still pending, so we cannot reveal detailed information about the algorithm at this time.)
Channel noise still has an impact on received signal quality and will eventually overwhelm the receiver. The Digital
Hybrid simply encodes the signal to use a noisy channel as efficiently and robustly as possible, yielding audio perfor-
mance that rivals that of wholly digital systems, without the power and bandwidth problems inherent in digital transmis-
sion. As always, these advantages come at a cost. The Digital Hybrid system requires fairly intensive digital
processing in both the transmitter and the receiver. These processors cost money, take up space and consume power.
The Digital Hybrid system also requires that the underlying RF link be of excellent quality, with better frequency
response and distortion characteristics than that required by conventional systems.
Because it uses an analog FM link, the Digital Hybrid enjoys all the benefits of conventional FM wireless systems,
such as excellent range, efficient use of RF spectrum, and resistance to interference. However, unlike conventional
FM systems, the Digital Hybrid has done away with the analog compandor and its artifacts.
DUAL BAND COMPANDOR MODELING in the MM200
Traditionally, compandors have been a source of distortion in wireless microphone systems. The basic problem with
conventional systems is that the attack and decay times are always a compromise. If the time constants are fast, high
frequency transients will not be distorted, but this will cause low frequency distortion. If the time constants are slower,
low frequency audio distortion will be low, but high frequency transients will then be distorted. The 200 system intro-
duces an entirely new approach to solving this basic problem, called “dual-band companding.”
Transmitter
Phase Locked Loop
Voltage
Controlled
Oscillator
Freq
Switches
(Fits Switchcraft
plug #850.)
11001001
A-D
Converter
Digital Signal Processor
11001001
D-A
Converter
Shunt
Limiter
Bicolor
Modulation
LEDs
Microprocessor
1.5V
AA
Lithium
Switching
Power
Supply
+3.3v
+3v
+1.8v
+6v
-3v
50 Isolator
Hi/Lo
Pass
Filter
Audio
Encoded
Audio +
Pilot Tone
4MHz
Reference
Bicolor
Power
LED
Mic
Jack
+3V Bias
Supply
Audio
Level
Input
Amp

5
Frequency Agile UHF Miniature Belt-Pack Transmitter
Rio Rancho, NM – USA
There are actually two separate compandors in the 200 system, one for high frequencies and one for low frequencies.
A crossover network separates the frequency bands at 1kHz with a 6dB per octave slope, followed by separate high
and low frequency compandors. The attack and release times in the high frequency compandor are fast enough to keep
high frequency transient distortion at a low level, and the low frequency compandor uses slower time constants,
reducing low frequency distortion to well below that of a conventional compandor.
NO PRE-EMPHASIS/DE-EMPHASIS
The signal to noise ratio of the 400 and 200 systems is high enough to preclude the need for conventional pre-empha-
sis (HF boost) in the transmitter and de-emphasis (HF roll off) in the receiver. Pre-emphasis and de-emphasis in an
FM radio system usually provides about a 10dB improvement in the signal to noise ratio of the system, but the high
frequency boost in the transmitter must be removed in a purely complementary manner or else the frequency response
of the original audio signal will be altered.
Pre-emphasis can also cause distortion in the receiver. As this signal is passed through the IF filters in the receiver,
distortion can be produced, most noticeable at full modulation. De-emphasis cannot be applied until the signal is
converted into audio, so there is no way around this problem short of eliminating pre-emphasis altogether. Neither of
these problems occur in the 400 system. The dual-band compandor in the modeled 200 Series system essentially
provides a dynamic pre-emphasis/de-emphasis function with low distortion.
LOW FREQUENCY ROLL-OFF
A 12 dB per octave low frequency roll-off is provided in the audio section, with the -3dB point at 70 Hz. The actual roll-
off frequency will vary somewhat according to the low frequency response of the mic capsule being used.
The low frequency roll-off is used to remove subsonic (or very low frequency) audio, often produced by air conditioning
systems, automobile traffic and other sources from the audio signal. Excessive low frequency content in the audio
input can cause a variety of audio problems including driving the transmitter into limiting. In sound reinforcement
systems, as one instance, excessive low frequency content can cause excessive power amplifier drain or even
damage to loudspeaker systems.
PILOT TONE SQUELCH
The 400 system utilizes one of 256 different ultrasonic tones between 25 and 32 kHz, that modulate the carrier to
operate the receiver squelch. The “pilot tone” frequency is chosen according to which of the 256 channels has been
selected by the frequency switch setting. The MM200, however, has only a single tone at 32.765 kHz. The basic
benefit of the pilot tone squelch system is that the receiver will remain muted until it receives the pilot tone from the
matching transmitter, even if a strong RF signal is present on the carrier frequency of the system. The MM400 extends
this concept even farther by insuring that all transmitters in a system have different pilot tone frequencies so that even
spurious RF from the wrong transmitters can’t open the receiver squelch.
WIDE-BAND DEVIATION
±75kHz deviation improves the capture ratio, signal to noise ratio and AM rejection of a wireless system dramatically,
compared to the more commonly used ±15kHz deviation.
BATTERY LIFE
Switching power supplies throughout the design allow about 4.5 hours of operation using a single AA lithium battery.
(An alkaline or NiMh AA battery will provide about 2 hours of operation.) The battery contacts are spring loaded to
prevent “rattle” as the unit is handled.
FREQUENCY AGILITY
The transmitter section uses a synthesized, frequency selectable main oscillator. The frequency is extremely stable
over a wide temperature range and over time. Two rotary switches, located on the side panel of the unit, provide 256
frequencies in 100kHz steps over a 25.5MHz range. This alleviates carrier interference problems in mobile or traveling
applications.
CIRCULATOR
The RF output circuit includes a one way circulator/isolator using a magnetically polarized ferrite. This device greatly
reduces RF intermodulation produced when multiple transmitters are used at separations of less than five feet. It also
provides additional RF output stage protection but is rarely seen in a wireless microphone transmitter due to its high
cost.

6
CONTROLS AND FUNCTIONS
MIC JACK
The Microplug (2.5 mm) input on the transmitter accommodates 2 wire positive bias lavalieres. A waterproof mic
connector is available from Lectrosonics as an assembly kit. A Switchcraft 850 connector can be used in an emer-
gency though it is not waterproof. See the separate sheet titled “Waterproof Microplug Wiring” regarding the
correct connections for various microphones, and other sources.
ON/OFF SWITCH
There is no on/off switch for this unit. Simply remove the battery to turn the unit off. There will be a thump in the
receiver when the transmitter battery is removed, so turning the received audio off in the main sound system may be
necessary.
“POWER” LAMP
Glows green when the battery is good. When the lamp glows red, there is about 30 minutes of operation left with the
recommended lithium battery. An alkaline battery will have about 20 minutes of life left. The lamp will flash red when
there are only a few minutes of life. A NiMh battery will give little or no warning when it is depleted. If you wish to use
NiMh batteries in the MM400, we recommend trying fully charged batteries in the unit, noting the length of time that the
batteries will run the unit and in the future use somewhat less than that time to determine when the battery needs to be
replaced. A weak battery will sometimes light the POWER LED to the “good” green indication immediately after being
put in the unit, but will soon discharge to the point where the LED will go red or shut down, just like a flashlight with
“dead” batteries.
FREQUENCY ADJUST
These two rotary switches adjust the center frequency of the carrier. The 1.6M is
a coarse adjustment and the 100K is the fine adjustment.
Unscrew the knurled knob a few turns to loosen the water tight cap to gain access
to the two frequency switches.
0
1
2
3
4
5
6
7
8
9
A
B
C
D
E
F
0
1
2
3
4
5
6
7
8
9
A
B
C
D
E
F
1.6M 100K
ANTENNA MIC
–10
–20
POWER
LECTRO
Digital Hybrid Wireless
MM400
AUDIO
LEVEL
AA BATTERY
SN: XXXX
U.S. Patent Pending
FCCID:DBZMM400
Lectrosonics, Inc.
Made in U.S.A
MIC JACK
POWER LAMP
FREQUENCY
ADJUST
MODULATION
LEDs
AUDIO
LEVEL
ANTENNA
BATTERY
COMPARTMENT

7
Frequency Agile UHF Miniature Belt-Pack Transmitter
Rio Rancho, NM – USA
MODULATION LEDS
Indicate the proper setting of the MIC LEVEL control. There are two bicolor modulation LEDs that can light either red or
green.
“-20dB level”One modulation LED glows green and the transmitter is 20 dB below full modulation.
“-10 dB level”Both modulation LEDs glow green and the transmitter is close to full modulation.
“+0 dB level”One Led is red and the other is green. The transmitter is in slight limiting and is fully modulated.
This is probably desirable. See the discussion below.
“+10 dB level”Both LEDs are red.. The transmitter is in limiting and you may want to reduce the transmitter audio
gain. See the discussion below.
The 400 series transmitters employ a digitally-controlled analog audio limiter just before the analog-to-digital
converter. The limiter has a range of more than 30dB for excellent overload protection. A dual release envelope
makes the limiter acoustically transparent while maintaining low distortion. It can be thought of as two limiters in
series, connected as a fast attack and release limiter followed by a slow attack and release limiter. The limiter
recovers quickly from brief transients, so that its action is hidden from the listener, but recovers slowly from
sustained high levels, to both keep audio distortion low and preserve short term dynamic changes.
The audio level LEDs indicate limiter activity. The first red LED indicates that the limiter is active and that the
transmitter is fully modulated (audio level is between +0 and +10 dB). The second red LED indicates that the
level is 10dB or more into limiting. Occasional forays into the red are desirable for most applications, since the
distortion introduced by the limiter is so minimal, and full modulation is thus assured. We strongly recommend
setting the gain of the transmitter high enough so that the first red LED occasionally lights.
Generally speaking, some limiting is desirable in normal operation to improve the signal to noise ratio of the
system. The limiting action is not audible and does not create distortion. A highly trained ear would hear only the
compression of the peaks in the audio signal, which is desirable with most recorders and many sound reinforce-
ment systems.
AUDIO LEVEL
Used to adjust the audio input level for the proper modulation.
ANTENNA
The flexible bronze cable antenna supplied with the transmitter is cut to ¼ wavelength of the center of the frequency
block (the frequency range) of the transmitter. It is removable via an SMA connector. The SMA connector is a
50 Ohm RF port which can also be connected directly to test equipment. Replacement antennas are available in pre-
cut lengths for specific frequency blocks, or as a kit with instructions to cut the antenna for any frequency block.
THE BELT CLIP
The belt clip may be removed for special applications by gently spreading the spring wire clip and pulling the ends out
of the holes in the case. The clip can be installed in two positions so that when worn, the antenna can be pointing up
or down.

8
BATTERY INSTALLATION
The transmitter is powered by a standard lithium, NiMh or alkaline AA 1.5 Volt battery. Standard zinc-carbon batteries
marked “heavy-duty” or “long-lasting” will not work. NiMh rechargeable batteries will only provide 2 hours of
operation but will run down quite abruptly. Alkaline batteries provide over 2 hours of operation with some warning.
Lithium batteries can be used to provide up to 4.5 hours. The battery status circuitry is designed for the voltage drop
over the life of lithium batteries.
To open the battery compartment, unscrew the battery door. Remove the door and take note of the polarity marked on
the case showing the location of the positive (+) and negative (-) terminals. You can see the small contact hole inside
the battery compartment with the door open.
Insert the battery correctly and close the cover by screwing the door shut. If the battery is inserted incorrectly, the
door will not screw in easily and the unit will not work.
OPERATING INSTRUCTIONS
1) Insert the microphone plug into the input jack, aligning the pins; be sure that the connector locks in.
2) Attach the antenna to the SMA connector on the top of the transmitter.
3) Mute the sound system.
4) Install a fresh battery according to the instructions above.
5) Position the microphone in the location you will use in actual operation.
6) While speaking or singing at the same voice level that will actually be used, observe the MODULATION LEDs.
Adjust the AUDIO LEVEL control until the LEDs begin to light. Start at a low setting where neither LED lights as
you speak. Gradually, turn the gain up until the –20 dB LED lights green and then the -10 dB lights green. We
strongly recommend setting the gain of the transmitter even higher so that the first red LED occasionally lights.
7) Once the gain has been adjusted, the audio system audio can be turned on to make level adjustments in the main
audio system.
OPERATING NOTES
The AUDIO LEVEL control should not be used to control the volume of your sound system or recorder levels. This
gain adjustment matches the transmitter gain with the user’s voice level and microphone positioning.
If the audio level is too high — both red LEDs will light frequently or stay lit. This condition may reduce the dynamic
range of the audio signal.
If the audio level is too low — neither LED will light, or the -20 LED will light green. This condition may cause hiss and
noise in the audio. Different voices will usually require different settings of the AUDIO LEVEL control, so check this
adjustment as each new person uses the system. If several different people will be using the transmitter and there is
not time to make the adjustment for each individual, adjust it for the loudest voice.

9
Frequency Agile UHF Miniature Belt-Pack Transmitter
Rio Rancho, NM – USA
ADJUSTING THE TRANSMITTER FREQUENCY
If you are experiencing interference from another signal on your frequency,
you may want to change the operating frequency of your system. The left
switch changes the operating frequency by 1.6 MHz per step and the right
switch changes it 100 kHz per step. If you are experiencing interference,
change the operating frequency in 100 kHz steps to find a clear channel. If it
is not possible to find a clear channel using the 100 kHz switch, return it to
its original position and change the 1.6 MHz switch by one click then try the
100 kHz switch again.
To gain access to these switches, unscrew the retaining bolt that holds the
access door to the case. It is not necessary to remove the bolt from the case since it is retained by the case with
enough room to still remove the access door. Pull the access door away from the case and swing the door to the side
to gain access to the frequency switches.
0
1
2
3
4
5
6
7
8
9
A
B
C
D
E
F
0
1
2
3
4
5
6
7
8
9
A
B
C
D
E
F
1.6M 100K
MICROPHONE RF BYPASSING
3 WIRE MIC2 WIRE MIC
CAPSULE CAPSULE
SHIELD
AUDIO
SHIELD
AUDIO
BIAS
MIC
CONNECTOR
MIC
CONNECTOR
Preferred locations for bypass capacitors
Alternate locations for b
y
pass capacitors
Some mics require RF protection to keep the radio signal
from affecting the capsule, even though the transmitter
input circuitry is already RF bypassed.
If the mic is wired as directed, and you are having
difficulty with squealing, high noise, or poor frequency
response; RF is likely to be the cause.
The best RF protection is accomplished by installing RF
bypass capacitors at the mic capsule. If this is not
possible, or if you are still having problems, capacitors
can be installed on the mic wires inside the TA5F connec-
tor housing.
Install the capacitors as follows: Use 330 pF capacitors.
Capacitors are available from Lectrosonics. Please
specify the part number for the desired lead style.
Leaded capacitors: P/N 15117
Leadless capacitors: P/N SCC330P
All Lectrosonics lavalier mics are already bypassed and
do not need any additional capacitors installed for proper
operation.

10
TROUBLESHOOTING
Before going through the following chart, be sure that you have a good battery in the transmitter. It is important that
you follow these steps in the sequence listed.
SYMPTOM POSSIBLE CAUSE
TRANSMITTER BATTERY LED OFF 1) Battery is inserted backwards.
2) Battery is dead.
NO TRANSMITTER MODULATION LEDs 1) Gain control turned all the way down.
2) Battery is in backwards. Check power LED.
3) Mic capsule is damaged or malfunctioning.
4) Mic cable damaged or mis-wired.
RECEIVER INDICATES NO RF 1) Transmitter not turned on.
2) Transmitter battery is dead.
3) Receiver antenna missing or improperly positioned.
4) Transmitter and receiver not on same frequency. Check
switches/display on transmitter and receiver.
5) Operating range is too great.
6) Transmitter antenna not connected
NO SOUND (OR LOW SOUND LEVEL), 1) Receiver output level set too low.
RECEIVER INDICATES PROPER AUDIO 2) Receiver output is disconnected; cable is defective
MODULATION or mis-wired.
3) Sound system or recorder input is turned down.
DISTORTED SOUND 1) Transmitter gain (audio level) is far too high. Check mod
level lamps on transmitter and receiver as it is being used.
(refer to “Operating Instructions” section for details on gain
adjustment)
2) Receiver output may be mis-matched with the sound
system or recorder input. Adjust output level on receiver
to the correct level for the recorder, mixer or sound
system.
3) Excessive wind noise or breath “pops.” Reposition
microphone and/or use a larger windscreen.
4) Transmitter is not set to same frequency as receiver.
Check that frequency select switches on receiver and
transmitter match.
HISS AND NOISE -- AUDIBLE DROPOUTS 1) Transmitter gain (audio level) far too low.
2) Receiver antenna missing or obstructed.
3) Transmitter antenna missing.
4) Operating range too great.
EXCESSIVE FEEDBACK 1) Transmitter gain (audio level) too high causing limiting.
Check gain adjustment and/or reduce receiver output level.
2) Transmitter too close to speaker system.
3) Mic is too far from user’s mouth.

11
Frequency Agile UHF Miniature Belt-Pack Transmitter
Rio Rancho, NM – USA
SPECIFICATIONS AND FEATURES
Operating frequencies: 537.600 to 607.900 MHz
614.100 to 793.500 MHz
Frequency selection: 256 frequencies in 100kHz steps
RF Power output: 100 mW (nominal)
Pilot tone: 25 to 32 kHz (32.765 kHz on MM200); 5kHz deviation
Frequency stability: ± 0.002%
Deviation: ± 75 kHz (max)
Spurious radiation: 90 dB below carrier
Equivalent input noise: –123 dBV
Input level: Nominal 2 mV to 300 mV, before limiting.
Greater than 1.5V maximum, with limiting.
Input impedance: 2 kOhm
Input compressor: Soft compressor, >30 dB range
Gain control range: 43 dB; semi-log rotary control
Modulation indicators: Dual bicolor LEDs indicate modulation of –20, -10, 0, +10 dB referenced
to full modulation.
Low frequency roll-off: –12dB/octave; 70 Hz
Controls: Front panel knob adjusts audio gain. Rotary switches on bottom panel adjust
transmitter frequency.
Audio Input Jack: 2.5 mm Microjack (matches Switchcraft 850 Microplug)
Antenna: Detachable, flexible bronze wire supplied. 50 Ohm port allows
connection to test equipment.
Battery: 1.5 Volt AA lithium recommended
Battery Life: 1.5 hours (alkaline); 4 hours (lithium)
Weight: 7.3 ozs. including battery
Overall Dimensions: 3.03 x 2 x 0.69 inches (not including microphone or antenna)
Emission Designator: 180KF3E
Specifications subject to change without notice.
The FCC requires that the following statement be included in this manual:
FCC RF Exposure Statement
This device complies with FCC radiation exposure limits as set
forth for an uncontrolled environment. This device should be
installed and operated so that its antenna(s) are not co-located or
operating in conjunction with any other antenna or transmitter.

12
SERVICE AND REPAIR
If your system malfunctions, you should attempt to correct or isolate the trouble before concluding that the equipment
needs repair. Make sure you have followed the setup procedure and operating instructions. Check out the intercon-
necting cords and then go through the TROUBLESHOOTING section in the manual
We strongly recommend that you do not try to repair the equipment yourself and do not have the local repair shop
attempt anything other than the simplest repair. If the repair is more complicated than a broken wire or loose connec-
tion, send the unit to the factory for repair and service. Don’t attempt to adjust any controls inside the units. Once set
at the factory, the various controls and trimmers do not drift with age or vibration and never require readjustment.
There are no adjustments inside that will make a malfunctioning unit start working.
LECTROSONICS service department is equipped and staffed to quickly repair your equipment. In-warranty repairs are
made at no charge in accordance with the terms of the warranty. Out of warranty repairs are charged at a modest flat
rate plus parts and shipping. Since it takes almost as much time and effort to determine what is wrong as it does to
make the repair, there is a charge for an exact quotation. We will be happy to quote approximate charges by phone for
out of warranty repairs.
RETURNING UNITS FOR REPAIR
You will save yourself time and trouble if you will follow the steps below:
A. DO NOT return equipment to the factory for repair without first contacting us by letter or by phone. We need to know
the nature of the problem, the model number and the serial number of the equipment. We also need a phone number
where you can be reached 8 am to 4 pm (Mountain Standard Time).
B. After receiving your request, we will issue you a return authorization number (R.A.). This number will help speed
your repair through our receiving and repair departments. The return authorization number must be clearly shown on
the outside of the shipping container.
C. Pack the equipment carefully and ship to us, shipping costs prepaid. If necessary, we can provide you with the
proper packing materials. UPS is usually the best way to ship the units. Heavy units should be “double-boxed” for
safe transport.
D. We also strongly recommend that you insure the equipment, since we cannot be responsible for loss of or damage
to equipment that you ship. Of course, we insure the equipment when we ship it back to you.
Mailing address: Shipping address: Telephones:
Lectrosonics, Inc. Lectrosonics, Inc. Regular: (505) 892-4501
PO Box 15900 581 Laser Rd. Toll Free (800) 821-1121
Rio Rancho, NM 87174 Rio Rancho, NM 87124 FAX: (505) 892-6243
USA USA
World Wide Web: http://www.lectrosonics.com Email: sales@lectrosonics.com

13
Frequency Agile UHF Miniature Belt-Pack Transmitter
Rio Rancho, NM – USA
This page intentionally blank.

LIMITED ONE YEAR WARRANTY
The equipment is warranted for one year from date of purchase against defects in
materials or workmanship provided it was purchased from an authorized dealer. This
warranty does not cover equipment which has been abused or damaged by careless
handling or shipping. This warranty does not apply to used or demonstrator equipment.
Should any defect develop, Lectrosonics, Inc. will, at our option, repair or replace any
defective parts without charge for either parts or labor. If Lectrosonics, Inc. cannot
correct the defect in your equipment, it will be replaced at no charge with a similar new
item. Lectrosonics, Inc. will pay for the cost of returning your equipment to you.
This warranty applies only to items returned to Lectrosonics, Inc. or an authorized
dealer, shipping costs prepaid, within one year from the date of purchase.
This Limited Warranty is governed by the laws of the State of New Mexico. It states the
entire liablility of Lectrosonics Inc. and the entire remedy of the purchaser for any
breach of warranty as outlined above. NEITHER LECTROSONICS, INC. NOR
ANYONE INVOLVED IN THE PRODUCTION OR DELIVERY OF THE EQUIPMENT
SHALL BE LIABLE FOR ANY INDIRECT, SPECIAL, PUNITIVE, CONSEQUENTIAL,
OR INCIDENTAL DAMAGES ARISING OUT OF THE USE OR INABILITY TO USE
THIS EQUIPMENT EVEN IF LECTROSONICS, INC. HAS BEEN ADVISED OF THE
POSSIBILITY OF SUCH DAMAGES. IN NO EVENT SHALL THE LIABILITY OF
LECTROSONICS, INC. EXCEED THE PURCHASE PRICE OF ANY DEFECTIVE
EQUIPMENT.
This warranty gives you specific legal rights. You may have additional legal rights which
vary from state to state.
LECTROSONICS, INC.
581 LASER ROAD
RIO RANCHO, NM 87124 USA
www.lectrosonics.com
June 3, 2002
LIMITED ONE YEAR WARRANTY