Lectrosonics SMQL Body Worn Wireless Microphone Transmitter User Manual SMDman pmd
Lectrosonics Inc Body Worn Wireless Microphone Transmitter SMDman pmd
user manual

SM
Super Miniature Belt-Pack Transmitter
Including SMD, SMQ
With Digital Hybrid Wireless™ Technology
INSTRUCTION MANUAL
Rio Rancho, NM, USA
www.lectrosonics.com
Fill in for your records:
Serial Number:
Purchase Date:

SM
LECTROSONICS, INC.2
Thank you for selecting the Lectrosonics SM ultra-
miniature transmitter. The unique design provides
several distinct features for professional applications:
Outstanding RF operating range
Superb audio quality
Ultra-lightweight, corrosion resistant housing
Water resistant seals for use in damp environments
Programmable compatibility modes for maximum
versatility
The Digital Hybrid WirelessTM design (US Patent
Pending) combines 24-bit digital audio with analog FM
resulting in a system that has the same operating range
as analog systems (plus the graceful failure at the limits
of that range), the same spectral efficiency as analog
systems, the same long battery life as analog systems,
but with the excellent audio found in digital systems.
The SM uses a standard Lectrosonics 5-pin type input
jack for use with electret lavaliere mic, dynamic mic, or
line level signals. A water resistant control panel with
LCD, membrane switches and multi-color LEDs make
input gain adjustments and frequency and compatibility
mode selection quick and accurate, without having to
view the receiver. The battery compartment accepts an
AA lithium battery. Plus, the SM is machined from a
solid aluminum block to provide an extremely light-
weight and rugged package. A special non-corrosive
finish (the same one used by NASA) resists salt water
exposure and perspiration in extreme environments.
The DSP-based design works with all Digital Hybrid
recievers, and is backward compatible with
Lectrosonics 200 and 100 Series and IFB receivers and
some other brands of analog wireless receivers. Only
the SM transmitter is covered in this manual. Compan-
ion receivers are covered in separate manuals.

Super-Minature Belt Pack Transmitter
Rio Rancho, NM 3
Table of Contents
General Technical Description ..............................................................................................................................................................4
Introduction ...........................................................................................................................................................................................4
Digital Hybrid Wireless™ Technology* .................................................................................................................................................4
No Pre-Emphasis/De-Emphasis ...........................................................................................................................................................4
Low Frequency Roll-Off ........................................................................................................................................................................ 4
Input Limiter .......................................................................................................................................................................................... 5
Digital Signal Processor .......................................................................................................................................................................5
Microprocessor, PLL and VCO Circuits ................................................................................................................................................ 5
Compatibility Modes .............................................................................................................................................................................5
Pilot Tone Squelch ................................................................................................................................................................................5
Control Panel ........................................................................................................................................................................................5
Wide-Band Deviation ............................................................................................................................................................................5
Battery Life ........................................................................................................................................................................................... 5
Frequency Agility ..................................................................................................................................................................................5
Circulator/Isolator .................................................................................................................................................................................5
Controls and Functions ......................................................................................................................................................................... 6
LCD Screen .......................................................................................................................................................................................... 6
Power LED............................................................................................................................................................................................6
Audio Input Jack ...................................................................................................................................................................................6
Modulation LEDs ..................................................................................................................................................................................6
Audio Button .........................................................................................................................................................................................6
Freq Button ...........................................................................................................................................................................................6
Up/Down Arrows ................................................................................................................................................................................... 6
Antenna ................................................................................................................................................................................................6
Battery Compartment and Thumb Screw .............................................................................................................................................6
SM Screen Selections ............................................................................................................................................................................ 7
Audio Screen ........................................................................................................................................................................................ 7
Frequency Screen ................................................................................................................................................................................ 7
Compatibility Mode Screen .................................................................................................................................................................. 7
Lock/Unlock Screen ..............................................................................................................................................................................7
Power On Timer Screen .......................................................................................................................................................................7
Power Off Timer Screen .......................................................................................................................................................................7
Standby Mode ......................................................................................................................................................................................8
Battery Installation ................................................................................................................................................................................. 8
Operating Instructions .......................................................................................................................................................................... 9
Power Up and Boot Sequence .............................................................................................................................................................9
Power Down .........................................................................................................................................................................................9
Standby Mode ......................................................................................................................................................................................9
Selecting the Compatibility Mode .........................................................................................................................................................9
Setting Transmitter Operating Frequency ...........................................................................................................................................10
Attaching a Microphone and Adjusting Gain ......................................................................................................................................10
Locking or Unlocking the Control Panel..............................................................................................................................................11
5-Pin Input Jack Wiring ........................................................................................................................................................................12
Microphone RF Bypassing ................................................................................................................................................................. 12
Line Level Signals ..............................................................................................................................................................................12
Wiring Hookups for Different Sources ...............................................................................................................................................13
Troubleshooting ...................................................................................................................................................................................16
Specifications and Features ............................................................................................................................................................... 18
Service and Repair ............................................................................................................................................................................... 19
Returning Units for Repair ..................................................................................................................................................................19

SM
LECTROSONICS, INC.4
*US Patent Pending
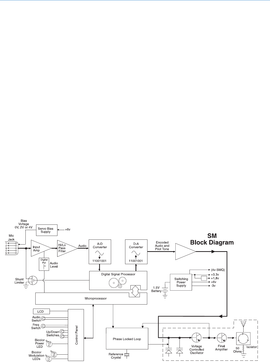
Introduction
The SM transmitter uses ±75 kHz wide deviation for an
extremely high signal to noise ratio, switching power
supplies to provide constant voltages to the transmitter
circuits from the beginning (1.5 Volts) to the end (0.85
Volts) of battery life, and an ultra low noise input amplifier
for quiet operation. It is gain protected with a wide range
dual envelope input limiter which cleanly limits input
signal peaks over 30 dB above full modulation.
Servo Input
The SM input is a radically different input system
compared to previous Lectrosonics transmitter micro-
phone inputs. It is so superior that this input system will
eventually be utilized by all Lectrosonics UHF transmit-
ters. This may cause some confusion but the advan-
tages are very real. The improvements are audible and
make the transmitters easier to use and much harder to
overload. It is no longer necessary on some mics to
introduce pads to prevent overload of the input stage,
divide the bias voltage down for some low voltage mics,
or reduce the limiter range at minimum gain settings.
Digital Hybrid Wireless™ Technology*
All wireless links suffer from channel noise to some
degree, and all wireless microphone systems seek to
minimize the impact of that noise on the desired signal.
Conventional analog systems use compandors for
enhanced dynamic range, at the cost of subtle artifacts
(known as “pumping” and “breathing”). Wholly digital
systems defeat the noise by sending the audio informa-
tion in digital form, at the cost of some combination of
power, bandwidth and resistance to interference.
General Technical Description
Lectrosonics Digital Hybrid Wireless™ systems over-
come channel noise in a dramatically new way, digitally
encoding the audio in the transmitter and decoding it in
the receiver, yet still sending the encoded information
via an analog FM wireless link. This proprietary algo-
rithm is not a digital implementation of an analog
compandor but a technique that can be accomplished
only in the digital domain, even though the inputs and
outputs are analog.
Channel noise still impacts received signal quality and
will eventually overwhelm a receiver. Digital Hybrid
Wireless™ simply encodes the signal to use a noisy
channel as efficiently and robustly as possible, yielding
audio performance that rivals that of wholly digital
systems, without the power and bandwidth problems
inherent in digital transmission.
Because it uses an analog FM link, Digital Hybrid
Wireless™ enjoys all the benefits of conventional FM
wireless systems, such as excellent range, efficient use
of RF spectrum, and resistance to interference. How-
ever, unlike conventional FM systems, it does away with
the analog compandor and its artifacts.
No Pre-Emphasis/De-Emphasis
The Digital Hybrid Wireless™ design results in a signal-
to-noise ratio high enough to preclude the need for
conventional pre-emphasis (HF boost) in the transmitter
and de-emphasis (HF roll off) in the receiver.
Low Frequency Roll-Off
A 12 dB per octave low frequency roll-off is provided in
the audio section, with the -3 dB point at 70 Hz. The

Super-Minature Belt Pack Transmitter
Rio Rancho, NM 5
actual roll-off frequency will vary somewhat according to
the low frequency response of the mic capsule being
used.
The low frequency roll-off is used to remove subsonic
(or very low frequency) audio, often produced by air
conditioning systems, automobile traffic and other
sources from the audio signal. Excessive low frequency
content in the audio input can cause a variety of audio
problems including driving the transmitter into limiting.
Input Limiter
A DSP-controlled analog audio limiter is employed
before the analog-to-digital converter. The limiter has a
range of more than 30 dB for excellent overload protec-
tion. A dual release envelope makes the limiter acousti-
cally transparent while maintaining low distortion. It can
be thought of as two limiters in series, connected as a
fast attack and release limiter followed by a slow attack
and release limiter. The limiter recovers quickly from
brief transients, so that its action is hidden from the
listener, but recovers slowly from sustained high levels,
to both keep audio distortion low and preserve short
term dynamic changes.
Two bicolor LEDs indicate limiter activity. (See
Operat-
ing Instructions, Adjusting Audio Levels
.)
Digital Signal Processor
The DSP encodes the digitized audio from the A-D
Converter and adds an ultrasonic Pilot Tone to control
the receiver's squelch (only in 400 Series, 200 Series,
IFB Compatibility Mode, and Mode 6 – see
Pilot Tone
Squelch
). It also controls the input limiter.
Microprocessor, PLL and VCO Circuits
An 8-bit microprocessor monitors user command inputs
from the Control Panel buttons and numerous other
internal signals. It works intimately with the DSP to
ensure the audio is encoded according to the selected
Compatibility Mode and the correct pilot tone is added
to the encoded signal. (See
Pilot Tone Squelch
.) It also
drives the LCD display and operates the PLL/VCO
circuits.
Compatibility Modes
The SM transmitter was designed to operate with
Lectrosonics 400 Series receivers and will yield the best
performance when doing so. However, due to the
flexibility of digital signal processing, the SM is also able
to operate with Lectrosonics 200 Series, Lectrosonics
100 Series, IFB and certain non-Lectrosonics receivers
in special compatibility modes. (Contact the Lectroson-
ics Sales Department for a complete list of non-
Lectrosonics compatible receivers.)
Pilot Tone Squelch
A fixed frequency pilot tone squelch system (such as
Lectrosonics 200 Series) ensures that a receiver
remains muted until it receives the pilot tone from the
matching transmitter, even if a strong RF signal is
present on the carrier frequency of the system.
The 400 Series (Digital Hybrid Wireless™) takes this a
step further by using one of 256 different ultrasonic
tones between 25 kHz and 32 kHz to modulate the
carrier and operate the receiver squelch. The pilot tone
frequency is chosen according to which of the 256
channels has been selected. (See
SM Screen Selec-
tions
.)
This ensures that all transmitters in a system have
different pilot tone frequencies so that even spurious RF
from the wrong transmitters can’t open the receiver
squelch.
Control Panel
A waterproof control panel which includes four mem-
brane switches and an LCD screen is used to set and
adjust the operational settings, and also provide a
visual feedback of overall system operation. (See
Controls and Functions.
)
Wide-Band Deviation
A ±75 kHz deviation improves the capture ratio, signal
to noise ratio and AM rejection of a wireless system
dramatically, compared to other designs that use 30
kHz to 40 kHz deviation. This combined with a full 100
mW of power output makes a significant improvement
in signal to noise ratio and maximum operating range.
Battery Life
Switching power supplies throughout the design allow
about 4.5 hours of operation using a single AA lithium
battery (Two AA batteries for the SMD/Q). If shorter
operating times are acceptable, an alkaline or NiMH
battery can be used. In the SM, AA alkaline batteries
provide about 2 hours of operation, and a NiMH AA
battery provides about 3.5 hours of operation.
Note: A NiMH battery will give little or no warning
when it is depleted. If you wish to use NiMH
batteries, we recommend trying fully charged
batteries in the unit, noting the length of time that
the batteries will run the unit and then using the
battery timer feature available on most 400 Series
receivers.
The battery contact is designed to prevent “rattle” as
the unit is handled.
Frequency Agility
The transmitter section uses a synthesized, frequency
selectable main oscillator. The frequency is extremely
stable over a wide temperature range and over time.
256 frequencies in 100 kHz steps over a 25.5 MHz
range are available.
Circulator/Isolator
The RF output circuit includes a one way circulator/
isolator using a magnetically polarized ferrite. This
device greatly reduces RF intermodulation produced
when multiple transmitters are used at separations of
less than five feet. It also provides additional RF output
stage protection but is rarely seen in a wireless micro-
phone transmitter due to its high cost.

SM
LECTROSONICS, INC.6
Controls and Functions
LCD Screen
The LCD is a numeric-type Liquid Crystal Display used
in conjunction with the AUDIO and FREQ buttons, and
the UP and Down arrows, to configure the SM. (See SM
SCREEN SELECTIONS.) It is also used with the
Modulation and PWR LEDs to monitor system operation.
Power LED
The PWR LED glows green when the battery is good.
The color changes to red when there is about 30
minutes of operation left with the recommended lithium
battery. (An alkaline battery will have about 20 minutes
of life left.) When the LED begins to blink red, there are
only a few minutes of life.
Note: A NiMH battery will give little or no warning
when it is depleted. If you wish to use NiMH
batteries in the SM, we recommend trying fully
charged batteries in the unit, noting the length of
time that the batteries will run the unit and then
using the battery timer feature available on most
400 Series receivers.
A weak battery will sometimes cause the PWR LED to
glow green immediately after being put in the unit, but
will soon discharge to the point where the LED will go
red or shut off completely. When the SM is in SLEEP
mode, the LED blinks green every few seconds (See
Sleep Mode
, page X).
Audio Input Jack
The input on the SM accommodates virtually every
lavaliere, handheld or shotgun microphone available.
Different line level signals can also be accommodated.
(See
LINE LEVEL SIGNALS
and
5-PIN INPUT JACK
WIRING
.)
Modulation LEDs
The Modulation LEDs provide a visual indication of the
input audio signal level from the microphone. These
two bicolor LEDs can glow either red or green to
indicate modulation levels.
Signal Level -20 LED -10 LED
Less than -20 dB Off Off
-20 dB to -10 dB Green Off
-10 dB to +0 dB Green Green
+0 dB to +10 dB Red Green
Greater than +10 db Red Red
Audio Button
The AUDIO button is used to display the audio level
setting (0 dB to 44 dB) on the LCD and used in con-
junction with the Up and Down arrows to adjust the
audio level input from the microphone.
The AUDIO button is also used with the FREQ button to
enter standby mode and to power the transmitter on or off.
Freq Button
The SM provides 256 individual frequencies, in 100 kHz
increments, across a 25.5 MHz frequency block. The
FREQ Button displays the selected operating frequency
and also toggles the LCD between displaying the actual
operating frequency in MHz and a two-digit hexadeci-
mal number that corresponds to the equivalent Lec-
trosonics Frequency Switch Setting.
The FREQ button is also used with the AUDIO button to
enter standby mode and to power the transmitter on or off.
Up/Down Arrows
The Up and Down arrow buttons are used to select the
operating frequency, adjust the audio level, or set the
Compatibility Mode.
Pressing both arrows simultaneously enters the lock
countdown. Holding the two arrow buttons until the
countdown completes locks the control panel buttons so
they can only be used to display current settings. “Loc”
is displayed to indicate the controls are locked.
Once locked, the buttons can be unlocked only by
removing the battery, or via the remote control (if
enabled).
Antenna
The fixed flexible cable antenna is supplied with the
transmitter. This antenna is cut to the 1/4 wavelength of
the center of the frequency block (the frequency range)
of the transmitter.
Battery Compartment and Thumb Screw
The large knurled thumbscrew is used to release or
secure the Battery Compartment Cover Plate, allowing
access to the battery.
Battery
Compartment
Thumb Screw
Battery
Compartment
Cover Plate
Audio
Input Jack
Antenna
AUDIO Button
LCD
FREQ Button
Modulation
LEDs
PWR LED
Control Panel
UP Arrow

Super-Minature Belt Pack Transmitter
Rio Rancho, NM 7
SM Screen Selections
Six screens are used to set up and operate the SM.
These screens are used to set the operating frequency,
adjust the audio modulation level, select the Compatibil-
ity Mode or lock the control panel and power down the
transmitter.
Audio Screen
The Audio screen is the default
screen at the end of the power
up boot sequence. It can also
be accessed by pressing the
AUDIO button during normal operation.
The Audio screen displays the current audio input level
setting.
Frequency Screen
The Frequency Screen displays
the operating frequency in MHz
or as a two-digit hexadecimal
number that corresponds to the
equivalent Lectrosonics Fre-
quency Switch Setting. Press-
ing the FREQ button toggles
between the two displays.
When the operating frequency is displayed in MHz, the
decimal point also acts as the PLL lock indicator. If the
decimal point is constantly blinking or missing, this
indicates that the transmitter is having RF problems.
(See
Troubleshooting, Receiver RF Indicator Off
.)
Compatibility Mode Screen
Holding down the Up arrow
button while powering up the
SM opens the Compatibility
Mode screen. By using the Up
or Down arrow buttons, the user can select one of six
compatibility modes:
Note: RF transmission is prevented while selecting
Compatibility Modes. Also, the SM exits the
Compatibility Mode screen to Standby Mode. (See
Standby Mode
, page 8.)
• 400 - This is the factory default setting and works with
all Lectrosonics 400 Series Digital Hybrid Wireless™
receivers. This mode offers the best audio quality.
• 200 - This mode works with all Lectrosonics 200
Series compatible receivers.
• 100 - This mode works with all Lectrosonics 100
Series compatible receivers.
• 3 - (Mode 3) This mode works with a number of non-
Lectrosonics analog receivers. Contact the company
for a list of compatible receivers.
• IFB - This mode works with all Lectrosonics IFB
compatible receivers.
• 6 - (Mode 6) This mode works with a number of non-
Lectrosonics analog receivers. Contact the company
for a list of compatible receivers.
644.400
CH 2C
Aud 12
While in the compatibility mode screen, pressing either
the AUDIO or FREQ button exits to standby mode. To
power off from the compatibility mode screen, press
AUDIO and FREQ together.
Lock/Unlock Screen
Simultaneously pressing both the Up and Down arrow
buttons during normal opera-
tion starts the Lock timer. The
timer starts at three and counts
down to zero.
When the timer reaches zero, the transmitter’s controls
are locked.
The LCD will display the locked condition as long as the
arrow buttons are held, then
revert back to the previous
screen when either button is
released.
With the controls locked, the AUDIO and FREQ buttons
can still be used to display current settings. Any
attempt to change a setting by pressing either the Up or
Down arrow button will result in a reminder that the
controls are locked.
Important: Once the transmitter is locked, it
cannot be unlocked or powered off using the
buttons. The only ways to unlock a locked
transmitter are to remove the battery or unlock
it via the remote control. The remote control
will work only if the transmitter was previsouly
configured to respond to the remote control.
Lock mode does not persist when the power is
off.
Power On Timer Screen
Simultaneously holding the
AUDIO and FREQ buttons
when the unit is turned off
displays the Power ON Timer
screen. The screen counts up
from one and starts the Power On sequence when the
count reaches three. Releasing either button prior to
the Power On Timer screen reaching three puts the unit
in Standby Mode where the user can review transmitter
frequency and audio level settings without transmitting.
(See
Standby Mode
, page 8.)
Power Off Timer Screen
Simultaneously holding the
AUDIO and FREQ buttons
while the unit is operating
displays the Power Off Timer
screen. The screen counts
down from three and turns off
the transmitter when it reaches zero. Releasing either
button prior to the Power Off Timer screen indicating
zero returns the unit to normal operation and displays
the previous screen.
CP 400
On . . .1
Initial Power On Timer
Screen
Loc 1
unLoc1
oFF . . .3
Initial Power Off Timer
Screen

SM
LECTROSONICS, INC.8
The SM transmitter is powered by a single standard AA
1.5 volt battery, while the SMD and SMQ use two AA
batteries. We recommend using lithium batteries for
longest life. In the SM, lithium batteries provide over
4.5 hours of operation at room temperature.
Note: Standard zinc-carbon batteries marked
“heavy-duty” or “long-lasting” are not adequate.
The battery status circuitry is designed for the voltage
drop over the life of lithium batteries.
To install new batteries:
1. Turn the Battery Cover Plate Thumbscrew counter-
clockwise, open the battery compartment and
remove any old batteries.
2. Insert the new battery (or batteries) into the hous-
ing. Take note of the polarity marked on the case
showing the location of the positive (+) and nega-
tive (-) terminals. The positive (+) battery terminal
goes into the transmitter first.
3. Replace the Battery Cover Plate and tighten the
Battery Cover Plate Thumbscrew.
Battery Installation
Standby Mode
Quickly pressing both the
AUDIO and FREQ buttons from
a power off condition places the
unit in Standby Mode. In this
mode, the screen displays “rf
OFF” to inform the user that the unit is not transmitting.
Holding the FREQ button in Standby Mode displays the
current operating frequency of the transmitter. The
operating frequency can be changed by holding the
FREQ button and pressing either the Up or Down
button. Release the FREQ button, then press and hold
it again to toggle the display between frequency in MHz
and the hex code corresponding to the equivalent
Lectrosonics Frequency Switch Setting.
Holding the AUDIO button in Standby Mode displays
the current audio input level setting. This level can be
changed by holding the AUDIO button and pressing
either the Up or Down button.
Quickly pressing both the FREQ and AUDIO buttons
simultaneiously when the unit is in Standby Mode
powers off the transmitter.
Remote Control Operation
Note: A remote control (Lectrosonics model RM) is
available to change certain settings on the SM in
situations where the controls would be difficult to
access, for example, when the transmitter has
been placed underneath an elaborate costume.
The RM is not included with the SM.
The SM transmitter may be configured to respond to
signals from the remote control or to ignore them. This
setting is accessed by holding down the the Down
arrow button while powering the transmitter on. Use the
arrow keys to toggle between “rc on” (remote control
on) and “rc oFF” (remote control off). The default setting
If a remote control signal is detected but the transmitter
is set to “rc oFF”, the message “rc oFF” will be dis-
played briefly on the transmitter’s LCD, to confirm that a
valid signal was received, but that the transmitter is not
configured to respond to it.
Functions available from the remote control are:
• Audio Level
• Frequency
• Lock/Unlock Buttons
• Sleep/Wake (power saving mode)
In sleep mode, the SM uses one fifth the normal
amount of current. For example, in sleep mode it will
drain the battery as much in five hours as it would do in
one hour of normal operation. Sleep mode can only be
invoked with the remote control, and can only be
revoked with the remote control or by removing the
battery. When in sleep mode, the PWR LED blinks
green occasinally to indicate that the SM is asleep and
not turned off.
AA Battery
Battery
Compartment
Battery
Cover Plate
Thumbscrew
Battery
Cover Plate
rF OFF
Standby Screen
Two Battery
Compartments
(SMD, SMQ)
Two AA Batteries

Super-Minature Belt Pack Transmitter
Rio Rancho, NM 9
Standby Mode
Standby Mode allows the user to verify or change the
transmitter’s operating frequency or audio input level,
and lock or unlock the front panel controls without
transmitting any signals. Standby Mode can only be
invoked from a power off condition.
Quickly press and release both the AUDIO and FREQ
buttons simultaneously to enter and exit this mode.
Selecting the Compatibility Mode
All Digital Hybrid Wireless™ receivers are capable of
working with the Lectrosonics SM transmitter. By
selecting the proper compatibility mode, the SM will
also work with 200 Series, 100 Series and IFB analog
receivers, plus some other analog wireless receivers
(contact the factory for details). Setting the Compatibil-
ity Mode of the transmitter to match the receiver is
easily done via the Control Panel.
Note: RF transmission is prevented while selecting
Compatibility Modes. Also, the SM exits the
Compatibility Mode screen to Standby Mode. (See
Standby Mode, this section.)
Note: The unit comes from the factory configured
as a 400 Series transmitter.
1) Set the receiver’s audio controls to minimum.
2) Power up the SM and observe the Boot Sequence.
If the Compatibility Mode for the SM does not
match the corresponding receiver, then power off
the SM transmitter.
3) From a power off condition, hold down the Up
arrow, then simultaneously press the AUDIO and
FREQ buttons.
4) The LCD will display the
current Compatibility Mode.
Use the Up or Down arrow
buttons to reset the Com-
patibility Mode to match the
corresponding receiver.
The following Compatibility Modes are available:
• 100 Series mode: CP 100
• 200 Series mode: CP 200
• Mode 3 (Contact dealer for details): CP 3
• 400 Series mode: CP 400
• IFB Series mode: CP IFB
• Mode 6 (Contact dealer for details): CP 6
5) The Compatibility Mode selected in Step 4 will be
the current Compatibility Mode until reset using this
procedure. Pressing the AUDIO or FREQ exits into
Standby Mode. To power off from the compatibility
mode screen, press AUDIO and FREQ together.
Power Up and Boot Sequence
1) Ensure that a good battery is installed in the unit.
(See
Battery Installation
.)
2) Simultaneously press and hold the AUDIO and
FREQ buttons until the Power On Boot Sequence is
initiated. (See Power On Timer.) As the unit turns
on, the Modulation LEDs and PWR LED all glow
red, then green, and then they revert to normal
operation, i.e., the Modulation LEDs glow according
to the audio level present at the Audio Input Jack
and the PWR LED glows green (with a good
battery).
The LCD displays a bootup sequence which
consists of four screens:
Company Name: Lectro
Frequency Block (bXX) and
Firmware Version (rX.X): b21r1.1 (typ)
Compatibility Mode: CP 400 (typ)
Audio: Aud 12 (typ)
Power Down
1) Simultaneously press and
hold the AUDIO and FREQ
buttons while observing that
the word “Off” appears in
the LCD along with a
counter.
2) When the counter reaches “0”, the unit turns off.
Note: If the AUDIO and FREQ buttons are
released before the LCD goes blank at the end of
the countdown, the unit will not turn off. Instead, it
will stay energized and the display will return to the
previous screen.
Operating Instructions
CP 400
400 Series or Digital
Hybrid Wireless™
Compatibility Mode
OFF . . .3
Initial Power Off Timer
Screen
AUDIO Button
LCD
FREQ Button
Modulation
LEDs
PWR LED
Control Panel
UP Arrow

SM
LECTROSONICS, INC.10
Setting Transmitter Operating Frequency
The Operating Frequency of the SM can be displayed
either in MHz or as a two-digit hexadecimal number.
(See
Controls and Functions, FREQ Button
.) The SM’s
operating frequency can be set with the unit in Standby
Mode or powered up for normal operation. Use the
following procedure to change the Operating Frequency
of the SM transmitter:
1) If the LCD is displaying something other than the
Frequency Screen, press the FREQ button on the
SM Control Panel to enter this screen.
Note: The default display is in MHz. Pressing the
FREQ button again displays the operating
frequency as a two-digit hexadecimal number that
corresponds the equivalent Lectrosonics
Frequency Switch Setting.
2) While holding the FREQ button, use the Up or
Down arrow buttons to move the operating fre-
quency up or down in 100 kHz increments from the
current setting.
Note: The operating frequency displayed on the
LCD wraps as it reaches the upper or lower end of
its range. Thus, if you intend to move the
operating frequency from the lower end of the
range to the upper end, it may be faster to do this
by using the Down arrow until the frequency wraps
to the upper end.
Most Lectrosonics receivers
indicate the operating
frequency both in MHz and
as a two digit hexadecimal
number. This conforms to
the Lectrosonics tradition of
setting the operating
frequency using two 16-
position rotary switches.
The SM offers the ability to
set the operating frequency
in a similar manner. Pressing the FREQ button
while the LCD displays the operating frequency in
MHz will change the display to show the equivalent
two-digit hexadecimal frequency select switch
setting. Simply use the Up or Down arrow to
increase or decrease the operating frequency.
Attaching a Microphone and Adjusting Gain
The front panel Modulation LEDs indicate limiter activity.
(See chart below.) Once set, the transmitter’s audio
level setting
should not
be used to control the volume
of your sound system or recorder levels. This gain
adjustment matches the transmitter gain with the
microphone’s output level, the user’s voice level and the
microphone’s position. The audio input level can be set
with the unit in Standby Mode or powered up for normal
operation.
Signal Level -20 LED -10 LED
Less than -20 dB Off Off
-20 dB to -10 dB Green Off
-10 dB to +0 dB Green Green
+0 dB to +10 dB Red Green
Greater than +10 db Red Red
Note: Different voices will usually require different
settings of the AUDIO control, so check this
adjustment as each new person uses the system.
If several different people will be using the
transmitter and there is not time to make the
adjustment for each individual, adjust it for the
loudest voice.
1) With the SM powered off, insert the microphone
plug into the Audio Input Jack, aligning the pins and
ensuring that the connector locks.
2) Place the SM in Standby Mode, or if the unit is to be
powered up and adjusted, mute the main sound
system prior to powering up the transmitter.
3) Position the microphone in the location where it will
be used in actual operation.
4) Observe the SM Modulation LEDs while speaking
or singing into the microphone at the same voice
level that will be used during the program. While
holding the AUDIO button, press the Up or Down
arrow buttons until the both the -20 and -10 LEDs
glow green, with the -10 LED occasionally flickering
red (-10 dB to +0 dB Signal Level as shown in the
chart below with only occasional forays into the +0
dB to +10 dB range).
Note: Setting the audio level too high reduces the
dynamic range of if the audio signal. Setting the
audio level too low may cause hiss and noise in
the audio.
5) If the unit was set up in Standby Mode, it will be
necessary to power up the SM and adjust the
remaining components of the audio system prior to
use.
CH 2C
Frequency displayed as
two-digit hexadecimal
number
644.400
Frequency displayed in
MHz
AUDIO Button
LCD
FREQ Button
Modulation
LEDs
PWR LED
Control Panel
UP Arrow

Super-Minature Belt Pack Transmitter
Rio Rancho, NM 11
Loc
Control Panel Locked
Locking or Unlocking the Control Panel
The Lock mode protects the transmitter from accidental
changes to its settings.
1. Ensure the SM setup is complete (operating
frequency, audio level, Compatibility Mode, sensitiv-
ity to remote control).
2. Simultaneously press both
the Up and Down arrow
buttons to start the Lock
timer. When the timer
reaches zero, “Loc” is
displayed and the controls are locked.
Important: Once the transmitter is locked, it
cannot be unlocked or powered off using the
buttons. The only ways to unlock a locked
transmitter are to remove the battery or unlock
it via the remote control. The remote control
will work only if the transmitter was previsouly
configured to respond to the remote control.
Lock mode does not persist when the power is
off.

SM
LECTROSONICS, INC.12
PIN
5
4
3
2
1
SHIELD (GND)
AUDIO
Line Level
Normal Hookup
1
2
3
45
TA 5 F
PLUG
PIN
5
4
3
2
1
AUDIO
Line Level
More Headroom
(20 dB)
1
2
3
45
TA 5 F
PLUG
20k
SHIELD (GND)
Microphone RF Bypassing
When used on a wireless transmitter, the microphone
element is in the proximity of the RF coming from the
transmitter. The nature of electret microphones makes
them sensitive to RF, which can cause problems with
the microphone/transmitter compatibility. If the electret
microphone is not designed properly for use with
wireless transmitters, it may be necessary to install a
chip capacitor in the mic capsule or connector to block
the RF from entering the electret capsule.
Some mics require RF protection to keep the radio
signal from affecting the capsule, even though the
transmitter input circuitry is already RF bypassed (see
schematic diagram).
If the mic is wired as directed, and you are having
difficulty with squealing, high noise, or poor frequency
response; RF is likely to be the cause.
The best RF protection is accomplished by installing RF
bypass capacitors at the mic capsule. If this is not
possible, or if you are still having problems, capacitors
can be installed on the mic pins inside the TA5F con-
nector housing.
Install the capacitors as follows: Use 330 pF capacitors.
Capacitors are available from Lectrosonics. Please
specify the part number for the desired lead style.
Leaded capacitors: P/N 15117
Leadless capacitors: P/N SCC330P
All Lectrosonics lavaliere mics are already bypassed
and do not need any additional capacitors installed for
proper operation.
Line Level Signals
The normal hookup for
line level signals is:
Signal Hot to pin 5,
Signal Gnd to pin 1
and pin 4 jumped to
pin 1. This allows
signal levels up to 6V
RMS to be applied
without limiting.
If more headroom is
needed, insert a 20 k
resistor in series with pin 5. Put this resistor inside the
TA5F connector to minimize noise pickup.
The wiring diagrams included in this section represent
the basic wiring necessary for the most common types
of microphones and other audio inputs. Some micro-
phones may require extra jumpers or a slight variation
on the diagrams shown.
It’s virtually impossible to keep completely up to date on
changes that other manufacturers make to their products.
It is possible that you may encounter a microphone that
differs from these instructions. If this occurs please call
our toll-free number listed under Service and Repair in
this manual or visit our web site at:
http://www.lectrosonics.com
The Audio Input Jack for the SM is wired as shown
below:
PIN 1 Shield (ground) for positive biased electret
lavaliere microphones. Shield (ground) for
dynamic microphones and line level inputs.
PIN 2 Bias voltage source for positive biased electret
lavaliere microphones.
PIN 3 Low impedance microphone level input for
dynamic microphones. Also accepts hand-held
electret microphones provided the microphone
has its own built-in battery.
PIN 4 Bias voltage selector for Pin 3. Pin 3 voltage (0,
2 or 4 volts) depends on Pin 4 connection.
Pin 4 tied to Pin 1: 0 V
Pin 4 Open: 2 V
Pin 4 to Pin 2: 4 V
PIN 5 High impedance, line level input for tape decks,
mixer outputs, musical instruments, etc.
5-Pin Input Jack Wiring
3 WIRE MIC2 WIRE MIC
CAPSULE CAPSULE
SHIELD
AUDIO
SHIELD
AUDIO
BIAS
Alternate locations for bypass capacitors
TA5F
CONNECTOR
TA5F
CONNECTOR
Preferred locations for bypass capacitors
SM Equivalent Input Circuit Wiring
10k
1k
5
4
3
2
1
To Vir t ual Ground
Audio Amplifier
BIAS
MIC
BIAS SELECT
LINE IN
GND
+30uF
+6 VDC
Servo Bias
Pin 4 to Pin 1 = 0 V
Pin 4 Open = 2 V
Pin 4 to Pin 2 = 4 V
+
To Limiter Control
30uF
750 Ohm
100 Ohm
2.7K
200 Ohm
+
3.3uF
100 Ohm
Audio Input Jack

Super-Minature Belt Pack Transmitter
Rio Rancho, NM 13
Wiring Hookups for Different Sources
Compatible with SM and other Lectrosonics Transmitters:
Works with SM Only:
In addition to the wiring hookups illustrated below,
Lectrosonics makes a number of cables and adapters
for other situations such as connecting musical instru-
ments (guitars, bass guitars, etc.) to the transmitter.
These cables can be found in our UHF or Accessories
catalogs. Visit www.lectrosonics.com, or contact the
factory for more information.
he most radical change is that pin 4 is now a voltage
selector pin. The diagrams in the section labeled “Works
with SM only” are specific to the SM transmitter and
make wiring a Countryman B6 or E6 or a three wire
microphone such as a COS-11 very quick and easy.
However, these wirings won’t work with older Lec-
trosonics transmitters such as the UM400, UM200, etc.
If you need the two wire Countryman B6 or any three
wire mic to work with both older transmitters as well as
with the SM go to the section below, labeled, “Compat-
ible with SM and other Lectrosonics Transmitters.”
Sanken Cos-11 microphones, the Lectrosonics M150
and other three wire microphones to be used with the
SM will require new wiring. If the wiring is not changed,
they will have much higher output than usual and extra
distortion at high levels. The reason is that the source
follower wiring used with the UM200 and UM400 series
is not compatible with the SM virtual ground input. The
second diagram in the “Compatible with SM and other
Lectrosonics Transmitters” section shows a compatible
wiring that will work with all 5-Pin Lectrosonics transmit-
ters. This wiring converts the three-wire microphone to
a two wire system without changing the audio quality.
(The microphone polarity will be reversed so you may
want to enable the phase switch on the Lectrosonics
receiver.) This wiring is electrically equivalent to the
easy wiring in the “Works with SM only” section.
All two-wire mics (except the Countryman B6 and E6)
such as the MKE-2 and the Lectro M152 will work with
the SM with no changes. The two wire setup is shown
in the third diagram in the “Compatible with SM and
other Lectrosonics Transmitters” section.

SM
LECTROSONICS, INC.14
Before going through the following chart, be sure that you have a good battery in the transmitter. It is important that
you follow these steps in the sequence listed.
SYMPTOM POSSIBLE CAUSE
TRANSMITTER PWR LED OFF 1) Battery is inserted backwards or dead.
2) Transmitter not powered up. (See
Operating Instructions,
Power UP and Boot Sequence.
)
TRANSMITTER PWR LED BLINKS GREEN EVERY FEW SECONDS, TRANSMITTER
DOES NOT RESPOND OTHERWISE 1) Transmitter has been put to sleep by the remote control.
Either use the remote control to wake it up again or remove
and reinsert the transmitter’s battery.
NO TRANSMITTER MODULATION LEDs 1) Gain control set to minimum.
2) Battery is dead or installed backwards. Check PWR LED.
3) Mic capsule is damaged or malfunctioning.
4) Mic cable damaged or mis-wired.
RECEIVER RF INDICATOR OFF 1) Transmitter not turned on, or is in Standby Mode.
2) Transmitter battery is dead.
3) Receiver antenna missing or improperly positioned.
4) Transmitter and receiver not on same frequency.
Check switches/display on transmitter and receiver.
5) Transmitter and receiver not on same frequency block.
6) Operating range is too great.
7) Defective transmitter antenna.
NO SOUND (OR LOW SOUND LEVEL), RECEIVER INDICATES PROPER AUDIO MODULATION
1) Receiver output level set too low.
2) Receiver output disconnected, or cable defective or mis-wired.
3) Sound system or recorder input is turned down.
DISTORTED SOUND 1) Transmitter gain (audio level) is far too high. Check SM
Modulation LEDs and receiver audio levels as SM is being used.
2) Receiver output may be mis-matched with the sound system or
recorder input. Adjust output level on receiver to the correct level
for the recorder, mixer or sound system. (Use the receiver’s Tone
function to check level.)
3) Excessive wind noise or breath “pops.” Reposition microphone
and/or use a larger windscreen.
4) Transmitter is not set to same frequency as receiver. Check that
operating frequency on receiver and transmitter match.
5) Receiver/Transmitter Compatibility Mode mismatched.
Troubleshooting

Super-Minature Belt Pack Transmitter
Rio Rancho, NM 15
SYMPTOM POSSIBLE CAUSE
HISS AND NOISE -- AUDIBLE DROPOUTS 1) Transmitter gain (audio level) far too low.
2) Receiver antenna missing or obstructed.
3) Transmitter antenna missing.
4) Operating range too great.
5) Signal interference. Turn off transmitter. If receiver’s signal
strength indicator does not drop to nearly zero, this indicates an
interferring signal may be the problem.
Try a different operating frequency.
EXCESSIVE FEEDBACK 1) Transmitter gain (audio level) too high. Check gain adjustment
and/or reduce receiver output level.
2) Talent standing too close to speaker system.
3) Mic is too far from user’s mouth.
“Loc” APPEARS IN DISPLAY WHEN ANY BUTTON IS PRESSED
1) Control Panel is locked. (See
Operating Instructions, Locking
and Unlocking the Control Panel.
)
“Hold” APPEARS IN DISPLAY WHEN ARROW BUTTONS ARE PRESSED
1) Reminder that it is necessary to hold down the AUDIO or FREQ
button while adjusting the audio gain or frequency settings.
“PLL” APPEARS IN DISPLAY 1) Indication that the PLL is not locked. This is a serious condition
that requires factory repair. It may be possible to operate on
another frequency far removed from the one that was selected
when the unlocked condition was indicated.
TRANSMITTER WON’T RESPOND TO REMOTE CONTROL
1. If LCD blinks “rc oFF”, transmitter has not be configured
to respond to the remote control. See “Remote Control Operation”
on page 9 for instructions on how to configure.
2. If LCD blinks “- - - - - -”, transmitter is already set as
requested by the remote control.
3. If transmitter doesn’t not respond at all, try moving the remote
control closer to the microphone or increasing the remote control’s
loudness setting.
4. Be sure the transmitter has firmware v1.5 or newer
(see section on Power On Boot Sequence).

SM
LECTROSONICS, INC.16

Super-Minature Belt Pack Transmitter
Rio Rancho, NM 17
The FCC requires that the following statement be
included in this manual:
This device complies with FCC radiation exposure limits
as set forth for an uncontrolled environment. This device
should be installed and operated so that its antenna(s)
are not co-located or operating in conjunction with any
other antenna or transmitter.
Input impedance:
Dynamic mic: 300 Ohms
Electret lavaliere: Input is virtual ground with servo adjusted
constant current bias
Line level: 2.7 k Ohms
Input limiter: Soft limiter, 30 dB range
Bias voltages: Fixed 5 V at up to 5 mA
Selectable 2 V or 4 V servo bias for any
electret lavaliere.
Gain control range: 40 dB; panel mounted membrane switches
Modulation indicators: Dual bicolor LEDs indicate modulation of
–20, -10, 0, +10 dB referenced to
full modulation.
Low frequency roll-off: –18 dB/octave; 70 Hz
Controls: Control panel with LCD and four
membrane switches.
Audio Frequency Response: 35 Hz to 20 kHz, +/-1 dB (The audio is
deliberately rolled off at 70 Hz using a
18 dB/octave filter. This filter cannot be
disabled.)
Signal to Noise Ratio (dB):
(overall system, 400 Series mode)
Total Harmonic Distortion: 0.2% typical (400 Series mode)
Audio Input Jack: Switchcraft 5-pin locking (TA5F)
Antenna: Flexible, unbreakable steel cable.
Batteries: 1.5 Volt AA lithium or NiMH recommended
Battery Life: SM: 1.5 hours (alkaline); 5.5 hours (lithium),
4 hours with 2500 mAh NiMH
SMD: 5.75 hours (alkaline); 14.25 hours (lithium),
8.5 hours with 2500 mAh NiMH
SMQ: 1.75 hours (alkaline); 7.5 hours (lithium),
5 hours with 2500 mAh NiMH
Weight: SM: 2.7 oz.. (75.9 grams) with lithium battery
SMD/Q: 3.7 oz.. (105 grams) with lithium batteries
Overall Dimensions:
SM: 2.3 x 1.8 x 0.64 inches
(not including microphone)
58 x 46 x 16 mm
(not including microphone)
SMD/Q: 2.3 x 2.4 x 0.64 inches
(not including microphone)
58 x 60 x 16 mm
(not including microphone)
Emission Designator: 180KFE3
Specifications subject to change without notice.
Operating frequencies:
Block 21 537.600 - 563.100
Block 22 563.200 - 588.700
Block 23 588.800 - 607.900 and 614.100 - 614.300
Block 24 614.400 - 639.900
Block 25 640.000 - 665.500
Block 26 665.600 - 691.100
Block 27 691.200 - 716.700
Block 28 716.800 - 742.300
Block 29 742.400 - 767.900
Block 30 768.000 - 793.500
Block 31 793.600 - 819.100
Block 32 819.200 - 844.700
Block 33 844.800 - 865.000
Block 37 944.100 - 951.900
(Not all frequencies are usable in some countries)
Frequency range: 256 frequencies in 100 kHz steps
for one 25.5 MHz wide block
Channel Spacing: 100 kHz
Frequency selection: Control panel mounted membrane switches
RF Power output: SM: 100 mW (nominal)
SMD: 100 mW (nominal)
SMQ: 250 mW (nominal)
Compatibility Modes (6) Digital Hybrid Wireless™ (400 Series),
200 Series, 100 Series, Mode 3
(other analog), Mode 6, and IFB
Pilot tone: 25 to 32 kHz; 5 kHz deviation
(in 400 Series Mode)
Frequency stability: ± 0.002%
Deviation: ± 75 kHz max. (in 400 Series Mode)
Spurious radiation: 60 dB below carrier
Equivalent input noise: –125 dBV, A-weighted
Input level:
If set for dynamic mic: 0.5 mV to 50 mV before limiting.
Greater than 1 V with limiting.
If set for electret lavaliere mic: 1.7 uA to 170 uA before limiting.
Greater than 5000 uA (5 mA) with limiting.
Line level input: 5.0 mV to 6 V before limiting.
Greater than 15 V with limiting.
Specifications and Features
Note: The dual envelope “soft”
limiter provides exceptionally good
handling of transients using variable
attack and release time constants. Once activated, the limiter compresses 30+ dB of
transmitter input range into 4.5 dB of receiver output range, thus reducing the measured
figure for SNR without limiting by 4.5 dB
SmartNR No Limiting w/Limiting
OFF 103.5 108.5
NORMAL 107.0 111.5
FULL 108.5 113.0
For body worn operation, this SM Belt-Pack Transmitter
has been tested and meets the FCC RF exposure
guidelines when used with the Lectrosonics accesso-
ries supplied or designated for this product. Use of
other accessories may not ensure compliance with FCC
RF exposure guidelines. Contact Lectrosonics if you
have any questions or need more information about RF
exposure using this product.

SM
LECTROSONICS, INC.18

Super-Minature Belt Pack Transmitter
Rio Rancho, NM 19
Service and Repair
If your system malfunctions, you should attempt to correct or isolate the trouble before concluding that the equipment
needs repair. Make sure you have followed the setup procedure and operating instructions. Check the interconnect-
ing cables and then go through the TROUBLESHOOTING section in this manual.
We strongly recommend that you do not try to repair the equipment yourself and do not have the local repair shop
attempt anything other than the simplest repair. If the repair is more complicated than a broken wire or loose connec-
tion, send the unit to the factory for repair and service. Don’t attempt to adjust any controls inside the units. Once set
at the factory, the various controls and trimmers do not drift with age or vibration and never require readjustment.
There are no adjustments inside that will make a malfunctioning unit start working.
LECTROSONICS’ Service Department is equipped and staffed to quickly repair your equipment. In warranty repairs
are made at no charge in accordance with the terms of the warranty. Out-of-warranty repairs are charged at a modest
flat rate plus parts and shipping. Since it takes almost as much time and effort to determine what is wrong as it does
to make the repair, there is a charge for an exact quotation. We will be happy to quote approximate charges by phone
for out-of-warranty repairs.
Returning Units for Repair
For timely service, please follow the steps below:
A. DO NOT return equipment to the factory for repair without first contacting us by letter or by phone. We need to
know the nature of the problem, the model number and the serial number of the equipment. We also need a
phone number where you can be reached 8 A.M. to 4 P.M. (U.S. Mountain Standard Time).
B. After receiving your request, we will issue you a return authorization number (R.A.). This number will help speed
your repair through our receiving and repair departments. The return authorization number must be clearly shown
on the outside of the shipping container.
C. Pack the equipment carefully and ship to us, shipping costs prepaid. If necessary, we can provide you with the
proper packing materials. UPS is usually the best way to ship the units. Heavy units should be “double-boxed” for
safe transport.
D. We also strongly recommend that you insure the equipment, since we cannot be responsible for loss of or dam-
age to equipment that you ship. Of course, we insure the equipment when we ship it back to you.
Mailing address: Shipping address: Telephone:
Lectrosonics, Inc. Lectrosonics, Inc. (505) 892-4501
PO Box 15900 581 Laser Rd. (800) 821-1121 Toll-free
Rio Rancho, NM 87174 Rio Rancho, NM 87124 (505) 892-6243 Fax
USA USA
Web: E-mail:
www.lectrosonics.com sales@lectrosonics.com

February 3, 2006
581 Laser Road NE • Rio Rancho, NM 87124 USA • www.lectrosonics.com
(505) 892-4501 • (800) 821-1121 • fax (505) 892-6243 • sales@lectrosonics.com
LIMITED ONE YEAR WARRANTY
The equipment is warranted for one year from date of purchase against defects in
materials or workmanship provided it was purchased from an authorized dealer. This
warranty does not cover equipment which has been abused or damaged by careless
handling or shipping. This warranty does not apply to used or demonstrator equipment.
Should any defect develop, Lectrosonics, Inc. will, at our option, repair or replace any
defective parts without charge for either parts or labor. If Lectrosonics, Inc. cannot
correct the defect in your equipment, it will be replaced at no charge with a similar new
item. Lectrosonics, Inc. will pay for the cost of returning your equipment to you.
This warranty applies only to items returned to Lectrosonics, Inc. or an authorized
dealer, shipping costs prepaid, within one year from the date of purchase.
This Limited Warranty is governed by the laws of the State of New Mexico. It states the
entire liablility of Lectrosonics Inc. and the entire remedy of the purchaser for any
breach of warranty as outlined above. NEITHER LECTROSONICS, INC. NOR
ANYONE INVOLVED IN THE PRODUCTION OR DELIVERY OF THE EQUIPMENT
SHALL BE LIABLE FOR ANY INDIRECT, SPECIAL, PUNITIVE, CONSEQUENTIAL,
OR INCIDENTAL DAMAGES ARISING OUT OF THE USE OR INABILITY TO USE
THIS EQUIPMENT EVEN IF LECTROSONICS, INC. HAS BEEN ADVISED OF THE
POSSIBILITY OF SUCH DAMAGES. IN NO EVENT SHALL THE LIABILITY OF
LECTROSONICS, INC. EXCEED THE PURCHASE PRICE OF ANY DEFECTIVE
EQUIPMENT.
This warranty gives you specific legal rights. You may have additional legal rights which
vary from state to state.