Lectrosonics UM400 Wireless Microphone Transmitter User Manual um400man
Lectrosonics Inc Wireless Microphone Transmitter um400man
users manual

UM400
FREQUENCY-AGILE UHF
BELT-PACK TRANSMITTER
OPERATING INSTRUCTIONS
and trouble-shooting guide
LECTROSONICS, INC.
Rio Rancho, NM
www.lectrosonics.com

2
TABLE OF CONTENTS
INTRODUCTION ................................................................................................... 3
GENERAL TECHNICAL DESCRIPTION .............................................................. 4
CONTROLS AND FUNCTIONS ............................................................................ 6
BATTERY INSTALLATION .................................................................................... 8
OPERATING INSTRUCTIONS .............................................................................. 8
OPERATING NOTES ............................................................................................ 9
ADJUSTING THE TRANSMITTER FREQUENCY ............................................... 9
MICROPHONE CORD TERMINATION ............................................................... 10
5-PIN INPUT JACK WIRING .............................................................................. 11
TROUBLESHOOTING......................................................................................... 13
SPECIFICATIONS AND FEATURES ................................................................. 14
SERVICE AND REPAIR...................................................................................... 16
RETURNING UNITS FOR REPAIR .................................................................... 16
WARRANTY ..........................................................................................Back cover
The UM400 transmitter is FCC type accepted under Part 74: 536-608 MHz and 614-806 MHz

3
Frequency-Agile UHF Belt-Pack Transmitter
Rio Rancho, NM – USA
INTRODUCTION
Thank you for selecting the Lectrosonics UM400 frequency agile, belt-pack transmit-
ter. The UM400 combines over 80 years of engineering experience with the very latest
components, in a design that addresses the most demanding professional applica-
tions.
The design of the UM400 was the direct result of numerous conversations with users,
staging and touring companies and dealers across the US. The specific concerns and
needs brought up in these conversations led directly to the development of the
operational features offered on the UM400. Two hundred fifty six frequencies are user
selectable in 100kHz steps to alleviate interference problems in traveling venues, and
the low frequency roll-off is user adjustable to adapt to varying acoustic environments
and preferences.
The UM400 is a rugged, machined aluminum package with a removable, spring loaded
belt clip. The input section provides a correct input tap for virtually any microphone or
line level audio source. 3.3 Volts of bias voltage is available to power electret mics
with either positive or negative bias. Level indicating LEDs are provided on the control
panel to make level settings quick and accurate, without having to view the receiver.
The battery compartment accepts any 9 Volt alkaline battery and makes a positive
connection via self-adjusting contacts. The antenna is a detachable, locking 1/4
wavelength flexible bronze cable that connects to a 50 Ohm SMA port on the trans-
mitter.
Only the UM400 transmitter is covered in this manual. Companion receivers are
covered in separate manuals. The UM400 will operate with any 400 Series
Lectrosonics receiver in the same frequency group.

4
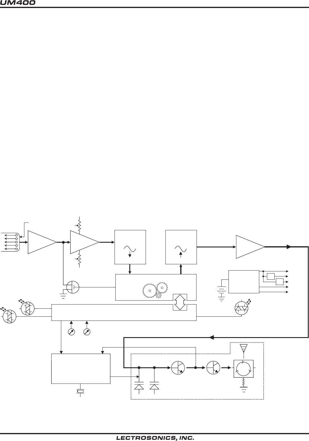
GENERAL TECHNICAL DESCRIPTION
GENERAL
The 400 system uses 75kHz wide deviation for an extremely high signal to noise ratio. The switching power supplies
provide constant voltages to the transmitter circuits from the beginning (9.3 Volts) to the end (5.5 Volts) of battery life.
The input amplifier uses an ultra low noise op amp for quiet operation. It is gain controlled with a wide range dual
envelope input compressor which cleanly limits input signal peaks over 30dB above full modulation.
DIGITAL HYBRID TECHNOLOGY
All wireless links suffer from channel noise to some degree, and all wireless microphone systems seek to minimize
the impact of that noise on the desired signal. Conventional analog systems use compandors for enhanced dynamic
range, at the cost of subtle artifacts (known as “pumping” and “breathing”). Wholly digital systems defeat the noise by
sending the audio information in digital form, at the cost of some combination of power, bandwidth and resistance to
interference.
The Lectrosonics Digital Hybrid system overcomes channel noise in a dramatically new way, digitally encoding the
audio in the transmitter and decoding it in the receiver, yet still sending the encoded information via an analog FM
wireless link. This proprietary algorithm is not a digital implementation of an analog compandor but a technique which
can be accomplished only in the digital domain, even though the inputs and outputs are analog signals. (As of this
writing, the patent is still pending, so we cannot reveal detailed information about the algorithm at this time.)
Phase Locked Loop
Voltage
Controlled
Oscillator
Freq
Switches
11001001
A-D
Converter
Digital Signal Processor
11001001
D-A
Converter
Shunt
Limiter
Bicolor
Modulation
LEDs
Microprocessor
1.5V
AA
Lithium
Switching
Power
Supply
+3.3v
+3v
+1.8v
+6v
-3v
Hi/Lo
Pass
Filter
Audio
Encoded
Audio +
Pilot Tone
4MHz
Reference
Bicolor
Power
LED
Mic
Jack
+3.3V Bias
Supply Audio
Level
Input
Amp
5
4
3
2
1
LF
Roll Off
Transmitter
50 Isolator
UM400 Block Diagram

5
Frequency-Agile UHF Belt-Pack Transmitter
Rio Rancho, NM – USA
Channel noise still has an impact on received signal quality and will eventually overwhelm the receiver. The Digital
Hybrid simply encodes the signal to use a noisy channel as efficiently and robustly as possible, yielding audio perfor-
mance that rivals that of wholly digital systems, without the power and bandwidth problems inherent in digital transmis-
sion. As always, these advantages come at a cost. The Digital Hybrid system requires fairly intensive digital
processing in both the transmitter and the receiver. These processors cost money, take up space and consume power.
The Digital Hybrid system also requires that the underlying RF link be of excellent quality, with better frequency
response and distortion characteristics than that required by conventional systems.
Because it uses an analog FM link, the Digital Hybrid enjoys all the benefits of conventional FM wireless systems,
such as excellent range, efficient use of RF spectrum, and long battery life. However, unlike conventional FM sys-
tems, the Digital Hybrid has done away with the analog compandor and its artifacts.
NO PRE-EMPHASIS/DE-EMPHASIS
The signal to noise ratio of the 400 system is high enough to preclude the need for conventional pre-emphasis (HF
boost) in the transmitter and de-emphasis (HF roll off) in the receiver. Pre-emphasis and de-emphasis in an FM radio
system usually provides about a 10dB improvement in the signal to noise ratio of the system, but the high frequency
boost in the transmitter must be removed in a purely complementary manner or else the frequency response of the
original audio signal will be altered.
Pre-emphasis can also cause distortion in the receiver. As this signal is passed through the IF filters in the receiver,
distortion can be produced, most noticeably at full modulation. De-emphasis cannot be applied until the signal is
converted into audio, so there is no way around this problem short of eliminating pre-emphasis altogether. Neither of
these problems occur in the 400 system
PILOT TONE SQUELCH
The 400 system utilizes one of 256 different ultrasonic tones between 25 and 32 kHz, that modulate the carrier to
operate the receiver squelch. The pilot tone frequency is chosen according to which of the 256 channels has been
selected by the frequency switch setting. The basic benefit of the pilot tone squelch system is that the receiver will
remain muted until it receives the pilot tone from the matching transmitter, even if a strong RF signal is present on the
carrier frequency of the system. The MM400 extends this concept even further by insuring that all transmitters in a
system have different pilot tone frequencies so that even spurious RF from the wrong transmitters can’t open the
receiver squelch.
WIDE-BAND DEVIATION
±75kHz deviation improves the capture ratio, signal to noise ratio and AM rejection of a wireless system dramatically,
compared to the more commonly used ±15kHz deviation.
LONG BATTERY LIFE
Switching power supplies throughout the design allow over 5 hours of operation using a single 9 Volt alkaline battery.
(A 9V lithium battery will provide over 16 hours of operation.) The battery contacts are spring loaded to prevent “rattle”
as the unit is handled.
FREQUENCY AGILITY
The transmitter section uses a synthesized, frequency selectable main oscillator. The frequency is extremely stable
over a wide temperature range and over time.
Two rotary switches, located on the side panel of the unit, provide 256 frequencies in 100kHz steps over a 25.5MHz
range. This alleviates carrier interference problems in mobile or traveling applications.
ANTENNA
The antenna on the UM400 consists of a flexible 1/4 wavelength bronze cable, detachable via an SMA connector. The
impedance of this connector is 50 Ohms.

6
CONTROLS AND FUNCTIONS
INPUT JACK
The input on the UM400 accommodates virtually every lavaliere, hand-held or shotgun microphone available. Line level
signals can also be accommodated. Use a Switchcraft TA5F connector on the cord. See the separate sheet titled
“Transmitter 5-Pin Input Jack Wiring” regarding the correct connections for various microphones, and other
sources.
ON/OFF SWITCH
Turns the battery power on and off. Even when the switch is turned off or on abruptly, the pilot tone muting system
prevents “thumps” or transients from occurring.
“ON” LAMP
Glows green when the battery is good and the ON/OFF switch is ON. When the lamp glows red, there is about 30
minutes of operation left with the recommended alkaline battery. The lamp will flash red when there are only a few
minutes of life left. A NiMh battery will give little or no warning when it is depleted. If you wish to use NiMh batteries
in the MM400, we recommend trying fully charged batteries in the unit, noting the length of time that the batteries will
run the unit and in the future use somewhat less than that time to determine when the battery needs to be replaced. A
weak battery will sometimes light the POWER LED to the “good” green indication immediately after being put in the
unit, but will soon discharge to the point where the LED will go red or shut down, just like a flashlight with “dead”
batteries. If the lamp fails to light, the battery should be replaced.
FREQUENCY ADJUST
These two rotary switches adjust the center frequency of the carrier. The 1.6M is
a coarse adjustment and the 100K is the fine adjustment.
LF ROLL-OFF
ADJUST
FREQUENCY
1.6M 100K
FREQUENCY
ADJUST
ANTENNA
OFF ON
–20
0
LECTROSONICS
LEVEL
AUDIO
0
12
3
4
5
6
7
8
9
A
B
C
D
EF
0
12
3
4
5
6
7
8
9
A
B
C
D
EF
LF ROLL OFF
35 150
75 Hz
UM400
0
1
2
3
4
5
6
7
8
9
A
B
C
D
E
F
0
1
2
3
4
5
6
7
8
9
A
B
C
D
E
F
1.6M 100K
MODULATION LEDS
Indicate the proper setting of the MIC LEVEL control. There are two bicolor
modulation LEDs that can light either red or green.
“-20dB level” One modulation LED glows green and the transmitter is 20 dB
below full modulation.
“-10 dB level” Both modulation LEDs glow green and the transmitter is close to full modulation.
“+0 dB level” One Led is red and the other is green. The transmitter is in slight limiting and is fully modulated. This
is probably desirable. See the discussion below under Input Limiter.
“+10 dB level” Both LEDs are red. The transmitter is in limiting and you may want to reduce the transmitter audio
gain. See the discussion below under Input Limiter.

7
Frequency-Agile UHF Belt-Pack Transmitter
Rio Rancho, NM – USA
Input Limiter
The 400 series transmitters employ a digitally-controlled analog audio limiter just before the analog-to-digital converter.
The limiter has a range of more than 30dB for excellent overload protection. A dual release envelope makes the limiter
acoustically transparent while maintaining low distortion. It can be thought of as two limiters in series, connected as a
fast attack and release limiter followed by a slow attack and release limiter. The limiter recovers quickly from brief
transients, so that its action is hidden from the listener, but recovers slowly from sustained high levels, to both keep
audio distortion low and preserve short term dynamic changes.
The audio level LEDs indicate limiter activity. The first red LED indicates that the limiter is active and that the trans-
mitter is fully modulated (audio level is between +0 and +10 dB). The second red LED indicates that the level is 10dB
or more into limiting. Occasional forays into the red are desirable for most applications, since the distortion introduced
by the limiter is so minimal, and full modulation is thus assured. We strongly recommend setting the gain of the
transmitter high enough so that the first red LED occasionally lights.
Generally speaking, some limiting is desirable in normal operation to improve the signal to noise ratio of the system.
The limiting action is not audible and does not create distortion. A highly trained ear would hear only the compression
of the peaks in the audio signal, which is desirable with most recorders and many sound reinforcement systems.
AUDIO LEVEL
Used to adjust the audio input level for the proper modulation.
ANTENNA
The flexible bronze cable antenna supplied with the transmitter is cut to 1/4 wavelength of the center of the frequency
block (the frequency range) of the transmitter. It is removable via an SMA connector. The SMA connector is a 50
Ohm RF port which can also be connected directly to test equipment. Replacement antennas are available in pre-cut
lengths for specific frequency blocks, or as a kit with instructions to cut the antenna for any frequency block.
ADJUSTABLE LOW FREQUENCY ROLL-OFF
A 18dB per octave low frequency roll-off is provided in the audio section, with the -3dB point adjustable from 35Hz to
150Hz. The actual roll-off frequency will vary somewhat according to the low frequency response of the mic capsule
being used.
The low frequency roll-off control is used to remove subsonic (or very low frequency) audio, often produced by air
conditioning systems, automobile traffic and other sources from the audio signal. Excessive low frequency content in
the audio input can cause a variety of audio problems including driving the transmitter into limiting. In sound reinforce-
ment systems, as one instance, excessive low frequency content can cause excessive power amplifier drain or even
damage to loudspeaker systems. By rotating the control clockwise, the hinge point of the roll-off is increased to
reduce the level of low frequencies. In controlled situations, such as a motion picture production set indoors where
environmental noise is minimal, the control can be rotated counter-clockwise to permit low frequency audio to be
captured.
THE BELT CLIP
The belt clip may be removed for special applications by removing one screw.
USE ONLY THE SCREW THAT IS SUPPLIED
The circuitry is tightly packed into this unit. A longer screw will permanently damage the transmitter! Use only
Lectrosonics PN:28528 which is a Phillips head, 4-40 x 3/16", FL100 screw.

8
BATTERY INSTALLATION
The transmitter is powered by a standard alkaline or lithium 9 Volt battery. It is important that you use ONLY an
ALKALINE or LITHIUM battery for longest life. Standard zinc-carbon batteries marked “heavy-duty” or “long-
lasting” are not adequate. Ni-cad rechargeable batteries will only provide 1.5 hours of operation, or less, and will run
down quite abruptly. Alkaline batteries provide over 5 hours of operation. Lithium batteries can be used to provide up
to 16 hours. Care should be taken not to leave a fully discharged lithium battery in the transmitter, as swelling of the
battery can make it difficult to remove from the compartment. The battery status circuitry is designed for the voltage
drop over the life of alkaline batteries.
To open the battery compartment, press outward on the cover door in the direction of the arrow as shown in the
drawing. Only firm, sliding pressure is needed to open and close the battery door. Swing the door open and take note
of the polarity marked inside showing the location of the positive (+) and negative (-) terminals. You can see the large
and small contact holes inside the battery compartment with the door open.
Insert the battery correctly and close the cover by pressing the door closed and across, reversing the opening proce-
dure illustrated above. If the battery is inserted incorrectly, the door will not close. Do not force the door closed.
Swing the
door open
Press outward on the
battery door in this
direction
OPERATING INSTRUCTIONS
1) Install a fresh battery according to the instructions above.
2) Insert the microphone plug into the input jack, aligning the pins; be sure that the connector locks in.
3) Attach the antenna to the SMA connector on the top of the transmitter.
4) Mute the sound system.
5) Turn the transmitter power switch to the “ON” position.
6) Position the microphone in the location you will use in actual operation.

9
Frequency-Agile UHF Belt-Pack Transmitter
Rio Rancho, NM – USA
7) While speaking or singing at the same voice level that will actually be used, observe the MODULATION LEDs.
Adjust the AUDIO LEVEL control knob until the LEDs begin to light. At too low a setting neither LED will light as
you speak. Gradually, turn the gain up until the –20 dB LED lights green and then the -10 dB lights green. We
strongly recommend setting the gain of the transmitter even higher so that the first red LED occasionally lights.
8) Once the gain has been adjusted, the audio system audio can be turned on to make level adjustments in the main
audio system.
OPERATING NOTES
The AUDIO LEVEL control knob should not be used to control the volume of your sound system or recorder levels.
This gain adjustment matches the transmitter gain with the user’s voice level and microphone positioning.
If the audio level is too high — both red LEDs will light frequently or stay lit. This condition may reduce the dynamic
range of the audio signal.
If the audio level is too low — neither LED will light, or only the -20 LED will light green. This condition may cause hiss
and noise in the audio.
Different voices will usually require different settings of the AUDIO LEVEL control, so check this adjustment as each
new person uses the system. If several different people will be using the transmitter and there is not time to make the
adjustment for each individual, adjust it for the loudest voice.
ADJUSTING THE TRANSMITTER FREQUENCY
If you are experiencing interference from another signal on your frequency, you may want to change the operating
frequency of your system. The left switch changes the operating frequency by 1.6 MHz per step and the right switch
changes it 100 kHz per step. If you are experiencing interference, change the operating frequency in 100 kHz steps to
find a clear channel. If it is not possible to find a clear channel using the 100 kHz switch, return it to its original
position and change the 1.6 MHz switch by one click then try the 100 kHz
switch again.
To gain access to these switches, slide the access door sideways with a
fingernail.
With the 400 series receivers, the front panel LCD character display will
indicate the correct transmitter switch settings.
0
1
2
3
4
5
6
7
8
9
A
B
C
D
E
F
0
1
2
3
4
5
6
7
8
9
A
B
C
D
E
F
1.6M 100K

10
MICROPHONE CORD TERMINATION
Note: This termination is required on VHF transmitters and will still work fine on UHF transmitters.
1
23
4
5
VIEW FROM SOLDER
SIDE OF PINS
0.3"
0.15" Heatshrink
Tubing
TA5F Connector Assembly
Mic Cord Stripping Instructions
Caution!
Do not allow the shield wire to touch any
metal part of the connector shell.
The shield wire is the antenna on VHF
models and poor operating range will result.
Shield Wire
Crimp
Tabs
Rubber
Insulation
Crimp
Tabs
Rubber
Insulation

11
Frequency-Agile UHF Belt-Pack Transmitter
Rio Rancho, NM – USA
5-PIN INPUT JACK WIRING
The wiring diagrams shown on the next page represent the basic wiring necessary for the most common types of
microphones and other audio inputs. Some microphones may require extra jumpers or a slight variation on the dia-
grams shown.
Caution - When wiring the connector, do not use the connector body for any electrical connections.
A common mistake is to use the connector body as an audio ground. The connector body is
already used as an RF ground on VHF models and no other use is permitted.
It’s virtually impossible to keep completely up to date on changes that other manufacturers make to their products. It
is possible that you may encounter a microphone that differs from these instructions. If this occurs please call our toll-
free number listed on page 13 of this instruction manual. Our service department can answer your questions regarding
microphone compatibility.
When used on a wireless transmitter, the microphone element is in the proximity of the RF coming from the transmitter.
The nature of electret microphones makes them sensitive to RF, which can cause problems with the microphone/
transmitter compatibility. If the electret microphone is not designed properly for use with wireless transmitters, it may
be necessary to install a chip capacitor in the mic capsule or connector to block the RF from entering the electret
capsule. This modification is shown on the next page.
VHF transmitters use the shield of the microphone cord as the antenna. This transmitter uses a 1/4 wave flexible wire
to radiate the RF signal. There is really not much difference between these two approaches, with respect to the effect
of the RF on the microphone capsule. Even in transmitters that utilize a “dangling wire,” the microphone is still part of
the “ground plane” and is therefore still in the antenna circuit.
PIN 1 Shield (ground) for positive biased electret lavaliere microphones. Bias voltage source for negative biased
electret lavaliere microphones. Shield (ground) for dynamic microphones and line level inputs.
PIN 2 Shield (ground) for negative biased electret lavaliere microphones. Bias voltage source for positive biased
electret lavaliere microphones.
PIN 3 Low impedance microphone level input for dynamic microphones. Also accepts hand-held electret micro-
phones provided the microphone has its own built-in battery.
PIN 4 1K Ohm source load for non-Lectrosonics electret microphones. Use in conjunction with other pins to provide
attenuation of high level input signals.
PIN 5 High impedance, line level input for tape decks, mixer outputs, musical instruments, etc.
Transmitter
Input Jack
43
2
1
5
LECTROSONICS
1uH
10K
1K
5
100
4
3
2
1
330PF
330PF
+
3.3V Mic Bia
s
3mA max
To Mic Amp
POS BIAS (OR GND)
MIC
SOURCE LOAD
LINE IN
NEG GND (OR BIAS)
UM400 Transmitter Equivalent Input Circuit

12
RF BYPASSING
Some mics require RF protection to keep the radio signal
from affecting the capsule, even though the transmitter
input circuitry is already RF bypassed (see schematic
diagram).
If the mic is wired as directed, and you are having
difficulty with squealing, high noise, or poor frequency
response; RF is likely to be the cause.
The best RF protection is accomplished by installing RF
bypass capacitors at the mic capsule. If this is not
possible, or if you are still having problems, capacitors
can be installed on the mic pins inside the TA5F connector housing.
Install the capacitors as follows: Use 330 pF capacitors. Capacitors are available from Lectrosonics. Please specify
the part number for the desired lead style.
Leaded capacitors: P/N 15117 Leadless capacitors: P/N SCC330P
All Lectrosonics lavaliere mics are already bypassed and do not need any additional capacitors installed for proper
operation.
BODY GROUND
Caution - When wiring the connector, do not use the connector body for any electrical connections. A common
mistake is to use the connector body as an audio ground. The connector body is already used as an RF
ground on VHF models and no other use is permitted.
LINE LEVEL SIGNALS
The normal hookup for line level signals is: Signal Hot to pin 5, Signal Gnd to pin 1, pin 4 jumped to pin 1, and pin 3
jumped to pin 1. This gives a 40dB attenuator that allows signal levels much higher than 3V to be applied without
limiting.
If more headroom is needed, insert a 100k resistor in series with pin 5. Put this resistor inside the TA5F connector to
minimize noise pickup.
If lower than normal line levels (less than 1V) are expected, use this hookup: Signal Hot to pin 5, Signal Gnd to pin 1,
and pin 4 jumpered to pin 1. This provides a 20dB attenuator allowing signals as high as 3V to be applied without
limiting.
WIRING HOOKUPS FOR DIFFERENT SOURCES
3 WIRE MIC2 WIRE MIC
CAPSULE CAPSULE
SHIELD
AUDIO
SHIELD
AUDIO
BIAS
TA5F
CONNECTOR
TA5F
CONNECTO
R
Preferred locations for bypass capacitors
Alternate locations for bypass capacitors
PIN
5
4
3
2
1
SHIELD
AUDIO
BIAS
3 WIRE ELECTRET MIC
POSITIVE BIAS
1
2
3
45
TA5F
PLUG
1
2
3
4
5
PIN
SHIELD
AUDIO
2 WIRE ELECTRET MIC
POSITIVE BIAS
1
2
3
45
TA5F
PLUG
1
2
3
4
5
PIN
SHIELD
BIAS
AUDIO
3
WIRE ELECTRET MIC
NEGATIVE BIAS
1
2
3
45
TA5F
PLUG
1
2
3
4
5
PIN
SHIELD
AUDIO
2 WIRE ELECTRET MIC
NEGATIVE BIAS
1
2
3
45
TA5F
PLUG
SHIELD
TIP
PIN
5
4
3
2
1
SLEEVE
LINE LEVEL
RCA or 1/4 " PLUG
AUDIO 1
2
3
45
TA5F
PLUG
3
1
2
DYNAMIC
MIC LEVEL
1
2
3
4
5
3
2
1
PIN PIN
SHIELD
Dynamic LO Z mic or electret with
manufacturers power supply.
1
2
3
45
TA5F
PLUG
(See notes on ‘LINE LEVEL SIGNALS” above.)

13
Frequency-Agile UHF Belt-Pack Transmitter
Rio Rancho, NM – USA
TROUBLESHOOTING
Before going through the following chart, be sure that you have a good battery in the transmitter. It is important that
you follow these steps in the sequence listed.
SYMPTOM POSSIBLE CAUSE
TRANSMITTER BATTERY LED OFF 1) Battery is inserted backwards.
2) Battery is dead.
NO TRANSMITTER MODULATION LEDs 1) Gain control turned all the way down.
2) Battery is in backwards. Check power LED.
3) Mic capsule is damaged or malfunctioning.
4) Mic cable damaged or mis-wired.
RECEIVER RF LAMP OFF 1) Transmitter not turned on.
2) Transmitter battery is dead.
3) Receiver antenna missing or improperly positioned.
4) Transmitter and receiver not on same frequency. Check
switches/display on transmitter and receiver.
5) Operating range is too great.
6) Transmitter antenna not connected
NO SOUND (OR LOW SOUND LEVEL), 1) Receiver output level set too low.
RECEIVER INDICATES PROPER AUDIO 2) Receiver output is disconnected; cable is defective
MODULATION or mis-wired.
3) Sound system or recorder input is turned down.
DISTORTED SOUND 1) Transmitter gain (audio level) is far too high. Check mod
level lamps on transmitter and receiver as it is being used.
(refer to pages 8/9 for details on gain adjustment)
2) Receiver output may be mis-matched with the sound
system or recorder input. Adjust output level on receiver
to the correct level for the recorder, mixer or sound
system.
3) Excessive wind noise or breath “pops.” Reposition
microphone and/or use a larger windscreen.
4) Transmitter is not set to same frequency as receiver.
Check that frequency select switches on receiver and
transmitter match.
HISS AND NOISE -- AUDIBLE DROPOUTS 1) Transmitter gain (audio level) far too low.
2) Receiver antenna missing or obstructed.
3) Transmitter antenna missing.
4) Operating range too great.
EXCESSIVE FEEDBACK 1) Transmitter gain (audio level) too high. Check gain
adjustment and/or reduce receiver output level.
2) Transmitter too close to speaker system.
3) Mic is too far from user’s mouth.

14
SPECIFICATIONS AND FEATURES
Operating frequencies: 537.600 to 607.900 MHz
614.100 to 793.500 MHz
Frequency selection: 256 frequencies in 100kHz steps
RF Power output: 100 mW (nominal)
Pilot tone: 25 to 30 kHz; 5kHz deviation
Frequency stability: ± 0.002%
Deviation: ± 75 kHz (max)
Spurious radiation: 90 dB below carrier
Equivalent input noise: –123 dBV
Input level: Nominal 2 mV to 300 mV, before limiting.
Greater than 1V maximum, with limiting.
Input impedance: Taps provided for 200, 1k, 10k Ohm
Input compressor: Dual envelope compressor, >30 dB range
Gain control range: 43 dB; semi-log rotary control
Modulation indicators: Dual bicolor LEDs indicate modulation of -20, -10, 0, +10 dB
referenced to full modulation.
Low frequency roll-off: –18dB/octave; 35Hz to 150Hz
Controls: 2 position “OFF-ON” slide switch for noiseless turn on/turn off operation.
Front panel knob adjusts audio gain. Recessed control on side panel adjusts low
frequency rolloff. Rotary switches on side panel adjust transmitter frequency.
Audio Input Jack: Switchcraft 5 pin locking (TA5F)
Antenna: Detachable, flexible wire supplied. 50 Ohm port allows
connection to test equipment.
Battery: Precision compartment auto-adjusts to accept any known alkaline 9 Volt battery.
(We’ve tried 243 different ones!)
Battery Life: 5 hours (alkaline); 16 hours (lithium)
Weight: 6.3 ozs. including battery
Dimensions: 3.1 x 2.4 x .75 inches
Emission Designator: 180KF3E
Specifications subject to change without notice.
The FCC requires that the following statement be included in this manual:
FCC RF Exposure Statement
This device complies with FCC radiation exposure limits as set
forth for an uncontrolled environment. This device should be
installed and operated so that its antenna(s) are not co-located
or operating in conjunction with any other antenna or transmitter.

15
Frequency-Agile UHF Belt-Pack Transmitter
Rio Rancho, NM – USA
SERVICE AND REPAIR
If your system malfunctions, you should attempt to correct or isolate the trouble before concluding that the equipment
needs repair. Make sure you have followed the setup procedure and operating instructions. Check out the intercon-
necting cords and then go through the TROUBLESHOOTING section in the manual
We strongly recommend that you do not try to repair the equipment yourself and do not have the local repair shop
attempt anything other than the simplest repair. If the repair is more complicated than a broken wire or loose con-
nection, send the unit to the factory for repair and service. Don’t attempt to adjust any controls inside the units.
Once set at the factory, the various controls and trimmers do not drift with age or vibration and never require read-
justment. There are no adjustments inside that will make a malfunctioning unit start working.
LECTROSONICS’ service department is equipped and staffed to quickly repair your equipment. In warranty repairs
are made at no charge in accordance with the terms of the warranty. Out of warranty repairs are charged at a
modest flat rate plus parts and shipping. Since it takes almost as much time and effort to determine what is wrong
as it does to make the repair, there is a charge for an exact quotation. We will be happy to quote approximate
charges by phone for out of warranty repairs.
RETURNING UNITS FOR REPAIR
You will save yourself time and trouble if you will follow the steps below:
A. DO NOT return equipment to the factory for repair without first contacting us by letter or by phone. We need to
know the nature of the problem, the model number and the serial number of the equipment. We also need a
phone number where you can be reached 8 am to 4 pm (Mountain Standard Time).
B. After receiving your request, we will issue you a return authorization number (R.A.). This number will help speed
your repair through our receiving and repair departments. The return authorization number must be clearly shown
on the outside of the shipping container.
C. Pack the equipment carefully and ship to us, shipping costs prepaid. If necessary, we can provide you with the
proper packing materials. UPS is usually the best way to ship the units. Heavy units should be “double-boxed” for
safe transport.
D. We also strongly recommend that you insure the equipment, since we cannot be responsible for loss of or damage
to equipment that you ship. Of course, we insure the equipment when we ship it back to you.
Mailing address: Shipping address: Telephones:
Lectrosonics, Inc. Lectrosonics, Inc. Regular: (505) 892-4501
PO Box 15900 581 Laser Rd. Toll Free (800) 821-1121
Rio Rancho, NM 87174 Rio Rancho, NM 87124 FAX: (505) 892-6243
USA USA
Web: http://www.lectrosonics.com Email: sales@lectrosonics.com

LECTROSONICS, INC.
581 LASER ROAD
RIO RANCHO, NM 87124 USA
www.lectrosonics.com
June 3, 2002
LIMITED ONE YEAR WARRANTY
The equipment is warranted for one year from date of purchase against defects in
materials or workmanship provided it was purchased from an authorized dealer. This
warranty does not cover equipment which has been abused or damaged by careless
handling or shipping. This warranty does not apply to used or demonstrator equipment.
Should any defect develop, Lectrosonics, Inc. will, at our option, repair or replace any
defective parts without charge for either parts or labor. If Lectrosonics, Inc. cannot
correct the defect in your equipment, it will be replaced at no charge with a similar new
item. Lectrosonics, Inc. will pay for the cost of returning your equipment to you.
This warranty applies only to items returned to Lectrosonics, Inc. or an authorized
dealer, shipping costs prepaid, within one year from the date of purchase.
This Limited Warranty is governed by the laws of the State of New Mexico. It states the
entire liablility of Lectrosonics Inc. and the entire remedy of the purchaser for any
breach of warranty as outlined above. NEITHER LECTROSONICS, INC. NOR
ANYONE INVOLVED IN THE PRODUCTION OR DELIVERY OF THE EQUIPMENT
SHALL BE LIABLE FOR ANY INDIRECT, SPECIAL, PUNITIVE, CONSEQUENTIAL,
OR INCIDENTAL DAMAGES ARISING OUT OF THE USE OR INABILITY TO USE
THIS EQUIPMENT EVEN IF LECTROSONICS, INC. HAS BEEN ADVISED OF THE
POSSIBILITY OF SUCH DAMAGES. IN NO EVENT SHALL THE LIABILITY OF
LECTROSONICS, INC. EXCEED THE PURCHASE PRICE OF ANY DEFECTIVE
EQUIPMENT.
This warranty gives you specific legal rights. You may have additional legal rights which
vary from state to state.
LIMITED ONE YEAR WARRANTY