Lectrosonics UM400AV WIRELESS MICROPHONE TRANSMITTER User Manual USERS MANUAL
Lectrosonics Inc WIRELESS MICROPHONE TRANSMITTER USERS MANUAL
USERS MANUAL

UM400a
Frequency Synthesized 100 mW UHF Belt-Pack Transmitter
INSTRUCTION MANUAL
Rio Rancho, NM, USA
www.lectrosonics.com
Fill in for your records:
Serial Number:
Purchase Date:
Featuring
Digital Hybrid Wireless™ Technology

UM400a
LECTROSONICS, INC.
2

Frequency Synthesized UHF Belt-Pack Transmitter
Rio Rancho, NM 3
Table of Contents
General Technical Description ..............................................................................................................................................................4
Introduction ...........................................................................................................................................................................................4
Digital Hybrid Technology .......................................................................................................................................................................................... 4
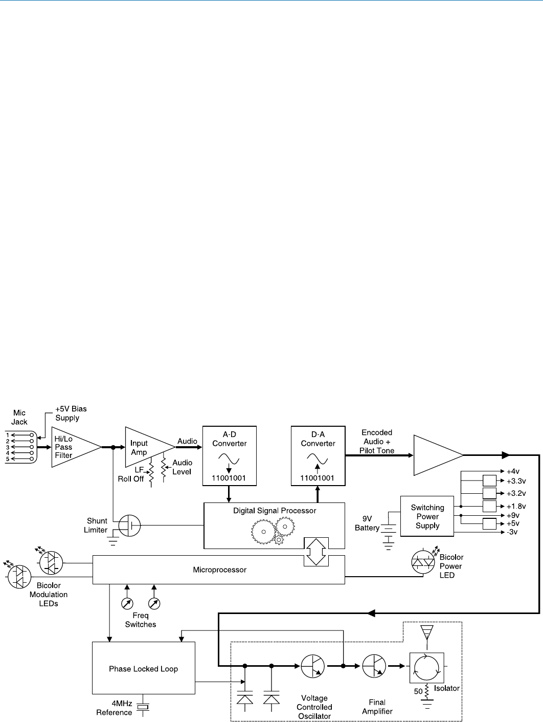
UM400a Block Diagram ........................................................................................................................................................................4
No Pre-Emphasis/De-Emphasis ...........................................................................................................................................................5
Pilot Tone Squelch ................................................................................................................................................................................5
Input Limiter ..........................................................................................................................................................................................5
Wide-Band Deviation ............................................................................................................................................................................5
Batteries, Battery Life and External Power ...........................................................................................................................................5
Frequency Selection .............................................................................................................................................................................5
Antenna .................................................................................................................................................................................................5
Controls and Functions .........................................................................................................................................................................6
Input Jack ..............................................................................................................................................................................................6
Power ON/OFF Switch ..........................................................................................................................................................................6
Power On LED ......................................................................................................................................................................................6
Audio Level Control ...............................................................................................................................................................................6
Modulation LEDs ...................................................................................................................................................................................7
Antenna .................................................................................................................................................................................................7
Frequency Select Switches ...................................................................................................................................................................7
Adjustable Low Frequency Roll-Off .......................................................................................................................................................7
Belt Clip .................................................................................................................................................................................................7
Battery Installation .................................................................................................................................................................................8
Operating Instructions ...........................................................................................................................................................................8
Selecting the Compatibility Mode ..........................................................................................................................................................8
Attaching a Microphone and Adjusting Gain .........................................................................................................................................9
Operating Notes ....................................................................................................................................................................................9
Adjusting the Transmitter Frequency .....................................................................................................................................................9
5-Pin Input Jack Wiring ........................................................................................................................................................................10
Microphone Cord Termination .............................................................................................................................................................11
TA5F Connector Assembly .................................................................................................................................................................11
Mic Cord Stripping Instructions ...........................................................................................................................................................11
Microphone RF Bypassing ..................................................................................................................................................................12
Line Level Signals ...................................................................................................................................................................................
Wiring Hookups for Different Sources ...............................................................................................................................................13
Works with Servo Inputs Only: ............................................................................................................................................................13
Compatible with Servo Inputs and other Lectrosonics Transmitters: ...................................................................................................13
Replacement Parts and Accessories ..................................................................................................................................................14
UHF Transmitter Antenna Specifications ............................................................................................................................................14
Troubleshooting ....................................................................................................................................................................................15
Specifications and Features ................................................................................................................................................................17
Service and Repair ...............................................................................................................................................................................18
Returning Units for Repair ..................................................................................................................................................................18
© Copyright 2007 Lectrosonics. Inc

UM400a
LECTROSONICS, INC.
4
Introduction
The UM400a transmitter combines 100 mW of RF
output with +/- 75 kHz wide deviation for extended
operating range and extremely high signal to noise ratio.
These key design features are coupled with the com-
pandor-free Digital Hybrid Wireless® audio chain and
packaged in the widely recognized Lectrosonics stan-
dard transmitter housing.
The unit is powered by a single 9V battery in the inter-
nal compartment, or from external DC using a Lectro-
sonics ISO9VOLT battery eliminator.
Digital Hybrid Technology
All wireless links suffer from channel noise to some
degree, and all wireless microphone systems seek
to minimize the impact of that noise on the desired
signal. Conventional analog systems use compandors
to improve the signal to noise ratio, at the cost of subtle
artifacts (known as “pumping” and “breathing”). Wholly
digital systems defeat the noise by sending the audio
information in digital form, at the cost of some combina-
tion of power, bandwidth and resistance to interference.
The Lectrosonics Digital Hybrid system overcomes
channel noise in a dramatically new way, digitally
encoding the audio in the transmitter and decoding it
in the receiver, yet still sending the encoded informa-
<--See 5-Pin Input Jack Wiring for details.
UM400a Block Diagram
General Technical Description
tion via an analog FM wireless link. This proprietary
algorithm is not a digital implementation of an analog
compandor but a technique which can be accomplished
only in the digital domain, even though the inputs and
outputs are analog signals.
Channel noise still has an impact on received signal
quality and will eventually overwhelm the receiver. The
Digital Hybrid simply encodes the signal to use a noisy
channel as efficiently and robustly as possible, yield-
ing audio performance that rivals that of wholly digital
systems, without the power and bandwidth problems
inherent in digital transmission. As always, these
advantages come at a cost. The Digital Hybrid system
requires fairly intensive digital processing in both the
transmitter and the receiver. These processors cost
money, take up space and consume power. The Digital
Hybrid system also requires that the underlying RF link
be of excellent quality, with better frequency response
and distortion characteristics than that required by con-
ventional systems.
Because it uses an analog FM link, the Digital Hybrid
enjoys all the benefits of conventional FM wireless
systems, such as excellent range, efficient use of RF
spectrum, and long battery life. However, unlike con-
ventional FM systems, this unique design has done
away with the analog compandor and its artifacts.

Frequency Synthesized UHF Belt-Pack Transmitter
Rio Rancho, NM 5
No Pre-Emphasis/De-Emphasis
The signal to noise ratio of the hybrid system is high
enough to preclude the need for conventional pre-em-
phasis (HF boost) in the transmitter and de-emphasis
(HF roll off) in the receiver. Pre-emphasis and de-em-
phasis in an FM radio system usually provides about
a 10 dB improvement in the signal to noise ratio of the
system, but the high frequency boost in the transmitter
must be removed in a purely complementary manner or
else the frequency response of the original audio signal
will be altered.
Pre-emphasis can also cause distortion in the receiver.
As this signal is passed through the IF filters in the
receiver, distortion can be produced, most noticeably at
full modulation. De-emphasis cannot be applied until
the signal is converted into audio, so there is no way
around this problem short of eliminating pre-empha-
sis altogether. Neither of these problems occur in the
hybrid system design.
Pilot Tone Squelch
The system uses one of 256 different ultrasonic tones
between 25 and 32 kHz, that modulate the carrier to
operate the receiver squelch. The pilot tone frequency
is chosen according to which of the 256 channels has
been selected by the frequency switch setting. The pur-
pose of the pilot tone squelch system is that the receiv-
er will remain muted until it receives the pilot tone from
the matching transmitter, even if a strong RF signal is
present on the carrier frequency of the system. The
UM400a extends this concept even further by ensuring
that all transmitters in a system have different pilot tone
frequencies so that even spurious RF from the wrong
transmitters can’t open the receiver squelch.
Input Limiter
The transmitters employ a digitally-controlled analog
audio limiter just before the analog-to-digital converter.
The limiter has a range of more than 30 dB for excellent
overload protection. A dual release envelope makes
the limiter acoustically transparent while maintaining
low distortion. It can be thought of as two limiters in
series, connected as a fast attack and release limiter
followed by a slow attack and release limiter. The limiter
recovers quickly from brief transients, so that its action
is hidden from the listener, but recovers slowly from
sustained high levels, to both keep audio distortion low
and preserve short term dynamic changes.
Generally speaking, some limiting is desirable in normal
operation to improve the signal to noise ratio of the
system. The limiting action is not audible and does not
create distortion. A highly trained ear would hear only
the compression of the peaks in the audio signal, which
is desirable with most recorders and many sound rein-
forcement systems.
Wide-Band Deviation
± 75 kHz deviation improves the capture ratio, signal to
noise ratio and AM rejection of a wireless system dra-
matically, compared to the more commonly used ±15
kHz deviation.
Frequency Selection
The transmitter section uses a synthesized, frequency
selectable main oscillator. The frequency is extremely
stable over a wide temperature range and over time.
Two rotary switches, located on the side panel of the
unit, provide 256 frequencies in 100 kHz steps over a
25.5 MHz range. This alleviates carrier interference
problems in mobile or traveling applications.
Antenna
The antenna on the UM400a consists of a rugged 1/4
wavelength stranded and galvanized steel cable, de-
tachable via an SMA connector. The impedance of this
antenna port is 50 Ohms.

UM400a
LECTROSONICS, INC.
6
Input Jack
The input on the UM400a accommodates virtually every
lavaliere, hand-held or shotgun microphone available.
Different line level signals can also be accommodated.
(See Wiring Hookups for Different Sources.)
Power ON/OFF Switch
Turns the transmitter on and off. Even when the switch
is turned off or on abruptly, the pilot tone muting system
prevents “thumps” or transients from occurring.
Power On LED
The Power LED glows green when the battery is good
and the transmitter is turned on. The LED will glow
yellow/orange as the battery voltage drops and finally
glows red when there are about 30 minutes of operation
left (when using the recommended battery). The LED
blinks red when there are only a few minutes of life left.
Input Jack
Power ON/OFF Switch
AUDIO LEVEL Control
Modulation LEDs
ANTENNA Jack
Power LED
1.6M 100K
Frequency Select Switches
012
3
4
5
6
7
8
9
A
B
C
D
EF012
3
4
5
6
7
8
9
A
B
C
D
EF
Low Frequency Roll Off
Control
Controls and Functions
NOTE: While a NiMH battery provides long
operating time, it will give little or no warning
when depleted. If you use a NiMH battery in the
UM400a, we recommend trying a fully charged
battery in the unit, noting the length of time that
the battery will run the unit and in the future use
somewhat less than that time to determine when
the battery needs to be replaced.
A weak battery will sometimes light the Power LED to
the “good” green indication immediately after being put
in the unit, but will quickly discharge to the point where
the LED will go red or shut down (just like a flashlight
with “dead” batteries). If the lamp fails to light, the bat-
tery should be replaced.
Audio Level Control
The front panel AUDIO LEVEL Control is used to adjust
the incoming audio input level for proper modulation.

Frequency Synthesized UHF Belt-Pack Transmitter
Rio Rancho, NM 7
Belt Clip
Belt Clip
Retaining Screw
Location
Modulation LEDs
The Modulation LEDs provide a visual indication of the
input audio signal level from the microphone. These
two bicolor LEDs can glow either red or green to indi-
cate modulation levels.
Signal Level -20 LED -10 LED
Less than -20 dB Off Off
-20 dB to -10 dB Green Off
-10 dB to +0 dB Green Green
+0 dB to +10 dB Red Green
Greater than +10 dB Red Red
The Modulation LEDs are also used to indicate the
Compatibility Mode when the transmitter is initially
turned on. The Modulation LEDs will blink simultane-
ously:
• Once for 100 Series mode
• Two times for 200 Series mode
• Three times for mode 3
• Four times for Digital Hybrid Wireless® or
400 Series mode
• Five times for IFB mode*
• Six times for mode 6
Modes 3 and 6 provide compatibility with other manu-
facturer’s receivers - contact the factory for details.
Antenna
The flexible galvanized steel cable antenna supplied
with the transmitter is cut to 1/4 wavelength of the cen-
ter of the frequency block (the frequency range) of the
transmitter. The SMA connector is a 50 Ohm RF port
which can also be connected directly to test equipment.
Replacement antennas are available in pre-cut lengths
for specific frequency blocks, or as a kit with instructions
to cut the antenna for any frequency block.
Frequency Select Switches
Two 16-position rotary switches adjust the center fre-
quency of the carrier. The 1.6M is a coarse adjustment
and the 100K is the fine adjustment.
*Not available on earlier units.
Adjustable Low Frequency Roll-Off
A 18dB per octave low frequency roll-off is provided in
the audio section, with the -3dB point adjustable from
35Hz to 150Hz. The actual roll-off frequency will vary
somewhat according to the low frequency response of
the mic capsule being used.
The low frequency roll-off control is used to remove
subsonic (or very low frequency) audio, often produced
by air conditioning systems, automobile traffic and other
sources. Excessive low frequency content in the audio
input can cause a variety of audio problems including
driving the transmitter into limiting. In sound reinforce-
ment systems, as one instance, excessive low frequen-
cy content can cause excessive power amplifier drain
or even damage to loudspeaker systems. By rotating
the control clockwise, the hinge point of the roll-off is
increased to reduce the level of low frequencies. In
controlled situations, such as a motion picture produc-
tion set indoors where environmental noise is minimal,
the control can be rotated counter-clockwise to permit
low frequency audio to be captured.
Belt Clip
The belt clip may be removed for special applications by
removing one screw.
WARNING: Use ONLY the screw that is
supplied.
The circuitry is tightly fitted into this unit. A longer
screw will permanently damage the transmitter!
Low Frequency
Roll-Off Control

UM400a
LECTROSONICS, INC.
8
To open the battery compartment, press outward on the
cover door in the direction of the arrow as shown in the
illustration. Only firm, sliding pressure is needed to open
and close the battery door. Swing the door open and take
note of the polarity marked inside showing the location of
the positive (+) and negative (-) terminals. You can also
see the large and small contact holes inside the battery
compartment with the door open.
Insert the battery correctly and close the cover by press-
ing the door closed and across, reversing the opening
procedure illustrated above. If the battery is inserted
incorrectly, the door will not close. Do not force the door
closed.
*Not available on earlier units.
Battery Installation
Selecting the Compatibility Mode
The UM400a can be used with Lectrosonics 400 Series
Digital Hybrid, 200 Series analog, 100 Series analog,
Lectrosonics IFB and some non-Lectrosonics analog
wireless receivers. Contact the factory for details on
the non-Lectrosonics models that can be used. The
transmitter must be set to the operating mode of the
matching receiver, which is done using the supplied
screwdriver and a battery.
NOTE: The unit is supplied from the factory as a
Digital Hybrid (400 series) transmitter.
1) Ensure the battery is good.
2) Turn off the transmitter.
3) With a small screwdriver (one is included with your
unit), set the Frequency Select Switches to CC. (for
Change, Change).
4) Power up the unit briefly – just long enough for the
LED’s to light up and then turn it off.
5) Change the Frequency Select Switches to one of
the following settings:
• To set Lectrosonics 100 Series mode:
set switches to 1,1
• To set Lectrosonics 200 Series mode:
set switches to 2,2
• To set Mode 3: set switches to 3,3
(contact the factory for details)
• To set Lectrosonics Hybrid mode:
set switches to 4,4
• To set IFB mode: set switches to 5,5*
• To set Mode 6: set switches to 6,6
6) Turn the unit on, wait a couple of seconds and turn
off again.
7) Change the Frequency Select Switches to 0,0.
8) Turn on the transmitter to complete the operation.
The LEDS will blink to indicate the selected com-
patibility mode. Immediately after power up, all
LEDS will blink together red, then green, followed
by the audio level LEDs (-20 and -10) blinking to
indicate the mode.
The -20 and -10 LEDs will blink:
• Once for 100 Series mode
• Two times for 200 Series mode
• Three times for Mode 3
• Four times for Hybrid mode
• Five times for IFB mode*
• Six times for Mode 6
At powerup the transmitter will confirm the current
compatibility mode with the number of blinks listed
here. This setting will remain the same until you
reset it with the procedure listed above.
Operating Instructions

Frequency Synthesized UHF Belt-Pack Transmitter
Rio Rancho, NM 9
012
3
4
5
6
7
8
9
A
B
C
D
EF012
3
4
5
6
7
8
9
A
B
C
D
EF
1.6M 100K
Attaching a Microphone and Adjusting Gain
1) Ensure the battery is in good condition.
2) Insert the microphone plug into the input jack, align-
ing the pins; be sure that the connector locks.
3) Attach the antenna to the SMA connector on the
top of the transmitter.
4) Mute the associated receiver’s audio output.
5) Turn on the transmitter.
6) Position the microphone in the location you will
use in actual operation. While speaking or sing-
ing at the same voice level that will actually be
used, observe the Modulation LEDs. Adjust the
AUDIO LEVEL control until the –20 dB LED glows
green with occasional red flickers and -10 dB glows
green.* This will set the gain of your transmitter to
between +0 dB and +10 dB modulation. (See chart
below.)
Signal Level -20 LED -10 LED
Less than -20 dB Off Off
-20 dB to -10 dB Green Off
-10 dB to +0 dB Green Green
+0 dB to +10 dB Red Green *optimum
Greater than +10 dB Red Red
7) Once the gain has been adjusted, the audio system
audio can be turned on to make level adjustments
in the main audio system.
NOTE: The transmitter Audio Level Control should
not be used to control the volume of your sound
system or recorder levels. This gain adjustment
matches the transmitter gain with the user’s voice
level and microphone positioning. Adjust the
receiver output level to match the sound system or
recorder.
Operating Notes
If the audio level is too high — both LEDs will blink red
frequently or glow a steady red. This condition may
reduce the dynamic range of the audio signal.
If the audio level is too low — neither LED will glow, or
only the -20 LED will glow green. This condition may
cause hiss and noise in the audio.
Different voices will usually require different settings of
the AUDIO LEVEL control, so check this adjustment as
each new person uses the system. If several different
people will be using the transmitter and there is not time
to make the adjustment for each individual, adjust it for
the loudest voice.
Adjusting the Transmitter Frequency
If you are experiencing interference from another signal
on your frequency, you will need to change the operat-
ing frequency of your system.
If you are using a receiver with a frequency scan func-
tion, find a clear frequency with the receiver, then set
the transmitter to the frequency selected with the re-
ceiver. Simply change frequencies to one where no RF
is indicated on the receiver.
Note: Leave the transmitter turned off while you
search for a clear frequency.
The left switch changes the operating frequency by 1.6
MHz per step and the right switch changes it 100 kHz
per step. Start by changing the operating frequency
in 100 kHz increments to find a clear channel. If it is
not possible to find a clear channel using the 100 kHz
switch, return it to its original position and change the
1.6 MHz switch by one click then try the 100 kHz switch
again.
To gain access to these switches, slide the access door
sideways with a fingernail.
With Lectrosonics 400 Series receivers, a front panel
LCD character display will indicate the correct transmit-
ter switch settings once a clear frequency has been
located with the scan function (if the receiver is so
equipped).

UM400a
LECTROSONICS, INC.
10
The wiring diagrams included in this section represent
the basic wiring necessary for the most common types
of microphones and other audio inputs. Some micro-
phones may require extra jumpers or a slight variation
on the diagrams shown.
It is virtually impossible to keep completely up to date on
changes that other manufacturers make to their products,
thus you may encounter a microphone that differs from
these instructions. If this occurs please call our toll-free
number listed under Service and Repair in this manual or
visit our web site at: www.lectrosonics.com
5-Pin Input Jack Wiring
SM Equivalent Input Circuit Wiring
10k
1k
5
4
3
2
1
To Virtual Ground
Audio Amplifier
BIAS
MIC
BIAS SELECT
LINE IN
GND
+30uF
+6 VDC
Servo Bias
Pin 4 to Pin 1 = 0 V
Pin 4 Open = 2 V
Pin 4 to Pin 2 = 4 V
+
To Limiter Control
30uF
750 Ohm
100 Ohm
2.7K
200 Ohm
+
3.3uF
100 Ohm
Audio Input Jack
The Audio Input Jack for the UM400a is wired as shown
below:
PIN 1 Shield (ground) for positive biased electret lava-
liere microphones. Shield (ground) for dynamic
microphones and line level inputs.
PIN 2 Bias voltage source for positive biased electret
lavaliere microphones.
PIN 3 Low impedance microphone level input for
dynamic microphones. Also accepts hand-held
electret microphones provided the microphone
has its own built-in battery.
PIN 4 Bias voltage selector for Pin 3. Pin 3 voltage (0, 2
or 4 volts) depends on Pin 4 connection.
Pin 4 tied to Pin 1: 0 V
Pin 4 Open: 2 V
Pin 4 to Pin 2: 4 V
PIN 5 High impedance, line level input for tape decks,
mixer outputs, musical instruments, etc.

Frequency Synthesized UHF Belt-Pack Transmitter
Rio Rancho, NM 11
Caution: When wiring the connector, do not
use the connector body for any electrical
connections. A common mistake is to use
the connector body as an audio ground. The
connector body is already used as an RF
ground on VHF models and no other use is
permitted.
NOTE: This termination is required on VHF
transmitters and will still work fine on UHF
transmitters.
Microphone Cord Termination
TA5F Connector Assembly
Mic Cord Stripping Instructions

UM400a
LECTROSONICS, INC.
12
Microphone RF Bypassing
When used on a wireless transmitter, the microphone
element is in the proximity of the RF coming from the
transmitter. The nature of electret microphones makes
them sensitive to RF, which can cause problems with
the microphone/transmitter compatibility. If the electret
microphone is not designed properly for use with wire-
less transmitters, it may be necessary to install a chip
capacitor in the mic capsule or connector to block the
RF from entering the electret capsule.
Some mics require RF protection to keep the radio
signal from affecting the capsule, even though the
transmitter input circuitry is already RF bypassed (see
schematic diagram).
If the mic is wired as directed, and you are having dif-
ficulty with squealing, high noise, or poor frequency
response, RF is likely to be the cause.
The best RF protection is accomplished by installing RF
bypass capacitors at the mic capsule. If this is not pos-
sible, or if you are still having problems, capacitors can
be installed on the mic pins inside the TA5F connector
housing.
Install the capacitors as follows: Use 330 pF capacitors.
Capacitors are available from Lectrosonics. Please
specify the part number for the desired lead style.
Leaded capacitors: P/N 15117
Leadless capacitors: P/N SCC330P
All Lectrosonics lavaliere mics are already bypassed
and do not need any additional capacitors installed for
proper operation.
3 WIRE MIC2 WIRE MIC
CAPSULE CAPSULE
SHIELD
AUDIO
SHIELD
AUDIO
BIAS
Alternate locations for bypass capacitors
TA5F
CONNECTOR
TA5F
CONNECTOR
Preferred locations for bypass capacitors

Frequency Synthesized UHF Belt-Pack Transmitter
Rio Rancho, NM 13
SHIELD
TIP
PIN
5
4
3
2
1
SLEEVE
LINE LEVEL
RCA or 1/4” PLUG
A UDI O 1
2
3
4 5
T A5 F
PLUG
(This configuration handles input signal levels up to 3 V or
12 dBu before limiting and is fully compatible with other Lectrosonics
transmitters such as the LM or UM series. A 20 k resistor can be inserted
in series with pin 5 for additional 20 dB attenuation (30 V or +32 dBu).)
Compatible Standard Unbalanced Line Level Wiring
DRAIN (BIAS)
SOURCE (AUDIO)
SHIELD
Compatible with Servo Inputs and other Lectrosonics Transmitters:
Works with Servo Inputs Only:
Wiring Hookups for Different Sources
In addition to the wiring hookups illustrated below, Lec-
trosonics makes a number of cables and adapters for
other situations such as connecting musical instruments
(guitars, bass guitars, etc.) to the transmitter. These
cables can be found in our UHF or Accessories cata-
logs. Visit www.lectrosonics.com, or contact the factory
for more information.
A new “servo” input circuit is used on the UM400a and
other models such as the SM Series where pin 4 is
now a voltage selector pin. The diagrams in the section
labeled “Works with Servo Inputs only” are specific to
the UM400a transmitter and make wiring a Countryman
B6 or E6 or a three wire microphone such as a COS-11
very quick and easy. However, these wirings will not work
with older Lectrosonics transmitters such as the UM400,
UM200, etc. If you need the two wire Countryman B6 or
any three wire mic to work with both older transmitters
as well as with the Servo input go to the section below,
labeled, “Compatible with Servo Input and other Lectro-
sonics Transmitters.”
Sanken Cos-11 microphones, the Lectrosonics M150
and other three wire microphones to be used with the
Servo input will require new wiring. If the wiring is not
changed, they will have much higher output than usual
and extra distortion at high levels. The reason is that the
source follower wiring used in the older models is not
compatible with the virtual ground in the Servo input. In
the “Compatible with Servo Input and other Lectroson-
ics Transmitters” section shows a compatible wiring
that will work with all 5-Pin Lectrosonics transmitters.
This wiring converts the three wire microphone to a two
wire system without changing the audio quality. (The
microphone polarity will be reversed so you may want to
enable the phase switch on the Lectrosonics receiver.)
This wiring is electrically equivalent to the easy wiring in
the “Works with Servo Input only” section.
All two wire mics (except the Countryman B6 and E6)
such as the MKE-2 and the Lectrosonics M152 will
work with the Servo input with no changes. The two
wire setup is also shown in the third diagram below.

UM400a
LECTROSONICS, INC.
14
Item
Replacement wire belt clip
Replacment whip antenna
Replacement Parts and Accessories
UHF Transmitter Antenna Specifications
All Lectrosonic UHF transmitter antennas follow the color code specifications in the chart below to identify operating
frequency block range. (The frequency block range is engraved on the ouside housing for each individual transmitter.)
If a situation exists whereby the antenna is defective and the antenna cap is missing, refer to the following chart to
determine the correct replacement antenna.
BLOCK FREQUENCY CAP ANTENNA
RANGE COLOR WHIP LENGTH
20 512.000 - 537.500 Black 4.98”
21 537.600 - 563.100 Brown 4.74”
22 563.200 - 588.700 Red 4.48”
23 588.800 - 614.300 Orange 4.24”
24 614.400 - 639.900 Yellow 4.01”
25 640.000 - 665.500 Green 3.81”
26 665.600 - 691.100 Blue 3.62”
27 691.200 - 716.700 Violet (Pink) 3.46”
28 716.800 - 742.300 Grey 3.31”
29 742.400 - 767.900 White 3.18”
30 768.000 - 793.500 Black-w/Label 3.08”
31 793.600 - 819.100 Black-w/Label 2.99”
32 819.200 - 844.700 Black-w/Label 2.92”
33 844.800 - 865.000 Black-w/Label 2.87”
944 944.100 - 951.900 Black-w/Label (contact factory)
Model/Part Number
Lectrosonics #BCWire
Lectrosonics AMM (xx) - specify frequency block (xx)

Frequency Synthesized UHF Belt-Pack Transmitter
Rio Rancho, NM 15
Before going through the following chart, be sure that you have a good battery in the transmitter. It is important that
you follow these steps in the sequence listed.
Symptom Possible Cause
TRANSMITTER BATTERY LED OFF 1) Battery is inserted backwards.
2) Battery is dead.
NO TRANSMITTER MODULATION LEDs 1) Gain control turned all the way down.
2) Battery is in backwards. Check power LED.
3) Mic capsule is damaged or malfunctioning.
4) Mic cable damaged or mis-wired.
RECEIVER RF LAMP OFF 1) Transmitter not turned on.
2) Transmitter battery is dead.
3) Receiver antenna missing or improperly positioned.
4) Transmitter and receiver not on same frequency. Check
switches/display on transmitter and receiver.
5) Operating range is too great.
6) Transmitter antenna not connected
NO SOUND (OR LOW SOUND LEVEL), 1) Receiver output level set too low.
RECEIVER INDICATES PROPER AUDIO 2) Receiver output is disconnected; cable is defective
MODULATION or mis-wired.
3) Sound system or recorder input is turned down.
DISTORTED SOUND 1) Transmitter gain (audio level) is far too high. Check mod level
lamps on transmitter and receiver as it is being used.
(Refer to Operating Instructions - Adjusting Gain)
2) Receiver output may be mismatched with the sound system or
recorder input. Adjust output level on receiver to the correct
level for the recorder, mixer or sound system.
3) Excessive wind noise or breath “pops.” Reposition microphone
and/or use a larger windscreen.
4) Transmitter is not set to same frequency as receiver. Check that
frequency select switches on receiver and transmitter match.
HISS AND NOISE -- AUDIBLE DROPOUTS 1) Transmitter gain (audio level) far too low.
2) Receiver antenna missing or obstructed.
3) Transmitter antenna missing or folded against housing.
4) Operating range too great.
EXCESSIVE FEEDBACK 1) Transmitter gain (audio level) too high. Check gain adjustment
and/or reduce receiver output level.
2) Transmitter too close to speaker system.
3) Mic is too far from user’s mouth.
Troubleshooting

UM400a
LECTROSONICS, INC.
16

Frequency Synthesized UHF Belt-Pack Transmitter
Rio Rancho, NM 17
Operating frequencies: Block 21: 537.600 - 563.100
Block 22: 563.200 - 588.700
Block 23: 588.800 - 607.900 and 614.100 - 614.300
Block 24: 614.400 - 639.900
Block 25: 640.000 - 665.500
Block 26: 665.600 - 691.100
Block 27: 691.200 - 716.700
Block 28: 716.800 - 742.300
Block 29: 742.400 - 767.900
Block 30: 768.000 - 793.500
Block 31: 793.600 - 819.100
Block 32: 819.200 - 844.700
Block 33: 844.800 - 865.000
Block 944: 944.100 - 951.900
Frequency selection: 256 frequencies in 100kHz steps
RF Power output: 100 mW (nominal)
Pilot tone: 25 to 32 kHz frequency; 5kHz deviation
Frequency stability: ± 0.002%
Deviation: ± 75 kHz (max)
Spurious radiation: 90 dB below carrier
Equivalent input noise: –120 dBV, A-weighted
Input level: Nominal 2 mV to 300 mV, before limiting.
Greater than 1V maximum, with limiting.
Input impedance:
Dynamic mic: 300 Ohms
Electret lavaliere: Input is virtual ground with servo adjusted constant current bias
Line level: 2.7 k Ohms
Input compressor: Dual envelope compressor, >30 dB range
Gain control range: 43 dB; semi-log rotary control
Modulation indicators: Dual bicolor LEDs indicate modulation of -20, -10, 0, +10 dB
referenced to full modulation.
Low frequency roll-off: –18 dB/octave; 35Hz to 150Hz
Audio frequency response (overall system): 32 Hz to 20 kHz (+/- 1dB)
Controls: 2 position “OFF-ON” slide switch for noiseless turn on/turn off operation.
Front panel knob adjusts audio gain. Recessed control on side panel adjusts low
frequency rolloff. Rotary switches on side panel adjust transmitter frequency.
Audio Input Jack: Switchcraft 5 pin locking (TA5F)
Antenna: Detachable, flexible wire supplied. 50 Ohm port allows connection to test equipment.
Power Consumption: 80mA
Battery: Precision compartment auto-adjusts to accept any known alkaline 9 Volt battery.
Battery Life: 5 hours (alkaline); 10 hours (lithium)
Operating Temperature: -20 to +140 degrees F
Weight: 6.3 ozs. including battery
Dimensions: 3.1 x 2.4 x .75 inches
Emission Designator: 180KF3E
The FCC requires that the following statement be included in this manual:
This device complies with FCC radiation exposure limits as set forth for an uncontrolled environment.
This device should be installed and operated so that its antenna(s) are not co-located or operating in
conjunction with any other antenna or transmitter.
Specifications and Features

UM400a
LECTROSONICS, INC.
18
Service and Repair
If your system malfunctions, you should attempt to correct or isolate the trouble before concluding that the equipment
needs repair. Make sure you have followed the setup procedure and operating instructions. Check the interconnect-
ing cables and then go through the Troubleshooting section in this manual.
We strongly recommend that you do not try to repair the equipment yourself and do not have the local repair shop
attempt anything other than the simplest repair. If the repair is more complicated than a broken wire or loose connec-
tion, send the unit to the factory for repair and service. Don’t attempt to adjust any controls inside the units. Once
set at the factory, the various controls and trimmers do not drift with age or vibration and never require readjustment.
There are no adjustments inside that will make a malfunctioning unit start working.
Lectrosonics’ Service Department is equipped and staffed to quickly repair your equipment. In warranty repairs are
made at no charge in accordance with the terms of the warranty. Out-of-warranty repairs are charged at a modest flat
rate plus parts and shipping. Since it takes almost as much time and effort to determine what is wrong as it does to
make the repair, there is a charge for an exact quotation. We will be happy to quote approximate charges by phone for
out-of-warranty repairs.
Returning Units for Repair
For timely service, please follow the steps below:
A. DO NOT return equipment to the factory for repair without first contacting us by email or by phone. We need
to know the nature of the problem, the model number and the serial number of the equipment. We also need a
phone number where you can be reached 8 A.M. to 4 P.M. (U.S. Mountain Standard Time).
B. After receiving your request, we will issue you a return authorization number (R.A.). This number will help speed
your repair through our receiving and repair departments. The return authorization number must be clearly shown
on the outside of the shipping container.
C. Pack the equipment carefully and ship to us, shipping costs prepaid. If necessary, we can provide you with the
proper packing materials. UPS is usually the best way to ship the units. Heavy units should be “double-boxed” for
safe transport.
D. We also strongly recommend that you insure the equipment, since we cannot be responsible for loss of or dam-
age to equipment that you ship. Of course, we insure the equipment when we ship it back to you.
Lectrosonics USA:
Mailing address: Shipping address: Telephone:
Lectrosonics, Inc. Lectrosonics, Inc. (505) 892-4501
PO Box 15900 581 Laser Rd. (800) 821-1121 Toll-free
Rio Rancho, NM 87174 Rio Rancho, NM 87124 (505) 892-6243 Fax
USA USA
Web: E-mail:
www.lectrosonics.com sales@lectrosonics.com
Lectrosonics Canada:
Mailing Address: Telephone: E-mail:
49 Spadina Avenue, (416) 596-2202 Sales: colinb@lectrosonics.com
Suite 303A (877) 753-2876 Toll-free Service: joeb@lectrosonics.com
Toronto, Ontario M5V 2J1 (877-7LECTRO)
(416) 596-6648 Fax

Frequency Synthesized UHF Belt-Pack Transmitter
Rio Rancho, NM 19

UM400aman.indd
May 3, 2007
581 Laser Road NE • Rio Rancho, NM 87124 USA • www.lectrosonics.com
(505) 892-4501 • (800) 821-1121 • fax (505) 892-6243 • sales@lectrosonics.com
LIMITED ONE YEAR WARRANTY
The equipment is warranted for one year from date of purchase against defects in
materials or workmanship provided it was purchased from an authorized dealer. This
warranty does not cover equipment which has been abused or damaged by careless
handling or shipping. This warranty does not apply to used or demonstrator equipment.
Should any defect develop, Lectrosonics, Inc. will, at our option, repair or replace any
defective parts without charge for either parts or labor. If Lectrosonics, Inc. cannot
correct the defect in your equipment, it will be replaced at no charge with a similar new
item. Lectrosonics, Inc. will pay for the cost of returning your equipment to you.
This warranty applies only to items returned to Lectrosonics, Inc. or an authorized
dealer, shipping costs prepaid, within one year from the date of purchase.
This Limited Warranty is governed by the laws of the State of New Mexico. It states the
entire liablility of Lectrosonics Inc. and the entire remedy of the purchaser for any
breach of warranty as outlined above. NEITHER LECTROSONICS, INC. NOR
ANYONE INVOLVED IN THE PRODUCTION OR DELIVERY OF THE EQUIPMENT
SHALL BE LIABLE FOR ANY INDIRECT, SPECIAL, PUNITIVE, CONSEQUENTIAL,
OR INCIDENTAL DAMAGES ARISING OUT OF THE USE OR INABILITY TO USE
THIS EQUIPMENT EVEN IF LECTROSONICS, INC. HAS BEEN ADVISED OF THE
POSSIBILITY OF SUCH DAMAGES. IN NO EVENT SHALL THE LIABILITY OF
LECTROSONICS, INC. EXCEED THE PURCHASE PRICE OF ANY DEFECTIVE
EQUIPMENT.
This warranty gives you specific legal rights. You may have additional legal rights which
vary from state to state.