Lectrosonics WMM Wireless Microphone Transmitter User Manual USERS MANUAL
Lectrosonics Inc Wireless Microphone Transmitter USERS MANUAL
USERS MANUAL

WM
Watertight Transmitter and Remote Controls
With Digital Hybrid Wireless® Technology
INSTRUCTION MANUAL
Rio Rancho, NM, USA
www.lectrosonics.com
Fill in for your records:
Serial Number:
Purchase Date:
US Patent 7,225,135

WM
LECTROSONICS, INC.
2

Watertight Transmitter
Rio Rancho, NM 3
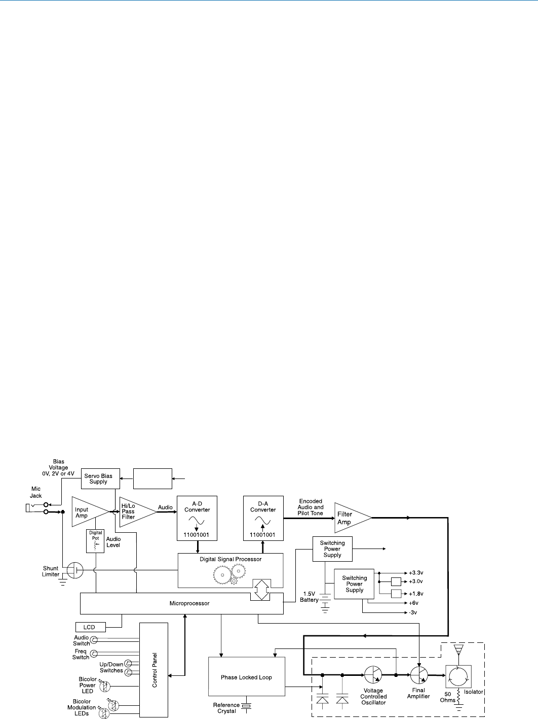
Introduction
The WM transmitter is designed to resist damage when
used in wet or dusty conditions and also offer a compre-
hensive feature set that makes it equally at home in film
and television production and on stage.
A solid machined aluminum housing with a corrosion re-
sistant finish hosts dual battery compartments, a mois-
ture sealed control panel with backlit LCD and enlarged
membrane switches. Recessed seats for the O-rings in
the battery caps and input jack allow the caps and mic
connector to be tightened securely without excessive
deformation of the O-rings.
The antenna is made of an extremely durable, multi-
strand alloy that will withstand heavy abuse. It is mount-
ed with a compression sealed strain relief that prevents
dust and moisture from entering the housing.
As the first stage in the signal processing chain, the
input preamp section includes very high quality, low
noise components with a wide range of gain adjust-
ment in 1 dB increments and a DSP-controlled input
limiter. Dual color LEDs on the control panel accurately
indicate audio input level for precise gain adjustment.
Easily accessed screens on the LCD simplify setup and
adjustments.
Output power is adjustable to provide either extended
operating range or extended battery life as needed for
the application.
The Digital Hybrid Wireless® design (US Patent
7,225,135) combines 24-bit digital audio with analog
FM resulting in a system that has the same operating
range as analog systems, the same spectral efficiency
as analog systems, the same long battery life as analog
systems, plus the excellent audio fidelity typical of pure
digital systems.
The DSP-based design works with all Digital Hybrid
receivers, and is backward compatible for use with
Lectrosonics 200 Series, 100 Series, IFB receivers and
some other brands of analog wireless receivers.
Consumer Alert for US Users - FCC Order DA 10-92
Most users do not need a license to operate this wireless microphone system. Nevertheless, operating this micro-
phone system without a license is subject to certain restrictions: the system may not cause harmful interference; it
must operate at a low power level (not in excess of 50 milliwatts); and it has no protection from interference received
from any other device. Purchasers should also be aware that the FCC is currently evaluating use of wireless mi-
crophone systems, and these rules are subject to change. For more information, call the FCC at 1-888- CALL-FCC
(TTY: 1-888-TELL-FCC) or visit the FCC’s wireless microphone website at www.fcc.gov/cgb/wirelessmicrophones.
To operate wireless microphone systems at power greater than 50mW, you must qualify as a Part 74 user and be
licensed. If you qualify and wish to apply for a license go to: http://www.fcc.gov/Forms/Form601/601.html
Table of Contents
Introduction ........................................................................... 3
General Technical Description ............................................ 4
Servo Bias Input.................................................................. 4
No Pre-Emphasis/De-Emphasis ......................................... 4
Low Frequency Roll-Off ...................................................... 4
Input Limiter ........................................................................ 4
Signal Encoding and Pilot Tone .......................................... 5
Microprocessor Control ....................................................... 5
Compatibility Modes ............................................................ 5
Control Panel ...................................................................... 5
Wide-Band Deviation .......................................................... 5
Variable Power Output ........................................................ 5
Battery Operation ................................................................ 5
Frequency Blocks ................................................................ 5
Circulator/Isolator ................................................................ 5
Controls and Functions ....................................................... 6
LCD Screen ........................................................................ 6
Power LED .......................................................................... 6
Audio Input Jack .................................................................. 6
Battery Compartment and Thumb Screw ............................ 6
Modulation LEDs ................................................................. 6
AUDIO Button ..................................................................... 6
FREQ Button ....................................................................... 6
Up/Down Arrows ................................................................. 6
Antenna ............................................................................... 6
About Batteries ..................................................................... 7
Battery Compartments ......................................................... 7
Attaching and Removing the Microphone .......................... 7
Operating Instructions ......................................................... 8
Power Up and Boot Sequence ............................................ 8
Power Down ........................................................................ 8
Standby Mode ..................................................................... 8
Compatibility, Output Power, Bias Voltage (phantom power)
and LCD Backlight .............................................................. 8
Audio LF Roll-off and Gain .................................................. 9
Frequency Selection ........................................................... 10
Lock/Unlock Screens .......................................................... 10
Remote Control Enable/Disable and
Configuring Power Restore ................................................. 10
Preventing Corrosion ........................................................... 11
Optional RM Remote Control .............................................. 12
Powering the RM on and off ................................................ 12
Setup Screens .................................................................... 12
Operating Notes .................................................................. 13
RM Quick Reference ........................................................... 13
RM2 Remote Control ............................................................ 13
Troubleshooting .................................................................... 14
RM Troubleshooting ............................................................ 15
Accessories and Replacement Parts .................................. 16
Antenna Length by Block .................................................... 17
Specifications ...................................................................... 18
Service and Repair ............................................................... 20
Returning Units for Repair .................................................. 20

WM
LECTROSONICS, INC.
4
Servo Bias Input
The voltage and current requirements of the wide vari-
ety of electret microphones used in professional appli-
cations has caused confusion and compromises in the
wiring needed for wireless transmitters. To address this
problem, the unique Servo Bias input circuit provides
an automatically regulated voltage over a very wide
range of current for compatibility with all microphones.
Digital Hybrid Wireless® Technology
All wireless links suffer from channel noise to some
degree, and all wireless microphone systems seek to
minimize the impact of that noise on the desired sig-
nal. Conventional analog systems use compandors for
enhanced dynamic range, at the cost of subtle artifacts
(typically “pumping” and “breathing”). Wholly digital sys-
tems defeat the noise by sending the audio information
in digital form, at the cost of some combination of power,
bandwidth and resistance to interference.
Digital Hybrid systems overcome channel noise in a
dramatically new way, digitally encoding the audio in
the transmitter and decoding it in the receiver, yet still
sending the encoded information via an analog FM
wireless link. This proprietary algorithm is not a digital
implementation of an analog compandor but a tech-
nique that can be accomplished only in the digital do-
main, even though the inputs and outputs are analog.
Because it uses an analog FM link, the Digital Hybrid
system enjoys all the benefits of conventional FM wire-
less systems and it does away with the analog com-
pandor and its artifacts.
General Technical Description
No Pre-Emphasis/De-Emphasis
The Digital Hybrid design results in a signal-to-noise ratio
high enough to preclude the need for conventional pre-
emphasis (HF boost) in the transmitter and de-emphasis
(HF roll off) in the receiver. This eliminates the potential
for distortion of signals with abundant high-frequency
information.
Low Frequency Roll-Off
The low frequency roll-off can be set for a 3 dB down
point at 35, 50, 70, 100, 120 and 150 Hz to control
subsonic and very low frequency audio content in
the audio. The actual roll-off frequency will vary slightly
depending upon the low frequency response of the
microphone.
Excessive low frequency content can drive the trans-
mitter into limiting, or in the case of high output sound
systems, it can even cause damage to loudspeaker
systems. The roll-off is normally adjusted by ear while
listening as the system is operating.
Input Limiter
A DSP-controlled analog audio limiter is employed be-
fore the A-D converter. The limiter has a range of more
than 30 dB for excellent overload protection. A dual re-
lease envelope makes the limiter acoustically transpar-
ent while maintaining low distortion. It can be thought
of as two limiters in series, a fast attack and release
limiter followed by a slow attack and release limiter.
The limiter recovers quickly from brief transients, with
no audible side effects, and also recovers slowly from
sustained high levels to keep audio distortion low while
preserving short term dynamics.
Variable 1.8 - 4v
+6V
+5V 5V
Regulator

Watertight Transmitter
Rio Rancho, NM 5
Signal Encoding and Pilot Tone
In addition to controlling the limiter, the DSP also en-
codes the digitized audio from the A/D converter and
adds an ultrasonic pilot tone to control the squelch in
the receiver. A pilot tone squelch system provides a reli-
able method of keeping a receiver output muted (audio
mute) even in the presence of significant interference.
When the system is operating in the hybrid mode, a
different pilot tone frequency is generated for each car-
rier frequency to prevent inadvertent squelch problems
in multi-channel sytems.
Microprocessor Control
A microprocessor monitors user command inputs from
the control panel buttons and numerous other internal
signals. It works intimately with the DSP to ensure the
audio is encoded according to the selected Compatibil-
ity Mode and that the correct pilot tone is added to the
encoded signal.
Compatibility Modes
The transmitter operates with Lectrosonics Digital
Hybrid receivers and will yield the best performance
when doing so, however, due to the flexibility of digital
signal processing, the transmitter can also operate in
various compatibility modes for use with Lectrosonics
200 Series, Lectrosonics 100 Series, IFB and certain
non-Lectrosonics receivers. Contact the Lectrosonics
sales department for more information about non-Lec-
trosonics receivers.
Control Panel
The control panel includes four membrane switches and
an LCD screen to adjust the operational settings. Multi-
color LEDs are used to indicate audio signal levels for
accurate gain adjustment and for battery status.
Wide-Band Deviation
±75 kHz deviation improves the signal to noise ratio and
audio dynamic range of a wireless system dramatically,
compared to other designs that use ±30 kHz to 40 kHz
deviation. Wide deviation combined with a high pow-
ered transmitters makes a significant improvement in
signal to noise ratio and operating range.
Variable Power Output
This advanced feature allows the operator to optimize
the transmitter for maximum battery life, or for maxi-
mum operating range. Power output is selected using
the LCD in a setup mode while the RF output of the
transmitter is turned off.
Battery Operation
Switching power supplies convert battery voltages to
operate various circuit stages with maximum efficiency.
The firmware “remembers” the settings when the bat-
teries are exhausted. After new batteries are installed,
a quick press of the AUDIO and FREQ buttons will turn
the power back on and return to the previous settings.
This is a unique behavior that takes place only when
the batteries fail during operation. If the unit is turned
off manually, a quick press of the buttons will turn it on
in the “standby” mode instead.
Because the battery caps make contact with the bat-
tery before the cap is seated, the power does not turn
back on automatically. This allows both batteries to
be installed and the caps tightened before power is
restored.
Frequency Blocks
Lectrosonics established a “block” numbering system
years ago to organize the range of frequencies avail-
able from the low end at 470.1 MHz band to the upper
end at 691.1 MHz. Each block includes 256 frequen-
cies in 100 kHz steps, which is the maximum switching
range of the transmitters.
Circulator/Isolator
The RF output circuit includes a magnetically polar-
ized ferrite called an isolator that blocks RF signals
entering the transmitter antenna from external sources
from traveling back into the final amplifier. This greatly
reduces RF intermodulation produced when multiple
transmitters are used in close proximity to one another
(several feet apart). The isolator also provides addition-
al RF output stage protection against static shock.

WM
LECTROSONICS, INC.
6
Controls and Functions
LCD Screen
The display is a highly visible backlit LCD with screens
for making all setup and level adjustments. The trans-
mitter can be powered up with or without the RF output
turned on. With the RF output turned off, all adjust-
ments can be made without creating interference for
other wireless systems in the vicinity.
For normal powering up and down, a countdown ap-
pears in the LCD. The buttons must be held in for the
duration of the countdown, which helps to prevent ac-
cidentally turning the transmitter on or off.
Power LED
The PWR LED glows green when the battery is good.
The color changes to red when there is about 30
minutes of operation left with the recommended lithium
battery. When the LED begins to blink red, there are
only a few minutes of life.
A weak battery will sometimes cause the PWR LED
to glow green immediately after the unit is turned on,
but will soon discharge to the point where the LED will
turn red or the unit will turn off completely. When the
transmitter is in SLEEP mode, the LED blinks green
every few seconds.
Audio Input Jack
This is a threaded locking connector that accepts the
Lectrosonics watertight WP connector.
Battery Compartment and Thumb Screw
The large knurled thumbscrews are retain the batteries
and maintain solid battery contact. The lanyard keeps
the battery caps attached, but it can be removed if
desired using a 1/16 inch hex key (Allen wrench).
Modulation LEDs
Proper input gain adjustment is critical to ensure the
best audio quality. Two red/green LEDs will glow to ac-
curately indicate modulation levels. The input circuitry
includes a wide range DSP-controlled limiter to prevent
distortion during high peak levels.
It is important to set the gain (audio level) high enough
to achieve full modulation during louder peaks in the
audio. The DSP-controlled limiter can handle peaks
over 30 dB above full modulation, so with an optimum
setting, the LEDs will flash red during use. If the LEDs
never flash red, the gain is too low. The -20 LED turns
red at 0 dB (full modulation).
Signal Level -20 LED -10 LED
Less than -20 dB Off Off
-20 dB to -10 dB Green Off
-10 dB to +0 dB Green Green
+0 dB to +10 dB Red Green
Greater than +10 db Red Red
AUDIO Button
The AUDIO button is used to display the gain and low
frequency roll-off settings. The UP and DOWN arrows
adjust the values. This button is also used with the
FREQ button to enter standby mode and to power the
transmitter on or off.
FREQ Button
The FREQ Button displays the selected operating fre-
quency and also toggles the LCD between displaying
the actual operating frequency in MHz and a two-digit
hexadecimal number that corresponds to the equiva-
lent Lectrosonics Frequency Switch Setting. This but-
ton is also used with the AUDIO button to enter standby
mode and to power the transmitter on or off.
Up/Down Arrows
The Up and Down arrow buttons are used to select the
values on the various setup screens and to lock out
the control panel. Pressing both arrows simultaneously
enters the lock countdown. When an attempt is made
to change a setting while the control panel is locked,
a message will flash on the LCD as a reminder that
the unit is locked. Once locked, the buttons can only
be unlocked by removing the battery, or with the RM
remote control.
Antenna
The fixed whip antenna is constructed with a flexible,
woven, galvanized steel mesh cable.
Battery
Compartment
Caps
Audio
Input Jack
AUDIO
Button
LCD
FREQ
Button
Modulation
LEDs
PWR LED
UP Arrow
DOWN Arrow

Watertight Transmitter
Rio Rancho, NM 7
About Batteries
The transmitter is powered by two AA batteries.
Lithium batteries are recommended for longest life,
which typically provides over 7.5 hours of operation at
room temperature with the output set to 250 mW. At 50
mW, the runtime is typically over 14 hours with lithium
batteries.
The PWR LED glows green when the battery is good.
The color changes to red at a mid-point of operating
life, and will continue to glow red until the battery gets
close to the end of its life. When the LED begins to
blink red, there are only a few minutes remaining.
The exact point at which the LED turns red will vary
with battery brand and condition, temperature and cur-
rent drain. The LED is simply a reminder intended to
catch your attention, not an exact indicator of remain-
ing time.
1.6
1.4
1.2
1.0
.8 24
68
Hours
Voltage
Varies
Green Red Blink
Battery polarity is marked
on the rear cover
Unscrew battery caps to
insert batteries
Battery Compartments
The battery compartments are a rugged, straight-
forward design with a recessed entry that captures
the O-ring on the cap. The spring contact on the cap
maintains solid contact on the battery regardless of its
exact length.
The O-rings should be kept clean and dry, and coated
with petroleum jelly on a regular basis. See page 11 for
more information on preventing corrosion.
Attaching and Removing
the Microphone
The threaded WP watertight plug on the microphone
cable fits into a recessed jack on the top panel. The re-
cess in the opening retains the O-ring when the plug is
tightened. The Lectrosonics M152WP lavaliere micro-
phone is supplied with the WP plug already installed.
Other microphones can also be terminated with this
plug by following the instructions included with the WP
connector kits.
Treat O-ring with petroleum jelly before
connecting (see below)

WM
LECTROSONICS, INC.
8
Operating Instructions
Power Up and Boot Sequence
Simultaneously press and hold the AUDIO and FREQ
buttons until the startup count is completed. The
screen will display a count from 1 to 3 as the unit boots
up, then it switches to the Audio screen. As the unit
turns on, the Modulation LEDs and PWR LED all glow
red, then green, and then revert to normal operation.
The LCD displays a boot sequence which consists of
four screens ending with the audio screen similar to
this example:
• Companyname: Lectro
• Frequencyblock/FirmwareVer.: b21r1.1
• Powerlevel: Pr100
• Compatibilitymode: CP400
• Audio(Inputgain): Aud22
Power Down
Simultaneously press and
hold the AUDIO and FREQ
buttons while observing that
the word “OFF” appears in the LCD along with a
counter. The screen will display a countdown from 3 to
1 and the unit will then turn off.
Note: If the AUDIO and FREQ buttons are
released before the LCD goes blank at the end of
the countdown, the unit will not turn off. Instead,
it will stay energized and the display will return to
the previous screen.
Standby Mode
Quickly press both AUDIO
and FREQ buttons to enter
the “standby” mode. In this
mode the RF output is turned off so adjustments can
be made without interfering with other systems operat-
ing in the same location. The LCD displays rf OFF to
remind you that the unit is not transmitting.
Use the AUDIO and FREQ buttons to access the vari-
ous setup screens. When the adjustments are com-
plete, press both the AUDIO and FREQ buttons briefly
to save the settings and turn the unit off.
Compatibility, Output Power, Bias Voltage
(phantom power) and LCD Backlight
Four different setup screens are accessed in a setup
mode that is accessed with a special button sequence.
• CompatibilityMode
• OutputPower
• BiasVoltage(phantompower)
• LCDBacklightSettings
Hold the UP arrow button and simultaneously press
the AUDIO and FREQ buttons. The compatibility setup
screen will appear. Each successive press of the
AUDIO button will step through the other three setup
screens.
Then press the AUDIO and FREQ
buttons at the same time
Hold the UP
arrow button
Note: The unit is automatically set to “standby” in
this setup mode, however, the rF OFF reminder
will not be displayed.
Compatibility Mode
In addition to its native Digital Hybrid mode, the trans-
mitter will operate with Lectrosoncs 100 Series, 200
Series and IFB receivers, as well as several analog
receivers from other manufacturers.
From this screen, use the
UP and DOWN arrows to
select the desired mode.
• CP 100: 100 Series mode
• CP 200: 200 Series mode
• CP 3: Mode 3 (contact the factory for details)
• CP 400: 400 Series mode
• CP IFB: IFB Series mode
• CP 6: Mode 6 (contact the factory for details)

Watertight Transmitter
Rio Rancho, NM 9
Audio LF Roll-off and Gain
The Audio screen will appear after the boot sequence
into the normal mode. When turned on into the “stand-
by” mode, rf OFF will appear on the display and press-
ing the AUDIO button will switch to the Audio screen.
The Audio screen is used to adjust input gain from 0
to +44 dB, and the low frequency roll-off from 35 to
150 Hz. Each time the AUDIO button is pressed, the
display will switch back and forth between the two
screens. Press and hold the AUDIO button and use the
UP and DOWN arrows to make adjustments.
Adjusting the Low Frequency Roll-off
It is possible that the low
frequency roll-off point could
affect the gain setting, so it’s
generally good practice to make this adjustment before
adjusting the input gain. Press and hold the AUDIO
button while selecting the desired roll-off frequency
with the UP and DOWN arrows. The roll-off frequency
can be set to 35, 50, 70, 100, 120 and 150 Hz.
Adjusting Audio Level (Gain)
The audio input level (gain)
can be adjusted with the
unit in the “standby” mode
or while powered up in normal operation. The control
panel Modulation LEDs indicate the audio level and
limiter activity. Once set, the transmitter’s audio level
setting should not be used to control the volume of
your sound system or recorder levels. This gain
adjustment matches the transmitter gain with the
microphone’s output level, the user’s voice level and
the position of the microphone.
It is desirable to to set the gain so that some limiting
occurs on louder peaks. The limiter is very transparent
and its effect is not audible until the system is close to
overload. In other words, don’t be shy about turning up
the gain. In fact, it is a good idea to turn the gain up to
maximum and listen for distortion or compression to
get a feel for how much headroom the system actually
has.
Signal Level -20 LED -10 LED
Less than -20 dB Off Off
-20 dB to -10 dB Green Off
-10 dB to +0 dB Green Green
+0 dB to +10 dB Red Green
Greater than +10 db Red Red
Note: Different voices will usually require
different gain settings, so check this adjustment
as each new person uses the system. If several
different people will be using the transmitter and
there is not time to make the adjustment for each
individual, adjust it for the loudest voice.
Output Power
Extended operating range
and increased immunity to
dropouts can be selected at
the expense of shorter battery life by setting the output
power to 250 mW. Reduced output power will decrease
power consumption and extend battery life at the
expense of operating range and immunity to dropouts.
Use the UP and DOWN arrows to select the desired
output power.
NOTE: See the specifications for typical
operating times for each power level.
Bias Voltage (phantom power)
The transmitter features unique Servo Bias input cir-
cuitry that automatically adjusts the current to maintain
a selected bias voltage for the microphone. This effec-
tively overcomes a traditional problem with variations
in output levels and power supply currents of different
microphones.
Hold the UP arrow button, then press the Audio and
Freq buttons together to enter the setup screen with
the RF output turned off.
Press the UP and DOWN arrows to select the desired
setting:
• PH 2 Bias at 2 volts for electret mics
• PH 4 Bias at 4 volts for electret mics
• PH oFF Bias turned off for dynamic mics
• L InE Bias turned off; live level impedance
The correct bias voltage will be specified by the micro-
phone manufacturer. 4 volts is typical for most electret
lavaliere microphones. 2 volts is preferred by some mic
manufacturers such as Countryman for the models B6
and E6.
LCD Backlight Settings
The backlight on the display
can be set to stay on all the
time or to turn off after either
30 seconds or 5 minutes of inactivity on the panel
switches. The backlight will turn on and the timer will
start over when a button is pressed. Use the UP and
DOWN arrow buttons to select the desired setting.

WM
LECTROSONICS, INC.
10
Warning: If the wireless system is connected
to a live sound system, turn the sound system
level down first to avoid severe feedback.
1) Position the microphone in the location where it will
be used in actual operation.
2) Place the transmitter in the “standby” mode or turn
it on for normal use.
3) While speaking or singing into the microphone at
the same voice level that will be used, observe
the LEDs on the control panel. Hold the AUDIO
button and press the UP or DOWN arrow buttons
to adjust the gain until the -20 LED flickers red on
louder peaks. This LED turns red at the instant
full modulation takes place and the very onset of
limiting. The red color does not indicate overload
or clipping.
-20 LED should flicker
red during louder peaks
in the audio
This will maximize the audio signal to noise ratio of the
system and provide plenty of headroom (limiter range)
to handle even louder peaks that could occur.
If the unit was set up in “standby” mode, it will be neces-
sary to turn the transmitter off, then power it up again in
normal operation so the RF output will be on. Then the
other components in the sound or recording system can
be adjusted.
Frequency Selection
The frequency can be displayed either in MHz or as a
two-digit hexadecimal number and can be set in the
Standby Mode or when the transmitter is powered up
in the normal operating mode.
The hexadecimal numbering system is unique to
Lectrosonics where two alphanumeric characters cor-
respond to the left and right switch settings on earlier
analog transmitters that had mechanical rotary switch-
es to adjust frequency.
1) Press the FREQ button to select either the MHZ
screen or the hexadecimal screen.
2) While holding the FREQ button, use the Up or
Down arrow buttons to move the operating fre-
quency up or down in 100 kHz increments from
the current setting.
Lock/Unlock Screens
The control panel buttons can be locked out to avoid
inadvertent changes in the settings or turning the
unit off unintentionally. Simultaneously pressing and
holding both the UP and DOWN arrow buttons during
normal operation starts a countdown timer.
The timer starts at three and counts down to zero.
When the timer reaches zero, the transmitter’s controls
are locked.
With the controls locked, the AUDIO and FREQ but-
tons can still be used to display current settings. Any
attempt to change a setting by pressing either the Up
or Down arrow button will result in an on-screen Loc
reminder that the controls are locked.
Once the transmitter is locked, it cannot be unlocked
or powered off using the buttons. The only ways to
unlock a locked transmitter are to remove the battery
or unlock it via the RM remote control.
Remote Control Enable/Disable and
Configuring Power Restore
These two settings are made with a screen that is ac-
cessed with a special button sequence.
Then press the AUDIO and FREQ
buttons at the same time
Hold the DOWN
arrow button
The remote control screen setup will appear first.
When either the AUDIO or FREQ button is pressed,
the screen will switch to the power restore setup
screen. Pressing either button again will return the unit
to the “standby” mode with the RF output turned off.
To access these screens again, turn the unit off and
press the three buttons as shown above to start over.

Watertight Transmitter
Rio Rancho, NM 11
Enable/Disable Remote Control Functions
To enable the transmitter to respond to signals from
the RM remote control unit, use the UP and DOWN
arrow buttons to select rc on on the setup screen. To
disable this function, select rc oFF.
If a remote control signal is detected but the function is
turned off, the message rc oFF will be displayed briefly
on the transmitter’s LCD to confirm that a valid signal
was received, but that the transmitter is not configured
to respond to it.
Refer to the section of this manual entitled Optional
RM Remote Control for details on the features and
operation of the remote control.
Configuring for Power Restore
The second setup screen in this mode determines how
the transmitter is powered up again after the batteries
have become exhausted in normal operation the unit
has shut down. PbAC 0 turns the power restore func-
tion off and PbAC 1 turns it on.
When this function is turned on, the unit will power
up to normal operation with a brief press of the AU-
DIO and FREQ buttons after the batteries have been
replaced.
When this function is turned off, the AUDIO and FREQ
buttons need to be held in for the completion of the
count to turn the unit back on for normal operation.
This is a unique behavior that takes place only when
the batteries fail during operation. If the unit is turned
off manually, a quick press of the buttons will turn it on
in the “standby” mode instead.
The firmware is written this way because the battery
caps make contact with the battery before the cap
is seated, and the fact that there are two separate
battery caps to tighten. This allows both batteries to
be installed and the caps tightened before power is
restored. It also makes turning the unit back on easier
when wearing gloves since the buttons do not need to
the held in.
Preventing Corrosion
Whenever the transmitter has been exposed to mois-
ture or perspiration, follow the instructions below to
minimize the risk of corrosion.
DRY THE UNIT BEFORE REMOVING THE MICRO-
PHONE CONNECTOR OR BATTERY CAPS.
If the transmitter has been exposed to salt water, rinse
it with fresh water and then dry it thoroughly with a
clean paper towel or cloth.
Dry the exterior of the transmitter with a clean paper
towel or cloth. Remove all moisture around the battery
caps and microphone cable connector.
After removing the battery caps and microphone con-
nector, wipe off any residual moisture around the bat-
tery compartment and microphone jack openings and
on the battery caps and microphone connector.
The O-rings should be coated with Vaseline® or an
equivalent petroleum jelly* before each use to ensure
the seals are watertight.
DO NOT USE ANYTHING OTHER THAN PURE
PETROLEUM JELLY TO LUBRICATE THE O-RINGS.
Silicon-based lubricants will dissolve the O-rings.
Store the unit with no batteries installed, battery caps
removed and the microphone disconnected. This will
allow any buildup of humidity and moisture to evapo-
rate.
*Vaseline is a registered trademark of Conopco, Inc

WM
LECTROSONICS, INC.
12
Optional RM Remote Control
The RM unit gives you remote control of SM Series
transmitters using an audible tone delivered to the mi-
crophone. The panel layout is the same as the transmit-
ters. Simply set the desired value or mode on the LCD,
then press the send button to set the transmitter to the
same setting or mode.
Hold the speaker on the RM close to the microphone
when pressing the pushbutton. A “dweedle” tone will
play from the RM speaker into the microphone and the
parameter on the transmitter will be set immediately.
Available adjustments:
• Audioinputgain
• Frequency
• LockorUnlockModes
• SleepModeON/OFF
Send Button
Speaker
When the transmitter is in the power saving sleep
mode, it uses only 20% of the normal battery drain, so
battery life will be approximately 4 times longer. This
is especially useful in situations where the transmitter
is buried deep inside costuming and there are wait-
ing periods between use. The transmitter can “sleep”
for several hours and then be awakened and adjusted
when the production is about to begin.
Several “Dweedle tones” can also be downloaded from
the web site at:
http://www.lectrosonics.com/Transmitters/rm.html
The dweedle tones can be played back through an MP3
player, SmartPhone, etc., and in most cases, will even
work with walkie talkies. The tones will not work through
the loudspeakers of a sound system because the reflec-
tions and reverberation in the room will alter the tones.
Powering the RM on and off
To turn the RM on or off, press the AUDIO and FREQ
buttons together briefly. The unit powers up on the page
that was displayed when the unit was powered off last.
The setup screens are accessed with the AUDIO and
FREQ buttons. Once on the desired screen, the value is
adjusted with the UP and DOWN arrow buttons.
To change a transmitter’s setting via the RM, select
the screen and value, then press the SEND button
while holding the speaker close to the microphone.
The speaker should be uncovered and held within a
few inches of the transmitter’s microphone. The longest
usable range is about 6 feet, depending on the micro-
phone and volume settings used.
Only the specific function displayed is altered. For ex-
ample, if the remote control is on the Aud (audio level/
gain) screen, pressing the send button will set the gain
on the transmitter but will not affect any other setting.
Setup Screens
The AUDIO button cycles through 4 screens:
1) Aud - set transmitter’s audio level
2) SLEEP/unSLP - cause transmitter to sleep or wake up
3) Loc/unLoc - lock or unlock transmitter’s buttons
4) Loud - adjust RM speaker volume
(press SEND button for a sample tone)
5) Pr - Transmit outpit power (only in SM & SMVs)
The FREQ button cycles through 2 or 3 screens, de-
pending on the settings:
1) CH - set transmitter’s channel
(using block-independent hex code)
2) b - select a block number
(optional — uncovers next page)
3) 000.000 - set transmitter’s frequency in MHz
(avail. if a block is selected)
A single AA Lithium battery will operate
the RM for up to several years. Unscrew
the knurled knob for access to the battery
compartment.

Watertight Transmitter
Rio Rancho, NM 13
Operating Notes
• Thesensitivitytotheremote
control varies with the transmit-
ter’s audio level setting and
the microphone used, but it is
always possible to make it work
with a sufficiently loud remote
signal at close range.
• Ifthetransmitteriscong-
ured to respond to the remote
control, it will do so even if the
buttons are locked.
• Whenthetransmitterisasleep,
it can only be awakened by the
remote control, or by removing
and reinserting the battery.
• Whenthetransmitterisasleep,
the PWR led blinks green every
few seconds.
• Ifaremotecommandissent
that would result in the same
display being shown again on the transmitter (for
example tuning to the channel already displayed),
a row of dashes is displayed briefly, as a signal that
the command was received, but it didn’t change
anything.
• Ifyouarehavingtroublegettingthetransmitterto
respond, make sure you aren’t covering the speaker
with your thumb, and/or turn up the speaker volume
on the Loud page.
• IftheRMissettoadifferentblocknumberthan
the transmitter and an attempt is made to set the
transmitter’s frequency in MHz, the command
will still work. The transmitter is simply set to the
corresponding channel in the correct block, with a
matching hexadecimal number.
• TheaudiosignalfromtheRMwillchangetheset-
tings of all transmitters within range. Experiment
with this to prevent accidental changes to another
transmitter during a production.
RM Quick Reference
Power On/Off AUDIO+FREQ
Set WM audio level Aud page (via AUDIO)
Sleep or Wake SMV SLEEP/unSLP page (via AUDIO)
Lock or Unlock SMV Loc/unLoc page (via AUDIO)
Adjust RM volume Loud page (via AUDIO)
Set WM channel (hex) CH page (via FREQ)
Enable MHz display b (block) page (via FREQ)
Set WM channel (MHz) 000.000 page (via FREQ)
Important: The remote control (RC) mode must
be enabled on your SM Series transmitter for
the RM to function with it. For instructions,
refer to page 7 of this publication.
RM2 Remote Control
A lower cost alternative to the RM, this model provides
remote control of:
• Sleep/Unsleep
• Lock/Unlock
• AudioLevel(gain)
This model operates on a “button cell” battery with a
recessed trim pot (screwdriver adjusted) for the speaker
level control.

WM
LECTROSONICS, INC.
14
Before going through the following chart, be sure that you have a good battery in the transmitter. It is important that you
follow these steps in the sequence listed.
SYMPTOM POSSIBLE CAUSE
TRANSMITTER PWR LED OFF 1) Battery is inserted backwards or dead.
2) Transmitter not powered up. (See Operating Instructions,
Power UP and Boot Sequence.)
TRANSMITTER PWR LED BLINKS GREEN EVERY FEW SECONDS, TRANSMITTER
DOES NOT RESPOND OTHERWISE 1) Transmitter has been put to sleep by the remote control.
Either use the remote control to wake it up again or remove
and reinsert the transmitter’s battery.
AUDIO LEVEL LEDs NOT LIGHTING 1) Gain control set to minimum.
2) Battery is dead or installed backwards. Check PWR LED.
3) Mic capsule is damaged or malfunctioning.
4) Mic cable damaged or mis-wired.
5) Phantom Power not set!
RECEIVER RF INDICATOR OFF 1) Transmitter not turned on, or is in Standby Mode.
2) Transmitter battery is dead.
3) Receiver antenna missing or improperly positioned.
4) Transmitter and receiver not on same frequency.
Check switches/display on transmitter and receiver.
5) Transmitter and receiver not on same frequency block.
6) Operating range is too great.
7) Defective transmitter antenna.
NO SOUND (OR LOW SOUND LEVEL), RECEIVER INDICATES PROPER AUDIO MODULATION
1) Receiver output level set too low.
2) Receiver output disconnected, or cable defective or mis-wired.
3) Sound system or recorder input is turned down.
DISTORTED SOUND 1) Transmitter gain (audio level) is far too high. Check audio level
LEDs and receiver audio levels during use.
2) Receiver output may be mismatched with the sound system or
recorder input. Adjust output level on receiver to the correct level
for the recorder, mixer or sound system. (Use the receiver’s Tone
function to check level.)
3) Transmitter is not set to same frequency as receiver. Check that
operating frequency on receiver and transmitter match.
4) Receiver/Transmitter Compatibility Mode mismatched.
EXCESSIVE FEEDBACK 1) Transmitter gain (audio level) too high. Check gain adjustment
and/or reduce receiver output level.
2) Talent standing too close to speaker system.
3) Mic is too far from user’s mouth.
Troubleshooting

Watertight Transmitter
Rio Rancho, NM 15
SYMPTOM POSSIBLE CAUSE
HISS AND NOISE -- AUDIBLE DROPOUTS 1) Transmitter gain (audio level) far too low.
2) Receiver antenna missing or obstructed.
3) Transmitter antenna broken or missing.
4) Operating range too great.
5) Signal interference. Turn off transmitter. If receiver’s signal
strength indicator does not drop to nearly zero, this indicates an
interfering signal may be the problem.
Try a different operating frequency.
“Loc” APPEARS IN DISPLAY WHEN ANY BUTTON IS PRESSED
1) Control Panel is locked. (See Operating Instructions, Locking
and Unlocking the Control Panel.)
“Hold” APPEARS IN DISPLAY WHEN ARROW BUTTONS ARE PRESSED
1) Reminder that it is necessary to hold down the AUDIO or
FREQ button to make adjustments to the audio gain or
frequency settings.
“PLL” APPEARS IN DISPLAY 1) Indication that the PLL is not locked. This is a serious condition
that requires factory repair. It may be possible to operate on
another frequency far removed from the one that was selected
when the condition was indicated.
TRANSMITTER WON’T RESPOND TO REMOTE CONTROL
1) If LCD blinks “rc oFF”, transmitter has not been configured
to respond to the remote control.
See “Remote Control Operation” on page 8 for instructions
on how to configure.
2) If LCD blinks “- - - - - -”, transmitter is already set as
requested by the remote control.
3) If transmitter does not respond at all, try moving the
remote control closer to the microphone or increasing the
remote control’s loudness setting, or increasing the
audio level on the transmitter.
4) Make sure volume of RM and proximity of microphone are
sufficient to engage transmitter.
5) Make sure transmitter is not in Sleep mode.
RM Troubleshooting
FREQUENCY CHANGES, BUT NOT TO DESIRED FREQUENCY
1) RM set on different block than transmitter in question. RM uses
hex code to set frequency - set RM to proper frequency block, or
use hex code method to change frequency.

WM
LECTROSONICS, INC.
16
Accessories and
Replacement Parts
Belt Clip
TBA
WPMC-3
Watertight connector kit, 3 piece, to terminate lavaliere
microphones for use with the WM transmitter.
WPMC-10
Watertight connector kit,10 piece, to terminate lava-
liere microphones for use with the WM transmitter.
Battery Cap
TBA
Battery Cap Lanyard
TBA
O-ring for Battery Cap
TBA

Watertight Transmitter
Rio Rancho, NM 17
BLOCK FREQUENCY CAP ANTENNA
RANGE COLOR WHIP LENGTH
470 470.100 - 495.600 Black 5.48”
19 486.400 - 511.900 Black 5.20”
20 512.000 - 537.500 Black 4.95”
21 537.600 - 563.100 Brown 4.74”
22 563.200 - 588.700 Red 4.48”
23 588.800 - 614.300 Orange 4.24”
24 614.400 - 639.900 Yellow 4.01”
25 640.000 - 665.500 Green 3.81”
26 665.600 - 691.100 Blue 3.62”
Antenna Length by Block
Lectrosonics UHF transmitter antennas follow the
color code specifications in the chart below to identify
operating frequency block range. (The frequency block
range is engraved on the outside housing for each
individual transmitter.) If a situation exists whereby the
antenna is defective and the antenna cap is missing,
refer to the following chart to determine the correct
replacement antenna.

WM
LECTROSONICS, INC.
18
Operating frequencies:
Block 470 470.100 - 495.600
Block 19 486.400 - 511.900
Block 20 512.000 - 537.500
Block 21 537.600 - 563.100
Block 22 563.200 - 588.700
Specifications
Block 23 588.800 - 607.900
614.100 - 614.300
Block 24 614.400 - 639.900
Block 25 640.000 - 665.500
Block 26 665.600 - 691.100
Channel Spacing: 100 kHz
Frequency selection: Control panel mounted membrane switches
RF Power output: Switchable; 50, 100 or 250 mW
Compatibility Modes (6) Digital Hybrid Wireless® (400 Series),
200 Series, 100 Series, Mode 3, Mode 6, IFB
Pilot tone: 25 to 32 kHz; 5 kHz deviation
(in 400 Series Hybrid Mode)
Frequency stability: ± 0.002%
Deviation: ± 75 kHz max. (in 400 Series Mode)
Spurious radiation: 60 dB below carrier
Equivalent input noise: –125 dBV, A-weighted
Input level:
Dynamic mic: 0.5 mV to 50 mV before limiting.
Greater than 1 V with limiting.
Electret lavaliere mic: 1.7 uA to 170 uA before limiting.
Greater than 5000 uA (5 mA) with limiting.
Line level input: 17 mV to 1.7 V before limiting.
Greater than 5 V with limiting.
Input impedance:
Dynamic mic: 300 Ohms
Electret lavaliere: Input is virtual ground with servo adjusted
constant current bias
Line level: > 2.7 k Ohms
Input limiter: Soft limiter, 30 dB range
Bias voltages: Selectable; 2V, 4V and Off
Gain control range: 44 dB; panel mounted membrane switches
Modulation indicators: Dual bicolor LEDs indicate modulation of
–20, -10, 0, +10 dB referenced to full modulation
Controls: Control panel with LCD and four membrane
switches
Low frequency roll-off: Adjustable from 35 to 150 Hz
30 100 1kH
z1
0k 20k
+6
+3
0dB
-3
-6
-9
-12
Line in
Mic in 150 Hz
Roll-off
Mic in 35 Hz
Roll-off
Audio Frequency Response: 35 Hz to 20 kHz, +/-1 dB (The low frequency
roll-off is adjustable - see graph above)
Signal to Noise Ratio (dB):
(overall system, 400 Series mode)
(Note: the dual envelope “soft”
limiter provides exceptionally
good handling of transients
using variable attack and release
time constants. The gradual onset of limiting in the design begins below full modulation,
which reduces the measured figure for SNR without limiting by 4.5 dB)
SmartNR No Limiting w/Limiting
OFF 103.5 108.0
NORMAL 107.0 111.5
FULL 108.5 113.0
Total Harmonic Distortion: 0.2% typical (400 Series mode)
Audio Input Jack: 2.5 mm locking micro; threaded for stainless
sleeve on WP connector
Antenna: Flexible, unbreakable steel cable.
Batteries: 1.5 Volt AA lithium
Battery Life: Lithium
50 mW (2 AA): 14.5 hrs
100 mW (2 AA): 14 hrs
250 mW (2 AA): 7.5 hrs
Weight: 5.33 oz.. (151 grams) with lithium batteries
Housing Dimensions: 2.98 x 2.55 x 0.77 inches
75.7 x 64.8 x 19.6 mm
(including battery caps)
Emission Designator: 180KF3E
Specifications subject to change without notice.
AA battery compartments are O-ring sealed
The recess in the battery compartment
traps the O-ring for a tight seal.

Watertight Transmitter
Rio Rancho, NM 19
The FCC requires that the following statement be in-
cluded in this manual for the RM:
This device complies with Part 15 of the FCC Rules.
Operation is subject to the following two conditions: (1) This
device may not cause harmful interference, and (2) this device
must accept any interference received, including interference
that may cause undesired operation.
The FCC requires that the following statements be
included in this manual for the WM transmitter:
For body worn operation, this transmitter models has
been tested and meets the FCC RF exposure guidelines
when used with the Lectrosonics accessories supplied or
designated for this product. Use of other accessories may
not ensure compliance with FCC RF exposure guidelines.
Contact Lectrosonics if you have any questions or need more
information about RF exposure using this product..
This device complies with FCC radiation exposure limits as
set forth for an uncontrolled environment. This device should
be installed and operated so that its antenna(s) are not co-
located or operating in conjunction with any other antenna or
transmitter.
This device complies with Industry Canada radiation exposure
limits as set forth for a controlled “professional” use only.

WM
LECTROSONICS, INC.
20
Service and Repair
If your system malfunctions, you should attempt to correct or isolate the trouble before concluding that the equip-
ment needs repair. Make sure you have followed the setup procedure and operating instructions. Check the inter-
connecting cables and then go through the Troubleshooting section in this manual.
We strongly recommend that you do not try to repair the equipment yourself and do not have the local repair shop
attempt anything other than the simplest repair. If the repair is more complicated than a broken wire or loose con-
nection, send the unit to the factory for repair and service. Don’t attempt to adjust any controls inside the units. Once
set at the factory, the various controls and trimmers do not drift with age or vibration and never require readjustment.
There are no adjustments inside that will make a malfunctioning unit start working.
LECTROSONICS’ Service Department is equipped and staffed to quickly repair your equipment. In warranty repairs
are made at no charge in accordance with the terms of the warranty. Out-of-warranty repairs are charged at a mod-
est flat rate plus parts and shipping. Since it takes almost as much time and effort to determine what is wrong as it
does to make the repair, there is a charge for an exact quotation. We will be happy to quote approximate charges by
phone for out-of-warranty repairs.
Returning Units for Repair
For timely service, please follow the steps below:
A. DO NOT return equipment to the factory for repair without first contacting us by email or by phone. We need
to know the nature of the problem, the model number and the serial number of the equipment. We also need a
phone number where you can be reached 8 A.M. to 4 P.M. (U.S. Mountain Standard Time).
B. After receiving your request, we will issue you a return authorization number (R.A.). This number will help speed
your repair through our receiving and repair departments. The return authorization number must be clearly
shown on the outside of the shipping container.
C. Pack the equipment carefully and ship to us, shipping costs prepaid. If necessary, we can provide you with the
proper packing materials. UPS is usually the best way to ship the units. Heavy units should be “double-boxed”
for safe transport.
D. We also strongly recommend that you insure the equipment, since we cannot be responsible for loss of or dam-
age to equipment that you ship. Of course, we insure the equipment when we ship it back to you.
Lectrosonics USA:
Mailing address: Shipping address: Telephone:
Lectrosonics, Inc. Lectrosonics, Inc. (505) 892-4501
PO Box 15900 561 Laser Rd. Ste. 102 (800) 821-1121 Toll-free
Rio Rancho, NM 87174 Rio Rancho, NM 87124 (505) 892-6243 Fax
USA USA
Web: E-mail:
www.lectrosonics.com sales@lectrosonics.com
Lectrosonics Canada:
Mailing Address: Telephone: E-mail:
49 Spadina Avenue, (416) 596-2202 Sales: colinb@lectrosonics.com
Suite 303A (877) 753-2876 Toll-free Service: joeb@lectrosonics.com
Toronto, Ontario M5V 2J1 (877-7LECTRO)
(416) 596-6648 Fax

Watertight Transmitter
Rio Rancho, NM 21

WM
LECTROSONICS, INC.
22

WM_man.indd
30 May 2012
581 Laser Road NE • Rio Rancho, NM 87124 USA • www.lectrosonics.com
(505) 892-4501 • (800) 821-1121 • fax (505) 892-6243 • sales@lectrosonics.com
LIMITED ONE YEAR WARRANTY
The equipment is warranted for one year from date of purchase against defects in
materials or workmanship provided it was purchased from an authorized dealer. This
warranty does not cover equipment which has been abused or damaged by careless
handling or shipping. This warranty does not apply to used or demonstrator equipment.
Should any defect develop, Lectrosonics, Inc. will, at our option, repair or replace any
defective parts without charge for either parts or labor. If Lectrosonics, Inc. cannot
correct the defect in your equipment, it will be replaced at no charge with a similar new
item. Lectrosonics, Inc. will pay for the cost of returning your equipment to you.
This warranty applies only to items returned to Lectrosonics, Inc. or an authorized
dealer, shipping costs prepaid, within one year from the date of purchase.
This Limited Warranty is governed by the laws of the State of New Mexico. It states the
entire liablility of Lectrosonics Inc. and the entire remedy of the purchaser for any
breach of warranty as outlined above. NEITHER LECTROSONICS, INC. NOR
ANYONE INVOLVED IN THE PRODUCTION OR DELIVERY OF THE EQUIPMENT
SHALL BE LIABLE FOR ANY INDIRECT, SPECIAL, PUNITIVE, CONSEQUENTIAL,
OR INCIDENTAL DAMAGES ARISING OUT OF THE USE OR INABILITY TO USE
THIS EQUIPMENT EVEN IF LECTROSONICS, INC. HAS BEEN ADVISED OF THE
POSSIBILITY OF SUCH DAMAGES. IN NO EVENT SHALL THE LIABILITY OF
LECTROSONICS, INC. EXCEED THE PURCHASE PRICE OF ANY DEFECTIVE
EQUIPMENT.
This warranty gives you specific legal rights. You may have additional legal rights which
vary from state to state.