Lee s High Tech Enterprise Co 9701F25 F25 Series Industrial Radio Remote Controller User Manual F25 Manual V1 Rev0820
Lee's High-Tech Enterprise Co Ltd F25 Series Industrial Radio Remote Controller F25 Manual V1 Rev0820
Manual

Installation & Operation Manual
F25 Industrial Radio Remote Controller
Lee’s Hi-tech Enterprise. Co., Ltd.
1
Table Of Contents
Safety Considerations ------------------------------------------------------------2
Part. 1 Operator’s Manual
Chapter 1 Warranty -----------------------------------------------------3
Chapter 2 Precautions Of Operation --------------------------------- 4
Chapter 3 Standard Accessories ---------------------------------------6
Chapter 4 Operation -----------------------------------------------------7
Chapter 5 Inspection and Fault Detection ---------------------------10
Part. 2 Technician’s Manual
Chapter 1 General Characteristics -------------------------------------11
Chapter 2 System Configuration ---------------------------------------12
Chapter 3 Installation ----------------------------------------------------14

2
Safety Considerations
This product and related documentation must be reviewed for familiarization with
safety markings and instructions before operation.
Safety Symbols The following symbols may be found on the remote control
or throughout the remote control’s documentation.
Refer to Manual
When product is marked with this symbol refer to instruction
manual for additional information.
High Voltage
Indicates presence of hazardous voltage. Unsafe practice
could result in severe personal injury.
Warning
Denotes a hazard. Included text gives proper procedures.
Failure to follow instructions could result in severe personal
injury and/or property damage.
Caution
Denotes a hazard. Included text gives proper procedures.
Failure to follow instructions could result in minor personal
injury and/or properly damage.
Changes or modifications not expressly approved by the party responsible for compliance
could void the user's authority to operate the equipment.
3
Part 1. Operator’s Manual
Chapter 1 Warranty
1-1 Warranty
Lee’s Hi-Tech Enterprises Co., Ltd. guarantees that this product meets its
published specifications at the time of shipment from the factory. Under proper
installation it should work as expected.
1-2 Warranty Period
This equipment is warranted against defects in material and manufacturing for a
period of one year from the date of shipment. During the warranty period,
TELECRANE is responsible for necessary repairs as long as the product can be
proved to be defective.
For warranty service or repair this product must be returned to a service facility
designated by TELECRANE. Buyer will pay shipping charges to TELECRANE
while TELECRANE will pay return shipping charges.
1-3 Excluded Items
This warranty does not include consumptive parts such as batteries, fuses, buttons,
and relays. Also this warranty does not cover defects caused by improper
installation, improper or insufficient maintenance, unauthorized modification,
improper operation, ignorance of environmental specifications, or improper
software or interfacing.
1-4 Remarks
◎ No other warranty is expressed or implied, except for the above mentioned.
◎ The remedies provided herein are the buyer’s sole and exclusive remedies.
TELECRANE shall not be liable for any direct, indirect, special, incidental or
consequential damages.

4
Chapter 2 Precautions of Operation
2-1 Attention
◎ Please carefully read the manual before installing and operating this device.
◎ Due to the complex nature of this equipment it is necessary to read the entire
manual before installation.
◎ Never dismantle the equipment by any unauthorized personnel, or equipment may
be damaged.
◎ This manual is for reference only. Pleases consult your distributor for further
assistance.
◎ The equipment has been strictly tested for quality before delivery from our plant.
However, this equipment must not be used in dangerous situations or where
damage may result.
◎ After operation, shut off main power to the crane, power to receiver, and remove
transmitter key.
◎ Transmitter should be placed in a safe area when not in use to avoid accidental
pressing of buttons.
◎ The crane should be equipped with main power relay, limit switch and other safety
devices.
◎ Don’t use equipment during lightening or high electrical interference conditions.
◎ Make sure that the batteries are in good condition and power for receiver is correct.
◎ Maintenance should only be done while the crane’s main power is off to prevent
electrical shock.
◎ The contents of this manual may be amended by the manufacturer without notice.
◎ The manufacturer may introduce new functions to the equipment as necessary,
therefore, the descriptions may change.
According to FCC Part 15.21 Information to user.
Caution :
The user that changes or modifications not expressly approved by the party
responsible for compliance could void the user's authority to operate the
equipment.

5
2-2 Precautions
☆ Operating in an industrial facility is relatively dangerous; therefore, operator must
have taken the adequate trainings in using F25 system.
☆ Those who operate the machine should be healthy and have good judgment in
regard to safety.
☆ Although the F25 transmitter is so durable and resistant for the fluctuating
temperature, care still need be taken to prevent it from the severe impact or
pressure.
☆ During operation, if the power supply of the transmitter’s batteries is insufficient,
the transmitter will send out EMS signal first to de-energize all of motion relays
inside the receiver to stop crane’s moving, and then the LED indicator on
transmitter will flash in red constantly. At this moment, the batteries need to be
replaced and all of four batteries should be replaced at the same time.
☆ If the severe interference occurred the equipment should be stopped at once.
☆ Please take the batteries out when the equipment will not be used for a long time.
☆ Be sure to know the “Procedures of Emergency “ as follows.
2-3 Procedures of emergency
In case of an Emergency, please follow the steps below and ask the distributor for
service immediately.
1. Press "EMS" button.
2. Turn the key to "OFF" position and remove it.
3. Switch off the main power of crane.
4. Advise the distributor to find out the reason.

6
Chapter 3 F25 Standard Accessories
When you acquire a standard and full set of F25 system, it includes the following
items.
(1)Transmitter, one unit. (2)Receiver, one unit.

7
Chapter 4 Operation
4-1 F25 Transmitter’s parts
Antenna
Rotary Key
EMS Button
LED Indicator
Motion
Buttons
Battery Cover
Start Button
Horn Button

8
4-2 F25 Receiver’s parts
Antenna
Wiring Diagram
Output cable
Power On
Indicator

9
4–3 General Operation
1. Turn on the main power switch of the equipment (Crane).
2. Install four AA size batteries in the transmitter make sure the "+" and "-"
direction are correct.
3. Rotate "EMS" mushroom clockwise 45∘and pull out.
4. Turn the rotary key clockwise to "ON" position, then press the "Start"
pushbutton to Power-On.
5. Operate normally according to the function setting has done.
6. Please proceed the following procedure after operation.
a) Press EMS mushroom and turn the rotary key of the transmitter to "OFF"
position to shut off the motion of the receiver and remove the key.
b) Switch off the main power switch of the equipment (Crane).
c) Remove the batteries when the equipment is not going to be in use for a
long period of time
Note:
1. Four AA size batteries are required for the transmitter. There is a 3-stage
power indicating function with LED display.
"Green color": Sufficient power to operate transmitter.
"Yellow color": Power is depleting. Operation must be stopped immediately
(for example: down the goods to ground) to replace batteries.
"Red color": Insufficient power. Transmitter will send out an emergency stop
signal to the receiver due to insufficient power. Operator should avoid this
situation in order to maintain the safety of operation.
2. Turn the rotary key of the transmitter to "OFF" position; it will not only shut off
the motion of the receiver but also save the power. Otherwise, the transmitter
will keep staying in the standby mode and causing more power consumption.

10
Chapter 5. Inspection and Fault Detection
5–1 Inspection
Daily inspection is important and will ensure the safety of operation. Inspection
should include "emergency stop" and other safety devices and functions. If there is
any doubt, operation must be stopped immediately and problems must be solved
before resume of operation.
5–2 Fault Detection
5-2-1 Transmitter Malfunction Detection
If the LED light on the transmitter is fast flashing in red, then there must be the
causes as follows:
1. Some of the push buttons are jammed or stock.
2. EMS button has not been released.
3. Fail to follow the correct Power-On procedure.
5-2-2 Receiver Malfunction Detection
This receiver is equipped with simple self-diagnostic circuits and indicators.
During the operation, self-diagnostic circuits will indicate the corresponding lights
if any malfunction is detected. Operator must understand the malfunction signals
and notify the maintenance personnel. Malfunction Type and indicator are listed as
follows:
G1 R1 G2 R2 Malfunction Type
On MCU1 Fault
Blink
Simultaneously
with R1
Blink
Simultaneously
with G1 Main (EMS) Relays Fault
Blink
Alternately
with R1
Blink
Alternately
with G1 Relay Driver Buffer Fault
Blink
Some of the Relays are
Jammed
11
Part 2. Technician’s Manual
Chapter 1 General Characteristic
1–1 General Specifications
- Operation Frequency--------------------- :433.05~434.79MHz
- Hamming Distance ----------------------- : ≧ 4
- I.D. Code----------------------------------- : 220 sets (set by factory, never repeated)
- Temperature Range----------------------- : -40℃ ~ +85℃
- Channel Spacing-------------------------- : 25 KHz
- Maximum Operation Range------------ : Up to 100 Meters
- Structure----------------------------------- : Reinforced Plastic and Glass Fiber
- Protection Degree------------------------ : IP 65
1–2 Transmitter Specifications
- Power Supply----------------------------- : Four 1.5 volts Batteries (AA Size)
- RF Power---------------------------------- : < 10 mW
- Pushbutton Type-------------------------- : Two step mechanical switch
- Dimensions-------------------------------- : 186x61x51mm (LxWxH)
- Weight------------------------------------- : about 265g (including batteries)
1–3 Receiver Specifications
- Power Supply----------------------------- : 220/380VAC (50/60Hz), ±20%
- Sensitivity----------------------------------: −110dBm
- Output Relays----------------------------- : 5A/250VAC
- Dimensions-------------------------------- : 200x162x107mm (LxWxH)
- Weight------------------------------------- : about 1220g(excluding wire cable)

12
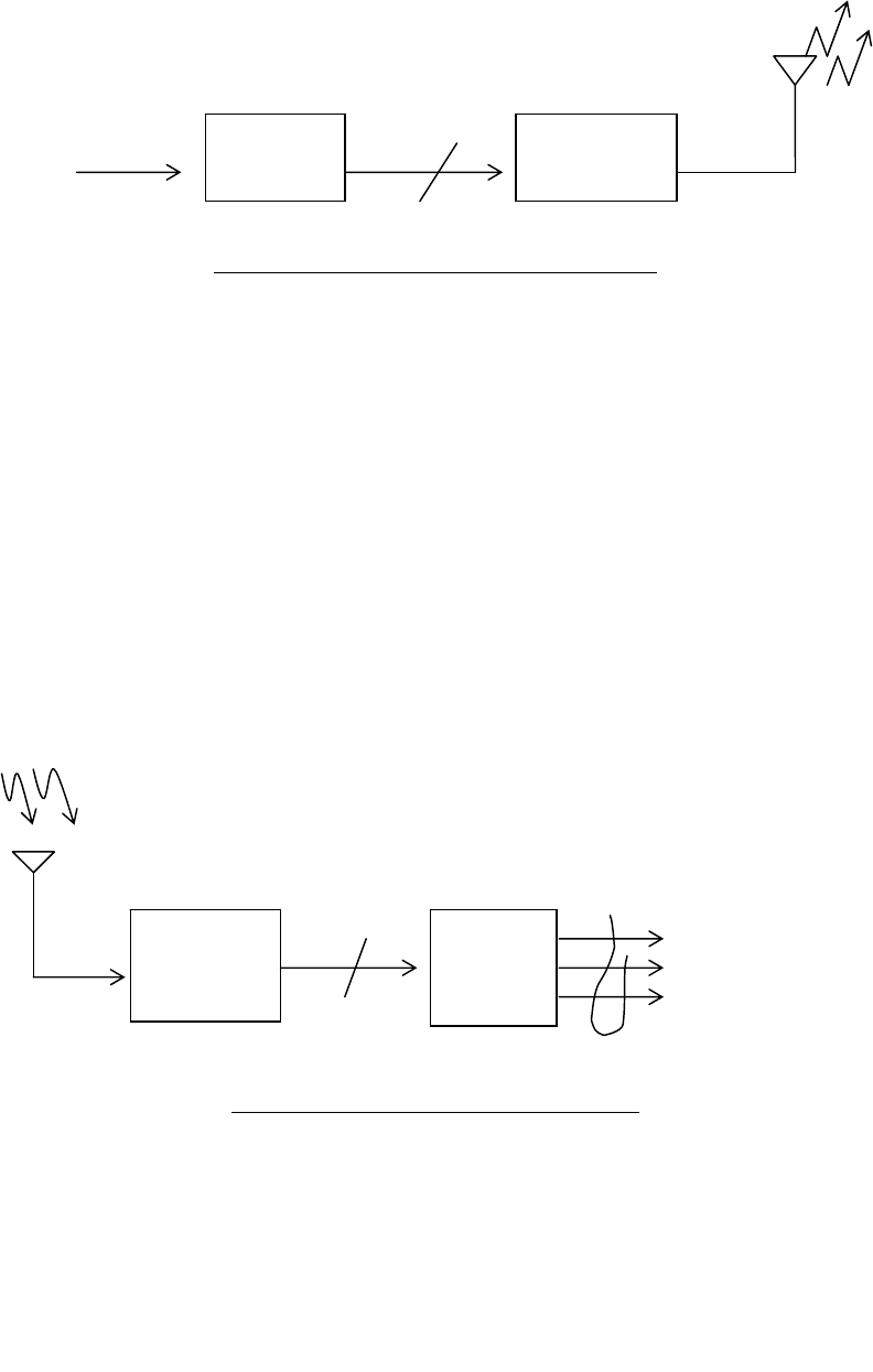
Chapter 2. System Configuration
2–1 Transmitter Unit
Figure A. Transmitter block diagram
The transmitter unit consists of an Encoder Circuit and a Transmitter RF Circuit.
When the user presses a pushbutton on the transmitter, the Encoder Circuit senses
the pushbutton’s data immediately. The Encoder Circuit then encodes the
pushbutton’s data, combined with the ID Code and a Hamming Code to become the
"control data".
This control data goes to the transmitter RF circuit to modulate a radio frequency
(RF) carrier. The output FM signal from the modulator is then sent to the antenna
to generate the transmission signal via an RF amplifier and a low-pass filter.
2–2 Receiver Unit
Figure B. Receiver block diagram
The receiver unit consists of the Receiver/Decoder module and the Relay module.
RF signals (control data) from the transmitter are received by the antennas and sent
Encoder
Circuit Transmitter
RF Circuit
Pushbuttons
Data
Antenna
Control Data
Relay contact outputs
(Connects to cranes
or other mechanical
devices)
ANT
Control data
Receiver/
Decoder
Module
Relay
Module
Cable
Command

13
to the Receiver/ Decoder module. The main functions of the Receiver/Decoder
module are to process the RF signal from the transmitter through the signal
processing circuits, consisting of the band-pass filter, RF amplifier, mixer, IF
amplifier, demodulator, error detection, error correction circuits, and decoder in
order to generate a control command sent to the Relay module to drive the
corresponding relay.
The Relay element is the interface of the Remote Controller to a crane or other
mechanical device. The wiring between the relay contact outputs and the control
circuit (or control box) of the crane or mechanical device can be arranged by the
user.
2-3 Error detection/Error correction by software
F25 system employs the theory of "Error-Control Coding" used on Computer
system, and incorporates the "Control Data Code" and the principle of "Error
detection/Error correction" of Hamming Distance to edit and complete the "Code
Word" was so-called "Hamming Code" which may ensure the control data with
accuracy in process of transmission, and also equip with function of automatic
"Error detection/Error correction" to make sure the safety in operation of F25
system remote control.
2-3-1 Data Stream
As shown as below, before the receiver’s relays output to control the equipment’s
movement, the data including SYNC, ID-CODE, COMMAND and SUM must be
checked twice to further make sure, so the data transmission becomes more safe
and reliable.
TOTAL DATA LENGTH= 144 bits
2-3-2 Hamming Code
ID-CODE
COMMAND
SUM
SYNC SYNC
SYNC
character 16 bits
Security ID-CODE
48 bits with HAMMING
ENCODED
Action commands 72
Bits with HAMMING
ENCODED Check SUM
8 bits with
HAMMING
ENCODED

14
It is shown as below, the Code Word length is equal to 8, the Data Bit is equal to 4,
the Hamming Distance is equal to 4, it means that HAMMING CODE (8,4,4) can
correct single-bit errors and also detect double-bit errors.
A 8
Chapter 3. Installation
3–1 Precautions during installation
1. Observe all safety precautions when climbing the crane.
2. Turn off the main power source of cranes before installation to avoid electric
shock.
3. Receiver must be installed in the way that it will not touch any part of the
building during the operation.
4. Receiver must be fastened safely.
5. Before installation, inspect the crane’s safety devices, and make sure
everything is in proper working condition.
6. Make sure you understand the crane circuits and power distribution as well as
the function setting of remote controller, to avoid incorrect wiring.
3–2 Transmitter Installation Instructions
Installation of batteries in the transmitter:
Insert batteries in proper direction into battery compartment. Attach and screw the
battery cap on the bottom of the transmitter.
3–3 Receiver Installation Instructions
3-3-1 Preparation for Installation
1. Provide all necessary tools.
2. Select a proper location.
a. Select a stable place.
b. Select a place where you can see the Receiver or Antenna.
c. Select a place where there is no spark, e.g. keep away from motors, relays,
magnetic switch and power cables.
d. Keep away from high-voltage wiring and device.
1 0 1 0 1 0 0 0
BINARY
HAMMING CODE (8,4,4) 1 0 1 0 0 1 0 1 1 0 0 1 0 1 1 0

15
e. The Receiver’s box must be at least 3 cm away from the other obstacles.
3. Installation of proper power source
The input power source for receiver can be 48 VAC 50/60 Hz, 110VAC, 50/60
Hz or 220VAC, 50/60 Hz., or 380VAC, 50/60 Hz. After power source is
confirmed, one must connect the connector of initial coil of transformer to the
relay module properly.
3-3-2 Installation Sequence
1. Turn off the main power for crane.
2. Drill the holes for screws, install receiver and then fix the receiver with 6mm
screw nut on vibration- Resistant.
3. Connect the cable-assembly (provided) to the receiver and tighten the cables.
4. Connect cables to the control circuit of crane according to the receiver’s
wiring table and control contacts diagram.
Note:
Inspect and make sure that all wires are connected correctly.
5. Secure the cables between the receiver and crane so that cable cover (wrapper)
will not wear out due to the vibration of the crane
3-3-3 Control Contacts Diagram