Leetac Electronics Technology LEETACE606D Retro Stereo with Turntable & Bluetooth User Manual E 606D IM 04
Zhongshan Leetac Electronics Co., Ltd. Retro Stereo with Turntable & Bluetooth E 606D IM 04
User Manual.pdf
1
OPERATION MANUAL
Retro Stereo with Turntable & Bluetooth
MODEL: E-606D

2
CAUTION
RISK OF ELECTRIC SHOCK
DO NOT OPEN
AVERTISSEMENT:
RISQUE DE CHOC ÉLECTRIQUE – NE PAS OUVRIR.
- This lightning flash with arrowhead symbol within an equilateral triangle is intended to alert the user to the presence
of non-insulated “dangerous voltage” within the product’s enclosure that may be of sufficient magnitude to constitute
a risk of electric shock.
- Warning: To reduce the risk of electric shock, do not remove cover (or back) as there are no user-serviceable parts
inside. Refer servicing to qualified personnel.
- The exclamation point within an equilateral triangle is intended to alert the user to the presence of important
operating and maintenance instructions in the literature accompanying the appliance.
CAUTION: To reduce the risk of fire or electric shock, do not expose this appliance to rain or moisture.
WARNING: To prevent electric shock, do not use this (polarized) plug with an extension cord, receptacle
or other outlet unless the blades can be fully inserted to prevent blade exposure
WARNING: Invisible laser radiation when open and interlock failed or defeated. Avoid direct
exposure to laser beam.
PRODUCT COMPLIES WITH DHHS RULE 21 CFR SUBCHAPTER J IN EFFECT AT DATE OF
MANUFACTURE
This equipment is a Class II or double insulated electrical appliance. It has been designed in such
a way that it does not require a safety connection to electrical earth.
Important Safety Instructions
1. Read these instructions – All the safety and operating instructions should be read before this product is
operated.
2. Keep these instructions- The safety and operating instructions should be retained for future reference.
3. Heed all warnings – All warnings on the appliance and in the operating instructions should be adhered to.
4. Follow all instructions – All operating and use instructions should be followed.
5. Do not use this apparatus near water – The appliance should not be used near water or moisture – for
example, in a wet basement or near a swimming pool, and the like.
6. Clean only with dry cloth.
7. Do not block any ventilation openings. Install in accordance with the manufacturer’s instructions.
8. Do not install near any heat sources such as radiations, heat registers, stoves, or other apparatus
(including amplifiers) that produce heat.
9. Do not defeat the safety purpose of the polarized or grounding plug. A polarized plug has two blades with
one wider than the other. A grounding plug has two blades and a third grounding prong. The wide blade
or the third prong is provided for your safety. If the provided plug does not fit into your outlet, consult an
electrician for replacement of the obsolete outlet.
10. Protect the power cord from being walked on or pinched particularly at the plugs,
convenience receptacles, and at the point where they exit from the apparatus.
11. Only use attachments/accessories specified by the manufacturer.
12. Use only with the cart, stand, tripod, bracket, or table specified by the manufacturer,
or sold with the apparatus. When a cart or rack is used, use caution when moving
the cart/apparatus combination to avoid injury from tip-over.
13. Unplug the apparatus during lighting storms or when unused for long periods of
time.
14. Refer all servicing to qualified personnel. Servicing is required when the apparatus has been damaged in
any way, such as power supply cord or plug is damaged, liquid has been spilled or objects have fallen
into the apparatus has been exposed to rain or moisture, does not operate normally, or has been

3
dropped.
15.
-This lightning flash with arrowhead symbol within an equilateral triangle is intended to alert the user to the
presence of non-insulated “dangerous voltage” within the product’s enclosure that may be of sufficient
magnitude to constitute a risk of electric shock.
-Warning: To reduce the risk of electric shock, do not remove cover (or back) as there are no user-serviceable
parts inside. Refer servicing to qualified personnel.
-The exclamation point within and equilateral triangle is intended to alert the user to the presence of important
operating and maintenance instructions in the literature accompanying the appliance.
16.
This equipment is a Class or double insulated electrical appliance. It has been designed in such a way that
it does not require a safety connection to electrical earth.
17. The mains plug is used as disconnect device, the disconnect device shall remain readily operable.
18. WARNING
To reduce the risk of fire or electric shock, do not expose this apparatus to rain or moisture. The
apparatus shall not be exposed to dripping or splashing and that no objects filled with liquids, such as
vases, shall not be placed on apparatus.
19. The use of the equipment in moderate climate.
20. The ventilation should not be impeded by covering the ventilation openings with items, such as
newspapers, table-cloths, curtains, etc.
21. No naked flame sources, such as lighted candles, should be placed on the apparatus.
22. The symbol with Indication AC voltage.

4
Product Overview
Front View
1. 3.5mm HEADPHONE JACK - Accepts headphones.
2. VOLUME KNOB - Turn to adjust volume.
3.BLUETOOTH INDICATOR - Blue light will flash when the unit is waiting to be paired. The Blue light
will stay lit when an external device is successfully paired to the unit.
4.PROG INDICATOR - Illuminates to indicate the program playback is set.
5.FM INDICATOR - Blue light illuminates to indicate the station playing is in stereo.
6.AM INDICATOR - Blue light illuminates to indicate the station playing is in stereo.
7.Dial lens
8.CD INDICATOR - Blue light illuminates to indicate the CD mode is set.
9.PHONO INDICATOR - Blue light illuminates to indicate PHONO mode is set.
10. RADIO TUNER KNOB
In AM/FM mode, turn to tune in a station.
11. STEREO SPEAKERS
12. EJECT ( )- In CD mode, press to open and close the disc tray.
13. PLAY/PAUSE - Press to start playback, press again to pause.
(Note: This button only works in CD, Bluetooth mode.)
14.Stop - Press to stop playback or cancel the program setting.
15&16. PREVIOUS
/
NEXT
TRACK & REWIND / FF (( or ).
17.MEMOTY
-
Press to set the program playback.

5
(Note: This indicator only works in CD mode.)
18.Function
-Select AM/FM/BLUETOOTH/PHONO mode
19. DISC TRAY
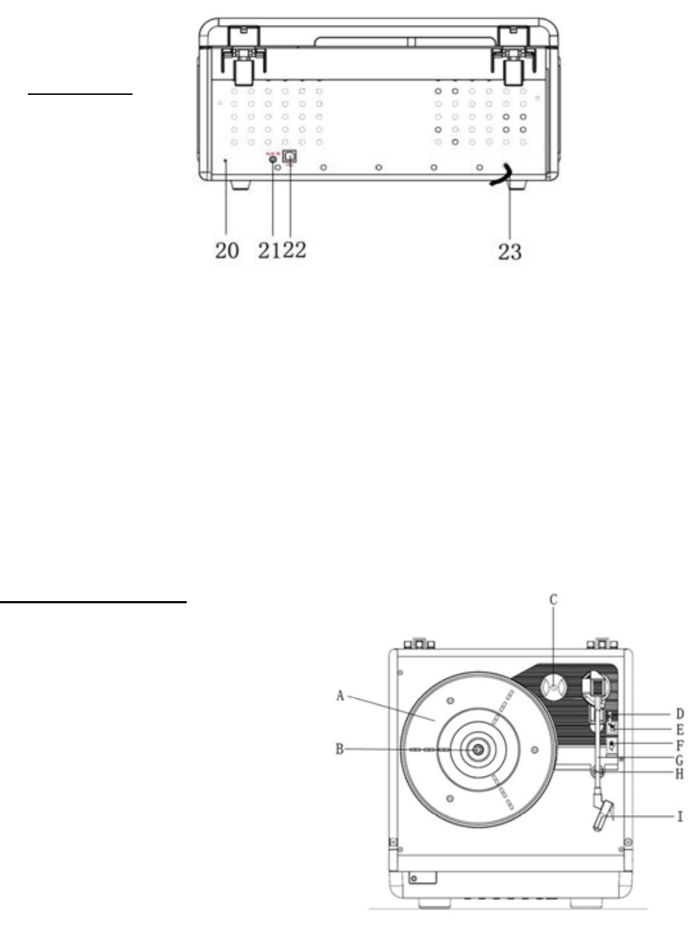
Rear View
20. FM wire antenna
While tuned to a station in FM mode, extend the wire and reposition to adjust for best reception.
21.AUX-in socket
22.USB socket
23. AC Power Cord
Connect the AC plug into a wall outlet.
It’s strongly recommended that this product should be operated only from the type of power source
indicated on the marking label.
Parts of the Turntable
A. Turntable
B. Spindle
C. Adapter for 45 RPM Records
D. Cue-lever
E. Auto Turn /Auto Stop Switch
F. Speed Control Switch
G. Tone Arm
H. Arm Rest
I. Stylus

6
Cleaning to Compact Disc
Handing the Discs:
This unit has been designed specifically for sound reproduction from
compact discs bearing the mark. No other discs can be used.
1. Always place the compact disc in the disc tray with the label
facing upward.
2. To remove a disc from its storage case, press down on the centre
of the case and lift the disc out, holding it carefully by the edge.
3. Fingerprints and dust should be carefully wiped off the disc
recorded surface with a clean cloth (not included).
4. Never use chemicals such as: record sprays, anti-static sprays or fluid, benzene or thinner to
clean compact discs. Such chemicals will do irreparable damage to the disc’s plastic surface.
5. Discs should be returned to their cases after use to avoid serious scratches that could cause the
laser pick up to skip.
6. Do not expose discs to direct sunlight or high humidity and temperature for extended periods.
7. Do not stick paper or write anything with a ballpoint pen on the surface of the label side.
8. Do not use irregular shaped CD’s (octagonal, heart-shape, etc.), all of which can damage the unit.

7
Setup/Basic Operation
Setup
1. Remove white protective needle cover by gently pulling towards front of unit.
2. Remove any packaging materials from the unit.
3. Connect the AC power cord
to a wall outlet.
Note:
-You’re strongly recommended that this product should be operated only from the type of power
source indicated on the marking label.
-To prevent interference, avoid bundling audio signal cables together with the AC power cord.
Basic Operation
1. Power on.
Connect the power plug into the wall outlet.
2. Select the source.
3. Rotate the VOLUME knob clockwise to turn the radio on and adjust to desired sound level.
4. Listening through Earphones/Headphones (not included).

8
Listening to a Vinyl Record
1 Press the FUNCTION button to select the
PHONO function, PHONO indicator will light.
2.
Select player speed.
3. Put a record onto the turntable (use the 45 rpm adaptor provided when playing a single record).
4. Uplift the lift handle.
5. Slide the Auto Turn / Auto Stop Switch to select auto turn or auto stop.
Auto Turn: Slide the switch on
AUTO position, when the record
reaches to its end, the turntable
will keep on turning.
Auto Stop: Slide the switch on
STOP position, when the record
reaches to its end, the turntable
will stop turning.
6. When the record has finished playing, the TONE ARM will stop at the centre of the record and
must be returned to the arm rest manually.
Note: When playing the 45 or 78 rpm record, we recommend you switch the Auto/Stop switch on
AUTO position for greater performance.

9
Listening to a CD
1. Press the FUNCTION button to select CD function.
2. Open the tray, and place the CD on the tray.
3. Close the tray and start playing the CD.
The CD will start automatically
playing from the first track.
4. Stopping the CD play.
5. Pausing the CD play.
Pressing the PLAY/PAUSE button will restart the CD where it was paused
Do not switch the unit off while playing a CD as this will damage the unit.
.To skip to a different track, press the
or
button until you reach the desired track
number. Each press will change the track number by one.
Pressing button will advance forward from track to track. Press button once to go back

10
to the start of the current track. Press the button twice to go back to the start of the
previous track.
7. To fast forward during playback, press and hold the button. Fast forwarding stops when
the button is released. To rewind (reverse) playback, press and hold the button.
8. Press the MEMORY button, the unit will have program function. In stop state, press the MEMORY
button, the LCD display will show and flash 01, then press the
or
button to select the
tracks, press the MEMORY button to repeat this step to program, and it can be up to 20 tracks.
When press STOP button, you can delete this function.
(Note: When all 20 program tracks are set, press MEMORY button and “FI” will appear on the
display)
Listening to the Radio
1. Press the FUNCTION button to select the AM/FM tuning function, the AM or FM indicator
will light in the lens.
Kindly please note the indicator will light all the time once it is powered on.
2. Tune to the desired frequency.
3. Antenna
For optimal FM reception be sure to stretch the built-in FM antenna wire located at the lower back
of the unit and move it around until the station you have tuned in is being received clearly.

11
Listening to an External Audio Device (BT Mode)
External devices which have a built-in Bluetooth feature can be connected to this apparatus and
play through the speakers.
GETTING CONNECTED
1.Press the Function button to select the Bluetooth mode.
2. Set the Bluetooth function of your external device ON.
3. Set to search Bluetooth device on your external device.
NOTE: The effective distance between your external device and this apparatus is 10 meters.
5. Wait for a while then find the “V50-200” on the paired devices list on your external device.
6. If a window asks you a password. Fill in “0000”or“1234” then press “OK” on your external device.
7. A few seconds later your Bluetooth connection should be achieved.
Listening to an External Audio Device (AUX Mode)
In AUX (auxiliary) mode, this unit can play audio from an external audio source (iPod, MP3 Player,
Portable CD Player, etc.)
There is an AUX IN jack on the back of the unit. When connecting a device that has a headphone
jack, use the cable with 3.5mm plugs on either end with the front AUX IN jack.
1. Plug one end of the AUX IN cable (not included) into the AUX IN jack.
3. Plug the other end of the cable into the headphone jack of the external audio source.
NOTE:
1. All operations are only available on your external device.
2. When insert
AUX IN cable (not included) into the AUX IN jack.
only VOLUME knob can
work.
Maintenance / Proper Handling
Compact Disc Handling
• Always place the disc on the disc tray with the label side facing upward (compact discs can be
played/recorded only on one side).
• To remove a disc from its storage case, press down on the center of the case and lift the disc
upward, holding it carefully by its edges.
• To clean a disc, wipe the surface from the center hole outward towards the outer edge with a soft,
dry cloth.
• Never use such chemicals as record spray, antistatic sprays or fluid, benzine or thinner to clean
discs; they will irreparably damage the disc’s plastic surface.

12
•
Discs should be returned to their cases after use to protect from dust and scratches.
•
Do not expose discs to direct sunlight, high humidity, or high temperature for extended periods of
time.
•
Printable CD-R and CD-RW discs are not recommended, as the label side may become sticky and
damage the unit.
•
Use a soft oil-based felt-tipped pen to write information on the label side. Never use a ball-point or
hard-tipped pen, as doing so may damage the recorded side.
•
Do not use irregularly shaped CDs (octagonal, heart shaped, business card size, etc), as they will
damage the unit.
•
Read all precautions supplied with any CD-R or CD-RW disc.
•
Never handle a disc with dirty fingers.
•
Never insert a disc that has a crack on the surface.
Handling Vinyl Records
•
Do not touch the record’s grooves. Only handle records by the edges or the label with clean hands.
Touching the record surface will cause your record’s quality to deteriorate.
•
To clean a record, use a soft anti-static cloth to gently wipe the record surface.
•
Keep records in their protective sleeves when not in use.
•
Always store records upright on their edges.
•
Avoid placing records in direct sunlight, close to a heat source (radiators, stoves, etc.), or in a
location subject to vibration, excessive dust, heat, cold or moisture.
General Care
•
When removing the power plug from the wall outlet, always pull directly on the plug.
Never pull the cord.
•
To keep the laser pickup clean, do not touch it, and do not forget to close the disc tray.
•
Do not attempt to clean the unit with chemical solvents as this might damage the finish.
•
For cleaning, only use a clean, dry cloth.
•
In order to shut off the power to this product completely, unplug the power cord from the wall outlet.
Be sure to unplug the unit if you do not intend to use it for an extended period of time.
How to Replace the Turntable Stylus
The stylus should last about 50 hours under normal use. However, it is recommenced that the stylus be
replaced as soon as you notice a change in sound quality. Prolonged use of
a worn-out stylus may damage the record. The highest speed of 78 RPM
records would wear out the stylus more quickly.
Removing the old stylus:
1. Set a screwdriver at the tip of the stylus and push downward (A).
2. Remove the stylus by pulling it simultaneously downward and forward.
Installing a new stylus:
1. Hold the front tip of the stylus and insert its rear edge (B) first.
2. Push the stylus upwards (C) until the tip locks into place.
Caution
:
Do not bend the stylus.
Do not touch the needle to avoid injury your hand.
Turn off the unit’s power before you replace the stylus.
Keep out of reach of children.

13
USB TO PC RECORDING
Audacity Software
The provided CD disc contains the following software:
(1)Audacity_for_MAC---------For Mac
(2)Audacity_for_WIN ---------For Windows
The software is compatible with Window XP, VISTA, 7 and 8, 10 requires appropriate drives and Mac.
NOTE:
- Read about Audacity on Windows 8, 7 and Vista. Windows 2000, NT, and 95 are not supported.
-Windows 10 is supported, but subject to all enabled devices having Windows 10-compatible drivers
designed for the device. This should be the case for the built-in sound device of a new computer that
came with Windows 10. Please see our Windows 10 page for solutions if you encounter problems. We
hope to improve our Windows 10 compatibility with older devices in a future release.
-A CPU that supports SSE2 is required (any CPU made after 2003 should support this). Please use
the legacy Audacity 2.0.6 version if your machine lacks SSE2 support.
- Audacity for Mac is a Universal Binary for OS X 10. 6 and later. Audacity runs best with at least 1 GB
RAM and a 1 GHz processor (2 GB RAM/2 GHz on OS X 10.7 and later).
- For lengthy multi-track projects, we recommend a minimum of 2 GB RAM and 2 GHz processor (4 GB
RAM on OS X 10.7 and later).
- The 2.1.1 release was the final release for PPC Macs.
Because of the variation of different operation systems, some of the interface may not be the same as
below.
Audacity Installation and USB Connection
Connect one end of USB cable to the turntable and the other end into your computer. Then connect the
AC power cord of the turntable.
Audacity for Windows
Installing the Audacity Software
1. Please insert the Audacity software disk that comes with your unit. Go to My Computer and double
click the CD ROM Drive.
2. Select Audacity-for-win for window system.

14
3. Double click the audacity-win-2.1.2 to install the audacity software.
4. Select the setup language first and click on OK to continue.
Note: The language choice in the Windows EXE Audacity installer only selects the language
for the installer.
5. The Audacity Setup Wizard will appear. Click on Next to install the software.
6. Continue to click on the Next buttons.

15
7. Click on the Install button to start installation.

16
8.. Click on Next to continue.
9. Click on Finish to complete installation.

17
10. You can now open the Audacity software and start recording your files.
Note
1. Once you set up Audacity, you do not need to re-set it with each use.
2. The “Audacity-win-2.1.2.exe” (helpfile included) is available for Windows 8/ Windows 7/ Windows 10
requires appropriate drivers / Windows Vista/ Windows XP.
3. If you cannot run the exe document, please go to the website below and download the file from it
directly.
http://www.audacityteam.org/download/windows
4. Users upgrading to this release from Audacity 2.0.5 or earlier who had FFmpeg installed will see
a notice that FFmpeg needs to be reconfigured.
Please visit http://manual.audacityteam.org/o/man/faq_installation_and_plug_ins.html#ffdown for a link
to the recommended 2.2.2 version of FFmpeg for Windows and Mac OS X, and for information for
Linux.
5. The Windows installer for 2.0.x versions will replace legacy 1.2.x or any previous 2.0.x installation,
but install alongside legacy 1.3.x Beta versions. It is strongly recommended to uninstall previous Beta
versions before installing current Audacity.
6. Audacity 2.1.2 requires the CPU to support the SSE2 instruction set which should be available on
any Intel hardware produced after 2001 and any AMD hardware produced after 2003. To check what
SSE levels your CPU supports, you can install CPU-Z. If your hardware only supports SSE, you may
download Audacity 2.0.6 from http://www.oldfoss.com/Audacity.html.
7. Users on Windows XP: You may see "Entry Point Not Found" when first launching Audacity after
installation. This error occurs if you are running less than the latest "Service Pack" of updates for your
Windows XP system.
Please see http://manual.audacityteam.org/o/man/faq_installation_and_plug_ins.html#entry_point
for how to install the latest Service Pack and for advice about the potential security risks of running XP
now that Microsoft no longer supports it.
8. On first use of Audacity you need to confirm or cancel the Register Effects dialog for detected effects
before you can launch Audacity. (For additional information, please visit the website at
http://manual.audacityteam.org/o/man/effects_preferences.html#register)

18
Configuring Audacity for Microsoft Windows
Audacity Interface
Audacity Control Buttons
Use the attribute controls button at the top of the screen to go to pause, Play, Stop, Beginning, End
Record etc. Use the File, Edit, View, Transport, Tracks, Generate, Effect and Analyze menus to Save,
Export, and edit the music.
1. Click the ( ) button to pause the recording;
2. Click the ( ) button to play;
3. Click the ( ) button to stop the recording;
4. Click the ( ) button to skip to start;
5. Click the ( ) button to skip to end;
6. Click the ( ) button to record;
7. Adjust the input volume;
8. Adjust the output volume;

19
Audacity Preferences
1. Click the “Edit” on the Audacity interface, select “Preferences”.
In the pop-up window of the Audacity Preferences, tabs of Devices, Playback, Recording, Quality,
Interface, Tracks, Spectrograms, Import / Export, Extended Import, Projects, Libraries, Directories,
Warnings, Effects, Keyboard, Mouse and Modules are listed on the left side of the window as shown in
the picture below.

20
2. Click ‘Devices’ on the left side and detailed contents of the Devices will appear on the right hand side
of the interface.
Click the
arrow on “Device” below Playback and choose “Realtek High Definition Audio”
or “Microphone Sound Mapper- Output”.
Click the
arrow on ‘Device’ below ‘Recording’ and choose ‘‘USB PnP Audio Device’.
Click the
arrow on ‘Channels’ to select ‘2(Stereo)’. Do not click OK until you finish all of the settings.
Note:
If you cannot find the " USB PnP Audio Device " in the Device list, close the Audacity Software
and re-open and try again.
Windows Vista and later call most USB external devices "microphones" but Windows XP and earlier do
not. Some higher-end USB recording interfaces may appear as their explicit manufacturer's name.

21
3. Click ‘Recording’ on the left side and the detailed contents will display on the right side.
Click the checkbox beside ‘Software Playthrough: Listen while recording or monitoring new track’.
Click the checkbox beside ‘Sound Activated Recording’ and adjust the Sound Activation Level (dB) to
-36.
NOTE:
Once the ‘Sound Activated Recording’ is selected, the Pause button will not work during
recording. You can Click “Interface” on the left side to select Sound Activation Level.

22
4. Before exporting a MP3 file, you need to find ‘lame’ first. If the program does not show the MP3
Library, make sure the Audacity driver disc is inside your computer.
Click ‘Libraries’ on the left side, then in ‘MP3 Export Library’ interface, click ‘Locate…’ button to find
‘lame_enc.dll’.
5. You can download the ‘lame’ software from the website.
Click ‘Download’ and a website will be opened automatically.
Open the website to download ‘lame_enc.dll’: click on LAME download page.

23
Jump straight to Windows download’ in the top line. Left click 'Windows download’ and it will jump to the
download chapter for Windows.
Audacity LAME is free, so you can click ‘libmp3lame-win-3.99.3.zip’ under ZIP OPTION to download.
Click Save, select the Folder you want to save it in, then click Save again to save it.
Close the webpage, then click OK to close the Audacity preference. Minimize Audacity interface, then
open the Folder where you saved the libmp3lame-win-3.99.3.Double click on it, then double click on it
again to open. Now left click on lame_enc.dll. Hold and drag it to your Desktop.

24
NOTES:
Once you move it to the Desktop you do not need to do this again.
After opening lame_enc.dll the first time it may not be necessary to open lame_enc.dll the next
time you record.
Go back to Audacity and click on Edit, then Preferences. Click on Libraries in MP3 library. Click on
Locate, then click on ‘Browse’. Click on Desktop, then click on Lame_enc.dll to highlight it. Then click
Open.
Click on OK on locate Lame box. Click OK on Audacity Preferences to close and to complete your
settings. Now you can Record, Export and save your favorite music.
6. For detailed information about how to run this program, please click ‘Help’ and click ‘Manual (in web
browser)’.
7. Adjust the output and input volume to 20% (or 0.2 level).
NOTE:
Because of the variation of different operation systems, the input volume control may not work
on some individual Windows versions. Windows Vista is recommended to ensure the input volume
control works properly.
For any queries in regard to ‘Mixer Toolbar’ please visit:
http://wiki.audacityteam.org/index.php?title=Mixer_Toolbar_Issues

25
RECORDING OPERATION
To download music and save into computer:
1. Place the record on the turntable.
2. Move the tone-arm over to the record to start playing.
3. Click the Record ( ) button to start recording.
The waves (left and right tracks) will show on the interface.
4. At end of a song, click the “pause” ( ) button on the computer and press the Stop button on the
turntable, move the cursor to the wave area and left click at the end of the song.
For the next song, replace the album or move tone-arm to another desired song. Press the Play button
on the turntable to start playing the next song. Immediately press the “pause” ( ) button on the
computer and downloading will continue and another R/L track will appear on the interface.
NOTE: Pause button will not work during the recording process if the ‘Sound Activated Recording’ in
Preferences Recording is selected. Clear the checkbox next to ‘Sound Activated Recording’ if you want
to manually pause recording.
5. Repeat steps 3 and 4 until you have finished downloading.
NOTE:
Do not click stop button on the computer when continuously downloading songs. Remember to
click pause button in between your desired songs. Press stop button on the computer only when all
your desired songs have been downloaded.
After your have finished downloading, you may play back the songs through your computer. In stop
mode, simply click ( ) SKIP TO START button and then the ( ) PLAY button.
TIP: If you press the “stop” button by accident, you can click “Transport” and click “Append Record” and
you can continue to record in the same track.

26
For example, if the “stop” button has been pressed by accident at the end of the first song, do not click
anything in Audacity. Prepare another song, click “Transport” tab and select “Append Record”. The
second song will continue to record on the same track at the end of the first song.
You now have a music download on your computer but the music needs to be saved and converted to
WAV, OGG, or MP3 formats before exporting.
GENERAL PROBLEMS FOR WINDOWS VERSION
1. If you do not have the fluctuating wave on the interface during recording, or the recording sounds
unsatisfactory, adjust the recording volume as follows:
•
Click Start in the left corner of the computer, select Settings, Control Panel.
•
In Control Panel interface Find Sounds and Audio Devices. Double click the icon to enter
Sounds and Audio Devices Properties interface.

27
•
In Sounds and Audio Devices Properties interface
Volume window will display, select the Audio tab to reveal the settings.
In Sound recording, select USB PnP Audio Device and click the Volume button to set the recording
input level. The WAVE IN window will appear.
•
In WAVE IN interface Adjust the recording volume to about 50% as per illustrated below.
The fluctuating wave will show on the interface when recording.

28
2. If you do not hear any sound when the turntable is connected and you wish to listen to the music and
/or video, it is possible that the default playback device has been changed to USB PnP Audio Device
when the turntable connects to the PC.
Recommended: Remove the USB cable from the PC.
Alternative: This solution requires you to change the setting manually every time you connect the USB
cable to the PC.
Change the setting as follows:

29
•For Vista and
Windows 7 users:
Click “Start” and go to the Control Panel. Find and
click “Sound” icon. Sound window will be opened
and the “Playback” window will be seen. You will
see that the Speaker USB PnP Audio Device is set
as default. To ensure the sound, click a playback
device (e.g., Speaker High Definition Audio), then
click “Set Default” and click OK. The sound should
now work.
•For Other Windows
versions users
(e.g.: Windows XP):
Click “Start” and find “Settings”, “Control Panel”. In
the Control Panel window, find and double click
into “Sounds and Audio Devices”. In the Sounds
and Audio Devices Properties window, Volume
window will be seen. Click the “Audio” tab to reveal
the settings. In the Sound playback section, you
will see that the USB PnP Audio Device is
selected.
To enable the sound, click the pull-down arrow and
select your inbuilt sound device or sound card by
name as the playback device (e.g., Realtek) and
click OK and the sound should be enabled
.

30
DIVIDING TRACKS
After you have finished downloading, you may play back the songs through your computer before exporting. In stop
mode, simply click ( ) SKIP TO START button and click then the ( ) PLAY button.
1. Press ( ) button to return to the beginning of the first song.
2. Move cursor to the wave graphic area, left click mouse and hold then drag from left to right. Release the mouse
when the highlight reaches the end of the first song.
Highlighted
3. Click "File" tab then select "Export Selected Audio...".
4. In the next window, select a location as well as the format (most people prefer to save audios in MP3 format (MP3
format is most common)) in My Music and put the title in the file name. Click “Save”.
NOTE: The most common formats are: MP3, WAV (WAV uses a lot of space), and MYA/AAC
(most iPod devices can play audios with this format).
You can also choose alternative formats such as AIFF, WAV, OGG or FLAC if these formats are supported on both
your computer and the exported devices. Note that according to your selection, the Edit Metadata window may not
appear.

31
5. In the next window, fill in the information in the window entitled “Edit Metadata”. Then click “OK”.
Wait a few seconds before exporting the selected audio.
Second song to be divided and saved:
1. Move cursor to the wave graphic at the beginning of the second song. Left click mouse and hold then drag from left
to right until you reach and highlight the end of the second song.
2. Click "file" tab then select "Export Selected Audio...".
3. Follow above steps to divide songs, export and save, one-by-one.
MP3, WAV AND OGG FORMAT
THESE ARE DIGITAL FILE FORMATS FOR AUDIO (MUSIC) AND MOST CURRENT COMPUTERS ARE COMPATIBLE.
HOWEVER, IF YOU COPY THE FILE ONTO A CD DISC (CD-R OR CD-RW) AND PLAY WITH ANOTHER CD PLAYER, YOU
HAVE TO MAKE SURE THE CD PLAYER SUPPORTS THOSE FORMATS; OTHERWISE, THE COPIED CD DISC WILL NOT
PLAY. THE SAME THING IS TRUE WITH A COPIED FILE TO BE PLAYED ON ANOTHER MP3 PLAYER.

32
EXPORT AND SAVE FOR WAV
AND OGG FORMATS
(AFTER RECORDING IS COMPLETE)
When the song is finished, click ( ) on the screen to stop playing.
You can export and save tracks individually, or export and save into one file.
To export and save individually:
1. Highlight the song that you want to save then click the file tab on the audacity interface.
2. Select “Export Selected Audio...”,
a window will appear as below:
Select the folder, put title in the file name and click the pull-down arrow to select a save type, such as WAV or OGG
format.
3. Choose the file format of the recording that should be exported and put in the title in the file name and the folder of
the location where it will be saved, i.e. desktop. Then click “Save”.
4. Edit Metadata window may appear, complete the information then press the OK button.

33
5. Wait for a few seconds until the export & saving is completed.
Setting the language
1. Click Edit and select Preferences.
2. Another window titled with Audacity Preferences will appear. Click the Interface tab and click the pull down arrow
to select the language you wanted.

34
3. Then click OK to close the window. The new setting will only be active in the next start - that means you
need to close the Audacity and re-open the software again.
AUDACITY FOR MAC USERS
System Requirements
Audacity for Mac is a Universal Binary for OS X 10.6 and later. Audacity runs best with at least
1 GB RAM and a 1 GHz processor (2 GB RAM/2 GHz on OS X 10.7 and later).
For lengthy multi-track projects, we recommend a minimum of 2 GB RAM and 2 GHz processor (4 GB RAM on OS X
10.7 and later).
1. Please insert the Audacity software disk that comes with your unit. Click the Audacity disk on the desktop.

35
2. Select Audacity_for_mac for Macintosh system.
TIPS: To check your computer OS version, you can click the Apple icon then select “About This Mac”.
The next window will display and the processor type and the OS version will display as below.
3. Double click on the Audacity_for_mac folder.
4. Then double click "audacity-macosx-ub-2.1.2.dmg".
Wait a few minutes until this window disappears.
Then another window will appear.

36
Drag the "Audacity" folder in to "Applications" as the instruction show on the window.
5. Double click the Audacity folder and in the Audacity window, files will be displayed in the folder.
6. Double click the Audacity icon to start the software running, alternatively, drag the “orange ball wearing headphones” icon
down onto the desktop toolbar. Click on this icon to run Audacity.

37
CONFIGURING AUDACITY FOR MAC
Audacity Interface for Mac
Audacity Interface---Settings and controls
At the top of the main Audacity window, to the right of the play control buttons, you will see the input and output level meters
(labeled L and R). Under the output level meter, is an icon that looks like a microphone. Next to the microphone is a black
arrow that points down. Click this arrow and select Start Monitor. (If you do not see the input and output level meters, open
your Preferences again as described above.)

38
AUDACITY CONTROLS AND BUTTONS
Use the attribute control button at the top of the screen to go to Beginning, Play, Record, Pause, Stop and End. Use the File,
Edit, View, Transport, Tracks, Generate, Effect and Analyze menus to Save, Export, and Edit the music.
1. Click the ( ) button to skip to start;
2. Click the ( ) button to play;
3. Click the ( ) button to record;
4. Click the ( ) button to pause the recording;
5. Click the ( ) button to stop the recording;
6. Click the ( ) button to skip to end;
7. Input level monitor
8. Output level monitor
9. Input device
10. Output device
11. Adjust the input volume.
12. Adjust the output volume.
AUDACITY PREFERENCES SETTINGS
A few settings will be required before you download the music.
1. Click “Audacity” on the Audacity interface, select “Preferences” and another window will appear on the screen.

39
2. In the window of Audacity Preferences click “Devices” on the left hand side.
Then on the right side within the Recording Device column, set Device to “USB PnP Audio Device”, Channels to “2
(Stereo)”.
NOTE: If you cannot find the " USB PnP Audio Device" in the Device list, close the Audacity Software and re-open and
try again. Ensure that the turntable is connected to the computer.
3. Click “Recording” on the left. Then on the right side in Playthrough column, click the checkbox beside “Software
Playthrough: Listen while recording or monitoring new track”.
In the Sound Activated Recording column, click the checkbox beside “Sound Activated Recording”, then slide the

40
meter to -36 db. NOTE: Once the ‘Sound Activated Recording’ is selected, the Pause button will not work during
recording.
4. Click “Quality” on the left then on the right side in the Sampling column, select “44100 Hz” in Default Sample
Rate and select “16-bit” in Default Sample Format.
5. Click “Libraries” on the left then on the right side in MP3 Export Library column, check if the program has detected
and shown the MP3 Library Version there. If shown, skip and forward to
step 6.

41
If “MP3 export library not found” is displayed, you must find the “LAME”. Click “Locate…” button then a window named
“Locate Lame” appears to find where the “LAME” is. Click the “Browse…” button to find it.
If you cannot find it or the LAME file you found is not compatible, click the “Download” button and a website will show
automatically. Scroll down the webpage to find a title named “Mac OS X”. Click the “LAME download page” and
another website will show automatically.
Find and Click the "MAC OSX downloads"

42
Scroll down the webpage.
You will notice a form showing the LAME for all version systems. Find a title named “For Audacity 1.3.3 or later on Mac
OS X 10.4 and greater (Intel or PPC), and audacity 1.2.5 on OS X 10.4 and later (Intel)” and then click “Lame Library
v3.98.2 for Audacity on OSX.dmg” or "here" to download the file. Then locate LAME and click OK.
6. Click OK to close the Preferences interface.
SETTING THE RECORDING INPUT LEVEL
It is recommended that the recording input level is adjusted prior to starting to record.
Slide the output level to about 0.5, slide the input level to 0.3, then get your record ready.
RECORDING OPERATION
To download music and save into computer:
1. Place the record on the turntable.
2. Move the tone-arm over to the record to start playing.
3. Click the Record ( ) button to start recording.
The waves (left and right tracks) will show on the interface.

43
4. At end of the song, click “pause” ( ) button on computer and press Stop button on turntable, move cursor to the
wave area and left click at the end of the song.
For the next song, replace the album or move tone-arm to another desired song. Press Play button on the turntable to
start playing the next song. Immediately press “pause” ( ) button on computer and downloading will continue and
another R/L track will appear on the interface.
NOTE: Pause button will not work during recording process if the ‘Sound Activated Recording’ in the Preferences
Recording is selected. Clear the checkbox next to the ‘Sound Activated Recording’ if you want to pause recording
manually.
5. Repeat steps 3 and 4 until you have finished downloading.
NOTE: Do not click stop button on computer while continuously downloading songs. Remember to click pause button
in between your desired songs. Press stop button on the computer only when all your desired songs have been
downloaded.
After your have finished downloading, you may play back the songs through your computer. In stop mode, simply click
( ) SKIP TO START button then the ( ) PLAY button.

44
DIVIDING TRACKS
1. Press ( ) button to return to the beginning of the first song.
2. Move cursor to the wave graphic area, left click the mouse and hold then drag from left to right. Release the
mouse when the highlighter has reached the end of the first song.
3. Click "File" tab then select "Export Selected Audio...".
4. The window will pop up a dialog box for you to complete the Metadata. Click OK button when completed.
5. Then a window appears, select your music file location and format and type in your file name. Click “Save” and the
song is saved on the computer.

45
6. Edit Metadata window will appear. Complete the information then click OK. Wait for a few minutes until the
saving is complete.
EXPORT AND SAVE FILES (AFTER RECORDING IS
COMPLETED)
When the recording is finished, click the ( ) on the screen and stop the cassette playback.
You have a music download on your computer now.
You may play back the song through your computer.
Simply click the ( ) to play.
1. To export and save individually, click the “File” tab on the Audacity window then select
“Export Selected Audio…”.
To export and save into one file, click the “File” tab on the Audacity window then select

46
“Export Audio”.
2. A window will pop up after clicking Export. It will default to the MP3 format, but you also can select other formats
by clicking the arrow located at the right of the MP3 Files.
3. Complete the “Save As” and Save-in location, click the Save button and the Edit Metadata window will display.
Complete the information if necessary then click OK and wait a few minutes until it is finished saving.

47
TROUBLESHOOTING GUIDE
If you experience any problems with your unit, kindly consult the following guide prior to calling your dealer.
NO SOUND:
• If you are not getting any sound into the software application, go back to the preferences as shown above and make sure
that you have selected the USB PnP Audio Device for the recording device in the devices.
• Power Cycle: Close Audacity, turn off the turntable, unplug the USB Cable. then plug in the USB Cable, turn on the turntable
and reopen Audacity.
• If you are not able to hear any audio as you play the record, please click on the microphone drop-down arrow and select
Start Monitoring. This will enable you to hear the audio from the turntable, even if you have not record-enabled the Audacity
application.
Check the microphone slider to make sure that it is at full volume, all the way to the right as shown below. If you find the
recording sounds low or distorted, adjust the microphone slider.
If you still do not have the fluctuating wave on the interface during recording, or the recording sounds unsatisfactory,
adjust the recording volume as follows:
Click the launchedpad icon
Then find “System Preference” and double click it.

48
In the new interface, find the “Sound” icon and double click it.
Adjust the Output volume under “Sound Effects”
Under “Input”, select “USB PnP Audio Device” and adjust the “Input volume”
POOR SOUND QUALITY:
• Check your stylus to make sure it is secured to the tone arm. The stylus must be connected
to the tone arm whenever using the turntable.
• Make sure that your RCA plugs are plugged into a source or not touching bare metal. If you are experiencing noise
through the USB, you may have interference from the RCA plugs. Ensure the USB cable is not touching or near any
other cables.
• If you experience any odd sounds coming from the recording, try closing all applications and restarting the computer.
Only run Audacity while recording.

49
Specifications
GENERAL
Power Requirements……………….……AC 120 V~ 60 Hz
Power Consumption……………………..19 W
Dimensions(L x Wx H)…………………. 360 mm x345 mmx165mm (approx.)
Weight……………………………….…. 11.7 Ibs. (approx.)
AMPLIFIER
Output Power……………………………....2.0 W + 2.0 W
Frequency Response………………….….60 TO 20, 000 Hz
SPEAKER SYSTEM
Type…………………………………….….1-way
Impedance………………………………..8 ohms
Input Power……………………………….Max. 3 W
FM/AM RADIO
FM Frequency Range…………………………88 to 108 MHz
AM Frequency Range……………………..…..530 to 1710 KHz
CD PLAYER
Frequency Response…………………….60 to 20, 000 Hz +/-4 dB
Signal-to-Noise Ratio……………….……55 dB (IEC-A)
RECORD PLAYER
Motor……………………………………....DC servo motor
Drive System………………………..…….Belt Drive
Speeds……………………………….……33-1/3 rpm, 45 rpm and 78 rpm
Wow &Flutter………………………...……Less than 0.25% (WTD)
S/N Ratio…………………………….…….More than 50 dB
Cartridge Type…………………………….Ceramic Stereo Cartridge
Stylus………………………………………ITRRS-300
BLUETOOTH
Bluetooth Version………………………… Bluetooth V2.1+EDR
Bluetooth Profiles………………………… A2DP, AVRCP
Bluetooth Frequency range………………2.402GHz-2.480GHz
Operating Distance……………………… 10 meters (33 ft.)
USB
Type USB series B connector
Recording USB to PC record
for vinyl record, CD, AUX and Bluetooth
full-speed USB 2.0 full speed

50
Troubleshooting Guide
In case of trouble with the unit, please look through this chart and see if you can solve the problem by yourself before
calling your dealer.
GENERAL
Problem Cause Solution
Power does not come on
when the power switch is
pressed.
Unit is unplugged. Connect the unit to the AC
power supply.
No sound comes out of the
speakers.
The volume is turned down
(to MIN).
The input selector does not
match the playback source.
Adjust the volume.
Re-select the desired input
source.
The sound is noisy.
The unit is too close to a TV
set or another similar
appliance.
Turn off the TV or other
appliance, and relocate the
unit.
TUNER UNIT
Cannot listen to any
station, or signal appears
weak.
The station is not tuned-in
properly.
A TV set is being used nearby
and is interfering with the
radio reception.
Properly tune-in the desired
station.
Turn-off the interfering TV
set.
The sound is distorted.
The antenna is not oriented
properly.
Re-orient the antenna until
reception improves.
CD PLAYER
CD stops immediately after
starting, or unit pauses or
stops during play.
The CD is inserted upside
down.
The CD is dusty or dirty or
there is condensation on the
CD.
Insert the CD with the
printed side right-side up.
Carefully clean and dry the
CD.
No sound. The CD player is paused. Press the PLAY/PAUSE
button.
Specific CD is noisy, or
playback stops or skips.
The CD is scratched,
damaged or warped.
The disc is very dirty.
The CD should be
changed.
Carefully clean the CD.
B
LUETOOTH
No sound.
The unit is not switch to
Bluetooth mode.
Your device’s and/or the unit’s
volume is not turned up.
Your device is too far from the
unit or there is some obstacle
between your device and the
unit.
Ensure the unit is switched
to BT mode.
Move your Bluetooth device
closer to unit.
Turn up the volume on your
portable device and/or the
unit.
Turn off your Bluetooth
device and unit, then power
them both back on.
Sound is garbled.
Your device’s and/or the unit’s
volume is not adjusted
properly.
Turn down the volume on
your device/phone and the
unit.
Unable to pair with a
Bluetooth device.
Your device doesn’t have
Bluetooth connectivity.
The Bluetooth pairing is not
successful.
Confirm that your device is
Bluetooth compatible.
Repair the unit and device
again.

51
USB
-PC
No sound.
Have not selected the USB
PnP Audio Device for the
recording device in the
devices.
Microphone slider it is not at
full volume
Go back to the preferences
as shown above and make
sure that you have selected
the USB PnP Audio Device
for the recording device in
the devices.
Close Audacity, turn off the
turntable, unplug the USB
Cable. Then plug in the
USB Cable, turn on the
turntable and reopen
Audacity.
Please click on the
microphone drop-down
arrow and select Start
Monitoring.
Adjust the microphone
slider.
Poor sound quality
The stylus no connected to
the tone arm
USB cable near any other
cable
Check your stylus to make
sure it is secured to the
tone arm.
Ensure the USB cable is
not touching or near any
other cables.
PHONO
Decline in turntable audio
performance.
The turntable stylus is worn
out. Replace the stylus.

52
FCC Statement
This device complies with Part 15 of the FCC Rules. Operation is subject to the following two conditions: (1) This
device may not cause harmful interference, and (2) this device must accept any interference received, including
interference that may cause undesired operation.
NOTE: This equipment has been tested and found to comply with the limits for a Class B digital device, pursuant to
Part 15 of the FCC Rules. These limits are designed to provide reasonable protection against harmful interference in a
residential installation. This equipment generates uses and can radiate radio frequency energy and, if not installed and
used in accordance with the instructions, may cause harmful interference to radio communications. However, there is
no guarantee that interference will not occur in a particular installation. If this equipment does cause harmful
interference to radio or television reception, which can be determined by turning the equipment off and on, the user is
encouraged to try to correct the interference by one of the following measures:
- Reorient or relocate the receiving antenna.
- Increase the separation between the equipment and receiver.
- Connect the equipment into an outlet on a circuit different from that
to which the receiver is connected.
- Consult the dealer or an experienced radio/TV technician for help.
WARNING: Any changes or modifications not expressly approved by the party responsible for compliance could void
the user's authority to operate this equipment.
The device must not be co-located or operating in conjunction with any other antenna or transmitter.
This device complies with FCC and IC radiation exposure limits set forth for an uncontrolled environment. The device
should be installed and operated with a minimum distance of 20cm between the radiator and your body.
INDUSTRY CANADA
This device complies with RSS247 of Industry Canada. Cet appareil se conforme RSS247 de Canada d'Industrie. T
his device complies with Industry Canada license-exempt RSS standard(s). Operation is subject to the following two
conditions: (1) this device may not cause interference, and (2) this device must accept any interference, including inte
rference that may cause undesired operation of the device. appareils radio exempts de licence. Son fonctionnement
est sujet aux deux conditions suivantes: (1) le dispositif ne doit pas produire de brouillage prejudiciable, et (2) ce disp
ositif doit accepter tout brouillage recu, y compris un brouillage susceptible de provoquer un fonctionnement indesira
ble.
Radiation Exposure Statement: The product comply with the Canada portable RF exposure limit set forth for an unco
ntrolled environment and are safe for intended operation as described in this manual.
The further RF exposure reduction can be achieved if the product can be kept as far as possible from the user body o
r set the device to lower output power if such function is available.
D clartion
d'exposition aux radiations : Le produit est conforme aux limites d'exposition pour les appareils portables RF pour
les Etats-Unis et le Canada tablies pour un environnement non contrôl .
Le produit est sûr pour un fonctionnement tel que d crit dans ce manuel. La r duction aux expositions RF peut
tre augment e si l'appareil peut tre conserv aussi loin que possible du corps de l'utilisateur ou que le dispositif est r
gl sur la puissance de sortie la plus faible si une telle fonction est disponible.