Leica Abbe Mark Ii Refractometer 13104800 Users Manual
13104800 to the manual b640e017-082a-49f3-96ef-c041e68c7b6b
2015-02-02
: Leica Leica-Leica-Abbe-Mark-Ii-Refractometer-13104800-Users-Manual-435667 leica-leica-abbe-mark-ii-refractometer-13104800-users-manual-435667 leica pdf
Open the PDF directly: View PDF
.
Page Count: 34

Leica Abbe Mark II
Refractometer
Models 13104800/13104810/
13104940/13104950
Instruction Manual
Gebrauchsanleitung
Manuel d’utilisation
Manual de instrucciones


1.0 INTRODUCTION.................................................................. 3
2.0 UNPACKING........................................................................ 3
3.0 POWER REQUIREMENTS.................................................. 3
4.0 SET UP.................................................................................. 3
4.1 Equipment Installation........................................................ 3
5.0 CONTROLS............................................................................ 3
5.1 Variable Conditions in Taking Readings.......................... 4
5.2 Calibrating With Distilled Water ...................................... 4
6.0 OPERATING INSTRUCTIONS .......................................... 4
7.0 LEICA ABBE MARK II PLUS REFRACTOMETER............ 5
7.1 Computer Interface............................................................ 5
7.2 Setting the Baud Rate ...................................................... 5
7.3 Printer Interface ................................................................ 5
7.4 Custom Programming........................................................ 5
8.0 REFRACTOMETER USE, TECHNIQUES AND
REFRACTION PRINCIPLES................................................ 6
8.1 High Index/High Dispersion Samples ............................ 6
9.0 CALIBRATION WITH TEST GLASS.................................. 6
10.0 ILLUMINATOR BULB REPLACEMENT ..............................7
10.1 Fuses .................................................................................... 8
11.0 CARE AND CLEANING ........................................................8
12.0 SERVICING ............................................................................8
13.0 SPECIFICATIONS..................................................................8
13.1 The following specifications refer only to the
LEICA ABBE MARK II PLUS Refractometer.................... 9
Explanattion of Warning Symbols
1.0 INTRODUCTION
NNOOTTEE::Please read these instructions carefully before attempting
to use the instrument.
This Instruction Manual is designed specifically for the LEICA
ABBE MARK II Refractometer and describes proper set up, use
and routine maintenance of the instrument. SSeeccttiioonnss 77..00 -- 77..44 aarree
aapppplliiccaabbllee oonnllyy ttoo tthhee LLEEIICCAA AABBBBEE MMAARRKK IIII PPlluuss RReeffrraaccttoommeetteerr..
The LEICA ABBE MARK II Refractometer is a durable bench-top
instrument. It provides efficient, reliable and repeatable readings
in three modes:
• % Solids (
O
Brix)
• % Solids (
O
Brix) temperature compensated or (BX-TC) and
• Refractive index (nD)
The LEICA ABBE MARK II Plus Refractometer can accommodate
a custom program on the % Solids (
O
Brix) scale. This can be ac-
complished with pre-programming or retrofitting at the factory.
2.0 UNPACKING
The LEICA ABBE MARK II Refractometer has been carefully pack-
aged for shipping. Before setting aside the packing materials,
check the box(es) to assure that all items ordered have been
received. Among the accessories in the refractometer box will be:
• a refractive index test glass (Catalog No. 10451)
• a 1/16" ( No. 4) Allen wrench (Catalog No. X30600)
• a bottle of 1- Bromonaphthaline for measuring solids
(Catalog No. 10452)
• a dust cover (Catalog No. 10450-140)
Check the instrument and model number against the original
order before discarding any packing materials. The original
packing materials may be saved for future storage or transporta-
tion of the refractometer.
3.0 POWER REQUIREMENTS
Models 13104800/13104940 115~ +/-10%, 50/60 Hz
Models 13104810/13104950 230~ +/-10%, 50/60 Hz
• Input power 25P max
• Indoor use only
• Altitude up to 2000m
• Temperature range 5
O
C to 40
O
C
• Pollution degree 2
• Installation category 2
• Max relative humidity 80% for temperatures up to 31
O
C
decreasing linearly to 50% relative humidity at 40
O
C.
4.0 SET UP
The LEICA ABBE MARK II Refractometer is easy to use.
Very little training is needed to set up and operate the instrument
to obtain temperature and refractive index measurements.
4.1 Equipment Installation
The LEICA ABBE MARK II Retractometer must be used on a hard,
stable and level surface such as a laboratory table or work
bench.
5.0 CONTROLS
THE LEICA ABBE MARK II Refractometer controls are identified
in Figure 1.
NNOOTTEE::The mode selector switch no longer functions as the
on/off switch. The ON/OFF switch is located on the lower left
front cover of the instrument above the Leica logo.
PPoowweerr SSwwiittcchh::
The Power Switch is located in the lower right corner of the front
panel (Figure 1). | = on 0 = off
English
Leica ABBE MARK II Refractometer
Instruction Manual
Contents
5X20 250mA T/250V (Type 10480/10494)
CAUTIONN: Risk of electric shock
CAUTIONN:(Refer to accompanying documents)
!
CAAUTION: As a safety precaution, the power cord
has been grounded to the instrument base. Never use a
2-prong adapter between the power cord and the power
source; it will render the grounding feature ineffective.
CAAUTION: Use of this equipment other than in the man-
ner specified in this manual may result in reduction of
safety protection.
!
3

TThhee mmooddee sseelleeccttoorr sswwiittcchh iiss uusseedd ttoo sseelleecctt mmeeaassuurreemmeenntt mmooddeess::
TThhee mmooddeess aarree::
• % Solids-TC - Temperature Compensated % Solids as Sucrose
(
O
Brix) per International Commission for Uniform Methods of
Sugar Analysis Refractive Index Tables.
•n
D- Refractive Index
• % Solids - Non-Temperature Compensated % Solids as Sucrose
The reticle adjustment access hole permits vertical adjustment
of the crosshair during calibration procedures.
Depress the read display button to obtain measurement values.
Depressing the temperature display button will provide
a reading of the prism temperature.
Readings are shown digitally in the display window.
5.1 Variable Conditions in Taking Readings
Distilled water readings above 20
O
C can be obtained in the
refractive index % Solids-TC mode, assuming the instrument is
properly calibrated. Correct readings cannot be obtained in the
non-temperature compensated % Solids mode when the water
sample temperature is above or below 20
O
C. Refractive index (nD)
readings for distilled water can be obtained from 0
O
C to 80
O
C (see
Chart 1 for values between 18-30
O
C).
Refractive index is inversely proportional to temperature. As
temperature increases, the solution density decreases and the
refractive index or % Solids reading will decrease. As tempera-
ture decreases the solution density will increase and the
refractive index (% Solids) will increase. The % Solids-TC mode
automatically corrects the reading for temperature based on
the temperature coefficient of sucrose in solution. This coeffi-
cient is typical of most aqueous solutions.
5.2 Calibrating With Distilled Water
To calibrate:
1. Place a distilled water sample on the measuring prism surface
and let it stand undisturbed for 3-5 minutes to obtain temperature
stability. Turn the mode selector switch to the refractive index
(nD) position.
2. Focus the eyepiece until the crosshair clearly appears.
3. Rotate the adjustment control clockwise until the shadow line
nearly meets the crosshair. Use the dispersion correction wheel
to obtain the sharpest possible color-free shadow line. Adjust the
shadow line to meet the crosshair. Press the Read button and
record the nDvalue, then press the temperature button and
record the temperature.
4. If the instrument is properly calibrated, the reading will be
1.3330 less 0.0001 for each degree above 20
O
C or plus 0.0001 for
each degree below 20
O
C.
If the instrument is not calibrated, determine the proper reading
(Chart 1) and rotate the adjustment control and depress the READ
display button until the display reads correctly. (The shadow line
will no longer intersect the crosshair on the reticle.)
5. Insert a 1/16" Allen wrench into the reticle adjustment
access hole (Figure 2) located in the dispersion correction wheel.
Turn the wrench to bring the crosshair into proper position on the
shadow line.
NNOOTTEE:: The final movement made with the adjustment
correction control wheel should always be in a clockwise direc-
tion. The shadow line will move upward.
6. Turn the mode selector to the BX-TC position. Press the READ
button. An LED reading of 000.0 or 0.1 is normal. If a negative sign
and a decimal point appear, no reading can be given.
Go on to the next step.
If a “No Reading” condition persists after repeated READ
attempts, rotate the adjustment control until the display reads
000.0 or 0.1. Only a very slight adjustment will be necessary.
Readjust the reticle crosshair to the shadow line.
The display should now read 000.0.
Repeat the steps until the display reads 000.0.
6.0 OPERATING INSTRUCTIONS
To begin operation:
1. Open the prism assembly cover (Figure 4) and remove the
protective lens tissue. Clean the measuring prism surface with
alcohol and then distilled water. Wipe with a clean soft cloth or
lens tissue, but do not wipe the measuring prism surface while
it is dry. Any residue left on the prism can affect the accuracy
of readings.
2. Turn the mode selector to the desired mode position.
3. Apply a sample solution to the measuring prism surface using a
glass dropper. Close the prism cover and position the illumination
arm so that the exposed face of the upper prism is fully illuminated.
4. Turn the dispersion correction wheel so that the crosshair
adjustment access hole is at the six o’clock position.
English
Dispersion Correction Wheel Adjustable Eyepiece
Reticle Adjustment
Access Hole
Display Window
Read Display Button
Temp. Display
Button
Power Switch Mode Selector
Prism Surface
Illuminator Arm
Adjustment
Control
Right Panel Cover
Reticle Adjustment
Access Hole
FFiigguurree 11FFiigguurree 22
4

5. Rotate the adjustment control counterclockwise to position the
shadow line at the bottom of the field of view.
6. Rotate the eyepiece to bring the crosshair into focus.
7. Move the shadow line to the crosshair reticle with the coarse
adjustment control.
8. Rotate the dispersion correction wheel to eliminate any red or
green color at the edge of the shadow line.
9. Turn the adjustment control to center the shadow line to the
crosshair. The shadow line must be perfectly centered to obtain
an accurate reading (Figure 3a).
10. Depress the READ button. The value of the test sample will be
digitally indicated in the display window. Depressing the TEMP
button will activate a temperature sensing device located in the
measuring prism. The display will digitally indicate the actual
temperature of the measuring prism and sample.
NNOOTTEE::If the LEICA ABBE MARK II Refractometer is to be used in
an environment where foreign materials may contaminate the
display buttons, use the splash guard accessory (Catalog No.
13104590). It will prevent instrument damage and possible instru-
ment failure.
7.0 LEICA ABBE MARK II PLUS
REFRACTOMETER
NNOOTTEE::Sections 7.0 through 7.4 are applicable only for the LEICA
ABBE MARK II Plus Refractometer - Model 13104940/13104950.
The LEICA ABBE MARK II Refractometer provides computer
interface, custom programming and printer interface capabilities.
The instrument becomes the LEICA ABBE MARK II Plus Refrac-
tometer (Model 13104940/13104950) with the addition of the
RS232 port. The LEICA ABBE MARK II Plus can be ordered as:
• an original purchase
• a factory upgrade or
• a retrofit to an existing LEICA ABBE MARK II Refractometer.
7.1 Computer Interface
Turn on the LEICA ABBE MARK II Plus Refractometer with the
switch located on the instrument’s front panel. When the refrac-
tometer is first turned on, the software version (
e.g.,
1.6) will
appear in the read display for a few seconds. The refractometer
is ready to use when this message disappears.
By interfacing the LEICA ABBE MARK II Plus to a computer,
sample reading results can be transferred to IBM-PC compati-
ble data-handling software programs with communications
capabilities (
e.g.,
Microsoft Works®, Framework II™ and
ProComm®)1. Software can be used to store, graph, analyze and
print data. Leica also offers LEICA ABBE MARK II Plus Refracto-
meter interface software (MARKPLUS) specifically designed for
use with the instrument.
The MARKPLUS software allows the instrument user to repro-
gram the % Solids scales from the default "Brix" (% Solids) scale
to a user defined scale.
7.2 Setting the baud rate
The baud rate of the LEICA ABBE MARK II Plus is set to 9600. To
change the baud rate remove the cap on the left side of the
instrument (Figure 3b). Turn the instrument on and using the
eraser end of a pencil press the post switch which is centered in
the hole. The display will show the current baud rate. To change
the rate press the read button on the front of the instrument panel
until the appropriate baud rate is displayed. Choose the baud rate
from the following options: 300, 1200, 2400, 4800, 9600. Once the
appropriate baud rate is displayed press the switch again. Turn
off the instrument and replace the cap. The new baud rate will be
permanently retained in the instrument memory.
7.3 Printer Interface
The LEICA ABBE MARK II Plus Refractometer can be interfaced
to a serial port printer for printed data results using the 9-pin
RS232 output. A parallel port printer may be used with a serial to
parallel converter.
7.4 Custom Programming
LEICA ABBE MARK II Plus Refractometer interface software
(MARKPLUS) may be configured for customized calibration
curves and temperature compensation. (The standard LEICA
ABBE MARK II Refractometer corrects to 20
O
C only.) However,
MARKPLUS must be configured for each specific application or
custom programming. Leica’s MARKPLUS is designed to accept
a Table of Refractive Index, Temperature and Concentration val-
ues and then generate custom scale data for instrument pro-
gramming. Data is entered from a text file. Contact your Leica
representative for more information.
English
FFiigguurree 33aaFFiigguurree 33bb
Baud Rate
Adjustment
RS232 Port
Left Panel Cover
5

8.0REFRACTOMETER USE, TECHNIQUES
AND REFRACTION PRINCIPLES
Refractive Index measurements taken on the LEICA ABBE MARK
II and LEICA ABBE MARK II Plus Refractometers are affected by
temperature. Different values can be obtained when the same
sample is measured at different temperatures. For example: as
the temperature of a sugar solution sample rises, its density and
refractive index decrease. This causes an apparent decrease in
concentration when using the non-temperature compensated %
Solids mode. The % Solids-TC (Temperature Compensated) mode
automatically corrects the reading to the correct value at 20
O
C.
For every 1
O
C change in temperature, an aqueous solution con-
taining sugar will change readings by approximately 0.08%. This
is the average value for samples of 0 to 85% at 15
O
C to 45
O
C. As
temperature rises the % Solids reading decreases. As tempera-
ture decreases, the % Solids reading increases.
The LEICA ABBE MARK II Refractometer temperature will rise
approximately 1
O
C every 10 minutes for 1 hour until it stabilizes.
An instrument that has been turned on for more than 1 hour in a
20
O
C room could read 26
O
C. The rise in temperature is principally
due to heat generated by the power transformer inside the
instrument housing.
The sample placed on the measuring prism surface of a LEICA
ABBE MARK II Refractometer that has been turned on for more
than an hour in a 20
O
C environment will assume the temperature
of the prism (
i.e.,
approximately 26
O
C). Although the sample is
now warmer and would indicate a lower concentration when
measured in the uncompensated Brix mode, the BX-TC mode
automatically compensates for the temperature difference and
displays the concentration of the solution as if its temperature
were 20
O
C. Without compensation for the 6
O
rise, the readout of a
70% solution would be 0.5% less (6
O
C x 0.08%) or 69.5%.
The measuring prism surface temperature can be lowered
by running cooling fluid through the water jackets in the prism
housing. However, the heat generated inside the instrument
housing still affects the prism temperature. For this reason it is
necessary to run fluid slightly below the desired temperature. A
thermometer placed in the fluid line may measure several
degrees below the actual displayed temperature of the measur-
ing prism surface displayed when the temperature button is
pressed. The opposite is true if the prism temperature has to be
elevated above the ambient temperature.
The fluid circulation system allows the prism to be adjusted
for temperatures up to 80
O
C. This may be necessary when using
samples that solidify at lower temperatures.
Measuring viscous samples, such as high Brix sugar syrups, may
be more difficult than measuring products with lower total dis-
solved solids.
Stir the sample on the measuring prism surface with a rubber
spatula or an angled piece of clear plastic tubing. Completely
cover the surface making sure all the air pockets between the
sample and the measuring prism surface are removed.
For removing carbonation from carbonated soft drink samples,
open and close the prism cover two or three times after loading.
Doing this provides the best possible reading line and the best way
to judge where the shadow line intersects the crosshair reticle.
NNOOTTEE:: Remember the accuracy of the instrument is only as good
as the clarity of the shadow line.
8.1 High Index/High Dispersion Samples
High refractive index samples with high dispersion properties may require
additional use of Catalog #13K30650 589nm bandpass filter accessory. This
accessory will insure that the shadowline will be sharp for these samples.
9.0 CALIBRATION WITH TEST GLASS
Refer to Chart 1, Refractive Index of Triple Distilled Water at
Various Temperatures to compare the refractive index reading
with the calibrated temperature reading.
To calibrate the LEICA ABBE MARK II Refractometer use:
• a refractive index test glass (Catalog No. 13104510)
• a bottle of 1- Bromonaphthaline (Catalog No. 13104520)
• a 1/16" (No. 4) Allen wrench (Catalog No. 13X30600)
• lens tissue
The refractive index test glass is imprinted with the refractive
index scale. The bottom and front surfaces of the glass are pol-
ished. It is important that these surfaces are very clean when
beginning calibration procedures.
TToo ccaalliibbrraattee::
1. Turn the “Mode” selector switch to the refractive index position.
2. Apply a single drop of 1-Bromonaphthaline to the surface of
the measuring prism surface.
3. Place the refractive index test glass on the measuring prism
surface with the imprinted side facing up. Position the polished
end of the test glass toward the illuminator - about 1/8" (2mm)
from the edge (Figure 4).
4. Align the illuminator so that the light is directed onto the pol-
ished face of the test glass. Cover the illuminator lens with lens
tissue to diffuse the light.
5. Adjust the illuminator arm, dispersion correction wheel, eye-
piece and adjustment control so that the shadowline is centered,
in focus, free of color. This is the same procedure used with a
English
Back Plate
Test Glass
Test Glass Position
1/8” [2mm] from edge) Base Plate
Measuring
Prism
Fastening
Screws
Illuminating Prism
CChhaarrtt 11:: RReeffrraaccttiivvee IInnddeexx ooff TTrriippllee
DDiissttiilllleedd WWaatteerr aatt VVaarriioouuss TTeemmppeerraattuurreess
TTeemmpp
OO
CCRReeffrraaccttiivvee IInnddeexx
18 1.3332
19 1.3331
20 1.3330
21 1.3329
22 1.3328
23 1.3327
24 1.3326
25 1.3325
26 1.3324
27 1.3323
28 1.3322
29 1.3321
30 1.3319
Source: Molar Refraction of Organic Compounds
FFiigguurree 44
6

liquid sample.
6. Depress the READ button and record the digital reading which
appears in the display window.
If the reading differs from the value printed on the test glass by
more than ±0.0001, repeat the measurement several times.
Clean the measuring prism and test glass surfaces with alcohol,
followed by water after each test.
If an error persists, make the following adjustment:
7. Turn the shadow line adjustment control slightly and depress
the READ button. Repeat this procedure until the display agrees
with the test glass value.
The shadowline will now be above or below the center of the
crosshair reticle.
8. Insert the Allen wrench through the reticle access hole in the dis-
persion correction wheel. Adjust the reticle until the shadow line
passes through the center of the crosshair (Figure 2 & Figure 3a).
The instrument is now calibrated.
10.0 ILLUMINATOR BULB REPLACEMENT
The illuminator bulb can be replaced by removing the condenser
sleeve (Figure 6). Always use the suggested replacement bulb
(Catalog No. 13104620, pkg. of 3) for maximum efficiency and
safety. After inserting a new bulb, the socket can be adjusted to
center the light on the measuring prism with the condenser
sleeve in place. If necessary, push down on the spring-loaded
condenser sleeve lock pin and slide back and forth until the pin
snaps into place.
DAANGER: The glass envelope of the bulb may be extremely
hot. Do not attempt to change the bulb before it is completely
cooled or without wearing protection.
WAARNING: Unplug the refractometer power cord before
attempting to replace the illuminator bulb.
English
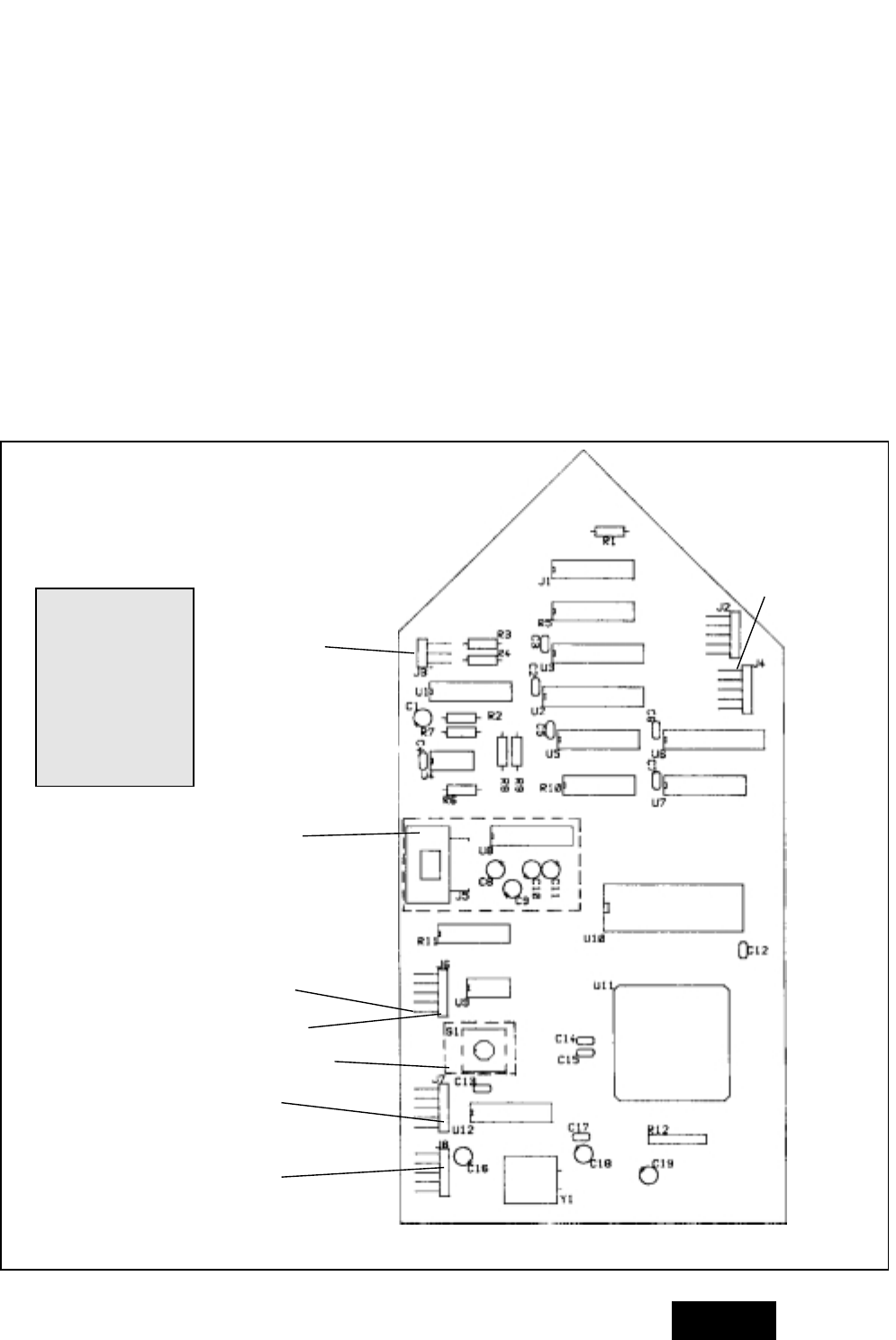
Main Control Board
(November 1992)
WWiirriinngg KKeeyy CCoolloorr CCooddee
W = White
B = Black
G = Green
O = Orange
R = Red
y = Yellow
11331100449944--992244
Not Used
Thermistor Plug
RS232 Plug
(active on 13104940, 13104950)
Not Used
Limit Switch
Baud Rate Switch
Power
Motor
FFiigguurree 55
!
7

10.1 Fuses
The LEICA ABBE MARK II Refractometer electrical circuitry is
protected by two (2) fuses. To replace the fuses turn the Adjust-
ment Control Knob (Figure 1) two turns clockwise. This raises the
elevator assembly to provide clear access to the fuses. Remove
the adjustment control knob with a 1/8” Allen wrench. Remove
the two Phillips head screws which hold the right panel cover to
the bottom of the instrument housing. Slide the panel cover down
as far as possible to facilitate its removal. With the right panel
cover removed the fuses will be visible on the bottom plate of the
instrument (Figure 5b). Replace the fuses and reassemble.
11.0 CARE AND CLEANING
The LEICA ABBE MARK II Refractometer is a precision optical in-
strument designed for years of trouble-free operation. The interi-
or design has been carefully constructed for protection from dust
or spills. The exterior is painted with a durable enamel. The stain-
less steel refractive prism assembly is sealed with corrosion-
resistant epoxy.
The use of strong solvents such as N, N-Dimethylformamide or N,
N-Dimethylacetamide, cresols, phenols and other tar acids or
strong acetic solutions should be avoided. Materials such as
Tetrahydrofuran or some lacquer thinners and their components
can deteriorate the prism seal over a long period of time or when
applied in elevated temperatures.
An accumulation of dust, solvents or sample, particularly on the
prism assembly, may eventually penetrate the refractometer and
affect accuracy or accelerate wear.
When the instrument is not in use, the measuring prism assembly
should be kept closed with a folded sheet of lens tissue between
the prisms. The prism surfaces should be cleaned with distilled
water, methanol or an appropriate solvent immediately after
each sample is used.
Warm distilled water is recommended for removing sugar
residues and methanol for oil-based samples. The prism may be
wiped with lens cleaning tissue, but it should not be wiped with
a hard, dry cloth. After wiping the sample from the prism, rinse
the prism again with distilled water.
NNOOTTEE::Do not wipe the measuring prism surface dry and do not
wipe it with anything if it is dry. Do not contact the prism or the
surrounding seal with metal or with sharp or pointed objects.
The glass parts of the prism assembly are relatively hard and
have excellent resistance to staining. Strong acids or bases
should not be measured with this instrument, nor used as clean-
ing agents.
To clean the eyepiece, snap out the rubber insert at the end of
the adjustable eyepiece tube. Clean the lens with a cotton swab
or lens tissue lightly dampened with acetone or methanol.
Replace the rubber insert.
12.0 SERVICING
The LEICA ABBE MARK II and LEICA ABBE MARK II Plus
Refractometers should be serviced or repaired by factory-
trained service and repair technicians. If operating difficulty is
experienced contact Leica’s Refractometer Customer Service
Department at 716-686-3000 or fax 716-686-3085. Outside the
United States contact your local Leica representative.
13.0 SPECIFICATIONS
LLEEIICCAA AABBBBEE MMAARRKK IIII RReeffrraaccttoommeetteerr MMooddeell 1133110044880000//1133110044881100
LLEEIICCAA AABBBBEE MMAARRKK IIII PPlluuss RReeffrraaccttoommeetteerr
MMooddeell 1133110044994400//1133110044995500
DDiissppllaayyDirect reading LED
MMooddeess ooff OOppeerraattiioonnRefractive index (nD),
%Solids (
O
Brix) and
temperature compensated
Brix - BX-TC
MMooddeessRRaannggee
nnD1.3200-1.7000
BBrriixx0-95
BBXX--TTCC aatt 2200
O
0-95
TTeemmppeerraattuurree
O
CC15º-50ºC
PPoowweerr RReeqquuiirreemmeennttss
Model 13104800 115V/60Hz
Model 13104810 230/50Hz
Model 13104940 115V/50-60Hz
Model 13104950 230V/50-60Hz
Illuminator Arm
Socket Adjustment
Screw
Illuminator Bulb
Revolving Condenser
Sleeve
FFiigguurree 55bbFFiigguurree 66
Warning: Unplug the Refractometer Power Cord before attempt-
ing to check or replace fuses.
CAAUTION: Replacement of fuses is not user serviceable. Fuses
must be replaced by qualified service personnel. The fuse shall
be replaced only with the same size, type and rating.
!
English
8

EElleeccttrriiccaall AApppprroovvaallssUL listed, CSA certified,
VDE listed, CE
Accuracy ±0.0001nD
±0.1% Solids (
O
Brix)- 0.0 -
95% ±0.1 on custom scale
TTeemmppeerraattuurree CCoommppeennssaattiioonnDefault mode corrects
%Solids scale readings
taken at 15
O
C to 50
O
C to a
datum temperature of
20
O
C; Mark II Plus
Custom Mode corrects to
user specified data
TTeemmppeerraattuurree MMeeaassuurreemmeennttThermistor mounted in
prism assembly
TTeemmppeerraattuurree CCoommppeennssaattiioonn±0.1
O
C
AAccccuurraaccyy
SSaammppllee TTyyppeessTransparent or
translucent liquids and solids
DDiimmeennssiioonnss6"W x 10.5"L x 14"H
(152mm x 262mm x 356mm)
WWeeiigghhtt(net) 16lbs (7.3kg)
SSaammppllee TTeemmppeerraattuurree Fittings on prism assembly
CCoonnttrroollfor connecting temperature
controlled water circulator
PPrriissmm AAsssseemmbbllyyStainless steel, glass sealed
with solvent-resistant epoxy
OOppttiiccaall CCoommppeennssaattiioonnDual amici prism compen-
sator for sharp shadow-lines
and 589nm (Sodium D line)
illumination
All models have passed RF Interference Testing, Class A
13.1 The following specifications refer only
to the LEICA ABBE MARK II Plus
Refractometer
DDiissppllaayyDirect digital readout of
refractive index or
concentration (% solids or
custom scale) and
temperature
DDeeffaauulltt MMooddeess
1. Refractive Index 1.3200 to 1.7000nD
2. % Solids (
O
Brix) 0.0 to 95.0%
3. % Solids (
O
Brix) temperature compensated 0.0 to 95.0%
Default % Solids (
O
Brix) scales (0.0-85.0%) based 1974
I.C.U.M.S.A. Tables (% Sugar vs. nDat 20
O
C)
CCuussttoomm MMooddeess
• 1. 0.0 to 999.9 readout of concentration. User inputs concentra-
tion vs. refractive index data
• 2. 0.0 to 999.9 Temperature Compensated readout of concen-
tration
vs. refractive index vs. temperature data Custom Mode data are
input using Leica software program (IBM PC compatible)
IInntteerrffaacceeRS232 Serial
CCoommmmuunniiccaattiioonnUser selectable Baud rate,
300, 1200, 2400, 4800,
9600 bps - 8 data bits, one
stop bit, no parity, Baud
rate factory set at 9600.
ASCII output with tab
separators
CCoonnnneeccttiioonnDB9 Female
PPiinn AAssssiiggnnmmeennttss2 output, 3 input, 5
ground English 9

LEICA ABBE MARK II Refraktometer
Gebrauchsanleitung
Inhaltsverzeichnis
1.0 Einleitung ............................................................................ 10
2.0 Auspacken des GerätES.................................................... 10
3.0 NetZspannung...................................................................... 10
4.0 AuFSTELLen des GerätES.................................................. 10
4.1 Ausrüstung Installation...................................................... 10
5.0 Bedienungselemente.......................................................... 10
5.1 Messungsvariabeln ............................................................ 11
5.2 Kalibrieren des Instruments mit Destilliertem Wasser 11
6.0 Bedienungsanleitung ........................................................ 11
7.0 LEICA ABBE MARK II Plus Refraktometer.................... 12
7.1 Computer-Interface .......................................................... 12
7.2 Einstellung der Übertragungsgeschwindigkeit............ 12
7.3 Druckerschnittstelle .......................................................... 12
7.4 Benutzerspezifisches Programmieren .......................... 12
8.0 Der Einsatz des Refraktometers. .................................... 13
Techniken und Grundsätze der Refraktion
8.1 Hoher Brechungsidex/Hohes Dispersion Muster........ 13
9.0 Kalibrieren mit Testglas .................................................... 13
10.0 Auswechseln der Lampe....................................................15
10.1 Auswechseln der Sicherung .......................................... 15
11.0 Pflege und Reinigung ..........................................................15
12.0 Wartung..................................................................................16
13.0 Technische Daten................................................................16
13.1 Die nachfolgenden Angaben beziehen sich auss-
chließlich auf das LEICA ABBE MARK II Plus Refraktometer 16
Erläuterung für Warnungs Symbole
1.0 EINLEITUNG
AACCHHTTUUNNGG!!Vor Inbetriebnahme des Geräts, lesen Sie diese
Anleitung bitte sorgfältig durch.
Diese Gebrauchsanleitung wurde eigens für das LEICA ABBE
MARK II Refraktometer geschrieben und beschreibt die richtige
Aufstellung, Benutzung und routinemäßige Wartung des Geräts.
Abschnitte 7.0 bis 7.4 beziehen sich ausschließlich auf das LEICA
ABBE MARK II Plus Refraktometer.
Das LEICA ABBE MARK II Refraktometer ist ein robustes
Tischgerät. Es liefert zuverlässig wiederholbare Meßergebnisse
in drei Modi:
• % Feststoffe (ºBrix)
• % Feststoffe (ºBrix ) Temperaturausgeglichen oder (BX-TC) und
• Brechungsindex (nD)
Das LEICA ABBE MARK II Plus Refraktometer kann durch ein
anwendungsspezifisches Programm für die % Feststoffe (ºBrix)-
Skala erweitert werden. Dies kann durch Vorprogrammierung
oder Nachrüstung in der Fabrik geschehen.
2.0 AUSPACKUNG DES GERÄTES
Für den Transport wurde das LEICA ABBE MARK II
Refraktometer sehr sorgfältig verpackt. Bevor Sie das
Verpackungsmaterial wegwerfen, kontrollieren Sie den Karton
bzw. die Kartons, um sicherzustellen, daß alle bestellten Teile
vorhanden sind. Zu dem Zubehör im Refraktometer-Karton
gehören:
• ein Brechzahl-Testglas (Kat.-Nr. 10451)
• ein 1/16" (Nr. 4) Sechskantstift-Schlüssel (Kat.-Nr. X30600)
• eine Flasche 1- Bromonaphthalin für Feststoffmessungen
(Kat.-Nr. 10452)
• ein Staubschutz (Kat.-Nr. 10450-140)
Vergleichen Sie das Gerät und die Typ-Nr. mit der Bestellung,
bevor Sie irgendwelche Verpackungsmaterialien wegwerfen.
Das Verpackungsmaterial kann auch zwecks künftiger Lagerung
bzw. Transport des Geräts aufgehoben werden.
3.0 NETZSPANNUNG
Netzspannung und Typ 13104800/13104940 120V ~ ±10% - 60Hz
Bereich Frequenz Typ 13104810/13104950 240V ~ ±10% - 50Hz
Stromaufnahme 25P Max
Bereich der Umweltbedingungen
• Höhe nicht über 2000m
• nicht für den Einsatz im Freien
• Temperaturen von 5ºC bis 40ºC
• maximale relative Feuchte - 80% bei Temperaturen bis zu 31º,
linear absteigend bis 50% relative Feuchte bei 40ºC
• Installationskategorie II (Kategorie Überspannung)
• Verschmutzungsgrad 2
4.0 AUFSTELLEN DES GERÄTES
Das LEICA ABBE MARK II Refraktometer is sehr benutzerfre-
undlich. Fast keine Einarbeitung ist notwendig, um das Gerät
aufzustellen und zu bedienen; somit sind Temperatur- und
Brechzahlmessungen sehr leicht zu erhalten.
4.1 Ausrüstung Installation
Das LEICA ABBE MARK II Refraktometer muß an einer harten
und ebenen Fläche z.B eine Werkbank oder Tisch aufgestellt
werden.
5.0 BEDIENUNGSELEMENTE
Die Bedienungselemente des LEICA ABBE MARK II
Refraktometers sind in Abb. 1 dargestellt.
Der an der Vorderseite des Geräts angebrachte Wahlschalter für
den Betriebsmodus dient nicht mehr als Ein- und Ausschalter.
EEiinn//AAuusssscchhaalltteerr::
Der Ein/Ausschalter ist an der rechten, unteren Ecke der
Vorderseite des Gerätes (Abb. 1). |=Ein 0=Aus
Deutsch
5X20 100mA T/250V (Typ 1310481/1310495)
VVOORRSSIICCHHTT::Risiko von elektrischem Schock
VVOORRSSIICCHHTT::Bitte verweisen sie zu begleitenden
Dokumente
!
VVOORRSSIICCHHTT:: Als Sicherheitsmaßnahme ist der Fuß
des Mikroskops über ein dreipoliges Netzkabel mit
einem Schutzleiter versehen. Verwenden Sie nie
einen zweipoligen Adapter zwischen dem
Neztkabel und der Steckdose; dies würde zum
Verlust des Schutzeffektes führen.
!
10

DDeerr WWaahhllsscchhaalltteerr wwiirrdd bbeennuuttzztt uumm ddeenn BBeettrriibbssmmoodduuss
eeiinnzzuusstteelllleenn::
DDiiee MMooddii ssiinndd::
• % Feststoffe-TC - TC Temperatur ausgeglichen % Feststoffe
als Rohzucker (ºBrix) nach der Internationalen Kommission für
gleiche Verfahren der Zucker Prüfung, Brechindex Tabellen.
• nD - Brechindex
• % Feststoff - Nicht Temperatur ausgeglichen % Feststoffe als
Rohzucker.
5.1 Messungsvariabeln
Bei Temperaturen über 20° C kann destilliertes Wasser im
Brechungsindex % Feststoffe-TC-Modus gemessen werden,
vorausgesetzt, das Instrument wurde richtig kalibriert. Genaue
Meßwerte sind im % Feststoffe-Modus ohne
Temperaturausgleich nicht möglich, wenn die Wasserprobe von
20° C abweicht. Bei destilliertem Wasser kann eine
Brechzahlmessung (nD) von 0° C bis 80° C vorgenommen werden
(siehe Tabelle 1 auf Seite 10 für Werte zwischen 18-30° C).
Der Brechungsindex steht im umgekehrten Verhältnis zur
Temperatur. Bei steigenden Temperaturen sinkt die
Lösungsdichte und damit auch der Brechungsindex oder %
Feststoffe-Meßwert. Bei sinkender Temperatur steigen dagegen
die Lösungsdichte und der Brechungsindex (% Feststoffe). Der
% Feststoffe-TC- Modus gleicht den Meßwert auf Grund des
Temperatur-Koeffizients für Zuckerlösungen aus. Dieser
Koeffizient gilt für die meisten wasserhaltigen Lösungen.
5.2 Kalibrieren des Instruments mit destilliertem Wasser
Um das Refraktometer zu kalibrieren:
1. Geben Sie etwas destilliertes Wasser als Probe auf die
Oberfläche des Meßprismas und warten Sie 3 - 5 Minuten ab, um
eine stabile Temperatur zu erreichen. Wählen Sie mit dem
Wahlschalter den Brechzahlmodus (nD).
2. Schärfen Sie das Okular solange ein, bis das Fadenkreuz deut-
lich erscheint.
3. Drehen Sie das Einstellrad im Uhrzeigersinn so lange, bis die
Schattenlinie das Fadenkreuz fast berührt. Rotieren Sie das Dis-
persions-Korrekturrad bis eine möglichst scharfe und farbenfreie
Schattenlinie erreicht ist. Dann stellen Sie die Schattenlinie so
ein, daß sie mit dem Fadenkreuz in Berührung kommt. Drücken
Sie zuerst die Meßtaste und verzeichnen Sie den nDWert, dann
die Temperaturtaste drücken und den Temperatur Wert verze-
ichnen.
4. Wenn das Gerät richtig kalibriert wurde, beträgt der Meßwert
1,3330 minus 0,0001 pro Grad über 20ºC bzw. plus 0,0001 pro Grad
unter 20ºC.
Wenn das Gerät nicht kalibriert wurde, ermitteln Sie nach
Tabelle 1 den richtigen Meßwert. Rotieren Sie das Einstellrad
und drücken Sie die Meßtaste solange, bis die Anzeige stimmt.
(Die Schattenlinie entfernt sich dabei vom Fadenkreuz auf der
Meßplatte.)
5. Führen Sie einen 1/16" Sechskant-Stiftschlüssel in das
Fadenkreuz-Einstell-Loch im Dispersions-Korrekturrad (Abb. 2).
Drehen Sie den Schlüssel, bis das Fadenkreuz an der
Schattenlinie liegt.
AACCHHTTUUNNGG!! Die letzte Drehung des Einstellrads soll immer im
Uhrzeigersinnn erfolgen. Die Schattenlinie bewegt sich dabei
nach oben.
6. Drehen Sie den Modus-Umschalter auf die Stellung BX-TC.
Drücken Sie die Meß-Taste. Ein angezeigter Wert von 0000.0
oder 0.1 ist normal. Beim Erscheinen eines Minuszeichens und
eines Dezimalpunkts ist keine Meßwertanzeige möglich.
Gehen Sie zum nächsten Schritt über.
Wenn die Fehleranzeige auch nach wiederholten Meßversuchen
andauert, drehen Sie das Einstellrad solange, bis 000.0 oder 0.1
erscheint. Dazu bedarf es nur einer geringfügigen Verstellung.
Bringen Sie das Fadenkreuz erneut auf die Schattenlinie.
Das Anzeigefeld soll jetzt 000.0 zeigen.
Wiederholen Sie diese Schritte solange, bis die Anzeige 000.0
beträgt.
6.0 BEDIENUNGSANLEITUNG
Inbetriebnahme des Gerätes:
1. Öffnen Sie den Prismadeckel (Abb. 4) und entfernen Sie das
Linsen-Schutztuch. Reinigen Sie das Meßprisma mit Alkohol und
dann mit destilliertem Wasser. Wischen Sie es dann mit einem
weichen fuselfreien Tuch oder einem Linsenreinigungstuch ab,
aber ohne dabei die Oberfläche des Prismas ganz trocken zu
wischen, da eventuell auf dem Meßprisma verbleibende
Reststoffe die Meß-Leistung beeinträchtigen können.
2. Wählen Sie den erwünschten Modus mit dem Modus-
Umschalter.
3. Geben Sie eine Flüssigkeitsprobe auf die Oberfläche des
Meßprismas. Benutzen Sie dazu eine Glaspipette. Schließen Sie
den Prismadeckel und richten Sie den Beleuchter-Schwenkarm
so aus, daß die freie Fläche des oberen Prismas voll beleuchtet
ist.
4. Drehen Sie das Dispersions-Korrekturrad bis das
Fadenkreuzeinstellloch direkt nach unten zeigt.
Dispersions-Korrekturrad Verstellbares Okular
Fadenkreuz-Einstell-
Loch
Meßwert-und
Temperaturanzeige
Temperatur-Taste
Temperatur-Taste
Taste Wahlschalter
Prisma-Oberfläche
Beleuchter-
Schwenkarm
Einstrellrad
Rechte Außeuseite
AAbbbb.. 11
Fadenkreuz-Einstell Loc
AAbbbb.. 22
Deutsch 11

5. Drehen Sie das Einstellrad gegen den Uhrzeigersinn, bis die
Schattenlinie ganz unten im Blickfeld liegt.
6. Schärfen Sie durch Drehen des Okulars auf das Fadenkreuz
ein.
7. Bringen Sie die Schattenlinie durch Drehen des
Grobeinstellrads an die Fadenkreuzplatte.
8 Drehen Sie das Dispersions-Korrekturrad, bis jeglicher rote
oder grüne Farbstich am Rand der Schattenlinie verschwindet.
9. Zentrieren Sie die Schattenlinie am Fadenkreuz durch Drehen
das Einstellrades. Um einen genauen Meßwert zu erhalten, muß
die Schattenlinie genau am Fadenkreuz zentriert sein (Abb. 3a).
10. Drücken Sie die Meßtaste. Der Meßwert für die
Testflüssigkeit erscheint digital im Anzeigefeld. Durch
Betätigung der Temperaturtaste wird ein Temperatursensor im
Meßprisma aktiviert. Die tatsächliche Temperatur des
Meßprismas und der Probe wird digital angezeigt.
AACCHHTTUUNNGG!! Wird der LEICA ABBE MARK II Refraktometer in einer
Umgebung benutzt, in der Fremdkörper die Anzeigetasten verun-
reinigen könnten, ist der als Zubehör erhältliche Spritzschutz
(Kat.-Nr. 10459) zu benützen. Dieser schützt das Gerät vor
Beschädigung und eventuellem Geräteausfall.
7.0 LEICA ABBE MARK II PLUS
REFRAKTOMETER
AACCHHTTUUNNGG!! Abschnitte 7.0 bis 7.4 beziehen sich ausschließlich
auf das LEICA ABBE MARK II Plus Refraktometer - Typ
13104940/13104950.
Das LEICA ABBE MARK II Refraktometer kann mit Computer-
Interface, anwenderspezifischischer Software und einer
Druckerschnittstelle erweitert werden.
Wenn das Gerät durch ein RS232 Anschluß erweitert wird, wird
es zum LEICA ABBE MARK II Plus Refraktometer (Typ
13104940/13104950). Das LEICA ABBE MARK II Plus ist erhältlich
als:
• Neukauf
• werksseitige Aufrüstung
• Nachrüstung eines bestehenden LEICA ABBE MARK II
Refraktometers.
7.1 Computer-Interface
Schalten Sie das LEICA ABBE MARK II Plus Refraktometer mit
dem Wahlschalter an der Vorderseite des Geräts ein. Bei der
Ersteinschaltung wird die Software-Version (z.B. 1.0) einige
Sekunden im Anzeigefeld sichtbar. Das Refraktometer ist
gebrauchsfertig, wenn diese Meldung verschwindet.
Durch die Verbindung des LEICA ABBE MARK II Plus mit einem
Computer über ein Flachbandkabel, können Meßergebnisse an
IBM-kompatibel EDV-Programme mit
Datenübertragungsfähigkeiten (z.B. Microsoft Works®, Frame-
work II™ und ProComm®) 1 weitergegeben werden. Software
kann zur Speicherung, grafischen Darstellung, Auswertung und
Ausdruck der Daten eingesetzt werden. Von Leica ist ein
Software-Programm erhältlich - die LEICA ABBE MARK II Plus
Refraktometer Interface Software (MARKPLUS) - die speziell für
dieses Gerät entwickelt wurde.
Mit der MARKPLUS-Software kann der Benutzer die %
Feststoffe-Skalen von der voreingestellten “Brix” (% Feststoffe)
Skala auf eine anwenderspezifische Skala umprogrammieren.
7.2 Einstellung der Übertragungsgeschwindigkeit
Der LEICA ABBE MARK II Plus Refraktometer wird mit einer
eingestellten Übertragungsgeschwindigkeit von 9600 Baud
geliefert. Um die Übertragungsgeschwindigkeit zu ändern, ent-
fernen Sie die Kappe an der linken seite des Gerätes (Zusatz Blatt
3b). In der Öffnung befindet sich der Druckschalter. Das Gerät
einschalten, und auf den Druckschalter drücken, mit dem
Radiergummiende eines Bleistifts. Drücken Sie die Meßtaste
vorne am Gerät so lange, bis Ihre Wahl erscheint (z.B. 300, 1200,
2400, 4800, oder 9600). Wenn die erwünschte Baudrate erscheint,
drücken Sie den Schalter noch einmal.
Schalten Sie dann das Gerät aus, und die Kappe wieder ein-
stellen. Die neue Übertragungsgeschwindigkeit wird in dem
Gerätespeicher behalten.
7.3 Druckerschnittstelle
Der LEICA ABBE MARK II Plus Refraktometer kann auch an eine
serielle Druckerschnittstelle angeschlossen werden, um einen
Ausdruck der Daten zu erhalten. Dazu dient der 9-polige RS232
Ausgang an der Seite des Instruments. Ein Drucker mit
Parallelschnittstelle kann über ein Seriell-Parallel-Über-
gangsstück angeschlossen werden.
7.4 Benutzerspezifisches Programmieren
Die Software für den LEICA ABBE MARK II Plus Refraktometer
(MARKPLUS) kann für kundenspezifische Kalibrationskurven und
Temperaturausgleich struktiert werden. (Serienmäßig berichtigt
der LEICA ABBE MARK II Plus Refraktometer die Temperatur nur
bis 20°C.) Die MARKPLUS-Software muß jedoch den jeweiligen
kundenspezifischen Anwendung angepaßt werden. Der Zweck
des Leica MARKPLUS-Softwareprogramms liegt darin, eine
Tabelle der Brechzahl-, Temperatur- und Konzentrationswerte
AAbbbb.. 33aaAAbbbb.. 33bb
Baud Rate
Einstellung
RS232 Port
Linke Seitenwand
Deutsch
12

als Eingabe zu akzeptieren, um daraus Daten für eine anwen-
dungsspezifische Skala zwecks Instrument-Programmierung zu
generieren. Die Daten werden aus einer Text-Datei importiert.
Weitere Einzelheiten erhalten Sie von Ihrem Leica-
Vertragshändler.
8.0 DER EINSATZ DES REFRAKTOMETERS.
TECHNIKEN UND GRUNDSÄTZE DER
REFRAKTION
Die mit dem LEICA ABBE MARK II und dem LEICA ABBE MARK II
Plus Refraktometern erzielten Brechzahl-Meßergebnisse sind
temperaturabhängig. Dies kann zu unterschiedlichen
Meßergebnissen führen, wenn dieselbe Probe bei verschiede-
nen Temperaturen gemessen wird. Z. B., wenn die Temperatur
einer Zuckerlösung steigt, sinken die Lösungsdichte und damit
auch der Brechungsindex. Dies führt zu einem scheinbar gerin-
geren Konzentrationsmeßwert beim % Feststoffe-Modus ohne
Temperaturausgleich. Beim % Feststoffe-TC-Verfahren (mit
Temperaturausgleich) wird der Meßwert automatisch in einen
Wert korrigiert, der einer Messung bei 20°C entspricht.
Bei jedem Temperaturwechsel von 1°C ändert sich der Wert für
eine Wasser-Zuckerlösung um ca. 0,08 %. Dieser
Durchschnittswert gilt für Proben von 0 bis 85% bei 15°C bis 45°C.
Bei steigender Temperatur sinkt der % Feststoffe-Meßwert. Bei
sinkender Temperatur steigt der % Feststoffe-Meßwert.
Bis die Temperatur des LEICA ABBE MARK II Refraktometers
stabilisiert, steigt sie eine Stunde lang um ca. 1ºC pro 10 Minuten.
Ein Gerät, das in einem Arbeitsraum mit einer
Umgebungstemperatur von 20ºC vor über einer Stunde
eingeschaltet wurde, könnte eine Temperatur von 26ºC
annehmen. Dieser Temperaturanstieg ist hauptsächlich auf die
Wärme des im Gerätegehäuse eingebauten Netztrafos zurück-
zuführen.
Die auf die Meßprismafläche eines schon über einer Stunde
eingeschalteten LEICA ABBE MARK II Refraktometers gelegte
Probe nimmt die Temperatur des Prismas (d.h. ca. 26ºC) an.
Obwohl die Probe jetzt wärmer ist und im nichtkompensierten
Brix-Modus eine niedrigere Konzentration anzeigen würde, gle-
icht der BX-TC Modus den Temperaturunterschied automatisch
aus und zeigt die Lösungskonzentration so an, als wäre ihre
Temperatur 20ºC. Ohne Temperaturausgleich würde der
Temperaturanstieg von 6ºC zu einem 0.5% (6ºC x 0,08%) gerin-
geren Meßwert einer 70% Lösung führen, welche einer
Abweichung von 69,5% entspricht.
Die Temperatur der Prisma-Oberfläche kann herabgesetzt wer-
den, indem man ein Kühlmittel durch die Wassermäntel im
Prismagehäuse fließen läßt. Dabei wird die Temperatur des
Prismas trotzdem weiterhin von der im Gerätegehäuse erzeugten
Wärme beeinflußt. Aus diesem Grund muß die Kühlflüssigkeit
etwas unter der erwünschten Temperatur liegen. Ein in das
fließende Kühlmittel eingetauchtes Thermometer könnte einen
Wert anzeigen, der einige Grad unter der bei Betätigung der
Temperaturtaste eigentlich angezeigten Meßprisma-
Oberflächentemperatur liegt. Das Gegenteil gilt, wenn die
Prismatemperatur über die Umgebungstemperatur gebracht
werden muß.
Das Flüssigkeits-Kreislaufsystem ermöglicht die Einstellung des
Prismas für Temperaturen bis 80ºC. Dies könnte bei solchen
Proben notwendig sein, die bei niedrigeren Temperaturen erstar-
ren.
Das Messen von zähflüssigen Proben, wie Zuckersirup mit
hohem Brix-Wert, kann schwieriger sein als das Messen von
Produkten mit einer niedrigeren Menge von völlig aufgelösten
Feststoffen.
Rühren Sie die Probe auf dem Meßprisma mit einem
Gummispachtel oder einem abgewinkelten Kunststoffröhrchen
um. Sorgen Sie für eine vollständige Abdeckung der Prisma-
Oberfläche und stellen Sie sicher, daß keine Luftblasen zwischen
der Probe und dem Meßprisma verbleiben.
Um die Kohlensäure aus kohlensäurehaltigen Getränken zu ent-
fernen, wird der Prismadeckel nach der Probeaufnahme zwei-
oder dreimal auf- und zugeklappt. Dieses Verfahren gibt die best-
mögliche Grenzlinie und die deutlichste Abbildung der
Schattenlinie an der Fadenkreuzplatte.
WWIICCHHTTIIGG:: Beachten Sie, daß die Leistung des Geräts abhängig
ist von der Abbildungschärfe der Schattenlinie.
8.1 Hoher Brechungsidex/Hohes Dispersion Muster
Muster mit hohen Brechungsindex und hoher Dispersion benöti-
gen als Zubehör Kat.-Nr. K3065 589mm Dispersions filter. Dieses
Zubehör versichert eine scharfe Schattenlinie für das Muster.
9.0 KALIBRIEREN MIT TESTGLAS
Vergleichen Sie anhand von Tabelle 1 Brechzahl von dreifach
destilliertem Wasser bei verschiedenen Temperaturen (S. 7), den
Brechzahl-Meßwert mit dem kalibrierten Temperatur-Meßwert.
Um das LEICA ABBE MARK II Refraktometer zu kalibrieren,
benutzen Sie:
• ein Brechzahl-Testglas (Kat.-Nr. 10451)
• eine Flasche 1- Bromonaphthalin (Kat.-Nr. 10452)
• einen 1/16" (Nr. 4) Sechskantstift-Schlüssel (Kat.-Nr. X30600)
• ein Linsen-Reinigungstuch
Rückplatte
Testglas
Testglas-Position
(1/8" [2mm] von der
Kante) Grundplatte
Meßprisma
Fixierschrauben
Beleuchtungsprisma
FFiigguurree 44
TTaabbeellllee 11:: BBrreecchhzzaahhll vvoonn ddrreeiiffaacchh ddeessttiill--
lliieerrtteemm WWaasssseerr bbeeii vveerrsscchhiieeddeenneenn
TTeemmppeerraattuurreenn
TTeemmpp ººCCBBrreecchhzzaahhll
18 1,3332
19 1,3331
20 1,3330
21 1,3329
22 1,3328
23 1,3327
24 1,3326
25 1,3325
26 1,3324
27 1,3323
28 1,3322
29 1,3321
30 1,3319
Quelle: Molare Refraktion von organischen
Verbindungen
Deutsch 13

Die Brechungsindex-Skala ist aufgedruckt auf dem Brechzahl-
Testglas. Die Vorder- und Unterflächen des Glases sind
feingeschliffen. Diese Oberflächen müssen vor dem Kalibrieren
schmutzfrei sein.
KKaalliibbrriieerrvvoorrggaanngg::
1. Wahlschalter auf Brechzahl-Stellung schalten.
2. Einen Tropfen 1-Bromonaphthalin auf die Oberfläche des
Meßprismas geben.
3. Das Brechzahl-Testglas auf das Meßprisma mit der aufdruck-
ten Seite nach oben legen. Die geschliffene Kante soll auf den
Beleuchter zeigen und ca. 2 mm vom Rand sein (Abb. 4).
4. Stellen Sie den Beleuchter so ein, daß das Licht direkt auf die
geschliffene Glasfläche fällt. Decken Sie die Beleuchter-Linse
mit dem Linsentuch zu, um das Licht zu dämpfen.
5. Stellen Sie Beleuchter-Schwenkarm, Dispersions-
Korrekturrad, Okular und Einstellrad so ein, daß die Schattenlinie
zentriert, scharf und farbenfrei erscheint. Verfahren Sie dazu
genau wie bei einer Flüssigkeitssprobe.
6. Drücken Sie die Meßtaste und registrieren Sie den im
Anzeigefeld dargestellten Meßwert.
Sollte der Wert von dem auf dem Testglas aufgedruckten
Meßwert um mehr als ±0,0001 abweichen, den Vorgang
mehrmals wiederholen. Nach jedem Testvorgang die
Oberflächen des Meßprismas und des Testglases mit Äthyl-
Alkohol und danach mit Wasser reinigen.
Sollte der Meßfehler weiterhin bestehen, folgendermaßen
vorgehen:
7. Das Schattenlinien-Einstellrad minimal drehen und dann die
Meßtaste drücken. Den Vorgang solange wiederholen, bis die
Anzeige mit dem aufgedruckten Wert auf dem Testglas überein-
stimmt.
Die Schattenlinie befindet sich jetzt oberhalb oder unterhalb der
Mitte des Fadenkreuzes.
8. Führen Sie den Sechskantstift-Schlüssel durch das Loch im
Dispersions-Korrekturrad und zentrieren Sie die Schattenlinie an
der Mitte des Fadenkreuzes durch Verstellen der
Fadenkreuzplatte (Abb. 2 & Abb. 3a.).
Das Gerät ist jetzt kalibriert.
11331100449944--992244
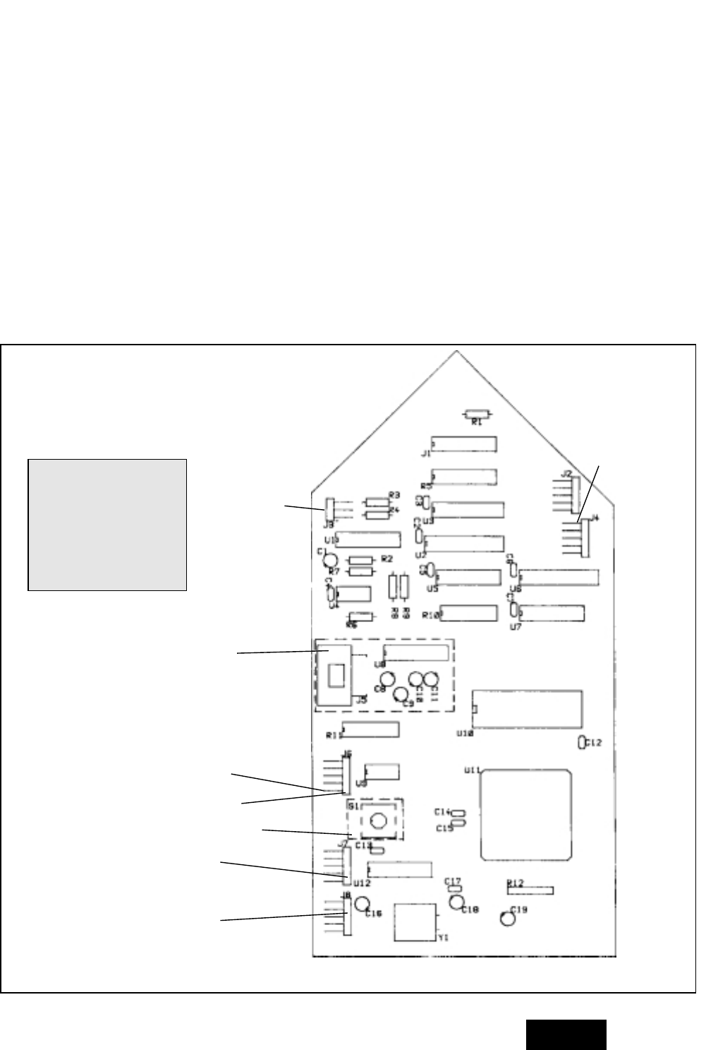
HHaauuppttppllaattiinnee
((NNoovveemmbbeerr 11999922))
DDrraahhttffaarrbbeenn
W = weiß
B = schwarz
G = grün
O = orange
R = rot
Y = gelb
ohne Funktion
Thermistor-Stecker
RS232-Stecker
(aktiv bei 13104940,
13104950)
ohne Funktion
Endschalter
Baudrate-Schalter
Netz
Motor
FFiigguurree 55
Deutsch
14

10.0 AUSWECHSELN DER BELEUCHTER-
LAMPE
Beleuchter-Lampe durch Entfernen der Kondensor-Fassung
auswechseln (Abb. 6). Um maximale Sicherheit und beste
Leistung zu gewährleisten, verwenden Sie immer nur die emp-
fohlene Ersatzlampe (Katalog-Nr. 10462, 3-er Packung). Nach
Auswechseln der Lampe kann die Lampenfassung bei wieder
aufgesetzter Kondensorfassung besser positioniert werden, um
das Licht zum Meßprisma hin zu zentrieren. Falls notwendig,
drücken Sie auf den Federhalterungsstift und schieben Sie
diesen solange hin und her, bis der Stift einrastet.
10.1 Sicherungen
Der LEICA ABBE MARK II Refraktometers elektische Kreislauf ist
gesichert mit zwei (2) Sicherungen. Um die Sicherungen zu erset-
zen, drehen Sie das Einstellrad im Uhrzeigersinn. Das bringt das
Hebewerk nach oben und gibt freien Zugang zu den
Sicherungen. Entfernen Sie das Einstellrad mit einen 1/8 Zoll
Sechskantschlüssel. Entfernen Sie die zwei Kreuzschlitz
Schrauben mit welchen der rechtseitige Deckel am
Gerätgehäuse befestigt ist. Gleiten Sie den Deckel nach unten so
weit wie möglich um ihn zu entfernen, die Sicherungen werden
sichtbar auf der unteren Geräteplatte (Abb. 5b). Erstezen Sie die
Sicherungen und montieren Sie die Teile in umgekehrter Reihe.
11.0 WARTUNG UND PFLEGE
Das LEICA ABBE MARK II Refraktometer ist ein optisches
Präzisionsinstrument und ist gebaut für den langjährigen
störungsfreien Einsatz. Die besondere Konstruktion schützt das
Innenleben des Geräts vor Staub und Eindringen von Flüssigkeit.
Das Gehäuse ist mit einer äußerst widerstandsfähigen Email-
Schicht lackiert. Die Brechprisma-Einheit aus Edelstahl ist mit
einem korrosionsfesten Epoxyharz abgedichtet.
Starke Lösungsmittel wie N, N-Dimethylformamid oder N, N-
Dimethylazetamid, Kresol, Phenol oder sonstige starke Teer-
oder Azetsäuren sind zu vermeiden. Tetrahydrofuran und einige
Verdünner sowie ihre Bestandteile können über einen langen
Zeitraum hinweg oder durch Anwendung bei höheren
Temperaturen zu einer Verschlechterung der Prisma-Abdichtung
führen.
Ablagerungen von Staub, Lösemitteln oder Proberesten, vor
allem auf der Prisma-Einheit, können u. U. in das Refraktometer
eindringen und somit die Leistung beeinträchtigen oder zu
erhöhtem Verschleiß führen.
Bei Nichtgebrauch soll die Meßprisma-Einheit geschlossen
bleiben und ein gefaltetes Linsentuch zwischen die Prismen
gelegt werden. Die Prisma-Oberflächen sollen sofort nach jedem
Gebrauch mit destilliertem Wasser, Methanol oder einem
geeigneten Lösemittel gereinigt werden.
Es wird empfohlen, warmes destilliertes Wasser für das
Entfernen von Zuckerresten, bzw. Methanol bei Proben auf Ölba-
sis zu benutzen. Das Prismas kann mit einem
Linsenreinigungstuch saubergewischt werden, aber nicht mit
einem harten, trockenen Tuch. Wenn das Prisma frei von
Proberesten ist, nochmals mit destilliertem Wasser abspülen.
AACCHHTTUUNNGG::Die Meßprisma-Oberfläche nicht trockenwischen
und nicht im trockenen Zustand putzen! Das Prisma und dessen
umliegende Abdichtung darf nicht mit Metallteilen oder scharfen
bzw. spitzen Gegenständen in Berührung kommen.
Die Glasteile der Prisma-Einheit sind verhältnismäßig hart und
äußerst fleckenunempfindlich. Starke Säuren oder Basen jedoch
sollen weder mit diesem Instrument gemessen noch als
Reinigungsmittel benutzt werden.
Um das Okular zu reinigen, entfernen Sie den Gummi-Einsatz am
Ende des verstellbaren Okulartubus. Reinigen Sie die Linse mit
einem mit Azeton oder Methanol angefeuchteten Wattestäbchen
oder Linsenreinigungstuch. Gummi-Einsatz wieder aufsetzen.
VVOORRSSIICCHHTT! Das Glas der Lampe könnte sehr heiß sein.
Erst nach vollständiger Abkühlung der Lampe; bzw:
unter Anwendung von Schutzhandschuhen die Lampe
auswechseln!
AACCHHTTUUNNGG! Vor Auswechslung der Lampe Netzstecker
ziehen!
!
AACCHHTTUUNNGG! Auswechseln der Sicherung – Dieser Teil ist
nicht vom Benutzer auszuwechseln. Die Wartung ist nur
durch einen fachkundigen Wartungstechniker
vorzunehmen. Die Sicherung darf nur mit einer Sicherung
desselben Typs und Nennwerts ersetzt werden.
AACCHHTTUUNNGG! Vor dem Sicherungswechsel, bitte den
Stecker Ziehen.
!
Beleuchter
Schwenkarm
Lampenfassung-
Einstellschraube
Beleuchtungslampe
Drehbare
Kondensorfassung
AAbbbb.. 55bbAAbbbb.. 66
Deutsch 15

12.0 WARTUNG
Wartung und Reparatur des LEICA ABBE MARK II bzw. LEICA
ABBE MARK II Plus Refraktometers sollen nur durch im Werk
ausgebildete Wartungs- und Reparaturtechniker vorgenommen
werden. Bei Funktionsstörungen setzen Sie sich bitte in
Verbindung mit dem Leica Kundendienst unter der Rufnummer
716-686-3000 oder Fax 716-686-3085. Außerhalb der Vereinigten
Staaten setzen Sie sich mit Ihrem jeweiligen Leica
Vertragshändler in Verbindung.
13.0 TECHNISCHE DATEN
LLEEIICCAA AABBBBEE MMAARRKK IIII RReeffrraakkttoommeetteerr
TTyypp 1133110044880000//1133110044881100//1133110044994400//1133110044995500
AAnnzzeeiiggeeaarrttTischrefraktometer mit
direkt ablesbarer
Digitalanzeige
BBeettrriieebbssmmooddiiBrechungsindex (nD),
% Feststoffe (ºBrix)
und % Feststoffe
(ºBrix) oder mit
Temperaturausgleich
(BX-TC)
MMoodduussBBeerreeiicchh
nnDD1,32000 - 1,7000
BBrriixx0 - 95
BBXX--TTCC bbeeii 2200ººCC0 - 95
TTeemmppeerraattuurr ººCC15º - 50ºC
NNeettzzssppaannnnuunngg
Typ 13104800 115V/50-60 Hz
Typ 13104810 230V/50-60 Hz
Typ 13104940 115V/50-60 Hz
Typ 13104950 230V/50-60 Hz
GGeennaauuiiggkkeeiitt ((RRMMSS--WWeerrttee))nD± 0,0001 R1
% Feststoffe ºBrix)
± 0,1% BX-TC
± 0,2ºC (stabilisiert)
eelleekkttrr.. ZZuullaassssuunnggeennUL zugelassen, CSA geprüft,
CE geprüft. Sämtliche
Modelle sind geprüft und
entsprechen den HF-
Störungsvorschriften Klasse
A.
TTeemmppeerraattuurraauussgglleeiicchhIm Standardmodus
werden die Meßwerte
der % Feststoffe- (ºBrix)-
Skala bei 15º bis
50ºC auf eine
Bezugstemperatur von
20ºC berichtigt; im
benutzerspezifischen
Modus erfolgt die
Temperaturberichtigung
nach den Vorgaben des
Benutzers.
TTeemmppeerraattuurrmmeessssuunnggEinbau-Thermistor in der
Prisma-Einheit
GGeennaauuiiggkkeeiitt ddeess
TTeemmppeerraattuurraauussgglleeiicchhss± 0,1ºC
PPrroobbeennttyyppeenndurchsichtige oder
lichtdurchlässige
Flüssigkeiten und Festkörper
AAbbmmeessssuunnggeenn152 mm (B) x 262 mm
(L) x 356 mm
(H) (6" x 10,5" x 14")
NNeettttooggeewwiicchhtt7,3 kg (16 lbs.)
PPrroobbeenntteemmppeerraattuurr--Prisma-Einheit ist mit
Aufnahmestutzen für
kontrolle ein Kühlwasser-
Systems ausgestattet
PPrriissmmaa--EEiinnhheeiittEdelstahl und Glas, mit
Lösemittelfestem
Epoxy-Harz versiegelt
OOppttiisscchhee KKoorrrreekkttuurrzweifacher Amici-
Prismenkompensator
für scharfe Schattenlinien
und 589nm (Natrium D-Line)
Beleuchtung
13.1 Die nachfolgenden Angaben beziehen sich
ausschließlich auf das LEICA ABBE MARK II Plus
Refraktometer
AAnnzzeeiiggeedirekt ablesbare
Digitalanzeige des
Brechungsindex oder
der Konzentration
(% Feststoffe oder
kundenspezifische
Skala) sowie der
Temperatur
SSttaannddaarrddmmoodduuss BBeerreeiicchh
Brechungsindex 1,3210 bis 1,700 nD
% Feststoffe (ºBrix) 0,0 bis 95,0%
% Feststoffe (ºBrix) mit Temperaturausgleich 0,0 bis 95,0%
Standardskalen für % Feststoffe (ºBrix) (0,0 - 95,0%) basieren auf
1974 er ICUMSA-Tabellen (% Zucker vs. nDbei 20ºC).
bbeennuuttzzeerrssppeezziiffiisscchhee MMooddii
• Konzentrations-Anzeige von 0,0 bis 999,9
Benutzereingaben-Konzentration vs. Brechzahldaten
• temperaturberichtigte Konzentrations-Anzeige von 0,0 bis 999.9
Konzentration vs. Brechzahl vs. Temperaturdaten
Benutzerspezifische Daten werden über das Leica Interface-
Softwareprogramm MARKPLUS (IBM PC-kompatibel) erfaßt.
SScchhnniittttsstteelllleeRS232 serielle Schnittstelle
DDaatteennüübbeerrttrraagguunnggbenutzerdefinierbare
Baudraten: 300, 1200,
2400, 4800, 9600 Bps, 8
Datenbits, ein Stopp-Bit,
keine Parität, werksmäßig
voreingestellte Baudrate
9600. ASCII-Ausgabe mit
Tabs
AAnnsscchhlluußßDB9-Buchse
PPiinn--BBeelleegguunngg2 Senden, 3 Empfangen, 5
Masse
Deutsch
16

17
Francais
Réfractomètre LEICA ABBE MARK II
Manuel d'utilisation
Table des matières
EExplication des symbboles d'avertissements
1. INTRODUCTION
RREEMMAARRQQUUEE::Lire ces instructions avec soin avant d'utiliser l'in-
strument.
Ce manuel d'utilisation est conçu spécifiquement pour le réfrac-
tomètre LEICA ABBE MARK II et décrit la configuration, l'utilisation
et l'entretien de l'instrument. Les sections de 7.0 à 7.4 se rapportent
uniquement au réfractomètre LEICA ABBE MARK II Plus.
Le réfractomètre LEICA ABBE MARK II est un instrument résis-
tant, à utiliser sur un comptoir. Il fournit des relevés, efficaces,
fiables et répétables en trois modes :
• % solides (° Brix)
• % solides (° Brix) à température compensée ou (BX-TC) et
• Indice de réfraction (nD)
Le réfractomètre LEICA ABBE MARK II peut accommoder un pro-
gramme personnalisé sur l'échelle de % de solides (° Brix), ce
qui peut être accompli par pré-programmation ou par montage
en usine.
2.0 DÉBALLAGE
Le réfractomètre LEICA ABBE MARK II a été soigneusement
emballé pour l'expédition. Avant de jeter le matériel d'emballage,
vérifier si tous les articles sont présents. Liste des accessoires
dans la boîte du réfractomètre :
• verre pour essai d'indice de réfraction (n° de réf. 10451)
• clé hexagonale de 1/16 po (n° de réf. X30600)
• bouteille de 1-bromonaphtaline pour mesurer les solides (n° de
réf. 10452)
• protège poussière (n° de réf. 10450-140)
Vérifier si l'instrument et le numéro du modèle correspondent au
bordereau de commande avant de jeter les matériaux d'embal-
lage. Les matériaux d'emballage d'origine peuvent servir à
ranger ou à transporter le réfractomètre.
3.0 PUISSANCE NÉCESSAIRE
Modèle 13104800/13104940 115~ +/-10 %, 50/60 Hz
Modèle 13104810/13104950 230~ +/-10 %, 50/60 Hz
• Puissance d'entrée 25 P max
• Utilisation à l'intérieur uniquement
• Altitude jusqu'à 2 000 m
• Plage de température de 5 °C à 40 °C
• Degré de pollution 2
• Catégorie d'installation 2
• Humidité relative max 80 % pour des températures allant jusqu'à
31 °C diminuant linéairement jusqu'à une humidité relative de 50
% à 40°C.
4.0 CONFIGURATION
Le réfractomètre LEICA ABBE MARK II est facile à utiliser et ne
demande que peut d'entraînement pour le configurer et l'utiliser
afin d'obtenir les mesures de température et d'indice de réfraction.
4.1 Installation de l'instrument
Le réfractomètre LEICA ABBE MARK II doit être installé sur une
surface solide, stable et horizontale, telle qu'une table ou un
comptoir de laboratoire.
5 x20 250 mA T/250 V (Type 13104800/13104940)
MMIISSEE EENN GGAARRDDEE ::Risque d'électrocution
MMIISSEE EENN GGAARRDDEE ::(Voir les documents accompagnant
l'instrument)
!
1.0 INTRODUCTION . . . . . . . . . . . . . . . . . . . . . . . . . . . . . . . . 17
2.0 DÉBALLAGE . . . . . . . . . . . . . . . . . . . . . . . . . . . . . . . . . . . 17
3.0 PUISSANCE NÉCESSAIRE . . . . . . . . . . . . . . . . . . . . . . . 17
4.0 CONFIGURATION . . . . . . . . . . . . . . . . . . . . . . . . . . . . . . 17
4.1 Installation de l'instrument . . . . . . . . . . . . . . . . . . . . . . . 17
5.0 COMMANDES . . . . . . . . . . . . . . . . . . . . . . . . . . . . . . . . . 18
5.1 Conditions variables de prises de relevés . . . . . . . . . . 18
5.2 Calibrage avec de l'eau distillée . . . . . . . . . . . . . . . . . . 18
6.0 MODE D'EMPLOI . . . . . . . . . . . . . . . . . . . . . . . . . . . . . . . 19
7.0 RÉFRACTOMÈTRE LEICA ABBE MARK II PLUS . . . . . . 19
7.1 Interface pour ordinateur . . . . . . . . . . . . . . . . . . . . . . . . 20
7.2 Établissement de la vitesse de transmission . . . . . . . . 20
7.3 Interface pour imprimante . . . . . . . . . . . . . . . . . . . . . . . 20
8.0 UTILISATION DU RÉFRACTOMÈTRE, TECHNQIUES ET . . .
PRINCIPES DE RÉFRACTION . . . . . . . . . . . . . . . . . . . . . 20
8.1 Échantillons d'indice élevé et à haute dispersion . . . . 22
9.0 CALIBRAGE AVEC UN VERRE POUR ESSAI . . . . . . . . . . 22
10.0 REMPLACEMENT DE LA LAMPE DE L'ILLUMINATEUR .23
10.1 Fusibles . . . . . . . . . . . . . . . . . . . . . . . . . . . . . . . . . . . . . . . 23
11.0 ENTRETIEN ET NETTOYAGE . . . . . . . . . . . . . . . . . . . . . . 23
12. 0 RÉPARATIONS . . . . . . . . . . . . . . . . . . . . . . . . . . . . . . . . . 23
13.0 SPÉCIFICATIONS . . . . . . . . . . . . . . . . . . . . . . . . . . . . . . . 23
13.1 Les spécifications suivantes se rapportent uniquement au
réfractomètre LEICA ABBE MARK II PLUS . . . . . . . . . . . . . . 24
MISE EN GAARDE: Par mesure de sécurité, le cordon d'al-
imentation a été mis à la terre à la base de l'instrument.
Ne jamais utiliser d'adaptateur à 2 broches entre le cor-
don d'alimentation et la source d'alimentation parce que
la protection de mise à la terre sera inefficace.
MISE EN GAARDE: L'utilisation de cet instrument d'une
manière différente de celle indiquée dans ce manuel
peut réduire la protection de sécurité.
!

5.0 COMMANDES
Les commandes du réfractomètre LEICA ABBE MARK II sont
indiquées sur la figure 1.
RREEMMAARRQQUUEE :: Le sélecteur de mode ne fonctionne plus pour
allumer et éteindre l'instrument. L'interrupteur MARCHE/ARRÊT
se trouve sur le couvercle avant de l'instrument, au-dessus du
logotype Leica.
IInntteerrrruupptteeuurr ::
L'interrupteur se trouve au coin inférieur droit du panneau avant
(figure 1) | = marche 0 = arrêt
LLee sséélleecctteeuurr ddee mmooddee sseerrtt àà sséélleeccttiioonnnneerr lleess mmooddeess ddee mmeessuurree
qquuii ssoonntt ::
• % solides-TC - % de solides à température compensée comme
le sucrose (° Brix) selon la Commission internationale pour les
méthodes uniformes des tableaux d'indice de réfraction pour
l'analyse du sucre.
•n
D- indice de réfraction
• % solides - % de solides sans compensation de température
comme le sucrose
L'orifice d'accès d'ajustement du réticule permet de régler verti-
calement le viseur pendant les procédures de calibrage.
Appuyer sur le bouton d'affichage READ (relevé) pour obtenir les
valeurs des mesures.
Appuyer sur le bouton d'affichage TEMP (température) pour
obtenir le relevé de la température du prisme.
Les relevés sont indiqués numériquement sur la fenêtre d'af-
fichage.
5.1 Conditions variables de prises de relevés
Les relevés de l'eau distillée au dessus de 20 °C peuvent être
obtenus en mode % de solides avec température compensée, si
l'instrument est calibré correctement. Des relevés corrects ne
peuvent pas être obtenus en mode % de solides sans tempéra-
ture compensée si la température de l'échantillon d'eau est
supérieure ou inférieure à 20 °C. Les relevés de l'indice de
réfraction (nD) pour l'eau distillée peuvent être obtenus de 0 °C à
80 °C (voir le tableau 1, page 10 pour les valeurs entre 18 et 30°C).
L'indice de réfraction est inversement proportionnel à la tem-
pérature. Lorsque la température s'élève, la densité de la solu-
tion diminue et l'indice de réfraction ou le relevé du % de solides
diminue. Lorsque la température s'abaisse, la densité de la solu-
tion augmente et l'indice de réfraction (% de solides) augmente.
Le mode % solides-TC corrige automatiquement le relevé pour la
température basée sur le coefficient de température du sucrose
en solution, Ce coefficient est typique de la plupart des solutions
aqueuses.
5.2 Calibrage avec de l'eau distillée
Pour calibrer :
1. Déposer un échantillon d'eau distillée sur la surface du prisme
de mesure et le laisser reposer pendant 3 à 5 minutes pour que
sa température se stabilise. Tourner le sélecteur de mode à la
position de l'indice de réfraction (nD).
2. Ajuster l'oculaire pour faire apparaître clairement le viseur.
3. Tourner la commande de réglage dans le sens des aiguilles
d'une montre jusqu'à ce que la ligne d'ombre rencontre presque
le viseur. Utiliser la roulette de correction de dispersion pour
obtenir la ligne d'ombre la plus nette possible sans qu'elle ait de
couleur. Ajuster la ligne d'ombre pour qu'elle rencontre le viseur.
Appuyer sur le bouton de relevé et noter la valeur de nD, puis
appuyer sur le bouton de température et noter la température.
4. Si l'instrument est calibré correctement, le relevé sera de
1,3330 moins 0,0001 pour chaque degré au-dessus de 20°C ou
plus 0,0001 pour chaque degré au-dessous de 20°C.
Si l'instrument n'est pas calibré, déterminer le relevé correct
(tableau 1), tourner le commande de réglage et appuyer sur le bou-
ton d'affichage de relevé jusqu'à ce que l'affichage soit correct. (la
ligne d'ombre n'intersectera plus le viseur sur le réticule.)
5. Introduire une clé hexagonale de 1/16 po dans l'orifice d'accès
d'ajustement du réticule (Figure 2) situé dans la roulette de cor-
rection de dispersion. Tourner la clé pour amener le viseur à la
position correcte sur la ligne d'ombre.
RREEMMAARRQQUUEE::Le mouvement final fait avec la roulette de com-
Francais
Roulette de correction de
dispersion Oculaire ajustable
Orifice d'accès d'a-
justement du réticule
Fenêtre d'affichage
Bouton d'affichage
de relevé
Bouton d'affichage
de temp.
Interrupteur Sélecteur de mode
Surface du prisme
Bras de l'illuminateur
Commande de
réglage
Couvre panneau droit
Orifice d'accès d'ajustement
du réticule
FFiigguurree 11FFiigguurree 22
18

Francais 19
mande de correction de réglage doit toujours se faire dans le
sens des aiguilles d'une montre. La ligne d'ombre se déplacera
vers le haut.
6. Tourner le sélecteur de mode à la position BX-TC. Appuyer sur
le bouton de relevé. Un relevé de 000,0 ou 0,1 est normal. Si un
signe négatif et un point décimal apparaissent, aucun relevé de
ne peut être donné.
Passer à l'étape suivante
Si la condition « No reading » (aucun relevé) continue après
plusieurs essais de prise de relevé, faire tourner la commande de
réglage jusqu'à ce que l'affichage indique 000,0 ou 0,1. Il suffira
de faire un très léger réglage. Réajuster le viseur jusqu'à la ligne
d'ombre.
L'affichage doit indiquer maintenant 000,0.
Répéter les étapes jusqu'à ce que l'affichage indique 000,0.
6.0 MODE D'EMPLOI
1. Ouvrir le couvercle de l'assemblage du prisme (Figure 4) et
retirer le tissu de protection de la lentille. Nettoyer la surface du
prisme de mesure avec de l'alcool, puis avec de l'eau distillée.
Essuyer avec un chiffon doux propre ou un tissu pour lentille,
mais ne pas essuyer la surface du prisme de mesure si elle est
déjà sèche. Tout résidu laissé sur le prisme peut affecter la pré-
cision des relevés.
2. Tourner le sélecteur de mode à la position de mode désiré.
3. À l'aide d'un compte-goutte en verre, déposer un peu de solu-
tion de l'échantillon sur la surface du prisme de mesure. Fermer
le couvercle du prisme et positionner le bras d'éclairage de
manière à éclairer complètement la face exposée du prisme
supérieur.
4. Tourner la roue de correction de dispersion pour que l'orifice
d'accès au réglage du viseur soit à la position de 6 heures.
5. Tourner la commande de réglage dans le sens inverse des
aiguilles d'une montre pour positionner la ligne d'ombre au bas
du champ de vision.
6. Tourner l'oculaire pour faire apparaître clairement le viseur.
7. Amener la ligne d'ombre jusqu'au viseur avec la commande de
réglage grossier.
8. Tourner la roulette de correction de dispersion pour éliminer la
couleur rouge ou verte au bord de la ligne d'ombre.
9. Tourner la commande de réglage pour centrer la ligne d'ombre
sur le viseur. La ligne d'ombre doit être parfaitement centrée
pour obtenir un relevé précis (Figure 4).
10. Appuyer sur le bouton READ. La valeur de l'échantillon d'es-
sai doit être indiquée numériquement dans la fenêtre d'affichage.
Appuyer sur le bouton TEMP pour activer le détecteur de tem-
pérature se trouvant dans le prisme de mesure. L'affichage indi-
quera numériquement la température réelle du prisme de mesure
et de l'échantillon.
RREEMMAARRQQUUEE::Si le réfractomètre LEICA ABBE MARK II est utilisé
dans un endroit où des matières étrangères peuvent venir en
contact avec les boutons d'affichage, utiliser l'accessoire contre
les éclaboussures (n° de réf. 13104590) pour ne pas endommager
l'instrument et ne pas le mettre hors service.
7.0 RÉFRACTOMÈTRE LEICA ABBE MARK II
PLUS
RREEMMAARRQQUUEE::Les sections 7.0 à 7.4 se rapportent uniquement au
réfractomètre LEICA ABBE MARK II Plus - Modèle
13104940/13104950.
Le réfractomètre LEICA ABBE MARK II fournit une interface avec
l'ordinateur, une programmation personnalisée et une interface
avec l'imprimante.
L'instrument devient le réfractomètre LEICA ABBE MARK II Plus
(modèle 13104940/13104950) avec l'addition du port RS232. Le
LEICA ABBE MARK II Plus peut être commandé comme :
• nouvel achat
• mise à niveau d'usine ou
• montage sur un réfractomètre LEICA ABBE MARK II existant
FFiigguurree 33aaFFiigguurree 33bb
Réglage de la
vitesse de
transmission
Port RS232
Panneau gauche

7.1 Interface pour ordinateur
Mettre le réfractomètre LEICA ABBE MARK II Plus sous tension
avec l'interrupteur situé sur le panneau avant de l'instrument.
Lorsque le réfractomètre est mis sous tension pour la première
fois, la version du logiciel (ex. 1.6) apparaît sur l'affichage pen-
dant quelques secondes. Le réfractomètre est prêt à l'emploi
lorsque ce message disparaît.
En connectant le LEICA ABBE MARK II Plus à un ordinateur, les
résultats du relevé de l'échantillon peuvent être transférés à des
programmes de logiciel de traitement des données sur un ordina-
teur compatible IBM avec des capacités de communications (ex.
Microsoft WorkÒ, Framework IIÔ et ProCommÒ). Le logiciel peut
être utilisé pour stocker, mettre sous forme de graphique, analyser
ou imprimer les données. Le Leica offre également un logiciel d'in-
terface pour le réfractomètre LEICA ABBE MARK II Plus (MARK-
PLUS) spécialement conçu pour être utilisé avec l'instrument.
Le logiciel MARKPLUS permet à l'utilisateur de l'instrument de
reprogrammer les échelles de % de solides à partir de l'échelle
par défaut Brix (% de solides) selon une échelle définie par lui.
7.2 Établissement de la vitesse de transmission
La vitesse de transmission du LEICA ABBE MARK II Plus est
réglée à 9 600 bauds. Pour changer la vitesse, retirer le capuchon
du côté gauche de l'instrument (figure 3b). Mettre l'instrument
sous tension et appuyer, avec l'extrémité gomme d'un crayon,
sur commutateur en saillie centré dans l'orifice. L'affichage indi-
quera la vitesse de transmission actuelle. Pour changer la
vitesse, appuyer sur le bouton de relevé à l'avant du panneau de
l'instrument jusqu'à ce que la vitesse de transmission appropriée
soit affichée. Sélectionner la vitesse de transmission parmi les
vitesses suivantes : 300, 1200, 2400, 4800, 9600. Lorsque la vitesse
de transmission appropriée est affichée, appuyer de nouveau sur
le commutateur. Mettre l'instrument hors tension et remettre le
capuchon en place. La nouvelle vitesse de transmission sera
retenue de manière permanente dans la mémoire de l'instrument.
7.3 Interface pour imprimante
Le réfractomètre LEICA ABBE MARK II Plus peut être connecté
avec le port série d'une imprimante pour imprimer les résultats
en utilisant une sortie RS232 à 9 broches. Une imprimante à port
parallèle peut être utilisée avec un convertisseur de port série à
port parallèle.
7.4 Programmation personnalisée
Le logiciel d'interface du réfractomètre LEICA ABBE MARK II
Plus (MARKPLUS) peut être configuré pour obtenir des courbes
de calibrage personnalisées avec compensation de température.
(Le réfractomètre LEICA ABBE MARK II standard corrige jusqu'à
20°C uniquement.) Mais MARKPLUS doit être configuré pour
chaque application spécifique ou programmation personnalisée.
MARKPLUS de Leica est conçu pour accepter un tableau
d'indice de réfraction, des valeurs de température et de concen-
tration, puis de produire des données en utilisant une échelle
personnalisée pour programmer l'instrument. Les données sont
entrées à partir d'un fichier texte. S'adresser au représentant
Leica pour de plus amples renseignements.
8.0 UTILISATION DU RÉFRACTOMÈTRE,
TECHNIQUES ET PRINCIPES DE
RÉFRACTION
Les mesures de l'indice de réfraction prises sur les réfrac-
tomètres LEICA ABBE MARK II et LEICA ABBE MARK II Plus sont
affectées par la température. Des valeurs différentes sont peu-
vent être obtenues si le même échantillon est mesuré à des tem-
pératures différentes. À mesure que la température d'une solu-
tion s'élève, sa densité et son indice de réfraction diminuent.
Ceci cause une diminution apparente de concentration si l'on
utilise le mode de % de solides sans température compensée. Le
mode % solides-TC (tem-pérature compensée) corrige automa-
tiquement le relevé pour correspondre à la valeur correcte de 20°C.
Pour chaque changement de 1 °C de température, les relevés
d'une solution aqueuse contenant du sucre sont modifiés d'env-
iron 0,08 %. Ceci est la valeur moyenne pour les échantillons de
0 à 85 % à une température allant de 15 °C à 45 °C. Lorsque la
température s'élève, le relevé de % de solides diminue. Lorsque
Plaque arrière
Verre pour essai
Position de verre
pour essai
(2 mm depuis le
bord) Plaque de base
Prisme de
mesure
Vis de
retenue
Prisme s'illuminant
TTaabblleeaauu 11 :: IINNDDIICCEE DDEE RRÉÉFFRRAACCTTIIOONN dd''eeaauu
ddiissttiillllééee ttrrooiiss ffooiiss àà ddeess tteemmppéérraattuurreess ddiiff--
fféérreenntteess
TTeemmpp
OO
CCIInnddiiccee ddee rrééffrraaccttiioonn
18 1.3332
19 1.3331
20 1.3330
21 1.3329
22 1.3328
23 1.3327
24 1.3326
25 1.3325
26 1.3324
27 1.3323
28 1.3322
29 1.3321
30 1.3319
Source :Réfraction molaire de composés organiques
FFiigguurree 44
Francais
20

Francais 21
la température s'abaisse, le relevé de % de solides augmente.
La température du réfractomètre LEICA ABBE MARK II augmente
d'environ 1 °C toutes les 10 minutes pendant 1 heure, jusqu'à ce
qu'elle se stabilise. Un instrument mis sous tension pendant plus
de 1 heure dans une pièce à 20°C peut indiquer 26°C. L'élévation
de la température est due principalement à la chaleur produite
par le transformateur de puissance à l'intérieur du logement de
l'instrument.
L'échantillon placé sur la surface de mesure du prisme d'un
réfractomètre LEICA ABBE MARK II mis sous tension pendant
plus d'une heure dans une pièce à 20°C attribuera une certaine
température au prisme (ex., environ 26°C). Bien que l'échantillon
soit maintenant plus chaud et doive indiquer une concentration
plus faible s'il est mesure en mode Brix sans compensation de
température, le mode BX-TC compense automatiquement la dif-
férence de température et affiche la concentration de la solution
comme si la température était de 20°C. Sans compensation pour
l'augmentation de 6°C, le relevé d'une solution à 70 % serait de
0,5 % moins (6°C x 0,08 %), soit 69,5 %.
La température de la surface du prisme de mesure peut être
abaissée en faisant passer un liquide de refroi-dissement par les
chemises d'eau dans le logement du prisme. Cependant, la
chaleur produite à l'intérieur du logement de l'instrument affecte
tout de même la température du prisme. Pour cette raison, il est
donc nécessaire de faire passer un liquide légèrement au-
dessous de la température désirée. Un thermomètre placé dans
la conduite de liquide peut indiquer plusieurs degrés au-dessous
de la température, affichée actuellement, de la surface du prisme
de mesure affichée lors que l'on appuie sur le bouton de tem-
pérature. L'opposé est vrai si la température du prisme doit être
élevée au-dessus de la température ambiante.
Le système de circulation de liquide permet d'ajuster le prisme
pour des températures allant jusqu'à 80°C. Ceci peut être néces-
saire si l'on utilise des échantillons se solidifiant à des tempéra-
tures plus basses.
La mesure d'échantillons visqueux, tels des sirops avec un degré
Brix élevé, peut être plus difficile à réaliser que la mesure de pro-
duits ayant moins de solides dissous.
Carte de commande principale
(Novembre 1992)
CCooddee ccoouulleeuurr ddeess
ccââbblleess
W = Blanc
B = Noir
G = Vert
O = Orange
R = Rouge
y = Jaune
11331100449944--992244
Sans fonction
Prise du thermistor
Prise RS232 (active sur 13104940,
13104950)
Sans fonction
Contacteur de fin de course
Commutateur de vitesse de transmission
Puissance
Moteur
FFiigguurree 55

Remuer l'échantillon sur la surface de mesure du prisme avec
une spatule en caoutchouc ou un tube biseauté en plastique
transparent. Couvrir complètement la surface en s'assurant
d'avoir élimé toutes les bulles d'air entre l'échantillon et la sur-
face de mesure du prisme.
Pour retirer la gazéification des échantillons de boissons gazéi-
fiés non alcooliques, ouvrir et fermer deux ou trois fois le cou-
vercle du prisme après avoir déposé l'échantillon. Cette action
fournit la meilleur ligne de relevé possible et la meilleure manière
de voir où la ligne d'ombre intersecte le viseur.
RREEMMAARRQQUUEE::Ne pas oublier que la précision de l'instrument
dépend de la netteté de la ligne d'ombre.
8.1 Échantillons à indice élevé et à dispersion élevée
Les échantillons avec des indices de réfraction élevés et des
propriétés de dispersion élevées peuvent nécessiter l'utilisation
d'un filtre passe-bande de 589 nm (n° de réf. 13K30650). Cet
accessoire assure que la ligne d'ombre sera nette pour ces types
d'échantillons.
9.0 CALIBRAGE AVEC UN VERRE POUR ESSAI
Consulter le tableau 1, Indice de réfraction d'eau distillée trois
fois à des températures différentes pour comparer le relevé de
l'indice de réfraction avec le relevé de la température calibrée.
Pour calibrer le réfractomètre LEICA ABBE MARK II, utiliser :
• un verre pour essai d'indice de réfraction (n° de réf. 13104510)
• une bouteille de 1-bromonaphtaline (n° de réf. 13104520)
• une clé hexagonale de 1/16 po (n° 4) (n° de réf. 13X30600)
• du tissu pour lentille
Le verre pour essai d'indice de réfraction est imprimé avec
l'échelle de l'indice de réfraction. Les surfaces du bas et de l'a-
vant du verre sont polies. Il est important que ces surfaces soient
très propres lorsqu'on commence les procédures de calibrage.
Pour calibrer :
1. Tourner le sélecteur de mode pour le mettre à la position
d'indice de réfraction.
2. Déposer une seule goutte de 1-bromonaphtaline sur la surface
du prisme de mesure.
3. Place le verre pour essai d'indice de réfraction sur la surface
du prisme de mesure avec la surface imprimée orientée vers le
haut. Positionner l'extrémité polie du verre pour essai en direc-
tion de l'illuminateur - à environ 2 mm du bord (Figure 4).
4. Aligner l'illuminateur pour que la lumière soit dirigée sur la sur-
face polie du verre pour essai. Couvrir la lentille de l'illuminateur
avec du tissu pour lentille afin de diffuser la lumière.
5. Ajuster le bras de l'illuminateur, la roulette de correction de
dispersion, l'oculaire et la commande de réglage afin que la ligne
d'ombre soit nette, centrée et exempte de couleur. Ceci est la
même procédure que celle utilisée avec un échantillon de liq-
uide.
6. Appuyer sur le bouton READ (relevé) et noter le relevé
numérique qui apparaît sur la fenêtre d'affichage.
Si le relevé diffère de la valeur imprimée sur le verre pour essai
de plus de ±0,0001, répéter plusieurs fois les mesures. Nettoyer
les surfaces du prisme de mesure et du verre pour essai avec de
l'alcool, puis de l'eau après chaque essai.
Si l'erreur persiste, faire les ajustement suivants :
7. Tourner légèrement la commande de réglage de la ligne d'om-
bre et appuyer sur le bouton READ (relevé). Répéter cette procé-
dure jusqu'à ce que l'affichage corresponde à la valeur du verre
pour essai.
La ligne d'ombre soit se trouver maintenant au-dessus ou au-
dessous du centre du viseur.
8. Introduire une clé hexagonale par l'orifice d'accès du réticule
dans la roulette de correction de dispersion. Ajuster le réticule
jusqu'à ce que la ligne d'ombre passe par le centre du viseur.
Bras de l'illuminateur
Vis de réglage de la
douille
Lampe de l'illuminateur
Manchon du condensateur
rotatif
FFiigguurree 55bbFFiigguurree 66
Francais
22

Francais 23
10.0 REMPLACMENT DE LA LAMPE
D'ÉCLAIRAGE
La lampe de l'illuminateur peut être remplacée en retirant le
manchon du condensateur (Figure 6). Toujours utiliser la lampe
recommandée (n° de réf. 13104620, paquet de 3) pour obtenir le
maximum d'efficacité et de sécurité. Après avoir mis une nou-
velle lampe, la douille peut être ajustée pour centrer la lumière
sur le prisme de mesure avec le manchon du condensateur en
place. Au besoin, appuyer sur la goupille de sécurité du manchon
du condensateur à ressort et glisser en arrière et en avant
jusqu'à ce que la goupille s'enclenche en place.
10.1 Fusibles
Les circuits électriques du réfractomètre LEICA ABBE MARK II
sont protégés par deux (2) fusibles. Pour remplacer les fusibles,
tourner la molette de commande de réglage (Figure 1) de deux
tours dans le sens des aiguilles d'une montre, ce qui a pour effet
de soulever l'assemblage de l'élévateur et de fournir un accès
aux fusibles. Retirer la molette de commande de réglage avec
une clé hexagonale de 1/8 po. Retirer les deux vis à tête cruci-
forme retenant le couvercle du panneau droit au bas du loge-
ment de l'instrument. Faire glisser le panneau vers le bas aussi
loin que possible pour faciliter son retrait. Lorsque le panneau
droit est retiré, les fusibles sont visibles sur la plaque inférieure de
l'instrument (Figure 5b). Remplacer les fusibles et réassembler.
11.0 ENTRETIEN ET NETTOYAGE
Le réfractomètre LEICA ABBE MARK II est un instrument optique
de précision conçu pour fonctionner pendant des années sans
réparation. L'intérieur de l'instrument a été soigneusement
conçu pour le protéger de la poussière et des éclaboussures.
L'extérieur de l'instrument est recouvert d'une peinture à l'émail
résistante. L'assemblage du prisme de réfraction en acier
inoxydable est scellé avec de l'époxy résistant à la corrosion.
L'utilisation de solvants forts, tels que le N, N-diméthylformamide
ou N, N-diméthylacétamide. les crésols, les phénols et autres
acides du goudron ou des solutions acétiques fortes doivent être
évités. Les substances telles que le tétrahydrofuran et certains
diluants à peinture-lacque et leurs composés peuvent détériorer
le scellé du prisme si elles sont appliquées à long terme ou à de
hautes températures.
L'accumulation de poussière, de solvants ou d'échantillon, parti-
culièrement sur l'assemblage du prisme, risque de pénétrer dans
le réfractomètre et d'affecter la précision ou d'user l'instrument
prématurément.
Si l'instrument n'est pas utilisé, l'assemblage des prismes de
mesure doit être gardé fermé avec une feuille de tissu pour
lentille pliée entre les prismes. Les surfaces de prisme doivent
être nettoyées avec de l'eau distillée, du méthanol ou un solvant
approprié immédiatement après avoir utilisé un échantillon.
Il est recommandé d'utiliser de l'eau distillée chaude pour retirer
les résidus de sucre et d'utiliser du méthanol pour retirer les
résidus d'échantillons à base d'huile. Le prisme peut être essuyé
avec du tissu pour lentille, mais il ne doit pas être essuyé avec un
chiffon dur et sec. Après avoir essuyé l'échantillon du prisme,
rincer de nouveau le prisme avec de l'eau distillée.
RREEMMAARRQQUUEE::Ne pas essuyer la surface du prisme pour la sécher
et ne pas l'essuyer avec quoi que ce soit si elle est déjà sèche.
Ne pas mettre en contact la surface du prisme ou le scellé avec
des objets métalliques, pointus ou tranchants.
Les parties en verre de l'assemblage du prisme sont relativement
dures et ont une résistance excellente aux taches. Les acides
forts et les bases fortes ne doivent pas être mesurés avec cet
instrument, ni utilisés comme agents de nettoyage.
Pour nettoyer l'oculaire, retirer la partie en caoutchouc à l'ex-
trémité du tube de l'oculaire réglable. Nettoyer la lentille avec un
coton-tige ou du tissu pour lentille imbibé légèrement d'acétone
ou de méthanol. Remettre en place la pièce en caoutchouc.
12.0 RÉPARATIONS
Les réfractomètres LEICA ABBE MARK II et LEICA ABBE MARK
II Plus doivent être réparés par du personnel formé en usine et
des techniciens de réparation. En cas de difficultés de fonction-
nement, s'adresser au service à la clientèle du réfractomètre
Leica (numéro de téléphone aux États-Unis 716-686-300, télé-
copieur 716-686-3085). En dehors des États-Unis d'adresser au
représentant local Leica.
13.0 SPÉCIFICATIONS
RRééffrraaccttoommèèttrree LLEEIICCAA AABBBBEE MMAARRKK IIII,, mmooddèèllee 1133110044880000//1133110044881100
RRééffrraaccttoommèèttrree LLEEIICCAA AABBBBEE MMAARRKK IIII PPlluuss,, mmooddèèllee
1133110044994400//1133110044995500
AAffffiicchhaaggeeLecture directe LED
MMooddeess ddee ffoonnccttiioonnnneemmeennttIndice de réfraction (nD)
% solides (° Brix)
à température compensée
Brix - BX-TC
MMooddeessPlage
nnDD1,3200 - 1,7000
BBrriixx0 - 95
BBXX--TTCC àà 2200°°0 - 95
TTeemmppéérraattuurree °°CC15°C - 50°C
PPuuiissssaannccee nnéécceessssaaiirree
Modèle 13104800 115 V/60 Hz
Modèle 13104810 230/50 Hz
Modèle 13104940 115 V/50-60 Hz
Modèle 13104950 230 V/50-60 Hz
AAVERTISSEMENT: Débrancher le cordon d'alimentation du
réfractomètre pour vérifier ou remplacer les fusibles.
MISE EN GAARDE: Le remplacement des fusibles ne doit pas
être effectué par l'utilisateur. Les fusibles doivent être rem-
placés par du personnel de service qualifié. Un fusible doit
être uniquement remplacé par un fusible de même type, taille
et valeur nominale.
!
DAANGER: L'enveloppe de verre de la lampe peut être
extrêmement chaude. Pour changer la lampe, attendre
qu'elle soit refroidie ou utiliser des gants de protection.
AAVERTISSEMENT: Débrancher le cordon d'alimentation du
réfractomètre pour remplacer la lampe de l'illuminateur.
!

HHoommoollooggaattiioonnss éélleeccttrriiqquueessEnregistré par UL, certifié par
CSA
Enregistré par VDE, CE
Précision ±0,1 % solides (° Brix)-
0,0 - 95 % ±0,1 sur échelle
personnalisée
CCoommppeennssaattiioonn ddee tteemmppéérraattuurreeLe mode par défaut corrige les
relevés d'échelle de % de solides
pris de 15°C à 50°C à une
température de donnée de 20°C;
le mode personnalisée Mark II
Plus corrige pour correspondre
aux données spécifiées
par l'utilisateur
MMeessuurree ddee tteemmppéérraattuurreeThermistor monté dans
l'assemblage du prisme
PPrréécciissiioonn ddee llaa ccoommppeennssaattiioonn ddee tteemmppéérraattuurree
±0,1°C
TTyyppeess dd''éécchhaannttiilllloonnLiquides et solides transparents
ou translucides
DDiimmeennssiioonnss152 mm larg. x 26 mm long. x
356 mm haut.
PPooiiddss(net) 7,3 kg
CCoommmmaannddee ddee tteemmppéérraattuurree ddee ll''éécchhaannttiilllloonn
Accessoires sur l'assemblage du
prisme pour connecter le circula
teur d'eau contrôlé par la
température
AAsssseemmbbllaaggee dduu pprriissmmeeAcier inoxydable, verre scellé
avec de l'époxy résistant aux
solvants
CCoommppeennssaattiioonn ooppttiiqquueeCompensateur de prisme amici
double pour éclairage de lignes
d'ombre nettes et de 589 nm
(ligne D sodium)
Tous les modèles ont été testés pour les interférences RF,
classe A
13.1 Les spécifications suivantes se rapportent unique-
ment au réfractomètre LEICA ABBE MARK II Plus
AAffffiicchhaaggeeIndicateur numérique direct de
l'indice de réfraction ou de la
concentration (% de solides ou
échelle personnalisée) et de la
température
MMooddeess ppaarr ddééffaauutt
1. Indice de réfraction 1,3200 à 1,7000 nD
2. % solides (° Brix) 0,0 à 95,0 %
3. % solides (° Brix) à température compensée 0,0 à 95,0 %
4. Échelles de % solides (°Brix) par défaut (0,0-85,0 %) basées
sur les tableaux de la Commission internationale pour l'unifica-
tion des méthodes d'analyse du sucre 1974 (% sucre vs nDà
20°C)
MMooddeess ppeerrssoonnnnaalliissééss
• 1. 0,0 à 999,9 Indicateur de concentration. L'utilisateur entre la
concentration vs. les données d'indice de réfraction
• 2. 0,0 à 999,9 Indicateur de concentration à température com-
pensée vs. indice de réfraction vs. donnés de température. Les
données en mode personnalisé sont entrées en utilisant le pro-
gramme de logiciel Leica (compatible avec IBM PC)
IInntteerrffaacceeRS232 série
CCoommmmuunniiccaattiioonnVitesse de transmission
sélectionnable par l'utilisateur,
300, 1200, 2400, 4800, 9600 bps -
8 bits de données, un bit d'arrêt,
sans parité, vitesse de
transmission par défaut à 9600.
Sortie ASCII avec séparateurs
tab
CCoonnnneexxiioonnDB9 femelle
BBrroocchhaaggee2 sortie, 3 entrée, 5 terre
Francais
24

Refractómetro LEICA ABBE MARK II
Manual de Instrucciones
1.0 INTRODUCCIÓN . . . . . . . . . . . . . . . . . . . . . . . . . . . . . . . . .25
2.0 DESEMPACADO . . . . . . . . . . . . . . . . . . . . . . . . . . . . . . . . .25
3.0 REQUERIMIENTOS DE ENERGIA . . . . . . . . . . . . . . . . . . . .25
4.0 CONFIGURACIÓN . . . . . . . . . . . . . . . . . . . . . . . . . . . . . . . .25
4.1 Instalación del equipo . . . . . . . . . . . . . . . . . . . . . . . . . . . .25
5.0 CONTROLES . . . . . . . . . . . . . . . . . . . . . . . . . . . . . . . . . . . .26
5.1 Condiciones variables en la toma de lecturas . . . . . . . .26
5.2 Calibración con agua destilada . . . . . . . . . . . . . . . . . . . .27
6.0 INSTRUCCIONES DE OPERACIÓN . . . . . . . . . . . . . . . . . .27
7.0 REFRACTÓMETRO LEICA ABBE MARK II PLUS . . . . . . .28
7.1 Interfaz con la computadora . . . . . . . . . . . . . . . . . . . . . . .28
7.2 Fijación de la tasa de baudios . . . . . . . . . . . . . . . . . . . . . .28
7.3 Interfaz con la impresora . . . . . . . . . . . . . . . . . . . . . . . . . .29
7.4 Programación especial . . . . . . . . . . . . . . . . . . . . . . . . . . .29
8.0 USO DEL REFRACTÓMETRO, TÉCNICAS Y PRINCIPIOS DE
REFRACCION . . . . . . . . . . . . . . . . . . . . . . . . . . . . . . . . . . . . . . . .30
8.1 Muestras de alto índice/alta dispersión . . . . . . . . . . . . . .31
9.0 CALIBRACION CON CRISTAL DE PRUEBA . . . . . . . . . . .31
10.0 REEMPLAZO DE LA BOMBILLA DEL ILUMINADOR . . . .31
10.1 Fusibles . . . . . . . . . . . . . . . . . . . . . . . . . . . . . . . . . . . . . . . .31
11.0 CUIDADO Y LIMPIEZA . . . . . . . . . . . . . . . . . . . . . . . . . . . .32
12.0 MANTENIMIENTO . . . . . . . . . . . . . . . . . . . . . . . . . . . . . . .32
13.0 ESPECIFICACIONES . . . . . . . . . . . . . . . . . . . . . . . . . . . . . .32
13.1 Las siguientes especificaciones se refieren sólo al
Refractómetro LEICA ABBE MARK II PLUS . . . . . . . . . . . . . . .33
EExxpplliiccaacciióónn ddee llooss ssíímmbboollooss ddee aaddvveerrtteenncciiaa
1.0 INTRODUCCION
NNOOTTAA::Por favor lea estas instrucciones cuidadosamente antes
de tratar de usar el instrumento.
Este Manual de Instrucciones está diseñado específicamente
para el Refractómetro LEICA ABBE MARK II y describe su cor-
recta configuración, uso y mantenimiento de rutina del instru-
mento. Las Secciones 7.0 - 7.4 se aplican sólo al Refractómetro
LEICA ABBE MARK II Plus.
El Refractómetro LEICA ABBE MARK II es un instrumento durable
para uso sobre mesa de trabajo. Proporciona lecturas eficaces,
confiables y que pueden repetirse en tres modalidades:
• % de Sólidos (ºBrix)
• % de Sólidos (ºBrix) con temperatura compensada o (BX-TC) y
• Índice de refracción (nD)
El Refractómetro LEICA ABBE MARK II Plus permite acomodar
un programa especial en la escala de % de Sólidos (ºBrix). Esto
puede lograrse con una programación previa o reconstrucción
en fábrica.
2.0 DESEMPACADO
El Refractómetro LEICA ABBE MARK II ha sido cuidadosamente
empacado para su envío. Antes de poner a un lado los materiales
de empacado, revise la(s) caja(s) para asegurar que haya
recibido todos los artículos pedidos. Se encontrará entre los
accesorios en la caja del refractómetro:
• un cristal de prueba de índice de refracción (Catálogo No.
13104510)
• una llave de tuercas Allen de 1/16" (No. 4) (Catálogo No.
13X30600)
• una botella de 1- Bromonaftalina para medición de sólidos
(Catálogo No. 13104520)
• una cubierta para el polvo (Catálogo No. 1310450-140)
Compruebe el instrumento y el número de modelo contra el pedi-
do original antes de descartar cualquier material de empaque.
Los materiales originales de empaque deben ser guardados para
futuro almacenaje o transporte del refractómetro.
3.0 REQUERIMIENTOS DE ENERGIA
Modelos 13104800/13104940 115 - ±10%, 50/60 Hz
Modelos 13104810/13104950 230 - ±10%, 50/60 Hz
• Energía de entrada 25P máximo
• Sólo para uso en interiores
• Altura sobre el nivel del mar hasta 2000 metros
• Rango de temperatura de 5ºC a 40ºC
• Grado de contaminación ambiental 2
• Categoría de instalación 2
• Humedad relativa máxima 80% para temperaturas hasta 31ºC
disminuyendo linealmente a humedad relativa 50% a 40ºC.
4.0 CONFIGURACIÓN
El Refractómetro LEICA ABBE MARK II es fácil de usar. Se
requiere muy poco entrenamiento para instalar y operar el
instrumento a fin de obtener medidas de temperatura e índice de
refracción.
4.1 Instalación del equipo
El Refractómetro LEICA ABBE MARK II debe ser usado en una
superficie, sólida, estable y a nivel tal como una mesa de labora-
torio o banco de trabajo.
5X20 250mA T/250V (Tipo 10480/10494)
PPRREECCAAUUCCIIÓÓNN: Riesgo de choque eléctrico
PPRREECCAAUUCCIIOONN: (Consultar los documentos adjuntos)
!
25
Espanol

5.0 CONTROLES
Los Controles del Refractómetro LEICA ABBE MARK II se identi-
fican en la Figura 1.
NOTA: El interruptor de selección de modalidad no funciona ya
como interruptor de ENCENDER/ APAGAR. El interruptor de
ENCENDER/APAGAR está situado en el lado izquierdo inferior de
la cubierta delantera del instrumento sobre el logotipo Leica.
Interruptor de energía:
El interruptor de energía esta situado en la esquina inferior
derecha del panel delantero (Fig. 1).
| = encendido 0 = apagado
El interruptor de selección de modalidad se usa para seleccionar
las modalidades de medida.
Las modalidades son:
• % de Sólidos -TC - Temperatura Compensada % de Sólidos
con Sucrosa (ºBrix) según la Comisión Internacional para
Métodos Uniformes de Tablas de Indice de Refracción.
•n
D- Índice de refracción
• % de Sólidos - No Compensados por Temperatura % de
Sólidos como Sucrosa
El orificio de acceso para ajuste del retículo permite el ajuste
vertical del retículo durante los procedimientos de calibración.
Oprima el botón de lectura de la pantalla para obtener los valores
de medición.
Al oprimir el botón de la pantalla de temperatura se obtendrá una
lectura de la temperatura del prisma.
Las lecturas se muestran digitalmente en la ventana de la pan-
talla.
5.1 Condiciones variables en la toma de lecturas
Las lecturas de agua destilada por encima de 20ºC pueden
obtenerse en la modalidad de índice de refracción % de Sólidos-
TC, asumiendo que el instrumento esté correctamente calibrado.
No se pueden obtener lecturas correctas en la modalidad de %
de Sólidos no compensados por temperatura cuando la temper-
atura de la muestra de agua está por encima o debajo de 20ºC.
Las lecturas del índice de refracción (nD) para agua destilada
puede obtenerse desde 0ºC a 80ºC (ver la tabla 1 en la página 10
para valores entre 18-30ºC).
El índice de refracción es inversamente proporcional a la tem-
peratura. A medida que aumenta la temperatura, la densidad de
la solución disminuye y la lectura del índice de refracción (% de
Sólidos) disminuye. Al disminuir la temperatura, la densidad de
la solución aumenta y el índice de refracción (% de Sólidos)
aumenta. La modalidad de % de Sólidos-TC corrige automática-
mente la lectura de temperatura en base al coeficiente de tem-
peratura de la sucrosa en la solución. Este coeficiente es típico
de la mayoría de las soluciones acuosas.
Espanol
Rueda de corrección de la
dispersión Ocular ajustable
Orificio de acceso al
ajuste del retículo
Ventana de pantalla
Botón de la pantalla
de lectura
Botón de la
pantalla de
temperatura
Interruptor de energía Selector de modalidad
Superficie del prisma
Brazo de iluminación
Control de
ajuste
Cubierta del panel
derecho
Orificio de acceso al
ajuste del ret culo
FFiigguurraa 11FFiigguurraa 22
26
PRECAAUCION: Como precaución de seguridad, el cordón
de energía ha sido conectado a tierra a la base del
instrumento. Nunca use un adaptador de dos clavijas
entre el cordón de energía y la fuente de energía, desac-
tivará la conexión a tierra.
PRECAAUCION: El uso de este equipo en forma diferente
a la especificada en este manual puede resultar en
reducción de la protección de seguridad.
!

5.2 Calibración con agua destilada
Para calibrar:
1. Coloque una muestra de agua destilada en la superficie del
prisma de medición y déjela reposar sin disturbarla durante 3 a 5
minutos para obtener una temperatura estable. Ponga el inter-
ruptor de selección de modalidad en la posición de índice de
refracción (nD).
2. Enfoque el ocular hasta que aparezca claramente el retículo.
3. Gire el control de ajuste a la derecha hasta que la línea oscu-
ra casi cruce el retículo. Use la rueda de corrección de disper-
sión para obtener la línea oscura más nítida posible y libre de
color. Ajuste la línea oscura para tocar al retículo. Oprima el
botón de lectura y registre el valor nD y luego oprima el botón de
temperatura y registre la temperatura.
4. Si el instrumento está correctamente calibrado la lectura será
1.3330 menos 0.0001 por cada grado por encima de 20ºC o más
0.0001 por cada grado por debajo de 20ºC.
Si el instrumento no está calibrado, determine la lectura correc-
ta (Tabla No. 1) y gire el control de ajuste y oprima el botón READ
de la pantalla hasta que la pantalla lea correctamente. (La línea
oscura ya no interceptará al retículo).
5. Inserte una llave de tuercas Allen de 1/16" en el orificio de
acceso al ajuste de retículo (Figura 2) situado en la rueda de cor-
rección de dispersión. Gire la llave de tuercas para hacer que el
retículo quede en la posición correcta sobre la línea oscura.
NOTA: El movimiento final hecho con la rueda de control de cor-
rección de ajuste debe ser siempre en la dirección del movimien-
to de las agujas del reloj. La línea oscura se moverá hacia arri-
ba.
6. Gire el selector de modalidad a la posición BX-TC. Oprima el
botón READ. Una lectura LED de 000.0 ó 0.1 es normal. Si aparece
un signo negativo y un punto decimal, no puede darse ninguna
lectura.
Vaya al siguiente paso.
Si persiste una condición de "No Lectura" después de repetidos
intentos READ, gire el control de ajuste hasta que la pantalla lea
000.0 ó 0.1. Sólo se necesitará un ajuste muy ligero. Reajuste el
retículo a la línea oscura.
La pantalla debe leer 000.0 ahora.
Repita estos pasos hasta que la pantalla lea 000.0
6.0 INSTRUCCIONES DE OPERACION
Para comenzar la operación:
1. Abra la cubierta del conjunto del prisma (Figura 4) y retire el
paño protector del lente. Limpie la superficie del prisma de
medición con alcohol y luego con agua destilada. Seque con un
paño limpio suave o papel para lente pero no frote la superficie
de medición del prisma cuando ya esté ya seca. Cualquier resid-
uo dejado en el prisma puede afectar la exactitud de la lectura.
2. Gire el selector de modalidad a la modalidad deseada.
3. Aplique una solución de muestra a la superficie de medición
del prisma usando un gotero de vidrio. Cierre la cubierta del pris-
ma y coloque el brazo de iluminación de modo que la cara visible
del prisma superior esté completamente iluminada.
4. Gire la rueda de corrección de dispersión de modo que el ori-
ficio de acceso de ajuste del retículo esté en la posición 6:00 del
reloj.
5. Gire el control de ajuste hacia la izquierda para colocar la línea
oscura en el fondo del campo de visión.
Espanol
FFiigguurraa 33aaFFiigguurraa 33bb
Baud Rate
Adjustment
RS232 Port
Left Panel Cover
27

6. Gire el ocular para hacer que el retículo esté enfocado.
7. Mueva la línea oscura hacia el retículo con el control grueso
de ajuste.
8. Gire la rueda de corrección de dispersión para eliminar
cualquier color rojo o verde en el borde de la línea oscura.
9. Gire el control de ajuste para centrar la línea oscura en el
retículo. La línea oscura debe estar perfectamente centrada
para obtener una lectura exacta (Figura 3a).
10. Oprima el botón READ. El valor de la muestra de prueba será
indicado digitalmente en la pantalla. Al oprimir el botón TEMP se
activará un dispositivo detector de temperatura situado en el
prisma de medición. La pantalla indicará digitalmente la tem-
peratura real del prisma de medición y de la muestra.
NNOOTTAA::Si el Refractómetro LEICA ABBE MARK II va usarse en un
ambiente donde materias extrañas pueden contaminar los
botones de la pantalla, use el accesorio de protección de
salpicaduras (Catálogo No. 10459). Evitará que se dañe el instru-
mento y la posible falla del mismo.
7.0 REFRACTOMETRO LEICA ABBE MARK II
PLUS
NNOOTTAA::Las secciones 7.0 hasta 7.4 se aplican sólo al
Refractómetro LEICA ABBE MARK II Plus - Modelo
13104940/13104950.
El Refractómetro LEICA ABBE MARK II proporciona interfaz con
la computadora, programación especial y capacidades de inter-
faz con la impresora.
El instrumento se convierte en el Refractómetro LEICA ABBE
MARK II Plus (Modelo 13104940/13104950) con la adición del
puerto RS232. El LEICA ABBE MARK II Plus puede ser ordenado
como:
• compra original
• mejora de fábrica, o
• reconstrucción de un refractómetro existente LEICA ABBE
MARK II.
7.1 Interfaz con la computadora
Encienda el Refractómetro LEICA ABBE MARK II Plus con el
interruptor situado en el panel delantero del instrumento.
Cuando se enciende el refractómetro por primera vez, la versión
de software (p.ej., 1.6) aparecerá en la pantalla de lectura
durante unos cuantos segundos. El refractómetro está listo para
usarse cuando desaparece este mensaje.
Al establecerse la interfaz entre el LEICA ABBE MARK II Plus y la
computadora, los resultados de lectura de las muestras pueden
ser transferidos a programas de software de manejo de datos
con capacidades de comunicación compatibles con el IBM-PC
(es decir Microsoft Works®, Framework IIMR y ProComm®)1. El
software puede ser usado para almacenar, graficar, analizar e
imprimir datos. Leica también ofrece software de interfaz del
Refractómetro LEICA ABBE MARK II Plus (MARKPLUS) específi-
camente diseñado para usar con el instrumento.
El software MARKPLUS permite que el usuario del instrumento
reprograme las escalas de % de Sólidos de la escala por defec-
to "Brix" (% de Sólidos) a una escala definida por el usuario.
7.2 Fijación de la tasa de baudios
La tasa de baudios del LEICA ABBE MARK II Plus está ajustada
en 9600. Para cambiar la tasa de baudios retire la tapa del lado
izquierdo del instrumento (Fig. 3b). Encienda el instrumento y
usando el extremo del borrador de un lápiz oprima el interruptor
que está centrado en el orificio. La pantalla mostrará la actual
tasa de baudios. Para cambiar la tasa de baudios oprima el botón
Espanol
Placa posterior
Prisma de medición
Posición del cristal de
prueba
(1/8" (2 mm) del borde) Placa de base
Prisma de ilumi-
nación
Tornillos
de fijación
Prisma de iluminación
TTaabbllaa 11:: IInnddiiccee ddee RReeffrraacccciióónn ddee AAgguuaa TTrriippllee
DDeessttiillaaddaa aa vvaarriiaass tteemmppeerraattuurraass
TTeemmppeerraattuurraa ººCCIInnddiiccee ddee rreeffrraacccciióónn
18 1.3332
19 1.3331
20 1.3330
21 1.3329
22 1.3328
23 1.3327
24 1.3326
25 1.3325
26 1.3324
27 1.3323
28 1.3322
29 1.3321
30 1.3319
Fuente: Refracción Molar de Compuestos Orgánicos
FFiigguurraa 44
28

de lectura en la parte delantera del panel del instrumento hasta
que se muestre la tasa apropiada de baudios. Escoja la tasa de
baudios entre las siguientes opciones: 300, 1200, 2400, 4800, 9600.
Una vez que se muestre en la pantalla la tasa apropiada de bau-
dios, oprima el interruptor nuevamente. Apague el instrumento y
vuelva a colocar la tapa. La nueva tasa de baudios será retenida
permanentemente en la memoria del instrumento.
7.3 Interfaz con la impresora
El Refractómetro LEICA ABBE MARK II Plus puede ser puesto en
interfaz con una impresora de puerto en serie para imprimir los
resultados de datos usando la salida RS232 de 9 clavijas. Se
puede usar una impresora en puerto paralelo utilizando un con-
vertidor de serie a paralelo.
7.4 Programación especial
El software de interfaz del Refractómetro LEICA ABBE MARK II
Plus (MARKPLUS) puede ser configurado para curvas especiales
de calibración y compensación de temperatura (El
Refractómetro LEICA ABBE MARK II corrige solamente a 20ºC).
Sin embargo, MARKPLUS debe ser configurado para cada apli-
cación específica o programación especial. El MARKPLUS de
Leica está diseñado para aceptar una tabla de valores de Índices
de Refracción, Temperatura y Concentración y luego generar
una escala especial para datos de programación del instrumen-
to. Los datos se ingresan desde un archivo de texto. Póngase en
contacto con su representante Leica para obtener información
adicional.
Espanol
Tarjeta principal de control
(Noviembre 1992)
CCóóddiiggoo ddee ccoolloorr ddeell ccaabblleeaaddoo
W = Blanco
B = Negro
G = Verde
O = Naranja
R = Rojo
Y = Amarillo
11331100449944--992244
No se usa
Enchufe del termistor
Enchufe RS232
(activo en 13104940,
13104950)
No se usa
Interruptor de limitación
Interruptor de tasa de baudios
Energía
Motor
FFiigguurraa 55
29

8.0 USO DEL REFRACTÓMETRO, TÉCNICAS Y
PRINCIPIOS DE REFRACCIÓN
Las medidas del índice de refracción tomadas en los
Refractómetros LEICA ABBE MARK II y LEICA ABBE MARK II
Plus son afectadas por la temperatura. Se pueden obtener difer-
entes valores cuando se mide la misma muestra a diferentes
temperaturas. Por ejemplo: al aumentar la temperatura de una
muestra de una solución de azúcar, su densidad e índice de
refracción disminuyen. Esto causa una aparente disminución en
la concentración cuando se usa la modalidad de % de Sólidos sin
temperatura compensada. La modalidad de % de Sólidos-TC
(Temperatura Compensada) automáticamente corrige la lectura
al valor correcto a 20º.
Por cada cambio de temperatura de 1ºC, una solución acuosa
que contiene azúcar cambiará sus lecturas en aproximadamente
0.08%. Este es el valor promedio para muestras de 0 a 85% de
15ºC a 45ºC. A medida que la temperatura aumenta la lectura del
% de Sólidos disminuye. Al disminuir la temperatura, la lectura
del % de Sólidos aumenta.
La temperatura del Refractómetro LEICA ABBE MARK II aumen-
tará aproximadamente 1ºC cada 10 minutos durante una hora
hasta que se estabilice. Un instrumento que ha estado encendi-
do por más de 1 hora en una habitación a 20ºC podría leer 26ºC.
El aumento en temperatura se debe principalmente al calor gen-
erado por el transformador de energía dentro de la caja del
instrumento.
Una muestra colocada en la superficie del prisma de medición
de un Refractómetro LEICA ABBE MARK II que ha estado encen-
dido durante más de una hora en un ambiente de 20ºC asumirá la
temperatura del prisma (p.ej., aproximadamente 26ºC). Aunque
la muestra está ahora más caliente e indicaría una menor con-
centración cuando se mide en la modalidad no compensada
Brix, la modalidad BX-TC automáticamente compensa por la
diferencia de temperatura y muestra la concentración de la solu-
ción como si su temperatura fuera 20ºC. Sin compensación por
el aumento de 6º, la lectura para una solución de 70% sería 0.5%
menos (6ºC x 0.08%) o sea 69.5%.
La temperatura de la superficie del prisma de medición puede
ser disminuida pasando un líquido de enfriamiento a través de
las chaquetas de agua en la caja del prisma. Sin embargo, el
calor generado dentro de la caja del instrumento sigue afectan-
do la temperatura del prisma. Por esta razón es necesario pasar
fluidos ligeramente por debajo de la temperatura deseada. Un
termómetro colocado en la tubería del fluido puede medir varios
grados por debajo de la temperatura real mostrada de la super-
ficie del prisma de medición cuando se oprime el botón de tem-
peratura. Lo opuesto es cierto si la temperatura del prisma debe
ser elevada por encima de la temperatura ambiente.
El sistema de circulación de fluido permite que el prisma se
ajuste a temperaturas hasta de 80ºC. Esto puede ser necesario
cuando se usan muestras que se solidifican a temperaturas más
bajas.
La medición de muestras viscosas, tales como jarabes de azúcar
con alto punto Brix, puede ser más difícil que medir productos
con menores sólidos totales disueltos.
Agite la muestra en la superficie del prisma de medición con una
espátula de jebe o con un pedazo en ángulo de tubo plástico
Illuminator Arm
Socket Adjustment
Screw
Illuminator Bulb
Revolving Condenser
Sleeve
FFiigguurraa 55bbFFiigguurraa 66
Espanol
30

transparente. Cubra completamente la superficie asegurándose
que todos los bolsones de aire entre la muestra y la superficie del
prisma de medición han sido removidos.
Para remover el gas de las muestras de bebidas carbonatadas,
abra y cierre la cubierta del prisma dos o tres veces después de
cargar. Al hacer esto se proporciona la mejor posible línea de
lectura y la mejor manera de juzgar cuando la línea oscura inter-
cepta al retículo.
NOTA: Recuerde que la exactitud del instrumento es solamente
tan buena como la nitidez de la línea oscura.
8.1 Muestras de alto índice/alta dispersión
Las muestras de alto índice de refracción con propiedades de
alta dispersión pueden requerir el uso adicional del accesorio de
filtro pasabanda de 589 nm Catálogo No. K3065. Este accesorio
asegurará que la línea oscura sea muy nítida para estas mues-
tras.
9.0 CALIBRACION CON CRISTAL DE PRUEBA
Consulte la Tabla 1, Indice de Refracción de Agua Triple
Destilada a varias temperaturas para comparar la lectura del
índice de refracción con la lectura a temperatura calibrada.
Para calibrar el Refractómetro LEICA ABBE MARK II use:
• un cristal de prueba de índice de refracción (Catálogo No.
13104510)
• una botella de 1-Bromonaftalina (Catálogo No. 13104520).
• una llave de tuercas de 1/16" (No.4) Allen (Catálogo No.
13X30600)
• paño para lente
El cristal de prueba del índice de refracción está grabado con la
escala del índice de refracción. Las superficies inferior y
delantera del vidrio son pulidas. Es importante que estas super-
ficies estén muy limpias cuando se comienzan los procedimien-
tos de calibración.
Para calibrar:
1. Gire el interruptor de selección de "Modalidad" a la posición de
índice de refracción.
2. Aplique una sola gota de 1-Bromonaftalina a la superficie del
prisma de medición.
3. Coloque el cristal de prueba del índice de refracción en la
superficie del prisma de medición con el lado grabado hacia arri-
ba. Coloque el borde pulido del cristal de prueba hacia el ilumi-
nador - 1/8" (2 mm) aproximadamente del borde (fig. 4).
4. Alinee el iluminador de modo que la luz esté dirigida a la cara
pulida del cristal de prueba. Cubra el lente del iluminador con
una paño para lente para esparcir la luz.
5. Ajuste el brazo del iluminador, la rueda de corrección de dis-
persión, el ocular y el control de ajuste de modo que la línea
oscura esté centrada, enfocada y libre de color. Este es el
mismo procedimiento que se usa con una muestra líquida.
6. Oprima el botón READ y registre la lectura digital que aparez-
ca en la pantalla.
Si la lectura difiere del valor impreso en el cristal de prueba en
más de ± 0.0001, repita la medida varias veces. Limpie la super-
ficie del prisma de medición y del cristal de prueba con alcohol,
seguido de agua después de cada prueba.
Si persiste el error, haga el siguiente ajuste:
7. Gire ligeramente el control de ajuste de la línea oscura y opri-
ma el botón READ. Repita este procedimiento hasta que la pan-
talla esté de acuerdo con el valor del cristal de prueba.
La línea oscura estará ahora por encima o por debajo del centro
del retículo.
8. Inserte la llave Allen a través del orificio de acceso al retículo
en la rueda de corrección de dispersión. Ajuste el retículo hasta
que la línea oscura pase a través del centro del retículo (Figura 2
y Figura 3a).
El instrumento está ahora calibrado.
10.0 REEMPLAZO DE LA BOMBILLA DEL
ILUMINADOR
PELIGRO: El envoltorio de cristal de la bombilla puede estar sumamente
caliente. No intente cambiar la bombilla antes que se haya enfriado
completamente o sin usar protección.
AADVERTENCIAA:Desenchufe el cordón de energía del refractómetro
antes de intentar reemplazar la bombilla del iluminador.
La bombilla del iluminador puede ser reemplazada retirando la
manga del condensador (Figura 6). Use siempre la bombilla de
repuesto sugerida (Catálogo No. 13104620, paquete de 3) para
máxima eficacia y seguridad. Después de insertar una nueva
bombilla, el receptáculo puede ser ajustado para centrar la luz
en el prisma de medición con la manga del condensador en su
sitio. Si es necesario, empuje el pasador de seguridad de la
manga del condensador accionado por resorte y deslícelo hacia
atrás y adelante hasta que el pasador encaje en su sitio.
10.1 Fusibles
AADVERTENCIAA:Desenchufe el cordón de energía del refractómetro
antes de intentar verificar o reemplazar los fusibles.
PRECAAUCION: El usuario no debe intentar reemplazar los fusibles. Estos
deben ser reemplazados por personal calificado de mantenimiento. El
fusible debe ser reemplazado sólo con otro del mismo tamaño, tipo y
capacidad.
31
Espanol

El circuito eléctrico del Refractómetro LEICA ABBE MARK II está
protegido por dos (2) fusibles. Para reemplazar los fusibles gire
la perilla de control de ajuste (Figura 1) dos vueltas hacia la
derecha. Esto levanta el conjunto del elevador permitiendo libre
acceso a los fusibles. Retire la perilla de control de ajuste con
una llave Allen de 1/8". Remueva los dos tornillos de cabeza
Phillips que sostienen la cubierta del panel delantero al fondo de
la caja del instrumento. Deslice la cubierta del panel hacia abajo
todo lo posible para facilitar su remoción. Habiendo retirado la
cubierta del panel, los fusibles quedarán visibles en la placa infe-
rior del instrumento (Figura 5b). Reemplace los fusibles y vuelva
a ensamblar.
11.0 CUIDADO Y LIMPIEZA
El Refractómetro LEICA ABBE MARK II es un instrumento óptico
de precisión diseñado para funcionar sin problemas durante
muchos años. El diseño interior ha sido fabricado cuidadosa-
mente para protegerlo del polvo o derrames. El exterior está pin-
tado con un esmalte durable. El conjunto del prisma de refrac-
ción de acero inoxidable está sellado con epoxi resistente a la
corrosión.
Debe evitarse el uso de solventes fuertes, tales como N, N-
Dimetilformamida o N, N-Dimetilacetamida, creosoles, fenoles y
otros ácidos de breas o soluciones acéticas fuertes. Los materi-
ales tales como tetrahidrofuran o algunos solventes de lacas y
sus componentes pueden deteriorar el sello del prisma en el
transcurso de período largo de tiempo o cuando se aplican a
temperaturas elevadas.
Una acumulación de polvo, solventes o muestra, especialmente
en el conjunto del prisma, puede eventualmente penetrar el
refractómetro y afectar su exactitud o acelerar su desgaste.
Cuando el instrumento no esté en uso, el conjunto del prisma de
medición debe ser mantenido cerrado con una hoja plegada de
paño de lente entre los prismas. Las superficies del prisma
deben ser limpiadas con agua destilada, metanol, o un solvente
apropiado inmediatamente después de usar cada muestra.
Se recomienda agua destilada tibia para remover los residuos de
azúcar y metanol para las muestras de base de aceite. El prisma
puede ser limpiado con paño de limpieza de lentes pero no debe
ser secado con un paño duro seco. Después de limpiar la muestra
del prisma, enjuague nuevamente el prisma con agua destilada.
NNOOTTAA::No frote la superficie del prisma de medición ni la limpie
con ningún paño si está seca. No permita el contacto entre el
prisma o el sello que lo rodea con metal o con objetos agudos o
en punta.
Las partes de cristal del conjunto del prisma son relativamente
duras y tienen excelente resistencia a las manchas. No se deben
medir ácidos o bases fuertes con este instrumento ni deben ser
usados como agentes de limpieza.
Para limpiar el ocular, saque el inserto de goma al extremo del
tubo ajustable del ocular. Limpie el lente con algún hisopo de
algodón o con paño para lente ligeramente humedecido con ace-
tona o metanol. Reemplace el inserto de goma.
12.0 MANTENIMIENTO
Los refractómetros LEICA ABBE MARK II y LEICA ABBE MARK II
Plus deben ser mantenidos o reparados por técnicos de servicio
y reparación capacitados en la fábrica. Si experimenta dificul-
tades de operación póngase en contacto con el Departamento
de Servicios al Cliente de Refractómetros Leica en el 716-686-
3000 o por fax al 716-686-3085. Fuera de Estados Unidos, pón-
gase en contacto con su representante local Leica.
13.0 ESPECIFICACIONES
Refractómetro LEICA ABBE MARK II Modelo 13104800/13104810
Refractómetro LEICA ABBE MARK II Plus Modelo
13104940/13104950
PPaannttaallllaaLED de lectura directa
MMooddaalliiddaaddeess ddee ooppeerraacciióónnIndice de refracción (nD), % de
sólidos (ºBrix) y
Brix - BX-TC compensado por
temperatura
MMooddaalliiddaaddeessRRaannggoo
nnDD1.3200 - 1.7000
BBrriixx0-95
BBXX--TTCC aa 2200ºº0-95
TTeemmppeerraattuurraa eenn ººCC15º - 50ºC
RReeqquueerriimmiieennttooss ddee eenneerrggííaa
Modelo 13104800 115 V/60 Hz
Modelo 13104810 230 V/50 Hz
Modelo 13104940 115 V/50-60Hz
Modelo 13104950 230 V/50-60Hz
AApprroobbaacciioonneess eellééccttrriiccaassListado por UL, certificado por
CSA, listado por VDE, CE
Exactitud ± 0.0001nD
± 0.1% sólidos (ºBrix)- 0.0 - 95% ±
0.1 en escala especial
CCoommppeennssaacciióónnLa modalidad por defecto corrige
ddee tteemmppeerraattuurraalas lecturas de la escala de
% de sólidos tomadas de 15ºC a
50ºC a la temperatura de
referencia de 20ºC. El modo
especial Mark II Plus corrige al
dato especificado por el usuario.
Espanol
32

MMeeddiiddaa ddee tteemmppeerraattuurraaTermistor montado en el conjun
to del prisma
EExxaaccttiittuudd ddee ccoommppeennssaacciióónn± 0.1ºC
ddee tteemmppeerraattuurraa
TTiippooss ddee mmuueessttrraassLíquidos y sólidos transparentes
o translúcidos
DDiimmeennssiioonneess6" ancho x 10.5" largo x 14" altura
(152 mm x 262 mm x 356 mm)
PPeessoo ((nneettoo))16 lbs. (7.3 Kg)
CCoonnttrrooll ddee tteemmppeerraattuurraaAccesorios en el conjunto del
ddee llaa mmuueessttrraaprisma para conectar el circu
lador de agua de temperatura
controlada
CCoonnjjuunnttoo ddee pprriissmmaaAcero inoxidable, cristal sellado
con epoxi resistente a solventes.
CCoommppeennssaacciióónn óóppttiiccaaDoble compensador de prisma
Amici para líneas oscuras bien
definidas e iluminación de 589
nm (línea de Sodio D).
Todos los modelos han pasado la Prueba de Interferencia RF,
Clase A.
13.1 Las siguientes especificaciones se refieren sólo al
Refractómetro LEICA ABBE MARK II Pus
PPaannttaallllaaLectura digital directa o del
índice de refracción o concen-
tración (% de sólidos o escala
especial) y temperatura.
MMooddaalliiddaaddeess ppoorr ddeeffeeccttoo
1. Indice de refracción 1.3200 a 1.700 nD
2. % de sólidos (ºBrix) 0.0 a 95.0%
3. % de sólidos (ºBrix) con temperatura compensada 0.0 a 95.0%
Escalas de % de sólidos por defecto (ºBrix) (0.0-85.0%) basadas
en Tablas I.C.U.M.S.A 1974
(% azúcar vs. nD a 20ºC)
MMooddaalliiddaaddeess eessppeecciiaalleess
•1. 0.0 a 999.99 lectura de concentración. El usuario ingresa los
datos de concentración de entrada vs. índice de refracción.
•2. 0.0 a 999.99 lectura de temperatura compensada de concen-
tración vs. índice de refracción vs. datos de temperatura. Los
datos de modalidades especiales se ingresan usando el soft-
ware de Leica (compatible con IBM PC).
IInntteerrffaazzSerie RS232
CCoommuunniiccaacciióónnTasa de baudios a seleccionar
por el usuario, 300, 1200, 2400,
4800, 9600 bps - bits de 8 datos,
bit de una parada, sin paridad. La
tasa de baudios fijada en la fábri-
ca es 9600. Salida ASCII con
separadores de aletas.
CCoonneexxiióónnDB9 hembra
AAssiiggnnaacciioonneess2 de salida, 3 de entrada, 5 para
ddee ccllaavviijjaasstierra
33
Espanol

Due to a policy of continuous development, we reserve the right to
change specifications without notice.
Aufgrund der fortlaufenden Neuentwicklungen behalten wir uns das
Recht vor, jederzeit ohne Vorankündigung Änderungen vornehmen zu
können.
Nous nous réservons le droit de modifier les spécifications sans préavis
en vertu de notre politique d'amélioration continue.
Printed in USA ©2000, Leica Inc., Buffalo NY USA 3/00 10480-101 Rev. C
Leica Microsystems Inc.
Educational and Analytical Division
PO Box 123
Buffalo, NY 14240-0123 USA
Telephone (716) 686-3000
Fax (716) 686-3085
www.leica-microsystems.com
ISO-9001 Certified
1Microsoft Works is a trademark of Microsoft Corporation.
Framework II is a trademark of Microsoft Corporation.
ProComm is a registered trademark of Datastorm Technologies Inc.
1Microsoft Works ist ein Warenzeichen der Microsoft Corporation.
Framework II ist ein Warenzeichen der Microsoft Corporation
ProComm ist ein eingetragenes Warenzeichen von Datastorm Technologies Inc.
1Microsoft Work est une marque commerciale de Microsoft Corporation.
Framework II est une marque commerciale de Microsoft Corporation.
ProComm est une marque déposée de Datastorm Technologies Inc.