Lennox International Inc 21 Users Manual
505 to the manual c273c102-56ad-4d22-b746-df08339387bd
2015-02-09
: Lennox-International-Inc Lennox-International-Inc-21-Users-Manual-570886 lennox-international-inc-21-users-manual-570886 lennox-international-inc pdf
Open the PDF directly: View PDF
.
Page Count: 16

02/06 505,021M
*2P0206* *P505021M*
E2006 Lennox Industries Inc.
Dallas, Texas, USA
Humiditrol® EDA Series Unit
The Dave Lennox Signaturet Collection Humiditrol® En-
hanced Dehumidification Accessory (EDA) is designed for
installation with a Lennox R−410A split−system outdoor unit
and an air handler or a furnace with a variable speed blow-
er. This accessory is designed for indoor installations in ei-
ther upflow or horizontal air discharge applications. This
unit is for use only on R−410A systems with thermal
expansion valves.
Prior to installation, study the decision tree on page
16 to confirm that all application requirements for
EDA installation are met.
NOTE − For downflow application, refer to Installation In-
struction Supplement, Installing EDA Unit in Downflow
Configuration 505,134M.
Shipping & Packing List
S1 − Assembled EDA indoor unit
S1 − Bag assembly (includes check/flow restrictor for
use on EDA coil, EDA notification label).
S1 − Outdoor fan relay and wiring harness (used only
with outdoor units equipped with variable speed fan
motors)
Check the components for shipping damage. If any dam-
age is found, immediately contact the last carrier.
Other Required Components
Separately-ordered components are restricted to those
listed in the Engineering Handbook and the price book:
SSignatureStatt thermostat [Outdoor Sensor (46M98)
included],
− Single-stage (81M26)
− Multi−stage (81M27)
− Multi−stage heat-pump (81M28)
STwisted Pair Wire (84X49) for outdoor sensor to ther-
mostat − Required for use with SignatureStatt.
S75VA 24VAC indoor unit transformer (12P61) − Re-
quired when EDA unit is installed with a two-stage heat
pump system.
SHumiditrol® EDA Insulation and Piping Kit (refer to ap-
plications information in Lennox Engineering Hand-
book)
INSTALLATION/
SERVICE
INSTRUCTIONS
Humiditrol® Enhanced Dehumidification
Accessory (EDA) Units
ACCESSORIES
505,021M
02/06
Supersedes 01/06
RETAIN THESE INSTRUCTIONS
FOR FUTURE REFERENCE
Table of Contents
EDA Series Unit 1. . . . . . . . . . . . . . . . . . . . . . . . . . . . . . .
Shipping & Packing List 1. . . . . . . . . . . . . . . . . . . . . . . .
Other Required Components 1. . . . . . . . . . . . . . . . . . . .
General Information 1. . . . . . . . . . . . . . . . . . . . . . . . . . .
Unit Dimensions 2. . . . . . . . . . . . . . . . . . . . . . . . . . . . . . .
Installation Dimensions and Arrangement 3. . . . . . . . .
Component Functions 4. . . . . . . . . . . . . . . . . . . . . . . . . .
General Installation Information 5. . . . . . . . . . . . . . . . .
Electrical Wiring 5. . . . . . . . . . . . . . . . . . . . . . . . . . . . . . .
EDA Installation Flow Chart & Procedures 5. . . . . . . .
Leak Testing, Evacuation, Charging 8. . . . . . . . . . . . . .
Insulating and Sealing the Unit 9. . . . . . . . . . . . . . . . . .
Other System Components 9. . . . . . . . . . . . . . . . . . . . .
How the EDA Unit Works 10. . . . . . . . . . . . . . . . . . . . . . .
Cooling Mode with Dehumidification ON 10. . . . . . . . . .
Cooling Mode (Dehumidification OFF) 11. . . . . . . . . . . .
Heating Mode (Heat Pump Applications) 11. . . . . . . . . .
Air Resistance Table 13. . . . . . . . . . . . . . . . . . . . . . . . . . .
Repair Parts List 13. . . . . . . . . . . . . . . . . . . . . . . . . . . . . .
Wiring Diagrams 13. . . . . . . . . . . . . . . . . . . . . . . . . . . . . .
Decision Tree 16. . . . . . . . . . . . . . . . . . . . . . . . . . . . . . . . .
General Information
NOTE − These instructions are intended as a general guide
and do not supersede local codes in any way. Consult au-
thorities having jurisdiction before installation.
The Humiditrol® EDA unit will operate to dehumidify, as re-
quired, when ambient temperatures are below 95ºF. When
temperatures reach 95ºF, the cooling and dehumidification
requirements will both be satisfied by the increased sys-
tem runtime. In applications that include a Humiditrol®
EDA unit, a call to activate the dehumidification mode at or
above 95ºF is unnecessary and would not be issued or al-
lowed by the SignatureStatt room thermostat.
Prior to system checkout, consider the outdoor ambient
temperature. REMEMBER, the EDA unit does NOT
function in temperatures at or above 95ºF. Plan testing
to be conducted when temperatures are between 65ºF and
95ºF to ensure proper EDA set up and checkout operation.
IMPORTANT
The approved application for the EDA Series unit is
restricted to those listed in the Engineering Hand-
book and price book.
Litho U.S.A.

Page 2
EDA 01/06
WARNING
This cased product contains fiberglass wool. Dis-
turbing the insulation during installation, mainte-
nance, or repair will expose you to fiberglass wool
dust. Breathing this may cause lung cancer. (Fiber-
glass wool is known to the State of California to
cause cancer.)
Fiberglass wool may also cause respiratory, skin,
and eye irritation.
To reduce exposure to this substance or for further
information, consult material safety data sheets
available from address shown below, or contact
your supervisor.
Lennox Industries Inc.
P.O. Box 799900
Dallas, TX 75379−9900
WARNING
Risk of explosion or fire. Can cause
injury or death. Recover all refrigerant
to relieve pressure before opening the
system.
IMPORTANT
The Clean Air Act of 1990 bans the intentional vent-
ing of refrigerant (CFC’s, HFC’s, and HCFC’s) as of
July 1, 1992. Approved methods of recovery, recycl-
ing or reclaiming must be followed. Fines and/or in-
carceration may be levied for noncompliance.
Unit Dimensions
EDA Model Dimensions − Inches (mm) 11/16 (17)
Dimension EDA−024B EDA−036C EDA−060D
A17−1/2 (445) 21 (533) 24−1/2 (622)
B12−1/4 (311) 12−1/4 (311) 14 (356)
D
OUTLET
AIR
C16−1/8 (422) 19−5/8 (498) 23−1/8 (587) DAIR
OPENING
D16−1/8 (422) 19-5/8 (498) 23−1/8 (587)
11/16 20−3/4 11/16
E1−3/8 (35) 3−1/8 (79) 4−7/8 (124)
11/16
(17)
20
−
3/4
(527)
11/16
(17)
F3−1/8 (79) 4−7/8 (124) 6−5/8 (168)
G3 (76) 3−1/4 (83) 4−3/4 (121) 11/16 (17)
1−7/16 (37)
20−1/8
(511)
22−1/4
(565)
11/16 (17)
INLET AIR OPENING INLET AIR OPENING
9−1/2
(241)
11/16 (17)
C
B
A
E
G
F1−3/4
(44)
11/16 (17)
1
(25)
2−1/2
(64)
Check/Flow Restrictor
to Vapor Line Tee
Liquid Line
From Outdoor
Unit
Liquid Line to
Indoor TXV
Electrical
Inlet
To Charge Compensator
side connection

Page 3 EDA INSTALLATION/ SERVICE INSTRUCTIONS
Installation Dimensions and Arrangement
Figure 1
AIR FLOW
AIR FLOW
UP-FLOW FURNACE
UP-FLOW AIR
HANDLER
EDA−024B: 12−1/2
EDA−036C: 12−1/2
EDA−060D: 14
Varies by indoor
coil model; see
LENNOX
Engineering
Handbook.
Varies by air
handler model; see
LENNOX
Engineering
Handbook for
dimensions.
40
TYPICAL HORIZONTAL
POSITION (Furnace Shown)
EDA UNIT
FURNACE
INDOOR
COIL
12" (min.)
NOTES:
1. Transition is required for all air handlers; dimension
width and depth is dependent upon the air handler
and the EDA model used.
2. Transition is required between indoor coil and EDA
if 5 ton EDA unit is used with small profile furnace.
TYPICAL
UP−FLOW
POSITION
(Furnace Shown)
(TRANSITION
See Note 2) TRANSITION
(See Note 1)

Page 4
EDA 01/06
Component Functions
Charge CompensatorThe charge compensator
(shown in figure 5) serves to maintain the proper amount of
refrigerant circulating in larger systems. [Some systems
do not require a charge compensator, but do require a simi-
lar kit to connect into the system (see Engineering Hand-
book)]
The charge compensator stores excess refrigerant when
the EDA coil is active and returns it to the system during
normal cooling or heating operations. When the EDA coil is
active, less charge is required to obtain the proper amount
of subcooling because of the additional coil surface and
the cooler air which passes over the EDA coil.
Check/Flow RestrictorThe check function of the
check/flow restrictor (shown in figure 2) prevents refriger-
ant from flowing into the inactive components during times
when the EDA coil is inactive. The flow restrictor controls
the rate of return of charge to the system from the charge
compensator and the EDA coil when the system changes
from "EDA coil active" to "EDA coil inactive."
Figure 2
Check/Flow Restrictor Operation
O−RING SEALS
CHECK/FLOW
RESTRICTOR
CHECK/FLOW
RESTRICTOR FLOATS IN
CHATLEFF CONNECTOR
GREATER
PRESSURE
EDA
UNIT
GREATER
PRESSURE
EDA
UNIT
FROM
VAPOR
LINE
TEE
FROM
VAPOR
LINE
TEE
Valve AssemblyThe first valve of the diverting valve as-
sembly (figure 3, E) directs the flow of refrigerant to either
bypass the EDA coil (EDA coil is inactive) or pass through
the EDA coil (EDA coil is active).The second valve (figure 3
F) directs the flow of refrigerant back to the liquid line when
the first valve (E) allows flow through the EDA coil. When
the EDA coil is inactive, the second valve (F) provides a
vent path to the suction line, draining the EDA coil and
charge compensator of liquid refrigerant.
Figure 3
EDA−024B
EDA Unit Parts Arrangement
EDA−036C EDA−060D
3−WAY DIVERTING VALVE ASSEMBLY
EDA COIL
3−WAY DIVERTING VALVE ASSEMBLY
A − Liquid Line From Outdoor Unit
B − Liquid Line to Indoor TXV
C − Check/Flow Restrictor to Vapor
Line Tee
AB CD A B CD A B C D
EDA COIL
EDA COIL
D − To Charge Compensator side connection (1/4" line must be brazed closed on systems that do not
require the installation of a charge compensator)
E − EDA inactive mode − bypasses the EDA EDA active mode − allows refrigerant flow through EDA
F − EDA inactive mode − vent path to suction line; EDA active mode − directs refrigerant flow back to
liquid line
EFEF
3−WAY DIVERTING VALVE ASSEMBLY
EF

Page 5 EDA INSTALLATION/ SERVICE INSTRUCTIONS
General Installation Information
WARNING
Improper installation, adjustment, alteration, ser-
vice or maintenance can cause personal injury, loss
of life, or damage to property.
Installation and service must be performed by a
qualified installer or service agency.
The EDA unit may be used in upflow or horizontal dis-
charge installations. Slots around the inlet end of the EDA
cabinet are provided to secure the EDA unit to the duct
flanges of indoor coil/air handler cabinets. Use field-pro-
vided #8 x 1" long SDST screw (usually 6 required).
CAUTION
Physical contact with metal edges and corners
while applying excessive force or rapid motion can
result in personal injury. Be aware of, and use
caution when working nearby these areas during
installation or while servicing this equipment.
Refrigeration
All EDA coils are shipped with a combination check/flow
restrictor. The restrictor is provided in the bag assem-
bly and must be installed. Refer to the appropriate high
and/or low side installation instructions for information on
the appropriate line sets. Refer to Lennox Refrigerant Pip-
ing guide (Corp. 9351−L9) for proper size, type, and ap-
plication of field−fabricated lines.
Releasing Air Charge
NOTE − EDA units use dry air as a holding charge.
CAUTION
The EDA coil is shipped from the factory pressur-
ized with dry air. Pierce a hole in the coil’s rubber
plug vapor line seal to relieve the pressure before re-
moving the seals.
Ensure that the coil is void of pressure. Remove the rubber
plug from the lines.
NOTE − If there is no pressure when the plugs are pierced,
check the unit for leaks before continuing with the installa-
tion.
Refrigerant Line Connections
NOTE − When connecting lines, be careful to avoid damag-
ing the 3−way diverting valve access panel. Place a wet rag
against the piping plate and around the EDA unit line con-
nections. A wet rag heat shield must be in place during
brazing to guard against damage to the paint.
Electrical Wiring
Electrical wiring diagrams are provided in figures 12 and 13
(see pages 14 and 15). Some modifications to certain units
may be necessary. Review the diagrams before installa-
tion to ensure all necessary components are on hand at
time of installation.
EDA Installation and Checkout Flow Chart
Follow the procedures in the flow chart in figure 4 while re-
ferring to the illustration in figure 5 to install the EDA: and
associated components.

Page 6
EDA 01/06
Required Parts (all applications)
EDA Unit, with check/flow restrictor & label
Appropriate SignatureStatt Thermostat
46M98 − Outdoor Sensor
84X49 − Twisted Pair Wire
Appropriate Insulation and Piping Kit
Required Parts (2−Stage Heat Pump appl.)
12P61 − 75VA Transformer (for HP applications)
Installation Process
YES
NO
NO
YES
ENSURE ALL POWER IS OFF
INSTALL EDA UNIT IN DUCT
SYSTEM
INSTALL THE CHARGE
COMPENSATOR (IF REQUIRED)
IN CONVENIENT LOCATION
(SEE FIGURE 5)
MAKE ALL REFRIGERATION
CONNECTIONS, BEING SURE
TO INSTALL THE CHECK/FLOW
RESTRICTOR (SEE FIGURE 5)
LEAK CHECK THE SYSTEM
WITH 3−WAY VALVE ASSEMBLY
SET TO EVACUATE" (SEE
FIGURE 7)
INSULATE ALL REFRIGERANT
LINES
EVACUATE THE SYSTEM AS
DESCRIBED IN THE OUTDOOR
UNIT INSTALLATION
INSTRUCTIONS
INSTALL OUTDOOR SENSOR
PROCURE
MISSING PARTS
ARE
ALL REQUIRED
PARTS
AVAILABLE
?
IS
THE
OUTDOOR
TEMPERATURE
BELOW
95ºF
?
SET COOLING SETPOINT ON ROOM THERMOSTAT
TO 2 DEGREES ABOVE INDOOR TEMPERATURE
(OUTDOOR UNIT WILL TURN OFF)
NOTE − A Humiditrol® EDA−equipped system is allowed
to operate and cool room temperature below set point
(but only by 2ºF) when trying to satisfy a persisting hu-
midity set point.
DEHUMIDIFICATION
IS DE−ACTIVATED;
CHECK FOR
CORRECT
OPERATION AT A
TIME WHEN
AMBIENT
TEMPERATURE IS
BELOW 95ºF.
OUTDOOR UNIT:
COMPRESSOR IN HIGH STAGE;
FAN IN LOWEST SPEED;
EDA:
3−WAY VALVE ASSEMBLY TO DEHUMIDIFICATION"
POSITION
INDOOR UNIT:
FAN IN DEHUMIDIFICATION SPEED
CHECK THE TEMPERATURE DIFFERENCE
ACROSS THE EDA COIL AND THE LIQUID LINE
TEMPERATURES AS NOTED IN FIGURE 9 ON
PAGE 10
Check Dehumidification Operation
MAKE WIRING CONNECTIONS
AS SHOWN IN FIGURES 12 & 13
(SEE PAGES 14 AND 15)
INSTALL EDA" LABEL ON
OUTDOOR UNIT
POWER UP THE INDOOR UNIT
CHECK THAT 3−WAY VALVE
ASSEMBLY IS SET TO
COOLING" POSITION AS
SHOWN IN FIGURE 7
ENABLE HUMIDITROL ON
ROOM THERMOSTAT (SEE
FIGURE 8)
SET THERMOSTAT FOR
MAXIMUM COOLING
OPEN REFRIGERANT VALVES
TURN OUTDOOR UNIT MAIN
POWER ON
CHECK CHARGE AND CHARGE
AS NEEDED (SEE PAGE 8)
start
EDA Installation & Checkout Flow Chart
Figure 4
SET DEHUMIDIFICATION SETPOINT TO 5% BELOW
CURRENT ROOM RELATIVE HUMIDITY

Page 7 EDA INSTALLATION/ SERVICE INSTRUCTIONS
INDOOR
UNIT
OUTDOOR
UNIT
air−flow
Vapor
Line
Liquid
Line
Liquid Line from
Outdoor Unit
Liquid Line to
Indoor TXV
TXV
Vapor
Line
Liquid
Line
MUST BE INSULATED
MUST BE
INSULATED
EDA
CHARGE
COMPENSATOR
7/8 X 7/8 X
3/8 TEE
UPFLOW POSITION
Electrical Inlet
To Charge
Compensator side
connection (some
applications)
Check/Flow
Restrictor to Vapor
Line Tee
Liquid Line to
Indoor TXV
Liquid Line From
Outdoor Unit
AIR
FLOW
VAPOR LINE FROM
INDOOR COIL
Figure 5
Typical Installation (Horizontal Air Handler shown)
EDA UNIT
1/4" TUBING
CONNECTION −
MUST BE ON
BOTTOM OF
COMPENSATOR
IMPORTANT!
RESTRICTOR MUST BE INSERTED WITH O−RING
END OF RESTRICTOR TOWARD EDA UNIT FITTING.
TORQUE CHATLEFF CONNECTION TO 20 FT. LBS.
CHECK/FLOW
RESTRICTOR
AND O−RING
FITTING IN
EDA UNIT
TEFLON SEAL
USE REDUCER(S)
FROM CHARGE
COMPENSATOR KIT
(WHEN REQUIRED)
6 ft. max.
BETWEEN CHARGE
COMPENSATOR AND EDA USING
1/4" LINE PROVIDED IN CHARGE
COMPENSATOR KIT
2 ft. max.
DROP TO CHARGE
COMPENSATOR
CHARGE
COMPENSATOR
7/8 X 7/8 X
3/8 TEE
LIQUID LINE FROM
OUTDOOR UNIT
TYPICAL HORIZONTAL POSITION INSTALLATION
VAPOR LINE
FROM
OUTDOOR
UNIT
1/4" TUBING
CONNECTION − MUST
BE AT LOWEST POINT
OF THE COMPENSATOR
ELECTRICAL
INLET
TO CHARGE
COMPENSATOR SIDE
CONNECTION
CHECK/FLOW
RESTRICTOR TO
VAPOR LINE TEE
LIQUID LINE
TO INDOOR
TXV
VAPOR
LINE
FROM
INDOOR
COIL
Charge
Compensator
Details
USE REDUCER(S) FROM
CHARGE COMPENSATOR KIT
(WHEN REQUIRED)
TO CHECK/FLOW
RESTRICTOR ON EDA
USE REDUCER(S)
FROM CHARGE
COMPENSATOR KIT
(WHEN REQUIRED)
TO CHECK/FLOW
RESTRICTOR ON EDA
Check/Flow-
Restrictor
Details
1/4" PORT MUST
BE BRAZED
CLOSED
NO CHARGE
COMPENSATOR
OR 1/4" LINE
VAPOR LINE FROM
OUTDOOR UNIT
System without
compensator

Page 8
EDA 01/06
Leak Testing, Evacuating, Charging
IMPORTANT
The 3−way diverting valve actuator shaft setscrew
(see figure 7) is factory set and is not to be adjusted.
3−way Diverting Valve Operation
NOTE − During system operation, the 3-way valve requires
24-volt power to drive between cooling and dehumidifica-
tion.
The 3−way diverting valve is actually two valves connected
by a common shaft, designed to open one valve while clos-
ing the other, and vice versa. For evacuating (with power
off), the diverting valve can be REPOSITIONED using its
actuator lever, a long setscrew that has been factory-set to
a precise point on the common shaft. Do not loosen (un-
screw) the setscrew. Should the setscrew become
loose, carefully follow the note in figure 6 to position
and tighten it.
Re−aligning Setscrew
Figure 6
NOTE − Actuator shaft setscrew is factory set and must not be ad-
justed. If the set screw should become loose, use a pliers to grip the
shaft where shown (1) and rotate the shaft (in direction of the black
arrow) until the pin stops (inset shows pin and stops). Press the red
button (2) in the direction of the white arrow and move the lever (3)
to the forward position and tighten setscrew to 60 in-lbs torque.
STOP
PIN
SHAFT
STOP
2
3
1
Leak Testing, Evacuating, Charging
1. Set the 3−way diverting valve actuator shaft to the cen-
ter (evacuate) position for leak testing and evacuation
(see figure 7). IMPORTANT! The actuator shaft
must be set as described to allow the EDA to evac-
uate more quickly.
2. Refer to instructions provided with the outdoor unit for
leak testing, evacuating and charging procedures.
IMPORTANT
Prior to starting the outdoor unit for charging, be
sure the 3-way valve is energized and in the cool-
ing" (forward) position (see figure 7).
3. Very little charge is required for the additional volume
of the EDA unit. When in normal cooling, the compo-
nents will all be occupied by vapor that has very little
weight. At most (depending on the model) an addition-
al 1/4 pound of refrigerant may be required.
4. When shifting from dehumidify mode to cooling, or
vice versa, wait at least 10 minutes for the system to
reach stable operating pressure before checking tem-
peratures and pressures, or adjusting refrigerant
charge.
NOTE − Prior to starting the outdoor unit for charging,
set the thermostat to call for cooling (dehumidification
OFF). It will take about 90 seconds for the 3−way di-
verting valve to energize and shift to the cooling posi-
tion. To ensure that the 3-way diverting valve is ener-
gized and in the cooling" (forward) position, observe
the position of the 3-way diverting valve actuator shaft
setscrew in figure 7; if properly shifted, the setscrew
will be in the forward position.
1
2
Setting 3−Way Diverting Valve to
Evacuate Position
Figure 7
COOLING
(FORWARD)
EVACUATE
(CENTER)
DEHUMIDIFICATION
(REARWARD)
1. PUSH RED TAB IN DIRECTION INDICATED.
2. PUSH ACTUATOR SHAFT DOWN TOWARD THE
CENTER−OF−TRAVEL POSITION
5. The charge must be checked with the system in cool-
ing operation (dehumidification OFF). After testing
and charging as required, set the thermostat to force
a demand for dehumidification.

Page 9 EDA INSTALLATION/ SERVICE INSTRUCTIONS
Insulating and Sealing the Unit
IMPORTANT
All piping, metering devices, and connections must
be insulated to prevent moisture damage caused by
sweating.
Seal the unit so that warm air is not allowed into the cabi-
net. This is especially important when the unit is installed in
an unconditioned area. Make sure the liquid line entry
points are sealed with either refrigerant tube insulating ma-
terial or with Permagum (see figure 5 on page 7).
Other System Components
Blower Control
EDA units are to be applied with an indoor unit that has a
variable speed motor (VSM). Refer to the indoor unit instal-
lation instruction for setting blower speed.
Thermostat and Sensor
IMPORTANT
A SignatureStatt thermostat and properly-
connected outdoor sensor is REQUIRED for the
EDA unit to function properly. Twisted pair wire
(84X49 or equivalent) is REQUIRED between the
SignatureStat and the outdoor sensor.
Install the remote sensor on the outside of a northern wall
of the home, away from direct sunlight or other heat
sources that may affect its sensitivity.
Refer to the SignatureStatt thermostat Installation
Instructions for installation, wiring, and setup. Also refer to
the SignatureStatt Thermostat Programming Guide for
programming and settings.
To configure the thermostat for operation with a Humidi-
trol® system, first enable HUMIDITROL in the thermostat’s
installer settings (follow the path: MENU −> INSTALLER
SETTINGS −> HUMIDITROL − see figure 8, A and B).
Then, select HUMIDITROL mode from the DEHUMIDIFY
menu (follow the path: MENU −> DEHUMIDIFY). The user
control sequence is also shown in figure 8, C through H;
specifically:
STurn on Humiditrol − D & E
SSet level of dehumidification − F through H (adjustment
range is from 45% to 60% and is factory set to 50%)
If HUMIDITROL is enabled and the outdoor sensor is dis-
connected, operation is NOT allowed in dehumidification
mode. This is indicated by the display of "OUTSIDE ERR"
on the SignatureStatt thermostat Home screen.
Figure 8
Setting Thermostat
INSTALLER SETTINGS Y
AUTO CHANGEOVER ON
EER ON
DEADBAND 4.0°F
HUMIDITROL OFF
MAIN MENU SELECT B
HUMIDITROL
DISABLE
ENABLE
INSTALL MENU SELECT
MAIN MENU
PROGRAM
HEAT / COOL
HUMIDIFY ↓
DEHUMIDIFY
HOME SELECT
DEHUMIDIFY MENU
MODE OFF
DEHUMIDIFY 50%
MAIN MENU SELECT
DEHUMIDIFY
CONTROL
↑
↓
DEHUM MENU SELECT
%
50
Installer Setup
User Controls
DEHUMIDIFY MODE
OFF
HUMIDITROL
DEHUM MENU SELECT
DEHUMIDIFY MENU
MODE HUMIDITROL
DEHUMIDIFY 50%
MAIN MENU SELECT
DEHUMIDIFY MENU
MODE HUMIDITROL
DEHUMIDIFY 55%
MAIN MENU SELECT
AB
CD
EF
GH

Page 10
EDA 01/06
EDA Unit Operation
The EDA coil is added to an HVAC system downstream of
the indoor coil. In dehumidification mode, the coil becomes
an extension of the condenser coil and injects heat into the
indoor air stream.
This dehumidification mode allows significantly improved
control of the humidity in the conditioned space without
overcooling the space. The assembly includes a set of
3−way diverting valves which will either route refrigerant
through the EDA coil, or cause the refrigerant to bypass
the EDA coil, depending on the mode of operation.
Operation Notes
1. IMPORTANT REMINDER! Dehumidification will not
occur when the outside temperature is at or above
95ºF.
2. When operating in cooling (or heat pump heating)
mode, all temperatures and pressures will be as in a
normal system.
3. When the thermostat is in HUMIDITROL mode, and
after a cooling demand has been satisfied but a dehu-
midification demand persists and the room tempera-
ture is not more than 2°F below the setpoint, the air
handlers will operate at reduced airflow with the com-
pressor at high speed.
4. When the unit is in the dehumidification
mode, the display will show a raindrop"
icon with an imbedded negative sign and
the current relative humidity to its right.
Cooling Mode (Dehumidification ON)
If the room thermostat’s cooling demand has been satis-
fied but the dehumidification setting has not been satisfied,
the unit continues to run in dehumidification mode. The
room thermostat sends a signal to the EDA unit’s 3−way di-
verting valve assembly to begin operating in the dehumidi-
fication mode.
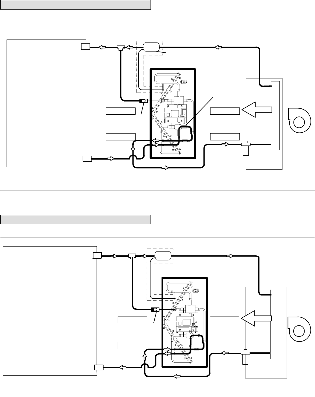
Figure 9 shows refrigerant flowing from the outdoor unit,
entering the EDA, passing through the first 3−way diverting
valve, then entering the EDA coil. There, heat from the
warm refrigerant is transferred into the indoor air stream.
The refrigerant exits the coil through the second 3−way di-
verting valve and into the indoor coil expansion valve.
During dehumidification, the indoor air blower (and outdoor
fan, if an outdoor relay is used) operates at a lower air vo-
lume. The cool, dehumidified air leaving the indoor coil is
warmed as it passes over the EDA coil. Air temperature
rise across the EDA coil can be from 10° to 25°F, depend-
ing on the operating ambient and air-conditioned space
conditions.
The warm vapor−liquid−refrigerant mixture entering the
EDA unit from the outdoor unit will be subcooled in the EDA
unit and enter the expansion valve at a lower-than-normal
temperature. Liquid temperatures can be in the 65° to 70°F
range, with a 10° to 40°F temperature change across the
EDA.
INDOOR
UNIT
INDOOR COIL
air flow
INDOOR
BLOWER
VAPOR
LINE VALVE
CHECK/
EXPANSION
VALVE
See note 1See note 1
NOTE 1. With EDA Coil Active, expect a 10 to 25ºF air temperature rise across EDA coils.
NOTE 2. With EDA Coil Active, expect a 10 to 40ºF liquid line temperature change across EDA coils.
NOTE 3. Charge compensator and 1/4" line not required on all systems. See Engineering Handbook.
See note 2 See note 2
CHECK/FLOW
RESTRICTOR
(flow permitted)
7/8 x 7/8 x
3/8 TEE
CHARGE COMPENSATOR
(holding some refrigerant)
See note 3.
LIQUID
LINE
VALVE
Cooling Cycle with EDA Coil Active (Model EDA−036C shown)
Figure 9
OUTDOOR UNIT
3−WAY
DIVERTING
VALVE

Page 11 EDA INSTALLATION/ SERVICE INSTRUCTIONS
Cooling Mode (Dehumidification OFF)
Figure 10 illustrates refrigerant flow in cooling mode (dehu-
midification mode OFF),
The liquid refrigerant from the outdoor unit enters the EDA
module . Since there is no demand for dehumidification,
the 3−way diverting valve assembly directs the flow back
out of the EDA module to the indoor unit expansion valve.
Cooling Cycle with EDA Coil Inactive (Model EDA−036C shown)
OUTDOOR UNIT INDOOR UNIT
INDOOR COIL
air flow
INDOOR
BLOWER
VAPOR
LINE VALVE
CHECK/
EXPANSION
VALVE
See note 1See note 1
See note 2 See note 2
7/8 x 7/8 x
3/8 TEE
CHARGE COMPENSATOR
(NOT holding refrigerant)
See note 3.
LIQUID
LINE
VALVE
Figure 10
3−WAY
DIVERTING
VALVE
NOTE 1. In Cooling Mode, no air temperature change across EDA coils.
NOTE 2. In Cooling Mode, no liquid line temperature change across EDA coils.
NOTE 3. Charge compensator and 1/4" line not required on all systems. See Engineering Handbook.
CHECK/FLOW
RESTRICTOR
(flow restricted)
Heating Mode (Heat Pump Applications)
Figure 11 illustrates refrigerant flow in the heating mode.
In heat pump application heating mode, a system that in-
cludes an EDA unit will operate as a conventional heat
pump. The EDA unit does not operate in this mode.
Heat Pump Heating Cycle with EDA Coil Inactive (Model EDA−036C shown)
OUTDOOR UNIT INDOOR UNIT
INDOOR COIL
air flow
INDOOR
BLOWER
VAPOR
LINE VALVE
CHECK/
EXPANSION
VALVE
See note 1See note 1
See note 2 See note 2
7/8 x 7/8 x
3/8 TEE
CHARGE COMPENSATOR
See note 3.
LIQUID
LINE
VALVE
Figure 11
NOTE 1. In Heating Mode, no air temperature change across EDA coils.
NOTE 2. In Heating Mode, no liquid line temperature change across EDA coils.
NOTE 3. Charge compensator and 1/4" line not required on all systems. See Engineering Handbook.
CHECK/FLOW
RESTRICTOR
(flow restricted)

Page 12
EDA 01/06
Check List
nCheckpoint What to Check Action
Thermostat and
Sensor
Wiring Confirm Sensor connected to SignatureStatt using twisted pair
wire (see wiring diagram figure 13)
Thermostat Humiditrol® Installer Settings Confirm HUMIDITROL is enabled (see figure 8)
Thermostat Humiditrol® User Settings Confirm HUMIDITROL − Dehumidify − ON is selected (see figure 8)
Thermostat Humiditrol® User Settings Confirm Relative Humidity setting (see figure 8)
Indoor Unit Variable-Speed Blower Settings Confirm Settings for D": CFM = 60% to 65% of 2nd-stage cool
(see indoor unit installation instructions and table 1, below)
Insulation Charge Compensator
C fi i l ti i l i t ll d ( h t kit
Insulation Liquid Line Confirm insulation is properly installed (see charge compensator kit
instructions; also, see figure 5)
Insulation Vent Line to Suction Line
instructions;
also
,
see
figure
5)
Charge Compen-
sator
1/4"Line Confirm 1/4" port oriented downward (see charge compensator
details, figure 5)
Check/Flow Re-
strictor
3/8" Line Confirm restrictor installed/oriented properly (see check/flow restric-
tor details figure 5)
System Charge Refrigerant With unit running in cooling mode, check and confirm system is
properly charged (see outdoor unit installation instructions).
Outdoor Unit Fan Relay Confirm (if unit has variable speed outdoor fan) relay is installed
properly (see wiring diagram figures 12 and 13)
Outdoor Unit EDA Label Confirm label is installed in prominent location and will be easily
visible during servicing.
NOTE − System will NOT operate in dehumidification mode with outdoor temperature at or above 95ºF.
Operational Status Dehumidification Mode Record supply air temperature and confirm temperature that it is
higher than in cooling mode.
Operational Status Dehumidification Mode On units with variable speed outdoor fan, check that fan operates
at approximately 250 rpm (lowest speed).
Table 1
Demand Signals − Humiditrol® EDA Enabled
Operating Sequence System Demand System Response
Thermostat Demand Relative Humidity
Com
Blower
CFM
System Type Step Y1 Y2 O G Status D
Com-
pressor
CFM
(Cool) % Comments
Cooling Operation − No call for dehumidification
Single-stage outdoor unit 1 ON (na) ON ON Acceptable 24 VAC High 100 Compressor and indoor
bl f ll th t t
Two-stage outdoor unit Y1 1 ON − ON ON Acceptable 24 VAC Low 70
p
blower follow thermostat
demand
Two-stage outdoor unit Y2 2 ON ON ON ON Acceptable 24 VAC High 100 demand
Demand for Dehumidification and Cooling
Single-stage outdoor unit 1 ON (na) ON ON Demand 24 VAC High 100 Cooling operation has
iit
Two-stage outdoor unit Y1 1 ON − ON ON Demand 24 VAC Low 70
gp
priority
Two-stage outdoor unit Y2 2 ON ON ON ON Demand 24 VAC High 100
Dehumidification Mode Only − No Cooling Demand
Single-stage outdoor unit 1 ON (na) ON ON Demand 0 VAC High 50 − 70* A Humiditrol® EDA−
equipped system is allowed
to operate and cool room
temperature below set point
(but only by 2ºF) when try-
Two-stage outdoor unit Y2 2 ON ON ON ON Demand 0 VAC High 50 − 70*
(but
only
by
2F)
when
try
ing to satisfy a persisting
humidity set point; it is not
allowed to operate at all
when outdoor temperature
is >95ºF.
* NOTE − Blower CFM speed (percentage) will vary depending on selected indoor equipment (furnace, coil blower, etc.).

Page 13 EDA INSTALLATION/ SERVICE INSTRUCTIONS
Air Resistance
Table 2 shows air volume and total air resistance for the
available EDA models.
Table 2
Air Resistance
Air Volume Total Air Resistance
Model No. cfm L/s in. w.g. Pa
EDA−024B 400 190 0.05 12
600 285 0.10 25
800 380 0.15 37
1000 470 0.22 55
EDA−036C 600 285 0.05 12
800 380 0.08 20
1000 470 0.11 27
1200 565 0.15 37
1400 660 0.20 50
EDA−060DB 1000 470 0.05 12
1200 565 0.06 15
1400 660 0.08 20
1600 755 0.10 25
1800 850 0.11 27
2000 945 0.13 32
2200 1040 0.15 37
Repair Parts
S3−way diverting valve assembly
SCheck/flow restrictor
SEDA Relay
SOutdoor unit relay
STeflon seals
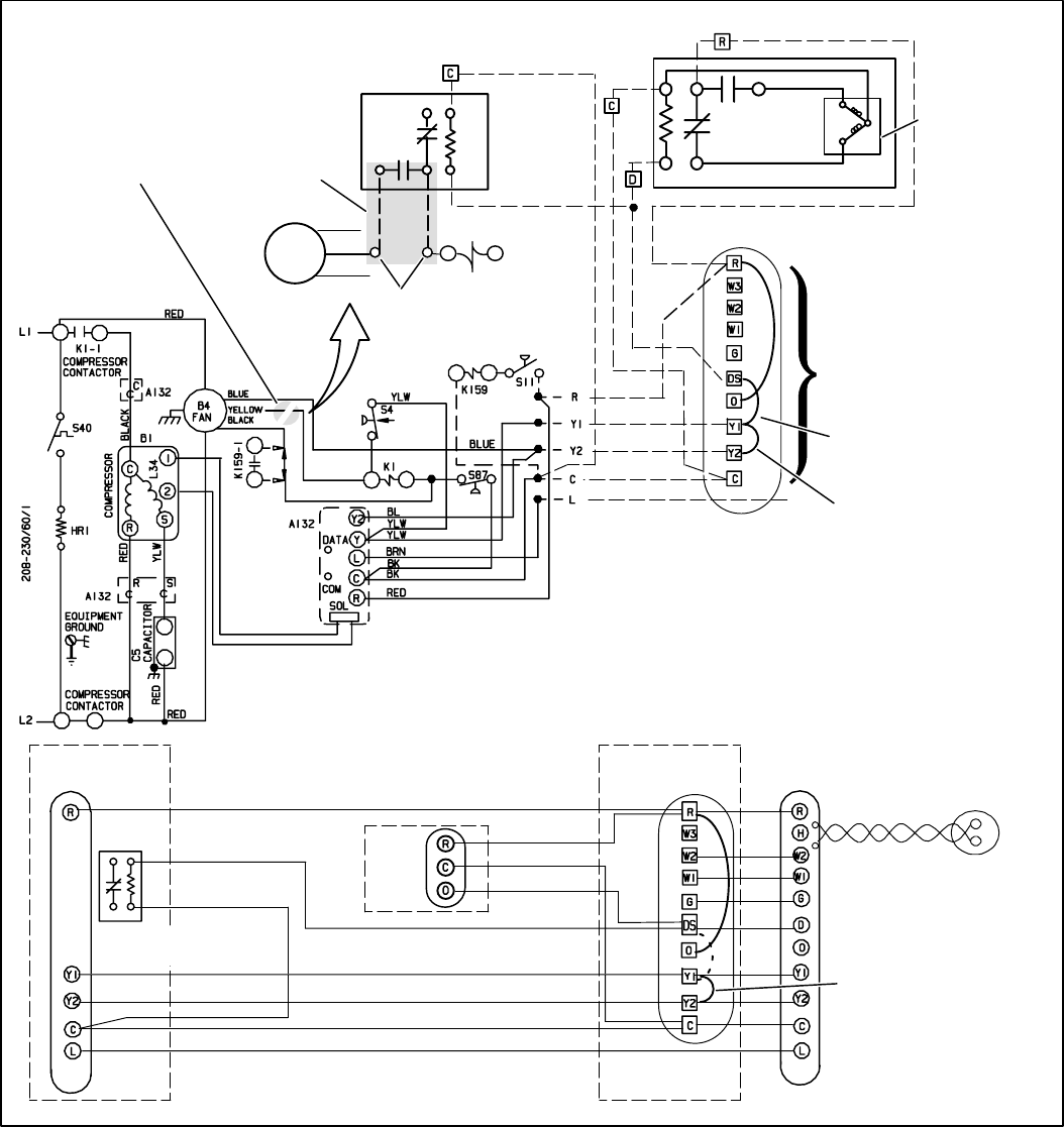
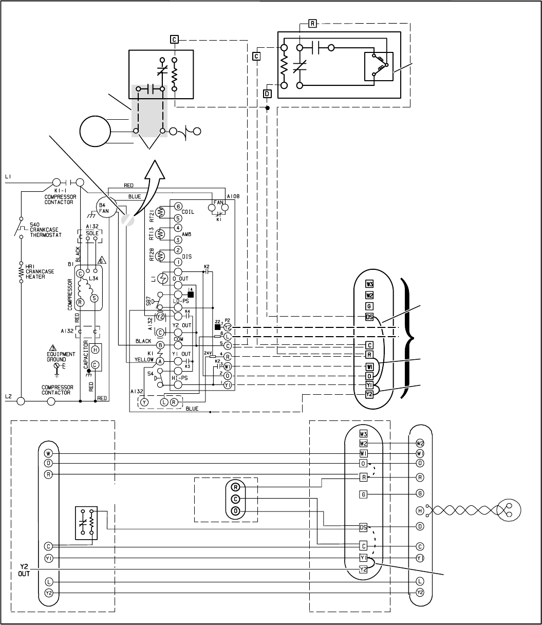
Wiring Diagrams
Typical condensing unit and heat pump wiring diagrams
are provided in figures 12 and 13. Some modifications to
certain units may be necessary.
Connect the EDA unit with the indoor and outdoor units,
and to the thermostat. Be sure the outdoor sensor is
installed and connected to the SignatureStatt thermo-
stat’s outdoor sensor terminal block. Table 3 shows the re-
quirements for control wiring.
Table 3
Control Wiring Requirements
Units: (all) (with LSOM) (without LSOM)
Signa-
Indoor unit to:
System
type
Si
gna-
tureS-
tatt to
Sensor
Humidi-
trol®
EDA
Signatu-
reStatt
Out-
door
unit
Signatu-
reStatt
Out-
door
unit
2 stage
AC 9* 6 8* 4
1 stage
AC 2
(twisted
3
8* 5 7* 3
2 stage
HP
(t
w
i
s
t
e
d
pair)
3
10* 8 9* 7
1 stage
HP 9* 7 8* 6
*Includes conductor for 2−stage heat

Page 14
EDA 01/06
Figure 12
Typical EDA/Condensing Unit Wiring Diagram
INDOOR
UNIT
B4
FAN
Blue
Yellow
Black
K1
1st, cut yellow
wire here.
Use Wirenuts
*OUTDOOR RELAY
NOT REQUIRED WITH SINGLE-
SPEED OUTDOOR FAN
EDA
Violet
Orange
OUTDOOR WIRING
(VSM APPLICATION
ONLY)
Purple
Black
Black
Purple
VALVE
ACTUATOR
Yellow
Yellow
2
2nd, rewire yellow
wire as shown
Red
75 1
3
5
RED (NOT REQUIRED FOR
APPLICATIONS WITHOUT LSOM)
YELLOW
BLUE (NOT REQUIRED FOR SINGLE STAGE)
BLACK
BROWN (NOT REQUIRED FOR
APPLICATIONS WITHOUT LSOM)
SignatureStatt
THERMOSTAT
INDOOR
UNIT
OUTDOOR
UNIT
TWISTED PAIR
PURPLE
OUTDOOR
SENSOR
(46M98)
RED
YELLOW
BLUE
BLACK
BROWN
BLACK
PURPLE
BLACK
RED
BLACK
Control Wiring
SEE CONTROL WIRING BELOW
FOR THERMOSTAT WIRING
DSY1 JUMPER − MUST BE
REMOVED FOR HUMIDITROL
OPERATION
Y1Y2 JUMPER − ONLY
REMOVE IF 2−STAGE COOLING
Y1Y2 JUMPER − IN FOR
SINGLE− STAGE COOLING;
REMOVED FOR 2−STAGE
COOLING
RED
BLACK
PURPLE
EDA
UNIT
FAN RELAY (NOT REQUIRED
WITH SINGLE-SPEED
OUTDOOR FAN)

Page 15 EDA INSTALLATION/ SERVICE INSTRUCTIONS
Typical EDA/Heat Pump Wiring Diagram
Figure 13
B4
FAN
Blue
Yellow
Black
K1
1st, cut
yellow wire
here.
Use Wirenuts
*OUTDOOR RELAY
NOT REQUIRED WITH SINGLE-
SPEED OUTDOOR FAN
EDA
Violet
Orange
Purple
Black
Black
Purple
VALVE
ACTUATOR
Yellow
Yellow
2
2nd, rewire
yellow wire
as shown
75 1
3
5
BLACK
PURPLE
BLACK
RED
OUTDOOR
WIRING
(VSM
APPLICATION
ONLY)
Y1Y2 JUMPER − IN FOR
SINGLE− STAGE COOLING;
REMOVED FOR 2−STAGE
COOLING
INDOOR
UNIT
BLUE
BROWN
DSY1 JUMPER − MUST BE
REMOVED FOR HUMIDITROL
OPERATION
SEE CONTROL WIRING BELOW
FOR THERMOSTAT
WONNECTIONS
RO JUMPER − MUST BE
REMOVED FOR HEAT PUMP
APPLICATION
Y1Y2 JUMPER − ONLY
REMOVE IF 2−STAGE COOLING
BLUE
YELLOW
BLUE (NOT REQUIRED FOR SINGLE STAGE)
BROWN (NOT REQUIRED FOR APPLICATIONS WITHOUT LSOM)
RED
BLACK
PURPLE
SignatureStatt
THERMOSTAT
INDOOR
UNIT
OUTDOOR
UNIT
EDA
UNIT TWISTED PAIR
PURPLE
OUTDOOR
SENSOR
(46M98)
BLACK
Control Wiring
BLUE
RED
FAN RELAY (NOT REQUIRED
WITH SINGLE-SPEED
OUTDOOR FAN)

Page 16
EDA 01/06
Upflow/horizontal
NOTE − AIR HANDLER REQUIRES
FIELD−FABRICATED TRANSITION
BETWEEN BLOWER OUTLET
AND EDA COIL.
[If furnace]
Select indoor
coil
MUST BE TXV ONLY
Figure 14
Humiditrol® Enhanced Dehumidification Accessory (EDA)
Decision Tree
Select EDA
(REFER TO EDA ENGINEERING HANDBOOK)
X = PREFERRED MATCH−UP
A = ALLOWED FOR PHYSICAL MATCH−UP TO EVAPORATOR
HUMIDITROL® EDA
CAPACITY −024B −036C −060D
94M41 94M42 94M43
−018 X A
−024 X A
−030 X A
−036 X A
−042 X
−048 X
−060 X
Desired
equipment
matchup listed in
EDA Engineering
Handbook?
Zoning
application?
Application
Not Approved
DO NOT
INSTALL
START
Must use one of
these variable
speed indoor
units:
CBX32MV, CBWMV,
G60UHV, G60DFV,
G61MPV ONLY!
Must use one of
these outdoor units:
XC21, XP19, XC13, XP13
ONLY!
NOTE − Lennox warranties do
not cover damage or defect
resulting from operation with
system components (indoor unit,
outdoor unit, and refrigerant
control devices) which do not
match or meet the specifications
recommended by Lennox. This
unit intended to operate with
variable speed air handlers − see
Lennox Engineering Handbook
for approved matches.
YES
NO
YES
INSTALL
SYSTEM
NO
Must be valid ARI rated match (refer to outdoor unit Engineering Handbook)
Select Piping Kit
(REFER TO EDA ENGINEERING HANDBOOK AND
INSULATION & PIPING KIT INSTRUCTIONS 505,021M)
CAPACITY OUTDOOR UNIT MODEL PIPING KIT
−018 XC13 98M62
XP13 94M44
−024 XC13 98M62
XP13, XP19, XC21 94M44
−030 XC13, XP13 98M22
−036 XC13 98M22
XP13, XP19, XC21 94M44
−042 XC13 98M22
XP13 94M44
−048 XC13 98M22
XP13, XP19, XC21 94M44
−060 XC13 98M22
XP13, XP19, XC21 94M44
Downflow
NOTE − REQUIRES ADDITIONAL
FIELD−FABRICATED SUPPORT
FRAME & TRANSITION; SEE
INSTALLATION SUPPLEMENT
505,134M
Upflow/
Horizontal Downflow
How
installed
?
Is
dealer
R−410A & EDA
trained
?
Obtain R−410A &
EDA training
YES
NO