Lennox International Inc Furnace Dave Signature Collection Gas Upflow Horizontal Air Dis 506763a
Lennox International Inc. Furnace SL280UH070V36A Lennox_SL280UHV_IOM
DAVE LENNOX SIGNATURE COLLECTION GAS FURNACE UPFLOW HORIZONTAL AIR DISCHARGE to the manual 33807615-f9a6-4b72-ba73-52431e7cefef
2015-02-09
: Lennox-International-Inc Lennox-International-Inc-Lennox-International-Inc-Furnace-Dave-Lennox-Signature-Collection-Gas-Furnace-Upflow-Horizontal-Air-Dis lennox-international-inc-lennox-international-inc-furnace-dave-lennox-signature-collection-gas-furnace-upflow-horizontal-air-discharge-users-manual-570968 lennox-international-inc pdf
Open the PDF directly: View PDF
.
Page Count: 72

Page 1
06/11
*2P0611*
506763−01
*P506763-01*
2011 Lennox Industries Inc.
Dallas, Texas, USA
UPFLOW
HORIZONTAL LEFT HORIZONTAL RIGHT
AIR FLOW
AIR FLOWAIR FLOW
WARNING
Improper installation, adjustment, alteration, service
or maintenance can cause property damage, person-
al injury or loss of life. Installation and service must
be performed by a licensed professional installer (or
equivalent), service agency or the gas supplier.
INSTALLATION
INSTRUCTIONS
SL280UHV
DAVE LENNOX SIGNATURE®
COLLECTION GAS FURNACE
UPFLOW / HORIZONTAL AIR DISCHARGE
506763−01
06/2011
Supersedes 03/2011
THIS MANUAL MUST BE LEFT WITH THE
HOMEOWNER FOR FUTURE REFERENCE
This a safety alert symbol and should never be ignored.
When you see this symbol on labels or in manuals, be alert
to the potential for personal injury or death.
CAUTION
As with any mechanical equipment, personal injury
can result from contact with sharp sheet metal
edges. Be careful when you handle this equipment.
NOTICE
A thermostat is not included and must be ordered
separately.
The Lennox icomfort Touch® thermostat must be
used in communicating applications.
In non−communicating applications, the Lennox
ComfortSense® 7000 thermostat may be used, as
well as other non−communicating thermostats.
In all cases, setup is critical to ensure proper sys-
tem operation.
Field wiring for both communicating and non−com-
municating applications is illustrated in diagrams,
which begin on Page 27.
Table of Contents
Unit Dimensions 2. . . . . . . . . . . . . . . . . . . . . . . . . . . . . . . .
Parts Arrangement 3. . . . . . . . . . . . . . . . . . . . . . . . . . . . . .
SL280UHV Gas Furnace 4. . . . . . . . . . . . . . . . . . . . . . . . .
Shipping and Packing List 4. . . . . . . . . . . . . . . . . . . . . . . .
Safety Information 4. . . . . . . . . . . . . . . . . . . . . . . . . . . . . . .
Use of Furnace as a Construction Heater 5. . . . . . . . . . .
General 5. . . . . . . . . . . . . . . . . . . . . . . . . . . . . . . . . . . . . . . .
Combustion, Dilution & Ventilation Air 6. . . . . . . . . . . . . .
Setting Equipment 9. . . . . . . . . . . . . . . . . . . . . . . . . . . . . . .
Filters 12. . . . . . . . . . . . . . . . . . . . . . . . . . . . . . . . . . . . . . . . . .
Duct System 12. . . . . . . . . . . . . . . . . . . . . . . . . . . . . . . . . . . .
Venting 13. . . . . . . . . . . . . . . . . . . . . . . . . . . . . . . . . . . . . . . .
Gas Piping 23. . . . . . . . . . . . . . . . . . . . . . . . . . . . . . . . . . . . .
Electrical 25. . . . . . . . . . . . . . . . . . . . . . . . . . . . . . . . . . . . . . .
Integrated Control Settings 36. . . . . . . . . . . . . . . . . . . . . . .
Blower Performance Data 39. . . . . . . . . . . . . . . . . . . . . . . .
Unit Start−Up 51. . . . . . . . . . . . . . . . . . . . . . . . . . . . . . . . . . . .
Gas Pressure Adjustment 52. . . . . . . . . . . . . . . . . . . . . . . .
Proper Combustion 52. . . . . . . . . . . . . . . . . . . . . . . . . . . . . .
High Altitude 53. . . . . . . . . . . . . . . . . . . . . . . . . . . . . . . . . . . .
Other Unit Adjustments 54. . . . . . . . . . . . . . . . . . . . . . . . . .
Heating Sequence of Operation 54. . . . . . . . . . . . . . . . . . .
Service 56. . . . . . . . . . . . . . . . . . . . . . . . . . . . . . . . . . . . . . . .
Planned Service 59. . . . . . . . . . . . . . . . . . . . . . . . . . . . . . . .
Repair Parts List 59. . . . . . . . . . . . . . . . . . . . . . . . . . . . . . . .
Integrated Control Diagnostic Codes 60. . . . . . . . . . . . . . .
Program Unit Capacity/Size Mode 67. . . . . . . . . . . . . . . . .
Troubleshooting 68. . . . . . . . . . . . . . . . . . . . . . . . . . . . . . . . .
Litho U.S.A.

Page 2
Unit Dimensions − inches (mm)
1NOTE − 60C and 60D units that require air volumes over 1800 cfm
(850 L/s) must have one of the following:
1. Return air from single side transition will accommodate 20 x 25 x1 in.
(508 x 635 x 25) cleanable air filter. (Required to maintain proper air
velocity)
2. Single side return air with optional RAB Return
Air Base.
3. Return air from bottom and one side.
4. Return air from both sides.
5. Return air from bottom.
See blower performance tables for additional information
2Flue outlet may be horizontal but furnace must be
vented vertically
3Optional external side return air filter kit cannot be used
with the optional RAB Return Air Base.
AIR FLOW
(19)
3/4
(19)
1 Bottom Return
Air Opening
FRONT VIEW
A
B9/16 (14)
C
3/4
33
(838)
16
(406)
14−3/4
(375)
3 OPTIONAL
EXTERNAL
SIDE RETURN
AIR FILTER KIT
(Either Side)
5/8
(16)
FLUE OUTLET
(Top)
SUPPLY AIR
OPENING
TOP VIEW
D
3 OPTIONAL
EXTERNAL
SIDE RETURN
AIR FILTER KIT
(Either Side)
23−3/4
(603)
25
(635)
23
(584)
GAS PIPING INLET
(Either Side)
Side Return
Air Opening
(Either Side)
1Bottom Return
ELECTRICAL INLET
(Either Side)
27−3/4
(705)
19−7/16
(494)
23−1/2
(597)
1−1/2
(38)
9−1/8 (232) Right
8−5/8 (219) Left
5−3/8 (137) Right
1−15/16 (49)
14
(356)
9/16
(14)
3 (76) Right
2FLUE OUTLET
(Either Side)
3−1/4 (83)
1
3−1/4
(83)
SIDE VIEW
3−1/8 (79)
1−1/2 (38)
Front Panel
7 (178) Left
2−3/4 (70) Left
Model No. A B C D
in. mm, in. mm in. mm in. mm
SL280UH070V36A 14−1/2 368 13−3/8 340 13 330 4−3/4 121
SL280UH090V36B
SL280UH090V48B 17−1/2 446 16−3/8 416 16 406 6−1/4 159
SL280UH090V60C
SL280UH110V60C 21 533 19−7/8 504 19 1/2 495 8 203
SL280UH135V60D 24−1/2 622 23−3/8 546 23 584 9−3/4 248

Page 3
Parts Arrangement
FIGURE 1
HEAT EXCHANGER
CABINET
COMBUSTION AIR INDUCER
BLOWER
ASSEMBLY
BURNER BOX
INNER BLOWER
ACCESS PANEL
ACCESS PANEL
SIGHT GLASS
COMBUSTION AIR INDUCER
PRESSURE SWITCH
GAS VALVE
CONTROL BOX
(Includes two−stage integrated control,
transformer and circuit breaker)
ROLLOUT SWITCH

Page 4
SL280UHV Gas Furnace
The SL280UHV gas furnace is equipped with a two−stage,
variable speed integrated control. the control is compat-
ible with:
Communicating thermostats − icomfort Touch®.
Non−comunicating thermostats − ComfortSense or other
conventional thermostats.
Control systems − Harmony III Zone Control System
(non−communicating).
Each SL280UHV unit is shipped ready for installation in
the upflow or horizontal position (left or right). The furnace
is shipped with the bottom panel in place. The bottom pan-
el must be removed if the unit is to be installed in a horizon-
tal application. The panel may also be removed in upflow
applications.
Shipping and Packing List
Package 1 of 1 contains
1 − Assembled SL280UHV unit
1 − Bag assembly containing the following:
2 − Screws
1 − Snap bushing
1 − Snap plug
1 − Wire tie
1 − Vent warning label
1 − Owner’s manual and warranty card
The following items may be ordered separately:
1 − Thermostat
1 − Suspension Kit (for horizontal installations)
1 − Propane/LP changeover kit
1 − Return air base
1 − High altitude kit
1 − Side filter kit
Check equipment for shipping damage. If you find any
damage, immediately contact the last carrier.
Safety Information
DANGER
Danger of explosion.
There are circumstances in which odorant used with
LP/propane gas can lose its scent. In case of a leak,
LP/propane gas will settle close to the floor and may
be difficult to smell. An LP/propane leak detector
should be installed in all LP applications.
WARNING
Improper installation, adjustment, alteration, service
or maintenance can cause property damage, person-
al injury or loss of life. Installation and service must
be performed by a licensed professional installer (or
equivalent), service agency or the gas supplier.
CAUTION
As with any mechanical equipment, personal injury
can result from contact with sharp sheet metal
edges. Be careful when you handle this equipment.
Certifications
SL280UHV units are CSA International certified to ANSI
Z21.47.
In the USA, installation of gas furnaces must conform with
local building codes. In the absence of local codes, units
must be installed according to the current National Fuel
Gas Code (ANSI-Z223.1). The National Fuel Gas Code is
available from the following address:
American National Standards Institute, Inc.
11 West 42nd Street
New York, NY 10036
Clearances
Adequate clearance must be made around the air open-
ings into the vestibule area. In order to ensure proper unit
operation, combustion and ventilation air supply must be
provided according to the current National Fuel Gas Code.
Vent installations must be consistent with the venting
tables (in this instruction) and applicable provisions of local
building codes.
This furnace is CSA International certified for installation
clearances to combustible material as listed on the unit
nameplate and in the tables in figures 7 and 11. Accessibility
and service clearances must take precedence over fire
protection clearances.
NOTE − For installation on combustible floors, the furnace
shall not be installed directly on carpeting, tile, or other
combustible material other than wood flooring.
Installed Locations
For installation in a residential garage, the furnace must
be installed so that the burner(s) and the ignition source
are located no less than 18 inches (457 mm) above the
floor. The furnace must be located or protected to avoid
physical damage by vehicles. When a furnace is installed
in a public garage, hangar, or other building that has a haz-
ardous atmosphere, the furnace must be installed accord-
ing to recommended good practice requirements and cur-
rent National Fuel Gas Code.

Page 5
Temperature Rise
NOTE − Furnace must be adjusted to obtain a temperature
rise(high and low fire) within the range(s) specified on the unit
nameplate. Failure to do so may cause erratic limit operation
and may result in premature heat exchanger failure.
This SL280UHV furnace must be installed so that its elec-
trical components are protected from water.
Installed in Combination with a Cooling Coil
When this furnace is used with cooling units, it shall be
installed in parallel with, or on the upstream side of, cooling
units to avoid condensation in the heating compartment.
See figure 1. With a parallel flow arrangement, a damper (or
other means to control the flow of air) must adequately pre-
vent chilled air from entering the furnace. If the damper is
manually operated, it must be equipped to prevent operation
of either the heating or the cooling unit, unless it is in the full
HEAT or COOL setting. See figure 1.
FIGURE 1
Gas Unit
Heating Unit Installed Upstream of Cooling Unit
Gas Unit
Dampers
(open during heating operation only)
Dampers
(open during cooling operation only)
Heating Unit Installed Parallell to Air Handler Unit
Air Handler Unit
Evaporator
When installed, this furnace must be electrically grounded
according to local codes. In addition, in the United States,
installation must conform with the current National Elec-
tric Code, ANSI/NFPA No. 70. The National Electric Code
(ANSI/NFPA No. 70) is available from the following ad-
dress:
National Fire Protection Association
1 Battery March Park
Quincy, MA 02269
NOTE − This furnace is designed for a minimum continu-
ous return air temperature of 60°F (16°C) or an intermit-
tent operation down to 55°F (13°C) dry bulb for cases
where a night setback thermostat is used. Return air tem-
perature must not exceed 85°F (29°C) dry bulb.
The SL280UHV furnace may be installed in alcoves, clos-
ets, attics, basements, garages, and utility rooms in the up-
flow or horizontal position.
This furnace is not designed for installation in mobile
homes, recreational vehicles, or outdoors.
Never use an open flame to test for gas leaks. Check all
connections using a commercially available soap solution
made specifically for leak detection.
Use of Furnace as Construction Heater
Lennox does not recommend the use of SL280UHV units
as a construction heater during any phase of construction.
Very low return air temperatures, harmful vapors and op-
eration of the unit with clogged or misplaced filters will dam-
age the unit.
SL280UHV units may be used for heating of buildings or
structures under construction, if the following conditions
are met:
The vent system must be permanently installed per
these installation instructions.
A room thermostat must control the furnace. The use of
fixed jumpers that will provide continuous heating is not
allowed.
The return air duct must be provided and sealed to the
furnace.
Return air temperature range between 60°F (16°C) and
80°F (27°C) must be maintained.
Air filters must be installed in the system and must be
maintained during construction.
Air filters must be replaced upon construction comple-
tion.
The input rate and temperature rise must be set per the
furnace rating plate.
One hundred percent (100%) outdoor air must be pro-
vided for combustion air requirements during construc-
tion. Temporary ducting may supply outdoor air to the
furnace. Do not connect duct directly to the furnace.
Size the temporary duct following these instructions in
section for Combustion, Dilution and Ventilation Air in a
confined space with air from outside.
The furnace heat exchanger, components, duct system,
air filters and evaporator coils must be thoroughly
cleaned following final construction clean−up.
All furnace operating conditions (including ignition, in-
put rate, temperature rise and venting) must be verified
according to these installation instructions.
General
These instructions are intended as a general guide and do
not supersede local codes in any way. Consult authorities
having jurisdiction before installation.
In addition to the requirements outlined previously, the fol-
lowing general recommendations must be considered
when installing a SL280UHV furnace:

Page 6
Place the furnace as close to the center of the air dis-
tribution system as possible. The furnace should also be
located close to the chimney or vent termination point.
Do not install the furnace where drafts might blow direct-
ly into it. This could cause improper combustion and un-
safe operation.
Do not block the furnace combustion air openings with
clothing, boxes, doors, etc. Air is needed for proper
combustion and safe unit operation.
When the furnace is installed in an attic or other insu-
lated space, keep insulation away from the furnace.
NOTE − The Commonwealth of Massachusetts stipu-
lates these additional requirements:
DGas furnaces shall be installed by a licensed plumb-
er or fitter only.
DThe gas cock must be T handle" type.
DWhen a furnace is installed in an attic, the passage-
way to and service area surrounding the equipment
shall be floored.
WARNING
Product contains fiberglass wool.
Disturbing the insulation in this product during
installation, maintenance, or repair will expose you
to fiberglass wool. Breathing this may cause lung
cancer. (Fiberglass wool is known to the State of Cal-
ifornia to cause cancer.)
Fiberglass wool may also cause respiratory, skin,
and eye irritation.
To reduce exposure to this substance or for further
information, consult material safety data sheets
available from address shown below, or contact your
supervisor.
Lennox Industries Inc.
P.O. Box 799900
Dallas, TX 75379−9900
Combustion, Dilution & Ventilation Air
In the past, there was no problem in bringing in sufficient out-
door air for combustion. Infiltration provided all the air that
was needed. In today’s homes, tight construction practices
make it necessary to bring in air from outside for combus-
tion. Take into account that exhaust fans, appliance vents,
chimneys, and fireplaces force additional air that could be
used for combustion out of the house. Unless outside air is
brought into the house for combustion, negative pressure
(outside pressure is greater than inside pressure) will build
to the point that a downdraft can occur in the furnace vent
pipe or chimney. As a result, combustion gases enter the liv-
ing space creating a potentially dangerous situation.
In the absence of local codes concerning air for combus-
tion and ventilation, use the guidelines and procedures in
this section to install SL280UHV furnaces to ensure effi-
cient and safe operation. You must consider combustion air
needs and requirements for exhaust vents and gas piping.
A portion of this information has been reprinted with per-
mission from the National Fuel Gas Code (ANSI-Z223.1).
This reprinted material is not the complete and official posi-
tion of the ANSI on the referenced subject, which is repre-
sented only by the standard in its entirety.
CAUTION
Do not install the furnace in a corrosive or contami-
nated atmosphere. Meet all combustion and ventila-
tion air requirements, as well as all local codes.
CAUTION
Insufficient combustion air can cause headaches,
nausea, dizziness or asphyxiation. It will also cause
excess water in the heat exchanger resulting in rust-
ing and premature heat exchanger failure. Excessive
exposure to contaminated combustion air will result
in safety and performance related problems. Avoid
exposure to the following substances in the combus-
tion air supply:
Permanent wave solutions
Chlorinated waxes and cleaners
Chlorine base swimming pool chemicals
Water softening chemicals
De-icing salts or chemicals
Carbon tetrachloride
Halogen type refrigerants
Cleaning solvents (such as perchloroethylene)
Printing inks, paint removers, varnishes, etc.
Hydrochloric acid
Cements and glues
Antistatic fabric softeners for clothes dryers
Masonry acid washing materials
All gas-fired appliances require air for the combustion pro-
cess. If sufficient combustion air is not available, the fur-
nace or other appliances will operate inefficiently and un-
safely. Enough air must be provided to meet the needs of all
fuel-burning appliances and appliances such as exhaust
fans which force air out of the house. When fireplaces, ex-
haust fans, or clothes dryers are used at the same time as
the furnace, much more air is necessary to ensure proper
combustion and to prevent a downdraft. Insufficient air
causes incomplete combustion which can result in carbon
monoxide.
In addition to providing combustion air, fresh outdoor air
dilutes contaminants in the indoor air. These contami-
nants may include bleaches, adhesives, detergents, sol-
vents and other contaminants which can corrode furnace
components.
The requirements for providing air for combustion and ven-
tilation depend largely on whether the furnace is installed in
an unconfined or a confined space.

Page 7
Unconfined Space
An unconfined space is an area such as a basement or
large equipment room with a volume greater than 50 cubic
feet (1.42 m3) per 1,000 Btu (.29 kW) per hour of the com-
bined input rating of all appliances installed in that space.
This space also includes adjacent rooms which are not
separated by a door. Though an area may appear to be un-
confined, it might be necessary to bring in outdoor air for
combustion if the structure does not provide enough air by
infiltration. If the furnace is located in a building of tight
construction with weather stripping and caulking around
the windows and doors, follow the procedures in the air
from outside section.
Confined Space
A confined space is an area with a volume less than 50 cu-
bic feet (1.42 m3) per 1,000 Btu (.29 kW) per hour of the
combined input rating of all appliances installed in that
space. This definition includes furnace closets or small
equipment rooms.
When the furnace is installed so that supply ducts carry air
circulated by the furnace to areas outside the space contain-
ing the furnace, the return air must be handled by ducts
which are sealed to the furnace casing and which terminate
outside the space containing the furnace. This is especially
important when the furnace is mounted on a platform in a
confined space such as a closet or small equipment room.
Even a small leak around the base of the unit at the platform
or at the return air duct connection can cause a potentially
dangerous negative pressure condition. Air for combustion
and ventilation can be brought into the confined space either
from inside the building or from outside.
EQUIPMENT IN CONFINED
SPACE ALL AIR FROM INSIDE
CHIMNEY
OR GAS
VENT
FURNACE
WATER
HEATER
OPENINGS
(To Adjacent
Room)
NOTE − Each opening shall have a free area of at least one square
inch (645 mm2) per 1,000 Btu (.29 kW) per hour of the total input rat-
ing of all equipment in the enclosure, but not less than 100 square
inches (64516 mm2).
AIR FLOW
FIGURE 2
Air from Inside
If the confined space that houses the furnace adjoins a
space categorized as unconfined, air can be brought in by
providing two permanent openings between the two
spaces. Each opening must have a minimum free area of 1
square inch (645 mm2) per 1,000 Btu (.29 kW) per hour of
total input rating of all gas−fired equipment in the confined
space. Each opening must be at least 100 square inches
(64516 mm2). One opening shall be within 12 inches (305
mm) of the top of the enclosure and one opening within 12
inches (305 mm) of the bottom. See figure 2.
Air from Outside
If air from outside is brought in for combustion and ventila-
tion, the confined space must have two permanent open-
ings. One opening shall be within 12 inches (305 mm) of the
top of the enclosure and one opening within 12 inches (305
mm) of the bottom. These openings must communicate di-
rectly or by ducts with the outdoors or spaces (crawl or at-
tic) that freely communicate with the outdoors or indirectly
through vertical ducts. Each opening shall have a minimum
free area of 1 square inch (645 mm2) per 4,000 Btu (1.17
kW) per hour of total input rating of all equipment in the en-
closure. See figures 3 and 4. When communicating with
the outdoors through horizontal ducts, each opening shall
have a minimum free area of 1 square inch (645 mm2) per
2,000 Btu (.56 kW) per total input rating of all equipment in
the enclosure. See figure 5.
When ducts are used, they shall be of the same cross−sec-
tional area as the free area of the openings to which they
connect. The minimum dimension of rectangular air ducts
shall be no less than 3 inches (75 mm). In calculating free
area, the blocking effect of louvers, grilles, or screens must
be considered. If the design and free area of protective cov-
ering is not known for calculating the size opening required,
it may be assumed that wood louvers will have 20 to 25 per-
cent free area and metal louvers and grilles will have 60 to
75 percent free area. Louvers and grilles must be fixed in the
open position or interlocked with the equipment so that they
are opened automatically during equipment operation.

Page 8
EQUIPMENT IN CONFINED SPACE
ALL AIR FROM OUTSIDE
(Inlet Air from Crawlspace and Outlet Air to Ventilated Attic)
NOTE−The inlet and outlet air openings shall each have a free area of at least one square inch (645
mm2) per 4,000 Btu (1.17 kW) per hour of the total input rating of all equipment in the enclosure.
VENTILATION LOUVERS
(Each end of attic)
OUTLET
AIR WATER
HEATER
INLET
AIR
CHIMNEY OR
GAS VENT
FURNACE
VENTILATION
LOUVERS
(For unheated crawl space)
AIR FLOW
FIGURE 3
EQUIPMENT IN CONFINED SPACE
ALL AIR FROM OUTSIDE
(All Air Through Ventilated Attic)
NOTE−The inlet and outlet air openings shall each have a
free area of at least one square inch (645 mm2) per 4,000
Btu (1.17 kW) per hour of the total input rating of all equip-
ment in the enclosure.
CHIMNEY
OR GAS
VENT
WATER
HEATER
OUTLET
AIR
VENTILATION LOUVERS
(Each end of attic)
INLET AIR
(Ends 12 in.
above bottom)
FURNACE
AIR FLOW
FIGURE 4
EQUIPMENT IN
CONFINED SPACE
ALL AIR FROM
OUTSIDE
OUTLET AIR
INLET AIR
WATER
HEATER
CHIMNEY
OR GAS
VENT
NOTE − Each air duct opening shall have a free area of at least
one square inch (645 mm2) per 2,000 Btu (.59 kW) per hour of
the total input rating of all equipment in the enclosure. If the
equipment room is located against an outside wall and the air
openings communicate directly with the outdoors, each open-
ing shall have a free area of at least one square inch (645 mm2)
per 4,000 Btu (1.17 kW) per hour of the total input rating of all
other equipment in the enclosure.
FURNACE
AIR FLOW
FIGURE 5

Page 9
Setting Equipment
WARNING
Do not install the furnace on its front or its back. Do
not connect the return air ducts to the back of the fur-
nace. Doing so will adversely affect the operation of
the safety control devices, which could result in per-
sonal injury or death.
The SL280UHV gas furnace can be installed as shipped
in either the upflow position or the horizontal position.
Select a location that allows for the required clearances
that are listed on the unit nameplate. Also consider gas
supply connections, electrical supply, vent connection,
and installation and service clearances [24 inches (610
mm) at unit front]. The unit must be level.
NOTE − Units with 1/2 hp blower motors are equipped with
three flexible legs and one rigid leg. See figure 6. The rigid
leg is equipped with a shipping bolt and a flat white plastic
washer (rather than the rubber mounting grommet used
with a flexible mounting leg). The bolt and washer must
be removed before the furnace is placed into opera-
tion. After the bolt and washer have been removed, the rig-
id leg will not touch the blower housing.
FIGURE 6
RIGID LEG
remove shipping bolt and washer
SL280UHV07036A and
SL280UHV09036B WITH 1/2 HP
BLOWER MOTOR
Upflow Applications
Allow for clearances to combustible materials as indicated
on the unit nameplate. Minimum clearances for closet or al-
cove installations are shown in figure 7.
Upflow Application Installation Clearances
Top
Bottom
Left Side Right Side
AIR FLOW
Type of Vent
Connector Type C Type B1
Top 1 in. (25 mm) 1 in. (25 mm)
*Front 2−1/4 in. (57 mm)** 2−1/4 in. (57 mm)
Back 0 0
Sides 0†0
Vent 6 in. (152 mm) 1 in. (25 mm)
Floor 0‡0‡
*Front clearance in alcove installation must be 24 in. (610 mm).
Maintain a minimum of 24 in. (610 mm) for front service access.
** 3−1/4 in. if single wall vent pipe is used.
‡For installation on a combustible floor, do not install the furnace
directly on carpeting, tile or other combustible materials other
than wood flooring.
†Left side requires 3 inches if a single wall vent is used on 14−1/2
inch cabinets, or 2 in. if a single wall vent is used on 17−1/2 in. cabi-
nets.
FIGURE 7

Page 10
Return Air −− Upflow Applications
Return air can be brought in through the bottom or either
side of the furnace installed in an upflow application. If the
furnace is installed on a platform with bottom return, make
an airtight seal between the bottom of the furnace and the
platform to ensure that the furnace operates properly and
safely. The furnace is equipped with a removable bottom
panel to facilitate installation.
Markings are provided on both sides of the furnace cabinet
for installations that require side return air. Cut the furnace
cabinet at the maximum dimensions shown on page 2.
NOTE − 60C and 60D units that require air volumes over 1800
cfm (850 L/s) must have one of the following:
1 − Return air from single side with transition which will
accommodate 20 x 25 x 1 in. (508 x 635 x 25 mm) clean-
able air filter. (Required to maintain proper air velocity.)
See figure 8.
2 − Return air from single side with optional RAB Return
Air Base. See figure 9.
3 − Return air from bottom and one side.
4 − Return air from both sides.
5 − Return air from bottom.
Refer to Engineering Handbook for additional information.
FIGURE 8
Return Air
Plenum
Transition
20” X 25” X 1”
(508mm X635mm X 25mm)
Cleanable Filter
AIR FLOW
Single Side Return Air
(with transition and filter)
Optional Return Air Base
(Upflow Applications Only −− For use with A, B, C and D cabinets)
FIGURE 9
NOTE− Optional Side Return Air Filter Kits are not for use with Optional Return Air Base.
1Both the unit return air opening and the base return air opening must be covered by a single plenum or IAQ cabinet.
Minimum unit side return air opening dimensions for units requiring 1800 cfm or more of air (W x H): 23 x 11 in. (584 x 279 mm).
The opening can be cut as needed to accommodate plenum or IAQ cabinet while maintaining dimensions shown.
Side return air openings must be cut in the field. There are cutting guides stenciled on the cabinet for the side return air
opening. The size of the opening must not extend beyond the markings on the furnace cabinet.
2To minimize pressure drop, the largest opening height possible (up to 14 inches) is preferred.
OPTIONAL
RETURN AIR BASE
FURNACE
FRONT
AIR FLOW
14−1/2” (368) A Width (65W75)
17−1/2” (446) B Width (50W98)
21”− (533) C Width (50W99)
24−1/2”− (622) D Width (51W00)
1 Unit side return air
Opening
SIDE VIEW
3−1/4
(83)
1
23 (584)
Overall
(Maximum)
(584)
23
3/4
(19)
1 22−7/16
(570)
Overall
(Maximum)
SIDE RETURN
AIR OPENINGS
(Either Side)
5−5/8
(143)
1Minimum
11 (279)
2 Maximum
14 (356)
(683)
26−7/8
7−1/4
(184)
IF BASE
IS USED
WITHOUT
IAQ CABINET,
A SINGLE
RETURN AIR
PLENUM
MUST
COVER BOTH
UNIT AND
RETURN
AIR BASE
OPENINGS
INDOOR AIR

Page 11
Removing the Bottom Panel
Remove the two screws that secure the bottom cap to the
furnace. Pivot the bottom cap down to release the bottom
panel. Once the bottom panel has been removed, reinstall
the bottom cap. See figure 10.
Removing the Bottom Panel
FIGURE 10
Screw
Bottom Panel
Bottom Cap
H
or
i
zon
t
a
l
A
pp
li
ca
ti
on
Installation Clearances
Top
Bottom
Left
End
Right
End
AIR FLOW
Vent Connector
Type Type C Type B1
Top 0 0
*Front 2−1/4 in. (57 mm)** 2−14 in. (57 mm)
Back 0 0
Ends 2 in. (51 mm) 2 in. (51 mm)
Vent 6 in. (152 mm) 1 in. (25 mm)
Floor 0‡0‡
*Front clearance in alcove installation must be 24 in. (610 mm).
Maintain a minimum of 24 in. (610 mm) for front service access.
** 3−1/4 in. if single wall vent pipe is used.
‡For installations on a combustible floor, do not install the furnace
directly on carpeting, tile or other combustible materials other
than wood flooring.
FIGURE 11
Horizontal Applications
The SL280UHV furnace can be installed in horizontal ap-
plications. Order kit number 51W10 (or use equivalent)
from Lennox.
Allow for clearances to combustible materials as indicated
on the unit nameplate. Minimum clearances for closet or al-
cove installations are shown in figure 11.
This furnace may be installed in either an attic or a crawl-
space. Either suspend the furnace from roof rafters or
floor joists, as shown in figure 12, or install the furnace on a
platform, as shown in figure 13.
Typical Horizontal Application
Unit Suspended in Attic or Crawlspace
FIGURE 12
Bracket
Bottom Cap
Metal Strap
3/16 inch
Air Flow
NOTE − Heavy−gauge perforated sheet metal straps may
be used to suspend the unit from roof rafters or ceiling
joists. When straps are used to suspend the unit in this
way, support must be provided for both the ends. The
straps must not interfere with the plenum or exhaust pip-
ing installation. Cooling coils and supply and return air
plenums must be supported separately.
NOTE − When the furnace is installed on a platform in a
crawlspace, it must be elevated enough to avoid water
damage and to allow the evaporator coil to drain.
Return Air −− Horizontal Applications
Return air must be brought in through the end of a furnace
installed in a horizontal application. The furnace is
equipped with a removable bottom panel to facilitate
installation. See figure 10.

Page 12
Horizontal Application
Unit Installed on Platform
FIGURE 13
clearances.
GAS
ENTRY VENT
PIPE
See the unit nameplate for
Line contact is permissible
SERVICE PLATFORM
WARNING
Improper installation of the furnace can result in per-
sonal injury or death. Combustion and flue products
must never be allowed to enter the return air system
or the living space. Use screws and joint tape to seal
the return air system to the furnace.
In platform installations with bottom return air, the
furnace should be sealed airtight to the return air ple-
num. A door must never be used as a portion of the
return air duct system. The base must provide a
stable support and an airtight seal to the furnace. Al-
low absolutely no sagging, cracks, gaps, etc.
The return and supply air duct systems must never
be connected to or from other heating devices such
as a fireplace or stove, etc. Fire, explosion, carbon
monoxide poisoning, personal injury and/or proper-
ty damage could result.
WARNING
The inner blower panel must be securely in place
when the blower and burners are operating. Gas
fumes, which could contain carbon monoxide, can
be drawn into living space resulting in personal inju-
ry or death.
Filters
This unit is not equipped with a filter or rack. A field−pro-
vided high−velocity filter is required for the unit to operate
properly. Table 1 lists recommended filter sizes.
A filter must be in place any time the unit is operating.
TABLE 1
Furnace
Cabinet Width
Filter Size
Side Return Bottom Return
14−1/2" 16 X 25 X 1 (1) 14 X 25 X 1 (1)
17−1/2" 16 X 25 X 1 (1) 16 X 25 X 1 (1)
21" 16 X 25 X 1 (1) 20 X 25 X 1 (1)
24−1/2" 16 X 25 X 1 (2) 24 X 25 X 1 (1)
Duct System
Use industry-approved standards (such as those pub-
lished by Air Conditioning Contractors of America or Ameri-
can Society of Heating, Refrigerating and Air Conditioning
Engineers) to size and install the supply and return air duct
system. This will result in a quiet and low-static system that
has uniform air distribution.
NOTE − Do not operate the furnace in the heating mode
with an external static pressure that exceeds 0.8 inches
w.c. Higher external static pressures may cause erratic lim-
it operation.
Supply Air Plenum
If the furnace is installed without a cooling coil, a removable
access panel must be installed in the supply air duct. The
access panel should be large enough to permit inspection
(either by smoke or reflected light) of the heat exchanger
for leaks after the furnace is installed. The furnace access
panel must always be in place when the furnace is operat-
ing and it must not allow leaks into the supply air duct sys-
tem.
Return Air Plenum
NOTE − Return air must not be drawn from a room
where this furnace, or any other gas−fueled appliance
(i.e., water heater), or carbon monoxide− producing de-
vice (i.e., wood fireplace) is installed.
When return air is drawn from a room, a negative pres-
sure is created in the room. If a gas appliance is operating
in a room with negative pressure, the flue products can
be pulled back down the vent pipe and into the room. This
reverse flow of the flue gas may result in incomplete com-
bustion and the formation of carbon monoxide gas. This
toxic gas might then be distributed throughout the house
by the furnace duct system.
In upflow applications, the return air can be brought in
through the bottom or either side of the furnace. If a fur-
nace with bottom return air is installed on a platform, make
an airtight seal between the bottom of the furnace and the
platform to ensure that the unit operates properly and
safely. Use fiberglass sealing strips, caulking, or equiva-
lent sealing method between the plenum and the furnace
cabinet to ensure a tight seal. If a filter is installed, size the
return air duct to fit the filter frame.

Page 13
Venting
A 4−inch diameter flue transition is factory-installed on the
combustion air inducer outlet of all models. Figure 15
shows the combustion air inducer as shipped from the
factory.
FIGURE 14
Mounting Screws Location
mounting screws
mounting screw
UPFlow Position
FIGURE 15
UPFLOW POSITION
Top Vent Discharge
FLOW
AIR
collector box
vent pipe
flue
transition
pressure
switch
make−up
box
IMPORTANT
The unit will not vent properly with the flue transition
pointed down in the 6 o’clock position.
The combustion air inducer may be rotated clock-
wise or counterclockwise by 90° to allow for top or
side vent discharge in all applications. When the unit
is installed, the flue transition must be in the 9
o’clock, 12 o’clock or 3 o’clock position.
If necessary reposition the combustion air inducer, pres-
sure switch and or make up box as needed per the follow-
ing steps and see figures 15 through 21.
1 − Remove the four mounting screws (figure 14) which
secure the combustion air inducer / pressure switch
assembly to the orifice plate. Lift and rotate the assem-
bly 90 degrees clockwise or counter clockwise to either
the 3 o’clock position or to 9 o’clock position and re−se-
cure with four screws. Gasket should be left in place.
2 − Use tin snips to cut preferred opening on the cabinet
for repositioning the flue outlet. Use the cut out piece
as a cover plate to patch unused opening on cabinet.
UPFLOW POSITION
Left Side Vent Discharge
FIGURE 16
Gas supply piping must be brought into the unit from the right
side in order to accommodate the flue pipe.
Remove make−up box assembly (2 screws) and cut wire tie to
free make−up box wires. Re−install make−up box on other side
of cabinet.
Re−secure make−up box wires, either pulling excess wires
through the blower compartment and securing with supplied
wire tie, or coil excess wire and secure to the gas manifold.
FLOW
AIR
make−up
box
pressure
switch
flue
transition
vent pipe
cover plate collector box
UPFLOW POSITION
Right Side Vent Discharge
FIGURE 17
Pressure switch tubing may be too long. Cut to
fit , then re−attach to barbed fitting on pressure
switch. Tubing must not be allowed to sag.
FLOW
AIR
cover plate
flue transition
vent pipe
pressure
switch
make−up
box
collector box

Page 14
Horizontal Position
FIGURE 18
HORIZONTAL LEFT POSITION
Top Vent Discharge
Disconnect pressure switch hose from barbed fitting on the pres-
sure switch assembly. Remove pressure switch assembly (1
screw) and cut wire tie to free pressure switch wires. Re−install
pressure switch on the other side of orifice plate and re−connect
pressure switch hose.
Re−secure pressure switch wires by either pulling excess wires
through the blower compartment and securing with supplied wire
tie or coil excess wire and secure to the gas manifold.
pressure switch
vent pipe
flue
transition
cover plate
make−up box collector box
FLOW
AIR
FIGURE 19
make−up box collector box
flue transition
pressure switch
HORIZONTAL LEFT POSITION
Side Vent Discharge
Disconnect pressure switch hose from barbed fitting on the
pressure switch assembly. Remove pressure switch assembly
(1 screw) and cut wire tie to free pressure switch wires. Re−
install pressure switch on the other side of orifice plate and re−
connect pressure switch hose.
Re−secure pressure switch wires by either pulling excess wires
through the blower compartment and securing with supplied
wire tie, or coil excess wire and secure to the gas manifold.
FLOW
AIR
HORIZONTAL RIGHT POSITION
Top Vent Discharge
FIGURE 20
Gas supply piping must be brought into the unit from the bottom
in order to accommodate the flue pipe.
Remove make−up box assembly (2 screws) and cut wire tie to
free make−up box wires. Re−install make−up box on other side
of cabinet.
Re−secure make−up box wires by either pulling excess wires
through the blower compartment and securing with supplied
wire tie, or coil excess wire and secure to the gas manifold.
FLOW
AIR
flue transition
vent pipe
pressure switch
cover plate
make−up box
collector box
HORIZONTAL RIGHT POSITION
Side Vent Discharge
FIGURE 21
FLOW
AIR
pressure switch
flue transition
collector box
make up box

Page 15
The SL280UHV series units are classified as fan−assisted
Category I furnaces when vertically vented according to
the latest edition of National Fuel Gas Code (NFPA 54 /
ANSI Z223.1) in the USA. A fan−assisted Category I fur-
nace is an appliance equipped with an integral mechanical
means to either draw or force combustion products through
the combustion chamber and/or heat exchanger. The
SL280UHV is not approved for use with horizontal venting..
NOTE − Use these instructions as a guide. They do not su-
persede local codes. This furnace must be vented accord-
ing to all local codes these installation instructions, and the
provided venting tables in these instructions
The venting tables in this manual were extracted from the
National Fuel Gas Code (NFPA 54 / ANSI Z223.1) and are
provided as a guide for proper vent installation. Proper ap-
plication, termination, construction and location of vents
must conform to local codes having jurisdiction. In the ab-
sence of local codes, the NFGC serves as the defining doc-
ument.
Refer to the tables and the venting information contained in
these instructions to properly size and install the venting
system.
IMPORTANT
Once the venting system is installed, attach the Dis-
connected Vent" warning sticker to a visible area of
the plenum near the vent pipe. See figure 22. The
warning sticker is provided in the bag assembly. Or-
der kit 66W04 for additional stickers.
WARNING
Asphyxiation hazard. The exhaust vent for this fur-
nace must be securely connected to the furnace flue
transition at all times.
FLUE TRANSITION
COLLAR
VENT CONNECTION
VENT PIPE
(min. 6" length)
“DISCONNECTED VENT”
WARNING
STICKER
FIGURE 22
Use self−drilling sheet metal screws or a mechanical fas-
tener to firmly secure the vent pipe to the round collar of the
flue transition. If self−drilling screws are used to attach the
vent pipe, it is recommended that three be used. Drive one
self−drilling screw through the front and one through each
side of the vent pipe and collar. See figures 19, 21 and 22.
Install the first vent connector elbow at a minimum of six
inches (152 mm) from the furnace vent outlet. See figure
22.
Venting Using a Masonry Chimney
The following additional requirements apply when a lined
masonry chimney is used to vent this furnace.
Masonry chimneys used to vent Category I central fur-
naces must be either tile-lined or lined with a listed metal
lining system or dedicated gas vent. Unlined masonry
chimneys are prohibited. See figures 23 and 24 for com-
mon venting.
A chimney with one or more sides exposed to the outside of
the structure is considered to be an exterior chimney.
An exterior masonry chimney that is not tile−lined must be
lined with B1 vent or a listed insulated flexible metal vent.
An exterior tile−lined chimney that is sealed and capped
may be lined with a listed uninsulated flexible metal vent.
If the existing chimney will not accommodate a listed metal
liner, either the chimney must be rebuilt to accommodate
one of these liners or an alternate approved venting meth-
od must be found.
Insulation for the flexible vent pipe must be an encapsu-
lated fiberglass sleeve recommended by the flexible vent
pipe manufacturer. See figure 23.
FIGURE 23
Common Venting Using Metal−Lined Masonry Chimney
4 in. (102 mm)
minimum
MIN. LENGTH −− AS
SHORT AS PRACTICAL
MAX. LENGTH
−− SEE NOTE 1
BELOW.
SEALED
PERMANENTLY
SEALED FIREPLACE
OPENING
EXTERIOR
CHIMNEY WITH
METAL
LINER
VENT CONNECTOR
NOTE 1 − Refer to the provided venting tables for installations. Refer
to the capacity requirements shown in the provided venting tables.
OTHER
APPLIANCE
FURNACE
5 ft. (1.5 m)
minimum
AIR FLOW

Page 16
FIGURE 24
Common Venting Using Tile−Lined Interior Masonry Chimney and Combined Vent Connector
MINIMUM LENGTH = AS SHORT AS PRACTICAL.
FOR MAXIMUM LENGTH SEE NOTE TO LEFT
INTERIOR TILE−LINED
MASONRY CHIMNEY
NOTE − the chimney must be properly
sized per provided venting tables or
lined with listed metal lining system.
PERMANENTLY
SEALED FIREPLACE
OPENING
VENT
CONNECTOR
NOTE− Refer to provided venting tables
for installations.
FURNACE
OTHER
APPLIANCE
AIR FLOW
DO NOT insulate the space between the liner and the
chimney wall with puffed mica or any other loose gran-
ular insulating material
IMPORTANT
SINGLE appliance venting of a fan-assisted furnace
into a tile-lined masonry chimney (interior or outside
wall) is PROHIBITED. The chimney must first be lined
with either type B1 vent or an insulated single wall
flexible vent lining system which has been sized ac-
cording to the provided venting tables and the vent
pipe manufacturer’s instructions.
A fan−assisted furnace may be commonly vented into an
existing lined masonry chimney if the following conditions
are met:
The chimney is currently serving at least one drafthood
equipped appliance
The vent connectors and chimney are sized according
to the provided venting tables.
If type B1 double-wall vent is used inside a chimney, no oth-
er appliance can be vented into the chimney. The outer wall
of type B1 vent pipe must not be exposed to flue products.
A type B1 vent or masonry chimney liner shall terminate
above the roof surface with a listed cap or a listed roof as-
sembly according to the terms of their respective listings
and the vent manufacturer’s instructions.
When inspection reveals that an existing chimney is not
safe for the intended purpose, it shall be rebuilt to conform
to nationally recognized standards, lined or relined with
suitable materials, or replaced with a gas vent or chimney
suitable for venting SL280UHV series units. The chimney
passageway must be checked periodically to ensure that it
is clear and free of obstructions.
Do not install a manual damper, barometric draft regulator,
or flue restrictor between the furnace and the chimney.
Never connect a Category I appliance to a chimney that is
servicing a solid−fuel appliance. If a fireplace chimney flue
is used to vent this appliance, the fireplace opening must
be permanently sealed.
A type B or listed chimney lining system that passes
through an unused masonry chimney flue is not considered
to be exposed to the outdoors.
General Venting Requirements
Vent all SL280UHV furnaces according to these instruc-
tions:
1 − Vent diameter recommendations and maximum allow-
able piping runs are found in the provided venting
tables.
2 − In no case should the vent or vent connector diameter
be less than the diameter specified in the provided
venting tables.
3 − The minimum vent capacity determined by the sizing
tables must be less than the low fire input rating and the
maximum vent capacity must be greater than the high
fire input rating.
4 − Single appliance vents − If the vertical vent or tile-lined
chimney has a larger diameter or flow area than the
vent connector, use the vertical vent diameter to de-
termine the minimum vent capacity and the vent
connector diameter to determine the maximum vent
capacity. The flow area of the vertical vent, however,
shall not exceed 7 times the flow area of the listed ap-
pliance categorized vent area, drafthood outlet area or
flue collar area unless designed according to approved
engineering methods.
5 − Multiple appliance vents − The flow area of the largest
section of vertical vent or chimney shall not exceed 7
times the smallest listed appliance categorized vent
area, drafthood outlet area or flue collar area unless de-
signed according to approved engineering methods.

Page 17
6 − The entire length of single wall metal vent connector
shall be readily accessible for inspection, cleaning,
and replacement.
7 − Single appliance venting configurations with zero lat-
eral lengths (tables 3 and 4) are assumed to have no
elbows in the vent system. For all other vent configura-
tions, the vent system is assumed to have two 90° el-
bows. For each additional 90° elbow or equivalent (for
example two 45° elbows equal one 90° elbow) beyond
two, the maximum capacity listed in the venting table
should be reduced by 10% (0.90 x maximum listed ca-
pacity).
8 − The common venting tables (5, 6, 7, and 8) were gen-
erated using a maximum horizontal vent connector
length of 1−1/2 feet (.46 m) for each inch (25 mm) of
connector diameter as follows:
TABLE 2
Connector Diameter
inches (mm)
Maximum Horizontal
Connector Length feet (m)
3 (76) 4−1/2 (1.37)
4 (102) 6 (1.83)
5 (127) 7−1/2 (2.29)
6 (152) 9 (2.74)
7 (178) 10−1/2 (3.20)
9 − If the common vertical vent is offset, the maximum
common vent capacity listed in the common venting
tables should be reduced by 20%, the equivalent of two
90° elbows (0.80 x maximum common vent capacity).
The horizontal length of the offset shall not exceed
1-1/2 feet (.46 m) for each inch (25 mm) of common
vent diameter.
10 − The vent pipe should be as short as possible with the
least number of elbows and angles required to com-
plete the job. Route the vent connector to the vent us-
ing the shortest possible route.
11 − A vent connector shall be supported without any dips
or sags and shall slope a minimum of 1/4 inch (6.4 mm)
per linear foot (305 mm) of connector, back toward the
appliance.
12 − Vent connectors shall be firmly attached to the furnace
flue collar by self−drilling screws or other approved
means, except vent connectors of listed type B vent
material which shall be assembled according to the
manufacturer’s instructions. Joints between sections
of single wall connector piping shall be fastened by
screws or other approved means.
13 − When the vent connector used for Category I ap-
pliances must be located in or pass through a crawl-
space, attic or other areas which may be cold, that por-
tion of the vent connector shall be constructed of listed
double-wall type B vent material or material having
equivalent insulation qualities.
14 − All venting pipe passing through floors, walls, and ceil-
ings must be installed with the listed clearance to com-
bustible materials and be fire stopped according to lo-
cal codes. In absence of local codes, refer to NFGC
(Z223.1).
15 − No portion of the venting system can extend into, or pass
through any circulation air duct or plenum.
16 − Vent connectors serving Category I appliances shall
not be connected to any portion of mechanical draft
systems operating under positive pressure such as
Category III or IV venting systems.
17 − If vent connectors are combined prior to entering the
common vent, the maximum common vent capacity
listed in the common venting tables must be reduced by
10%, the equivalent of one 90° elbow (0.90 x maximum
common vent capacity).
18 − The common vent diameter must always be at least as
large as the largest vent connector diameter.
19 − In no case, shall the vent connector be sized more than
two consecutive table size diameters over the size of
the draft hood outlet or flue collar outlet.
20 − Do not install a manual damper, barometric draft regu-
lator or flue restrictor between the furnace and the
chimney.
21 − When connecting this appliance to an existing dedi-
cated or common venting system, you must inspect the
venting system’s general condition and look for signs
of corrosion. The existing vent pipe size must conform
to these instructions and the provided venting tables. If
the existing venting system does not meet these re-
quirements, it must be resized.

Page 18
TABLE 3
Capacity of Type B Double−Wall Vents with Type B Double−Wall Connectors
Serving a Single Category I Appliance
Height
H
(feet)
Lateral
L
(feet)
Vent and Connector Diameter − D (inches)
3 Inch 4 Inch 5 Inch 6 Inch
Appliance Input Rating in Thousands of Btu Per Hour
MIN MAX MIN MAX MIN MAX MIN MAX
6
0 0 78 0 152 0 251 0 375
2 13 51 18 97 27 157 32 232
4 21 49 30 94 39 153 50 227
6 25 46 36 91 47 149 59 223
8
0 0 84 0 165 0 276 0 415
2 12 57 16 109 25 178 28 263
5 23 53 32 103 42 171 53 255
8 28 49 39 98 51 164 64 247
10
0 0 88 0 175 0 295 0 447
2 12 61 17 118 23 194 26 289
5 23 57 32 113 41 187 52 280
10 30 51 41 104 54 176 67 267
15
0 0 94 0 191 0 327 0 502
211 69 15 136 20 226 22 339
5 22 65 30 130 39 219 49 330
10 29 59 40 121 51 206 64 315
15 35 53 48 112 61 195 76 301
20
0 0 97 0 202 0 349 0 540
2 10 75 14 149 18 250 20 377
5 21 71 29 143 38 242 47 367
10 28 64 38 133 50 229 62 351
15 34 58 46 124 59 217 73 337
20 48 52 55 116 69 206 84 322
30
0 0 100 0 213 0 374 0 587
2 9 81 13 166 14 283 18 432
5 21 77 28 160 36 275 45 421
10 27 70 37 150 48 262 59 405
15 33 64 44 141 57 249 70 389
20 56 58 53 132 66 237 80 374
30 NR NR 73 113 88 214 104 346
NOTE − Single appliance venting configurations with zero lateral lengths are assumed to have no elbows in the vent system. For all other
vent configurations, the vent system is assumed to have two 90° elbows. For each additional 90° elbow or equivalent (for example two 45°
elbows equal one 90° elbow) beyond two, the maximum capacity listed in the venting table should be reduced by 10 percent (0.90 x maxi-
mum listed capacity).

Page 19
TABLE 4
Capacity of Type B Double−Wall Vents with Single−Wall Metal Connectors
Serving a Single Category I Appliance
Height
H
(feet)
Lateral
L
(feet)
Vent and Connector Diameter − D (inches)
3 Inch 4 Inch 5 Inch 6 Inch
Appliance Input Rating in Thousands of Btu Per Hour
MIN MAX MIN MAX MIN MAX MIN MAX
6
0 38 77 59 151 85 249 126 373
2 39 51 60 96 85 156 123 231
4 NR NR 74 92 102 152 146 225
6 NR NR 83 89 114 147 163 220
8
0 37 83 58 164 83 273 123 412
2 39 56 59 108 83 176 121 261
5 NR NR 77 102 107 168 151 252
8 NR NR 90 95 122 161 175 243
10
0 37 87 57 174 82 293 120 444
2 39 61 59 117 82 193 119 287
5 52 56 76 111 105 185 148 277
10 NR NR 97 100 132 171 188 261
15
0 36 93 56 190 80 325 116 499
2 38 69 57 136 80 225 115 337
5 51 63 75 128 102 216 144 326
10 NR NR 95 116 128 201 182 308
15 NR NR NR NR 158 186 220 290
20
0 35 96 54 200 78 346 114 537
2 37 74 56 148 78 248 113 375
5 50 68 73 140 100 239 141 363
10 NR NR 93 129 125 223 177 344
15 NR NR NR NR 155 208 216 325
20 NR NR NR NR 186 192 254 306
30
0 34 99 53 211 76 372 110 584
2 37 80 55 164 76 281 109 429
5 49 74 72 157 98 271 136 417
10 NR NR 91 144 122 255 171 397
15 NR NR 115 131 151 239 208 377
20 NR NR NR NR 181 223 246 357
30 NR NR NR NR NR NR NR NR
NOTE − Single appliance venting configurations with zero lateral lengths are assumed to have no elbows in the vent system. For all other
vent configurations, the vent system is assumed to have two 90° elbows. For each additional 90° elbow or equivalent (for example two 45°
elbows equal one 90° elbow) beyond two, the maximum capacity listed in the venting table should be reduced by 10 percent (0.90 x maxi-
mum listed capacity).

Page 20
TABLE 5
Vent Connector Capacity
Type B Double−Wall Vents with Type B Double−Wall Connectors
Serving Two or More Category I Appliances
Vent
Height
H
(feet)
Connector
Rise
R
(feet)
Vent and Connector Diameter − D (inches)
3 Inch 4 Inch 5 Inch 6 Inch
Appliance Input Rating in Thousands of Btu Per Hour
MIN MAX MIN MAX MIN MAX MIN MAX
6
1 22 37 35 66 46 106 58 164
2 23 41 37 75 48 121 60 183
3 24 44 38 81 49 132 62 199
8
1 22 40 35 72 49 114 64 176
2 23 44 36 80 51 128 66 195
3 24 47 37 87 53 139 67 210
10
1 22 43 34 78 49 123 65 189
2 23 47 36 86 51 136 67 206
3 24 50 37 92 52 146 69 220
15
1 21 50 33 89 47 142 64 220
2 22 53 35 96 49 153 66 235
3 24 55 36 102 51 163 68 248
20
1 21 54 33 99 46 157 62 246
2 22 57 34 105 48 167 64 259
3 23 60 35 110 50 176 66 271
30
1 20 62 31 113 45 181 60 288
2 21 64 33 118 47 190 62 299
3 22 66 34 123 48 198 64 309
TABLE 6
Common Vent Capacity
Type B Double−Wall Vents with Type B Double−Wall Connectors
Serving Two or More Category I Appliances
Vent
Height
H
(feet)
Common Vent Diameter − D (inches)
4 Inch 5 Inch 6 Inch 7 Inch
Appliance Input Rating in Thousands of Btu Per Hour
FAN + FAN FAN + NAT FAN + FAN FAN + NAT FAN + FAN FAN + NAT FAN + FAN FAN + NAT
6 92 81 140 116 204 161 309 248
8 101 90 155 129 224 178 339 275
10 110 97 169 141 243 194 367 299
15 125 112 195 164 283 228 427 352
20 136 123 215 183 314 255 475 394
30 152 138 244 210 361 297 547 459

Page 21
TABLE 7
Vent Connector Capacity
Type B Double−Wall Vents with Single−Wall Metal Connectors
Serving Two or More Category I Appliances
Height
H
(feet)
Lateral
L
(feet)
Vent and Connector Diameter − D (inches)
3 Inch 4 Inch 5 Inch 6 Inch
Appliance Input Rating in Thousands of Btu Per Hour
MIN MAX MIN MAX MIN MAX MIN MAX
6
1 NR NR NR NR NR NR NR NR
2 NR NR NR NR NR NR 168 182
3 NR NR NR NR 121 131 175 198
8
1 NR NR NR NR NR NA NR NR
2 NR NR NR NR 125 126 184 193
3 NR NR NR NR 130 138 191 208
10
1 NR NR NR NR 119 121 182 186
2 NR NR 84 85 124 134 189 203
3 NR NR 89 91 129 144 197 217
15
1 NR NR 79 87 116 138 177 214
2 NR NR 83 94 121 150 185 230
3 NR NR 87 100 127 160 193 243
20
1 49 56 78 97 115 152 175 238
2 52 59 82 103 120 163 182 252
3 55 62 87 107 125 172 190 264
30
1 47 60 77 110 112 175 169 278
2 51 62 81 115 117 185 177 290
3 54 64 85 119 122 193 185 300
NOTE − Single appliance venting configurations with zero lateral lengths are assumed to have no elbows in the vent system. For all other
vent configurations, the vent system is assumed to have two 90° elbows. For each additional 90° elbow or equivalent (for example two 45°
elbows equal one 90° elbow) beyond two, the maximum capacity listed in the venting table should be reduced by 10 percent (0.90 x maxi-
mum listed capacity).
TABLE 8
Common Vent Capacity
Type B Double−Wall Vents with Single−Wall Metal Connectors
Serving Two or More Category I Appliances
Vent
Height
H
(feet)
Common Vent Diameter − D (inches)
4 Inch 5 Inch 6 Inch 7 Inch
Appliance Input Rating in Thousands of Btu Per Hour
FAN + FAN FAN + NAT FAN + FAN FAN + NAT FAN + FAN FAN + NAT FAN + FAN FAN + NAT
6 NA 78 NA 113 200 158 304 244
8 NA 87 NA 126 218 173 331 269
10 NA 94 163 137 237 189 357 292
15 121 108 189 159 275 221 416 343
20 131 118 208 177 305 247 463 383
30 145 132 236 202 350 286 533 446

Page 22
Removal of the Furnace from Common Vent
In the event that an existing furnace is removed from a
venting system commonly run with separate gas ap-
pliances, the venting system is likely to be too large to
properly vent the remaining attached appliances.
Conduct the following test while each appliance is operat-
ing and the other appliances (which are not operating) re-
main connected to the common venting system. If the
venting system has been installed improperly, you must
correct the system as indicated in the general venting re-
quirements section.
WARNING
CARBON MONOXIDE POISONING HAZARD
Failure to follow the steps outlined below for each
appliance connected to the venting system being
placed into operation could result in carbon mon-
oxide poisoning or death.
The following steps shall be followed for each ap-
pliance connected to the venting system being
placed into operation, while all other appliances
connected to the venting system are not in
operation:
1 − Seal any unused openings in the common venting sys-
tem.
2 − Inspect the venting system for proper size and horizontal
pitch. Determine that there is no blockage, restriction,
leakage, corrosion, or other deficiencies which could
cause an unsafe condition.
3 − Close all building doors and windows and all doors be-
tween the space in which the appliances remaining
connected to the common venting system are located
and other spaces of the building. Turn on clothes dry-
ers and any appliances not connected to the common
venting system. Turn on any exhaust fans, such as
range hoods and bathroom exhausts, so they will oper-
ate at maximum speed. Do not operate a summer ex-
haust fan. Close fireplace dampers.
4 − Follow the lighting instructions. Turn on the appliance
that is being inspected. Adjust the thermostat so that
the appliance operates continuously.
5 − After the main burner has operated for 5 minutes, test
for leaks of flue gases at the draft hood relief opening.
Use the flame of a match or candle, or smoke from a
cigarette, cigar, or pipe.
6 − After determining that each appliance connected to the
common venting system is venting properly, (step 3)
return all doors, widows, exhaust fans, fireplace damp-
ers, and any other gas−burning appliances to their pre-
vious mode of operation.
7 − If a venting problem is found during any of the preced-
ing tests, the common venting system must be modi-
fied to correct the problem.
Resize the common venting system to the minimum
vent pipe size determined by using the appropriate
tables in Appendix G. (These are in the current stan-
dards of the National Fuel Gas Code ANSI Z223.1.

Page 23
Gas Piping
CAUTION
If a flexible gas connector is required or allowed by
the authority that has jurisdiction, black iron pipe
shall be installed at the gas valve and extend outside
the furnace cabinet. The flexible connector can then
be added between the black iron pipe and the gas
supply line.
Gas Supply
1 − This unit is shipped standard for left or right side instal-
lation of gas piping (or top entry in horizontal applica-
tions). Connect the gas supply to the piping assembly.
2 − When connecting the gas supply piping, consider fac-
tors such as length of run, number of fittings, and fur-
nace rating to avoid excessive pressure drop. Table 9
lists recommended pipe sizes for typical applications.
3 − The gas piping must not run in or through air ducts,
clothes chutes, gas vents or chimneys, dumb waiters,
or elevator shafts.
4 − The piping should be sloped 1/4 inch (6.4 mm) per 15
feet (4.57 m) upward toward the meter from the fur-
nace. The piping must be supported at proper intervals
[every 8 to 10 feet (2.44 to 3.01 m)] with suitable hang-
ers or straps. Install a drip leg in vertical pipe runs to the
unit.
5 − A 1/8" N.P.T. plugged tap or pressure post is located
on the gas valve to facilitate test gauge connection.
See figures 35 and 36.
6 − In some localities, codes may require the installation of
a manual main shut-off valve and union (furnished by
the installer) external to the unit. The union must be of
the ground joint type.
IMPORTANT
Compounds used on threaded joints of gas piping
must be resistant to the actions of liquified petro-
leum gases.
NOTE − If emergency shutoff is necessary, shut off the main
manual gas valve and disconnect main power to the fur-
nace. The installer should properly label these devices.
TABLE 9
Gas Pipe Capacity − ft3/hr (m3/hr)
Nominal
Iron Pipe
Size
inches
(mm)
Internal
Diameter
inches
(mm)
Length of Pipe − feet (m)
10
(3.048)
20
(6.096)
30
(9.144)
40
(12.192)
50
(15.240)
60
(18.288)
70
(21.336)
80
(24.384)
90
(27.432)
100
(30.480)
1/2
(12.7)
.622
(17.799)
175
(4.96)
120
(3.40)
97
(2.75)
82
(2.32)
73
(2.07)
66
(1.87)
61
(1.73)
57
(1.61)
53
(1.50)
50
(1.42)
3/4
(19.05)
.824
(20.930)
360
(10.19)
250
(7.08)
200
(5.66)
170
(4.81)
151
(4.28)
138
(3.91)
125
(3.54)
118
(3.34)
110
(3.11)
103
(2.92)
1
(25.4)
1.049
(26.645)
680
(919.25)
465
(13.17)
375
(10.62)
320
(9.06)
285
(8.07)
260
(7.36)
240
(6.80)
220
(6.23)
205
(5.80)
195
(5.52)
1−1/4
(31.75)
1.380
(35.052)
1400
(39.64)
950
(26.90)
770
(21.80)
660
(18.69)
580
(16.42)
530
(15.01)
490
(13.87)
460
(13.03)
430
(12.18)
400
(11.33)
1−1/2
(38.1)
1.610
(40.894)
2100
(59.46)
460
(41.34)
1180
(33.41)
990
(28.03)
900
(25.48)
810
(22.94)
750
(21.24)
690
(19.54)
650
(18.41)
620
(17.56)
2
(50.8)
2.067
(52.502)
3950
(111.85)
2750
(77.87)
2200
(62.30)
1900
(53.80)
1680
(47.57)
1520
(43.04)
1400
(39.64)
1300
(36.81)
1220
(34.55)
1150
(32.56)
2−1/2
(63.5)
2.469
(67.713)
6300
(178.39)
4350
(123.17)
3520
(99.67)
3000
(84.95
2650
(75.04)
2400
(67.96)
2250
(63.71)
2050
(58.05)
1950
(55.22)
1850
(52.38)
3
(76.2)
3.068
(77.927)
11000
(311.48)
7700
(218.03)
6250
(176.98)
5300
(150.07)
4750
(134.50)
4300
(121.76)
3900
(110.43)
3700
(104.77)
3450
(97.69)
3250
(92.03)
NOTE − Capacity given in cubic feet (m3 ) of gas per hour and based on 0.60 specific gravity gas.

Page 24
GROUND
JOINT
UNION
AUTOMATIC
GAS VALVE
FIELD
PROVIDED
AND INSTALLED
GROUND
JOINT
UNION
Left Side Piping
(Standard)
Right Side Piping
(Alternate)
AUTOMATIC
GAS VALVE
DRIP LEG
DRIP LEG
MANUAL
MAIN SHUT−OFF
VALVE
(With 1/8 in. NPT
Plugged Tap Shown)
MANUAL
MAIN SHUT−OFF
VALVE
(With 1/8 in. NPT
Plugged Tap
Shown)
NOTE − BLACK IRON PIPE ONLY TO BE ROUTED INSIDE OF CABINET
FIGURE 25
GROUND
JOINT
UNION
DRIP LEG
MANUAL
MAIN SHUT−OFF
VALVE
GROUND
JOINT
UNION
DRIP LEG
MANUAL
MAIN SHUT−OFF
VALVE
GROUND
JOINT
UNION
DRIP LEG
MANUAL
MAIN SHUT−OFF
VALVE
Horizontal Applications
Possible Gas Piping Configurations
Horizontal Application
Left−Side Air Discharge
Horizontal Application
Right−Side Air Discharge NOTE − BLACK IRON PIPE ONLY TO BE ROUTED INSIDE OF CABINET
FIELD
PROVIDED
AND
INSTALLED
FIGURE 26
Leak Check
After gas piping is completed, carefully check all piping
connections (factory− and field−installed) for gas leaks. Use
a leak detecting solution or other preferred means.
NOTE − If emergency shutoff is necessary, shut off the main
manual gas valve and disconnect the main power to the
furnace. The installer should properly label these devices.
CAUTION
Some soaps used for leak detection are corrosive to
certain metals. Carefully rinse piping thoroughly af-
ter leak test has been completed. Do not use
matches, candles, flame or other sources of ignition
to check for gas leaks.
The furnace must be isolated by closing its individual
manual shut-off valve and disconnecting from from the gas
supply system the during any pressure testing of the gas
supply system at pressures less than or equal to 1/2 psig
(3.48 kPa, 14 inches w.c.).
IMPORTANT
When testing pressure of gas lines, gas valve must
be disconnected and isolated. See figure 27. Gas
valves can be damaged if subjected to pressures
greater than 1/2 psig (3.48 kPa, 14 inches w.c.).
MANUAL MAIN
SHUT−OFF VALVE
WILL NOT HOLD
NORMAL TEST
PRESSURE
CAP
ISOLATE
GAS VALVE
FURNACE
FIGURE 27
1/8 NPT PLUG

Page 25
Electrical
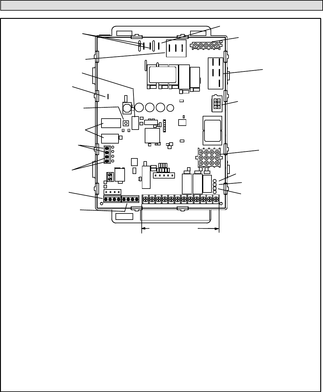
ELECTROSTATIC DISCHARGE (ESD)
Precautions and Procedures
CAUTION
Electrostatic discharge can affect elec-
tronic components. Take precautions to
neutralize electrostatic charge by
touching your hand and tools to metal
prior to handling the control.
The unit is equipped with a field make−up box on the left
hand side of the cabinet. The make−up box may be moved
to the right side of the furnace to facilitate installation. If the
make−up box is moved to the right side, clip the wire ties
that bundle the wires together. The excess wire must be
pulled into the blower compartment. Secure the excess
wire to the existing harness to protect it from damage.
INTERIOR MAKE−UP BOX INSTALLATION
FIGURE 28
BOX
Left side
INTERIOR MAKE−UP BOX INSTALLATION
FIGURE 29
BOX
Right Side
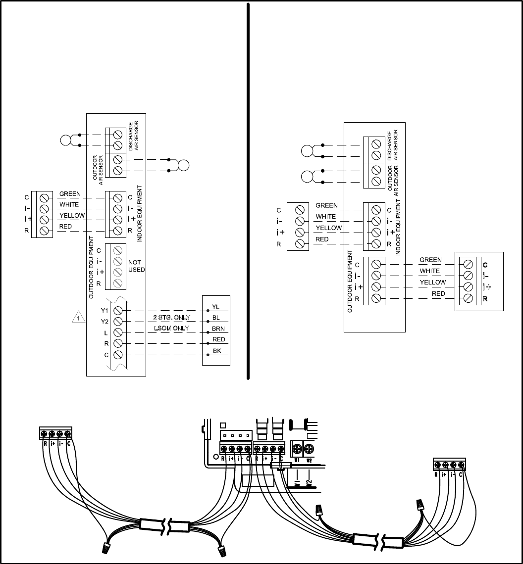
Refer to figure 33 for unit field wiring. See figures 30 and 31
for icomfort Touch® thermostat wiring in communicating
applications. Table 11 shows DIP switch and on−board link
settings for non−communicating thermostat applications.
Typical wiring schematic is shown in figure 32.
1 − The power supply wiring must meet Class I restric-
tions. Protected by either a fuse or circuit breaker, se-
lect circuit protection and wire size according to unit
nameplate.
NOTE − Unit nameplate states maximum current draw.
Maximum over−current protection allowed is shown in table
10.
TABLE 10
SL280UH Model Maximum Over−Current
Protection (Amps)
070V36A, 09036B 15
090V48B, 090V60C, 110V60C,
135V60D 20
2 − Holes are on both sides of the furnace cabinet to facili-
tate wiring.
3 − Install a separate (properly sized) disconnect switch
near the furnace so that power can be turned off for
servicing.
4 − Before connecting the thermostat or the power wiring,
check to make sure the wires will be long enough for
servicing at a later date. Remove the blower access
panel to check the length of the wire.
5 − Complete the wiring connections to the equipment.
Use the provided unit wiring diagram and the field wir-
ing diagrams shown in table 11 and figure 33. Use
18−gauge wire or larger that is suitable for Class II ra-
ting for thermostat connections.
6 − Electrically ground the unit according to local codes or,
in the absence of local codes, according to the current
National Electric Code (ANSI/NFPA No. 70). A green
ground wire is provided in the field make−up box.
NOTE − The SL280UHV furnace contains electronic
components that are polarity sensitive. Make sure
that the furnace is wired correctly and is properly
grounded.
7 − One line voltage ACC" 1/4" spade terminal is provided
on the furnace integrated control. Any electronic air
cleaner or other accessory rated up to one amp can be
connected to this terminal with the neutral leg of the cir-
cuit being connected to the one of the provided neutral
terminals. See figure 34 for control configuration. This
terminal is energized when the indoor blower is operat-
ing.

Page 26
8 − An unpowered, normally open (dry) set of contacts with
a 1/4" spade terminal HUM" are provided for humidifi-
er connections and may be connected to 24V or 120V.
Any humidifier rated up to one amp can be connected
to these terminals. In 120V humidifier applications the
neutral leg of the circuit can be connected to one of the
provided neutral terminals. This terminal is energized
in the heating mode.
9 − Install the room thermostat according to the instruc-
tions provided with the thermostat. See table 11 for
field wiring connections in varying applications. If the
furnace is being matched with a heat pump, refer to the
instruction packaged with the dual fuel thermostat.
Thermostat Selection
CAUTION
Field wiring for both communicating and non−com-
municating applications is illustrated in diagrams,
which begin on Page 27.
Non−Communicating
In non−communicating applications the SL280UHV is de-
signed to operate in a SINGLE−STAGE mode or TWO−
STAGE mode using a conventional thermostat.
For optimal performance in non−communicating applica-
tions, Lennox recommends use of a ComfortSense® 7000
high quality electronic digital thermostat or any other with
adjustable settings for 1st stage / 2nd stage on / off differen-
tials and adjustable stage timers.
Lennox recommends the following two−stage thermostat
settings:
First heat stage differential set to 1/2 to 1 degree F; second
heat stage differential set to 1/2 or 1 degree F; second heat
stage upstage timer disabled, or set to maximum (1 hr mini-
mum).
Communicating
In communicating applications the icomfort Touch® ther-
mostat must be used. Refer to the instructions provided
with the thermostat for installation, set−up and operation. In
communicating system all unused thermostat wire in the
wire bundle needs to be terminated inside and out. The ex-
tra wires can terminate on the ’C" terminal of the icomfort
communication terminal strip. (RSBus). Using an addition-
al wire come off "C" terminal and wire nut all the extra wires
together. Termination on the outdoor control must match
the indoor control.
Indoor Blower Speeds
Non−Communicating
1 − When the thermostat is set to FAN ON," the indoor
blower will run continuously at a field selectable per-
centage of the second−stage cooling speed when there
is no cooling or heating demand. The factory default
setting is 38% of cool speed.
2 − When the SL280UHV is running in the heating mode,
the indoor blower will run on the heating speed desig-
nated by the positions of DIP switches 11, 12 and 13.
First stage heating will run at 91% heat speed.
3 − When there is a cooling demand, the indoor blower will
run on the cooling speed designated by the positions
of DIP switches 5 and 6. First stage cooling will run at
70% cool speed.
Communicating
NOTE − When the SL280UHV is used with icomfort
Touch® thermostat, proper indoor blower speed selec-
tions are made by the communicating thermostat.
1 − When the thermostat is set to FAN ON," the indoor
blower will run at setting determined during system
configuration.
2 − When there is a heating demand the fan will run on
heating speeds for firing rate.
3 − When there is a cooling demand, the fan will run on the
first stage and second stage cooling speed set using
the icomfort Touch® thermostat in the installer setup
mode. The factory default is based upon 400 CFM a
ton.
Generator Use − Voltage Requirements
The following requirements must be kept in mind when
specifying a generator for use with this equipment:
The furnace requires 120 volts (Range: 102 volts to
132 volts)
The furnace operates at 60 Hz + 5% (Range: 57 Hz to
63 Hz)
The furnace integrated control requires both correct
polarity and proper ground. Both polarity and proper
grounding should be checked before attempting to op-
erate the furnace on either permanent or temporary
power
Generator should have a wave form distortion of less
than 5% THD (total harmonic distortion)

Page 27
FIGURE 30
icomfort Touch® Thermostat with SL280UHV
and Non−Communicating Outdoor Unit
icomfort−
ENABLED
SL280UHV
FURNACE
icomfort Touch®
THERMOSTAT
NON−COMMUNICATING
OUTDOOR AIR
CONDITIONING UNIT −
1 OR 2 STAGE
icomfort Touch® Thermostat
icomfort−Enabled SL280UHV Indoor Furnace
Non−Communicating Outdoor Air Conditioner
OPTIONAL
OUTDOOR
AIR SENSOR
OPTIONAL
DISCHARGE
AIR SENSOR
icomfort Touch® Thermostat with SL280UHV
and icomfort−ENABLED Outdoor Unit
icomfort Touch® Thermostat
icomfort−Enabled SL280UHV Indoor Furnace
icomfort−Enabled Outdoor Air Conditioner or Heat Pump
icomfort−
ENABLED
SL280UHV
FURNACE
icomfort− ENABLED
OUTDOOR AIR CONDITIONING
OR HEAT PUMP UNIT
OPTIONAL
OUTDOOR
AIR SENSOR
OPTIONAL
DISCHARGE
AIR SENSOR
CLIP ON−BOARD LINK
W915 (Y1 TO Y2) FOR
TWO−STAGE OPERATION
icomfort Integrated Control
icomfort Touch®
Outdoor Unit
NOTE − On communicating systems, extra wires must terminate on the "C" icomfort terminal strip (RSBus). Use an additional wire
and come off "C" terminal and wire nut all the extra wires together. Termination on the outdoor control must match the indoor control.
icomfort Touch®
THERMOSTAT

Page 28
Optional Accessories for use with any icomfort Touch® System
FIGURE 31
NOTE: 24V UV LIGHT
APPLICATIONS
In an icomfort by Lennox system,
neither furnace nor air handler trans-
former will have adequate VA to
power 24V UV light applications. An
additional transformer for UV light
applications is required.
icomfort Touch®
THERMOSTAT
Discharge Air
Sensor (Required
for even heat)
NOTE: icomfort Touch® THERMOSTAT SENSES HUMIDITY
& CONTROLS HUM CONTACTS TO CYCLE HUMIDIFIER
BASED ON DEMAND. NO OTHER CONTROL OR HUMIDIS-
TAT REQUIRED.
OPTIONAL OUTDOOR AIR SENSOR FOR USE WITH HU-
MIDIFIER (IF NOT ALREADY IN THE SYSTEM FOR OTHER
FUNCTIONS. BUILT INTO ALL icomfort by Lennox OUT-
DOOR UNITS).
Maximum total
length of all con-
nections on the
RSBus is limited
to 1500ft.
Wire gauge of
RSBus wire is 18.
RSBus
Rf WGhGsCf
HVAC EQUIP
DEHUMIDIFIER
CONTROL
HVAC
EQUIPMENT
DH
STANDARD 1 OR 2
STAGE AC OR HP UNIT
*24V IN
JUMPER
icomfort ENABLED
SL280UHV FURNACE
icomfort ENABLED
SL280UHV FURNACE
icomfort Touch®
THERMOSTAT
CONVENTIONAL
NON−COMMUNI-
CATING SYSTEM
COMMUNICATING SYSTEM
CS 7000
THERMOSTAT
*24V IN jumper not used in non−
communicating configuration
24V HUMIDIFIER CONNECTIONS
120V CONNECTIONS
HEPA BYPASS FILTER X2680 HEPA INTERLOCK KIT
PASS INDOOR BLOWER
MOTOR COMMON WIRE
THROUGH CURRENT LOOP.
SEE HEPA INTERLOCK KIT
FOR INSTALLATION DE-
TAILS
icomfort ENABLED
SL280UHV FURNACE
LVCS VENTILATION CONTROL SYSTEM
SEE LVCS VENTILATION
INSTRUCTIONS FOR
DAMPER & SENSOR WIRING
icomfort ENABLED
SL280UHV FURNACE
icomfort
ENABLED OUTDOOR
AIR CONDITIONING OR
HEAT PUMP UNIT
(POWER COMPANY INTERRUPTION SYSTEMS
ARE WIRED SAME AS OVERFLOW SWITCH)
icomfort ENABLED
SL280UHV FURNACE
CUT
R−DS
W914
DS
R
2 STAGE FURNACE
COMMUNICATING
SYSTEM WIRING
NON−COMMUNICATING
SYSTEM WIRING
HUM" CONTACT IS
CLOSED ANYTIME
HUMIDITY DEMAND
IS PRESENT

Page 29
TABLE 11
SL280 Field Wiring Applications With Conventional Thermostat
Thermostat
DIP Switch Settings and On−Board Links (See figure 34)
Wiring Connections
DIP Switch 1
Thermostat
Heating
Stages
On Board Links Must Be Cut To Select
System Options
1 Heat / 1 Cool
NOTE − Use DIP
switch 2 to set
second−stage
heat ON delay.
OFF−7 minutes.
ON−12 minutes.
ON
DO NOT CUT ANY
ON−BOARD LINKS
S1
T’STAT
FURNACE
TERM. STRIP
OUTDOOR
UNIT
*
1 Heat / 2 Cool
NOTE − Use DIP
switch 2 to set
second−stage
heat ON delay.
OFF−7 minutes.
ON−12 minutes.
ON
CUT ON−BOARD LINK
W915
2 STAGE
COMPR
S1
T’STAT
FURNACE
TERM. STRIP
OUTDOOR
UNIT
*
1 Heat / 2 Cool
with t’stat with
humidity control
NOTE − Use DIP
switch 2 to set
second−stage
heat ON delay.
OFF−7 minutes.
ON−12 minutes.
ON CUT ON−BOARD LINK
W915
2 STAGE
COMPR
CUT ON−BOARD LINK
W914
DEHUM
OR
HARMONY
S1
T’STAT
FURNACE
TERM. STRIP
OUTDOOR
UNIT
o
*
* Not required on all units.

Page 30
TABLE 11
SL280 Field Wiring Applications With Conventional Thermostat (Continued)
Thermostat
DIP Switch Settings and On−Board Links (See figure 34)
Wiring Connections
DIP Switch 1
Thermostat
Heating
Stages
On Board Links Must Be Cut To Select
System Options
2 Heat / 2 Cool OFF
CUT ON−BOARD LINK
W915
2 STAGE
COMPR
S1
T’STAT
FURNACE
TERM. STRIP
OUTDOOR
UNIT
*
2 Heat / 2 Cool
with t’stat with
humidity control
OFF
CUT ON−BOARD LINK
W915
2 STAGE
COMPR
CUT ON−BOARD LINK
W914
DEHUM
OR
HARMONY
S1
T’STAT
FURNACE
TERM. STRIP
OUTDOOR
UNIT
o
*
2 Heat / 1 Cool
with t’stat with
humidity control
OFF
CUT ON−BOARD LINK
W914
DEHUM
OR
HARMONY
S1
T’STAT
FURNACE
TERM. STRIP
OUTDOOR
UNIT
o
*
2 Heat / 1 Cool OFF
DO NOT CUT ANY
ON−BOARD LINKS
S1
T’STAT
FURNACE
TERM. STRIP
OUTDOOR
UNIT
*
* Not required on all units.

Page 31
TABLE 11
SL280 Field Wiring Applications With Conventional Thermostat (Continued)
Thermostat
DIP Switch Settings and On−Board Links (figure 34)
Wiring Connections
DIP Switch 1
Thermostat
Heating
Stages
On Board Links Must Be Cut To Select
System Options
Dual Fuel
Single Stage
Heat Pump
ComfortSense
7000 L7724U
thermostat w/
dual fuel capa-
bilities
Capable of 2
stage gas heat
control
OFF
CUT ON−BOARD LINK
W951
HEAT
PUMP
L7724U
T’STAT
FURNACE
TERM. STRIP HEAT PUMP
67M41*
Y
H
L
Y2
D
B
L
Y2
T
T
outdoor
sensor
Dual Fuel
Two Stage
Heat Pump
ComfortSense
7000 L7724U
thermostat w/
dual fuel capa-
bilities
Capable of 2
stage gas heat
control
OFF
CUT ON−BOARD LINK
W951
HEAT
PUMP
CUT ON−BOARD LINK
W915
2 STAGE
COMPR
FURNACE
TERM. STRIP HEAT PUMP
out blue
67M41*
H
L
Y2
D
B
L
Y2
T
T
outdoor
sensor
L7724U
T’STAT
* Connect W1 to W1 ONLY if using defrost tempering kit 67M41
NOTE − Do NOT make a wire connection between the room thermostat L terminal and the L terminal of the SL280
integrated control.

Page 32
TABLE 11
SL280 Field Wiring Applications With Conventional Thermostat (Continued)
Thermostat
DIP Switch Settings and On−Board Links (figure 34)
Wiring Connections
DIP Switch 1
Thermostat
Heating
Stages
On Board Links Must Be Cut To Select
System Options
Dual Fuel
Single Stage
Heat Pump
ComfortSense
7000 L7724U
thermostat w/
dual fuel capa-
bilities
Capable of 2
stage gas heat
control w/dehu-
midification
control
OFF
CUT ON−BOARD LINK
W951
HEAT
PUMP
CUT ON−BOARD LINK
W914
DEHUM
OR
HARMONY
L7724U
T’STAT
FURNACE
TERM. STRIP HEAT PUMP
67M41*
Y
H
L
Y2
D
B
L
Y2
T
T
outdoor
sensor
Dual Fuel
Two Stage
Heat Pump
ComfortSense
7000 L7724U
thermostat w/
dual fuel capa-
bilities
Capable of 2
stage gas heat
control w/dehu-
midification
OFF
CUT ON−BOARD LINK
W914
DEHUM
OR
HARMONY
CUT ON−BOARD LINK
W951
HEAT
PUMP
CUT ON−BOARD LINK
W915
2 STAGE
COMPR
L7724U
T’STAT
FURNACE
TERM. STRIP HEAT PUMP
67M41*
H
L
Y2
D
B
L
Y2
T
T
outdoor
sensor
Y2
out blue
* Connect W1 to W1 ONLY if using defrost tempering kit 67M41
NOTE − Do NOT make a wire connection between the room thermostat L terminal and the L terminal of the SL280
integrated control.

Page 33
SL280UHV Schematic Wiring Diagram
FIGURE 32

Page 34
TYPICAL SL280UHV FIELD WIRING DIAGRAM
FIGURE 33
FIELD INSTALLED CLASS II 24V
FIELD INSTALLED LINE VOLTAGE

Page 35
Integrated Control
FIGURE 34
THERMOSTAT CONNECTIONS (TB1)
1/4" QUICK CONNECT TERMINALS
RS−BUS LINK (TB82, future use)
I+ = DATA HIGH CONNECTION
I − = DATA LOW CONNECTION
RS−BUS OUTDOOR (TB83)
R = 24VAC
I + = DATA HIGH CONNECTION
I − = DATA LOW CONNECTION
C = 24VAXC COMMON
RS−BUS INDOOR (TB84)
R = 24VAC
I + = DATA HIGH CONNECTION
I − = DATA LOW CONNECTION
C = 24VAXC COMMON
FLAME SENSE
DIP SWITCHES
OUTDOOR AIR
SENSOR
TERMINALS
DISCHARGE AIR
SENSOR
TERMINALS
INDOOR
BLOWER
CONNECTOR
NEUTRAL
DIAGNOSTIC
PUSH BUTTON
TB83
COMMUNICATING
OUTDOOR
EQUIPMENT
TB84
COMMUNICATING
INDOOR
THERMOSTAT
DS = DEHUMIDIFICATION SIGNAL
W2 = HEAT DEMAND FROM 2ND STAGE T/STAT
W1 = HEAT DEMAND FROM 1ST STAGE T/STAT
R = CLASS 2 VOLTAGE TO THERMOSTAT
G = MANUAL FAN FROM T’STAT
C = THERMOSTAT SIGNAL GROUND CONNECTED TO
TRANSFORMER GRD (TR) & CHASIS GROUND (GRD)
Y1 = THERMOSTAT 1ST STAGE COOL SIGNAL
Y2 = THERMOSTAT 2ND STAGE COOL SIGNAL
O = THERMOSTAT SIGNAL TO HEAT PUMP
REVERSING VALVE
L = USE ONLY WITH A COMMUNICATING THERMOSTAT
AND A NON−COMMUNICATING OUTDOOR UNIT
DH = DEHUMIDIFICATION OUTPUT COMMUNICATING
THERMOSTAT ONLY
HUM = UNPOWERED NORMALLY OPEN (DRY) CONTACTS
XMFR = 120 VAC OUTPUT TO TRANSFORMER
LI = 120 VAC INPUT TO CONTROL
ACC = 120 VAC OUTPUT TO OPTIONAL ACCESSORY
NEUTRALS = 120 VAC NEUTRAL
W915 Y1 TO Y2
2 STAGE COMPR
W951 R TO O
HEAT PUMP
W914 R TO DS
DEHUM OR
HARMONY
W1 W2 G Y2 Y1 CCRDHLODS
RI + I − CRI + I − C
7 SEGMENT LED
ACC
LINE 1
HUM
12 PIN LOW
VOLTAGE
CONNECTOR
NON−COMMUNICATINGNG
24V TERMINALS
HS/ CAI
. . . . . . . . . . . . .

Page 36
Integrated Control DIP Switch Settings −
Conventional Thermostat (non−communi-
cating)
SL280UHV units are equipped with a two−stage, variable
speed integrated control. This control manages ignition
timing, heating mode fan off delays and indoor blower
speeds based on selections made using the control dip
switches and jumpers. The control includes an internal
watchguard feature which automatically resets the ignition
control when it has been locked out. After one hour of con-
tinuous thermostat demand for heat, the watchguard will
break and remake thermostat demand to the furnace and
automatically reset the control to relight the furnace.
Note: All icomfort settings are set at the icomfort Touch®
thermostat. See icomfort installation instruction. In icom-
fort communication system all DIP switch and clippable
link settings are ignored. For conventional thermostats pro-
ceed with DIP switch and clippable link settings as outlined
in the following.
Heating Operation DIP Switch Settings
Switch 1 −− Thermostat Selection −− This unit may be used
with either a single−stage or two−stage thermostat. The
thermostat selection is made using a DIP switch which
must be properly positioned for the particular application.
The DIP switch is factory−positioned for use with a two−
stage thermostat. If a single−stage thermostat is to be used,
the DIP switch must be repositioned.
Select OFF" for two−stage heating operation con-
trolled by a two−stage heating thermostat (factory set-
ting);
b − Select ON" for two−stage heating operation con-
trolled by a single−stage heating thermostat. This set-
ting provides a timed delay before second−stage heat
is initiated.
Switch 2 −− Second Stage Delay (Used with Single−
Stage Thermostat Only) −− This switch is used to deter-
mine the second stage on delay when a single−stage ther-
mostat is being used. The switch is factory−set in the OFF
position, which provides a 7−minute delay before second−
stage heat is initiated. If the switch is toggled to the ON
position, it will provide a 12−minute delay before second−
stage heat is initiated. This switch is only activated when
the thermostat selector jumper is positioned for SINGLE−
stage thermostat use.
Switches 3 and 4 −− Blower−Off Delay −− The blower−on
delay of 30 seconds is not adjustable. The blower−off delay
(time that the blower operates after the heating demand
has been satisfied) can be adjusted by moving switches 3
and 4 on the integrated control. The unit is shipped from the
factory with a blower−off delay of 90 seconds. The blower
off delay affects comfort and is adjustable to satisfy individ-
ual applications. Adjust the blower off delay to achieve a
supply air temperature between 90° and 110°F at the exact
moment that the blower is de−energized. Longer off delay
settings provide lower supply air temperatures; shorter set-
tings provide higher supply air temperatures.Table 12 pro-
vides the blower off timings that will result from different
switch settings.
TABLE 12
Blower Off Delay Switch Settings
Blower Off Delay
(Seconds) Switch 3 Switch 4
60 On Off
90 (Factory) Off Off
120 Off On
180 On On
Indoor Blower Operation DIP Switch Settings
Switches 5 and 6 −− Cooling Mode Blower Speed −− The
unit is shipped from the factory with the dip switches posi-
tioned for high speed (4) indoor blower motor operation
during the cooling mode. Table 13 provides the cooling
mode blower speeds that will result from different switch
settings. Switches 5 and 6 set the blower cfm for second−
stage cool. The integrated control automatically ramps
down to 70% of the second−stage cfm for first−stage cfm.
Refer to tables for corresponding cfm values.
TABLE 13
Cooling Mode Blower Speeds
Speed Switch 5 Switch 6
Low On On
Medium Low Off On
Medium High On Off
High (Factory) Off Off
Switches 7 and 8 −− Cooling Blower Speed Adjustment
−− The unit is shipped from the factory with the dip switches
positioned for NORMAL (no) adjustment. The dip switches
may be positioned to adjust the blower speed by +10% or
−10% to better suit the application. Table 14 below provides
blower speed adjustments that will result from different
switch settings. Refer to tables for corresponding cfm val-
ues.
TABLE 14
Cooling Blower Speed Adjustment
Adjustment Switch 7 Switch 8
+10% (approx.) On Off
Factory Default Off Off
−10% (approx.) Off On
Switches 9 and 10 −− Cooling Mode Blower Speed
Ramping −− Blower speed ramping may be used to en-
hance dehumidification performance. The switches are
factory set at option A which has the greatest effect on de−
humidification performance. Table 15 provides the cooling
mode blower speed ramping options that will result from
different switch settings. The cooling mode blower speed
ramping options are detailed on the next page.
NOTE − The off portion of the selected ramp profile also ap-
plies during heat pump operation in dual fuel applications.

Page 37
TABLE 15
Cooling Mode Blower Speed Ramping
Ramping Option Switch 9 Switch 10
A (Factory) Off Off
B Off On
C On Off
D On On
Ramping Option A (Factory Selection)
Motor runs at 50% for 30 seconds.
Motor then runs at 82% for approximately 7−1/2 minu-
tes.
If demand has not been satisfied after 7−1/2 minutes,
motor runs at 100% until demand is satisfied.
Once demand is met, motor runs at 50% for 30 sec-
onds then ramps down to stop.
OFF
OFF
1/2 MIN
50% CFM
COMPRESSOR DEMAND
7 1/2 MIN
82% CFM
100%
CFM
1/2 MIN
50% CFM
Ramping Option B
Motor runs at 82% for approximately 7−1/2 minutes. If
demand has not been satisfied after 7−1/2 minutes,
motor runs at 100% until demand is satisfied.
Once demand is met, motor ramps down to stop.
OFF
OFF 82%CFM 100% CFM
COMPRESSOR DEMAND
7 1/2 MIN
Ramping Option C
Motor runs at 100% until demand is satisfied.
Once demand is met, motor runs at 100% for 45 sec-
onds then ramps down to stop.
OFF
OFF 100% CFM 100% CFM
45 SEC.
COMPRESSOR
DEMAND
Ramping Option D
Motor runs at 100% until demand is satisfied.
Once demand is met, motor ramps down to stop.
OFFOFF 100% CFM
COMPRESSOR
DEMAND
Switches 11, 12 and 13 −− Heating Mode Blower Speed −−
The switches are factory set to the OFF position which pro-
vides factory default heat speed. Refer to table 16 for
switches 11, 12 and 13 that provided the corresponding in-
creases or decrease to both high and low heat demand.
TABLE 16
Heating Mode Blower Speeds
Heat Speed Switch
11
Switch
12
Switch
13
Increase 24% On On On
Increase 18% On On Off
Increase 12% On Off On
Increase 6% On Off Off
Factory Default Off Off Off
Decrease 6% Off Off On
Decrease 12% Off On Off
Decrease18% Off On On
Switches 14 and 15 −− Continuous Blower Speed −−
Table 17 provides continuous blower speed adjustments
that will result from different switch settings.
TABLE 17
Continuous Blower Speed
Continuous
Blower Speed Switch 14 Switch 15
28% of High Cool Speed Off On
38% of High Cool Speed
(Factory) Off Off
70% of High Cool Speed On Off
100% of High Cool Speed On On

Page 38
On−Board Links
Note: In icomfort systems with a conventional outdoor
unit (non−communicating), the on−board clippable links
must be set to properly configure the system.
WARNING
Carefully review all configuration information pro-
vided. Failure to properly set DIP switches, jumpers
and on−board links can result in improper operation!
On−Board Link W914 Dehum or Harmony (R to DS)
On−board link W914, is a clippable connection between ter-
minals R and DS on the integrated control. W914 must be
cut when the furnace is installed with either the Harmony
III zone control or a thermostat which features humidity
control. If the link is left intact the PMW signal from the Har-
mony III control will be blocked and also lead to control
damage. Refer to table 18 for operation sequence in ap-
plications including SL280UHV, a thermostat which fea-
tures humidity control and a single−speed outdoor unit.
Table 19 gives the operation sequence in applications with
a two−speed outdoor unit.
On−Board Link W951 Heat Pump (R to O)
On−board link W951 is a clippable connection between ter-
minals R and O on the integrated control. W951 must be cut
when the furnace is installed in applications which include a
heat pump unit and a thermostat which features dual fuel
use. If the link is left intact, terminal O" will remain ener-
gized eliminating the HEAT MODE in the heat pump.
On−Board Link W915 2 Stage Compr (Y1 to Y2)
On−board link W915 is a clippable connection between ter-
minals Y1 and Y2 on the integrated control. W915 must be
cut if two−stage cooling will be used. If the Y1 to Y2 link is
not cut the outdoor unit will operate in second−stage cooling
only.
Diagnostic LED (Figure 34)
The seven−segment diagnostic LED displays operating
status, target airflow, error codes and other information.
The table beginning on Page 60 lists diagnostic LED
codes.
Diagnostic Push Button (Figure 34)
The diagnostic push button is located adjacent to the
seven−segment diagnostic LED. This button is used to en-
able the Error Code Recall E" mode and the Flame Signal
F" mode. Press the button and hold it to cycle through a
menu of options. Every five seconds a new menu item will
be displayed. When the button is released, the displayed
item will be selected. Once all items in the menu have been
displayed, the menu resumes from the beginning until the
button is released.
Error Code Recall Mode
Select "E" from the menu to access the most recent 10 error
codes. Select c" from the Error Code Recall menu to clear
all error codes. Button must be pressed a second time
while c" is flashing to confirm command to delete codes.
Press the button until a solid ≡" is displayed to exit the Error
Code Recall mode.
Flame Signal Mode
Select "F" from the menu to access the flame signal mode.
The integrated control will display the flame current on 7
segment LED in in micro amps (uA).
Flame signal mode is exited after the following:
Power is reset
Pressing and holding push button until 3 horizontal
lines ≡" are displayed
10 minutes of entering the flame sense mode.

Page 39
BLOWER DATA
SL280UH070V36A BLOWER PERFORMANCE (less lter)
BOTTOM RETURN AIR
0 through 0.8 in. w.g. (Heating) and 0 through 1.0 in. w.g. (Cooling) External Static Pressure Range
HEATING
1 Heating Speed
DIP Switch
Settings
First Stage Heating Speed - cfm Second Stage Heating Speed - cfm
+24% 1045 1145
+18% 985 1080
+12% 940 1035
+6% 880 960
Factory Default 850 925
–6% 785 875
–12% 745 815
–18% 680 745
COOLING
1 Cooling Speed
DIP Switch
Settings
First Stage Cooling Speed - cfm Second Stage Cooling Speed - cfm
Low Medium-Low Medium-High 2 High Low Medium-Low Medium-High 2 High
+781 819 872 981 1045 1139 1219 1372
Factory Default 695 734 797 883 943 1005 1114 1260
–645 674 720 815 847 922 991 1144
SINGLE SIDE RETURN AIR
0 through 0.8 in. w.g. (Heating) and 0 through 1.0 in. w.g. (Cooling) External Static Pressure Range
HEATING
1 Heating Speed
DIP Switch
Settings
First Stage Heating Speed - cfm Second Stage Heating Speed - cfm
+24% 1050 1165
+18% 1000 1110
+12% 940 1040
+6% 895 975
Factory Default 820 935
–6% 775 855
–12% 735 805
–18% 685 750
COOLING
1 Cooling Speed
DIP Switch
Settings
First Stage Cooling Speed - cfm Second Stage Cooling Speed - cfm
Low Medium-Low Medium-High 2 High Low Medium-Low Medium-High 2 High
+764 802 886 977 1035 1122 1248 1360
Factory Default 704 725 793 899 949 1029 1135 1257
–642 680 717 812 874 933 1021 1133
1 Cooling and heating speeds are based on a combination of DIP switch settings on the furnace control. Refer to Installation Instructions for specic DIP Switch
Settings.
2 Factory default setting.
NOTES - The effect of static pressure is included in air volumes shown.
First stage HEAT is approximately 91% of the same second stage HEAT.
First stage COOL (two-stage air conditioning units only) is approximately 70% of the same second stage COOL speed position.
Continuous Fan Only speed is selectable at 28%, 38%, 70% and 100% of the selected second stage cooling speed - minimum 500 cfm.
Lennox Harmony III™ Zone Control Applications - Minimum blower speed is 425 cfm.

Page 40
BLOWER DATA
SL280UH090V36B BLOWER PERFORMANCE (less lter)
BOTTOM RETURN AIR
0 through 0.8 in. w.g. (Heating) and 0 through 1.0 in. w.g. (Cooling) External Static Pressure Range
HEATING
1 Heating Speed
DIP Switch
Settings
First Stage Heating Speed - cfm Second Stage Heating Speed - cfm
+24% 1300 1420
+18% 1250 1335
+12% 1185 1285
+6% 1145 1240
Factory Default 1070 1170
–6% 1015 1100
–12% 970 1035
–18% 880 980
COOLING
1 Cooling Speed
DIP Switch
Settings
First Stage Cooling Speed - cfm Second Stage Cooling Speed - cfm
Low Medium-Low Medium-High 2 High Low Medium-Low Medium-High 2 High
+616 755 846 980 1018 1197 1291 1399
Factory Default 571 698 767 886 909 1083 1197 1284
–489 627 681 812 834 968 1081 1179
SINGLE SIDE RETURN AIR
0 through 0.8 in. w.g. (Heating) and 0 through 1.0 in. w.g. (Cooling) External Static Pressure Range
HEATING
1 Heating Speed
DIP Switch
Settings
First Stage Heating Speed - cfm Second Stage Heating Speed - cfm
+24% 1305 1425
+18% 1250 1350
+12% 1195 1290
+6% 1135 1230
Factory Default 1070 1165
–6% 995 1100
–12% 935 1030
–18% 870 960
COOLING
1 Cooling Speed
DIP Switch
Settings
First Stage Cooling Speed - cfm Second Stage Cooling Speed - cfm
Low Medium-Low Medium-High 2 High Low Medium-Low Medium-High 2 High
+611 731 830 971 995 1160 1274 1376
Factory Default 575 674 748 870 889 1075 1160 1270
–519 604 691 786 808 952 1056 1147
1 Cooling and heating speeds are based on a combination of DIP switch settings on the furnace control. Refer to Installation Instructions for specic DIP Switch
Settings.
2 Factory default setting.
NOTES - The effect of static pressure is included in air volumes shown.
First stage HEAT is approximately 91% of the same second stage HEAT.
First stage COOL (two-stage air conditioning units only) is approximately 70% of the same second stage COOL speed position.
Continuous Fan Only speed is selectable at 28%, 38%, 70% and 100% of the selected second stage cooling speed - minimum 500 cfm.
Lennox Harmony III™ Zone Control Applications - Minimum blower speed is 455 cfm.

Page 41
BLOWER DATA
SL280UH090V48B BLOWER PERFORMANCE (less lter)
BOTTOM RETURN AIR
0 through 0.8 in. w.g. (Heating) and 0 through 1.0 in. w.g. (Cooling) External Static Pressure Range
HEATING
1 Heating Speed
DIP Switch
Settings
First Stage Heating Speed - cfm Second Stage Heating Speed - cfm
+24% 1280 1410
+18% 1220 1340
+12% 1155 1270
+6% 1095 1205
Factory Default 1035 1135
–6% 970 1070
–12% 910 1000
–18% 845 930
COOLING
1 Cooling Speed
DIP Switch
Settings
First Stage Cooling Speed - cfm Second Stage Cooling Speed - cfm
Low Medium-Low Medium-High 2 High Low Medium-Low Medium-High 2 High
+670 890 1040 1210 1030 1335 1550 1755
Factory Default 605 815 965 1090 940 1205 1405 1,600
–525 690 850 985 795 1060 1260 1435
SINGLE SIDE RETURN AIR
0 through 0.8 in. w.g. (Heating) and 0 through 1.0 in. w.g. (Cooling) External Static Pressure Range
HEATING
1 Heating Speed
DIP Switch
Settings
First Stage Heating Speed - cfm Second Stage Heating Speed - cfm
+24% 1280 1410
+18% 1220 1340
+12% 1155 1270
+6% 1095 1205
Factory Default 1035 1135
–6% 970 1070
–12% 910 1000
–18% 845 930
COOLING
1 Cooling Speed
DIP Switch
Settings
First Stage Cooling Speed - cfm Second Stage Cooling Speed - cfm
Low Medium-Low Medium-High 2 High Low Medium-Low Medium-High 2 High
+640 900 1015 1175 1005 1295 1500 1670
Factory Default 570 780 930 1040 895 1160 1345 1500
–530 700 810 955 795 1050 1210 1405
1 Cooling and heating speeds are based on a combination of DIP switch settings on the furnace control. Refer to Installation Instructions for specic DIP Switch
Settings.
2 Factory default setting.
NOTES - The effect of static pressure is included in air volumes shown.
First stage HEAT is approximately 91% of the same second stage HEAT.
First stage COOL (two-stage air conditioning units only) is approximately 70% of the same second stage COOL speed position.
Continuous Fan Only speed is selectable at 28%, 38%, 70% and 100% of the selected second stage cooling speed - minimum 500 cfm.
Lennox Harmony III™ Zone Control Applications - Minimum blower speed is 455 cfm.

Page 42
BLOWER DATA
SL280UH090V48B BLOWER PERFORMANCE (less lter)
SIDE RETURN AIR WITH OPTIONAL RETURN AIR BASE
0 through 0.8 in. w.g. (Heating) and 0 through 1.0 in. w.g. (Cooling) External Static Pressure Range
HEATING
1 Heating Speed
DIP Switch
Settings
First Stage Heating Speed - cfm Second Stage Heating Speed - cfm
+24% 1295 1425
+18% 1235 1355
+12% 1170 1290
+6% 1110 1220
Factory Default 1045 1150
–6% 980 1080
–12% 920 1010
–18% 855 945
COOLING
1 Cooling Speed
DIP Switch
Settings
First Stage Cooling Speed - cfm Second Stage Cooling Speed - cfm
Low Medium-Low Medium-High 2 High Low Medium-Low Medium-High 2 High
+660 905 1030 1175 985 1290 1495 1675
Factory Default 600 760 930 1045 905 1125 1345 1525
–535 700 850 970 815 1040 1225 1385
1 Cooling and heating speeds are based on a combination of DIP switch settings on the furnace control. Refer to Installation Instructions for specic DIP Switch
Settings.
2 Factory default setting.
NOTES - The effect of static pressure is included in air volumes shown.
First stage HEAT is approximately 91% of the same second stage HEAT.
First stage COOL (two-stage air conditioning units only) is approximately 70% of the same second stage COOL speed position.
Continuous Fan Only speed is selectable at 28%, 38%, 70% and 100% of the selected second stage cooling speed - minimum 500 cfm.
Lennox Harmony III™ Zone Control Applications - Minimum blower speed is 455 cfm.

Page 43
BLOWER DATA
SL280UH090V60C BLOWER PERFORMANCE (less lter)
BOTTOM RETURN AIR, RETURN AIR FROM BOTH SIDES OR RETURN AIR FROM BOTTOM AND ONE SIDE
0 through 0.8 in. w.g. (Heating) and 0 through 1.0 in. w.g. (Cooling) External Static Pressure Range
HEATING
1 Heating Speed
DIP Switch
Settings
First Stage Heating Speed - cfm Second Stage Heating Speed - cfm
+24% 1420 1565
+18% 1355 1490
+12% 1285 1415
+6% 1215 1335
Factory Default 1145 1260
–6% 1080 1185
–12% 1010 1110
–18% 940 1035
COOLING
1 Cooling Speed
DIP Switch
Settings
First Stage Cooling Speed - cfm Second Stage Cooling Speed - cfm
Low Medium-Low Medium-High 2 High Low Medium-Low Medium-High 2 High
+1110 1205 1420 1680 1575 1740 2000 2305
Factory Default 1005 1100 1280 1545 1440 1595 1820 2125
–890 1015 1125 1380 1295 1450 1610 1930
SINGLE SIDE RETURN AIR
0 through 0.8 in. w.g. (Heating) and 0 through 1.0 in. w.g. (Cooling) External Static Pressure Range
HEATING
1 Heating Speed
DIP Switch
Settings
First Stage Heating Speed - cfm Second Stage Heating Speed - cfm
+24% 1360 1500
+18% 1295 1425
+12% 1230 1355
+6% 1165 1280
Factory Default 1100 1210
–6% 1030 1135
–12% 965 1065
–18% 900 990
COOLING
1 Cooling Speed
DIP Switch
Settings
First Stage Cooling Speed - cfm Second Stage Cooling Speed - cfm
Low Medium-Low Medium-High 2 High Low Medium-Low Medium-High 2 High
+1050 1165 1335 1620 1515 1680 1915 2225
Factory Default 955 1060 1215 1480 1390 1545 1735 2060
–840 945 1090 1290 1220 1385 1580 1825
1 Cooling and heating speeds are based on a combination of DIP switch settings on the furnace control. Refer to Installation Instructions for specic DIP Switch
Settings.
2 Factory default setting.
NOTES - The effect of static pressure is included in air volumes shown.
First stage HEAT is approximately 91% of the same second stage HEAT.
First stage COOL (two-stage air conditioning units only) is approximately 70% of the same second stage COOL speed position.
Continuous Fan Only speed is selectable at 28%, 38%, 70% and 100% of the selected second stage cooling speed - minimum 500 cfm.
Lennox Harmony III™ Zone Control Applications - Minimum blower speed is 480 cfm.

Page 44
BLOWER DATA
SL280UH090V60C BLOWER PERFORMANCE (less lter)
SIDE RETURN AIR WITH OPTIONAL RETURN AIR BASE
0 through 0.8 in. w.g. (Heating) and 0 through 1.0 in. w.g. (Cooling) External Static Pressure Range
HEATING
1 Heating Speed
DIP Switch
Settings
First Stage Heating Speed - cfm Second Stage Heating Speed - cfm
+24% 1360 1495
+18% 1290 1420
+12% 1225 1350
+6% 1160 1275
Factory Default 1095 1205
–6% 1030 1130
–12% 965 1060
–18% 900 990
COOLING
1 Cooling Speed
DIP Switch
Settings
First Stage Cooling Speed - cfm Second Stage Cooling Speed - cfm
Low Medium-Low Medium-High 2 High Low Medium-Low Medium-High 2 High
+1050 1190 1380 1615 1515 1715 1930 2240
Factory Default 970 1090 1245 1485 1380 1560 1755 2070
–880 985 1095 1285 1215 1400 1580 1830
1 Cooling and heating speeds are based on a combination of DIP switch settings on the furnace control. Refer to Installation Instructions for specic DIP Switch
Settings.
2 Factory default setting.
NOTES - The effect of static pressure is included in air volumes shown.
First stage HEAT is approximately 91% of the same second stage HEAT.
First stage COOL (two-stage air conditioning units only) is approximately 70% of the same second stage COOL speed position.
Continuous Fan Only speed is selectable at 28%, 38%, 70% and 100% of the selected second stage cooling speed - minimum 500 cfm.
Lennox Harmony III™ Zone Control Applications - Minimum blower speed is 480 cfm.

Page 45
BLOWER DATA
SL280UH110V60C BLOWER PERFORMANCE (less lter)
BOTTOM RETURN AIR, RETURN AIR FROM BOTH SIDES OR RETURN AIR FROM BOTTOM AND ONE SIDE
0 through 0.8 in. w.g. (Heating) and 0 through 1.0 in. w.g. (Cooling) External Static Pressure Range
HEATING
1 Heating Speed
DIP Switch
Settings
First Stage Heating Speed - cfm Second Stage Heating Speed - cfm
+24% 1690 1855
+18% 1605 1765
+12% 1525 1675
+6% 1445 1585
Factory Default 1360 1495
–6% 1280 1405
–12% 1200 1315
–18% 1115 1230
COOLING
1 Cooling Speed
DIP Switch
Settings
First Stage Cooling Speed - cfm Second Stage Cooling Speed - cfm
Low Medium-Low Medium-High 2 High Low Medium-Low Medium-High 2 High
+1060 1220 1330 1565 1535 1710 1910 2210
Factory Default 970 1075 1180 1430 1400 1565 1715 2015
–875 980 1070 1255 1260 1400 1560 1815
SINGLE SIDE RETURN AIR
0 through 0.8 in. w.g. (Heating) and 0 through 1.0 in. w.g. (Cooling) External Static Pressure Range
HEATING
1 Heating Speed
DIP Switch
Settings
First Stage Heating Speed - cfm Second Stage Heating Speed - cfm
+24% 1640 1805
+18% 1560 1715
+12% 1480 1630
+6% 1400 1545
Factory Default 1325 1455
–6% 1245 1370
–12% 1165 1280
–18% 1085 1195
COOLING
1 Cooling Speed
DIP Switch
Settings
First Stage Cooling Speed - cfm Second Stage Cooling Speed - cfm
Low Medium-Low Medium-High 2 High Low Medium-Low Medium-High 2 High
+1020 1160 1285 1550 1505 1690 1855 2125
Factory Default 940 1050 1155 1400 1375 1525 1685 1935
–835 945 1020 1250 1235 1380 1505 1730
1 Cooling and heating speeds are based on a combination of DIP switch settings on the furnace control. Refer to Installation Instructions for specic DIP Switch
Settings.
2 Factory default setting.
NOTES - The effect of static pressure is included in air volumes shown.
First stage HEAT is approximately 91% of the same second stage HEAT.
First stage COOL (two-stage air conditioning units only) is approximately 70% of the same second stage COOL speed position.
Continuous Fan Only speed is selectable at 28%, 38%, 70% and 100% of the selected second stage cooling speed - minimum 500 cfm.
Lennox Harmony III™ Zone Control Applications - Minimum blower speed is 485 cfm.

Page 46
BLOWER DATA
SL280UH110V60C BLOWER PERFORMANCE (less lter)
SIDE RETURN AIR WITH OPTIONAL RETURN AIR BASE
0 through 0.8 in. w.g. (Heating) and 0 through 1.0 in. w.g. (Cooling) External Static Pressure Range
HEATING
1 Heating Speed
DIP Switch
Settings
First Stage Heating Speed - cfm Second Stage Heating Speed - cfm
+24% 1635 1800
+18% 1555 1710
+12% 1475 1625
+6% 1395 1535
Factory Default 1320 1450
–6% 1240 1365
–12% 1160 1275
–18% 1080 1190
COOLING
1 Cooling Speed
DIP Switch
Settings
First Stage Cooling Speed - cfm Second Stage Cooling Speed - cfm
Low Medium-Low Medium-High 2 High Low Medium-Low Medium-High 2 High
+1085 1160 1270 1490 1595 1660 1840 2115
Factory Default 1010 1040 1160 1375 1470 1535 1655 1940
–900 955 1025 1205 1315 1365 1510 1735
1 Cooling and heating speeds are based on a combination of DIP switch settings on the furnace control. Refer to Installation Instructions for specic DIP Switch
Settings.
2 Factory default setting.
NOTES - The effect of static pressure is included in air volumes shown.
First stage HEAT is approximately 91% of the same second stage HEAT.
First stage COOL (two-stage air conditioning units only) is approximately 70% of the same second stage COOL speed position.
Continuous Fan Only speed is selectable at 28%, 38%, 70% and 100% of the selected second stage cooling speed - minimum 500 cfm.
Lennox Harmony III™ Zone Control Applications - Minimum blower speed is 485 cfm.

Page 47
BLOWER DATA
SL280UH135V60D BLOWER PERFORMANCE (less lter)
BOTTOM RETURN AIR, RETURN AIR FROM BOTH SIDES OR RETURN AIR FROM BOTTOM AND ONE SIDE
0 through 0.8 in. w.g. (Heating) and 0 through 1.0 in. w.g. (Cooling) External Static Pressure Range
HEATING
1 Heating Speed
DIP Switch
Settings
First Stage Heating Speed - cfm Second Stage Heating Speed - cfm
+24% 1875 2065
+18% 1785 1965
+12% 1695 1865
+6% 1605 1765
Factory Default 1515 1665
–6% 1425 1565
–12% 1330 1465
–18% 1240 1365
COOLING
1 Cooling Speed
DIP Switch
Settings
First Stage Cooling Speed - cfm Second Stage Cooling Speed - cfm
Low Medium-Low Medium-High 2 High Low Medium-Low Medium-High 2 High
+1025 1120 1325 1650 1500 1600 1840 2235
Factory Default 965 1015 1180 1490 1420 1510 1700 2110
–875 930 1060 1350 1225 1320 1505 1840
SINGLE SIDE RETURN AIR
0 through 0.8 in. w.g. (Heating) and 0 through 1.0 in. w.g. (Cooling) External Static Pressure Range
HEATING
1 Heating Speed
DIP Switch
Settings
First Stage Heating Speed - cfm Second Stage Heating Speed - cfm
+24% 1850 2035
+18% 1760 1935
+12% 1670 1835
+6% 1580 1740
Factory Default 1490 1640
–6% 1400 1540
–12% 1310 1445
–18% 1225 1345
COOLING
1 Cooling Speed
DIP Switch
Settings
First Stage Cooling Speed - cfm Second Stage Cooling Speed - cfm
Low Medium-Low Medium-High 2 High Low Medium-Low Medium-High 2 High
+1030 1105 1305 1635 1525 1600 1840 2255
Factory Default 960 1005 1175 1480 1355 1435 1635 2035
–845 925 1050 1340 1240 1315 1520 1850
1 Cooling and heating speeds are based on a combination of DIP switch settings on the furnace control. Refer to Installation Instructions for specic DIP Switch
Settings.
2 Factory default setting.
NOTES - The effect of static pressure is included in air volumes shown.
First stage HEAT is approximately 91% of the same second stage HEAT.
First stage COOL (two-stage air conditioning units only) is approximately 70% of the same second stage COOL speed position.
Continuous Fan Only speed is selectable at 28%, 38%, 70% and 100% of the selected second stage cooling speed - minimum 500 cfm.
Lennox Harmony III™ Zone Control Applications - Minimum blower speed is 426 cfm.

Page 48
BLOWER DATA
SL280UH135V60D BLOWER PERFORMANCE (less lter)
SIDE RETURN AIR WITH OPTIONAL RETURN AIR BASE
0 through 0.8 in. w.g. (Heating) and 0 through 1.0 in. w.g. (Cooling) External Static Pressure Range
HEATING
1 Heating Speed
DIP Switch
Settings
First Stage Heating Speed - cfm Second Stage Heating Speed - cfm
+24% 1840 2025
+18% 1750 1925
+12% 1660 1830
+6% 1575 1730
Factory Default 1485 1630
–6% 1395 1535
–12% 1305 1435
–18% 1215 1340
COOLING
1 Cooling Speed
DIP Switch
Settings
First Stage Cooling Speed - cfm Second Stage Cooling Speed - cfm
Low Medium-Low Medium-High 2 High Low Medium-Low Medium-High 2 High
+1035 1105 1285 1610 1530 1610 1825 2240
Factory Default 955 1005 1145 1430 1365 1450 1650 2040
–860 935 1050 1295 1225 1310 1515 1850
1 Cooling and heating speeds are based on a combination of DIP switch settings on the furnace control. Refer to Installation Instructions for specic DIP Switch
Settings.
2 Factory default setting.
NOTES - The effect of static pressure is included in air volumes shown.
First stage HEAT is approximately 91% of the same second stage HEAT.
First stage COOL (two-stage air conditioning units only) is approximately 70% of the same second stage COOL speed position.
Continuous Fan Only speed is selectable at 28%, 38%, 70% and 100% of the selected second stage cooling speed - minimum 500 cfm.
Lennox Harmony III™ Zone Control Applications - Minimum blower speed is 495 cfm.

Page 49
TABLE 18
OPERATING SEQUENCE
SL280UHV, Non−Communicating Thermostat with Humidity Control Feature and Single−Speed Outdoor Unit
OPERATING
SEQUENCE SYSTEM DEMAND SYSTEM RESPONSE
System
Condition Step
Thermostat Demand Relative Humidity
Compres-
sor
Blower
CFM
(COOL)
Comments
Y1 O G W
1Status D
NO CALL FOR DEHUMIDIFICATION
Normal Operation 1 On On On Acceptable 24
VAC High 100%
Compressor and indoor
blower follow thermostat
demand
BASIC MODE (only active on a Y1 thermostat demand)
Normal Operation 1 On On On Acceptable 24
VAC High 100% ComfortSense® 7000
thermostat energizes Y1
and de−energizes D on a
call for de−humidification
Dehumidification
Call 2 On On On Demand 0
VAC High 70%*
PRECISION MODE (operates independent of a Y1 thermostat demand)
Normal Operation 1 On On On Acceptable 24
VAC High 100% Dehumidification mode
begins when humidity is
greater than set point
Dehumidification
call 2 On On On Demand 0
VAC High 70%*
Dehumidification
call ONLY 1 On On On Demand 0
VAC High 70%*
ComfortSense® 7000
thermostat will try to
maintain room humidity
setpoint by allowing the
room space to maintain a
cooler room thermostat
setpoint**
Jumpers at indoor unit with a single stage outdoor unit
With Condensing unit − Cut W914 (R to DS) on SureLight® control
With Heat Pump − Cut W914 (R to DS) & W951 (R to O) on SureLight® control
Dave Lennox ComfortSense® 7000 thermostat to use for this application − Y2081 4 heat / 2 cool
*Dehumidification blower speed is 70% of COOL speed for all units .
**In Precision mode, ComfortSense® 7000 thermostat will maintain room temperature up to 2 °F (1.2°C) cooler than room setting.

Page 50
TABLE 19
OPERATING SEQUENCE
SL280UHV, Non−Communicating Thermostat with Humidity Control Feature and Two−Speed Outdoor Unit
OPERATING
SEQUENCE SYSTEM DEMAND SYSTEM RESPONSE
System
Condition
Ste
p
Thermostat Demand Relative Humidity
Compressor
Blower
CFM
(COOL)
Comments
Y1 Y2 O G W
1
W
2Status D
NO CALL FOR DEHUMIDIFICATION
Normal Opera-
tion − Y1 1 On On On Acceptable 24
VAC Low 70%* Compressor and indoor
blower follow thermostat
demand
Normal Opera-
tion − Y2 2 On On On On Acceptable 24
VAC High 100%
ROOM THERMOSTAT CALLS FOR FIRST STAGE COOLING
BASIC MODE (only active on a Y1 thermostat demand)
Normal Opera-
tion 1 On On On Acceptable 24
VAC Low 70%* ComfortSense® 7000
thermostat energizes Y2
and de−energizes D on a
call for de−humidification
Dehumidification
Call 2 On On On On Demand 0
VAC High 70%**
PRECISION MODE (operates independent of a Y1 thermostat demand)
Normal Opera-
tion 1 On On On Acceptable 24
VAC Low 70%* Dehumidification mode
begins when humidity is
greater than set point
Dehumidification
call 2 On On On On Demand 0
VAC High 70%**
Dehumidification
call ONLY 1 On On On On Demand 0
VAC High 70%**
ComfortSense® 7000
thermostat will try to
maintain room humidity
setpoint by allowing the
room space to maintain a
cooler room thermostat
setpoint***
ROOM THERMOSTAT CALLS FOR FIRST AND SECOND STAGE COOLING
BASIC MODE (only active on a Y1 thermostat demand)
Normal Opera-
tion 1 On On On On Acceptable 24
VAC High 100% ComfortSense® 7000
thermostat energizes Y2
and de−energizes D on a
call for de−humidification
Dehumidification
Call 2 On On On On Demand 0
VAC High 70%**
PRECISION MODE (operates independent of a Y1 thermostat demand)
Normal Opera-
tion 1 On On On Acceptable 24
VAC Low 70%* Dehumidification mode
begins when humidity is
greater than set point
Dehumidification
call 2 On On On On Demand 0
VAC High 70%**
Dehumidification
call ONLY 1 On On On On Demand 0
VAC High 70%** ComfortSense® 7000
thermostat will try to
maintain room humidity
setpoint by allowing the
room space to maintain a
cooler room thermostat
setpoint***
Jumpers at indoor unit with a two stage outdoor unit
Cut factory jumper from Y1 to Y2 or cut W915 (Y1 to Y2)
With Condensing unit − Cut W914 (R to DS) on SureLight® control
With Heat Pump − Cut W914 (R to DS) & W951 (R to O) on SureLight® control
Dave Lennox ComfortSense® 7000 thermostat to use for this application − Y2081 4 heat / 2 cool
*Normal operation first stage cooling blower speed is 70% COOL speed.
**Dehumidification blower speed is, reduced to 70% of COOL.
***In Precision mode, ComfortSense® 7000 thermostat will maintain room temperature up to 2 °F (1.2°C) cooler than room setting.

Page 51
Unit Start−Up
FOR YOUR SAFETY READ BEFORE LIGHTING
WARNING
Do not use this furnace if any part has been underwa-
ter. Immediately call a licensed professional service
technician (or equivalent) to inspect the furnace and
to replace any part of the control system and any gas
control which has been under water.
WARNING
If overheating occurs or if gas supply fails to shut off,
shut off the manual gas valve to the appliance before
shutting off electrical supply.
CAUTION
Before attempting to perform any service or mainte-
nance, turn the electrical power to unit OFF at dis-
connect switch.
WARNING
During blower operation, the ECM motor emits ener-
gy that may interfere with pacemaker operation. In-
terference is reduced by both the sheet metal cabinet
and distance.
BEFORE LIGHTING smell all around the appliance area for
gas. Be sure to smell next to the floor because some gas is
heavier than air and will settle on the floor.
The gas valve on the SL280UHV unit will be equipped with
a gas control switch. Use only your hand to move the
switch. Never use tools. If the switch will not turn or if the
control switch will not move by hand, do not try to repair it.
Placing the furnace into operation:
SL280UHV units are equipped with an automatic ignition
system. Do not attempt to manually light burners on these
furnaces. Each time the thermostat calls for heat, the
burners will automatically light. The ignitor does not get
hot when there is no call for heat on units with an automatic
ignition system.
WARNING
If you do not follow these instructions exactly, a fire
or explosion may result causing property damage,
personal injury or death.
Gas Valve Operation (Figures 35 and 36)
1 − STOP! Read the safety information at the beginning of
this section.
2 − Set the thermostat to the lowest setting.
3 − Turn off all electrical power to the unit.
4 − This furnace is equipped with an ignition device which
automatically lights the burners. Do not try to light the
burners by hand.
5 − Remove the upper access panel.
6 − Move gas valve switch to OFF position. Do not force.
See figure 35 or 36.
7 − Wait five minutes to clear out any gas. If you then smell
gas, STOP! Immediately call your gas supplier from a
neighbor’s phone. Follow the gas supplier’s instruc-
tions. If you do not smell gas go to next step.
GAS VALVE SHOWN IN ON POSITION
INLET PRESSURE POST
HIGH FIRE ADJUSTMENT
SCREW
(under cap)
MANIFOLD
PRESSURE TAP
WHITE RODGERS GAS VALVE
FIGURE 35
GAS VALVE SHOWN IN ON POSITION
MANIFOLD
PRESSURE
TAP ON
SIDE
HIGH FIRE
ADJUSTING SCREW
(under cap)
INLET PRESSURE TAP
ON SIDE
HONEYWELL GAS VALVE
FIGURE 36
8 − Move gas valve switch to ON position. Do not force.
See figure 35 or 36.
9 − Replace the upper access panel.
10− Turn on all electrical power to to the unit.
11− Set the thermostat to desired setting.
NOTE − When unit is initially started, steps 1 through 11
may need to be repeated to purge air from gas line.

Page 52
12− If the appliance will not operate, follow the instructions
Turning Off Gas to Unit" and call your service techni-
cian or gas supplier.
Turning Off Gas to Unit
1 − Set the thermostat to the lowest setting.
2 − Turn off all electrical power to the unit if service is to be
performed.
3 − Remove the upper access panel.
4 − Move gas valve switch to OFF position. Do not force.
See figure 35 or 36.
5 − Replace the upper access panel.
Failure To Operate
If the unit fails to operate, check the following:
1 − Is the thermostat calling for heat?
2 − Are access panels securely in place?
3 − Is the main disconnect switch closed?
4 − Is there a blown fuse or tripped circuit breaker?
5 − Is the filter dirty or plugged? Dirty or plugged filters will
cause the limit control to shut the unit off.
6 − Is gas turned on at the meter?
7 − Is the manual main shut-off valve open?
8 − Is the internal manual shut-off valve open?
9 − Is the unit ignition system in lock out? If the unit locks out
again, call the service technician to inspect the unit for
blockages.
10 −Is pressure switch closed? Obstructed flue will cause
unit to shut off at pressure switch. Check flue and outlet
for blockages.
11 −Are flame rollout switches tripped? If flame rollout
switches are tripped, call the service technician for in-
spection.
Gas Pressure Adjustment
Furnace should operate at least 5 minutes before check-
ing gas flow. Determine time in seconds for two revolu-
tions of gas through the meter. (Two revolutions assures a
more accurate time.) Divide by two and compare to time
in table 20 below. If manifold pressure matches table 22
and rate is incorrect, check gas orifices for proper size and
restriction. Remove temporary gas meter if installed.
NOTE − Shut unit off and remove manometer as soon as an
accurate reading has been obtained. Take care to replace
pressure tap plug.
TABLE 20
GAS METER CLOCKING CHART
SL280
Unit
Seconds for One Revolution
Natural LP
1 cu ft
Dial
2 cu ft
Dial
1 cu ft
Dial
2 cu ft
DIAL
−045 80 160 200 400
−70 55 110 136 272
−90 41 82 102 204
−110 33 66 82 164
−135 27 54 68 136
Natural−1000 btu/cu ft LP−2500 btu/cu ft
Supply Line Pressure
White Rodgers Gas Valve
An inlet post located on the gas valve provides access to
the supply pressure. See figure 35. Back out the 3/32 hex
screw one turn, connect a piece of 5/16 tubing and connect
to a manometer to measure supply pressure. See table 22
for supply line pressure.
Honeywell Gas Valve
A threaded plug on the inlet side of the gas valve provides
access to the supply pressure tap. Remove the threaded
plug, install a field−provided barbed fitting and connect a
manometer to measure supply pressure. See table 22 for
supply line pressure. Replace the threaded plug after mea-
surements have been taken.
Manifold Pressure
NOTE − Pressure test adapter kit (10L34) is available from
Lennox to facilitate manifold pressure measurement.
1 − Connect test gauge to manifold pressure post (figure
35) or tap (figure 36) on gas valve.
2 − Ignite unit on high fire and let run for 5 minutes to allow
for steady state conditions.
3 − After allowing unit to stabilize for 5 minutes, record
manifold pressure and compare to value given in table
22.
4 − If necessary, make adjustments. Figures 35 and 36
show location of high fire adjustment screw.
5 − If an adjustment is made on high fire, re−check man-
ifold pressure on low fire. Do not adjust low fire man-
ifold pressure. If low fire manifold pressure is more
than 1/2" above or below value specified in table 22,
replace valve.
Proper Combustion
Furnace should operate minimum 15 minutes with correct
manifold pressure and gas flow rate before checking com-
bustion. Table 21 shows acceptable combustion for ALL
SL280UHV models. The maximum carbon monoxide read-
ing should not exceed 50 ppm.
TABLE 21
Firing Rate CO2% For Nat CO2% For L.P.
High Fire 6.8 − 7.4 7.5 − 9.0
Low Fire 4.2 − 5.7 5.0 − 6.0

Page 53
High Altitude
The manifold pressure, gas orifice and pressure switch
may require adjustment or replacement to ensure proper
operation at higher altitudes. Tables 22 through 25 shows
manifold pressure, pressures switch and gas conversion
kits at all altitudes.
IMPORTANT
For safety, shut unit off and remove manometer as
soon as an accurate reading has been obtained.
Take care to replace pressure tap plug.
TABLE 22
Manifold Pressure Settings
Unit
Input Gas Orifice Size
0 − 7500 ft.
Orifice Size
7501 −
10,000 ft.1
Manifold
Pressure in.wg.
0−4500 ft.
Manifold
Pressure in.wg.
4501−7500 ft.
Manifold
Pressure in.wg.
7501 − 10,000 ft.2
Supply Line
Pressure
in. w.g.
Low
Fire
High
Fire
Low
Fire
High
Fire
Low
Fire
High
Fire Min Max
070
Natural .063 .055 1.7 3.5 1.6 3.4 1.7 3.5 4.5 13.0
LP/propane3.039 .037 4.9 10.0 4.9 10.0 4.9 10.0 11.0 13.0
090
Natural .063 .055 1.7 3.5 1.5 3.2 1.7 3.5 4.5 13.0
LP/propane3.039 .037 4.9 10.0 4.9 10.0 4.9 10.0 11.0 13.0
110
Natural .063 .055 1.7 3.5 1.5 3.2 1.7 3.5 4.5 13.0
LP/propane3.039 .037 4.9 10.0 4.9 10.0 4.9 10.0 11.0 13.0
135
Natural .063 .055 1.7 3.5 1.6 2.8 1.7 3.5 4.5 13.0
LP/propane3.039 .037 4.9 10.0 4.9 10.0 4.9 10.0 11.0 13.0
1 This is the only permissible derate for these units.
2 Natural gas high altitude orifice kit required.
3 A natural to L.P. propane gas changeover kit is necessary to convert this unit. Refer to the changeover kit installation instruction for the conversion
procedure.
NOTE − Units may be installed at altitudes up to 4500 ft. above sea level without modifications.
TABLE 23
High Altitude Pressure Switch Kits
Unit
Input
High Altitude
Pressure Switch Kit
0 − 4500 ft. 4501 − 7500 ft. 7501 − 10,000 ft.
070 No Change No Change 73W35
090 No Change 69W56 73W35
110 No Change 69W56 73W35
135 No Change 73W33 73W34
TABLE 24
Honeywell Gas Valve Conversion Kits
Unit
Input
High Altitude
Natural Gas
Orifice Kit
Natural Gas to
LP/ Propane Kit
LP/Propane
to
Natural Gas
Kit
7501 −
10,000 ft. 0 − 7500 ft. 7501 −
10,000 ft. 0 − 7500 ft.
070 73W37 51W02 73W38 69W79
090 73W37 51W02 73W38 69W79
110 73W37 51W02 73W38 69W79
135 73W37 51W02 73W38 69W79
TABLE 25
White Rodgers Gas Valve Conversion Kits
Unit
Input
High Altitude
Natural Gas
Orifice Kit
Natural Gas to
LP/ Propane Kit
LP/Propane
to
Natural Gas
Kit
7501 −
10,000 ft. 0 − 7500 ft. 7501 −
10,000 ft. 0 − 7500 ft.
070 77W05 77W07 77W11 77W09
090 77W05 77W07 77W11 77W09
110 77W05 77W07 77W11 77W09
135 77W05 77W07 77W11 77W09

Page 54
Other Unit Adjustments
Primary and Secondary Limits
The primary limit is located on the heating compartment
vestibule panel. The secondary limits (if equipped) are lo-
cated in the blower compartment, attached to the back side
of the blower. These auto reset limits are factory set and re-
quire no adjustment.
Flame Rollout Switches (Two)
These manually reset switches are located on (or inside of)
the burner box. If tripped, check for adequate combustion
air before resetting.
Pressure Switches
The pressure switch assembly (includes two switches) is
located in the heating compartment adjacent to the com-
bustion air inducer. These switches check for proper com-
bustion air inducer operation before allowing ignition trial.
The switches are factory−set and require no adjustment.
Temperature Rise
Place the unit into operation with a second−stage heating
demand. After supply and return air temperatures have
stabilized, check the temperature rise. If necessary, adjust
the heating blower speed to maintain the temperature rise
within the range shown on the unit nameplate. Increase the
blower speed to decrease the temperature rise. Decrease
the blower speed to increase the temperature rise. Failure
to properly adjust the temperature rise may cause erratic
limit operation.
Thermostat Heat Anticipation
Set the heat anticipator setting (if adjustable) according to
the amp draw listed on the wiring diagram that is attached
to the unit.
NOTE − Do not secure the electrical conduit directly to the
air ducts or structure.
Heating Sequence of Operation
Electronic Ignition
The two−stage, variable speed integrated control used in
SL280UHV units has an added feature of an internal Watch-
guard control. The feature serves as an automatic reset de-
vice for ignition control lockout caused by ignition failure. Af-
ter one hour of continuous thermostat demand for heat, the
Watchguard will break and remake thermostat demand to
the furnace and automatically reset the control to begin the
ignition sequence.
NOTE − The ignition control thermostat selection DIP switch is
factory−set in the TWO−STAGE" position.
Applications Using a Two−Stage Thermostat
See figure 37 for ignition control sequence
A − Heating Sequence −− Integrated Control Thermostat
Selection DIP Switch 1 OFF in Two−Stage" Position
(Factory Setting)
1 − On a call for heat, thermostat first−stage contacts close
sending a signal to the integrated control. The inte-
grated control runs a self-diagnostic program and
checks high temperature limit switches for normally
closed contacts and pressure switches for normally
open contacts. The combustion air inducer is ener-
gized at low speed.
2 − Once the control receives a signal that the low pres-
sure switch has closed, the combustion air inducer be-
gins a 15−second pre−purge in low speed.
NOTE − If the low fire pressure switch does not close
the combustion air inducer will switch to high fire. After
a 15 second pre−purge the high fire pressure switch
will close and the unit will begin operation on high fire.
After 10 to 20 seconds of high fire operation the unit
will switch to low fire..
3 − After the pre−purge is complete, a 20−second initial ig-
nitor warm−up period begins. The combustion air in-
ducer continues to operate at low speed.
4 − After the 20−second warm−up period has ended, the gas
valve is energized on low fire (first stage) and ignition oc-
curs. At the same time, the control module sends a sig-
nal to begin an indoor blower 30−second ON−delay.
When the delay ends, the indoor blower motor is ener-
gized on the low fire heating speed, the HUM contacts
close energizing the humidifier and 120V ACC termi-
nal is energized. The furnace will continue this opera-
tion as long as the thermostat has a first−stage heating
demand.
5 − If second−stage heat is required, the thermostat sec-
ond−stage heat contacts close and send a signal to the
integrated control. The integrated control initiates a
30−second second−stage recognition delay.
6 − At the end of the recognition delay, the integrated con-
trol energizes the combustion air inducer at high
speed. The control also checks the high fire (second
stage) pressure switch to make sure it is closed. The
high fire (second stage) gas valve is energized and the
indoor blower motor is energized for operation at the
high fire heating speed.
7 − When the demand for high fire (second stage) heat is
satisfied, the combustion air inducer is switched to the
low−fire heating speed and the high−fire (second
stage) gas valve is de−energized. The low−fire (first
stage) gas valve continues operation. The indoor
blower motor is switched to the low−fire heating speed.
8 − When the thermostat demand for low−fire (first stage)
heat is satisfied, the gas valve is de−energized and the
field−selected indoor blower off delay begins. The
combustion air inducer begins a 5−second post−purge
period.
9 − When the combustion air post−purge period is com-
plete, the inducer, the HUM contacts as well as the
120V ACC terminals are de−energized. The indoor
blower is de−energized at the end of the off delay.

Page 55
Applications Using A Single−Stage Thermostat
See figure 38 for ignition control sequence
B − Heating Sequence −− Integrated Control Thermostat
Selection DIP Switch 1 ON in Single−Stage" Position
NOTE − In these applications, two−stage heat will be initi-
ated by the integrated control if heating demand has not
been satisfied after the field adjustable period (7 or 12 min-
utes).
1 − On a call for heat, thermostat first−stage contacts close
sending a signal to the integrated control. The inte-
grated control runs a self-diagnostic program and
checks high temperature limit switches for normally
closed contacts and pressure switches for normally
open contacts. The combustion air inducer is ener-
gized at low speed.
2 − Once the control receives a signal that the low pres-
sure switch has closed, the combustion air inducer be-
gins a 15−second pre−purge in low speed.
NOTE − If the low fire pressure switch does not close
the combustion air inducer will switch to high fire. After
a 15 second pre−purge the high fire pressure switch
will close and the unit will begin operation on high fire.
After 10 to 20 seconds of high fire operation the unit
will switch to low fire.
3 − After the pre−purge is complete, a 20−second initial ig-
nitor warm−up period begins. The combustion air in-
ducer continues to operate at low speed.
4 − After the 20−second warm−up period has ended, the gas
valve is energized on low fire (first stage) and ignition oc-
curs. At the same time, the control module sends a sig-
nal to begin an indoor blower 30−second ON−delay.
When the delay ends, the indoor blower motor is ener-
gized on the low fire heating speed and the HUM con-
tacts are energized. The integrated control also initi-
ates a second−stage on delay (factory−set at 7
minutes; adjustable to 12 minutes).
5 − If the heating demand continues beyond the second−
stage on delay, the integrated control energizes the
combustion air inducer at high speed. The control also
checks the high fire (second stage) pressure switch to
make sure it is closed. The high fire (second stage)
gas valve is energized and the indoor blower motor is
energized for operation at the high fire heating speed.
6 − When the thermostat heating demand is satisfied, the
combustion air inducer begins a 5−second low speed
post−purge. The field−selected indoor blower off delay
begins. The indoor blower operates at the low−fire
heating speed.
7 − When the combustion air post−purge period is com-
plete, the inducer, the HUM contacts as well as the
120V ACC terminals are de−energized. The indoor
blower is de−energized at the end of the off delay.
1 stg heat demand
2 stg heat demand
15
ON
OFF
low speed CAI
35
1
Pre−Purge Ignitor Warm−up
30* second
blower
on" delay
Post
Purge
5 SEC80
ignitor
HEATING OPERATION WITH TWO−STAGE THERMOSTAT
low fire gas valve
indoor blower low heat
high speed CAI
high fire gas valve
indoor blower high heat
39
Trial For
Ignition
blower
off"
delay
RECOGNITION PERIOD
30 seconds
FIGURE 37
* Conventional thermostat 30 seconds, icomfort Touch® thermostat set for 30 adjustable 15 to 45 seconds.
heat demand
15
ON
OFF
low speed CAI
35
1
Pre−Purge Ignitor Warm−up 30* second
blower
on" delay
Post
Purge
5 SEC
80
ignitor
HEATING OPERATION WITH SINGLE STAGE THERMOSTAT
low fire gas valve
high speed CAI
high fire gas valve
indoor blower high heat
39
Trial For
Ignition
7 or 12 minutes after heating demand begins, furnace switches to high fire (depends on setting)
blower
off"
delay
FIGURE 38
indoor blower low heat
* Conventional thermostat 30 seconds, icomfort Touch® thermostat set for 30 adjustable 15 to 45 seconds.

Page 56
Service
WARNING
ELECTRICAL SHOCK, FIRE,
OR EXPLOSION HAZARD.
Failure to follow safety warnings exactly could result
in dangerous operation, serious injury, death or
property damage.
Improper servicing could result in dangerous opera-
tion, serious injury, death, or property damage.
Before servicing, disconnect all electrical power to
furnace.
When servicing controls, label all wires prior to dis-
connecting. Take care to reconnect wires correctly.
Verify proper operation after servicing.
At the beginning of each heating season, a qualified techni-
cian should check the system as follows:
Blower
Check the blower wheel for debris and clean if necessary.
The blower motors are prelubricated for extended bearing
life. No further lubrication is needed.
WARNING
The blower access panel must be securely in place
when the blower and burners are operating. Gas
fumes, which could contain carbon monoxide, can
be drawn into living space resulting in personal inju-
ry or death.
Filters
All SL280UHV filters are installed external to the unit. Fil-
ters should be inspected monthly. Clean or replace the fil-
ters when necessary to ensure that the furnace operates
properly. Replacement filters must be rated for high veloc-
ity airflow. Table 1 lists recommended filter sizes.
Flue And Chimney
1 − Check flue pipe, chimney and all connections for tight-
ness and to make sure there is no blockage.
2 − Check unit for proper draft.
Electrical
1 − Check all wiring for loose connections.
2 − Check for the correct voltage at the furnace (furnace
operating). Correct voltage is 120VAC + 10%.
3 − Check amp−draw on the blower motor with inner blow-
er panel in place.
Unit Nameplate__________Actual__________
Cleaning the Heat Exchanger and Burners
NOTE − Use papers or protective covering in front of the fur-
nace during cleaning.
1 − Turn off both electrical and gas power supplies to fur-
nace.
2 − Remove flue pipe and top cap (some applications top
cap can remain) from the unit.
3 − Label the wires from gas valve, rollout switches, prima-
ry limit switch and make−up box then disconnect them.
4 − Remove the screws that secure the combustion air in-
ducer/pressure switch assembly to the collector box.
Carefully remove the combustion air inducer to avoid
damaging blower gasket. If gasket is damaged, it must
be replaced to prevent leakage.
5 − Remove the collector box located behind the combus-
tion air inducer. Be careful with the collector box gas-
ket. If the gasket is damaged, it must be replaced to
prevent leakage.
6 − Disconnect gas supply piping. Remove the screw se-
curing the burner box cover and remove cover. Re-
move the four screws securing the burner manifold as-
sembly to the vestibule panel and remove the
assembly from the unit.
7 − Remove screws securing burner box and remove
burner box.
8 − NOX units only − Remove screw securing NOX insert.
Remove NOX insert. See figure 40.

Page 57
SL280UHV BURNER, COMBUSTION AIR INDUCER ASSEMBLY &
HEAT EXCHANGER REMOVAL
FIGURE 39
heat exchanger
gasket
collector box
orifice plate
flue transition
pressure switch
combustion air inducer
burners
burner box assembly
burner box cover plate
manifold and gas valve
gasket
retention rings
cross over
ignitor
rollout switch
sensor
9 − Remove screws from both sides, top and bottom of
vestibule panel.
10− Remove heat exchanger. It may be necessary to
spread cabinet side to allow more room. If so, remove
five screws from the left side or right side of cabinet.
See figure 41.
11− Back wash using steam. Begin from the burner opening
on each clam. Steam must not exceed 275°F.
12− To clean burners, run a vacuum cleaner with a soft brush
attachment over the face of burners. Visually inspect in-
side the burners and crossovers for any blockage
caused by foreign matter. Remove any blockage. Figure
39 shows burner detail.
13− To clean the combustion air inducer visually inspect and
using a wire brush clean where necessary. Use com-
pressed air to clean off debris and any rust.
14− Reinstall heat exchanger in vestibule. (Replace the
five screws in the cabinet from step 10 if removed).
15− NOX units only − replace NOX inserst.
16− Reinstall collector box and combustion air assembly.
Reinstall all screws to the collector box and combustion
air inducer. Failure to replace all screws may cause
leaks. Inspect gaskets for any damage and replace if
necessary.
17− Reinstall burner box, manifold assembly and burner box
cover.

Page 58
SL280UHV NOX INSERTS
FIGURE 40
FIGURE 41
Remove 5 screws if necessary
(either side of cabinet)
1
2
3
4
5
18− Reconnect all wires.
19− Reconnect top cap and vent pipe to combustion air in-
ducer outlet.
20− Reconnect gas supply piping.
21− Turn on power and gas supply to unit.
22− Set thermostat and check for proper operation.
23− Check all piping connections, factory and field, for gas
leaks. Use a leak detecting solution or other preferred
means.
CAUTION
Some soaps used for leak detection are corrosive to
certain metals. Carefully rinse piping thoroughly af-
ter leak test has been completed. Do not use
matches, candles, flame or other sources of ignition
to check for gas leaks.
24− If a leak is detected, shut gas and electricity off and
repair leak.
25− Repeat steps 24 and 26 until no leaks are detected.
26− Replace access panel.

Page 59
Planned Service
The following items should be checked during an annual inspection. Power to the unit must be shut off for the service techni-
cian’s safety.
Fresh air grilles and louvers (on the unit and in the room
where the furnace is installed) − Must be open and unob-
structed to provide combustion air.
Burners − Must be inspected for rust, dirt, or signs of water.
Vent pipe − Must be inspected for signs of water, damaged
or sagging pipe, or disconnected joints.
Unit appearance − Must be inspected for rust, dirt, signs
of water, burnt or damaged wires, or components.
Blower access panel − Must be properly in place and pro-
vide a seal between the return air and the room where the
furnace is installed.
Return air duct − Must be properly attached and provide
an air seal to the unit.
Operating performance − Unit must be observed during
operation to monitor proper performance of the unit and the
vent system.
Combustion gases − Flue products must be analyzed and
compared to the unit specifications.
Problems detected during the inspection may make it nec-
essary to temporarily shut down the furnace until the items
can be repaired or replaced.
Instruct the homeowners to pay attention to their
furnace. Situations can arise between annual furnace in-
spections that may result in unsafe operation. For instance,
items innocently stored next to the furnace may obstruct
the combustion air supply. This could cause incomplete
combustion and the production of carbon monoxide gas.
Repair Parts List
The following repair parts are available through independent Lennox dealers. When ordering parts, include the complete
furnace model number listed on the CSA International nameplate −− Example: SL280UH070V36A. All service must be
performed by a licensed professional installer (or equivalent), service agency, or gas supplier.
Cabinet Parts
Upper access panel
Blower panel
Top cap
Control Panel Parts
Transformer
Two−stage, variable speed integrated control
Door interlock switch
Circuit breaker
Blower Parts
Blower wheel
Blower housing
Motor
Motor electronics
Power choke (1 hp only)
Motor mounting frame
Motor capacitor
Blower housing cutoff plate
Heating Parts
Flame Sensor
Heat exchanger assembly
Gas manifold
Two−speed combustion air inducer
Two−stage gas valve
Main burner cluster
Main burner orifices
Pressure switch
Ignitor
Primary limit control
Flame rollout switch
Secondary limit

Page 60
Integrated Control Diagnostic Modes
Display Action (when button released)
No change (idle)* Remain in idle mode
Solid E" Enter diagnostic recall mode
Solid D" Discharge Air Installed
Solid F" Enter flame signal mode
Solid P" (variable speed only) Program unit capacity/size (Unit Code)**
* No change implies the display will continue to show whatever is currently being displayed for normal operation (blinking
decimal, active error code, heat state, etc..)
** After the P" is selected (by releasing the push button) the integrated control will start flashing the P" on display for 90
seconds. If push button is pressed again and held during that time, the control will start to display characters corresponding
to different variable speed furnace models for 3 seconds each. While the wanted character−model is displayed push button
has to be released. Selected option will flash display for 10 seconds and during that time push button has to be pressed
and held for 5 seconds. Once control accepts new setting it will store data in non−volatile memory and reset itself. If 10 sec-
onds expires or push button is held less than 5 seconds, control will exit filed test mode and go in idle without programming
the unit size.
Integrated Control Diagnostic Codes
Press the diagnostic push button and hold it to cycle through a menu of options. Every five seconds a new menu item will be
displayed. Release the button when the desired mode is displayed.
When a solid "P" is displayed, the furnace capacity / size is programmed.
When the solid E" is displayed, the control enters the Diagnostic Recall (Alarm History). Diagnostic Recall mode menu
options: No change (displaying error history) remains in Diagnostic Recall mode; solid = " exits Diagnostic Recall mode;
and solid c" clears the error history. Must press button while flashing c" is displayed to clear error codes.
When the solid F" is displayed, the control enters the Flame Signal Mode. The Flame Signal Mode is exited: with power
cycle/reset, by pressing and holding the push button until 3 horizontal line are displayed = , after 10 minutes of entering
flame signal mode.
Code Diagnostic Codes/Status of Equipment Action Required to Clear and Recover
.Idle mode (Decimal blinks at 1 Hertz −− 0.5 second ON, 0.5 second OFF).
ACubic feet per minute (cfm) setting for indoor blower (1 second ON, 0.5
second OFF) / cfm setting for current mode displayed.
CCooling stage (1 second ON, 0.5 second OFF) / 1 or 2 displayed / Pause
/ cfm setting displayed / Pause / Repeat codes).
dDehumidification mode (1 second ON) / 1 second OFF) / cfm setting dis-
played / Pause / Repeat Codes).
hHeat pump stage (1 second ON, 0.5 second OFF) / % of input rate dis-
played / Pause / cfm setting / Pause / Repeat codes.
HGas Heat Stage (1 second ON, 0.5 second OFF) / 1 or 2 displayed /
Pause / cfm
setting displayed / Pause / Repeat codes. Blinking during ignition.
dF Defrost mode.
UDischarge Air Temperature

Page 61
Integrated Control Diagnostic Codes (continued)
Code Diagnostic Codes/Status of Equipment Action Required to Clear and Recover
E 105 Device communication problem − No other devices on RS BUS (Commu-
nication
system).
Equipment is unable to communicate. Indicates
numerous message errors. In most cases errors are
related to electrical noise. Make sure high voltage
power is separated from RSBus. Check for mis−
wired and/or loose connections between the stat,
indoor unit and outdoor unit. Check for a high volt-
age source of noise close to the system. Fault
clears after communication is restored.
E 110 Low line voltage. Line Voltage Low (Voltage lower than nameplate
rating). Check power line voltage and correct. Alarm
clears 5 seconds after fault recovered.
E 111 Line voltage polarity reversed. Reverse line power voltage wiring. System resumes
normal operation 5 seconds after fault recovered.
E 112 Ground not detected System shuts down. Provide proper earth ground.
System resumes normal operation 5 seconds after
fault recovered.
E 113 High line voltage. Line Voltage High (Voltage higher than nameplate
rating). Provide power voltage within proper range.
System resumes normal operation 5 seconds after
fault recovered.
E 114 Line voltage frequency out−of−range. No 60 Hertz Power. Check voltage and line power
frequency. Correct voltage and frequency problems.
System resumes normal operation 5 seconds after
fault recovered.
E 115 Low 24V − Control will restart if the error recovers. 24−Volt Power Low (Range is 18 to 30 volts). Check
and correct voltage. Check for additional power−rob-
bing equipment connected to system. May require
installation of larger VA transformer to be installed in
furnace / air handler. Clears after fault recovered.
E 116 High 24V. 24 Volt Power High (Range is 18 to 30 volts). Check
and correct voltage. Check for proper line voltage
(120V, 240V, etc.) to equipment. Clears when con-
trol senses proper voltage.
E 117 Poor ground detected (Warning only) Provide proper grounding for unit. Check for proper
earth ground to the system. Warning only will clear
30 seconds after fault recovered.
E 120 Unresponsive device. Communication only. Usually caused by delay in outdoor unit responding
to indoor unit poling. Recycle power. Check all wir-
ing connections. Cleared after unresponsive device
responds to any inquiry.
E 124 Active communicating thermostat signal missing for more than 3 min-
utes.
Equipment lost communication with the thermostat.
Check four wiring connections, ohm wires and cycle
power at the thermostat. Alert stops all services and
waits for heartbeat message from thermostat (sub-
net controller). Cleared after valid thermostat (sub-
net controller) message is received.
E 125 Control failed self−check, internal error, failed hardware. Will restart if
error
recovers. Integrated control not communicating. Covers hardware errors
(flame sense circuit faults, pin shorts, etc.).
Hardware problem on the control. Cycle power on
control. Replace if problem prevents service and is
persistent. Critical alert. Cleared 300 seconds after
fault recovered.
E 126 Control internal communication problem. Hardware problem on the control. Cycle power on
control. Replace if problem prevents service and is
persistent. Cleared 300 seconds after fault recov-
ered.

Page 62
Integrated Control Diagnostic Codes (continued)
E 131 Corrupted control parameters (Verify configuration of system). Communi-
cating only.
Reconfigure the system. Replace control if heating
or cooling is not available. Only applicable in the
communicating mode, not in startup. Exit from Com-
missioning and Execute ’Set Factory Default mode’.
Control will still operate on default parameter set-
tings.
E 180 Outdoor air temperature sensor failure. Only shown if shorted or out−of−
range.
Compare outdoor sensor resistance to temperature/
resistance charts in unit installation instructions.
Replace sensor pack if necessary. At beginning of
(any) configuration, furnace or air handler control
will sense outdoor air and discharge air temperature
sensor(s). If detected (reading in range), appropri-
ate feature will be set as ’installed’ and that could
be seen in ’About’ screen. In normal operation after
control recognizes sensors, alarm will be sent if
valid temperature reading is lost. To get rid of set-
ting and alarm, redo configuration and make sure
that temperature sensor is marked as ’not installed’
in Indoor Unit ’About’ screen. When Indoor unit con-
trol is replaced, thermostat will ’tell’ new control if
temperature sensor is in system or not. Clears 30
seconds after fault recovered.
E 200 Hard lockout − Rollout circuit open or previously open. Correct cause of rollout trip, or replace flame rollout
switch. Test furnace operation. Cleared after fault
recovered.
E 201 Indoor blower communication failure − Unable to communicate with blow-
er motor.
Indoor blower communication failure (including pow-
er outage). Lost communication with indoor blower
motor. Possible causes: motor not powered, loose
wiring. Problem may be on control or motor side.
Cleared after fault recovered.
E 202 Indoor blower motor mis−match − Indoor motor horsepower does not
match unit capacity. See Page 67.
Incorrect appliance capacity code selected. Check
for proper configuring under: Unit Size Codes for
Furnace/Air Handler on configuration guide or in
installation instructions. Cleared after the correct
match is detected following a reset. (Remove ther-
mostat from system while applying power and re-
programming.)
E 203 Appliance capacity / size is NOT programmed. Invalid unit codes refer to
configuration flow chart. See Page 67.
No appliance capacity code selected. Check for
proper configuring under: Unit Size Codes for Fur-
nace on configuration guide or in installation instruc-
tions. Critical Alert. Cleared after valid unit code is
read following a reset. (Remove thermostat from
system while applying power and reprogramming.)
E 204 Gas valve mis−wired. Check gas valve operation and wiring. Clears when
repaired.
E 205 Gas valve control relay contact shorted. Check wiring on control and gas valve. If wiring is
correct, replace control.
E 206 Gas valve second−stage relay failure Furnace will operate on 1st stage for remainder of
the heating demand. Will clear after fault recovered.
If unable to operate 2nd stage, replace control.
E 207 Hot surface ignitor sensed open − Refer to troubleshooting. See Page 68. Measure resistance of hot surface ignitor. Replace if
open or not within specified range found in IOM.
Resumes normal operation after fault is cleared.

Page 63
Integrated Control Diagnostic Codes (continued)
Code Diagnostic Codes/Status of Equipment Action Required to Clear and Recover
E 223 Low pressure switch failed open. Check pressure (inches w.c.) of low pressure switch
closing on heat call. Measure operating pressure
(inches w.c.). Inspect vent and combustion air in-
ducer for correct operation and restriction. Re-
sumes normal operation after fault is cleared
E 224 Low pressure switch failed closed − Refer to troubleshooting. See
Page 68.
Check operation of low pressure switch to see if it is
stuck closed on heat call longer than 150 seconds.
Measure operating pressure (inches w.c.). Inspect
vent and combustion air inducer for correct opera-
tion and restriction. Resumes normal operation after
fault is cleared.
E 225 High pressure switch failed open − Refer to troubleshooting. See
Page 68.
Check pressure (inches w.c.) of high pressure
switch closing on heat call. Measure operating pres-
sure (inches w.c.). Inspect vent and combustion air
inducer for correct operation and restriction. Re-
sumes normal operation after fault is cleared.
E 226 High pressure switch failed closed − Refer to troubleshooting. See
Page 68.
Check operation of high pressure switch closing on
heat call. Measure operating pressure (inches w.c.).
Inspect vent and combustion air inducer for correct
operation and restriction. Resumes normal opera-
tion after fault is cleared.
E 227 Low pressure switch open during trial for ignition or run mode. Refer to
troubleshooting. See Page 68.
Check pressure (inches w.c.) of low pressure switch
closing on heat call. Measure operating pressure
(inches w.c.). Inspect vent and combustion air in-
ducer for correct operation and restriction. Re-
sumes normal operation after fault is cleared.
E 228 Combustion air inducer calibration failure Unable to perform pressure switch calibration.
Check vent system and pressure switch wiring con-
nections. Resumes normal operation after fault is
cleared.
E 229 Ignition on high fire IFC switched to high fire ignition because low fire
pressure switch did not close in allowed time. No
action is needed.
E 240 Low flame current − Run mode − Refer to troubleshooting. See Page 68. Check micro−amperes of flame sensor using control
diagnostics or field−installed mode. Clean or replace
sensor. Measure voltage of neutral to ground to en-
sure good unit ground. Alert clears after current
heat call has been completed.
E 241 Flame sensed out of sequence − Flame still present. Shut off gas. Check for gas valve leak. Replace, if
necessary. Alert clears when fault is recovered.
E 250 Limit switch circuit open − Refer to troubleshooting. Check for proper firing rate on furnace. Ensure
there is no blockage in heater. Check for proper air
flow. If limit not closed within 3 minutes, unit will go
into 1−hour soft lockout. Resumes normal operation
after fault is cleared.
E 252 Discharge air temperature too high (gas heat only). Check temperature rise, air flow and input rate.
Cleared when heat call is finished.
E 270 Soft lockout − Exceeded maximum number of retries. No flame current
sensed.
Check for proper gas flow. Ensure that ignitor is
lighting burner. Check flame sensor current. Clears
when heat call finishes successfully.
E 271 Soft lockout − Exceeded maximum number of retries. Last retry failed due
to the pressure switch opening.
Check pressure (inches w.c.) of low pressure switch
closing on heat call. Measure operating pressure
(inches w.c.). Inspect vent and combustion air in-
ducer for correct operation and restriction. Clears
when heat call finishes successfully.

Page 64
Integrated Control Diagnostic Codes (continued)
E 272 Soft lockout − Exceeded maximum number of recycles. Last recycle due
to the pressure switch opening.
Check operation of low pressure switch to see if it is
stuck closed on heat call. Check pressure (inches
w.c.) of high pressure switch closing on heat call.
Measure operating pressure (inches w.c.). Inspect
vent and combustion air inducer for correct opera-
tion and restriction. Clears when heat call finishes
successfully.
E 273 Soft lockout − Exceeded maximum number of recycles. Last recycle due
to flame failure.
Check micro−amperes of flame sensor using control
diagnostics or field−installed mode. Clean or replace
sensor. Measure voltage of neutral to ground to en-
sure good unit ground. Clears when heat call finish-
es successfully.
E 274 Soft lockout − Exceeded maximum number of recycles. Last recycle
failed due to the limit circuit opening or limit remained open longer than
3 minutes.
Shut down system. 1−hour soft lockout. Check firing
rate and air flow. Check for blockage. Clears when
heat call finishes successfully.
E 275 Soft lockout − Flame sensed out of sequence. Flame signal is gone. Shut off gas. Check for gas valve leak. 1−hour soft
lockout. Clears when flame has been proven stable.
E 276 Watchguard calibration failure. Unable to perform pressure switch calibration.
Check vent system and pressure switch wiring con-
nections. 1−hour soft lockout. Clears when calibra-
tion has finished successfully.
E 290 Ignitor circuit fault − Failed ignitor or triggering circuitry. Measure resistance of hot surface ignitor. Replace if
open or not within specifications. 1−hour soft lock-
out. Clears when flame has been proven stable.
E 291 Heat air flow restricted below the minimum. Check for dirty filter and air flow restriction. Check
blower performance. 1−hour soft lockout. Cleared
when heat call finishes successfully.
E 292 Indoor blower motor unable to start due to obstructed wheel, seized
bearings.
Indoor blower motor unable to start (seized bear-
ing, stuck wheel, etc.). Replace motor or wheel if
assembly does not operate or meet performance
standards. 1−hour soft lockout. Clears after circula-
tor successfully starts.
E 294 Combustion air inducer over current. Check combustion blower bearings, wiring and
amps. Replace if does not operate or does not meet
performance standards. Clears after inducer current
is sensed to be in−range after the ignition following
the soft lockout or reset.
E 295 Indoor blower motor temperature is too high. Indoor blower motor over temperature (motor
tripped on internal protector). Check motor bearings
and amps. Replace if necessary. Cleared after
blower demand is satisfied.
E 310 Discharge error temperature sensor failure. Only shown if shorted or
out of range.
Compare outdoor sensor resistance to temperature/
resistance charts in installation instructions. Re-
place sensor if necessary. Cleared in Communicat-
ing mode: 30 seconds after fault recovered. In Non−
Communicating mode: Cleared after the current
heat call is completed.
E 311 Heat rate reduced to match indoor blower air flow. Warning Only. Furnace blower in cutback mode due
to restricted airflow. Reduce firing rate every 60
seconds to match available CFM. Check filter and
duct system. To clear, replace filter if needed or re-
pair/add duct. 2−stage controls will reduce firing rate
to 1st stage. Clears when heat call finishes success-
fully.

Page 65
Integrated Control Diagnostic Codes (continued)
Code Diagnostic Codes/Status of Equipment Action Required to Clear and Recover
E 312 Restricted air flow in cooling or continuous fan mode is lower than cfm
setting.
Warning Only. Restricted airflow − Indoor blower is
running at a reduced CFM (Cutback Mode − The
variable speed motor has pre−set speed and torque
limiters to protect the motor from damage caused
by operating outside of design parameters (0 to 0.8"
W.C.. total external static pressure). Check filter and
duct system. To clear, replace filter if needed or re-
pair/add duct. Cleared after the current service de-
mand is satisfied.
E 313 Indoor or outdoor unit capacity mismatch. Communication only. Incorrect indoor/outdoor capacity code selected.
Check for proper configuring in installation instruc-
tions. Alarm is just a warning. The system will oper-
ate, but might not meet efficiency and capacity pa-
rameters. Alarm will clear when commissioning is
exited. Cleared after commissioning is complete.
E 331 Global network connection − Communication link problem. For Future Use.
E 334 Relay Y1" stuck on interated control. Replace integrated control.
E 347 No 24 Volt output on Y1 of "integrated control" with non communicating
outdoor unit.
Operation stopped. Y1 relay / Stage 1 failed. (Pilot
relay contacts did not close or the relay coil did not
energize; no input back to IFC chip). Critical Alert.
Cleared after reset and Y1 input sensed.
E 348 No 24 Volt output on Y2 of "integrated control" with non?communicating
outdoor unit.
Y2 relay / Stage 2 failed. (Pilot relay contacts did
not close or the relay coil did not energize; no input
back to IFC chip). Critical Alert. Cleared after reset
and Y1 input sensed.
E 349 No 24 Volts between R & O on "integrated control" with non communi-
cating outdoor unit (Dual fuel module required for heat pump application).
Configuration link R to O needs to be restored. Re-
place link or hard−wire. Applicable in non communi-
cating mode. Critical Alert.
E 370 Interlock switch sensed open for 2 minutes. Control sees the loss of 24VAC for 2 minutes .Ter-
minate all services and wait for interlock switch to
close. The alarm will clear when 24VAC is continu-
ously sensed on DS terminal for a minimum of 10
seconds or on a power reset.
E 400 LSOM − Compressor internal overload tripped. Thermostat demand Y1 is present; but, compressor
is not running. Check power to outdoor unit. Clears
the error after current is sensed in both RUN and
START sensors for at least 2 seconds, or after ser-
vice is removed, or after power reset.
E 401 LSOM Compressor long run cycle or low system pressure. Compressor ran more than 18 hours to satisfy a
single thermostat demand. Critical Alert. Clears the
error after 30 consecutive normal run cycles or
power reset. Also monitors low pressure switch
trips.
E 402 LSOM − Outdoor unit system pressure trip. Discharge or suction pressure out−of−limits, or com-
pressor overloaded. Clears the error after 4 consec-
utive normal compressor run cycles.
E 403 LSOM − Compressor short−cycling. .(Running less than 4 minutes). Out-
door unit pressure trip
Compressor runs less than 3 minutes to satisfy a
thermostat demand. Clears the error after 4 consec-
utive normal run cycles or power reset.
E 404 LSOM − Compressor rotor locked. Compressor short−cycling. (Running
less than 4 minutes).
Compressor rotor locked up due to run capacitor
short, bearings are seized, excessive liquid refriger-
ant, etc. Clears the error after 4 consecutive normal
run cycles or after power reset.
E 405 LSOM − Compressor open circuit. Compressor circuit open (due to power disconnec-
tion, open fuse, etc.) Clears the error after 1 normal
compressor run cycle.

Page 66
Integrated Control Diagnostic Codes (continued)
E 406 LSOM − Compressor open start circuit. Required amount of current is not passing through
Start current transformer. Clears the error after cur-
rent is sensed in START sensor, or after power re-
set.
E 407 LSOM − Compressor open run circuit. Required amount of current is not passing through
Run current transformer. Clears the error after cur-
rent is sensed in RUN sensor, or 1 normal compres-
sor run cycle, or after power reset.
E 408 LSOM − Compressor contactor is welded. Compressor runs continuously. Clears the error
after 1 normal compressor run cycle or after power
reset.
E 409 LSOM − Compressor low voltage. Secondary voltage is below 18VAC. After 10 min-
utes, operation is discontinued. Clears the code
after voltage is higher than 20 VAC for 2 seconds or
after power reset.

Page 67
Program Unit Capacity/Size Mode
Power−Up − Number displayed represents by integrated control unit size code (furnace model
and capacity). If three horizontal bars are displayed followed by continuous E203, furnace
control does not recognize unit size code. Configure per the following:
Furnace control in IDLE mode
No heating, cooling or indoor fan
operation)
To enter Program Unit
Capacity/Size: push
and hold button next to
7−segment LED display
until solid P" symbol
appears. Release
button.
Turn room thermostat to OFF
Solid P starts
blinking on
7−Segment LED
Push and hold button. Integrated control will
display unit size code number for each
furnace model for three seconds.
When the correct unit size code is displayed, release
button. Selected code will flash for 10−second period.
During that period, press and hold push button for 5
seconds. Integrated control will store code in
memory and will automatically exit Program Unit
Capacity/Size Mode and reset. (If second period
expires or push button is held less than five seconds,
control will automatically exit Program
Capacity/Size Mode and go into IDLE mode without
storing unit size code. If this happens, programming
function must be repeated).
Verify that the selected unit size code is correct
and stored in non−volatile memory by cycling
the 24 volt power to the furnace control. (At 24
volt power−up of the furnace control, the
7−segment LED will display a unit size code. If
three horizontal bars display, board does not
recognize unit size code. Programming
function must be repeated)
Yes No
IMPORTANT: Field replacement controls may
need to be manually configured to validate
furnace unit size code.
FURNACE MODEL
SL280UH070V36A
SL280UH090V36B
SL280UH090V48B
SL280UH090V60C
SL280UH110V60C
SL280UH135V60D
UNIT SIZE
CODE
A
b
C
d
E
F
−
−
−
_
P
−
−
−
FINISHED
FURNACE MODEL
SL280DF070V36A
SL280DF090V48B
SL280DF090V60C
SL280DF110V60C
UNIT SIZE
CODE
A
b
C
d

Page 68
Troubleshooting: Heating Sequence of Operation
HIGH
LIMIT SWITCH
CLOSED?
LOW
PRESSURE
SWITCH
OPEN?
INDUCER ON
PRE−PURGE
(15 SECONDS)
1ST STAGE GAS
VALVE ENERGIZED
FLAME
SENSED WITHIN
4 SECONDS?
(LOW HEAT SPEED)
HEAT FAN OFF DELAY
(LOW HEAT SPEED)
AFTER HEAT FAN
OFF DELAY (LOW
HEAT SPEED)
YES
YES
YES
YES
ERROR
CODE
FLASHES ON(LOW HEAT
SPEED)
NO
NO
NO
NO
CALL
FOR HEAT
ENDS?
ERROR CODE
FLASHES (AFTER
5 SECONDS)
5TH
UNSUCCESSFUL
TRIAL?
POSTPURGE
(5 SECONDS) INDUCER
OFF
NO
YES
NO
NO
ROLLOUT
CIRCUITS
CLOSED?
DE−ENERGIZE
GAS VALVE
ERROR
CODE
FLASHES
INDOOR BLOWER
ON (LOW HEAT
SPEED)
INDUCER ON
(HIGH SPEED)
LIMIT
SWITCH
CLOSED WITHIN 3
MINUTES?
CALL FOR
1ST STAGE HEAT
(LOW FIRE)
NO
GAS VALVE
DE−ENERGIZED
H.S.I. OFF
H.S.I. ON
(20 SECONDS)
WATCHGUARD −
ERROR CODE
FLASHES
CALL FOR HEAT SATISFIED
IGNITION TRIAL
BEGINS (H.S.I. ON)
HEAT FAN ON DELAY
TIMER STARTED
INTERPURGE
(15 SECONDS)
H.S.I. OFF
NO
INDUCER OFF
AFTER POST
PURGE
HARD LOCKOUT −
ERROR CODE
FLASHES
YES
YES
YES
1
2
1
LOW PRESSURE
SWITCH OPENS
1
2HARD LOCKOUT REQUIRES THERMOSTAT RESET OR CYCLING OF POWER TO RESET THE LOCKOUT.
3IN CASE HIGH SPEED INDUCER IS RUNNING AT THE TIME THE GAS VALVE GETS ENERGIZED,
2ND STAGE GAS VALVE IS ENERGIZED INSTEAD OF 1ST STAGE. 20 SECONDS AFTER FLAME
IS SENSED, INDUCER SWITCHES TO LOW SPEED, AND GAS VALVE SWITCHES TO 1ST STAGE.
1
2
1
NO
LOW
PRESSURE SWITCH
CLOSED WITHIN 120
SECONDS? LOW & HIGH
PRESSURE SWITCH
CLOSED WITHIN 30
SECONDS?
HIGH
PRESSURE
SWITCH
OPEN
BEFORE
INDUCER WAS
TURNED ON?
INDUCER TO
HIGH SPEED−
ERROR CODE
FLASHES
NO
INDUCER OFF−
WAIT
5 MINUTES
ERROR CODE
FLASHES
YES
YES
YES
YES
NO
3
INDOOR BLOWER OFF AFTER
INDOOR
BLOWER OFF
INDOOR
BLOWER
ROLLOUT
CIRCUIT
CLOSES
(MANUAL
RE−SET)
NO
LOW SPEED
INDOOR BLOWER
OFF AFTER HEAT
OFF DELAY
YES
INDOOR
BLOWER
ON?
WATCHGUARD −
ERROR CODE
FLASHES
INDOOR
BLOWER
ON?
INDOOR
BLOWER ON 30 SEC.
WATCHGUARD LOCKOUT AUTOMATICALLY RESETS AFTER ONE HOUR
CALL FOR FIRST−STAGE HEAT
INDOOR
BLOWER
OFF AFTER
HEAT FAN
OFF DELAY

Page 69
Troubleshooting: Heating Sequence of Operation (Continued)
WHEN USED WITH A SINGLE STAGE THERMOSTAT, SET SW1 TO THE ON POSITION IN DIP SWITCH S4.
IF THE HIGH FIRE PRESSURE SWITCH DOES NOT CLOSE WITHIN 5 ATTEMPTS, THE SYSTEM WILL OPERATE AT
LOW FIRE FOR THE REMAINDER OF THE CALL FOR HEAT REQUEST.
2ND STAGE GAS VALVE
ENERGIZED
ONLY FOR 1ST
REQUEST FOR
2ND STAGE HEAT
YES
CALL FOR HEAT SATISFIED
INDUCER SWITCHED
TO HIGH SPEED
SINGLE STAGE
THERMOSTAT
2 STAGE THERMOSTAT
NO INDUCER SWITCHED
TO LOW SPEED
5 MINUTE DELAY
(ERROR CODE FLASHES)
HIGH
PRESSURE SWITCH
CLOSED WITHIN 10
SECONDS?
2ND STAGE
ON DELAY
EXPIRED?
CALL FOR 2ND STAGE HEAT
(HIGH FIRE)
2
3
1
2
3
1
2
3
YES
YES
CALL FOR SECOND−STAGE HEAT
RECOGNITION DELAY
(30 SECONDS)
EXPIRED?
INDOOR BLOWER ENERGIZED
ON HIGH HEAT SPEED
SYSTEM WILL ALWAYS LIGHT ON LOW FIIRE, EVEN IF 2ND STAGE HEAT IS IN PLACE.

Page 70
Troubleshooting: Heating Sequence of Operation (Continued)
2ND STAGE HEAT
RUN MODE:
1ST OR 2ND STAGE CALL FOR HEAT.
ALL INPUTS MONITORED (LIMIT, PRESSURE,
CALL FOR HEAT/COOL, FLAME LEVEL)
2ND STAGE
CALL FOR HEAT
SATISFIED?
NO
YES
DE−ENERGIZE 2ND STAGE
GAS VALVE
INDUCER SPEED SWITCHED
TO LOW SPEED
1
2 3
1ST STAGE HEAT
1ST STAGE
CALL FOR HEAT
SATISFIED?
NO
YES
GAS VALVE
DE−ENERGIZED
INDUCER OFF AFTER
5 SECOND POST PURGE
CALL FOR HEAT SATISFIED
FIRST−STAGE HEAT SECOND−STAGE HEAT
INDOOR BLOWER SWITCHED
TO LOW HEAT SPEED
INDOOR BLOWER OFF
AFTER FIELD SELECTABLE
OFF DELAY

Page 71
Troubleshooting: Cooling Sequence of Operation (Continued)
1ST STAGE COOLING
REQUEST RECEIVED
ENERGIZE 1ST STAGE
COOLING CONTACTOR
(COMPRESSOR & FAN)
2ND STAGE
COOLING
REQUEST?
NO
YES
YES
YES
NO
1ST STAGE
COOLING REQUEST
STILL ACTIVE?
NO
YES
YES
ENERGIZE 2ND STAGE
COOLING CONTACTOR
(COMPRESSOR & FAN)
DE−ENERGIZE 2ND
STAGE COOLING
CONTACTOR
(COMPRESSOR & FAN)
NO
CONTROL WILL NOT RESPOND TO A 2ND STAGE COOLING REQUEST UNLESS A 1ST STAGE
COOLING REQUEST IS ACTIVE.
AND SPEED RAMPING PROFILES. THE SPECIFIC PROFILE IS SELECTED USING THE
1
1
2
2
1
1
1
2
2
DE−ENERGIZE 1ST
STAGE COOLING
CONTACTOR
(COMPRESSOR & FAN)
2ND STAGE
COOLING REQUEST
STILL ACTIVE?
COOLING REQUEST
STILL ACTIVE?
CALL FOR COOLING
WAIT FOR COMPRESSOR TIMED
OFF DELAY TO EXPIRE
INDOOR BLOWER 2
SECOND ON DELAY
YES
1ST STAGE
DE−ENERGIZE INDOOR
BLOWER
INDOOR BLOWER LOW COOLING MODE AND HIGH COOLING MODE HAVE SPECIFIC ON, OFF
ENERGIZE INDOOR BLOWER
(LOW COOLING MODE)
ENERGIZE INDOOR BLOWER
(HIGH COOLING MODE)
MAINTAIN INDOOR BLOWER
(HIGH COOLING MODE)
ENERGIZE AND MAINTAIN
INDOOR BLOWER AT
(LOW COOLING MODE)
DIP SWITCHES ON THE CONROL.
MAINTAIN INDOOR
BLOWER
(LOW COOLING MODE)

Page 72
Troubleshooting: Continuous Fan Sequence of Operation
CALL FOR FAN
CALL FOR FAN
REMOVED?
YES
NO
NO
REQUEST
FOR HEAT
RECEIVED?
REQUEST
FOR COOLING
RECEIVED?
GO TO CALL FOR 1ST STAGE HEAT
YES GO TO CALL FOR COOLING
1
1
1
4
YES
NO
CALL FOR FAN
INDOOR BLOWER ON
CONTINUOUS FAN
SPEED
MAINTAIN INDOOR
BLOWER AT
CONTINUOUS FAN
MAINTAIN INDOOR
BLOWER AT
CONTINUOUS FAN
INDOOR BLOWER OFF
DE−ENERGIZE INDOOR
BLOWER