Lenox Air Conditioner Elite Series Users Manual 506636a
Elite Series to the manual 3f652fa2-bbd9-4105-bedf-a97cde026394
2015-02-09
: Lenox Lenox-Lenox-Air-Conditioner-Elite-Series-Users-Manual-571120 lenox-lenox-air-conditioner-elite-series-users-manual-571120 lenox pdf
Open the PDF directly: View PDF
.
Page Count: 30

07/11 506636−01
*2P0711* *P506636-01*
Page 1
201 Lennox Industries Inc.
Dallas, Texas, USA
RETAIN THESE INSTRUCTIONS
FOR FUTURE REFERENCE
These instructions are intended as a general guide and do
not supersede local codes in any way. Consult authorities
having jurisdiction before installation.
WARNING
Improper installation, adjustment, alteration, service or
maintenance can cause personal injury, loss of life, or
damage to property.
Installation and service must be performed by a licensed
professional installer (or equivalent) or a service agency.
IMPORTANT
The Clean Air Act of 1990 bans the intentional venting of
refrigerant (CFCs, HCFCs and HFCs) as of July 1, 1992.
Approved methods of recovery, recycling or reclaiming
must be followed. Fines and/or incarceration may be
levied for noncompliance.
IMPORTANT
This unit must be matched with an indoor coil as speci-
fied in Lennox XC14 Engineering Handbook. Coils pre-
viously charged with HCFC−22 must be flushed.
NOTICE TO INSTALLER
UNIT PLACEMENT
It is critical for proper unit operation to place outdoor unit on an
elevated surface as described in Unit Placement section on page 7.
BRAZING LINE SET TO SERVICE VALVES
It is imperative to follow the brazing technique illustrated starting on
page 12 to avoid damaging the service valve’s internal seals.
INSTALLATION
INSTRUCTIONS
Elite® Series XC14 Units
AIR CONDITIONER
506636−01
07/11
Supersedes 11/10
TABLE OF CONTENTS
General 1. . . . . . . . . . . . . . . . . . . . . . . . . . . . . . . . . . . . . .
Shipping and Packing List 1. . . . . . . . . . . . . . . . . . . . . .
Unit Dimensions 2. . . . . . . . . . . . . . . . . . . . . . . . . . . . . . .
Model Number Identification 2. . . . . . . . . . . . . . . . . . . .
Unit Parts Arrangement 3. . . . . . . . . . . . . . . . . . . . . . . .
Operating Gauge Set and Service Valves 4. . . . . . . . .
Recovering Refrigerant from Existing System 6. . . . .
Unit Placement 7. . . . . . . . . . . . . . . . . . . . . . . . . . . . . . . .
Removing and Installing Panels 9. . . . . . . . . . . . . . . . .
New or Replacement Line Set 10. . . . . . . . . . . . . . . . . . .
Brazing Connections 12. . . . . . . . . . . . . . . . . . . . . . . . . . .
Flushing Line Set and Indoor Coil 15. . . . . . . . . . . . . . . .
Installing Indoor Metering Device 16. . . . . . . . . . . . . . . .
Leak Test Line Set and Indoor Coil 17. . . . . . . . . . . . . . .
Evacuating Line Set and Indoor Coil 18. . . . . . . . . . . . .
Electrical 19. . . . . . . . . . . . . . . . . . . . . . . . . . . . . . . . . . . . .
Servicing Units Delivered Void of Charge 23. . . . . . . . .
Unit Start−Up 23. . . . . . . . . . . . . . . . . . . . . . . . . . . . . . . . . .
System Refrigerant 23. . . . . . . . . . . . . . . . . . . . . . . . . . . .
System Operation 28. . . . . . . . . . . . . . . . . . . . . . . . . . . . .
Maintenance 29. . . . . . . . . . . . . . . . . . . . . . . . . . . . . . . . . .
Start−Up and Performance Checklist 30. . . . . . . . . . . . .
General
The XC14 Air Conditioners, which will also be referred to in
this instruction as the outdoor unit, uses HFC−410A
refrigerant. This outdoor unit must be installed with a
matching indoor unit and line set as outlined in the Lennox
XC14 Engineering Handbook.
Shipping and Packing List
Check the unit for shipping damage and listed times below
are intact. If damaged, or if parts are missing, immediately
contact the last shipping carrier.
1 Assembled outdoor unit.
1 Refrigerant flow control (RFC) kit (Fixed Orifice)
Litho U.S.A.

Page 2
506636−01
Unit Dimensions − Inches (mm)
ELECTRICAL INLETS
SIDE VIEW
SUCTION LINE
CONNECTION
LIQUID LINE
CONNECTION
4−1/2"
(108)
4−3/4"
(121)
TOP VIEW
UNIT SUPPORT
FEET
8−1/2"
(216)
D
G
K
J
E
F
XC14−018 BASE SECTION
8−3/4
(222)
5−1/2"
(140)
9−1/2"
(241)
8−1/4"
(210)
13−1/2"
(343)
UNIT SUPPORT
FEET
XC14−024 TO −060 BASE WITH
ELONGATED LEGS
H
A
B
C
Model XC14 Dimensions − in. (mm)
A B C D E F G H J K
XC14−018−230 31 (787) 27
(686)
28
(711) See XC14−018 base section above.
XC14−024−230 35 (889)
30−1/2
(775)
35
(889)
13−7/8
(352)
7−3/4
(197)
3−1/4
(83)
27−1/8
(689)
3−5/8
(92)
4−1/2
(114)
20−5/8
(524)
XC14−030−230 39 (991)
XC14−036−230 39 (991)
XC14−042−230 31 (787)
XC14−041−230 39 (991)
XC14−048−230 39 (991)
XC14−047 −230 35 (889) 35−1/2
(902)
39−1/2
(1003)
16−7/8
(429)
8−3/4
(222)
3−1/8
(79)
30−3/4
(781)
4−5/8
(117)
3−3/4
(95)
26−7/8
(683)
XC14−060−230 35 (889)
Model Number Identification
C 14 XXX
Unit Type
C = Air Conditioner
Series
Nominal Cooling Capacity
018 = 1.5 tons
024 = 2 tons
030 = 2.5 tons
036 = 3 tons
041 = 3.5 tons
042 = 3.5 tons
047 = 4 tons
048 = 4 tons
060 = 5 tons
Minor Revision Number
230
Voltage 230 = 208/230V−1ph−60hz
Refrigerant Type
X = R−410A
X03

Page 3
XC14 SERIES
Typical Unit Parts Arrangement
LIQUID LINE FILTER
DRIER (SINGLE−FLOW)
FIELD CONNECTION
FOR LIQUID LINE SET
LIQUID LINE SERVICE
VALVE
SUCTION LINE
SERVICE VALVE
FIELD CONNECTION
FOR SUCTION LINE
MUFFLER
HIGH PRESSURE
SWITCH (S4)
COMPRESSOR
HARNESS
GROUND LUG
SINGLE POLE
CONTACTOR−1POLE (K1−1)
DUAL RUN CAPACITOR
(C12)
CONTROL PANEL
PLUMBING AND SWITCHES COMPONENTS
COMPRESSOR
DISCHARGE
LINE
CRANKCASE HEATER THERMO-
STAT (S40) (−041, −047, −048 AND
−060 UNITS ONLY)
THERMAL PROTECTION
SWITCH (S5)
SWITCH
COVER
THERMAL PROTECTION
SWITCH (S173) (ONLY ON
−036 AND −060)
Figure 1. Typical Parts Arrangements

Page 4
506636−01
WARNING
Electric Shock Hazard. Can cause injury
or death. Unit must be grounded in
accordance with national and local
codes.
Line voltage is present at all components
when unit is not in operation on units with
single-pole contactors. Disconnect all
remote electric power supplies before
opening access panel. Unit may have
multiple power supplies.
CAUTION
Physical contact with metal edges and corners while
applying excessive force or rapid motion can result in
personal injury. Be aware of, and use caution when
working near these areas during installation or while
servicing this equipment.
Operating Gauge Set and Service Valves
These instructions are intended as a general guide and do
not supersede local codes in any way. Consult authorities
who have jurisdiction before installation.
TORQUE REQUIREMENTS
When servicing or repairing heating, ventilating, and air
conditioning components, ensure the fasteners are
appropriately tightened. Table 1 lists torque values for
fasteners.
IMPORTANT
Only use Allen wrenches of sufficient hardness (50Rc −
Rockwell Harness Scale minimum). Fully insert the
wrench into the valve stem recess.
Service valve stems are factory−torqued (from 9 ft−lbs for
small valves, to 25 ft−lbs for large valves) to prevent
refrigerant loss during shipping and handling. Using an
Allen wrench rated at less than 50Rc risks rounding or
breaking off the wrench, or stripping the valve stem
recess.
See the Lennox Service and Application Notes #C−08−1
for further details and information.
IMPORTANT
To prevent stripping of the various caps used, the
appropriately sized wrench should be used and fitted
snugly over the cap before tightening.
Table 1. Torque Requirements
Parts Recommended Torque
Service valve cap 8 ft.− lb. 11 NM
Sheet metal screws 16 in.− lb. 2 NM
Machine screws #10 28 in.− lb. 3 NM
Compressor bolts 90 in.− lb. 10 NM
Gauge port seal cap 8 ft.− lb. 11 NM
USING MANIFOLD GAUGE SET
When checking the system charge, only use a manifold
gauge set that features low loss anti−blow back fittings.
Manifold gauge set used with HFC−410A refrigerant
systems must be capable of handling the higher system
operating pressures. The gauges should be rated for use
with pressures of 0 − 800 psig on the high side and a low
side of 30" vacuum to 250 psig with dampened speed to
500 psi. Gauge hoses must be rated for use at up to 800
psig of pressure with a 4000 psig burst rating.
OPERATING SERVICE VALVES
The liquid and vapor line service valves are used for
removing refrigerant, flushing, leak testing, evacuating,
checking charge and charging.
Each valve is equipped with a service port which has a
factory−installed valve stem. Figure 2 provides information
on how to access and operating both angle and ball service
valves.

Page 5
XC14 SERIES
(VALVE STEM SHOWN
CLOSED) INSERT HEX
WRENCH HERE
SERVICE PORT CORE
SERVICE PORT CAP
ANGLE−TYPE SERVICE VALVE
(FRONT−SEATED CLOSED)
SERVICE PORT
CORE
TO OUTDOOR UNIT
STEM CAP
(VALVE STEM SHOWN OPEN)
INSERT HEX WRENCH HERE
TO INDOOR
UNIT
ANGLE−TYPE SERVICE VALVE
(BACK−SEATED OPENED)
BALL (SHOWN
CLOSED)
SERVICE PORT
CORE
TO INDOOR UNIT
TO OUTDOOR
UNIT
TO OPEN ROTATE STEM
COUNTERCLOCKWISE 90°.
TO CLOSE ROTATE STEM
CLOCKWISE 90°.
SERVICE PORT
SERVICE PORT
CAP
STEM CAP
VALVE
STEM
Operating Angle Type Service Valve:
1. Remove stem cap with an appropriately sized wrench.
2. Use a service wrench with a hex−head extension (3/16" for liquid line valve sizes and 5/16" for vapor line valve sizes) to back
the stem out counterclockwise as far as it will go.
Operating Ball Type Service Valve:
1. Remove stem cap with an appropriately sized wrench.
2. Use an appropriately sized wrenched to open. To open valve,
rotate stem counterclockwise 90°. To close rotate stem
clockwise 90°.
12
3
4
5
6
7
8
9
10
11 12
1/12 TURN
To Access Service Port:
A service port cap protects the service port core from contamination and
serves as the primary leak seal.
1. Remove service port cap with an appropriately sized wrench.
2. Connect gauge set to service port.
3. When testing is completed, replace service port cap and tighten as
follows:
With torque wrench: Finger tighten and
torque cap per table 1.
Without torque wrench: Finger tighten and
use an appropriately sized wrench to turn
an additional 1/6 turn clockwise.
12
3
4
5
6
7
8
9
10
11 12
1/6 TURN
WHEN SERVICE VALVE IS CLOSED, THE SERVICE PORT IS OPEN
TO THE LINE SET AND INDOOR UNIT.
When service valve is OPEN, the service port is
open to linE set, indoor and outdoor unit.
Reinstall Stem Cap:
Stem cap protects the valve stem from damage and serves as the
primary seal. Replace the stem cap and tighten as follows:
With Torque Wrench: Finger tighten and
then torque cap per table 1.
Without Torque Wrench: Finger tight-
en and use an appropriately sized
wrench to turn an additional 1/12 turn
clockwise.
NOTE A label with specific torque requirements may be affixed to the stem cap. If the label is present, use the specified torque.
Figure 2. Angle and Ball Service Valves

Page 6
506636−01
Recovering Refrigerant from Existing System
MAIN FUSE BOX/BREAKER PANEL
Disconnect all power to the existing outdoor unit at the disconnect
switch or main fuse box/breaker panel.
DISCONNECT POWER CONNECT MANIFOLD GAUGE SET
MANIFOLD GAUGES
RECOVERY MACHINE
CLEAN RECOVERY
CYLINDER
OUTDOOR UNIT
HIGH
LOW
Connect a gauge set, clean recovery cylinder and a recovery
machine to the service ports of the existing unit. Use the
instructions provided with the recovery machine to make the
connections.
METHOD 1:
Us this method if the existing outdoor unit is not equipped with shut−off valves, or if the unit is not operational and you plan to use the existing
HCFC−22 to flush the system.
Remove all HCFC−22 refrigerant from the existing system. Check gauges after shutdown to confirm that the entire system is completely void of
refrigerant.
METHOD 2:
Use this method if the existing outdoor unit is equipped with manual shut−off valves, and you plan to use new HCFC−22 refrigerant to flush the
system.
The following devices could prevent full system charge recovery into the outdoor unit:
Outdoor unit’s high or low−pressure switches (if applicable) when tripped can cycle the compressor OFF.
Compressor can stop pumping due to tripped internal pressure relief valve.
Compressor has internal vacuum protection that is designed to unload the scrolls (compressor stops pumping) when the pressure ratio meets
a certain value or when the suction pressure is as high as 20 psig. (Compressor suction pressures should never be allowed to go into a vacuum.
Prolonged operation at low suction pressures will result in overheating of the scrolls and permanent damage to the scroll tips, drive bearings and
internal seals.)
Once the compressor can not pump down to a lower pressure due to one of the above system conditions, shut off the vapor valve. Turn OFF the
main power to unit and use a recovery machine to recover any refrigerant left in the indoor coil and line set.
Perform the following task:
A Start the existing HCFC−22 system in the cooling mode and close the liquid line valve.
B Use the compressor to pump as much of the existing HCFC−22 refrigerant into the outdoor unit until the outdoor system is full. Turn the outdoor unit
main power OFF and use a recovery machine to remove the remaining refrigerant from the system.
NOTE It may be necessary to bypass the low pressure switches (if equipped) to ensure complete refrigerant evacuation.
C When the low side system pressures reach 0 psig, close the vapor line valve.
D Check gauges after shutdown to confirm that the valves are not allowing refrigerant to flow back into the low side of the system.
Remove existing HCFC−22 refrigerant using one of the following procedures:
RECOVERING REFRIGERANT
IMPORTANT Some system configurations may contain higher than normal refrigerant charge due to either large internal coil volumes,
and/or long line sets.
12
3
DISCONNECT
SWITCH
MAIN FUSE
BOX/BREAKER
PANEL
Figure 3. Recovering Refrigerant

Page 7
XC14 SERIES
CONTROL PANEL
ACCESS
LOCATION
6 (152)
36 (914)
12 (305) 30 (762)
LINE SET
CONNECTIONS
24 (610)
48 (1219)
MINIMUM CLEARANCE BETWEEN
TWO UNITS
CLEARANCE ON ALL SIDES INCHES (MILLIMETERS)
ACCESS PANEL
MINIMUM CLEARANCE
ABOVE UNIT
NOTES:
Clearance to one of the other three
sides must be 36 inches (914mm).
Clearance to one of the remaining
two sides may be 12 inches
(305mm) and the final side may be
6 inches (152mm).
Figure 4. Installation Clearances
Unit Placement
CAUTION
In order to avoid injury, take proper precaution when
lifting heavy objects.
See Unit Dimensions on page 3 for sizing mounting slab,
platforms or supports. Refer to figure 4 for mandatory
installation clearance requirements.
POSITIONING CONSIDERATIONS
Consider the following when positioning the unit:
Some localities are adopting sound ordinances based
on the unit’s sound level registered from the adjacent
property, not from the installation property. Install the
unit as far as possible from the property line.
When possible, do not install the unit directly outside
a window. Glass has a very high level of sound
transmission. For proper placement of unit in relation
to a window see the provided illustration in figure 5,
detail A.
PLACING UNIT ON SLAB
When installing unit at grade level, the top of the slab
should be high enough above grade so that water from
higher ground will not collect around the unit. The slab
should have a slope tolerance as described in figure 5,
detail B.
NOTE If necessary for stability, anchor unit to slab as
described in figure 5, detail D.
ELEVATING THE UNIT
Units are outfitted with elongated support feet as illustrated
in figure 5, detail C.
If additional elevation is necessary, raise the unit by
extending the height of the unit support feet. This may be
achieved by using a 2 inch (50.8mm) Schedule 40 female
threaded adapter.
The specified coupling will fit snuggly into the recessed
portion of the feet. Use additional 2 inch (50.8mm)
Schedule 40 male threaded adaptors which can be
threaded into the female threaded adaptors to make
additional adjustments to the level of the unit.
NOTE Keep the height of extenders short enough to
ensure a sturdy installation. If it is necessary to extend
further, consider a different type of field−fabricated
framework that is sturdy enough for greater heights.

Page 8
506636−01
LEG DETAIL
BASE
2" (50.8MM) SCH 40
FEMALE THREADED
ADAPTER
Concrete slab use two plastic anchors (hole
drill 1/4")
Wood or plastic slab no plastic anchor (hole
drill 1/8")
COIL
BASE PAN
CORNER POST
STABILIZING BRACKET (18 GAUGE
METAL 2" WIDTH; HEIGHT AS
REQUIRED)
Slab Side Mounting
#10 1/2" LONG SELF−DRILLING
SHEET METAL SCREWS
#10 1−1/4" LONG HEX HD SCREW
AND FLAT WASHER
MINIMUM ONE
PER SIDE
Stabilizing bracket (18 gauge metal 2" (50.8mm) width; height as required); bend to form
right angle as exampled below.
FOR EXTRA
STABILITY
Deck Top Mounting
Elevated Slab Mounting
using Feet Extenders
STABILIZING UNIT ON UNEVEN SURFACES
Install unit level or, if on a slope, maintain slope tolerance of two (2)
degrees (or two inches per five feet [50 mm per 1.5 m]) away from
building structure.
MOUNTING
SLAB
BUILDING
STRUCTURE
GROUND LEVEL
Outside Unit Placement Slab Mounting at Ground Level
SAME FASTENERS AS
SLAB SIDE MOUNTING.
IMPORTANT To help stabilize an outdoor unit, some installations may require strapping the unit to the pad using brackets and anchors
commonly available in the marketplace.
DETAIL A DETAIL B
DETAIL C
DETAIL D
2" (50.8MM) SCH 40
MALE THREADED
ADAPTER
Use additional 2" SCH 40 male threaded adapters
which can be threaded into the female threaded
adapters to make additional adjustments to the level of
the unit.
TWO 90° ELBOWS INSTALLED IN LINE SET WILL
REDUCE LINE SET VIBRATION.
Install unit away from windows.
One bracket per side (minimum). For extra stability, two brackets per side, two inches
(51mm) from each corner.
DETAIL E
Figure 5. Placement, Slab Mounting and Stabilizing Unit

Page 9
XC14 SERIES
ROOF MOUNTING
Install the unit a minimum of 6 inches (152 mm) above the
roof surface to avoid ice build−up around the unit. Locate
the unit above a load bearing wall or area of the roof that
can adequately support the unit. Consult local codes for
rooftop applications.
NOTICE
Roof Damage!
This system contains both refrigerant and oil. Some
rubber roofing material may absorb oil and cause the
rubber to swell when it comes into contact with oil. The
rubber will then bubble and could cause leaks. Protect
the roof surface to avoid exposure to refrigerant and oil
during service and installation. Failure to follow this
notice could result in damage to roof surface.
Removing and Installing Panels
IMPORTANT
Do not allow panels to hang on unit by top tab. Tab is for
alignment and not designed to support weight of panel.
WARNING
To prevent personal injury, or damage to panels, unit or
structure, be sure to observe the following:
While installing or servicing this unit, carefully stow all
removed panels out of the way, so that the panels will not
cause injury to personnel, nor cause damage to objects
or structures nearby, nor will the panels be subjected to
damage (e.g., being bent or scratched).
While handling or stowing the panels, consider any
weather conditions, especially windy conditions, that
may cause panels to be blown around and battered.
LOUVERED PANEL REMOVAL
Remove the louvered panels as follows:
1. Remove two screws, allowing the panel to swing open slightly.
2. Hold the panel firmly throughout this procedure. Rotate bottom corner of
panel away from hinged corner post until lower three tabs clear the slots as
illustrated in detail B.
3. Move panel down until lip of upper tab clears the top slot in corner post as
illustrated in detail A.
LOUVERED PANEL INSTALLATION
Position the panel almost parallel with the unit as illustrated in detail D with the
screw side as close to the unit as possible. Then, in a continuous motion:
1. Slightly rotate and guide the lip of top tab inward as illustrated in detail A and
C; then upward into the top slot of the hinge corner post.
2. Rotate panel to vertical to fully engage all tabs.
3. Holding the panel’s hinged side firmly in place, close the right−hand side of
the panel, aligning the screw holes.
4. When panel is correctly positioned and aligned, insert the screws and
tighten.
DETAIL A
DETAIL B
ROTATE IN THIS DIRECTION;
THEN DOWN TO REMOVE
PANEL
SCREW
HOLES
LIP
IMPORTANT! DO NOT ALLOW PANELS TO HANG ON UNIT BY TOP TAB. TAB IS FOR
ALIGNMENT AND NOT DESIGNED TO SUPPORT WEIGHT OF PANEL.
PANEL SHOWN SLIGHTLY ROTATED TO ALLOW TOP TAB TO EXIT (OR
ENTER) TOP SLOT FOR REMOVING (OR INSTALLING) PANEL.
MAINTAIN MINIMUM PANEL ANGLE (AS CLOSE TO PARALLEL
WITH THE UNIT AS POSSIBLE) WHILE INSTALLING PANEL.
PREFERRED ANGLE
FOR INSTALLATION
ANGLE MAY BE TOO
EXTREME
HOLD DOOR FIRMLY TO THE HINGED
SIDE TO MAINTAIN
FULLY−ENGAGED TABS
Detail C
Figure 6. Removing and Installing Panels

Page 10
506636−01
New or Replacement Line Set
REFRIGERANT LINE SET
This section provides information on installation or
replacement of existing line set. If new or replacement line
set is not being installed then proceed to Brazing
Connections on page 12.
IMPORTANT
Lennox highly recommends changing line set when
converting the existing system from HCFC−22 to
HFC−410A. If that is not possible and the line set is the
proper size as reference in table 2, use the procedure
outlined under Flushing the System on page 13.
If refrigerant lines are routed through a wall, then seal and
isolate the opening so vibration is not transmitted to the
building. Pay close attention to line set isolation during
installation of any HVAC system. When properly isolated
from building structures (walls, ceilings. floors), the
refrigerant lines will not create unnecessary vibration and
subsequent sounds. See figure 7 for recommended
installation practices. Also, consider the following when
placing and installing a high−efficiency outdoor unit.
Liquid lines that meter the refrigerant, such as RFC1 liquid
lines, must not be used in this application. Existing line set
of proper size as listed in table 2 may be reused. If system
was previously charged with HCFC−22 refrigerant, then
existing line set must be flushed (see Flushing Line Set
and Indoor Coil on page 15).
Field refrigerant piping consists of liquid and vapor lines
from the outdoor unit to the indoor unit coil (braze
connections). Use Lennox L15 (sweat, non−flare) series
line set, or field−fabricated refrigerant line sizes as listed in
table 2.
NOTE When installing refrigerant lines longer than 50
feet, see the Lennox Refrigerant Piping Design and
Fabrication Guidelines, CORP. 9351−L9, or contact
Lennox Technical Support Product Applications for
assistance.
To obtain the correct information from Lennox, be sure to
communicate the following information:
Model (XC14) and size of unit (e.g. −036).
Line set diameters for the unit being installed as listed
in table 2 and total length of installation.
Number of elbows vertical rise or drop in the piping.
The compressor is charged with sufficient Polyol ester oil
for line set lengths up to 50 feet. Recommend adding oil to
system based on the amount of refrigerant charge in the
system. No need to add oil in system with 20 pounds of
refrigerant or less. For systems over 20 pounds − add one
ounce of every five pounds of refrigerant.
Recommended topping−off POE oils are Mobil EAL
ARCTIC 22 CC or ICI EMKARATE RL32CF.
IMPORTANT
Mineral oils are not compatible with HFC−410A. If oil
must be added, it must be a Polyol Ester oil.
Table 2. Refrigerant Line Set Inches (mm)
Model Number Field Connections Recommended Line Set
Liquid Line Suction Line Liquid Line Suction Line L15 Line Set
XC14−018−230
3/8" (10 mm) 3/4" (19 mm) 3/8" (10 mm) 3/4" (19 mm) L15−41 15 ft. − 50 ft. (4.6 m − 15 m)
XC14−024−230
XC14−030−230
XC14−036−230
3/8" (10 mm) 7/8" (22 mm) 3/8" (10 mm) 7/8" (22 mm) L15−65 15 ft. − 50 ft. (4.6 m − 15 m)
XC14−041−230
XC14−042−230
XC14−047−230
XC14−048−230
XC14−060−230 3/8" (10 mm) 1−1/8" (29 mm) 3/8" (10 mm) 1−1/8" (29 mm) Field Fabricated
NOTE Some applications may required a field provided 7/8" to 1−1/8" adapter

Page 11
XC14 SERIES
ANCHORED HEAVY NYLON
WIRE TIE OR AUTOMOTIVE
MUFFLER-TYPE HANGER
STRAP LIQUID LINE TO
VAPOR LINE
WALL
STUD
LIQUID LINE
NON−CORROSIVE
METAL SLEEVE
VAPOR LINE − WRAPPED
IN ARMAFLEX
AUTOMOTIVE
MUFFLER-TYPE HANGER
REFRIGERANT LINE SET TRANSITION
FROM VERTICAL TO HORIZONTAL
Line Set Isolation The following illustrations are examples of proper refrigerant line set isolation:
STRAPPING
MATERIAL (AROUND
VAPOR LINE ONLY)
TAPE OR
WIRE TIE
WIRE TIE (AROUND
VAPOR LINE ONLY)
FLOOR JOIST OR
ROOF RAFTER
TAPE OR
WIRE TIE
To hang line set from joist or rafter, use either metal strapping material
or anchored heavy nylon wire ties.
8 FEET (2.43 METERS)
STRAP THE VAPOR LINE TO THE JOIST
OR RAFTER AT 8 FEET (2.43 METERS)
INTERVALS THEN STRAP THE LIQUID
LINE TO THE VAPOR LINE.
FLOOR JOIST OR
ROOF RAFTER
REFRIGERANT LINE SET INSTALLING
HORIZONTAL RUNS
NOTE Similar installation practices should be used if line set is
to be installed on exterior of outside wall.
PVC
PIPE
FIBERGLASS
INSULATION
CAULK
OUTSIDE
WALL
VAPOR LINE WRAPPED
WITH ARMAFLEX
LIQUID
LINE
OUTSIDE WALL LIQUID LINE
VAPOR LINE
WOOD BLOCK
BETWEEN STUDS
STRAP
WOOD BLOCK
STRAP
SLEEVE
WIRE TIE
WIRE TIE
WIRE TIE
INSIDE WALL
REFRIGERANT LINE SET INSTALLING
VERTICAL RUNS (NEW CONSTRUCTION SHOWN)
NOTE Insulate liquid line when it is routed through areas where the
surrounding ambient temperature could become higher than the
temperature of the liquid line or when pressure drop is equal to or greater
than 20 psig.
NON−CORROSIVE
METAL SLEEVE
NON−CORROSIVE
METAL SLEEVE
8 FEET (2.43 METERS)
Figure 7. Line Set Installation

Page 12
506636−01
Brazing Connections
Use the procedures outline in figures 8 and 9 for brazing
line set connections to service valves.
WARNING
Polyol Ester (POE) oils used with HFC−410A
refrigerant absorb moisture very quickly. It is very
important that the refrigerant system be kept closed
as much as possible. DO NOT remove line set caps
or service valve stub caps until you are ready to make
connections.
WARNING
Danger of fire. Bleeding the refrigerant
charge from only the high side may result
in pressurization of the low side shell and
suction tubing. Application of a brazing
torch to a pressurized system may result
in ignition of the refrigerant and oil
mixture − Check the high and low
pressures before applying heat.
WARNING
When using a high pressure gas such as
dry nitrogen to pressurize a refrigeration
or air conditioning system, use a
regulator that can control the pressure
down to 1 or 2 psig (6.9 to 13.8 kPa).
CAUTION
Brazing alloys and flux contain materials which are
hazardous to your health.
Avoid breathing vapors or fumes from brazing
operations. Perform operations only in well−ventilated
areas.
Wear gloves and protective goggles or face shield to
protect against burns.
Wash hands with soap and water after handling brazing
alloys and flux.
IMPORTANT
Connect gauge set low pressure side to vapor line
service valve and repeat procedure starting at
paragraph 4 for brazing the liquid line to service port
valve.
IMPORTANT
Allow braze joint to cool before removing the wet rag
from the service valve. Temperatures above 250ºF can
damage valve seals.
IMPORTANT
Use silver alloy brazing rods with 5% minimum silver
alloy for copper−to−copper brazing. Use 45% minimum
alloy for copper−to−brass and copper−to−steel brazing.
WARNING
Fire, Explosion and Personal Safety
Hazard.
Failure to follow this warning could
result in damage, personal injury or
death.
Never use oxygen to pressurize or
purge refrigeration lines. Oxygen,
when exposed to a spark or open
flame, can cause fire and/or an ex-
plosion, that could result in property
damage, personal injury or death.

Page 13
XC14 SERIES
ATTACH THE MANIFOLD GAUGE SET FOR BRAZING LIQUID AND SUCTION / VAPOR LINE SERVICE
VALVES
OUTDOOR
UNIT
LIQUID LINE
VAPOR LINE
LIQUID LINE SERVICE
VALVE
SUCTION /
VAPOR LINE
SERVICE
VALVE
ATTACH
GAUGES
INDOOR
UNIT
SUCTION / VAPOR SERVICE PORT MUST BE
OPEN TO ALLOW EXIT POINT FOR NITROGEN
A Connect gauge set low pressure side to
liquid line service valve (service port).
B Connect gauge set center port to bottle of
nitrogen with regulator.
C Remove core from valve in suction / vapor
line service port to allow nitrogen to escape.
NITROGEN
HIGHLOW
USE REGULATOR TO FLOW
NITROGEN AT 1 TO 2 PSIG.
B
A
C
WHEN BRAZING LINE SET TO
SERVICE VALVES, POINT FLAME
AWAY FROM SERVICE VALVE.
Flow regulated nitrogen (at 1 to 2 psig) through the low−side refrigeration gauge set into the liquid line service port valve, and out of the suction /
vapor line service port valve.
CUT AND DEBUR CAP AND CORE REMOVAL
Cut ends of the refrigerant lines square (free from nicks or dents)
and debur the ends. The pipe must remain round. Do not crimp end
of the line.
Remove service cap and core from
both the suction / vapor and liquid line
service ports.
12
LIQUID LINE SERVICE
VALVE
SERVICE
PORT
CORE
SERVICE PORT
CAP
SERVICE
PORT
CORE
SERVICE
PORT CAP
CUT AND DEBUR
LINE SET SIZE MATCHES
SERVICE VALVE CONNECTION
COPPER TUBE
STUB
SERVICE VALVE
CONNECTION
REFRIGERANT LINE
DO NOT CRIMP SERVICE VALVE
CONNECTOR WHEN PIPE IS
SMALLER THAN CONNECTION
REDUCER
3
SUCTION / VAPOR LINE
SERVICE VALVE
LINE SET SIZE IS SMALLER
THAN CONNECTION
Figure 8. Brazing Procedures

Page 14
506636−01
WHEN BRAZING LINE SET TO
SERVICE VALVES, POINT FLAME
AWAY FROM SERVICE VALVE.
LIQUID LINE SERVICE VALVE
LIQUID LINE
BRAZE LINE SET
Wrap both service valves with water saturated cloths as illustrated here and as mentioned in step 4, before brazing to line set. Water
saturated cloths must remain water saturated throughout the brazing and cool−down process.
WATER SATURATED
CLOTH
IMPORTANT Allow braze joint to cool. Apply
additional water saturated cloths to help cool brazed
joint. Do not remove water saturated cloths until piping
has cooled. Temperatures above 250ºF will damage
valve seals.
6
SUCTION / VAPOR LINE
WATER SATURATED
CLOTH
SUCTION / VAPOR LINE
SERVICE VALVE
After all connections have been brazed, disconnect manifold gauge set from service ports. Apply additional water saturated cloths to both
services valves to cool piping. Once piping is cool, remove all water saturated cloths. Refer to the unit installation instructions for the next step
in preparing the unit.
WHEN BRAZING LINE SET TO
SERVICE VALVES, POINT FLAME
AWAY FROM SERVICE VALVE.
PREPARATION FOR NEXT STEP
7
WARNING
1. FIRE, PERSONAL INJURY, OR PROPERTY
DAMAGE may result if you do not wrap a water
saturated cloth around both liquid and suction line
service valve bodies and copper tube stub while
brazing in the line set! The braze, when complete,
must be quenched with water to absorb any residual
heat.
2. Do not open service valves until refrigerant lines and
indoor coil have been leak−tested and evacuated.
Refer to procedures provided in this supplement.
WRAP SERVICE VALVES
To help protect service valve seals during brazing, wrap water saturated cloths around service valve bodies and copper tube stubs. Use
additional water saturated cloths underneath the valve body to protect the base paint.
4
FLOW NITROGEN
Flow regulated nitrogen (at 1 to 2 psig) through the refrigeration gauge set into the valve stem port connection on the liquid service valve and
out of the suction / vapor valve stem port. See steps 3A, 3B and 3C on manifold gauge set connections
5
Figure 9. Brazing Procedures (continued)

Page 15
XC14 SERIES
Flushing Line Set and Indoor Coil
SENSING
LINE
TEFLON® RING
FIXED ORIFICE
BRASS NUT
LIQUID LINE ASSEMBLY
(INCLUDES STRAINER)
LIQUID LINE ORIFICE HOUSING
DISTRIBUTOR TUBES
DISTRIBUTOR
ASSEMBLY
REMOVE AND DISCARD
WHITE TEFLON® SEAL
(IF PRESENT)
A On fully cased coils, remove the coil access and plumbing panels.
B Remove any shipping clamps holding the liquid line and distributor as-
sembly.
C Using two wrenches, disconnect liquid line from liquid line orifice hous-
ing. Take care not to twist or damage distributor tubes during this pro-
cess.
D Remove and discard fixed orifice, valve stem assembly if present and
Teflon® washer as illustrated above.
E Use a field−provided fitting to temporary reconnect the liquid line to the
indoor unit’s liquid line orifice housing.
TYPICAL EXISTING FIXED ORIFICE
REMOVAL PROCEDURE (UNCASED
COIL SHOWN)
TYPICAL EXISTING EXPANSION VALVE REMOVAL
PROCEDURE (UNCASED COIL SHOWN)
TWO PIECE PATCH PLATE
(UNCASED COIL ONLY)
VAPOR
LINE
DISTRIBUTOR
ASSEMBLY
DISTRIBUTOR
TUBES
LIQUID
LINE
MALE EQUALIZER
LINE FITTING
EQUALIZER
LINE
EXPANSION
VALVE
TEFLON®
RING
STUB END
TEFLON®
RING
SENSING BULB
LIQUID LINE
ORIFICE
HOUSING
LIQUID LINE
ASSEMBLY WITH
BRASS NUT
A On fully cased coils, remove the coil access and plumbing panels.
B Remove any shipping clamps holding the liquid line and distributor
assembly.
C Disconnect the equalizer line from the expansion valve equalizer line
fitting on the vapor line.
D Remove the vapor line sensing bulb.
E Disconnect the liquid line from the expansion valve at the liquid line
assembly.
F Disconnect the expansion valve from the liquid line orifice housing.
Take care not to twist or damage distributor tubes during this process.
G Remove and discard expansion valve and the two Teflon® rings.
H Use a field−provided fitting to temporary reconnect the liquid line to the
indoor unit’s liquid line orifice housing.
LOW HIGH
EXISTING
INDOOR
UNIT
GAUGE
MANIFOLD
INVERTED HCFC−22
CYLINDER CONTAINS
CLEAN HCFC−22 TO BE
USED FOR FLUSHING.
LIQUID LINE SERVICE
VALVE
INLET
DISCHARGE
TANK
RETURN
CLOSED
OPENED
RECOVERY
CYLINDER
RECOVERY MACHINE
NEW
OUTDOOR
UNIT
VAPOR LINE
SERVICE VALVE
VAPOR
LIQUID
1
A Inverted HCFC−22 cylinder with clean refrigerant to the vapor service
valve.
B HCFC−22 gauge set (low side) to the liquid line valve.
C HCFC−22 gauge set center port to inlet on the recovery machine with an
empty recovery tank to the gauge set.
D Connect recovery tank to recovery machines per machine instructions.
CONNECT GAUGES AND EQUIPMENT FOR
FLUSHING PROCEDURE
A
B
C
D
B
OR
FLUSHING LINE SET
A Set the recovery machine for liquid recovery and start the
recovery machine. Open the gauge set valves to allow the
recovery machine to pull a vacuum on the existing system line
set and indoor unit coil.
B Invert the cylinder of clean HCFC−22 and open its valve to allow
liquid refrigerant to flow into the system through the vapor line
valve. Allow the refrigerant to pass from the cylinder and through
the line set and the indoor unit coil before it enters the recovery
machine.
C After all of the liquid refrigerant has been recovered, switch the
recovery machine to vapor recovery so that all of the HCFC−22
vapor is recovered. Allow the recovery machine to pull down to 0
the system.
D Close the valve on the inverted HCFC−22 drum and the gauge
set valves. Pump the remaining refrigerant out of the recovery
machine and turn the machine off.
The line set and indoor unit coil must be flushed with at least the
same amount of clean refrigerant that previously charged the
system. Check the charge in the flushing cylinder before
proceeding.
1A
2
3
1B
Figure 10. Installing Indoor Expansion Valve

Page 16
506636−01
Installing Indoor Metering Device
This outdoor unit is designed for use in systems that use
either fixed orifice or expansion valve metering devices at
the indoor coil.
If using a fixed orifice metering device, use the the one
provided with the outdoor unit. The metering device is
located in the installation instruction bag. For installing the
orifice, reverse the procedure outlined in figure 10, 1A.
See the Lennox XC14 Engineering Handbook for
approved expansion valve kit match−ups. The expansion
valve unit can be installed internal or external to the indoor
coil. In applications where an uncased coil is being
installed in a field−provided plenum, install the expansion
valve in a manner that will provide access for field servicing
of the expansion valve. Refer to below illustration for
reference during installation of expansion valve unit.
A Attach the vapor line sensing bulb in the proper
orientation as illustrated to the right using the clamp and
screws provided.
NOTE Confirm proper thermal contact between vapor line
and expansion bulb before insulating the sensing bulb once
installed.
B Connect the equalizer line from the expansion valve to
the equalizer vapor port on the vapor line. Finger tighten
the flare nut plus 1/8 turn (7 ft−lbs) as illustrated below.
TWO PIECE
PATCH PLATE
(UNCASED
COIL ONLY)
VAPOR
LINE
LIQUID LINE
ORIFICE
HOUSING
DISTRIBUTOR
TUBES
LIQUID LINE
MALE EQUALIZER LINE
FITTING (SEE
EQUALIZER LINE
INSTALLATION FOR
FURTHER DETAILS)
SENSING
LINE
EQUALIZER
LINE
EXPANSION
VALVE
TEFLON®
RING
(Uncased Coil Shown)
Sensing bulb insulation is required if
mounted external to the coil casing. sensing
bulb installation for bulb positioning.
STUB
END
TEFLON®
RING
LIQUID LINE
ASSEMBLY WITH
BRASS NUT
DISTRIBUTOR
ASSEMBLY
A Remove the field−provided fitting that temporary
reconnected the liquid line to the indoor unit’s distributor
assembly.
B Install one of the provided Teflon® rings around the
stubbed end of the expansion valve and lightly lubricate
the connector threads and expose surface of the Teflon®
ring with refrigerant oil.
C Attach the stubbed end of the expansion valve to the
liquid line orifice housing. Finger tighten and use an
appropriately sized wrench to turn an additional 1/2 turn
clockwise as illustrated in the figure above, or 20 ft−lb.
D Place the remaining Teflon® washer around the other
end of the expansion valve. Lightly lubricate connector
threads and expose surface of the Teflon® ring with
refrigerant oil.
E Attach the liquid line assembly to the expansion valve.
Finger tighten and use an appropriately sized wrench to
turn an additional 1/2 turn clockwise as illustrated in the
figure above or 20 ft−lb.
ON 7/8" AND LARGER LINES,
MOUNT SENSING BULB AT
EITHER THE 4 OR 8 O’CLOCK
POSITION. NEVER MOUNT ON
BOTTOM OF LINE.
12
ON LINES SMALLER THAN
7/8", MOUNT SENSING
BULB AT EITHER THE 3 OR
9 O’CLOCK POSITION.
12
BULB
VAPOR LINE
VAPOR LINE
NOTE NEVER MOUNT ON BOTTOM OF LINE.
BULB
BULB
BULB
VAPOR LINE
FLARE NUT
COPPER FLARE
SEAL BONNET
MALE BRASS EQUALIZER
LINE FITTING
FLARE SEAL CAP
OR
1
2
3
4
5
6
7
8
9
10
11 12
1/2 Turn
SENSING BULB INSTALLATION
EQUALIZER LINE INSTALLATION
1
2
3
4
5
6
7
8
9
10
11 12
1/8 Turn
A Remove and discard either the flare seal cap or flare nut
with copper flare seal bonnet from the equalizer line port
on the vapor line as illustrated in the figure to the right.
B Remove and discard either the flare seal cap or flare nut
with copper flare seal bonnet from the equalizer line port on
the vapor line as illustrated in the figure to the right.
INDOOR EXPANSION VALVE INSTALLATION
Figure 11. Installing Indoor Expansion Valve

Page 17
XC14 SERIES
IMPORTANT
The Environmental Protection Agency (EPA) prohibits
the intentional venting of HFC refrigerants during
maintenance, service, repair and disposal of appliance.
Approved methods of recovery, recycling or reclaiming
must be followed.
IMPORTANT
If this unit is being matched with an approved line set
or indoor unit coil which was previously charged with
mineral oil, or if it is being matched with a coil which
was manufactured before January of 1999, the coil
and line set must be flushed prior to installation. Take
care to empty all existing traps. Polyol ester (POE) oils
are used in Lennox units charged with HFC−410A
refrigerant. Residual mineral oil can act as an
insulator, preventing proper heat transfer. It can also
clog the expansion device, and reduce the system
performance and capacity.
Failure to properly flush the system per the
instructions below will void the warranty.
Leak Test Line Set and Indoor Coil
WARNING
When using a high pressure gas such as
dry nitrogen to pressurize a refrigeration
or air conditioning system, use a
regulator that can control the pressure
down to 1 or 2 psig (6.9 to 13.8 kPa).
IMPORTANT
Leak detector must be capable of sensing HFC
refrigerant.
WARNING
Refrigerant can be harmful if it is inhaled. Refrigerant
must be used and recovered responsibly.
Failure to follow this warning may result in personal injury
or death.
TO VAPOR
SERVICE VALVE
HFC−410A
MANIFOLD GAUGE SET
OUTDOOR UNIT
HIGHLOW
NITROGEN
A With both manifold valves closed, connect the cylinder of HFC−410A refrigerant to the center port of the manifold gauge set. Open the valve
on the HFC−410A cylinder (vapor only).
B Open the high pressure side of the manifold to allow HFC−410A into the line set and indoor unit. Weigh in a trace amount of HFC−410A. [A
trace amount is a maximum of two ounces (57 g) refrigerant or three pounds (31 kPa) pressure]. Close the valve on the HFC−410A cylinder
and the valve on the high pressure side of the manifold gauge set. Disconnect the HFC−410A cylinder.
C Connect a cylinder of dry nitrogen with a pressure regulating valve to the center port of the manifold gauge set.
D Adjust dry nitrogen pressure to 150 psig (1034 kPa). Open the valve on the high side of the manifold gauge set in order to pressurize the line set
and the indoor unit.
E After a few minutes, open one of the service valve ports and verify that the refrigerant added to the system earlier is measurable with a leak
detector.
F After leak testing disconnect gauges from service ports.
After the line set has been connected to the indoor and outdoor units, check the line set connections and indoor unit for leaks. Use the
following procedure to test for leaks:
A Connect an HFC−410A manifold gauge set high pressure
hose to the vapor valve service port.
NOTE Normally, the high pressure hose is connected to
the liquid line port. However, connecting it to the vapor port
better protects the manifold gauge set from high pressure
damage.
B With both manifold valves closed, connect the cylinder of
HFC−410A refrigerant to the center port of the manifold gauge
set.
NOTE Later in the procedure,
the HFC−410A container will be
replaced by the nitrogen
container.
1CONNECT GAUGE SET
2TEST FOR LEAKS
A
B
Figure 12. Leak Test

Page 18
506636−01
Evacuating Line Set and Indoor Coil
A Open both manifold valves and start the vacuum pump.
B Evacuate the line set and indoor unit to an absolute pressure of 23,000 microns (29.01 inches of mercury).
NOTE During the early stages of evacuation, it is desirable to close the manifold gauge valve at least once. A rapid rise in pressure
indicates a relatively large leak. If this occurs, repeat the leak testing procedure.
NOTE The term absolute pressure means the total actual pressure within a given volume or system, above the absolute zero of
pressure. Absolute pressure in a vacuum is equal to atmospheric pressure minus vacuum pressure.
C When the absolute pressure reaches 23,000 microns (29.01 inches of mercury), perform the following:
Close manifold gauge valves
Close valve on vacuum pump
Turn off vacuum pump
Disconnect manifold gauge center port hose from vacuum pump
Attach manifold center port hose to a dry nitrogen cylinder with pressure regulator set to 150 psig (1034 kPa) and purge the hose.
Open manifold gauge valves to break the vacuum in the line set and indoor unit.
Close manifold gauge valves.
D Shut off the dry nitrogen cylinder and remove the manifold gauge hose from the cylinder. Open the manifold gauge valves to release the
dry nitrogen from the line set and indoor unit.
E Reconnect the manifold gauge to the vacuum pump, turn the pump on, and continue to evacuate the line set and indoor unit until the
absolute pressure does not rise above 500 microns (29.9 inches of mercury) within a 20−minute period after shutting off the vacuum pump
and closing the manifold gauge valves.
F When the absolute pressure requirement above has been met, disconnect the manifold hose from the vacuum pump and connect it to an
upright cylinder of HFC−410A refrigerant. Open the manifold gauge valve 1 to 2 psig in order to release the vacuum in the line set and
indoor unit.
G Perform the following:
OUTDOOR
UNIT
TO VAPOR
SERVICE VALVE
TO LIQUID LINE
SERVICE VALVE
MICRON
GAUGE
VACUUM PUMP
A34000 1/4 SAE TEE WITH
SWIVEL COUPLER
500
MANIFOLD
GAUGE SET
HFC−410A
RECOMMEND
MINIMUM 3/8" HOSE
AConnect low side of manifold gauge set
with 1/4 SAE in−line tee to vapor line
service valve
BConnect high side of manifold gauge
set to liquid line service valve
CConnect micron gauge available
connector on the 1/4 SAE in−line tee.
DConnect the vacuum pump (with
vacuum gauge) to the center port of the
manifold gauge set. The center port
line will be used later for both the
HFC−410A and nitrogen containers.
HIGH
LOW
1
2
3
4
5
6
7
8
9
10
11 12
1/6 TURN
NITROGEN
1CONNECT GAUGE SET
A
B
C
D
2EVACUATE THE SYSTEM
NOTE Remove cores from service valves (if not already done).
Close manifold gauge valves.
Shut off HFC−410A cylinder.
Reinstall service valve cores by removing manifold hose from service valve. Quickly install cores with core
tool while maintaining a positive system pressure.
Replace stem caps and secure finger tight, then tighten an additional one−sixth (1/6) of a turn as illustrated.
Figure 13. Evacuating System

Page 19
XC14 SERIES
IMPORTANT
Use a thermocouple or thermistor electronic vacuum
gauge that is calibrated in microns. Use an instrument
capable of accurately measuring down to 50 microns.
WARNING
Danger of Equipment Damage. Avoid deep vacuum
operation. Do not use compressors to evacuate a
system. Extremely low vacuums can cause internal
arcing and compressor failure. Damage caused by
deep vacuum operation will void warranty.
Evacuating the system of non−condensables is critical for
proper operation of the unit. Non−condensables are
defined as any gas that will not condense under
temperatures and pressures present during operation of
an air conditioning system. Non−condensables and water
suction combine with refrigerant to produce substances
that corrode copper piping and compressor parts.
Electrical
In the U.S.A., wiring must conform with current local codes
and the current National Electric Code (NEC). In Canada,
wiring must conform with current local codes and the current
Canadian Electrical Code (CEC).
Refer to the furnace or air handler installation instructions
for additional wiring application diagrams and refer to unit
nameplate for minimum circuit ampacity and maximum
overcurrent protection size.
24VAC TRANSFORMER
Use the transformer provided with the furnace or air
handler for low-voltage control power (24VAC − 40 VA
minimum)
Refer to the unit nameplate for minimum circuit ampacity, and
maximum fuse or circuit breaker (HACR per NEC). Install power
wiring and properly sized disconnect switch.
NOTE Units are approved for use only with copper conductors.
Ground unit at disconnect switch or to an earth ground.
SIZE CIRCUIT AND INSTALL DISCONNECT
SWITCH
1
NOTE 24VAC, Class II circuit connections are made in the control
panel.
Install room thermostat (ordered separately) on an inside wall
approximately in the center of the conditioned area and 5 feet
(1.5m) from the floor. It should not be installed on an outside wall
or where it can be affected by sunlight or drafts.
THERMOSTAT
5 FEET
(1.5M)
INSTALL THERMOSTAT
2
DISCONNECT
SWITCH
MAIN FUSE
BOX/BREAKER
PANEL
ARun 24VAC control wires through cutout with grommet.
BRun 24VAC control wires through wire tie.
CMake 24VAC control wire connections using field provided wire
nuts.
DTighten wire tie to security 24V control wiring.
HIGH VOLTAGE FIELD WIRING
LOW VOLTAGE (24V) FIELD WIRING
FACTORY WIRING
CUTOUT WITH
GROMMET
NOTE − FOR PROPER VOLTAGES, SELECT THERMOSTAT WIRE (CONTROL WIRES)
GAUGE PER TABLE ABOVE.
WIRE RUN LENGTH AWG# INSULATION TYPE
LESS THAN 100’ (30 METERS) 18 TEMPERATURE RATING
MORE THAN 100’ (30 METERS) 16 35ºC MINIMUM.
WIRE NUTS
BLACK
24V CONTROL WIRES
YELLOW
TIGHTEN WIRE TIE
UNIT LOW VOLTAGE CONNECTIONS
NOTE − DO NOT BUNDLE ANY EXCESS 24VAC CONTROL WIRES INSIDE CONTROL
BOX.
NOTE − WIRE TIE PROVIDES LOW VOLTAGE WIRE STRAIN RELIEF AND TO MAINTAIN
SEPARATION OF FIELD INSTALLED LOW AND HIGH VOLTAGE CIRCUITS.
A
B
C
D
3

Page 20
506636−01
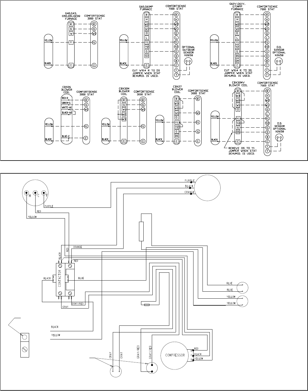
NOTE − Refer to furnace, blower coil and accessory instructions for additional wiring configurations with other
optional controls.
XC13 XC13 XC13
XC13
XC13
XC13
XC13
Figure 14. 24VAC Control Wiring Diagrams (Field Installed)
HIGH PRESSURE
SWITCH (S4)
CRANKCASE
THERMOSTAT
(S40)
CRANKCASE
HEATER (HR1)
DUAL RUN CAPACITOR
(C12) FAN MOTOR (B4)
COMPRESSOR
(B1)
CONTACTOR
K1
−048 AND −060
ONLY
GROUND LUG
THERMAL PROTECTION
SWITCH (S5)
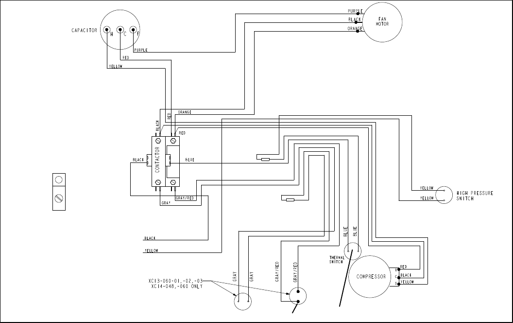
Figure 15. Typical Factory Wiring Diagram (Copeland Compressor)

Page 21
XC14 SERIES
THERMAL PROTECTION SWITCH (S5 OR S173)
HIGH PRESSURE
SWITCH (S4)
CRANKCASE THERMOSTAT (S40)
CRANKCASE HEATER (HR1)
DUAL RUN
CAPACITOR (C12) FAN MOTOR (B4)
COMPRESSOR
(B1)
CONTACTOR K1
GROUND LUG
Figure 16. Typical Factory Wiring Diagram (Interlink Compressor)

Page 22
506636−01
Figure 17. Typical Unit Wiring Diagram

Page 23
XC14 SERIES
Servicing Units Delivered Void of Charge
If the outdoor unit is void of refrigerant, clean the system
using the procedure described below.
1. Leak check system using procedure outlined on page
17.
2. Evacuate the system using procedure outlined on
page 18.
3. Use nitrogen to break the vacuum and install a new
filter drier in the system.
4. Evacuate the system again using procedure outlined
on page 18.
5. Weigh in refrigerant using procedure outlined in figure
21.
6. Monitor the system to determine the amount of
moisture remaining in the oil. It may be necessary to
replace the filter drier several times to achieve the
required dryness level. If system dryness is not
verified, the compressor will fail in the future.
Unit Start−Up
IMPORTANT
If unit is equipped with a crankcase heater, it should be
energized 24 hours before unit start−up to prevent
compressor damage as a result of slugging.
1. Rotate fan to check for binding.
2. Inspect all factory− and field−installed wiring for loose
connections.
3. After evacuation is complete, open both the liquid and
vapor line service valves to release the refrigerant
charge contained in outdoor unit into the system.
4. Replace the stem caps and tighten to the value listed
in table 1.
5. Check voltage supply at the disconnect switch. The
voltage must be within the range listed on the unit’s
nameplate. If not, do not start the equipment until you
have consulted with the power company and the
voltage condition has been corrected.
6. Set the thermostat for a cooling demand. Turn on
power to the indoor indoor unit and close the outdoor
unit disconnect switch to start the unit.
7. Recheck voltage while the unit is running. Power must
be within range shown on the nameplate.
8. Check system for sufficient refrigerant by using the
procedures listed under System Charge.
System Refrigerant
This section outlines procedures for:
1. Connecting gauge set for testing and charging;
2. Checking and adjusting indoor airflow;
3. Adding or removing refrigerant.
TO LIQUID
LINE SERVICE
VALVE
TEMPERATURE
SENSOR
DIGITAL SCALE
REFRIGERANT TANK
TEMPERATURE SENSOR
(LIQUID LINE)
MANIFOLD GAUGE SET
AClose manifold gauge set valves and connect the center hose to a cylinder of HFC−410A. Set for liquid phase charging.
BConnect the manifold gauge set’s low pressure side to the suction line service port.
CConnect the manifold gauge set’s high pressure side to the liquid line service port.
DPosition temperature sensor on liquid line near liquid line service port.
OUTDOOR UNIT
CHARGE IN
LIQUID PHASE
CONNECTIONS FOR TESTING AND CHARGING
GAUGE SET
A
C
D
LOW HIGH
BSUCTION LINE
SERVICE PORT
CONNECTION
VAPOR LINE
SERVICE VALVE
LIQUID LINE
SERVICE VALVE
Figure 18. Gauge Set Setup and Connections

Page 24
506636−01
WHEN TO CHARGE?
Warm weather best
Can charge in colder weather
CHARGE METHOD? Determine by:
Metering device type
Outdoor ambient temperature
REQUIREMENTS:
Sufficient heat load in structure
Indoor temperature between 70-80ºF
(21−26ºC)
Manifold gauge set connected to unit
Thermometers:
− to measure outdoor ambient temperature
− to measure liquid line temperature
− to measure suction line temperature
TXV FIXED
ORIFICE
APPROACH OR
SUBCOOLING WEIGH-IN
SUPERHEAT
START: Determine how refrigerant is metered
39ºF
(3.8ºC) and
Below
Which indoor
metering
device?
WEIGH-IN
64ºF
(17.7ºC) and
Below
40ºF
(4.4ºC) and
Above
DETERMINING CHARGE METHOD
65ºF
(18.3ºC) and
Above
Figure 19. Determining Charge Method

Page 25
XC14 SERIES
CHECKING AIR FLOW AT INDOOR COIL
Check airflow using the Delta−T (DT) process using the illustration in figure 20.
1. Determine the desired DTMeasure entering air temper-
ature using dry bulb (A) and wet bulb (B). DT is the intersect-
ing value of A and B in the table (see triangle).
2. Find temperature drop across coilMeasure the coil’s dry
bulb entering and leaving air temperatures (A and C). Tem-
perature Drop Formula: (TDrop) = A minus C.
3. Determine if fan needs adjustmentIf the difference between
the measured TDrop and the desired DT (TDrop–DT) is within
+3º, no adjustment is needed. See examples: Assume DT =
15 and A temp. = 72º, these C temperatures would necessi-
tate stated actions:
Cº T
Drop –DT=ºF ACTION
53º 19 – 15 =4Increase the airflow
58º 14 – 15 =−1 (within +3º range) no change
62º 10 – 15 =−5 Decrease the airflow
4. Adjust the fan speedSee indoor unit instructions to in-
crease/decrease fan speed.
Changing air flow affects all temperatures; recheck tempera-
tures to confirm that the temperature drop and DT are within
+3º.
DT
80 24 24 24 23 23 22 22 22 20 19 18 17 16 15
78 23 23 23 22 22 21 21 20 19 18 17 16 15 14
76 22 22 22 21 21 20 19 19 18 17 16 15 14 13
74 21 21 21 20 19 19 18 17 16 16 15 14 13 12
72 20 20 19 18 17 17 16 15 15 14 13 12 11 10
70 19 19 18 18 17 17 16 15 15 14 13 12 11 10
57 58 59 60 61 62 63 64 65 66 67 68 69 70
Temp.
of air
entering
indoor
coil ºF
INDOOR
COIL
DRY
BULB
DRY
BULB
WET
BULB
B
TDrop
19º
A
Dry−bulb
Wet−bulb ºF
A
72º
B
64º
C
53º
air flowair flow
All temperatures are
expressed in ºF
Figure 20. Checking Indoor Airflow over Evaporator Coil using Delta−T Chart
WEIGH IN
Liquid Line
Set Diameter
Ounces per 5 feet (g per 1.5 m)
adjust from 15 feet (4.6 m) line set*
3/8" (9.5 mm) 3 ounce per 5’ (85 g per 1.5 m)
*If line length is greater than 15 ft. (4.6 m), add this amount. If
line length is less than 15 ft. (4.6 m), subtract this amount.
Refrigerant Charge per Line Set Length
NOTE The above nameplate is for illustration purposes only. Go to actual nameplate on outdoor unit for charge information.
CHARGING METHOD
NOTE Insulate liquid line when it is routed through areas where the surrounding ambient temperature could become higher than the
temperature of the liquid line or when pressure drop is equal to or greater than 20 psig.
CALCULATING SYSTEM CHARGE FOR OUTDOOR UNIT VOID OF CHARGE
If the system is void of refrigerant, first, locate and repair any leaks and then weigh in the refrigerant charge into the
unit. To calculate the total refrigerant charge:
Amount specified on
nameplate
Adjust amount. for variation
in line set length listed on
line set length table below.
Total charge
+=
64ºF (17.7ºC) and Below
Figure 21. Using HFC−410A Weigh In Method

Page 26
506636−01
DO NOT CHARGE UNIT
(Results of charging at low
temperatures not reliable)
START: Measure outdoor ambient temperature
USE WEIGH-IN METHOD
Weigh-in or remove refrigerant
based upon line length
APPº (Approach) Values(F:+/−1.0° [C: +/−0.6°])
1. Connect gauge set as illustrated in figure 18.
2. Confirm proper airflow across coil using figure 20.
3. Compare unit pressures with table 4, Normal
Operating Pressures.
4. Set thermostat to call for heat (must have a cooling
load between 70-80ºF (21−26ºC).
5. When heat demand is satisfied, set thermostat to call
for cooling.
6. Allow temperatures and pressures to stabilize.
7. Record outdoor ambient temperature:
AMBº =_________
8. Record liquid line temperature:
LIQº = __________
9. Subtract to determine approach (APPº):
LIQº_____ − AMBº _____ = APPº_____
10. Compare results with table below.
Figure 22. Using HFC−410A Approach (TXV) Charge Method
64ºF and
BELOW
65ºF
and
ABOVE
ABOVE or
BELOW
APPROACH TXV
If value is greater than shown (high
approach), add refrigerant; if less
than shown (liquid temperature too
close to ambient temperature, low
approach), remove refrigerant.
If refrigerant is added or
removed, retest to confirm
that unit is properly charged.
ºF (ºC)* −018 −024 −030 −036 −041 −042 −047 −048 −060
65 (18) 4 (2.2) 2 (1.1) 2 (1.1) 2 (1.1) 3 (1.7) 6 (3.3) 9 (5.0) 7 (3.9) 8 (4.4)
75 (24) 5 (2.8) 4 (2.2) 4 (2.2) 5 (2.8) 3 (1.7) 6 (3.3) 9 (5.0) 8 (4.4) 9 (5.0)
85 (29) 6 (3.3) 4 (2.2 6 (3.3) 8 (4.4) 4 (2.2) 8 (4.4) 8 (4.4) 8 (4.4) 9 (5.0)
95 (35) 5 (2,8) 4 (2.2) 5 (2.8) 7 (3.9) 4 (2.2) 8 (4.4) 8 (4.4) 8 (4.4) 9 (5.0)
105 (41) 3 (1.7) 4 (2.2 5 (2.8) 6 (3.3) 4 (2.2) 8 (4.4) 8 (4.4) 8 (4.4) 9 (5.0)
115 (45) 3 (1.7) 3 (1.7) 4 (2.2) 6 (3.3) 5 (2.8) 8 (4.4) 8 (4.4) 9 (5.0) 9 (5.0)
*Temperature of air entering outdoor coil
DO NOT CHARGE UNIT
(Results of charging at low
temperatures not reliable)
START: Measure outdoor ambient temperature
USE WEIGH-IN METHOD
Weigh-in or remove refrigerant
based upon line length
SCº (Subcooling) Values (F:+/−1.0° [C: +/−0.6°])
BLOCK OUTDOOR COIL: [sometimes necessary with lower
temperatures] Use cardboard or plastic sheet to restrict the airflow
through the outdoor coil to achieve pressures from 325−375 psig
(2240−2585 kPa). Higher pressures are needed to check charge. Block
equal sections of air intake panels and move coverings sideways until
the liquid pressure is in the above noted ranges.
1. Connect gauge set as illustrated in figure 18.
2. Confirm proper airflow across coil using figure 20.
3. Compare unit pressures with table 4, Normal
Operating Pressures.
4. Set thermostat to call for heat (must have a cooling
load between 70-80ºF (21−26ºC)
5. Measure outdoor ambient temperature
6. When heat demand is satisfied, set thermostat to call
for cooling
7. Allow temperatures and pressures to stabilize.
NOTE − If necessary, block outdoor coil to maintain
325 − 375 psig.
8. Record liquid line temperature:
LIQº = ______
9. Measure liquid line pressure and use the value to
determine saturation temperature (see table 3):
SATº = ______
10. Subtract to determine subcooling (SCº):
SATº_____ − LIQº _____ = SCº _____
11. Compare results with table below.
Figure 23. Using HFC−410A Subcooling (TXV) Charge Method
64ºF and
BELOW
65ºF
and
ABOVE
ABOVE or
BELOW
CARDBOARD OR
PLASTIC SHEETS
SUBCOOLING TXV
If value is
MORE than
shown, remove
refrigerant.
MORE or
LESS
If value is LESS
than shown, add
refrigerant.
If refrigerant is
added or removed,
verify charge using
the Approach
Method.
ºF (ºC)* −018 −024 −030 −036 −041 −042 −047 −048 −060
65 (18) 10 (5.6) 10 (5.6) 11 (6.1) 13 (7.2) 9 (5.0) 10 (5.6) 6 (3.3) 8 (4.4) 8 (4.4)
75 (24) 6 (3.3) 7 (3.9) 8 (4.4) 9 (5.0) 7 (3.9) 7 (3.9) 6 (3.3) 8 (4.4) 7 (3.9)
85 (29) 6 (3.3) 8 (4.4) 6 (3.3) 7 (3.9) 7 (3.9) 8 (4.4) 6 (3.3) 8 (4.4) 8 (4.4)
95 (35) 6 (3.3) 9 (5.0) 6 (3.3) 8 (4.4) 7 (3.9) 8 (4.4) 6 (3.3) 8 (4.4) 7 (3.9)
105 (41) 10 (5.6) 9 (5.0) 7 (3.9) 9 (5.0) 7 (3.9) 8 (4.4) 6 (3.3) 8 (4.4) 6 (3.3)
115 (45) 10 (5.6) 10 (5.6) 8 (4.4) 10 (5.6) 6 (3.3) 7 (3.9) 5 (2.8) 7 (3.9) 6 (3.3)
*Temperature of air entering outdoor coil

Page 27
XC14 SERIES
START: Measure outdoor ambient temperature
NOTE − Do not attempt to charge system where a
dash appears, system could be overcharged.
Superheat is taken at suction line service port.
Suction line superheat must never be less than 5ºF
at the suction line service port.
USE WEIGH-IN METHOD
Weigh-in or remove refrigerant
based upon line length
SHº (Superheat) Values (+/−5ºF)
Wet Bulb (air entering indoor coil)
ºF* 50 52 54 56 58 60 62 64 66 68 70 72 74 76
40 15 18 20 23 26 29 32 34 38 41 43 46 48 51
45 13 16 18 21 24 27 30 33 36 39 41 44 46 49
50 11 14 16 19 22 25 28 31 34 37 39 42 44 47
55 9 12141720232730333638404244
60 7 10121518212427303335384043
65 - 6 10 13 16 19 21 24 27 30 33 36 38 41
70 - - 7 1013161921242730333639
75 - - - 6 9 121518212428313437
80 - - - - 5 8 12 15 18 21 25 28 31 35
85 - - - - - - 8 11 15 19 22 26 30 33
90 - - - - - - 5 9 131620242731
95 - - - - - - - 6 101418222529
100 --------81216212428
105 --------5913172226
110 ---------611152025
115 ----------8141824
* Dry−bulb temperature (ºF) of entering outdoor ambient air.
1. Confirm proper airflow across coil using figure 20.
2. Compare unit pressures with table 4, Normal
Operating Pressures.
3. Use SUPERHEAT to correctly charge unit or to
verify the charge is correct.
4. Set thermostat to call for heat (must have a cooling
load between 70-80ºF (21−26ºC)
5. Connect gauge set.
6. When heat demand is satisfied, set thermostat to
call for cooling.
7. Allow temperatures and pressures to stabilize.
8. Measure the suction line pressure and use the use
value to determine saturation temperature (table
3):
SATº =_________
9. Record suction line temperature:
VAPº =_________
10. Subtract to determine superheat (SHº):
VAPº − _____ SATº ______ = SHº______
11. Record the wet bulb temperature (air entering
indoor coil):
WB =_______
12. Record outdoor ambient temperature.
13. Compare results with table to the left.
If value is MORE
than shown, then
ADD refrigerant.
If value is LESS than
shown, then REMOVE
refrigerant.
If refrigerant is
REMOVED, retest to
confirm that unit is
properly charged.
MORE or
LESS
If refrigerant is
ADDED, retest to
confirm that unit is
properly charged.
ABOVE or
BELOW
39ºF and
BELOW
40ºF
and
ABOVE
Figure 24. Using HFC−410A Superheat (Fixed Orifice) Charge Method
Table 3. HFC−410A Temperature (°F) − Pressure (Psig)
°F Psig °F Psig °F Psig °F Psig °F Psig °F Psig °F Psig °F Psig
32 100.8 48 137.1 63 178.5 79 231.6 94 290.8 110 365.0 125 445.9 141 545.6
33 102.9 49 139.6 64 181.6 80 235.3 95 295.1 111 370.0 126 451.8 142 552.3
34 105.0 50 142.2 65 184.3 81 239.0 96 299.4 112 375.1 127 457.6 143 559.1
35 107.1 51 144.8 66 187.7 82 242.7 97 303.8 113 380.2 128 463.5 144 565.9
36 109.2 52 147.4 67 190.9 83 246.5 98 308.2 114 385.4 129 469.5 145 572.8
37 111.4 53 150.1 68 194.1 84 250.3 99 312.7 115 390.7 130 475.6 146 579.8
38 113.6 54 152.8 69 197.3 85 254.1 100 317.2 116 396.0 131 481.6 147 586.8
39 115.8 55 155.5 70 200.6 86 258.0 101 321.8 117 401.3 132 487.8 148 593.8
40 118.0 56 158.2 71 203.9 87 262.0 102 326.4 118 406.7 133 494.0 149 601.0
41 120.3 57 161.0 72 207.2 88 266.0 103 331.0 119 412.2 134 500.2 150 608.1
42 122.6 58 163.9 73 210.6 89 270.0 104 335.7 120 417.7 135 506.5 151 615.4
43 125.0 59 166.7 74 214.0 90 274.1 105 340.5 121 423.2 136 512.9 152 622.7
44 127.3 60 169.6 75 217.4 91 278.2 106 345.3 122 428.8 137 519.3 153 630.1
45 129.7 61 172.6 76 220.9 92 282.3 107 350.1 123 434.5 138 525.8 154 637.5
46 132.2 62 175.4 77 224.4 93 286.5 108 355.0 124 440.2 139 532.4 155 645.0
47 134.6 78 228.0 109 360.0 140 539.0

Page 28
506636−01
Table 4. Normal Operating Pressures (Liquid +10 and Suction +5 psig)
IMPORTANT
Use this table to perform maintenance checks; it is not a procedure for charging the
system. Minor variations in these pressures may be due to differences in installations.
Significant deviations could mean that the system is not properly charged or that a
problem exists with some component in the system.
Model −018 −024 −030 −036 −041 −042 −047 −048 −060
**Temp.
5F (5C)
Liquid /
Suction
Liquid /
Suction
Liquid /
Suction
Liquid /
Suction
Liquid /
Suction
Liquid /
Suction
Liquid /
Suction
Liquid /
Suction
Liquid /
Suction
Expansion Valve (TXV)
65 (18) 230 / 138 225 / 135 226 / 129 238 / 132 233 / 142 236 / 138 233 / 139 238 / 136 239 / 133
70 (21) 244 / 139 242 / 137 241 / 131 254 / 135 239 / 142 253 / 140 252 / 140 256 / 138 258 / 135
75 (24) 265 / 140 260 / 138 259 / 134 273 / 138 256 / 143 273 / 141 272 / 141 277 / 139 278 / 136
80 (27) 286 / 140 282 / 140 281 / 138 293 / 140 278 / 144 296 / 142 294 / 142 299 / 140 300 / 137
85 (29) 307 / 142 304 / 141 301 / 140 316 / 142 299 / 145 318 / 143 315 / 142 320 / 139 323 / 138
90 (32) 330 / 143 326 / 142 324 / 141 340 / 143 321 / 145 341 / 144 338 / 144 343 / 140 346 / 139
95 (35) 351 / 144 351 / 142 348 / 142 366 / 144 343 / 146 366 / 146 361 / 144 369 / 141 370 / 140
100 (38) 380 / 144 376 / 144 372 / 143 392 / 145 366 / 147 392 / 147 387 / 144 395 / 142 396 / 142
105 (41) 407 / 145 403 / 145 399 / 144 420 / 147 389 / 148 417 / 148 413 / 145 422 / 144 415 / 143
110 (43) 436 / 146 433 / 145 428 / 145 449 / 148 421 / 149 445 / 149 442 / 148 450 / 146 449 / 145
115 (45) 466 / 147 463 / 147 456 / 146 480 / 149 452 / 151 475 / 151 465 / 148 481 / 148 476 / 147
Fixed Orifice (RFC)
65 (18) 232 / 124 228 / 125 229 / 128 241 / 131 228 / 131 248 / 135 232 / 125 240 / 126 244 / 125
70 (21) 248 / 127 244 / 127 243 / 129 258 / 134 245 / 135 266 / 138 249 / 129 260 / 129 263 / 128
75 (24) 267 / 131 261 / 131 261 / 132 277 / 136 263 / 138 285 / 141 268 / 133 281 / 133 281 / 131
80 (27) 286 / 135 284 / 134 284 / 135 298 / 139 284 / 141 305 / 143 286 / 136 301 / 135 303 / 134
85 (29) 307 / 138 303 / 137 305 / 138 321 / 141 306 / 144 327 / 145 312 / 140 324 / 138 324 / 136
90 (32) 328 / 141 325 / 140 327 / 140 342 / 143 327 / 146 349 / 147 332 / 142 346 / 140 347 / 139
95 (35) 351 / 143 347 / 142 349 / 142 366 / 145 348 / 148 372 / 149 357 / 144 371 / 142 370 / 141
100 (38) 375 / 146 370 / 144 372 / 144 392 / 147 372 / 149 396 / 150 379 / 146 395 / 144 394 / 143
105 (41) 400 / 148 394 / 146 396 / 146 416 / 149 395 / 151 421 / 152 406 / 149 420 / 146 418 / 145
110 (43) 426 / 150 420 / 148 422 / 148 446 / 151 424 /153 447 / 153 430 / 150 447 / 148 444 / 146
115 (46) 457 / 153 447 / 150 449 / 150 480 / 152 453 / 155 476 / 154 460 / 152 473 / 150 471 / 147
*Values shown are typical pressures; indoor unit match up, indoor air quality equipment, and indoor load will cause the pressures to vary.
**Temperature of the air entering the outside coil.
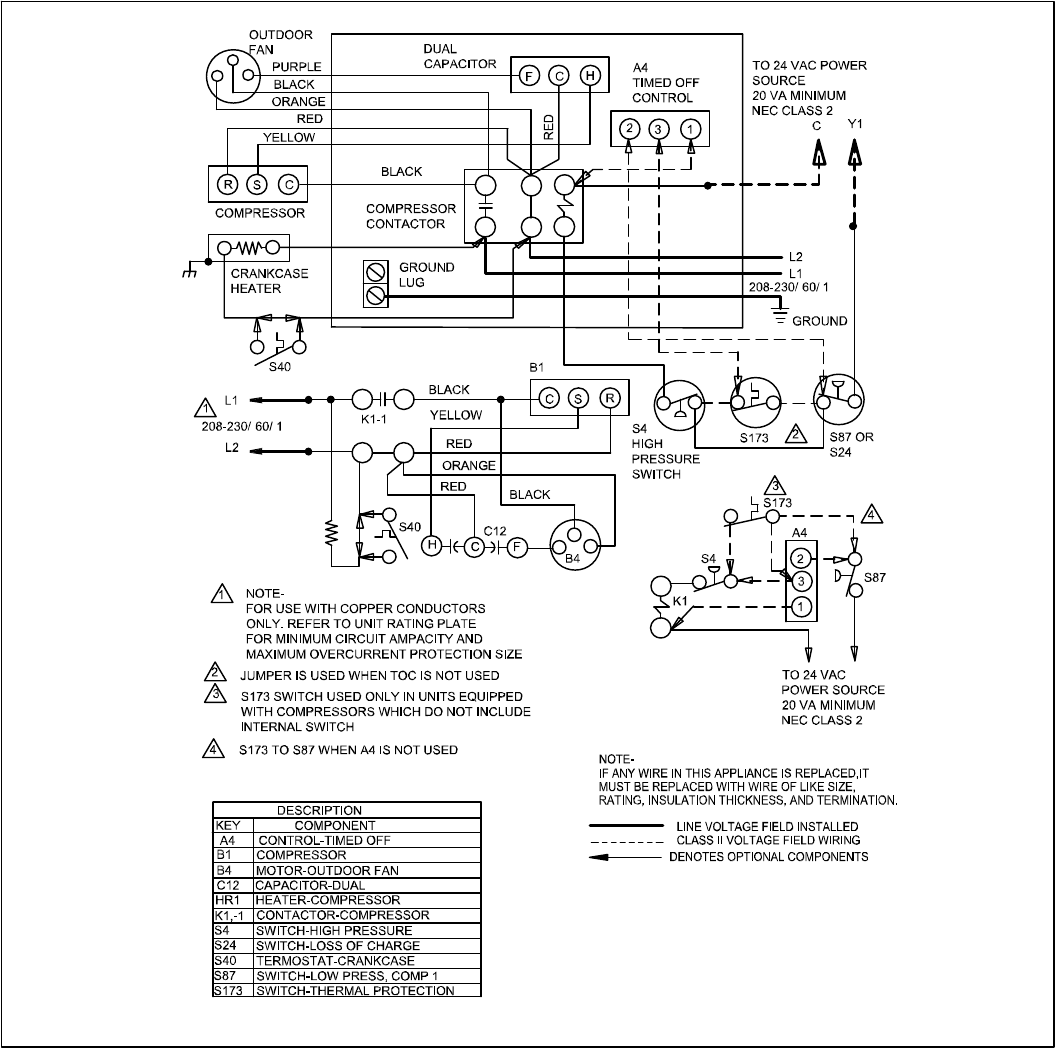
System Operation
UNIT COMPONENTS
High Pressure Switch (S4)
XC14 units are equipped with a high-pressure switch that
is located in the liquid line of the compressor as illustrated
in Unit Dimensions on page 2. The switch is a Single Pole,
Single Throw (SPST), manual−reset switch with red cap
that is normally closed and removes power from the
compressor when discharge pressure rises above factory
setting at 590 + 10 psi.
Thermal Protection Switch (S5) Discharge Line
Mounted
This unit is equipped with a discharge line mounted
temperature switch that prevents compressor damage
due to loss of charge. The switch is located on the
discharge line (see figure 1 for location). When the switch
senses a discharge line temperature of 220°F +/−5°F, it
opens to shut off compressor operation. The auto−reset
switch closes when the discharge line temperature drops
below 180°F +/−9°F and the compressor is re−energized.
This single−pole, single−throw (SPST) bi−metallic switch is
wired in series with the 24V Y input signal to control
compressor operation.
Thermal Protection Switch (S173) Compressor
Mounted
Some units are equipped with a compressor mounted
normally closed temperature switch that prevents
compressor damage due to overheating caused by
internal friction. The switch is located on top of the
compressor casing (see figure 1). This switch senses the
compressor casing temperature and opens at 239−257°F
(115°C−125°C) to shut off compressor operation. The
auto−reset switch closes when the compressor casing
temperature falls to 151−187°F (66°C−86°C), and the
compressor is re−energized. This single−pole, single−throw
(SPST) bi−metallic switch is wired in series with the 24V Y
input signal to control compressor operation.
Crankcase Thermostat (S40) (−041, −047, −048 and
−060 units only)
Compressor in the above reference units are equipped
with a 70 watt, belly band type crankcase heater. HR1
prevents liquid from accumulating in the compressor. HR1
is controlled by a thermostat located on the liquid line.

Page 29
XC14 SERIES
When liquid line temperature drops below 50°F the
thermostat closes energizing HR1. The thermostat will
open, de−energizing HR1 once liquid line temperature
reaches 70°F .
Liquid Line Filter Drier
A filter drier is factory-installed as illustrated in Unit
Dimensions on page 2, with each XC14 unit to ensure a
clean, moisture−free system. A replacement filter drier is
available from Lennox. Refer to Lennox Repair Part
Program.
IMPORTANT
Some scroll compressor have internal vacuum protector
that will unload scrolls when suction pressure goes
below 20 psig. A hissing sound will be heard when the
compressor is running unloaded. Protector will reset
when low pressure in system is raised above 40 psig. DO
NOT REPLACE COMPRESSOR.
Maintenance
DEALER
Maintenance and service must be performed by a qualified
installer or service agency. At the beginning of each
cooling season, the system should be checked as follows:
Outdoor Unit
1. Clean and inspect the outdoor coil. The coil may be
flushed with a water hose. Ensure the power is turned
off before you clean the coil.
2. Outdoor fan motor is prelubricated and sealed. No
further lubrication is needed.
3. Visually inspect connecting lines and coils for
evidence of oil leaks.
4. Check wiring for loose connections.
5. Check for correct voltage at the unit (with the unit
operating).
6. Check amp−draw outdoor fan motor.
UNIT NAMEPLATE: _________ ACTUAL: __________
NOTE − If owner reports insufficient cooling, the unit should
be gauged and refrigerant charge checked.
Outdoor Coil
It may be necessary to flush the outdoor coil more
frequently if it is exposed to substances which are
corrosive or which block airflow across the coil (e.g., pet
urine, cottonwood seeds, fertilizers, fluids that may contain
high levels of corrosive chemicals such as salts)
Outdoor Coil The outdoor coil may be flushed with
a water hose.
Outdoor Coil (Sea Coast) Moist air in ocean
locations can carry salt, which is corrosive to most
metal. Units that are located near the ocean require
frequent inspections and maintenance. These
inspections will determine the necessary need to wash
the unit including the outdoor coil. Consult your
installing contractor for proper intervals/procedures
for your geographic area or service contract.
INDOOR UNIT
1. Clean or change filters.
2. Adjust blower speed for cooling. Measure the pressure
drop over the coil to determine the correct blower CFM.
Refer to the unit information service manual for pressure
drop tables and procedure.
3. Check blower drive belt for wear and proper tension.
4. Check all wiring for loose connections
5. Check for correct voltage at unit (blower operating).
6. Check amp−draw on blower motor.
UNIT NAMEPLATE: _________ ACTUAL: __________
INDOOR COIL
1. Clean coil, if necessary.
2. Check connecting lines and coils for signs of oil leaks.
3. Check condensate line and clean, if necessary.
HOMEOWNER
Cleaning of the outdoor unit’s coil should be performed by
a trained service technician. Contact your dealer and set
up a schedule (preferably twice a year, but at least once a
year) to inspect and service your outdoor unit. The
following maintenance may be performed by the
homeowner.
IMPORTANT
Sprinklers and soaker hoses should not be installed
where they could cause prolonged exposure to the
outdoor unit by treated water. Prolonged exposure of the
unit to treated water (i.e., sprinkler systems, soakers,
waste water, etc.) will corrode the surface of steel and
aluminum parts and diminish performance and longevity
of the unit.
Outdoor Coil
The outdoor unit must be properly maintained to ensure its
proper operation.
Please contact your dealer to schedule proper
inspection and maintenance for your equipment.
Make sure no obstructions restrict airflow to the
outdoor unit.
Grass clippings, leaves, or shrubs crowding the unit
can cause the unit to work harder and use more
energy.
Keep shrubbery trimmed away from the unit and
periodically check for debris which collects around the
unit.
Cleaning of the outdoor unit’s coil should be performed by
a trained service technician. Contact your dealer and set
up a schedule (preferably twice a year, but at least once a
year) to inspect and service your outdoor unit.
Routine Maintenance
In order to ensure peak performance, your system must be
properly maintained. Clogged filters and blocked airflow
prevent your unit from operating at its most efficient level.
1. Air Filter Ask your Lennox dealer to show you
where your indoor unit’s filter is located. It will be either

Page 30
506636−01
at the indoor unit (installed internal or external to the
cabinet) or behind a return air grille in the wall or
ceiling. Check the filter monthly and clean or replace
it as needed.
2. Disposable Filter Disposable filters should be
replaced with a filter of the same type and size.
NOTE If you are unsure about the filter required for your
system, call your Lennox dealer for assistance.
3. Reusable Filter Many indoor units are equipped
with reusable foam filters. Clean foam filters with a
mild soap and water solution; rinse thoroughly; allow
filter to dry completely before returning it to the unit or
grille.
NOTE The filter and all access panels must be in place
any time the unit is in operation.
4. Indoor Unit The indoor unit’s evaporator coil is
equipped with a drain pan to collect condensate
formed as your system removes humidity from the
inside air. Have your dealer show you the location of
the drain line and how to check for obstructions. (This
would also apply to an auxiliary drain, if installed.)
Thermostat Operation
See the thermostat homeowner manual for instructions on
how to operate your thermostat.
Preservice Check
If your system fails to operate, check the following before
calling for service:
Verify room thermostat settings are correct.
Verify that all electrical disconnect switches are ON.
Check for any blown fuses or tripped circuit breakers.
Verify unit access panels are in place.
Verify air filter is clean.
If service is needed, locate and write down the unit
model number and have it handy before calling.
Accessories
For update−to−date information, see any of the following
publications:
Lennox XC14 Engineering Handbook
Lennox Product Catalog
Lennox Price Book
Start−Up and Performance Checklist
Job Name Job no. Date
Job Location City State
Installer City State
Unit Model No. Serial No. Service Technician
Nameplate Voltage
Rated Load Ampacity Compressor Outdoor Fan
Maximum Fuse or Circuit Breaker
Electrical Connections Tight? Indoor Filter clean? Supply Voltage (Unit Off)
Indoor Blower RPM S.P. Drop Over Indoor (Dry) Outdoor Coil Entering Air Temp.
Discharge Pressure Suction Pressure Refrigerant Charge Checked?
Refrigerant Lines: Leak Checked? Properly Insulated? Outdoor Fan Checked?
Service Valves: Fully Opened? Caps Tight? Thermostat
Voltage With Compressor Operating Calibrated? Properly Set? Level?