Lg 29Ln45 Z Users Manual
29LN45**-Z* to the manual 435bca08-2c1a-4beb-b796-5fe62648bc0c
2015-01-26
: Lg Lg-29Ln45-Z-Users-Manual-227308 lg-29ln45-z-users-manual-227308 lg pdf
Open the PDF directly: View PDF
.
Page Count: 35

Printed in KoreaP/NO : MFL67862501 (1304-REV00)
CHASSIS : LA31R / LD31S
MODEL : 29LN45** 29LN45**-Z*
CAUTION
BEFORE SERVICING THE CHASSIS,
READ THE SAFETY PRECAUTIONS IN THIS MANUAL.
LED TV
SERVICE MANUAL
North/Latin America http://aic.lgservice.com
Europe/Africa http://eic.lgservice.com
Asia/Oceania http://biz.lgservice.com
Internal Use Only

- 2 - LGE Internal Use OnlyCopyright © LG Electronics. Inc. All rights reserved.
Only for training and service purposes
CONTENTS
CONTENTS .............................................................................................. 2
SAFETY PRECAUTIONS ........................................................................ 3
SERVICING PRECAUTIONS ................................................................... 4
SPECIFICATION ...................................................................................... 6
ADJUSTMENT INSTRUCTION ............................................................... 9
TROUBLE SHOOTING .......................................................................... 15
BLOCK DIAGRAM ................................................................................. 19
EXPLODED VIEW .................................................................................. 20
SCHEMATIC CIRCUIT DIAGRAM ..............................................................

- 3 - LGE Internal Use OnlyCopyright © LG Electronics. Inc. All rights reserved.
Only for training and service purposes
Many electrical and mechanical parts in this chassis have special safety-related characteristics. These parts are identified by in the
Schematic Diagram and Exploded View.
It is essential that these special safety parts should be replaced with the same components as recommended in this manual to prevent
Shock, Fire, or other Hazards.
Do not modify the original design without permission of manufacturer.
General Guidance
An isolation Transformer should always be used during the
servicing of a receiver whose chassis is not isolated from the AC
power line. Use a transformer of adequate power rating as this
protects the technician from accidents resulting in personal injury
from electrical shocks.
It will also protect the receiver and it's components from being
damaged by accidental shorts of the circuitry that may be
inadvertently introduced during the service operation.
If any fuse (or Fusible Resistor) in this TV receiver is blown,
replace it with the specified.
When replacing a high wattage resistor (Oxide Metal Film Resistor,
over 1 W), keep the resistor 10 mm away from PCB.
Keep wires away from high voltage or high temperature parts.
Before returning the receiver to the customer,
always perform an AC leakage current check on the exposed
metallic parts of the cabinet, such as antennas, terminals, etc., to
be sure the set is safe to operate without damage of electrical
shock.
Leakage Current Cold Check(Antenna Cold Check)
With the instrument AC plug removed from AC source, connect an
electrical jumper across the two AC plug prongs. Place the AC
switch in the on position, connect one lead of ohm-meter to the AC
plug prongs tied together and touch other ohm-meter lead in turn to
each exposed metallic parts such as antenna terminals, phone
jacks, etc.
If the exposed metallic part has a return path to the chassis, the
measured resistance should be between 1 MΩ and 5.2 MΩ.
When the exposed metal has no return path to the chassis the
reading must be infinite.
An other abnormality exists that must be corrected before the
receiver is returned to the customer.
Leakage Current Hot Check (See below Figure)
Plug the AC cord directly into the AC outlet.
Do not use a line Isolation Transformer during this check.
Connect 1.5 K / 10 watt resistor in parallel with a 0.15 uF capacitor
between a known good earth ground (Water Pipe, Conduit, etc.)
and the exposed metallic parts.
Measure the AC voltage across the resistor using AC voltmeter
with 1000 ohms/volt or more sensitivity.
Reverse plug the AC cord into the AC outlet and repeat AC voltage
measurements for each exposed metallic part. Any voltage
measured must not exceed 0.75 volt RMS which is corresponds to
0.5 mA.
In case any measurement is out of the limits specified, there is
possibility of shock hazard and the set must be checked and
repaired before it is returned to the customer.
Leakage Current Hot Check circuit
IMPORTANT SAFETY NOTICE
SAFETY PRECAUTIONS

- 4 - LGE Internal Use OnlyCopyright © LG Electronics. Inc. All rights reserved.
Only for training and service purposes
SERVICING PRECAUTIONS
CAUTION: Before servicing receivers covered by this service
manual and its supplements and addenda, read and follow the
SAFETY PRECAUTIONS on page 3 of this publication.
NOTE: If unforeseen circumstances create conict between the
following servicing precautions and any of the safety precautions
on page 3 of this publication, always follow the safety precau-
tions. Remember: Safety First.
General Servicing Precautions
1. Always unplug the receiver AC power cord from the AC power
source before;
a. Removing or reinstalling any component, circuit board
module or any other receiver assembly.
b. Disconnecting or reconnecting any receiver electrical plug
or other electrical connection.
c. Connecting a test substitute in parallel with an electrolytic
capacitor in the receiver.
CAUTION: A wrong part substitution or incorrect polarity
installation of electrolytic capacitors may result in an explo-
sion hazard.
2. Test high voltage only by measuring it with an appropriate
high voltage meter or other voltage measuring device (DVM,
FETVOM, etc) equipped with a suitable high voltage probe.
Do not test high voltage by "drawing an arc".
3. Do not spray chemicals on or near this receiver or any of its
assemblies.
4. Unless specied otherwise in this service manual, clean
electrical contacts only by applying the following mixture to the
contacts with a pipe cleaner, cotton-tipped stick or comparable
non-abrasive applicator; 10 % (by volume) Acetone and 90 %
(by volume) isopropyl alcohol (90 % - 99 % strength)
CAUTION: This is a ammable mixture.
Unless specied otherwise in this service manual, lubrication
of contacts in not required.
5. Do not defeat any plug/socket B+ voltage interlocks with which
receivers covered by this service manual might be equipped.
6. Do not apply AC power to this instrument and/or any of its
electrical assemblies unless all solid-state device heat sinks
are correctly installed.
7. Always connect the test receiver ground lead to the receiver
chassis ground before connecting the test receiver positive
lead.
Always remove the test receiver ground lead last.
8. Use with this receiver only the test xtures specied in this
service manual.
CAUTION: Do not connect the test xture ground strap to any
heat sink in this receiver.
Electrostatically Sensitive (ES) Devices
Some semiconductor (solid-state) devices can be damaged eas-
ily by static electricity. Such components commonly are called
Electrostatically Sensitive (ES) Devices. Examples of typical ES
devices are integrated circuits and some eld-effect transistors
and semiconductor “chip” components. The following techniques
should be used to help reduce the incidence of component dam-
age caused by static by static electricity.
1. Immediately before handling any semiconductor component or
semiconductor-equipped assembly, drain off any electrostatic
charge on your body by touching a known earth ground. Alter-
natively, obtain and wear a commercially available discharg-
ing wrist strap device, which should be removed to prevent
potential shock reasons prior to applying power to the unit
under test.
2. After removing an electrical assembly equipped with ES
devices, place the assembly on a conductive surface such as
aluminum foil, to prevent electrostatic charge buildup or expo-
sure of the assembly.
3. Use only a grounded-tip soldering iron to solder or unsolder
ES devices.
4. Use only an anti-static type solder removal device. Some sol-
der removal devices not classied as “anti-static” can generate
electrical charges sufcient to damage ES devices.
5. Do not use freon-propelled chemicals. These can generate
electrical charges sufcient to damage ES devices.
6. Do not remove a replacement ES device from its protective
package until immediately before you are ready to install it.
(Most replacement ES devices are packaged with leads elec-
trically shorted together by conductive foam, aluminum foil or
comparable conductive material).
7. Immediately before removing the protective material from the
leads of a replacement ES device, touch the protective mate-
rial to the chassis or circuit assembly into which the device will
be installed.
CAUTION: Be sure no power is applied to the chassis or cir-
cuit, and observe all other safety precautions.
8. Minimize bodily motions when handling unpackaged replace-
ment ES devices. (Otherwise harmless motion such as the
brushing together of your clothes fabric or the lifting of your
foot from a carpeted oor can generate static electricity suf-
cient to damage an ES device.)
General Soldering Guidelines
1. Use a grounded-tip, low-wattage soldering iron and appropri-
ate tip size and shape that will maintain tip temperature within
the range or 500 °F to 600 °F.
2. Use an appropriate gauge of RMA resin-core solder composed
of 60 parts tin/40 parts lead.
3. Keep the soldering iron tip clean and well tinned.
4. Thoroughly clean the surfaces to be soldered. Use a mall wire-
bristle (0.5 inch, or 1.25 cm) brush with a metal handle.
Do not use freon-propelled spray-on cleaners.
5. Use the following unsoldering technique
a. Allow the soldering iron tip to reach normal temperature.
(500 °F to 600 °F)
b. Heat the component lead until the solder melts.
c. Quickly draw the melted solder with an anti-static, suction-
type solder removal device or with solder braid.
CAUTION: Work quickly to avoid overheating the circuit
board printed foil.
6. Use the following soldering technique.
a. Allow the soldering iron tip to reach a normal temperature
(500 °F to 600 °F)
b. First, hold the soldering iron tip and solder the strand
against the component lead until the solder melts.
c. Quickly move the soldering iron tip to the junction of the
component lead and the printed circuit foil, and hold it there
only until the solder ows onto and around both the compo-
nent lead and the foil.
CAUTION: Work quickly to avoid overheating the circuit
board printed foil.
d. Closely inspect the solder area and remove any excess or
splashed solder with a small wire-bristle brush.

- 5 - LGE Internal Use OnlyCopyright © LG Electronics. Inc. All rights reserved.
Only for training and service purposes
IC Remove/Replacement
Some chassis circuit boards have slotted holes (oblong) through
which the IC leads are inserted and then bent at against the cir-
cuit foil. When holes are the slotted type, the following technique
should be used to remove and replace the IC. When working with
boards using the familiar round hole, use the standard technique
as outlined in paragraphs 5 and 6 above.
Removal
1. Desolder and straighten each IC lead in one operation by
gently prying up on the lead with the soldering iron tip as the
solder melts.
2. Draw away the melted solder with an anti-static suction-type
solder removal device (or with solder braid) before removing
the IC.
Replacement
1. Carefully insert the replacement IC in the circuit board.
2. Carefully bend each IC lead against the circuit foil pad and
solder it.
3. Clean the soldered areas with a small wire-bristle brush.
(It is not necessary to reapply acrylic coating to the areas).
"Small-Signal" Discrete Transistor
Removal/Replacement
1. Remove the defective transistor by clipping its leads as close
as possible to the component body.
2. Bend into a "U" shape the end of each of three leads remain-
ing on the circuit board.
3. Bend into a "U" shape the replacement transistor leads.
4. Connect the replacement transistor leads to the corresponding
leads extending from the circuit board and crimp the "U" with
long nose pliers to insure metal to metal contact then solder
each connection.
Power Output, Transistor Device
Removal/Replacement
1. Heat and remove all solder from around the transistor leads.
2. Remove the heat sink mounting screw (if so equipped).
3. Carefully remove the transistor from the heat sink of the circuit
board.
4. Insert new transistor in the circuit board.
5. Solder each transistor lead, and clip off excess lead.
6. Replace heat sink.
Diode Removal/Replacement
1. Remove defective diode by clipping its leads as close as pos-
sible to diode body.
2. Bend the two remaining leads perpendicular y to the circuit
board.
3. Observing diode polarity, wrap each lead of the new diode
around the corresponding lead on the circuit board.
4. Securely crimp each connection and solder it.
5. Inspect (on the circuit board copper side) the solder joints of
the two "original" leads. If they are not shiny, reheat them and
if necessary, apply additional solder.
Fuse and Conventional Resistor
Removal/Replacement
1. Clip each fuse or resistor lead at top of the circuit board hollow
stake.
2. Securely crimp the leads of replacement component around
notch at stake top.
3. Solder the connections.
CAUTION: Maintain original spacing between the replaced
component and adjacent components and the circuit board to
prevent excessive component temperatures.
Circuit Board Foil Repair
Excessive heat applied to the copper foil of any printed circuit
board will weaken the adhesive that bonds the foil to the circuit
board causing the foil to separate from or "lift-off" the board. The
following guidelines and procedures should be followed when-
ever this condition is encountered.
At IC Connections
To repair a defective copper pattern at IC connections use the
following procedure to install a jumper wire on the copper pattern
side of the circuit board. (Use this technique only on IC connec-
tions).
1. Carefully remove the damaged copper pattern with a sharp
knife. (Remove only as much copper as absolutely necessary).
2. carefully scratch away the solder resist and acrylic coating (if
used) from the end of the remaining copper pattern.
3. Bend a small "U" in one end of a small gauge jumper wire and
carefully crimp it around the IC pin. Solder the IC connection.
4. Route the jumper wire along the path of the out-away copper
pattern and let it overlap the previously scraped end of the
good copper pattern. Solder the overlapped area and clip off
any excess jumper wire.
At Other Connections
Use the following technique to repair the defective copper pattern
at connections other than IC Pins. This technique involves the
installation of a jumper wire on the component side of the circuit
board.
1. Remove the defective copper pattern with a sharp knife.
Remove at least 1/4 inch of copper, to ensure that a hazardous
condition will not exist if the jumper wire opens.
2. Trace along the copper pattern from both sides of the pattern
break and locate the nearest component that is directly con-
nected to the affected copper pattern.
3. Connect insulated 20-gauge jumper wire from the lead of the
nearest component on one side of the pattern break to the
lead of the nearest component on the other side.
Carefully crimp and solder the connections.
CAUTION: Be sure the insulated jumper wire is dressed so the
it does not touch components or sharp edges.

- 6 - LGE Internal Use OnlyCopyright © LG Electronics. Inc. All rights reserved.
Only for training and service purposes
SPECIFICATION
NOTE : Specifications and others are subject to change without notice for improvement
.
1. Application range
This specification is applied to the LED TV used LA31R /
LD31S chassis.
2. Requirement for Test
Each part is tested as below without special appointment.
1) Temperature: 25 °C ± 5 °C(77 °F ± 9 °F), CST: 40 °C ± 5 °C
2) Relative Humidity: 65 % ± 10 %
3) Power Voltage
: Standard input voltage (AC 100-240 V~, 50/60 Hz)
* Standard Voltage of each products is marked by models.
4) Specification and performance of each parts are followed
each drawing and specification by part number in
accordance with BOM.
5) The receiver must be operated for about 5 minutes prior to
the adjustment.
3. Test method
1) Performance: LGE TV test method followed
2) Demanded other specification
- Safety : CE, IEC specification
- EMC : CE, IEC
4. Model General Specification
No. Item Specication Remarks
1 Market EU/CIS(PAL Market-37 Countries)
DTV & Analog (Total 37 countries)
DTV (MPEG2/4, DVB-T) :37 countries
UK/Italy/Germany/France/Spain/Sweden/Finland/Netherlands/
Belgium/Luxemburg/ Greece/Denmark/Czech/Austria/Hungary
/Swiss/Croatia/Turkey/Norway/Slovenia/Poland/Ukraine/Portu-
gal/Ireland/Morocco/Latvia/Estonia/Lithania/Rumania/Bulgaria/
Russia/SlovakiaBosnia/Serbia/Albania/Kazakhstan/Belarus
*4 Country, Nordic option(EU model only)
- Denmark , Finland, Norway, Sweden
DTV (MPEG2/4, DVB-T2): 8 countries
UK/Denmark/Sweden/Finland/Norway/Ireland/Ukraine/Kaza-
khstan
DTV (MPEG2/4, DVB-C): 37 countries
UK/Italy/Germany/France/Spain/Sweden/Finland/Netherlands/
Belgium/Luxemburg/ Greece/Denmark/Czech/Austria /Hun-
gary/Swiss/Croatia/Turkey/Norway/Slovenia/Poland/Ukraine/
Portugal/Ireland/Morocco/Latvia/Estonia/Lithania/Rumania/
Bulgaria/Russia/Slovakia/Bosnia/Serbia/Albania/Kazakhstan/
Belarus
DTV (MPEG2/4,DVB-S): 29 countries
Italy/Germany/France/Spain/Netherlands/ Belgium/Luxemburg/
Greece/ Czech/Austria /Hungary/Swiss/Croatia/Turkey/Slov-
enia/Poland/Portugal/ Morocco/Latvia/Estonia/Lithuania/Ruma-
nia/Bulgaria/Russia/SlovakiaBosnia/Serbia/Albania/ Belarus
Supported satellite : 22 satellites
HISPASAT 1C/1D, ATLANTIC BIRD 2, NILESAT 101/102,
ATLANTIC BIRD 3, AMOS 2/3, THOR 5/6, IRIUS 4, EUTEL-
SAT-W3A, EUROBIRD 9A, EUTELSAT-W2A, HOTBIRD 6/8/9,
EUTELSAT-SESAT, ASTRA 1L/H/M/KR, ASTRA 3A/3B, BADR
4/6, ASTRA 2D, EUROBIRD 3, EUTELSAT-W7, HELLASSAT
2, EXPRESS AM1, TURKSAT 2A/3A, INTERSAT10

- 7 - LGE Internal Use OnlyCopyright © LG Electronics. Inc. All rights reserved.
Only for training and service purposes
No. Item Specication Remarks
2 Broadcasting system
Analogue TV
1) PAL-BG
2) PAL-DK
3) PAL-I/I’
4) SECAM-BG
5) SECAM-DK
6) SECAM L/L’
Digital TV
1) DVB-T/C/T2
Satellite Digital TV
1) DVB-T/C/S/S2
Analogue TV : (RF) VHF: E2 to E12, UHF : E21 to E69
(CATV) S1 to S20, HYPER: S21 to S47
Digital TV : VHF, UHF
Satellite TV : VHF, UHF,
C-Band, Ku-Band
* DVB-T2 ( T2 model only support )
* DVB-S/S2 (Satellite model only support )
3 Receiving system Analog : Upper Heterodyne
Digital : COFDM, QAM
► DVB-T
- Guard Interval(Bitrate_Mbit/s)B : 1/4, 1/8, 1/16, 1/32
- Modulation : Code Rate
QPSK : 1/2, 2/3, 3/4, 5/6, 7/8
16-QAM : 1/2, 2/3, 3/4, 5/6, 7/8
64-QAM : 1/2, 2/3, 3/4, 5/6, 7/8
► DVB-T2
- Guard Interval(Bitrate_Mbit/s)
1/4, 1/8, 1/16, 1/32, 1/128, 19/128, 19/256,
- Modulation : Code Rate
QPSK : 1/2, 2/5, 2/3, 3/4, 5/6
16-QAM : 1/2, 2/5, 2/3, 3/4, 5/6
64-QAM : 1/2, 2/5, 2/3, 3/4, 5/6
256-QAM : 1/2, 2/5, 2/3, 3/4, 5/6
► DVB-C
- Symbolrate : 4.0Msymbols/s to 7.2Msymbols/s
- Modulation : 16QAM, 64-QAM, 128-QAM and 256-QAM
► DVB-S/S2
- symbolrate
DVB-S2 (8PSK / QPSK) : 2 ~ 45 Msymbol/s
DVB-S (QPSK) : 2 ~ 45 Msymbol/s
- viterbi
DVB-S mode : 1/2, 2/3, 3/4, 5/6, 7/8
DVB-S2 mode : 1/2, 2/3, 3/4, 3/5, 4/5, 5/6, 8/9, 9/10
4 Scart Jack (1EA) PAL, SECAM Scart 1 Jack is Full scart and support RF-OUT(analog).
5 Component Input (1EA) Y/Pb/Pr
6 CVBS Input (1EA) PAL, SECAM, NTSC 4 System(Rear) : PAL, SECAM, NTSC, PAL60
CVBS Video input is used by common port with Component.
7 RGB Input RGB-PC Analog(D-SUB 15PIN)
8 HDMI Input (1EA) HDMI Rear1EA / HDMI version 1.4/ support PC
Support HDCP/HDMI : MHL Support
9 Audio Input (3EA)
RGB/DVI Audio
Component & CVBS
SCART
L/R Input
CVBS Audio input is used by common port with Component.
10 Headphone out (1EA) Antenna, AV, Component, RGB, HDMI Side 1EA
11 USB (1EA) Picture, Music, Movie, SVC Software Update + Picture + Music + Movie
12 DVB
DVB-T
CI : UK, Finland, Denmark, Norway, Sweden, Russia, Spain,
Ireland, Luxemburg, Belgium, Netherland
CI+ : France(Canal+), Italy(DGTVi)
DVB-C
CI : Switzerland, Austria, Slovenia, Hungary, Bulgaria
CI+: Switzerland(UPC,Cablecom), Netherland(Ziggo),
Germany(KDG,CWB), Finland(labwise)
13 Local Key (Touch)
14 LAN JACK Modular Only UK model

- 8 - LGE Internal Use OnlyCopyright © LG Electronics. Inc. All rights reserved.
Only for training and service purposes
5. Timing
5.1. RGB/HDMI (PC)
No. Specication Remark
Resolution H-freq(kHz) V-freq.(Hz) Pixel clock(MHz)
1. 720*400 31.468 70.080 28.321
2. 640*480 31.469 59.940 25.175
3. 640*480 37.500 75.000 31.500
4. 800*600 37.879 60.317 40.000
5. 800*600 46.875 75.000 49.500
6. 1024*768 48.363 60.004 65.000
7. 1024*768 60.023 75.029 78.750
8. 1280*800 49.702 59.810 83.500
9. 1366*768 47.717 59.79 85.5
5.2. HDMI (DTV)
No. Specication Remark
Resolution H-freq(kHz) V-freq.(Hz) Pixel clock(MHz)
1. 720*480 31.469
31.5000
59.940
60.000
27.000
27.030 SDTV 480P
2. 720*576 31.250 50.000 27.864 SDTV 576P
3. 1280*720 37.500 50.000 74.250 HDTV 720P
4. 1280*720 44.960
45.000
59.940
60.000
74.170
74.250 HDTV 720P
5. 1920*1080 33.720
33.750
59.940
60.000
74.170
74.250 HDTV 1080I
6. 1920*1080 28.125 50.000 74.250 HDTV 1080I
7. 1920*1080 27.000 24.000 74.250 HDTV 1080P
8. 1920*1080 33.750 30.000 74.250 HDTV 1080P
9. 1920*1080 56.250 50.000 148.500 HDTV 1080P
10. 1920*1080 67.430
67.500
59.940
60.000
148.350
148.500 HDTV 1080P

- 9 - LGE Internal Use OnlyCopyright © LG Electronics. Inc. All rights reserved.
Only for training and service purposes
5.3. Component
No. Specication Remark
Resolution H-freq(kHz) V-freq.(Hz) Pixel clock(MHz)
1. 720*480 15.730 59.940 13.500 SDTV, DVD 480I(525I)
2. 720*480 15.750 60.000 13.514 SDTV, DVD 480I(525I)
3. 720*576 15.625 50.000 13.500 SDTV, DVD 576I(625I) 50Hz
4. 720*480 31.470 59.940 27.000 SDTV 480P
5. 720*480 31.500 60.000 27.027 SDTV 480P
6. 720*576 31.250 50.000 27.000 SDTV 576P 50Hz
7. 1280*720 44.960 59.940 74.176 HDTV 720P
8. 1280*720 45.000 60.000 74.250 HDTV 720P
9. 1280*720 37.500 50.000 74.250 HDTV 720P 50Hz
10. 1920*1080 33.720 59.940 74.176 HDTV 1080I
11. 1920*1080 33.750 60.000 74.250 HDTV 1080I
12. 1920*1080 28.125 50.000 74.250 HDTV 1080I 50Hz,
13. 1920*1080 56.250 50.000 148.500 HDTV 1080P
14. 1920*1080 67.432 59.940 148.350 HDTV 1080P
15. 1920*1080 67.500 60.000 148.500 HDTV 1080P

- 10 - LGE Internal Use OnlyCopyright © LG Electronics. Inc. All rights reserved.
Only for training and service purposes
ADJUSTMENT INSTRUCTION
1. Application Range
This document is applied to LA31R / LD31S chassis LED TV
which is manufactured in TV(or Monitor) Factory or is
produced on the basis of this data.
2. Designation
(1) The adjustment is according to the order which is
designated and which must be followed, according to the
plan which can be changed only on agreeing.
(2) Power adjustment : Free Voltage.
(3) Magnetic Field Condition: Nil.
(4) Input signal Unit: Product Specification Standard.
(5) Reserve after operation: Above 5 Minutes (Heat Run)
Temperature : at 25 °C ± 5 °C
Relative humidity : 65 % ± 10 %
Input voltage : 110-240 V, 50/60 Hz
(6) Adjustment equipments: Color Analyzer(CA-210 or CA-110),
DDC Adjustment Jig equipment, Service remote control.
(7) Push The "IN STOP KEY" – For memory initialization
3. Main PCB check process
* APC - After Manual-Insult, executing APC
* Boot le Download
(1) Execute ISP program “Mstar ISP Utility” and then click
“Config” tab.
(2) Set as below, and then click “Auto Detect” and check “OK”
message. If display “Error”, Check connect computer, jig,
and set.
(3) Click “Connect” tab. If display “Can’t”, Check connect
computer, jig, and set.
(4) Click “Read” tab, and then load download file(XXXX.bin)
by clicking “Read”.
(5) Click “Auto” tab and set as below
(6) Click “Run”.
(7) After downloading, check “OK” message.
* USB DOWNLOAD(*.epk file download)
(1) Make New folder named “LG_DTV” and put ISP file(*.epk)
in the folder.
(2) Put the USB Stick to the USB socket.
(3) Automatically detecting update file in USB Stick
- If your downloaded program version in USB Stick is Low,
it didn’t work.
- But your downloaded version is High, USB data is
automatically detecting
(4) Show the message "Copying files from memory"
(5) Updating is starting.
(6) Updating Completed, The Multi-vision will restart
automatically.
(7) If your TV is turned on, check your updated version and
Tool option. (explain the Tool option, next stage)
* If downloading version is more high than your TV have,
TV can lost all channel data. In this case, you have to
channel recover. if all channel data is cleared, you didn’t
have a DTV/ATV test on production line.
* After downloading, have to adjust TOOL OPTION again.
(1) Push "ADJ" key in service remote control.
(2) Select "Tool Option 1" and push "OK" key.
(3) Punch in the number. (Each model has their number.)
(4) Completed selecting Tool option.
Case1 : Software version up
1. After downloading S/W by USB , TV set will reboot
automatically.
2. Push “In-stop” key.
3. Push “Power on” key.
4. Function inspection
5. After function inspection, Push “In-stop” key.
Case2 : Function check at the assembly line
1. When TV set is entering on the assembly line, Push
“In-stop” key at rst.
2. Push “Power on” key for turning it on.
→ If you push “Power on” key, TV set will recover
channel information by itself.
3. After function inspection, Push “In-stop” key.
(1) (3)
(
2
)
OK
Please Check the Speed :
Use the speed under
200KHz.
(4)
filexxx.bin
(
6
)
(5)
(7) ……….OK
(5)

- 11 - LGE Internal Use OnlyCopyright © LG Electronics. Inc. All rights reserved.
Only for training and service purposes
3.1. EDID Process
3.1.1. EDID download
(1) Press "Power only" key of service remote control.
(2) Press the ADJ KEY on R/C and enter EZ ADJUST
(3) Enter EDID D/L mode by pushing "►" key at "11. EDID D/L".
(4) EDID download is executed automatically.
(5) Press EXIT key on service remote control.
<Caution>
- Never connect HDMI & D-sub Cable when download EDID.
- Download HDMI
* Edid data and Model option download (USB)
3.1.2. RGB EDID Data
(1) All models without 29MN33D(Product ID: 22984/HEXA: 59C8)
*(week), **(year), ***(Check sum) : Adjustable Data
: Screen size, : Color Characteristics
3.1.3. HDMI EDID Data
(1) All models(Product ID: 22986/HEXA:59CA)
*(week), **(year), ***(Check sum) : Adjustable Data
**** (physical address): (HDMI : 10), ****(Check sum): (HDMI : CE)
: Screen size, : Color Characteristics
3.2. Function Check
3.2.1. Check display and sound
*Check Input and Signal items. (cf. work instructions)
(1) TV
(2) AV (SCART/CVBS)
(3) COMPONENT (480i)
(4) RGB(PC : 1366 x 768 @ 60Hz)
(5) HDMI(PC : 1366 x 768 @ 60Hz)
(6) PC Audio In
* Display and Sound check is executed by Remote control
<Caution> Not to push the INSTOP key after completion if the
function inspection.
3.3. CI+ key writing process. (Device CN)
3.3.1. Communication Port Connection
Connection : PCBA (USB Port) → USB to Serial Adapter
(UC-232A) → RS-232C cable → PC(RS-232C port)
* Caution: LD31Q/LD31A chassis support only UC-232A
driver. (only use this one)
3.3.2. CI+ Key Download
(1) Set CI+ Key path Directory at Start Mac & CI+ Download
Programme.
(2) Set COM 1,2,3,4 / 115200(Baudrate) (1)/(2)
(3) Click port connection button(1)
(4) Start CI+ Key Download, Push the button(4)
(5) Check OK or NG
(6) After completing download, CI + key values are increase
by one automatically. To write CI+ key next SET, click CI+
key writing button(5) directly.
(7) Check whether the key was downloaded or not at ‘In Start’
menu. (Refer to below).
NO Item CMD 1 CMD 2 Data 0
Enter download
MODE
Download
‘Mode In’
A A 0 0 When transfer the ‘Mode
In’, Carry the command.
EDID data and
Model option
download
Download A E 00 10 Automatically download
(The use of a internal Data)
EZ ADJUST
0. Tool Option1
1. Tool Option2
2. Tool Option3
3. Tool Option4
4. Tool Option5
5. Tool Option6
6. Country Group
7. Area Option
8. ADC Calibration
9. White Balance
10. 10 Point WB
11. Test Pattern
12. EDID D/L ►
14. Touch Sensitivity Setting
15. Ext. Input Adjust
16. SPK Lipsync Adjust
17.SPDIF Lipsync Adjust
EDID D/L
HDMI OK
RGB OK
Start Reset

- 12 - LGE Internal Use OnlyCopyright © LG Electronics. Inc. All rights reserved.
Only for training and service purposes
=> Check the Download to CI+ Key value in LG set.
(1) Check the method of CI+ Key value
1) Check the method on Instart menu
2) Check the method of RS232C Command
a. Into the main ass’y mode(RS232: aa 00 00)
b. Check the key download for transmitted command
(RS232: ci 00 10)
c. Result value
- Normally status for download : OKx
- Abnormally status for download : NGx
(2) Check the method of CI+ key value(RS232)
1) Into the main ass’y mode(RS232: aa 00 00)
2) Check the mothed of CI+ key by command
(RS232: ci 00 20)
3) Result value
i 01 OK 1d1852d21c1ed5dcx
4. Total Assembly line process
4.1. Tool option & ADC Check
(1) Press "Power on" key of service remote control.
(2) Connect USB Port → USB to Serial Adapter (UC-232A) →
RS-232C cable → PC(RS-232C port)
(3) Check the 'Tool Option'(Refer to the BOM Comments or
Adjustment spec)
(4) Check the ‘ADC’ is ok.
4.2. Model name & Serial number download
4.2.1. Model name & Serial number D/L
1) Press "Power on" key of service remote control.
2) Connect RS232 Signal Cable to RS-232 Jack.
3) Write Model Name & Serial Number by use RS-232.
4) Must check the serial number at the Diagnostics of SET UP
menu. (Refer to below.)
4.2.2. Method & notice
(1) Model Name & Serial Number D/L is using of scan equipment.
(2) Setting of scan equipment operated by Manufacturing
Technology Group.
(3) Serial number D/L must be conformed when it is produced
in production line, because serial number D/L is mandatory
by D-book 4.0.
*Manual Download (Model Name and Serial Number)
If the TV set is downloaded By OTA or Service man,
Sometimes model name or serial number is initialized. (Not
always) There is impossible to download by bar code scan,
so It need Manual download.
1) Press the 'Instart' key of ADJ remote control.
2) Go to the menu '6.Model Number D/L' like below photo.
3) Input the Factory model name(ex 24LN4500) or Serial
number like photo.
4) Check the model name Instart menu → Factory name
displayed (ex 24LN4500)
5) Check the Diagnostics (DTV country only) → Buyer
model displayed (ex 24LN4500)
CMD 1 CMD 2 Data 0
A A 0 0
CMD 1 CMD 2 Data 0
C I 1 0
CMD 1 CMD 2 Data 0
A A 0 0
CMD 1 CMD 2 Data 0
C I 2 0
CI+ Key Value

- 13 - LGE Internal Use OnlyCopyright © LG Electronics. Inc. All rights reserved.
Only for training and service purposes
4.3. Function Check
4.3.1. Check display and sound
■ Check Input and Signal items. (cf. work instructions)
1) TV
2) AV (SCART/CVBS)
3) COMPONENT (480i)
4) RGB(PC : 1366 x 768 @ 60Hz)
5) HDMI(PC : 1366 x 768 @ 60Hz)
6) PC Audio In
* Display and Sound check is executed by Remote control
* Caution : Not to push the INSTOP KEY after completion if
the function inspection.
4.3.2. PCMCIA CARD Check
You must adjust DTV 29 Channel and insert PCMCIA CARD
to socket.
- If PCMCIA CARD works normally, video signals will appear
on screen.
But it works abnormally, "No CA module" will
appear on screen.
* Caution: Set up "RF mode" before launching products.
4.3.3. PIP Check
(1) Press “Power on” key of service remote control.
(2) Input RGB & TV(ATV or DTV) signal.
(3) Set Input mode to RGB.
(4) Press ‘PIP” key of ADJ remote control
(5) Check TV Video & Audio signal of Sub picture.
4.3.4 HDMI MHL Function Inspection(HDMI2 Port only)
(1) Insert HDMI cable for MHL function JIG connected to
HDMI2 port of the SET.
(2) Check that LED of JIG is green light and check that set
screen is correctly worked.
(3) If NG situation or other HDMI jack connection, LED of JIG
is red light and screen is not displayed.
4.4. White balance adjustment
- Equipment
(1) Color Analyzer: CA-210 (LED Module : CH 14)
(2) Adj. Computer(During auto adj., RS-232C protocol is
needed)
(3) Adjust Remote control
RGB Gains are fixed data for each model.
Insert RS-232C Jack which is connected with PC for White
Balance or equivalent device.
→ Total Assembly line should be check whether the color
coordinate(x,y) data refer to below table were meet or not.
- Cool Panel
* Note : x,y coordinates are drifted about 0.007 after 30 mins
heat-run. So checking color coordinate within 5-min at
total assembly line, consider x,y coordinates might be
up to 0.007 than x,y target of each color temperature.
* Note : Manual W/B process using adjusts Remote control.
1) After enter Service Mode by pushing "ADJ" key,
2) Enter "White Balance" by pushing "►" key at "White
Balance".
* When doing Adjustment, Please make circumstance as
below.
Color
Temperature
Cool 13,000 K X=0.276 (±0.03)
Y=0.275 (±0.03) <Test Signal>
Inner pattern
(204gray,80IRE)
Medium 9,300 K X=0.290 (±0.03)
Y=0.298 (±0.03)
Warm 6,500 K X=0.318 (±0.03)
Y=0.334 (±0.03)
Luminance
(cd/m²)
Cool Min : 80 K Typ : 110 <Test Signal>
Inner pattern
(204gray,80IRE)
Medium Min : 80 K Typ : 110
Warm Min : 70 K Typ : 110
EZ ADJUST
0. Tool Option1
1. Tool Option2
2. Tool Option3
3. Tool Option4
4. Tool Option5
5. Tool Option6
6. Country Group
7. Area Option
8. ADC Calibration
9. White Balance
10. 10 Point WB
11. Test Pattern
12 EDID D/L
13. Sub B/C
14. Touch Sensitivity Setting
15. Ext. Input Adjust
16. SPK Lipsync Adjust
17.SPDIF Lipsync Adjust
Whit Balance
Color Temp. ◄ ►
R-Gain
G-Gain
B-Gain
R-Cut
G-Cut
B-Cut
Test-Pattern
Backlight
Reset To Set
Cool
100
104
192
64
64
64
ON
100

- 14 - LGE Internal Use OnlyCopyright © LG Electronics. Inc. All rights reserved.
Only for training and service purposes
4.5. DPM Operation check
■ Measurement Condition: 100~240V@ 50/60Hz
(1) Set Input to RGB-PC and connect D-sub cable to set -
RGB Mode.
Set Input to HDMI(with Input Label set to PC) and connect
HDMI cable to set - HDMI Mode
(2) Cut off H sync or V sync of signal.
(3) Check DPM operation refer to the below table.
■ HDMI DPM Operating condition
- Input Label: HDMI (PC&DVI Mode)
4.6. Model name & SW version & Adjust check
* Press the ‘Instart’ key of ADJ remote control.
4.6.1. Model Name& SW Version Check
(1) Check ‘Model Name’.
(2) Check ‘S/W Version’ (Refer to the IC Ver. in the BOM)
4.6.2. Adjust Check
(1) Check ‘Country Group’
(2) Check ‘Area Option’
(3) Check ‘Tool Option’ (Refer to the BOM Comments)
(4) Check ‘Adjust ADC[Comp&RGB]’ is OK.
(5) Check ‘EDID[RGB&HDMI]’ is OK.
* After check all, Press the 'EXIT' key of ADJ remote control to
go out SVC menu.
4.7. Outgoing condition Configuration
* After all function test., press IN-STOP key by SVC Remote
control. And make Outgoing Condition.
Operating Condition Sync(H/V) Video LED(SET) Wattage(W)
Power S/W On Sleep mode -
RGB, HDMI Off/Off Off Amber 1
MHL Cable HDMI & HDMI to DVI Cable
DPM X O

- 15 - LGE Internal Use OnlyCopyright © LG Electronics. Inc. All rights reserved.
Only for training and service purposes
TROUBLE SHOOTING
1. No Power
Check C820 All
Voltage Level (19V)
Check Power connector
OK ? Replace Adapter
N N
Check IC802 output
Voltage Level (12V)
Replace IC802 &
Recheck
N
Check IC809 Output
Voltage Level (3.3V_ST) Replace IC809
N
Y
Check IC800 Output
Voltage Level (5V) Replace IC800
N
Y
Y
Y
Y
Check IC810 Output
Voltage Level (2.5V) Replace IC810
N
Check IC806 Output
Voltage Level (1.15V) Replace IC806
N
Y
Check X201 Clock
24MHz Replace X201
N
Replace IC100 Flash Memory
Y
Y
Check IC807 Output
Voltage Level (1.5V) Replace IC807
N

- 16 - LGE Internal Use OnlyCopyright © LG Electronics. Inc. All rights reserved.
Only for training and service purposes
2. No Picture
Module
Back Light On ?
Check WLED_ENABLE high
R131
Check IC101
Replace Main Scaler IC
N N
Check Panel clock
P601(#9,10)
Check IC101
Repair Main B/D
N
Check Panel power
P601(#27,28,29,30) 12V
IC804Output 12V
Replace IC804
N
Y
Replace T-con
Board or module
Check FFC Cable for damage
or open conductors. Replace Cable
N
Y
Y
Y
Check LED Driver output
(LED Driver B’d P1100 #1)
Check LED Driver IC1100
Replace LED Driver IC
N
Y
3. No Video - Digital TV
(1) 29LN45*U / 29LN45*R
Check RF Cable
Check Tuner(TU2602)
Data, CLK, SYN, VAL
Replace Tuner(TU2602)
Recheck
Y
N
1. Check Tuner(TU2602 #5) Power (3.3V)
2. Check IC803 Output voltage(3.3V)
Replace IC803
Y
N
Check Tuner(TU2602) I2C Signal
SCL(R2609), SDA(R2610)
Check IC101
Y
N
1. Check Tuner(TU2602 #7) Power (1.8V)
2. Check IC805 Output voltage(1.8V)
Replace IC805
Y
N

- 17 - LGE Internal Use OnlyCopyright © LG Electronics. Inc. All rights reserved.
Only for training and service purposes
(2) 29LN45*3/29LN45*B
Check RF Cable
Check Tuner(TU3702)
Data, CLK, SYN, VAL
Replace Tuner(TU3702)
Recheck
Y
N
1. Check Tuner(TU3702 #5) Power (3.3V)
2. Check IC803 Output voltage(3.3V)
Replace IC803
Y
N
Check Tuner(TU3702) I2C Signal
SCL(R3735), SDA(R3736)
Check IC101
Y
N
1. Check Tuner(TU3702 #7) Power (1.8V)
2. Check IC805 Output voltage(1.8V)
Replace IC805
Y
N
(3) 29LN45*5
Check RF Cable
Check Tuner(TU2601)
Data, CLK, SYN, VAL
Replace Tuner(TU2601)
Recheck
Y
N
1. Check Tuner(TU2601 #5) Power (3.3V)
2. Check IC803 Output voltage(3.3V)
Replace IC803
Y
N
Check Tuner(TU2601) I2C Signal
SCL(R2609), SDA(R2610)
Check IC101
Y
N
1. Check Tuner(TU2601 #7) Power (1.8V)
2. Check IC805 Output voltage(1.8V)
Replace IC805
Y
N

- 18 - LGE Internal Use OnlyCopyright © LG Electronics. Inc. All rights reserved.
Only for training and service purposes
4. No Video - Component
Check input signal format
Is it supported?
Check signal
R239,R237,R241
C220,C218,C222
Replace R239,R237,R241
C220,C218,C222
Y
N
Check JK2800 Replace JK2800 or
Check Device
Y
N
Y
IC101 has problem
Y
Check Component Cable
Wave form of C220 Wave form of C218 Wave form of C222
Wave form of Comp Y Wave form of Comp Pb Wave form of Comp Pr
5. No Video - RGB
Check input signal format
Is it supported?
Check Hsync, Vsync
R266, R267 Replace R266, R267
Check signal RGB
R228,R230,R232
C204,C206,C208
N
Check JK400 Replace JK400 or
Check Device
Y
N
Y
Replace R228,R230,R232
C204,C206,C208
N
IC101 has problem
Y
Check RGB Cable
Wave form of R4025(Vsync) Wave form of R4024(Hsync)
Wave form of R230/C206
Wave form of R228/C204 Wave form of R232/C208

- 19 - LGE Internal Use OnlyCopyright © LG Electronics. Inc. All rights reserved.
Only for training and service purposes
6. No Video - HDMI
Check input signal format
Is it supported?
Y
Check JK501
for proper connection or damage Replace connector
Y
N
Y
Check HDMI Cable for damage
or open connector
Check I2C Signal (JK501)
(#15, #16) Re download EDID data
Y
N
Check HDCP Key (IC101) Replace Scaler(IC101)
N
7. No Audio
Make sure you can’t hear any audio and
Device support the audio signal normally.
Check Speaker and
its wire connection (P700)
and the resistance
Check Signal from IC700
L700,L701, L706, L709
Y
Replace IC700
N
Check R879 Voltage Level (3.3V)
Y
Replace IC807(3.3V)
N
Y
Check Signal from IC101
SDA/SCL
(R703/R214, R707/R213)
Y
Replace IC101
N
Replace connector or Speaker
N

- 20 - LGE Internal Use OnlyCopyright © LG Electronics. Inc. All rights reserved.
Only for training and service purposes
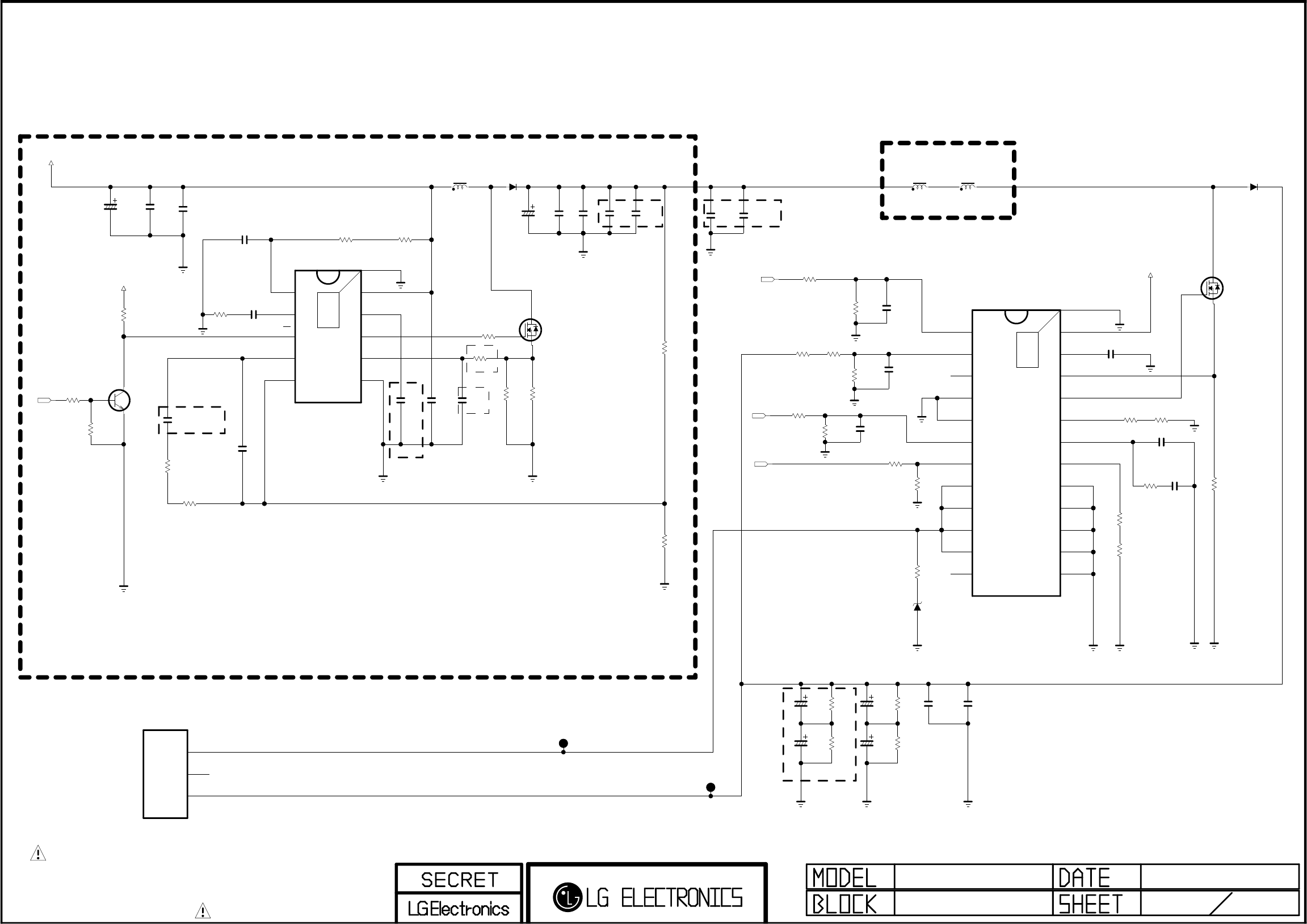
LGE2121-MS10
(MSD804KKX)
Mstar M1(L13)
COMPONENT
RS-232C
[Option : Only hotel model]
RGB
MAX3232CDR
DSUB_R/G/B/H/V
Audio IN
HP L & R out
COMP_Y , Pb ,Pr
COMP_L & R_IN
USB (Jpeg,MP3,DVIX)
AP2191DSG
LGIT HALF l NIM
(DVB T/C)
SCART (Full)
PCMCIA Slot
FE_Tuner_SDA&SCL
SCART_OUT
74LVC541A
Buffer
IC502
FE_TS_CLK
FE_TS_VAL Error
FE_TS_SYNC
FE_TS_DATA
Buffer_FE_TS_CLK
Buffer_FE_TS_VAL Error
Buffer_FE_TS_SYNC
Buffer_FE_TS_DATA[0]
DDR3 SDRAM
2GB
DDR3 SDRAM
(1GB) NAND Flash
1GB
74LCX244
Buffer
IC501
CI_CLK
CI_VIAL Error
CI_SYNC
CI_DATA[0~7]
CI ADDR[0~7]
PCM_DATA [0~7]
PCM_A
[0~7]
CI_ADDR[0~14]
REG
CI_OE
CI_IORD
CI_IOWR
CI-WE
PCM_A
[0~14]
FE_DE_SDA&SCL
SERIAL
Flash
CVBS& Scart RGB
TV L&R Sound
F_RB
PF-OE
PF_CEO
SPI_CK
SPI_CI
SPI_CS
SPI_DO
DDR2 Data[0:15]
DDR2
Address[0:12]
DDR2 Data[0:15]
DDR2
Address[0:12]
System
EEPROM
EEPROM SCL & SDA
Panel
DMB
[LED Driver IC]
Digital amp
(NTP7513)
SP (L)
SP (R)
WLED- Status
WLED_ENABLE
OVP_SEL
CH_SEL
WLED_DIM_ADJ Audio_ Master_CLK
/DATA[3]
LVDS
1 Ch
SIF
- DVB-T/C : TDSS-G501D(Half NIM)
- ATSC: TDSS-H501F (Half NIM)
- ISDB - T : TDSN- B601F (Full NIM)
AMP SCL&SDA
CVBS
HDMI_TMDS & HDMI I2C
DDR3: 800MHz
HDMI(MHL)
Headp hone
Option
Option(Only for DVB)
Option
Option(Only for DVB)
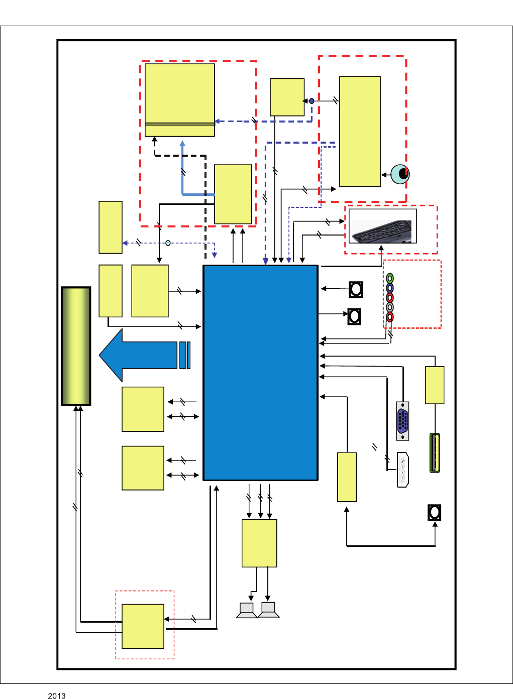
BLOCK DIAGRAM

- 21 - LGE Internal Use OnlyCopyright © LG Electronics. Inc. All rights reserved.
Only for training and service purposes
A2 A31
900
200
400
401
540
521
800
910
120
300
501
531
510
511
301
LV1
801
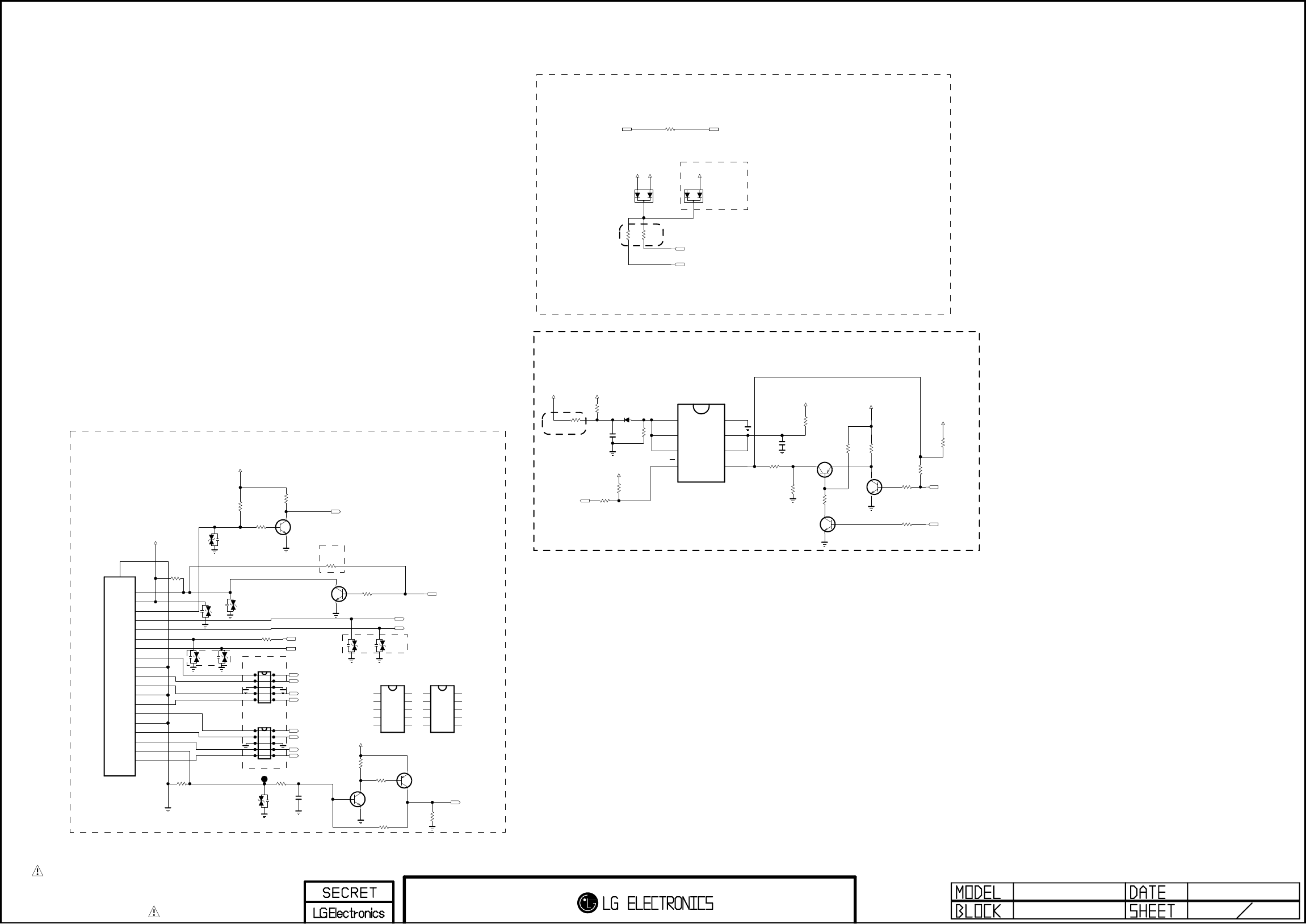
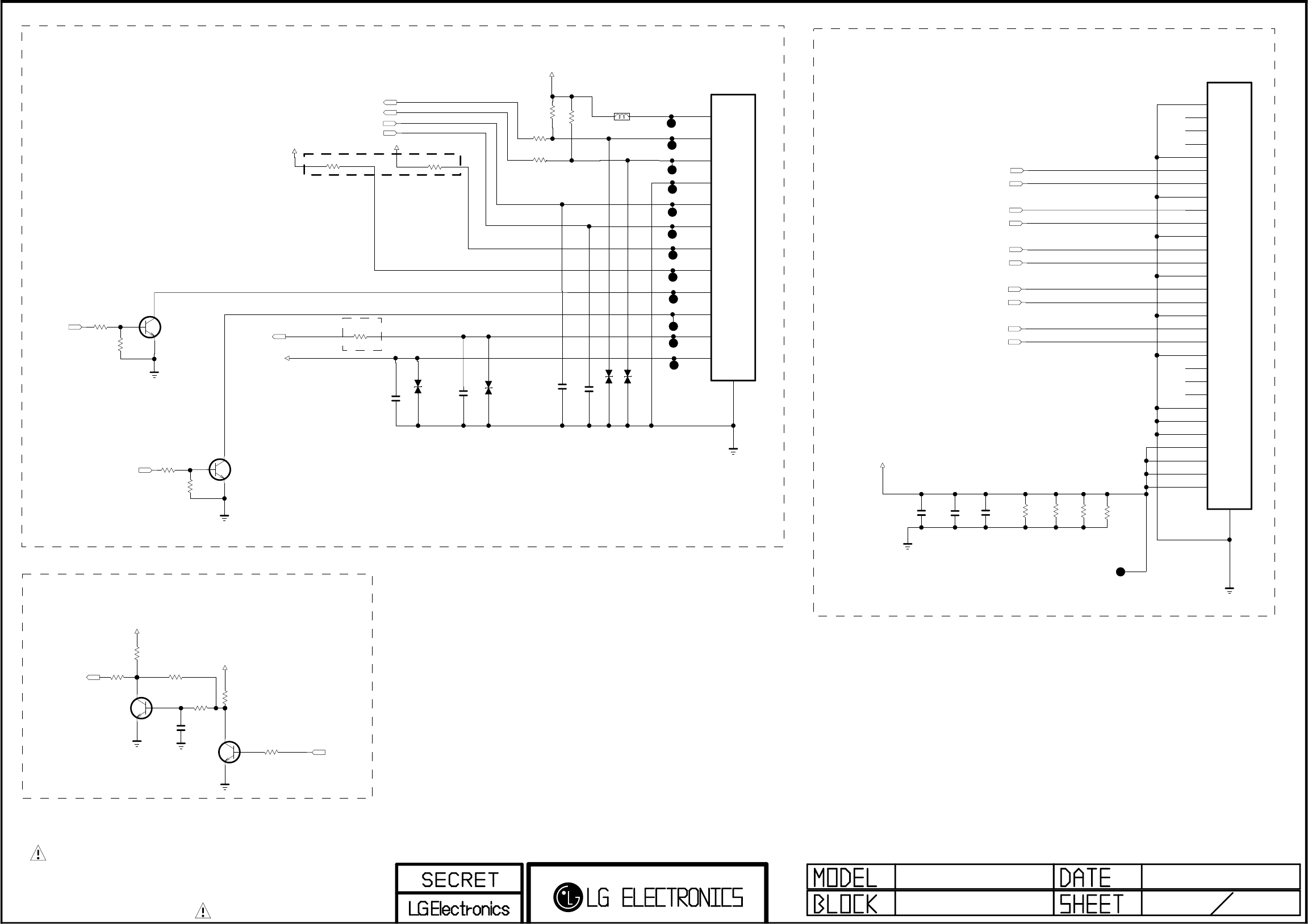
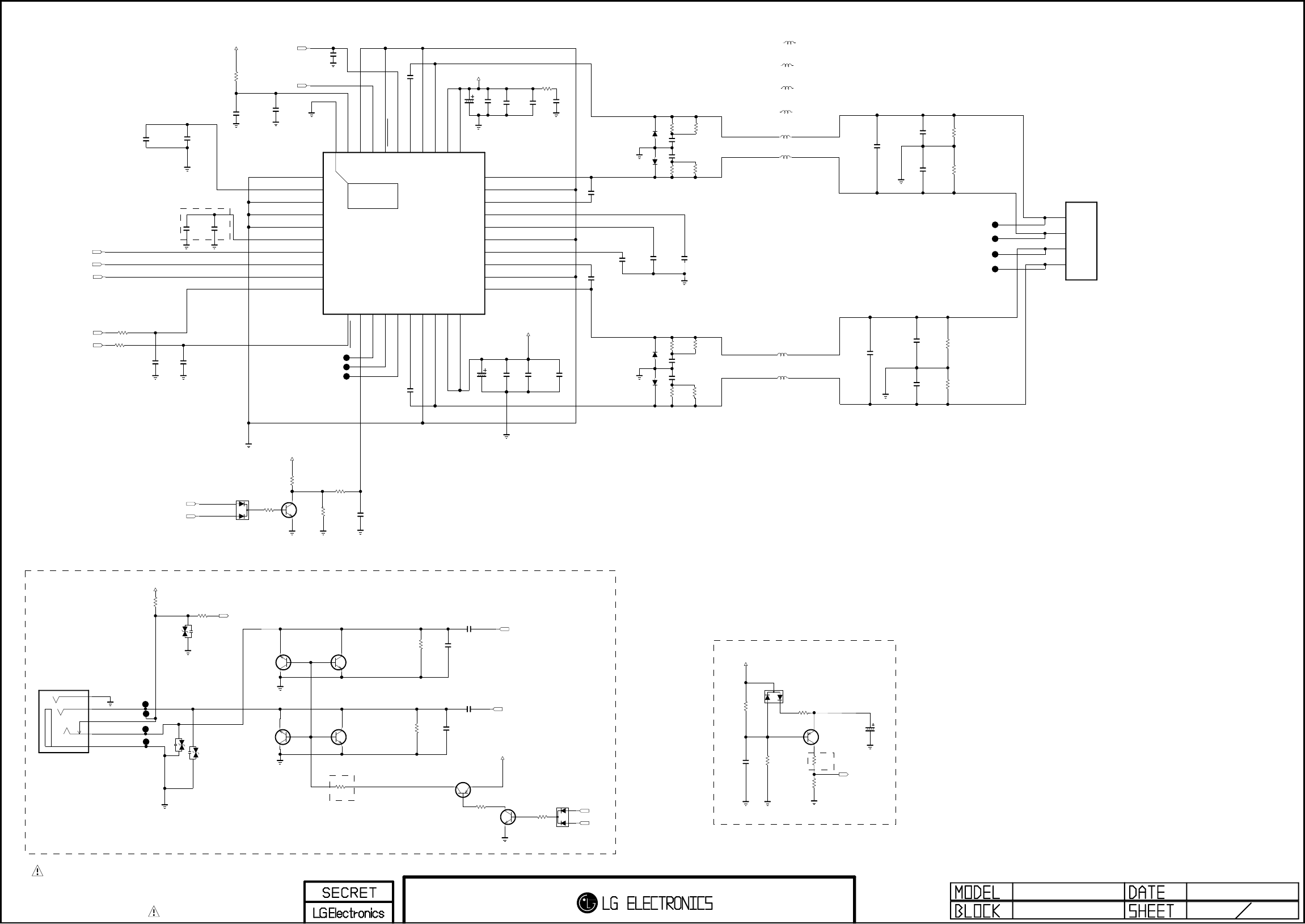
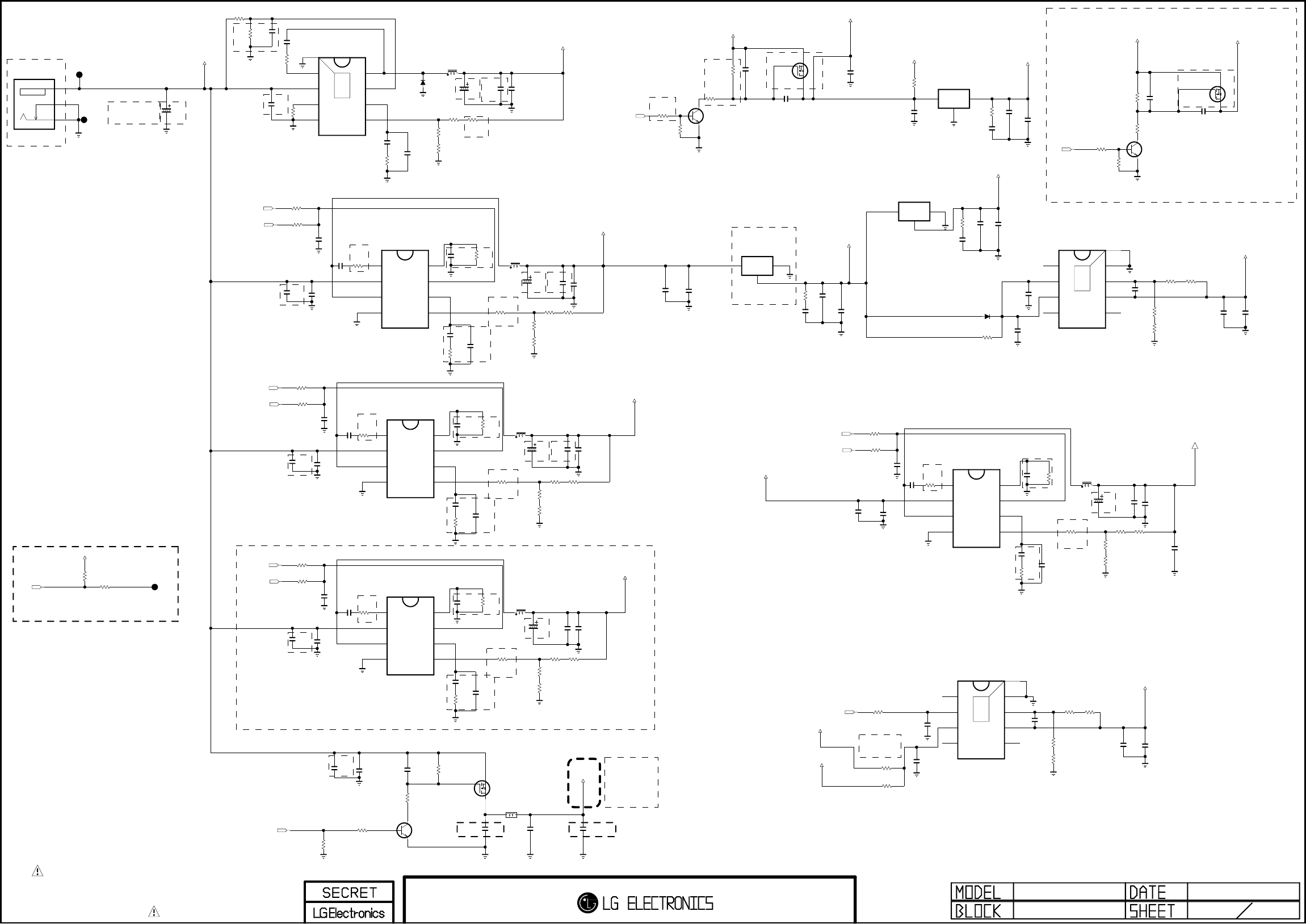
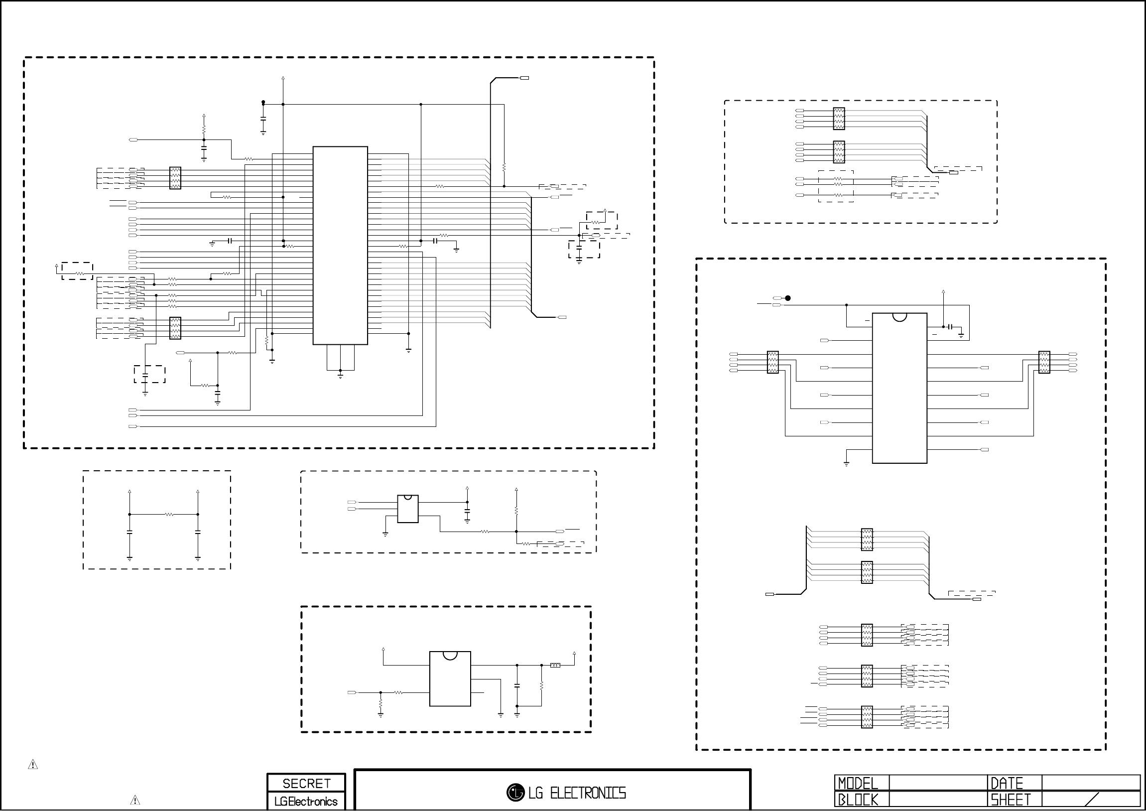
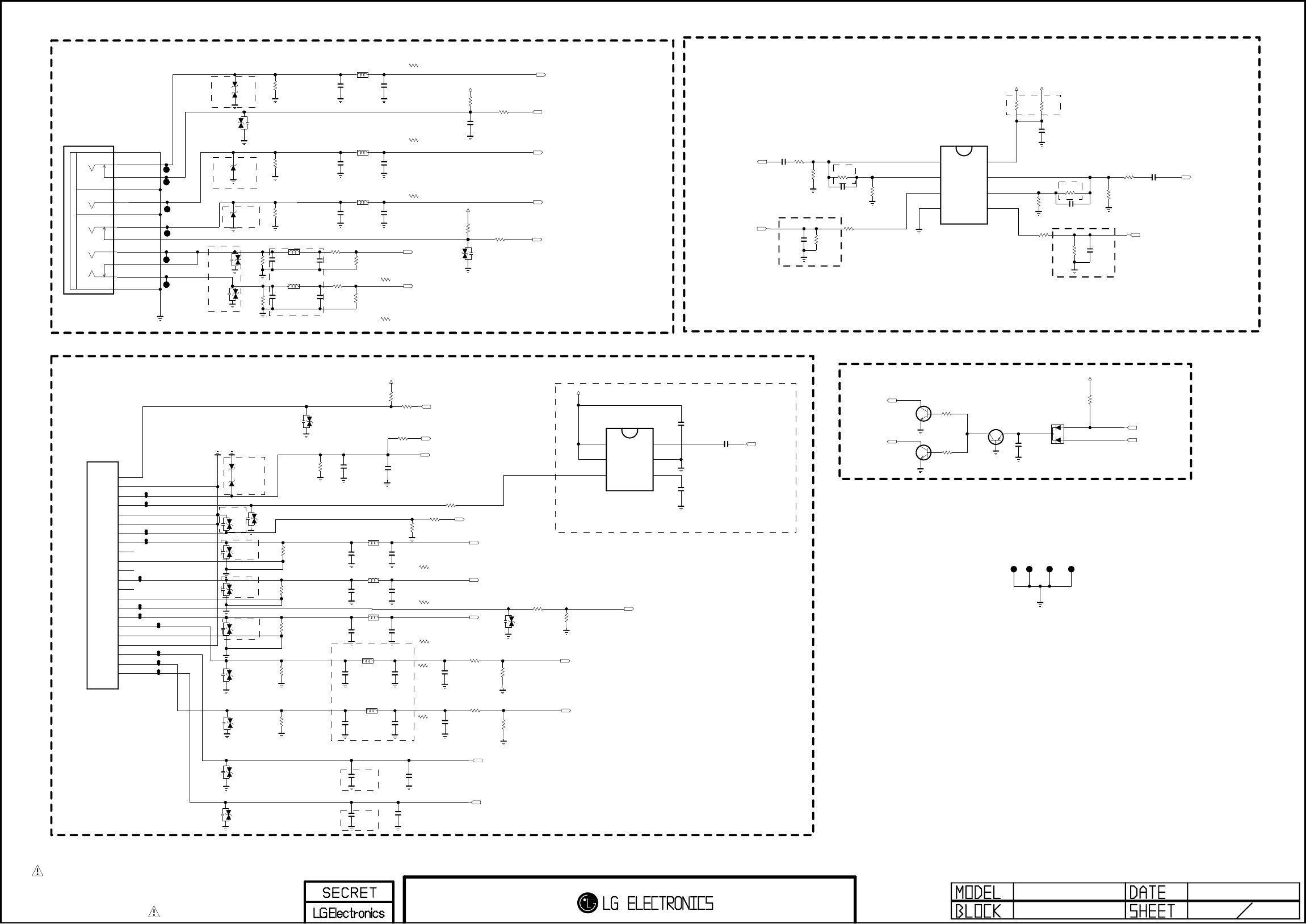
EXPLODED VIEW
Many electrical and mechanical parts in this chassis have special safety-related characteristics. These
parts are identified by in the Schematic Diagram and EXPLODED VIEW.
It is essential that these special safety parts should be replaced with the same components as
recommended in this manual to prevent X-RADIATION, Shock, Fire, or other Hazards.
Do not modify the original design without permission of manufacturer.
IMPORTANT SAFETY NOTICE

THE SYMBOL MARK OF THIS SCHEMETIC DIAGRAM INCORPORATES
SPECIAL FEATURES IMPORTANT FOR PROTECTION FROM X-RADIATION.
FILRE AND ELECTRICAL SHOCK HAZARDS, WHEN SERVICING IF IS
ESSENTIAL THAT ONLY MANUFATURES SPECFIED PARTS BE USED FOR
THE CRITICAL COMPONENTS IN THE SYMBOL MARK OF THE SCHEMETIC.
PCM_D[0]
PCM_A[3]
CI_TS_DATA[0]
CI_TS_DATA[4]
PCM_A[5]
PCM_A[2]
FE_TS_DATA[5]
FE_TS_DATA[6]
PCM_A[4]
PCM_A[7]
CI_TS_DATA[6]
CI_TS_DATA[3]
PCM_A[9]
PCM_D[5]
CI_TS_DATA[2]
PCM_A[2]
CI_TS_DATA[1]
PCM_A[10]
PCM_D[1]
PCM_A[5]
FE_TS_DATA[4]
FE_TS_DATA[0]
PCM_A[7]
PCM_A[6]
PCM_D[6]
CI_TS_DATA[7]
PCM_A[13]
PCM_A[6]
PCM_A[1]
PCM_D[2]
CI_TS_DATA[5]
PCM_A[4]
PCM_D[7]
PCM_A[14]
FE_TS_DATA[3]
PCM_A[0]
PCM_A[11]
PCM_A[8]
PCM_A[3]
PCM_D[3]
FE_TS_DATA[1]
PCM_A[0]
PCM_D[4]
FE_TS_DATA[2]
PCM_A[1]
FE_TS_DATA[7]
PCM_A[12]
FE_TS_DATA[0]
LED_AMBER
R163 22
SPI_SDO
PM_TXD
LVA_3P
+3.3V_ST
LED_RED
PWM2
+3.3V_ST
/PCM_CD
LVA_0P
+3.3V_ST
R161
4.7K
PCM_A[0-7]
I2C_SDA
IC103-*2
R1EX24256BSAS0A
NVRAM_RENESAS
EAN62389501
3
A2
2
A1
4
VSS
1
A0
5SDA
6SCL
7WP
8VCC
R148
33
R118 4.7K
I2C_SCL
/PCM_IORD
R113 22
SCART1_MUTE
I2C_SDA
R123 4.7K
OPT
C104
8pF
OPT
R165 4.7K
PWM0
MODEL_OPT_2
R106
1K
MODEL_OPT_1
IC103-*1
M24256-BRMN6TP
NVRAM_ST
EAN61548301
3
E2
2
E1
4
VSS
1
E0
5SDA
6SCL
7WC
8VCC
AV_CVBS_DET
CI_TS_VAL
R128
47K
OPT
R178 100 OPT
BLU_CURRENT_CTL
MODEL_OPT_6
PM_RXD
PCM_5V_CTL
/PCM_CE
R138
4.7K
OPT
/PCM_WAIT
R100 0
OPT
R131
100
R139
33
LED_RED
/F_RB
R179 100 OPT
R175
10K
OPT
C103
0.1uF
CI_TS_DATA[0-7]
+3.3V_ST
SPI_SCK
/PF_WE
R151 33
/SPI_CS
AUD_MASTER_CLK_0
+3.3V_Normal
R105
1K
OPT
RGB_DDC_SDA
+3.3V_Normal
MODEL_OPT_7
R103 0
LVA_2M
R109
3.9K
PCM_RST
KEY1
/PCM_IRQA
LVA_2P
LVA_1P
R176
10K
OPT
AUD_SCK
LVA_0M
R116 4.7K
R174
10K
OPT
Q100
MMBT3904(NXP)
E
B
C
PCM_A[0-14]
+3.3V_Normal
MODEL_OPT_3
IC103
AT24C256C-SSHL-T
NVRAM_ATMEL
EAN61133501
3
A2
2
A1
4
GND
1
A0
5SDA
6SCL
7WP
8VCC
I2C_SCL
R127
4.7K
R136 22
R101 22
/PF_CE0
/PCM_WE
C106
8pF
OPT
SPI_SDO
LVA_CKP
R121 4.7K
OPT
R137 22
+3.3V_Normal
R129
4.7K
OPT
PWM0
I2C_SDA
RGB_DDC_SCL
AR101
22
FE_TS_VAL_ERR
R146 33
CI_TS_SYNC
C102
10uF
10V
R130
10K
PANEL_CTL
/PF_OE
/PF_CE1
R110 22
+3.3V_Normal
R112 22
PC_AUDIO_DET
TUNER_RESET
PF_ALE
SCART1_DET
SPI_SDI
KEY_SDA
R152
4.7K
OPT
I2C_SCL
MODEL_OPT_5
PWM1
SPI_SCK
KEY_SCL
LED_AMBER
FE_TS_DATA[0-7]
WLED_ENABLE
R126
10K
NTP_MUTE
AR102
22
R153 4.7K
SPI_SDI
R157 100
/PF_WP
+3.3V_ST
C100
1uF
OPT
USB_OCD
AMP_SCL
R108
1K
OPT
R145
2.2K
PCM_D[0-7]
R143 4.7K
OPT
PWM2
BR_RESET_DEMOD
PWM1
R142 4.7K
OPT
POWER_ON/OFF1
/PF_CE0
MULTI_ON
LVA_CKM
R115 4.7K
OPT
WLED_DIM_ADJ
USB_CTL
R147 33
MODEL_OPT_4
KEY_SCL
R107
1K
R111 22
C112
100pF
50V
OPT
FE_TS_SYNC
PM_RXD
C114
0.1uF
R160
4.7K
C101
0.1uF
AMP_SDA
AUD_MASTER_CLK
R144
2.2K
C105
0.1uF
R164 22
C113
0.1uF
50V
C110
0.1uF
16V
+5V_Normal
DSUB_DET
+3.3V_Normal
LVA_3M
/PF_OE
KEY2
PM_TXD
PF_ALE
/PCM_OE
+3.3V_ST
C107
0.1uF
16V
CI_TS_CLK
MODEL_OPT_0
PWM0
C111
2.2uF
R117 4.7K
OPT
R124 4.7K
/PF_WE
R102
3.3K
AMP_RST
/FLASH_WP
/PF_CE1
R125
10K
/PF_WP
KEY_SDA
SPI_SDI
R154 22
/PCM_REG
R135
10K
OPT
LVA_1M
R141
1K
R156 10K
/F_RB
FE_TS_CLK
OLP
R140
1K
R177
10K
OPT
/FLASH_WP
/SPI_CS
/PCM_IOWR
IC101
MSD804KKX
S7LR-M_NON_MS10
GPIO39
C7
GPIO40
E6
GPIO41
F5
GPIO42
B6
GPIO43
E5
GPIO44
D5
GPIO45
B7
GPIO48
E7
GPIO49
F7
GPIO52
AB5
GPIO53
AB3
GPIO54
A9
GPIO55
F4
I2C_SCKM0/GPIO56
AB1
I2C_SDAM0/GPIO57
N6
GPIO76
AB2
GPIO77
AC2
LVA0P AB25
LVA0N AB23
LVA1P AC25
LVA1N AB24
LVA2P AD25
LVA2N AC24
LVA3P AE23
LVA3N AC23
LVA4P AC22
LVA4N AD23
LVB0P V23
LVB0N U24
LVB1P V25
LVB1N V24
LVB2P W25
LVB2N W23
LVB3P AA23
LVB3N Y24
LVB4P AA25
LVB4N AA24
LVACLKP AE24
LVACLKN AD24
LVBCLKP Y23
LVBCLKN W24
GPIO194 T25
GPIO191 U23
GPIO192 T24
GPIO193 T23
IC101
MSD804KKX
S7LR-M_NON_MS10
PCMDATA[0]/GPIO129
W21
PCMDATA[1]/GPIO130
AA18
PCMDATA[2]/GPIO131
AB22
PCMDATA[3]/GPIO123
AE20
PCMDATA[4]/GPIO122
AA15
PCMDATA[5]/GPIO121
AE21
PCMDATA[6]/GPIO120
AB21
PCMDATA[7]/GPIO119
Y15
PCMADR[0]/GPIO128
W20
PCMADR[1]/GPIO127
V20
PCMADR[2]/GPIO125
W22
PCMADR[3]/GPIO124
AB18
PCMADR[4]/GPIO102
AA20
PCMADR[5]/GPIO104
AA21
PCMADR[6]/GPIO105
Y19
PCMADR[7]/GPIO106
AB17
PCMADR[8]/GPIO111
Y16
PCMADR[9]/GPIO113
AB19
PCMADR[10]/GPIO117
AB20
PCMADR[11]/GPIO115
AA16
PCMADR[12]/GPIO107
AA19
PCMADR[13]/GPIO110
AC21
PCMADR[14]/GPIO109
AA17
PCMREG_N/GPIO126
Y20
PCMOE_N/GPIO116
AB15
PCMWE_N/GPIO195
AA22
PCMIORD_N/GPIO114
AD22
PCMIOWR_N/GPIO112
AD20
PCMCE_N/GPIO118
AD21
PCMIRQA_N/GPIO108
AC20
PCMCD_N/GPIO133
Y18
PCMWAIT_N/GPIO103
Y21
PCM_RESET/GPIO132
Y22
PCM2_CE_N/GPIO134
U21
PCM2_IRQA_N/GPIO135
V21
PCM2_CD_N/GPIO138
R20
PCM2_WAIT_N/GPIO136
T20
PCM2_RESET/GPIO137
U22
UART1_TX/GPIO46
D4
UART1_RX/GPIO47
E4
UART2_TX/GPIO68
N25
UART2_RX/GPIO67
N24
UART3_TX/GPIO50
B8
UART3_RX/GPIO51
A8
I2C_SCKM2/DDCR_CK/GPIO75
P23
I2C_SDAM2/DDCR_DA/GPIO74
P24
DDCA_DA/UART0_TX
D2
DDCA_CK/UART0_RX
D1
PWM0/GPIO69
P21
PWM1/GPIO70
N23
PWM2/GPIO71
P22
PWM3/GPIO72
R21
PWM4/GPIO73
P20
PWM_PM/GPIO197
F6
SAR0/GPIO34
H6
SAR1/GPIO35
G5
SAR2/GPIO36
G4
SAR3/GPIO37
J5
SAR4/GPIO38
J4
VSYNC_LIKE/GPIO146
R23
SPI1_CK/GPIO199
R24
SPI1_DI/GPIO200
R25
SPI2_CK/GPIO201
T21
SPI2_DI/GPIO202
T22
NF_CE1Z/GPIO141 AE18
NF_WPZ/GPIO196 AC17
NF_CEZ/GPIO140 AD18
NF_CLE/GPIO139 AC18
NF_REZ/GPIO142 AC19
NF_WEZ/GPIO143 AD17
NF_ALE/GPIO144 AE17
NF_RBZ/GPIO145 AD19
GPIO_PM[0]/GPIO6 H5
PM_UART_TX/GPIO_PM[1]/GPIO7 K6
GPIO_PM[2]/GPIO8 K5
GPIO_PM[3]/GPIO9 J6
GPIO_PM[4]/GPIO10 K4
PM_UART_RX/GPIO_PM[5]/GPIO11 L6
PM_SPI_SCZ1/GPIO_PM[6]/GPIO12 C2
GPIO_PM[7]/GPIO13 L5
GPIO_PM[8]/GPIO14 M6
GPIO_PM[9]/GPIO15 M5
PM_SPI_SCZ2/GPIO_PM[10]/GPIO16 C1
GPIO_PM[11]/GPIO17 M4
PM_SPI_SCK/GPIO1 A2
PM_SPI_CZ0/GPIO_PM[12]/GPIO0 D3
PM_SPI_SDI/GPIO2 B2
PM_SPI_SDO/GPIO3 B1
TS0CLK/GPIO90 Y14
TS0VALID/GPIO88 AA10
TS0SYNC/GPIO89 Y12
TS0DATA_[0]/GPIO80 Y13
TS0DATA_[1]/GPIO81 Y11
TS0DATA_[2]/GPIO82 AA12
TS0DATA_[3]/GPIO83 AB12
TS0DATA_[4]/GPIO84 AA14
TS0DATA_[5]/GPIO85 AB14
TS0DATA_[6]/GPIO86 AA13
TS0DATA_[7]/GPIO87 AB11
TS1CLK/GPIO101 AC15
TS1VALID/GPI99 AD15
TS1SYNC/GPIO100 AC16
TS1DATA_[0]/GPIO91 AD16
TS1DATA_[1]/GPIO92 AE15
TS1DATA_[2]/GPIO93 AE14
TS1DATA_[3]/GPIO94 AC13
TS1DATA_[4]/GPIO95 AC14
TS1DATA_[5]/GPIO96 AD12
TS1DATA_[6]/GPIO97 AD13
TS1DATA_[7]/GPIO98 AD14
AR103
22
AR104
22
IC100
W25Q80BVSSIG
S_FLASH_MAIN_MACRONIX
3
%WP[IO2]
2
DO[IO1]
4
GND
1
CS
5DI[IO0]
6CLK
7HOLD[IO3]
8VCC
IC100-*1
MX25L8006EM2I-12G
S_FLASH_MAIN_WINBOND
3
WP#
2
SO/SIO1
4
GND
1
CS#
5SI/SIO0
6SCLK
7HOLD#
8VCC
LNA_CTRL_1
LNA_CTRL_2
IC102
H27U1G8F2CTR-BC
NAND_1G_HYNIX_9103(DEV)
EAN35669103
26 NC_17
27 NC_18
28 NC_19
29 I/O0
30 I/O1
31 I/O2
32 I/O3
33 NC_20
34 NC_21
35 NC_22
36 VSS_2
37 VCC_2
38 NC_23
39 NC_24
40 NC_25
41 I/O4
42 I/O5
43 I/O6
44 I/O7
45 NC_26
46 NC_27
47 NC_28
48 NC_29
17
ALE
3
NC_3
6
NC_6
16
CLE
15
NC_10
14
NC_9
13
VSS_1
12
VCC_1
11
NC_8
10
NC_7
9
CE
8
RE
7
R/B
4
NC_4
5
NC_5
25 NC_16
24
NC_15
23
NC_14
2
NC_2
22
NC_13
21
NC_12
1
NC_1
20
NC_11
19
WP
18
WE
IC102-*1
K9F1G08U0D-SCB0
NAND_1G_SS
EAN61857001
26 NC_17
27 NC_18
28 NC_19
29 I/O0
30 I/O1
31 I/O2
32 I/O3
33 NC_20
34 NC_21
35 NC_22
36 VSS_2
37 VCC_2
38 NC_23
39 NC_24
40 NC_25
41 I/O4
42 I/O5
43 I/O6
44 I/O7
45 NC_26
46 NC_27
47 NC_28
48 NC_29
17
ALE
3
NC_3
6
NC_6
16
CLE
15
NC_10
14
NC_9
13
VSS_1
12
VCC_1
11
NC_8
10
NC_7
9
CE
8
RE
7
R/B
4
NC_4
5
NC_5
25 NC_16
24
NC_15
23
NC_14
2
NC_2
22
NC_13
21
NC_12
1
NC_1
20
NC_11
19
WP
18
WE
IC102-*2
NAND01GW3B2CN6E
NAND_1G_NUMONYX(DEV)
EAN60762401
26 NC_17
27 NC_18
28 NC_19
29 I/O0
30 I/O1
31 I/O2
32 I/O3
33 NC_20
34 NC_21
35 NC_22
36 VSS_2
37 VDD_2
38 NC_23
39 NC_24
40 NC_25
41 I/O4
42 I/O5
43 I/O6
44 I/O7
45 NC_26
46 NC_27
47 NC_28
48 NC_29
17
AL
3
NC_3
6
NC_6
16
CL
15
NC_10
14
NC_9
13
VSS_1
12
VDD_1
11
NC_8
10
NC_7
9
E
8
R
7
RB
4
NC_4
5
NC_5
25 NC_16
24
NC_15
23
NC_14
2
NC_2
22
NC_13
21
NC_12
1
NC_1
20
NC_11
19
WP
18
W
IC102-*3
H27U2G8F2CTR
(BR)NAND_2G_HYNIX(DEV)
EAN60708702
26 NC_17
27 NC_18
28 NC_19
29 I/O0
30 I/O1
31 I/O2
32 I/O3
33 NC_20
34 NC_21
35 NC_22
36 VSS_2
37 VCC_2
38 NC_23
39 NC_24
40 NC_25
41 I/O4
42 I/O5
43 I/O6
44 I/O7
45 NC_26
46 NC_27
47 NC_28
48 NC_29
17
ALE
3
NC_3
6
NC_6
16
CLE
15
NC_10
14
NC_9
13
VSS_1
12
VCC_1
11
NC_8
10
NC_7
9
CE
8
RE
7
R/B
4
NC_4
5
NC_5
25 NC_16
24
NC_15
23
NC_14
2
NC_2
22
NC_13
21
NC_12
1
NC_1
20
NC_11
19
WP
18
WE
5V_DET_HDMI_2
IC102-*4
TC58NVG1S3ETA00
EAN60991001
(BR)NAND_2G_TOSHIBA(DEV)
26 NC_17
27 NC_18
28 NC_19
29 I/O1
30 I/O2
31 I/O3
32 I/O4
33 NC_20
34 NC_21
35 NC_22
36 VSS_2
37 VCC_2
38 NC_23
39 NC_24
40 NC_25
41 I/O5
42 I/O6
43 I/O7
44 I/O8
45 NC_26
46 NC_27
47 NC_28
48 NC_29
17
ALE
3
NC_3
6
NC_6
16
CLE
15
NC_10
14
NC_9
13
VSS_1
12
VCC_1
11
NC_8
10
NC_7
9
CE
8
RE
7
RY/BY
4
NC_4
5
NC_5
25 NC_16
24
NC_15
23
NC_14
2
NC_2
22
NC_13
21
NC_12
1
NC_1
20
NC_11
19
WP
18
WE
IC101-*1
LGE2121-MS (M1_L13_MS10)
S7LR-M_MS10(NON KR/US)
PCMDATA[0]/GPIO129
W21
PCMDATA[1]/GPIO130
AA18
PCMDATA[2]/GPIO131
AB22
PCMDATA[3]/GPIO123
AE20
PCMDATA[4]/GPIO122
AA15
PCMDATA[5]/GPIO121
AE21
PCMDATA[6]/GPIO120
AB21
PCMDATA[7]/GPIO119
Y15
PCMADR[0]/GPIO128
W20
PCMADR[1]/GPIO127
V20
PCMADR[2]/GPIO125
W22
PCMADR[3]/GPIO124
AB18
PCMADR[4]/GPIO102
AA20
PCMADR[5]/GPIO104
AA21
PCMADR[6]/GPIO105
Y19
PCMADR[7]/GPIO106
AB17
PCMADR[8]/GPIO111
Y16
PCMADR[9]/GPIO113
AB19
PCMADR[10]/GPIO117
AB20
PCMADR[11]/GPIO115
AA16
PCMADR[12]/GPIO107
AA19
PCMADR[13]/GPIO110
AC21
PCMADR[14]/GPIO109
AA17
PCMREG_N/GPIO126
Y20
PCMOE_N/GPIO116
AB15
PCMWE_N/GPIO195
AA22
PCMIORD_N/GPIO114
AD22
PCMIOWR_N/GPIO112
AD20
PCMCE_N/GPIO118
AD21
PCMIRQA_N/GPIO108
AC20
PCMCD_N/GPIO133
Y18
PCMWAIT_N/GPIO103
Y21
PCM_RESET/GPIO132
Y22
PCM2_CE_N/GPIO134
U21
PCM2_IRQA_N/GPIO135
V21
PCM2_CD_N/GPIO138
R20
PCM2_WAIT_N/GPIO136
T20
PCM2_RESET/GPIO137
U22
UART1_TX/GPIO46
D4
UART1_RX/GPIO47
E4
UART2_TX/GPIO68
N25
UART2_RX/GPIO67
N24
UART3_TX/GPIO50
B8
UART3_RX/GPIO51
A8
I2C_SCKM2/DDCR_CK/GPIO75
P23
I2C_SDAM2/DDCR_DA/GPIO74
P24
DDCA_DA/UART0_TX
D2
DDCA_CK/UART0_RX
D1
PWM0/GPIO69
P21
PWM1/GPIO70
N23
PWM2/GPIO71
P22
PWM3/GPIO72
R21
PWM4/GPIO73
P20
PWM_PM/GPIO197
F6
SAR0/GPIO34
H6
SAR1/GPIO35
G5
SAR2/GPIO36
G4
SAR3/GPIO37
J5
SAR4/GPIO38
J4
VSYNC_LIKE/GPIO146
R23
SPI1_CK/GPIO199
R24
SPI1_DI/GPIO200
R25
SPI2_CK/GPIO201
T21
SPI2_DI/GPIO202
T22
NF_CE1Z/GPIO141 AE18
NF_WPZ/GPIO196 AC17
NF_CEZ/GPIO140 AD18
NF_CLE/GPIO139 AC18
NF_REZ/GPIO142 AC19
NF_WEZ/GPIO143 AD17
NF_ALE/GPIO144 AE17
NF_RBZ/GPIO145 AD19
GPIO_PM[0]/GPIO6 H5
PM_UART_TX/GPIO_PM[1]/GPIO7 K6
GPIO_PM[2]/GPIO8 K5
GPIO_PM[3]/GPIO9 J6
GPIO_PM[4]/GPIO10 K4
PM_UART_RX/GPIO_PM[5]/GPIO11 L6
PM_SPI_SCZ1/GPIO_PM[6]/GPIO12 C2
GPIO_PM[7]/GPIO13 L5
GPIO_PM[8]/GPIO14 M6
GPIO_PM[9]/GPIO15 M5
PM_SPI_SCZ2/GPIO_PM[10]/GPIO16 C1
GPIO_PM[11]/GPIO17 M4
PM_SPI_SCK/GPIO1 A2
PM_SPI_CZ0/GPIO_PM[12]/GPIO0 D3
PM_SPI_SDI/GPIO2 B2
PM_SPI_SDO/GPIO3 B1
TS0CLK/GPIO90 Y14
TS0VALID/GPIO88 AA10
TS0SYNC/GPIO89 Y12
TS0DATA_[0]/GPIO80 Y13
TS0DATA_[1]/GPIO81 Y11
TS0DATA_[2]/GPIO82 AA12
TS0DATA_[3]/GPIO83 AB12
TS0DATA_[4]/GPIO84 AA14
TS0DATA_[5]/GPIO85 AB14
TS0DATA_[6]/GPIO86 AA13
TS0DATA_[7]/GPIO87 AB11
TS1CLK/GPIO101 AC15
TS1VALID/GPI99 AD15
TS1SYNC/GPIO100 AC16
TS1DATA_[0]/GPIO91 AD16
TS1DATA_[1]/GPIO92 AE15
TS1DATA_[2]/GPIO93 AE14
TS1DATA_[3]/GPIO94 AC13
TS1DATA_[4]/GPIO95 AC14
TS1DATA_[5]/GPIO96 AD12
TS1DATA_[6]/GPIO97 AD13
TS1DATA_[7]/GPIO98 AD14
FE_TS_DATA[0]
R181
10K
NAND_EN
BOOT_POWER_OPTION_0
BOOT_POWER_OPTION_1 MODEL_OPT_8
MODEL_OPT_9
+3.3V_ST
R180
4.7K
R182 0
R183 0
R184 0
R186 0
R185 0
R187 0
R188 0
R190 0
R189 0
R191 0
/MHL_OCP_DET
MHL_OCP_EN
HP_DET
HP_MUTE
FLASH/EEPROM/GPIO
29LN4500
from CI SLOT
DIMMING
for SYSTEM EEPROM
(IC103)
for SERIAL FLASH
A0’h
PM MODEL OPTION
<CHIP Config(LED_R/BUZZ)>
Boot from SPI CS1N(EXT_FLASH) 1’b0
Boot from SPI_CS0N(INT_FLASH) 1’b1
NAND FLASH MEMORY
EEPROM
Internal demod out
<CHIP Config>
(I2S_OUT_BCK,I2S_OUT_MCK,PAD_PWM1PAD_PWM0)
I2C
B51_no_EJ : 4’b0000 Boot from 8051 with SPI flash
SB51_WOS : 4’b0001 Secure B51 without scramble
SB51_WS : 4’b0010 Secure B51 with scramble
MIPS_SPE_NO_EJ : 4’b0100 Boot from MIPS with SPI flash
MIPS_SPI_EJ_1 : 4’b0101 Boot from MIPS with SPI flash
MIPS_SPI_EJ_2 : 4’b0110 Boot from MIPS with SPI flash
MIPS_WOS : 4’b1001 Secure MIPS without scramble
MIPS_WS : 4’b1010 Scerur MIPS with SCRAMBLE
applied on only SMALL PCB
2011.11.15
WalkieTalkie Issue
SERIAL FLASH MEMORY
1 13
120915
ADDED
2012.10.18
ADDED
2012.10.18
ADDED
EAX65283603
2013.1.14
1211118
Delete the 5V Pull-up(CI SLOT)
1211118
Delete
121118
Pull up added
121118
Ready to imporve EMI(LVDS Noise)
LGE2121-NonMS10 (MSD804KKX)
: EAN62651201 (KR/US REGION)
LGE2121-MS10 (MSD804KKX)
: EAN62674101 (NON_KR/US REGION)
120917
Changed
Copyright © 2013 LG Electronics. Inc. All rights reserved.
Only for training and service purposes
LGE Internal Use Only

THE SYMBOL MARK OF THIS SCHEMETIC DIAGRAM INCORPORATES
SPECIAL FEATURES IMPORTANT FOR PROTECTION FROM X-RADIATION.
FILRE AND ELECTRICAL SHOCK HAZARDS, WHEN SERVICING IF IS
ESSENTIAL THAT ONLY MANUFATURES SPECFIED PARTS BE USED FOR
THE CRITICAL COMPONENTS IN THE SYMBOL MARK OF THE SCHEMETIC.
AMP_SCL
SCART1_Lout
AVDD_NODIE
C4065
0.047uF
25V
(NON_BR)HALF_NIM
+1.5V_DDR
C283 0.1uF
R246 33
DSUB_HSYNC
AUD_LRCH
AVDD_AU33
C213 0.047uF
EU
L202
BLM18SG121TN1D
HDMI_ARC
C4064
0.1uF
(NON_BR)HALF_NIM
R231 68
AUD_MASTER_CLK_0
R4024 510
IF_N_MSTAR
10uFC293
OPT
C216 0.047uF
EU
C223 0.047uF
C240
0.1uF
COMP_R_IN
AVDD2P5
+1.15V_VDDC
COMP_DET
R240 68 C4071
10uF
C269
10uF
C4007 0.1uF
OPT
R4002 47
MIUVDDC
C215 0.047uF
EU
C267 0.1uF
OPT
+3.3V_Normal
DTV/MNT_VOUT
C257 0.1uF
(NON_BR)HALF_NIM
SC1_L_IN
IR
C280 1uF
D200
MMBD6100
A2
C
A1
C214 0.047uF
EU
C4013 0.1uF
OPT
R4019
10K
(NON_BR)HALF_NIM
SC1_B+
C217 1000pF
EU
R289 100
(NON_BR)HALF_NIM
C234
0.1uF
VDD33
C4036
0.1uF
OPT
R239 33
10uFC284
C265 0.1uF
OPT
C281
10uF OPT
R4003 47
C277 1uF
R228 33
R238 68
C4046
0.1uF
IF_P_MSTAR
C229 0.1uF
C251 0.1uF
C4038
0.1uF
C271
0.1uF
OPT
AVDD_MPLL
C249
4.7uF
R4004
0
(NON_BR)HALF_NIM
SB_MUTE
C4045 1uF
C4062
0.1uF
10uFC228
C4011 0.1uF
OPT
C221 0.047uF
SOC_RESET
R205
10
VDD33
SC1_CVBS_IN
C290
0.1uF OPT
IF_AGC_MAIN
C233 0.047uF
R230 33
10uFC4001
R215
0
1/10W
5%
MIUVDDC
C218 0.047uF
C270
0.1uF
OPT
R4026
10K
+1.15V_VDDC
R253 33
EU
SCART1_Rout
C227 0.047uF
C4031 0.1uF
OPT
COMP_Y+/AV_CVBS_IN
R217
0
1/10W
5%
C212 0.047uF
EU
R258 68
EU
C235 0.1uF
C286
0.1uF
AVDD_DVI
+1.15V_VDDC
AUD_LRCK
R4023
2.4K
10uFC276
OPT
R213 22
VDD33
10uFC275
AUD_SCK
R297 0OPT
C4012 0.1uF
R296 100OPT
AVDD_DVI
COMP_Pb+
R257 33
EU
C274
0.1uF
C264
1000pF
OPT
X201
24MHz
R256 68
EU
AMP_SDA
USB_DP
AVDD_NODIE
SOC_RESET
C250 0.1uF
TP209
C245 2.2uF
C210 1000pF
C200
4.7uF
10V
DSUB_R+
C263
10uF
SC1_FB
C258 0.1uF
(NON_BR)HALF_NIM
C241
0.1uF
C224 1000pF
C209 0.047uF
C273
0.1uF
TU_SCL
C205 0.047uF
10uFC202
C242 2.2uF
R255 33
EU
AVDD_MPLL
C4009
0.1uF
C4024 0.1uF
OPT
C4020 0.1uF
PC_R_IN
R242 68
R216
0
1/10W
5%
+3.3V_ST
DSUB_B+
C236 2.2uF
C238
0.1uF
16V
+1.5V_DDR
C278
10uF
R200
62K
C204 0.047uF
TU_SDA
COMP_Y+/AV_CVBS_IN
C299 0.1uF
OPT
AVDD2P5_MOD
C252
0.1uF
TU_SIF
C226 0.047uF
EU
AVDD2P5
R244 33
C253
1uF
C4006 0.1uF
OPT
R237 33
C207 0.047uF
C4043 0.1uF
R4025 510
C256
0.1uF
C292 0.1uF
OPT
+1.5V_DDR
+1.15V_VDDC
C244 2.2uF
SC1_SOG_IN
R254 68
EU
SC1_G+
C220 0.047uF
CI_DET
R252 68
C222 0.047uF
C232 0.1uF
OPT
C203
1000pF
OPT 50V
DSUB_G+
TU_CVBS
R288 100
(NON_BR)HALF_NIM
C4025 0.1uF
R233 68
R245 33
EU
C231 1uF
OPT
CEC_REMOTE_S7
R229 68
DSUB_VSYNC
C4042
1uF
R232 33
C225 0.047uF
SC1_R_IN
C206 0.047uF
C219 0.047uF
C237 2.2uF
COMP_L_IN
PC_L_IN
C211 0.047uF
EU
R214 22
AVDD2P5_MOD
SC1_R+
R241 33
SC1_ID
C243 2.2uF
C201
0.1uF
OPT
C208 0.047uF
C4044 0.1uF
AVDD_AU33
R210 0
OPT
COMP_Pr+
C4019 0.1uF
OPT
R287
1M
+2.5V_Normal
R236 0
NON_EU
+3.3V_ST
C4014 0.1uF
OPT
+3.3V_Normal
USB_DM
IC101
MSD804KKX
S7LR-M_NON_MS10
RXACKP
J2
RXACKN
J3
RXA0P
K3
RXA0N
J1
RXA1P
K2
RXA1N
K1
RXA2P
L2
RXA2N
L3
DDCDA_DA/GPIO27
T5
DDCDA_CK/GPIO26
T4
HOTPLUGA/GPIO22
V5
HOTPLUGD/GPIO25
R5
RXCCKP
AE9
RXCCKN
AC9
RXC0P
AC10
RXC0N
AD9
RXC1P
AC11
RXC1N
AD10
RXC2P
AE11
RXC2N
AD11
DDCDC_DA/GPIO31
AE8
DDCDC_CK/GPIO30
AD8
HOTPLUGC/GPIO24
AC8
RXBCKP
F2
RXBCKN
F3
RXB0P
G3
RXB0N
F1
RXB1P
G2
RXB1N
G1
RXB2P
H2
RXB2N
H3
DDCDB_DA/GPIO29
R6
DDCDB_CK/GPIO28
U6
HOTPLUGB/GPIO23
P5
CEC/GPIO5
R4
HSYNC0
P2
VSYNC0
R3
RIN0P
N2
RIN0M
P3
GIN0P
N3
GIN0M
N1
BIN0P
M3
BIN0M
M2
SOGIN0
M1
HSYNC1
V2
VSYNC1
V3
RIN1P
U3
RIN1M
U2
GIN1P
T1
GIN1M
T2
BIN1P
R2
BIN1M
R1
SOGIN1
T3
HSYNC2
AA2
RIN2P
Y2
RIN2M
AA3
GIN2P
W2
GIN2M
Y3
BIN2P
V1
BIN2M
W3
SOGIN2
W1
CVBS0
AA8
CVBS1
Y4
CVBS2
W4
CVBS3
AA5
NC_5
Y5
NC_7
AA4
NC_6
Y6
CVBSOUT1
AA1
VCOM
AB4
NC_8 AC4
NC_9 AD3
IP AC3
IM AE3
SIFP AD4
SIFM AC5
IF_AGC AD2
RF_AGC AE2
I2C_SCKM1/GPIO78 AE6
I2C_SDAM1/GPIO79 AD6
XIN AD1
XOUT AC1
SPDIF_IN/GPIO150 D7
SPDIF_OUT/GPIO151 D6
USB0_DM E3
USB0_DP E2
USB1_DM AC12
USB1_DP AE12
I2S_IN_BCK/GPIO148 C8
I2S_IN_SD/GPIO149 D8
I2S_IN_WS/GPIO147 D9
I2S_OUT_BCK/GPIO154 B10
I2S_OUT_MCK/GPIO152 C9
I2S_OUT_SD/GPIO155 B9
I2S_OUT_WS/GPIO153 C10
AUL0 AB9
AUR0 AA11
AUL1 Y9
AUR1 AA9
AUL2 AA7
AUR2 AB8
AUL3 Y8
AUR3 Y10
AUL4 AC7
AUR4 AD7
GPIO_PM[13]/GPIO19 W6
AUOUTL2 V6
AVDD5V_MHL V4
GPIO_PM[14]/GPIO20 Y7
AUOUTR2 W5
GPIO_PM[15]/GPIO21 U5
AUVRM AD5
AUVAG AE5
AUVRP AC6
EARPHONE_OUTL AA6
EARPHONE_OUTR AB6
RP/GPIO63 C6
TP/GPIO60 C5
RN/GPIO66 A6
LED1/GPIO59 C4
TN/GPIO62 B5
GPIO61 C3
GPIO64 A3
GPIO65 B3
LED0/GPIO58 B4
IRIN/GPIO4 N4
ARC0 T6
HWRESET N5
IC101
MSD804KKX
S7LR-M_NON_MS10
AVDDLV_USB
K12
VDDC_1
G9
VDDC_2
H9
VDDC_3
K10
VDDC_4
K11
VDDC_5
L10
VDDC_6
M12
VDDC_7
M13
VDDC_8
N12
VDDC_9
P14
VDDC_10
P15
VDDC_11
R10
VDDC_12
R14
VDDC_13
R15
VDDC_14
T10
NC_2
P10
FB_CORE
P19
AVDDL_MOD
R16
NC_1
L11
DVDD_DDR
M14
AVDD2P5_ADC_1
W9
AVDD2P5_ADC_2
W10
AVDD2P5_ADC_3
W11
AVDD2P5_ADC_4
W12
AVDD25_LAN
Y17
AVDD_MOD_1
V18
AVDD_MOD_2
U19
NC_3
W14
NC_4
W15
AVDD_NODIE
U7
AVDD_DVI_USB_1
L7
AVDD_DVI_USB_2
M7
AVDD3P3_MPLL
P7
AVDD_DMPLL
R7
DVDD_NODIE
M19
AVDD_AU33
V7
AVDD_EAR33
W7
VDDP_1
R19
VDDP_2
T19
AVDD_LPLL_1
W18
AVDD_LPLL_2
W19
VDDP_NAND
V19
AVDD_DDR0_D_1
J17
AVDD_DDR0_D_2
K15
AVDD_DDR0_D_3
K16
AVDD_DDR0_C
L15
AVDD_DDR1_D_1
K17
AVDD_DDR1_D_2
L17
AVDD_DDR1_D_3
M17
AVDD_DDR1_C
L16
GND_EFUSE
E9
GND_1
A23
GND_2
B17
GND_3
C23
GND_4
A5
GND_5
C11
GND_6
C19
GND_7
C22
GND_8
D14
GND_9
D18
GND_10
D19
GND_11
E17
GND_12
E18
GND_13
E19
GND_14
E22
GND_15
F8
GND_16
F17
GND_17
F18
GND_18
F19
GND_19
G8
GND_20
H8
GND_21
N22
GND_22
N21
GND_23
N20
GND_24
M22
GND_25
M21
GND_26
M20
GND_27
F10
GND_28
V15
GND_29
W16
GND_30
V8
GND_31
T18
GND_32 G10
GND_33 G11
GND_34 G12
GND_35 G13
GND_36 G14
GND_37 G17
GND_38 G18
GND_39 G19
GND_40 G24
GND_41 H11
GND_42 H12
GND_43 H13
GND_44 H14
GND_45 H15
GND_46 H16
GND_47 H17
GND_48 H18
GND_49 H19
GND_50 J9
GND_51 J10
GND_52 J11
GND_53 J12
GND_54 J13
GND_55 J14
GND_56 J15
GND_57 J16
GND_58 J18
GND_59 J19
GND_60 J25
GND_61 K9
GND_62 K13
GND_63 K14
GND_64 H10
GND_65 K18
GND_66 K19
GND_67 K22
GND_68 L8
GND_69 L9
GND_70 J8
GND_71 L12
GND_72 L13
GND_73 L18
GND_74 L19
GND_75 M8
GND_76 K8
GND_77 M10
GND_78 M11
GND_79 L14
GND_80 M15
GND_81 M16
GND_82 M18
GND_83 M25
GND_84 N10
GND_85 N11
GND_86 N13
GND_87 N14
GND_88 N15
GND_89 N16
GND_90 N17
GND_91 N19
GND_92 K7
GND_93 P8
GND_94 P9
GND_95 M9
GND_96 P11
GND_97 P13
GND_98 P16
GND_99 P17
GND_100 P18
GND_101 P12
GND_102 R8
GND_103 R9
GND_104 R11
GND_105 R12
GND_106 R13
GND_107 R17
GND_108 T8
GND_109 T9
GND_110 N7
GND_111 T11
GND_112 T12
GND_113 T13
GND_114 T14
GND_115 T15
GND_116 T16
GND_117 T17
GND_118 U8
GND_119 U9
GND_120 U10
GND_121 U11
GND_122 U12
GND_123 U13
GND_124 U14
GND_125 U15
GND_126 U16
GND_127 U17
GND_128 R18
GND_129 V9
GND_130 V10
GND_131 V11
GND_132 V12
GND_133 V14
GND_134 V17
GND_135 T7
GND_136 E8
ZD1101
3.3V
OPT
C4074
100pF
OPT
R4052
0
(NON_BR)HALF_NIM
C261 27pF
C262 27pF
D0-_HDMI2
DDC_SDA_2
D2-_HDMI2
D1-_HDMI2
D0+_HDMI2
CK+_HDMI2
CK-_HDMI2
D2+_HDMI2
DDC_SCL_2
HPD2
D1+_HDMI2
R201 22
R202 22
EPHY_RP
R262
49.9
EPHY_RN
EPHY_TP
R265
49.9 R263
49.9
C295
0.1uF
R264
49.9
EPHY_TN
C294
0.1uF
C4067
33pF
50V
ASIA(HALF_NIM/IF_FILTER)
C4073
33pF
50V
ASIA(HALF_NIM/IF_FILTER)
MODEL_OPT_7
MODEL_OPT_3
+3.3V_Normal
MODEL_OPT_6
MODEL_OPT_1
R212 1K
MODEL_OPT1(NON_AJ)
MODEL_OPT_9
R211 1K
MODEL_OPT1_(AJ)
MODEL_OPT_0
MODEL_OPT_5
R303 10K
+2.5V_Normal+3.3V_Normal
R225 1K
MODEL_OPT_MIU0-128M(KR/US)
R222 1K
OPT
R207 1K
R203 100
(BR)RF_SW_OPT
R294 1K
OPT
R291 1K
R227 1K
OPT
R301 10K
OPT
R293 1K
R300 10K
(OPT)TAIWAN
MODEL_OPT_8
MODEL_OPT_4
RF_SWITCH_CTL
R208 1K
OPT
MODEL_OPT_2
+3.3V_ST
R209 1K
R206 1K
OPT
R223 1K
R290 1K
OPT
R226 1K
R224 1K
MODEL_OPT_MIU0-256M(BR/EU/ASIA)
R302 10K
EU/AJ
BOOT_POWER_OPTION_0
BOOT_POWER_OPTION_1
FB_CORE
FB_CORE
R304 0
1/10W 5%
R305 0
1/10W 5%
R308 0
1/10W 5%
R310 0
1/10W 5%
R309 0
1/10W 5%
MHL_CD_SENSE
/VBUS_EN
AVDD5V_MHL
R277
0
OPT
R278
0
OPT
C272
4.7uF
10V
LN4500
R275
0
LN4500
HP_LOUT
R276
0
LN4500
HP_ROUT
C268
4.7uF
10V
LN4500
L205 LN45005.6uH
L203 LN45005.6uH
POWER,IN/OUT,H/W OPT
AUDIO OUT
DTV_IF
Close to MSTAR
SCART1_RGB
AVDD_DDR1:55mA
VDDC 1.15V
SIDE USB
DDR3 1.5V
I2S_I/F
TUNER_I2C
HDMI
AVDD25_PGA:13mA
AVDD2P5:172mA
DSUB
AUDIO IN
CVBS In/OUT
ANALOG SIF
Close to MSTAR
COMP2
Close to MSTAR
VDDC : 2026mA
Normal 2.5V
AVDD_DDR0:55mA
Normal Power 3.3V
Close to MSTAR
SOC_RESET
111026Switch
EBF32593901 Deletion
STby 3.3V
AVDD_NODIE:7.362mA
2 13
OPTION - ETHERNET(T2_UK/BR_GINGA)
MODEL OPTION
MODEL_OPT_0
DVB_T2
HD
B8
NON_DVB_S
MODEL_OPT_9
F7
NON_DualStream
NON_AJ
PIN NAME PIN NO.
Dual Stream is only Korea 3D spec
MODEL_OPT_4
Other: N.C
HIGH
TAIWAN
HD_LVDS_NON_EU
T24
AJ
M120
MODEL_OPT_6 MIU1-NO_DDR
U23
MODEL_OPT_2
A9
MODEL_OPT_1
NON_DVB_T2
NON_M120
MODEL_OPT_8
DualStream
HD_LVDS_EU
AB2
MIU0-128M
DVB_S
F4
AB3
MODEL_OPT_5
MODEL_OPT_7
MIU1-128M
EU,AJ
MODEL_OPT_3
FHD
LOW
T25
A8
MIU0-256M
0
Model
OPT 4
1
MEMORY OPTION
128M
1
Note
0
128M+128M
Model
OPT 6
Memory
0
0
256M 1
1
Ginga
256M+128M
121018
PM_MODEL_OPT_0
->BOOT_POWER_OPTION_0
121018
PM_MODEL_OPT_1
->BOOT_POWER_OPTION_1
121118
Change from bead to 0 ohm for Cost down
121118
Change from bead to 0 ohm for Cost down
121118
Change from bead to 0 ohm for Cost down
121118
Change from bead to 0 ohm for Cost down
121118
Change from bead to 0 ohm for Cost down
H/P OUT
OPT(DSUB_block)
EAX65283603
2013.1.1429LN4500
Copyright © 2013 LG Electronics. Inc. All rights reserved.
Only for training and service purposes
LGE Internal Use Only

THE SYMBOL MARK OF THIS SCHEMETIC DIAGRAM INCORPORATES
SPECIAL FEATURES IMPORTANT FOR PROTECTION FROM X-RADIATION.
FILRE AND ELECTRICAL SHOCK HAZARDS, WHEN SERVICING IF IS
ESSENTIAL THAT ONLY MANUFATURES SPECFIED PARTS BE USED FOR
THE CRITICAL COMPONENTS IN THE SYMBOL MARK OF THE SCHEMETIC.
CI_TS_CLK
SCART1_DET
PCM_A[11]
PCM_D[7]
CI_TS_DATA[6]
SC1_R+
/CI_CD1
SC1_CVBS_IN
CI_TS_DATA[5]
CI_TS_DATA[3]
/PCM_REG
SC1_R_IN
/PCM_IRQA
SCART1_MUTE
PCM_D[4] DTV/MNT_VOUT
CI_TS_DATA[7]
PCM_A[9]
PCM_RST
PCM_D[0]
PCM_D[1]
PCM_D[2]
CI_TS_DATA[4]
/PCM_CE PCM_A[13]PCM_D[5]
SC1_G+
SCART1_Lout
PCM_D[3]
CI_TS_VAL
CI_TS_DATA[2]
/PCM_WAIT
PCM_A[10]
CI_TS_DATA[0]
CI_TS_SYNC
CI_TS_DATA[1]
SCART1_Rout
SC1_SOG_IN
/PCM_CD
PCM_A[12]
PCM_A[14]
PCM_A[8]
/PCM_IORD
/PCM_IOWR
SC1_ID
SC1_FB
PCM_D[6]
/CI_CD2
/PCM_WE
SC1_B+
CI_DET
SC1_L_IN
/PCM_OE
PCM_5V_CTL
TP for CI slot TP for SCART
TP for EU_T/C
TP_EU 3 12
EAX65283603
2013.1.1429LN4500
Copyright © 2013 LG Electronics. Inc. All rights reserved.
Only for training and service purposes
LGE Internal Use Only

USB DOWN STREAM
THE SYMBOL MARK OF THIS SCHEMETIC DIAGRAM INCORPORATES
SPECIAL FEATURES IMPORTANT FOR PROTECTION FROM X-RADIATION.
FILRE AND ELECTRICAL SHOCK HAZARDS, WHEN SERVICING IF IS
ESSENTIAL THAT ONLY MANUFATURES SPECFIED PARTS BE USED FOR
THE CRITICAL COMPONENTS IN THE SYMBOL MARK OF THE SCHEMETIC.
INTERFACE
IC400
AP2191DSG
3IN_2
2IN_1
4EN
1GND
5
FLG
6
OUT_1
7
OUT_2
8
NC
USB_DM 1:AL8
JP411
C422
0.33uF
16V
Hotel_Model(RS232C apply)
PM_TXD
+3.3V_ST
L403
BLM15BD121SN1
VA420
20V
D416
MMBD6100
A2
C
A1
VA424
20V
RGB_DDC_SCL
+3.3V_ST
R467
15K
JK406
SPG09-DB-010
1RED
2GREEN
3BLUE
4GND_1
5DDC_GND
6RED_GND
7GREEN_GND
8BLUE_GND
9NC
10 SYNC_GND
11
GND_2
12 DDC_DATA
13 H_SYNC
14 V_SYNC
15 DDC_CLOCK
16 SHILED
JP408
DSUB_VSYNC
2:E18
R457
0
OPT
R448
10K
VA417
20V JP427
R442
75
R464
470K
OPT
VA425
20V
C403
18pF
50V
OPT
VA400
20V
C421
47pF
50V
PC_R_IN
JP402
JP404
DSUB_G+
JP401
JP429
C413
220pF
50V
R466
15K
JP400
R445 0
C404
10uF
10V
OPT
JP403
JK401
KJA-PH-1-0177
3 M3_DETECT
4 M4
5 M5_GND
1 M1
6 M6
DSUB_B+
R470
10K
VA403
5.5V
USB_OCD
VA406
5.5V
C405
0.1uF
C401
18pF
50V
OPT
JP428
VA402
5.5V
JP409
USB_DP 1:AL7
C414
220pF
50V
L401
BLM15BD121SN1
C419
47pF
50V
R449
0
OPT
R469
10K
+5V_Normal
JP407
VA423
20V
DSUB_DET
DSUB_R+
R455
0
OPT
JK403
3AU04S-305-ZC-(LG)
1234
5
L402
BLM15BD121SN1
R473
47
RGB_DDC_SDA
R444 0
PC_L_IN
R465
470K
OPT
R460
0
NON_Hotel_Model(RS232C Bypass)
R462
100
JP412
C425
0.1uF
16V
Hotel_Model(RS232C apply)
IC401
MAX3232CDR
Hotel_Model(RS232C apply)
3C1-
2V+
4C2+
1C1+
6V-
5C2-
7DOUT2
8RIN2
9
ROUT2
10
DIN2
11
DIN1
12
ROUT1
13
RIN1
14
DOUT1
15
GND
16
VCC
R459
0
NON_Hotel_Model(RS232C Bypass)
P1104
12507WS-04L
1
2
3
4
5
DSUB_HSYNC
2:E18
VA427
20V
OPT
R451
0
JP413
R454
0
OPT
PM_RXD
PM_RXD
+3.3V_Normal
JP416
VA418
20V
+5V_USB
C420
47pF
50V
R463
0
(OPT)IR_OUT
R472
10K
C426
0.1uF
16V
Hotel_Model(RS232C apply)
+3.3V_ST
+3.3V_ST
VA422
20V
R443
75
C400
0.1uF
VA428
20V
OPT
R441
75
C424
0.33uF
16V
Hotel_Model(RS232C apply)
R452
47K
VA415
20V
PC_AUDIO_DET
VA407
20V
OPT
C423
0.33uF
16V
Hotel_Model(RS232C apply)
R447
10K
IR_OUT
USB_CTL
JP405
R446 0
VA419
20V
JP410
R461
100
VA401
20V
R458
0
OPT
R471
1K
PM_TXD
JP406
JK404
KJA-PH-1-0177
Hotel_Model(RS232C apply)
3M3_DETECT
4 M4
5M5_GND
1 M1
6 M6
R468
470K
Q400
MMBT3904(NXP)
E
B
C
R435
10K
R418
47K
+3.3V_Normal
VA426
5.5V
OPT
R411
0
ETHERNET(T2_UK/BR_GINGA)
VA405
5.5V
OPT
EPHY_RP
VA404
5.5V
OPT
JK402
XRJV-01V-0-D12-080
(Sub)ETHERNET(T2_UK/BR_GINGA)
1
2
3
4
5
6
7
8
9
9
EPHY_TN
EPHY_RN
EPHY_TP
VA409
5.5V
OPT
C410
0.01uF
50V
ETHERNET(T2_UK/BR_GINGA)
MGJ63348202
M1-*1
JackShield(for CKD)
MGJ63348201
M1
JackShield(for NonCKD)
JK402-*1
RJ45VT-01SN002
(Main)ETHERNET(T2_UK/BR_GINGA)
11
22
33
44
55
66
77
88
9
9
120103
ESD diode addition
EAF61530301 2EA
111026
ESD diode deletion
EAH39491601 2EA
To Improve EMI
11.10.31
To Improve Ringing issue
LOW capacitance Part apply
11.10.27
PC AUDIO(SIDE) USB(SIDE)
4 13
12.07.02
BY.Hwang
RS232C
12.08.10
47K->470K
ETHERNET
Jack Shield (HDMI1,RGB)
121128
ESD improve
OPT->APPLY
121128
ESD improve
OPT->APPLY
121128
ESD improve
OPT->APPLY
121128
ESD improve
OPT->APPLY
121128
ESD improve
OPT->APPLY
121128
ESD improve
OPT->APPLY
DSUB RGB
121128
ESD improve
OPT->APPLY
121226
Use to keep DET LOW
EAX65283603
2013.1.1429LN4500
Copyright © 2013 LG Electronics. Inc. All rights reserved.
Only for training and service purposes
LGE Internal Use Only

THE SYMBOL MARK OF THIS SCHEMETIC DIAGRAM INCORPORATES
SPECIAL FEATURES IMPORTANT FOR PROTECTION FROM X-RADIATION.
FILRE AND ELECTRICAL SHOCK HAZARDS, WHEN SERVICING IF IS
ESSENTIAL THAT ONLY MANUFATURES SPECFIED PARTS BE USED FOR
THE CRITICAL COMPONENTS IN THE SYMBOL MARK OF THE SCHEMETIC.
HDMI 5 12
DDC_SCL_2
D502
MMBD6100
A2
C
A1
R520
100
R522
2.7K
HDMI_CEC
R521
2.7K
CEC_REMOTE_S7
+5V_Normal
DDC_SDA_2
5V_HDMI_2
R534
10K
LN4500
D507
RCLAMP0524PA
(OPT)ESD_HDMI_SEMTECH(DEV)
1
8
2
7
3
6
4
5
9
10
DDC_SCL_2
D1-_HDMI2
HPD2
R509
100
LN4500
/VBUS_EN
R539
0
R524
10K
LN4500
D2+_HDMI2
D506-*1
IP4283CZ10-TBA
(OPT)ESD_HDMI_NXP
3
GND_1
2
TMDS_CH1+
4
TMDS_CH2-
1
TMDS_CH1-
5
TMDS_CH2+ 6NC_1
7NC_2
8GND_2
9NC_3
10 NC_4
Q508
LN4500
E
B
C
VA502
20V
R512
0
1/16W
5%
LN4500
R536
0
LN4500
+3.3V_Normal
R507
300K
DDC_SDA_2
VA510
20V
OPT
R515
10K
LN4500
R511
10
R533
20K
LN4500
C500
10uF
10V
LN4500
HDMI_CEC
VA503
20V
C503
0.1uF
LN4500
R528
1K
MN33D
R516
100K
OPT
CK-_HDMI2
Q503
MMBT3904(NXP)
OPT
E
B
C
VA513
20V
OPT
VA505
OPT
+5V_USB
D2-_HDMI2
R503
47K
R513
10K
OPT
R535
2.7K
LN4500
Q501
MMBT3904(NXP)
E
B
C
R530
0
MN33D
R500
47K
D500
30V
MBR230LSFT1G
LN4500
HDMI_ARC
R537
0
(OPT)LN4500MHL_OLD
MHL_CD_SENSE
IC500
BD82020FVJ
LN4500
3IN_2
2IN_1
4EN
1GND
5
OC
6
OUT_1
7
OUT_2
8
OUT_3
R532
0
LN4500
R501
10K
JK501
EAG61491201
14
13
5D1_GND
20
SHIELD
12
11
2D2_GND
19
18
10 CK+
4D1+
1D2+
17
9D0-
8D0_GND
3D2-
16
7D0+
6D1-
15
R538
10K
(OPT)LN4500MHL_OLD
D507-*1
IP4283CZ10-TBA
(OPT)ESD_HDMI_NXP
3
GND_1
2
TMDS_CH1+
4
TMDS_CH2-
1
TMDS_CH1-
5
TMDS_CH2+ 6NC_1
7NC_2
8GND_2
9NC_3
10 NC_4
VA506
OPT
5.6V
R519
10K
LN4500
+3.3V_Normal
R527 0
(OPT)HDMI2_ARC
Q505
MMBT3904(NXP)
MN33D
E
B
C
R514
10K
OPT
5V_HDMI_2
D1+_HDMI2
AVDD5V_MHL
R525 0
LN4500
D0+_HDMI2
C502
0.047uF
25V
LN4500
+3.3V_ST
5V_DET_HDMI_2
5V_HDMI_2
Q506
LN4500
E
B
C
MHL_OCP_EN
R523
10K
LN4500
D0-_HDMI2
CK+_HDMI2
R531
0
Q507
LN4500
E
B
C
VA514
20V
OPT
/MHL_OCP_DET
R529
10K
MN33D
D506
RCLAMP0524PA
(OPT)ESD_HDMI_SEMTECH(DEV)
1
8
2
7
3
6
4
5
9
10
+3.3V_Normal
+3.3V_ST
VA509
20V
OPT
Q504
MMBT3906(NXP)
OPT
E
B
C
D503
MMBD6100
A2
C
A1
+3.3V_ST
HDMI
For CEC
121118
22->100ohm
121109
Change 0ohm -> 10ohm
(EOS Issue..Mstar Recommand)
120825
ESD component addition
(Active Low)
HDMI_2 With MHL
(Active High)
MHL OCP
120715
Added for ESD prevention
120825
OPT->APPLY
EAX65283603
2013.1.1429LN4500
130221
Added
Copyright © 2013 LG Electronics. Inc. All rights reserved.
Only for training and service purposes
LGE Internal Use Only

THE SYMBOL MARK OF THIS SCHEMETIC DIAGRAM INCORPORATES
SPECIAL FEATURES IMPORTANT FOR PROTECTION FROM X-RADIATION.
FILRE AND ELECTRICAL SHOCK HAZARDS, WHEN SERVICING IF IS
ESSENTIAL THAT ONLY MANUFATURES SPECFIED PARTS BE USED FOR
THE CRITICAL COMPONENTS IN THE SYMBOL MARK OF THE SCHEMETIC.
MODULE&CONTROL
C607
1000pF
50V
JP604
LVA_CKM
D600 30V
R626
4.7K
JP610
C605
0.1uF
50V
+3.3V_ST
LVA_CKP
R601
10K
LVA_1P
R618
22
(OPT)IR_OUT
C604
1000pF
(OPT)IR_OUT
R621
10K
(OPT)IR_OUT
+3.3V_ST
R602
10K
IR
C600
0.1uF 50V
JP607
JP601
R624
4.7K
JP605
LED_RED
R615
100
LVA_0P
P600
12507WR-12L
1
2
3
4
5
6
7
8
9
10
11
12
13
R622
10K
(OPT)IR_OUT
R620
0
OPT
IR_OUT
+3.3V_ST
R616
3.3K
JP602
+12V_PANEL_POWER
C603
100pF50V
OPT
JP600
R617
3.3K
KEY2
D603 30V
OPT
Q602
MMBT3904(NXP)
(OPT)IR_OUT
E
B
C
LED_AMBER
R623
47K
(OPT)IR_OUT
LVA_0M
LVA_1M
JP609
R627
4.7K
JP606
R619
10K
(OPT)IR_OUT
JP612
C606
10uF
25V
LVA_3M
P601
10031HR-30
1
2
3
4
5
6
7
8
9
10
11
12
13
14
15
16
17
18
19
20
21
22
23
24
25
26
27
28
29
30
31
LVA_2P
KEY_SDA
LVA_3P
D601 30V
R600
10K
+3.3V_ST
Q600
MMBT3904(NXP)
E
B
C
+3.3V_ST
R603
10K
KEY1
LVA_2M
Q601
MMBT3904(NXP)
E
B
C
KEY_SCL
IR
R614
100
D602 30V
OPT
C602
100pF50V
OPT
JP608
+3.3V_ST
L600
BLM18PG121SN1D
JP611
R625
4.7K
JP603
C601
1000pF 50V
Q603
MMBT3904(NXP)
(OPT)IR_OUT
E
B
C
R604 270
1/10W 1%
R610 330
1/10W 1%
R4044
200
IR/LED and Control
IR_OUT(Ready)
6 13
Module
121118
R604,R610
2012->1608
Amber LED:9.5mA Red LED:7.8mA
121118
100ohm->200ohm
(IR Port protection against ESD)
EAX65283603
2013.1.1429LN4500
Copyright © 2013 LG Electronics. Inc. All rights reserved.
Only for training and service purposes
LGE Internal Use Only

THERMAL
THE SYMBOL MARK OF THIS SCHEMETIC DIAGRAM INCORPORATES
SPECIAL FEATURES IMPORTANT FOR PROTECTION FROM X-RADIATION.
FILRE AND ELECTRICAL SHOCK HAZARDS, WHEN SERVICING IF IS
ESSENTIAL THAT ONLY MANUFATURES SPECFIED PARTS BE USED FOR
THE CRITICAL COMPONENTS IN THE SYMBOL MARK OF THE SCHEMETIC.
AUDIO AMP 7 13
R702
12
L709
NRS6045T100MMGK
Audio_Coil_ABCO
10.0uH
SB_MUTE
0.1uF
C739
50V
C743
1uF
25V
0.1uF
C704
16V
OPT
AUD_LRCH
C708
33pF
50V
+19V_AMP_VCC
R727
5.1K
Q702
MMBT3906(NXP)
E
B
C
+19V
R738
12K
D710
KDS226
A
AC
C
C724
47uF
25V
R737
12K
TP701
TP702
TP700
C701
0.1uF
16V
OPT
JP707
JP705
JP704
R734
220K
P700
SMAW250-H04R
WAFER-ANGLE
1
2
3
4
JP706
SB_MUTE
NTP_MUTE R708
33K
OPT
R709 100
R701
10K
C709
1000pF
50V
R705
10K
D700
MMBD6100
A2
C
A1
+3.3V_ST
Q700
MMBT3904(NXP)
E
B
C
C703
0.01uF
50V
OPT
C742
4.7uF
50V
R735
220K
OPT
AMP_SCL
C711
22000pF
50V
C702
10uF
10V
R736
470
0.1uF
C740
50V
0.1uF
C737
50V
R718
12
C722
22000pF
50V
C700
0.1uF
16V
C705
33pF
50V
0.1uF
C715
50V
+3.3V_AMP
0.1uF
C707
16V
R704
12
D707
100V
1N4148W
OPT
R712
12
R728
5.1K
C727
1uF
25V
C731
390pF
50V
C726
1uF
25V
0.1uF
C714
50V
+19V_AMP_VCC
C706
1000pF
50V
D706
100V
1N4148W
OPT
D704
100V
1N4148W
OPT
0.1uF
C713
50V D705
100V
1N4148W
OPT
C729
390pF
50V
AMP_SDA
R719
12
0.1uF
C738
50V
R715
12
C735
0.47uF
50V
C723
22000pF
50V
C730
390pF
50V
C728
390pF
50V
R729
5.1K
R720
12
R700
3.3
OPT
R730
5.1K
R717
12
AUD_MASTER_CLK
C710
22000pF
50V
L706
NRS6045T100MMGK
Audio_Coil_ABCO
10.0uH
AMP_RST
R707 100
L700
NRS6045T100MMGK
Audio_Coil_ABCO
10.0uH
AUD_SCK
C734
0.47uF
50V
AUD_LRCK
L701
NRS6045T100MMGK
Audio_Coil_ABCO
10.0uH
R703 100
0.1uF
C712
50V
C4072
1uF
10V
L709-*1
NRS6045T100MMGK
(OPT)Audio_Coil_TAIYO
10.0uH
L706-*1
NRS6045T100MMGK
(OPT)Audio_Coil_TAIYO
10.0uH
L700-*1
NRS6045T100MMGK
(OPT)Audio_Coil_TAIYO
10.0uH
L701-*1
NRS6045T100MMGK
(OPT)Audio_Coil_TAIYO
10.0uH
R4045
0
IC700
NTP7513
3
DGND_PLL
2
VDD_PLL
4
GND
1
AGND_PLL
6
DVDD
5
DGND
7
SDATA
8
WCK
9
BCK
10
SDA
11
SCL
12
FAULT
13
MONITOR_0
14
MONITOR_1
15
MONITOR_2
16
BST2B
17
PGND2B
18
OUT2B
19
PVDD2B
20
PVDD2A
21 OUT2A
22 PGND2A
23 BST2A
24 VDR2
25 AGND
26 VCC5
27 VDR1
28 BST1B
29 PGND1B
30 OUT1B
31 PVDD1B
32 PVDD1A
33 OUT1A
34 PGND1A
35 BST1A
36 RESET
37 AD
38 CLK_I
39 GND_IO
40 VDD_IO
41
[EP]GND
C744
47uF
25V
C745
47uF
25V
C716
10uF
25V
C718
10uF
25V
Q705
MMBT3904(NXP)
LN4500
E
B
C
SB_MUTE
Q703
MMBT3904(NXP)
LN4500 E
B
C
R711
1K
LN4500
JK700
KJA-PH-1-0177-2
LN4500
3 M3_DETECT
4 M4
5 M5_GND
1 M1
6 M6
D709
MMBD6100
LN4500
A2
C
A1
C720
10uF
10V
LN4500
HP_ROUT
HP_LOUT
HP_MUTE
+3.3V_Normal
HP_DET
R706
47K
LN4500
Q701
MMBT3904(NXP)
LN4500
E
B
C
R714
3.3K
LN4500
JP701
JP700
Q707
MMBT3904(NXP)
LN4500
E
B
C
VA701
20V
LN4500
C717
1000pF
50V
OPT
VA702
20V
LN4500
C719
1000pF
50V
OPT
R739
0
1/16W
5%
LN4500
R713
1K
LN4500
VA703
20V
OPT
JP703
JP702
Q706
MMBT3906(NXP)
LN4500
E
B
C
C721
10uF
10V
LN4500
R733
10K
LN4500
+3.3V_ST
Q704
MMBT3904(NXP)
LN4500
E
B
C
R710
1K
LN4500
Pop-up noise killer
AUDIO AMP
0x54
SPK_R+
SPK_R-
SPK_L-
SPK_L+
12.08.09
3K:
With SCART MUTE BLOCK
12K:
Without SCART MUTE BLOCK
121118
R737 3K for SCART MUTE DEL
12.08.16
Added by JCPark
121118
OPTION added for LN4500
Headphone block
MUTE control
12.11.07
1K->0 by JHShin
to solve pop-noise issue
EAX65283603
2013.1.1429LN4500
Copyright © 2013 LG Electronics. Inc. All rights reserved.
Only for training and service purposes
LGE Internal Use Only

THERMAL
THERMAL
THERMAL
THE SYMBOL MARK OF THIS SCHEMETIC DIAGRAM INCORPORATES
SPECIAL FEATURES IMPORTANT FOR PROTECTION FROM X-RADIATION.
FILRE AND ELECTRICAL SHOCK HAZARDS, WHEN SERVICING IF IS
ESSENTIAL THAT ONLY MANUFATURES SPECFIED PARTS BE USED FOR
THE CRITICAL COMPONENTS IN THE SYMBOL MARK OF THE SCHEMETIC.
POWER
+2.5V_Normal
C850
150pF
50V
OPT
+3.3V_ST
C866
0.1uF
50V
+3.3V_Normal
R877
1
OPT
R865
1
R846
12K 1%
MULTI_ON
C824
0.01uF
50V
(BR)FULL_NIM
PANEL_CTL
POWER_ON/OFF1
C819
0.47uF
16V
OPT
R842
33K
C852
47uF
25V
R892
47K
R818
8.2K
C838
0.033uF
50V
C848
330pF
50V
C841
8200pF
25V
C869
220pF
50V C808
150pF
50V
OPT
R893
47K
C827
0.1uF
50V
(BR)FULL_NIM
C844
0.033uF
50V
+3.3V_ST
MULTI_ON
C842
10uF
10V
C832
4700pF
50V
R845
12K 1%
C898
4.7uF
10V
C833
4700pF
50V
+1.23V_TUNER
R803
36K
R823
47
C896
10uF
10V
R872
1
C839
2.2uF
50V
IC800
MP1472GJ-C452-Z
3COMP
2EN
4FB
1SS
5
GND
6
SW
7
IN
8
BST
C821
0.1uF
50V
R874
100
R821
12K
L803 10uH
R870
100K
+1.5V_DDR
R852
120K 1%
C806
0.1uF
50V
C897
10uF
10V
OPT
R835
33K 1%
C835
0.033uF
50V
R855
2K 1%
C809
0.1uF
50V
OPT
R875
22K
C862
10uF
10V
OPT
C810
0.1uF
50V
IC805
AP1117E18G-13
2
OUT
3
IN 1ADJ/GND
C811
0.47uF
16V
OPT
IC806
MP1472GJ-C452-Z
3COMP
2EN
4FB
1SS
5
GND
6
SW
7
IN
8
BST
C814
0.1uF
50V
R891
47K
L800
10uH
R832
1K
1%
D805
40V
SMAB34
(BR)FULL_NIM
R829
180K
R858
2.7K
1%
(BR)FULL_NIM
C851
10uF
25V
OPT
C836
10uF
10V
+3.3V_AMP
R815
300K
IC810
AP2114H-2.5TRG1
GND
VOUTVIN
R809
10
R807
1K
OPT
C815
10uF
25V
R830
0
R816
68K
R885
180K
Q804
MMBT3904(NXP)
E
B
C
+19V_AMP_VCC
R841
2K
1%
C826
10uF
10V
(BR)FULL_NIM
R819
0
+12V_Normal
C822
0.47uF
16V
OPT
IC802
MP1472GJ-C452-Z
3COMP
2EN
4FB
1SS
5
GND
6
SW
7
IN
8
BST
C854
0.1uF
50V
IC804
MP1472GJ-C452-Z
3COMP
2EN
4FB
1SS
5
GND
6
SW
7
IN
8
BST
R836
10K
OLP
JK800
KJA-DC-1-0032
1
2
4
R812
4.7K
IC801
TJ4220GDP-ADJ
(BR)FULL_NIM
3
VIN3
2
EN2
4
NC4
1
NC_1
5NC_2
6VOUT
7ADJ/SENSE
8GND
9
[EP]GND
R884
180K
JP801
C807
0.1uF
16V
C818
0.1uF
50V
C879
4.7uF
10V
OPT
+3.3V_AMP
IC807
TJ4220GDP-ADJ
3
VIN3
2
EN2
4
NC4
1
NC_1
5NC_2
6VOUT
7ADJ/SENSE
8GND
9
[EP]GND
R805
4.7K
R810
10K
R851
47K 1%
POWER_ON/OFF1
R814
0
OPT
L802 10uH
R824
0
C837
0.1uF
50V
IC2602
MP1584EN
3COMP
2EN
4FB
1SW
5
GND
6
FREQ
7
VIN
8
BST
9
[EP]GND
R822
1.8K
POWER_ON/OFF1
R869
47
+19V
C825
0.01uF
50V
C906
0.1uF
50V
OPT
R843
2K
R873
10K
OPT
+5V_Normal
R879
0
R862
13K
1%
(BR)FULL_NIM
R833
10K
1%
Q802
MMBT3904(NXP)
E
B
C
+12V_Normal
C867
0.1uF
50V
OPT
R802
4.7K
OPT
C812
47uF
25V
R837
47K
MULTI_ON
C894
0.1uF
50V
OPT
C803
10uF
25V
C868
0.01uF
50V
POWER_ON/OFF1
C830
0.01uF
50V
JP800
C813
0.47uF
16V
OPT
R871
47
C855
47uF
25V
C895
0.1uF
50V
+5V_Normal
Q807
AO3407A
G
D
S
R838
15K
1%
R801
100K
POWER_ON/OFF1
C853
47uF
25V
C820
47uF
25V
R811
100K 1%
OPT
R817
4.7K
R839
4.7K
Q806
MMBT3904(NXP)
E
B
C
C802
10uF
10V
+5V_USB
MULTI_ON
+12V_PANEL_POWER
+1.8V_TUNER
L805
10uH
C845
330pF
50V
+3.3V_Normal
MULTI_ON
R820
8.2K
C849
47uF
25V
C856
10uF
10V
+1.15V_VDDC
C804
10uF
25V
C805
10uF
10V
R859
30K
1%
(BR)FULL_NIM
TEST-POINT
R844
10K
1%
C892
1uF
10V
Q805
PMV48XP
G
D
S
R806
10K
OPT
R849
0
5%
C817
0.1uF
50V
OPT
C861
0.1uF
50V
C816
0.1uF
50V
L807
CPI2520NHL3R3ME 2520
3.3uH
C863
0.1uF
50V
C881
47pF
50V
OPT
C823
0.1uF
50V
OPT
R804
100K 1%
OPT
R800
100K 1%
R867
4.7K
1%
(BR)FULL_NIM
R898
180K
OPT
C891
1uF
25V
R847
0
R813
4.7K
C899
0.1uF
50V
OPT
R888
47
C829
0.01uF
50V
C800
10uF
25V
R840
10K
D802
40V
SMAB34
+3.3V_ST
C847
330pF
50V
L806
10uH
C890
4.7uF
10V
OPT
C857
0.01uF
50V
C828
10uF
10V
(BR)FULL_NIM
R827
10K
1%
POWER_ON/OFF1
C831
4700pF
50V
C843
1uF
10V
R826
0
R850
10K
1%
R828
8.2K
C840
10uF
10V
C864
10uF
10V
R880
10K
C801
10uF
25V
OPT
R854
0
OPT
+3.3V_TUNER
C859
10uF
10V
OPT
C846
0.22uF
16V
R825
10K
1%
R834
33K 1%
C8821uF
25V
R808
100K 1%
OPT
IC803
AP1117E33G-13
2
OUT
3
IN 1ADJ/GND
C858
10uF
10V
OPT
C870
10uF
25V
R853
05%
R831
10K
5%
R848
560 1%
R889
0
C834
0.01uF
50V
C865
0.01uF
50V
Q803
AO3407A
G
D
S
8 13
6604->6601
111116
10K->22K
1K->100
12.03.08
EAE61081701(25V)->
EAE52158501(10V)
11.11.28
1.2K->2K
12.03.08
EAE42868301(3225)->
EAE61081701(3216)
12.03.08
EAE42868301(3225)->
EAE61081701(3216)
111129
47uF DEL
1000Hr->2000Hr
12.03.08
EAE42868301(3225)->
EAE61081701(3216)
11.11.29
0.047uF->0.033uF
150K->180K
11.10.27
12.03.08
EAE42868301(3225)->
EAE61081701(3216)
11.11.29
Diode DEL
0DSKE00048A
11.11.07
0->47K
PANEL POWER CONTROL
11.12.01
LDO change
EAN56716601 (5A)
->EAN54428101 (1A)
EBK38029201(Rohm)
EBK61011501(Diode)
EBK60752501(AOS)
Not used :
only for small(ready)
11.11.07
0->47
11.12.20
LDO change
EAN54428101 (1A) adj
->EAN54428601 (1A) 3.3v
19V TO 5V DCDC CONVERTER
11.11.07
0->47
11.12.22
Maker:Rohm->Diode
Supply issue
due to Typoon
12.11.18
MP issue(burn)
11.11.07
0->47K
11.11.15
Maker:Diode->Rohm
111116
Panel switch deletion
111201
Panel switch recover
AMP_VCC Control
11.10.27
AMP_VCC
11.11.14
0CE476WH6DC(1000hr)->
EAE61423901(2000hr)
11.10.27
AO3407A Vgs : 10.8V(24V input)
11.11.14
0CE476WH6DC(1000hr)->
EAE61423901(2000hr)
3.3V TO 1.5V LDO
11.11.05
11.11.14
0CE476WH6DC(1000hr)->
EAE61423901(2000hr)
AO3407A Vgs : 10.36V(19V input)
POWER_ON/OFF1
VOLTAGE HIGHER
11.11.14
2200pF->4700pF
10K->8.2K
150pF->330pF
11.11.14
2200pF->4700pF
10K->8.2K
150pF->330pF
11.11.29
0.047uF->0.033uF
150K->180K
111129
Discharging R DEL
(0RJ2201J674)
19V TO 5V DCDC CONVERTER
111116
EBK61011501(Diode)
->EBK38029201(Rohm)
->EBK61913601(NXP) 3.3V drive
11.11.07
12.03.08
EAE61081701(25V)->
EAE52158501(10V)
11.11.14
2200pF->4700pF
10K->8.2K
150pF->330pF
11.11.29
0.047uF->0.033uF
150K->180K
11.11.07
0->47K
11.11.14
0CE476WH6DC(1000hr)->
EAE61423901(2000hr)
12.03.08
EAE42868301(3225)->
EAE61081701(3216)
19V TO 12V DCDC CONVERTER
11.11.07
0->47
H/W Option:FULL_NIM
3.3V TO 1.23V LDO
11.11.07
0->47
M1 Core
5V TO 1.15V DCDC CONVERTER
11.11.07
0.1uF->0.22uF
11.11.07
0->47K
11.11.07
R822 68K->1.8K
C841 4700pF->8200pF
11.11.14
0CE476WH6DC(1000hr)->
EAE61423901(2000hr)
10K->22K->33K
for T1 rising time.
12.05.15
2012.08.12
R852 : 33k -> 120k
R853 : 12K -> 0
121118
+19V_SCART DEL
121118
Size : 1608->1005
for Cost Down
121118
Size : 1608->1005
for Cost Down
EAX65283603
2013.1.1429LN4500
Copyright © 2013 LG Electronics. Inc. All rights reserved.
Only for training and service purposes
LGE Internal Use Only

THE SYMBOL MARK OF THIS SCHEMETIC DIAGRAM INCORPORATES
SPECIAL FEATURES IMPORTANT FOR PROTECTION FROM X-RADIATION.
FILRE AND ELECTRICAL SHOCK HAZARDS, WHEN SERVICING IF IS
ESSENTIAL THAT ONLY MANUFATURES SPECFIED PARTS BE USED FOR
THE CRITICAL COMPONENTS IN THE SYMBOL MARK OF THE SCHEMETIC.
DDR_256 12 13
A-MDQL3
B-MDQU3
B-MA12
B-MDQL2
A-MVREFCA
B-MRASB
R1225
1K 1%
B-MDQU6
B-MCKB
B-MA5
B-MA7
A-MDQSUB
C1219
1uF
A-MA8
+1.5V_DDR
A-MDQU5
A-MDQL0
C1230 0.1uF
R1224
1K 1%
R1204
1K 1%
A-MWEB
A-MDQL7
A-MRASB
C1248
0.1uF
C1229 0.1uF
C1209
0.01uF
50V
A-MCASB
C1236 0.1uF
B-MDQL7
R1236
56
1%
A-MDQL5
B-MA6
B-MCKE
B-MA10
B-MBA1
B-MA12
A-MCK
B-MDQU5
B-MVREFCA
B-MA3
B-MA2
A-MA0
B-MA5
C1214 0.1uF
B-MCK
B-MA9
R1227
1K 1%
C1241
1uF
B-MDQSL
A-MA7
B-MDML
B-MCKE
B-MA6
A-MA3
C1232 0.1uF
C1251
10uF
C1228 0.1uF
C1218
1uF
A-MCKB
A-MDQU6
B-MCASB
A-MA7
B-MA0
A-MA6
B-MDQSLB
A-MDQL5
B-MDQU0
B-MODT
B-MA7
C1240
0.01uF
50V
C1249
1000pF
A-MCK
A-MDQL1
C1207 0.1uF
A-MA2
A-MA12
C1215 0.1uF
B-MDQL5
C1203
0.1uF
C1250
0.1uF
+1.5V_DDR
A-MA12
A-MA1
R1228
1K 1%
B-MA10
A-MDQU7
A-MDQL0
B-MA11
B-MDQL1
B-MDQSLB
A-MDQL2
B-MDQSUB
A-MA3
A-MODT
B-MA1
B-MDQL5
C1201
0.1uF
B-MRASB
+1.5V_DDR
A-MA11
C1208 0.1uF
+1.5V_DDR
B-MA2
C1210 0.1uF
+1.5V_DDR
C1212 0.1uF
B-MA13
B-MA4
C1206
0.1uF
A-MA0
A-MDQL2
A-MDQL6
A-MA11
A-MDQU3
+1.5V_DDR
B-MDQU2
A-MBA0
B-MDQU2
B-MDQL0
A-MBA1
A-MA13
B-MBA1
B-MDQL6
B-MA8
A-MA14
B-MDQU7
A-MA4
+1.5V_DDR
A-MDMU
B-MA4
A-MDQU0
A-MA10
B-MDQL6
A-MA10
A-MDML
A-MDQL7
C1217
1uF
B-MDQL1
B-MA0
B-MA3
A-MVREFDQ
C1227 10uF
A-MCKE
B-MDMU
B-MDQL4
C1204
1000pF
C1211 0.1uF
B-MBA2
C1238
1uF
A-MDQU3
A-MDQSL
R1235
56
1%
B-MWEB
A-MA2
B-MDQL2
A-MA9
A-MA9
B-MBA2
B-MDQSU
A-MDQSUB
B-MDQL3
A-MDQSL
B-MDQSU
A-MDQU1 B-MDQU0
A-MRASB
C1231 0.1uF
A-MA5
A-MDQU5
B-MA14
A-MDQU1
A-MBA0
A-MDQSU
R1231
10K
R1203
240
1%
B-MCKB
B-MA1
B-MBA0
B-MDQSL
B-MWEB
A-MA8
A-MDQU2
R1205
1K 1%
B-MVREFDQ
A-MDQSLB
A-MBA1
B-MDMU
+1.5V_DDR
A-MDQU2
B-MVREFDQ
A-MDQL4
B-MDQL0
R1238
56
1%
A-MBA2
B-MA9
B-MDQU6
B-MODT
A-MDQU4
R1202
1K 1%
B-MA8
B-MA11
R1232
10K
B-MVREFCA
A-MCASB
A-MVREFCA
A-MDQSU
B-MDQU4
C1216 0.1uF
A-MA13
B-MDQL4
B-MDQL7
A-MDMU
B-MA14
B-MDQL3
B-MDQU5
A-MDQL3
B-MRESETB
A-MCKE
C1247
1000pF
R1237
56
1%
B-MDML
B-MCK
A-MWEB
A-MDQU4
A-MA5
C1234 0.1uF
A-MODT
A-MDQU7
A-MCKB
C1235 0.1uF
A-MDQL6
A-MRESETB
A-MVREFDQ
R1201
1K 1%
C1233 0.1uF
+1.5V_DDR
A-MDML
A-MDQL4
B-MDQU1
A-MRESETB
A-MA4
B-MDQU7
B-MA13
B-MDQU3
B-MCASB
C1220
0.1uF
OPT
B-MDQU1
A-MDQSLB
B-MDQU4
A-MA1
A-MBA2
C1239
0.1uF
B-MBA0
C1202
1000pF
A-MDQL1
C1205 10uF
A-MA14
A-MDQU6
C1213 0.1uF
B-MRESETB
B-MDQSUB
R1226
240
1%
A-MA6
A-MDQU0
IC101
MSD804KKX
S7LR-M_NON_MS10
A_DDR3_A[0]
A11
A_DDR3_A[1]
C14
A_DDR3_A[2]
B11
A_DDR3_A[3]
F12
A_DDR3_A[4]
C15
A_DDR3_A[5]
E12
A_DDR3_A[6]
A14
A_DDR3_A[7]
D11
A_DDR3_A[8]
B14
A_DDR3_A[9]
D12
A_DDR3_A[10]
C16
A_DDR3_A[11]
C13
A_DDR3_A[12]
A15
A_DDR3_A[13]
E11
A_DDR3_A[14]
B13
A_DDR3_BA[0]
F13
A_DDR3_BA[1]
B15
A_DDR3_BA[2]
E13
A_DDR3_MCLK
C17
A_DDR3_MCLKZ
A17
A_DDR3_MCLKE
B16
A_DDR3_ODT
E14
A_DDR3_RASZ
B12
A_DDR3_CASZ
A12
A_DDR3_WEZ
C12
A_DDR3_RESET
F11
A_DDR3_DQSL
B19
A_DDR3_DQSLB
C18
A_DDR3_DQSU
B18
A_DDR3_DQSUB
A18
A_DDR3_DQML
E15
A_DDR3_DQMU
A21
A_DDR3_DQL[0]
D17
A_DDR3_DQL[1]
G15
A_DDR3_DQL[2]
B21
A_DDR3_DQL[3]
F15
A_DDR3_DQL[4]
B22
A_DDR3_DQL[5]
F14
A_DDR3_DQL[6]
A22
A_DDR3_DQL[7]
D15
A_DDR3_DQU[0]
G16
A_DDR3_DQU[1]
B20
A_DDR3_DQU[2]
F16
A_DDR3_DQU[3]
C21
A_DDR3_DQU[4]
E16
A_DDR3_DQU[5]
A20
A_DDR3_DQU[6]
D16
A_DDR3_DQU[7]
C20
B_DDR3_A[0] B23
B_DDR3_A[1] D25
B_DDR3_A[2] F22
B_DDR3_A[3] G22
B_DDR3_A[4] E24
B_DDR3_A[5] F21
B_DDR3_A[6] E23
B_DDR3_A[7] D22
B_DDR3_A[8] D24
B_DDR3_A[9] D21
B_DDR3_A[10] C24
B_DDR3_A[11] C25
B_DDR3_A[12] F23
B_DDR3_A[13] E21
B_DDR3_A[14] D23
B_DDR3_BA[0] G20
B_DDR3_BA[1] F24
B_DDR3_BA[2] F20
B_DDR3_MCLK G25
B_DDR3_MCLKZ G23
B_DDR3_MCLKE F25
B_DDR3_ODT D20
B_DDR3_RASZ B25
B_DDR3_CASZ B24
B_DDR3_WEZ A24
B_DDR3_RESET E20
B_DDR3_DQSL K24
B_DDR3_DQSLB K25
B_DDR3_DQSU J21
B_DDR3_DQSUB J20
B_DDR3_DQML H24
B_DDR3_DQMU L20
B_DDR3_DQL[0] L23
B_DDR3_DQL[1] J24
B_DDR3_DQL[2] L24
B_DDR3_DQL[3] J23
B_DDR3_DQL[4] M24
B_DDR3_DQL[5] H23
B_DDR3_DQL[6] M23
B_DDR3_DQL[7] K23
B_DDR3_DQU[0] G21
B_DDR3_DQU[1] L22
B_DDR3_DQU[2] H22
B_DDR3_DQU[3] K20
B_DDR3_DQU[4] H20
B_DDR3_DQU[5] L21
B_DDR3_DQU[6] H21
B_DDR3_DQU[7] K21
K4B1G1646G-BCK0
IC1201
DDR_1600_SS
EAN61836301
A0 N3
A1 P7
A2 P3
A3 N2
A4 P8
A5 P2
A6 R8
A7 R2
A8 T8
A9 R3
A10/AP L7
A11 R7
A12/BC N7
A13 T3
NC_5 M7
BA0 M2
BA1 N8
BA2 M3
CK J7
CK K7
CKE K9
CS L2
ODT K1
RAS J3
CAS K3
WE L3
RESET T2
DQSL F3
DQSL G3
DQSU C7
DQSU B7
DML E7
DMU D3
DQL0 E3
DQL1 F7
DQL2 F2
DQL3 F8
DQL4 H3
DQL5 H8
DQL6 G2
DQL7 H7
DQU0 D7
DQU1 C3
DQU2 C8
DQU3 C2
DQU4 A7
DQU5 A2
DQU6 B8
DQU7 A3
VREFCA
M8
VREFDQ
H1
ZQ
L8
VDD_1
B2
VDD_2
D9
VDD_3
G7
VDD_4
K2
VDD_5
K8
VDD_6
N1
VDD_7
N9
VDD_8
R1
VDD_9
R9
VDDQ_1
A1
VDDQ_2
A8
VDDQ_3
C1
VDDQ_4
C9
VDDQ_5
D2
VDDQ_6
E9
VDDQ_7
F1
VDDQ_8
H2
VDDQ_9
H9
NC_1
J1
NC_2
J9
NC_3
L1
NC_4
L9
NC_6
T7
VSS_1
A9
VSS_2
B3
VSS_3
E1
VSS_4
G8
VSS_5
J2
VSS_6
J8
VSS_7
M1
VSS_8
M9
VSS_9
P1
VSS_10
P9
VSS_11
T1
VSS_12
T9
VSSQ_1
B1
VSSQ_2
B9
VSSQ_3
D1
VSSQ_4
D8
VSSQ_5
E2
VSSQ_6
E8
VSSQ_7
F9
VSSQ_8
G1
VSSQ_9
G9
K4B1G1646G-BCK0
IC1202
DDR_1600_SS
EAN61836301
A0
N3
A1
P7
A2
P3
A3
N2
A4
P8
A5
P2
A6
R8
A7
R2
A8
T8
A9
R3
A10/AP
L7
A11
R7
A12/BC
N7
A13
T3
NC_5
M7
BA0
M2
BA1
N8
BA2
M3
CK
J7
CK
K7
CKE
K9
CS
L2
ODT
K1
RAS
J3
CAS
K3
WE
L3
RESET
T2
DQSL
F3
DQSL
G3
DQSU
C7
DQSU
B7
DML
E7
DMU
D3
DQL0
E3
DQL1
F7
DQL2
F2
DQL3
F8
DQL4
H3
DQL5
H8
DQL6
G2
DQL7
H7
DQU0
D7
DQU1
C3
DQU2
C8
DQU3
C2
DQU4
A7
DQU5
A2
DQU6
B8
DQU7
A3
VREFCA M8
VREFDQ H1
ZQ L8
VDD_1 B2
VDD_2 D9
VDD_3 G7
VDD_4 K2
VDD_5 K8
VDD_6 N1
VDD_7 N9
VDD_8 R1
VDD_9 R9
VDDQ_1 A1
VDDQ_2 A8
VDDQ_3 C1
VDDQ_4 C9
VDDQ_5 D2
VDDQ_6 E9
VDDQ_7 F1
VDDQ_8 H2
VDDQ_9 H9
NC_1 J1
NC_2 J9
NC_3 L1
NC_4 L9
NC_6 T7
VSS_1 A9
VSS_2 B3
VSS_3 E1
VSS_4 G8
VSS_5 J2
VSS_6 J8
VSS_7 M1
VSS_8 M9
VSS_9 P1
VSS_10 P9
VSS_11 T1
VSS_12 T9
VSSQ_1 B1
VSSQ_2 B9
VSSQ_3 D1
VSSQ_4 D8
VSSQ_5 E2
VSSQ_6 E8
VSSQ_7 F9
VSSQ_8 G1
VSSQ_9 G9
H5TQ1G63EFR-PBC
IC1201-*1
DDR_1600_HYNIX_9003(DEV)
A0
N3
A1
P7
A2
P3
A3
N2
A4
P8
A5
P2
A6
R8
A7
R2
A8
T8
A9
R3
A10/AP
L7
A11
R7
A12/BC
N7
NC_7
T3
NC_5
M7
BA0
M2
BA1
N8
BA2
M3
CK
J7
CK
K7
CKE
K9
CS
L2
ODT
K1
RAS
J3
CAS
K3
WE
L3
RESET
T2
DQSL
F3
DQSL
G3
DQSU
C7
DQSU
B7
DML
E7
DMU
D3
DQL0
E3
DQL1
F7
DQL2
F2
DQL3
F8
DQL4
H3
DQL5
H8
DQL6
G2
DQL7
H7
DQU0
D7
DQU1
C3
DQU2
C8
DQU3
C2
DQU4
A7
DQU5
A2
DQU6
B8
DQU7
A3
VREFCA M8
VREFDQ H1
ZQ L8
VDD_1 B2
VDD_2 D9
VDD_3 G7
VDD_4 K2
VDD_5 K8
VDD_6 N1
VDD_7 N9
VDD_8 R1
VDD_9 R9
VDDQ_1 A1
VDDQ_2 A8
VDDQ_3 C1
VDDQ_4 C9
VDDQ_5 D2
VDDQ_6 E9
VDDQ_7 F1
VDDQ_8 H2
VDDQ_9 H9
NC_1 J1
NC_2 J9
NC_3 L1
NC_4 L9
NC_6 T7
VSS_1 A9
VSS_2 B3
VSS_3 E1
VSS_4 G8
VSS_5 J2
VSS_6 J8
VSS_7 M1
VSS_8 M9
VSS_9 P1
VSS_10 P9
VSS_11 T1
VSS_12 T9
VSSQ_1 B1
VSSQ_2 B9
VSSQ_3 D1
VSSQ_4 D8
VSSQ_5 E2
VSSQ_6 E8
VSSQ_7 F9
VSSQ_8 G1
VSSQ_9 G9
K4B2G1646E-BCK0
IC1201-*5
DDR_2G_1600_SS
A0
N3
A1
P7
A2
P3
A3
N2
A4
P8
A5
P2
A6
R8
A7
R2
A8
T8
A9
R3
A10/AP
L7
A11
R7
A12/BC
N7
A13
T3
NC_5
M7
BA0
M2
BA1
N8
BA2
M3
CK
J7
CK
K7
CKE
K9
CS
L2
ODT
K1
RAS
J3
CAS
K3
WE
L3
RESET
T2
DQSL
F3
DQSL
G3
DQSU
C7
DQSU
B7
DML
E7
DMU
D3
DQL0
E3
DQL1
F7
DQL2
F2
DQL3
F8
DQL4
H3
DQL5
H8
DQL6
G2
DQL7
H7
DQU0
D7
DQU1
C3
DQU2
C8
DQU3
C2
DQU4
A7
DQU5
A2
DQU6
B8
DQU7
A3
VREFCA M8
VREFDQ H1
ZQ L8
VDD_1 B2
VDD_2 D9
VDD_3 G7
VDD_4 K2
VDD_5 K8
VDD_6 N1
VDD_7 N9
VDD_8 R1
VDD_9 R9
VDDQ_1 A1
VDDQ_2 A8
VDDQ_3 C1
VDDQ_4 C9
VDDQ_5 D2
VDDQ_6 E9
VDDQ_7 F1
VDDQ_8 H2
VDDQ_9 H9
NC_1 J1
NC_2 J9
NC_3 L1
NC_4 L9
NC_6 T7
VSS_1 A9
VSS_2 B3
VSS_3 E1
VSS_4 G8
VSS_5 J2
VSS_6 J8
VSS_7 M1
VSS_8 M9
VSS_9 P1
VSS_10 P9
VSS_11 T1
VSS_12 T9
VSSQ_1 B1
VSSQ_2 B9
VSSQ_3 D1
VSSQ_4 D8
VSSQ_5 E2
VSSQ_6 E8
VSSQ_7 F9
VSSQ_8 G1
VSSQ_9 G9
H5TQ2G63DFR-PBC
IC1201-*4
DDR_2G_1600_HYNIX
A0
N3
A1
P7
A2
P3
A3
N2
A4
P8
A5
P2
A6
R8
A7
R2
A8
T8
A9
R3
A10/AP
L7
A11
R7
A12/BC
N7
A13
T3
NC_5
M7
BA0
M2
BA1
N8
BA2
M3
CK
J7
CK
K7
CKE
K9
CS
L2
ODT
K1
RAS
J3
CAS
K3
WE
L3
RESET
T2
DQSL
F3
DQSL
G3
DQSU
C7
DQSU
B7
DML
E7
DMU
D3
DQL0
E3
DQL1
F7
DQL2
F2
DQL3
F8
DQL4
H3
DQL5
H8
DQL6
G2
DQL7
H7
DQU0
D7
DQU1
C3
DQU2
C8
DQU3
C2
DQU4
A7
DQU5
A2
DQU6
B8
DQU7
A3
VREFCA M8
VREFDQ H1
ZQ L8
VDD_1 B2
VDD_2 D9
VDD_3 G7
VDD_4 K2
VDD_5 K8
VDD_6 N1
VDD_7 N9
VDD_8 R1
VDD_9 R9
VDDQ_1 A1
VDDQ_2 A8
VDDQ_3 C1
VDDQ_4 C9
VDDQ_5 D2
VDDQ_6 E9
VDDQ_7 F1
VDDQ_8 H2
VDDQ_9 H9
NC_1 J1
NC_2 J9
NC_3 L1
NC_4 L9
NC_6 T7
VSS_1 A9
VSS_2 B3
VSS_3 E1
VSS_4 G8
VSS_5 J2
VSS_6 J8
VSS_7 M1
VSS_8 M9
VSS_9 P1
VSS_10 P9
VSS_11 T1
VSS_12 T9
VSSQ_1 B1
VSSQ_2 B9
VSSQ_3 D1
VSSQ_4 D8
VSSQ_5 E2
VSSQ_6 E8
VSSQ_7 F9
VSSQ_8 G1
VSSQ_9 G9
H5TQ1G63EFR-PBC
IC1202-*1
DDR_1600_HYNIX_9003(DEV)
A0
N3
A1
P7
A2
P3
A3
N2
A4
P8
A5
P2
A6
R8
A7
R2
A8
T8
A9
R3
A10/AP
L7
A11
R7
A12/BC
N7
NC_7
T3
NC_5
M7
BA0
M2
BA1
N8
BA2
M3
CK
J7
CK
K7
CKE
K9
CS
L2
ODT
K1
RAS
J3
CAS
K3
WE
L3
RESET
T2
DQSL
F3
DQSL
G3
DQSU
C7
DQSU
B7
DML
E7
DMU
D3
DQL0
E3
DQL1
F7
DQL2
F2
DQL3
F8
DQL4
H3
DQL5
H8
DQL6
G2
DQL7
H7
DQU0
D7
DQU1
C3
DQU2
C8
DQU3
C2
DQU4
A7
DQU5
A2
DQU6
B8
DQU7
A3
VREFCA M8
VREFDQ H1
ZQ L8
VDD_1 B2
VDD_2 D9
VDD_3 G7
VDD_4 K2
VDD_5 K8
VDD_6 N1
VDD_7 N9
VDD_8 R1
VDD_9 R9
VDDQ_1 A1
VDDQ_2 A8
VDDQ_3 C1
VDDQ_4 C9
VDDQ_5 D2
VDDQ_6 E9
VDDQ_7 F1
VDDQ_8 H2
VDDQ_9 H9
NC_1 J1
NC_2 J9
NC_3 L1
NC_4 L9
NC_6 T7
VSS_1 A9
VSS_2 B3
VSS_3 E1
VSS_4 G8
VSS_5 J2
VSS_6 J8
VSS_7 M1
VSS_8 M9
VSS_9 P1
VSS_10 P9
VSS_11 T1
VSS_12 T9
VSSQ_1 B1
VSSQ_2 B9
VSSQ_3 D1
VSSQ_4 D8
VSSQ_5 E2
VSSQ_6 E8
VSSQ_7 F9
VSSQ_8 G1
VSSQ_9 G9
K4B2G1646E-BCK0
IC1202-*5
DDR_2G_1600_SS
A0
N3
A1
P7
A2
P3
A3
N2
A4
P8
A5
P2
A6
R8
A7
R2
A8
T8
A9
R3
A10/AP
L7
A11
R7
A12/BC
N7
A13
T3
NC_5
M7
BA0
M2
BA1
N8
BA2
M3
CK
J7
CK
K7
CKE
K9
CS
L2
ODT
K1
RAS
J3
CAS
K3
WE
L3
RESET
T2
DQSL
F3
DQSL
G3
DQSU
C7
DQSU
B7
DML
E7
DMU
D3
DQL0
E3
DQL1
F7
DQL2
F2
DQL3
F8
DQL4
H3
DQL5
H8
DQL6
G2
DQL7
H7
DQU0
D7
DQU1
C3
DQU2
C8
DQU3
C2
DQU4
A7
DQU5
A2
DQU6
B8
DQU7
A3
VREFCA M8
VREFDQ H1
ZQ L8
VDD_1 B2
VDD_2 D9
VDD_3 G7
VDD_4 K2
VDD_5 K8
VDD_6 N1
VDD_7 N9
VDD_8 R1
VDD_9 R9
VDDQ_1 A1
VDDQ_2 A8
VDDQ_3 C1
VDDQ_4 C9
VDDQ_5 D2
VDDQ_6 E9
VDDQ_7 F1
VDDQ_8 H2
VDDQ_9 H9
NC_1 J1
NC_2 J9
NC_3 L1
NC_4 L9
NC_6 T7
VSS_1 A9
VSS_2 B3
VSS_3 E1
VSS_4 G8
VSS_5 J2
VSS_6 J8
VSS_7 M1
VSS_8 M9
VSS_9 P1
VSS_10 P9
VSS_11 T1
VSS_12 T9
VSSQ_1 B1
VSSQ_2 B9
VSSQ_3 D1
VSSQ_4 D8
VSSQ_5 E2
VSSQ_6 E8
VSSQ_7 F9
VSSQ_8 G1
VSSQ_9 G9
H5TQ2G63DFR-PBC
IC1202-*4
DDR_2G_1600_HYNIX
A0
N3
A1
P7
A2
P3
A3
N2
A4
P8
A5
P2
A6
R8
A7
R2
A8
T8
A9
R3
A10/AP
L7
A11
R7
A12/BC
N7
A13
T3
NC_5
M7
BA0
M2
BA1
N8
BA2
M3
CK
J7
CK
K7
CKE
K9
CS
L2
ODT
K1
RAS
J3
CAS
K3
WE
L3
RESET
T2
DQSL
F3
DQSL
G3
DQSU
C7
DQSU
B7
DML
E7
DMU
D3
DQL0
E3
DQL1
F7
DQL2
F2
DQL3
F8
DQL4
H3
DQL5
H8
DQL6
G2
DQL7
H7
DQU0
D7
DQU1
C3
DQU2
C8
DQU3
C2
DQU4
A7
DQU5
A2
DQU6
B8
DQU7
A3
VREFCA M8
VREFDQ H1
ZQ L8
VDD_1 B2
VDD_2 D9
VDD_3 G7
VDD_4 K2
VDD_5 K8
VDD_6 N1
VDD_7 N9
VDD_8 R1
VDD_9 R9
VDDQ_1 A1
VDDQ_2 A8
VDDQ_3 C1
VDDQ_4 C9
VDDQ_5 D2
VDDQ_6 E9
VDDQ_7 F1
VDDQ_8 H2
VDDQ_9 H9
NC_1 J1
NC_2 J9
NC_3 L1
NC_4 L9
NC_6 T7
VSS_1 A9
VSS_2 B3
VSS_3 E1
VSS_4 G8
VSS_5 J2
VSS_6 J8
VSS_7 M1
VSS_8 M9
VSS_9 P1
VSS_10 P9
VSS_11 T1
VSS_12 T9
VSSQ_1 B1
VSSQ_2 B9
VSSQ_3 D1
VSSQ_4 D8
VSSQ_5 E2
VSSQ_6 E8
VSSQ_7 F9
VSSQ_8 G1
VSSQ_9 G9
CLose to Saturn7M IC
CLose to DDR3 CLose to DDR3
CLose to Saturn7M IC
2G 1600(BRAZIL - GINGA)
1G 1600
121118
Change from bead to 0 ohm for Cost down
EAX65283603
2013.1.1429LN4500
Copyright © 2013 LG Electronics. Inc. All rights reserved.
Only for training and service purposes
LGE Internal Use Only

THE SYMBOL MARK OF THIS SCHEMETIC DIAGRAM INCORPORATES
SPECIAL FEATURES IMPORTANT FOR PROTECTION FROM X-RADIATION.
FILRE AND ELECTRICAL SHOCK HAZARDS, WHEN SERVICING IF IS
ESSENTIAL THAT ONLY MANUFATURES SPECFIED PARTS BE USED FOR
THE CRITICAL COMPONENTS IN THE SYMBOL MARK OF THE SCHEMETIC.
PCMCI 19 13
CI_DATA[4]
CI_DATA[7]
CI_DATA[1]
CI_ADDR[6]
FE_TS_DATA[3]
CI_ADDR[9]
PCM_D[3]
CI_ADDR[13]
PCM_D[2]
CI_DATA[2]
FE_TS_DATA[2]
PCM_D[0-7]
PCM_D[0]
CI_DATA[5]
CI_DATA[6]
CI_DATA[3]
CI_ADDR[4]
PCM_D[6]
CI_DATA[6]
CI_DATA[1]
CI_DATA[4]
CI_DATA[0-7]
FE_TS_DATA[0]
FE_TS_DATA[7]
CI_DATA[0]
CI_ADDR[14]
CI_ADDR[12]
PCM_D[5]
CI_ADDR[0]
CI_DATA[2]
CI_ADDR[11]
CI_DATA[0-7]
CI_DATA[0-7]
PCM_D[1]
PCM_D[7]
CI_ADDR[7]
CI_DATA[0]
CI_ADDR[10]
CI_ADDR[2]
CI_ADDR[8]
CI_ADDR[1]
CI_ADDR[5]
CI_DATA[3]
CI_ADDR[3]
FE_TS_DATA[4]
FE_TS_DATA[6]
CI_DATA[7]
FE_TS_DATA[5]
FE_TS_DATA[0-7]
FE_TS_DATA[1]
PCM_D[4]
CI_DATA[5]
R1909
0
OPT
FE_TS_SYNC
PCM_A[2]
FE_TS_VAL_ERR
/PCM_CD
+5V_Normal
GND
CI_ADDR[4]
C1909
0.1uF
+3.3V_CI
CI_MISTRT
AR1905 33
CI_ADDR[10]
R1926 33
/CI_CD1
GND C1905
0.1uF
R1930 33
CI_WE
CI_DATA[0-7]
CI_TS_DATA[5]
AR1915
33
CI_OE
R1921
10K
L1902
BLM18PG121SN1D
FE_TS_DATA[0-7]
CI_DATA[0-7]
R1902 47
C1915
0.1uF
16V
CI_MDI[1]
C1901
0.1uF
OPT
CI_TS_DATA[4]
R1913
10K
CI_MDI[6]
/PCM_IRQA
CI_ADDR[0]
PCM_A[12]
C1903
0.1uF
16V
/PCM_CE
CI_MDI[7]
CI_MDI[2]
+5V_CI_ON
C1910
1uF
25V
PCM_A[3]
R1915
47
R1903
10K
/CI_CD2
CI_ADDR[0-14]
CI_DET
FE_TS_CLK
CI_MDI[3]
CI_MIVAL_ERR
R1908
100
REG
PCM_5V_CTL
AR1914
33
CI_MDI[4]
PCM_RST R1901 47
C1913
0.1uF
16V
IC1901
74LVC1G32GW
3GND
2A
4Y
1B 5 VCC
+5V_Normal
+5V_Normal
+3.3V_CI
R1907
100
GND
PCM_A[4]
CI_MDI[6]
CI_ADDR[12]
C1902
0.1uF
+3.3V_Normal
AR1912 33
CI_ADDR[11]
CI_MDI[4]
R1922
100K
CI_MDI[3]
CI_ADDR[9]
CI_TS_CLK
CI_TS_DATA[6]
R1927 33
CI_ADDR[1]
CI_WE
CI_TS_DATA[7]
CI_MDI[5]
PCM_A[8]
CI_ADDR[2]
PCM_A[1]
CI_MCLKI
AR1901
33
PCM_A[6]
R1904
10K
AR1909 33
PCM_A[7]
R1914
100
R1925 100
/PCM_OE
CI_IOWR
CI_OE
R1931 100
/PCM_REG
NAND_EN
+3.3V_CI
R1919 47
R1920 100
L1901
0
CI_IORD
AR1903 33
R1916 0
OPT
/PCM_IOWR
CI_MDI[2]
CI_MDI[5]
GND
R1917
10K
PCM_A[10]
/PCM_WE
R1929 33
GND
+5V_Normal
AR1906 33
R1910 0
OPT
AR1913 33
CI_ADDR[3]
PCM_A[0]
CI_ADDR[7]
PCM_A[5]
CI_IORD
CI_TS_SYNC
PCM_A[14]
CI_MDI[7]
CI_TS_DATA[2]
/PCM_IORD
C1906
10uF
10V
CI_ADDR[14]
CI_ADDR[5]
CI_MIVAL_ERR
GND
P1900
10067972-000LF
CI_SLOT
EAG41860102
G1G2
57
21
52
16
10
47
41
5
36
59
23
45
54
18
49
43
13
7
38
2
25
56
20
51
15
9
46
40
4
35
58
22
53
17
11
48
42
12
6
37
1
24
55
19
50
44
14
8
39
3
2660
2761
2862
2963
3064
31
32
33
34
65
66
67
68
69
PCM_D[0-7]
+3.3V_Normal
CI_TS_DATA[0]
CI_ADDR[6]
AR1908 33
R1911
10K
CI_IOWR
PCM_A[11]
IC1902
TC74LCX244FT
0ITO742440D
TOSHIBA
3
2Y4
2
1A1
4
1A2
1
1OE
6
1A3
5
2Y3
7
2Y2
8
1A4
9
2Y1
10
GND 11 2A1
12 1Y4
13 2A2
14 1Y3
15 2A3
16 1Y2
17 2A4
18 1Y1
19 2OE
20 VCC
CI_TS_DATA[1]
AR1907 33
/CI_CD2
CI_TS_DATA[3]
R1905 10K
R1928
10K
PCM_A[9]
CI_MISTRT
C1914
2pF
50V
/PCM_WAIT
REG
GND
R1918
47
CI_DET
C1904
0.1uF
16V
/CI_CD1
R1906 10K
PCM_A[13]
+5V_Normal
CI_TS_VAL
CI_ADDR[8]
CI_ADDR[13]
CI_MCLKI
CI_MDI[0]
C1908
0.1uF
16V
IC1903
AP2151WG-7
3FLG
2GND
4
EN
1OUT
5
IN
CI_MDI[1]
CI_MDI[0]
+5V_CI_ON
CLOSE TO MSTAR
* Option name of this page : CI_SLOT
CI SLOT
CLOSE TO MSTAR
120915
ADDED
121022 Swich block change
FET->IC
CI POWER ENABLE CONTROL
120915 BufferIC change
0ITO742440D
->0ISTLPH048A
CI DETECT
121022 BufferIC change
0ISTLPH048A
->0ITO742440D
CLOSE TO MSTAR
120915
Array->normal resistor
CI TS INPUT
CI Region
120915
ADDED
CI HOST I/F
120915
ADDED
(because of Hong Kong)
EAX65283603
2013.1.1429LN4500
Copyright © 2013 LG Electronics. Inc. All rights reserved.
Only for training and service purposes
LGE Internal Use Only

THE SYMBOL MARK OF THIS SCHEMETIC DIAGRAM INCORPORATES
SPECIAL FEATURES IMPORTANT FOR PROTECTION FROM X-RADIATION.
FILRE AND ELECTRICAL SHOCK HAZARDS, WHEN SERVICING IF IS
ESSENTIAL THAT ONLY MANUFATURES SPECFIED PARTS BE USED FOR
THE CRITICAL COMPONENTS IN THE SYMBOL MARK OF THE SCHEMETIC.
GLOBAL TUNER 26 12
R3741-*1
1K
(ASIA EU)TU_IIC_NON_ATSC_1K
FE_TS_CLK
TU_GND_A
IF_AGC_MAIN
R3740-*3
2.2K
(BR)TU_IIC_2.2K
TUNER_RESET
TU_GND_A
+1.23V_TUNER
FE_TS_DATA[0]
IF_AGC_SEL
TU_SDA
TU_GND_A
IF_N_MSTAR
FE_TS_SYNC
TU_GND_A
TU_SCL
LNA2_CTL
+3.3V_TU
TU3704-*1
TDSN-T601F
(OPT)SI2176_TW_2INPUT_H
1RF_S/W_CTL
2RESET_TUNER
3SCL
4SDA
5+B1[3.3V]
6SIF
7+B2[1.8V]
8CVBS
9IF_AGC
10 DIF[P]
11 DIF[N]
12 NC_1
13 NC_2
14 NC_3
15 GND
16 NC_4
17 NC_5
18 NC_6
19 NC_7
20 NC_8
21 NC_9
22 NC_10
23 NC_11
24 NC_12
25 NC_13
26 NC_14
27 NC_15
28
SHIELD
A1 A1
B1
B1
LNA_CTRL_1
LNA_CTRL_2
FE_TS_VAL_ERR
+3.3V_TU
+3.3V_TU
+3.3V_TUNER
+1.8V_TUNER
R3741-*3
2.2K
(BR)TU_IIC_2.2K
BR_RESET_DEMOD
RF_SWITCH_CTL
IF_P_MSTAR
R3740-*1
1K
(ASIA EU)TU_IIC_NON_ATSC_1K
+3.3V_TU
R3801-1*
47
(BR)FULL_NIM_D_DEMODE_47
R3804-*1
47
(BR)FULL_NIM_D_DEMODE_47
R3803-*1
47
(BR)FULL_NIM_D_DEMODE_47
R3802-1*
47
(BR)FULL_NIM_D_DEMODE_47
TU_CVBS
+3.3V_TU
TU_SIF
+3.3V_TU
C3707
100pF
50V
C3703
0.1uF
16V
OPT
R3741
1.8K
(KR/US)TU_IIC_ATSC_1.8K
C3754
0.1uF
16V
(BR)FULL_NIM
R3736
NON BR(TU_I2C_NON_FILTER)
33
C3737
100pF
50V
R3783 0
(BR)FULL_NIM
R4042
0
R3784 0
(BR)FULL_NIM
R3796
2.2K
(OPT)TW_FE_LNA
R3740
1.8K
(KR/US)TU_IIC_ATSC_1.8K
C3704 100
(NON_BR)HALF_NIM
C3705
100uF
16V
OPT
R3762
2K
OPT
C3739
10uF
10V
OPT
C3743
20pF
50V
BR(TU_I2C_FILTER)
C3706
100uF
16V
OPT
C3718
0.1uF
16V
(BR)FULL_NIM
C3752
0.1uF
16V
(OPT)TW_FE_LNA
C3708
0.1uF
16V
C3701
0.1uF
16V
(BR)RF_SW_OPT
R3797
2.2K
(OPT)TW_FE_LNA
C3738
0.1uF
16V
R3735
NON BR(TU_I2C_NON_FILTER)
33
R4041
0
R3733
100K
C3725
0.1uF
16V
C3727
0.1uF
16V
R3732
100
C3716
0.1uF
16V
(NON_BR)HALF_NIM
C3715
22uF
10V
C3710
0.1uF
16V
C3702
0.1uF 16V
(BR)FULL_NIM
C3753
0.1uF
16V
(OPT)TW_FE_LNA
C3723
22uF
10V
C3742
20pF
50V
BR(TU_I2C_FILTER)
TU3704
TDSN-T701F
(OPT)SI2178_TW_LNA_2INPUT_H
1RF_S/W_CTL
2RESET
3SCL
4SDA
5+B1[3.3V]
6SIF
7+B2[1.8V]
8CVBS
9IF_AGC
10 DIF[P]
11 DIF[N]
12 NC_1
13 NC_2
14 NC_3
15 GND
16 NC_4
17 NC_5
18 NC_6
19 NC_7
20 NC_8
21 NC_9
22 NC_10
23 NC_11
24 NC_12
25 NC_13
26 NC_14
27 NC_15
SHIELD
59
LNA_CTRL_1 57
LNA_CTRL_2 58
A1 A1B1 B1
R3802
0
(OPT)(BR)FULL_NIM_D_DEMODE_0
R3804
0
(OPT)(BR)FULL_NIM_D_DEMODE_0
R3803
0
(OPT)(BR)FULL_NIM_D_DEMODE_0
R3801
0
(OPT)(BR)FULL_NIM_D_DEMODE_0
R3799
10K
(BR)FULL_NIM
R3798
1K
(BR)FULL_NIM
C3750
5pF
50V
OPT
C3751
5pF
50V
OPT
R3780
3.3
OPT
R3781
3.3
OPT
R3782
2K
OPT
R3756 0
(OPT)(BR)TU_NON_BUFFER_VIDEO
R3751
220
(BR)TU_BUFFER_VIDEO
R3750
1K
OPT
Q3703
MMBT3906(NXP)
(BR)TU_BUFFER_VIDEO
E
B
C
R3749 0
(BR)TU_BUFFER_VIDEO
R3752
220
(BR)TU_BUFFER_VIDEO
R3753
4.7K
(OPT)(BR)TU_BUFFER_SIF
R3774
470
(OPT)(BR)TU_BUFFER_SIF
R3758
82
(BR)FULL_NIM
Q3705
MMBT3906(NXP)
(OPT)(BR)TU_BUFFER_SIF
E
B
C
R3775
0
(BR)TU_NON_BUFFER_SIF
R3705
0
(BR)RF_SW_OPT
R3761 10
R3760 10
L3703
UBW2012-121F
L3706
120OHM
(BR)FULL_NIM
L3707
UBW2012-121F
(NON_EU)3.3V_TU
L3707-*1
0
1/8W
(EU)3.3V_TU
TU3703
TDSN-B601F(B)
(BR)SI2178_BR_2INPUT_H
1RF_S/W_CTL
2RESET_TUNER
3SCL
4SDA
5+B1[3.3V]
6SIF
7+B2[1.8V]
8CVBS
9NC_1
10 NC_2
11 NC_3
12 +B3[3.3V]
13 +B4[1.23V]
14 RESET_DEMOD
15 GND
16 ERROR
17 SYNC
18 VALID
19 MCLK
20 DATA
21 NC_4
22 NC_5
23 NC_6
24 NC_7
25 NC_8
26 NC_9
27 NC_10
28
SHIELD
A1 A1
B1
B1
TU3700
TDSS-G501D(B)
(EU)SI2156_DVB_1INPUT_H
53.3V
11 DLIF_[N]
2RESET
10 DLIF_[P]
4SDA
1NC_1
9IF_AGC
8NC_3
3SCL
71.8V
6NC_2
12
SHIELD
A1 A1
B1
B1
TU3700-*2
TDSS-H501F(B)
(US/KR)SI2158_ATSC_1INPUT_H
5+B1[3.3V]
11 DIF[N]
2RESET
10 DIF[P]
4SDA
1NC_1
9IF_AGC
8NC_3
3SCL
7+B2[1.8]
6NC_2
12
SHIELD
A1 A1
B1
X
C3713
18pF
50V
NON BR(TU_I2C_NON_FILTER)
C3711
18pF
50V
NON BR(TU_I2C_NON_FILTER)
R3735-*1
BR(TU_I2C_FILTER)
C3711-*1
20pF
50V
BR(TU_I2C_FILTER)
C3713-*1
20pF
50V
BR(TU_I2C_FILTER)
R3736-*1
BR(TU_I2C_FILTER)
TU3702
TDSH-G501D(B)
(ASIA)ISOLATOR_DVB_1INPUT_H
5+B1[3.3V]
11 DIF[N]
2RESET
10 DIF[P]
4SDA
1NC
9IF_AGC
8CVBS
3SCL
7+B2[1.8V]
6SIF
A1 A1
B1
B1
A2
A2
B2
B2
TU_GND_A
CTRL_1
0
should be guarded by ground
0
close to TUNER
1
Add,0929
CTRL_2
1
Size change,0929
2012 SIZE
TW_FE_LNA FILTER_SETTING
450Hz~870MHz
close to TUNER
12.08.14
diagonal noise improve
close to TUNER
350Hz~450MHz
FE_AGC_SPEED_CTL
close to TUNER
Through
Pull-up can’t be applied
because of MODEL_OPT_2
Filter_Type
1. should be guarded by ground
2. No via on both of them
3. Signal Width >= 12mils
Signal to Signal Width = 12mils
Ground Width >= 24mils
close to the tuner pin, add,09029
54MHz~350MHz
Close to the tuner
0
60mA
TUNER MULTI-OPTION
Frequence
GLOBAL tuner block except T2/S2
HPF
FE_BOOSTER_CTL
LPF
0
GND seperation for ASIS tuner
121118
C3701 : RF_SW_OPT
R3705 : 1k -> 0 ohm
121118
Apply TU_I2C_FILTER
121118
SS Bead -> SUNLORD Bead
121118
SS Bead -> SUNLORD Bead
121220
US(+3.3V_TU Pull-up) 1.2K->1.8K
121118
Apply TU_I2C_FILTER
(18pF->20pF)
121220
20pF->18pF
EAX65283603
2013.1.1429LN4500
Copyright © 2013 LG Electronics. Inc. All rights reserved.
Only for training and service purposes
LGE Internal Use Only

THE SYMBOL MARK OF THIS SCHEMETIC DIAGRAM INCORPORATES
SPECIAL FEATURES IMPORTANT FOR PROTECTION FROM X-RADIATION.
FILRE AND ELECTRICAL SHOCK HAZARDS, WHEN SERVICING IF IS
ESSENTIAL THAT ONLY MANUFATURES SPECFIED PARTS BE USED FOR
THE CRITICAL COMPONENTS IN THE SYMBOL MARK OF THE SCHEMETIC.
SCART&COMP 28 13
R2844
10K
(OPT)EU_SCART mute
SB_MUTE
DTV/MNT_R_OUT
SCART1_MUTE
D2819
MMBD6100
(OPT)EU_SCART mute
A2
C
A1
+3.3V_ST
C2816
0.1uF
(OPT)EU_SCART mute
Q2804
MMBT3906(NXP)
(OPT)EU_SCART mute
1
2
3
MMBT3904(NXP)
Q2802
(OPT)EU_SCART mute
R2840
2K
(OPT)EU_SCART mute
MMBT3904(NXP)
Q2803
(OPT)EU_SCART mute
R2839
2K
(OPT)EU_SCART mute
DTV/MNT_L_OUT
R2838
1K
JP2800
L2807-*1
0
COMP_NON_ADC_FILTER
DTV/MNT_L_OUT
L2811-*1
0
COMP_NON_ADC_FILTER(AUDIO)
R2803
75
SCART JACK
JP2805
D2804
20V
SCART JACK
R2818
12K
SCART JACK
L2806
CM2012FR10KT
(OPT)COMP_ADC_FILTER_L
SC1_SOG_IN
R2823
75
L2812
CM2012FR10KT
(OPT)COMP_ADC_FILTER_L(AUDIO)
R2833
12K
R2807
75
SCART JACK
L2814-*1
0
SCART_NON_ADC_FILTER(AUDIO)
AV_CVBS_DET
C2805
330pF
50V
OPT
R2810
1K
SCART JACK
ZD2804
5.6B
SCART JACK
JK2801
PSC008-01
SCART JACK
1
AUDIO_R_OUT
2
AUDIO_R_IN
3
AUDIO_L_OUT
4
AUDIO_GND
5
B_GND
6
AUDIO_L_IN
7
B_OUT
8
ID
9
G_GND
10
D2B_IN
11
G_OUT
12
D2B_OUT
13
R_GND
14
RGB_GND
15
R_OUT
16
RGB_IO
17
SYNC_GND1
18
SYNC_GND2
19
SYNC_OUT
20
SYNC_IN
21
COM_GND
22
AV_DET
ZD2800
5.6B
SC1_R+
C2830
47pF
50V
(OPT)COMP_ADC_FILTER
D2810
20V
OPT
R2802
75
SCART JACK
L2808-*1
0
SCART_NON_ADC_FILTER
R2814
15K
SCART JACK
C2811
47pF
50V
L2810
CM2012FR10KT
(OPT)SCART_ADC_FILTER_L
+3.3V_Normal
R2805
470K
SCART JACK
C2831
47pF
50V
(OPT)SCART_ADC_FILTER
ZD2801
5.6B
D2817
5.6V
OPT
L2809-*1
0
SCART_NON_ADC_FILTER
R2815
22
SCART JACK
COMP_DET
JP2813
R2841
10K
D2802
20V
C2840
47pF
50V
(OPT)SCART_ADC_FILTER(AUDIO)
COMP_Pb+
SCART1_DET
C2836
47pF
50V
(OPT)SCART_ADC_FILTER D2811
20V
SCART JACK
+3.3V_Normal
D2805
20V
SCART JACK
C2825
47pF
50V
(OPT)COMP_ADC_FILTER
R2834
12K
C2832
47pF
50V
(OPT)SCART_ADC_FILTER
SC1_CVBS_IN
SC1_G+
JP2806
C2803
1000pF
50V
SCART JACK
C2806
330pF
50V
OPT
R2813
10K
SCART JACK
ZD2802
5.6B
JP2808
C2826
47pF
50V
(OPT)COMP_ADC_FILTER
SC1_L_IN
SC1_FB
D2809
20V
OPT
5.6V
D2816
C2807
4700pF
OPT
R2826
470K
JP2812 D2815
5.6V
D2808
20V
OPT
L2811
CM2012FR10KT
(OPT)COMP_ADC_FILTER_L(AUDIO)
JP2801
R2832
10K
C2800
47pF
50V
SCART JACK
D2803
20V
SCART JACK
SC1_ID
COMP_L_IN
DTV/MNT_R_OUT
ZD2805
5.6B
SCART JACK
C2842
47pF
50V
(OPT)SCART_ADC_FILTER(AUDIO)
D2807
20V
OPT
R2825
470K
L2813
CM2012FR10KT
(OPT)SCART_ADC_FILTER_L(AUDIO)
SC1_B+
JP2809
R2842
1K
C2834
47pF
50V
(OPT)SCART_ADC_FILTER
R2806
75
SCART JACK
L2813-*1
0
SCART_NON_ADC_FILTER(AUDIO)
R2811
75
SCART JACK
JK2800
PPJ234-05
5A
[GN]O-SPRING
6A
[GN]E-LUG
4A
[GN]CONTACT
7B
[BL]E-LUG-S
5B
[BL]O-SPRING
7C
[RD]E-LUG-S
5C
[RD]O-SPRING_1
4C
[RD]CONTACT_1
5D [WH]O-SPRING
4E [RD]CONTACT_2
5E [RD]O-SPRING_2
6E [RD]E-LUG
C2828
47pF
50V
(OPT)COMP_ADC_FILTER
C2827
47pF
50V
(OPT)COMP_ADC_FILTER
D2818
5.6V
OPT
0
R2809
SCART JACK
L2807
CM2012FR10KT
(OPT)COMP_ADC_FILTER_L
D2800
20V
OPT
C2833
47pF
50V
(OPT)SCART_ADC_FILTER
L2812-*1
0
COMP_NON_ADC_FILTER(AUDIO)
R2824
75
JP2810
D2806
20V
OPT
L2810-*1
0
SCART_NON_ADC_FILTER
JP2804
JP2814
L2806-*1
0
COMP_NON_ADC_FILTER
R2816
75
SCART JACK
+3.3V_Normal
R2817
3.9K
SCART JACK
L2808
CM2012FR10KT
(OPT)SCART_ADC_FILTER_L
JP2807
COMP_R_IN
L2814
CM2012FR10KT
(OPT)SCART_ADC_FILTER_L(AUDIO)
R2819
12K
SCART JACK
R2804
470K
SCART JACK
R2808
4.7K
SCART JACK
COMP_Y+/AV_CVBS_IN
JP2811
JP2815
C2810
47pF
50V
(OPT)COMP_ADC_FILTER(AUDIO)
C2808
4700pF
OPT
C2804
1000pF
50V
SCART JACK
C2802
220pF
50V
OPT
ZD2803
5.6B
C2829
47pF
50V
(OPT)COMP_ADC_FILTER
L2809
CM2012FR10KT
(OPT)SCART_ADC_FILTER_L
L2805
CM2012FR10KT
(OPT)COMP_ADC_FILTER_L
R2812
10K
SCART JACK
JP2802
C2835
47pF
50V
(OPT)SCART_ADC_FILTER
SC1_R_IN
L2805-*1
0
COMP_NON_ADC_FILTER
R2837
10K
JP2803
R2822
75
R2831
10K
C2813
0.1uF
16V
COMP_Pr+
JP2816
JP2817
JP2818
JP2819
C2837
1000pF
50V
C2838
1000pF
50V
DTV/MNT_L_OUT
R2855
10K
C2824
33pF
SCART1_Rout
C2822
10uF
16V
DTV/MNT_R_OUT
R2851
470K
R2847
2.2K
R2849
5.6K
R2843
220K
R2854
10K
R2848
5.6K
C2820
330pF
C2823
33pF
SCART1_Lout
C2821
10uF
16V
R2845
220K
R2846
2.2K
IC2800
AZ4580MTR-E1
3
IN1+
2
IN1-
4
VEE
1
OUT1
5IN2+
6IN2-
7OUT2
8VCC
C2819
330pF
R2850
470K
DTV/MNT_VOUT
+3.3V_Normal
C2814
0.1uF
SCART JACK
4.7uF
C2815
SCART JACK
C2812
0.1uF
SCART JACK
IC2801
MM1756DURE
SCART JACK
3BIAS
2GND
4
OUT
1IN
6
VCC
5
PS
C2841
1000pF
50V
C2839
1000pF
50V
R2852
5.1K
R2853
5.1K
C2817
0.1uF
50V
+5V_USB
R2801
0
OPT
+12V_Normal
R2800
0
[SCART AUDIO MUTE]
SCART / COMPONENT&CVBS
SCART AMP
FULL SCART
121019
ADC_FILTER(AUDIO) ADD
COMPONENT&CVBS
121017
Change
121017
Change
121017
Change
OPT:
COMP_ADC_FILTER(AUDIO)
CLOSE TO MSTAR
CLOSE TO MSTAR
121118
Change FET -> OP AMP
120927
OPT->APPLY
120927
OPT->APPLY
120927
OPT->APPLY
130107
OPT->APPLY
130107
OPT->APPLY
EAX65283603
2013.1.1429LN4500
130114
33K->5.1K
130114
33K->5.1K
130124
Apply
130124
Apply
130219 BJ.KIM
Copyright © 2013 LG Electronics. Inc. All rights reserved.
Only for training and service purposes
LGE Internal Use Only

THERMAL
THERMAL
THE SYMBOL MARK OF THIS SCHEMETIC DIAGRAM INCORPORATES
SPECIAL FEATURES IMPORTANT FOR PROTECTION FROM X-RADIATION.
FILRE AND ELECTRICAL SHOCK HAZARDS, WHEN SERVICING IF IS
ESSENTIAL THAT ONLY MANUFATURES SPECFIED PARTS BE USED FOR
THE CRITICAL COMPONENTS IN THE SYMBOL MARK OF THE SCHEMETIC.
LED DRIVER 29 13
R2911
30K
1/16W
C2907
0.22uF
16V
MULTI_ON
C1122 1uF
25V
Q2901
MMBT3904(NXP)
E
B
C
WLED_ENABLE
L1102
33uH
R2906
10K
1/16W
WLED_DIM_ADJ
R1147
10K
R1134
30K 1%
C2912
1uF
100V
+3.3V_ST
R2912
51K
1/16W
1%
R1146
1M
1/8W
1%
C1111
100pF
50V
R2902
10K
C2902
10uF
25V
C2903
0.1uF
50V
OPT
Q1103
SMK630D
S
D
G
C2905
100pF
50V
L2901
33uH
R1131
39K
1%
R1132
220K 1%
JP1102
R1128
6.2K
1%
C1128
0.1uF
250V
C2913
1uF
100V
Q2902
AOD478
S
D
G
P1101
SMAW200-03
1
2
3
R2913
3.3
1/16W
BLU_CURRENT_CTL
D1103
UF3D(SUZHOU GRANDE)
R1100
270K
1/8W
1%
C1126
33uF
100V
R1123
75K
1%
C1125
0.1uF
25V
R2904
18K
1/16W
1%
R1133
1.5K
1%
R1127
100
ZD1102
33V
R2916
0.1
1W
R1126
120K
1/8W
1%
+19V
IC2901
TPS40210DGQR
3
DIS/EN
2
SS
4
COMP
1
RC
5
FB 6GND
7ISNS
8GDRV
9BP
10 VDD
11
[EP]
C2911
33uF
100V
C1123
4700pF
50V
R1121
100
C1124
33uF
100V
R1124
47K
1%
R1145
1M
1/8W
1%
C2901
47uF
25V
C1116
100pF
50V
C2914
1uF
100V
R2909
220K
1/16W
R2903
10K
1/16W
C2909
0.1uF
50V
R1129
100K
1%
L1101
33uH
R2901
4.7K
C1114
1000pF
50V
+19V
R2905
1K
1/16W
1%
R1122
100K
R1135
1.5K 1%
C1127
0.1uF
250V
D2901
100V
BR210
R2907
680
1/8W
1%
R2915
0.1
1W
R1137
0.1
1W
1%
R1148
1M
1/8W
1%
R1149
1M
1/8W
1%
C1129
33uF
100V
C1130
33uF
100V
IC1100
DT1641AS
3
NC_1
2
OVP
4
PGND_1
1
EN
6
PDIM
5
PGND_2
7
RISET
8
LS8
9
LS7
10
LS6
11
LS5
12
NC_2 13 LGND
14 LS4
15 LS3
16 LS2
17 LS1
18 RT
19 COMP
20 RSS
21 NDRV
22 CS
23 VREF
24 VIN
25
[EP]GND
C2906
470pF
50V
JP1101
C2915
1uF
100V
C2916
1uF
100V
C2917
1uF
100V
C2904
0.033uF
50V
C2908
1uF
25V
R2914
3.9K
1/16W
1%
C2910
330pF
50V
TOTAL LED DRIVER BLOCK
FIRST BOOST UP
VOUT#2
REDUCE INDUCTOR TEMP ISSUE
VOUT = VREF*(1+51K/680)
= 0.7 *(1+51K/680)
= 53.2V
VOUT#1=53.2V
REDUCE RIPPLE CURRENT
REDUCE RIPPLE CURRENT REDUCE RIPPLE CURRENT
121118
Change 2012 -> 1608
for cost down
121118
Change 10V -> 25V
for derating
121211
1K->3.9K
121211
220pF->330pF
EAX65283603
29LN4500 2013.1.14
Copyright © 2013 LG Electronics. Inc. All rights reserved.
Only for training and service purposes
LGE Internal Use Only
