Lg Lcd Tv 425010 Users Manual 37LG50*0 Z*_COVER
2015-01-26
: Lg Lg-Lcd-Tv-425010-Users-Manual-228681 lg-lcd-tv-425010-users-manual-228681 lg pdf
Open the PDF directly: View PDF
.
Page Count: 33

更多难得资料请到江南家电维修论坛免费下载!
http://bbs.520101.com
Copyright © 2007 LG Electronics. Inc. All right reserved.
Only for training and service purposes LGE Internal Use Only
- 2 -
CONTENTS
CONTENTS .............................................................................................. 2
PRODUCT SAFETY ..................................................................................3
SPECIFICATION ........................................................................................6
ADJUSTMENT INSTRUCTION ...............................................................13
TROUBLE SHOOTING............................................................................22
BLOCK DIAGRAM...................................................................................28
EXPLODED VIEW .................................................................................. 29
SVC. SHEET ...............................................................................................

更多难得资料请到江南家电维修论坛免费下载!
http://bbs.520101.com
SAFETY PRECAUTIONS
Many electrical and mechanical parts in this chassis have special safety-related characteristics. These parts are identified by in the
Schematic Diagram and Replacement Parts List.
It is essential that these special safety parts should be replaced with the same components as recommended in this manual to prevent
Shock, Fire, or other Hazards.
Do not modify the original design without permission of manufacturer.
General Guidance
An isolation Transformer should always be used during the
servicing of a receiver whose chassis is not isolated from the AC
power line. Use a transformer of adequate power rating as this
protects the technician from accidents resulting in personal injury
from electrical shocks.
It will also protect the receiver and it's components from being
damaged by accidental shorts of the circuitry that may be
inadvertently introduced during the service operation.
If any fuse (or Fusible Resistor) in this TV receiver is blown,
replace it with the specified.
When replacing a high wattage resistor (Oxide Metal Film Resistor,
over 1W), keep the resistor 10mm away from PCB.
Keep wires away from high voltage or high temperature parts.
Before returning the receiver to the customer,
always perform an AC leakage current check on the exposed
metallic parts of the cabinet, such as antennas, terminals, etc., to
be sure the set is safe to operate without damage of electrical
shock.
Leakage Current Cold Check(Antenna Cold Check)
With the instrument AC plug removed from AC source, connect an
electrical jumper across the two AC plug prongs. Place the AC
switch in the on position, connect one lead of ohm-meter to the AC
plug prongs tied together and touch other ohm-meter lead in turn to
each exposed metallic parts such as antenna terminals, phone
jacks, etc.
If the exposed metallic part has a return path to the chassis, the
measured resistance should be between 1MΩand 5.2MΩ.
When the exposed metal has no return path to the chassis the
reading must be infinite.
An other abnormality exists that must be corrected before the
receiver is returned to the customer.
Leakage Current Hot Check (See below Figure)
Plug the AC cord directly into the AC outlet.
Do not use a line Isolation Transformer during this check.
Connect 1.5K/10watt resistor in parallel with a 0.15uF capacitor
between a known good earth ground (Water Pipe, Conduit, etc.)
and the exposed metallic parts.
Measure the AC voltage across the resistor using AC voltmeter
with 1000 ohms/volt or more sensitivity.
Reverse plug the AC cord into the AC outlet and repeat AC voltage
measurements for each exposed metallic part. Any voltage
measured must not exceed 0.75 volt RMS which is corresponds to
0.5mA.
In case any measurement is out of the limits specified, there is
possibility of shock hazard and the set must be checked and
repaired before it is returned to the customer.
Leakage Current Hot Check circuit
1.5 Kohm/10W
To Instrument's
exposed
METALLIC PARTS
Good Earth Ground
such as WATER PIPE,
CONDUIT etc.
AC Volt-meter
IMPORTANT SAFETY NOTICE
0.15uF

更多难得资料请到江南家电维修论坛免费下载!
http://bbs.520101.com
Copyright © 2007 LG Electronics. Inc. All right reserved.
Only for training and service purposes LGE Internal Use Only
- 4 -
CAUTION: Before servicing receivers covered by this service
manual and its supplements and addenda, read and follow the
SAFETY PRECAUTIONS on page 3 of this publication.
NOTE: If unforeseen circumstances create conflict between the
following servicing precautions and any of the safety precautions on
page 3 of this publication, always follow the safety precautions.
Remember: Safety First.
General Servicing Precautions
1. Always unplug the receiver AC power cord from the AC power
source before;
a. Removing or reinstalling any component, circuit board
module or any other receiver assembly.
b. Disconnecting or reconnecting any receiver electrical plug or
other electrical connection.
c. Connecting a test substitute in parallel with an electrolytic
capacitor in the receiver.
CAUTION: A wrong part substitution or incorrect polarity
installation of electrolytic capacitors may result in an
explosion hazard.
2. Test high voltage only by measuring it with an appropriate high
voltage meter or other voltage measuring device (DVM,
FETVOM, etc) equipped with a suitable high voltage probe.
Do not test high voltage by "drawing an arc".
3. Do not spray chemicals on or near this receiver or any of its
assemblies.
4. Unless specified otherwise in this service manual, clean
electrical contacts only by applying the following mixture to the
contacts with a pipe cleaner, cotton-tipped stick or comparable
non-abrasive applicator; 10% (by volume) Acetone and 90% (by
volume) isopropyl alcohol (90%-99% strength)
CAUTION: This is a flammable mixture.
Unless specified otherwise in this service manual, lubrication of
contacts in not required.
5. Do not defeat any plug/socket B+ voltage interlocks with which
receivers covered by this service manual might be equipped.
6. Do not apply AC power to this instrument and/or any of its
electrical assemblies unless all solid-state device heat sinks are
correctly installed.
7. Always connect the test receiver ground lead to the receiver
chassis ground before connecting the test receiver positive
lead.
Always remove the test receiver ground lead last.
8. Use with this receiver only the test fixtures specified in this
service manual.
CAUTION: Do not connect the test fixture ground strap to any
heat sink in this receiver.
Electrostatically Sensitive (ES) Devices
Some semiconductor (solid-state) devices can be damaged easily
by static electricity. Such components commonly are called
Electrostatically Sensitive (ES) Devices. Examples of typical ES
devices are integrated circuits and some field-effect transistors and
semiconductor "chip" components. The following techniques
should be used to help reduce the incidence of component
damage caused by static by static electricity.
1. Immediately before handling any semiconductor component or
semiconductor-equipped assembly, drain off any electrostatic
charge on your body by touching a known earth ground.
Alternatively, obtain and wear a commercially available
discharging wrist strap device, which should be removed to
prevent potential shock reasons prior to applying power to the
unit under test.
2. After removing an electrical assembly equipped with ES
devices, place the assembly on a conductive surface such as
aluminum foil, to prevent electrostatic charge buildup or
exposure of the assembly.
3. Use only a grounded-tip soldering iron to solder or unsolder ES
devices.
4. Use only an anti-static type solder removal device. Some solder
removal devices not classified as "anti-static" can generate
electrical charges sufficient to damage ES devices.
5. Do not use freon-propelled chemicals. These can generate
electrical charges sufficient to damage ES devices.
6. Do not remove a replacement ES device from its protective
package until immediately before you are ready to install it.
(Most replacement ES devices are packaged with leads
electrically shorted together by conductive foam, aluminum foil
or comparable conductive material).
7. Immediately before removing the protective material from the
leads of a replacement ES device, touch the protective material
to the chassis or circuit assembly into which the device will be
installed.
CAUTION: Be sure no power is applied to the chassis or circuit,
and observe all other safety precautions.
8. Minimize bodily motions when handling unpackaged
replacement ES devices. (Otherwise harmless motion such as
the brushing together of your clothes fabric or the lifting of your
foot from a carpeted floor can generate static electricity
sufficient to damage an ES device.)
General Soldering Guidelines
1. Use a grounded-tip, low-wattage soldering iron and appropriate
tip size and shape that will maintain tip temperature within the
range or 500°F to 600°F.
2. Use an appropriate gauge of RMA resin-core solder composed
of 60 parts tin/40 parts lead.
3. Keep the soldering iron tip clean and well tinned.
4. Thoroughly clean the surfaces to be soldered. Use a mall wire-
bristle (0.5 inch, or 1.25cm) brush with a metal handle.
Do not use freon-propelled spray-on cleaners.
5. Use the following unsoldering technique
a. Allow the soldering iron tip to reach normal temperature.
(500°F to 600°F)
b. Heat the component lead until the solder melts.
c. Quickly draw the melted solder with an anti-static, suction-
type solder removal device or with solder braid.
CAUTION: Work quickly to avoid overheating the
circuitboard printed foil.
6. Use the following soldering technique.
a. Allow the soldering iron tip to reach a normal temperature
(500°F to 600°F)
b. First, hold the soldering iron tip and solder the strand against
the component lead until the solder melts.
c. Quickly move the soldering iron tip to the junction of the
component lead and the printed circuit foil, and hold it there
only until the solder flows onto and around both the
component lead and the foil.
CAUTION: Work quickly to avoid overheating the circuit
board printed foil.
d. Closely inspect the solder area and remove any excess or
splashed solder with a small wire-bristle brush.
SERVICING PRECAUTIONS

更多难得资料请到江南家电维修论坛免费下载!
http://bbs.520101.com
Copyright © 2007 LG Electronics. Inc. All right reserved.
Only for training and service purposes LGE Internal Use Only
- 5 -
IC Remove/Replacement
Some chassis circuit boards have slotted holes (oblong) through
which the IC leads are inserted and then bent flat against the
circuit foil. When holes are the slotted type, the following technique
should be used to remove and replace the IC. When working with
boards using the familiar round hole, use the standard technique
as outlined in paragraphs 5 and 6 above.
Removal
1. Desolder and straighten each IC lead in one operation by gently
prying up on the lead with the soldering iron tip as the solder
melts.
2. Draw away the melted solder with an anti-static suction-type
solder removal device (or with solder braid) before removing the
IC.
Replacement
1. Carefully insert the replacement IC in the circuit board.
2. Carefully bend each IC lead against the circuit foil pad and
solder it.
3. Clean the soldered areas with a small wire-bristle brush.
(It is not necessary to reapply acrylic coating to the areas).
"Small-Signal" Discrete Transistor
Removal/Replacement
1. Remove the defective transistor by clipping its leads as close as
possible to the component body.
2. Bend into a "U" shape the end of each of three leads remaining
on the circuit board.
3. Bend into a "U" shape the replacement transistor leads.
4. Connect the replacement transistor leads to the corresponding
leads extending from the circuit board and crimp the "U" with
long nose pliers to insure metal to metal contact then solder
each connection.
Power Output, Transistor Device
Removal/Replacement
1. Heat and remove all solder from around the transistor leads.
2. Remove the heat sink mounting screw (if so equipped).
3. Carefully remove the transistor from the heat sink of the circuit
board.
4. Insert new transistor in the circuit board.
5. Solder each transistor lead, and clip off excess lead.
6. Replace heat sink.
Diode Removal/Replacement
1. Remove defective diode by clipping its leads as close as
possible to diode body.
2. Bend the two remaining leads perpendicular y to the circuit
board.
3. Observing diode polarity, wrap each lead of the new diode
around the corresponding lead on the circuit board.
4. Securely crimp each connection and solder it.
5. Inspect (on the circuit board copper side) the solder joints of
the two "original" leads. If they are not shiny, reheat them and if
necessary, apply additional solder.
Fuse and Conventional Resistor
Removal/Replacement
1. Clip each fuse or resistor lead at top of the circuit board hollow
stake.
2. Securely crimp the leads of replacement component around
notch at stake top.
3. Solder the connections.
CAUTION: Maintain original spacing between the replaced
component and adjacent components and the circuit board to
prevent excessive component temperatures.
Circuit Board Foil Repair
Excessive heat applied to the copper foil of any printed circuit
board will weaken the adhesive that bonds the foil to the circuit
board causing the foil to separate from or "lift-off" the board. The
following guidelines and procedures should be followed whenever
this condition is encountered.
At IC Connections
To repair a defective copper pattern at IC connections use the
following procedure to install a jumper wire on the copper pattern
side of the circuit board. (Use this technique only on IC
connections).
1. Carefully remove the damaged copper pattern with a sharp
knife. (Remove only as much copper as absolutely necessary).
2. carefully scratch away the solder resist and acrylic coating (if
used) from the end of the remaining copper pattern.
3. Bend a small "U" in one end of a small gauge jumper wire and
carefully crimp it around the IC pin. Solder the IC connection.
4. Route the jumper wire along the path of the out-away copper
pattern and let it overlap the previously scraped end of the good
copper pattern. Solder the overlapped area and clip off any
excess jumper wire.
At Other Connections
Use the following technique to repair the defective copper pattern
at connections other than IC Pins. This technique involves the
installation of a jumper wire on the component side of the circuit
board.
1. Remove the defective copper pattern with a sharp knife.
Remove at least 1/4 inch of copper, to ensure that a hazardous
condition will not exist if the jumper wire opens.
2. Trace along the copper pattern from both sides of the pattern
break and locate the nearest component that is directly
connected to the affected copper pattern.
3. Connect insulated 20-gauge jumper wire from the lead of the
nearest component on one side of the pattern break to the lead
of the nearest component on the other side.
Carefully crimp and solder the connections.
CAUTION: Be sure the insulated jumper wire is dressed so the
it does not touch components or sharp edges.

更多难得资料请到江南家电维修论坛免费下载!
http://bbs.520101.com
Copyright © 2007 LG Electronics. Inc. All right reserved.
Only for training and service purposes LGE Internal Use Only
- 6 -
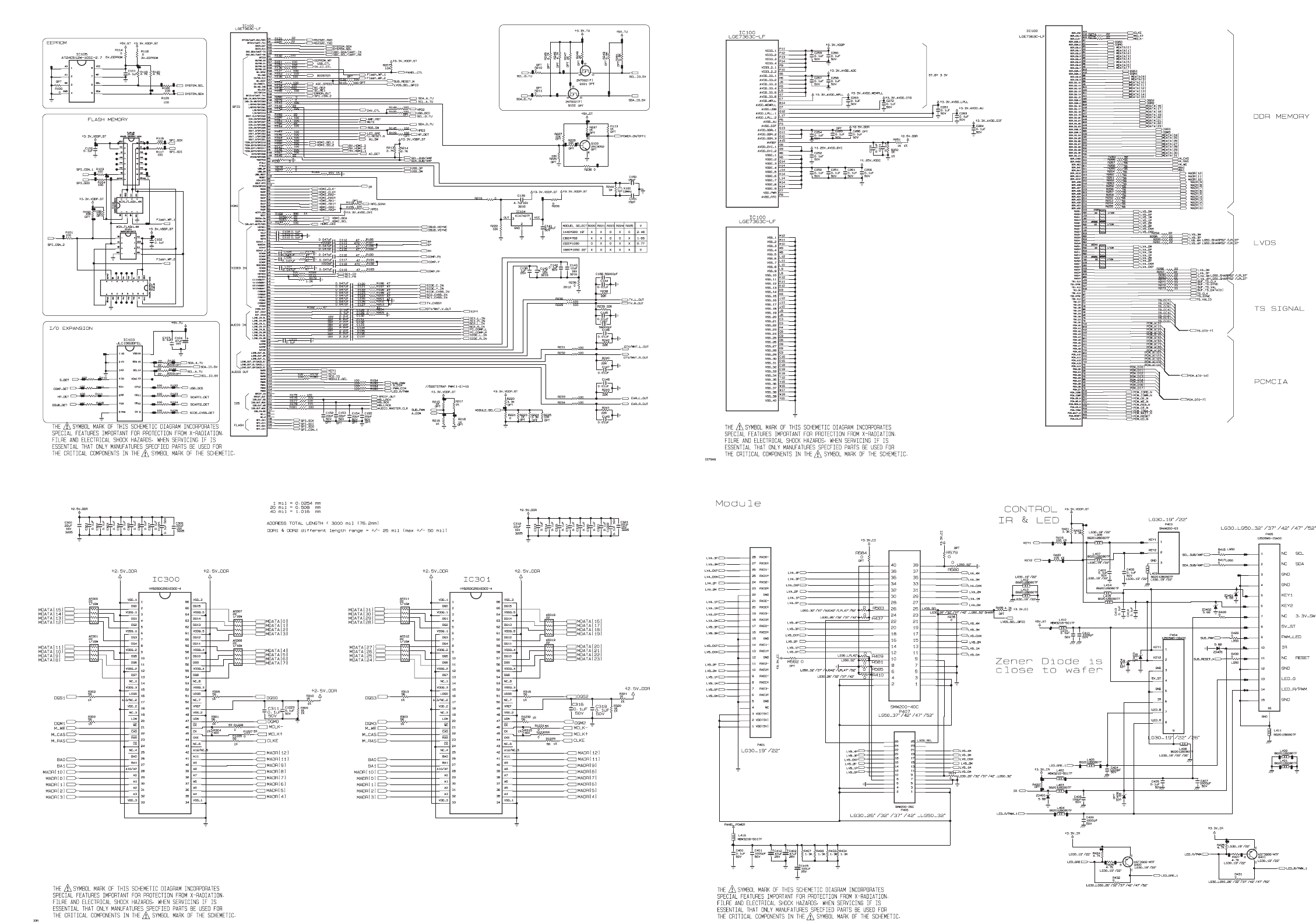
SPECIFICATION
NOTE : Specifications and others are subject to change without notice for improvement
.
4. General Specification
No Item Specification Remark
1 Display Screen Device 37/42/47/52" wide Color Display Module LCD
2 Aspect Ratio 16:9
3 LCD Module 37" TFT LCD FHD MAKER : 37"- LPL
42" TFT LCD FHD 42"- AUO
47" TFT LCD FHD 47"- CMO
52" TFT LCD FHD 52"- SHARP
4 Operating Environment Temp. : 0 ~ 40 deg
Humidity : 0 ~ 85% LGE SPEC
5 Storage Environment Temp. : -20 ~ 60 deg
Humidity : 0 ~ 85 %
6 Input Voltage AC100 ~ 240V, 50/60Hz
7 Power Consumption Power on (Green)
37" ≤132W ( 7.86 + 125 W) LG5000
42" ≤197W (13.2 + 184 W) LCD + Backlight
47" ≤242W (26.4 + 216.1 W)
52" ≤335W (20.16 + 315 W)
8 Type Size 37" 877(H) x 516.8(V) x 55.5(D) LG5000
42" 983.0(H) x 576.0(V) x 52.7(D) With inverter
47" 1096.0(H) x 640.0(V) x 51.0(D)
52" 1219.0(H) x 706.7(V) x 64.6(D)
9 Pixel Pitch 37" 0.42675(H) x 0.42675(V) LG5000
42" 0.4845
47" 0.5415 (H) x 0.1805(V)
52" 0.600(H) x 0.600(V)
10 Back Light 37" TBD(EEFL), Straight type LG5000
42" 18pcs, Straight type
47" 20CCFL, Straight type
52" 24CCFTs, direct type
11 Display Colors 16.7M (16,777,216)
12 Coating 3H, AG
1. Application Range.
This spec sheet is applied to the 37"/42"/47"/52" LCD TV used
LA84A chassis.
2. Specification
Each part is tested as below without special appointment
2.1 Temperature : 25±5°C(77±9°F), CST : 40±5°C
2.2 Relative Humidity : 65±10%
2.3 Power Voltage : Standard input voltage
(100~240V@ 50/60Hz)
• Standard Voltage of each products is marked by models
2.4 Specification and performance of each parts are followed
each drawing and specification by part number in
accordance with BOM .
2.5 The receiver must be operated for about 5 minutes prior to
the adjustment.
3. Test method
3.1 Performance : LGE TV test method followed.
3.2 Demanded other specification
Safety : CE, IEC specification
EMC : CE, IEC

更多难得资料请到江南家电维修论坛免费下载!
http://bbs.520101.com
5. MODEL General Specification
- 7 -
Copyright © 2007 LG Electronics. Inc. All right reserved.
Only for training and service purposes LGE Internal Use Only
No Item Specification Remarks
1 Broadcasting system 1) PAL-BG
2) PAL-DK
3) PAL-I/I’
4) SECAM L/L’
5) DVB-T (ID TV)
2 Receiving system Analog : Upper Heterodyne
Digital : COFDM
3 Scart Jack (2EA) PAL, SECAM Scart 1 Jack is Full scart and support
RF-OUT(analog)
Scart 2 jack is Half scart and support
MNT/DTV-OUT.
4 Video Input RCA(1EA) PAL, SECAM, NTSC 4 System :
PAL, SECAM, NTSC, PAL60
5 S-Video Input (1EA) PAL, SECAM, NTSC 4 System :
PAL, SECAM, NTSC, PAL60
6 Component Input (1EA) Y/Cb/Cr
Y/Pb/Pr
7 RGB Input RGB-PC Analog(D-SUB 15PIN)
8 HDMI Input (3EA) HDMI1-DTV/DVI PC(HDMI version 1.3)
HDMI2-DTV Support HDCP
HDMI3-DTV
9 Audio Input (3EA) RGB/DVI Audio L/R Input
Component
AV
10 SDPIF out (1EA) SPDIF out
11 Earphone out (1EA) Antenna, AV1, AV2, AV3, Component,
RGB, HDMI1, HDMI2, HDMI3
12 USB (1EA) For service only

更多难得资料请到江南家电维修论坛免费下载!
http://bbs.520101.com
Copyright © 2007 LG Electronics. Inc. All right reserved.
Only for training and service purposes LGE Internal Use Only
- 8 -
6. Chroma & Brightness
6.1 37"LCD Module
1) Standard Test Condition (The unit has been ‘ON’)
2) Stable for approximately 30 minutes in a dark environment at 25±2_
3) The values specified are at approximate distance 50Cm from the LCD surface
4) Ta= 25±2°C, VLCD=12.0V, fV=60Hz, Dclk=148.5MHz VBR_A=1.6V, ExtVBR_B=100%
6.2 42"LCD Module
1) Standard Test Condition(The unit has been ‘ON’)
2) Stable for approximately 60 minutes in a dark environment at 25_
3) The values specified are at approximate distance 50Cm from the LCD surface
No. Item Specification Min. Typ. Max. Remark
1. Viewing Angle<CR>10> Right/Left/Up/Down 89
2. Luminance Luminance (cd/m2) 400 500
Variation - 1.3 MAX / MIN
3. Contrast Ratio CR 1000 1500
4. CIE Color Coordinates White WX Typ 0.280 Typ AUO(42")
WY -0.03 0.290 +0.03
RED Xr 0.640
Yr 0.330
Green Xg 0.290
Yg 0.600
Blue Xb 0.150
Yb 0.060
No. Item Specification Min. Typ. Max. Remark
1. Viewing Angle<CR>10> Right/Left/Up/Down 89
2. Luminance Luminance (cd/m2) 400 500
Variation - 1.3 MAX / MIN
3. Contrast Ratio CR 1000 1400
4. CIE Color Coordinates White WX Typ 0.279 Typ LPL(37")
WY -0.03 0.292 +0.03
RED Xr 0.641
Yr 0.334
Green Xg 0.291
Yg 0.614
Blue Xb 0.145
Yb 0.062

更多难得资料请到江南家电维修论坛免费下载!
http://bbs.520101.com
- 9 -
Copyright © 2007 LG Electronics. Inc. All right reserved.
Only for training and service purposes LGE Internal Use Only
6.3 47"LCD Module
1) Stable for approximately 60 minutes in a dark environment at 25±2_ and windless room
2) Ambient Humidity: 50±1%RH
3) Supply Voltage: 12V
4) Lamp Current: 5.2±0.5mA
5) Oscillating Frequency: 66±3KHz
6) Frame rate: 60Hz
6.4 52"LCD Module
1) Standard Test Condition (The unit has been ‘ON’)
2) Stable for approximately 30 minutes in a dark environment at 25±2_
3) The values specified are at approximate distance 40Cm from the LCD surface
4) Ta=25°C, Vcc=12.0V, VINV =24.0V, VBRT=3.3V, Timing: 60Hz (typ. value)
5) Measurement condition: Set the value of VBRT to maximum luminance of white.
No. Item Specification Min. Typ. Max. Remark
1. Viewing Angle<CR>10> Right/Left/Up/Down 70 88
2. Luminance Luminance (cd/m2) 360 450
Variation - 1.25 MAX / MIN
3. Contrast Ratio CR 1000 1500
4. CIE Color Coordinates White WX Typ 0.272 Typ SHARP(52")
WY -0.03 0.277 +0.03
RED Xr 0.640
Yr 0.330
Green Xg 0.280
Yg 0.600
Blue Xb 0.150
Yb 0.060
No. Item Specification Min. Typ. Max. Remark
1. Viewing Angle<CR>10> Right/Left/Up/Down 80 88
2. Luminance Luminance (cd/m2) 450 500
Variation - 1.3 MAX / MIN
3. Contrast Ratio CR 1800 2000
4. CIE Color Coordinates White WX Typ 0.280 Typ CMO(47")
WY -0.03 0.285 +0.03
RED Xr 0.638
Yr 0.331
Green Xg 0.272
Yg 0.590
Blue Xb 0.144
Yb 0.068

更多难得资料请到江南家电维修论坛免费下载!
http://bbs.520101.com
Copyright © 2007 LG Electronics. Inc. All right reserved.
Only for training and service purposes LGE Internal Use Only
- 10 -
8. Component Video Input (Y, PB, PR)
9. RGB PC
No Resolution H-freq(kHz) V-freq.(Hz) Pixel clock(MHz) Proposed Remarks
1. 720*400 31.468 70.08 28.321
2. 640*480 31.469 59.94 25.17 VESA
Input 848x480 60Hz, 852x480 60Hz
37.684 75.00 31.50 => 640x480 60Hz Display
3 800*600 37.879 60.31 40.00 VESA
46.875 75.00 49.50
4. 832*624 49.725 74.55 57.283 Macintosh
5 1024*768 48.363 60.00 65.00 VESA(XGA)
56.470 70.00 75.00
60.123 75.029 78.75
6 1280*768 47.78 59.87 79.5 WXGA
7 1360*768 47.72 59.8 84.75 WXGA
8 1366*768 47.56 59.6 84.75 WXGA
9 1280*1024 63.595 60.0 108.875 SXGA FHD Model only
10 1920*1080 66.647 59.988 138.625 WUXGA FHD Model only
7. SET Optical Feature
(Measurement Condition: Full white/ Dynamic) -> Measure the black luminance after 30 seconds.
No Item module Luminance (min) C/R(min) Remark
AV, COMPONENT, HDMI AV, COMPONENT, HDMI
1 37 inch LPL 400cd/m21000 LG5000
3 42 inch AUO 400cd/m21000
C/R is excepted for PC mode.
3 47 inch CMO 400cd/m21000
4 52 inch SHARP 360cd/m21000
No. Specification Remark
Resolution H-freq(kHz) V-freq(Hz)
1. 720x480 15.73 60.00 SDTV, DVD 480i
2. 720x480 15.63 59.94 SDTV, DVD 480i
3. 720x480 31.47 59.94 SDTV, 480p
4. 720x480 31.50 60.00 SDTV, 480p
5. 720x576 15.625 50.00 SDTV, DVD 625 Line
6. 720x576 31.25 50.00 HDTV 576p
7. 1280x720 45.00 60.00 HDTV 720p
8. 1280x720 44.96 59.94 HDTV 720p
9. 1280x720 37.50 50 HDTV 720p 50Hz
10. 1920x1080 31.25 50.00 HDTV 1080i
11. 1920x1080 33.75 60.00 HDTV 1080i
12. 1920x1080 33.72 59.94 HDTV 1080i
13. 1920x1080 56.25 50.00 HDTV 1080P
14. 1920x1080 67.433 59.94 HDTV 1080P
15. 1920x1080 67.50 60 HDTV 1080P

更多难得资料请到江南家电维修论坛免费下载!
http://bbs.520101.com
Copyright © 2007 LG Electronics. Inc. All right reserved.
Only for training and service purposes LGE Internal Use Only
- 11 -
10. HDMI Input (DTV)
11. HDMI Input (PC)
No. Resolution H-freq(kHz) V-freq(Hz) Pixel clock(MHz) Proposed Remark
1. 720*480 31.47 59.94 27.00 SDTV 480P(4:3)
2. 720*480 31.50 60 27.027 SDTV 480P(4:3)
3. 640*480 31.469 59.94 25.175 SDTV 480P(4:3)
4. 640*480 31.469 60.00 25.20 SDTV 480P(4:3)
5. 720*480 31.47 59.94 27.000 SDTV 480P(16:9)
6. 720*480 31.50 60.00 27.027 SDTV 480P(16:9)
7. 720*576 31.25 50.00 27.000 SDTV 576P
8. 1280*720 37.50 50.00 74.176 HDTV 720P HDCP
9. 1280*720 44.96 59.94 74.176 HDTV 720P HDCP
10. 1280*720 45.00 60.00 74.250 HDTV 720P HDCP
11 1920*1080 33.72 59.94 74.176 HDTV 1080I HDCP
12 1920*1080 33.75 60.00 74.250 HDTV 1080I HDCP
13 1920*1080 28.125 50.00 74.250 HDTV 1080I 50Hz HDCP
14 1920*1080 27.000 24.00 74.250 HDTV 1080P 24Hz HDCP
15 1920*1080 56.250 50 148.500 HDTV 1080P 50Hz HDCP
16 1920*1080 67.433 59.94 148.352 HDTV 1080P HDCP
17 1920*1080 67.500 60 148.500 HDTV 1080P HDCP
NoResolution H-freq(kHz) V-freq.(Hz) Pixel clock(MHz) Proposed Remarks
1. 720*400 31.468 70.08 28.321 HDCP
2. 640*480 31.469 59.94 25.17 VESA HDCP
37.684 75.00 31.50
3 800*600 37.879 60.31 40.00 VESA HDCP
46.875 75.00 49.50
4. 832*624 49.725 74.55 57.283 Macintosh HDCP
5 1024*768 48.363 60.00 65.00 VESA(XGA) HDCP
56.470 70.00 75.00
60.123 75.029 78.75
6 1280*768 47.78 59.87 79.5 WXGA HDCP
7 1360*768 47.72 59.8 84.75 WXGA HDCP
8 1366*768 47.56 59.6 84.75 WXGA HDCP
9 1280*1024 63.595 60.0 108.875 SXGA FHD Model only, HDCP
10 1920*1080 66.647 59.988 138.625 WUXGA FHD Model only, HDCP

更多难得资料请到江南家电维修论坛免费下载!
http://bbs.520101.com
Copyright © 2007 LG Electronics. Inc. All right reserved.
Only for training and service purposes LGE Internal Use Only
- 12 -
12. Mechanical specification
12-1. 37LG5000
No. Item Content Unit Remark
1. Product Widt(W) Length(D) Height(H) mm
Dimension Before Packing 936.4 293.8 684.4 mm With Stant
After Packing 1195 253 665 mm
2. Product Only SET 18.3 Kg
With BOX 23 Kg
12-2. 42LG5000
No. Item Content Unit Remark
1. Product Widt(W) Length(D) Height(H) mm
Dimension Before Packing 1034 293.4 735 mm With Stant
After Packing 1330 257 772 mm
2. Product Only SET 23.5 Kg
With BOX 26.2 Kg
12-3. 47LG50
No. Item Content Unit Remark
1. Product Widt(W) Length(D) Height(H) mm
Dimension Before Packing 1156.2 342.9 813.1 mm With Stant
After Packing 1266 460 887 mm
2. Product Only SET 29.5 Kg
With BOX 35.4 Kg
12-4. 52LG5000
No. Item Content Unit Remark
1. Product Widt(W) Length(D) Height(H) mm
Dimension Before Packing 1291.7 342.9 892.2 mm With Stant
After Packing 1386 411 976 mm
2. Product Only SET 39.5 Kg
With BOX 46.2 Kg

更多难得资料请到江南家电维修论坛免费下载!
http://bbs.520101.com
Copyright © 2007 LG Electronics. Inc. All right reserved.
Only for training and service purposes LGE Internal Use Only
- 13 -
ADJUSTMENT INSTRUCTION
1. Application Range
These instructions are applied to all of the LCD TV, LD84D
Chassis.
2. Notice
2.1 The adjustment is according to the order which is
designated and which must be followed, according to the
plan which can be changed only on agreeing.
2.2. Power Adjustment: Free Voltage
2.3. Magnetic Field Condition: Nil.
2.4. Input signal Unit: Product Specification Standard
2.5. Reserve after operation: Above 5 Minutes (Heat Run)
Temperature : at 25°C±5°C
Relative humidity : 65 ±10%
Input voltage : 220V, 60Hz
2.6. Adjustment equipments: Color Analyzer (CA-210 or CA-
110), Pattern Generator (MSPG-925L or Equivalent),
DDC Adjustment Jig equipment, SVC remote controller
2.7. Don’t push The "IN STOP KEY" after completing the
function inspection.
3. Main PCB check process
OAPC - After Manual-Insult, executing APC
O Download
1. Execute ISP program "Mstar ISP Utility" and then click
"Config" tab.
2. Set as below, and then click "Auto Detect" and check
"OK" message.
If display "Error", Check connect computer, jig, and
set.
3. Click "Connect" tab.
If display "Can’t ", Check connect computer, jig, and
set.
4. Click "Read" tab, and then load download
file(XXXX.bin) by clicking "Read"
5. Click "Auto" tab and set as below
6. Click "Run".
7. After downloading, check "OK" message.
(1) (3)
(2) OK
Controllare la frequenza:
Usare una frequenza da
200KHz a 400KHz
(4)
filexxx.bin
filexxx.bin
(5)
(6)
(8)...........OK
(7)

更多难得资料请到江南家电维修论坛免费下载!
http://bbs.520101.com
- 14 -
Copyright © 2007 LG Electronics. Inc. All right reserved.
Only for training and service purposes LGE Internal Use Only
O USB DOWNLOAD
1. Put the USB Stick to the USB socket
2. Automatically detecting update file in USB Stick
- If your downloaded program version in USB Stick is
Low, it didn’t work. But your downloaded version is High,
USB data is automatically detecting
3. Show the message "Copying files from memory"
4. Updating is staring.
5. Updating Completed, The TV will restart automatically.
6. If your TV is turned on, check your updated version and
Tool option. (explain the Tool option, next stage)
* If downloading version is more high than your TV have, TV
can lost all channel data. In this case, you have to channel
recover. if all channel data is cleared, you didn’t have a
DTV/ATV test on production line.
O After downloading, have to adjust TOOL OPTION again.
1. Push "IN-START" key in service remote controller
2. Select "Tool Option 1" and Push "OK" button
3. Punch in the number. (Each model has their number.)
4. Completed selecting Tool option
3.1 ADC Process
3.1.1 PC input ADC
3.1.1.1 Auto RGB Gain/Offset Adjustment
- Convert to PC in Input-source
- Signal equipment displays
Output Voltage: 700 mVp-p
Impress Resolution XGA (1024 x 768 @ 60Hz)
Model : 60 in Pattern Generator
Pattern : 65 in Pattern Generator (MSPG-925 SERISE)
Adjustment pattern (PC )
- Adjust by commanding AUTO_COLOR_ADJUST.
3.1.1.2 Confirmation
- We confirm whether "0xAA (RGB)" address of EEPROM
"0xA2" is "0xAA" or not.
- If "0xAA (RGB)" address of EEPROM "0xA2" isn’t "0xAA",
we adjust once more
- We can confirm the ADC values from "0xA4~0XA9 (RGB)"
addresses in a page "0xA2"
*Manual ADC process using Service Remocon. After enter
Service Mode by pushing "ADJ" key,
execute "ADC Adjust" by pushing " " key at "ADC
CALIBRATION: RGB-PC".
3.2.1 COMPONENT input ADC
3.2.1.1 Component Gain/Offset Adjustment
- Convert to Component in Input-source
- Signal equipment displays
Impress Resolution 480i

更多难得资料请到江南家电维修论坛免费下载!
http://bbs.520101.com
MODEL: 209 in Pattern Generator(480i Mode)
PATTERN : 65 in Pattern Generator( MSPG-925 SERISE)
Impress Resolution 1080i
MODEL: 223 in Pattern Generator(1080i Mode)
PATTERN: 65 in Pattern Generator( MSPG-925 SERISE)
Adjustment pattern (COMPONENT )
- Adjust by commanding AUTO_COLOR_ADJUST.
3.2.1.2 Confirmation
- We confirm whether "0xB3 (480i)/0xBC (1080i)" address of
EEPROM "0xA2" is "0xAA" or not.
- If "0xB3 (480i)/0xBC(1080i)" address of EEPROM "0xA2"
isn’t "0xAA", we adjust once more
- We can confirm the ADC values from "0xAD~0XB2
(480i)/0XB6~BB (1080i)" addresses in a page "0xA2"
*Manual ADC process using Service Remocon. After enter
Service Mode by pushing "ADJ" key,
execute "ADC Adjust" by pushing " " key at "ADC
CALIBRATION :COMPONENT".
Impress Resolution 480i
Impress Resolution 1080i
3.2 Function Check
3.2.1 Check display and sound
-Check Input and Signal items. (cf. work instructions)
1. TV
2. AV (SCART1/SCART2/S-VHS/CVBS)
3. COMPONENT (480i)
4. RGB (PC : 1024 x 768 @ 60hz)
5. HDMI
6. PC Audio In
* Display and Sound check is executed by Remote controller.
4. Total Assembly line process
4.1 Adjustment Preparation
- W/B Equipment condition
CA210: CH 9, Test signal: Inner pattern (85IRE)
- Above 5 minutes H/run in the inner pattern. ("power on" key
of adjust remote control)
- 15 Pin D-Sub Jack is connected to the AUTO W/B
EQUIPMENT.
- Adjust Process will start by execute I2C Command (Inner
pattern (0xF3, 0xFF).
- Adjust Process will finish by execute I2C Command (Inner
pattern (Inner pattern (0xF3,0x00)).
** Caution **
Color Temperature: COOL, Medium, Warm
One of R Gain/G Gain/ B Gain should be kept on 0xC0, and
adjust other two lower than C0.
(when R/G/B Gain are all C0, it is the FULL Dynamic Range of
Module)
*Manual W/B process using adjusts Remote control.
- After enter Service Mode by pushing "ADJ" key,
- Enter White Pattern off of service mode, and change off -> on.
- Enter "W/B ADJUST" by pushing " " key at "3. W/B ADJUST".
- 15 -
Copyright © 2007 LG Electronics. Inc. All right reserved.
Only for training and service purposes LGE Internal Use Only
Color Cool 11,000k
°
K X=0.276 (±0.002) LG5000
<Test Signal>
Temperature Y=0.283 (±0.002)
Inner pattern
Medium 9,300k
°
K X=0.285 (±0.002)
(216gray,85IRE)
Y=0.293 (±0.002)
Warm 6,500k
°
K X=0.313 (±0.002)
Y=0.329 (±0.002)

更多难得资料请到江南家电维修论坛免费下载!
http://bbs.520101.com
- After done all adjustments, Press "In-start" button and compare
Tool option and Area option value with its BOM, if it is correctly
same then unplug the AC cable. If it is not same, then correct it
same with BOM and unplug AC cable. For correct it to the
model’s module from factory JIG model.
- Don’t push The "IN STOP KEY" after completing the function
inspection.
4.2 DPM operation confirmation (Only Apply for MNT Model)
• Check if Power LED Color and Power Consumption operate as
standard.
- Set Input to RGB and connect D-sub cable to set
- Measurement Condition: (100~240V@ 50/60Hz)
- Confirm DPM operation at the state of screen without Signal
4.3 DDC EDID Write (RGB 128Byte)
- Connect D-sub Signal Cable to D-Sub Jack.
- Write EDID DATA to EEPROM (24C02) by using DDC2B
protocol.
- Check whether written EDID data is correct or not.
4.4. DDC EDID Write (HDMI 256Byte)
- Connect HDMI Signal Cable to HDMI Jack.
- Write EDID DATA to EEPROM(24C02) by using DDC2B
protocol.
- Check whether written EDID data is correct or not
4.5. Serial number (RS-232C)
- Press "Power on" key of service remocon.(Baud rate :
115200 bps)
- Connect RS232 Signal Cable to RS-232 Jack.
- Write Serial number by use RS-232.
- Must check the serial number at the Diagnostics of SET UP
menu. (Refer to below).
- 16 -
Copyright © 2007 LG Electronics. Inc. All right reserved.
Only for training and service purposes LGE Internal Use Only

更多难得资料请到江南家电维修论坛免费下载!
http://bbs.520101.com
- 17 -
Copyright © 2007 LG Electronics. Inc. All right reserved.
Only for training and service purposes LGE Internal Use Only
4.5 EDID DATA
Note) Because downloading can be down at the power on
mode only, if it is not set, press the Power ON key of
the remote controller to proceed.
O HDMI1 EDID (DDC (Display Data Channel) Data
O HDMI2 EDID (DDC (Display Data Channel) Data
O HDMI3 EDID (DDC (Display Data Channel) Data
O Analog (RGB) EDID table
0123456789ABCDEF
0 00FFFFFFFFFFFF001E6D010001010101
10 00 11 01 03 80 73 41 96 0A CF 74 A3 57 4C B0 23
20 09 48 4C AF CF 00 31 40 45 40 61 40 81 80 A9 40
30 01 01 01 01 01 01 66 21 50 B0 51 00 1B 30 40 70
40 36 00 C4 8E 21 00 00 1E 02 3A 80 18 71 38 2D 40
50 58 2C 45 00 C4 8E 21 00 00 1E 00 00 00 FD 00 30
60 58 1F 64 11 00 0A 20 20 20 20 20 20 00 00 00 FC
70 00 4C 47 20 54 56 0A 20 20 20 20 20 20 20 01 8A
0123456789ABCDEF
0 020318F1478405030220221023150750
10 67 03 0C 00 10 00 B8 2D 01 1D 00 72 51 D0 1E 20
20 6E 28 55 00 C4 8E 21 00 00 1E 01 1D 80 18 71 1C
30 16 20 58 2C 25 00 C4 8E 21 00 00 9E 8C 0A D0 8A
40 20 E0 2D 10 10 3E 96 00 C4 8E 21 00 00 18 8C 0A
50 D0 8A 20 E0 2D 10 10 3E 96 00 13 8E 21 00 00 18
60 26 36 80 A0 70 38 1F 40 30 20 25 00 C4 8E 21 00
70 00 1A 00 00 00 00 00 00 00 00 00 00 00 00 00 27
0123456789ABCDEF
0 00FFFFFFFFFFFF001E6D010001010101
10 00 11 01 03 80 73 41 96 0A CF 74 A3 57 4C B0 23
20 09 48 4C AF CF 00 31 40 45 40 61 40 81 80 A9 40
30 01 01 01 01 01 01 66 21 50 B0 51 00 1B 30 40 70
40 36 00 C4 8E 21 00 00 1E 02 3A 80 18 71 38 2D 40
50 58 2C 45 00 C4 8E 21 00 00 1E 00 00 00 FD 00 30
60 58 1F 64 11 00 0A 20 20 20 20 20 20 00 00 00 FC
70 00 4C 47 20 54 56 0A 20 20 20 20 20 20 20 01 8A
0123456789ABCDEF
0 020318F1478405030220221023150750
10 67 03 0C 00 30 00 98 25 01 1D 00 72 51 D0 1E 20
20 6E 28 55 00 C4 8E 21 00 00 1E 01 1D 80 18 71 1C
30 16 20 58 2C 25 00 C4 8E 21 00 00 9E 8C 0A D0 8A
40 20 E0 2D 10 10 3E 96 00 C4 8E 21 00 00 18 8C 0A
50 D0 8A 20 E0 2D 10 10 3E 96 00 13 8E 21 00 00 18
60 26 36 80 A0 70 38 1F 40 30 20 25 00 C4 8E 21 00
70 00 1A 00 00 00 00 00 00 00 00 00 00 00 00 00 2F
0123456789ABCDEF
0 00FFFFFFFFFFFF001E6D010001010101
10 00 11 01 03 18 73 41 96 0A CF 74 A3 57 4C B0 23
20 09 48 4C AF CF 00 31 40 45 40 61 40 81 80 A9 40
30 01 01 01 01 01 01 66 21 50 B0 51 00 1B 30 40 70
40 36 00 C4 8E 21 00 00 1A 02 3A 80 18 71 38 2D 40
50 58 2C 45 00 C4 8E 21 00 00 1E 00 00 00 FD 00 30
60 58 1F 64 11 00 0A 20 20 20 20 20 20 00 00 00 FC
70 00 4C 47 20 54 56 0A 20 20 20 20 20 20 20 01 F6
0123456789ABCDEF
0 020304000E1F008051 001E3040803700
10 C4 8E 21 00 00 1C F1 27 00 A0 51 00 25 30 50 80
20 37 00 C4 8E 21 00 00 1C 26 36 80 A0 70 38 1F 40
30 30 20 25 00 C4 8E 21 00 00 0A 00 00 00 00 00 00
40 00 00 00 00 00 00 00 00 00 00 00 00 00 00 00 00
50 00 00 00 00 00 00 00 00 00 00 00 00 00 00 00 00
60 00 00 00 00 00 00 00 00 00 00 00 00 00 00 00 00
70 00 00 00 00 00 00 00 00 00 00 00 00 00 00 00 BC
0123456789ABCDEF
0 00FFFFFFFFFFFF001E6D010001010101
10 00 11 01 03 80 73 41 96 0A CF 74 A3 57 4C B0 23
20 09 48 4C AF CF 00 31 40 45 40 61 40 81 80 A9 40
30 01 01 01 01 01 01 66 21 50 B0 51 00 1B 30 40 70
40 36 00 C4 8E 21 00 00 1E 02 3A 80 18 71 38 2D 40
50 58 2C 45 00 C4 8E 21 00 00 1E 00 00 00 FD 00 30
60 58 1F 64 11 00 0A 20 20 20 20 20 20 00 00 00 FC
70 00 4C 47 20 54 56 0A 20 20 20 20 20 20 20 01 8A
0123456789ABCDEF
0 020318F1478405030220221023150750
10 67 03 0C 00 20 00 B8 2D 01 1D 00 72 51 D0 1E 20
20 6E 28 55 00 C4 8E 21 00 00 1E 01 1D 80 18 71 1C
30 16 20 58 2C 25 00 C4 8E 21 00 00 9E 8C 0A D0 8A
40 20 E0 2D 10 10 3E 96 00 C4 8E 21 00 00 18 8C 0A
50 D0 8A 20 E0 2D 10 10 3E 96 00 13 8E 21 00 00 18
60 26 36 80 A0 70 38 1F 40 30 20 25 00 C4 8E 21 00
70 00 1A 00 00 00 00 00 00 00 00 00 00 00 00 00 17

更多难得资料请到江南家电维修论坛免费下载!
http://bbs.520101.com
- 18 -
Copyright © 2007 LG Electronics. Inc. All right reserved.
Only for training and service purposes LGE Internal Use Only
5. Adjusting the White Balance
5.1 Overview
- Purpose and principle for adjusting the white balance
- Purpose : Adjust the white balance to reduce the deviation
of the module.
- Principle: The full dynamic range of the module when the
RGB gain on the OSD is 192. In order to adjust the white
balance with no saturation of the full dynamic range and the
data, fix one of the RGB gains to 192 and decrease the
remaining two gains to adjust
5.2 Device to use
1) Color Analyzer : CA-210 (NCG: CH 9 / WCG: CH12)
2) Computer to adjust (needed for the automatic adjustment,
possible to communicate with the RS-232C)
3) Adjustment remote controller
4) Video Signal Generator MSPG-925F 720p/216Gray
(Model:217, Pattern:78)
=> Applied only when the inner pattern cannot be used
*Use the Color Analyzer with the matrix calibrated by the CS-
1000
5.3 Measuring instrument wiring diagram
5.4 RS-232C Command used for the automatic
adjustment
- "wb 00 00": Start Auto-adjustment of white balance.
- "wb 00 10": Start Gain Adjustment (Inner pattern)
- "jb 00 c0" :
- …
- "wb 00 1f": End of Adjustment
* If it needs, offset adjustment (wb 00 20-start, wb 00 2f-
end)
- "wb 00 ff": End of white balance adjustment (inner pattern
disappear)
6. How to adjust
6.1 How to adjust automatically
1) The adjustment condition should be set by the Power On
key.
2) Perform the zero calibration of the Color Analyzer and
place the probe close to the display center.
3) Connect the communication cable (RS-232C).
4) Select the desired model of the adjustment program and
perform the adjustment.
5) After the adjustment is ended (check the OK sign), check
the adjustment condition for each mode of the set.
(Warm, Medium, Cool)
6) Disconnect the probe and the communication cable to end
the adjustment.
* The adjustment should be started with "wb 00 00" and ended
with "wb 00 ff", and the offset should be adjusted when
necessary.
6.2 How to adjust manually
1) The adjustment condition should be set by the Power On
key.
2) Press the ADJ of the R/C to enter into 'EZ-ADJUST'.
3) Select '10.TEST PATTERN' with the CH +/- key and press
the Enter key for 30 minutes or longer to perform the heat
run.
4) Perform the zero calibration of the Color Analyzer and fix
the sensor with the 10cm or less distance at the center of
the LCD module surface when adjusting.
5) Press the ADJ of the R/C to select '7.White-Balance' of the
Ez-Adjust and press the right arrow key(G) to enter into
the adjustment mode.
(As soon as you press 'G', the screen is entered into the
full white inner pattern.)
6) Fix one of the R/G/B gains to 192 and decrease the
remaining two gains to adjust not to exceed 192.
7) The adjustment is done at three white balances of Cool,
Medium and Warm.
* The inner pattern is basically used, and if it is not possible, the
adjustment can be done by selecting the HDMI input. NONE,
INNER or HDMI can be selected by the bottom option at the Ez
Adjust Menu 7.White Balance menu and it is set to INNER as
default. If the adjustment cannot be done by the inner pattern,
select the HDMI to adjust.
* Adjustment environment and reference
1) Environment illuminance
Adjust it to 10 LUX or less at the place where the light
source such as lamp should be blocked at maximum.
2) Probe location
- PDP: Locate the Color Analyzer (CA-100, CA-100+,
CA210) close to the module surface to measure and
adjust
- LCD: Maintain the Color Analyzer (CA-210) close to the
module surface by 10cm or less and keep the probe
of the Color Analyzer perpendicular to the module
surface (80°~ 100°).
3) Aging time
- Keep the power on after the aging start (with no power off)
to perform the heat run for 15 minutes or longer.
- Keep the white pattern with the inner pattern for the PDP.
- For the LCD, make sure that the back light is turned on by
using no signal and the full white pattern or others.
RS-232C COMMAND
Meaning
[CMD ID DATA]
wb 00 00 White Balance adjustment start.
wb 00 10 Start of adjust gain (Inner white pattern)
wb 00 1f End of gain adjust
wb 00 20 Start of offset adjust(Inner white pattern)
wb 00 2f End of offset adjust
wb 00 ff
End of White Balance adjust(Inner pattern disappeared)

更多难得资料请到江南家电维修论坛免费下载!
http://bbs.520101.com
- 19 -
Copyright © 2007 LG Electronics. Inc. All right reserved.
Only for training and service purposes LGE Internal Use Only
6.3 Reference
(White Balance adjustment coordinate and
White balance)
O Brightness: Full white 216 Gray
O Standard color coordinate and white balance when using the
CS-1000
O Standard color coordinate and white balance when using the
CA-210 (CH 10)
7. Select the option by country
7.1 Overview
- The option selection is applied to the North American model
only, which selects the rating related country.
- Applied models: LA84A Chassis applied None USA
Model(Canada, Mexico)
7.2 How to select
1) Press the In-Start key of the R/C and press the red oval
OP1(PIP CH-) key to enter into the Factory Option menu.
2) Select 1.USA, 2.CANADA or 3.MEXICO from the country
select according to the destination. At this time, use the
volume +/- key to adjust
8. Set the shipping mode (In-stop)
- After completing the final test, in order to set the set to the
shipping condition, press the In-Stop key of the R/C to make
sure that the set is turned off.
9. GND and resisting pressure test
9.1 How to test
1) Preparing for the automatic test on the GND & resisting
pressure
- Make sure that the power cord is completely inserted into
the set. (When it is disconnected or loosened, test after
inserting it)
2) Perform the automatic test on the GND & resisting
pressure
- The set with power cord, the cord and the A/V completely
inserted into the tuner is loaded on the pallet and entered
into the automatic test process.
- Connect the D-terminal AV JACK tester
- Turn on the automatic (GWS103-4)
- Perform the GND TEST
- If it is not good, the buzzer is operated to notify the test
result to the operator.
- If it is OK, it is automatically switched to the resisting
pressure test. (Disconnect the cord and the A/V from the
AV JACK BOX)
- Perform the resisting pressure test
- If it is not good, the buzzer is operated to notify the test
result to the operator.
- If it is OK, the GOOD LAMP is turned and the stopper is
moves down, and it moves to the next process.
9.2 Items to manage
O TEST voltage
- GND:1.5KV/min at 100mA
- SIGNAL:3KV/min at 100mA
OTEST time:1 second
O TEST POINT
- GND TEST = between POWER CORD GND and
SIGNAL CABLE METAL GND
- Resisting pressure TEST = between POWER CORD
GND and LIVE & NEUTRAL
O LEAKAGE CURRENT: Set to 0.5mArms
Color temperature
Color Coordination Temp UV
xy
COOL 0.276 0.283 11000K 0.0000
MEDIUM 0.285 0.293 9300K 0.0000
WARM 0.313 0.324 6500K 0.0000
Color temperature
Test Equipment
Color Coordination
xy
COOL CA-210 0.276±0.002 0.283±0.002
MEDIUM CA-210 0.285±0.002 0.293±0.002
WARM CA-210 0.313±0.002 0.329±0.002

更多难得资料请到江南家电维修论坛免费下载!
http://bbs.520101.com
- 20 -
Copyright © 2007 LG Electronics. Inc. All right reserved.
Only for training and service purposes LGE Internal Use Only
10. ISP Download (option)
10.1 Overview
The Micom upgrade via the external port for the service for
the customer.
10.2 Device to use
1) PC
2) B/D for the interface (IIC & ISP)
3) Jig for downloading (for the power supply)
10.3 Adjustment wiring diagram (Download device
configuration diagram)
10.4 Adjustment condition (Download condition)
- IC name & Circuit number: MYSON MTV416GMF & IC4015
- Power supply: 5V (P4004 Pin 3)
- SCL: D-sub Pin 10
- SDA: D-sub Pin 7
10.5 How to adjust (for downloading)
1) fter executing LGE Monitor Tools v1.1, click the first icon.
(See the figure)
2) When the screen is displayed as shown at the below
figure, set the items as follows:
- MCU Select: MTV512M64
- R/W Option: Auto Write(Verify)
- Jig Option: Myson
- Transmit Speed: Medium
- Check: blank
- PORT: Select the Parallel Port to use (LPT1 in general)
*caution: Select the EPP as LPT from the ROM BIAS setting.
3) Click the Load File Button, and select the desired Hex File
to download.
(If no file is displayed, make sure that the file format is
selected as Hex file (*.hex))
4) Click 'Send Button'
Main B/D
Interface B/D

更多难得资料请到江南家电维修论坛免费下载!
http://bbs.520101.com
- 21 -
Copyright © 2007 LG Electronics. Inc. All right reserved.
Only for training and service purposes LGE Internal Use Only
11. USB S/W Download (option)
11.1 Overview
The USB download is for the quick service response via
the S/W upgrade and for applying the S/W upgrade
necessary for the board adjustment
11.2 How to dowunload
1) After turning on the set, make sure that the display screen
is turned on.
2) When the USB Memory Stick with the upgrade file applied
is inserted into the USB jack on the main board, the
following screen (example) is displayed after several
seconds
3) Check the current version at [Current TV Software Version
Information], check the S/W version to upgrade at [New
Found TV Software Version Information], and press the
Enter button of the TV remote controller.
4) Downloading is proceeded as shown at the below screen,
and when it is ended, turning on/off is automatically done.
(When the automatic proceeding is not smoothly done,
manually perform the power On/Off).
5) When downloading is ended, remove the USB Memory
Stick from the USB jack.
6) Press the IN-START button of the remote controller to
check the upgraded S/W version.
TV Software Upgrade
[ Current TV Software Version Information ]
HOMEFS(RELEASE): 00.01.01
[ New Found TV Software Version Information ]
MODEL : 42PX3D-UE
FILE : homefs-42PX3D-UE-RELEASE-0x0102.pak
HOMEFS(RELEASE) : 00.01.02
Press ENTER to start downloading the new software.
Until the whole process if completed, please
- Do not remove the memory card from the slot.
- Do not plug off.
Press EXIT to cancel the upgrade.
TV Software Upgrade
The software upgrade is now in progress.
Until the whole process if completed, please
- Do not remove the memory card from the slot.
- Do not plug off.
Reading the file°¶Done
Upgrading°¶Done
The TV will restart automatically in 0 seconds.

更多难得资料请到江南家电维修论坛免费下载!
http://bbs.520101.com
Copyright © 2007 LG Electronics. Inc. All right reserved.
Only for training and service purposes LGE Internal Use Only
- 22 -
TROUBLESHOOTING
TV/CATV doesnt display
Check TU500 Pin15(Video output),
Pin16(Sound output)
Can you see the normal signal?
Check the output of TR(Q503).
Can you see the normal waveform?
Check the output of Main IC(IC100).
Especially you should check
The H,V sync and clock.
Can you see the normal waveform?
YES
YES
NO Could you measure voltage of
TU800 & IIC lines?
Are they all normal?
YES
NO You should check power line
& IIC lines.
YES
You should replace TUNER.
NO You should decide to replace TR(Q503)
or not.
NO After checking the Power of Main
IC(IC100) you should decide to replace
Main IC or not.
This board has big problem because
Main IC(IC100) have some troubles.
After checking thoroughly all path once
again, You should decide to replace
Main Board or not.

更多难得资料请到江南家电维修论坛免费下载!
http://bbs.520101.com
Copyright © 2007 LG Electronics. Inc. All right reserved.
Only for training and service purposes LGE Internal Use Only
- 23 -
DTV doesnt display
Check the output data of TU800
Pin 24~34
Can you see the normal signal?
NO Could you measure voltage of
TU800 & IIC lines?
Are they all normal?
NO You should check power line
& IIC lines.
YES
You should replace TUNER.
YES
Check the output of Main IC(IC100).
Especially you should check
The H,V sync and clock.
Can you see the normal waveform?
YES
NO After checking the Power of Main
IC(IC100) you should decide to replace
Main IC or not.
This board has big problem because
Main IC(IC100) have some troubles.
After checking thoroughly all path once
again, You should decide to replace
Main Board or not.

更多难得资料请到江南家电维修论坛免费下载!
http://bbs.520101.com
Copyright © 2007 LG Electronics. Inc. All right reserved.
Only for training and service purposes LGE Internal Use Only
- 24 -
AV1/2/3 doesnt display
Check J600,J600,JK607,JK618
Can you see the normal
waveform?
Check the input of Video
switch(IC700).
Can you see the normal waveform?
YES
NO J600,J601 or SIDE AV may have
problem. Replace this Jack or SIDE
AV.
NO After checking the Power of AV switch
you should decide to replace AV switch
or not.
Check the output of Main IC(IC100).
Especially you should check
The H,V sync and clock.
Can you see the normal waveform?
YES
NO After checking the Power of Main
IC(IC100) you should decide to replace
Main IC or not.
This board has big problem because
Main IC(IC100) have some troubles.
After checking thoroughly all path once
again, You should decide to replace
Main Board or not.
YES

更多难得资料请到江南家电维修论坛免费下载!
http://bbs.520101.com
Copyright © 2007 LG Electronics. Inc. All right reserved.
Only for training and service purposes LGE Internal Use Only
- 25 -
Component doesnt display
Check J701.
Can you see the normal
waveform?
Check the input of Component
Audio switch(IC1001) ,
Can you see the normal waveform?
Check the output of Component
Audio switch(IC1001) ,
Can you see the normal waveform?
YES
YES
YES
NO J701
may have problem. Replace this Jack.
NO After checking the Power of component
Audio switch, you should decide to
replace component Audio switch or not.
NO After checking the Power of component
Audio switch you should decide to
replace component Audio switch or not.
Check the output of Main IC(IC100).
Especially you should check
The H,V sync and clock.
Can you see the normal waveform?
YES
NO After checking the Power of Main
IC(IC100) you should decide to replace
Main IC or not.
This board has big problem because
Main IC(IC100) have some troubles.
After checking thoroughly all path once
again, You should decide to replace
Main Board or not.

更多难得资料请到江南家电维修论坛免费下载!
http://bbs.520101.com
Copyright © 2007 LG Electronics. Inc. All right reserved.
Only for training and service purposes LGE Internal Use Only
- 26 -
RGB PC doesnt display
Check J703 ,
Can you see the normal
waveform?
Check the input of RGB Audio
switch(IC1001) ,
Can you see the normal waveform?
Check the output of RGB Audio
switch(IC1001) ,
Can you see the normal waveform?
YES
YES
YES
NO J703
may have problem. Replace this Jack.
NO After checking the Power of RGB Audio
switch, you should decide to replace
RGB Audio switch or not.
NO After checking the Power of RGB Audio
switch you should decide to replace
RGB Audio switch or not.
Check the output of Main IC(IC100).
Especially you should check
The H,V sync and clock.
Can you see the normal waveform?
YES
NO After checking the Power of Main
IC(IC100) you should decide to replace
Main IC or not.
This board has big problem because
Main IC(IC100) have some troubles.
After checking thoroughly all path once
again, You should decide to replace
Main Board or not.
Check the input of RGB Video
switch(IC700) ,
Can you see the normal waveform?
NO After checking the Power of RGB Video
switch, you should decide to replace
RGB Video switch or not.
YES

更多难得资料请到江南家电维修论坛免费下载!
http://bbs.520101.com
- 27 -
Copyright © 2007 LG Electronics. Inc. All right reserved.
Only for training and service purposes LGE Internal Use Only
HDMI doesnt display
Check input connect J900 , J901,
J902
Can you see the normal
waveform?
Check DDC communication
lines(IC900, IC901, IC903 Pin5,6)
Check the input of HDMI
Seitch(IC902)
This signal is TMDS.
Can you see the normal waveform?
YES
YES
NO J900 , J901, J902
may have problem. Replace this Jack.
Check the output of HDMI
Switch(IC902).
Can you see the normal waveform?
YES
YES
NO
After checking the trace of TMDS lines and
power of HDMI Switch, you should decide to
replace HDMI Switch or not.
NO
NO
After checking the Power of this chip,
you should decide to replace this or not.
After checking the Power of HDMI
Switch you should decide to replace
MST3361 or not.
YES
Check HDCP communication
lines(IC902)
NO After checking the Power of this chip,
you should decide to replace this or not.
Check the output of Main IC(IC100).
Especially you should check
The H,V sync and clock.
Can you see the normal waveform?
YES
NO After checking the Power of Main
IC(IC100) you should decide to replace
Main IC or not.
This board has big problem because
Main IC(IC100) have some troubles.
After checking thoroughly all path once
again, You should decide to replace
Main Board or not.

更多难得资料请到江南家电维修论坛免费下载!
http://bbs.520101.com
Copyright © 2007 LG Electronics. Inc. All right reserved.
Only for training and service purposes LGE Internal Use Only
- 28 -
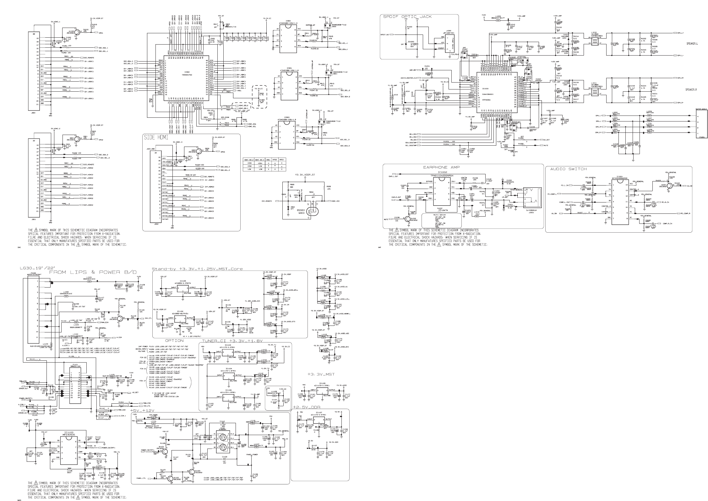
BLOCK DIAGRAM
LVDS
SC2_L/R_IN
Saturn3+
STMAV340
(IC700)
NTP3000A
(IC1000)
SP (R)
SP (L)
P1000
5V_ANT_MNT
CI Slot
(P800)
EEPROM
KIA7427
(IC104) 24C512
(IC105)
I2C_D_TU / I2C_A_TU
KEY1/2
TV Tuner
BOOSTER
SIF
TV_CVBS
DDR Memory
256Mb (IC300)
SC1_R/G/B
DSUB_R/G/B
R/G/B
PC_L/R_IN
COMP_Y/Pb/Pr
COMP_L/R_IN
DSUB_H/V_SYNC
MAX3232
(IC702)
DDC/UART-Tx/Rx
HDMI
Switch
(IC902)
EEPROM
HDMI_I2C
HDMI_I2C_0 HDMI_CEC/Rx/HPD
TMDS x3
HPD x3
HDMI_CEC x3
USB_DM/DP
5V_HDMI
PCM_ADD
PCM_DATA
TS_Parallel
TU_TS_DATA
KIC7SZ32FU
(IC802)
PCM_CD_ON
CI_CD_1/2
IIS
MUTE
LED_G/R & IR
Flash Memory
4MB (IC101)
SC1_CVBS_IN
SC2_CVBS_IN
SC1_TV_VOUT
DTV/MNT_V_OUT
SC1_L/R_IN
TV_L/R_OUT
DTV/MNT_L/R_OUT
LCD Panel
52/47/42/37: FHD
32: : HD
RESET I2C
I/O Expander
(IC103)
I2C_A_TU
TS_Serial
74LVC541A
(IC800)
Flash Memory
4MB (IC102)
DDR Memory
256Mb (IC300)
EEPROM
EEPROM
Side_Y/C/V/L/R
SPDIF Out
IIC(Eye Q II)
TPA6110A2
(IC1002)
Head phone Out
74HC4066
(IC1001)





