Libre Wireless Technologies LS9AC11DBT WiFi Media Streaming Module User Manual Copyright 2014 by Libre Wireless Technologies
Libre Wireless Technologies Inc. WiFi Media Streaming Module Copyright 2014 by Libre Wireless Technologies
Contents
- 1. Users Manual
- 2. User manual
User manual

Libre Wireless Technologies © 2017
Libre Confidential
LibreSync & GC4A
High Performance Network Media Module
1x1 Dual Band 802.11 a/b/g/n/ac
With Integrated Bluetooth 4.1 Low Energy (BLE)
LS9 Data Sheet
Module: LS9-AC11DBT
Rev: 2.3

LS9-AC11DBT Module
Libre Wireless Technologies Data Sheet: Network Media Module, Ver. 2.3 Page 2 of 21
Libre Confidential
1. Introduction
Libre Wireless, LS9-AC11DBT is a high performance media / audio streaming module. LS9-AC11DBT
comes with Dual core Coretex-A7 CPU and Dual Neon/VFPU subsystems running at 1.3GHz, 256MB
of DDR3 DRAM memory and 256MB of NAND Flash, an 802.11a/b/g/n/ac, Bluetooth v4.1 Low
Energy (BLE), Multi- standard video encoding, 2D/3D Graphics Engine and a USB OTG.
2. Module Feature Summary
Key Features
• Dual core Cortex-A7 CPU and Dual core Neon/VFPU running ate 1.3GHz
• Features: Hi-Rez Audio (192KHz/24bits), Stereo Decode, HD Graphics and HD Video On
Screen Display
• LPCM, MP3, AAC/AAC+,AC3, OGG Vorbis, HE-AAC, WMA decode capability
• Lossless audio decode, like FLAC, APE and DSD
• Support for JPEG/GIF
• Supports WMV9, AVS, VP6,
• Libre’s advanced multi-zone audio streaming technology (DDMS)
• Libre Crypto IC for code protection and secure transaction feature options
• Data Transport De-MUX
• 1DES/3DES/AES/CSS/CPRM/DTCP copy protection
• Feature Rich 2D/3D Hardware Graphics Engine,
• I2S interface
o LS9 module can be configured only as I2S-Master mode
o DSD over PCM
• SPDIF Output (Muxed with I2S port TXD Line - optional)

LS9-AC11DBT Module
Libre Wireless Technologies Data Sheet: Network Media Module, Ver. 2.3 Page 3 of 21
Libre Confidential
• In LS9, SPDIF and I2S are mutually exclusive. I2S is available only
when SPDIF output is disabled, and vise versa.
• HDMI1.4 transmitter MAC and PHY with HDCP 1.4
• 1x USB 2.0 OTG (For Debug Shell, Ethernet, Firmware update, USB Media Playback)
• 1x UART (For HOST-MCU communication)
• 2x I2C, 1x SPI, GPIOs
• Wi-Fi 1x1 Dual Band 802.11a/b/g/n/ac
• 3x Antenna(5 GHz WLAN, 2.4GHz WLAN, and 2.4GHz BT)
• Bluetooth 4.1 and Low Energy
• Standard configuration includes 256MB NAND FLASH and 256MB DDR3
WLAN Features
• IEEE 802.11 a/b/g/n and 802.11ac compliant
• Dual band 1T1R supporting STB and Receive Beamforming
Bluetooth Features
• Bluetooth specification v2.1+EDR
• Bluetooth specification 3.0+HS (802.11 AMP) compliance
• Bluetooth v4.1 Low Energy (LE)
• Best-in-class BT/Wi-Fi coexistence performance
• BT Profiles: A2DP 1.2, AVRCP 1.3, SPP, HFP, HSP, HOGP

LS9-AC11DBT Module
Libre Wireless Technologies Data Sheet: Network Media Module, Ver. 2.3 Page 4 of 21
Libre Confidential
3. LibreSync Features
LibreSync modules have extensive software features for connected media streaming and control
applications. These include system level control and interface features as well as networking
features.
Please refer to the full “LibreSync Feature List” for details of supported features.
Platform features can vary based on module configuration/derivatives and
commercial engagement details.
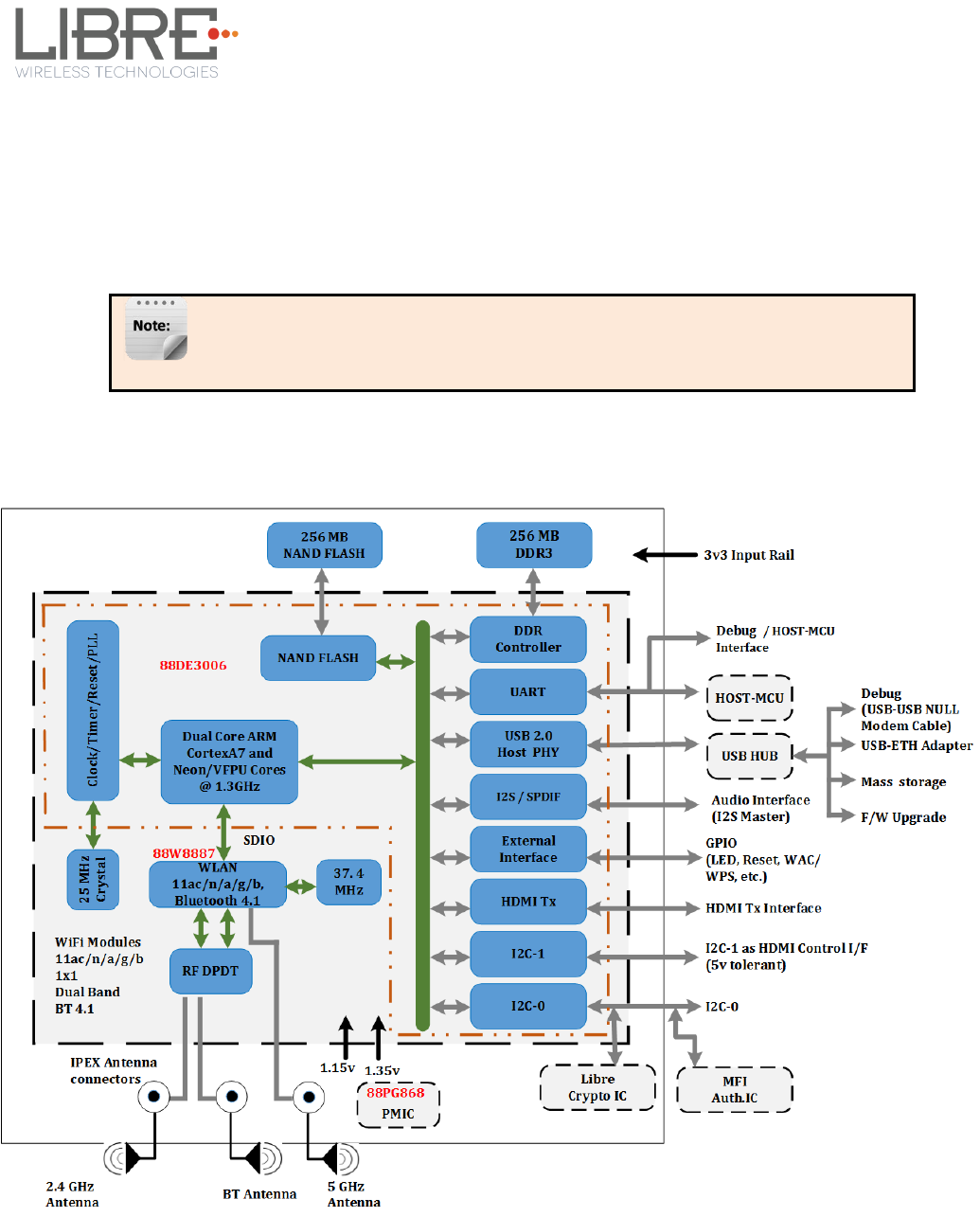
4. Block Diagram
Figure 4-1: LS9-AC11DBT MODULE Block Diagram

LS9-AC11DBT Module
Libre Wireless Technologies Data Sheet: Network Media Module, Ver. 2.3 Page 5 of 21
Libre Confidential
5. Specifications
5.1. General Specification
Parameter
Description / Values
Model
LS9-AC11DBT MODULE
Product Name
Network Media Module
Standard
• Wi-Fi – IEEE802.11a, IEEE802.11b, IEEE802.11g,
IEEE802.11n, IEEE802.11ac standards
• BT – v2.1+EDR, v3.0+HS, v4.1 BT Low Energy
(BLE)
Data Transfer Rate
1,2,5.5,6,11,12,18,22,24,30,36,48,54,60,90,120,150, 300,
and maximum of physical layer rate of 390 Mbps
Frequency Band
2.4 / 5.0 GHz
Input Voltage
3.3 V ± 5 %
Ripple
Requirement
20-30 mVpk-pk
Operating
Temperature
-5˚C to + 70˚C
Dimensions
63mm x 41 mm x 6.8 mm (L x W x H ) ± 0.2mm
5.2. Wi-Fi Specification
Parameter
Description / Values
Standard
IEEE802.11a, IEEE802.11b, IEEE802.11g, IEEE802.11n, and
IEEE802.11ac (draft compliant)
Data Rate
• 802.11b : 11, 5.5, 2, 1 Mbps
• 802.11g : 54, 48, 36, 24, 18, 12, 9, 6 Mbps

LS9-AC11DBT Module
Libre Wireless Technologies Data Sheet: Network Media Module, Ver. 2.3 Page 6 of 21
Libre Confidential
Parameter
Description / Values
•802.11n : MCS 0 to 7 for HT20MHz
MCS 0 to 7 for HT40MHz
•802.11ac : MCS 0 to 9 for HT40MHz
MCS 0 to 9 for HT80MHz
Modulation
•802.11b : CCK, DQPSK, DBPSK
•802.11g : 64QAM, 16QAM, QPSK, BPSK
•802.11n : 64QAM, 16QAM, QPSK, BPSK
•802.11ac : 256 QAM, 64QAM, 16QAM, QPSK,
BPSK
Network
Architecture
•Ad-hoc mode (Peer-to-Peer)
•Infrastructure Mode
Operation Channel
2.4GHz
•11: (Ch. 1-11) – United States
•13: (Ch. 1-13) – Europe
•5.0 GHz
•21: (Ch. 36, 40, 44, 48, 52……161, and 165) – USA
•19: (Ch. 36, 40, 44, ………136, and 140) - Europe
Frequency Range
2.4GHz: 2.412 ~ 2.483 GHz
5.0 GHz: 5.150GHz ~ 5.825GHz
Transmit Max
Output Power
•2.4 GHz
o802.11b : 16 dBm (11Mbps)
o802.11g : 15 dBm (54Mbps)
o802.11n : 14 dBm (MCS 7)
•5.0 GHz

LS9-AC11DBT Module
Libre Wireless Technologies Data Sheet: Network Media Module, Ver. 2.3 Page 7 of 21
Libre Confidential
Parameter
Description / Values
o802.11a : 15 dBm (54Mbps)
o802.11n : 14 dBm (MCS 7)
o802.11ac: 13 dBm (MCS 0)
o802.11ac: 13 dBm (MCS7)
•802.11ac : 12 dBm (MCS 9)
Receiver
Sensitivity
•2.4 GHz
o802.11b : < -92 dBm (1Mbps)
o802.11g : < - 70 dBm (54Mbps)
o802.11n : < -69 dBm (MCS 7)
•5.0 GHz
o802.11a : < -65 dBm (54Mbps)
o802.11n : < -64dBm (MCS 7)
•802.11ac :
o-76 dBm (MCS 0)
o-60 dBm (MCS7)
o-54 dBm (MCS 9)
Security
WEP 64&128 bit, WPA, WPA-PSK, WPA2, WPA2-PSK,
WPS, IEEE 802.1x, IEEE 802.11i

LS9-AC11DBT Module
Libre Wireless Technologies Data Sheet: Network Media Module, Ver. 2.3 Page 8 of 21
Libre Confidential
5.3. Bluetooth Specification
Parameter
Description / Values
Standard
V2.1+EDR, V3.0+HS, V4.1 BT Low Energy (BLE)
Audio CODEC
Support
SBC
Profile Support
A2DP 1.2, AVRCP 1.3, SPP, HFP, HSP, HOGP
Sampling Rates
•44.1 KHz, 48 KHz
•Joint Stereo 32 KHz
Coexistence
Support
Intelligent AFH (Advanced Frequency Hopping) – Channel
Assessment
WLAN/Bluetooth Coexistence (BCA) Protocol Support
Data Rate
•GFSK : 1 Mbps
•π/4 DQPSK : 2 Mbps
•8DPSK : 3 Mbps
Modulation
GFSK, π/4 DQPSK, 8DPSK
Operation Channel
0 to 78 for BDR / EDR
0 to 39 for BLE
Frequency Range
2.4 GHz (2402 -2480 MHz)
Security
AES Encryption
Transmit Output
Power (+/- 1dBm
tolerance)
•BDR : 6 dBm
•EDR : 4 dBm
•LE : 6 dBm
Receiver
Sensitivity
•BDR: < -86 dBm
•EDR : < - 84 dBm
•LE : <-86 dBm

LS9-AC11DBT Module
Libre Wireless Technologies Data Sheet: Network Media Module, Ver. 2.3 Page 9 of 21
Libre Confidential
5.4. Antenna Specification
Antenna Module
LSANT-1C-180
Antenna Gain
≤ 3.5dBi
Manufacturer of
Antenna
Golden Smart International Co., Ltd
Antenna Images
5.5. LS9-AC11DBT Module Ordering Information
Product
Number
Wi-Fi Tx/Rx
Wi-Fi Bands
Bluetooth
Module Height*
(±0.2mm)
LS9-AC11DBT
802.11 b/g/n/ac
1x1
2.4 / 5.0 GHz
4.1 BLE
65 mm x 41mm
x 6.8 mm (L x W
x H) ± 0.2mm
The LS9-AC11DBT module height does not include the measurement of bottom-
side media-connector.
6. Mechanical, Connectors and Interfaces
6.1. Physical Module

LS9-AC11DBT Module
Libre Wireless Technologies Data Sheet: Network Media Module, Ver. 2.3 Page 10 of 21
Libre Confidential
Physical module dimension is 63 mm x 41mm x 6.8 mm (L x W x H) ± 0.2mm.
Height of the module varies depending on the LS9 Module variant used; for information on height of
the module see Section 5.2.2. LS9-AC11DBT Module Ordering Information.
Figure 6-1 and Figure 6-2 represent module’s top and bottom.
Figure 6.1-1: LS9-AC11DBT Module Top

LS9-AC11DBT Module
Libre Wireless Technologies Data Sheet: Network Media Module, Ver. 2.3 Page 11 of 21
Libre Confidential
Figure 6.1-2: LS9-AC11DBT Module Bottom
Figure 6.1-3: LS9-AC11DBT MODULE Top view Mechanical Dimension (1)

LS9-AC11DBT Module
Libre Wireless Technologies Data Sheet: Network Media Module, Ver. 2.3 Page 12 of 21
Libre Confidential
Figure 6.1-4: LS9-AC11DBT MODULE Top View Mechanical Dimension (2)
Figure 6.1-5: LS9-AC11DBT MODULE Top View Mechanical Dimension (3)
The module dimensions are measured in millimetres (mm).
6.2. Media Connector Specification

LS9-AC11DBT Module
Libre Wireless Technologies Data Sheet: Network Media Module, Ver. 2.3 Page 13 of 21
Libre Confidential
Figure 6.2-1: Media Connector
6.3. Pin Descriptions
6.3.1. Connector-1
LS9-Media Connector J1 pin outs
Functionality
Signal Name
Signal Name
Functionality
3V3 Power Supply Input
3V3
1
2
3V3
3V3 Power Supply
Input
3V3 Power Supply Input
3V3
3
4
NC
No Connect
Ground
GND
5
6
GND
Ground
I2C Serial Clock output.
I2C0_SCL
7
8
MCLK
I2S Mater Clock Output
I2C Serial Data.
I2C0_SDA
9
10
BCLK
I2S Bit Clock Output
Power On Reset input.
Active Low. Add RC
network (10k, 0.1uF)
RESET#
11
12
LRCLK
I2S LR clock Output

LS9-AC11DBT Module
Libre Wireless Technologies Data Sheet: Network Media Module, Ver. 2.3 Page 14 of 21
Libre Confidential
No Connect
NC
13
14
I2S_TXD1/I2S
_RXD2 /SPDIF
Output
I2S_TXD1/I2S_RXD2
/SPDIF Output *1
(LS9 supports one I2S input output
in I2S Master mode or LS9 supports
two I2S input in I2S Slave/Master
mode or this pin can be used for
SPDIF Output)
No Connect
NC
15
16
NC
No Connect
USB VBUS power input
required only for USB
device mode operation
USB VBUS
17
18
NC
No Connect
Ground
GND
19
20
I2S_RXD1
I2S Receive Data 1
USB DP
USB DP
21
22
NC
No Connect
USB DM
USB DM
23
24
NC
No Connect
Ground
GND
25
26
GND
Ground
No Connect
NC
27
28
NC
No Connect
No Connect
NC
29
30
NC
No Connect
No Connect
NC
31
32
NC
No Connect
No Connect
NC
33
34
I2S_RXD1
I2S Receive Data 1
Ground
GND
35
36
NC
No Connect
No Connect
NC
37
38
GND
Ground
No Connect
NC
39
40
NC
No Connect

LS9-AC11DBT Module
Libre Wireless Technologies Data Sheet: Network Media Module, Ver. 2.3 Page 15 of 21
Libre Confidential
No Connect
NC
41
42
GND
Ground
Debug UART TXD. Add
10k Pullup
UART1_TXD
43
44
NC
No Connect
Debug UART RXD. Add
10k Pullup.
UART1_RXD
45
46
GND
Ground
Ground
GND
47
48
NC
No Connect
Host MCU UART
interface. Use 10k Pullup.
UART0_TXD
49
50
NC
No Connect
Host MCU UART
interface. Use 10k Pullup.
UART0_RXD
51
52
NC
No Connect
SPI Clock Output or
GPIO08
SPI_SCLK/GPIO
8
53
54
NC
No Connect
SPI Data Out or GPIO09
SPI_SDO/GPIO9
55
56
NC
No Connect
Ground
GND
57
58
NC
No Connect
SPI Data In or GPIO10
SPI_SDI/GPIO10
59
60
NC
No Connect
No Connect
NC
61
62
NC
No Connect
No Connect
NC
63
64
GND
Ground
SPI CS or GPIO05
SPI_CS/GPIO5
65
66
NC
No Connect
USB_ID
USB_ID
67
68
NC
No Connect
Ground
GND
69
70
NC
No Connect
• Revision 1.1 module of LS9, HOST MCU communication is on pin 43(Tx) and
45(Rx).
• Revision 1.2 module of LS9, HOST MCU communication is on pin 49(Tx) and
51(Rx).

LS9-AC11DBT Module
Libre Wireless Technologies Data Sheet: Network Media Module, Ver. 2.3 Page 16 of 21
Libre Confidential
6.3.2. Connector-2
LS9-Media Connector J2 pin outs
Functionality
Signal Name
Pin #
Pin #
Signal Name
Functionality
Ground
GND
1
2
GND
Ground
HDMI TX DATA2 +
HDMI_TX_2P
3
4
NC
No Connect
HDMI TX DATA2 -
HDMI_TX_2M
5
6
NC
No Connect
Ground
GND
7
8
GND
Ground
HDMI TX DATA1 +
HDMI_TX_1P
9
10
NC
No Connect
HDMI TX DATA1 -
HDMI_TX_1M
11
12
NC
No Connect
Ground
GND
13
14
GND
Ground
HDMI TX DATA0 +
HDMI_TX_0P
15
16
NC
No Connect
HDMI TX DATA0 -
HDMI_TX_0M
17
18
NC
No Connect
Ground
GND
19
20
GND
Ground
HDMI TX CLOCK +
HDMI_TX_CLKP
21
22
NC
No Connect
HDMI TX CLOCK -
HDMI_TX_CLKM
23
24
NC
No Connect
Ground
GND
25
26
GND
Ground
HDMI TX CEC/ GPIO14
CEC
27
28
NC
No Connect
HDMI I2C CLOCK/
GPIO12
HDMISCLK
29
30
NC
No Connect
HDMI I2C DATA / GPIO13
HDMISD
31
32
NC
No Connect
HDMI HOT PLUG /
GPIO15
HTPLG
33
34
NC
No Connect
Ground
GND
35
36
NC
No Connect
No Connect
NC
37
38
GND
Ground
No Connect
NC
39
40
NC
No Connect

LS9-AC11DBT Module
Libre Wireless Technologies Data Sheet: Network Media Module, Ver. 2.3 Page 17 of 21
Libre Confidential
Ground
GND
41
42
GND
Ground
No Connect
NC
43
44
NC
No Connect
No Connect
NC
45
46
NC
No Connect
Ground
GND
47
48
NC
No Connect
No Connect
NC
49
50
NC
No Connect
No Connect
NC
51
52
GND
Ground
Ground
GND
53
54
NC
No Connect
No Connect
NC
55
56
NC
No Connect
No Connect
NC
57
58
GND
Ground
Ground
GND
59
60
NC
No Connect
SPI Data Out
SPI_SDO
61
62
NC
No Connect
SPI CS
SPI_CS
63
64
GND
Ground
SPI Clock output
SPI_SCLK
65
66
NC
No Connect
SPI Data In
SPI_SDI
67
68
NC
No Connect
Ground
GND
69
70
GND
Ground
7. Power Consumption
• The default power consumption when not connected to Access-Point is 330mA at average
operational condition and 360mA at peak operational condition.
• Power consumption during Google Cast for Audio (GCast) play back is 360mA at average
operational condition and 375mA at peak operational condition.
• Input voltage measured is 3.3V rail at the module connector pin.

LS9-AC11DBT Module
Libre Wireless Technologies Data Sheet: Network Media Module, Ver. 2.3 Page 18 of 21
Libre Confidential
8. Environmental
8.1. Storage Conditions
The calculated shelf life in a sealed bag is 12 months if stored between -5°C and 70˚C at less than
90% relative humidity (RH).
After the bag is opened, devices that are subjected to solder reflow or other high temperature
processes must be handled in the following manner:
• Mounted within 168 hours in factory conditions, i.e. <30°C at 60% RH.
• Storage humidity needs to maintained at <10%RH.
• Baking is necessary if the customer exposes the component to air for over 168 hrs.
- Baking conditions: 125℃ for 8hrs.

LS9-AC11DBT Module
Libre Wireless Technologies Data Sheet: Network Media Module, Ver. 2.3 Page 19 of 21
Libre Confidential
9. Reference Schematics
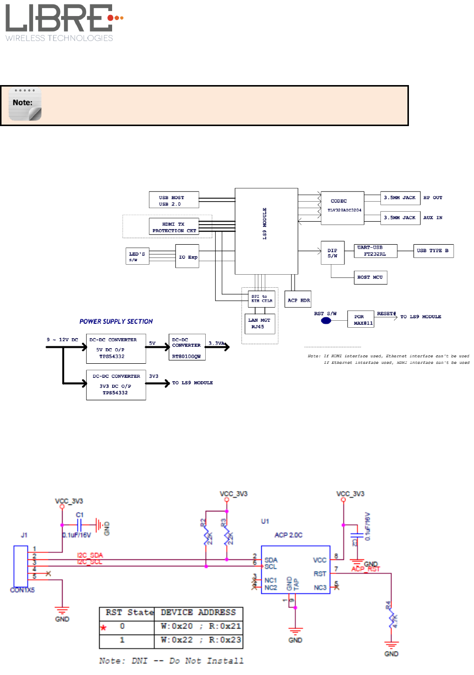
9.1. EVK Block Diagram
Figure 8-1: LS9 EVK Block Diagram
9.2. MFI 2.0C Authentication Circuit
Figure 8-2: LS9 EVK Block Diagram
For detailed schematics of LS9 refer to the latest LS9-EVK Schematic, file
in the portal

LS9-AC11DBT Module
Libre Wireless Technologies Data Sheet: Network Media Module, Ver. 2.3 Page 20 of 21
Libre Confidential
10. Disclaimer
THE MATERIALS AND INFORMATION ARE PROVIDED “AS IS” WITHOUT WARRANTY OF ANY KIND,
EITHER EXPRESS OR IMPLIED, INCLUDING BUT NOT LIMITED TO, THE IMPLIED WARRANTIES OF
MERCHANTABILITY, FITNESS FOR A Pas RTICULAR PURPOSE OR NON-INFRINGEMENT.
We use reasonable efforts to include accurate and up-to-date information in this document. It does
not however, make any representations as its accuracy or completeness of information. Use of this
document is at your own risk. Libre Wireless Technologies, its suppliers, and other parties involved
in creating and delivering this document’s contents shall not be liable for any special, indirect,
incidental, or consequential damages, including without limitation, lost revenues or lost profits.
11. Appendix
11.1. FCC Statement
This device complies with part 15 of the FCC Rules. Operation is subject to the following two
conditions:
i. This device may not cause harmful interference, and
ii. This device must accept any interference received, including interference that
may cause undesired operation.
Any Changes or modifications not expressly approved by the party responsible for compliance could
void the user's authority to operate the equipment. The modular can be installed or integrated in
mobile or fix devices only. This modular cannot be installed in any portable device.
FCC Radiation Exposure Statement
This modular complies with FCC RF radiation exposure limits set forth for an uncontrolled
environment. This transmitter must not be co-located or operating in conjunction with any other
antenna or transmitter.
This modular must be installed and operated with a minimum distance of 20 cm between the
radiator and user body. If the FCC identification number is not visible when the module is installed
inside another device, then the outside of the device into which the module is installed must also
display a label referring to the enclosed module. This exterior label can use wording such as the
following: “Contains Transmitter Module FCC ID: Or Contains FCC ID:
When the module is installed inside another device, the user manual of the host must contain below
warning statements;
2ADBM-LS9AC11DBT
2ADBM-LS9AC11DBT

LS9-AC11DBT Module
Libre Wireless Technologies Data Sheet: Network Media Module, Ver. 2.3 Page 21 of 21
Libre Confidential
1 This device complies with Part 15 of the FCC Rules. Operation is subject to the following
two conditions:
i. This device may not cause harmful interference.
ii. This device must accept any interference received, including interference that
may cause undesired operation.
2 Changes or modifications not expressly approved by the party responsible for
compliance could void the user's authority to operate the equipment.
The devices must be installed and used in strict accordance with the manufacturer's instructions as
described in the user documentation that comes with the product.
Any company of the host device which install this modular with limit modular approval should
perform the test of radiated emission and spurious emission according to FCC part 15C: 15.247,
15.407 and 15.209 requirement, Only if the test result comply with FCC part 15C : 15.247 , 15.407
and 15.209 requirement,then the host can be sold legally.