Liebert Extreme Density Chiller Xdc Users Manual 16671
XDC to the manual 6a3482fe-14a5-45a9-8001-abea2f38fec8
2015-02-09
: Liebert Liebert-Extreme-Density-Chiller-Xdc-Users-Manual-571336 liebert-extreme-density-chiller-xdc-users-manual-571336 liebert pdf
Open the PDF directly: View PDF
.
Page Count: 64
- General Safety Guidelines
- 1.0 Product Description
- 1.1 General Product Information
- 1.2 Equipment Inspection
- 1.3 Equipment Handling
- 1.4 Mechanical Considerations
- 1.5 High Voltage Connections
- 1.5.1 Connecting High-Voltage Cables
- Figure 10 Front view of Liebert XDC and electrical enclosures
- Figure 11 Electrical enclosure knockout locations for field wiring
- Figure 12 60Hz models, high voltage connections—primary disconnect switch
- Figure 13 50Hz models high voltage connections—primary disconnect switch
- Figure 14 60Hz models high voltage connections—secondary disconnect switch
- Figure 15 50Hz models high voltage connections—secondary disconnect switch
- 1.5.1 Connecting High-Voltage Cables
- 1.6 Extra Low Voltage Connections
- 2.0 Piping and Filling with Refrigerant: R-134a and R-407c Circuits
- 2.1 European Union Fluorinated Greenhouse Gas Requirements
- 2.2 Recommended Pipe Size
- 2.3 Liebert XDC Interconnection With Liebert XD Cooling Module
- 2.4 Piping Installation Method
- 2.5 Filling the Pumped Circuit—R-134a
- Table 6 System R-134a charge for a Liebert XDC with any model Liebert XDH/Liebert XDO/Liebert XDV/Liebert XDCF
- Table 7 System refrigerant charge for the supply and return mains
- Table 8 R-134a refrigerant charge for hard-piped connector lines to and from any model Liebert XDH/Liebert XDO/Liebert XDV/Liebert XDCF
- Table 9 R-134a refrigerant charge for Liebert XD Flex Pipe connector lines to and from any model Liebert XDO/Liebert XDH/Liebert XDV/Liebert XDCF
- 2.5.1 Calculating Refrigerant Charge—Example
- 2.5.2 Piping for Direct Expansion (DX) Circuit—R-407c Air Cooled Units
- 2.6 Install Double Discharge Risers
- Figure 23 Double discharge riser layout
- Figure 24 Installation data—Lee-Temp, one-circuit, four-fan model
- Figure 25 Installation data—Lee-Temp, one-circuit, high ambient six-fan model
- Figure 26 Liebert XDC piping schematic and Lee-Temp heater pad wiring
- Figure 27 General arrangement air cooled Liebert XDC Lee-Temp Control
- Table 12 Recommended refrigerant line sizes, DX R-407c, OD copper
- Figure 28 DCSL616 piping connections—two refrigerant circuits connected for parallel flow
- Table 13 Recommended refrigerant line sizes for DCSL616
- Figure 29 CSL616 piping connections—two refrigerant circuits connected for parallel refrigerant flow
- 2.6.1 Air Cooled Condenser with Lee-Temp “Flooded Condenser” Head Pressure Control System—R-407c (DX) Circuit
- 2.7 Filling the Direct Expansion (DX) Circuit—R-407c
- 3.0 Installation Checklist
- 4.0 Checklist for Liebert XDC Startup
- 5.0 Microprocessor Control
- 5.1 Feature Overview
- 5.2 Controls
- 5.3 Main Menu
- 5.3.1 Viewing or Changing Settings
- 5.3.2 SETPOINTS
- 5.3.3 STATUS
- 5.3.4 ACTIVE ALARMS
- 5.3.5 ALARM HISTORY
- 5.3.6 TIME
- 5.3.7 DATE
- 5.3.8 SETUP OPERATION
- 5.3.9 SETPT PASSWORD
- 5.3.10 SETUP PASSWORD
- 5.3.11 CALIBRATE SENSORS
- 5.3.12 ALARM ENABLE
- 5.3.13 ALARM TIME DELAY
- 5.3.14 COM ALARM ENABLE
- 5.3.15 CUSTOM ALARMS
- 5.3.16 CUSTOM TEXT
- 5.3.17 DIAGNOSTICS
- 6.0 Alarm Descriptions and Solutions
- 7.0 Troubleshooting
- 8.0 Maintenance
- 9.0 Specifications

Precision Cooling
For Business-Critical Continuity™
Liebert® XDC™
User Manual - 50 and 60 Hz, 130 & 160kW Nominal Cooling Capacity

GENERAL SAFETY GUIDELINES
Before beginning the installation of the Liebert XDC, read all instructions, verify that all the parts are
included, and check the nameplate to be sure the Liebert XDC voltage matches available utility power.
Follow all local codes.
Figure i Model number nomenclature
!
WARNING
Risk of electric shock. Can cause injury or death.
Disconnect all local and remote electric power supplies before working within.
!
WARNING
Risk of unit falling over. Can cause death, injury and equipment damage.
The Liebert XDC is top-heavy. Use extreme caution and care when moving and installing this
unit.
!
CAUTION
Risk of piping and component rupture. Can cause injury or equipment damage. Closing
service valves may isolate liquid refrigerant, causing high pressure and rupture of piping. Do
not close valves without following recommended procedures for repair, maintenance and
replacement of components. Install pressure relief valves in field piping that may become
isolated by service valves.
!
WARNING
Risk of refrigerant system explosion or rupture from overpressurization. Can cause injury,
death or equipment damage.
Installer must install a 400 psig pressure relief valve in each of the two R-407c refrigerant
circuits of the Liebert XDC system. Do not install shutoff valves between the compressors and
the pressure relief valves.
For systems requiring EU CE compliance, the pressure relief valves must be CE-certified by a
notified body to the EU Pressure Equipment Directive.
!
CAUTION
Risk of contact with hot surfaces. Can cause burn injury. The compressors and refrigerant
discharge lines are extremely hot during unit operation. Allow sufficient time for the
compressors and refrigerant discharge lines to cool before working within the unit cabinet.
Use extreme caution and wear protective gloves and arm protection when working on or near
hot compressor and discharge lines.
NOTE
This document shall be used together with site specific documentation and documentation for
other parts of the system (heat rejection devices and cooling modules).
NOTE
Before any action that could cause a disturbance in the XD system’s cooling function is begun,
the facility manager MUST be informed. In addition, after the action is taken and the work is
finished, the facility manager MUST be informed.
A
Place holder
XD C 160 – 1
Chiller
unit
Revision
level
Liebert
X-treme heat
Density system
Model size Place holder
Example: XDC160AA– –1
A
A = 460V-3ph-60Hz
(voltage-phase-frequency)
M = 380/415-3ph-50Hz
–
Place holder

i
TABLE OF CONTENTS
GENERAL SAFETY GUIDELINES . . . . . . . . . . . . . . . . . . . . . . . . . . . . . . . . . . . INSIDE FRONT COVER
1.0 PRODUCT DESCRIPTION . . . . . . . . . . . . . . . . . . . . . . . . . . . . . . . . . . . . . . . . . . . . . . . . . . .1
1.1 General Product Information. . . . . . . . . . . . . . . . . . . . . . . . . . . . . . . . . . . . . . . . . . . . . . . . . . . 1
1.1.1 Product/System Description. . . . . . . . . . . . . . . . . . . . . . . . . . . . . . . . . . . . . . . . . . . . . . . . . . . . . 1
1.2 Equipment Inspection . . . . . . . . . . . . . . . . . . . . . . . . . . . . . . . . . . . . . . . . . . . . . . . . . . . . . . . . 1
1.3 Equipment Handling . . . . . . . . . . . . . . . . . . . . . . . . . . . . . . . . . . . . . . . . . . . . . . . . . . . . . . . . . 1
1.3.1 Handling With Skid . . . . . . . . . . . . . . . . . . . . . . . . . . . . . . . . . . . . . . . . . . . . . . . . . . . . . . . . . . . 2
1.3.2 Removal of Skid . . . . . . . . . . . . . . . . . . . . . . . . . . . . . . . . . . . . . . . . . . . . . . . . . . . . . . . . . . . . . . 2
1.3.3 Removing Piano Jacks . . . . . . . . . . . . . . . . . . . . . . . . . . . . . . . . . . . . . . . . . . . . . . . . . . . . . . . . . 4
1.4 Mechanical Considerations . . . . . . . . . . . . . . . . . . . . . . . . . . . . . . . . . . . . . . . . . . . . . . . . . . . . 4
1.4.1 Positioning the Liebert XDC . . . . . . . . . . . . . . . . . . . . . . . . . . . . . . . . . . . . . . . . . . . . . . . . . . . . 4
1.4.2 Placing the Liebert XDC on a Floor Stand . . . . . . . . . . . . . . . . . . . . . . . . . . . . . . . . . . . . . . . . . 6
1.4.3 Positioning the Liebert XDC with Floor Stand. . . . . . . . . . . . . . . . . . . . . . . . . . . . . . . . . . . . . . 9
1.5 High Voltage Connections . . . . . . . . . . . . . . . . . . . . . . . . . . . . . . . . . . . . . . . . . . . . . . . . . . . . 10
1.5.1 Connecting High-Voltage Cables . . . . . . . . . . . . . . . . . . . . . . . . . . . . . . . . . . . . . . . . . . . . . . . . 10
1.6 Extra Low Voltage Connections . . . . . . . . . . . . . . . . . . . . . . . . . . . . . . . . . . . . . . . . . . . . . . . 13
2.0 PIPING AND FILLING WITH REFRIGERANT: R-134A AND R-407C CIRCUITS . . . . . . . . . . . . .16
2.1 European Union Fluorinated Greenhouse Gas Requirements . . . . . . . . . . . . . . . . . . . . . . . 16
2.2 Recommended Pipe Size. . . . . . . . . . . . . . . . . . . . . . . . . . . . . . . . . . . . . . . . . . . . . . . . . . . . . . 16
2.3 Liebert XDC Interconnection With Liebert XD Cooling Module . . . . . . . . . . . . . . . . . . . . . . 16
2.4 Piping Installation Method . . . . . . . . . . . . . . . . . . . . . . . . . . . . . . . . . . . . . . . . . . . . . . . . . . . 17
2.4.1 Piping Installation—R-134a Pumped Circuit . . . . . . . . . . . . . . . . . . . . . . . . . . . . . . . . . . . . . . 17
2.5 Filling the Pumped Circuit—R-134a. . . . . . . . . . . . . . . . . . . . . . . . . . . . . . . . . . . . . . . . . . . . 20
2.5.1 Calculating Refrigerant Charge—Example . . . . . . . . . . . . . . . . . . . . . . . . . . . . . . . . . . . . . . . 21
2.5.2 Piping for Direct Expansion (DX) Circuit—R-407c Air Cooled Units . . . . . . . . . . . . . . . . . . . 22
2.6 Install Double Discharge Risers . . . . . . . . . . . . . . . . . . . . . . . . . . . . . . . . . . . . . . . . . . . . . . . 22
2.6.1 Air Cooled Condenser with Lee-Temp “Flooded Condenser” Head Pressure Control
System—R-407c (DX) Circuit. . . . . . . . . . . . . . . . . . . . . . . . . . . . . . . . . . . . . . . . . . . . . . . . . . . 30
2.7 Filling the Direct Expansion (DX) Circuit—R-407c . . . . . . . . . . . . . . . . . . . . . . . . . . . . . . . . 31
3.0 INSTALLATION CHECKLIST . . . . . . . . . . . . . . . . . . . . . . . . . . . . . . . . . . . . . . . . . . . . . . . .32
4.0 CHECKLIST FOR LIEBERT XDC STARTUP . . . . . . . . . . . . . . . . . . . . . . . . . . . . . . . . . . . . .33
4.1 System Refrigerant Charges Over 35 lb. (15.9kg) Require Additional Oil . . . . . . . . . . . . . . 34
5.0 MICROPROCESSOR CONTROL . . . . . . . . . . . . . . . . . . . . . . . . . . . . . . . . . . . . . . . . . . . . . .36
5.1 Feature Overview . . . . . . . . . . . . . . . . . . . . . . . . . . . . . . . . . . . . . . . . . . . . . . . . . . . . . . . . . . . 36
5.1.1 Display . . . . . . . . . . . . . . . . . . . . . . . . . . . . . . . . . . . . . . . . . . . . . . . . . . . . . . . . . . . . . . . . . . . . 36
5.2 Controls. . . . . . . . . . . . . . . . . . . . . . . . . . . . . . . . . . . . . . . . . . . . . . . . . . . . . . . . . . . . . . . . . . . 37
5.2.1 Feature Overview . . . . . . . . . . . . . . . . . . . . . . . . . . . . . . . . . . . . . . . . . . . . . . . . . . . . . . . . . . . . 37
5.2.2 Status Display . . . . . . . . . . . . . . . . . . . . . . . . . . . . . . . . . . . . . . . . . . . . . . . . . . . . . . . . . . . . . . 37

ii
5.3 Main Menu . . . . . . . . . . . . . . . . . . . . . . . . . . . . . . . . . . . . . . . . . . . . . . . . . . . . . . . . . . . . . . . . 37
5.3.1 Viewing or Changing Settings . . . . . . . . . . . . . . . . . . . . . . . . . . . . . . . . . . . . . . . . . . . . . . . . . . 37
5.3.2 SETPOINTS . . . . . . . . . . . . . . . . . . . . . . . . . . . . . . . . . . . . . . . . . . . . . . . . . . . . . . . . . . . . . . . . 38
5.3.3 STATUS . . . . . . . . . . . . . . . . . . . . . . . . . . . . . . . . . . . . . . . . . . . . . . . . . . . . . . . . . . . . . . . . . . . 39
5.3.4 ACTIVE ALARMS . . . . . . . . . . . . . . . . . . . . . . . . . . . . . . . . . . . . . . . . . . . . . . . . . . . . . . . . . . . 39
5.3.5 ALARM HISTORY . . . . . . . . . . . . . . . . . . . . . . . . . . . . . . . . . . . . . . . . . . . . . . . . . . . . . . . . . . . 39
5.3.6 TIME . . . . . . . . . . . . . . . . . . . . . . . . . . . . . . . . . . . . . . . . . . . . . . . . . . . . . . . . . . . . . . . . . . . . . . 39
5.3.7 DATE. . . . . . . . . . . . . . . . . . . . . . . . . . . . . . . . . . . . . . . . . . . . . . . . . . . . . . . . . . . . . . . . . . . . . . 39
5.3.8 SETUP OPERATION . . . . . . . . . . . . . . . . . . . . . . . . . . . . . . . . . . . . . . . . . . . . . . . . . . . . . . . . . 40
5.3.9 SETPT PASSWORD. . . . . . . . . . . . . . . . . . . . . . . . . . . . . . . . . . . . . . . . . . . . . . . . . . . . . . . . . . 42
5.3.10 SETUP PASSWORD . . . . . . . . . . . . . . . . . . . . . . . . . . . . . . . . . . . . . . . . . . . . . . . . . . . . . . . . . 42
5.3.11 CALIBRATE SENSORS. . . . . . . . . . . . . . . . . . . . . . . . . . . . . . . . . . . . . . . . . . . . . . . . . . . . . . . 43
5.3.12 ALARM ENABLE . . . . . . . . . . . . . . . . . . . . . . . . . . . . . . . . . . . . . . . . . . . . . . . . . . . . . . . . . . . . 43
5.3.13 ALARM TIME DELAY. . . . . . . . . . . . . . . . . . . . . . . . . . . . . . . . . . . . . . . . . . . . . . . . . . . . . . . . 44
5.3.14 COM ALARM ENABLE . . . . . . . . . . . . . . . . . . . . . . . . . . . . . . . . . . . . . . . . . . . . . . . . . . . . . . . 44
5.3.15 CUSTOM ALARMS . . . . . . . . . . . . . . . . . . . . . . . . . . . . . . . . . . . . . . . . . . . . . . . . . . . . . . . . . . 44
5.3.16 CUSTOM TEXT . . . . . . . . . . . . . . . . . . . . . . . . . . . . . . . . . . . . . . . . . . . . . . . . . . . . . . . . . . . . . 45
5.3.17 DIAGNOSTICS. . . . . . . . . . . . . . . . . . . . . . . . . . . . . . . . . . . . . . . . . . . . . . . . . . . . . . . . . . . . . . 45
6.0 ALARM DESCRIPTIONS AND SOLUTIONS . . . . . . . . . . . . . . . . . . . . . . . . . . . . . . . . . . . . . .46
6.1 Alarm Descriptions. . . . . . . . . . . . . . . . . . . . . . . . . . . . . . . . . . . . . . . . . . . . . . . . . . . . . . . . . . 46
6.2 Red and Green Lamp Indicators . . . . . . . . . . . . . . . . . . . . . . . . . . . . . . . . . . . . . . . . . . . . . . . 47
6.3 Enable / Disable Alarms. . . . . . . . . . . . . . . . . . . . . . . . . . . . . . . . . . . . . . . . . . . . . . . . . . . . . . 48
6.4 Alarm Time Delays. . . . . . . . . . . . . . . . . . . . . . . . . . . . . . . . . . . . . . . . . . . . . . . . . . . . . . . . . . 48
6.5 View Active Alarms . . . . . . . . . . . . . . . . . . . . . . . . . . . . . . . . . . . . . . . . . . . . . . . . . . . . . . . . . 48
6.6 View Alarm History . . . . . . . . . . . . . . . . . . . . . . . . . . . . . . . . . . . . . . . . . . . . . . . . . . . . . . . . . 49
6.7 System Shutdown Causes . . . . . . . . . . . . . . . . . . . . . . . . . . . . . . . . . . . . . . . . . . . . . . . . . . . . 49
7.0 TROUBLESHOOTING . . . . . . . . . . . . . . . . . . . . . . . . . . . . . . . . . . . . . . . . . . . . . . . . . . . . .50
8.0 MAINTENANCE . . . . . . . . . . . . . . . . . . . . . . . . . . . . . . . . . . . . . . . . . . . . . . . . . . . . . . . . .52
8.1 Fluorinated Greenhouse Gas Requirements. . . . . . . . . . . . . . . . . . . . . . . . . . . . . . . . . . . . . . 52
8.2 Air Cooled Condenser. . . . . . . . . . . . . . . . . . . . . . . . . . . . . . . . . . . . . . . . . . . . . . . . . . . . . . . . 52
8.3 Water/Glycol Floor Stand Condenser . . . . . . . . . . . . . . . . . . . . . . . . . . . . . . . . . . . . . . . . . . . 53
8.3.1 Shell and Tube Condensers . . . . . . . . . . . . . . . . . . . . . . . . . . . . . . . . . . . . . . . . . . . . . . . . . . . . 53
8.3.2 Regulating Valves. . . . . . . . . . . . . . . . . . . . . . . . . . . . . . . . . . . . . . . . . . . . . . . . . . . . . . . . . . . . 53
8.3.3 Glycol Solution Maintenance . . . . . . . . . . . . . . . . . . . . . . . . . . . . . . . . . . . . . . . . . . . . . . . . . . . 53
9.0 SPECIFICATIONS . . . . . . . . . . . . . . . . . . . . . . . . . . . . . . . . . . . . . . . . . . . . . . . . . . . . . . . .54

iii
FIGURES
Figure 1 Liebert XDC components . . . . . . . . . . . . . . . . . . . . . . . . . . . . . . . . . . . . . . . . . . . . . . . . . . . . . . . . . . 1
Figure 2 Moving Liebert XDC with forklift . . . . . . . . . . . . . . . . . . . . . . . . . . . . . . . . . . . . . . . . . . . . . . . . . . . 2
Figure 3 Remove tie-down brackets . . . . . . . . . . . . . . . . . . . . . . . . . . . . . . . . . . . . . . . . . . . . . . . . . . . . . . . . . 3
Figure 4 Remove pallet, insert piano jacks. . . . . . . . . . . . . . . . . . . . . . . . . . . . . . . . . . . . . . . . . . . . . . . . . . . . 3
Figure 5 Dimensional data . . . . . . . . . . . . . . . . . . . . . . . . . . . . . . . . . . . . . . . . . . . . . . . . . . . . . . . . . . . . . . . . 4
Figure 6 Piping locations . . . . . . . . . . . . . . . . . . . . . . . . . . . . . . . . . . . . . . . . . . . . . . . . . . . . . . . . . . . . . . . . . . 5
Figure 7 Water/glycol Liebert XDC on a floor stand—positioning and piping connections. . . . . . . . . . . . . . 7
Figure 8 Piping locations—floor stand and valve assembly . . . . . . . . . . . . . . . . . . . . . . . . . . . . . . . . . . . . . . 8
Figure 9 Dimensions and clearances for Liebert XDC on floor stand . . . . . . . . . . . . . . . . . . . . . . . . . . . . . . . 9
Figure 10 Front view of Liebert XDC and electrical enclosures . . . . . . . . . . . . . . . . . . . . . . . . . . . . . . . . . . . 10
Figure 11 Electrical enclosure knockout locations for field wiring . . . . . . . . . . . . . . . . . . . . . . . . . . . . . . . . . 11
Figure 12 60Hz models, high voltage connections—primary disconnect switch . . . . . . . . . . . . . . . . . . . . . . 11
Figure 13 50Hz models high voltage connections—primary disconnect switch . . . . . . . . . . . . . . . . . . . . . . . 12
Figure 14 60Hz models high voltage connections—secondary disconnect switch . . . . . . . . . . . . . . . . . . . . . 12
Figure 15 50Hz models high voltage connections—secondary disconnect switch . . . . . . . . . . . . . . . . . . . . . 13
Figure 16 Liebert XDC heat rejection connection points. . . . . . . . . . . . . . . . . . . . . . . . . . . . . . . . . . . . . . . . . 13
Figure 17 Electrical enclosure knockout locations for Extra Low Voltage connections. . . . . . . . . . . . . . . . . 14
Figure 18 Extra Low Voltage field connections points . . . . . . . . . . . . . . . . . . . . . . . . . . . . . . . . . . . . . . . . . . 15
Figure 19 Liebert XD system diagram . . . . . . . . . . . . . . . . . . . . . . . . . . . . . . . . . . . . . . . . . . . . . . . . . . . . . . . 17
Figure 20 Bypass flow controller details, dimensions . . . . . . . . . . . . . . . . . . . . . . . . . . . . . . . . . . . . . . . . . . . 18
Figure 21 Bypass flow controller arrangement . . . . . . . . . . . . . . . . . . . . . . . . . . . . . . . . . . . . . . . . . . . . . . . . 18
Figure 22 Bypass flow controller piping . . . . . . . . . . . . . . . . . . . . . . . . . . . . . . . . . . . . . . . . . . . . . . . . . . . . . . 19
Figure 23 Double discharge riser layout. . . . . . . . . . . . . . . . . . . . . . . . . . . . . . . . . . . . . . . . . . . . . . . . . . . . . . 22
Figure 24 Installation data—Lee-Temp, one-circuit, four-fan model . . . . . . . . . . . . . . . . . . . . . . . . . . . . . . . 24
Figure 25 Installation data—Lee-Temp, one-circuit, high ambient six-fan model . . . . . . . . . . . . . . . . . . . . 25
Figure 26 Liebert XDC piping schematic and Lee-Temp heater pad wiring . . . . . . . . . . . . . . . . . . . . . . . . . 26
Figure 27 General arrangement air cooled Liebert XDC Lee-Temp Control . . . . . . . . . . . . . . . . . . . . . . . . . 27
Figure 28 DCSL616 piping connections—two refrigerant circuits connected for parallel flow. . . . . . . . . . . 28
Figure 29 CSL616 piping connections—two refrigerant circuits connected for parallel refrigerant
flow. . . . . . . . . . . . . . . . . . . . . . . . . . . . . . . . . . . . . . . . . . . . . . . . . . . . . . . . . . . . . . . . . . . . . . . . . . . 29
Figure 30 Additional oil requirements for refrigerant charge. . . . . . . . . . . . . . . . . . . . . . . . . . . . . . . . . . . . . 34
Figure 31 System R-134a liquid level . . . . . . . . . . . . . . . . . . . . . . . . . . . . . . . . . . . . . . . . . . . . . . . . . . . . . . . . 35
Figure 32 User interface . . . . . . . . . . . . . . . . . . . . . . . . . . . . . . . . . . . . . . . . . . . . . . . . . . . . . . . . . . . . . . . . . . 36
Figure 33 Outdoor fan/condenser configuration. . . . . . . . . . . . . . . . . . . . . . . . . . . . . . . . . . . . . . . . . . . . . . . . 52

iv
TABLES
Table 1 Liebert XDC dimensions, weight . . . . . . . . . . . . . . . . . . . . . . . . . . . . . . . . . . . . . . . . . . . . . . . . . . . . 4
Table 2 Liebert XDC piping connection sizes . . . . . . . . . . . . . . . . . . . . . . . . . . . . . . . . . . . . . . . . . . . . . . . . . 5
Table 3 Liebert XDC water/glycol piping connection Sizes . . . . . . . . . . . . . . . . . . . . . . . . . . . . . . . . . . . . . . 7
Table 4 Supply, return pipe sizes for Liebert XD refrigerant loop . . . . . . . . . . . . . . . . . . . . . . . . . . . . . . . 16
Table 5 Bypass flow controllers for a Liebert XDC-based system . . . . . . . . . . . . . . . . . . . . . . . . . . . . . . . . 18
Table 6 System R-134a charge for a Liebert XDC with any model Liebert XDH/Liebert
XDO/Liebert XDV/Liebert XDCF . . . . . . . . . . . . . . . . . . . . . . . . . . . . . . . . . . . . . . . . . . . . . . . . . . . 20
Table 7 System refrigerant charge for the supply and return mains . . . . . . . . . . . . . . . . . . . . . . . . . . . . . 20
Table 8 R-134a refrigerant charge for hard-piped connector lines to and from any model
Liebert XDH/Liebert XDO/Liebert XDV/Liebert XDCF . . . . . . . . . . . . . . . . . . . . . . . . . . . . . . . . . 20
Table 9 R-134a refrigerant charge for Liebert XD Flex Pipe connector lines to and from any
model Liebert XDO/Liebert XDH/Liebert XDV/Liebert XDCF . . . . . . . . . . . . . . . . . . . . . . . . . . . 21
Table 10 Calculating refrigerant charge—example . . . . . . . . . . . . . . . . . . . . . . . . . . . . . . . . . . . . . . . . . . . . 21
Table 11 Worksheet to calculate refrigerant charge . . . . . . . . . . . . . . . . . . . . . . . . . . . . . . . . . . . . . . . . . . . 21
Table 12 Recommended refrigerant line sizes, DX R-407c, OD copper. . . . . . . . . . . . . . . . . . . . . . . . . . . . . 27
Table 13 Recommended refrigerant line sizes for DCSL616 . . . . . . . . . . . . . . . . . . . . . . . . . . . . . . . . . . . . . 28
Table 14 Indoor unit refrigerant charge—R-407c . . . . . . . . . . . . . . . . . . . . . . . . . . . . . . . . . . . . . . . . . . . . . 31
Table 15 Outdoor air condenser charge—R-407c . . . . . . . . . . . . . . . . . . . . . . . . . . . . . . . . . . . . . . . . . . . . . . 31
Table 16 Air cooled systems - liquid line charge - R-407c refrigerant per 100 ft (30 m)
of Type "L" copper tube. . . . . . . . . . . . . . . . . . . . . . . . . . . . . . . . . . . . . . . . . . . . . . . . . . . . . . . . . . . 31
Table 17 Indoor water/glycol cooled module – R-407C refrigerant charge . . . . . . . . . . . . . . . . . . . . . . . . . . 31
Table 18 Liebert XDC pump light indicator *. . . . . . . . . . . . . . . . . . . . . . . . . . . . . . . . . . . . . . . . . . . . . . . . . 33
Table 19 Compressor oil types . . . . . . . . . . . . . . . . . . . . . . . . . . . . . . . . . . . . . . . . . . . . . . . . . . . . . . . . . . . . . 34
Table 20 User interface keypad functions. . . . . . . . . . . . . . . . . . . . . . . . . . . . . . . . . . . . . . . . . . . . . . . . . . . . 36
Table 21 Setpoint functions, default values and allowable ranges . . . . . . . . . . . . . . . . . . . . . . . . . . . . . . . . 38
Table 22 Setup operation functions default values and allowable ranges. . . . . . . . . . . . . . . . . . . . . . . . . . . 40
Table 23 Liebert XDC DIP switches and factory settings . . . . . . . . . . . . . . . . . . . . . . . . . . . . . . . . . . . . . . . 41
Table 24 Liebert XDC troubleshooting . . . . . . . . . . . . . . . . . . . . . . . . . . . . . . . . . . . . . . . . . . . . . . . . . . . . . . 50
Table 25 Liebert XDC specifications . . . . . . . . . . . . . . . . . . . . . . . . . . . . . . . . . . . . . . . . . . . . . . . . . . . . . . . . 54
Table 26 Floor stand specifications—water-cooled Liebert XDC. . . . . . . . . . . . . . . . . . . . . . . . . . . . . . . . . . 55
Table 27 Floor stand specifications—Liebert XDC with 40% propylene glycol . . . . . . . . . . . . . . . . . . . . . . 55
Table 28 Floor stand specifications—Liebert XDC with 40% ethylene glycol . . . . . . . . . . . . . . . . . . . . . . . 56

Product Description
1
1.0 PRODUCT DESCRIPTION
1.1 General Product Information
1.1.1 Product/System Description
The Liebert XDC™ (eXtreme Density Chiller) is self-contained refrigeration distribution unit
designed to cool rooms with high heat producing equipment. There are two distinct circuits, each uti-
lizing different refrigerants and mechanical parts. The R-134a circuit is the “pumped” circuit contain-
ing redundant circulating pumps, a brazed plate heat exchanger along with valves and piping. The
R-407c circuit is the dual direct expansion circuit containing scroll compressors, expansion valves,
brazed plate heat exchanger, and piping. Heat removal is accomplished by using condensers con-
nected to the dual direct expansion circuit. Heat rejection is available in two options: an outdoor air
cooled condenser and a water/glycol condenser. See Figure 1 below.
The Liebert XDC monitors room conditions and prevents coil condensation by maintaining the coolant
being pumped to the cooling modules at a temperature above the room dew point. All functions, such
as temperature control, switching pumps (if necessary), etc., are automatic.
The Liebert XDC’s minimum recommended operating load is 40% of system nominal capacity. For
example, a Liebert XDC160 60Hz system’s minimum load would be 64 kW. Loading below this value
can unfavorably affect system operation. Consult factory for any loading below this recommendation.
See Table 25 for the Liebert XDC160 rated cooling capacity.
Figure 1 Liebert XDC components
1.2 Equipment Inspection
When the unit is delivered, inspect all items for visible and concealed damage. Damage should be
immediately reported to the carrier and a damage claim filed with a copy sent to Liebert or to your
sales representative.
1.3 Equipment Handling
!
WARNING
Risk of unit falling over. Can cause death, injury and equipment damage.
The Liebert XDC is top-heavy. Use extreme caution and care when moving and installing this
unit.
Liebert XDC
Compressor
Liebert XD Cooling Modules
Heat Exchanger
Receiver Pumps
Condenser
Unit

Product Description
2
1.3.1 Handling With Skid
• Always keep the unit upright, indoors and protected from damage.
• If possible transport the unit using a forklift truck; otherwise use a crane with belts or cables.
When using a crane, apply spreader bars to avoiding pressing on the top edges of the packaging.
• Personnel should be properly certified and trained to move and rig equipment.
• If using a forklift truck, make sure that the forks (if adjustable) are spread to the widest allowable
distance that will fit under the skid.
• When moving the skidded unit with a forklift truck, do not lift the unit any higher than
6" (152mm) off the ground. If circumstances require the unit to be lifted higher than 6" (152mm),
great care must be exercised, and all personnel not directly involved in raising the unit must be
no closer than 20 feet (5m) from the lift point of the unit.
1.3.2 Removal of Skid
For skid removal, Emerson Network Power recommends using pallet jack or similar operation. This is
to ensure that both ends of the unit are firmly secure, and provides a good means of unit mobility.
Always keep the unit upright, indoors and protected from damage.
1. Remove the exterior packaging.
2. Align forklift with either the front or rear of the unit. Ensure the forks are locked at the widest
position that will fit under pallet (see Figure 2).
Figure 2 Moving Liebert XDC with forklift
3. Drive the forklift forward, sliding the forks under the base of the unit (see Figure 2).
!
CAUTION
Risk of structural interference. Can cause equipment or building damage.
While on the skid, the unit is too tall (83" [2108mm] overall height) to fit through a standard
doorway 83" [2108mm]. Any attempt to move the unit, while skidded, through a standard
doorway will cause damage to the unit and to the building.
!
CAUTION
Risk of unit damage. Ensure the forklift tines are level and not angled in an upward direction.
Improper positioning may cause damage to the bottom of the unit. Ensure the forks are
positioned in a manner as to have the Center of Gravity label, located on the unit, centered
between the tines. Ensure the tines extend beyond the opposite side of the unit.
Spread forks as far apart as possible and
drive forklift against the Liebert XDC

Product Description
3
4. Move the Liebert XDC to its installation location.
5. Remove all lag bolts from the four (4) corner tie-down brackets. Remove the tie-down brackets
from the unit. (see Figure 3).
Figure 3 Remove tie-down brackets
6. Lift the Liebert XDC about an inch and remove the shipping pallet.
Figure 4 Remove pallet, insert piano jacks
7. Place piano jacks at either end of the Liebert XDC and lower it until it is supported by the piano
jacks. Secure the Liebert XDC to the jacks (see Figure 4 for arrangement).
8. Back the forklift away from the Liebert XDC until the forks are no longer under the unit.
9. Using the piano jacks, maneuver the Liebert XDC into its installation position—this requires at
least two people.
!
WARNING
Risk of unit falling over. Can cause death, injury and equipment damage.
The Liebert XDC is top-heavy. Use extreme caution and care when moving and installing this
unit.
!
CAUTION
Risk of overtightening securing strips. Can cause damage to panels.
Place a protective material between the straps of the piano jacks and the unit.
Ensure that the straps are not tightened to a point of damaging panels.
Unscrew lag bolts and
remove brackets to release
the XDC from the pallet.
There are four brackets, one
bracket on each corner.

Product Description
4
1.3.3 Removing Piano Jacks
Once the unit has been moved to the installation location, Emerson Network Power recommends
using the following method to remove the piano jacks.
1. Lower the unit as far as the piano jacks will allow.
2. Undo all strapping holding the piano jacks to the unit.
3. Remove all cushioning material that might have been used to protect the unit panels from the
strapping and/or the piano jacks.
4. Use a pry bar or similar device on one side of the unit, lift unit just enough to allow for the
removal of the piano jack.
5. Repeat the previous step to remove the piano jack on the opposite side.
6. Remove the plastic bag.
1.4 Mechanical Considerations
1.4.1 Positioning the Liebert XDC
Install the Liebert XDC according to the site specific documentation and secure the unit to the floor.
The Liebert XDC can be installed near a wall or another Liebert XDC. However, there must be at
least 3 feet (92cm) clearance in front of the Liebert XDC as service access for components in the unit.
Figure 5 Dimensional data
NOTE
During installation of the Liebert XDC, the top, bottom, front and left side of the unit
must be accessible.
Table 1 Liebert XDC dimensions, weight
Air Cooled
Model Dimensional Data, inches (mm) Shipping Weight, lb (kg)
50/60Hz A B * C D E Domestic Export
XDC160 74 (1880) 34 (864) 33-1/8 (841) 33 (838) 72 (1829) 1945 (882) 2093 (949)
* Dimension does not include the bezel of the disconnect switch.
C
D
B
Overall
5"
(127mm)
17"
(432mm)
1"
(25.4mm)
2"
(51mm)
78"
1981mm
A
Overall
Shaded areas indicate a
recommended clearance
of 34" (864mm) for
component access.
D
Unit
Base
E
Unit Base
Unit Dimensional Data
Floor Cutout Dimensions
DPN000768
Page 2, Rev. 6
Recommended
Minimum Hot Gas
Supply & Liquid Return
Piping Opening

Product Description
5
Figure 6 Piping locations
Table 2 Liebert XDC piping connection sizes
Air Cooled Model Piping Outlet Connection Sizes, OD Cu, inches
50/60Hz A B C D E F G
XDC160 1-3/8 7/8 - - - 2-1/8 1-1/8
Install replaceable filter dryer
assembly in liquid supply line G
** To first cooling module
or bypass flow controller
Dimensions are
approximate and
subject to change
without notice.
G - Supply to Cooling Units
F - Return From Cooling Units
B - Liquid
Refrigerant Lines
* Allow 8" (204mm) of clearance for filter replacement
** To ensure all refrigerant flow is filtered, install the filter dryer assembly
between the discharge line of the Liebert XDC and the first bypass flow controller
or the first cooling module.
A - Hot Gas
Refrigerant Lines
* Orientation determined
by installer.
23"
(584.2mm)
6" (152mm)
47"
(1193.8mm) 44"
(1117.6mm)
DPN000768
Page 3, Rev. 6

Product Description
6
1.4.2 Placing the Liebert XDC on a Floor Stand
The water/glycol floor stand can be located beneath the XDC unit or can be installed nearby.
Refer to the floor stand installation sheet shipped inside the water regulating valve package.
1. Move the floor stand assembly to its installation area and uncrate the unit.
2. Position the floor stand in its final location.
3. Insert leveler pads into each floor stand leg.
4. Level the top of the floor stand to the specified height with the flanged adjusting nut.
5. Tighten jam nuts on all legs against flanged adjusting nuts.
6. Using an appropriate lifting device or method, raise the Liebert XDC and move it above the floor
stand.
7. Align the welded tabs on top of the floor stand with the inside of the unit frame base (see Detail A
in Figure 7).
8. Maintaining the alignment of the Liebert XDC and the floor stand, lower the Liebert XDC onto
the floor stand.
9. Connect the hot gas refrigerant lines from the Liebert XDC to the floor stand with 1-3/8" tubing
(see Figures 7 and 8).
10. Connect the liquid refrigerant lines as shown from the Liebert XDC unit to the floor stand with
7/8" tubing (see Figures 7 and 8).
11. Connect the water lines as shown with the provided valving (see Figures 7 and 8).
12. Connect capillary lines from each water regulating valve to condensers in the floor stand (see
Figures 7 and 8).
Capillary length is limited to 48" (1219mm).
13. Check the pipes for leaks and evacuate air from all pipes.
14. Insulate all water/glycol lines.
15. Charge each condenser loop with R-407c (see Table 17).
!
WARNING
Risk of top-heavy unit falling over. Improper handling can cause equipment damage, injury or
death.
Read all of the following instructions before attempting to move, lift, remove packaging from
or preparing unit for installation.
!
CAUTION
Only properly trained and qualified personnel wearing appropriate safety headgear, gloves,
shoes and glasses should attempt to move, lift, remove packaging from or prepare unit for
installation.
NOTE
Consult the factory if the XDC is not installed on the water/glycol condenser floor stand to
prevent exceeding maximum the piping distances.

Product Description
7
Figure 7 Water/glycol Liebert XDC on a floor stand—positioning and piping connections
Table 3 Liebert XDC water/glycol piping connection Sizes
Model Piping Outlet Connection Sizes, OD Cu, inches
50/60Hz A B C D E* F**
XDC160 2-1/8 1-1/8 1-3/8 7/8 2-1/2 2-1/8 or 2-5/8
* Threaded Female Conection
** 2-1/8" for 1" WRV, 2-5/8" for 1-1/4" WRV
Customer
Water
Supply
Customer
Water
Return
Customer Provided Piping
C - Hot Gas
Refrigerant Lines
D - Liquid
Refrigerant Lines
6"
(153mm)
B - Supply to
Cooling Units
F - Cup Fitting
E - Threaded
Female
Connections
A - Return from
Cooling Units
23"
(584mm)
47"
(1194mm)
44"
(1118mm)
Capillary Lines are 48" (1220mm)
Limit Valve Distance from Condensers
DPN001419
Pg. 01, Rev. 01
Welded Tab
DETAIL A
A

Product Description
8
Figure 8 Piping locations—floor stand and valve assembly
Shaded areas indicate a recommended
clearance of 36" (915mm) for component
access and water/glycol piping.
TOP VIEW OF FLOOR STAND
LEFT SIDE OF CABINET
FLOOR STAND CONNECTIONS
33"
(838mm)
33" (838mm)
72"
(1,828mm)
12-5/16"
(313mm)
26-15/16" (684mm)
2-1/4" - 5-1/4"
(57 - 133 mm)
Liquid 1
Liquid 2
24" Nominal
(609mm)
20-1/4"
(514mm)
Circuit 1 Circuit 2
Inlet
Outlet
Hot Gas 1
Hot Gas 2
6-1/2"
(165mm)
10-1/2"
(267mm)
DPN001419
Pg. 2 , Rev. 01

Product Description
9
1.4.3 Positioning the Liebert XDC with Floor Stand
Install the Liebert XDC according to the site-specific documentation and secure the unit to the floor.
The Liebert XDC can be installed near a wall or another Liebert XDC. There must be at least 3 feet
(914mm) clearance in front of the Liebert XDC for service access. When the Liebert XDC is combined
with the optional water/glycol floor stand, Liebert recommends leaving 3 feet (914mm) of clearance on
the left side of the unit.
A Liebert XDC on a floor stand is 102 inches (2591 mm) high (see Figure 9). The unit can be raised or
lowered 1.5 inches (38.1 mm) with the leveling feet.
Figure 9 Dimensions and clearances for Liebert XDC on floor stand
78"
(1981mm)
102"
(2591mm)
24" Nominal
610 mm
Shaded areas indicate a recommended
cleareance of 36" (914mm) for component
access and water/glycol piping.

Product Description
10
1.5 High Voltage Connections
Make sure the actual supply voltage and frequency correspond to the voltage and frequency indicated
on the Liebert XDC’s rating plate.
Connect cables for high voltage supply to the electrical box in the Liebert XDC according to
Figures 5,11 and 12 and make sure that the phases are correctly connected.
1.5.1 Connecting High-Voltage Cables
1. Turn the Liebert XDC’s primary disconnect switch to the Off position (see Figure 10). Open the
front doors and push down on the enclosure cover latch to open the hazardous voltage enclosure
cover.
Figure 10 Front view of Liebert XDC and electrical enclosures
!
WARNING
Risk of electric shock. Can cause death or injury.
Disconnect all local and electric remote power supplies before working within.
!
CAUTION
Risk of sharp edges and heavy parts. May cause personal injury or equipment damage.
Wear gloves to prevent injury to hands.
Damage to wiring or components can make unit unsafe to operate.
Use caution when installing wiring to prevent damage to factory wiring.
Install protective bushings in wiring knockouts as required
Do not disturb factory wiring or route field-installed wiring over electrical terminals.
Use NEC Class 1 wiring for all hazardous voltage electrical power supplies.
Check and retighten all wiring connections before starting the unit.
NOTE
Before beginning to install the Liebert XDC, read all instructions, verify that all the parts are
included and check the nameplate to be sure the Liebert XDC voltage matches available utility
power.
Follow all local codes.
Enclosure Cove r La tc h
Enclosure Cover La tch
Hazardous Voltage
Enclosure Cover
Hazardous Voltage
Enclosure Cover
Primary Disconnect
Switch
Status Lamp s
Us er Interface
Secondary Disconnect
Switch
SECONDARY
ELECTRICAL ENCLOSURE
PUMP SECTION
PRIMARY
ELECTRICAL ENCLOSURE
COMPRESSOR SECTION

Product Description
11
2. Determine which knockouts in the electrical enclosure will be used and remove them (see
Figure 11).
Figure 11 Electrical enclosure knockout locations for field wiring
3. Route the input hazardous voltage electrical power wiring through the top right knockout on the
primary electrical enclosure (see Figure 11) to the disconnect switch L1, L2 and L3 (see
Figure 12). Observe proper phasing.
4. Connect the ground wire to the ground lug (see Figures 12 and 14 for 60Hz models and
Figures 13 and 15 for 50Hz models).
Figure 12 60Hz models, high voltage connections—primary disconnect switch
Knockout for
Input Power
Enclosure Cover
Not Shown for Clarity
Transformer Fuse Block
Compressor Fuse Blocks
Customer Power Connection
Ground
Lug
Primary
Disconnect
Switch
Primary Power Block
Electronic Hot Gas
Bypass Controllers
Relay
Compressor Contactors Transformer 3

Product Description
12
Figure 13 50Hz models high voltage connections—primary disconnect switch
Figure 14 60Hz models high voltage connections—secondary disconnect switch
Compressor
Circuit Breakers
Compressor
Contactors
Transformer 3
Wire
Raceway
Relay
Ground
Lug
Customer
Power
Connection
Primary Power Block
Primary
Disconnect
Switch
Electronic Hot Gas
Bypass Controllers
Busbar
Power Connection
From Primary
Power Block
Ground Lug
Secondary Disconnect Switch
Transformer Fuse Block
Secondary Power Block
Pump Fuse Blocks
Pump Contactors
Transformer 1
Transformer 2

Product Description
13
Figure 15 50Hz models high voltage connections—secondary disconnect switch
1.6 Extra Low Voltage Connections
Extra Low Voltage (ELV) power output is 30V and 100VA or less.
1. Turn off all unit power before connecting cables or wires. Failure to do so may damage this
equipment.
2. Route low voltage electrical connections through the appropriate knockouts as shown in
Figure 17.
3. User interface and temperature/humidity sensor wire is NEC Class 2. All electrical installation
must comply with all national, state and local requirements.
Figure 16 Liebert XDC heat rejection connection points
Busbar
Power Connection
From Primary
Power Block
Pump Circuit
Breakers
Pump Contactors
Ground Lug
Secondary
Disconnect
Switch
Transformer 1
Power Block
Transformer 2
Fuse Blocks
Electrical handy box,
factory-installed with cover
HEAT REJECTION CONNECTION
Field-supplied 24V. Class 1 wiring
to interlock heat rejection from pigtails:
70A and 71A - Compressor 1 circuit
70B and 71B - Compressor 2 circuit
70C and 71C - Dual Source relay (optional)

Product Description
14
Figure 17 Electrical enclosure knockout locations for Extra Low Voltage connections
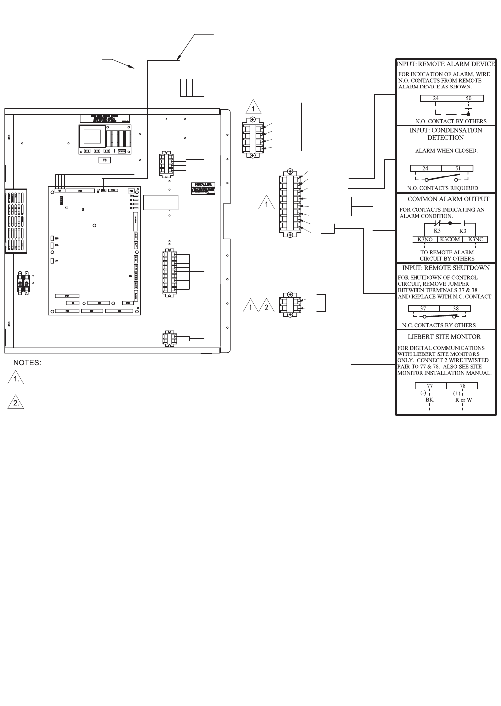
Field Connections—All Units
• Connect the control display panel cable to terminal block TB3 terminals 1 through 4 on the Lie-
bert XDC control board as shown (refer to Figure 18). The display panel must always be installed
in the conditioned space. The display panel may be mounted on the Liebert XDC’s front right door
if the Liebert XDC is located in the area that it conditions.
• Place the sensor in the higher-temperature portion of the cold aisle where the XD modules are
located. Alternatively, it may be placed on the return air side of the primary air mover (e.g., Lie-
bert Deluxe System/3™) in the room if it represents the conditions where all the XD cooling mod-
ules are located. Do not install the sensor where ambient air might cause false readings, for
example, near unsealed doors, windows and similar areas..
Field Connections—Optional for All Units
• Connect optional field wiring from remote devices to Remote Alarm Device, Common Alarm Out-
put, IGM and Remote Shutdown, if applicable. See terminal strip descriptions in Figure 18.
Field Connections—Air Cooled Units only
Connect field wiring to heat rejection connection terminals on the handy box as shown in Figure 16.
Liebert XD Module Condensate
Connections (optional;
depends on features
supplied with Liebert XD Module)
User Interface
(Wall Box) Wiring
Temperature/Humidity
Sensor Wiring
Alternate Knockout
for Temperature/Humidity
Sensor Wiring
Enclosure Cover Not Shown for Clarity

Product Description
15
Figure 18 Extra Low Voltage field connections points
Control wiring must be Class 2 and installed
in accordance with the National Electrical Code (NEC)
Requires shielded cable
Control Display Panel
Four thermostatic wires
to be connected toTB3
Temperature/Humidity Sensor
Cable Provided with
Temperature/Humidity Sensor Board
Factory-Wired
Temperature
Sensor(s)
TS-3
37
38
78
77
K3NCL
K3NO
K3COM
H2O (24)
XDOC (51)
RAD1 (50)
TS-4
TS-5
TS-6

Piping and Filling with Refrigerant: R-134a and R-407c Circuits
16
2.0 PIPING AND FILLING WITH REFRIGERANT: R-134A AND R-407C CIRCUITS
2.1 European Union Fluorinated Greenhouse Gas Requirements
Stationary air conditioning, refrigeration, heat pump equipments and stationary fire protection sys-
tems in the European Community market and operating with fluorinated greenhouse gases (f-gas),
such as R407C, R134a, R410A, must comply with the F-Gas Regulation: (EC) No. 842/2006 (F-gas).
The regulation prohibits, among other actions, venting fluorinated greenhouse gases to the atmo-
sphere.
The F-Gas Regulation requires operators to use use all measures that are technically feasible and do
not entail disproportionate cost to prevent leakage of these gases, to test for leakage regularly and to
recover f-gas before disposing of equipment, as well as during service and maintenance.
Refer to the full regulation for additional details.
2.2 Recommended Pipe Size
Connect the main pipes between the Liebert XDC and the Liebert XD cooling modules according to
site specific documentation and the configuration guide for the Liebert XD system.
Elbows and restrictions shall be minimized for proper operation.
2.3 Liebert XDC Interconnection With Liebert XD Cooling Module
All piping must be ASTM (American Society for Testing and Materials) Type “L” copper pipe.
The Liebert XDC may be connected to Liebert XD cooling modules with either Liebert’s XD prefabri-
cated piping assembly or with rigid, off-the-shelf piping. In either setup, piping for the Liebert XD
system is arranged in a manner similar to piping for a chilled water system. Liebert XD cooling mod-
ules are connected in parallel between main return and supply pipes going to and from the Liebert
XDP/Liebert XDC. Figure 19 represents a typical configuration. For piping details, refer to Liebert’s
XD System Design Manual, SL-16655. The guidelines provided for pipe size must be strictly
followed. Failure to size the main lines and connection lines adequately may result in
reduced cooling capacity. The critical aspects of pipe sizing are related to coolant volume and pres-
sure drop. Both must be minimized.
NOTE
Follow all local codes on maximum length and size of refrigerant lines.
Table 4 Supply, return pipe sizes for Liebert XD refrigerant loop
Pipe Function Size/Equivalent Pipe Length
Liebert XDC supply line, from Liebert XDC
supply to farthest Liebert XD cooling module
1-1/8" OD (1.025" ID) for lengths up to 60 feet
1-3/8" OD (1.265" ID) for lengths over 60 but less than 175 feet
Liebert XDC return line, from farthest cooling
module to Liebert XDC return
2-1/8" OD (1.985" ID) for lengths up to 60 feet
2-5/8" OD (2.465" ID) for lengths over 60 but less than 175 feet
From any model Liebert XDO/Liebert XDH
supply to supply line of Liebert XDC
1/2" OD (0.430" ID) for lengths up to 10 feet
7/8" OD (0.785" ID) for lengths over 10 but less than 25 feet
From any model Liebert XDO/Liebert XDH
return to return line of Liebert XDC
7/8" OD (0.785" ID) for lengths up to 10 feet
1-1/8" OD (1.025" ID) for lengths over 10 but less than 25 feet
From any model Liebert XDV/Liebert XDCF
supply to supply line of Liebert XDC
1/2" OD (0.430" ID) for lengths up to 10 feet
5/8" OD (0.545" ID) for lengths over 10 but less than 35
From any model Liebert XDV/Liebert XDCF
return to return line of Liebert XDC
5/8" OD (0.545" ID) for lengths up to 10 feet
7/8" OD (0.785" ID) for lengths over 10 but less than 35 feet

Piping and Filling with Refrigerant: R-134a and R-407c Circuits
17
Figure 19 Liebert XD system diagram
2.4 Piping Installation Method
The assembly and connection means used for piping in the Liebert XD system are similar to those used
for conventional refrigeration systems. All piping should be installed with high-temperature brazed
joints. Soft soldering is not recommended.
During brazing, the lines must be filled with flowing dry nitrogen to prevent excessive oxidation and scale
formation inside the piping. Prevailing good refrigeration practices must be employed for piping supports,
leak testing, dehydration and charging. Failure to use good system practices may result in damage to the
system. Refer to the ASHRAE refrigeration handbook for general good-practice refrigeration piping.
Insulate all piping lines to prevent condensation in applications where the dew point approaches the
R-134a refrigerant temperature.
Liebert highly recommends venting the pressure relief valves for both the R-134a and R-407c sides out-
side the conditioned space where it is open to the atmosphere. The R-134a side relief valve is inside the
XDC unit at the top of the receiver. The R-407c water/glycol cooled side relief valves are located at each
condenser beneath the XDC unit in the floor stand. The R-407c air cooled relief valves are located outside
within the air cooled system.
2.4.1 Piping Installation—R-134a Pumped Circuit
Liebert highly recommends venting the relief pressure of the Liebert XDC (located at the top of the
receiver) outside of the conditioned space where it is open to the atmosphere.
Piping Mains
All refrigeration piping mains connected to the Liebert XD cooling module, both supply and return,
should be installed with a downward pitch toward the Liebert XDC of 1-2" for every 20 feet (25.4-51mm
per 6m) of pipe run.
Liebert XD
Cooling
Modules
Liebert XD
Cooling
Modules
Liebert XD
Cooling
Modules
Liebert XD
Cooling
Modules
Liebert XD
Cooling
Modules
Liebert XDP/
Liebert XDC
SLOPE—The main supply and return lines to and from the Liebert XDC must be sloped downward
toward the Liebert XDC at a rate of 1-2" for every 20 feet (25.4-51mm per 6m) of pipe run.
Horizontal connector lines should also be sloped downward from the cooling modules toward the
main supply and return lines.
All supply and return
mains must be level
with or above the top
of all Liebert
XD modules

Piping and Filling with Refrigerant: R-134a and R-407c Circuits
18
Bypass Flow Controllers
To ensure the Liebert XDC pumps operate within the optimum range, some installations require one
or more bypass flow controller(s). These devices are added to the field piping, and simulate the flow of
additional cooling modules.
Each bypass flow controller should be installed with one shutoff valve to allow the controller to be dis-
abled when cooling modules are added to a Liebert XD system.
If bypass flow controllers are required, they should be connected between the main supply and the
main return lines of the field piping. The connection points to the main supply and return lines should
be in a convenient and accessible location between the Liebert XDP/Liebert XDC and the first Liebert
XD module in the circuit. See Figures 20 and 21 for piping details of the bypass flow controller.
Refer to Table 5 to determine the number of bypass flow controllers needed, based on the total nomi-
nal cooling capacity of the cooling modules in each Liebert XD system.
Figure 20 Bypass flow controller details, dimensions
Figure 21 Bypass flow controller arrangement
Table 5 Bypass flow controllers for a Liebert XDC-based system
Cooling Modules -
Cumulative Model Size
Required Number
of Bypass Flow Controllers
Liebert XDC
32 to 63 N/A
64 to 95 2
96 to 127 1
128 to 160 0
7/8”
(22mm) ID
4”
(102mm)
Return
Main
7/8" Refrigerant Grade
Full Port Ball Valve
Field-Supplied and Field-Installed
Supply
Main
Bypass Flow Controller
(Field-Installed)
Flow Direction

Piping and Filling with Refrigerant: R-134a and R-407c Circuits
19
Figure 22 Bypass flow controller piping
Evacuation and Leak Check—R-134a Pumped Circuit
1. Open all service valves, including those located outside of the Liebert XDC.
2. Place 150 psig (1034kPa: 10.34 bars) of dry nitrogen with a tracer of R-134a in the system.
3. Check the system for leaks with a suitable leak finder
4. After completion of the leak testing, release the test pressure (per local code) and connect to
vacuum pump(s) at the Schrader valves.
5. After four hours of pulling a deep vacuum, check the vacuum level and if it has not changed,
break the vacuum with dry nitrogen.
6. Pull a second vacuum to 250 microns or less. Recheck the vacuum level after 2 hours.
Insulation
Insulate all piping between the Liebert XDC and cooling modules to prevent condensation where the
piping passes through non-conditioned areas.
!
CAUTION
Risk of overpressurization. Can cause equipment damage.
Do not exceed 150 psig (1034 kPa; 10.34 bars) in the R-134a circuit.
NOTE
Piping should not be insulated before it has been checked for leaks. Applying good insulation to
pipes before checking for leaks would prevent easy detection of leaks.
Filter Dryer
Assembly
Liebert XD
Cooling
Module #1
Liebert XD
Cooling
Module #2
Coolant
Supply
Coolant
Return
Bypass Flow
Controllers
Liebert XDP
or
Liebert XDC

Piping and Filling with Refrigerant: R-134a and R-407c Circuits
20
2.5 Filling the Pumped Circuit—R-134a
1. Connect a charging manifold to the service port of the receiver outlet valve.
2. Purge the hoses.
3. Calculate the amount of R-134a refrigerant needed to charge the system, using the values in
Tables 6,7,8 and 9; for assistance, refer to 2.5.1 - Calculating Refrigerant Charge—
Example. The section includes a worksheet to calculate system refrigerant charge requirements.
4. Weigh in the calculated charge.
5. After adding the calculated charge, allow the system to sit 15 to 30 minutes to reach equilibrium.
Observe the refrigerant level through the sight glasses of the receiver. The level should be above
the second sight glass at a minimum when the Liebert XDC is off.
6. If the refrigerant level is improper, the charge must be adjusted.
If the level is too high or too low, recalculate the required charge and reduce or increase the
amount as needed to reach the proper level.
NOTE
All lengths in Tables 7,8 and 9 are actual pipe lengths, not equivalent pipe lengths.
NOTE
System refrigerant volume calculations derived from Tables 6,7,8 and 9 are based on a fully
loaded system. Additional charge may be required for lightly loaded systems.
Table 6 System R-134a charge for a Liebert XDC with any model Liebert XDH/Liebert
XDO/Liebert XDV/Liebert XDCF
Refrigerant Charge,
lb (kg)
Per Liebert XD Unit
(Excludes Connector Lines
to and from Liebert XD Cooling Module)
157 lb. (65.7kg) Liebert XDC
3.55 lb. (0.66kg) Liebert XDO
2.32 lb. (1.05kg) Liebert XDV
5.32 lb. (2.41kg) Liebert XDH
1.41 lb. (0.64kg) Liebert XDCF
Table 7 System refrigerant charge for the supply and return mains
Refrigerant Charge,
lb/foot (kg/m) Supply/Return Main Length and Diameter
0.45 (0.67) Main supply actual length per 1-1/8" OD copper tubing
0.68 (1.01) Main supply actual length per 1-3/8" OD copper tubing
0.28 (0.42) Main return actual length per 2-1/8" OD copper tubing
0.43 (0.64) Main return actual length per 2-5/8" OD copper tubing
Table 8 R-134a refrigerant charge for hard-piped connector lines to and from any model
Liebert XDH/Liebert XDO/Liebert XDV/Liebert XDCF
Refrigerant Charge,
lb/foot (kg/m) Hard-Piped Connector Length and Diameter
0.08 (0.12) 1/2" OD Liebert XDO/Liebert XDH/Liebert XDV/Liebert XDCF supply connector actual length
0.13 (0.19) 5/8" OD copper tubing Liebert XDV/Liebert XDCF supply connector actual length
0.26 (0.39) 7/8" OD Liebert XDO/Liebert XDH supply connector actual length
0.02 (0.03) 5/8" OD copper tubing Liebert XDV/Liebert XDCF return connector actual length
0.04 (0.06) 7/8" OD copper tubing Liebert XDV/Liebert XDCF return connector actual length
0.04 (0.06) 7/8" OD copper tubing Liebert XDH/Liebert XDO return connector actual length
0.07 (0.1) 1-1/8" OD copper tubing Liebert XDH/Liebert XDO return connector actual length

Piping and Filling with Refrigerant: R-134a and R-407c Circuits
21
2.5.1 Calculating Refrigerant Charge—Example
Using Tables 6,7,8 and 9, calculate the refrigerant charge of the individual sections of your Liebert
XD system. Add the calculated charge amounts to determine the amount of R-134a refrigerant
required for one system combining a Liebert XDC with Liebert XD cooling modules (Liebert XD Cool-
Frame, Liebert XDH, Liebert XDO and Liebert XDV). The example below combines one Liebert XDC
with 20 Liebert XDV8 cooling modules.
Table 9 R-134a refrigerant charge for Liebert XD Flex Pipe connector lines to and from any
model Liebert XDO/Liebert XDH/Liebert XDV/Liebert XDCF
Refrigerant Charge,
lb. (kg) Metal Liebert XD Flex Pipe Connector Length
Supply Line Diameter 1/2"
0.3 lb. (0.14) 4 ft. Liebert XD Flex Pipe Liebert XDH/Liebert XDO/Liebert XDV/Liebert XDCF supply
0.5 lb. (0.23) 6 ft. Liebert XD Flex Pipe Liebert XDH/Liebert XDO/Liebert XDV/Liebert XDCF supply
0.7 lb. (0.32) 8 ft. Liebert XD Flex Pipe Liebert XDH/Liebert XDO/Liebert XDV/Liebert XDCF supply
0.8 lb. (0.36) 10 ft. Liebert XD Flex Pipe Liebert XDH/Liebert XDO/Liebert XDV/Liebert XDCF supply
Return Line Diameter 5/8"
0.01 lb. (0.01) 4 ft. Liebert XD Flex Pipe existing Liebert XDV systems
0.02 lb. (0.01) 6 ft. Liebert XD Flex Pipe existing Liebert XDV systems
0.03 lb. (0.01) 8 ft. Liebert XD Flex Pipe existing Liebert XDV systems
0.03 lb. (0.01) 10 ft. Liebert XD Flex Pipe existing Liebert XDV systems
Return Line Diameter 1"
0.13 lb. (0.06) 4 ft Liebert XD Flex Pipe Liebert XDH/Liebert XDO/Liebert XDV/Liebert XDCF supply
0.2 lb. (0.096) 6 ft Liebert XD Flex Pipe Liebert XDH/Liebert XDO/Liebert XDV/Liebert XDCF supply
0.27 lb. (0.126) 8 ft Liebert XD Flex Pipe Liebert XDH/Liebert XDO/Liebert XDV/Liebert XDCF supply
0.33 lb. (0.15) 10 ft Liebert XD Flex Pipe Liebert XDH/Liebert XDO/Liebert XDV/Liebert XDCF supply
Table 10 Calculating refrigerant charge—example
Components
Number of Units
or Piping Length,
feet
Pounds
Per Component Total, lb.
Liebert XDC 1 157 157
Liebert XDV8 Cooling Modules 20 2.32 46.4
Supply Main, 1-1/8" 100 0.45 45
Return Main, 2-1/8" 100 0.28 28
Liebert XDV 1/2" supply Liebert XD Flex Pipes 20 0.8 16
Liebert XDV 5/8" return Liebert XD Flex Pipes 20 0.03 0.6
Total 293
Table 11 Worksheet to calculate refrigerant charge
Components
Number of Units
or Piping Length
Pounds
Per Component Total
Total

Piping and Filling with Refrigerant: R-134a and R-407c Circuits
22
2.5.2 Piping for Direct Expansion (DX) Circuit—R-407c Air Cooled Units
2.6 Install Double Discharge Risers
For air-cooled systems, double discharge risers must be installed in the hot gas lines that have verti-
cal heights of 15 feet (4.6m) or more (see Figure 23). This will allow proper oil return to the compres-
sors when the system is running at low loads. A double riser system is constructed of a large diameter
riser with a trap at the base and a riser with a smaller diameter in parallel.
At full-load operation, the refrigerant vapor flows up both risers at velocities that are adequate to
carry the oil. At low loads, refrigerant vapor velocities are lower and the trap at the bottom of the
riser becomes filled with oil. When this happens, refrigerant flows up only the smaller riser.
The trap at the top of the riser must be tied into the top of the line to prevent oil from filling the larger
riser. For each double riser used, the maximum height of the riser must not exceed 15 feet (4.6m).
Multiple risers must be installed in series as the height of the hot gas line increases. Total maximum
height of the hot gas line must not exceed 60 feet (18.3m).
Horizontal discharge lines should be pitched downward in the direction of flow to aid in oil drainage
with downward pitch of at least 1/2 inch in 10 feet (13mm in 3m).
Figure 23 Double discharge riser layout
Contact your local Liebert representative for factory approval whenever a refrigerant piping run
exceeds 200 feet (60m) equivalent length or when condensers must be installed below the level of the
cooling coil.
!
WARNING
Risk of refrigerant system explosion or rupture from overpressurization. Can cause death,
injury and equipment damage.
Installer must install a 400 psig pressure relief valve in each of the two R-407c refrigerant
circuits of the Liebert XDC system. Do not install shutoff valves between the compressors and
the pressure relief valves.
For systems requiring EU CE compliance, the pressure relief valves must be CE-certified by a
notified body to the EU Pressure Equipment Directive.
Smaller riser is
5/8" O.D. copper
Trap size is 1-1/8" large riser size with minimum internal
Connection point of upper trap
is at the top of the line
Larger riser 1-1/8"
O.D. copper

Piping and Filling with Refrigerant: R-134a and R-407c Circuits
23
For Air Cooled Lee-Temp / Flood Back Head Pressure Control Units Only
NOTE
Proper safety equipment and proper refrigeration tools are required. Check unit nameplate for
correct refrigerant type before topping off or recharging a system.
NOTE
Refrigerant R-407c is a blend of three components and must be introduced and charged from
the cylinder only as a liquid.
Refrigerant R-407c uses a POE (polyolester) lubricant. Do not open the compressor unit piping
to the atmosphere for more than 15 minutes. The compressors contain POE oil that is very
hygroscopic; it quickly absorbs water from the atmosphere. The longer the compressor piping is
open to the atmosphere, the harder it will be to fully evacuate. If left open too long, the POE oil
may need to be replaced before achieving the required vacuum level.
POE oils also have a property that makes them act as a solvent in a refrigeration system.
Maintaining system cleanliness is extremely important because the oil will tend to bring any
foreign matter back to the compressor. Refer to the ASHRAE refrigeration handbook for
general good-practice refrigeration piping.

Piping and Filling with Refrigerant: R-134a and R-407c Circuits
24
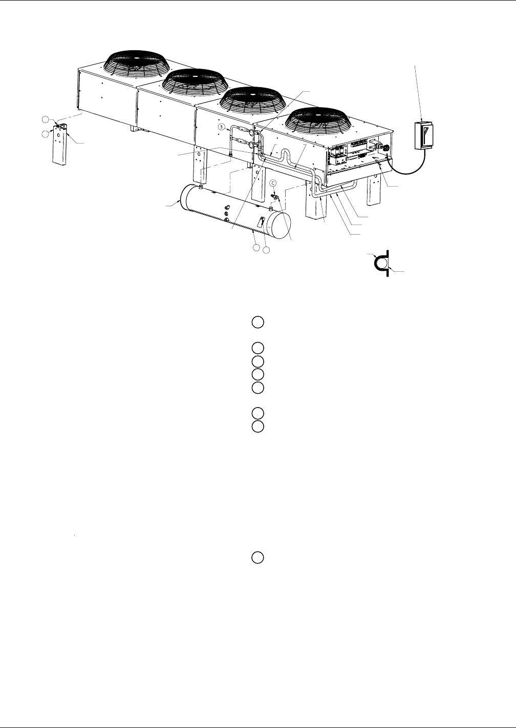
Figure 24 Installation data—Lee-Temp, one-circuit, four-fan model
Field-supplied main disconnect switch in
accordance with local codes or main unit
switch ordered as optional equipment
factory-installed in condenser control box.
* Liquid line from
condenser (Circuit 1)
See
Note 14
See
Note 12 * Hot Gas Line
From Unit
(Circuit 1)
See Note 14
Note 14
Electrical service
by others
Hot Gas Line (Circuit 1)
Liquid Line (Circuit 1) See Note 14
Ensure piping stays below electrical
box and does not protrude
Metal
Clamp
Isolator
Mounting Instructions
1. Uncrate carton and inspect for damage to
condenser and condenser control panel.
2. Assemble legs per instructions as shown.
3. Double risers are required when hot gas
vertical rise is 15 feet (4.6m) or more
(see 2.6 Install Double Discharge Risers).
4. Wire according to electrical diagram on inside
of condenser control box and in accordance with
all local codes.
5. All condenser locations more than 200ft. (61m) of
equivalent piping length away from Liebert XDC
must consult factory for special piping considerations.
6. Field to size refrigerant lines so as not to exceed
2°F (1.1°C) saturation loss for total equivalent length
(do not use connection sizes to determine line sizes).
7. Condenser installation is limited to a maximum of
15ft. (4.6m) location below Liebert XDC unit.
8. Do not run piping or wiring in the path of air flow
because this will reduce system performance.
9. Install field-supplied inverted traps on hot
gas lines between condenser and field piping.
10. All other piping field-supplied and field-connected.
11. Inverted traps must be installed to allow proper
clearance to fully open condenser control box door
and in accordance with local electric codes.
12. Secure Lee-Temp receiver assembly and each leg to
condenser frame using hardware provided. Receiver
can be mounted on either side of the condenser.
13. Lee-Temp Item B is shipped as a pre-piped
assembly shipped loose for field installation.
Item C is shipped loose for field installation.
14. Fasten liquid and hot gas lines using flat surface
clamps with isolators (field-provided). Support
field piping separately to avoid coil damage and
loss of charge
15. Relieve pressure at access port. Replace access port
fitting with relief valve before charging system.
1 Built-in condenser control box. See electrical drawing
for details and field wiring.
2 Air-cooled condenser.
3 Piping access cover to be reinstalled when piping is completed
.
4 Bolts - (4 per leg) 3/8" (9. 5mm) - (16) sixteen 5/8" (15.9mm)
5 Terminal block for two-wire, 24V interlock connection between
Liebert XDC and Liebert condenser.
6 Condenser legs - (8) eight legs for (4) four-fan models.
7 Lee-temp:
a. Insulated storage receiver - storage
receiver (1) per circuit. 5-foot-long receiver
is standard.
b. Dual head pressure control valve assembly
with integral check valve(s) - (1) one per circuit (See Note 13)
c. Rotalock valve - (1) one per circuit
d. Pressure relief valve - (1) one per circuit, field-installed.
e. Liquid level indicator - (1) per circuit, factory-installed
on receiver
8 Bolts - Lee-Temp 3/8" (9. 5mm)
MATERIALS SUPPLIED
BY EMERSON NETWORK POWER
4
6
Lee-Temp heater
pad electric box
this end (See Page 3)
* Hot Gas Line to
Condenser (Circuit 1)
AD
Position elbow to direct
relief valve downward
Liquid Return
Line to Unit
(Circuit 1)
DPN000937
Pg. 01, Rev. 09
For CSL616 condenser piping
connections, see Figures 28 and 29.

Piping and Filling with Refrigerant: R-134a and R-407c Circuits
25
Figure 25 Installation data—Lee-Temp, one-circuit, high ambient six-fan model
Mounting Instructions
1. Uncrate carton and inspect for damage to
condenser and condenser control panel.
2. Assemble legs per instructions as shown.
3. When piping long, vertical rises, oil traps are
recommended on hot gas line every 25 ft. (7.6m)
(see 2.6 Install Double Discharge Risers).
4. Wire according to electrical diagram on inside
of condenser control box and in accordance with
all local codes.
5. All condenser locations more than 200 ft. (61m) of
equivalent piping length away from Liebert XDC unit
must consult factory for special piping considerations.
6. Field to size refrigerant lines so as not to exceed
2°F (1.1°C) saturation loss for total equivalent length
(do not use connection sizes to determine line sizes).
7. Condenser installation is limited to a maximum of
15 ft. (4.6m) location below Liebert XDC unit.
8. Do not run piping or wiring in the path of air flow
as this will hamper the system performance.
9. Install field-supplied inverted traps on hot
gas lines between condenser and field piping.
10. All other piping field-supplied and field-connected.
11. Inverted traps must be installed to allow proper
clearance to fully open condenser control box door
and in accordance with local electric codes.
12. Secure Lee-Temp receiver assembly and each leg to
condenser frame using hardware provided. Receiver
can be mounted on either side of condenser.
13. Lee-Temp Item B is shipped as a pre-piped
assembly shipped loose for field installation.
Item C is shipped loose for field installation.
14. Fasten liquid and hot gas lines using flat
surface clamps with isolators (field provided).
Support field piping separately to avoid coil
damage and loss of charge.
15. Relieve pressure at access port. Replace access port
fitting with relief valve before charging system.
1 Built-in condenser control box. See electrical drawin
for details and field wiring.
2 Air-cooled condenser.
3 Piping access cover to be reinstalled when piping is
4 3/8"-16 x 3/4" long bolts - (20 total) attaches legs to
condenser frame.
5 3/8"-16 x 1-1/4" long bolts - (10 total) attaches legs
t
receiver. 3/8" nuts (10 total). 3/8" washers (20 total)
6 Terminal block for 2 wire 24 volt interlock connectio
n
Liebert XDC unit and Liebert condenser.
7 Condenser legs - (5) fivelegs for (6) six-fan models.
8 Lee-Temp:
a. Insulated storage receiver - storage
receiver (1) per circuit. Receiver size varies.
b. Dual head pressure control valve assembly
with integral check valve(s) - (1) one per circuit (S
c. Rotalock valve - (1) one per circuit, field-installed.
d. Pressure relief valve - (1) one per circuit, field-ins
t
e. Liquid level indicator - (1) per circuit
factory-installed on receiver.
Materials Supplied by Liebert
Field-supplied main disconnect switch in
accordance with local codes or main unit
switch ordered as optional equipment
factory-installed in condenser control box.
Electrical service
by others
Ensure piping stays
below electrical box
and does not protrude
See Page 5 for piping connection details
Hot gas line
(Circuit 1)
See Note 14
Note 14
Metal
Clamp Isolator
Liquid line
(Circuit 1) See Note 14
Liquid return
line to unit
(Circuit 1)
Po si t i o n el b o w t o d i r e c t
relief valve downward
* Hot gas line to condenser (Circuit 1)
96" (2438mm) receiver
shown; some systems
use smaller receivers
Lee-Temp heater
pad electric
box this end
(See DPN000937,Pg. 3)
* Hot gas line
from unit
(Circuit 1)
* Liquid line from
condenser
(Circuit 1)
DPN000937
Pg. 02, Rev. 09
AD
7
5
C
5
B
See Figure 29 for details on piping connections.

Piping and Filling with Refrigerant: R-134a and R-407c Circuits
26
Figure 26 Liebert XDC piping schematic and Lee-Temp heater pad wiring
Lee-temp Winter System
DPN000937
Pg. 3, Rev. 6
Rotalock Valve Combination
Head Pressure Control
& Check Valve
Condenser
Control Box
Inverted Trap
(By Others)
Pressure Relief Valve
Liquid Level
Indicator
Dehydrator Solenoid Valve Expansion Valve
Sight
Glass
Discharge Line
Compressor
Hot Gas Bypass
Solenoid Valve
Hand Shutoff
Valve By Others
Factory Piping
Field Piping
Optional Hot Gas Bypass
Suction Line
Service Valves
Hot Gas Bypass Valve
Sensing Bulb
External Equalizer
Liebert XDC Unit
(One Circuit Shown)
Air Cooled Condenser
Heater
Pads
Piping Schematic
Lee-Temp Heater Pad Wiring
Separate Continuous
Electical Source
By Others
Volts
Total Watts Per Receiver
Standard 300 Watt (2 Heater Pads)
Optional 450 Watt (3 Heater Pads)
1 Phase 50/60 Hz
Hi Limit Thermostat Typical
Circuit 1 & 2 Standard Model
With 2 Heater Pads Per Receiver
Circuit 1 & 2 Optional Model With 3 Heater Pads Per Receiver
L2
L1
GND
L2
L1
GND
115
200/208/230

Piping and Filling with Refrigerant: R-134a and R-407c Circuits
27
Figure 27 General arrangement air cooled Liebert XDC Lee-Temp Control
Table 12 Recommended refrigerant line sizes, DX R-407c, OD copper
Liebert XDC 160
Equivalent
Length, ft., (m)
*Hot Gas Line,
in. Liquid Line, in.
50 (15) 1-1/8 7/8
100 (30) 1-1/8 1-1/8
150 (45) 1-3/8 1-1/8
200 (60) 1-3/8 1-1/8
* Double risers are required when hot gas vertical rise is 15 feet or
more (see 2.6 - Install Double Discharge Risers).
Traps * every 25 ft.
(7.6m) of rise on hot
gas line only
Condenser Coil
Hot Gas/Discharge
Liquid/Return
Standard Piping
Assembly **
Rotalock
Valve **
1/4" (6.4mm)
Pressure Relief
Valve **
Sight Glass
Some Models
Have 2 Sight Glasses
Lee-Temp
Receiver
Check
Valve
Head Pressure
Control with
Integral Check
Valve
Liquid Return
from Condenser
Inverted Trap * on discharge
line to extend above base of
coil by a minimum of
7-1/2" (190mm)
Additional
Piping
Assembly **
DPN000937
Pg. 4, Rev 9
* * Components supplied by
Liebert and must be
field-installed.
* Components are not supplied by
Liebert but are recommended
for proper circuit operation and
maintenance.
Single XDC Circuit Shown
Field-Supplied Piping
Factory-Supplied Piping

Piping and Filling with Refrigerant: R-134a and R-407c Circuits
28
Figure 28 DCSL616 piping connections—two refrigerant circuits connected for parallel flow
Table 13 Recommended refrigerant line sizes for DCSL616
Liebert XDC 160
Equivalent
Length, ft., (m)
*Hot Gas Line,
in. Liquid Line, in.
50 (15) 1-1/8 7/8
100 (30) 1-1/8 1-1/8
150 (45) 1-3/8 1-1/8
200 (60) 1-3/8 1-1/8
* Double risers are required when hot gas vertical rise is 15 feet or
more (see 2.6 - Install Double Discharge Risers).
Traps * every 25 ft
(7.6m) of rise on hot
gas line only
Condenser Coil
(Circuit 1)
Condenser
Coil (Circuit 2)
Hot Gas/Discharge
Liquid/Return
Liquid
Return From
Condenser
Standard
Piping
Assembly **
Rotalock
Valve **
1/4" (6.4mm)
Pressure Relief
Valve **
Sight Glass
Some Models Have
2 Sight Glasses
Lee-Temp
Receiver
Check
Valve
Head Pressure
Control with
Integral Check
Valve
Inverted Trap * on discharge
line to extend above base of
coil by a minimum of
7-1/2" (190mm)
Additional
Piping
Assembly **
DPN000937
Pg. 4, Rev 9
* * Components supplied by Liebert;
must be field-installed.
* Components are not supplied by Liebert
but are recommended for proper circuit
operation and maintenance.
Single XDC Circuit Shown
Field-Supplied Piping
Factory-Supplied Piping

Piping and Filling with Refrigerant: R-134a and R-407c Circuits
29
Figure 29 CSL616 piping connections—two refrigerant circuits connected for parallel refrigerant flow
Refrigerant lines are to be routed and secured to prevent excessive vibration
and stress at the connections.
Connect the two refrigerant coils for parallel
refrigerant flow using field-supplied piping.
Liquid line (Circuit 1)
Hot gas line (Circuit 1)
DPN000937
Pg. 5, Rev. 9
For mounting instructions, refer to Figure 25.

Piping and Filling with Refrigerant: R-134a and R-407c Circuits
30
2.6.1 Air Cooled Condenser with Lee-Temp “Flooded Condenser” Head Pressure Control
System—R-407c (DX) Circuit
The Lee-Temp system consists of a modulating type head pressure control valves and insulated
receivers with heater pads to ensure operation at ambient temperatures as low as -30°F (-34.4°C).
Lee-Temp Piping
Two discharge lines and two liquid lines must be field-installed between the indoor unit and the out-
door condenser. See Figures 24 and 27 for details.
Lee-Temp Control Materials Supplied
•Built-in, pre-wired condenser control box
• Air cooled condenser
• Piping access cover to be reinstalled when piping is complete
• Bolts—four per leg (3/8" x 5/8")
• Terminal block for two-wire, 24V interlock connection between unit and condenser
• Condensate legs—four with one-fan, six on two-and three-fan models and eight on four-fan mod-
els
• Bolts—used to mount receiver (3/8" x 1-1/4")
• Lee-Temp system:
• Insulated storage receiver—one per circuit
• Head pressure control assembly (head pressure valves and check valves) - one per circuit
• Service valve—one per circuit
• Pressure relief valve—one per circuit
• Liquid level sight glasses
Evacuation and Leak Check—R-407c (DX) Circuit (Air and Water/Glycol Systems)
1. Make sure the unit is Off. Open all disconnects and pull all fuses except the control fuses. On
units supplied with circuit breakers, open all breakers except for the transformer.
2. Energize the liquid line solenoid valves via 24VAC or through Diagnostics under “Test Outputs,”
select DEHYDRATION to be On (see 5.3.17 - DIAGNOSTICS). This will energize the solenoids
and hot gas valves to open simultaneously on Circuit 1 and Circuit 2.
3. Attach refrigerant gauges to the suction and discharge service valves of the compressor.
4. Open all compressor service valves, including those located outside the Liebert XDC.
5. Connect the tank of dry nitrogen to the Schrader valves on the liquid lines and the hot gas lines.
6. Pressurize the system circuit(s) to 150 PSIG (1034 kPa; 10.34 bars) with dry nitrogen with a trace
of refrigerant. Check the system for leaks with a suitable leak finder.
7. After completion of leak testing, release the test pressure (per local code) and connect to vacuum
pump(s) at the Schrader valves on the liquid lines and on the hot gas lines.
8. After 4 hours of pulling a deep vacuum, check the vacuum levels and, if they have not changed,
break the vacuum with dry nitrogen.
9. Pull a second and third vacuum to 250 microns or less. Recheck the vacuum level after 2 hours.
NOTE
Lee-Temp heater pads require a separate, continuous electrical source. See nameplate on unit
for proper voltage.
NOTE
The procedures above allow the technician to use 24VAC power and controls to open liquid line
solenoid valve(s) for the dehydration process. If no power is at the unit disconnect, the
technician is to use a separate 24VAC source rated at 75 VA and connect to the system liquid
line solenoid valve(s) directly.

Piping and Filling with Refrigerant: R-134a and R-407c Circuits
31
2.7 Filling the Direct Expansion (DX) Circuit—R-407c
Any recommended volumes will be approximate. The user must verify that all circuits of the system
have been adequately filled.
For Air Cooled Lee-Temp / Flood Back Head Pressure Control Units Only
1. Make sure the Liebert XDC is Off.
2. Connect the refrigerant gauge charging hose to the refrigerant drum and to the receiver at the
rotalock valve and/or to the Schrader valves on the liquid lines.
3. Weigh in the calculated charge based on Tables 14,15,16 and 17—values are maximum, based
on outdoor air temperature of -30°F (-34°C).
4. Open the rotalock valve and fill the complete calculated charge.
NOTE
If necessary, refer to 3.0 - Installation Checklist to ensure that the system has been properly
checked out and is ready to be filled with coolant.
NOTE
Proper safety equipment and proper refrigeration tools are required. Check unit nameplate for
correct refrigerant type before topping off or recharging a system.
NOTE
Refrigerant R-407c is a blend of three components, and must be introduced and charged from
the cylinder only as a liquid.
Refrigerant R-407c uses a POE (polyolester) lubricant. Do not open the compressor unit piping
to the atmosphere for more than 15 minutes. The compressors contain POE oil that is very
hygroscopic; it quickly absorbs water from the atmosphere. The longer the compressor piping is
left open to the atmosphere, the harder it will be to fully evacuate. If left open too long, the POE
oil may need to be replaced before achieving the required vacuum level.
Table 14 Indoor unit refrigerant charge—R-407c
Model 50/60 Hz Charge/Circuit, lb. (kg)
Liebert XDC160 17.5 (8.0)
Table 15 Outdoor air condenser charge—R-407c
Outdoor Ambient, °F (°C Model 50/60 Hz Charge / Circuit, lb (kg)
-30 to 95 (-34 to 35) CDL830 or CSL415 200 (90.8)
-30 to 100 (-34 to 38) CDL830 or CSL415 200 (90.8)
-30 to 105 (-34 to 41) CSL616 254 (115.2)
35 to 105 (2 to 41) CSL616 164 (74.5)
Table 16 Air cooled systems - liquid line charge - R-407c refrigerant per 100 ft (30 m) of Type "L"
copper tube
O.D., inches Liquid Line, lb (kg) Hot Gas Line, lb (kg)
3/8 3.7 (1.7) -
1/2 6.9 (3.1) -
5/8 11.0 (5.0 2.2 (1.0)
3/4 15.7 (7.1) 3.1 (1.4)
7/8 23.0 (10.4) 4.5 (2.0)
1-1/8 39.3 (17.8) 7.8 (3.5)
1-3/8 59.8 (27.1 11.8 (5.4)
1-5/8 - 16.7 (7.6)
Table 17 Indoor water/glycol cooled module – R-407C refrigerant charge
Model 60 Hz Charge / Circuit, lb(kg)
Liebert XDC 160 30.0 (13.2) per circuit

Installation Checklist
32
3.0 INSTALLATION CHECKLIST
___ 1. Unpack and check received material.
___ 2. Position Liebert XDC and secure to floor.
___ 3. Wire high voltage connections.
___ 4. Wire low voltage connections.
___ 5. Connect Liebert XD cooling module piping to Liebert XDC.
___ 6. Check all circuits of the system for leaks.
___ 7. Hold a vacuum on all circuits of the system.
___ 8. Charge the system with refrigerant.
___ 9. Make sure that all piping has proper insulation.
___ 10. Use double risers in DX hot gas lines that are 15 feet (4.6m) or more in height.

Checklist for Liebert XDC Startup
33
4.0 CHECKLIST FOR LIEBERT XDC STARTUP
1. Verify that bypass flow controllers were installed (if applicable), see Table 5:
2. Check all isolation ball valves in the Liebert XDC and Liebert XD cooling module and verify that
all are open.
3. Check rotation of Liebert XDC pumps.
Use the rotation device provided—this device must be held against the pump
housing—at the inspection screw prior to energizing the pumps—Green indicates proper rotation;
Green and Red indicate incorrect rotation.
4. Check rotation of fans on Liebert XD cooling modules.
5. Verify that air is being discharged in the “cold aisle.”
6. Check rotation of fans on condenser(s) of Liebert XDC (air cooled units only)—Verify that air is
being discharged out to the atmosphere.
7. Confirm that the total calculated refrigerant R-134a amount has been properly charged into the
system [see 2.5 - Filling the Pumped Circuit—R-134a].
8. Confirm that the total calculated refrigerant R-407c amount has been properly charged into the
system (see 2.7 - Filling the Direct Expansion (DX) Circuit—R-407c).
9. Confirm that the remote temperature/humidity sensor provided has been installed in the correct
location.
The correct location is near the return side of a main air mover such as a Liebert Deluxe
System 3. If more than one Liebert XDC is installed, use a different location for each remote sen-
sor for best temperature/humidity calculation.
!
WARNING
Risk of piping and component rupture. May cause injury or equipment damage. Closing
service valves may isolate liquid refrigerant, causing high pressure and rupture of piping. Do
not close valves without following recommended procedures for repair, maintenance and
replacement of components. Install pressure relief valves in field piping that may become
isolated by service valves.
NOTE
Before any action that could cause a disturbance in the Liebert XD system’s cooling function
is begun, the facility manager MUST be informed. In addition, after the action is taken and
the work is finished, the facility manager MUST be informed
Table 18 Liebert XDC pump light indicator *
Indicator Lights Description
Green Red
Off Off The electricity supply has been switched off or the pump has
been cut out by the thermal switch.
On Off The electricity supply has been switched on. Normal operation.
On On The electricity supply has been switched on. The direction of
rotation is wrong.
* Use the rotation tester provided with the Liebert XDC for 460V models

Checklist for Liebert XDC Startup
34
4.1 System Refrigerant Charges Over 35 lb. (15.9kg) Require Additional Oil
System charges over 35 lb. (15.9kg) require additional oil charge to be added. See Figure 30 for the
amount required for various charge levels.
Once the system has been fully charged with refrigerant, use a hand pump to add the additional oil at
the suction side of the system while the system is running.
The amount of oil added by field service must be recorded on a tag attached at the tandem the amount
added along with the date it was added. This will be documented on a tag located at the tandem com-
pressor and marked “Oil Added Field Service Record.”
Figure 30 Additional oil requirements for refrigerant charge
• Do not mix polyolester (POE) and mineral-based oils.
• Do not mix oils of different viscosities.
Consult Emerson or the compressor manufacturer if questions arise.
!
CAUTION
Risk of improper compressor lubrication. Can cause compressor and refrigerant system
damage.
Failure to use oil types, viscosities and quantities recommended by the compressor
manufacturer may reduce compressor life and void the compressor warranty. See oil types
specified in Table 19.
Table 19 Compressor oil types
Compressor Type
Refrigerant Type
R-22 R-407c
Carlyle Semi-Hermetic Mineral Oil POE OIL - ISO 68 Viscosity
Copeland Scroll and Digital Scroll POE OIL - ISO 32 Viscosity
1. Use Carlyle Mineral Oil Totaline P903-2001, Witco Suniso 3GS or other Carlyle-approved oil.
2. Use Carlyle POE Totaline P903-1001, Castrol SW68 or other Carlyle-approved oil.
3. Use Copeland® POE Oil ULTRA 22CC, Mobil EAL Arctic 22CC, Copeland brand Ultra 22 CC, Copeland brand Ultra 32 CC,
Copeland brand Ultra 32-3MAF, Mobil EAL™ Arctic 22 CC or Uniqema RL32-3MAF or other Copeland-approved oil.
140
130
120
110
100
90
80
70
60
50
40
30
20
10
00 100 300200 400
Additional Oil Required Per Circuit, Ounces
Each circuit contains ZRT250KCE Tandem
XDC160 System Refrigerant Field Charge Per Circuit, Pounds

Checklist for Liebert XDC Startup
35
The Liebert XDC system is now ready to be turned ON.
1. Turn On all fans of the Liebert XD cooling modules.
2. Turn the Liebert XDC On via user interface (I/O button). Allow the system to attempt to start for
at least 2 minutes.
If the Liebert XDC pump cannot maintain flow and continues to switch over due to starting diffi-
culties, proceed to Step 4 and refer to the troubleshooting section of the Liebert XDC user man-
ual.
3. If constant flow is established, wait until the Liebert XDC has been operating 10-15 minutes, then
verify that the refrigerant level in the receiver sight glass is between the second and third level
(see Figure 31). Add or remove charge as indicated by sight glass level.
4. Check pressure differential functionality:
The Liebert XDC system should be On. If it is Off:
a. Turn On the Liebert XD cooling module fans
b. Turn the Liebert XDC On via user interface (I/O button).
If there is no “Loss of Flow” alarm present—This suggests that there is flow. Test the
pressure differential by closing the ball valve on either the suction line or discharge line to
stop the flow.
This should prompt an alarm for “loss of flow on P1.” This alarm confirms that the switch has
opened on low pressure (below 6 psi; 41 kPa; 0.41 bars).
If there is a “Loss of Flow” alarm present—This suggests that there is no flow. Verify
that this is correctly annunciated by looking at the sight glass in the receiver. If a true no-flow
condition exists, the level will not move.
However, if there is flow, but the differential reading is faulty, the level will slowly
drop, indicating flow, while the loss of flow alarm is annunciated.
Check the pressure differential physically by making sure that the electrical connections are
properly connected. Then check the pressure differential electrically by making sure that the
unit has 24VAC across it.
Figure 31 System R-134a liquid level
Operation above sight glass #3 can
make the system operate erratically
and reduce cooling capacity - Reduce
charge to recommended level.
Recommended operating level
Acceptable operating level
Operation below sight glass #1 may
cause loss of flow or cooling. Add
charge to reach recommended level.
For lightly loaded systems,
the recommended operating
level is sight glass #2.
Sight Glasses 1, 2 & 3

Microprocessor Control
36
5.0 MICROPROCESSOR CONTROL
5.1 Feature Overview
The microprocessor control for the Liebert XDC unit features an easy-to-use menu-driven LCD. The
menus, control features and circuit board details are described in this section.
Figure 32 User interface
Active alarms are displayed on the LCD screen and sound an audible beep. To silence an alarm, press
the Alarm Silence/Help key as prompted on the display.
Setpoints, DIP switch settings and other selections were made during factory testing of the unit based
on typical operating conditions. (Other default selections were made according to options included
with the unit.)
ADJUST THE FACTORY DEFAULTS ONLY IF THEY DO NOT MEET YOUR SPECIFICATIONS.
Allowable ranges are displayed by pressing the Help key. A password will be required (if enabled) to
change setpoints, time delays, etc.
The display normally shown includes the present room temperature, humidity, active status func-
tions and active alarms. More detailed status and alarm information is available from the menu.
5.1.1 Display
To turn the unit On, press the On/Off (I/O) key after power is applied to the Liebert XDC.
To turn the unit Off, press the On/Off (I/O) key before power is disconnected.
Table 20 User interface keypad functions
Keypad Function
On/Off (I/O) Turns the unit On or Off (top far left keypad)
Menu Enables the user to access the program menu to change setpoints, alarms, etc. (top near left)
Up Arrow Key Raises the value of displayed parameter while in a set mode (set points, time, etc).(arrow, top
near right)
Escape (Esc) Allows user to move back to a previous menu (top far right)
Alarm Silence If an alarm is present, press this key to silence the alarm. Help text will appear if this key is
pressed when no alarm is present (bottom left)
Down Arrow
Key
Lowers the value of displayed parameter while in a set mode (set points, time, etc).(arrow,
bottom near right).
Enter After setting a control value, press ENTER to store the information in the microprocessor
(bottom right).
On/Off Key
Alarm Silence Key
Up Arrow Key
Down Arrow Key
Status Display

Microprocessor Control
37
5.2 Controls
The Microprocessor Control for the Liebert XDC features an easy-to-use, menu-driven liquid crystal
display. The menus, control features and circuit board details are described in this section.
5.2.1 Feature Overview
The Liebert XDC maintains the coolant being pumped to Liebert XD cooling modules at a tempera-
ture above the room dew point, preventing condensation.
5.2.2 Status Display
The display normally shows the leaving refrigerant temperature on the first line and alternates
between the dew point and the number of alarms present on the second line.
5.3 Main Menu
Press the MENU key to display the Main Menu. The menu selections are:
• SETPOINTS
• STATUS
• ACTIVE ALARMS
•ALARM HISTORY
•TIME
•DATE
• SETUP OPERATION
• SETPT PASSWORD
• SERVICE PASSWORD
• CALIBRATE SENSOR
• ALARM ENABLE
• ALARM TIME DELAY
• COMMON ALARM ENABLE
• CUSTOM ALARMS
• CUSTOM TEXT
•DIAGNOSTICS
• END OF MENU
5.3.1 Viewing or Changing Settings
To access a menu option:
1. Use the up or down arrow key to scroll to the menu option.
2. Press the ENTER button to view the current setting.
3. To change the setting, use the up or down arrow key.
4. Press ENTER to save the change.

Microprocessor Control
38
5.3.2 SETPOINTS
Selecting SETPOINTS from the Main Menu will reveal the following menu items:
To reach the SETPOINTS menu:
1. Press the MENU button.
2. Press ENTER when the SETPOINTS menu is displayed.
3. Use the up and down arrow keys to move through the menu and view the setpoints.
To change a setpoint, follow the steps above, then:
1. Press the ENTER key to change a setpoint. (The control will ask for a setpoint password if
passwords are enabled. Use the up and down arrow keys and ENTER key to enter the three-digit
password when prompted.)
2. Use the up and down arrow keys to change the setpoint.
3. Then, press ENTER to accept the new setpoint. When finished, press the ESC key two to three
times to return to the main display.
The user setpoints and ranges are:
MIN TEMP SP
This setpoint is used to keep the room temperature above the setpoint. The Liebert XDC can lower
the room temperature too much depending on the room dew point and load. This setpoint will back off
the cooling to keep the room temperature above this temperature, see 5.3.1 - Viewing or Changing
Settings.
HI AIR TEMP
This is the temperature at which the HIGH REMOTE TEMP and HIGH LOCAL TEMP alarms will
be activated, see 5.3.1 - Viewing or Changing Settings.
LO AIR TEMP
This is the temperature at which the LOW REMOTE TEMP and LOW LOCAL TEMP alarms will be
activated, see 5.3.1 - Viewing or Changing Settings.
Table 21 Setpoint functions, default values and allowable ranges
Menu Item Function Default Range
MIN TEMP SP * Minimum room temperature setpoint 72 (22) 50-80 (10-27)
HI AIR TEMP High room air temperature alarm 80 (27) 35 to 95 (2-35)
LO AIR TEMP Low room air temperature alarm 55 (13) 35 to 95 (2-35)
* For optimal cooling performance, the minimum temperature setpoint should be at least 1-2° below the expected temperature at
the remote sensor, which may require additional consideration of the remote sensor location or minimum temperature setting.
If the minimum temperature setpoint is set above the typical remote temperature sensor reading, this will reduce the Liebert
XD cooling output and, in extreme cases, cause erratic Liebert XD performance.
NOTE
Setpoints and system setup parameters are kept in non-volatile memory.
NOTE
This is not a true room temperature setpoint. The Liebert XDC will try to cool as much as
possible. If it is able to cool the room to this setpoint, it will back off its cooling capability to try
to keep the room temperature at or above this setpoint, but the Liebert XDC has no heaters, so it
cannot warm the room.

Microprocessor Control
39
5.3.3 STATUS
The user can check the status of cooling percentage, pump and compressor operating status and tem-
perature of the refrigerant.
VALVE OPEN %—0-100
COMP 1A, 2A, 1B, 2B—On/Off
PUMP 1—On/Off
PUMP 2—On/Off
REFRIG T—Refrigerant temperature 0-100°F
5.3.4 ACTIVE ALARMS
This submenu allows the user to review any present alarms. If no alarms are present, the screen will
read No Alarms Present. If any alarms are occurring, the screen will display Alarm XX of YY, fol-
lowed by the alarm text (XX is the reference number of the alarm shown, YY is the total number of
alarms).
To view any active alarms:
1. Press the MENU key.
2. Scroll to the ACTIVE ALARMS menu by using the up and down arrow keys.
3. Press the ENTER key to access the menu.
4. Use the up and down arrow keys to move through the menu and view which alarms are active.
If there are no active alarms the display will read NO ALARMS. If any alarms are present, the dis-
play will list them. When finished, press the ESC key two to three times to go to the main display.
5.3.5 ALARM HISTORY
This submenu allows the user to review the 60 most-recent alarms. The first line of the screen will
show the alarm number—01 being the newest—and the name of the alarm. The second line of the
screen will show the most recent alarm’s date and the time in 24 hour format.
To view the alarm history:
1. Press the MENU key.
2. Scroll to the ALARM HISTORY menu by using the up and down arrow keys.
3. Press the ENTER key to access the menu.
4. Use the up and down arrow keys to scroll through the menu and view the alarm history.
5. Press the ESC key two to three times to return to the main display.
5.3.6 TIME
The controller time clock must be set to allow for time stamping of the alarms for alarm history. To
change the time press ENTER to select the function, then use the up or down arrow key arrow to
change the first character, press Enter to store, then press the up or down arrow key to change the
second character, press Enter to store, etc.
5.3.7 DATE
The controller date must be set to allow for time stamping of the alarms for alarm history. To change
the date press ENTER, then use the up or down arrow key to change the first character, press
ENTER to store, press the up or down arrow key to change the second character, etc.
NOTE
The clock uses the 24 hour system (for example: 17:00 would be 5:00 PM). Battery backup
protects the date and time settings.

Microprocessor Control
40
5.3.8 SETUP OPERATION
Selecting Setpoint/Setup from the Main Menu will display the following selections:
To view the SETUP OPERATION menu
1. Press the MENU key.
2. Use the up and down arrow keys to move to the SETUP OPERATIONS menu.
3. Press the ENTER key to enter into the menu.
4. Use the up and down arrow keys to move through the menu and view the setpoints.
5. Press the ENTER key to change a setpoint. (The control will ask for a service password if
passwords are enabled. Use the up and down arrow keys and ENTER key to enter the three-digit
password when prompted.)
6. Use the up and down arrow keys to change the setpoint.
7. Press ENTER to accept the new setpoint.
8. When finished, press the ESC key two to three times to return to the main display.
RESTART
This is the time delay after which the control will attempt to restart the Liebert XDC after a loss of
power. It is programmable from 0.1-9.9 minutes in 6-second (0.1 minute) increments. The user can
also select NO. If NO is selected, the system WILL NOT automatically restart. The default is 0.1 min-
utes.
C/F DEGREES
The user may select control and alarm parameters in either Celsius or Fahrenheit. The default is
degrees Fahrenheit.
PUMP START TD
The user may set a Pump Start Time Delay to ensure that refrigerant begins flowing when the pump
starts. If refrigerant does not begin flowing before the user-set delay expires, the pump will be turned
off (see PUMP OFF TD).
PUMP WAIT TD
The user may set the pump wait time delay to prevent the pump from continuing to run when refrig-
erant is not flowing. If a pump is running normally and refrigerant flow is lost, the pump will stay on
for the specified amount of time trying to re-establish refrigerant flow. If refrigerant flow resumes
during the specified interval, the pump will continue operating. If the wait time expires and refriger-
ant flow has not resumed, the pump will shut down (see PUMP OFF TD).
NOTE
None of these setpoints should be changed before consulting a Liebert representative.
Changing any of these setpoints could drastically affect the system.
Table 22 Setup operation functions default values and allowable ranges.
Menu Item Function Default Range
RESTART Restart time delay 0.1 min 0 to 9.9 min
(0 = manual restart)
C/F DEGREES Celsius or Fahrenheit F C or F
PUMP START TD Pump start time delay 10 sec 3 - 120 sec
PUMP WAIT TD Pump wait time delay 10 sec 3 - 120 sec
PUMP OFF TD Pump off time delay 5 sec 5 - 120 sec
LEAD PUMP Lead Pump Pump 1 Pump 1/Pump 2
DIPSWCH DIP switch status NA NA
NOTE
Setpoints and system setup parameters are kept in non-volatile memory.

Microprocessor Control
41
PUMP OFF TD
The user can set the amount of time a pump will remain off when refrigerant flow is interrupted or stops.
After the time delay has expired, the control will try to restart the pump (see PUMP START TD).
LEAD PUMP
This allows the user to select which pump is the active pump. It can be set to PUMP 1 or PUMP 2.
The control will operate the respective pump unless a loss of flow condition occurs. On a LOSS OF
FLOW condition, the control will switch to the standby pump after the LOSS OF FLOW alarm time
delay has elapsed and the LOSS OF FLOW alarm has been annunciated. The default is PUMP 1.
LEAD TANDEM
Not currently used.
DIPSWCH
This allows the user to read the eight-position DIP switch located on the control board. The switches
are numbered according to the numbers on the DIP switch. The numeral 1 indicates the switch is ON
and a 0 indicates the switch is OFF. These switches are factory-set and should not require any user
changes.
VALVE TIME
Valve travel time is not currently used.
VLV ST OPEN
Valve start open % is not currently used.
VLV START TD
Valve start time delay is not currently used.
MIN VLV SET
Minimum valve setpoint is not currently used.
COMP SEQ ON
When the Liebert XDC is started, this is the time delay before the next compressor comes on when the
control is sequencing on compressors.
COMP OFF TD
This is how long a compressor must be off before the control will turn it back on.
INNERSTAGE TD
This is how long the control must wait between compressor stage changes during normal operation.
WSK1 TD
Compressor winter start kit time delay for all compressors.
WSK2 TD
The winter start kit 2 time delay is not currently used.
100% START TD
This is how long the control will keep the unit at 100% cooling during startup after all compressors
have staged on.
Table 23 Liebert XDC DIP switches and factory settings
DIP Switch Factory Setting
1Off
2Off
3Off
4Off
5Off
6 Off = Standard, On = Dual Source
7Off
8Off

Microprocessor Control
42
5.3.9 SETPT PASSWORD
To prevent unauthorized changes to the control setpoints and alarm settings, the Liebert XDC may be
configured to require a three-digit password before permitting setpoint or alarm setting changes.
To enable this feature, set DIP switch #8 in the wall box to the Off position. If DIP switch #8 is On, no
password is required. Factory default for the setpoint password is 123.
To change the password:
1. Press the MENU key to display the Main Menu.
2. Use the up or down arrow keys to scroll to the SETPT PASSWORD function.
3. Press ENTER to access the SETPT PASSWORD function. The LCD will display three zeros—000.
4. Enter the present, three-digit password
a. Use the up or down arrow key to enter the first number.
b. Press the ENTER button to select the second number in the password.
c. Use the up or down arrow key to enter the second number.
d. Enter the third number by repeating Steps b and c.
e. Press the ENTER button to accept the password. The LCD will display the message
PASSWORD OK.
5. Press the ENTER button; the LCD displays the message ENTER NEW PSW and the current
password. The first numeral will be selected.
6. Use the up or down arrow key to enter the first number of the new password. Press the Enter
button to select the second numeral in the password.
7. Use the up or down arrow key to enter the second number of the new password. Press the Enter
button to select the third numeral in the password.
8. Use the up or down arrow key to enter the third number of the new password. Press the Enter
button to save the new password.
5.3.10 SETUP PASSWORD
To prevent unauthorized changes to the setup configurations, the Liebert XDC may be configured to
require a three-digit password before permitting setup configuration changes.
To enable this feature, set DIP switch #8 in the wall box, to the Off position. If DIP switch #8 is On, no
password is required. Factory default for the setup password is 321.
To change the password:
1. Press the MENU key to display the Main Menu.
2. Use the up or down arrow keys to scroll to the SETUP PASSWORD function.
3. Press ENTER to access the SETUP PASSWORD function. The LCD will display three zeros—000.
Enter the present, three-digit password
a. Use the up or down arrow key to enter the first number.
b. Press the ENTER button to select the second number in the password.
c. Use the up or down arrow key to enter the second number.
d. Enter the third number by repeating Steps b and c.
e. Press the ENTER button to accept the password. The LCD will display the message
PASSWORD OK.
4. Press the ENTER button; the LCD displays the message ENTER NEW PSW and the current
password. The first numeral will be selected.
5. Use the up or down arrow key to enter the first number of the new password. Press the Enter
button to select the second numeral in the password.
6. Use the up or down arrow key to enter the second number of the new password. Press the Enter
button to select the third numeral in the password.
7. Use the up or down arrow key to enter the third number of the new password. Press the Enter
button to save the new password.

Microprocessor Control
43
5.3.11 CALIBRATE SENSORS
The temperature and humidity sensor can be calibrated by selecting this menu item. The tempera-
ture sensor can be calibrated ± 5°F and the humidity sensor can be calibrated ±10% RH. To prevent
coil condensation that could damage the Liebert XDC, the sensors must be calibrated to a known
source.
5.3.12 ALARM ENABLE
At the user’s discretion, some alarms may be enabled or disabled. If an alarm is disabled, the alarm
condition will not be monitored and will not trip, will not be in ACTIVE ALARMS, will not be in
ALARM HISTORY and will not be annunciated.
These alarms may be enabled or disabled:
FLOW LOSS P1—loss of refrigerant flow with Pump 1 alarm
FLOW LOSS P2—loss of refrigerant flow with Pump 2 alarm
CUSTOMER—customer alarm
HI RMT TEMP—high remote temperature alarm
LO RMT TEMP—low remote temperature alarm
HI LCL TEMP—high local temperature alarm
LO LCL TEMP—low local temperature alarm
To determine whether an alarm is enabled or disabled:
1. Press the MENU key.
2. Use the up and down arrow keys to move to the ALARM ENABLE menu.
3. Press the ENTER key to access the menu. Use the up and down arrow keys to move through the
menu and view which alarms are enabled or disabled. (YES means that the alarm is enabled, NO
means that the alarm is disabled.)
To change an alarm from enabled to disabled, or vice versa
1. Determine whether the alarm is enabled or disabled (see above).
2. Use the up and down arrow keys to scroll to the alarm to be changed.
3. Press the ENTER key. (The control will ask for a service password if passwords are enabled. Use
the up and down arrow keys and ENTER key to enter the three-digit password.)
4. Press the ENTER key again to change the alarm.
5. Press the ESC key two to three times to return to the main display.

Microprocessor Control
44
5.3.13 ALARM TIME DELAY
Some alarms can be programmed with a time delay as a means of preventing nuisance alarms. This
function specifies the amount of time an alarm must be present before the Liebert XDC recognizes
and annunciates the alarm. If the alarm condition goes away before the time delay has expired, the
alarm will not be recognized, and the time delay timer will be reset. This can be used as a filter to pre-
vent nuisance alarms from transient events.
Time delays for these alarms may be changed:
CUSTOMER—customer alarm
HI RMT TEMP—high remote temperature alarm
LO RMT TEMP—low remote temperature alarm
HI LCL TEMP—high local temperature alarm
LO LCL TEMP—low local temperature alarm
LO REFRIG T—low refrigerant temperature alarm
To view the time delay for an alarm:
1. Press the MENU key.
2. Use the up and down arrow keys to move to the ALARM TIME DELAY menu. Press the ENTER
key to enter into the menu. Use the up and down arrow keys to move through the menu and view
the alarm time delays.
To change the time delay for an alarm:
1. Press the ENTER key. (The control will ask for a service password if passwords are enabled. Use
the up and down arrow keys and ENTER key to enter the three-digit password when prompted.)
2. Press the ENTER key again on the alarm to select the alarm to be changed.
3. Use the up and down arrow keys to change the alarm time delay.
4. Press the ENTER key to record the change.
5. Press the ESC key two to three times to return to the main display.
5.3.14 COM ALARM ENABLE
Each individual alarm can be selected to energize or not to energize the common alarm relay. If the
energize common alarm function is set to YES, the relay is energized immediately as the alarm is
annunciated and de-energized when the alarm condition goes away (only after the alarm has been
recognized). If the alarm is completely DISABLED, the alarm has no effect on the common alarm
relay.
Use the up or down arrow key to scroll to a particular alarm, press the ENTER button to select it,
then press the ENTER button to change the state (Yes or No).
5.3.15 CUSTOM ALARMS
This is the menu where the user selects the alarm message that will be displayed when there is an
input to the customer alarm input on the control board. This menu has four choices: one user-defined
custom message (see CUSTOM TEXT below for details) and three preprogrammed messages:
• SMOKE DETECTED
• CUSTOM 1 (default custom message. If the user enters a custom text message, that custom text
will replace CUSTOM 1.)
• STANDBY UNIT ON
1. Press the ENTER button to access the menu
2. Use the up or down arrow key to view the messages.
3. Press the ENTER button to select the message to be displayed.

Microprocessor Control
45
5.3.16 CUSTOM TEXT
This menu permits the user to set up a custom text message with a maximum length of 16 characters.
The message may use any of the following characters or a blank space:
ABCDEFGHIJKLMNOPQURSTUVWXYZ#%*-0123456789.
This custom text can be designated as the custom alarm text in the CUSTOM ALARMS menu (see
CUSTOM ALARMS above). To define the message:
1. Press the ENTER button to access the menu.
2. Use the up or down arrow key to change the character with the pointer below it.
3. Press the ENTER button to go to the next character.
4. Repeat the steps for all characters in the message (maximum of 16 characters).
5. Press the ENTER button to accept new custom text.
5.3.17 DIAGNOSTICS
This allows the user to perform checks on inputs, outputs, and conduct a test of the Liebert XDC con-
trol board from the wall box.
Entering the TEST OUTPUTS will interrupt system operation. Selecting TEST INPUTS or TEST
MICRO will not interrupt system operation. Pressing ENTER and selecting TEST OUTPUTS will
permit the user to toggle the following outputs on and off:
PUMP 1—On/Off
PUMP 2—On/Off
COMP 1A, 2A, 1B, 2B—On/Off
GREEN LAMP—On/Off
RED LAMP—On/Off
COMMON ALARM—On/Off
LLSV1, LLSV2—On/Off
HGSV1, HGSV2—On/Off
HGV1, HGV2—On/Off
DEHYDRATION1, DEHYDRATION2—On/Off
Pressing ENTER and selecting TEST INPUTS will permit the user to read the following inputs:
INPUT POWER—On/Off
CONDENSATION—On/Off (condensation detection)
DIFF PRESSURE—On/Off (differential pressure switch)
CUSTOMER ALARM—On/Off
Pressing ENTER and selecting TEST MICRO will permit the user to test the microcontroller and
associated circuitry on the Liebert XDC control board.

Alarm Descriptions and Solutions
46
6.0 ALARM DESCRIPTIONS AND SOLUTIONS
6.1 Alarm Descriptions
•LOSS OF FLOW P1 – Activated when pump 1 is commanded to run and the differential pres-
sure switch does not sense differential pressure (set at 6 psi; 41 kPa; 0.41 bars). After attempting
to start pump 1 for a period of 120 seconds (including time delays), the Liebert XDC will automat-
ically switch to the other pump to establish flow.
•LOSS OF FLOW P2 – Activated when pump 2 is commanded to run and the differential pres-
sure switch does not sense differential pressure (set at 6 psi; 41 kPa; 0.41 bars). After attempting
to start pump 2 for a period of 120 seconds (including time delays), the Liebert XDC will automat-
ically switch to the other pump to establish flow.
•PUMP SHORT CYCLE – Activated when the Liebert XDC is trying to establish flow (differen-
tial pressure) and it is unable to do it. The Liebert XDC will attempt to establish flow (differential
pressure) for 4 minutes on each pump, for a total of 8 minutes. If this cycling occurs within 30
minutes (can be adjusted from 10 to 60 minutes) and the Liebert XDC still does not establish flow,
a SHORT CYCLE alarm will be present. This alarm will shut down the Liebert XDC, main power
(disconnect switch) must be turned OFF then back ON to clear this alarm.
•CUSTOMER ALARM – Activated when 24VAC signal is applied to the customer alarm input on
the control board. Alarm will reset when the 24VAC signal is taken away.
•CONDENSATION – Activated when water is detected at the Liebert XD cooling module (24VAC
is applied to the condensation input on the control). When this alarm is active, the control will
raise its refrigerant control point by 4 degrees Fahrenheit. Alarm will reset when the 24VAC sig-
nal is taken away or main power removed.
•FAN FAILURE ALARM – Not currently being used.
•HIGH REMOTE TEMP & HIGH LOCAL TEMP – Activated when the remote or local temper-
ature exceeds the user specified setpoint. See 5.3.2 - SETPOINTS. Alarm will reset itself when
the room temperature drops below the setpoint.
•LOW REMOTE TEMP & LOW LOCAL TEMP – Activated when the remote or local tempera-
ture is below the user specified setpoint. See 5.3.2 - SETPOINTS. Alarm will reset itself when
the room temperature raises above the setpoint.
•REMOTE SENS PROB – Activated when no signal is present from the remote temperature or
humidity sensors. Alarm will reset when the temperature and humidity signals are re-estab-
lished.
•LOCAL SENS PROB – Activated when no signal is present from the local temperature or
humidity sensors or communications is lost from the display. Alarm will reset when the tempera-
ture and humidity signals are re-established.
•HIGH DEWPOINT – Activated when the room dew point exceeds the user specified setpoint. See
5.3.2 - SETPOINTS. Alarm will reset itself when the room temperature drops below the setpoint.
•HIGH HEAD PRESSURE C1A – Activated when a high head pressure signal is sensed from
compressor 1A by the control.
•HIGH HEAD PRESSURE C1B – Activated when a high head pressure signal is sensed from
compressor 1B by the control.
•HIGH HEAD PRESSURE C2A – Activated when a high head pressure signal is sensed from
compressor 2A by the control.
•HIGH HEAD PRESSURE C2B – Activated when a high head pressure signal is sensed from
compressor 2B by the control.
•LOW PRESSURE CKT 1 – Activated when the low-pressure switch for compressor circuit #1
doesn’t send the proper signal during normal operation, or during pump-down.
•LOW PRESSURE CKT 2 – Activated when the low-pressure switch for compressor circuit #2
doesn’t send the proper signal during normal operation, or during pump-down.
NOTE
Alarms must be acknowledged before they can be reset. To acknowledge or silence an alarm,
press the ALARM SILENCE / ? key.

Alarm Descriptions and Solutions
47
•SHORT CYCLE C1A – Activated when compressor 1A turns On, Off, then back On, 5 times
within 10 minutes, or 10 times within 1 hour.
•SHORT CYCLE C1B – Activated when compressor 1B turns On, Off, then back On, 5 times
within 10 minutes, or 10 times within 1 hour.
•SHORT CYCLE C2A – Activated when compressor 2A turns On, Off, then back On, 5 times
within 10 minutes, or 10 times within 1 hour.
•SHORT CYCLE C2B – Activated when compressor 2B turns On, Off, then back On, 5 times
within 10 minutes, or 10 times within 1 hour.
•HIGH REFRIGERANT TEMP 1 – Activated when the refrigerant temperature sensed from
refrigerant temperature sensor 1, exceeds the user specified setpoint. See 5.3.2 - SETPOINTS.
Alarm will reset itself when the refrigerant temperature drops below the setpoint.
•LOW REFRIGERANT TEMP 1 – Activated when the refrigerant temperature sensed from
refrigerant temperature sensor 1, drops 1.5 degrees Fahrenheit below the refrigerant tempera-
ture control point. Alarm will reset itself if the refrigerant temperature raises back up before the
control shuts down because of low refrigerant temperature.
•FAILED REFRIGERANT SENSOR 1 – Activated when the control stops receiving a signal
from the refrigerant temperature sensor 1. If this alarm becomes active, the control will slowly
back down cooling over a 9-minute period. This alarm will shut down the Liebert XDC, main
power (disconnect switch) must be turned OFF then back ON to clear this alarm.
•HIGH CHILLED WATER TEMP – not currently used.
•LOW CHILLED WATER TEMP – not currently used.
•FAILED CHILLED WATER SENSOR – not currently used.
•VALVE FAILURE – not currently used.
•LOSS OF POWER – Activated when the unit is ON and operational, and 24VAC power to the
control is lost to the control. This alarm will be emitted when power is restored to the control
(unit). Unit will restart at a user defined time delay after power is restored. See 5.3.8 - SETUP
OPERATION. Alarm will reset itself after 30 seconds of run time.
6.2 Red and Green Lamp Indicators
Liebert’s XDC has two lamps that indicate the unit’s operating condition, one green, one red.
The green lamp lights only when the Liebert XDC is ON and running with no alarms.
The red lamp lights in two instances:
1. If the unit is on and running with an active alarm
OR
2. If the unit is shut down because of an alarm.
The red lamp will flash when an alarm is being annunciated. The red lamp will stop flashing and the
beeper in the display will stop beeping when the ALARM SILENCE / ? key is pressed.
NOTE
Alarms MUST BE ACKNOWLEDGED before they can be RESET. To acknowledge / silence
alarms press the Alarm Silence / ? key.

Alarm Descriptions and Solutions
48
6.3 Enable / Disable Alarms
Any alarm may be enabled or disabled. If an alarm is disabled, the alarm condition will not be moni-
tored and will not trip, will not be in ACTIVE ALARMS, will not be in ALARM HISTORY and will not
be annunciated. To enable or disable an alarm, or to check whether an alarm is enabled or disabled:
1. Press the MENU key.
2. Use the up or down arrow key to move to the ALARM ENABLE menu.
3. Press the ENTER key to access the menu.
4. Use the up or down arrow key to move through the menu and view which alarms are enabled or
disabled. YES means that the alarm is enabled, NO means that the alarm is disabled.
To change it:
1. Press the ENTER key. The control will ask you for a service password whether passwords are
enabled.
2. Use the up and down arrow keys and ENTER key to key in the three-digit password.
3. Press the ENTER key again on the alarm to change it.
4. When finished, press the ESC key two to three times to get back to the main display.
6.4 Alarm Time Delays
All of the alarms can have their delay times changed. An alarm time delay is the period that the con-
trol has to see a specific condition exist before it will alarm that condition. This can be used as a filter
to prevent nuisance alarms.
To change an alarm time delay, or to view a current alarm time delay:
1. Press the MENU key.
2. Use the up or down arrow key to move to the ALARM TIME DELAY menu.
3. Press the ENTER key to access the menu. Use the up or down arrow key to move through the
menu and view the alarm time delays.
To change an alarm time delay:
1. Press the ENTER key. The control will ask for a service password if passwords are enabled.
2. Use the up and down arrow keys and ENTER key to key in the three-digit password.
3. Press the ENTER key again on the alarm to change it.
4. Use the up and down arrow keys to change the alarm time delay.
5. Press the ENTER key to accept the change.
6. When finished, press the ESC key two to three times to get back to the main display.
6.5 View Active Alarms
To view the active alarms:
1. Press the MENU key.
2. Use the up or down arrow key to move to the ACTIVE ALARMS menu.
3. Press the ENTER key to enter into the menu.
4. Use the up or down arrow key to move through the menu and view which alarms are active.
If there are no active alarms the display will read NO ALARMS. If alarms are present, the display
will list them accordingly.
5. When finished, press the ESC key two to three times to get back to the main display.

Alarm Descriptions and Solutions
49
6.6 View Alarm History
To view the alarm history:
1. Press the MENU key.
2. Use the up or down arrow key to move to the ALARM HISTORY menu.
3. Press the ENTER key to enter into the menu.
4. Use the up or down arrow key to move through the menu and view the alarm history.
This menu will show the most recent alarm first. This menu also will display the alarm name,
alarm number and the time and date of occurrence for the last 60 alarms.
5. When finished, press the ESC key two to three times to get back to the main display.
6.7 System Shutdown Causes
•Unit Is Off By Refrig Sens Fail: The control has lost its signal from the refrigerant tempera-
ture sensor. The control has no way of controlling the refrigerant temperature, so the unit is shut
off. Main power (disconnect switch) must be turned OFF then back ON to clear this alarm.
•Unit Is Off By Pump Short Cycle: The control was unable to get a pump started at startup or
after a loss of differential pressure. The control looks at the SHORT CYCLE time delay. If it can-
not establish differential pressure within that amount of time the unit is shut off. The user may
set this time by changing the SHORT CYCLE alarm time delay. Main power (disconnect switch)
must be turned OFF then back ON to clear this alarm.
•Unit Is Off By Low Refrig Temp: The control was unable to raise the refrigerant temperature
to the calculated refrigerant temperature control point. The unit is shut off, because if the control
cannot raise the refrigerant temperature to the calculated refrigerant temperature control point,
there will be a possibility of water condensing on the refrigerant piping and receiving coils. Main
power (disconnect switch) must be turned OFF then back ON to clear this alarm.

Troubleshooting
50
7.0 TROUBLESHOOTING
Table 24 Liebert XDC troubleshooting
Symptom Possible Cause Check or Remedy
Pump/compressor
will not energize
No main power Check L1, L2, and L3 for rated voltage.
Loose electrical connections Tighten connections.
Overloads tripped Allow pump to cool. Check amp draw.
Tripped circuit breaker Check circuit breaker to pump(s).
Incorrect phase wiring See Table 18.
Pump will not run
Isolation valve(s) on pump suction
and/or discharge is closed. Open all isolation valves completely during normal operation.
Liebert XD cooling modules are Off. Check Liebert XD cooling modules to make sure that they are
ON prior to starting the Liebert XDC
Low Refrigerant Temperature
(high dew point)
Check alarm(s) history on Liebert XDC. The Liebert XDC was
operating below the dew point for a significant amount of
time. Check humidity in conditioned space; lower humidity if
necessary to allow Liebert XDC to operate at a lower
temperature. (Disconnect must be switched to Off then back
to On to allow Liebert XDC to reset.)
Incorrect location of
temperature-humidity senors
Place the sensor on the return air side of the primary air
mover (I.e., Liebert Deluxe System 3). Do not install the
sensor near unsealed doors, windows and similar areas.
Pressure switch not making contact
Check both differential pressure settings. If not within 6 psi,
±1 psi (41 kPa, ±7kPa; 0.41 bars, ±0.07 bars) then manually
change accordingly.
Not enough charge See 2.7 - Filling the Direct Expansion (DX) Circuit—R-
407c.
Pump noisy
Cavitation due to vapor in pump
Check for adequate charge in system, refer to the user
manual. 2.7 - Filling the Direct Expansion (DX) Circuit—R-
407c
Pump is rotating in reverse See Table 18
Worn motor bearings Replace pump
Liebert XDC (Pump)
suddenly stops
Low Refrigerant Temperature
(high dew point)
Check humidity of room along with location of remote
sensors. Make sure that the sensors are not located in a cold
area where there is a lack of sufficient air flow.
Loss of power When power is restored, the Liebert XDC will automatically
restart.
Clogged filter/dryer and/or impeller Clean out debris.
Leak in system - loss of charge Check the entire system for leaks with a refrigerant sniffer.
Repair as necessary.
Room becomes
too cold
Lack of load in the room If there is no cooling required, turn the Liebert XDC off at the
I/O button.
Minimum room temperature setpoint
is too low.
Check the setpoint by following instructions in 5.3.2 -
SETPOINTS.
Incorrect location of temperature-
humidity senors.
Place the sensor on the return air side of the primary air
mover (i.e., Liebert Deluxe System 3). Do not install the
sensor near unsealed doors, windows, and similar areas.
Table continued on following page

Troubleshooting
51
Room becomes
too warm
Liebert XDC is off. Check status of the Liebert XDC at the user interface. Turn
system On at I/O button if system is Off.
High dew point
Check temperature and relative humidity (RH) of room.
Lower RH setpoint if necessary to lower dew point. At normal
room temperature of 68°F (20°C), the RH should be set to
50% or lower.
Liebert XD cooling modules are Off. Check Liebert XD cooling modules to make sure that they are
On before starting the Liebert XDC.
Minimum room temperature setpoint
is too high.
Check the setpoint by following instructions in 5.3.2 -
SETPOINTS.
Incorrect location of temperature-
humidity senors
Place the sensor on the return air side of the primary air
mover (I.e., Liebert Deluxe System 3). Do not install the
sensor near unsealed doors, windows, and similar areas.
Pipe rattle Loose pipe connections Check pipe connections.
Actuator motors
(if applicable)
No 24VAC power to motor Check for 24VAC between P2-1 and P2-4.
No signal from control Check 24VAC at P22-1 (close) or P22-3 (close).
Motor not operating
Unplug P22 completely off of the board. Jumper P22-5 to P2-
4 for grounding, then jumper P22-1 to P2-1 to drive close.
Remove jumper to close, and then jumper P22-3 to P2-1 to
drive open. If motor fails to work, replace it.
Motor burnout
Check control panel for welded
contactor contacts or welded
overload contacts
Replace defective components.
Main 24VAC
fuse trips
Shorts or loose connections Check the wiring connections of the 24VAC circuit.
Faulty circuit board Replace the circuit board.
Unstable pump
operation R-134a pump loop is overcharged While pump is running R-134a receiver level must be within
recommended levels (see Figure 31).
Table 24 Liebert XDC troubleshooting (continued)
Symptom Possible Cause Check or Remedy

Maintenance
52
8.0 MAINTENANCE
The Liebert XD system components require little maintenance when proper fluid levels are main-
tained and proper startup and operation procedures are followed. The following tasks should be per-
formed at the intervals stated:
1. Check sight glass level of receiver on all circuits every 4-6 weeks. During normal operation, the
level should be at or above the first sight glass.
2. Check system for leaks every 4-6 weeks
8.1 Fluorinated Greenhouse Gas Requirements
Stationary air conditioning, refrigeration, heat pump equipments and stationary fire protection sys-
tems in the European Community market and operating with fluorinated greenhouse gases (f-gas),
such as R407C, R134a, R410A, must comply with the F-Gas Regulation: (EC) No. 842/2006 (F-gas).
The regulation prohibits, among other actions, venting fluorinated greenhouse gases to the atmo-
sphere.
The F-Gas Regulation requires operators to use use all measures that are technically feasible and do
not entail disproportionate cost to prevent leakage of these gases, to test for leakage regularly and to
recover f-gas during equipment service and maintenance and before disposing of equipment.
Refer to the full regulation for additional details.
8.2 Air Cooled Condenser
Restricted airflow through the condenser coil will reduce the operating efficiency of the unit and can
result in high compressor head pressure and loss of cooling.
Clean the condenser coil of all debris that will inhibit air flow. This can be done with compressed air
or commercial coil cleaner. Check for bent or damaged coil fins and repair as necessary. In winter, do
not permit snow to accumulate around the sides or underneath the condenser.
Check all refrigerant lines and capillaries for vibration isolation. Support as necessary. Visually
inspect all refrigerant lines for signs of oil leaks.
Figure 33 Outdoor fan/condenser configuration
Fan Motor M1
Inverted Traps by Others
Hot Gas Line
Lee-Temp Heater Pad
Connection Boxes
Electric Service
Supplied by Others
Electric Service
Supplied by Others
Hot Gas Line
Inverted Traps by Others
Fan Motor FS
Secure each leg to condenser
frame at all points shown using
hardware provided
Liquid Line
Liquid Line

Maintenance
53
8.3 Water/Glycol Floor Stand Condenser
8.3.1 Shell and Tube Condensers
Each water or glycol cooled module has a shell and tube condenser which consists of a shell, remov-
able heads, gaskets and cleanable copper tubes.
It may be necessary to clean the copper tubing periodically to remove any scale or lime that should
collect (periods between cleanings will vary with local water conditions). As deposits build up, a clean-
ing tool, available at any refrigeration supply house, should be used to clean the heat exchanger
tubes.
1. Stop the unit (using the start/stop switch) and allow the compressor to pump down.
2. Open the disconnect switch.
3. Shut off the water supply valve to the condenser.
4. Drain the water from condensers and piping.
5. Remove the bolts securing each head and slowly pry them free.
6. Remove old gaskets and inspect sealing surfaces for pits and corrosion.
7. Swab the condenser tubes with a tube-cleaning tool.
8. When the tubes are clean, reinstall the heads using new factory gaskets.
9. Consult factory for specific torque requirements.
10. Reconnect the piping, open the water supply valve, vent the system and check for leaks.
8.3.2 Regulating Valves
The water regulating valves automatically regulate the amount of fluid necessary to remove the heat
from the refrigeration system, permitting more water to flow when load conditions are high and less
fluid to flow when load conditions are low. The valve consists of a brass body, balance spring, valve
seat, valve disc holders, capillary tube to discharge pressure and an adjusting screw.
Testing the Water Regulating Valve Function
1. Turn the refrigeration system Off.
2. Wait 10 to 15 minutes—water should stop flowing.
If the water continues to flow, the valve is either improperly adjusted (with head pressure too low)
or the pressure sensing capillary is not connected properly to the condenser. Consult Table 24 -
Liebert XDC troubleshooting.
8.3.3 Glycol Solution Maintenance
Proper rust inhibitor maintenance is necessary to prevent corrosion of the glycol system. Consult the
glycol manufacturer for testing and maintenance of inhibitors. Do not mix products from different
manufacturers.
Inhibitor maintenance requirements depend on local water conditions. Analyzing water samples
before installation and every six months will assist in developing a schedule. Inspect the solution and
filter residue to determine whether corrosion is occurring.
A water treatment specialist may be required to set up a treatment program to remedy some water-
caused problems.

Specifications
54
9.0 SPECIFICATIONS
Table 25 Liebert XDC specifications
Models
XDC160 Air
XDC160 Water /
Glycol
XDC160AA XDC160AM
189192G3
189192G5
Cooling Capacity, tons (kW) 46 (160) 37 (130)
See Tables 26,27
and 28 for
Water/Glycol
performance data
Minimum Load
The Liebert XDC’s minimum recommended operating load is 40% of
system nominal capacity. For example, a Liebert XDC160 60Hz
system’s minimum load would be 64 kW. Loading below this value
can unfavorably affect system operation. Consult factory for any
loading below this recommendation.
Electrical Requirements
Input 460V-3ph-60Hz 380/415V-3ph-50Hz 460V-3ph-60Hz
Full Load Amps 79A
Minimum supply wire sizing ampacity 84A
Maximum fuse or circuit breaker size 100A
Dimensions, inches (mm)
Height - Main unit only 78 (1981)
Height - Main unit only, as shipped 83 (2108)
Width - Main unit 74 (1879)
Depth - Main unit 34-5/8 (879)
Height - Water / Glycol cooled condenser stand N/A 24 (607)
Width - Water / Glycol cooled condenser stand N/A 72 (1829)
Depth - Water / Glycol cooled condenser stand N/A 33 (839)
Weight, lb (kg)
Main unit only 1800 (817)
Main unit only, as shipped Domestic: 1945 (882); Export: 2093 (949)
Water / Glycol cooled condenser stand N/A 1075 (488)
Water / Glycol cooled condenser stand, as shipped N/A 1150 (521)
Pipe Connections, inches, O.D., Cu
Liebert XD Coolant supply to XD cooling modules 1-1/8
Liebert XD Coolant return from XD cooling modules 2-1/8
Liquid line, DX circuit 7/8
Hot gas line, DX circuit 1-3/8
Heat Rejection Equipment
95°F ambient air cooled condenser 1-CDL830 or 2-CSL415 N/A
Number of XD Cooling Units Connected, Maximum (Minimum)
Liebert XDCF10 16 (6)
Liebert XDH20 8 (4)
Liebert XDH32 5 (2)
Liebert XDO16 10 (4)
Liebert XDO20 8 (4)
Liebert XDV8 20 (8)
Liebert XDV10 16 (7)
Cabinet Exterior Finish Black, matte finish, heat-fused powder coat
Maximum Ambient Operating Temperature °F(°C) 86 (30)
Agency
Approvals CSA CE CSA

Specifications
55
Table 26 Floor stand specifications—water-cooled Liebert XDC
Models - 60 Hz XDC160 Water Floor Stand - 60Hz
Entering Fluid Temp °F (C) 65 (18) 70 (21) 75 (24) 85 (29) 95 (35)
Performance Data
Cooling capacity, tons (kW) 46.1(162.3) 46.1(162.3) 46.1(162.3) 46.1(162.3) 44.5 (156.5)
Flow, GPM 50 58 70 110 142
Pressure Drop, psi (Ft Water) 2.7 (6.2) 4.9 (11.3) 5.4 (12.5) 20.7 (47.8) 27.3 (63.1)
Heat Rejection Equipment
Water regulating valve size 1" 1" 1" 1" 1"
Piping Connections
Water / glycol supply and return lines 2-1/8" 2-1/8" 2-1/8" 2-1/8" 2-1/8"
Table 27 Floor stand specifications—Liebert XDC with 40% propylene glycol
Models - 60 Hz XDC160 Glycol Floor Stand - 60Hz - 40% PG
Outside Ambient °F (°C) 95 (35) 100 (38) 105 (41)
Entering Fluid Temp °F (°C) 110 (43) 110 (43) 110 (43)
Performance Data
Cooling capacity, tons (kW) 42.5 (149.4)
Total Heat Rejection, (kW) 192.6
Flow, GPM 206
Pressure Drop, psi (ft water) 37.2 (85.9)
Heat Rejection Equipment
Drycooler DNT 940A 2 x DNT 880A*
Drycooler Pressure Drop, psi (ft water) 6.7 (15.5) 2.9 (6.6)
Glycol pump package - 10hp 9A31258G3
Pump Control Package - 208V 9A34606G47
Pump Control Package - 460V 9A32114G4
Pump Total Head @ 204 GPM, ft water 145
Water regulating valve size 1-1/4"
Piping Connections
Water / glycol supply and return lines 2-5/8"
* When multiple drycoolers are used ensure flow is balanced.

Specifications
56
Table 28 Floor stand specifications—Liebert XDC with 40% ethylene glycol
Models - 60 Hz XDC160 Glycol Floor Stand - 60Hz - 40% EG
Outside Ambient °F (°C) 95 (35) 100 (38) 105 (41)
Entering Fluid Temp °F (°C) 110 (43) 110 (43) 110 (43)
Performance Data
Cooling capacity, tons (kW) 42.5 (149.4)
Total Heat Rejection, (kW) 192.6
Flow, GPM 204
Pressure Drop, psi (ft water) 35.9 (82.9)
Heat Rejection Equipment
Drycooler DNT 940A 2 x DNT 880A*
Drycooler Pressure Drop, psi (ft water) 6.5 (15.1) 2.7 (6.3)
Glycol pump package - 10HP 9A31258G3
Pump Control Package - 208V 9A34606G47
Pump Control Package - 460V 9A32114G4
Pump Total Head @ 204 GPM, ft water 145
Water regulating valve size 1-1/4"
Piping Connections
Water / glycol supply and return lines 2-5/8"
* When multiple drycoolers are used ensure flow is balanced.

Ensuring The High Availability
0f Mission-Critical Data And Applications.
Emerson Network Power, the global leader in enabling business-critical
continuity, ensures network resiliency and adaptability through
a family of technologies—including Liebert power and cooling
technologies—that protect and support business-critical systems.
Liebert solutions employ an adaptive architecture that responds
to changes in criticality, density and capacity. Enterprises benefit
from greater IT system availability, operational flexibility and
reduced capital equipment and operating costs.
While every precaution has been taken to ensure the accuracy
and completeness of this literature, Liebert Corporation assumes no
responsibility and disclaims all liability for damages resulting from use of
this information or for any errors or omissions.
© 2008 Liebert Corporation
All rights reserved throughout the world. Specifications subject to change
without notice.
® Liebert is a registered trademark of Liebert Corporation.
All names referred to are trademarks
or registered trademarks of their respective owners.
Technical Support / Service
Web Site
www.liebert.com
Monitoring
800-222-5877
monitoring@emersonnetworkpower.com
Outside the US: 614-841-6755
Single-Phase UPS
800-222-5877
upstech@emersonnetworkpower.com
Outside the US: 614-841-6755
Three-Phase UPS
800-543-2378
powertech@emersonnetworkpower.com
Environmental Systems
800-543-2778
Outside the United States
614-888-0246
Locations
United States
1050 Dearborn Drive
P.O. Box 29186
Columbus, OH 43229
Europe
Via Leonardo Da Vinci 8
Zona Industriale Tognana
35028 Piove Di Sacco (PD) Italy
+39 049 9719 111
Fax: +39 049 5841 257
Asia
7/F, Dah Sing Financial Centre
108 Gloucester Road, Wanchai
Hong Kong
852 2572220
Fax: 852 28029250
EmersonNetworkPower.com
Emerson Network Power.
The global leader in enabling Business-Critical Continuity.
Business-Critical Continuity, Emerson Network Power and the Emerson Network Power logo are trademarks and service marks of Emerson Electric Co.
©2008 Emerson Electric Co.
Monitoring
AC Power
Connectivity
DC Power
Embedded Computing
Embedded Power Power Switching & Controls
Precision Cooling
Services
Racks & Integrated Cabinets
Outside Plant
Surge Protection
SL-16671_REV10_04-08