Liebert Refrigerant Distribution Unit Xdp Users Manual
XDP to the manual 278ef37e-b57e-4a02-b887-be80e952812c
2015-02-09
: Liebert Liebert-Refrigerant-Distribution-Unit-Xdp-Users-Manual-571350 liebert-refrigerant-distribution-unit-xdp-users-manual-571350 liebert pdf
Open the PDF directly: View PDF
.
Page Count: 40
- General Safety Guidelines
- 1.0 Product Description
- 2.0 Piping
- 3.0 Checklist for Liebert XDP Startup
- Table 5 Liebert XDP pump light indicator—208V and 400V units
- Figure 21 System R-134a liquid level
- 3.1 Filling the Pumped Circuit—R-134a
- Table 6 System R-134a charge for a Liebert XDP with any model Liebert XDH/Liebert XDO/Liebert XDV/Liebert XDCF
- Table 7 System refrigerant charge for the supply and return mains
- Table 8 R-134a refrigerant charge for hard-piped connector lines to and from any model Liebert XDH/Liebert XDO/Liebert XDV/Liebert XDCF
- Table 9 R-134a refrigerant charge for Flex Pipe connector lines to and from any model Liebert XDO/Liebert XDH/Liebert XDV/Liebert XDCF
- 3.1.1 Calculating Refrigerant Charge—Example
- 4.0 Microprocessor Control
- 4.1 Feature Overview
- 4.2 Controls
- 4.3 Main Menu
- 4.3.1 Viewing or Changing Settings
- 4.3.2 SETPOINTS
- 4.3.3 STATUS
- 4.3.4 ACTIVE ALARMS
- 4.3.5 ALARM HISTORY
- 4.3.6 TIME
- 4.3.7 DATE
- 4.3.8 SETUP OPERATION
- 4.3.9 Password Security—SETPT PASSWORD and SERVICE PASSWORD
- 4.3.10 CALIBRATE SENSOR
- 4.3.11 ALARM ENABLE
- 4.3.12 ALARM TIME DELAY
- 4.3.13 COM ALARM ENABLE
- 4.3.14 CUSTOM ALARMS
- 4.3.15 CUSTOM TEXT
- 4.3.16 DIAGNOSTICS
- 5.0 Alarm Descriptions and Solutions
- 6.0 Troubleshooting
- 7.0 Maintenance
- 8.0 Specifications

Precision Cooling
For Business-Critical Continuity™
Liebert® XDP™
User Manual–50-60 Hz; 160kW Nominal Capacity

GENERAL SAFETY GUIDELINES
NOTICE
Risk of piping and component rupture. May cause injury or equipment damage.
Do not close service valves without following recommended procedures for repair,
maintenance and replacement of components. Closing service valves may isolate liquid
refrigerant, causing high pressure and rupture of piping. Install pressure relief valves in field
piping that may become isolated by service valves.
Figure i Model number nomenclature
Fluorinated Greenhouse Gas Requirements—European Union
Stationary air conditioning, refrigeration, heat pump equipments and stationary fire protection sys-
tems in the European Community market and operating with fluorinated greenhouse gases (f-gas),
such as R407C, R134a, R410A, must comply with the F-Gas Regulation: (EC) No. 842/2006 (F-gas).
The regulation prohibits, among other actions, venting fluorinated greenhouse gases to the atmo-
sphere.
The F-Gas Regulation also requires operators to use use all measures that are technically feasible
and do not entail disproportionate cost to prevent leakage of these gases, to test for leakage regularly
and to recover f-gas during equipment service and maintenance and before disposing of equipment.
Refer to the full regulation for additional details.
!
WARNING
Risk of electric shock. Can cause injury or death.
Disconnect local and remote power supplies before working within.
Before proceeding with installation of the XDP, read all instructions, verify that all the parts
are included and check the nameplate to be sure the XDP voltage matches the available
utility power.
Follow all applicable codes.
!
WARNING
Risk of unit falling over. Can cause death, injury or property damage. The XDP is top-heavy.
Use extreme caution and care when moving and installing this unit.
NOTE
This document is intended to be be used together with site specific documentation and
documentation for other parts of the system (heat rejection devices and cooling modules).
NOTE
Before any action that could cause a disturbance in the XD system’s cooling function is begun,
the facility manager MUST be informed. In addition, after the action is taken and the work is
finished, the facility manager MUST be informed.
R
Pump
Redundancy
XD P 160 – 1
Pumping
unit
Revision
level
Liebert
X-treme heat
Density system
160kW
nominal
capacity
Place holder
Example: XDP160A– –1
A
A = 460V-3ph-60Hz
(voltage-phase-frequency)
C = 208V-3ph-60Hz
M = 380/415-3ph-50Hz
–
Place holder

i
TABLE OF CONTENTS
GENERAL SAFETY GUIDELINES . . . . . . . . . . . . . . . . . . . . . . . . . . . . . . . . . . . INSIDE FRONT COVER
1.0 PRODUCT DESCRIPTION . . . . . . . . . . . . . . . . . . . . . . . . . . . . . . . . . . . . . . . . . . . . . . . . . . .1
1.1 General Product Information. . . . . . . . . . . . . . . . . . . . . . . . . . . . . . . . . . . . . . . . . . . . . . . . . . . 1
1.1.1 Product/System Description. . . . . . . . . . . . . . . . . . . . . . . . . . . . . . . . . . . . . . . . . . . . . . . . . . . . . 1
1.2 Equipment Inspection . . . . . . . . . . . . . . . . . . . . . . . . . . . . . . . . . . . . . . . . . . . . . . . . . . . . . . . . 1
1.3 Equipment Handling . . . . . . . . . . . . . . . . . . . . . . . . . . . . . . . . . . . . . . . . . . . . . . . . . . . . . . . . . 2
1.3.1 Handling With Skid . . . . . . . . . . . . . . . . . . . . . . . . . . . . . . . . . . . . . . . . . . . . . . . . . . . . . . . . . . . 2
1.3.2 Removal from Skid . . . . . . . . . . . . . . . . . . . . . . . . . . . . . . . . . . . . . . . . . . . . . . . . . . . . . . . . . . . . 2
1.3.3 Removing Piano Jacks . . . . . . . . . . . . . . . . . . . . . . . . . . . . . . . . . . . . . . . . . . . . . . . . . . . . . . . . . 4
1.4 Mechanical Considerations . . . . . . . . . . . . . . . . . . . . . . . . . . . . . . . . . . . . . . . . . . . . . . . . . . . . 5
1.4.1 Positioning the Liebert XDP . . . . . . . . . . . . . . . . . . . . . . . . . . . . . . . . . . . . . . . . . . . . . . . . . . . . 5
1.5 Electrical Information . . . . . . . . . . . . . . . . . . . . . . . . . . . . . . . . . . . . . . . . . . . . . . . . . . . . . . . . 7
1.6 High Voltage Connections . . . . . . . . . . . . . . . . . . . . . . . . . . . . . . . . . . . . . . . . . . . . . . . . . . . . . 7
1.6.1 Connecting High-Voltage Cables . . . . . . . . . . . . . . . . . . . . . . . . . . . . . . . . . . . . . . . . . . . . . . . . . 7
1.7 Extra Low Voltage (ELV) Connections . . . . . . . . . . . . . . . . . . . . . . . . . . . . . . . . . . . . . . . . . . . 9
2.0 PIPING . . . . . . . . . . . . . . . . . . . . . . . . . . . . . . . . . . . . . . . . . . . . . . . . . . . . . . . . . . . . . . . 11
2.1 European Union Fluorinated Greenhouse Gas Requirements . . . . . . . . . . . . . . . . . . . . . . . 11
2.2 Connection Sizes. . . . . . . . . . . . . . . . . . . . . . . . . . . . . . . . . . . . . . . . . . . . . . . . . . . . . . . . . . . . 11
2.2.1 Recommended Pipe Size. . . . . . . . . . . . . . . . . . . . . . . . . . . . . . . . . . . . . . . . . . . . . . . . . . . . . . . 11
2.3 Liebert XDP Interconnection with Liebert XD Cooling Modules . . . . . . . . . . . . . . . . . . . . . 12
2.4 Piping Installation Method . . . . . . . . . . . . . . . . . . . . . . . . . . . . . . . . . . . . . . . . . . . . . . . . . . . 12
2.4.1 Bypass Flow Controller . . . . . . . . . . . . . . . . . . . . . . . . . . . . . . . . . . . . . . . . . . . . . . . . . . . . . . . 12
2.5 Piping Details—Shut-Off/Isolation Valves . . . . . . . . . . . . . . . . . . . . . . . . . . . . . . . . . . . . . . . 14
2.5.1 Piping Installation Method . . . . . . . . . . . . . . . . . . . . . . . . . . . . . . . . . . . . . . . . . . . . . . . . . . . . 14
2.5.2 Piping Mains . . . . . . . . . . . . . . . . . . . . . . . . . . . . . . . . . . . . . . . . . . . . . . . . . . . . . . . . . . . . . . . . 14
2.5.3 Evacuation and Leak Check . . . . . . . . . . . . . . . . . . . . . . . . . . . . . . . . . . . . . . . . . . . . . . . . . . . 14
2.6 Checklist for Proper Installation . . . . . . . . . . . . . . . . . . . . . . . . . . . . . . . . . . . . . . . . . . . . . . . 15
3.0 CHECKLIST FOR LIEBERT XDP STARTUP . . . . . . . . . . . . . . . . . . . . . . . . . . . . . . . . . . . . .16
3.1 Filling the Pumped Circuit—R-134a. . . . . . . . . . . . . . . . . . . . . . . . . . . . . . . . . . . . . . . . . . . . 17
3.1.1 Calculating Refrigerant Charge—Example . . . . . . . . . . . . . . . . . . . . . . . . . . . . . . . . . . . . . . . 19
4.0 MICROPROCESSOR CONTROL . . . . . . . . . . . . . . . . . . . . . . . . . . . . . . . . . . . . . . . . . . . . . .20
4.1 Feature Overview . . . . . . . . . . . . . . . . . . . . . . . . . . . . . . . . . . . . . . . . . . . . . . . . . . . . . . . . . . . 20
4.1.1 Display . . . . . . . . . . . . . . . . . . . . . . . . . . . . . . . . . . . . . . . . . . . . . . . . . . . . . . . . . . . . . . . . . . . . 20
4.2 Controls. . . . . . . . . . . . . . . . . . . . . . . . . . . . . . . . . . . . . . . . . . . . . . . . . . . . . . . . . . . . . . . . . . . 21
4.2.1 Feature Overview . . . . . . . . . . . . . . . . . . . . . . . . . . . . . . . . . . . . . . . . . . . . . . . . . . . . . . . . . . . . 21

ii
4.3 Main Menu . . . . . . . . . . . . . . . . . . . . . . . . . . . . . . . . . . . . . . . . . . . . . . . . . . . . . . . . . . . . . . . . 21
4.3.1 Viewing or Changing Settings . . . . . . . . . . . . . . . . . . . . . . . . . . . . . . . . . . . . . . . . . . . . . . . . . . 21
4.3.2 SETPOINTS . . . . . . . . . . . . . . . . . . . . . . . . . . . . . . . . . . . . . . . . . . . . . . . . . . . . . . . . . . . . . . . . 22
4.3.3 STATUS . . . . . . . . . . . . . . . . . . . . . . . . . . . . . . . . . . . . . . . . . . . . . . . . . . . . . . . . . . . . . . . . . . . 22
4.3.4 ACTIVE ALARMS . . . . . . . . . . . . . . . . . . . . . . . . . . . . . . . . . . . . . . . . . . . . . . . . . . . . . . . . . . . 22
4.3.5 ALARM HISTORY . . . . . . . . . . . . . . . . . . . . . . . . . . . . . . . . . . . . . . . . . . . . . . . . . . . . . . . . . . . 22
4.3.6 TIME . . . . . . . . . . . . . . . . . . . . . . . . . . . . . . . . . . . . . . . . . . . . . . . . . . . . . . . . . . . . . . . . . . . . . . 23
4.3.7 DATE. . . . . . . . . . . . . . . . . . . . . . . . . . . . . . . . . . . . . . . . . . . . . . . . . . . . . . . . . . . . . . . . . . . . . . 23
4.3.8 SETUP OPERATION . . . . . . . . . . . . . . . . . . . . . . . . . . . . . . . . . . . . . . . . . . . . . . . . . . . . . . . . . 23
4.3.9 Password Security—SETPT PASSWORD and SERVICE PASSWORD . . . . . . . . . . . . . . . . . 25
4.3.10 CALIBRATE SENSOR. . . . . . . . . . . . . . . . . . . . . . . . . . . . . . . . . . . . . . . . . . . . . . . . . . . . . . . . 26
4.3.11 ALARM ENABLE . . . . . . . . . . . . . . . . . . . . . . . . . . . . . . . . . . . . . . . . . . . . . . . . . . . . . . . . . . . . 26
4.3.12 ALARM TIME DELAY. . . . . . . . . . . . . . . . . . . . . . . . . . . . . . . . . . . . . . . . . . . . . . . . . . . . . . . . 26
4.3.13 COM ALARM ENABLE . . . . . . . . . . . . . . . . . . . . . . . . . . . . . . . . . . . . . . . . . . . . . . . . . . . . . . . 26
4.3.14 CUSTOM ALARMS . . . . . . . . . . . . . . . . . . . . . . . . . . . . . . . . . . . . . . . . . . . . . . . . . . . . . . . . . . 27
4.3.15 CUSTOM TEXT . . . . . . . . . . . . . . . . . . . . . . . . . . . . . . . . . . . . . . . . . . . . . . . . . . . . . . . . . . . . . 27
4.3.16 DIAGNOSTICS. . . . . . . . . . . . . . . . . . . . . . . . . . . . . . . . . . . . . . . . . . . . . . . . . . . . . . . . . . . . . . 27
5.0 ALARM DESCRIPTIONS AND SOLUTIONS . . . . . . . . . . . . . . . . . . . . . . . . . . . . . . . . . . . . . .28
5.1 Alarm Descriptions. . . . . . . . . . . . . . . . . . . . . . . . . . . . . . . . . . . . . . . . . . . . . . . . . . . . . . . . . . 28
5.2 Red and Green Lamp Indicators . . . . . . . . . . . . . . . . . . . . . . . . . . . . . . . . . . . . . . . . . . . . . . . 29
5.3 Alter Alarm Settings . . . . . . . . . . . . . . . . . . . . . . . . . . . . . . . . . . . . . . . . . . . . . . . . . . . . . . . . 29
5.3.1 Enable or Disable Alarms . . . . . . . . . . . . . . . . . . . . . . . . . . . . . . . . . . . . . . . . . . . . . . . . . . . . . 29
5.3.2 Increase or Decrease Alarm Time Delays . . . . . . . . . . . . . . . . . . . . . . . . . . . . . . . . . . . . . . . . . 30
5.4 System Shutdown Causes . . . . . . . . . . . . . . . . . . . . . . . . . . . . . . . . . . . . . . . . . . . . . . . . . . . . 30
6.0 TROUBLESHOOTING . . . . . . . . . . . . . . . . . . . . . . . . . . . . . . . . . . . . . . . . . . . . . . . . . . . . .31
7.0 MAINTENANCE . . . . . . . . . . . . . . . . . . . . . . . . . . . . . . . . . . . . . . . . . . . . . . . . . . . . . . . . .32
7.1 Fluorinated Greenhouse Gas Requirements. . . . . . . . . . . . . . . . . . . . . . . . . . . . . . . . . . . . . . 32
8.0 SPECIFICATIONS . . . . . . . . . . . . . . . . . . . . . . . . . . . . . . . . . . . . . . . . . . . . . . . . . . . . . . . .33

iii
FIGURES
Figure i Model number nomenclature . . . . . . . . . . . . . . . . . . . . . . . . . . . . . . . . . . . . . . . . . Inside Front Cover
Figure 1 Liebert XDP components . . . . . . . . . . . . . . . . . . . . . . . . . . . . . . . . . . . . . . . . . . . . . . . . . . . . . . . . . . 1
Figure 2 Tie-down brackets and lag bolts to be removed. . . . . . . . . . . . . . . . . . . . . . . . . . . . . . . . . . . . . . . . . 2
Figure 3 Removing pallet boards for piano jack insertion. . . . . . . . . . . . . . . . . . . . . . . . . . . . . . . . . . . . . . . . 3
Figure 4 Liebert XDP strapped to piano jack. . . . . . . . . . . . . . . . . . . . . . . . . . . . . . . . . . . . . . . . . . . . . . . . . . 3
Figure 5 Remove remaining lag bolts from one runner . . . . . . . . . . . . . . . . . . . . . . . . . . . . . . . . . . . . . . . . . . 3
Figure 6 Remove runner from pallet. . . . . . . . . . . . . . . . . . . . . . . . . . . . . . . . . . . . . . . . . . . . . . . . . . . . . . . . . 4
Figure 7 Sliding pallet from under Liebert XDP . . . . . . . . . . . . . . . . . . . . . . . . . . . . . . . . . . . . . . . . . . . . . . . 4
Figure 8 Dimensions . . . . . . . . . . . . . . . . . . . . . . . . . . . . . . . . . . . . . . . . . . . . . . . . . . . . . . . . . . . . . . . . . . . . . 5
Figure 9 Piping access points . . . . . . . . . . . . . . . . . . . . . . . . . . . . . . . . . . . . . . . . . . . . . . . . . . . . . . . . . . . . . . 6
Figure 10 Front view of Liebert XDP and electrical enclosure . . . . . . . . . . . . . . . . . . . . . . . . . . . . . . . . . . . . . 7
Figure 11 Electrical enclosure knockout locations for field wiring . . . . . . . . . . . . . . . . . . . . . . . . . . . . . . . . . . 8
Figure 12 High voltage connections—60Hz . . . . . . . . . . . . . . . . . . . . . . . . . . . . . . . . . . . . . . . . . . . . . . . . . . . . 8
Figure 13 High voltage connections—50Hz . . . . . . . . . . . . . . . . . . . . . . . . . . . . . . . . . . . . . . . . . . . . . . . . . . . . 9
Figure 14 Electrical enclosure knockout locations for Extra Low Voltage . . . . . . . . . . . . . . . . . . . . . . . . . . . . 9
Figure 15 Liebert XDP extra low voltage field connections points . . . . . . . . . . . . . . . . . . . . . . . . . . . . . . . . . 10
Figure 16 Piping arrangement for Liebert XDP/Liebert XDC used with Liebert XD cooling modules . . . . 12
Figure 17 Bypass flow controller details, dimensions . . . . . . . . . . . . . . . . . . . . . . . . . . . . . . . . . . . . . . . . . . . 13
Figure 18 Bypass flow controller arrangement . . . . . . . . . . . . . . . . . . . . . . . . . . . . . . . . . . . . . . . . . . . . . . . . 13
Figure 19 Bypass flow controller piping . . . . . . . . . . . . . . . . . . . . . . . . . . . . . . . . . . . . . . . . . . . . . . . . . . . . . . 13
Figure 20 General piping details . . . . . . . . . . . . . . . . . . . . . . . . . . . . . . . . . . . . . . . . . . . . . . . . . . . . . . . . . . . 14
Figure 21 System R-134a liquid level . . . . . . . . . . . . . . . . . . . . . . . . . . . . . . . . . . . . . . . . . . . . . . . . . . . . . . . . 17
Figure 22 User interface . . . . . . . . . . . . . . . . . . . . . . . . . . . . . . . . . . . . . . . . . . . . . . . . . . . . . . . . . . . . . . . . . . 20
TABLES
Table 1 Liebert XDP dimensions. . . . . . . . . . . . . . . . . . . . . . . . . . . . . . . . . . . . . . . . . . . . . . . . . . . . . . . . . . . 5
Table 2 Unit piping outlet connection sizes, inches, OD Cu . . . . . . . . . . . . . . . . . . . . . . . . . . . . . . . . . . . . . 6
Table 3 Supply, return pipe sizes for refrigerant loop . . . . . . . . . . . . . . . . . . . . . . . . . . . . . . . . . . . . . . . . . 11
Table 4 Bypass flow controllers for a Liebert XDP-based system . . . . . . . . . . . . . . . . . . . . . . . . . . . . . . . . 12
Table 5 Liebert XDP pump light indicator—208V and 400V units. . . . . . . . . . . . . . . . . . . . . . . . . . . . . . . 16
Table 6 System refrigerant charge for the supply and return mains . . . . . . . . . . . . . . . . . . . . . . . . . . . . . 18
Table 7 R-134a refrigerant charge for hard-piped connector lines to and from any model
Liebert XDH/Liebert XDO/Liebert XDV/Liebert XDCF . . . . . . . . . . . . . . . . . . . . . . . . . . . . . . . . . 18
Table 8 R-134a refrigerant charge for Flex Pipe connector lines to and from any model
Liebert XDO/Liebert XDH/Liebert XDV/Liebert XDCF . . . . . . . . . . . . . . . . . . . . . . . . . . . . . . . . . 18
Table 9 System R-134a charge for a Liebert XDP with any model Liebert XDH/Liebert
XDO/Liebert XDV/Liebert XDCF . . . . . . . . . . . . . . . . . . . . . . . . . . . . . . . . . . . . . . . . . . . . . . . . . . . 18
Table 10 Calculating refrigerant charge—example . . . . . . . . . . . . . . . . . . . . . . . . . . . . . . . . . . . . . . . . . . . . 19
Table 11 Worksheet to calculate refrigerant charge . . . . . . . . . . . . . . . . . . . . . . . . . . . . . . . . . . . . . . . . . . . 19
Table 12 User interface keypad functions. . . . . . . . . . . . . . . . . . . . . . . . . . . . . . . . . . . . . . . . . . . . . . . . . . . . 20
Table 13 Setpoint functions, default values and allowable ranges . . . . . . . . . . . . . . . . . . . . . . . . . . . . . . . . 22
Table 14 Setup operation functions default values and allowable ranges. . . . . . . . . . . . . . . . . . . . . . . . . . . 23
Table 15 Liebert XDP DIP switches and factory settings . . . . . . . . . . . . . . . . . . . . . . . . . . . . . . . . . . . . . . . 24
Table 16 Troubleshooting the XDP . . . . . . . . . . . . . . . . . . . . . . . . . . . . . . . . . . . . . . . . . . . . . . . . . . . . . . . . . 31
Table 17 Liebert XDP160 specifications . . . . . . . . . . . . . . . . . . . . . . . . . . . . . . . . . . . . . . . . . . . . . . . . . . . . . 33

iv

Product Description
1
1.0 PRODUCT DESCRIPTION
1.1 General Product Information
1.1.1 Product/System Description
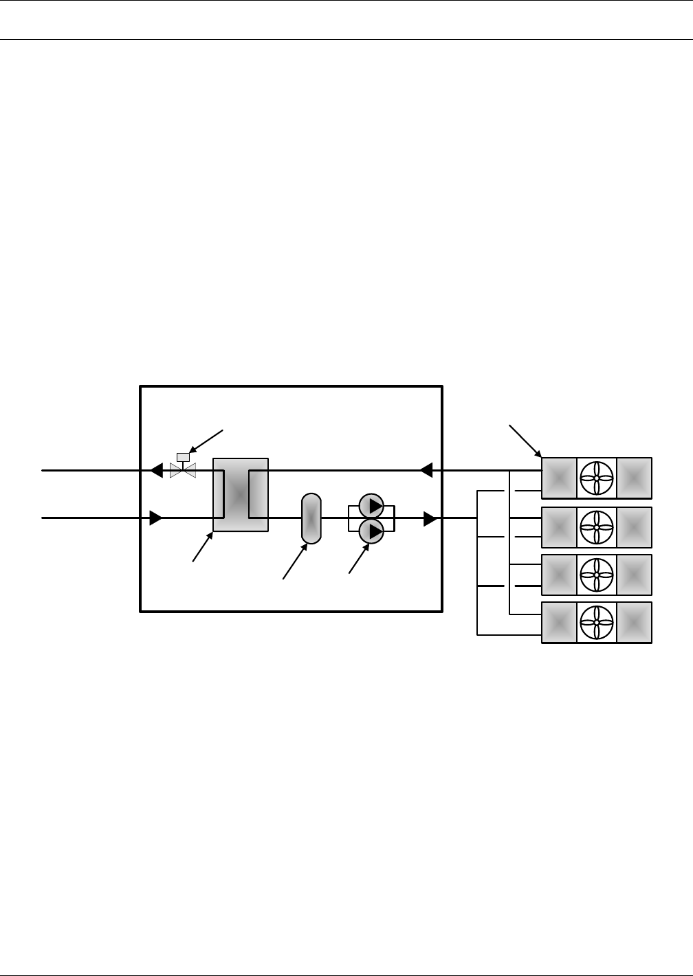
Liebert’s XDP refrigerant distribution unit is an interface between the building chilled water system
and the cooling modules in the Liebert XD system. It is designed to circulate and control refrigerant
to the cooling modules that are in the room with heat-producing equipment. The Liebert XDP consists
of a cabinet that includes a heat exchanger, circulating pump(s), control valve, receiver, controls,
valves and piping.
The Liebert XDP monitors room conditions and prevents coil condensation by maintaining the refrig-
erant being pumped to the cooling modules at a temperature above the room’s dew point.
All functions, such as switching pumps (if applicable), controlling refrigerant temperature, etc., are
automatic.
The Liebert XDP’s minimum recommended operating load is 20% of system nominal capacity. For
example, a Liebert XDP160 60Hz system’s minimum load would be 32 kW. Loading below this value
can unfavorably affect system operation. Consult factory for any loading below this recommendation.
The Liebert XDP is rated for 160kW (546,000 BTU/H) of cooling.
Figure 1 Liebert XDP components
1.2 Equipment Inspection
When the unit is delivered, inspect all items for visible and concealed damage. Damage should be
immediately reported to the carrier and a damage claim filed with a copy sent to Liebert or to your
sales representative.
Liebert XDP Unit
Control Valve Liebert XD Cooling Modules
Heat Exchanger
Receiver Pumps
Chilled Water

Product Description
2
1.3 Equipment Handling
1.3.1 Handling With Skid
• Always keep the unit upright, indoors and protected from damage.
• If possible, transport the unit using a forklift truck. Otherwise use a crane with belts or cables. In
either case, do NOT press on the top edges of the packaging.
• If using a forklift, make sure the forks (if adjustable) are spread to the widest allowable distance
to still fit under the skid.
• When moving the skidded unit with a forklift truck, do not lift the unit any higher than
6" (152mm) off the ground. If circumstances require the unit to be lifted higher than 6" (152mm),
great care must be exercised and all by-standing personnel are to be no closer than 20 feet (6m)
from the lift point of the unit.
1.3.2 Removal from Skid
Liebert recommends using dual hand trucks or a similar method to remove the Liebert XDP from the
skid. This is to ensure that both ends of the unit are firmly secure and to provide a good means of unit
mobility.
1. Always keep the unit upright, indoors and protected from possible damage.
2. Remove the exterior packaging. Leave the plastic bag over the Liebert XDP until the unit has
been moved to its final location. The bag will protect the painted panels against scuffing.
3. Remove two (2) corner tie-down brackets from one side of the unit, on a non-runner notch side of
the pallet. Remove eight (8) lag bolts from two (2) end deck boards on the same end where the
tie-down brackets were removed (refer to Figure 2).
Figure 2 Tie-down brackets and lag bolts to be removed
!
WARNING
Risk of unit falling over. Can cause injury or death.
The Liebert XDP is top-heavy. Use extreme caution and care when moving and installing this
unit.
NOTE
Personnel should be properly trained and certified to move and rig equipment.
!
CAUTION
Risk of structural interference. Can cause equipment or building damage.
While on the skid, the unit is too tall (83" [2108mm] overall height) to fit through a standard
doorway. Any attempt to move the unit, while skidded, through a standard doorway will
cause damage to the unit and to the building.
Remove these 2
tie-down brackets
Remove these 4 lag bolts
to free deck boards
Remove these 4 lag bolts
to free deck boards

Product Description
3
4. Remove the two (2) end deck boards from one end of the pallet and the attached, notched section
of the center runners (refer to Figure 3).
Figure 3 Removing pallet boards for piano jack insertion
5. Place a piano jack with its forks snugly against the bottom of the unit and strap the Liebert XDP
securely to the jack (refer to Figure 4).
Figure 4 Liebert XDP strapped to piano jack
6. Repeat Steps 2,4 and 5 for the opposite side of the unit. When these steps have been completed,
the Liebert XDP will be supported by two piano jacks, one on either side.
7. Remove all of the remaining lag bolts from one (1) of the pallet’s outside runners (see Figure 5).
Figure 5 Remove remaining lag bolts from one runner
NOTE
Place a mover’s blanket or other cushioning material between the piano jack and the
unit’s side panels.
... and center runner sections
from one end of pallet.
Remove two deck boards ...
Piano jack
Strap secures the
Liebert XDP to the jack
Place cushioning material
between the forks and the Liebert
XDP to protect unit’s finish
(cushion not shown for clarity) Piano jack’s forks should be
snug against the Liebert XDP
Remaining 6 lag bolts
to remove

Product Description
4
8. Remove the runner from which all lag bolts have been removed (refer to Figure 6).
Figure 6 Remove runner from pallet
9. Using the pallet jacks, raise the secured unit to the highest point that the piano jacks will allow.
Once the unit has been raised, slide the remainder of the pallet from under the Liebert XDP (see
Figure 7). Lower the Liebert XDP so that its base is approximately 1" (25.4mm) off the ground.
Figure 7 Sliding pallet from under Liebert XDP
1.3.3 Removing Piano Jacks
Once the unit has been moved to the installation location, Emerson Network Power recommends the
following method to remove the piano jacks:
1. Lower the unit as far as the piano jacks will allow.
2. Undo all strapping holding the piano jacks to the unit.
3. Remove all cushioning material used to protect the unit from the straps and the piano jacks.
4. Use a pry bar or other lever to lift one side of the Liebert XDP enough to allow removal of the
piano jack.
5. Repeat Step 4 to remove the piano jack on the opposite side.
6. Remove the plastic bag.
Slide this runner away
from the Liebert XDP
Slide the remaining part of the pallet
from under the Liebert XDP so the unit
may be moved on the piano jacks.

Product Description
5
1.4 Mechanical Considerations
1.4.1 Positioning the Liebert XDP
Install the Liebert XDP according to the site specific documentation and secure the unit to the floor.
The Liebert XDP can be installed near a wall or another Liebert XDP. However, there must be at
least 3 feet (92cm) clearance in front of the Liebert XDP as service access for components in the unit.
For additional technical information, refer to the System Design and Configuration Document for the
Liebert XD™ System, SL-16655. The document is available in electronic format at Liebert’s Web site,
www.liebert.com, as well as from your local Emerson Network Power representative.
Figure 8 Dimensions
Table 1 Liebert XDP dimensions
Model
50/60Hz
Dimensional Data inches (mm) Shipping Weight, lb (kg)
A B* C D E Domestic Export
XDP160 38 (965) 34 (864) 33-1/8 (841) 33 (838) 36 (914) 990 (449) 1067 (484)
* The dimension does not include the bezel of the disconnect switch.
Unit Dimensional Data
Floor Cutout Dimensions
ED
A
Overall
C
Side Panel
B
Overall
DPN000767
Pg. 2, Rev. 6
D
Unit Base
E
Unit Base
78"
(1981mm)
11"
(279mm)
5" (127mm)
1" (25mm)
5-1/2"
(140mm)
The shaded area indicates
a recommended clearance
of 36" (914mm) for component
access.

Product Description
6
Figure 9 Piping access points
Table 2 Unit piping outlet connection sizes, inches, OD Cu
Model Pipe Connection Point
50/60 HzABCD
XDP160 2-1/8 1-1/8 2-5/8 2-5/8
Dimensions are
approximate
and subject to change
without notice.
16-1/8"
(410mm)
17-1/4"
(438mm)
10" (254mm)
19"
(483mm)
A - Return From Cooling Modules
B - Supply to Cooling Modules
D - Chilled Water Return
To Chilled Water Source
C - Chilled Water Supply
From Chilled Water Source
* Allow 8" (204mm) clearance for filter replacement.
** To ensure ensure all refrigerant flow is filtered, install the filter dryer assembly
between the discharge line of the Liebert XDP and the first bypass flow controller
or the first cooling module.
DPN000767
Pg. 3, Rev. 6
Install replaceable filter dryer assembly
in liquid supply line B.
To first cooling module
or bypass flow controller **
* Orientation
determined
by installer.

Product Description
7
1.5 Electrical Information
1.6 High Voltage Connections
Make sure the actual supply voltage and frequency correspond to the voltage and frequency indicated
on the Liebert XDP’s rating plate. The unit must be installed in accordance with national wiring reg-
ulations.
Connect cables for high voltage supply to the electrical box in the Liebert XDP according to Figure 12
and make sure that the phases are correctly connected.
1.6.1 Connecting High-Voltage Cables
1. Turn the Liebert XDP’s disconnect switch to the Off position (see Figure 10). Open the front
doors and push down on the enclosure cover latch to open the hazardous voltage enclosure cover.
Figure 10 Front view of Liebert XDP and electrical enclosure
!
WARNING
Risk of electric shock. Can cause injury or death.
Disconnect all local and remote electric power before working within the unit.
!
CAUTION
Risk of sharp edges and heavy parts. Can cause injury or equipment damage.
Wear gloves to prevent injury to hands.
Damage to wiring or components may make unit unsafe to operate.
Use caution when installing wiring to prevent damage to factory wiring.
Install protective bushings in wiring knockouts as required.
Do not disturb factory wiring or route field-installed wiring over electrical terminals.
Use NEC Class 1 wiring for all hazardous voltage electrical power supplies.
Check and retighten all wiring connections before starting.
Disconnect
Switch
Status Lamps
User Interface
Front of Liebert XDP
Enclosure Cover
Latch
Hazardous Voltage
Enclosure Cover

Product Description
8
2. Determine which knockouts in the electrical enclosure will be used and remove them (see
Figure 11).
Figure 11 Electrical enclosure knockout locations for field wiring
3. Route the input hazardous voltage electrical power wiring through the top left knockout (see
Figure 11) to the disconnect switch L1, L2 and L3 (see Figures 12 and 13). Observe proper
phasing.
4. Connect the ground wire to the ground lug (see Figures 12 and 13), which is in the middle left of
the enclosure.
Figure 12 High voltage connections—60Hz
Liebert XD Module Condensate
Connections (optional;
depends on features
supplied with Liebert XD Module)
User Interface
(Wall Box) Wiring
Temperature/Humidity
Sensor Wiring
Alternate Knockout
for Temperature/Humidity
Sensor Wiring
Enclosure Cover Not Shown for Clarity
Customer Power
Connection
Ground Lug
Disconnect Switch
Control
Fuse Blocks
Power Block
Pump Fuse
Blocks
Pump Contactors Transformer 1
Transformer 2

Product Description
9
Figure 13 High voltage connections—50Hz
1.7 Extra Low Voltage (ELV) Connections
Extra Low Voltage power output is 30V and 100VA or less.
1. Turn off all unit power before connecting cables or wires. Failure to do so may damage this
equipment (refer to Figure 14).
2. Route low voltage electrical connections through the appropriate knockouts as indicated below.
3. User interface requires four thermostat-type wires (jacketed) connected to the control board (see
Figure 15).
Figure 14 Electrical enclosure knockout locations for Extra Low Voltage
Busbar
Customer Power
Connection
Pump Circuit
Breakers
Pump Contactors
Ground Lug
Disconnect Switch
Transformer 1
Power Block
Transformer 2
Fuse Blocks
Liebert XD Module Condensate
Connections (optional;
depends on features
supplied with Liebert XD Module)
User Interface
(Wall Box) Wiring
Temperature/Humidity
Sensor Wiring
Alternate Knockout
for Temperature/Humidity
Sensor Wiring
Enclosure Cover Not Shown for Clarity

Product Description
10
Field Connections—All Units
• Connect the control display panel cable to terminal block TB3 terminals 1 through 4 on the Lie-
bert XDP control board as shown (refer to Figure 15). The display panel may be mounted on the
Liebert XDP’s front right door if the Liebert XDP is located in the area that it conditions. The dis-
play panel must always be installed in the conditioned space.
• Connect the provided remote temperature / humidity sensor extension cable to the
factory-installed cable connected to P16 on the control board. Install the sensor in the higher-
temperature portion of the cold aisle where the XD modules are located. Alternatively, it can be
placed on the return air side of the primary air mover (e.g., Liebert Deluxe System/3™) in the
room if it represents the conditions where all the XD cooling modules are located. Do not install
the sensor where ambient air may cause false readings, for example, near unsealed doors,
windows and similar areas.
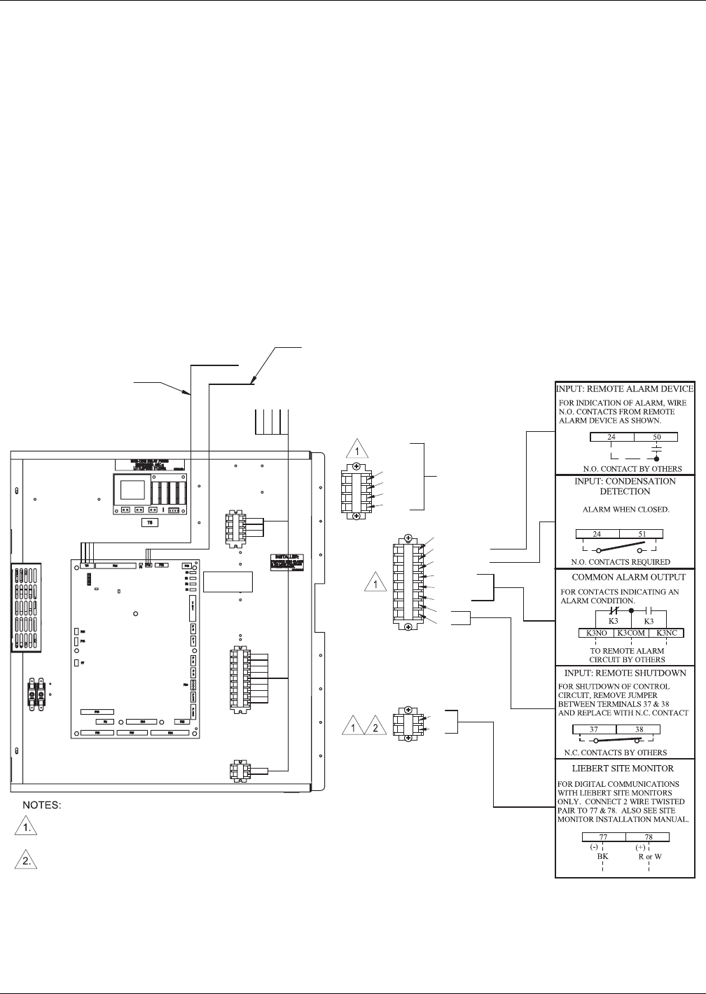
Field Connections—Optional for All Units
• Connect field wiring from the optional Liebert XD cooling module condensation detection circuit
to terminal strip locations H2O (24) and XDOC (51).
• Connect optional field wiring from remote devices to remote alarm device, common alarm output,
site monitor and remote shutdown, if applicable. See terminal strip descriptions in Figure 15.
Figure 15 Liebert XDP extra low voltage field connections points
Control wiring must be Class 2 and installed
in accordance with the National Electrical Code (NEC)
Requires shielded cable
Control Display Panel
Four thermostatic wires
to be connected toTB3
Temperature/Humidity Sensor
Cable Provided with
Temperature/Humidity Sensor Board
Factory-Wired
Temperature
Sensor(s)
TS-3
37
38
78
77
K3NCL
K3NO
K3COM
H2O (24)
XDOC (51)
RAD1 (50)
TS-4
TS-5
TS-6

Piping
11
2.0 PIPING
2.1 European Union Fluorinated Greenhouse Gas Requirements
Stationary air conditioning, refrigeration, heat pump equipments and stationary fire protection sys-
tems in the European Community market and operating with fluorinated greenhouse gases (f-gas),
such as R407C, R134a, R410A, must comply with the F-Gas Regulation: (EC) No. 842/2006 (F-gas).
The regulation prohibits, among other actions, venting fluorinated greenhouse gases to the atmo-
sphere.
The F-Gas Regulation requires operators to use use all measures that are technically feasible and do
not entail disproportionate cost to prevent leakage of these gases, to test for leakage regularly and to
recover f-gas before disposing of equipment, as well as during service and maintenance.
Refer to the full regulation for additional details.
2.2 Connection Sizes
The copper pipe connections on the Liebert XDP are:
2.2.1 Recommended Pipe Size
Connect the main pipes between the Liebert XDP and the Liebert XD cooling modules according to
site specific documentation and the configuration guide for the Liebert XD system.
Elbows and restrictions must be minimized to get good fluid flow.
Building Chilled Water Supply 2-5/8" OD
Building Chilled Water Return 2-5/8" OD
Refrigerant Supply 1-1/8" OD
Refrigerant Return 2-1/8" OD
Table 3 Supply, return pipe sizes for refrigerant loop
Pipe Function Size / Equivalent Pipe Length
Liebert XDP supply line, from Liebert XDP supply
to farthest Liebert XD cooling module
1-1/8" OD for lengths up to 60 feet
1-3/8" OD for lengths over 60 but less than 175 feet
Liebert XDP return line, from farthest Liebert XD cooling
module to Liebert XDP return
2-1/8" OD for lengths up to 60 feet
2-5/8" OD for lengths over 60 but less than 175 feet
From any model Liebert XDO/Liebert XDH supply
to supply line of Liebert XDP
1/2" OD for lengths up to 10 feet
7/8" OD for lengths over 10 but less than 25 feet
From any model Liebert XDO/Liebert XDH return
to return line of Liebert XDP
7/8" OD for lengths up to 10 feet
1-1/8" OD for lengths over 10 but less than 25 feet
From any model Liebert XDV/Liebert XDCF supply
to supply line of Liebert XDP
1/2" OD for lengths up to 10 feet
5/8" OD for lengths over 10 but less than 35 feet
From any model Liebert XDV/Liebert XDCF return
to return line of Liebert XDP
5/8" OD for lengths up to 10 feet
7/8" OD for lengths over 10 but less than 35 feet

Piping
12
2.3 Liebert XDP Interconnection with Liebert XD Cooling Modules
All piping must be ASTM (American Society for Testing and Materials) Type L copper pipe.
The Liebert XDP may be connected to Liebert XD cooling modules with either Liebert’s XD prefabri-
cated piping assembly or with rigid, off-the-shelf piping. In either setup, piping for the Liebert XD
system is arranged in a manner similar to piping for a chilled water system. Liebert XD cooling mod-
ules are connected in parallel between main return and supply pipes going to and from the Liebert
XDP/Liebert XDC. For piping details, refer to Liebert’s XD System Design Manual, SL-16655. The
guidelines provided for pipe size must be strictly followed. Failure to size the main lines
and connection lines adequately may result in reduced cooling capacity. The critical aspects
of pipe sizing are related to refrigerant volume and pressure drop. Both must be minimized.
Figure 16 Piping arrangement for Liebert XDP/Liebert XDC used with Liebert XD cooling modules
2.4 Piping Installation Method
The assembly and connection means used for piping in the Liebert XD system are similar to that of
conventional refrigeration systems. All piping should be installed with high-temperature brazed
joints. Brazing material may be used, but soft soldering is not recommended. If brazing material is
used, the lines being brazed MUST be filled with flowing dry nitrogen during brazing to prevent
excessive oxidation and scale formation inside the piping. Prevailing good refrigeration practices
should be employed for piping supports, leak testing, dehydration and charging.
Insulate all piping lines to prevent condensation in applications where the dew point approaches the
R-134a refrigerant temperature.
2.4.1 Bypass Flow Controller
Some installations require one or more bypass flow controller(s) to ensure that the Liebert XDP’s
pumps operate within the optimum range. These devices are added to the field piping and simulate
the flow of additional cooling modules.
Each bypass flow controller should be installed with one shutoff valve to allow the controller to be dis-
abled when cooling modules are added to a Liebert XD system.
If bypass flow controllers are required, they should be connected between the main supply and the
main return lines of the field piping. The connection points to the main supply and return lines should
be in a convenient and accessible location between the Liebert XDP and the first Liebert XD module
in the circuit. See Figures 17 and 18 for piping details of the bypass flow controller.
Refer to Table 4 to determine the number of bypass flow controllers needed, based on the total nomi-
nal cooling capacity of the cooling modules in each Liebert XD system.
Table 4 Bypass flow controllers for a Liebert XDP-based system
Cooling Modules -
Cumulative Model Size
Required Number
of Bypass Flow Controllers
Liebert XDP
32 to 63 3
64 to 95 2
96 to 127 1
128 to 160 0
Liebert XD
Cooling
Modules
Liebert XD
Cooling
Modules
Liebert XD
Cooling
Modules
Liebert XD
Cooling
Modules
Liebert XD
Cooling
Modules
Liebert XDP/
Liebert XDC
SLOPE—The main supply and return lines to and from the Liebert XDP/Liebert XDC
must be sloped downward toward the Liebert XDP/Liebert XDC at a rate of 1-2" per
20 feet (25.4-51mm per 6m) of pipe run. Horizontal connector lines should also be
sloped downward from the cooling modules toward the main supply and return lines.
All supply and
return mains
must be level with
or above the top
of all Liebert
XD modules

Piping
13
Figure 17 Bypass flow controller details, dimensions
Figure 18 Bypass flow controller arrangement
Figure 19 Bypass flow controller piping
7/8”
(22mm) ID
4”
(102mm)
Return
Main
7/8" Refrigerant Grade
Full Port Ball Valve
Field-Supplied and Field-Installed
Supply
Main
Bypass Flow Controller
(Field-Installed)
Flow Direction
Filter Dryer
Assembly
Liebert XD
Cooling
Module #1
Liebert XD
Cooling
Module #2
Coolant
Supply
Coolant
Return
Bypass Flow
Controllers
Liebert XDP
or
Liebert XDC

Piping
14
2.5 Piping Details—Shut-Off/Isolation Valves
To allow for maintenance of the Liebert XDP, isolation valves must be installed on the chilled water
circuit (see Figure 20).
Figure 20 General piping details
2.5.1 Piping Installation Method
All piping should be installed with high temperature brazed joints. Prevailing good refrigeration prac-
tices should be employed for piping supports, leak testing, dehydration and charging. Emerson Net-
work Power highly recommends venting the pressure relief of the Liebert XDP (located at the top of
the receiver) outside of the conditioned space where it is open to the atmosphere.
2.5.2 Piping Mains
All refrigeration piping mains, both supply and return, should be installed with a downward pitch
toward the Liebert XDP of 1-2" for every 20 feet (25.4-51mm per 6m) of pipe run.
Install a 20-40 mesh strainer on the chilled water supply to the Liebert XDP. The strainer is needed
to prevent particles in the chilled water from entering the heat exchanger of the Liebert XDP.
2.5.3 Evacuation and Leak Check
1. Open all service valves, including those located outside of the Liebert XDP.
2. Place 150 psig (1034kPa; 10.34 bars) of dry nitrogen with a tracer of R-134a in the system.
NOTICE
Risk of overpressurization. Can cause equipment damage.
Do not exceed 150 psig (1034 kPa; 10.34 bars) in the R-134a circuit.
3. Check the system for leaks with a suitable leak finder
4. After completion of the leak testing, release the test pressure (per local code) and connect to
vacuum pump(s) at the Schrader valves.
5. After four hours of pulling a deep vacuum, check the vacuum level and if it has not changed,
break the vacuum with dry nitrogen.
6. Pull a second vacuum to 250 microns or less. Recheck the vacuum level after 2 hours.
Liebert
XDP A
Liebert
XDP B
Return
Supply Return
Supply
Floor
Building Chilled Water Supply
Building Chilled Water Return
Isolation
valves
Isolation
valves

Piping
15
2.6 Checklist for Proper Installation
___ 1. Unpack and check received material.
___ 2. Position the Liebert XDP and secure it to the floor.
___ 3. Wire high voltage connections.
___ 4. Wire low voltage connections.
___ 5. Connect the building chilled water piping to the Liebert XDP.
___ 6. Connect the Liebert XD cooling module piping to the Liebert XDP.
___ 7. Check the system for leaks.
___ 8. Hold a vacuum on the system.
___ 9. Charge the system with refrigerant.
___ 10. Make sure that all piping has proper insulation.

Checklist for Liebert XDP Startup
16
3.0 CHECKLIST FOR LIEBERT XDP STARTUP
1. Verify that bypass flow controllers were installed (if applicable), see Table 4.
2. Check all isolation ball valves in the Liebert XDP and Liebert XD cooling module and verify that
all are open.
3. Check rotation of the Liebert XDP’s pumps.
On 460V units only, use the rotation device provided—this device must be held against the
pump housing—at the inspection screw prior to energizing the pumps—counterclockwise indi-
cates proper rotation; clockwise indicates incorrect rotation.
On 208V units only, view the LED indicator on the pump—Green indicates proper rotation;
Green and Red indicate incorrect rotation.
4. Check rotation of fans on Liebert XD cooling module units.
5. Verify that air is being discharged into the cold aisle.
6. Confirm that the total calculated refrigerant R-134a amount has been properly charged into the
system (see 3.1 - Filling the Pumped Circuit—R-134a).
7. Confirm that the remote temperature/humidity sensor provided has been installed in the correct
location.
The correct location is near the return side of a main air mover, such as a Liebert Deluxe
System/3. If more than one Liebert XDP is installed, use a different location for each remote sen-
sor for best temperature/humidity calculation.
The Liebert XDP system is now ready to be turned ON.
1. Turn On all of the Liebert XD cooling module fans.
2. Turn the Liebert XDP On via its user interface (I/O button). Allow the system to attempt to start
for at least 2 minutes.
If the Liebert XDP pump cannot maintain flow and continues to switch over due to starting diffi-
culties, proceed to Step 4 and refer to 6.0 - Troubleshooting.
3. If constant flow is established, wait until the Liebert XDP has been operating for 10-15 minutes,
then verify that the refrigerant level in the receiver sight glass is between the second and third
level (see Figure 21). Add or remove charge, if necessary.
4. Check pressure differential functionality:
The Liebert XDP system should be On. If it is Off:
a. Turn On the Liebert XD cooling module fans
b. Turn the Liebert XDP On via user interface (I/O button).
!
CAUTION
Risk of piping and component rupture. May cause injury or equipment damage.
Closing service valves may isolate liquid refrigerant, causing high pressure and rupture of
piping. Do not close valves without following recommended procedures for repair,
maintenance and replacement of components. Install pressure relief valves in field piping
that may become isolated by service valves.
NOTE
Before any action that could cause a disturbance in the Liebert XD system’s cooling function is
begun, the facility manager MUST be informed. In addition, after the action is taken and the
work is finished, the facility manager MUST be informed
Table 5 Liebert XDP pump light indicator—208V and 400V units
Indicator Lights Description
Green Red
Off Off The electricity supply has been switched off or the pump has been cut out by the thermal switch.
On Off The electricity supply has been switched on. Normal operation.
On On The electricity supply has been switched on. The direction of rotation is wrong.

Checklist for Liebert XDP Startup
17
If there is no “Loss of Flow” alarm present—This suggests that there is flow. Test the
pressure differential by closing the ball valve on either the suction line or discharge line to
stop the flow.
This should prompt an alarm for “loss of flow on P1.” This alarm confirms that the switch has
opened on low pressure (below 6 psi; 41kPa; 0.41 bars).
If there is a “Loss of Flow” alarm present—This suggests that there is no flow. Verify
that this is correctly annunciated by looking at the sight glass in the receiver. If a true no-flow
condition exists, the level will not move.
However, if there is flow, but the differential reading is faulty, the level will slowly
drop, indicating flow, while the loss of flow alarm is annunciated.
Check the pressure differential physically by making sure that the electrical connections are
properly connected. Then check the pressure differential electrically by making sure that the
unit has 24VAC across it.
Figure 21 System R-134a liquid level
3.1 Filling the Pumped Circuit—R-134a
1. Connect a charging manifold to the service port of the receiver outlet valve.
2. Purge the hoses.
3. Calculate the amount of R-134a refrigerant needed to charge the system, using the values in
Tables 6,7,8 and 9; for assistance, refer to 3.1.1 - Calculating Refrigerant Charge—
Example. The section includes a worksheet to calculate system refrigerant charge requirements.
4. Weigh in the calculated charge.
5. After adding the calculated charge, allow the system to sit 15 to 30 minutes to reach equilibrium.
Observe the refrigerant level through the sight glasses of the receiver. The level should be above
the second sight glass at a minimum when the Liebert XDP is off.
6. If the refrigerant level is improper, the charge must be adjusted.
If the level is too high or too low, recalculate the required charge and reduce or increase the
amount as needed to reach the proper level.
NOTE
All lengths in Tables 7,8 and 9 are actual pipe lengths, not equivalent pipe lengths.
NOTE
System refrigerant volume calculations derived from Tables 6,7,8 and 9 are based on a fully
loaded system. Additional charge may be required for lightly loaded systems.
Operation above sight glass #3 can
make the system operate erratically
and reduce cooling capacity - Reduce
charge to recommended level.
Recommended operating level
Acceptable operating level
Operation below sight glass #1 may
cause loss of flow or cooling. Add
charge to reach recommended level.
For lightly loaded systems,
the recommended operating
level is sight glass #2.
Sight Glasses 1, 2 & 3

Checklist for Liebert XDP Startup
18
Table 6 System R-134a charge for a Liebert XDP with any model Liebert XDH/Liebert
XDO/Liebert XDV/Liebert XDCF
Refrigerant Charge,
lb (kg)
Per Liebert XD Unit
(Excludes Connector Lines
to and from Liebert XD Cooling Module)
157 lb. (65.7kg) Liebert XDP
3.55 lb. (0.66kg) Liebert XDO
2.32 lb. (1.05kg) Liebert XDV
5.32 lb. (2.41kg) Liebert XDH
1.41 lb. (0.64kg) Liebert XDCF
Table 7 System refrigerant charge for the supply and return mains
Refrigerant Charge,
lb/foot (kg/m) Supply/Return Main Length and Diameter
0.45 (0.67) Main supply actual length per 1-1/8" OD copper tubing
0.68 (1.01) Main supply actual length per 1-3/8" OD copper tubing
0.28 (0.42) Main return actual length per 2-1/8" OD copper tubing
0.43 (0.64) Main return actual length per 2-5/8" OD copper tubing
Table 8 R-134a refrigerant charge for hard-piped connector lines to and from any model
Liebert XDH/Liebert XDO/Liebert XDV/Liebert XDCF
Refrigerant Charge,
lb/foot (kg/m) Hard-Piped Connector Length and Diameter
0.08 (0.12) 1/2" OD Liebert XDO/Liebert XDH/Liebert XDV/Liebert XDCF supply connector actual
length
0.13 (0.19) 5/8" OD copper tubing Liebert XDV/Liebert XDCF supply connector actual length
0.26 (0.39) 7/8" OD Liebert XDO/Liebert XDH supply connector actual length "
0.02 (0.03) 5/8" OD copper tubing Liebert XDV/Liebert XDCF return connector actual length
0.04 (0.06) 7/8" OD copper tubing Liebert XDV/Liebert XDCF return connector actual length
0.04 (0.06) 7/8" OD copper tubing Liebert XDH/Liebert XDO return connector actual length
0.07 (0.1) 1-1/8" OD copper tubing Liebert XDH/Liebert XDO return connector actual length
Table 9 R-134a refrigerant charge for Flex Pipe connector lines to and from any model
Liebert XDO/Liebert XDH/Liebert XDV/Liebert XDCF
Refrigerant Charge, lb. (kg) Metal Flex Pipe Connector Length
Supply Line Diameter 1/2"
0.3 lb. (0.14) 4 ft. Flex Pipe Liebert XDH/Liebert XDO/Liebert XDV/Liebert XDCF supply
0.5 lb. (0.23) 6 ft. Flex Pipe Liebert XDH/Liebert XDO/Liebert XDV/Liebert XDCF supply
0.7 lb. (0.32) 8 ft. Flex Pipe Liebert XDH/Liebert XDO/Liebert XDV/Liebert XDCF supply
0.8 lb. (0.36) 10 ft. Flex Pipe Liebert XDH/Liebert XDO/Liebert XDV/Liebert XDCF supply
Return Line Diameter 5/8"
0.01 lb. (0.01) 4 ft. Flex Pipe existing Liebert XDV systems
0.02 lb. (0.01) 6 ft. Flex Pipe existing Liebert XDV systems
0.03 lb. (0.01) 8 ft. Flex Pipe existing Liebert XDV systems
0.03 lb. (0.01) 10 ft. Flex Pipe existing Liebert XDV systems
Return Line Diameter 1"
0.13 lb. (0.05) 4 ft Flex Pipe Liebert XDH/Liebert XDO/Liebert XDV/Liebert XDCF supply
0.2 lb. (0.09) 6 ft Flex Pipe Liebert XDH/Liebert XDO/Liebert XDV/Liebert XDCF supply
0.27 lb. (0.12) 8 ft Flex Pipe Liebert XDH/Liebert XDO/Liebert XDV/Liebert XDCF supply
0.33 lb. (0.15) 10 ft Flex Pipe Liebert XDH/Liebert XDO/Liebert XDV/Liebert XDCF supply

Checklist for Liebert XDP Startup
19
3.1.1 Calculating Refrigerant Charge—Example
Using Tables 6,7,8 and 9, calculate the refrigerant charge of the individual sections of your Liebert
XD system. Add the calculated charge amounts to determine the amount of R-134a refrigerant
required for one system combining a Liebert XDP with Liebert XD cooling modules (Liebert XDCF,
Liebert XDH, Liebert XDO and Liebert XDV). The example below combines one Liebert XDP with 20
Liebert XDV8 cooling modules.
Table 10 Calculating refrigerant charge—example
Components
Number of Units
or Piping Length,
feet
Pounds Per
Component Total, lb.
Liebert XDP 1 157 157
Liebert XDV8 Cooling Modules 20 2.32 46.4
Supply Main, 1-1/8" 100 0.45 45
Return Main, 2-1/8" 100 0.28 28
Liebert XDV 1/2" supply Liebert XD Flex Pipes 20 0.8 16
Liebert XDV 5/8" return Liebert XD Flex Pipes 20 0.03 0.6
Total 293
Table 11 Worksheet to calculate refrigerant charge
Components
Number of Units
or Piping Length
Pounds Per
Component Total
Total

Microprocessor Control
20
4.0 MICROPROCESSOR CONTROL
4.1 Feature Overview
The microprocessor control for the Liebert XDP features an easy-to-use menu-driven LCD. The
menus, control features and circuit board details are described in this section.
Figure 22 User interface
Active alarms are displayed on the LCD screen and sound an audible beep. To silence an alarm, press
the Alarm Silence/Help key as prompted on the display.
Setpoints, DIP switch settings and other selections were made during factory testing of the unit based
on typical operating conditions. (Other default selections were made according to options included
with the unit.)
ADJUST THE FACTORY DEFAULTS ONLY IF THEY DO NOT MEET YOUR SPECIFICATIONS.
Allowable ranges are displayed by pressing the Help key. A password will be required (if enabled) to
change setpoints, time delays, etc.
The display normally shows the leaving refrigerant temperature on the first line and alternates
between the dew point and the number of alarms present on the second line.
4.1.1 Display
To turn the unit On, press the On/Off (I/O) key after power is applied to the Liebert XDP.
To turn the unit Off, press the On/Off (I/O) key before power is disconnected.
Table 12 User interface keypad functions
Keypad Function
On/Off (I/O) Turns the unit On or Off (top far left keypad)
Menu Enables the user to access the program menu to change setpoints, alarms, etc. (top near left)
Up Arrow Key Raises the value of displayed parameter while in a set mode (set points, time, etc).(arrow, top
near right)
Escape (Esc) Allows user to move back to a previous menu (top far right)
Alarm Silence If an alarm is present, press this key to silence the alarm. Help text will appear if this key is
pressed when no alarm is present (bottom left)
Down Arrow
Key
Lowers the value of displayed parameter while in a set mode (set points, time, etc).(arrow,
bottom near right).
Enter After setting a control value, press ENTER to store the information in the microprocessor
(bottom right).
Up Arrow Key
Status Display
On/Off Key
Alarm Silence Key
Down Arrow Key

Microprocessor Control
21
4.2 Controls
The Microprocessor Control for the Liebert XDP features an easy-to-use, menu-driven liquid crystal
display. The menus, control features and circuit board details are described in this section.
4.2.1 Feature Overview
The Liebert XDP maintains the refrigerant being pumped to Liebert XD cooling modules at a temper-
ature above the room dew point, preventing condensation.
4.3 Main Menu
Press the MENU key to display the Main Menu. The menu selections are:
• SETPOINTS
• STATUS
• ACTIVE ALARMS
•ALARM HISTORY
•TIME
•DATE
• SETUP OPERATION
• SETPT PASSWORD
• SERVICE PASSWORD
• CALIBRATE SENSOR
• ALARM ENABLE
• ALARM TIME DELAY
• COM ALARM ENABLE
• CUSTOM ALARMS
• CUSTOM TEXT
•DIAGNOSTICS
• END OF MENU
4.3.1 Viewing or Changing Settings
To access a menu option:
1. Use the Up or Down arrow keys to scroll to the menu option.
2. Press the ENTER button to view the current setting.
3. To change the setting, use the Up or Down arrow keys.
4. Press ENTER to save the change.

Microprocessor Control
22
4.3.2 SETPOINTS
Selecting SETPOINTS from the Main Menu will reveal the following menu items:
MIN TEMP SP
Minimum Room Temperature Setpoint—This is used to keep the room temperature above the set-
point. The Liebert XDP can lower the room temperature too much depending on the room dew point
and load. This setpoint will back off the cooling to keep the room temperature above this temperature.
HIGH CW TEMP
High Chilled Water Temperature Setpoint—There could be many reasons that the chilled water tem-
perature is above this setpoint (e.g., chiller problem, control valve failure, etc.) This is the setpoint at
which the HIGH CW TEMP alarm will be activated.
HI AIR TEMP
High Room Air Temperature Setpoint—This is the setpoint at which the HIGH REMOTE TEMP and
HIGH LOCAL TEMP alarms will be activated.
LOW AIR TEMP
Low Room Air Temperature Setpoint—This is the setpoint at which the LOW REMOTE TEMP and
LOW LOCAL TEMP alarms will be activated.
4.3.3 STATUS
The user can check the status of the control valve, pump operation, and refrigerant and chilled water
temperature.
CONTROL VALVE—0-100%
PUMP 1—On/Off
PUMP 2—On/Off
REFRIG T—Refrigerant temperature 0-100° F
CW TEMP—Chilled Water temperature 0-100° F
4.3.4 ACTIVE ALARMS
This submenu allows the user to review any present alarms. If no alarms are present, the screen will read
“No Alarms Present.” If any alarms are occurring, the screen will display “Alarm XX of YY,” followed by
the alarm text (“XX” is the reference number of the alarm shown, “YY” is the total number of alarms).
If more than one alarm is present, use the Up or Down arrow keys to scroll through the alarms.
4.3.5 ALARM HISTORY
This submenu allows the user to review the 60 most-recent alarms. The first line of the screen will
show the alarm number—01 being the newest—and the name of the alarm. The second line of the
screen will show the most recent alarm’s date and the time in 24 hour format. Use the Up or Down
arrow key to scroll through the alarm history list.
Table 13 Setpoint functions, default values and allowable ranges
Menu Item Function Default, °F (°C) Range, °F (°C)
MIN TEMP SP Minimum room temperature setpoint 72 (22) 50-80 (10-27)
HI CW TEMP High chilled water temperature setpoint 55 (13) 35 to 95 (2-35)
HI AIR TEMP High room air temperature setpoint 80 (27) 35 to 95 (2-35)
LO AIR TEMP Low room air temperature setpoint 65 (18) 35 to 95 (2-35)
* For optimal cooling performance, the minimum temperature setpoint should be at least 1-2° below the expected temperature at
the remote sensor, which may require additional consideration of the remote sensor location or minimum temperature setting. If
the minimum temperature setpoint is set above the typical remote temperature sensor reading, this will reduce the Liebert XD
cooling output and, in extreme cases, cause erratic Liebert XD performance.
NOTE
This is not a true room temperature setpoint. The Liebert XDP has no heaters; it will try to cool
as much as possible. If it is able to cool the room to this setpoint, it will back off its cooling
capability to try to keep the room temperature at or above this setpoint.

Microprocessor Control
23
4.3.6 TIME
To change the time, press ENTER to select the function, then use the Up or Down arrow key to
change the first character, press ENTER to store, then press the Up or Down arrow key to change the
second character, press ENTER to store, etc.
4.3.7 DATE
To change the date, press ENTER, then use the Up or Down arrow key to change the first character,
press ENTER to store, press the Up or Down arrow key to change the second character, etc.
4.3.8 SETUP OPERATION
Selecting Setpoint/Setup from the Main Menu will display the following selections:
Use the Up and Down arrow keys to scroll through the submenu, then press the ENTER button to access
a function. To make changes or review the current setting, see 4.3.1 - Viewing or Changing Settings.
RESTART TIME DELAY
This function specifies the time for the unit to restart after main power is restored to the unit. If sev-
eral systems are operating, the time delays should be set to different values to cause a sequential
start. Delay can be set from 0.1 minutes (6 seconds) to 9.9 minutes. Setting the value to “NO!” will
prevent the unit from restarting when power is restored. In this case, the unit must be restarted man-
ually by pressing the “On/Off” key.
To make changes or review the current setting, see 4.3.1 - Viewing or Changing Settings.
C/F DEGREES
The control can be selected to show readings and setpoints in either degrees Fahrenheit (F) or
Celsius (C). To make changes or review the setting, see 4.3.1 - Viewing or Changing Settings.
PUMP START TD
The user may set a pump start time delay (in seconds) to ensure that refrigerant begins flowing when
the pump starts. If refrigerant does not begin flowing before this delay expires, the pump will stop for
a period that the user may also specify (see PUMP OFF TD). After this delay, the pump will again
begin its startup sequence.
To make changes or review the current setting, see 4.3.1 - Viewing or Changing Settings.
NOTE
The clock uses the 24-hour system (for example, 17:00 would be 5:00 PM). The date and time
are kept current even when the control board is not powered.
NOTE
None of these setpoints should be changed before consulting an Emerson Network Power
representative. Changing any of these setpoints could drastically affect the system.
Table 14 Setup operation functions default values and allowable ranges.
Menu Item Function Default Range
RESTART Restart time delay 0.1 min 0 to 9.9 min
(0 = manual restart)
C/F DEGREES Celsius or Fahrenheit F C or F
PUMP START TD Pump start time delay 10 sec 3 - 120 sec
PUMP WAIT TD Pump wait time delay 10 sec 3 - 120 sec
PUMP OFF TD Pump off time delay 5 sec 5 - 120 sec
LEAD PUMP Lead Pump Pump 1 Pump 1 / Pump 2
DIPSWCH DIP switch status NA NA
VALVE TIME Control valve travel time 60 sec 50 - 250 sec
NOTE
Setpoints and system setup parameters are kept in non-volatile memory.

Microprocessor Control
24
PUMP WAIT TD
The user may set the pump wait time delay to prevent the pump from continuing to run when refrig-
erant is not flowing. When the control detects a loss of refrigerant flow, the pump continues operating
for the period specified in the PUMPWAIT TD.
If refrigerant flow resumes during the specified interval, the pump will continue operating. If the wait
time expires and refrigerant flow has not resumed, the pump will shut down, activate an alarm for
loss of flow to the pump and the second pump will be started.
To make changes or review the current setting, see 4.3.1 - Viewing or Changing Settings.
PUMP OFF TD
The user can set the amount of time a pump will remain off when refrigerant flow is interrupted or
stops. After the time delay has expired, the control will try to start a pump—unless there is a problem
with the building chilled water system or if the refrigerant temperature sensor has failed.
To make changes or review the current setting, see 4.3.1 - Viewing or Changing Settings.
LEAD PUMP
The user can select which pump is the lead pump, either pump #1 or pump #2. For example, if
pump #1 is selected, it will be the primary pump and will switch to the standby pump (the pump that
is not selected) on a loss of flow after a programmed time delay has elapsed.
To make changes or review the current setting, see 4.3.1 - Viewing or Changing Settings.
DPSWCH
This menu displays the status of the eight-position DIP switch on the Liebert XDP control board. If a
selector is beside the numeral “1,” the switch is On. If a selector is beside the numeral “0,” the switch
is Off. For proper operation, DIP switches 1-7 MUST be off and DIP switch 8 MUST be on.
Table 15 Liebert XDP DIP switches and factory settings
DIP Switch Factory Setting
1Off
2Off
3Off
4Off
5Off
6Off
7 Off
8 On = Liebert XDP; Off = Liebert XDWP

Microprocessor Control
25
VALVE TIME
This value is the number of seconds it takes the control valve to travel from fully closed to fully open.
If the control loses the analog feedback position from the control valve, the control will close the valve,
then calculate how long to open the valve for the current call for cooling.
For example, if VALVE TIME is set to 60 seconds and there is a 50% call for cooling, the valve will
open for 30 seconds, leaving the valve halfway open. To make changes or review the current setting,
see 4.3.1 - Viewing or Changing Settings.
Scroll through this submenu by using the Up or Down arrow key. To make changes or review the cur-
rent setting, see 4.3.1 - Viewing or Changing Settings.
For example, to change the DEWPOINT MARGIN:
a. From the main Status display, press MENU.
b. Scroll to the SETPOINTS using the Up or Down arrow key.
c. Press ENTER to select the SETPOINTS submenu.
d. Scroll to DEWPOINT MARGIN using the Up or Down arrow key.
e. Press ENTER
f. Use the Up arrow key to increase the value or use the Down arrow key to lower the value.
g. Press ENTER to store.
4.3.9 Password Security—SETPT PASSWORD and SERVICE PASSWORD
Setpoints, setup operations and alarm settings may be secured with three-digit passwords to prevent
unauthorized changes. The password function for SETPT PASSWORD and for SERVICE PASS-
WORD is enabled by default. Passwords are enabled or disabled through DIP switch #8.
• To enable the password security feature, open the user interface display cover and set
DIP switch #8 to the Off position, then close the cover.
• To disable the password security feature, open the user interface display cover and set
DIP switch #8 to the On position, then close the cover.
Change Password—SETPT PASSWORD
The factory default SETPT PASSWORD is “123”—this password protects setpoints and some alarm
settings. To change the SETPT PASSWORD:
1. Press the MENU key to display the Main Menu.
2. Use the Up or Down arrow keys to scroll to the SETPT PASSWORD function.
3. Press ENTER to access the SETPT PASSWORD function. The LCD will display three zeros (000).
4. Enter the present, three-digit password.
a. Use the Up or Down arrow key to enter the first number.
b. Press the ENTER button to select the second number in the password.
c. Use the Up or Down arrow key to enter the second number.
d. Enter the third number by repeating Steps b and c.
e. Press the ENTER button to accept the password. The LCD will display the message
PASSWORD OK.
5. Press the ENTER button; the LCD displays the message ENTER NEW PSW and the current
password. The first numeral will be selected.
6. Use the Up or Down arrow key to enter the first number of the new password. Press the ENTER
button to select the second numeral in the password.
7. Use the Up or Down arrow key to enter the second number of the new password. Press the
ENTER button to select the third numeral in the password.
8. Use the Up or Down arrow key to enter the third number of the new password. Press the ENTER
button to save the new password.
NOTE
Setpoints and system setup parameters are kept in non-volatile memory.

Microprocessor Control
26
Change Password—SERVICE PASSWORD
The factory default SERVICE PASSWORD is “123”—this password protects setup operations and
more-critical alarm settings. To change the SERVICE PASSWORD:
1. Press the MENU key to display the Main Menu.
2. Use the Up or Down arrow key to scroll to the SERVICE PASSWORD function.
3. Press ENTER to access the SERVICE PASSWORD function. The LCD will display three zeros (000).
4. Enter the present, three-digit password.
a. Use the Up or Down arrow key to enter the first number.
b. Press the ENTER button to select the second number in the password.
c. Use the Up or Down arrow key to enter the second number.
d. Enter the third number by repeating Steps b and c.
e. Press the ENTER button to accept the password. The LCD will display the message
PASSWORD OK.
5. Press the ENTER button; the LCD displays the message ENTER NEW PSW and the current
password. The first numeral will be selected.
6. Use the Up or Down arrow key to enter the first number of the new password. Press the ENTER
button to select the second numeral in the password.
7. Use the Up or Down arrow key to enter the second number of the new password. Press the
ENTER button to select the third numeral in the password.
8. Use the Up or Down arrow key to enter the third number of the new password. Press the ENTER
button to save the new password.
4.3.10 CALIBRATE SENSOR
The local and the remote temperature and humidity sensors can be calibrated by selecting this menu
item. The temperature sensor can be calibrated ± 5°F and the humidity sensor can be calibrated
±10% RH. To prevent coil condensation that could damage the Liebert XDP, the sensors must be cali-
brated to a known source.
4.3.11 ALARM ENABLE
Some alarms can be disabled or enabled as part of the user’s customized setup. An alarm that has
been disabled will not report to the wall box beeper nor to the common alarm relay. Alarms are
enabled by default.
Use the Up or Down arrow key to select a particular alarm; “YES” enables the alarm, “NO” disables
the alarm. Press ENTER to save the change.
4.3.12 ALARM TIME DELAY
Some alarms can be programmed with a time delay as a means of preventing nuisance alarms. This
function specifies the amount of time an alarm must be present before the Liebert XDP recognizes
and annunciates the alarm. If the alarm condition goes away before the time delay has expired, the
alarm will not be recognized, and the time delay timer will be reset.
4.3.13 COM ALARM ENABLE
Each individual alarm can be selected to energize or not to energize the common alarm relay. If the
energize common alarm function is set to YES, the relay is energized immediately as the alarm is
annunciated and de-energized when the alarm condition goes away (only after the alarm has been
recognized). If the alarm is completely DISABLED, the alarm has no effect on the common alarm
relay.
Use the Up or Down arrow key to scroll to a particular alarm, press the ENTER button to select it,
then press the ENTER button to change the state (Yes or No).

Microprocessor Control
27
4.3.14 CUSTOM ALARMS
This is the menu where the user selects the alarm message that will be displayed when there is an
input to the customer alarm input on the control board. This menu has four choices: one user-defined
custom message (see CUSTOM TEXT below for details) and three preprogrammed messages:
• SMOKE DETECTED
• CUSTOM 1 (default custom message. If the user enters a custom text message, that custom text
will replace “CUSTOM 1.”)
• WATER FLOW LOSS
• STANDBY UNIT ON
1. Press the ENTER button to access the menu
2. Use the Up or Down arrow key to view the messages.
3. Press the ENTER button to select the message to be displayed.
4.3.15 CUSTOM TEXT
This menu permits the user to set up a custom text message with a maximum length of 16 characters.
The message may use any of the following characters or a blank space:
ABCDEFGHIJKLMNOPQURSTUVWXYZ#%*-0123456789
This custom text can be designated as the custom alarm text in the “CUSTOM ALARMS” menu (see
CUSTOM ALARMS above). To define the message:
1. Press the ENTER button to access the menu.
2. Use the Up or Down arrow key to change the character with the pointer below it.
3. Press the ENTER button to go to the next character.
4. Repeat the steps for all characters in the message (maximum of 16 characters).
5. Press the ENTER button to accept new custom text.
4.3.16 DIAGNOSTICS
This allows the user to perform checks on inputs, outputs, and conduct a test of the Liebert XDP con-
trol board from the wall box.
Entering the “TEST OUTPUTS” will interrupt system operation. Selecting “TEST INPUTS” or “TEST
MICRO” will not interrupt system operation. Pressing ENTER and selecting “TEST OUTPUTS” will
permit the user to toggle the following outputs On and Off:
PUMP 1—On/Off
PUMP 2—On/Off
CTR VALVE XX.Xma—OPEN/CLOSE (control valve and 4-20mA feedback signal)
GREEN LAMP—On/Off
RED LAMP—On/Off
COMMON ALARM—On/Off
Pressing ENTER and selecting “TEST INPUTS” will permit the user to read the following inputs:
INPUT POWER—On/Off
CONDENSATION—On/Off (condensation detection)
DIFF PRESSURE—On/Off (differential pressure switch)
CUSTOMER ALARM—On/Off
Pressing ENTER and selecting “TEST MICRO” will permit the user to test the microcontroller and
associated circuitry on the Liebert XDP control board.

Alarm Descriptions and Solutions
28
5.0 ALARM DESCRIPTIONS AND SOLUTIONS
5.1 Alarm Descriptions
•LOSS OF FLOW P1—Activated when Pump 1 is commanded to run and the differential pres-
sure switch does not sense differential pressure (set at 6 psi; 41kPa; 0.41 bars). After attempting
to start Pump 1 for 120 seconds (including time delays), the Liebert XDP will automatically
switch to the other pump to establish flow.
•LOSS OF FLOW P2—Activated when Pump 2 is commanded to run and the differential pres-
sure switch does not sense differential pressure (set at 6 psi; 41kPa; 0.41 bars). After attempting
to start Pump 2 for 120 seconds (including time delays), the Liebert XDP will automatically
switch to the other pump to establish flow.
•SHORT CYCLE—Activated when the Liebert XDP is trying to establish flow (differential pres-
sure), and it is unable to do it. The Liebert XDP will attempt to establish flow for 4 minutes on
each pump, for a total of 8 minutes. If this “cycling” occurs within 30 minutes and the Liebert
XDP still does not establish flow, a SHORT CYCLE alarm will be present. This alarm will shut
down the Liebert XDP. Main power (disconnect switch) must be turned Off, then back On to clear
this alarm. The cycling time for the SHORT CYCLE alarm can be adjusted from the default of 30
minutes; the range is from 10 minutes to 60 minutes.
•CONDENSATION!—Activated when water is detected at the Liebert XD cooling module (24VAC
is applied to the condensation input on the control). When this alarm is active, the control will
raise its refrigerant control point by 4°F (-16°C). Alarm will reset when the 24VAC signal ends or
main power is removed.
•VALVE FAILURE—Activated when the chilled water control valve has been commanded by the
control to open or close and no change is detected from the valve-position signal. The control will
close the valve and then try to control the control valve based on its travel time. Main power (dis-
connect switch) must be turned Off, then back On to clear this alarm.
•CUSTOMER ALRM—Activated when 24VAC signal is applied to the customer alarm input on
the control board. Alarm will reset when the 24VAC signal is taken away.
•HIGH CW TEMP—Activated when entering chilled water temperature exceeds the user speci-
fied setpoint. The alarm will reset itself when the entering chilled water temperature drops below
the setpoint.
•FAILED CW SENSOR—Activated when the control stops receiving a signal from the entering
chilled water temperature sensor. The alarm will reset itself when the temperature sensor signal
is re-established.
•HIGH REMOTE TEMP & HIGH LOCAL TEMP—Activated when the remote or local temper-
ature exceeds the user specified setpoint. The alarm will reset itself when the room temperature
drops below the setpoint.
•LOW REMOTE TEMP & LOW LOCAL TEMP—Activated when the remote or local tempera-
ture is below the user-specified setpoint. The alarm will reset itself when the room temperature
raises above the setpoint.
•REMOTE SENS PROB—Activated when no signal is present from the remote temperature or
humidity sensors. Alarm will reset when the temperature and humidity signals are re-estab-
lished.
•LOCAL SENS PROB—Activated when no signal is present from the local temperature or
humidity sensors or when communication with the display is lost. The alarm will reset when the
temperature and humidity signals are re-established.
•HIGH REFRIG TEMP—Activated when the refrigerant temperature exceeds the user-specified
setpoint. The alarm will reset itself when the refrigerant temperature drops below the setpoint.
•LOW REFRIG TEMP—Activated when the refrigerant temperature drops 1.5°F (1°C) below the
refrigerant temperature control point. The alarm will reset itself if the refrigerant temperature
rises before the control shuts down because of low refrigerant temperature.
NOTE
Alarms must be acknowledged before they can be reset. To acknowledge or silence an alarm,
press the ALARM SILENCE / ? key.

Alarm Descriptions and Solutions
29
•REFRIG SENS FAIL—Activated when the control stops receiving a signal from the refrigerant
temperature sensor. If this alarm becomes active, the control will close the control valve over a
9-minute period. This alarm will shut down the Liebert XDP. Main power must be (disconnect
switch) must be turned Off, then back On to clear this alarm.
•LOSS OF POWER—Activated when the unit is On and operational and 24VAC power to the con-
trol is lost. This alarm will be emitted when power is restored to the control. The Liebert XDP will
restart at a user-defined time delay after power is restored. The alarm will reset itself after 30
seconds of run time.
5.2 Red and Green Lamp Indicators
• The Green lamp will be on only when The Liebert XDP is On and running with no alarms.
• The Red lamp will be on if the unit is On and running with an active alarm, or if the unit is shut
down because of a certain alarm.
• The Red lamp will flash when an alarm is being annunciated. The Red lamp will stop flashing and
the beeper in the display will stop beeping when the ALARM SILENCE / ? key is pressed.
5.3 Alter Alarm Settings
5.3.1 Enable or Disable Alarms
At the user’s discretion, some alarms may be enabled or disabled. If an alarm is disabled, the alarm
condition will not be monitored and will not trip, will not be in ACTIVE ALARMS, will not be in
ALARM HISTORY and will not be annunciated.
These alarms may be enabled or disabled:
• LOSS OF FLOW P1—loss of refrigerant flow with Pump 1 alarm
• LOSS OF FLOW P2—loss of refrigerant flow with Pump 2 alarm
• VALVE FAILURE—chilled water control valve failure alarm
• CUSTOMER—customer alarm
• HI RMT TEMP—high remote temperature alarm
• LO RMT TEMP—low remote temperature alarm
• HI LCL TEMP—high local temperature alarm
• LO LCL TEMP—low local temperature alarm
To determine whether an alarm is enabled or disabled:
1. Press the MENU key.
2. Use the Up and Down arrow keys to move to the ALARM ENABLE menu.
3. Press the ENTER key to access the menu. Use the Up and Down arrow keys to move through the
menu and view which alarms are enabled or disabled. (“YES” means that the alarm is enabled,
“NO” means that the alarm is disabled.)
To change an alarm from enabled to disabled, or vice versa
1. Determine whether the alarm is enabled or disabled (see above).
2. Use the Up and Down arrow keys to scroll to the alarm to be changed.
3. Press the ENTER key. (The control will ask for a service password if passwords are enabled. Use
the Up and Down arrow keys and ENTER key to enter the three-digit password.)
4. Press the ENTER key again to change the alarm.
5. Press the ESC key two to three times to return to the main display.

Alarm Descriptions and Solutions
30
5.3.2 Increase or Decrease Alarm Time Delays
An alarm time delay is the time that the a condition must exist before the control activates an alarm
for that condition. This can be used as a filter to prevent nuisance alarms from transient events.
These alarms may have their time delays changed:
• CUSTOMER—customer alarm
• HIGH CW TEMP—high chilled water temperature alarm
• HI RMT TEMP—high remote temperature alarm
• LO RMT TEMP—low remote temperature alarm
• HI LCL TEMP—high local temperature alarm
• LO LCL TEMP—low local temperature alarm
• LOW REFRIG TEMP—low refrigerant temperature alarm
To view the time delay for an alarm:
1. Press the MENU key.
2. Use the Up and Down arrow keys to move to the ALARM TIME DELAY menu. Press the ENTER
key to enter into the menu. Use the Up and Down arrow keys to move through the menu and view
the alarm time delays.
To change the time delay for an alarm:
1. Press the ENTER key. (The control will ask for a service password if passwords are enabled. Use
the Up and Down arrow keys and ENTER key to enter the three-digit password when prompted.)
2. Press the ENTER key again on the alarm to select the alarm to be changed.
3. Use the Up and Down arrow keys to change the alarm time delay.
4. Press the ENTER key to record the change.
5. Press the ESC key two to three times to return to the main display.
5.4 System Shutdown Causes
Unit Is Off By Refrig Sens Fail
The control has lost its signal from the refrigerant temperature sensor. The control has no way of
controlling the refrigerant temperature, so the unit is shut off. Main power (disconnect switch)
must be turned Off, then back On to clear this alarm.
Unit Is Off By High CW Temp
The entering chilled water temperature is too high to keep the refrigerant pump(s) running nor-
mally. If there is a HIGH CW TEMP alarm and the refrigerant pump loses flow (differential pres-
sure), the Liebert XDP will immediately attempt to restart the pumps and re-establish flow. If
flow is still not established, then the Liebert XDP will go into a pre-chill mode. The Liebert XDP
can attempt to start again only if the entering chilled water temperature drops below the HIGH
CW TEMP setpoint.
Unit Is Off By Pump Short Cycle
The control was unable to get a pump started upon startup or after a loss of differential pressure.
The control looks at the SHORT CYCLE time delay. If it cannot establish differential pressure
within that amount of time, the unit is shut down. This time is adjustable through the SHORT
CYCLE alarm time delay. Main power (disconnect switch) must be turned Off, then back On to
clear this alarm.
Unit Is Off By Low Refrig Temp
The control was unable to raise the refrigerant temperature to the calculated refrigerant temper-
ature control point. The unit is shut down because if the control cannot raise the refrigerant tem-
perature to the calculated refrigerant temperature control point, water may condense on the
refrigerant piping and receiving coils. Main power (disconnect switch) must be turned Off, then
back On to clear this alarm.

Troubleshooting
31
6.0 TROUBLESHOOTING
Table 16 Troubleshooting the XDP
Symptom Possible Cause Check or Remedy
Pump will not energize
No main power Check L1, L2 and L3 for rated voltage.
Loose electrical connections Tighten connections.
Overloads tripped Allow pump to cool. Check amp draw.
Tripped circuit breaker Check circuit breaker to pump(s).
Incorrect phase wiring See Table 5.
Pump will not run
No chilled water Check and verify that there is supply chilled water to the
Liebert XDP.
Isolation valve(s) on pump suction
and/or discharge is closed.
Open all isolation valves completely during normal
operation.
Supply chilled water is too high
Check and verify that the chilled water temperature
setpoint is at 50°F (10°C) or lower and that there is flow
on the chilled water side.
Liebert XD cooling modules are Off Check Liebert XD cooling module to make sure that they
are On prior to starting the Liebert XDP.
Low Refrigerant Temperature (high
dew point)
Check alarm(s) history on Liebert XDP. The Liebert XDP
was operating below the dew point for a significant
amount of time. Check humidity in conditioned space,
lower humidity if necessary to allow Liebert XDP to
operate at a lower temperature. (Disconnect must be
switched to Off then back On to allow Liebert XDP to
reset itself).
Incorrect location of
temperature-humidity sensors
Place the sensor on the RETURN AIR side of the primary
air mover (e.g., Liebert Deluxe System 3). Do not install
the sensor near unsealed doors, windows and similar
areas.
Pressure switch not making contact
Check both differential pressure settings. If not within
6 psi, ±1 psi (41kPa, ±7kPa; 0.41 bars, ±0.07bars) then
manually change accordingly.
Not enough charge See 3.0 - Checklist for Liebert XDP Startup.
Pump noisy Cavitation due to vapor in pump Check for adequate charge in system, refer to the User's
Manual. 3.0 - Checklist for Liebert XDP Startup
Worn motor bearings Replace pump
Liebert XDP (Pump)
suddenly stops
Low Refrigerant Temperature (High
dew point)
Check humidity of room along with location of remote
sensors. Make sure that the sensors are not located in a
cold area where there is a lack of sufficient air flow.
Clogged filter/dryer and/or impeller Clean out debris.
Pipe rattle Loose pipe connections Check pipe connections
Chilled water valve not
working Motor operates but valve won't open Check linkage for adjustment and be sure that it is tight on
the valve.
Actuator motors
No 24 VAC power to motor Check for 24 VAC between P2-1 and P2-4.
No signal from control Check 24 VAC at P22-1 (close) or P22-3 (open).
Motor not operating
Unplug P22 completely off of the board. Jumper P22-5 to
P2-4 for grounding, then jumper P22-1 to P2-1 to drive
close. Remove jumper to close, and then jumper P22-3 to
P2-1 to drive open. If motor fails to work, replace it.
Motor burnout
Check control panel for welded
contactor contacts or welded
overload contacts
Replace defective components.
Main 24 VAC fuse trips Shorts or loose connections Check the wiring connections of the 24 VAC circuit.
Faulty circuit board Replace the circuit board.
Unstable pump
operation R-134a pump loop is overcharged While pump is running R-134a receiver level must be
within recommended levels (see Figure 21).

Maintenance
32
7.0 MAINTENANCE
The Liebert XD system components require little maintenance when proper fluid levels are main-
tained and proper startup and operation procedures are followed. The following tasks should be per-
formed at the intervals stated:
1. Clean or replace chilled water strainer annually. Adjust accordingly based on purity of chilled
water.
2. Check sight glass level of receiver every 4-6 weeks. During normal operation, the level should be
at or above the second sight glass.
3. Check system for leaks every 4-6 weeks.
7.1 Fluorinated Greenhouse Gas Requirements
Stationary air conditioning, refrigeration, heat pump equipments and stationary fire protection sys-
tems in the European Community market and operating with fluorinated greenhouse gases (f-gas),
such as R407C, R134a, R410A, must comply with the F-Gas Regulation: (EC) No. 842/2006 (F-gas).
The regulation prohibits, among other actions, venting fluorinated greenhouse gases to the atmo-
sphere.
The F-Gas Regulation requires operators to use use all measures that are technically feasible and do
not entail disproportionate cost to prevent leakage of these gases, to test for leakage regularly and to
recover f-gas during equipment service and maintenance and before disposing of equipment.
Refer to the full regulation for additional details.

Specifications
33
8.0 SPECIFICATIONS
Table 17 Liebert XDP160 specifications
Models XDP160RC--1 XDP160RA--1 XDP160RM--1
Cooling Capacity, Nominal
160kW / 46 Tons, 60Hz 140kW / 40 Tons, 50Hz
Each capacity is based on 45ºF (7ºC) entering water temperature and
140gpm (530lpm) water flow rate. Capacity is reduced when glycol mixtures
are used in place of 100% water.
Minimum Load
The Liebert XDP’s minimum recommended operating load is 20% of system
nominal capacity. For example, a Liebert XDP160 60Hz system’s minimum
load would be 32 kW. Loading below this value can unfavorably affect system
operation. Consult factory for any loading below this recommendation.
Electrical Requirements
Input 208V/3ph/60Hz 460V/3/ph60Hz 380/415V/3ph/50Hz
Full Load Amps 4A 2.1A 2.3A
Dimensions, inches (mm)
Height – Unit only 78 (1981)
Height – As shipped 83 (2108)
Width 38 (965)
Depth 34 (864)
Weight, lb (kg)
Unit only 821 (372)
Shipping weight Domestic: 990 (449); Export: 1067 (484)
Installed, with refrigerant and
chilled water 1038 (471)
Pipe Connections
Refrigerant supply to Liebert XD
cooling module 1-1/8" OD, Cu
Refrigerant return from Liebert XD
cooling module 2-1/8" OD, Cu
Chilled water supply and return 2-5/8" OD, Cu
Control Valve 2-way, 2" nominal; 35 PSIG close off pressure rating;
150 PSIG maximum allowable pressure
Pressure Drop – Chilled Water
Side
20 psig (137kPa, 1.38bar), with 140 gpm (530lpm) water flow rate,
control valve fully open
Temperature Rise – Chilled
Water Side at rated flow, °F (°C) 8.0 (4.4) 6.9 (3.8)
Number of Liebert XD cooling units connected, maximum (minimum)
Liebert XDCF10 16 (4)
Liebert XDH20 8 (2)
Liebert XDH32 5 (1)
Liebert XDV8 20 (4)
Liebert XDV10 16 (4)
Liebert XDO16 10 (2)
Liebert XDO20 8 (2)
Cabinet Exterior Finish Black, matte finish, heat-fused powder coat
Operating Ambient
Temperature, Maximum, °F (°C) 86 (30)
Agency
Approvals CSA 60Hz CE 50Hz

Ensuring The High Availability
0f Mission-Critical Data And Applications.
Emerson Network Power, the global leader in enabling business-critical
continuity, ensures network resiliency and adaptability through
a family of technologies—including Liebert power and cooling
technologies—that protect and support business-critical systems.
Liebert solutions employ an adaptive architecture that responds
to changes in criticality, density and capacity. Enterprises benefit
from greater IT system availability, operational flexibility and
reduced capital equipment and operating costs.
While every precaution has been taken to ensure the accuracy
and completeness of this literature, Liebert Corporation assumes no
responsibility and disclaims all liability for damages resulting from use of
this information or for any errors or omissions.
© 2008 Liebert Corporation
All rights reserved throughout the world. Specifications subject to change
without notice.
® Liebert is a registered trademark of Liebert Corporation.
All names referred to are trademarks
or registered trademarks of their respective owners.
Technical Support / Service
Web Site
www.liebert.com
Monitoring
800-222-5877
monitoring@emersonnetworkpower.com
Outside the US: 614-841-6755
Single-Phase UPS
800-222-5877
upstech@emersonnetworkpower.com
Outside the US: 614-841-6755
Three-Phase UPS
800-543-2378
powertech@emersonnetworkpower.com
Environmental Systems
800-543-2778
Outside the United States
614-888-0246
Locations
United States
1050 Dearborn Drive
P.O. Box 29186
Columbus, OH 43229
Europe
Via Leonardo Da Vinci 8
Zona Industriale Tognana
35028 Piove Di Sacco (PD) Italy
+39 049 9719 111
Fax: +39 049 5841 257
Asia
7/F, Dah Sing Financial Centre
108 Gloucester Road, Wanchai
Hong Kong
852 2572220
Fax: 852 28029250
EmersonNetworkPower.com
Emerson Network Power.
The global leader in enabling Business-Critical Continuity.
Business-Critical Continuity, Emerson Network Power and the Emerson Network Power logo are trademarks and service marks of Emerson Electric Co.
©2008 Emerson Electric Co.
Monitoring
AC Power
Connectivity
DC Power
Embedded Computing
Embedded Power Power Switching & Controls
Precision Cooling
Services
Racks & Integrated Cabinets
Outside Plant
Surge Protection
SL-16641_REV11_06-08