Lierda Science and Technology Group LSD4WF0459 Wi-Fi Module User Manual
Lierda Science & Technology Group Co.,Ltd Wi-Fi Module
Users Manual

Address:Lierda Building, 425 Dengyun Road, Hangzhou, China,Lierda Science & Technology Group Co., Ltd
Tel:0571-89908723 Fax:0571-88256108
LSD SCIENCE & TECHNOLOGY CO., LTD.
LSD4WF0459-01D0
WiFi module data sheet
item : WiFi module
item code: LSD4WF0459-01D0
Version : V1.1
Lierda Science & Technology Group Co., Ltd
Address:Lierda Building, 425 Dengyun Road, Hangzhou, China,Lierda Science & Technology Group Co., Ltd
Tel:0571-89908723 Fax:0571-88256108
contents
1 Product Introduction............................................................................................- 4 -
1.1 Product Overview.......................................................................................- 4 -
1.2 Functional features..................................................................................... - 4 -
1.3 Application field.........................................................................................- 5 -
1.4 Structure diagram....................................................................................... - 6 -
2 Module parameters..............................................................................................- 6 -
2.1 WiFi Characteristics................................................................................... - 6 -
2.2 Electrical characteristics............................................................................. - 7 -
2.3 Temperature characteristic.......................................................................... - 7 -
3 Hardware structure.............................................................................................. - 8 -
3.1 Product size................................................................................................ - 8 -
3.2 Pin definition..............................................................................................- 9 -
4 Application reference........................................................................................ - 12 -
4.1 Reference design...................................................................................... - 12 -
4.2 Module secondary welding reference temperature curve.......................... - 13 -
5 Packaging information...................................................................................... - 13 -
5.1 Carton packaging......................................................................................- 13 -
5.2 Inner carton packing................................................................................. - 14 -
5.3 Tape and Reel Packaging.......................................................................... - 15 -
5.4 FCC Warning................................................................................................- 16 -

Address:Lierda Building, 425 Dengyun Road, Hangzhou, China,Lierda Science & Technology Group Co., Ltd
Tel:0571-89908723 Fax:0571-88256108
Preface
Thank you for choosing the WiFi modules provided by the Lierda Technology Group
co., Ltd. Please read this user’s manual carefully before use, our company does not
We will not be responsible for any of the property loss or personal injury resulted
from the customer’s improper operation. Please follow the technical specification and
reference design when developing the corresponding products according to the
manual. Our company reserves the right to correct or change information and
descriptions of this manual are subject to the technology development without prior
notice and does not assume any responsibility.
Copyright Statement:
The copyright of this manual belongs to the Lierda technology Group co., Ltd,.
Without the written authorization from our company, anyone fully or partially modify
or copy this manual shall bear the corresponding legal responsibilities.

Address:Lierda Building, 425 Dengyun Road, Hangzhou, China,Lierda Science & Technology Group Co., Ltd
Tel:0571-89908723 Fax:0571-88256108
1 Product Introduction
1.1 Product Overview
LSD4WF0459-01D0 is a highly integrated WiFi module based on the single chip
controller, Supporting the physical transmission rate of 150 Mbps. Fully comply to
the IEEE 802.11 b/g standard and IEEE 802.11 n standard, In the field of high
standard and the reliability of the transmission, provides a feature-rich wireless
connection scheme.
Optimized radio frequency architecture and Baseband for algorithm provides
excellent rf performance and low power consumption performance. Integration of
MAC design can be configured to efficient DMA engine and data processing cell of
hardware.
In the field of security, service quality and the international standard,
LSD4WF0459-01D0 Provides standard fundamental features, In many applications
environment,it provides good performance to terminal users.
1.2 Functional features
●Support IEEE802.11b/g/n client
●Integrate ARM-CM4 microprocessor
●Embed MAC, several IO interface, highly integrated RF architecture
●1T1R model supports 150 Mbps wireless transmission rate in the physical
layer
●Use the welding plate of stamps hole

Address:Lierda Building, 425 Dengyun Road, Hangzhou, China,Lierda Science & Technology Group Co., Ltd
Tel:0571-89908723 Fax:0571-88256108
●Small module size and flexible application
●Support WiFi connect directly
●Transmission power control of each packet
●RF signal output is available and external antenna needed
●Embed MCU,support fireware and custom function
1.3 Application field
●Smart home, intelligent home appliances products
●The electronic products which has the function of network: e-books, printers,
electronic photo frame;
●Industrial remote sensing, telemetry communication.
●Household wireless security, monitoring, power of computer room, the
wireless remote control alarm system of fan device;
●Personal navigation equipment, the set-top box GPS
●POS system,PDA and other wireless intelligent terminal、
medical instruments.
●The electronic stop, intelligent transportation scheduling system;

Address:Lierda Building, 425 Dengyun Road, Hangzhou, China,Lierda Science & Technology Group Co., Ltd
Tel:0571-89908723 Fax:0571-88256108
1.4 Structure diagram
Figure1 Structure Diagram
2 Module parameters
2.1 WiFi Characteristics
TA=25℃,VCC=3.3V
Parameter
Specifications
inetrface
IO interface
Wireless LAN standard
Accord with the standard of IEEE 802.11b/g/n
Data rate
11b/g:54,48,36,24,18,12,9,6,11,5.5,2,1 Mbps
11n:20MHz
Modulation mode
802.11g/n---OFDM(BPSK,QPSK,16QAM,64QAM)
802.11b---CCK 11Mbps,5.5Mbp ,QPSK 2Mbps ,
BPSK 1Mbps
Frequency range
2.4GHz WiFi frequency band
Operating
frequency
2.4GHz 11b/g/n:2412-2462MHz
Operation channel
11b:1-11
2.4GHz 11g/n:1-11
Deviation index
±20ppm

Address:Lierda Building, 425 Dengyun Road, Hangzhou, China,Lierda Science & Technology Group Co., Ltd
Tel:0571-89908723 Fax:0571-88256108
(15±2)dBm (802.11 CCK,11Mbps)
(11±2)dBm(802.11 OFDM,54Mbps)
(10±2)dBm(802.11 HT20 MCS7)
antenna
RF signal output is available,need external antenna.
Receiving sensitivity
-83dBm @ 11M(802.11b CCK,8% PER)
-68dBm @ 54M(802.11g OFDM,10% PER)
-65dBm @ MCS7(802.11n OFDM with 20MHz ,10%
PER)
humidity
20%-90% no condensation
size(standard)
(W)25×(L)18×(H)3.0mm
2.2 Electrical characteristics
parameter
min
typical
max
unit
Working voltage
2.7
3.3
3.6
V
Sleep current
1
mA
quiescent current
5
mA
TX current
300
mA
RX current
70
mA
2.3 Temperature characteristic
parameter
min
typical
max
unit
Working temperature
-40
25
85
℃
Storage temperature
-40
25
105
℃

Address:Lierda Building, 425 Dengyun Road, Hangzhou, China,Lierda Science & Technology Group Co., Ltd
Tel:0571-89908723 Fax:0571-88256108
3 Hardware structure
3.1 Product size
unit:mm tolerance standard:GB/T 1804-m
Figure 2 Module Size Figure

Address:Lierda Building, 425 Dengyun Road, Hangzhou, China,Lierda Science & Technology Group Co., Ltd
Tel:0571-89908723 Fax:0571-88256108
3.2 Pin definition
Figure 3 Figure of Pin Function

Address:Lierda Building, 425 Dengyun Road, Hangzhou, China,Lierda Science & Technology Group Co., Ltd
Tel:0571-89908723 Fax:0571-88256108
Pin
Pin definition
Functional description
1
GND
GND
2
RF_BG
2.4GHz RF interface
3
GND
GND
4
NC(connect PIN23 by resister and crytals)
NC(dangling)
5
NC(Set aside other models IC 5G in use,
dangling,not connected to any PIN)
NC(dangling)
6
SOP2
Function mode :2.7K Pulldown
resistor ;start UART load
model from falsh.( module has a
drop-down )
7
GPIO28
IO interface(100 k pull-down
resistor in module)
8
NC(PIN45)
NC
9
SOP0
With SWD mode ,the pin
need 10K Pull-up resistors 。
(100K pull-down resistors in
module)
10
nRESET
Reset pin
11
VBAT_DCDC_ANA
VDD(DC_3.3V)
12
VBAT_DCDC_PA
VDD(DC_3.3V)
13
VBAT_DCDC_DIG_IO
VDD(DC_3.3V)
14
VDD_FLASH
VDD(DC_3.3V)
15
GPIO30
IO interface
16
NC(PIN48)
NC
17
GPIO0
IO interface
18
NC(connect PIN51 by resister and crytals)
NC(dangling)
19
GND
GND
20
GPIO1
IO interface(100K
pull-down resisteor in module )
21
GPIO2
IO interface
22
GPIO3
IO interface
23
GPIO4
IO interface
24
GPIO5
IO interface
25
GPIO6
IO interface
26
GPIO7
IO interface
27
GPIO8
IO interface
28
GPIO9
IO interface
29
GND
GND
30
GPIO10
IO inetrface

Address:Lierda Building, 425 Dengyun Road, Hangzhou, China,Lierda Science & Technology Group Co., Ltd
Tel:0571-89908723 Fax:0571-88256108
Figure4 Pin Description
31
GPIO11
IO interface
32
GPIO14
IO interface
33
GPIO15
IO interface
34
GPIO16
IO interface(100K pull-down
resistor in module)
35
GPIO17
IO interface
36
GPIO12
IO interface
37
GPIO13
IO interface
38
GPIO22
IO interface
39
JTAG_TDI
JTAG interface/IO interface
40
NC(connect PIN13 by flash DO)
NC(use in external flash
extension)
41
NC(connect PIN14 by flash CS)
NC( use in external flash
extension))
42
NC(connect PIN11 by resistor and flash CLK )
NC( use in external flash
extension))
43
NC( connect PIN12 by flash DI)
NC( use in external flash
extension))
44
JTAG_TDO
JTAG interface/IO
interface)
45
JTAG_TCK
JTAG (100K pull-down
resistor in module)
46
JTAG_TMS
JTAG,dangling if don’t use
47~55
GND
GND

Address:Lierda Building, 425 Dengyun Road, Hangzhou, China,Lierda Science & Technology Group Co., Ltd
Tel:0571-89908723 Fax:0571-88256108
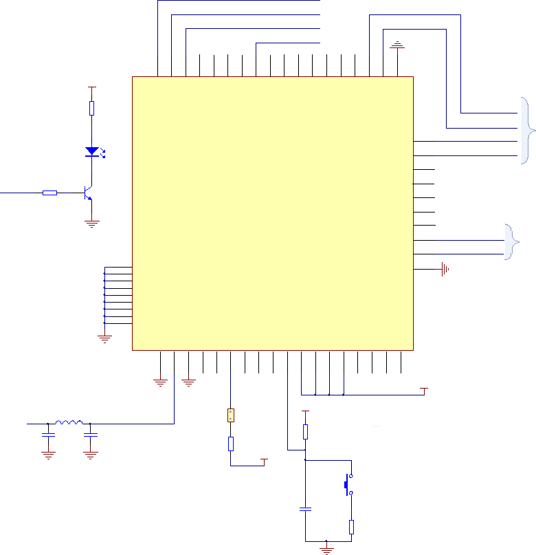
4 Application reference
4.1 Reference design
GPIO_24
44
GPIO_28_TCK
45
GPIO_29
46
GND10
47
GND11
48
GND12
49
GND13
50
GND14
51
GND15
52
GND16
53
GND17
54
GPIO_08 27
UART0_T X/ GPIO_07 26
UART 1_CTS/GPIO_06 25
WL_DBG_TX/GPIO_05 24
RS232_RX/GPIO_04 23
RS232_TX/GPIO_03 22
UART1_RX/GPIO_02 21
UART1_T X/ GPIO_01 20
GND 19
EXT_32K
18
UART1_RTS/GPIO_00
17
GND18
55
FLASH_SPI_CLK
42
FLASH_SPI_CS
41
FLASH_SPI_DIN
40
GPIO_23
39
HOST_INTR
38
GPIO_13/I2C_SDA
37
GPIO_12/I2C_SCL
36
HOST_SPI_CS
35
HOST_SPI_DO
34
HOST_S PI_DI
33
HOST_SPI_CLK
32
nHIB/GPIO_11
31
GPIO_10
30
GND
29
RF_BG
2
GND
3
40M_OSC_BUFF
4
RF_A
5
TCXO_EN/GPIO_25
6
GPIO_28
7
VDD_ANA_OUT
8
SOP0
9
RESET
10
VBAT_IN3
11
VBAT_IN2
12
VBAT_IN
13
GPIO30
15
VDD_FLASH
14
VDD_ANA_IN
16
GND
1
FLASH_SPI_DOUT
43
GPIO_09 28
CC3200 MODULE
RF
UART_TX
UART_RX
Sleep/CC_GPIO_08
Ready/CC_GPIO_09
Link/CC_GPIO_10
Reloard/CC_GPIO_11
CC_JTAG_TDI
SOP2
CC_JTAG_TMS
CC_JTAG_TCK
CC_JTAG_TDO
CC_nRESET
J1
R3
1K
VCC
VCC
S1
SW-Q
R1
100K
R2
100R
C3
33nF/16V
VCC
GND
for JTAG
EL 1
0
MODE update/down load FW normal
for UART
A K
LED1
R5
10K
CC_GPIO_XX Q1
8050-S
R4
270R
VCC
GND
IO port for LED using
Power:DC_3.3V
Please add decoupling capacitor
for RESET
0R
L1
NC
C1
NC
C2
50 Ohm RF trace
ANT
for ANT matching
for state control
connect to IO ports of MCU
connect to UART ports of MCU
GNDGND
GND
GND
GND GND
Figure 5 Reference design

Address:Lierda Building, 425 Dengyun Road, Hangzhou, China,Lierda Science & Technology Group Co., Ltd
Tel:0571-89908723 Fax:0571-88256108
4.2 Module secondary welding reference temperature curve
5 Packaging information
5.1 Carton packaging
Module USES 354 * 250 * 362 mm carton packaging, contain inside the box.

Address:Lierda Building, 425 Dengyun Road, Hangzhou, China,Lierda Science & Technology Group Co., Ltd
Tel:0571-89908723 Fax:0571-88256108
Figure 7 Carton assembly figure
5.2 Inner carton packing
Internal size is 352*348*56mm,each contain a set of vacuum reel packaged by electrostatic
bag, It contains 600 PCS modules.
Figure 8 appearance figure Inside the box

Address:Lierda Building, 425 Dengyun Road, Hangzhou, China,Lierda Science & Technology Group Co., Ltd
Tel:0571-89908723 Fax:0571-88256108
Figure 9 vacuum reel
5.3 Tape and Reel Packaging
A single module adopts the take-up package,each contains 500PCS module.
Figure 10 rewinding roller
Version number
Revised scope
Date
V1.0
Create a document
2016-01-18
V1.1
Increase the test environment and
deviation requirements
2016-4-3
Contact information of the LSD WiFi
----------------------------------------------------------------------------------------------------------------------------------------
WiFi business division of theLierda Science & Technology Group Co., Ltd
www.lierda.com
Address:Lierda Building, 425 Dengyun Road, Hangzhou, China,Lierda Science & Technology
Group Co., Ltd
Email:WiFi_Tech@lierda.com
----------------------------------------------------------------------------------------------------------------------------------------
Compiler:Lierda Science & Technology Group Co., Ltd
WiFi business division
2016.4

Address:Lierda Building, 425 Dengyun Road, Hangzhou, China,Lierda Science & Technology Group Co., Ltd
Tel:0571-89908723 Fax:0571-88256108
5.4 FCC Warning
Any Changes or modifications not expressly approved by the party responsible for compliance could
void the user’s authority to operate the equipment.
This device complies with part 15 of the FCC Rules. Operation is subject to the following two conditions:
(1) This device may not cause harmful interference, and (2) this device must accept any interference
received, including interference that may cause undesired operation.
To satisfy FCC RF Exposure requirements for this transmission devices, a separation distance of 20cm or
more should be maintained between the antenna of this device and persons during operation. To ensure
compliance, operation at closer than this distance is not recommended. The antenna(s) used for this
transmitter must not be co-located or operating in conjunction with any other antenna or transmitter. The
modular transmitter must be equipped with either a permanently affixed label or must be capable of
electronically displaying its FCC identification number:
(A) If using a permanently affixed label, the modular transmitter must be labeled with its own FCC
identification number, and, if the FCC identification number is not visible when the module is installed
inside another device, then the outside of the device into which the module is installed must also display
a label referring to the enclosed module. This exterior label can use wording such as the following:
“Contains Transmitter Module FCC ID:N8NLSD4WF0459.” Any similar wording that expresses the same
meaning may be used. The Grantee may either provide such a label, an example of which must be
included in the application for equipment authorization, or, must provide adequate instructions along with
the module which explain this requirement. In the latter case, a copy of these instructions must be
included in the application for equipment authorization.