Liftmaster Heavy Duty Gate Operator Sl585 Users Manual
2015-01-21
: Liftmaster Liftmaster-Heavy-Duty--Gate-Operator-Sl585-Users-Manual-351604 liftmaster-heavy-duty--gate-operator-sl585-users-manual-351604 liftmaster pdf
Open the PDF directly: View PDF
.
Page Count: 40
- ENGLISH
- OWNER'S MANUAL
- TABLE OF CONTENTS
- OPERATOR DIMENSIONS AND HORSEPOWER CHART
- UL325 MODEL CLASSIFICATIONS
- SAFETY INSTALLATION INFORMATION
- SUGGESTED ENTRAPMENT PROTECTION DEVICE LOCATIONS
- WIRING
- INSTALLATION
- OPERATION and MAINTENANCE
- TROUBLE SHOOTING
- SINGLE PHASE WIRING DIAGRAM
- THREE PHASE WIRING DIAGRAM
- ELECTRICAL BOX
- REPAIR PARTS
- ILLUSTRATED PARTS
- VARIABLE PARTS
- WARRANTY POLICY AND REPAIR PARTS
- FRENCH
- SPANISH

CONTROLLER BOARD
GL
Serial # ________________________
(located on electrical box cover)
Installation Date __________________
2 YEAR WARRANTY
MODELS SL585 AND SL595 ARE FOR VEHICULAR
PASSAGE GATES ONLY AND ARE NOT INTENDED FOR
PEDESTRIAN PASSAGE GATE USE
MODEL SL585
HEAVY DUTY SLIDE GATE OPERATOR
MODEL SL595
HEAVY DUTY, HARSH ENVIRONMENT
SLIDE GATE OPERATOR

2
CARTON INVENTORY
Before beginning your installation check that all components
were provided and received undamaged. Refer to list below
for factory provided parts.
Description Qty.
Safety Gate Brochure 1
Gate Bracket 2
Take-Up Bolt 2
Nickel Plated Chain #50 1
U-Bolt 2" 5/16-18 4
U-Bolt 3" 3/8-16 4
Square Head Set Screw 7/16-14 4
Hex Nut 1/2-13 4
Flange Nut 5/16"-18 8
Flange Nut 3/8"-16 8
Flat Washer 3/8" 8
Flat Washer 1/2" 4
Lock Washer 1/2" 4
HARDWARE KIT
SL585/SL595 (K77-34846)
IMPORTANT NOTES
• BEFORE attempting to install, operate or maintain the operator,
you MUST read and fully understand this manual and follow all
safety instructions.
• DO NOT attempt repair or service of your commercial door and
gate operator unless you are an Authorized Service Technician.
TABLE OF CONTENTS
OPERATOR SPECIFICATIONS
Carton Inventory . . . . . . . . . . . . . . . . . . . . . . . . . . . . . . . . . . . . .2
Operator Dimensions and Horsepower Chart . . . . . . . . . . . . . . .3
UL325 Model Classifications . . . . . . . . . . . . . . . . . . . . . . . . . . . .4
OPERATOR WARNINGS
Safety Installation Information . . . . . . . . . . . . . . . . . . . . . . . . . .5
Suggested Entrapment Protection Device Locations . . . . . . . . . .6
Safety Precautions for Open Roller Gates . . . . . . . . . . . . . . . . . .7
Warning Sign Placement . . . . . . . . . . . . . . . . . . . . . . . . . . . . . . .7
WIRING
Power Wiring Installation . . . . . . . . . . . . . . . . . . . . . . . . . . . . . .8
INSTALLATION
Pad Mounting (SL585 & SL595) . . . . . . . . . . . . . . . . . . . . . . . . .9
Post Mounting (SL585 & SL595) . . . . . . . . . . . . . . . . . . . . . . .10
Install Gate Bracket and Drive Chain . . . . . . . . . . . . . . . . . . . . .11
On/Off Switch Power Wiring . . . . . . . . . . . . . . . . . . . . . . . . . . .12
Manual Disconnect . . . . . . . . . . . . . . . . . . . . . . . . . . . . . . . . . .12
ADJUSTMENT
Limit Switch Adjustment . . . . . . . . . . . . . . . . . . . . . . . . . . . . . .13
RPM Sensor Adjustment (Hall Effect) . . . . . . . . . . . . . . . . . . . .13
Gate System Test Procedures . . . . . . . . . . . . . . . . . . . . . . . . . .13
Vent Plug . . . . . . . . . . . . . . . . . . . . . . . . . . . . . . . . . . . . . . . . . .14
UL325 Entrapment Protection . . . . . . . . . . . . . . . . . . . . . . .14-15
Control Board Illustration . . . . . . . . . . . . . . . . . . . . . . . . . . . . .15
Program Settings . . . . . . . . . . . . . . . . . . . . . . . . . . . . . . . . . . .16
Control Connection Diagrams . . . . . . . . . . . . . . . . . . . . . . . . . .17
Accessory Wiring . . . . . . . . . . . . . . . . . . . . . . . . . . . . . . . . .18-19
Sequenced Access Management System . . . . . . . . . . . . . . . . .20
OPERATION AND MAINTENANCE
Operator Maintenance . . . . . . . . . . . . . . . . . . . . . . . . . . . . . . . .21
Friction Clutch . . . . . . . . . . . . . . . . . . . . . . . . . . . . . . . . . . . . . .22
Solenoid Actuated Brake . . . . . . . . . . . . . . . . . . . . . . . . . . . . . .22
Control Board Programming and Features . . . . . . . . . . . . . .22-23
Troubleshooting . . . . . . . . . . . . . . . . . . . . . . . . . . . . . . . . . .24-25
Single Phase Schematic . . . . . . . . . . . . . . . . . . . . . . . . . . . . . .26
Single Phase Wiring Diagram . . . . . . . . . . . . . . . . . . . . . . . . . .27
Three Phase Schematic . . . . . . . . . . . . . . . . . . . . . . . . . . . . . . .28
Three Phase Wiring Diagram . . . . . . . . . . . . . . . . . . . . . . . . . . .29
REPAIR PARTS
Notes . . . . . . . . . . . . . . . . . . . . . . . . . . . . . . . . . . . . . . . . . . . . .30
Electrical Boxes . . . . . . . . . . . . . . . . . . . . . . . . . . . . . . . . . . . . .31
Repair Parts - Model SL585 . . . . . . . . . . . . . . . . . . . . . . . . . . .32
Illustrated Parts - Model SL585 . . . . . . . . . . . . . . . . . . . . . . . . .33
Repair Parts - Model SL595 . . . . . . . . . . . . . . . . . . . . . . . . . . .34
Illustrated Parts - Model SL595 . . . . . . . . . . . . . . . . . . . . . . . . .35
Safety Accessories for Secondary Entrapment Protection . . . .36
Notes . . . . . . . . . . . . . . . . . . . . . . . . . . . . . . . . . . . . . . . . . . . . .37
Warranty . . . . . . . . . . . . . . . . . . . . . . . . . . . . . . . . . . . . . . . . . .38
Service Information . . . . . . . . . . . . . . . . . . . . . . . . . . . . . . . . . .39
When you see these Safety Symbols and Signal Words on the
following pages, they will alert you to the possibility of SERIOUS
INJURY or DEATH if you do not comply with the warnings that
accompany them. The hazard may come from something
mechanical or from electric shock. Read the warnings carefully.
When you see this Signal Word on the following pages, it will
alert you to the possibility of damage to your gate and/or the gate
operator if you do not comply with the cautionary statements that
accompany it. Read them carefully.
Mechanical
Electrical
WARNING
CAUTION WARNING
WARNING
WARNING
CAUTION WARNING
WARNING
WARNING
CAUTION WARNING
WARNING

3
24"
(61 cm)
Allow
For
Door
Opening
16.5"
(41.9 cm)
13.5"
(34.3 cm)
22.5"
(57.2 cm)
30"
(76.2 cm)
3 (7.6 cm) Dia. Pipe
(Not Provided)
"
12" Min.
(30.5 cm)
MODEL SL585
• 1/2 HP Motor
Maximum Gate Speed – 11"/sec. (27.9 cm/sec.)
Maximum Gate Weight – 1000 lbs. (453.6 kg)
Maximum Cantilever Gate Width – 25 ft. (7.6 m)
Maximum Overhead Roller Gate Width – 45 ft. (13.7 m)
Maximum V-Track Gate Width – 35 ft. (10.7 m)
• 1 HP Motor
Maximum Gate Speed – 11"/sec. (27.9 cm/sec.)
Maximum Gate Weight – 1600 lbs. (725.8 kg)
Maximum Cantilever Gate Width – 35 ft. (10.7 m)
Maximum Overhead Roller Gate Width – 70 ft. (21.3 m)
Maximum V-Track Gate Width – 50 ft. (15.2 m)
MODEL SL595
• 1/2 HP Motor
Maximum Gate Speed – 12"/sec. (30.5 cm/sec)
Maximum Gate Weight – 1100 lbs. (499 kg)
Maximum Cantilever Gate Width – 25 ft. (7.6 m)
Maximum Overhead Roller Gate Width – 45 ft. (13.7 m)
Maximum V-Track Gate Width – 35 ft. (10.7 m)
• 1 HP Motor
Maximum Gate Speed – 12"/sec. (30.5 cm/sec)
Maximum Gate Weight – 1700 lbs. (771.1 kg)
Maximum Cantilever Gate Width – 35 ft. (10.7 m)
Maximum Overhead Roller Gate Width – 70 ft. (21.3 m)
Maximum V-Track Gate Width – 50 ft. (15.2 m)
• 2 HP Motor
Maximum Gate Speed – 12"/sec. (30.5 cm/sec)
Maximum Gate Weight – 2500 lbs. (1134 kg)
Maximum Cantilever Gate Width – 45 ft. (13.7 m)
Maximum Overhead Roller Gate Width – 90 ft. (27.4 m)
Maximum V-Track Gate Width – 60 ft. (18.3 m)
OPERATOR DIMENSIONS AND HORSEPOWER CHART
17.2"
(43.7 cm)
12.9"
(32.8 cm)
14.9"
(37.9 cm)
28.9"
(73.4 cm)
27.5"
(69.9 cm)
14.1"
(35.8 cm)
37.7"
(95.8 cm)
Opposite Gate Side
Gate Side

4
SAFETY ACCESSORY SELECTION
All UL325 compliant LiftMaster gate operators will accept external
entrapment protection devices to protect people from motorized
gate systems. UL325 requires that the type of entrapment
protection correctly matches each gate application. Below are the
six types of entrapment protection systems recognized by UL325
for use on this operator.
ENTRAPMENT PROTECTION TYPES
Type A: Inherent obstruction sensing system, self-contained
within the operator. This system must sense and initiate
the reverse of the gate within two seconds of contact
with a solid object.
Type B1: Connections provided for a non-contact device, such as
a photoelectric eye can be used as a secondary
protection.
Type B2: Connections provided for a contact sensor. A contact
device such as a gate edge can be used for secondary
protection.
Type C: Inherent adjustable clutch or pressure relief valve.
Type D: Connections provided for a control
requiring continuous pressure to
operate the operator open and close.
Type E: Built-in audio alarm. Examples
include sirens, horns or buzzers.
NOTE: UL requires that all installations must
have warning signs placed in plain view on
both sides of the gate to warn pedestrians of
the dangers of motorized gate systems.
Moving Gate Can Cause
Injury or Death
KEEP CLEAR! Gate may move at any
time without prior warning.
Do not let children operate the gate or
play in the gate area.
This entrance is for vehicles only.
Pedestrians must use separate entrance
UL325 MODEL CLASSIFICATIONS
UL325 ENTRAPMENT PROTECTION REQUIREMENTS
The chart above illustrates the entrapment protection
requirements for each of the four UL325 classes.
In order to complete a proper installation you must satisfy the
entrapment protection chart shown above. That means that
the installation must have one primary means of entrapment
protection and one independent secondary means of
entrapment protection. Both primary and secondary
entrapment protection methods must be designed, arranged
or configured to protect against entrapments in both the open
and close directions of gate travel.
For Example: For a slide gate system that is installed on a
single-family residence (UL325 Class I) you must provide the
following: As your primary type of entrapment protection you
must provide Type A inherent (built into the operator)
entrapment sensing and at least one of the following as your
secondary entrapment protection: Type B1- Non-contact
sensors such as photoelectric eyes, Type B2- Contact sensors
such as gate edges or Type D- Constant pressure control.
GATE OPERATOR ENTRAPMENT PROTECTION
Class
I & II
Class III
Class IV A, B1, B2,
C or D
A, B1, B2,
C, D or E
A, B1, B2,
D or E
A, B1, B2
or D
A, B1 or
B2
A, B1, B2,
D or E
A, B1, B2
or C
A, B1, B2,
or C
A or C
B1, B2
or D
A
UL325 Slide Gate Operator Swing & Gate Barrier
Installation (Arm) Operator
Class Primary
Type Secondary
Type
Secondary
Type Primary
Type
A, B1, B2,
C, D or E
CLASS I – RESIDENTIAL VEHICULAR GATE OPERATOR
A vehicular gate operator (or system) intended for use in a home of one-to four single family dwellings,
or a garage or parking area associated therewith.
CLASS II – COMMERCIAL/GENERAL ACCESS VEHICULAR GATE OPERATOR
A vehicular gate operator (or system) intended for use in a commercial location or building such as a
multi-family housing unit (five or more single family units) hotel, garage, retail store or other building
servicing the general public.
CLASS III – INDUSTRIAL/LIMITED ACCESS VEHICULAR GATE OPERATOR
A vehicular gate operator (or system) intended for use in a industrial location or building such as a
factory or loading dock area or other location not intended to service the general public.
CLASS IV – RESTRICTED ACCESS VEHICULAR GATE OPERATOR
A vehicular gate operator (or system) intended for use in a guarded industrial location or building such
as an airport security area or other restricted access locations not servicing the general public, in which
unauthorized access is prevented via supervision by security personnel.

5
1. Vehicular gate systems provide convenience and security. Gate systems are comprised of many component parts. The gate
operator is only one component. Each gate system is specifically designed for an individual application.
2. Gate operating system designers, installers and users must take into account the possible hazards associated with each individual
application. Improperly designed, installed or maintained systems can create risks for the user as well as the bystander. Gate
systems design and installation must reduce public exposure to potential hazards.
3. A gate operator can create high levels of force in its function as a component part of a gate system. Therefore, safety features
must be incorporated into every design. Specific safety features include:
•Gate Edges •Guards for Exposed Rollers •Photoelectric Sensors
•Screen Mesh •Vertical Posts •Instructional and Precautionary Signage
4. Install the gate operator only when:
a. The operator is appropriate for the construction and the usage class of the gate.
b. All openings of a horizontal swing gate are guarded or screened from the bottom of the gate to a minimum of 4' (1.2 m) above
the ground to prevent a 2-1/4" (57.15 mm) diameter sphere from passing through the openings anywhere in the gate, and in
that portion of the adjacent fence that the gate covers in the open position.
c. All exposed pinch points are eliminated or guarded, and guarding is supplied for exposed rollers.
5. The operator is intended for installation only on gates used for vehicles. Pedestrians must be supplied with a separate access
opening.
6. The gate must be installed in a location so that enough clearance is supplied between the gate and adjacent structures when
opening and closing to reduce the risk of entrapment. Swinging gates shall not open into public access areas.
7. The gate must be properly installed and work freely in both directions prior to the installation of the gate operator.
8. Controls must be far enough from the gate so that the user is prevented from coming in contact with the gate while operating the
controls.
9. Controls intended to be used to reset an operator after 2 sequential activations of the entrapment protection device or devices
must be located in the line of sight of the gate, or easily accessible controls shall have a security feature to prevent unauthorized
use.
10. All warning signs must be installed where visible, on each side of the gate.
11. For a gate operator utilizing a non-contact sensor:
a. See instructions on the placement of non-contact sensor for each type of application.
b. Care shall be exercised to reduce the risk of nuisance tripping, such as when a vehicle trips the sensor while the gate is still
moving.
c. One or more non-contact sensors shall be located where the risk of entrapment or obstruction exists, such as the perimeter
reachable by a moving gate or barrier.
12. For a gate operator utilizing a contact sensor such as an edge sensor:
a. A hard wired contact sensor shall be located and its wiring arranged so the communication between the sensor and the gate
operator is not subject to mechanical damage.
b. A wireless contact sensor such as the one that transmits radio frequency (RF) signals to the gate operator for entrapment
protection functions shall be located where the transmission of the signals are not obstructed or impeded by building
structures, natural landscaping or similar obstruction. A wireless contact sensor shall function under the intended end-use
conditions.
c. One or more contact sensors shall be located at the leading edge, trailing edge and post mounted both inside and outside of a
vehicular horizontal slide gate.
d. One or more contact sensors shall be located at the bottom edge of a vehicular vertical lift gate.
e. One or more contact sensors shall be located on the inside and outside leading edge of a swing gate. Additionally, if the bottom
edge of a swing gate is greater than 6" (152 mm) above the ground at any point in its arc of travel, one or more contact sensors
shall be located on the bottom edge.
SAFETY INSTALLATION INFORMATION

6
1-1/2" (37 mm)
1/4" (6 mm) or Larger
Depending on Loop
Wire Size
Interrupt
(Safety)
Loop
4' (1.2 m)
Typical
Seal Loops
Loop Wire Layer
12'
(3.7 m)
6' (1.8 m)
Close
Edge
Gate 2
Open
Edge
Photo Eyes for
Open Cycle
Photo Eyes for
Close Cycle
4' (1.2 m)
Typical
4' (1.2 m)
Typical
Open
Edge
Photo Eyes for
Open Cycle
Run Twisted Wire
from Loop
to Operator
STREET
COMPLEX
OR
PARKING LOT
Gate 1
Interrupt
(Safety)
Loop
GATE SYSTEM (MASTER/SECOND SLIDE GATE)
GATE SYSTEM (COMMERCIAL SLIDE GATE)
Photo eye for
open cycle
Photo eye for
close cycle
8'
4'
Open
Edge
Telephone
Entry
System
1-1/2"
1/4" or larger for Loop
wire width depending
on Loop wire size
STREET
Run twisted wire
from Loop
to Operator*
Seal Loops*
Loop wire*
layer
Close
Edge
4'
Typical
4'
Typical
4'
Typical
COMPLEX
OR
PARKING LOT
Interrupt
(Safety)
Loop
Interrupt
(Safety)
Loop
SUGGESTED ENTRAPMENT PROTECTION DEVICE LOCATIONS

7
NOT FOR USE AS PEDESTRIAN PASSAGE! This operator is
intended for vehicular use only. To prevent INJURY to
pedestrians, a separate pedestrian access should be supplied,
visible from the gate. Locate the pedestrian access where there is
not a chance of INJURY at any point during full movement of the
gate.
DO NOT MOUNT ACCESSORIES THAT ARE
ACCESSIBLE THROUGH GATE!
WARNING SIGN PLACEMENT
Moving Gate Can Cause
Injury or Death
KEEP CLEAR! Gate may move at any
time without prior warning.
Do not let children operate the gate or
play in the gate area.
This entrance is for vehicles only.
Pedestrians must use separate entrance
Gate Edge on
Rear of Gate for
Open Direction
Gate Edge on Fence
Post for Open Direction
Photo Beam
for Open
Direction Additional Post Mounted Gate
Edge for Close Direction
Unit
Additional Post Mounted Gate
Edge for Open Direction
Gate Edge On
Leading Edge of Gate
For Close Direction
Photo Beam for
Close Direction
Pinch-Point
Hazard
Pinch-Point
Hazard
Always Test Gate Edges And
Photo Beams Anytime They Are
Adjusted Or Serviced
Gate Edge
Gate Edge
For Open Direction
Gate Edge for
Close Direction
Gate Edge
For Close
Direction
Vertical Post Placed On Both
Sides of the Exposed
Rollers Can Prevent Hands
From Reaching These
Pinch-points
SAFETY PRECAUTIONS FOR OPEN ROLLER GATES
To prevent SERIOUS INJURY or DEATH from a moving gate:
• Install Warning signs on EACH side of gate in PLAIN VIEW.
• Permanently secure each Warning sign in a suitable
manner using fastening holes.
• Injuries occur when people get their hands or feet caught
between the top or bottom of the gate and the gate roller.
These potential pinch-points should be guarded against at all
times. Enclosed style gate tracks are available for refitting of
these rollers from many fence suppliers. Also, roller guards
are available for installing over the rollers.
• UL325 requires that, when used, contact sensors shall be
located at the leading edge, trailing edge, and be post
mounted both inside and outside of a vehicular horizontal
slide gate. Non-contact sensors such as photo eyes must
protect during both open and close gate cycles.
• Injuries occur when people put their hands and arms
through openings in the grill while the gate is operating.
They cannot retract their arm and it gets caught between the
moving gate grill and the stationary fence post or fence. This
potential hazard can be averted by placing a 4' (1.2 m)
screen mesh on the gate to prevent access through openings
anywhere the gate may travel. See Safety Brochure for
details. To prevent entrapment injuries, mount controls at
least 6' (1.8 m) from the gate or any moving parts of the
gate.
WARNING
CAUTION WARNING
WARNING
WARNING
CAUTION WARNING
WARNING

8
POWER WIRING INSTALLATION
Wiring Specifications (STRANDED COPPER WIRE)
On a Dual Gate System, each unit must be installed on ITS OWN separate circuits
NOTE: Calculated using NEC guidelines. Local codes and conditions must be reviewed for suitability of wire installation. All power
wiring should be dedicated and protected. Location of primary power disconnect should be labeled.
To reduce the risk of SEVERE INJURY or DEATH:
• ANY maintenance to the operator or in the area near the
operator MUST not be performed until disconnecting the
electrical power and locking-out the power via the operator
power switch. Upon completion of maintenance the area
MUST be cleared and secured, at that time the unit may be
returned to service.
• Disconnecting power at the fuse box BEFORE proceeding.
Operator MUST be properly grounded and connected in
accordance with local electrical codes. NOTE: The operator
should be on a separate fused line of adequate capacity.
• ALL electrical connections MUST be made by a qualified
individual.
• DO NOT install any wiring or attempt to run the operator
without consulting the wiring diagram. We recommend that
you Install an optional reversing edge BEFORE proceeding with
the control station installation.
• ALL power wiring should be on a dedicated circuit and well
protected. The location of the power disconnect should be
visible and clearly labeled.
• ALL power and control wiring MUST be run in separate
conduit.
• BEFORE installing power wiring or control stations be sure to
follow all specifications and warnings described below. Failure
to do so may result in SEVERE INJURY to persons and/or
damage to operator.
WIRING
WARNING
CAUTION WARNING
WARNING
SINGLE PHASE
115 Vac 230 Vac
THREE PHASE
230 Vac 460 Vac 575 Vac
WIRE GAUGE 6
• 1/2 HP Motor ------ 425 ft. (129.5 m) 1845 ft. (562.4 m) 2557 ft. (779.4 m) 12789 ft. (3898.1 m) 15987 ft. (4872.8 m)
• 1 HP Motor---------- 213 ft. (64.9 m) 852 ft. (259.7 m) 1278 ft. (389.5 m) 5115 ft. (1559.1 m) 7993 ft. (2436.3 m)
• 2 HP Motor---------- 639 ft. (194.8 m) 2557 ft. (779.4 m) 4441 ft. (1353.6 m)
WIRE GAUGE 8
• 1/2 HP Motor ------ 269 ft. (82 m) 1165 ft. (355.1 m) 1614 ft. (492 m) 8072 ft. (2460.4 m) 10089 ft. (3075.1 m)
• 1 HP Motor---------- 134 ft. (40.8 m) 537 ft. (163.7 m) 807 ft. (246 m) 3228 ft. (983.9 m) 5044 ft. (1537.4 m)
• 2 HP Motor---------- 403 ft. (122.8 m) 1614 ft. (492 m) 2525 ft. (769.6 m)
WIRE GAUGE 10
• 1/2 HP Motor ------ 168 ft. (51.2 m) 730 ft. (222.5 m) 1012 ft. (308.5 m) 5064 ft. (1543.5 m) 6330 ft. (1929.4 m)
• 1 HP Motor---------- 84 ft. (25.6 m) 337 ft. (102.7 m) 506 ft. (154.2 m) 2025 ft. (617.2 m) 3165 ft. (964.7 m)
• 2 HP Motor---------- 252 ft. (76.8 m) 1012 ft. (308.5 m) 1582 ft. (482.2 m)
WIRE GAUGE 12
• 1/2 HP Motor ------ 105 ft. (32 m) 458 ft. (139.6 m) 634 ft. (193.2 m) 3171 ft. (966.5 m) 3964 ft. (1208.2 m)
• 1 HP Motor---------- 53 ft. (16.2 m) 211 ft. (64.3 m) 316 ft. (96.3 m) 1269 ft. (386.8 m) 1982 ft. (604.1 m)
• 2 HP Motor---------- 157 ft. (47.9 m) 634 ft. (193.2 m) 990 ft. (301.8 m)

9
INSTALLATION
21-1/8" (53.7 cm)
4" (10.2 cm)
7"
(17.8 cm) 36" (91.4 cm)
18" (45.7 cm)
Fence Line
1" (2.5 cm)
Rear of Gate
or Back Frame
Concrete
Anchor Holes
10-7/8"
(27.6 cm)
Depth Required By
Local Codes or
Below Frost Line
2" to 4"
(5.1 to 10.2 cm)
Above Grade
Concrete Pad
Power and Control
Wiring Should Be
Run In Separate Conduit
Drive and Idler
SprocketToward
Gate Side
Using Suitable Hardware
To Secure Operator To
Concrete Anchors
1/2" (12.7 mm)
Concrete Anchors
(4 Required)
Figure 3
PAD MOUNTING (SL585 ONLY)
RETRO-FIT INSTALLATION
The operator is shipped from the factory with the lower mounting
angles configured out (Figure 1). If you have pad constrictions,
either angle can be unbolted and reversed to ‘angle in’.
NOTE: If you are replacing an SL580 and wish to use the same
pad mounting hardware, the gate side mounting angle must be
installed angle in.
NEW INSTALLATION
CONCRETE PAD PREPARATION:
1. Lay out concrete pad. (Figure 2).
2. Locate electrical conduit, as required, prior to pouring
concrete.
3. Pour concrete pad.
4. Secure operator (Figure 3) to the concrete pad using four 1/2"
(1.3 cm) concrete anchors (not provided).
Angle Out
Angle In
Figure 1
Figure 2

10
POST MOUNTING (SL585 AND SL595)
RETRO-FIT INSTALLATION
The operators come from the factory configured to mount to an
inside the frame post mount dimension of 26" (outside to outside
of posts). The frame comes slotted to accommodate posts 24
1/8" to 26", outside to outside (Figure 1).
NOTE: If you are replacing a SL580, the frame will require
adjustment to 24 1/8".
Figure 1
Post to Post Adjustment
24 1/8" (61 cm)
26" (66 cm)
8.5" (21.6 cm)
Ground Level
Depth As Required By
Local Codes or Below
Frost Line
14" (35.6 cm) Min.
Gate
Outside To Outside
Fence Line
26" (66 cm)
6" (15.2 cm)
End Post
3" (7.6 cm) Outside
Diameter Heavy
Wall Fence Pipe
SL585 ONLY
Figure 2
NEW INSTALLATION (FIGURES 2 AND 3)
1. Locate and anchor two posts made of 3" (7.6 cm) outer
diameter heavy walled pipe. Posts should be parallel and
square to the gate.
2. Locate electrical conduit, as required, prior to pouring
concrete.
3. Secure operator to posts using four 3" (7.6 cm) U-bolts and
hardware provided.
8.5" (21.6 cm)
Ground Level
Depth As Required By
Local Codes or Below
Frost Line
39" (99.1 cm) Min.
Gate
Inside to inside
Fence Line
6" (15.2 cm)
End Post
3" (7.6 cm) Outside
Diameter Heavy
Wall Fence Pipe
SL595 ONLY
24"
(61 cm)
Figure 3
3" (7.6 cm)
U-bolt
(4 required)
Drive and Idler
Sprocket Toward
Gate Side
12" (30.5 cm) Minimum
From Ground
Power and Control
Wiring Should Be Run
In Separate Conduit
SL595 ONLY
Figure 3
3" (7.6 cm) U-bolt
(4 required)
Power and Control
Wiring Should Be Run In
Separate Conduit
Drive and Idler
Sprocket Toward
Gate Side
Angle
Bracket
Figure 2

11
“Inside”
Gate
“Outside”
Gate Bracket
2" (5.1 cm) U-bolts
With Lock Washers
and Nuts
Anti-Rotation
Set Screw
Figure 1
* *
* Gate brackets must be level and centered
with bottom of idler sprocket
Gate Post
Gate Bracket
Safety Bracket
Insert Chain Through Plastic Guides
Idler Sprocket Idler Sprocket
Drive Sprocket
Figure 2
1. Mount gate brackets to the vertical front and rear posts of the
gate (Figure 1).
2. Remove the operator cover or open access door.
3. Locate and engage the manual disconnect and lock it in place
(refer to page 12).
4. Connect chain take-up bolt to the end of the chain and attach
to the rear gate bracket (Figure 2).
5. Ensure that the drive and idler sprockets are in line with each
other. Thread the chain through the plastic chain guide, around
drive and idler sprockets, and then through the second plastic
chain guide toward front gate bracket (Figure 3).
6. Adjust the chain to proper length and attach second take-up
bolt to chain end. Secure the take-up bolt to the front gate
bracket as shown.
Adjust nuts on chain take-up bolts to remove chain slack. A
general rule of thumb is to leave a maximum of 1" (2.5 cm) of
chain slack for every 10' (3.1 m) of chain length.
Do not overtighten chain.
NOTE ABOUT SOME TYPES OF CANTILEVER GATES:
With some cantilever gates over 20' (6.1 m) long, you may need
to add a brace along the length of the gate to prevent the gate
from bowing when chain is tightened. This may also be required
on some styles of gates that are constructed out of aluminum. If
positioned properly, this brace can also be used as a chain
support.
Figure 3
INSTALL GATE BRACKET AND DRIVE CHAIN
To prevent damage to the operator or gate, DO NOT drive the
limit (nuts) actuators on the shaft past their normal positions.
WARNING
CAUTION WARNING
WARNING

12
IMPORTANT NOTE: This operator is shipped from the factory as a right hand mounted unit, unit MUST be phased correctly. On three
phase operators, power connections must be properly phased. If phased incorrectly, the gate operator will run reversed. To correct this
situation, shut off power at main power source and at the operators electrical disconnect switch. Then reverse any two of the three
power leads.
AVAILABLE CONDUIT ACCESS FOR THE ELECTRICAL BOX
The accessory tray is equipped with several 1-1/2" pass though holes as well as 3/4" and 1" knock outs for conduit connectors. The
electrical box is equipped with 3/4" and 1" knock outs for conduit connectors.
ON/OFF SWITCH POWER WIRING
NOTES: Before running power wiring refer to wiring specifications on page 8 for correct wire gauges.
Secure all electrical power connections inside the disconnect switch electrical box. Refer to electrical wiring diagrams on pages 26-29.
115V SINGLE PHASE
POWER SWITCH ASSEMBLY
230V SINGLE PHASE &
THREE PHASE
POWER SWITCH ASSEMBLY
SINGLE PHASE
All single phase 115V/208/230V operators will have the
following:
• L1 WHITE
• L2 BLACK
• GROUND, GREEN
THREE PHASE
All three phase operators will have the following:
• L1 BLACK
• L2 BLACK
• L3 BLACK
• GROUND, GREEN
Pull the handle
to release
MODEL SL585
DISENGAGEMENT: Rotate disconnect handle 90˚ to
disengage. The gate may now be
moved manually.
RE-ENGAGEMENT: Rotate handle back to original
position. (Some operator output
sprocket rotation may be required for
engagement).
MODEL SL595
DISENGAGEMENT: Open the hinged door and pull the
disconnect lever and lock it in place.
The gate my now be moved manually.
RE-ENGAGEMENT: Release the lever and close the door.
(Some operator output sprocket
rotation may be required for
engagement).
MANUAL DISCONNECT

13
ADJUSTMENT
NOTE: Make sure the limit nuts are positioned between the limit
switch actuators before proceeding with adjustments.
1. Remove control panel cover and locate the limit switch
assembly.
2. Disengage the unit’s manual disconnect (page 12), then
manually open the gate to its full open position (Note direction
of limit nut travel).
3. Adjust the open limit nut by depressing the retaining bracket
to allow nut to spin freely. Adjust open limit nut so that it trips
the open limit switch. After adjustment, release plate and
ensure it seats fully in slots of both nuts.
4. Manually close the gate to its full closed position.
5. Disengage the retaining bracket and rotate the close limit nut
until it trips the close limit switch.
6. Re-engage the retaining bracket into both limit nuts and also
re-engage the manual disconnect.
DIRECTION OF
GATE TO OPEN
RIGHT
(Factory Default)
LEFT
OPEN
LIMIT
A
B
CLOSE
LIMIT
B
A
LIMIT SWITCH ADJUSTMENT
LIMIT DIRECTION
Limit Switch
Limit Switch
Depressed Plate
Retaining
Bracket
Each Notch of the Nut Indicates an
Estimated 1" (2.5 cm) of Gate Travel
Limit Nut A
Limit Nut B
To reduce the risk of SEVERE INJURY or DEATH:
• Disconnect power BEFORE performing ANY adjustments.
WARNING
CAUTION WARNING
WARNING
RPM SENSOR (HALL EFFECT) ADJUSTMENT
NOTE: Normally the RPM Sensor (hall effect) does not need
adjustment, but may go out of alignment due to shipping
vibration or rough handling.
These operators use an internal entrapment protector system.
This system consists of the control board, magnet, and
RPM sensor (hall effect). It may become necessary to adjust the
sensor for correct alignment. To do so please perform the
following steps:
1. The sensor must be
centered over the
magnet wheel. Adjust
with horizontal screws.
2. The sensor must be
level.
3. The sensor air gap
should be adjusted to
.010 - .015 of an inch
(.25 - .38 mm). (The
thickness of a business
card may be used to
gauge the correct
distance). Adjust with vertical screws.
Vertical Adjustment
Screws
Horizontal Adjustment
Screws
Magnet
RPM Sensor (Hall Effect)
.010 - .015"
(.25 - .38 mm)
Air Gap
GATE SYSTEM TEST PROCEDURES
Make sure that the gate’s path is clear from any obstructions and that all associated gate hardware is properly mounted and
secured.
1. With the power off, manually move the gate to the fully closed position.
2. At the closed position, turn the power on and observe the GL controller board’s diagnostic and limit LEDs. When power is turned on,
these LEDs should flash simultaneously for a few seconds.
3. Locate the 3-button control that is built into the electrical box.
4. Push the open button and observe the operator’s behavior. The gate should begin opening. If the operator fails to open or has
difficulty opening, refer to the troubleshooting section.
5. Once at the open limit, the gate will stop. Push the close button and observe the operator’s behavior. If the operator fails to close or
has difficulty closing, refer to the troubleshooting section.
6. While the gate is closing, push the stop button. The gate should now stop.
7. Push the close button to return the gate to the fully closed position.

14
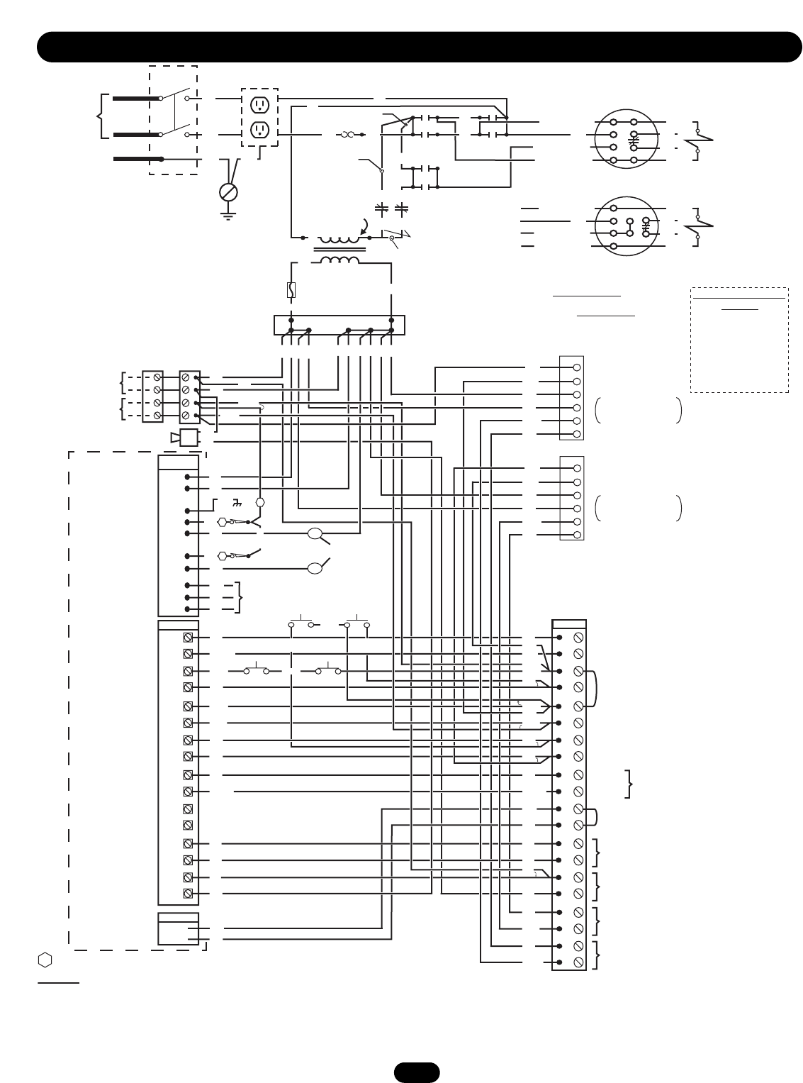
UL325 ENTRAPMENT PROTECTION
PRIMARY ENTRAPMENT PROTECTION ADJUSTMENTS
Force Control
Set the force control pot such that the unit will complete a full
cycle of gate travel but can be reversed off an obstruction without
applying an unreasonable amount of force. On most operators
this will be around the middle of the range.
SECONDARY ENTRAPMENT PROTECTION ADJUSTMENTS
Terminals 9 & 5 - Obstruction While Opening
(Edge/Photo Eye Input)
Edge Input: See Programming Section on page 15.
This input will reverse an opening gate to the close limit.
Activating this input when the gate is closing will have no effect.
NOTE: If upon reversal a second separate obstruction is detected
(gate edge or RPM sensor), gate will stop and alarm.
Photo Eye Input: See Programming Section on page 15.
This input will pause an opening gate. Once the input (photo eye)
is cleared, the gate continues to open. Activating this input when
the gate is closing will have no effect.
Terminals 10 & 5 - Obstruction While Closing
(Edge/Photo Eye Input)
Edge Input: See Programming Section on page 15.
This input will reverse a closing gate to the open limit. When
reaching the open limit the timer to close, if enabled, will be
disabled until another command is given. Activating this input
when the gate is closing will have no effect.
NOTE: If upon reversal a second separate obstruction is detected
(gate edge or RPM sensor), gate will stop and alarm.
Photo Eye Input: See Programming Section on page 15.
This input will reverse a closing gate to the open limit. This input
will not affect the timer to close. Activating this input when the
gate is closing will have no effect.
GL Control Board
Obstruction While Opening
(Edge/Photo eye with N.O. Contact)
5 6 7 8 9 10
Obstruction While Closing
(Edge/Photo eye with N.O. Contact)
5 6 7 8 9 10
Transformer
Electrical
Box
Force Control
Max
Min
N.O.
N.O.
INSTALL VENT PLUG
1. Remove fill plug from gear box.
2. Install vented plug provided with the hardware box.
3. Remove relief valve from the new vented plug.
Fill Plug
Drain Plug

15
EDGE/PHOTO CLOSE
This switch (S2-4) selects edge or photo sensor for the gate
closing protection input.
Close Photo Eye (Reverse): When
the control board is configured for
photo eyes, the input functions to
reverse the gate to the open limit
when activated during the close
cycle. Shown as factory default.
NOTE: Timer to close will reset if enabled.
Close Edge: When the control
board is configured for safety
edges, the input functions to
reverse the gate to the open limit
when activated during the close
cycle. The entrapment is not cleared
at the limit and the timer to close
will be disabled. The timer to close
may be enabled by activating the
interrupt (safety) loop, open or override open inputs.
UL325 ENTRAPMENT PROTECTION (CONTINUED)
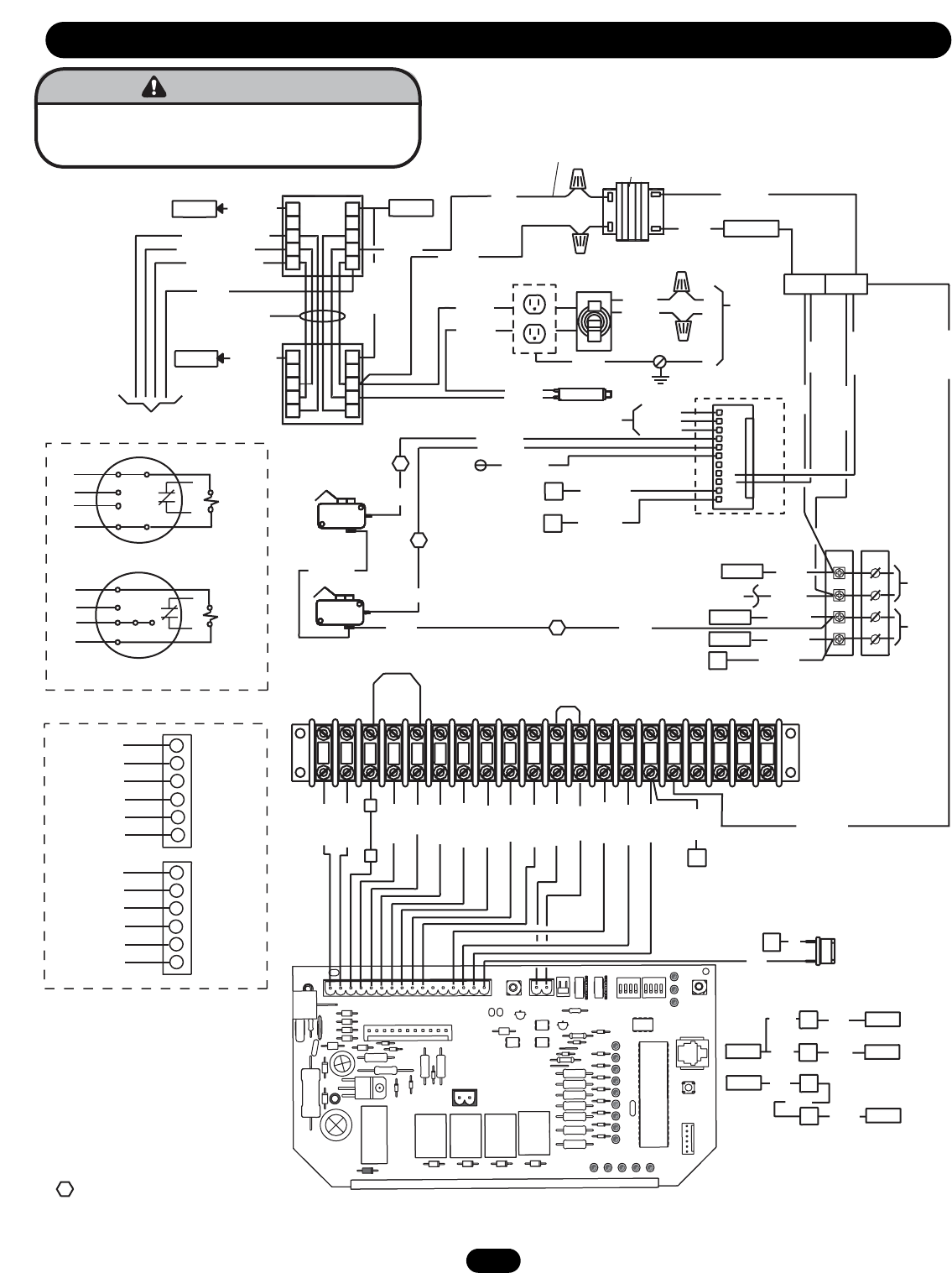
Motor Learn Button (S3)
Relay Drive Troubleshooting LEDs (D6)
Terminal Troubleshooting LEDs (D11)
Limit LEDs
Dip Switch (S1)
Diagnostic
LED
Dip Switch (S2)
Force Adjustment
Timer to Close
Dip Switch
Master/Second (S4)
Connector
Master/Second (J4)
Connector
Main Terminal
Wiring (J1)
Connector SAMS (J5)
Connector (J2)
CONTROL BOARD ILLUSTRATION
EDGE/PHOTO OPEN
This switch (S2-3) selects edge or photo sensor for the gate
opening protection input.
Open Photo Eye (Pause): When the
control board is configured for photo
eyes, the input functions to pause the
gate during the opening cycle. Once the
input is cleared the gate continues to
open. Shown as factory default.
Open Edge: When the control board is
configured for safety edges, the input
functions to reverse the gate to the close
limit when the edge is activated during
the opening cycle.
PHOTO CLOSE
ON
CLED PH
OPED PH
1 2 3 4
WARN
MAG
ON
S2
(Factory Default)
PHOTO OPEN
ON
CLED PH
OPED PH
1 2 3 4
WARN
MAG
ON
S2
EDGE OPEN
ON
CLED PH
OPED PH
1 2 3 4
WARN
MAG
ON
S2
ON
CLED PH
OPED PH
1 2 3 4
WARN
MAG
ON
S2
EDGE CLOSE

16
TIMER TO CLOSE ENABLE
This switch enables the auto close timer. The timer to close
feature works in conjunction with the potentiometer located on
the board.
SLIDE/SWING
This switch selects slide or swing gate operation, in order to
optimize gate behavior for specific application.
SL = Slide • SW = Swing
RIGHT/LEFT OPERATION
This switch selects the gate opening direction, to the left or to
the right. Right/Left operation is determined from the inside of
fence looking out.
“SAVE” SWITCH
This switch stores all settings into memory and locks out changes.
NOTE: For any programming changes to take effect this switch
must be in OFF position. When switch is ON, no settings can be
changed.
RIGHT HAND
LEFT HAND
(Factory Default)
1 2 3 4
ON
SAVE
TTC
ON
S1
1 2 3 4
ON
SAVE
TTC
ON
S1
RT LT
SW SL
RT LT
SW SL
RT LT
SW SL
1 2 3 4
ON
SAVE
TTC
ON
S1
LOCKED UNLOCKED
1 2 3 4
ON
SAVE
TTC
ON
S1
(Factory Default)
RT LT
SW SL
APEMs
TIMER TO CLOSE
ENABLED TIMER TO CLOSE
DISABLED
1 2 3 4
ON
SAVE
TTC
ON
S1
1 2 3 4
ON
SAVE
TTC
ON
S1
RT LT
SW SL
RT LT
SW SL
(Factory Default)
(Factory Default)
SWING GATE SLIDE GATE
1 2 3 4
ON
SAVE
TTC
ON
S1
1 2 3 4
ON
SAVE
TTC
ON
S1
RT LT
SW SL
RT LT
SW SL
PROGRAM SETTINGS (DIP SWITCH S1)
NOTE: For all S1, S2 and S4 switch settings to take effect, the Save Mode switch must be set to the off position.
PROGRAM SETTINGS (DIP SWITCH S2)
MAGLOCK ENABLE
This switch enables the Maglock feature. On an open command
there will be a half second delay after the maglock relay is
released before the motor starts.
WARNING ENABLE
This switch enables the gate “in motion” alarm feature. The
alarm will beep 3 seconds prior to movement and throughout
movement.
(Factory Default)
MAGLOCK ENABLED MAGLOCK DISABLED
ON
CLED PH
OPED PH
1 2 3 4
WARN
MAG
ON
S2
ON
CLED PH
OPED PH
1 2 3 4
WARN
MAG
ON
S2
(Factory Default)
WARNING ENABLED WARNING DISABLED
ON
CLED PH
OPED PH
1 2 3 4
WARN
MAG
ON
S2
ON
CLED PH
OPED PH
1 2 3 4
WARN
MAG
ON
S2
Max = 180 sec
Min = 0 sec
TIMER TO CLOSE

1717
R2
R1
24 Vac
R4
R3
24Vac Accessory
Power May Be
Found On These
Terminals
Accessory Terminal Block
Control Board
Accessory Terminal Block
Close Override
Control Input (N.O.)
3
3
6
6
9
9
#
#
2
2
5
5
8
8
0
0
1
1
7
7
1 2 3 4 5 6 7 8 9 10
1 1 12 13 14 15 16 17 18 19 20
OPEN
CLOSE
STOP
OPEN
CLOSE
STOP
OPEN
CLOSE
STOP
FREQ
FREQ
Stop/Reset
Control Input (N.C.)
Soft Open
Input (N.O)
Hard Open Override
Control Input (N.O)
Interrupt (Safety)
Loop Input (N.O)
Shadow Loop
Input (N.O.)
Obstruction While Opening
Edge/Photo Eye Input (N.O.)
Radio (Single Button)
Input (N.O.)
Obstruction While Closing
Edge/Photo Eye Input (N.O.)
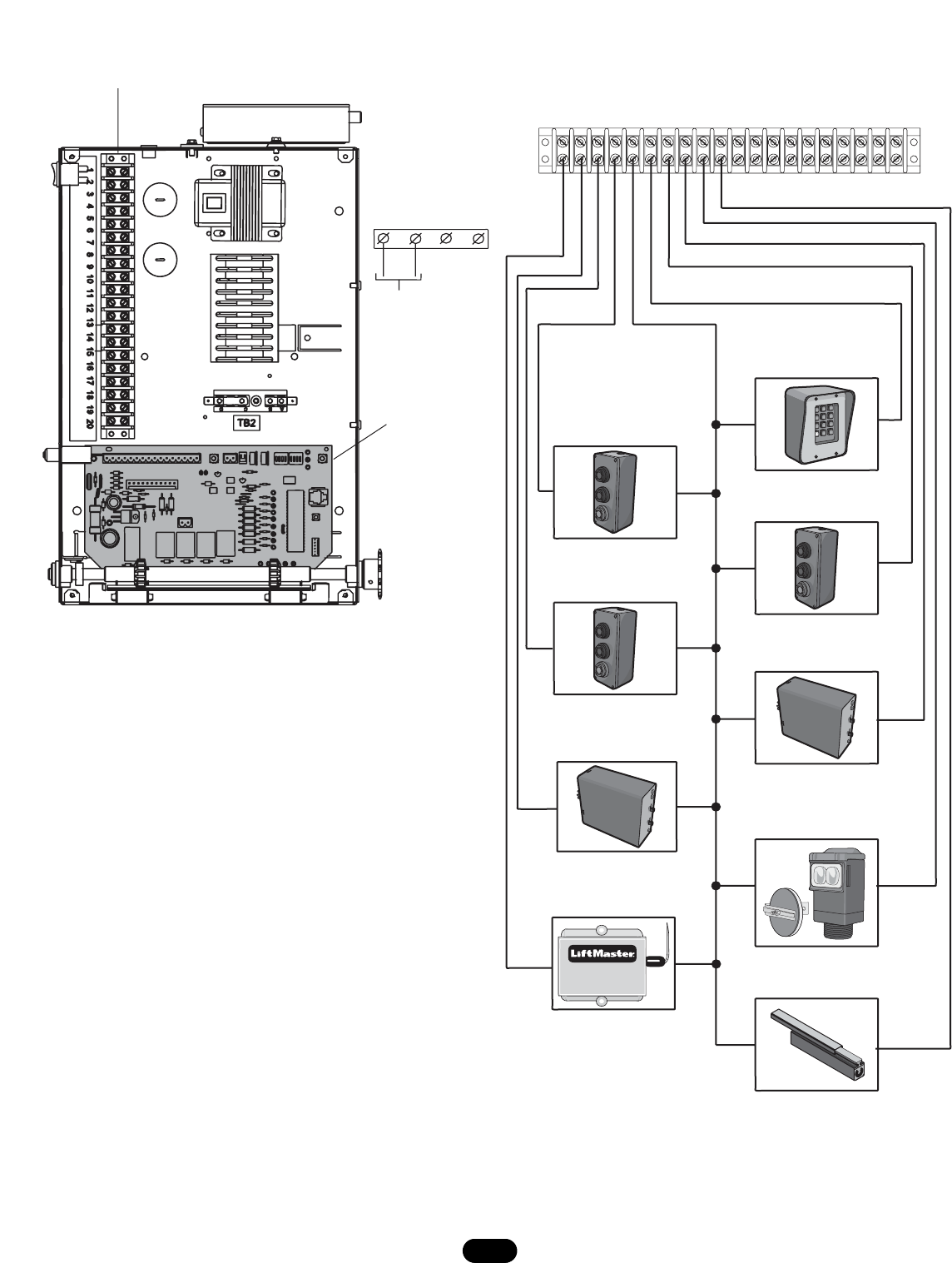
CONTROL CONNECTION DIAGRAMS
NOTE: See wiring diagrams shipped with accessory kit for
additional information.
NOTE: All controls that are to be used to operate the gate system,
must be installed where the user cannot come into contact with
the gate while operating the controls where the user has full view
of gate operation.
*We strongly recommend that you follow the UL guidelines
presented throughout the manual. Installation device
instructions: Always follow the instructions provided by the
manufacturer when installing and adjusting any control device. If
these instructions are contrary to the advice given here, call for
assistance.
SINGLE PHASE ELECTRICAL BOX

18
ACCESSORY WIRING
All inputs are normally open and momentary, except the stop
(N.C.). The following instructions are based upon UL325, and
include recommendations for significant increase in safety.
We strongly recommend that you follow the UL guidelines
presented throughout the manual. Refer to instructions shipped
with optional control devices for mounting, wiring, programming
and adjustment.
The LiftMaster Radio Receiver comes pre-wired to the operator
• Remove the brass antenna from the accessary box and screw it
onto the “F”-connector provided on the side of the gate
operator.
NOTE: The radio receiver is wired in the factory for single button
control to open and close the gate.
REMOTELY MOUNTED STOP/RESET CONTROL WIRING
• This control will function as a Stop/Reset command and is to be
wired within line of sight of the gate.
• Wire Stop/Reset control station to terminals 3 and 5 on the
control box on the operator. Make sure that all Stop/Reset
controls are wired in series.
Terminals 6 & 5 (Com) - Soft Open
These terminals are intended for use as a general open control.
Accessories that may be wired to this input include: Telephone
Entry Systems, Radio Receiver (Commercial Applications), Exit
Loop Detector, Keypads, 7-Day Timer. NOTE: Will not override a
double entrapment (signalled by the gate stopped and
entrapment alarm on).
123
1234567
Control
Conduit
Stop/Reset
Button
Control
Conduit
Stop/Reset
Button
R1 R2 R3 R4
RADIO RCVR.
4
3
2
1
R4
R3
R2
R1
Operator
Terminal
Receiver
24Vac Power
Relay Control
Antenna
Connector
Accessory Tray
Soft Open
1 2 3 4 5 6 7 8 9 10
11 12 13 14
3
3
6
6
9
9
#
#
2
2
5
5
8
8
0
0
1 1
7 7

19
ACCESSORY WIRING (CONTINUED)
Terminals 7 & 5 (Com) - Hard Open Override Control Input
These terminals are intended for use only with the open control
of a 3-button station that is installed within line of sight of the
gate. A momentary activation of this input will cause the gate to
open. Activation of this input for longer than three seconds will
enable the control to be used as a constant pressure override
device. This will allow the user, in emergencies, to override a
failed accessory such as a loop detector or photo-eye.
Terminals 4 & 5 (Com) - Close Override Control Input
These terminals are intended for use only with the close control
of a 3-button station that is installed within line of sight of the
gate. A momentary activation of this input will cause the gate to
close. Activation of this input for longer than three seconds will
enable the control to be used as a constant pressure override
device. This will allow the user, in emergencies, to override a
failed accessory such as a loop detector or photo-eye.
Terminals 8 & 5 (Com) - Interrupt (Safety) Loop Input
These terminals are intended for use with a loop detector. This
input functions to reverse a closing gate to the open limit.
Latching this input will reset the timer to close.
Terminals 2 & 5 (Com) - Shadow Loop Input
These terminals are intended for use with a loop detector and is
primarily used on swing gate operators. This input protects cars
by preventing the gate from moving off of the open or close limit
when the shadow loop input is active.
The control board senses commands using +24Vdc from terminal
#3. Commands are seen when +24Vdc is applied to the
controller’s input terminals. NOTE: The control board has built in
surge suppression circuitry however please take precautions
when adding any additional surge protection.
MASTER/SECOND SYSTEMS
Dual Gate Communications
The control board is capable of running the operator in a master
or second mode depending on (S4) switch setting.
Before initiating any command the master unit queries for the
presence of a “second unit” for a time period of one second. If
the master gets no response the operator will operate in a stand
alone mode. NOTE: For single unit applications, a jumper must be
placed between 11 and 12 of the field wiring terminal block. In
this mode no further communications will take place during
travel. If the master detects the presence of a second unit the
master will continue to query the second unit during travel. The
second unit will send a response to the master for every query.
The second operator will stop if there is a period of one second
or more of no communications.
When two operators are connected in dual gate configuration
accessories may be connected to either the master or second.
NOTE: Do not run Master/Second communication wiring in the
same conduit as the power and control wiring. The Second unit
will require a normally close stop circuit for proper system
operation. After Master/Second wiring has been completed and
the S4 switch programmed, both units must have their power
cycled to initiate proper Master/Second communication. The
motor learn function must be completed in stand alone mode
prior to Master/Second wiring.
STREET
COMPLEX
OR
PARKING LOT
Interrupt
Safety Loop
6'
Master
Second
Terminal
Block
11
Conduit
Shielded
cable
(twisted pair)
minimum 18 gauge
12
12 11
Terminal
Block
Ground
Interrupt
Safety Loop
S4
Master or
Standalone
Gate Setting
Second
Gate
Setting
S4
Master
Unit
Second
Unit
ON
Master
Unit
Second
Unit
ON
345 78
N.O. Com
123456
N.O. Com
Hard Open Override
Control Input
Close Override
Control Input
1 2 3 4 5 6
3 4 5 6 7 8
8
9
7
123456789
Interrupt (Safety)
Loop Input
123456
Shadow Loop
Input

20
SAMS OPERATION
1. When an authorized vehicle accesses the gate system, the
SAM system responds by first opening the gate farthest from
the vehicle, the swing or slide gate.
2. Once the swing or slide gate is open, the barrier gate begins
its open cycle.
3. Once the barrier is open the vehicle may pass through the
SAM system. At this point you have two options in how you
would like to initiate the SAM systems closure. You may chose
to:
a) Use a timer to close system to automatically close the
barrier gate after a preset amount of time or
b) Use a loop system to close the barrier gate after the vehicle
has passed through the SAM system.
4. Once the barrier gate is closed the slide or swing gate will
activate its internal timer to close and begin closing.
5. If another authorized vehicle accesses the SAM system before
the slide or swing begins to close the barrier will open and
allow the vehicle to pass through the SAM system.
6. If another authorized vehicle accesses the SAM system during
the slide or swing gates closing cycle the SAM system will
reopen the slide or swing gate. Once the slide or swing gate
reaches the open position the barrier will then open to allow
the vehicle to pass through the SAM system.
7. If no other authorized vehicles access the SAM system the
swing or slide gate will close followed by the barrier.
SEQUENCED ACCESS MANAGEMENT SYSTEM (SAMS)
The Sequenced Access Management System or SAMS allows the customer more control when managing vehicular entrances to areas
such as apartment complexes, businesses and gated communities. The basic concept of the system is that traffic is controlled by two
gates installed in tandem, a fast moving gate such as a barrier gate operator and a slower moving more secure or ornamental gate
such as a single or pair of slide/swing gate operator. The design of this gate system balances the demands of speed during high traffic
periods with security during low traffic periods. Barrier gates typically have the fastest open times of the many gate operator types and
the slide or swing gates allow you to effectively seal off the perimeter of the complex you are planning to secure.
NOTE: Connect all entry devices to the slide or swing gate. If using a device, such as a 7-day timer, to latch the slide or swing gate
open during high traffic times, connect the device’s N/O relay output to the board’s Interrupt (Safety) Loop input. Once the device
activates the Interrupt (Safety) Loop input, the next vehicle to access the SAMS system will lock the gate in the open position until the
device deactivates. When the device deactivates, the timer to close will automatically close and secure the gate.
SAMS WIRING
1. Install conduit between the BG770 and the SL585/595 for
SAMS control wiring.
2. Run a 4-conductor cable in the conduit between the BG770
SL585/595.
3. Locate the SAMS relay terminals (J5) on the control board in
the SL585/595 and locate the auxiliary limit switch in the
BG770.
4. Attach a wire from the SAMS relay terminal (J5) on the control
board to terminal 1 on the BG770 terminal strip.
5. Attach a wire from the SAMS relay terminal (J5) on the control
board to terminal 3 on the BG770 barrier gates terminal strip.
6. Attach a wire from terminal 5 of the SL585/595 accessory
wiring terminal block to the common (COM) on the auxiliary
limit switch in the barrier gate.
7. Attach a wire from terminal 8 of the SL585/595 accessory
wiring terminal block to the normally open (NO) on the
auxiliary limit switch.
8. Test for correct functionality of the SAM system.
STREET
COMPLEX
OR
PARKING LOT
TRAFFIC
SAMS
Conduit
Interrupt
Safety Loop
Hold Open
Loop
1 (OPEN)
3 (COMMON)
AUXILIARY LIMIT SWITCH
N/O
COM
INTERRUPT LOOP INPUT
TB5
TB8
SAMS RELAY AT J5
N/O
COM
BG770 BARRIER GATE
TERMINAL BLOCK
TERMINAL STRIP

21
NOTES
1. Severe or high cycle usage will require more frequent
maintenance checks.
2. Inspection and service should always be performed anytime a
malfunction is observed or suspected.
3. Limit switches may have to be reset after any major drive
chain adjustments.
4 If lubricating chain, use only a proper chain lube spray or a
lightweight motor oil. Never use grease or silicone spray.
RPM Sensor (Hall Effect) Check for proper adjustment XX
External Entrapment Check for proper operation XX
Protection Systems
Gate Caution Signs Make sure they are present XX
Clutch System Check and adjust if required XX X
Brake System Check and adjust if required X
Manual Disconnect Check and operate XX
Drive Chain Check for excessive slack and lubricate XX
Sprockets and Pulleys Check for excessive slack and lubricate XX
Gate Inspect for wear or damage XX
Accessories Check all for proper operation XX
Electrical Inspect all wire connections XX
Frame Bolts Check for tightness XX
Total Unit Inspect for wear or damage XX
DESCRIPTION TASK 3 MONTHS 6 MONTHS 12 MONTHS
CHECK AT LEAST ONCE EVERY
5. When servicing, please do some “house cleaning” of the
operator and the area around the operator. Pick up any debris
in the area. Clean the operator as needed.
6. It is suggested that while at the site voltage readings be taken
at the operator. Using a Digital Voltmeter, verify that the
incoming voltage to the operator it is within ten percent of the
operators rating.
IMPORTANT SAFETY INSTRUCTIONS
To reduce the risk of SEVERE INJURY or DEATH:
1. READ AND FOLLOW ALL INSTRUCTIONS.
2. NEVER let children operate or play with gate controls.
Keep the remote control away from children.
3. ALWAYS keep people and objects away from the gate.
NO ONE SHOULD CROSS THE PATH OF THE MOVING
GATE.
4. Test the gate operator monthly. The gate MUST reverse
on contact with a rigid object or stop when an object
activates the non-contact sensors. After adjusting the
force or the limit of travel, retest the gate operator.
Failure to adjust and retest the gate operator properly
can increase the risk of INJURY or DEATH.
5. Use the emergency release ONLY when the gate is not
moving.
6. KEEP GATES PROPERLY MAINTAINED. Read the
owner’s manual. Have a qualified service person make
repairs to gate hardware.
7. The entrance is for vehicles ONLY. Pedestrians MUST
use separate entrance.
8. Disconnect ALL power BEFORE performing ANY
maintenance.
9. ALL maintenance MUST be performed by a LiftMaster
professional.
10. SAVE THESE INSTRUCTIONS.
OPERATION AND MAINTENANCE
WARNING
CAUTION WARNING
WARNING

22
Solenoid Release
Lever
Friction
Pads
Brake Plate
Assembly
Friction Clutch
Motor
Learn
Button (S3)
To avoid SERIOUS PERSONAL INJURY or DEATH disconnect
electric power BEFORE performing ANY adjustments.
WARNING
CAUTION WARNING
WARNING
SOLENOID ACTUATED BRAKE
The brake minimizes over-travel caused by gate coasting. An added
feature of the brake is to assist in preventing back driving of the
gate. The brake is spring-applied whenever the motor is not
running. Anytime the motor is running, the electric solenoid
physically releases the brake.
A solenoid brake is standard on SL585/595 operators. The brake
is adjusted at the factory and should not need additional
adjustment for the the life of the friction pad.
Replace friction pads when necessary. Refer to the illustration for
identification of components for the solenoid type brake system.
FRICTION CLUTCH
The friction clutch system is not an automatic reversing device. It
only serves to minimize damage to the gate operator and gate, and
to help minimize vehicle damage. If you need an external automatic
obstruction sensing device, items such as gate edges and photo
beams are available to help protect pedestrians (page 4).
The clutch mechanism must be adjusted properly. During the
installation of the operator, you must tighten the clutch spring lock
nut so it is tight enough to operate the gate, yet loose enough so
that if the gate meets an obstruction, the clutch will slip.
1. Loosen set screws of torque adjustment nut on the gear reducer
output shaft.
2. Back off torque nut until there is very little tension on the
belleville washers.
3. Tighten torque nut gradually until there is just enough tension to
permit the operator to move the gate smoothly through a
complete open/close cycle, but to allow the clutch to slip if the
gate is obstructed.
4. Re-tighten the set screw that is directly over the flat portion of
the shaft.
CONTROL BOARD PROGRAMMING AND FEATURES
MOTOR LEARN FUNCTION (FORCE PROFILE)
This function is preprogrammed at factory. If either board or motor
is replaced, the control board will need to be reprogrammed to
“LEARN” the specific motor RPM profile of your operator, the red
button “S3” is provided for this. This is important for accurate
force control. Failure to do so may result in improper and unsafe
operation.
NOTE: Motor Learn must be performed in stand alone mode.
1. Detach the unit from the gate, the motor needs to be learned
without a load. (Do not use the manual release, the limit shaft
must be turning during learn sequence.)
2. Press the motor learn button. The yellow LED should start to
flash rapidly.
3. Push and hold down either the open or the close buttons. The
motor will run for a few seconds and then stop. If the LED goes
out the motor is learned. If the unit activates a limit before
completing the learn or some other error occurs the LED will go
back to on continuously. If this happens try learning while
running in the opposite direction.
4. Reconnect the unit to the gate, reset the limits and adjust the
force control.

23
FORCE CONTROL
Set the force control pot such that the unit will complete a full
cycle of gate travel but can be reversed off an obstruction without
applying an unreasonable amount of force. On most operators
this will be around the middle of the range.
NOTE: For LED location refer to illustration on previous page.
DIAGNOSTICS (LEDS AND CODES)
There are three diagnostic LEDs. Two red LEDs (OLS, CLS) are
indicators for the open and close limits. The LEDs are illuminated
when the limit switch contacts are closed.
The third amber LED (DIAG) is used to blink out diagnostic
codes. The number is the count of the number of times the LED
is on in an 8 second period. The LED is on for approximately 1/2
second and repeats every second until the number is reached.
There will be a pause following each pulse cycle (1-6 pulses) to
differentiate between the different diagnostic codes.
Force Control
Max
Min
LED Code Diagnostic Meaning Cleared By
Flashed
OFF Normal operation N/A
1 Single entrapment sensed Control Input
2 Double entrapment Hard Input*
3 Failed or no hall Removal of
effect sensor problem
4 Exceed maximum motor Hard Input*
run time
5 Limit fault Control Input
6 Loss of communications Removal of
between master and problem
second during run mode
On No Motor not learned Completion
Flash of Motor
Learn Routine
*Hard inputs include open override, close override and
stop inputs.
LED LED NAME DESCRIPTION
RELAY DRIVE TROUBLESHOOTING LEDS
There are 5 troubleshooting LEDs on relay drives K1 through K5. These LEDs will be illuminated when the microcontroller relay drive is
activated.
D6 Contactor A On when Contactor A is activated
D5 Contactor B On when Contactor B is activated
D4 SAM On when SAM relay is activated
D3 Lock On when Mag Lock relay is activated
D2 Alarm On when Alarm Relay is activated
TROUBLESHOOTING LEDS
There are 9 troubleshooting LEDs.
LED LED NAME DESCRIPTION
D11 Radio On when Radio switch is activated
D13 Shadow On when Shadow Loop is activated
D15 Hard Close On when Close switch is activated
D17 (Green) Stop On when Stop switch is not activated
D19 Soft Open On when Open switch is activated
D21 Hard Open On when Open switch is activated
D24 Interrupt (Safety) Loop On when Interrupt/Safety Loop activated
D29 Obstruction Open On when Edge is activated or when Photo Eye
Beam is broken
D31 Obstruction Close On when Edge is activated or when Photo Eye
Beam is broken
CONTROL BOARD PROGRAMMING AND
FEATURES (CONTINUED)

24
OPERATOR FAILS TO RUN
CONTACTOR CHATTERS
WHEN OPERATOR BEGINS
TO MOVE
OPERATOR RUNS SLOW
AND/OR TRIPS THE
INTERNAL OVERLOAD
1) Improper wired stop control
2) Fault in the operator check the yellow
diagnostic LED at the top right of the
control board next to the
programming dip switches.
3) An accessory is active or
malfunctioning check the red input
status LEDs, D11-D31
4) Improper J4 connector wiring
(master/second)
5) Low or no high voltage power
6) Low or no low voltage power
7) No LEDs illuminated on the
control board
TROUBLESHOOTING
➤Check the green LED (D17) on control board. If the green LED is off,
check to make sure a stop control has been installed across terminals
TB1-3 and TB1-5 of the terminal strip.
➤If the yellow LED blinks six times, there is a master/second unit
communication failure. If operator is a single unit, make sure there is
a jumper across terminals TB1-11 and TB1-12. If operator is in a dual
gate configuration, make sure that the communication wiring between
the two units is undamaged and complete.
➤ If the yellow light is solid, the board needs to learn the motor. Follow
the directions on page 22.
➤ If any red LEDs are on, check the corresponding input. An installed
accessory may be wired incorrectly or malfunctioning. Remove the
accessory and test the operator.
➤ If the open or interrupt (safety) loop LED is on, make sure factory
plug-in loop detectors are working properly and appropriate loops are
installed on the loop input terminals.
➤ Stand-Alone Operators: Make sure there is a jumper installed across
the J4 connector.
➤ Master/Second Operation: Make sure that the master/second wiring is
installed correctly and is intact (not damaged).
➤ Measure the incoming voltage at the unit’s on/off switch. It should be
within 5% of the operator’s rating when running. Make sure that the
proper wire gauge was used for the distance between breaker and
operator by consulting the wiring specifications section on page 8 of
this manual.
➤ Measure the voltage at terminals R1 and R2 in the operator. This
voltage should be within 5% of 24Vac. If the high voltage power is
good and the low voltage power is bad, check to make sure the circuit
fuse is not tripped and that the correct primary tap is used on the
transformer. If fuse and tap are correct, replace the transformer.
➤ If both primary and secondary power is good, check to make sure
that the J2 connector is making good contact with the pins on the
control board. If all is good, replace the control board.
1) Transformer’s secondary is overloaded
2) Low primary (high voltage) power
➤ Remove all accessory devices and test the operator. If the contactor
stops chattering, find an alternate power source for some of the
devices.
➤ Measure the incoming line voltage at the unit’s on/off switch. It
should be within 5% of the operator’s rating when running. Make sure
that the proper wire gauge was used for the distance between breaker
and operator by consulting the wiring specifications section on page 8
of this manual.
1) Low primary (high voltage) power
2) Problem in the motor
3) Problem in the contactor
4) Problem in the brake system
➤ Measure the incoming line voltage at the unit’s on/off switch as well
as the meter base or sub panel. Make sure there is not a major
change in voltage. The voltage at the operator should be within 5% of
the operator’s rating when running.
➤ Check the number of amps currently being drawn from the panel.
Make sure that the total power being drawn does not exceed the
panel’s rating.
➤ Make sure that the proper wire gauge was used for the distance
between breaker and operator by consulting the wiring specifications
section on page 8 of this manual.
➤ Perform a visual inspection of the motor. Examine the motor’s labels
for any distortion or signs of overheating. Replace the motor if it is
humming, grinding or making excessive noise. NOTE: Repeated
motor problems indicate poor primary power.
➤ Examine the contactor for sparking, smoke or burn marks. Remove
the wires from one side of the contactor, then measure the contact
points for high resistance (above 1 ohm). Replace the contactor.
➤ Make sure that the brake is disengaging when the contactor pulls in
and engaging when the contactor releases. Replace solenoid.
FAULT POSSIBLE CAUSE FIX

25
FAULT POSSIBLE CAUSE FIX
MASTER OR SECOND
OPERATOR IS NOT
FUNCTIONING PROPERLY
OPERATOR RUNS IN
WRONG DIRECTION
OPERATOR RUNS BUT
THEN STOPS AND
REVERSES DIRECTION
MOTOR RUNS BUT GATE
DOES NOT MOVE;
OPERATOR STOPS AND
ALARMS
OPERATOR OPENS
IMMEDIATELY UPON
POWER UP AND DOES NOT
CLOSE
OPERATOR HAS TROUBLE
LEARNING THE MOTOR
PROGRAMMING CHANGES
DO NOT EFFECT THE GATE
GATE EDGE PAUSES GATE
WHEN STRUCK DURING
OPENING
GATE DOES NOT ACTIVATE
TIMER TO CLOSE AFTER
THE CLOSE PHOTO EYE IS
BROKEN
1) Failure to cycle power after setup
2) Communication wiring may be
damaged or improperly wired for dual
gate operation
3) Master or second unit is not
programmed correctly
TROUBLESHOOTING
➤ The power to each unit must be cycled in order to initiate proper
master/second communication if the operators were previously in
stand-alone mode.
➤ Make sure that the communication wire that is used is twisted pair
and not run in the same conduit with any power wiring. Failure to do
so will result in interference across the master/second
communication line.
➤ Review program settings page 19 and check both the master and
second for proper programming.
1) Operator’s main power is out of phase
(three phases only)
➤ Turn off the unit’s main power at the breaker and swap any two
power leads at the operator’s main power switch. Apply power and
retest the operator. See important note on page 12.
1) Entrapment (force pot) incorrectly set
2) Gate is binding or not running
smoothly
3) Clutch is not adjusted properly
4) Brake is not functioning properly
5) Observe red LEDs D29 and D31
6) RPM (Hall Effect) Sensor
is not aligned
➤ This pot must be set so that the gate will run smoothly normally and
reverse when encountering an obstruction.
➤ Disengage the manual release and roll gate open and close by hand at
normal operating speed. Make sure that the gate runs smoothly and
does not bind. If the gate is hard to move or binds, repair the gate.
➤ Adjust the clutch so that the operator can move the gate throughout
its travel without slipping but will slip when the gate hits an
obstruction.
➤ Make sure that the brake operates correctly. The brake should
disengage when the contactor activates and engage when the
contactor releases.
➤ Both LEDs will indicate the activation of entrapment protection
devices on terminals TB1-9 and TB1-10 on the control board.
Remove the devices and retest. If the operator now runs without
fault, check those accessories as well as their wiring.
➤ Make sure that the sensor is adjusted so that it is centered over the
limit shaft’s magnet and is 10-15 thousandths of and inch (business
card thickness) from the magnet.
➤ Replace the sensor if it is adjusted correctly but continues to fail.
1) Clutch is not adjusted properly
2) Operator’s manual release is not
aligned
➤ Adjust the clutch so that the operator can move the gate throughout
its travel without slipping but will slip when the gate hits an
obstruction.
➤ Make sure that the manual release is not engaged. The operator’s
manual release, when engaged, will set off the entrapment if the gate
is given a command to move.
1) Active or malfunctioning accessory
check the red input status LEDs,
D11-D13
➤ If any red LEDs are on, check the corresponding input. An installed
accessory may be wired incorrectly or malfunctioning. Remove the
accessory and test the operator.
➤ If the soft open or interrupt (safety) loop LED is on, make sure
factory plug-in loop detectors are working properly and appropriate
loops are installed on the loop input terminals.
1) Operator’s manual release is engaged ➤ Make sure the manual release is not engaged. The operator’s manual
release, when engaged, will not allow the entrapment sensor to
provide feedback to the control board when the operator is moving.
1) Check the save switch on switch S1-1 ➤ If the switch S1-1 is in the on position, any subsequent programming
changes will not affect the gate. To make programming changes,
switch S1-1 off, make desired changes, and then switch S1-1 on.
1) Open obstruction input is
programmed incorrectly
➤ The open obstruction input has been programmed to function with
photo eyes, not gate edges. Refer to page 15 and reprogram the
obstruction inputs for correct operation.
1) Close obstruction input is
programmed incorrectly
➤ The close obstruction input has been programmed to function with
gate edges, not photo eyes. Refer to page 15 and reprogram the
obstruction inputs to match the accessories that are installed on
operator.

26
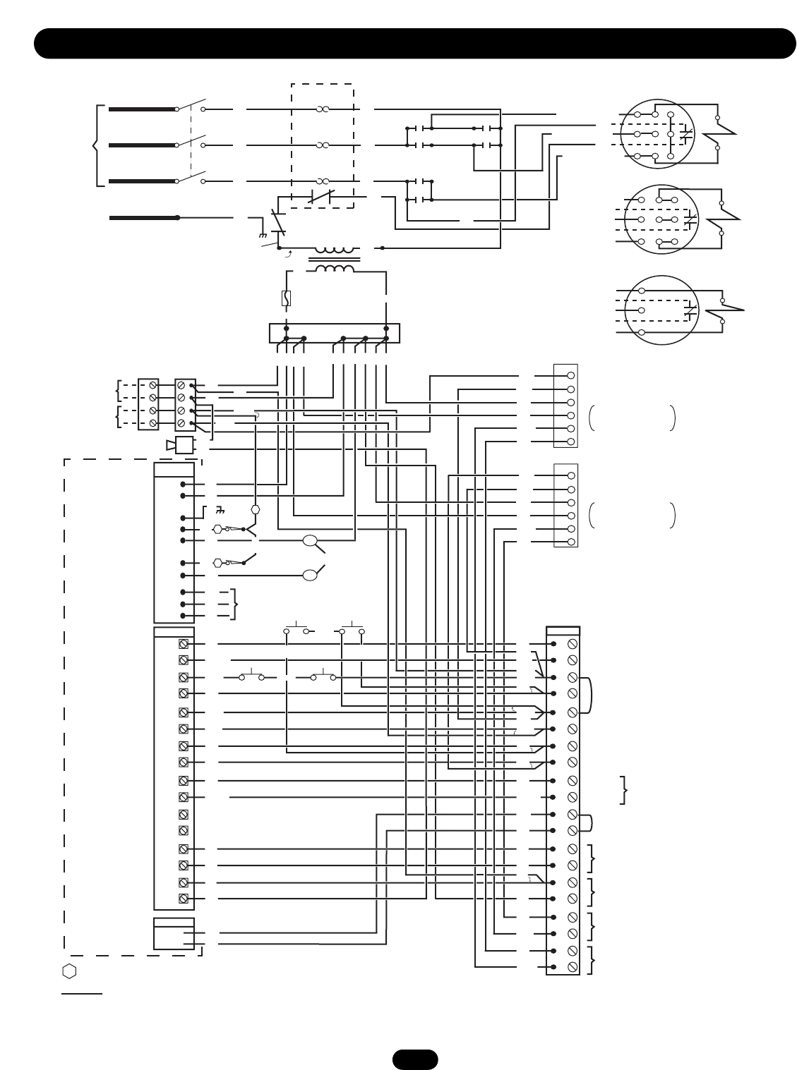
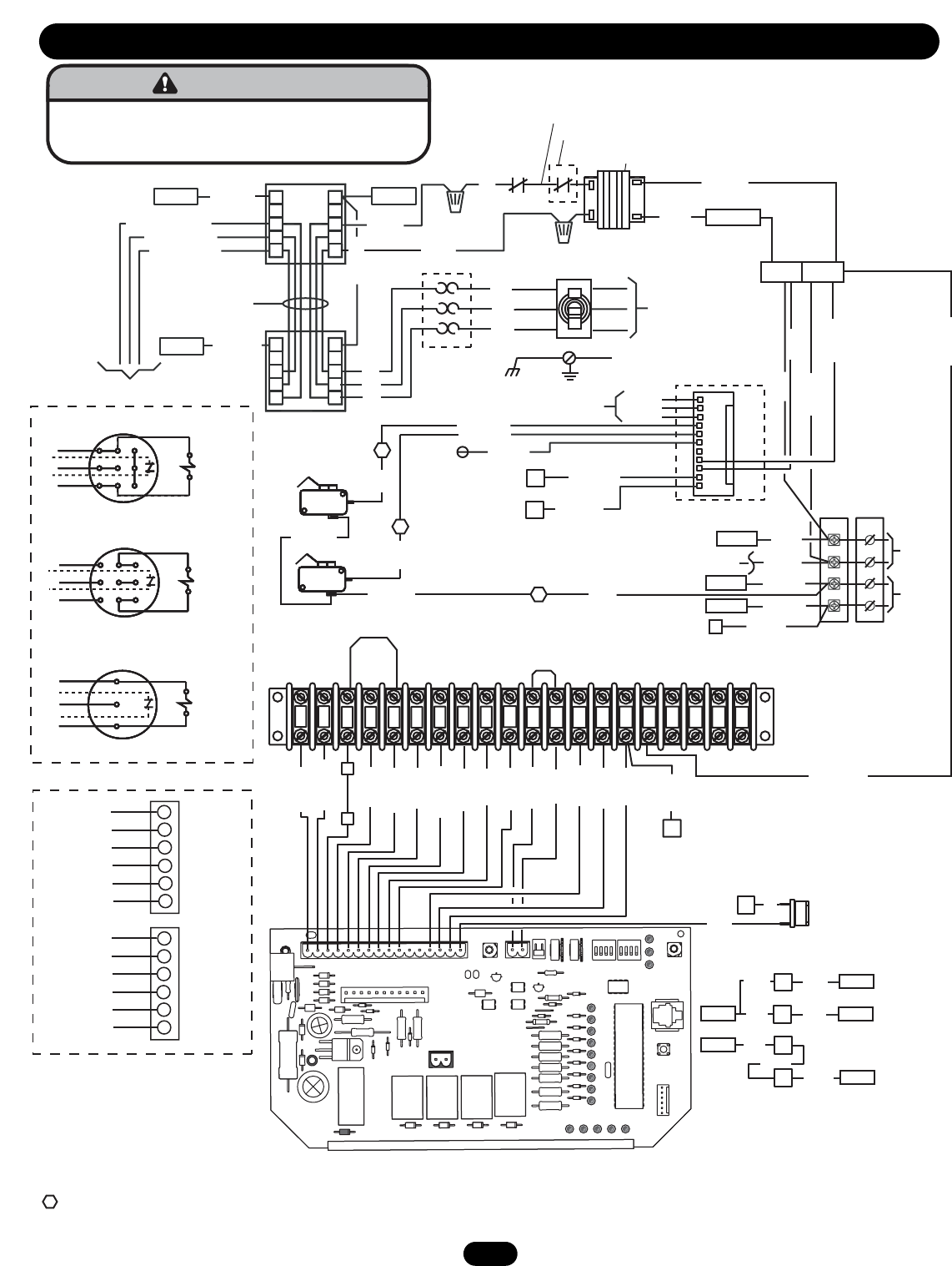
1 PHASE
POWER IN
ON/OFF
SWITCH
6
(W)
8
4
5
1
2
3
(BK)
(BK)
(BL/BK)
(BL/BK)
1 2
5 A
B
115V MOTOR
CONNECTION
GROUNDED DUPLEX
OUTLET (115V ONLY)
3
4 B
4
115V ONLY
A
A
B
2 1
6
115V ONLY
BLACK (SL595 ORANGE)
(SEE NOTE 2)
208/230V ONLY
O/L 3
5
GROUND
115V BRAKE
SOLENOID
(BK)
(GN)
(BK) (BK)
(PU) (SL595 RD)
(PU) (SL595 RD)
(BL)
(YE) (SL595 WH)
(GY) SL595 GN)
(YE) (SL595 WH)
(GY) (SL595 GN)
(W)
MOTOR OVERLOAD
(SEE NOTE 3)
PRIMARY
L1
L2
8
4
5
1
2
3 (BK)
(BK)
(BL/BK)
(BL/BK)
208V/230V MOTOR
CONNECTION
230V BRAKE
SOLENOID
(BL)
TO REVERSE MOTOR
DIRECTION INTERCHANGE
PURPLE & GRAY WIRES
ON MODEL SL585
OR THE RED & GREEN WIRES
ON MODEL SL595
INTERNAL MOTOR
WIRING
1 - BLUE
2 - WHITE
3 - ORANGE
4 - YELLOW
5 - BLACK
8 - RED
O/L - BROWN
24V Sec.
FUSE
3.15A
(TB 2)
AB CD
24VAC
RADIO
SIGNAL
RADIO BLOCK
FACTORY INSTALLED RADIO
R1
R2
R3
R4
(BL)
(BL)
(YE)
4
6
7
8
9
10
4
6
7
8
9
10
TB 1
1
2
3
4
5
6
7
8
9
10
11
12
13
14
15
16
17
18
19
20
-
+
SAFETY ALARM
(100 db)
J4 PLUG
1
2
DUAL
GATE
J1-1
J1-2
J1-3
J1-4
J1-5
J1-6
J1-7
J1-8
J1-9
J1-10
J1-11
J1-12
J1-13
J1-14
J1-15
J1-16
J1 PLUG
STOP RESET
OPEN CLOSE
FREE EXIT
LOOP HARNESS
10 PIN - 1,2,3,5
CAPPED
INTERRUPT (SAFETY)
LOOP HARNESS
10 PIN - 1,2,3,5
CAPPED
J2 PLUG
J2-3
J2-4
J2-5
J2-6
J2-7
J2-1
J2-8
J2-9
J2-10
J2-11
J2-2
L/S B
NC COM
NC COM
L/S A
B
A
A1 A2
A1 A2
RPM
SENSOR
GL CONTROL BOARD
24VAC-IN
24VAC-COMMON
SOFT OPEN
NC
"B" LIMIT
CONTACTOR B
"A" LIMIT
CONTACTOR A
RPM - IN
RPM - SUPPLY
RPM GND
RADIO COMMAND
SHADOW
+24VDC
CLOSE
STOP
SOFT OPEN
HARD OPEN
INT. LOOP
OBS. OPEN
OBS. CLOSE
24 VAC-COMMON
DC-GND
LOCK 1
LOCK 1
ALARM 1
ALARM 1
RADIO
SHADOW
VDC COM
CLOSE
STOP/COM
SOFT OPEN
HARD OPEN
INTERRUPT (SAFETY)
OPEN
CLOSE
MASTER / SECOND
MAGLOCK
24 VAC
INTERRUPT LOOP (SAFETY)
EXIT LOOP
FIELD CONNECTIONS
EDGE/PHOTOEYE (SAFETY)
(W)
(W)
(YE)
(BK)
(Y/BK)
(RD)
(SEE NOTE 1)
NOTES:
1) Transformer primary voltage same as operator line voltage 24V secondary 60VA.
2) Wire color: 115V black, 208V red, 230V orange.
3) Single phase units are equipped with an external line break device and may be
equipped with an additional internal pilot duty thermal o/l device.
4) Outlet wiring: Black wire to brass screw, white wire to silver screw and green wire to green screw.
(BK)
(WH)
(RD)
(BK)
3
2
1
(GN)
(WH)
(RD)
(BK)
(BRN)
(GY)
(GN)
(WH)
(RD)
(BK)
(BRN)
(GY)
(BL)
(YE)
(GN)
(PU)
(OR)
(PU)
(PU/WH)
(Y/BK)
(GN)
(Y/BK)
(BRN)
(OR)
(GN)
(GY)
(OR/BK)
(BK)
(BK)
(BL)
(RD)
(WH)
(RD)
(WH)
(PU)
(P/W)
(Y/BK)
(GN)
(Y/BK)
(Y/BK)
(WH)
(BRN)
(OR)
(GN)
(GY)
(OR/BK)
(WH)
(RD)
(BK)
(BK)
(BL)
(YE)
(GY)
(BRN)
(GY)
(BRN)
(Y/BK)
(OR)
(Y/BK)
(GN)
(Y/BK)
(YE)
(YE)
(BL)
(BL)
(BRN)
(W)
(BK)
(BK)
(W)
(PU)
(OR)
(BK)
(BL)
(BL)
(BK)
(BK)
(YE)
(YE)
(YE)
(RD)
(RD)
= TERMINAL BLOCK IN LIMIT SWITCH ENCLOSURE (SL595 ONLY).
(GN)
(S) (S)
(B)
(B)
(W)
(NOTE 4)
40-32352D
SINGLE PHASE SCHEMATIC

27
AB CD
OL
NO TES:
1. VO LTA GE: 115, 208, & 230 VO LT -
2. HORSEPO WER: 1/2 & 1 HP.
3. TRANSFORMER PRIMARY VOLTAGE IS
THE SAME AS THE OPERATOR
VOLTAGE. SECONDARY 24V/60VA.
FOR REFERENCE PRIMARY WIRE
COLORS: 120V BLACK, 208V RED, 230V
ORANGE, 460V PURPLE, 575V GREY.
4. TERMINAL DESIGNATIONS SHOWN
FOR 115V.
6. FOR SINGLE PHASE 115V OPERATION, THERE IS AN ADDITIONAL WHITE WIRE FROM
CONTACTOR A2 TO CONTACTOR B4 AND THE BLACK WIRE FROM THE TRANSFORMER
TO CONTACTOR B4 GOES TO B6.
5. TERMINAL BLOCK IN LIMIT SWITCH
ENCLOSURE (SL595 ONLY).
3
ON
OFF
40-32358F
TO J2-1 PURPLE A1
CONTACTOR
13
5
3
1
A2
14
6
4
2
A1
13
5
3
1
A2
14
6
4
2
Y (SL595 WHT)
GY (SL595 GN)
PU (SL595 RD)
BLUE
WHITE
ORANGE
TO J2-2
TO MOTOR
TB2-CD
BLACK
YELLOW
WHITE
BLACK (SL595 ORANGE)
SEE NOTE 3
CONTACTOR A & B
208/230V SHOWN
SEE NOTE 6
LINE
GRN
LOAD
24VAC/60VA
BLUE
YELLOW
FUSE 3.2A
ON/OFF
SWITCH
SERVICE OUTLET
(115V) ONLY
POWER IN
SEE NOTE 1
L1
L2
G
J2 PLUG
ON PCB
WHITE
BLACK
WHITE
BLACK
BLACK
BLACK
OVERLOAD
RPM
BOARD
BLACK
RED
WHITE
BLUE
YELLOW
YELLOW
BLUE
YELLOW
11
10
9
8
7
6
5
4
3
2
1
ORANGE
PURPLE
GREEN GROUND
CONTACTOR A
CONTACTOR B
A1
A1
ORANGE
PURPLE
OR
P
1
2
L/S “A”
NC
C
L/S “B”
NC
C
YEL/BLK
Y/BK
GY
BK
(TB2)
BL
Y
PU
GY
BL
Y
PU
1 3
8
5
4 2
OL
BL-BK
BL-BK
115V. BRAKE
SOLENOID
115V. CONNECTION
230V. BRAKE
SOLENOID
208/230V. CONNECTION
BL-BK
BL-BK
4
5 2 3
8
1
LOOP WIRING
R4
TB1-5
TB2-AB
TB2-CD FREE EXIT
LOOP
HARNESS
(10 PIN)
TB1-8
TB1-3
TB2-AB
TB2-CD INTERRUPT
LOOP
HARNESS
(10 PIN)
4
6
7
8
9
10
4
6
7
8
9
10
Y/BK
TB1-15
TB1-3
TB1-6
ALARM
4
FREE EXIT LOOP
RADIO
TERMINAL
BLOCK
R1
R2
R3
R4
BLUE
BLACK
Y/BK
BROWN
GREEN FACTORY
INSTALLED
RADIO
-
+
123456789
10 12 13 14 15 16 17 18 19 20
11
(TB1)
PURPLE
PUR/WHT
RESET
STOP
GREEN
Y/BK
BROWN
ORANGE
GREEN
GRAY
BLACK
BLACK
BLUE
WHITE
RED
OR/BLK
BLUE
R1
OR TB1-7
GRN TB1-4
Y/BK TB1-3
OPEN
CLOSE
STOP
TB1-5
J1-3
Y/BK
RESET
R2
RADIO
SHADOW
VDC COM
CLOSE
STOP
SOFT OPEN
HARD OPEN
INTERRUPT
OPEN CLOSE
EDGE/PHOTO
EYE
MASTER
SECOND MAGLOCK
24 VAC ACCESSORY
POWER INTERRUPT
LOOP EXIT LOOP
FIELD CONNECTIONS
1 2 3 4 5 6 7 8 9 10 11 12 13 14 15 16
J1
J4
1 2
J2
(GL CONTROL BOARD)
A
B
24 VAC
RADIO
SIGNAL
TB1-20
TB1-19
TB1-18
TB1-17
NOTE: SL595 ONLY
swap green and
red wire
locations on
contactor B
To protect against fire and electrocution:
• DISCONNECT power BEFORE installing or servicing operator.
W W A A R R N N I I N N G G
Y/BK
Y/BK
Y/BK
(100db)
SAFETY
ALARM
RD
BK
1 PHASE.
YELLOW
SINGLE PHASE WIRING DIAGRAM

28
6
2
1
3
7
9
12
5A
B
3
4B
4A
A
B
21
6
OVERLOAD
3
5
230V
BRAKE
SOLENOID
(BK)
(GN)
(BK)
(GY) (SL595 GN)
(PU) (SL595 RD)
(BK)
(YE) (SL595 WH)
(GY) (SL595 GN)
(PU) (SL595 RD)
(YE) (SL595 WH)
(GY) (SL595 GN)
(PU) (SL595 RD)
(YE) (SL595 WH)
(WH)
PRIMAR
BLACK (SL595 ORANGE) Y
L1
L2
230V
BRAKE
SOLENOID
(BK)
(BK)
(SEE NOTE 3)
(BK)
(BK)
(BK)
8
4
5
6
2
1
3
7
9
(BK)
(BK)
8
4
5
6
230V CONNECTION
460V CONNECTION
575V
BRAKE
SOLENOID
2
1
3
(BK)
(BK)
575V CONNECTION
(SEE NOTE 2)
24V Sec.
FUSE
3.2A
(TB 2)
AB CD
24VAC
RADIO
SIGNAL
RADIO BLOCK
R1
R2
R3
R4
(BL)
(BL)
(YE)
4
6
7
8
9
10
4
6
7
8
9
10
TB1
1
2
3
4
5
6
7
8
9
10
11
12
13
14
15
16
17
18
19
20
-
+
J4 PLUG
1
2
J1-1
J1-2
J1-3
J1-4
J1-5
J1-6
J1-7
J1-8
J1-9
J1-10
J1-11
J1-12
J1-13
J1-14
J1-15
J1-16
J1 PLUG
FREE EXIT
LOOP HARNESS
10 PIN - 1,2,3,5
CAPPED
INTERRUPT (SAFETY)
LOOP HARNESS
10 PIN - 1,2,3,5
CAPPED
J2 PLUG
J2-3
J2-4
J2-5
J2-6
J2-7
J2-1
J2-8
J2-9
J2-10
J2-11
J2-2
L/S B
NC
COM
NC COM
L/S A
B
A
A1 A2
A1 A2
(YE)
(BK)
(Y/BK)
(RD)
(SEE NOTE 1)
= TERMINAL BLOCK IN LIMIT SWITCH ENCLOSURE (SL595 ONLY).
(WH)
(RD)
(BK)
3
2
1
(GN)
(WH )
(RD)
(BK)
(BRN)
(GY)
(GN)
(WH )
(RD)
(BK)
(BRN)
(GY)
(BL)
(YE)
(GN)
(PU)
(OR)
(PU)
(PU/WH)
(Y/BK)
(GN)
(Y/BK)
(BRN)
(OR)
(GN)
(GY)
(OR/BK)
(BK)
(BK)
(BL)
(RD)
(WH)
(RD)
(WH)
(PU)
(P/W)
(Y/BK)
(GN)
(Y/BK)
(Y/BK)
(WH)
(BRN)
(OR)
(GN)
(GY)
(OR/BK)
(WH)
(RD)
(BK)
(BK)
(BL)
(YE)
(GY)
(BRN)
(GY)
(BRN)
(Y/BK)
(OR)
(Y/BK)
(GN)
(Y/BK)
(YE)
(YE)
(BL)
(BL)
(BRN)
(PU)
(OR)
(BL)
(BL)
(BK)
(BK)
(YE)
(YE)
(YE)
(RD)
(RD)
L3
(BK)
(BK)
FACTORY INSTALLED RADIO
40-32351E
3 PHASE
POWER IN
ON/OFF
SWITCH
GROUND
SAFETY ALARM
(100 db)
NOTES:
1) Transformer primary voltage is the same as the operator line voltage. Secondary 24V 60VA.
2) Wire color: 208V red, 230V orange, 460V purple, 575V gray.
3) Three phase units are equipped with an internal pilot duty thermal overload
device or an external line monitoring device.
DUAL
GATE
GL CONTROL BOARD
24VAC-IN
24VAC-COMMON
SOFT OPEN
NC
"B" LIMIT
CONTACTOR B
"A" LIMIT
CONTACTOR A
RPM - IN
RPM - SUPPLY
RPM GND
RADIO COMMAND
SHADOW
+24VDC
CLOSE
STOP
SOFT OPEN
HARD OPEN
INT. LOOP
OBS. OPEN
OBS. CLOSE
24 VAC-COMMON
DC-GND
LOCK 1
LOCK 1
ALARM 1
ALARM 1
RADIO
SHADOW
VDC COM
CLOSE
STOP/COM
SOFT OPEN
HARD OPEN
INTERRUPT (SAFETY)
OPEN
CLOSE
MASTER / SECOND
MAGLOCK
24 VAC
INTERRUPT LOOP (SAFETY)
EXIT LOOP
FIELD CONNECTIONS
EDGE/PHOTOEYE (SAFETY)
STOP RESET
OPEN CLOSE
RPM
SENSOR
SEE NOTE 3
THREE PHASE SCHEMATIC

29
THREE PHASE WIRING DIAGRAM
A1
A1
Y/BK
ON/OFF
SWITCH
ON
OFF
40-32357F
A
XFMR
(TB2)
J2 PLUG
ON PCB
POWER IN
SEE NOTE 1
AB CD
TO MOTOR
SEE NOTE 5
MOTOR
OVERLOAD
AUXILIARY RELAY
EXTERNAL OVERLOAD
LINE
BLACK (SL595 ORANGE)
SEE NOTE 3
LOAD
24VAC/60VA
BLUE
YELLOW
FUSE 3.2A
FREE EXIT LOOP
RADIO
TERMINAL
BLOCK
FACTORY
INSTALLED RADIO
(100db)
SAFETY
ALARM
-
+
123456789
10 12 13 14 15 16 17 18 19 20
11
(TB1)
PURPLE
PUR/WHT
RESET
STOP
GREEN
YEL/BLK
BROWN
ORANGE
GREEN
GRAY
BLACK
BLACK
BLUE
WHITE
RED
OR/BLK
BLUE
OR TB1-7
GRN TB1-4
Y/BK TB1-3
OPEN
CLOSE
STOP
TB1-5
J1-3
Y/BK
RESET
RADIO
SHADOW
VDC COM
CLOSE
STOP
SOFT OPEN
HARD OPEN
INTERRUPT
OPEN CLOSE
EDGE/PHOTO
EYE
MASTER
SECOND
MAGLOCK EXIT LOOP
FIELD CONNECTIONS
1 2 3 4 5 6 7 8 9 10 11 12 13 14 15 16
J1
J4
1 2
J2
(GL CONTROL BOARD)
Y/BK
TO J2-1
CONTACTOR
TB2-CD
PURPLE
Y (SL595 WHT)
GY (SL595 GN)
PU (SL595 RD)
A1
13
5
3
1
A2
14
6
4
2
B
A1
13
5
3
1
A2
14
6
4
2
WHITE
ORANGE
TO J2-2
WHITE
BLACK
BK
BK
BK
BLUE
YELLOW
BLUE
YELLOW
RPM
BOARD
ORANGE
PURPLE
GREEN
GROUND
CONTACTOR A
CONTACTOR B
ORANGE
PURPLE
BLACK
RED
WHITE
11
10
9
8
7
6
5
2
1
4
3
TB1-15
TB1-3
TB1-6
ALARM
4
R1
R2
R3
R4
BLUE
BLACK
Y/BK
BROWN
GREEN
OR
PU
1
2
L/S “A”NC
C
L/S “B”NC
C
YEL/BLK
Y/BK 3
GY 1
3
2
BL-BK
BL-BK
230V
BRAKE
SOLENOID
230V CONNECTION
LOOP WIRING
R4
TB1-5
TB2-AB
TB2-CD FREE EXIT
LOOP
HARNESS
(10 PIN)
TB1-8
TB1-3
TB2-AB
TB2-CD INTERRUPT
LOOP
HARNESS
(10 PIN)
4
6
7
8
9
10
BK
BK
PU
7
8
9
4
5
6
460V CONNECTION
230V
BRAKE
SOLENOID
1
3
2
BL-BK
BL-BK
BK
BK
PU
7
8
9
4
5
6
Y
Y
575V CONNECTION
575V
BRAKE
SOLENOID
BL-BK
BL-BK
1
3
2
GY
BK
BK
PU
Y
GY
R1
R2
YELLOW
BK
BK
BK
L1
L2
L3
BK
SEE NOTE 5
EXTERNAL
OVERLOAD
NOTES:
1. VOLTAGE: 208/230/460/575 VOLT 3 PHASE.
2. HORSEPOWER: 1/2, 1 & 2 HP.
3. TRANSFORMER PRIMARY VOLTAGE IS THE SAME AS THE OPERATOR LINE VOLTAGE. SECONDARY 24V/60VA.
FOR REFERENCE PRIMARY WIRE COLORS: 120V BLACK, 208V RED, 230V ORANGE, 460V PURPLE, 575V GREY
4. TERMINAL BLOCK IN LIMIT SWITCH ENCLOSURE (SL595 ONLY).
5. THREE PHASE UNITS ARE EQUIPPED WITH AN INTERNAL PILOT DUTY THERMAL OVERLOAD
DEVICE OR AN EXTERNAL LINE MONITORING SYSTEM.
24 VAC
RADIO
SIGNAL
TB2-20
TB2-19
TB2-18
TB2-17
To protect against fire and electrocution:
• DISCONNECT power BEFORE installing or servicing operator.
WARNING
YELLOW
24 VAC ACCESSORY
POWER INTERRUPT
LOOP
Y/BK
RD
BK
4
6
7
8
9
10
G
YELLOW
Y/BK

30
NOTES

31
7
4
10
3
8
6 5
1
1
K1 (K72-34818)
2
9
ELECTRICAL BOX
INDIVIDUAL PARTS
ITEM PART # DESCRIPTION
1 13-10024 Limit nut
2 23-10041 Limit switch (SL585 only)
3 03-8024-K Contactor
4 K001A5566 Control board
5 23-30716 Stop switch
6 23-34815 Open/close switch
7 312HM Radio - 315 MHz
8 21-3260-1 Transformer - 120/208/230/460/60VA
21-10298-1 Transformer - 575Vac/100VA
9 K1C3196-3 Antenna
VARIABLE PARTS
10 25-2006 Overload - 6 AMP - SL585-50-21,
SL585-50-81, SL595-50-21-, &
SL595-50-81
25-2008 Overload - 8 AMP - SL585-100-21,
SL585-100-81, SL595-100-21, &
SL595-100-81
25-2010 Overload - 10 AMP - SL585-50-11,
SL595-50-11
25-2015 Overload - 15 AMP - SL585-100-11,
SL595-100-11
25-4002-5K Overload - 1.8 to 2.6 AMP -
SL585-100-53, SL595-100-53
25-4003-K Overload - 2.6 to 3.7 AMP -
SL595-200-53
(NOT SHOWN)
K74-18379 RPM Sensor (Hall effect)
*Non stocked item. Please allow additional delivery time.
SERVICE KITS
ITEM PART # DESCRIPTION
K1 K72-34818 Limit shaft kit (SL585 only)
Complete with: Limit shaft, limit
nuts, limit bearings, limit sprocket,
shim washers, compression ring,
roll pin and e-ring.
*To order a complete replacement electrical box kit contact
technical support at 1-800-528-2806.
SL585 Only
for SL595 Limit Box
Components
See Pages 34 and 35

32
REPAIR PARTS - MODEL SL585
SERVICE KITS
ITEM PART # DESCRIPTION
K1 71-B120 Brake kit - 115 Volt models
71-B240 Brake kit - 230-460 Volt models
71-B575 Brake kit - 575 Volt models
Complete with: Brake hub kit, brake
release lever, brake disk, spring cup,
studs, compression springs, brake
solenoid, solenoid cover, spacers,
mounting plate, pressure plate, feather
key and conduit.
K2 K75-10177 Brake hub kit
Complete with: Brake hub, set screw,
push on fastener and feather key.
K3 K75-34828 Idler shaft kit
Complete with: Bearings, sprocket
50B12x1" and idler shaft
K4 K75-34824 Chain guard kit
Complete with: Chain guard, chain
guides and retainers.
K5 K75-34842 Cover kit
Complete with: Cover, lock bar and
label.
K6 K75-34790 Disconnect kit
Complete with: Release lever, bracket,
cable, compression spring, washer,
screws, clevis pin, bushings, roll pins,
bolts, nuts, and handle.
K7 K75-34791 Clutch kit
Complete with: Clutch disk, clutch
plate, hub, torque limiter, e-rings,
washers, sprocket, bearing, nut and
compression spring.
K8 K29-32410 Alarm kit
Complete with: Alarm, spacer and
faston.
K9 K75-18493 Chain guide kit
K10 653509 Optional diagonal brace kit
NOT SHOWN
71-6532449 Heater kits (Optional) -
115/230V single phase
71-6532448 Heater kits (Optional) - All 3 phase
K50-18423 Replacement heater with
thermostat only
INDIVIDUAL PARTS
ITEM PART # DESCRIPTION
1 22-120 Brake solenoid, 115V
22-240 Brake solenoid, 230-460V
22-575-1 Brake solenoid, 575V
2 80-14414 Feather key
3 12-4164 Bearing
4 15-50B12LGH Sprocket, 50B12 x 1"
5 10-30678 Lock bar
6 23-34815 Stop/Reset button
7 32-34792 Gear reducer (30:1)
8 39-13941 Clutch disk
9 K20-1050C-2P Motor - models SL585-50-11,
SL585-50-21, SL585-50-81
K20-3050C-4P Motor - models SL585-50-23,
SL585-50-43, SL585-50-83
K20-3050M-5 Motor - model SL585-50-53
K20-1100C-2P Motor - models SL585-100-11,
SL585-100-21, SL585-100-81
K20-3100C-4P Motor - models SL585-100-23,
SL585-100-43, SL585-100-83
K20-3100M-5 Motor - model SL585-100-53
VARIABLE PARTS
10 23-20088 On/off switch - 1 phase 115V
23-3001 On/off switch - 1 phase 208/230V
23-3005 On/off switch - 3 phase
NOT SHOWN
Gate bracket
Take up bolt
Chain
Bolt - 14"
01-34850 Owner’s manual - English
01-34850SP Owner’s manual - Spanish
01-34850FR Owner’s manual - French

33
2
7
9
K3 (K75-34828)
K5 ( K75-34842)
10
2
1
K1 (71-B120, 71-B240, 71-B575)
K2 (K75-10177)
6
K4 (K75-34824)
4
3
4
3
K3 (K75-34828)
K6 ( K75-34790)
K7 (K75-34791)
K8 (K29-32410)
8
K9 (K75-18493)
K10 (653509)
ILLUSTRATED PARTS - MODEL 585

3434
REPAIR PARTS - MODEL SL595
SERVICE KITS
ITEM PART # DESCRIPTION
K1 71-B120 Brake kit - 115 Volt models
71-B240 Brake kit - 230-460 Volt models
71-B575 Brake kit - 575 Volt models
Complete with: Brake hub kit, brake
release lever, brake disk, spring cup,
studs, compression springs, brake
solenoid, solenoid cover, spacers,
mounting plate and pressure plate.
K2 K75-18618 Disconnect kit
Complete with: Disconnect support
bracket, detent plate, disconnect lever,
release yoke bevel and disconnect
shaft.
K3 K75-12858 Clutch kit
Complete with: Clutch, pressure plate,
torque limiter sprocket assembly, bell
washer 3" ODX 1-1/2", nut 1-1/2" hex
jam, clutch disc and 1/4 X 1-1/2 key.
K4 K75-18620 Limit box kit
Complete with: Limit switch box, lid
for cover, panel, adjustment plate,
mounting bracket, limit shaft bearing,
compression spring, spacer, nut,
terminal box, hall effect kit, tinnerman
nut double and e-ring
K5 K72-18615 Drive shaft kit
Complete with: Disconnect bushing,
drive shaft, pillow block bearing,
sprocket, disconnect spring, chain,
disconnect key and e-ring.
K6 K29-32410 Alarm kit
Complete with: Alarm, spacer
and faston.
K7 K75-18493 Chain guide kit
NOT SHOWN
71-6532449 Heater kits (Optional) -
115/230V single phase
71-6532448 Heater kits (Optional) - All 3 phase
K50-18423 Replacement heater with
thermostat only
INDIVIDUAL PARTS
ITEM PART # DESCRIPTION
1 K20-1050C-2P Motor - models SL595-50-11,
SL595-50-21, SL595-50-81
K20-3050C-4P Motor - models SL595-50-23,
SL595-50-43, SL595-50-83
K20-3050M-5 Motor - model SL595-50-53
K20-1100C-2P Motor - models SL595-100-11,
SL595-100-21, SL595-100-81
K20-3100C-4P Motor - models SL595-100-23,
SL595-100-43, SL595-100-83
K20-3100M-5 Motor - model SL595-100-53
K20-3200C-5 Motor - model SL595-200-53
2 32-10540 Gear reducer (20:1)
3 10-30702 Chain guard
4 11-3602 Idler shaft
5 15-3619 Sprocket 50B19 1-1/4" X 1/4"
6 305-153613 Idler sprocket
7 10-3209 Gate bracket
8 11-3503 Take-up bolt
9 19-3025 Chain #50, nickel plated - 25'
10 44-18491 Enclosure
11 82-QN43-12 Sq hd ss 7/16-14" X 3/4"
12 91-G0149 Idler bolt w/ zirc fitting
13 10-30699 Bracket mounting
14 K1C3196-3 Antenna
15 23-2016 Limit switch
16 13-10024 Limit nut
17 K74-G0589 RPM sensor (Hall effect) kit
18 12-3601 Pillowblock bearing
19 39-10541 Clutch disk
NOT SHOWN
23-34815 Stop/Reset button - located on
enclosure door

35
SL595 ILLUSTRATED PARTS
ILLUSTRATED PARTS - MODEL 595
3
6
12
13
4
5
6 1
2
7
8
9
11
K3 (K75-12858)
K1 (71-B120)
(71-B240)
(71-B575)
K2 (K75-18618)
K4 (K75-18620)
K6 (K29-32410)
312HM Receiver Mounted to
the Inside of Enclosure
K5 (K72-18615)
19
18
18
16
17
15
10
14
K7 (K75-18493)

36
SAFETY ACCESSORIES FOR SECONDARY
ENTRAPMENT PROTECTION
The following devices are acceptable for Safety Accessories for
secondary entrapment protection.
PHOTO-ELECTRIC CONTROLS
MODEL DESCRIPTION VOLTAGE
CPS-N4 Emitter, receiver and mounting brackets - 30' (9 m) Maximum Range +24V ac/dc
AOMRON Photocell/Electric Eye - 30' (9 m) Maximum Range +24V ac/dc
SENSING EDGES
MODEL DESCRIPTION
G65MG0204 Miller MG020 2-wire electric edge for gates. Sensitized on three sides.
Requires mounting channel (4' [1.2 m] long).
G65MG0205 Miller MG020 2-wire electric edge for gates. Sensitized on three sides.
Requires mounting channel (5' [1.5 m] long).
G65ME12C5 Mounting Channel - 5' (1.5 m) long
G65MGR205 Miller MGR20 2-wire electric edge in 5' (1.5 m) lengths for 2" (5 cm) round post.
G65MGS205 Miller MGR20 2-wire electric edge in 5' (1.5 m) lengths for 2" (5 cm) square post.

37
NOTES

38
LIFTMASTER®TWO YEAR LIMITED WARRANTY
The Chamberlain Group, Inc. warrants to the final purchaser of this product, for the structure in which this product is originally
installed, that it is free from defect in materials and/or workmanship for a period of two years from the date of purchase. The proper
operation of this product is dependent on your compliance with the instructions regarding installation, operation, maintenance and
testing. Failure to comply strictly with those instructions will void this limited warranty in its entirety.
If, during the limited warranty period, this product appears to contain a defect covered by this limited warranty, call 1-800-528-2806,
toll free, before dismantling this product. Then send this product, pre-paid and insured, to our service center for warranty repair. You
will be advised of shipping instructions when you call. Please include a brief description of the problem and a dated proof-of-purchase
receipt with any product returned for warranty repair. Products returned to Seller for warranty repair, which upon receipt by Seller are
confirmed to be defective and covered by this limited warranty, will be repaired or replaced (at Seller’s sole option) at no cost to you
and returned pre-paid. Defective parts will be repaired or replaced with new or factory-rebuilt parts at Seller’s sole option.
ALL IMPLIED WARRANTIES FOR THE PRODUCT, INCLUDING BUT NOT LIMITED TO ANY IMPLIED WARRANTIES OF
MERCHANTABILITY AND FITNESS FOR A PARTICULAR PURPOSE, ARE LIMITED IN DURATION TO THE TWO YEAR LIMITED
WARRANTY PERIOD SET FORTH ABOVE, AND NO IMPLIED WARRANTIES WILL EXIST OR APPLY AFTER SUCH PERIOD. Some
States do not allow limitations on how long an implied warranty lasts, so the above limitation may not apply to you. THIS LIMITED
WARRANTY DOES NOT COVER NON-DEFECT DAMAGE, DAMAGE CAUSED BY IMPROPER INSTALLATION, OPERATION OR CARE
(INCLUDING, BUT NOT LIMITED TO ABUSE, MISUSE, FAILURE TO PROVIDE REASONABLE AND NECESSARY MAINTENANCE,
UNAUTHORIZED REPAIRS OR ANY ALTERATIONS TO THIS PRODUCT), LABOR CHARGES FOR REINSTALLING A REPAIRED OR
REPLACED UNIT, OR REPLACEMENT OF BATTERIES.
THIS LIMITED WARRANTY DOES NOT COVER ANY PROBLEMS WITH, OR RELATING TO, THE GATE OR GATE HARDWARE,
INCLUDING BUT NOT LIMITED TO THE GATE ALIGNMENT OR HINGES. THIS LIMITED WARRANTY ALSO DOES NOT COVER ANY
PROBLEMS CAUSED BY INTERFERENCE. ANY SERVICE CALL THAT DETERMINES THE PROBLEM HAS BEEN CAUSED BY ANY OF
THESE ITEMS COULD RESULT IN A FEE TO YOU.
UNDER NO CIRCUMSTANCES SHALL SELLER BE LIABLE FOR CONSEQUENTIAL, INCIDENTAL OR SPECIAL DAMAGES ARISING IN
CONNECTION WITH USE, OR INABILITY TO USE, THIS PRODUCT. IN NO EVENT SHALL SELLER’S LIABILITY FOR BREACH OF
WARRANTY, BREACH OF CONTRACT, NEGLIGENCE OR STRICT LIABILITY EXCEED THE COST OF THE PRODUCT COVERED HEREBY.
NO PERSON IS AUTHORIZED TO ASSUME FOR US ANY OTHER LIABILITY IN CONNECTION WITH THE SALE OF THIS PRODUCT.
Some States do not allow the exclusion or limitation of consequential, incidental or special damages, so the above limitation or
exclusion may not apply to you. This limited warranty gives you specific legal rights, and you may also have other rights which vary
from state to state.
WARRANTY

39
HOW TO ORDER REPAIR PARTS
OUR LARGE SERVICE ORGANIZATION
SPANS AMERICA
INSTALLATION AND SERVICE INFORMATION
ARE AVAILABLE 6 DAYS A WEEK
CALL OUR TOLL FREE NUMBER
1-800-528-2806
HOURS 6:00 a.m. TO 7:00 p.m. (Central Std. Time)
MONDAY Through FRIDAY
HOURS 8:00 a.m. TO 6:00 p.m. (Central Std. Time)
SATURDAY
www.liftmaster.com
WHEN ORDERING REPAIR PARTS
PLEASE SUPPLY THE FOLLOWING INFORMATION:
PART NUMBER DESCRIPTION MODEL NUMBER
ADDRESS ORDER TO:
THE CHAMBERLAIN GROUP, INC.
Tucson Support Group
6020 Country Club Road
Tucson, AZ 85706
SERVICE INFORMATION

© 2006, The Chamberlain Group, Inc.
01-34850D All Rights Reserved