Lincoln Impinger Conveyor Ovens 1000 Users Manual I Series Service Domestic
1000 to the manual 6da58c30-def9-4de8-ad55-8cd4b46c1e0f
2015-01-23
: Lincoln Lincoln-Impinger-Conveyor-Ovens-1000-Users-Manual-269466 lincoln-impinger-conveyor-ovens-1000-users-manual-269466 lincoln pdf
Open the PDF directly: View PDF
.
Page Count: 92

1000SeriesSvc REV: 12/13/2005
SERVICE MANUAL
(DOMESTIC)
IMPINGER CONVEYOR OVENS
MODEL SERIES 1000 - 1200 & 1400
Lincoln Foodservice Products, Inc.
1111 North Hadley Road
P.O. Box 1229
Fort Wayne, Indiana 46801-1229
Phone: (800) 374-3004 • Fax: (260) 436-0735
Technical Service Hot Line
(800) 678-9511
www.lincolnfp.com
Impinger I -–1000 Series Service Manual - Domestic2
TABLE OF CONTENTS
TABLE OF CONTENTS..............................................................................................................................................2
SEQUENCE OF OPERATIONS 1000/1001/1004/1005/1200/1201/1204/1205 ........................................................3
SEQUENCE OF OPERATIONS 1022 / 1023 / 1202 / 1203.......................................................................................4
SEQUENCE OF OPERATIONS 1040 / 1041 / 1240 / 1241.......................................................................................5
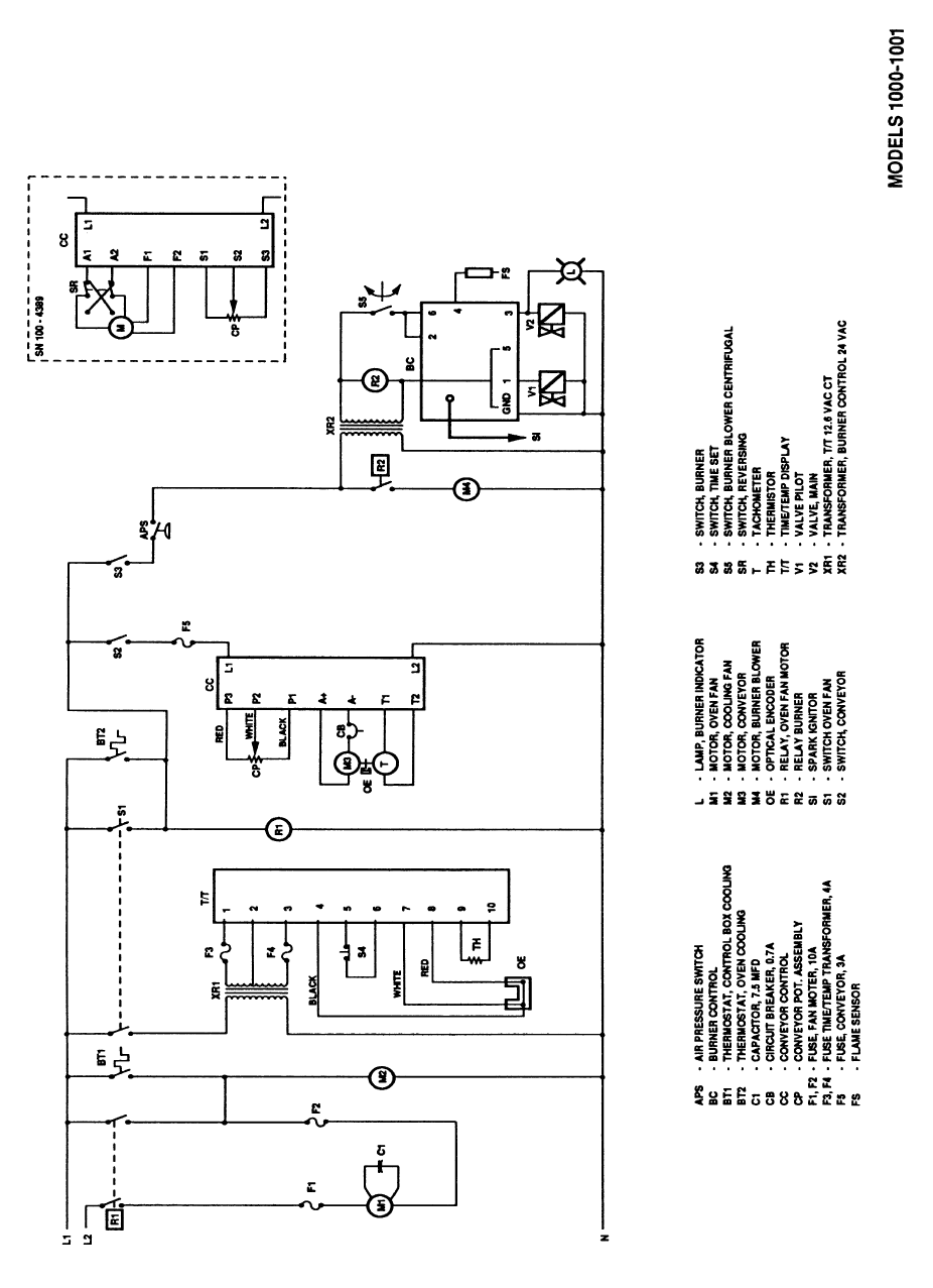
SCHEMATIC / 1000, 1001..........................................................................................................................................8
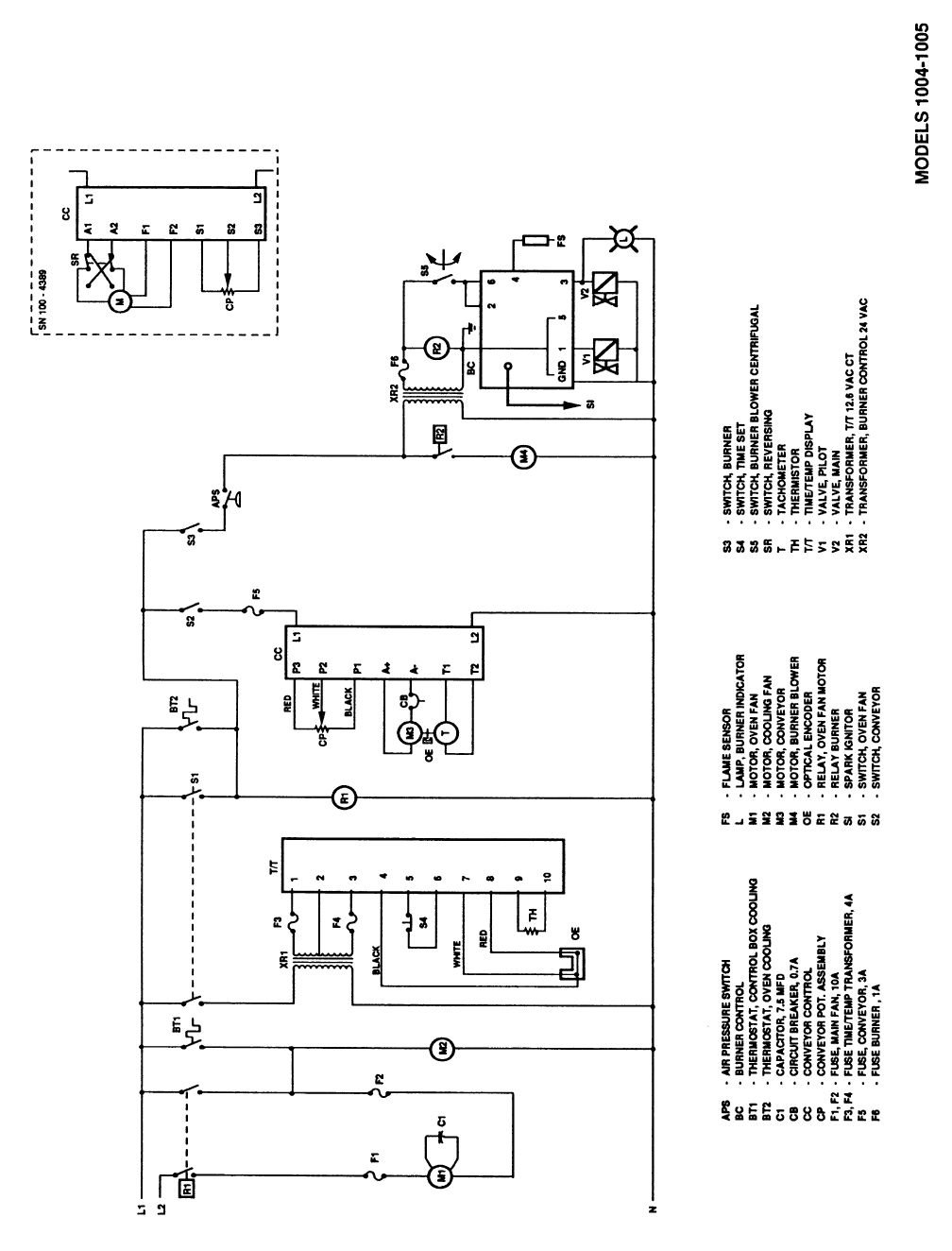
SCHEMATIC / 1004, 1005..........................................................................................................................................9
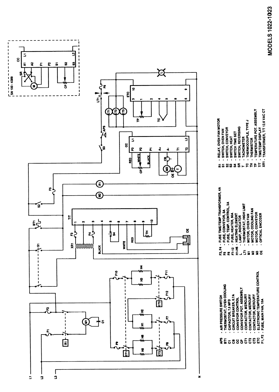
SCHEMATIC / 1022, 1023 – S/N Q19077 & BELOW ..............................................................................................10
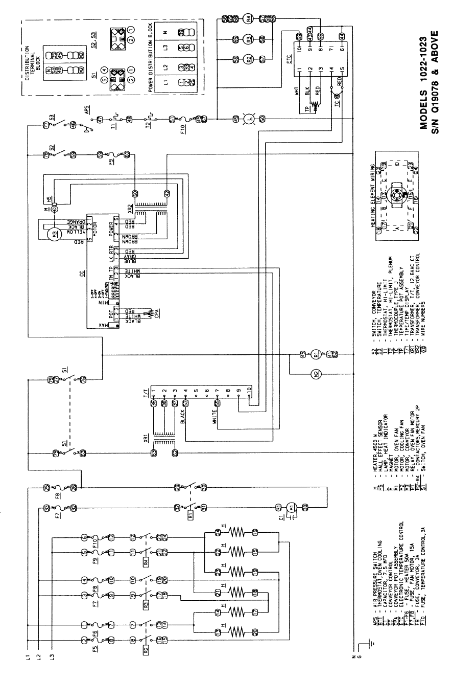
SCHEMATIC / 1022, 1023 – S/N Q19078 & ABOVE...............................................................................................11
SCHEMATIC / 1040, 1041 – S/N Q14279 & BELOW ..............................................................................................12
SCHEMATIC / 1040, 1041 – S/N Q14280 & ABOVE...............................................................................................13
SCHEMATIC / 1200, 1201........................................................................................................................................14
SCHEMATIC / 1202, 1203 S/N Q14790 & BELOW .................................................................................................15
SCHEMATIC / 1202, 1203 S/N Q14791 & ABOVE..................................................................................................16
SCHEMATIC / 1204, 1205........................................................................................................................................17
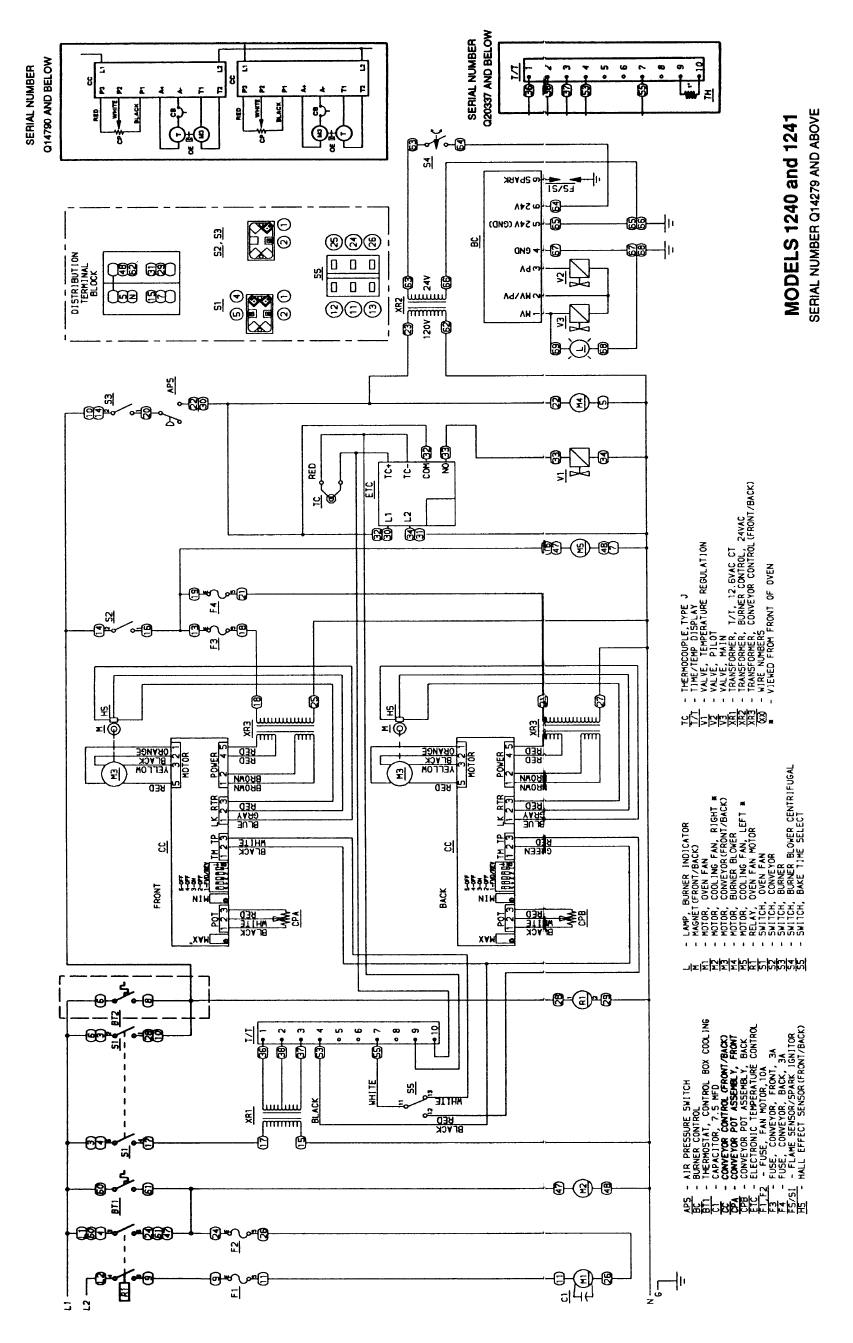
SCHEMATIC / 1240, 1241 – S/N Q14279 & BELOW ..............................................................................................18
SCHEMATIC / 1240, 1241 – S/N Q14280 & ABOVE...............................................................................................19
TROUBLESHOOTING GUIDE 1000 & 1200............................................................................................................20
GAS OVENS.........................................................................................................................................................20
TROUBLESHOOTING GUIDE .................................................................................................................................25
ELECTRIC OVENS MODEL SERIES 1000 & 1200 .............................................................................................25
REMOVAL, INSTALLATION & ADJUSTMENTS .....................................................................................................32
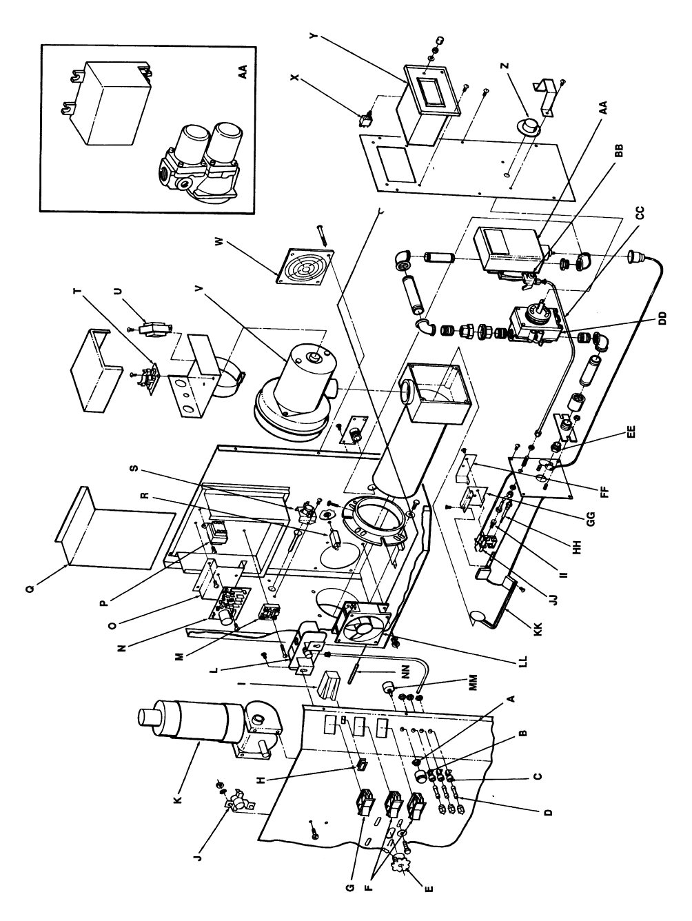
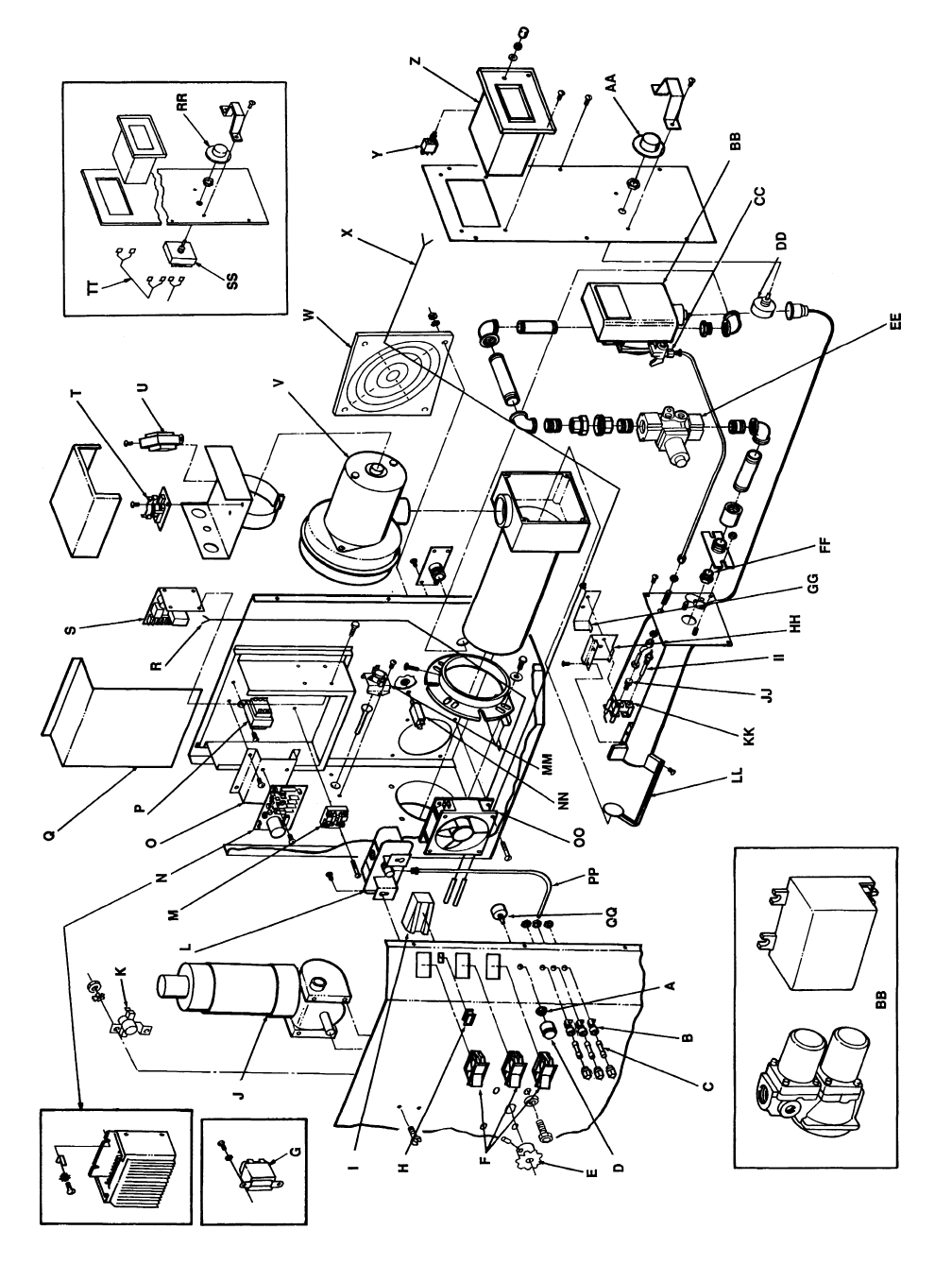
PARTS / MODEL SERIES 1000 & 1200 - GENERAL..............................................................................................60
BLOW UP / 1000, 1200 – GENERAL.......................................................................................................................61
PARTS / ACCESS DOOR & 1050 DOOR................................................................................................................62
BLOW UP / ACCESS DOOR & 1050 DOOR ...........................................................................................................63
PARTS / MODEL 1000,1001,1050,1051,1004, &1005 – S/N 100 TO 4389............................................................64
BLOW UP / 1000, 1001, 1050, 1051, 1004, & 1005 S/N 100 TO 4389 ...................................................................65
PARTS / MODEL 1000,1001,1004, AND 1005 S/N 4390 & ABOVE.......................................................................66
BLOW UP 1000, 1001, 1004, 1005 S/N 4390 & ABOVE.........................................................................................67
PARTS / 1022-1023..................................................................................................................................................68
BLOW UP / 1022, 1023 ............................................................................................................................................69
PARTS / 1040-1041..................................................................................................................................................70
BLOW UP / 1040, 1041 ............................................................................................................................................71
PARTS / 1200, 1201, 1204 AND 1205.....................................................................................................................72
BLOW UP / 1200, 1201, 1204, 1205........................................................................................................................73
PARTS / 1202-1203..................................................................................................................................................74
BLOW UP / 1202, 1203 ............................................................................................................................................75
PARTS / 1240-1241..................................................................................................................................................76
BLOW UP / 1240, 1241 ............................................................................................................................................77
PARTS / OVEN BACK - GAS...................................................................................................................................78
BLOW UP / OVEN BACK – GAS .............................................................................................................................79
PARTS / OVEN BACK- ELECTRIC..........................................................................................................................80
BLOW UP / OVEN BACK – ELECTRIC ...................................................................................................................81
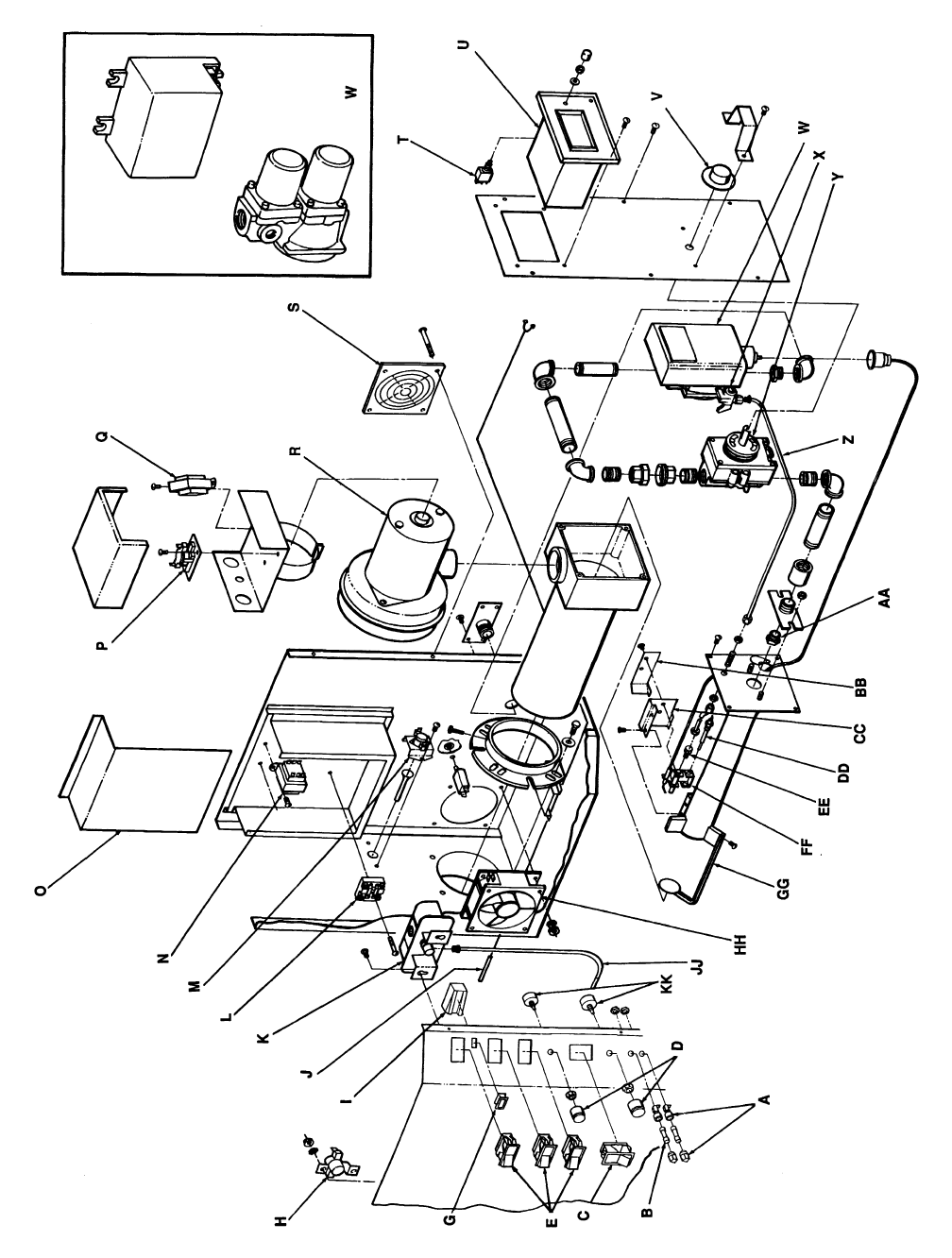
PARTS / CONVEYOR MOTOR ASSEMBLY S/N 4390 & ABOVE..........................................................................82
BLOW UP / CONVEYOR MOTOR ASSEMBLY S/N 4390 & ABOVE .....................................................................83
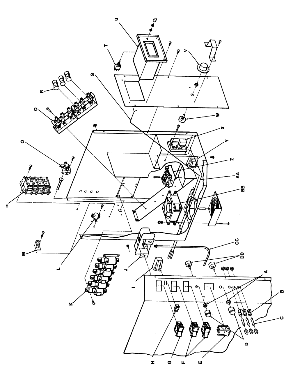
PARTS / SERIES 1000 – CONVEYOR....................................................................................................................84
BLOW UP / SERIES 1000 CONVEYOR ..................................................................................................................85
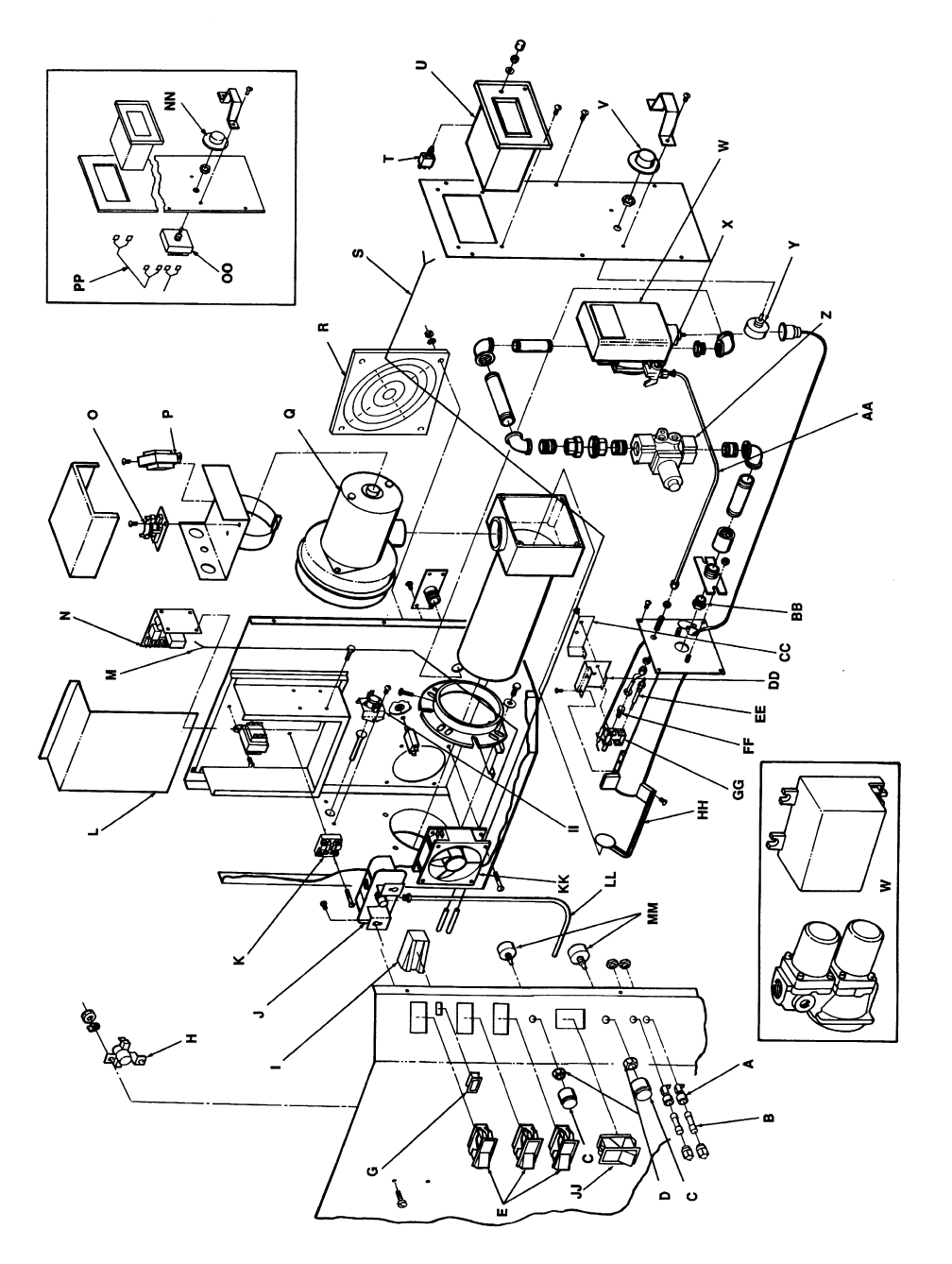
PARTS / SERIES 1200 - CONVEYOR CONTROL..................................................................................................86
BLOW UP / SERIES 1200 – CONVEYOR CONTROL ............................................................................................87
PARTS / SERIES 1200 – CONVEYOR....................................................................................................................88
BLOW UP / SERIES 1200 – CONVEYOR ...............................................................................................................89

Impinger I -–1000 Series Service Manual - Domestic 3
SEQUENCE OF OPERATIONS 1000/1001/1004/1005/1200/1201/1204/1205
MODEL 1000 - 120/230 VAC - 60HZ - NATURAL GAS
MODEL 1001 - 120/230 VAC - 60HZ - L.P. GAS
MODEL 1004 - 120/230 VAC - 60HZ - NATURAL GAS
MODEL 1005 - 120/230 VAC - 60HZ - L.P. GAS
MODEL 1200 - 120/230 VAC - 60HZ - NATURAL GAS/DUAL BELT
MODEL 1201 - 120/230 VAC - 60HZ - L.P. GAS/DUAL BELT
MODEL 1204 - 120/230 VAC - 60HZ - NATURAL GAS/DUAL BELT
MODEL 1205 - 120/230 VAC - 60HZ L.P.GAS/DUAL BELT
POWER SUPPLY Electrical Power to be supplied to the Oven by a four conductor service. . Voltage
from the black conductor to the white conductor is 120 VAC.
Black conductor is Hot
Red conductor is Hot
White conductor is Dedicated Neutral
Green conductor is Ground
CONTROL BOX AUTO
COOL DOWN When the temperature in the Control Box reaches 120°F + 3°, the Cooling Fan
Thermostat will switch power to the Control Box Cooling Fan. The Thermostat will
interrupt power to the Cooling Fan when the Control Box temperature falls to 100°F +
3°.
MAIN FAN CIRCUIT Electrical power is permanently supplied to the normally open contacts of the Double
Pole Main Fan Relay, the Cooling Fan Thermostat, the normally open Main Fan
Switch, and the normally open Cool Down Thermostat (thermostat closes at 160°F
and opens at 140°F). Closing the Main Fan Switch energizes the coil of the Relay.
The normally open contacts now close, energizing the Main Fan Motor through (2)
10A fuses, and the Cooling Fan. Closing the Fan Switch also supplies power to the
Hour Meter (hour meter discontinued after S/N 3484), the 12.6 VAC Transformer, the
Burner and Conveyor Switches.
TRANSFORMER (12.6
VAC) Upon closure of the Fan Switch, 120 VAC is supplied to the primary of the 12.6 VAC
Transformer. The Transformer steps the voltage down to 12.6 VAC (normally 13 to
14 VAC) with a center tap, and supplies power to the Time/Temp Display. The
voltage from each leg of the Transformer's secondary to the center tap should be
one half of the secondary voltage.
BURNER CIRCUIT Closing the Fan Switch and the normally open Burner Switch supplies 120 VAC
through the Air Pressure Switch, to the normally open contacts of the Burner Motor
Relay, and the primary of the 24 VAC Step Down Transformer. The Transformer
secondary supplies 24 VAC (through a 1A fuse on Model 1004 and 1005) to the
Relay Coil (the normally open contacts close within 30 seconds), and the normally
open Centrifugal Switch. When the Relay contacts close, the Burner Blower Motor is
energized. As this motor reaches approximately1600 R.P.M., its internal centrifugal
switch closes, supplying 24 VAC to the Gas Control Valve. When the Gas Control
Valve is supplied with 24 VAC the pilot valve is energized, and the ignitor circuit is
energized. Ignition should now occur. After pilot flame is proven, the main gas valve
is energized. The Burner Indicator Light is also energized.
CONVEYOR DRIVE(S/N
100 to 4389) Closing the Fan Switch and the normally open Conveyor Switch supplies 120 VAC
through a 3A Fuse, to the Motor Control Board. AC volts are converted to D.C. volts
and are supplied to the Conveyor motor at board terminals A1 and A2 through a
D.P.D.T. Reversing Switch. Adjustment of the Speed Control Potentiometer (500
ohm, 10 turn) will change resistance at terminals S1, S2, and S3 varying the D.C.
voltage to the motor. The speed of the Conveyor Motor will increase or decrease as
the D.C. voltage from the Motor Control Board increases or decreases respectively.
(S/N 4390 and UP) Closing the fan switch and the normally open conveyor switch supplies 120 VAC to
the Motor Control Board. AC volts are converted to DC volts and are supplied to the
Conveyor Motor at terminals A+ and A-. Adjustment of the Speed Control
Potentiometer (5,000 ohm 10 turn ) will change resistance at terminals P1, P2, and
P3 varying the DC voltage to the motor. The speed of the conveyor motor will
increase or decrease as the DC voltage from the board increases or decreases

Impinger I -–1000 Series Service Manual - Domestic4
respectively. As the motor turns, it drives both the reducer gearbox and the tach.
generator. The tach. generator is a DC voltage generator which supplies a voltage to
the DC motor control board and is used as a reference for maintaining a constant
conveyor speed.
NOTE The 1200 Series Ovens utilize 2 complete conveyor drive systems.
TIME TEMP DISPLAY The Time/Temp. Display is energized when the Fan Switch is closed, supplying120
VAC to the primary of the 12.6 volt Transformer The secondary output of the
transformer, normally 13 to 14 VAC (depending on input), with a center tap is
supplied at terminals 1,2, and 3 of the Time/Temp. Display. The center tap is
terminal 2. The display works on a balanced input and center tap voltage to each leg
must be 1/2 the total reading.
The speed side of the Time/Temp. Display uses a slotted disc (cemented to tach.
coupling) to break the infra-red light beam of the optical switch (mounted on gear
motor) producing electrical pulses that are transmitted to the display. The display
converts these pulses into a read-out of minutes and seconds. The temperature
portion of the display uses a Thermistor Probe to sense oven temperature. The
thermistor outputs a resistance proportional to the oven temperature. This resistance
is then converted by the display into a temperature reading.
NOTE: The 1200 Series Ovens use a Double Pole Double Throw Switch to connect
the two Optical Encoder Assemblies to the Time/Temp Display. By activating the
switch, either the front or rear belt speed can be shown by the Time/Temp Display.
SEQUENCE OF OPERATIONS 1022 / 1023 / 1202 / 1203
MODEL 1022 - 120/208 VAC - 3 PHASE
MODEL 1023 - 120/240 VAC - 3 PHASE
MODEL 1202 - 120/208 VAC - 3 PHASE - DUAL BELT
MODEL 1203 - 120/240 VAC - 3 PHASE - DUAL BELT
POWER SUPPLY Electrical Power to be supplied to the Oven by a five conductor service. Voltage from
the black conductor to the white conductor is 120 VAC.
Black conductor is Hot
Red conductor is Hot
Orange conductor is Hot
White conductor is Dedicated Neutral
Green conductor is Ground
MAIN FAN CIRCUIT Electrical power is permanently supplied through 6, 50A fuses to the normally open
contacts of the Mercury Contactors. Power is also supplied through 2, 15A fuses to
the normally open contacts of the Double Pole Main Fan Relay, the Double Pole
Main Fan Switch, and the normally open Cool-Down Thermostat (thermostat closes
at 160°F and opens at 140°F.) Closing the Main Fan Switch energizes the coil of the
Main Fan Relay. The normally open contacts now close, energizing the Main Fan
Motor, and the Control Box Cooling Fan. Closing the Fan Switch also supplies power
to the Hour Meter (hour meter discontinued after S/N 3484), the 12.6 VAC
Transformer, the Heat and Conveyor Switches.
TRANSFORMER (12.6
VAC) Upon closure of the Fan Switch, 120 VAC is supplied to the primary of the 12.6 VAC
Transformer. The Transformer steps the voltage down to 12.6 VAC (normally 13 to
14 VAC) with a center tap, and supplies power to the Time/Temp Display. The
voltage from each leg of the Transformer's secondary to the center tap should be
one half of the secondary voltage.
HEAT CIRCUIT Closing the Fan Switch and the normally open Heat Switch supplies 120 VAC
through the Air Pressure Switch and the normally closed Hi-Limit Thermostat
(manually re-settable, opens at 190°F) the 3A Fuse, to the L1 terminal of the
Temperature Control Board, the coils of the Mercury Contactors, and to the Heat
Indicator Light.
TEMPERATURE
CONTROL When the Heat Switch is closed, 120 VAC is supplied to the Temperature Control.
The Temperature Control Potentiometer (2.5K ohm) is adjusted to desired
temperature. The Thermocouple will provide varying millivolts to the Temperature

Impinger I -–1000 Series Service Manual - Domestic 5
Controller. The Temperature Controller switches the L2 line of the Contactor coils at
intermittent intervals to maintain desired temperature.
CONVEYOR DRIVE
(S/N 100 to 4389) Closing the Fan Switch and the normally open Conveyor Switch supplies 120 VAC
through a 3A Fuse, to the Motor Control Board. AC volts are converted to D.C. volts
and are supplied to the Conveyor Motor at board terminals A1 and A2 through a
D.P.D.T. Reversing Switch. Adjustment of the Speed Control Potentiometer (500
ohm, 10 turn) will change resistance at terminals S1, S2, and S3 varying the D.C.
voltage to the motor. The speed of the Conveyor Motor will increase or decrease as
the D.C. voltage from the Motor Control Board increases or decreases respectively.
(S/N 4390 and UP) Closing the fan switch and the normally open conveyor switch supplies 120 VAC to
the Motor Control Board. AC volts are converted to DC volts and are supplied to the
Conveyor Motor at terminals A+ and A-. Adjustment of the Speed Control
Potentiometer (5,000 ohm 10 turn) will change resistance at terminals P1, P2, and
P3 varying the DC voltage to the Conveyor Motor. The speed of the conveyor motor
will increase or decrease as the DC voltage from the board increases or decreases
respectively. As the motor turns, it drives both the reducer gearbox and the tach.
generator. The tach. generator is a DC voltage generator which supplies a voltage to
the DC motor control board and is used as a reference for maintaining a constant
conveyor speed.
NOTE* The 1200 Series Ovens utilize 2 complete conveyor drive systems.
TIME/TEMP DISPLAY The Time/Temp Display is energized when the Fan Switch is closed, supplying 120
VAC to the primary of the12.6 volt Transformer. The secondary output of the
transformer, normally 13 to 14 VAC (depending on input), with a center tap is
supplied to terminals 1,2, and 3 of the Time/Temp Display. The center tap is terminal
2. The display works on a balanced input and center tap voltage to each leg must be
1/2 the total reading.
The speed side of the Time/Temp. Display uses a slotted disc (cemented to tach.
coupling) to break the infra-red light beam of the optical switch (mounted on gear
motor) producing electrical pulses that are transmitted to the display. The display
converts these pulses into a read-out of minutes and seconds.
The temperature portion of the display uses a Thermistor Probe to sense oven
temperature. The thermistor outputs a resistance proportional to the oven
temperature. This resistance is then converted by the display into a temperature
reading.
NOTE* The 1200 Series Ovens use a Double Pole Double Throw Switch to connect the two
Optical Encoder Assemblies to the Time/Temp. Display. By activating the switch,
either the front or rear belt speed can be shown by the Time/Temp. Display.
SEQUENCE OF OPERATIONS 1040 / 1041 / 1240 / 1241
MODEL 1040 - 120/230 VAC - 60HZ - NATURAL GAS
MODEL 1041 - 120/230 VAC - 60HZ - L.P. GAS
MODEL 1240 - 120/230 VAC - 60HZ - NATURAL GAS/DUAL BELT
MODEL 1241 - 120/230 VAC - 60HZ - L.P. GAS/DUAL BELT
POWER SUPPLY Electrical Power to be supplied to the Oven by a four conductor service. Voltage
from the black conductor to the white conductor is 120 VAC.
Black conductor is Hot
Red conductor is Hot
White conductor is Dedicated Neutral
Green conductor is Ground
CONTROL BOX AUTO
COOL DOWN When the temperature in the Control Box reaches 120°F ± 3°, the Cooling Fan
Thermostat will switch power to the Control Box Cooling Fan. The Thermostat will
interrupt power to the Cooling Fan when the Control Box temperature falls to 100°F +
3°.
MAIN FAN CIRCUIT Electrical power is permanently supplied to the normally open contacts of the Double
Pole Main Fan Relay, the Cooling Fan Thermostat, the normally open Main Fan
Switch, and the normally open Cool Down Thermostat (thermostat closes at 160°F
and opens at 140°F). Closing the Main Fan Switch energizes the coil of the Relay.

Impinger I -–1000 Series Service Manual - Domestic6
The normally open contacts now close, energizing the Main Fan Motor through two
10A fuses, and the Cooling Fan. Closing the Fan Switch also supplies power to the
12.6 VAC Transformer, the Burner and Conveyor Switches.
TRANSFORMER (12.6
VAC) Upon closure of the Fan Switch, 120 VAC is supplied to the primary of the 12.6 VAC
Transformer. The Transformer steps the voltage down to 12.6 VAC (normally 13 to
14 VAC) with a center tap, and supplies power to the Time/ Temp. Display. The
voltage from each leg of the Transformer's secondary to the center tap should be
one half of the secondary voltage.
BURNER CIRCUIT Closing the Fan Switch and the normally open Burner Switch supplies 120 VAC
through the Air Pressure Switch, to the Temperature Control Board, the normally
open contacts of the Burner Motor Relay (Burner Motor Relay discontinued after S/N
14791) and the primary of the 24 VAC Transformer. The transformer's secondary
supplies 24 VAC to the burner motor relay coil (the normally open contacts close
within 30 seconds), and the normally open Centrifugal Switch. When the relay
contacts close, the Burner Blower Motor is energized. As this motor reaches approx.
1,600 R.P.M its internal centrifugal switch closes, supplying 24 VAC to the Gas
Control Valve. When the Gas Control Valve is supplied with 24 VAC, the pilot valve
is energized, and the igniter circuit is energized. Ignition should now occur. After pilot
flame is proven, the Main Gas Valve is energized. The Burner Indicator Light is also
energized.
TEMPERATURE
CONTROL Closing the Fan Switch and Burner Switch supplies 120 VAC to the Temperature
Control Board. The 1K or 1000 ohm Temperature Potentiometer is adjusted to
desired temperature. The Thermocouple will provide varying millivolts to the
Temperature Controller. The Temperature Controller supplies 120 VAC to the
Solenoid Valve at intermittent intervals to maintain desired temperature.
CONVEYOR DRIVE
(S/N Q14790 & Below,
1200 series
S/N Q14973 & Below
1000 series)
(S/N Q14791 & Above,
1200 series refer to Pg.
5 & 6 S/N Q14974 &
Above, 1000 series refer
to Pg. 5 & 6 (STEPPER)
Closing the fan switch and the normally open conveyor Switch supplies 120 VAC to
the Motor Control Board. AC volts are converted to DC volts and are supplied to the
Conveyor Motor, at terminals A+ and A-. Adjustment of the Speed Control
Potentiometer (5,000 ohm 10 turn) will change resistance at terminals P1, P2, and
P3 varying the DC voltage to the Conveyor Motor. The speed of the conveyor motor
will increase or decrease as the DC voltage from the board increases or decreases
respectively. As the motor turns, it drives both the reducer gearbox and the tach.
generator. The tach. Generator is a DC voltage generator, which supplies a voltage
to the DC motor control board and is used as a reference for maintaining a constant
conveyor speed.
NOTE: The 1200 Series Ovens utilize 2 complete conveyor drive systems.
TIME/TEMP
DISPLAY(S/N Q14790 &
Below, 1200 series
S/N Q14973 & Below
1000 series)
(S/N Q14791 & Above,
1200 series refer to Pg.
5 & 6 S/N Q14974 &
Above, 1000 series refer
to Pg. 5 & 6 (STEPPER)
The Time/Temp. Display is energized when the Fan Switch is closed, supplying 120
VAC to the primary of the12.6 volt Transformer. The secondary output of the
transformer, normally 13 to 14 VAC (depending on input), with a center tap, is
supplied to terminals 1,2, and 3 of the Time/Temp. Display. The center tap is
terminal 2. The display works on a balanced input and center tap voltage to each leg
must be 1/2 the total reading.
The speed side of the Time/Temp. Display uses a slotted disc (cemented to tach.
coupling) to break the infrared light beam of the optical switch (mounted on gear
motor) producing electrical pulses that are transmitted to the display. The display
converts these pulses into a read-out of minutes and seconds. The temperature
portion of the display uses a Thermistor Probe to sense oven temperature. The
thermistor outputs a resistance proportional to the oven temperature. This resistance
is then converted by the display into a temperature reading.
NOTE* The 1200 Series Ovens use a Double Pole Double Throw Switch to connect the two
Optical Encoder Assemblies to the Time/Temp. Display. By activating the switch,
either the front or rear belt speed can be shown by the Time/Temp Display .
CONVEYOR DRIVE Closing the Oven Fan Switch supplies 120 VAC, through the Power Transformer, to
the normally open Conveyor Switch. Closing the Conveyor Switch supplies 120 VAC,
through a 3 AMP Fuse, to the primary of the Conveyor Control Transformer. The
secondary of this Transformer supplies 10 VAC and 29 VAC to the Conveyor
Control. The conveyor control supplies voltage pulses to the Conveyor Control. The
Conveyor Control Potentiometer varies the frequency of these pulses. The motor
speed will increase or decrease, as the frequency of the pulses increase or decrease
respectively.

Impinger I -–1000 Series Service Manual - Domestic 7
TIME TEMP DISPLAY Closing the Oven Fan Switch supplies 120 VAC, through the Power Transformer, to
the primary of the Time/Temp. Transformer. The secondary output of the
Transformers, 12.5to 15 VAC with a center tap, is supplies to terminals 1, 2, and3 of
the Time/Temp. Display. The display works on a balanced input, and the center tap
voltage to each leg must be 1/2 the total reading.

Impinger I -–1000 Series Service Manual - Domestic8
SCHEMATIC / 1000, 1001

Impinger I -–1000 Series Service Manual - Domestic 9
SCHEMATIC / 1004, 1005

Impinger I -–1000 Series Service Manual - Domestic10
SCHEMATIC / 1022, 1023 – S/N Q19077 & BELOW

Impinger I -–1000 Series Service Manual - Domestic 11
SCHEMATIC / 1022, 1023 – S/N Q19078 & ABOVE

Impinger I -–1000 Series Service Manual - Domestic12
SCHEMATIC / 1040, 1041 – S/N Q14279 & BELOW

Impinger I -–1000 Series Service Manual - Domestic 13
SCHEMATIC / 1040, 1041 – S/N Q14280 & ABOVE

Impinger I -–1000 Series Service Manual - Domestic14
SCHEMATIC / 1200, 1201

Impinger I -–1000 Series Service Manual - Domestic 15
SCHEMATIC / 1202, 1203 S/N Q14790 & BELOW

Impinger I -–1000 Series Service Manual - Domestic16
SCHEMATIC / 1202, 1203 S/N Q14791 & ABOVE

Impinger I -–1000 Series Service Manual - Domestic 17
SCHEMATIC / 1204, 1205

Impinger I -–1000 Series Service Manual - Domestic18
SCHEMATIC / 1240, 1241 – S/N Q14279 & BELOW

Impinger I -–1000 Series Service Manual - Domestic 19
SCHEMATIC / 1240, 1241 – S/N Q14280 & ABOVE

Impinger I -–1000 Series Service Manual - Domestic20
TROUBLESHOOTING GUIDE 1000 & 1200
SYMPTOM POSSIBLE CAUSE EVALUATION
Incoming Power Supply Check breakers/ Reset if required / Call Power Co.
if needed.
(Export Ovens) For some export ovens, there is a control circuit
step-down transformer. This transformer steps
down supply voltage to 120 VAC. If main fan will
not run, the secondary of this transformer must be
checked for 120 VAC output. Check specific oven
model schematic for circuit location.
Oven Fan Fuse(s) Check and/or Replace
Fuse Holder Check and/or Replace
Fan Switch Check continuity between switch terminals.
Main Relay Check continuity to 120 VAC coil. Check for power
to relay coil (120 VAC). Check for 208/240 VAC to
relay terminals. Visually check for contact pull-in.
Fan Motor Check for opens, shorts, or grounds. WITH
POWER OFF: Turn Fan Blade to check for locked
rotor.
Oven fan will not run
NOTE:
Capacitor Check for opens, shorts, or grounds.
No Main Fan Cool
Down Cool Down Thermostat Check cool down thermostat (thermostat closes at
160°F and opens at 140°F). Check for power (120
VAC) at cool down thermostat. With the cool down
thermostat pre-heated, check for continuity. If
switch is open, replace.
No Control Box
Cooling(For ovens
equipped with Control
Box Cooling Fan)
NOTE:
Main Fan Relay
(Export Ovens)
Axial Cooling Fan
Check for power to Main Fan Relay. Visually check
for contact pull in.
(For ovens equipped with a control circuit step-
down transformer, the supply voltage for the
cooling fan is 240 VAC.)
WITH POWER OFF: check for locked rotor. Check
for power (120 VAC) to cooling fan. If 120 VAC is
present at the fan motor and the fan does not run,
replace fan assembly.
Incoming Power Supply Check breakers/Reset if needed. Check for
incoming power (120 VAC)at cooling fan
thermostat.
Cooling Fan Thermostat Check cooling fan thermostat (thermostat closes at
120°F and opens at 100°F). With cooling fan
thermostat pre-heated, check for continuity. If
switch is open, replace.
No automatic control
box cooling (For ovens
equipped with control
box cooling fan)
Axial Cooling Fan Check for 120 VAC to cooling fan, if present and
fan does not run, replace fan.
Control box cooling fan
continues to run Cooling Fan Thermostat See "Cooling Fan Thermostat"
Gas Supply Check for adequate gas supply to oven.
Manual Gas Shut-off Valve Check to see that manual shut-off valve is open.
Fan Switch Check to see that fan switch is "on".
Main Oven Fan Check if main oven fan is operating. If not, refer to
"Oven fan will not run". Page 20.
Oven will not heat
Burner Switch Check for 120 VAC to neutral on both sides of
switch. If switch is closed and 120 VAC is present
on one side only, replace the switch.
GAS OVENS

Impinger I -–1000 Series Service Manual - Domestic 21
Air Pressure Switch Check for 120 VAC on both sides of switch. If
voltage present on one side only, check for air tube
blockage. Adjust air switch. If above fails, replace
air pressure switch.
Transformer, 24 VAC Check for 120 VAC to primary of transformer.
Check for 24 VAC from secondary of transformer. If
there is primary voltage, but no secondary voltage,
replace transformer.
(Model 1004 & 1005) For oven models 1004 and 1005, there is a 1 Amp
fuse located between the 24 VAC output from the
transformer and the coil of the burner motor relay. If
there is 24 VAC output from the transformer, but no
burner motor relay action, check fuse and fuse
holder. Replace as necessary.
Burner Motor Relay Delete burner motor relay refer to Section D, Page
34.
Burner Blower Motor Check for 120 VAC supply to burner blower motor.
If 120 VAC is present and motor does not run,
replace motor. WITH POWER OFF: turn blower
wheel to check for locked rotor.
NOTE:
Centrifugal Switch of Burner
Blower Motor Check for 24 VAC output from secondary of
transformer. If voltage is present, check for 24 VAC
at pin 6 and the ground bar on ignition control and
valve assembly. If the burner blower motor is
running and there is no voltage at pin 6 and the
ground bar on the ignition control valve, replace the
burner blower motor.
Ignition Control and Valve
Assembly Check for 24 VAC supply to the ignition control and
valve assembly at pin 6 and the ground bar. If
voltage is present, check for 24 VAC across pin #1
and the ground bar (pilot valve). If voltage is not
present, replace electronic control package. If the
pilot valve is energized, check to see that the high
voltage ignitor circuit is also energized. To check,
disconnect the ignitor lead from the bottom of
ignition control. Place female terminal of ignitor
lead approximately 1/8" from terminal post on
ignition control. Spark should jump the 1/8" gap. If
no spark is present, replace ignition control.
No Pilot If the ignition control is supplied with 24 VAC, and
the pilot valve (internal to valve assembly) and
ignitor circuits are energized, visually check for pilot
flame. This may be done by opening the small
inspection door on the end of the burner, or by
opening the main oven door and looking under the
lower finger housings on the right side of the oven.
If no pilot flame is visible, check the following.
Pilot Shut-off Valve Check to see that pilot shut-off valve is open (shut-
off valve is located between ignition control and
valve assembly and burner.)
Pilot Tube Check for gas pressure at pilot tube. Disconnect
pilot tube at burner and connect manometer to pilot
tube. If no gas pressure is present, check for
blockage in pilot tube or pilot shut-off valve. If these
are clear, and there is gas supplied to the oven,
replace the ignition control and valve assembly.
For ovens with
Johnson Controls
Ignition Control
(For ovens with
Honeywell Ignition
control, See Pg. 21)
Pilot Orifice If there is gas pressure at the pilot tube, check the
pilot orifice for obstructions. Replace as need

Impinger I -–1000 Series Service Manual - Domestic22
Burner Ignitor Check the burner ignitor head for any obstructions,
also check for frayed or broken wire, any type of
damage to spark gap (.100 in. 2.5 m.m.) If there is
visible damage, replace ignitor assembly.
Flame Sensor (There should be a visible pilot flame at this time.)
To check for proper flame sensor operation,
connect a digital multimeter (capable of measuring
D. C. microamperes) in series between the flame
sensor wire (normally connected to terminal #4)
and terminal #4. NOTE: This is a current
measurement and the meter must be connected in
series. This procedure is for checking the pilot
flame only. Remove main valve wire (Red) from
terminal #3 on ignition control. With a visible pilot
flame, the current readings should be as follows:
Johnson G-65 control, 0.2 micro amp. D.C.
minimum/Johnson G-60 control, 0.7 micro amp.
D.C. minimum. If these values are not achieved,
replace flame sensor. Also check for any type of
damage to flame sensor wire and connections.
Pilot flame but no main
flame
Ignition Control and Valve
Assembly If there is a pilot flame, and there is sufficient micro
amp. current at terminal #4, check for 24 VAC
that the main valve (internal to valve assembly) has
opened. Connect a manometer to the manifold gas
pressure tap located on the back side of the ignition
control and valve assembly. If no gas is present,
replace ignition control and valve assembly.
Centrifugal Switch of Burner
Blower Motor
NOTE:
Check for 24 VAC output from secondary of
transformer. If voltage is present, check for 24 VAC
at terminals marked "24V" and "24V gnd" on
Ignition Control. If the Burner Blower Motor is
running and there is no voltage at terminals 24V
and 24V gnd on the ignition control, replace the
Burner Blower Motor.
These Ignition Controls have a 30 second pre-
purge(Delay) and a 15 second lock-out time – The
Ignition Control will try for ignition for 15 seconds
and then shut-off. To Re-try for ignition, turn off
burner switch, wait 30 seconds and re-try ignition.
For ovens with
Honeywell ignition
control
Check for 24 VAC supply to ignition control at
terminals "24V" and "24V gnd". If voltage is
present, check for 24V at terminal "P.V. (Pilot
Valve) and "gnd". If voltage is not present, replace
Ignition Control. If the pilot valve is energized,
check to see that the high voltage ignitor circuit is
also energized. To check, disconnect the ignitor
lead from the ignition control. Place the terminal of
ignitor lead approximately 1/8" from terminal post
on Ignition Control. Spark should jump the 1/8"
gap. If no spark is present, replace ignition control.
Ignition Control
If the ignition control is supplied with 24 VAC and
the pilot valve (in gas valve) and ignitor circuits
Pilot Shut-off Valve If no pilot flame is visible, check to see that the pilot
shut-off valve is open(shut-off valve is located
between gas valve and burner).
Pilot Tube Check for gas pressure at pilot tube. Disconnect
pilot tube at burner and connect manometer to pilot
tube. If no gas pressure is present, check for
blockage in pilot tube or pilot shut-off valve.
No Pilot
Pilot Orifice If there is gas pressure at the pilot tube, check the
pilot orifice for obstructions. Replace as needed.

Impinger I -–1000 Series Service Manual - Domestic 23
Burner Ignitor Check the burner ignitor head for any obstructions,
also check for frayed or broken wire, any type of
damage to spark gap (.100 in. 2.5 mm) If there is
visible damage, replace ignitor assembly.
Pilot flame but no main
flame
Spark Ignitor (Flame Sensor) (There should be a visible pilot flame at this time).
NOTE: The Honeywell Ignition Control uses the
spark ignitor as the flame sensor. If spark
continues, check for proper ground connections at
Ignition Control. Check pilot orifice for any partial
blockage. If the above checks OK, replace ignition
control. If spark stops when pilot is lit, check for 24
VAC across M.V. - M.V/ P.V. terminals, if voltage is
not present, replace ignition control. If voltage is
present at terminals M.V. - M.V./P.V., the indicator
light on the control panel should be on, verify that
the main valve has opened, connect manometer to
manifold gas pressure tap(located on the
Temperature Control Valve
(Robert Shaw) Check for gas supply at temperaturecontrol. Check
for temperature control set above 300°F.
Red Indicator Light is
on, but no main
flame(For ovens with
mechanical
thermostat)
Main Orifice Check for blockage of main orifice. If there is no
blockage to the main orifice, replace the
temperature control.
(For ovens with
Electronic
Temperature Control)
Temperature Control
Potentiometer Check for 120 VAC across L1 and L2on
temperature control board. Potentiometer (1000
ohm,1 turn) WITH POWER OFF: check ohms
across red and black leads, the ohm reading
should be 0 to1000 ohms as the dial is turned.
From green to red, the reading should be 1000
ohms steady throughout the full turn of the dial.
NOTE: Ovens S/N Q18037 and above, the potentiometer is internal to temperature control. Proceed to next
component. Thermocouple Probe Remove thermocouple leads from the temperature
control board, and measure the millivolt output of
these leads. Refer to chart on page 38 in the
adjustment section for proper readings.
Temperature Control Turn temperature control dial to full "on" position.
Measure for 120 VAC across terminals "N.O." and
"L2", if voltage is not present; replace control.
Solenoid Valve If voltage is present at terminals "N.O."and "L2",
check for voltage at solenoid valve. If voltage is
present, listen for valve to open and close. Also,
check for opens and shorts in coil. If solenoid valve
is defective, replace
Intermittent Heating Both the main fan motor and burner blower motor
are equipped with thermo-protection and will cease
to operate when not cooled properly. This can
cause the units to cycle on and off intermittently.
Also, most of the problems listed under "oven will
not heat" can cause intermittent failures.
For continuing intermittent problems, a series of test lights may be made and installed in
the ovens. The lights will allow the customer to advise the service technician a trouble code when
the oven fails.
The lights should be connected in the following manner:
Light#l attached in 120VAC line after Air Pressure Switch.
Light#2 attached after 120VAC contacts of Burner Motor Relay (or, refer to Bulletin #028
for Relay Removal).
Light#3 in 24VAC Burner Transformer Secondary.
Light#4 in 24VAC at terminal #6 of Johnson control valve or "24V" on Honeywell Control.
Impinger I -–1000 Series Service Manual - Domestic24
Light#5 in 24VAC at terminal #1 of Johnson control valve or "PV" on Honeywell Control.
Light#6 in 24VAC at terminal #3 of Johnson control valve or "MV" on Honeywell Control.
CODE:
All lights off - lights of main power, main fan off, air pressure switch out.
1 on 2 off 3 on 4 off 5 off 6 off - Burner Motor Relay bad.
1 on 2 on 3 on 4 off 5 off 6 off - Burner Motor Centrifugal Switch bad.
1 on 2 on 3 on 4 on 5 off 6 off - Ignition Control bad.
1 on 2 on 3 on 4 on 5 on 6 off - Pilot Shield missing or warped, Flame Sensor bad, Pilot
- Orifice plugged, or Gas Valve bad.
1 on 2 on 3 on 4 on 5 on 6 on - Unit still not working Main Orifice plugged, Gas Valve bad,
- Temperature Control bad.
- However, Main Orifice would not be intermittent problem.

Impinger I -–1000 Series Service Manual - Domestic 25
TROUBLESHOOTING GUIDE
SYMPTOM POSSIBLE CAUSE EVALUATION
Incoming Power Supply Check breakers/Reset if required/ Call Power Co. if
needed.
(Export Ovens) For some export ovens, there is a control circuit
step-down transformer. This transformer steps
down supply voltage to 120 VAC. If main fan will
not run, the secondary of this transformer must be
checked for 120 VAC output. Check specific oven
model schematic for circuit location.
Oven Fan Fuse(s) Check and/or Replace
Fuse Holder Check and/or Replace
Fan Switch Check continuity between switch terminals.
Main Relay Check continuity to 120 VAC coil. Check for power
to the relay coil (120 VAC). Check for 208/220/240
VAC to relay terminals. Visually check for contact
pull-in
Fan Motor Check for opens, shorts, or grounds.WITH
POWER OFF: Turn Fan Blade to check for locked
rotor.
Oven fan will not run
NOTE:
Capacitor Check for opens, shorts, or grounds.
No Main Fan Cool
Down Cool Down Thermostat Check cool down thermostat (thermostat closes at
160°F and opens at 140°F). Check for power (120
VAC) at cool down thermostat. With cool down
thermostat pre-heated, check for continuity. If
switch is open, replace.
Main Fan Relay Check for power to main fan relay. Visually check
for contact pull in.
No control box cooling
Axial Cooling Fan WITH POWER OFF: turn the fan blade to check for
locked rotor. Check for power (120 VAC) to cooling
fan. If 120 VAC is present at the fan motor and the
fan does not run, replace fan assembly.
Main Oven Fan Check if main oven fan is operating. If not, refer to
"Oven fan will not run."
Heat Switch Check for continuity between switch terminals with
switch on. Replace if defective.
Air Pressure Switch Check for 120 VAC on both sides of switch. If
voltage present on one side only, check for air tube
blockage, adjust air switch. If above fails, replace
air pressure switch.
Hi Limit Thermostat Terminals are normally closed. If open, reset and
test oven for proper operation. If thermostat will not
hold for maximum oven temperature, and oven is
not exceeding temperature dial setting, replace
thermostat (rated at 190°F).
Hi Limit Thermostat
(Model 1032) Terminals are normally closed. If open, reset and
test oven for proper operation. If thermostat will not
hold for maximum oven temperature, and oven is
not exceeding temperature dial setting. Replace
the thermostat. Check for proper location of
sensing bulb in its spring holder. If hi-limit is still
tripping, replace (rated for 368°C).
3 Amp Temperature Control
Fuse Check and/or Replace
Oven will not heat
NOTE:
Fuseholder Check and/or replace.
ELECTRIC OVENS MODEL SERIES 1000 & 1200

Impinger I -–1000 Series Service Manual - Domestic26
Temperature Control Board Check for 120 VAC input to temperature control
board. If not present, check wiring from fuse holder
to temperature control board. Turn the temperature
adjustment dial to the maximum temperature
position Check for 120 VAC at coil of mercury
contactor(s). Next, short the leads of thermocouple
on the temperature control board, check for 120
VAC at coil of mercury contactor(s). If voltage is
not present, replace temperature control board. If
voltage is present proceed.
Temperature Control
Potentiometer Potentiometer is 0 to 2.5K ohm. WITH POWER
OFF: remove the leads from the temperature
control board terminals 1, 2, and 3 and measure
ohms from black to white leads. The ohm reading
should be 0 to approximately 2.5K ohms as the dial
Thermocouple Probe Remove thermocouple leads from the temperature
control board, and measure the millivolt output of
the leads. Refer to chart in adjustment section for
proper millivolt readings.
Mercury Contactor(s) Check for 120 VAC to the contactor coil. If voltage
is present and contactor will not activate, replace
the contactor(s). Also check each contactor for
proper high voltage input and output.
50 Amp Fuses If there is no high voltage input to the mercury
contactor(s), check the 50 amp fuses and replace if
necessary.
Heater Elements Check the Amp. draw on each hot leg for proper
load. Check the specifications plate for rating
information. If the Amp. draw is low or high, check
the individual elements for opens, shorts, and
proper resistance . To check resistance of the
elements, turn off the power! Remove all leads
from the elements and use an accurate digital
VOM. The element resistance should be as
follows: 208V - 9.8 ohms approx. 220V - 10.5 ohms
approx. 240V - 13 ohms approx. If all readings are
not correct, replace elements as needed.
Oven heats with switch
off Mercury Contactor(s) The mercury contactor has probably malfunctioned
in the closed position. If there is no voltage to the
operating coil, but there is high voltage at the
contactor output, replace the mercury contactor.
Voltage Supply Check incoming voltage supply at line 1 to neutral.
There should be a voltage reading of 120 VAC. If
not present, check breakers.
3 Amp Fuse This conveyor fuse is located on the front panel.
Replace if defective.
Fuse Holder Check and/or Replace.
Conveyor Switch Same procedure as for fan switch.
Conveyor will not run
(S/N 100-4389)
D. C. Motor Control Board Check for 120 VAC input to D. C. control board
across L1 and L2. Check the 3 amp fuse on the D.
C. control board. Check for D. C. voltage at
terminal F1 and F2. Voltage should be 10 VDC +
10 steady. If this voltage is not present, replace D.
C. control board. Check for D. C. voltage output to
the motor across terminals A1 and A2 (this voltage
should be approx. 125 VDC at maximum conveyor
motor speed).

Impinger I -–1000 Series Service Manual - Domestic 27
Speed Control Potentiometer This is a 0 to 400 ohm or 0 to 500 ohm, 10-turn
potentiometer. WITH POWER OFF: remove the
red, white, and black leads from terminals S1, S2,
S3. With a digital multimeter, check the ohm
reading across the red to black leads. This ohm
reading should be a steady 400-ohm, or 500-ohm,
through the entire 10-turn rotation of the
potentiometer. Check for shorts or opens or
unsteady, ohm reading, if potentiometer is
defective, replace. If the potentiometer checks OK,
and there is no output at terminals A1 and A2,
replace the D. C. control board.
Reversing Switch If there is D. C. voltage output from the motor
control board, but the conveyor drive motor is not
running, check the D.P.D.T. reversing switch.
Conveyor Drive Motor Check the conveyor drive sprocket for tightness.
Disconnect the motor, check the red and black
motor leads for opens, shorts or grounds. Check
the brushes for excessive or abnormal wear.
Replace as needed. Reconnect motor. Test for
operation. If motor does not run, replace.
Voltage Supply Check incoming voltage supply at line 1 to neutral.
There should be a voltage reading of 120 VAC. If
no present, check breakers. 3 Amp Fuse. This
conveyor fuse is located on the front panel.
Replace if defective.
Fuseholder Check and/or Replace.
Fan Switch See procedure for checking on Page 20.
Conveyor will not
run(S/N 4390 to
Q190771000 Series)
(S/N 4390-
Q147901200 Series)
Conveyor Switch Same procedure as for fan switch.
(Dual Belt Ovens) Dual belt ovens utilize 2 complete independent
conveyor drive systems. The trouble shooting
procedures are the same as single belt ovens,
except that the dual belt ovens use one each of the
following: one "A" D. C. control board and one "B"
D. C. control board.
NOTE:
Speed Adjustment
Potentiometer This is a 0 to 5 K ohm, 10 turn potentiometer With
power off, remove the red, black and white pot
leads from the motor control board at terminals P1,
P2 and P3. With a digital multimeter, check the
ohm reading across the red lead (P3) to the black
lead (P1). This reading should be 5 K ohms ± 5%
as the pot is rotated from low to high. Place the
meter leads on the red lead (P3) and on the white
lead (P2) Rotating the pot. slowly, from low to high,
the meter reading should show an even transition
from O to 5 K ohms ± 5%. There should be
DC Motor Control Board Check for 120 VAC input to the control board at
terminals L1 and L2. If not present, check the
conveyor switch and wiring back to 3-amp fuse and
then back to power source if necessary. If 120 VAC
is present at L1 and L2, check the VDC output at
terminals A+ and A-. If a DC voltage is not present,
check the 4 amp and the 1 amp fuses on the
control board. Also reset and check the mini
breaker in the armature line to the gearmotor. If
120 VAC is present at terminals L1 and L2, but DC
voltage is not present at A+ and A-, providing the 1
amp and 4 amp fuses are good, replace the board.
If DC voltage is present at A+ and A-, but motor
does not run, check gear motor as follows.

Impinger I -–1000 Series Service Manual - Domestic28
Conveyor Gear Motor If DC voltage is present at A+ and A- and the motor
does not run, first check the mini breaker and then
the conveyor. Refer to the next possible cause.
Check the leads to the motor for evidence of any
shorts or opens, and each lead to ground. If the
motor fails the above tests, replace motor. Remove
dust cover from the top of the motor and rotate
motor shaft to determine if there is a locked rotor or
a locked gear box (use care so encoder disc is not
damaged).
Conveyor Check for any mechanical misalignment or
improper adjustment. Also check for worn
bearings. The Installation and Operations Manual
shows proper conveyor belt adjustment. A
conveyor belt that is over tightened will cause
excessive bearing wear and sometimes, irregular
speed.
Power Supply Check power supply at the DC control board for the
120 VAC at board terminals L1 and L2. If voltage is
not present, check main circuit breakers.
Tach generator and DC Motor
Control Board With the power to the DC motor control board
turned off, remove the leads from terminals T1 and
T2.Place the test leads of a digital meter on the
tach leads, turn power on, and the meter reading
should be approximately 30 to 35 VDC. This
reading should be steady within ± 0.2 to 0.3 VDC.
If this reading is not within + 0.5 VDC, place the
test meter probes on terminals A+ and A-. The
meter reading should be approximately 150 to 160
VDC and steady within approximately 2 VDC. If the
tach. voltage is unsteady, and the board output is
steady, check the coupling for loose set screws or
any type of damage. If the coupling checks good,
the tach. is usually bad. If the board voltage output
is unsteady beyond limits, then the board is
probably bad. Always check the speed pot. Be sure
it is okay before changing a board or tach. This test
is not always 100% accurate as this test is not
performed at operating speeds. However, this test
is the best method currently available.
Readjustment should always be attempted at least
once before replacement. See procedure for board
adjustment on page 44.
Conveyor speed
varying or intermittent
DC Gearmotor If the DC control board is steady then the problem
may be the motor or gearbox. Check the brushes
in the motor for excessive arching and/or unusual
wear. Check the motor and gearbox from
instruction located on page 27 under "possible
cause" listing "Conveyor gear motor".
Voltage Supply Check incoming voltage supply at Line 1 to neutral.
There should be a voltage reading of 120 VAC.
Fan Switch See procedure for checking on page 20.
Conveyor Switch Check for 120 VAC to conveyor switch. If no
voltage is present, trace wiring back to the fan
switch. WITH POWER OFF: Check continuity
between switch terminals.
Conveyor Fuse (3A) Check, replace if necessary.
Conveyor will not
run(S/N Q19078 &
Up1000 Series) (S/N
Q14791 & Up1200
Series)
Fuseholder Check, replace if necessary.

Impinger I -–1000 Series Service Manual - Domestic 29
Conveyor Control(Stepper)
Transformer Check for 120 VAC supply to primary of
transformer, if voltage is not present, trace wiring
back to the fuse-holder. If voltage is present, check
for output voltage from the transformer secondary.
NOTE: this control transformer outputs (2)
secondary voltages. Red Leads 29 VAC Brown
Leads 10 VAC If BOTH secondary voltages are not
present, replace the transformer.
Speed Adjustment
Potentiometer This is a 0 to 50k ohm,10 turn potentiometer. WITH
POWER OFF: remove the 3 pin potentiometer
cable plug from the motor control board. With a
digital multimeter, check the ohm reading across
the red lead to the black lead, this reading should
be 50k ohms ± 5% as the potentiometer is rotated
through its 10 turn rotation. Place the meter leads
on the red lead and white lead. Rotating the
potentiometer slowly, from low to high, the meter
should show an even transition from 0 to 50K ohms
± 5% through the 10 turn rotation of the
potentiometer. There should be no dead or open
spots through the 10 turns of the potentiometer.
Check all three leads to ground. There should be
no continuity to ground. If any of the above checks
fail, replace the potentiometer.
Conveyor Motor(Stepper)
Control NOTE: if the conveyor drive motor becomes
jammed or begins to run at an uncontrolled speed,
the conveyor motor will stop running. To reset, turn
off the conveyor switch, wait 10 seconds, turn the
conveyor switch on. If the motor does not run after
attempting re-set, check for 2-29 VAC across the
motor terminals 1 to 2 and 3 to 5 on the conveyor
motor control. If voltage is not present at both sets
of terminals, replace control
Conveyor Drive (Stepper)
Motor Check the drive sprocket on motor out-put shaft to
insure that it is tight.. Check motor windings –
measurements should be approximately 2 ohms.
Terminal 1-5, 2-6, 3-7, 4-8 WITH POWER OFF:
Turn the motor shaft to check for jammed gear box.
If motor shaft will not turn, replace conveyor
drive(stepper) motor.
Time/Temp Display 12.6 VAC Power Supply Measure the transformer primary inoperative for a
nominal 120 VAC input. Measure the secondary
voltage output which will be 12.5 to 15 VAC
normally. Recheck secondary output at rear of
Time/Temp Display. Terminals 1 to 3 should read
12.5 to 15 VAC. Terminals 1 to 2 and 2 to 3 should
be exactly 1/2 of the reading across 1 to 3. If you
do not get the above secondary readings, replace
the transformer. If 120 VAC primary voltage is not
available, refer to the schematic and trace circuit
for incoming power failure. There is a 4 amp fuse in
each red secondary lead. These may be jumpered
(for test only) to determine if they are defective or
intermittent.
NOTE: (Dual Belt Ovens) Dual belt ovens utilize a double pole double throw
switch, which allows either of the optical encoders
to be read from a single Time/Temp. Display.
Check switch and replace as needed.

Impinger I -–1000 Series Service Manual - Domestic30
NOTE: Time/Temp displays
use two types of temperature
sensor, Thermistor Probe – 2
yellow wires Thermocouple
Probe 1 red wire and 1 white
wire
Place your pyrometer thermocouple into the center
between fingers T2 and T3 in the oven. Disconnect
the yellow tipped thermistor leads from the
time/temp. terminals 9 and 10. Measure the
resistance of the thermistor probe. See chart in
Section D for proper resistance readings.
Thermistor Probe Inspect the thermistor bulb for its proper location in
its spring holder. Check for short in leads where
they enter the sensor bulb. Also check each
thermistor lead for short to ground.
Thermocouple Probe Place your pyrometer thermocouple into the center
between fingers T2 and T3 in the oven. Connect
temperature meter to thermocouple at terminals 9
& 10 on back of the time/temp display (Be sure to
maintain proper polarity on thermocouple
connections.) Compare actual oven temperature
with the reading at the time/temp display. If the
temperature readings match, recalibrate or replace
time/temp display. If the readings do not match,
replace thermocouple probe.
Erratic time/temp display If strange or unusual behavior is experienced such
as a rolling of numbers, lock up at a given number,
first check for a display circuit lock up. This can be
caused by a voltage spike or surge. To eliminate
this condition remove power from the time/temp.
display by shutting off the main fan switch, or if
display stays on, (older models) circuit breaker
interruption may be required. This should eliminate
the problem. If the problem continues, jumper the
two fuses in the red wires leading from the 12.6
VAC transformer to the display. If this does not
solve the problem, it may be coming in through the
commercial power lines. Suggest that customer
contact his power company for evaluation.
Temp Display out or
inaccurate
Temp Display inaccurate
erratic, or inoperative Perform the power supply check, the thermistor
probe check, and then perform the time/temp
simulator test. Refer to page 51 for instructions.
Remember, when using the time/temp simulator,
remove all the leads from the back of the display
except the 3 power leads. After completion of this
test and if reinstalling back into the oven, the dip
switches must be reset for oven operation.
Time display inaccurate
erratic, or inoperative Perform all checks as in the above evaluation. If
the time check is okay, refer to the next section
optical encoder.
Optical Encoder The above time/temp test should have already
been performed. Remove dust cover from the
gearmotor and inspect the coupling and encoder
disc. The coupling set screws should be tight and
not slipping on the motor shaft or the tach.
generator shaft. The encoder disc should be firmly
attached to the coupling and not warped. Check
the positioning of the optical encoder disc. The disc
should not be touching the optical encoder
assembly and the encoder assembly should be
mounted so it is squarely facing the coupling shaft.
This is to allow the infrared beams to be broken by
the encoder disc. If all this is okay, then replace the
optical encoder assembly.

Impinger I -–1000 Series Service Manual - Domestic 31
Conveyor Drive (Stepper)
Control
Perform all checks as in the above evaluation. If
the time check is okay, refer to the next section.
Check to see if the conveyor drive (stepper) motor
is running. If motor is not running, refer to
"Conveyor will not run" on page 28.
Magnet Check to insure that the magnet (cemented to shaft
of conveyor drive (stepper) motor) has not been
damaged, or come loose from motor shaft.
Replace as needed.
Hall Effect Sensor Check for any physical damage to Hall Effect
sensor (mounted on conveyor drive(stepper)
motor). Check all wiring and connections for
damage.
Time Display
inaccurate, erratic, or
inoperative(S/N
Q19078 & Above1000
Series) (S/N Q14791 &
Above1200 Series)
Conveyor Drive (Stepper)
Control Check all connections for tightness or proper
location and check all wiring for visible damage.
Replace as needed. If there is still no time display,
wire in (temporarily) a new conveyor drive control.
If there is still no time display, reconnect original
conveyor drive control. Replace Hall Effect Sensor.
Impinger I -–1000 Series Service Manual - Domestic32
REMOVAL, INSTALLATION & ADJUSTMENTS
MODEL SERIES 1000 &1200
CAUTION !
BEFORE REMOVING OR INSTALLING ANY COMPONENT IN THE IMPINGER
OVEN BE SURE TO DISCONNECT ELECTRICAL POWER AND GAS SUPPLY
MOTOR, MAIN FAN
1. Shut off power at main breaker.
2. Remove flue by taking out the two (2) mounting screws.
3. Remove louvered motor cover from back of oven.
4. Remove wireway by taking out the ten (10) hex head screws.
NOTE: On Series 1200 ovens there are two (2) wireways to be removed and there is extra
wire coiled in the control box to allow the wires to hang below the oven back for removal.
5. Remove cooling fan if equipped.
6. Remove junction box cover below motor and disconnect motor leads. Make note of wire numbers
and location for reinstallation.
Remove the twelve (12) hex head bolts from the oven back and slide back straight out
of the oven .
7. Remove two (2) hex head bolts from fan hub and remove fan from motor shaft.
NOTE: Measure distance from fan blade to rear wall assembly before removal to aid in reassembly.
8. Remove the eight (8) hex head bolts from the motor mount and slide the motor assembly out of the
oven back.
Remove heat slinger, if so equipped, by taking out the two (2) hex head cap screws then
remove motor by taking off motor clamp and removing the four (4) mounting nuts and washers.
9. Reassemble in reverse order. When reassembling trim the motor mount bolts off after
the motor is mounted (if required). Be sure the heat slinger, if so equipped, is set at
the proper clearance. (3/8" approximately with 1/16" clearance at motor mount
bolts). When motor mount assembly is set on the oven back, align motor shaft in the
center of the hole. Set fan assembly on the motor shaft .
NOTE: Torque specs on bolts (150 in/lb. torque)
CAPACITOR, MOTOR
1. Shut off power at main breaker.
2. Remove motor cover from back of oven.
3. Discharge capacitor.
4. Remove and replace.
FAN, MAIN
1. Shut off power at main breaker.
2. Remove back assembly. (See motor, main fan)
S. N. 100-4612 (GAS)
S. N. 100-4767 (ELECTRIC)

Impinger I -–1000 Series Service Manual - Domestic 33
9 3/4 IN.
± 1/8 IN.
COOLING FAN
FAN BLADE
3. Reinstall and locate fan so that the front of fan blades are 9 3/4" from inside of oven back. (See Drawing)
S. N. 4613 & Above (GAS)
S. N. 4768 & Above (ELECTRIC)
FAN HUB
CONE
FAN SPIDER
1 1/2 INCH
NOTE: MEASUREMENT MUST BE
MADE FROM CONE TO FAN SPIDER
4. Reinstall and locate fan so that the bottom of the fan spider is 1 1/2" from the top of the oven back cone
(See Drawing)
RELAY, D.P.S.T.
1. Shut off power at main breaker.
2. Remove control panel top and front cover.
3. Remove cover from relay box.
4. Disconnect all wires and mark for replacement.
5. Remove relay by removing two (2) mounting screws.
6. Reassemble in reverse order.
COOL DOWN SWITCH
1. Shut off power at main breaker
2. Remove control panel top and front cover.
3. Remove the two (2) wires from the switch, located on the back wall of the control box.
4. Remove two (2) screws from the switch bracket.
5. Reassemble in reverse order, check condition of teflon insulator and be sure a aluminum
sensing rod contacts the switch body.
COOLING FAN, CONTROL BOX
1. Shut off power at main breaker.
2. Remove control panel top and front cover.
3. Remove four (4) screws from the fan frame.
4. Disconnect female cord receptacle and remove fan.
5. Reassemble in reverse order.

Impinger I -–1000 Series Service Manual - Domestic34
THERMOSTAT, COOLING FAN
1. Shut off power at main breaker.
2. Remove control panel top and front cover.
3. Remove lead wires and mark for reassembly.
4. Remove two (2) screws and remove thermostat.
5. Reassemble in reverse order.
BURNER BLOWER MOTOR
1. Shut off power at main breaker.
2. Remove control panel top and front panel.
NOTE: Complete burner blower motor assembly, with control box (p/n 369359), is no longer
available. The burner blower assembly (p/n 369265) has been changed to a burner motor kit
(p/n 369366). When It is used in the 3 ft Impinger Gas oven, the following modification must be made:
3. Remove control box and components mounted on burner blower motor.
4. Mount transformer on air switch bracket as shown (use transformer as template).
5. Remove three (3) screws that attach blower assembly to burner housing.
6. Mount new blower assembly.
7. Wire as shown. See page 35.
8. Discard control box and relay.
9. Transfer air shutter assembly from old blower assembly to new blower assembly.
MATERIAL NEEDED: #29 drill bit and #8 x 3/8 self tapping screws (3 each)
SEPARATE GROUND SCREW
AIR SWITCH MOUNTING BRACKET
MOUNTING HOLES
(USE #29 DRILL)
#8 X 3/8
SELF TAPPING
SCREW

Impinger I -–1000 Series Service Manual - Domestic 35
MOTOR CENTRIFUGAL
SWITCH
RED
RED
24 VAC TO
IGNITION CONTROL
TO GROUND TERMINAL
ON IGNITION CONTROL
GROUND 24 VAC
120 VAC
GREEN
WHITE
BLACK
(BUTTSPLICE CONNECTORS PROVIDED FOR 120 VAC POWER SUPPLY)
WIRING DIAGRAM
BURNER BLOWER ASSEMBLY
WITH RELAY REMOVED
TRANSFORMER
P/N 369531
(WHEN USING OLD
TRANSFORMER, 120
VAC LEADS ARE BLACK.
WIRE TERMINALS ARE
PROVIDED.)
BLOWER WHEEL, BURNER
This is part of the burner blower motor assembly.
TO REMOVE THE BLOWER WHEEL FOR PERIODIC CLEANING:
1. Shut off power at main breaker.
2. Remove control panel top and front cover.
3. Remove air shutter held by 3 screws.
4. Loosen set screw on blower wheel hub and pull straight out.
5. Reassemble in reverse order.
NOTE: There is no critical placement of the blower wheel on the motor shaft. Just back as
far as it will go and then spin the blower to be sure it is not rubbing.
AIR PRESSURE SWITCH
1. Shut off power at main breaker.
2. Remove front control compartment cover.
3. Remove air switch cover plate.
4. Disconnect wiring and mark for reassembly.
5. Loosen 2 screws and remove air switch.
6. Disconnect 1/4" air tube.
7. Reassemble in reverse order.
8. Turn on power and calibrate air switch as follows:
Turn adjusting screw counter clockwise to full out position.
Turn main fan and heat switch on.
Turn adjusting screw clockwise until heat shuts off.
Turn adjusting screw counterclockwise 1/4 turn and unit should heat.
NOTE: Test as follows:
Oven must be tested in heated condition.
Remove main fan fuse. Main fan should shut down, deactivating air switch causing
heat to shut off in approximately 5 to 25 seconds.

Impinger I -–1000 Series Service Manual - Domestic36
BURNER ASSEMBLY
1. Shut off power at main breaker.
2. Shut off gas supply.
3. Remove control panel top and front panel.
4. Remove gas control valve (See "GAS CONTROL VALVE")
5. Disconnect pilot tube.
6. Remove thermostat or solenoid valve.
7. Remove four (4) phillips screws that secure the burner backing plate.
8. Remove burner assembly from housing, the main and pilot orifice, flame target, pilot
shield (main and extension), flame sensor, and burner ignitor can now be changed or serviced as
needed.
9. Reassemble in reverse order.
GAS CONTROL VALVE
1. Shut off power at main breaker.
2. Shut off gas supply.
3. Remove control panel top and front cover.
4. Disconnect the gas piping from the back of the unit.
5. Remove the four-(4) screws from the incoming nipple mounting bracket.
6. Remove incoming nipple.
7. Remove pilot tube assembly from control valve.
8. Disconnect pipe union just above control valve.
9. Disconnect wiring from control valve making note of wire numbers and location.
10. Reassemble in reverse order - after assembly is complete be sure to check manifold pressure
(3.5" W.C. NAT Gas/10" W.C. LP) and adjust if necessary. (See Section
"MANIFOLD PRESSURE-ADJUSTMENT")
NOTE: Check all gas line fittings for leaks after installation.
FRONT VIEW
MANIFOLD ADJUSTMENT
SCREW LOCATED UNDER
COVER SCREW
TOP VIEW
PILOT
LINE
CONNECTION
MANIFOLD PRESSURE
ADJUSTMENT CONNECTION
MANIFOLD ADJUSTMENT
SCREW LOCATED UNDER
COVER SCREW
Impinger I -–1000 Series Service Manual - Domestic 37
MANIFOLD PRESSURE - ADJUSTMENT
1. Remove control panel top and front cover.
2. WITH ELECTRIC POWER AND GAS OFF: remove the outlet pressure tap plug from the gas
control valve and install the adapter fitting and manometer.
3. Turn on electric power and gas and start-up oven.
4. With oven at full fire, manifold pressure should be (3.5"W.C. NAT/10" W.C. LP).
5. Turn off electric power and gas, replace cover screw, remove manometer and adapter;
replace pressure tap plug.
6. Check pressure tap for gas leaks before closing panel.
7. Close control panel and check system operation.
TEMPERATURE CONTROL VALVE (ROBERT SHAW)
1. Shut off power at main breaker
2. Shut off gas supply.
3. Remove control panel top and front cover.
4. Remove gas control valve (See Above).
5. Remove the two-(2) 3/8" x 16 nuts that hold main orifice bracket to the burner assembly.
6. Remove temperature control valve sensing bulb from oven cavity.
NOTE: It may be necessary to remove conveyor and fingers from oven cavity.
7. Remove piping from old temperature control valve.
8. Reassemble in reverse order, be sure the sensing bulb is properly placed in the oven
cavity. The sensing bulb is properly placed in the oven cavity when it is placed in
the spring holder and positioned with the 5 1/2" of the bulb to the left of the spring holder.
NOTE: The bypass screw should be adjusted all the way in.
SOLENOID VALVE
1. Shut off power at main breaker.
2. Shut off gas supply.
3. Remove control panel top and front cover.
4. Remove gas control valve (See "GAS CONTROL VALVE").
5. Disconnect wires from solenoid valve.
6. Remove two (2) 3/8" x 16 hex nuts that hold main orifice bracket in place.
7. Remove solenoid valve assembly.
8. Remove piping from solenoid valve.
9. Reassemble in reverse order.
TEMPERATURE CONTROL BOARD
GAS OVENS
1. Shut off power at main breaker.
2. Remove control panel top and front cover.
3. Remove relay box cover.
4. Disconnect wiring from temperature control board.
5. Make note of wire number and location for reinstallation.
6. Reassemble in reverse order.
ELECTRIC OVENS
1. Shut off power at main breaker.
2. Remove control panel top and front cover.
3. Disconnect wiring from temperature control board.
4. Make note of wire numbers and location for reinstallation.
5. Reassemble in reverse order.

Impinger I -–1000 Series Service Manual - Domestic38
TEMPERATURE CONTROL POTENTIOMETER – REPLACEMENT
1. Remove control panel top and front cover.
2. Remove one screw from control knob guard and move guard to one side.
3. Remove knob and locknut on control pot. shaft and push out.
4. Remove three (3) wires from temperature control board. Note wire numbers and location.
5. Reassemble in reverse order.
MERCURY CONTACTOR
1. Shut off power at main breaker.
2. Remove control panel top and front cover.
3. Disconnect contactor wires and mark for reinstallation.
4. Remove screws from mounting bracket and replace contactor.
NOTE: Be sure contactor is not mounted upside down as this will cause a constant on condition.
5. Reassemble in reverse order.
THERMOCOUPLE- REPLACEMENT
1. Remove control panel top and front cover.
2. Remove cover from relay box.
3. Slide thermocouple out of oven chamber.
NOTE: Remove conveyor and bottom fingers to aid in removal and installation of thermocouple.
4. Remove two (2) wires from temperature control board. Make note of wire numbers or color and location
for reinstallation.
5. Reassemble in reverse order making sure the metal end on the thermocouple is securely in the wire
form in the oven chamber.
THERMOCOUPLE MEASUREMENT CHART:
EXPLANATION: The junction temperature is the ambient air temperature where the thermocouple fastens
to the electronic temperature control board.
O V E N T E M P
200°F 250°F 300°F 325°F 350°F 400°F 425°F 450°F 500°F 550°F 600°F
J
90°F 3.26 4.77 6.30 7.06 7.83 9.37 10.14 10.91 12.46 14.00 15.53
U
88°F 3.32 4.83 6.36 7.12 7.89 9.43 10.20 10.97 12.51 14.05 15.59
N
86°F 3.37 4.88 6.41 7.17 7.94 9.49 10.26 11.03 12.57 14.11 15.65
C
84°F 3.43 4.94 6.47 7.23 8.00 9.54 10.31 11.09 12.63 14.19 15.71
T
82°F 3.49 5.00 6.53 7.29 8.06 9.60 10.37 11.14 12.69 14.23 15.76
I
80°F 3.55 5.06 6.59 7.35 8.12 9.66 10.43 11.20 12.74 14.28 15.82
O
78°F 3.60 5.11 6.64 7.40 8.17 9.72 10.49 11.26 12.80 14.34 15.86
N
76°F 3.66 5.17 6.70 7.46 8.23 9.77 10.55 11.32 12.86 14.40 15.94
75°F 3.69 5.20 6.73 7.49 8.26 9.80 10.57 11.35 12.89 14.43 15.97
74°F 3.72 5.23 6.76 7.52 8.29 9.83 10.60 11.37 12.92 14.46 15.99
72°F 3.78 5.29 6.82 7.58 8.35 9.89 10.66 11.43 12.97 14.51 16.05
T
70°F 3.83 5.34 6.87 7.63 8.40 9.95 10.72 11.49 13.03 14.57 16.11
E
68°F 3.89 5.40 6.93 7.69 8.46 10.00 10.78 11.55 13.09 14.63 16.17
M
66°F 3.95 5.46 6.99 7.75 8.52 10.06 10.83 11.61 13.15 14.69 16.23
P
64°F 4.01 5.52 7.05 7.81 8.58 10.12 10.89 11.66 13.20 14.74 16.28
62°F 4.06 5.57 7.10 7.86 8.63 10.18 10.95 11.72 13.26 14.80 16.34
60°F 4.12 5.63 7.16 7.92 8.69 10.24 11.01 11.78 13.32 14.86 16.40

Impinger I -–1000 Series Service Manual - Domestic 39
HEATING ELEMENT
1. Shut off power at main breaker.
2. Remove rear motor cover.
3. Disconnect heater element wire and mark for reassembly.
4. Remove oven back assembly.
NOTE: For ovens SN 4768 and above, remove fan shroud.
5. Remove two (2) mounting screws and remove heating element.
6. Reassemble in reverse order.
NOTE: Be sure the lead terminals are double nutted to the heating element and are tight
If the leads are not attached in this manner, a loose connection may result, causing
arcing and lead wire burn off.
IGNITION CONTROL
NOTE: When replacing Johnson Controls, G-60 or G-65 Ignition Control with the new Honeywell Ignition
control, the 24 VAC burner transformer (rated at 20VA) must be replaced with the larger (rated at 40VA)
#369531 Transformer.
1. Read all instructions supplied in kit before starting.
Tools required: Center punch and 7/32" drill bit.
2. Shut off power at main breaker.
3. Remove control panel top and front panel.
4. Remove front panel.
5. Remove ignition control package from Johnson gas valve and discard.
The white flame sensor wire, from the burner to terminal #4 on Johnson gas control
is no longer used. Cut Wire at burner and discard.
NOTE: On some Impinger ovens, it may be necessary to drill the mounting holes through the
oven specification plate. Use care to avoid drilling through any important
information or agency approval markings on the specification plate.
6. Use template supplied to locate and drill two (2) 7/32" mounting holes for new Ignition
Control. When mounting new ignition control, make certain that the green #67 ground
wire (supplied) is installed properly.
7. Connect wiring as follows:
Connect blue wire from gas valve to terminal marked P.V. on ignition control.
Connect black wire from gas valve to termainal marked M.V./P.V. on ignition control.
Connect red wire from gas valve to terminal marked M.V. on ignition control.
Connect white wire from indicator light to ground, by using splice connection on green
wire supplied.
Connect orange spark lead from burner to terminal marked "spark" on ignition control.
NOTE: It may be necessary to replace ignition cable terminal with .250" quick-
connect terminal (supplied).
Connect the red wire from burner blower motor centrifugal switch to terminal marked
24V on ignition control.
Connect green #68 wire (supplied) from terminal 24 GND to terminal GND (burner)
to ground.
Connect the green wire from 24VAC transformer to wire #68 at terminal marked
24V(GND) on ignition control.
The Honeywell ignition control module provides 100% safety lockout. Control will try for
ignition for 15 seconds. If ignition does not occur, control will lockout or shut off. To
reset control, the burner switch must be turned off for 1 minute.

Impinger I -–1000 Series Service Manual - Domestic40
1 24V
2 24V
24V
24V (GND)
MV
MV/PV
PV
GND
BLUE FROM VALVE
BLACK FROM VALVE
#3 RED FROM VALVE TO PILOT LIGHT
BUTT SPLICE AND
NEW GREEN WIRE
SUPPLIED IN KIT
WHITE FROM
PILOT LIGHT
2 MV/PV
4 GND
1 MV
3PV
5
6 24V
24V GND
9 SPARK
IGNITOR/SENSOR
CABLE
FROM BLOWER
CENTRIFUGAL SWITCH
#3 RED FROM VALVE
TO PILOT LIGHT
BLACK FROM VALVE
BLUE FROM VALVE
RING TERMINAL END OF
WIRE HARNESS SUPPLIED IN KIT
BUTT SPLICE AND NEW
GREEN WIRE SUPPLIED
IN KIT
WHITE FROM PILOT LIGHT
24V FROM TRANSFORMER
INSULATED MALE TAB
CONNECTOR
Impinger I -–1000 Series Service Manual - Domestic 41
FLAME SENSOR
1. Shut off power at main breaker.
2. Remove control panel top and front cover.
3. Remove burner assembly (see burner assembly).
4. Disconnect one (1) wire from flame sensor.
5. Remove flame sensor by removing one (1) mounting nut.
6. Reassemble in reverse order.
NOTE: Be sure flame sensor is not bent or touching any other burner parts.
BURNER IGNITOR
1. Shut off power at main breaker.
2. Remove control panel top and front cover.
3. Remove burner assembly.
4. Remove flame sensor.
5. Remove pilot shield and pilot shield extension.
6. Remove burner igniter.
7. Reassemble in reverse order.
NOTE: Be sure to reconnect burner igniter cable to ignition control.
TRANSFORMER 120/24 VAC
1. Remove control panel top and front cover.
2. Remove control box cover from burner blower motor.
NOTE: The complete burner blower motor assembly, with control box (PN 369359), is no longer
available. The blower motor assembly (PN 369265) has been changed to a
burner motor kit (PN 369366). If the burner blower motor or 24V transformer
(PN 369531 ) are replaced, the following modifications must be made:
3. Shut off power at main breaker.
4. Remove control box and components from burner blower motor.
5. Mount transformer on air switch bracket (use transformer as template).
6. Discard control box and relay. Material needed: #29 drill bit and #8 x 3/8" self tapping screws (3 each)
7. See Burner blower motor section for wiring information.
8. Replace covers and check system operation.
BURNER LIGHT (24 VAC) - GAS OVENS
1. Shut off power at main breaker.
2. Remove control panel top and front panel.
3. Remove access cover.
4. Remove two wires from burner light, note number and location.
5. Grasp body of light assembly and slide sideways to remove.
6. Reassemble in reverse order and check.
HEAT LIGHT (125 VAC) - ELECTRIC OVENS
1. Shut off power at main breaker.
2. Remove control panel top and front panel.
3. Remove two (2) wires from heat light, note number and location.
4. Grasp body of light assembly and slide sideways to remove.
5. Reassemble in reverse order and check.
THERMOSTAT, Hl-LIMIT - ELECTRIC OVENS
1. Shut off power at main breaker.
2. Remove control panel top and front cover.
3. Remove the two-(2) wires from the thermostat located on the back wall of the control box.
4. Remove two (2)-mounting screws.
5. Reassemble in reverse order.
NOTE: Be sure to press red "reset" button on new thermostat to ensure that it is in the
"closed" position.
Impinger I -–1000 Series Service Manual - Domestic42
PILOT ORIFICE - BURNER
1. Shut off power at main breaker.
2. Shut off gas supply.
3. Remove burner assembly (see Burner Assembly).
4. Remove pilot line from pilot orifice.
5. Remove pilot orifice from burner igniter.
6. Reassemble in reverse order.
MAIN ORIFICE - BURNER
1. Shut off power at main breaker.
2. Shut off gas supply.
3. Unbolt temperature control valve assembly (see Temperature Control Valve) and
carefully rotate to access main orifice bracket.
NOTE: Be sure not to damage capillary tube.
4. Remove main orifice from orifice bracket.
5. Reassemble in reverse order.
6. Check all gas fittings for leaks.
POTENTIOMETER - CONVEYOR SPEED CONTROL
1. Shut off power at main breaker.
2. Remove control panel top and front panel.
3. Remove conveyor speed control dial.
4. Remove mounting nut from pot. shaft.
5. Remove pot. from front panel.
6. Disconnect pot. wiring from conveyor control board.
7. Remove pot. assembly.
8. Reassemble in reverse order.
DIAL, CONVEYOR SPEED CONTROL (NON-DIGITAL DISPLAY OVENS)
1. Shut off power at main breakers.
2. Remove dial by loosening set screws.
3. Set new dial indicator to "000" in window and lock.
4. Turn speed control pot. shaft to its minimum speed position.
5. Slide dial assembly onto pot. shaft and tighten set screw.
DIAL, CONVEYOR SPEED CONTROL (OVEN WITH DIGITAL DISPLAY)
1. Shut off power at main breaker.
2. Remove old dial by loosening set screw.
3. Remove shaft locking nut.
4. Install new shaft locking nut.
NOTE: This is a friction type locking nut do not try to trim this nut to fit.
5. Install new dial by sliding over pot. shaft and tightening set screw.
CONVEYOR MOTOR REPLACEMENT - BODINE (SN 100-4389)
1. Shut off power at main breaker.
2. Remove control panel top and front panel.
3. Remove the conveyor drive chain from the motor sprocket.
4. Remove chain guard.
5. Remove the sprocket from the conveyor motor shaft by loosening the set screws and sliding
the sprocket off the shaft.
6. Unplug the conveyor motor wiring harness.
7. Remove the four (4) mounting bolts and nuts.
8. Reassemble in reverse order and calibrate the conveyor D. C. control board (See D. C. Motor
Control Board - Calibration, Bodine System).
Impinger I -–1000 Series Service Manual - Domestic 43
CONVEYOR MOTOR REPLACEMENT - BALDOR
1000 SERIES SN 4390 - 14974
1200 SERIES SN 4390 – 14791
1. Shut off power at main breaker.
2. Remove control panel top and front cover.
3. Remove the conveyor drive chain from the motor sprocket.
4. Remove chain guard.
5. Remove the sprocket from the conveyor motor shaft by loosening the set screws and sliding
the sprocket off the shaft.
6. Unplug the wiring harness for the motor.
7. Disconnect the red and black wires from the terminals on the tach. generator which is mounted on the
top of the D.C. conveyor motor. Note which terminal the red and black wires are attached to.
(Reversing the polarity will cause motor to run wide open with no control from the speed pot.)
8. Remove the four (4) mounting bolts.
9. Remove dust cover, remove tach., tach. bracket, coupling, and optical encoder assembly for
reinstallation on new motor assembly. (See page 82)
10. Reassemble in reverse order and calibrate in the conveyor D. C. control board (See D. C. Motor Control
Board - Calibration).
CONVEYOR MOTOR REPLACEMENT - STEPPER
1000 SERIES SN14975 AND ABOVE
1200 SERIES SN14792 AND ABOVE
1. Shut off power at main breaker.
2. Remove control panel top and front cover.
3. Remove the chain guard.
4. Remove the conveyor drive chain from the motor sprocket.
5. Remove the sprocket from the conveyor motor shaft by loosening the set screw and sliding the sprocket
off the shaft.
6. Unplug the wire harness for the motor.
7. Unplug the wire harness for the hall effect sensor (mounted on motor) from the conveyor speed control.
8. Remove the four (4) mounting bolts and washers.
9. Reassemble in reverse order and calibrate the control board. (See Stepper Control-Adjustment)
NOTE: New drive motors will come as an assembly with Magnet and Hall Effect Sensor. The
magnet and sensor will also be available as a replaceable spare part. (When replacing the magnet be
sure to clean shaft and locate new magnet up against the shoulder on the shaft.)
COUPLING AND ENCODER DISC
1. Shut off power at main breaker.
2. Remove conveyor motor assembly.
3. Remove dust cover above motor.
4. Loosen both allen set screws (.050 inch allen wrench) located on coupling hub.
5. Remove 3 screws from tach. bracket, loosen the 4th.
6. Remove encoder assembly, see optical encoder assembly in following procedure. Pushing coupling down
on motor shaft. Swivel tach. bracket aside and remove coupling. To install, push coupling on to motor
shaft. The encoder disc must be nearest motor.
7. Refasten tach. bracket in proper alignment.
8. Tighten the set screw on the tach. side first maintaining the .010 minimum dimension
between the coupling hub and tach.
9. Pull the coupling apart (approximately 1/8",3.2mm) and fasten the motor side set screw.
If the optical encoder was loosened, refer to optical encoder in this section for adjustment.
NOTE: The thin, slotted encoder disc must be handled with care so not to bend it.
10. Recheck tightness on the set screws to be sure they are tight. If available, LOC TITE (the
removable kind) should be used to secure set screws.

Impinger I -–1000 Series Service Manual - Domestic44
OPTICAL ENCODER ASSEMBLY
1. Shut off power at main breaker.
2. Remove conveyor motor assembly .If replacing with new assembly, cut wires to remove as new wires
and plug are provided. If only removing for access to coupling follow step 4.
3. Remove pins from connectors with pin extractor tool, P/N 369600.
4. Loosen dust cover screws and pull dust cover away from motor.
5. Remove 2 screws from optical encoder and remove encoder.
6. Reassemble in reverse order. To adjust optical encoder: Position the encoder assembly so it does not rub
the coupler hub and is square with the encoder disc. The infrared light beam will be broken by slots in the
encoder disc. The encoder disc should not touch the bottom or top of the optical encoder. If it does
readjust the coupling. The digital speed readout may be observed to check proper adjustment of the
optical encoder assembly.
TACH. GENERATOR
1. Shut off power at main breaker.
2. Remove conveyor motor assembly .
3. Remove tach. cover plate and tach. Ieads. Mark lead position.
4. Remove 2 slotted screws from dust cover base and remove dust cover.
5. Loosen coupling set screw (.050 inch allen wrench).
6. Remove tach. bracket from motor.
7. Remove 4 screws from base of tach. and tach. is now free for removal.
8. Reassemble in reverse order. Maintain spacing of .010 minimum between tach. Bracket
and coupler hub.
NOTE: If a new tach. generator is installed, the D.C. motor control board MUST BE
RECALIBRATED There is no repair procedure for the tach. If defective, replace.
CONVEYOR MOTOR CONTROL BOARD
1. Shut off power at main breaker.
2. Remove control panel top and front cover.
3. Remove cover from relay box.
SN 100-4389 BODINE SYSTEM
Remove wires from terminal strip on control board making sure to mark wires so they
will be reinserted on the proper terminal.
Remove the four (4) hex head screws.
Reassemble in reverse order and calibrate (See D. C. Motor Control Board - Calibration, Bodine System)
SN 4390-14974 1000 SERIES GAS OVENS
SN 4390-14791 1200 SERIES GAS OVENS
4. Make note of wire number and location before removing them from the control board.
POLARITY BETWEEN, T1-T2 AND A+ AND A- IS CRITICAL. The bottom mounting screw need
only be loosened as the mounting bracket for the control board is slotted. Remove top two
(2)mounting screws and remove control board.
NOTE: Exchange boards on the mounting bracket before reinstallation.
5. Reassemble in reverse order and calibrate (See D. C. Motor Control Board - Calibration)
SN 14975 AND ABOVE 1000 SERIES GAS OVENS
SN 14792 AND ABOVE 1200 SERIES GAS OVENS
Make note of wire numbers and location before removing them from the control board.
6. The bottom mounting screw need only be loosened as the mounting bracket for the control
board is slotted. Remove top two (2) mounting screws and remove control board.
7. Reassemble in reverse order and calibrate. (See Stepper Control-Adjustment)
D. C. MOTOR CONTROL BOARD - CALIBRATION
SN 100 to 4389 - BODINE SYSTEM
1. Remove control panel top and front cover.
2. Remove cover from relay box.
3. Identify D. C. control board and calibrate as per the following instructions:
NOTE: THE USE OF A DIGITAL VOLTMETER IS NECESSARY FOR PROPER ADJUSTMENT
Check incoming AC voltage at L1 and L2. Should be 120 VAC ± 10%.
Check field voltage at terminals F1 and F2. Should be 100 VDC ± 10 volts.

Impinger I -–1000 Series Service Manual - Domestic 45
Turn speed control dial clockwise to its maximum speed position.
PLACE DIGITAL VOLTMETER LEADS ON terminal S1 and S2, adjust the max pot. for a
reading of 3.4 VDC.
Place METER LEADS on terminals A1 and A2. Adjust the reg. pot. for a reading of 125 VDC.
NOTE: In some instances when the input AC voltage runs on the high side of the normal
input range, you may have difficulty adjusting the max. pot. for a reading of 3.4 VDC. In this
instance, a reading of 3.45 VDC is acceptable.
Adjust speed pot to obtain the proper time setting for the conveyor to meet customers desired
speed .
Check conveyor travel in a no load situation to insure conveyor belt is traveling at a constant
speed.
GND
S 3
S 2
S 1
A 2
A 1
F 2
F 1
L 2
L 1
3 A.
FUSE
D. C. CONTROL BOARD "BODINE" S/N 100-4389
REG MIN MAX
D. C. CONTROL BOARD "BODINE" S/N 100 4389
( TOP VIEW )
3 A. FUSE
TERMINAL
STRIP

Impinger I -–1000 Series Service Manual - Domestic46
D. C. MOTOR CONTROL BOARD
SN 4390 - 14974 1000 SERIES GAS OVENS
SN 4390 - 14790 1200 SERIES
Three different styles of control boards have been used and all three are still usable. All three were supplied
under the same part number.
STYLE 1 CONTROL BOARD ADJUSTMENT
NOTE: A digital meter must be used for this adjustment.
Voltage at L1 and L2 terminals of the control board is to be 120 VAC ± 10%
Connect a digital volt meter to terminals A+ and A-, set meter on 200 VDC scale.
Turn speed control pot. (on oven control panel) to its maximum speed setting.
Turn "MAX", "MIN", and "IR" pots counter clockwise until they stop (DO NOT turn CL pot.)
Adjust "TACH" pot. so the volt meter indicates 110 VDC ± 0.5 volts.
Adjust "IR" pot. to read between 1.5 and 2 VDC above tach. reading.
(Example: If tach. reading would be 110.3 then adjust IR to between 111.8 VDC and
112.3 VDC)
Turn speed control pot. to its minimum speed setting.
Adjust "MIN" pot. so the voltmeter indicates between 2 and 6 VDC.
Turn speed control dial to obtain a reading of 22 VDC on your meter. Observe for approximately
30 seconds to see if stable within ± 0.5 VDC. Repeat at 35 VDC.
Check speed of conveyor and adjust time/temp. display if necessary.
Seal pots with Glyptol or nail polish.
4 A. FUSE 1 A. FUSE
.
RESISTOR
L 1 A+
L 2
A -
T 1 T 2MAX MIN IR CL TACH
BOARD P/N 369155
STYLE 1
P 3
P 2
P 1
4 A. FUSE 1 A. FUSE
L 2
A -
MAX MIN IR CL TACH T 1 T 2
L 1 A +
" B " BOARD P/N 369272
P 3
P 2
P 1
CHOKE
STYLE 2 AND STYLE 3 CONTROL BOARD ADJUSTMENT
NOTE: A digital meter must be used.
Voltage at L1 and L2 terminals of the control board is to be 120 VAC± 10%.
Connect a digital voltmetet to terminal T1 and T2, set the meter on DC scale.
Turn speed control pot. (on oven control panel) to its maximum speed setting.
Adjust the "MAX" pot. so the voltmeter indicates 22.6 to 22.8 VDC.
Turn the speed control pot. to its minimum speed setting.
Adjust the "MIN" pot. so the voltmeter indicates 1.4 to 1.5 VDC.
Reset the speed control pot. to its maximum speed setting and check if voltage is still at 22.6
to 22.8 VDC. Readjust if necessary.
Reset the speed control pot. to its maximum speed setting and check if voltage is still at 1.4 to
1.5 VDC. Readjust if necessary.

Impinger I -–1000 Series Service Manual - Domestic 47
If readjustment of either the "MAX" or "MIN" pot. was necessary, the opposite must always be
checked until both "MIN" and "MAX" are in proper adjustment.
Measure the speed of the conveyor and adjust the time/temp. display if necessary.
Seal pots with Glyptol or nail polish.
NOTE: Occasionally a new board (Style 2 and 3 only) is so far out of adjustment that you will be
unable to adjust the correct voltage. To correct, turn both the "MAX" and "MIN" pots 10 turns in
either direction and then 5 turns in opposite direction. This will center the
pots and allow them to be calibrated. If after this procedure, the board will not adjust,
it is probably defective.
CHOKE
" B " BOARD P/N 369272
P 1
1 A. FUSE
L 2
A -
T 1 T 2
L 1 A +
P 3
P 2
MAX MIN
BOARD P/N 369155
STYLE 2
4 A. FUSE
L 1 A+
L 2
A -
T 1 T 2
P 3
P 2
P 1
MAX MIN
P1
CHOKE
1 A FUSE4 A FUSE RESISTOR
4 A FUSE
L 1 L 2 A +A -
T 2T 1S 3
S 2
S 1
MIN MAX
CAPACITOR
BOARD P/N 369155
STYLE 3
RESISTOR

Impinger I -–1000 Series Service Manual - Domestic48
STEPPER CONTROL - ADJUSTMENT
S/N 14975 AND ABOVE 1000 SERIES GAS OVEN
S/N 14792 AND ABOVE 1200 SERIES GAS OVEN
Blue
Gray
Red Brown Red
POWER
J 5J 4J 3 J 1
J 6
LOCKED ROTOR
To T/T display
POTENTIOMETER
Max.
Conveyor
Speed Adj.
Min.
Conveyor
Speed Adj.
TIME/TEMP
Black to #4
White to #7
ON
12345
CURRENT SENSE
DO NOT ADJUST
Heat Sink
MOTOR
1. With power off, the five (5) dip switches located on the conveyor control (see drawing
above) should be set as below.
DIP SWITCHES
CONTROL 1 2 3 4 5
SWITCH POSITION OFF OFF ON OFF OFF
2. With power off, the ten (10) dip switches located on rear of Time/Temp Display (see
drawing on page 52) should be set as below.
DISPLAY 1 2 3 4 5 6 7 8 9 10
SWITCH POSITION OFF * * ON OFF OFF ON ON OFF ON
*SWITCH 2 - OFF FOR 60HZ, ON FOR 50HZ
*SWITCH 3 - OFF FOR °F, ON FOR °C
3. With conveyor running, set conveyor speed control so Time/Temp. Display indicates 5:00 minutes. Place
a pan on the conveyor, measure (STOPWATCH) the time (SPEED OF PAN) of the leading edge in to
leading edge out of oven. Turn the speed adjustment pot. on the rear of the Time/Temp. Display so
display agrees with time measured by the stop watch. (See drawing on page 52).
4. Turn conveyor speed control fully counterclockwise and adjust the stepper control maximum speed pot
(refer to drawing above) so the display indicates 50 seconds.
5. Turn conveyor speed control fully clockwise and adjust the stepper control minimum speed
pot so the display indicates 30 minutes.
NOTE: Repeat 4 and 5 to be sure settings are accurate.
6. Turn power off and set #1 dip switch to its (ON/OFF) other position and verify that the
conveyor reverses direction when power is applied. Set conveyor travel direction as
customer requests.
CAUTION: ALWAYS REMOVE POWER BEFORE CHANGING CONVEYOR DIRECTION.

Impinger I -–1000 Series Service Manual - Domestic 49
REVERSING CONVEYOR DIRECTION
SN 100-4389 (BODINE)
1. Shut off power at main breaker.
2. Remove control panel top.
3. Turn reversing switch (located on relay box) to obtain desired belt direction.
4. Reassemble in reverse order.
SN 4390-14974 1000 SERIES GAS OVEN
SN 4390-14791 1200 SERIES
All ovens leaving our plant are wired to operate conveyors from left to right. To reverse conveyor
direction, use the following procedure.
1. Shut off power at main breaker.
2. Remove control panel top.
3. Remove cover from relay box.
4. Reverse wires fastened to terminals A+ and A-.
5. Reverse wires fastened to terminals T1 and T2. Both set of leads must be reversed or oven
will run at maximum speed with no speed adjustment possible.
STEPPER DRIVE SYSTEM
SN 14975 AND ABOVE 1000 SERIES GAS OVEN
SN 14792 AND ABOVE 1200 SERIES
1. Shut off power at main breaker.
2. Remove control panel top.
3. Remove relay box cover.
4. Change position of dip switch #1 on stepper control board.
5. Reassemble in reverse order.
MINI CIRCUIT BREAKER
1. Shut off power at main breaker.
2. Remove control panel top and front panel.
3. Disconnect two (2) wires from circuit breaker.
4. Remove knurled mounting nut and remove.
5. Reassemble in reverse order.
NOTE: Be sure to reset breaker before operating.
BEARING, CONVEYOR
SN 100-2163
1. Remove conveyor from oven and place of flat surface.
2. Remove connecting links from conveyor belting. See Installation and Operting Instructions Manual.
3. Remove conveyor belting from conveyor.
DRIVE END
4. Remove drive sprocket from drive shaft.
5. Remove drive shaft from end of conveyor frame.
6. Remove bearing retaining clips from ends of drive shaft.
7. Slide bearing off drive shaft.
8. Reassemble in reverse order.
IDLER END
4. Remove idler shaft from end of conveyor frame.
5. Slide bearing off idler shaft.
6. Reassemble in reverse order.
BEARING, CONVEYOR

Impinger I -–1000 Series Service Manual - Domestic50
SN 2164 AND ABOVE
1. Remove conveyor from oven and place on a flat work surface.
2. Remove connecting links from conveyor belting. See Installation and Operating Instructions Manual .
3. Remove conveyor belting from conveyor
DRIVE END
4. Remove drive sprocket from drive shaft.
5. Remove two (2) allen head bolts.
6. Remove drive shaft and bearing assembly from conveyor frame.
7. Reassemble in reverse order.
IDLER END
4. Remove idler shaft/bearing/mounting plate assembly from conveyor frame.
5. Remove bearing/mounting plate assembly from conveyor.
6. Remove bearing from mounting plate.
7. Reassemble in reverse order.
TRANSFORMER-STEPPER MOTOR CONTROL
1. Shut off power at main breaker.
2. Remove control panel top and front cover.
3. Disconnect transformer wire harness.
4. Remove two (2) mounting screws.
5. Reassemble in reverse order.
HALL EFFECT SENSOR – REPLACEMENT
NOTE: There are two (2) styles of hall effect sensors - (See Drawing).
OLD STYLE
Remove two (2) screws from conveyor drive motor and break away hall effect sensor from motor shaft. To
install new sensor, cut sensor bracket through center hole and install sensor
half with one (1) screw. Reinstall plug on conveyor control.
NEW STYLE
Remove two (2) mounting screws and remove sensor from conveyor motor. Reinstall in reverse order.
CUT
HERE DISCARD
OLD STYLE NEW STYLE

Impinger I -–1000 Series Service Manual - Domestic 51
TEMPERATURE GAUGE - REPLACEMENT
1. Shut off power at main breaker.
2. Remove control panel top.
3. Disconnect thermocouple from temperature gauge.
4. Remove two (2) mounting bolts and remove temperature gauge.
5. Reassemble in reverse order.
THERMISTOR - REPLACEMENT
1. Shut off power at main breaker.
2. Remove control panel top.
3. Slide thermistor probe out of oven chamber.
NOTE: Remove conveyor and bottom fingers to aid in removal and instaliaticn of thermistor probe.
4. Disconnect wires from back of digital display at terminal strip (location #9-10).
5. Reassemble in reverse order making sure the probe is placed securely in the wire form in the oven
chamber.
6. Reconnect to digital display and calibrate. (See Time/Temperature Display - Replacement and
Calibration)
To test the thermistor probe, refer to the following chart and instructions
OVEN TEMPERATURE
300º F 325º F 350º F 400º F 425º F 450º F 500º F 550º F
OHMS 182 138 102 62 48 38 24 16
Place test pyrometer thermocouple and preheat oven as specified under temperature calibration.
Disconnect the thermistor probe from terminals 9 and 10 and measure the resistance across the 2 yellow
leads. Refer to the above chart to determine if probe is producing the proper resistance.
EXAMPLE: The probe resistance at 500°F(260°'C) should be 24 ohms.
TRANSFORMER, TIME/TEMP. DISPLAY
1. Shut off power at main breaker.
2. Remove control panel top.
3. Remove relay box cover.
4. Disconnect two (2) wires at base of transformer and three (3) wires at terminals 1,2, and 3 on Time/Temp
Display.
5. Remove two (2) mounting screws.
6. Reassemble in reverse order.
TIME/TEMPERATURE DISPLAY - REPLACEMENT & CALIBRATION
1. Shut off power at main breaker.
2. Remove control panel top.
3. Disconnect wires from rear of display. Make note of wire numbers and location for reinstallation.
4. Remove four (4) screws from display bezel (2 top/2 bottom) and remove display.
5. Install new display in reverse order. Note dip switch position and calibrate display as follows:
a) Check all wire connections to insure proper tightness.
b) Check dip switch setting to insure proper positions for the model of oven:

Impinger I -–1000 Series Service Manual - Domestic52
ALL 1000 & 1200 SERIES OVENS
SWITCH SETTINGS
1 2 3 4 5 6 7 8 9 10
TYPE I OFF OFF* ON ON ON OFF*
*
TYPE II OFF OFF* OFF** ON ON ON
TYPE III OFF OFF* OFF** ON OFF ON ON ON OFF ON
(Baldor Motor)
TYPE III OFF OFF* OFF** ON OFF OFF ON ON OFF ON
(Stepper Motor)
TYPE IV OFF OFF ** ON OFF ON ON ON OFF ON
(Baldor Motor)
TYPE IV OFF OFF ** ON OFF OFF ON ON OFF ON
(Stepper Motor)
*These switches are for Hertz settings (OFF=60HZ) & (ON=50HZ)
**These switches are for temperature read-out (OFF=Degrees F) & (ON=Degrees C)
c) Turn power on.
d) Calibrate time:
Place an object on the conveyor belt and time with a stopwatch, the elapsed time for
the object to travel through the oven. (Leading edge in to leading edge out.)
Push in and hold the set button.
Adjust the time calibration pot on the rear of the module until the display numbers
match the measured time. Seal adjustment pot. with Glyptol or nail polish.
e) Calibrate temperature:
Place a temperature sensor in between top two fingers and set temperature control to
500°F; allow temperature to stabilize.
"Fine Tune" temperature setting to achieve measured temperature swings from
497°F to 503°F. So if actual temperature falls between 497°F and 503°F the display
must show 500°F. Adjust temperature calibration pot to achieve a display reading of
500°F(260°C).
12345678910
1 2 3 4 5 6 7 8 9 10
HI
TEMP
TEMP
CAL TIME
FROM
TRANSFORMER
TO
THERMISTOR
PROBE
RED
RED
YELLOW
BLACK
PURPLE
PURPLE
WHITE
RED
YELLOW
YELLOW
DIP SWITCH MODULE
(TYPE I AND II HAVE ONLY 6 SWITCHES)
SWITCH POSITION ON OFF
TO
SET
SWITCH
TO CONVEYOR
MOTOR PICK UP
To identify the module, measure the width of the case.
Type I is 51/8 inches wide
Type II is 5 5/8 inches wide
Type I & II have a 6 position dip switch module.
Type III has a 10 position dip switch module.

Impinger I -–1000 Series Service Manual - Domestic 53
Type IV is 5 5/8 inches wide x 3 ¼ inches deep
Type IV has adjustment pots. In the center board.
If temperature is still inaccurate after above calibration and troubleshooting, use the following
to check the High Temp. Pot. normally the High Temp. Pot. does not require
adjustment. Occasionally the pot is accidentally moved or needs adjustment. Refer to the
following drawing showing proper adjustment of the High Temp. Pot.
test leads here
reading should be 26 ± .5 ohms if not, adjust.
pot. range 0-34 ohms
BOTTOM OF TIME TEMP DISPLAY
SWITCH, DISPLAY, SET
1. Shut off power at main breaker.
2. Remove control panel top.
3. Disconnect wires from time/temp. display terminals 5 and 6.
4. Pull off black operating knob and remove hex mounting nut.
5. Reassemble in reverse order.
PROCEDURE FOR USE OF TIME/TEMP. SIMULATOR
NOTE: DO NOT CHANGE HI TEMP POT.
4 7 9 10
TEST PROBES SHOULD
READ 18 OHMS
Check incoming power to display at Terminals 1, 2, and 3. Approximately 13 VAC at 1-3, 6.5
VAC at 1-2, 6.5 VAC at 2-3.
WithpowerOFF,removeleadsfrom4,5,6,7,8,9,and10.Installtime/temp.simulator to terminals 4,7,9,10.
To identify display type: (MEASURE WIDTH OF COVER ON DISPLAY)
Type I is 51/8 inches wide.
Type II is 5 5/8 inches wide.
Type I & II have a 6 position dip switch module.
Type III has a 10 position dip switch module.

Impinger I -–1000 Series Service Manual - Domestic54
Dip Switch
1 2 3 4 5 6 7 8 9 10
TYPE I OFF OFF OFF ON OFF OFF
TYPE II OFF OFF OFF OFF OFF OFF
TYPE III OFF OFF OFF OFF OFF OFF OFF ON OFF ON
NOTE: When on 50 HZ power, dip switch #2 must be "ON"
With power ON turn time and temperature cal. pot. fully counterclockwise.
Display should read: (Wait 15-20 seconds)
TYPE I 9:30 + 10 sec.475 + 10°F
TYPE II 9:20 + 10 sec. HHH
TYPE III 9:35 + 10 sec. 635 + 10°F
Turn time and temp. cal. pot. fully clockwise.
Display should read: (Wait 15-20 seconds)
TYPE I 10:20 + 10 sec. 615 + 10°F
TYPE II 10:10 + 10 sec. 475 + 10°F
TYPE III 10:20 + 10 sec. 475 + 10°F
Turn time pot. to 10:00 minutes and temp. pot. to 540°F.
Time reading 10:00 ± 5 seconds.
Temperature reading should be steady at 540°F + 10°F.
If these readings are not achieved, replace display.
NOTE: After simulator test is completed, the oven Time/Temperature Display must be re-calibrated.
SWITCH REPLACEMENT (FAN, HEAT, CONVEYOR)
1. Shut off power at main breaker.
2. Remove control panel top and front cover.
3. Remove switch access cover.
4. Depress the spring clips on the sides of the switch and push out.
5. Remove wires from back of switch. Note wire number and location.
6. Install new switch in reverse order and check.
SWITCH REPLACEMENT - (FAN SWITCH UPDATE)
INSTALLATION OF DOUBLE POLE FAN SWITCH #369260 IN PLACE OF SINGLE POLE
FAN SWITCH #350705
NOTE: This change is not necessary for proper operation of oven nor is it
permissible to change under warranty. Should be changed only at
customer's request and their agreement to pay your bill.
ADVANTAGE: Allows time/temp. display, in older models, to operate same as current
production models. Also allows locked time/temp. display (caused by
voltage surge, interruption or spike) to be reset by fan switch rather than
circuit breaker.
IDENTIFICATION: To determine which fan switch you have, observe if temperature displays
stays on during cooling down. If it stays on , you have the single pole
switch. If it goes out as soon as fan switch is turned off you have the double
pole switch.
REPLACEMENT: Replace single pole switch # 350705.
Install double pole switch # 369260.
Disconnect lead indicated by # in proper diagram and reroute as shown.
Install jumper lead indicated by * in proper diagram.
Reapply all other leads as removed.

Impinger I -–1000 Series Service Manual - Domestic 55
THE FOLLOWING ITEMS ARE USED IN THE MODEL 1030, 1046, 1047
IMPINGER OVEN (EXPORT)
AIR PRESSURE SWITCHES - REPLACEMENT AND ADJUSTMENT
1. Remove control panel top.
2. Disconnect wires from switch making note of wire number and location for reinstallation.
3. Remove air tube from switch assembly.
4. Remove switch from wire hanger.
5. Install new switch in reverse order, make sure air tube is not blocked miss-aligned.
Adjust as needed.
To adjust the air pressure switch, remove snap on cover on the side of the switch to
expose adjusting screw. To increase sensitivity, turn screw counter clockwise; to
decrease sensitivity, turn screw clockwise. Check for proper line voltage switching from
N.C. to N.O. as the air pressure switch closes.
GAS VALVE - REPLACEMENT AND ADJUSTMENTS
1. Remove control panel top and front cover.
2. Disconnect the gas piping from the back of the unit.
3. Remove the four (4) screws from the incoming nipple mounting bracket.
4. Remove incoming nipple.
5. Disconnect two (2) plugs, (1 ) 3 prong and (1 ) 4 prong - Note location.
6. Disconnect pipe union just above gas valve and remove assembly.
7. Reassemble in reverse order (check all pipe fittings for leaks). After assembled, check
for proper adjustment of gas pressure switch, 8.8 on dial for natural gas, 23 for L.P. Gas
and 4.5 for town gas.
8. Check and adjust manifold pressure. Remove pressure tap located in gas piping above
the gas valve prior to the burner orifice and install manometer . Adjustment screw is
located on the front of the valve, remove plastic cap and adjust as needed: 3.5" W.C. for
Natural Gas and 10" W.C. for L.P.
9. Check gas filter by removing cover plate (located on either side of valve). Remove four
(4) screws and slide filter out of valve housing and inspect. Reassemble in reverse
order and check for leaks around cover.
+
-
1 2
gnd
3
3
2
gnd
FILTER
COVER
PLATE
FILTER
COVER
PLATE
PRESSURE
CONTROLLER
ADJUSTMENT
MANIFOLD
PRESSURE
ADJUSTMENT
OUTPUT
ELECTRICAL
CONNECTOR
ELECTRICAL
CONNECTOR
TOP VIEWSIDE VIEW

Impinger I -–1000 Series Service Manual - Domestic56
IGNITION CONTROL - REPLACEMENT
1. Remove control panel top and front cover.
2. Loosen two (2) locking screws on front cover of relay (approx. 1/2 turn).
3. Remove front portion of relay by pulling straight out (rocking motion).
4. Remove wires from plug-in terminal strip, note wire numbers and locations.
5. Remove two (2) screws from mounting bracket and remove.
6. Reassemble in reverse order (NOTE: Plug in terminal strip is polarized and will only
allow relay to plug in one direction, make sure manual reset button lines up with access
hole in front cover.) Check system operation.
HIGH - LIMIT THERMOSTAT - REPLACEMENT
1. Remove control panel top and front cover.
2. Remove conveyor and fingers.
3. Remove capillary bulb from wire form in oven chamber and pull through tube into control box.
4. Remove two (2) wires from thermostat, note wire numbers and location for reinstallation.
5. Remove screws from bracket and remove thermostat.
6. Reassemble in reverse order making sure capillary tube is placed securely in the wire form.
NOTE: Depress reset button to insure thermostat is set for operation.
SPARK GENERATOR – REPLACEMENT
1. Remove control panel top and front cover.
2. Loosen two (2) locking screws (approx. 1/2 turn) on ignition control and remove front
portion of relay exposing terminal strip.
3. Remove two (2) wires for spark generator.
4. Unplug connector on bottom of spark generator.
5. Remove two (2) mounting screws and remove generator assembly.
6. Reassemble in reverse order and check system operation.
SOLENOID VALVE – REPLACEMENT
1. Remove control panel top and front cover.
2. Disconnect pipe union just above gas valve assembly.
3. Disconnect two (2) wires from solenoid, note wire number and location for reinstallation.
4. Remove four (4) nuts from main orifice burner bracket and remove assembly.
5. Replace valve and reassemble in reverse order.
6. After assembly, check all fittings for leaks and check system operation.
FLOW
BURNER ALARM - REPLACEMENT
1. Remove control panel top and front cover.
2. Remove two (2) wires from alarm, note wire numbers and location.
3. Remove retainer cover from alarm and remove assembly from mounting bracket.
4. Reassemble in reverse order and check.

Impinger I -–1000 Series Service Manual - Domestic 57
BURNER ALARM LIGHT - REPLACEMENT
1. Remove control panel top and front cover.
2. Remove two (2) wires from light assembly, note wire number and location.
3. Grasp body of light assembly and slide sideways to remove.
4. Reassemble in reverse order and check.
PILOT LIGHT (220V) - REPLACEMENT
1. Remove control panel top and front cover.
2. Remove switch access cover.
3. Remove two (2) wires from light assembly, note wire number and location.
4. Grasp body of light assembly and slide sideways to remove.
5. Reassemble in reverse order and check.
IGNITER SENSOR ASSEMBLY - REPLACEMENT
1. Remove control panel top and front cover.
2. Remove gas valve assembly (See Gas Valve)
3. Remove screws from burner tube and pull burner assembly out.
4. Remove wire connectors from igniter sensor assembly.
5. Remove screws from mounting bracket and remove assembly.
6. Reassemble in reverse order and check system operation.
NOTE: After installation, check all pipe fittings for leaks.
BURNER BLOWER MOTOR – REPLACEMENT
1. Remove control panel top and front cover.
2. Remove screws around blower tube.
3. Disconnect motor wiring and remove.
4. Reassemble in reverse order and check system operation.
TEMPERATURE CONTROL BOARD - REPLACEMENT- MODEL 1030
1. Remove control panel top and front cover.
2. Remove potentiometer leads (3), note color and location.
3. Remove thermocouple leads (2), note color and location (white:pos/red:neg.).
4. Remove power and solenoid leads (4), note wire number and location.
5. Remove screw and board assembly and replace.
6. Reassemble in reverse order and check system operation.
NOTE: When replacing #369174 with (new) #369728, turn temperature control to its
maximum position and allow oven 30 minute preheat then calibrate board as follows:
Place temperature probe between top fingers #2 and #3 (making sure probe is
not touching any metal) and adjust potentiometer P6 to a Maximum temperature
of 575°F.
1
2
3
6
7
P 3
P 5P 6
11
10
9
L 1 120 VAC
L 2
LOAD
RED
BLACK
WHITE
+
-
THERMOCOUPLE
TYPE J
POTENTIOMETER
2.5 K OHMS
transformer marked with
green gold or silver dot
Impinger I -–1000 Series Service Manual - Domestic58
TEMPERATURE CONTROL POTENTIOMETER - REPLACEMENT
1. Remove control panel top and front cover.
2. Remove one screw from control knob guard and move guard to one side.
3. Remove knob and locknut on control pot shaft and pushout.
4. Remove three (3) wires from temperature control board, note wire colors and location.
5. Install new control pot. in reverse order and check system operation.
6. NOTE: If temperature control knob is type with temperature numbers on it, adjust it to
agree with the time/temp. display for knobs with reference numbers only, #9 is
500°F/260°C.
RELAY ASSEMBLY, BURNER BLOWER MOTOR - REPLACEMENT
1. Remove control box top and front cover.
2. Remove cover from relay box.
3. Remove wire from ignition control (#20).
4. Remove two (2) wires from transformer (#21 and #23).
5. Remove wire from burner blower motor connector plug (requires pin extractor tool (#369600) (#73).
6. Remove nut and washer from rear of relay assembly and remove assembly.
7. Install new relay in reverse order and check system operation.
TEMPERATURE CONTROL - REPLACEMENT - 1046-1047
1. Remove control panel top and front cover.
2. Remove one screw from control knob guard and move guard to one side.
3. Remove temp. control knob and locknut.
4. Remove six (6) wires from temperature control board , note wire colors and location.
5. Install new temperature control board in reverse order and check system operation.
RELAY, GAS CONTROL - REPLACEMENT - MODEL 1046,1047
1. Shut off power at main breaker.
2. Remove control panel top and front cover.
3. Remove cover from relay box.
4. Disconnect all wires and mark for replacement.
5. Remove relay by removing two (2) mounting screw.
6. Reassemble in reverse order.
TIME DELAY RELAY, 20 MINUTE - REPLACEMENT
1. Remove control box top and front cover.
2. Disconnect all wires and mark for replacement.
3. Remove center mounting screw.
4. Reassemble in reverse order.
NOTE: Do not over tighten mounting screw as this may damage the internal
electronic components.
Impinger I -–1000 Series Service Manual - Domestic 59
This page intentionally left blank.

Impinger I -–1000 Series Service Manual - Domestic60
PARTS / MODEL SERIES 1000 & 1200 - GENERAL
LETTER PART NO. DESCRIPTION
A 369003 Door Hinge
B 369207 Handle Retainer
369337 Retainer (See page 62)
C 369110 Access Window (See page 62)
D 369209 Latch & Strike
E 369828 Handle Spacer
F 369157 Complete Door
G 1534 Finger Support Assy.
H 369057 Support Bracket Pins
I 369643 Strike Assy.
J 1009 Oven Top
K 369062 Top, Control Panel
L 369046 Flue Assy. (Gas)
369367 Flue Assy. (Electric)
M 369140 Compression Spring
N 369903 Flat Washer, 5/16”
O 369141 Conveyor Hold Down Bracket
P 369139 Shoulder Screw
Q 369058 Baffle, Inlet and Outlet
369211 Thumb Screw
R 369369 Seam Cover, Conveyor Opening
S 369203 Stud Wing Head
T 369749 Chain Cover Assy. ( S/N Q14974 & Above)
U 369204 Split Ring Retainer
V 369373 Receptacle, Snap In
W 369205 Chain Guard Cover – S/N 2164 to Q14973
X 369651 Top, Chain Guard – S/N 2164 to Q14973
Y 369379 Bottom Chain Guard – S/N 2164 to Q14973
Z 369052 Adjustable Leg
AA 369030 Caster – 6”
BB 369328 Leg, Stand
CC 369904 Insulation Holder
DD 369218 Internal Crumb Pan
EE 369053 Finger Housing
FF Columnating Plates (See Installation Manual)
GG 369055 Finger Cover
HH 369748 Bracket, Chain Cover – S/N Q14974 & Above
JJ 369690 Label, Time/Temp Display Cover
KK 370048 Instrument Cover
LL 369673 Thermostat Guard
MM 369244 Instrument Cover Assy.
NN 369887 Instrument Cover Label
OO 369886 Window F
º
369199 Window C
º
PP 369246 Display Bezel

Impinger I -–1000 Series Service Manual - Domestic 61
BLOW UP / 1000, 1200 – GENERAL

Impinger I -–1000 Series Service Manual - Domestic62
PARTS / ACCESS DOOR & 1050 DOOR
LETTER PART NO. DESCRIPTION
369110 Complete Access Window Assy.
A 369310 Screw, 6-32 x 3/16”
B 369377 Screw, 8-32 x 3/8”
C 369308 Bottom, Access Window Assy.
D 369111 Glass, Old Style 4 9/32” X 20”
369334 Glass, New Style 4” x 20”
E 350638 Handle
F 369311 Handle Spacer (2 required)
G 369309 Top, Access Window Assy.
H 369336 Door Latch
I 369906 Screw, 8-32 x 5/8”
J 369230 Screw, 8-32 x ¾”
K 369112 Ball Catch
L 350257 Screw, 6-32 x 3/8”
M 369229 Adapter Plate
N 369337 Retainer, New Style
O 369207 Retainer, Old Style
P 369004 Door Latch & Catch
Q 369031 Complete Door Assy.
R 369015 Door Gasket
S 369049 Vertical Retaining Plate
T 369051 Retaining Plate Screw
U 369050 Horizontal Retaining Plate
V 369003 Door Hinge
W 369926 Window Frame, Bottom
X 369925 Glass, Access Window
Y 369927 Window Frame, Top
Z 369930 Screw, 10-32 x ¼”
AA 369931 Screw, 8-32 x 3/8”
BB 369929

Impinger I -–1000 Series Service Manual - Domestic 63
BLOW UP / ACCESS DOOR & 1050 DOOR

Impinger I -–1000 Series Service Manual - Domestic64
PARTS / MODEL 1000,1001,1050,1051,1004, &1005 – S/N 100 TO 4389
LETTER PART NO. DESCRIPTION
A 369012 Fuseholder
369013 Fuse, 3 Amp
B 369014 Fuse, 10 Amp
C 369066 Sprocket, Drive - Prior to S/N 4390
D 369260 Switch, ON/OFF
E 350225 Lens, Red
F 369104 Pilot Light, 24 VAC
G 369025 Blower Air Switch
H 369022 Conveyor Motor - Prior to S/N 4390
369113 Brush
369114 Brush Cap
369115 Brush Spring
I 369032 Relay
J 369008 D. C. Conveyor Controller - S/N 4389 & Below
K 369079 Relay Cover
L 369080 Reverse Switch w/Harness - Prior to S/N 4390
M 369007 Temperature Sensing Switch
369902 Sensing Rod Switch
N N. L. A See Burner Blower Motor - Page 34
O 369531 Transformer, 120/24V- 40VA
P 369366 Burner Blower Motor Kit
Q 369009 Thermocouple
R 369029 Temperature Gauge
S 369108 Thermostat Knob (Degree F)
T 369263 Gas Valve (Body Only), NAT/LP
369393 Ignition Control, NAT & LP
U 369344 Pilot Shut Off Valve
V 369006 Temperature Control Valve
W 369072 Main Burner Orifice, Natural Gas
369099 Main Burner Orifice, LP
X 369144 Pilot Shield, Extension
Y 369202 Pilot Shield, Main
Z 369075 Flame Sensor
A A 369073 Pilot Orifice, Natural Gas
369100 Pilot Orifice, LP
B B 369076 Burner Ignitor
C C 369142 Flame Target
D D 369067 Air Switch Tube
E E 369063 Conveyor Speed Controller - Prior to S/N 4390
F F 369064 Conveyor Speed Control Dial

Impinger I -–1000 Series Service Manual - Domestic 65
BLOW UP / 1000, 1001, 1050, 1051, 1004, & 1005 S/N 100 TO 4389

Impinger I -–1000 Series Service Manual - Domestic66
PARTS / MODEL 1000,1001,1004, AND 1005 S/N 4390 & ABOVE
LETTER P/N DESCRIPTION
A 369247 Shaft Lock Ring
B 369248 Knob
369064 Conveyor Speed Control Dial (Non-Digital Display Ovens)
C 369012 Fuseholder
D 369013 Fuse, 3 Amp
369014 Fuse, 10 Amp
E 369158 10 Tooth Sprocket - S/N 4390 & Above
F 350705 Switch ON/OFF
G 369260 Double Pole Fan Switch
H 350225 Lens, Red
I 369104 Pilot Light, 24 VAC
J 369507 Cooling Fan Thermostat
K SEE PAGE 82
L 369025 Blower Air Switch
M 369032 Relay
N 369155 Conveyor Motor Control Board
357028 Fuse, Non Delay, 1A 250V
369201 Fuse, 4 Amp, 250V
O 369240 Hi Hat
P 369173 Control Transformer
Q 369363 Unit Relay Cover Top LH
R 369154 0.7 Amp Circuit Breaker
S 369007 Temperature Sensing Switch
369902 Sensing Rod Kit
T N. L. A. See Burner Blower Motor - Page 34
U 369531 Transformer 120/24V - 40VA
V 369366 Burner Blower Motor Kit
W 369331 Finger Guard, Cooling Fan
X 369167 Set Switch Assy.
Y 369172 Digital Display
369029 Temperature Gauge (Not Shown)
369009 Thermocouple (Not Shown) used with Temperature Gauge
Z 369108 Thermostat Knob (Degree F)
AA 369263 Gas Valve (Body Only) NAT/LP
369393 Ignition Control NAT & LP
B B 369344 Pilot Shut Off Valve
C C 369086 Pilot Line Assy - S/N 121 & Above
D D 369006 Temperature Control Valve
E E 369072 Main Burner Orifice Natural Gas
369099 Main Burner Orifice LP
F F 369144 Pilot Shield Extension
G G 369202 Pilot Shield Main
H H 369075 Flame Sensor
I I 369073 Pilot Orifice Natural Gas
369100 Pilot Orifice LP
JJ 369076 Burner Igniter
K K 369142 Flame Target
L L 369124 Cooling Fan Control Box
MM 369152 Oven Conveyor Control Pot.
N N 369193 Thermistor Probe

Impinger I -–1000 Series Service Manual - Domestic 67
BLOW UP 1000, 1001, 1004, 1005 S/N 4390 & ABOVE

Impinger I -–1000 Series Service Manual - Domestic68
PARTS / 1022-1023
LETTER P/N DESCRIPTION
A 369247 Shaft Lock Ring
B 369012 Fuseholder
369129 Fuseholder, Main Fan
C 369013 Fuse, 3 Amp
369130 Fuse, 15A
D 369064 Conveyor Speed Control Dial-Non Digital Display Units
369248 Knob
E 369260 Switch, ON/OFF
F 369066 Sprocket, Drive - Prior to S/N 4390 & S/N Q19078 and above
369158 10 Tooth Sprocket - S/N 4390 to S/N Q19077
G 369605 Transformer (Stepper)
H 350225 Lens, Red
I 369128 Neon Pilot Light, 125 VAC
J 369022 Motor, Conveyor - S/N 4389 & Below
SEE PAGE 82 S/N 4390 & Above
369113 Brush (For 369022)
369114 Brush Cap (For 369022)
369115 Brush Spring (For 369022)
K 369120 Contactor, 60A
L 369127 Hi Limit Thermostat
357067 Thermostat, Capillary
M 353014 Supply Terminal (Ground)
N 369118 Power Terminal Block
O 369007 Temperature Sensing Switch
369902 Sensing Rod Kit
P 369154 0.7 Amp Circuit Breaker
369640 Control (Stepper) S/N Q19078 & Above
357028 Fuse, Non Delay, 1 A 250V
369201 Fuse, 4 Amp, 250V
T 369240 Hi Hat
U 369167 Set Switch Assy.
370046 Button Only
V 369172 Digital Display
369029 Temperature Gauge (S/N Q5276 & Down) Uses 369009 T-Couple
W 369342 Knob, Temperature Control
X 369193 Thermistor Probe
Y 369340 Potentiometer, Temp. Control & Harness
Z 369132 Temperature Control Board
A A 369173 Control Transformer
B B 369131 Thermocouple Probe Assy.
C C 369032 Relay
D D 369124 Cooling Fan, Control Box
369535 Cord Set, Cooling Fan
EE 369025 Blower Air Switch
FF 369067 Air Switch Tube
GG 369063 Conveyor Speed Controller S/N 4389 & Below
369153 Electric Conveyor Control Pot. S/N 4390 to Q19077
369391 Speed Pot. (Stepper) S/N Q19078 & Above
Not Shown 369080 Reversing Switch – S/N 4389 & Below

Impinger I -–1000 Series Service Manual - Domestic 69
BLOW UP / 1022, 1023

Impinger I -–1000 Series Service Manual - Domestic70
PARTS / 1040-1041
LETTER P/N DESCRIPTION
A 369247 Shaft Lock Ring
B 369012 Fuseholder
C 369013 Fuse, 3 Amp
369014 Fuse, 10 Amp
D 369248 Knob
E 369158 10 Tooth Sprocket - S/N 4390 to Q14973
369066 Sprocket - S/N 14974 & Above
F 369260 Switch, ON/OFF
G 369605 Transformer (Stepper)
H 350225 Red Lens
I 369104 Pilot Light 24 VAC
J SEE PAGE 82
K 369507 Cooling Fan Thermostat
L 369025 Blower Air Switch
M 369032 Relay
N 369155 Conveyor Motor Control Board - S/N 4390 - Q14973
369640 Control Stepper- S/N Q14974 & Above
357028 Fuse, Non Delay, 1 A 250V
369201 Fuse, 4 Amp, 250V
O 369240 Hi Hat
P 3691730 Control Transformer
Q 369363 Unit Relay Cover, Top LH
R 369131 Thermocouple Probe Assy
S 369270 Electronic Temperature Control Q18037 & Below
T N. L. A. See Burner Blower Motor - Page 34
U 369531 Transformer, 120/24V - 40VA
V 369366 Burner Blower Motor Kit
W 369331 Finger Guard, Cooling Fan
X 369193 Thermistor Probe
Y 369167 Set Switch Assy.
370046 Button Only
Z 369172 Digital Display
AA 369316 Knob, Temperature Adjustment
B B 369263 Gas Valve (Body Only), NAT/LP
369393 Ignition Control, NAT & LP
C C 369344 Pilot Shut Off Valve
D D 369317 Potentiometer, Temperature Adjustment w/Faceplate
E E 369398 Solenoid Valve, NAT & LP
F F 369072 Main Burner Orifice, Natural Gas
369099 Main Burner Orifice, LP
G G 369144 Pilot Shield, Extension
H H 369202 Pilot Shield, Main
I I 369075 Flame Sensor
JJ 369073 Pilot Orifice, Natural Gas
369100 Pilot Orifice, LP
K K 369076 Burner Ignitor
L L 369142 Flame Target
MM 369007 Temperature Sensing Switch
369902 Sensing Rod Kit
N N 369154 0.7 Amp Circuit Breaker
O O 369124 Cooling Fan, Control Box
P P 369067 Air Switch Tube
QQ 369152 Potentiometer, conveyor S/N 4390 - Q14973
369391 Potentiometer, conveyor S/N Q14974 & Above
RR 369316 Knob, temperature control
SS 369801 Thermostat
TT 370058 Jumper, thermocouple

Impinger I -–1000 Series Service Manual - Domestic 71
BLOW UP / 1040, 1041

Impinger I -–1000 Series Service Manual - Domestic72
PARTS / 1200, 1201, 1204 AND 1205
LETTER P/N DESCRIPTION
A 369012 Fuseholder
B 369014 Fuse, 10 Amp
C 369252 Paddle Switch
D 369248 Knob
369247 Shaft Lock Ring
E 369260 Switch, ON/OFF
G 350225 Lens, Red
H 369507 Cooling Fan Thermostat
I 369104 Pilot Light, 24 VAC
J 369193 Thermistor Probe
K 369025 Blower Air Switch
L 369032 Relay
M 369007 Temperature Sensing Switch
369902 Sensing Rod Kit
N 369173 Control Transformer
O 369363 Unit Relay Cover, Top LH
P N. L. A See Burner Blower Motor - Page 34
Q 369531 Transformer, 120/24V - 40VA
R 369366 Burner Blower Motor Kit
S 369331 Finger Guard, Cooling Fan
T 369167 Set Switch Assy.
370046 Button Only
U 369172 Digital Display
V 369108 Thermostat Knob (Degree F)
W 369263 Gas Valve (Body Only), NAT/LP
369393 Ignition Control, NAT & LP
X 369344 Pilot Shut Off Valve
Y 369006 Temperature Control Valve
Z 369086 Pilot Line Assy - S/N 121 & Above
A A 369072 Main Burner Orifice, Natural Gas
369099 Main Burner Orifice, LP
BB 369144 Pilot Shield, Extension
C C 369202 Pilot Shield, Main
D D 369075 Flame Sensor
E E 369073 Pilot Orifice, Natural Gas
369100 Pilot Orifice, LP
F F 369076 Burner Ignitor
G G 369142 Flame Target
H H 369124 Cooling Fan, Control Box
JJ 369067 Air Switch Tube
KK 369253 Speed Pot., "A"
369254 Speed Pot., "B"

Impinger I -–1000 Series Service Manual - Domestic 73
BLOW UP / 1200, 1201, 1204, 1205

Impinger I -–1000 Series Service Manual - Domestic74
PARTS / 1202-1203
LETTER P/N DESCRIPTION
A 369247 Shaft Lock Ring
B 369129 Fuseholder, 15A
369012 Fuseholder
C 369013 Fuse, 3 Amp
369130 Fuse, 15A
D 369248 Knob
E 369252 Paddle Switch
F 369260 Switch, ON/OFF
H 350225 Lens, Red
I 369128 Neon Pilot Light, 125 VAC
J 369025 Blower Air Switch
K 369120 Contactor, 60A
L 369127 Hi Limit Thermostat
M 353014 Supply Terminal (Ground)
N 369118 Power-Terminal Block
O 369007 Temperature Sensing Switch
369902 Sensing Rod Kit
Q 369119 60A Fuseholder
R 369134 Fuse, 50A
S 369193 Thermistor Probe
T 369167 Set Switch Assy
370046 Button Only
U 369172 Digital Display
V 369342 Knob, Temperature Control
W 369340 Potentiometer, Temp. Control Harness
X 369132 Temperature Control Board
Y 369173 Control Transformer
Z 369032 Relay
A A 369131 Thermocouple Probe Assy.
B B 369124 Cooling Fan, Control Box
C C 369067 Air Switch Tube
D D 369253 Speed Pot., "A" S/N 14974 & Below
369254 Speed Pot., "B" S/N 14974 & Above

Impinger I -–1000 Series Service Manual - Domestic 75
BLOW UP / 1202, 1203

Impinger I -–1000 Series Service Manual - Domestic76
PARTS / 1240-1241
LETTER P/N DESCRIPTION
A 369012 Fuseholder
B 369014 Fuse, 10 Amp
C 369248 Knob
D 369247 Shaft Lock Ring
E 369260 Switch, ON/OFF
G 350225 Lens, Red
H 369507 Cooling Fan Thermostat
I 369104 Pilot Light, 24 VAC
J 369025 Blower Air Switch
K 369032 Relay
L 369363 Unit Relay Cover, Top LH
M 369131 Thermocouple Probe Assy
N 369270 Electronic Temperature Control
O N. L. A. See Burner Blower Motor - Page 34
P 369531 Transformer, 120/24V - 40VA
Q 369366 Burner Blower Motor Kit
R 369331 Finger Guard, Cooling Fan
S 369193 Thermistor Probe
T 369167 Set Switch Assy.
370046 Button Only
U 369172 Digital Display
V 369316 Knob, Temperature Adjustment
W 369263 Gas Valve (Body Only), NAT/LP
369393 Ignition Control, NAT & LP
X 369344 Pilot Shut Off Valve
Y 369317 Potentiometer, Temperature Adjustment w/Faceplate
Z 369398 Solenoid Valve, NAT & LP
AA 369086 Pilot Line Assy - S/N 121 & Above
B B 369072 Main Burner Orifice, Natural Gas
369099 Main Burner Orifice, LP
C C 369144 Pilot Shield, Extension
D D 369202 Pilot Shield, Main
E E 369075 Flame Sensor
F F 369073 Pilot Orifice, Natural Gas
369100 Pilot Orifice, LP
G G 369076 Burner Ignitor
H H 369142 Flame Target
I I 369007 Temperature Sensing Switch
369902 Sensing Rod Kit
JJ 369252 Paddle Switch
K K 369124 Cooling Fan, Control Box
L L 369067 Air Switch Tube
MM 369253 Speed Pot., "A" S/N 4390 - Q14790
369254 Speed Pot., "B" S/N 4390 - Q14790
369652 Speed Pot., (Stepper) S/N Q14791 & Above
N N 369316 Knob
O O 369801 Thermostat
P P 370058 Thermocouple Jumper

Impinger I -–1000 Series Service Manual - Domestic 77
BLOW UP / 1240, 1241

Impinger I -–1000 Series Service Manual - Domestic78
PARTS / OVEN BACK - GAS
LETTER P/N DESCRIPTION
A 369048 Motor and Fan Cover
B 369212 Motor, S/N begins with a"Q"
369214 Motor, 50 Hz, 240V
C 369192 Capacitor 7.5 MFD, 370 VAC
D 369045 Oven Back- S/N 4612 & Below
369306 Oven Back Assy. - S/N 4613 & Above
E 369646 Rod, Stand Off
F 369647 Inlet Panel, 16"
G 369213 Fan, S/N begins with a "Q"
H See Page 86
I N.L.A. See Conversion Kits Below
J 369026 Heat Slinger Bar
K 369215 Motor Support Assy - S/N Q4613 & Above
369028 Motor Mount Support Assy. - S/N 4612 & Below
L 369020 Oven Fan Motor- S/N 4612 & Below
M 369027 Motor Cooling Fan
N 369545 Wire Form, Thermostat Bulb
369547 Wire Form, Thermostat Bulb -1040 Series
Not Shown 369318 Cone Conversion Kit 60 HZ
Replaces N.L.A. Fan Assy. with New Style Oven Back Assy.
Not Shown 369321 Cone Conversion Kit 50 HZ
Replaces N.L.A. Fan Assy. with New Style Oven back Assy.

Impinger I -–1000 Series Service Manual - Domestic 79
BLOW UP / OVEN BACK – GAS

Impinger I -–1000 Series Service Manual - Domestic80
PARTS / OVEN BACK- ELECTRIC
LETTER P/N DESCRIPTION
A 369699 Rear Cover Assy.
B 369212 Motor, S/N begins with a "Q"
369214 Motor, 50 Hz, 240V
C 369192 Capacitor 7.5 MFD, 370 VAC
D 369307 Oven Back Assy. - S/N 4768 & Above
E 369122 240V Heating Element
369287 208V Heating Element
369315 220V Heating Element
F 369647 Inlet Panel, 16"
G 369213 Fan, S/N begins with a "Q"
H See Detail Page 86
I N.L.A See Conversion Kits Below
J 369646 Rod, Stand Off
K 369026 Heat Slinger Bar
L 369215 Motor Support Assy - S/N Q4768 & Above
369028 Motor Mount Support Assy. - S/N Q4767 & Below
M 369020 Oven Fan Motor- S/N Q4767 & Below
N 369027 Motor Cooling Fan
O 369547 Wire Form, Thermostat Bulb- Electric Ovens
Not Shown 369319 Cone Conversion Kit 208V 60 HZ
Replaces N.L.A. Fan Assy. with New Style Oven Back Assy
Not Shown 369320 Cone Conversion Kit 240V 60 HZ
Replaces N.L.A. Fan Assy. with New Style Oven Back Assy.
Not Shown 369322 Cone Conversion Kit 220V 50 HZ
Replaces N.L.A. Fan Assy. with New Style Oven Back Assy.
Not Shown 369323 Cone Conversion Kit 240V 50 HZ
Replaces N.L.A. Fan Assy. with New Style Oven Back Assy.

Impinger I -–1000 Series Service Manual - Domestic 81
BLOW UP / OVEN BACK – ELECTRIC

Impinger I -–1000 Series Service Manual - Domestic82
PARTS / CONVEYOR MOTOR ASSEMBLY S/N 4390 & ABOVE
LETTER P/N DESCRIPTION
A 369291 Motor, DC - Conveyor
369384 Motor Brush Assy.
B 369294 #4 Lockwasher
C 369296 Screw, 4-40 x 1/4
D 369290 Optical Encoder Assy.
E 369151 Coupling and Encoder Disc (.050 in. Allen Wrench included)
F 369146 Hex Nut, 4-40
G 369294 #4 Lockwasher
H 369292 Bracket, Tach. Generator
I 369297 Screw, 6-32 x 1/4
J 369156 #6 Lockwasher
K 369293 Screw, 4-40 x 3/8
L 369150 Tach. Generator
M 369298 Dust Cover
N 369299 Bushing
O 350247 Screw, 10-32 x 3/8
P 369295 #10 Lockwasher
Q 369603 Stepper Motor Gearbox Assy. - includes R, S, T, U
R 369737 Hall Effect Sensor
S 369900 #8 Lockwasher
T 369658 Screw, 8-32 x 1/4
U 369736 Magnet

Impinger I -–1000 Series Service Manual - Domestic 83
BLOW UP / CONVEYOR MOTOR ASSEMBLY S/N 4390 & ABOVE

Impinger I -–1000 Series Service Manual - Domestic84
PARTS / SERIES 1000 – CONVEYOR
LETTER P/N DESCRIPTION
A 369002 Tension Knob, Conveyor
B 369314 Roll, Conveyor-Notched
C 369835 Conveyor Frame Assy.
D 369312 Conveyor Shaft, Idler
E 369160 Conveyor Pan Stop
F 369641 Idle Bearing Bracket
G 369220 Idle Bearing
H 369005 Conveyor Belt Connecting Link
I 369237 Conveyor Drive Shaft
J 369161 Roller Chain Sprocket, S/N 2164-Q14973 (Gas)
S/N 2164-Q19077 (Electric)
369066 Drive Sprocket S/N Q14974 & Above (Gas)
S/N Q19078 & above (Electric)
369413 Drive Key
K 369219 Rod End, Female
L 369644 Screw 1/2-20 x 3/4
M 369206 Crumb Pan
N 369163 Conveyor Belt
369362 Conveyor Belt by Foot
O 369143 Crumb Pan
P 369036 Drive Bearing Assy.
Q N.L.A. Conveyor Frame
(Replace with 369117 Complete Conveyor Assy.)
R 369380 Conveyor Guard Strap
S 369060 L.H. Conveyor Guard Assy.
T 369037 Snap Ring
U 369034 L.H. Conveyor Idler Bearing Assy.
V 369035 R.H. Conveyor Idler Bearing Assy.
W 369042 Idler Shaft
X 369039 Blank Drive Gear
Y 369038 Notched Drive Gear
Z 369043 Drive Shaft
A A 369059 R.H. Conveyor Guard Assy.
B B 369040 Conveyor Sprocket (Uses 369042 Key

Impinger I -–1000 Series Service Manual - Domestic 85
BLOW UP / SERIES 1000 CONVEYOR

Impinger I -–1000 Series Service Manual - Domestic86
PARTS / SERIES 1200 - CONVEYOR CONTROL
LETTER P/N DESCRIPTION
A SEE PAGE 82
B 369012 Fuseholder
C 369013 Fuse, 3 Amp
D 369240 Hi Hat
E 369155 Conveyor Motor Control, "A" S/N Q4613 to Q14973
369640 Conveyor Control (Stepper) S/N Q14974 & Above
357028 Fuse, Non Delay, 1A 250V
369201 Fuse, 4 Amp, 250V
F 369272 Conveyor Motor Control "B" S/N Q4613 to Q14973
357028 Fuse, Non Delay, 1A 250V
369201 Fuse, 4 Amp, 250V
G 369154 0.7 Amp Circuit Breaker
H N. L.A.
I 369665 Chain Guard
J 369289 Sprocket, 5/8" - S/N Q14791 & Below
369242 Sprocket, 1/2" (Stepper) S/N Q14791 & Above
K 369696 Clip, Chain Guard
L 369124 Cooling Fan, Control Box
M 369605 Transformer (Stepper)

Impinger I -–1000 Series Service Manual - Domestic 87
BLOW UP / SERIES 1200 – CONVEYOR CONTROL

Impinger I -–1000 Series Service Manual - Domestic88
PARTS / SERIES 1200 – CONVEYOR
LETTER P/N DESCRIPTION
A 369277 Retaining Block, Inner
B 369275 Flanged Bearing, .50 ID
C 369276 Inner Drive Shaft
D 369274 Flanged Bearing, .75 ID
E 369279 Retaining Block, Outer
F 369278 Outer Drive Shaft
G 369241 Sprocket 3/4" Bore
369242 Sprocket 1/2" Bore
H 369005 Conveyor Belt Connecting Links
I 369280 Idler Shaft, Inner
J 369284 Collar Shaft Spacer
K 369039 Blank Drive Gear
L 369038 Roll, Conveyor, Notched
M 369281 Idler Shaft, Outer
N 369160 Conveyor Pan Stop
O 350238 Nut, 10-24
P 369697 Lockwasher, SS #10
Q 369282 Compression Spring
R 369206 Crumb Pan
S 369273 Complete Conveyor Belt
Not Shown 369249 Drive Chain, Long
Not Shown 369250 Drive Chain, Short
Not Shown 369817 Drive Chain, Long (Stepper Drive)
Not Shown 369818 Drive Chain, Short(Stepper Drive)

Impinger I -–1000 Series Service Manual - Domestic 89
BLOW UP / SERIES 1200 – CONVEYOR
Impinger I -–1000 Series Service Manual - Domestic90
This page intentionally left blank.
Impinger I -–1000 Series Service Manual - Domestic 91
This page intentionally left blank.

Impinger I -–1000 Series Service Manual - Domestic92