Lincoln Impinger Conveyor Ovens 1100 Series Users Manual II Service International.pmd
1100 Series to the manual e60f4ac5-d27f-4504-bbc4-e3a1f0a8fba5
2015-01-23
: Lincoln Lincoln-Impinger-Conveyor-Ovens-1100-Series-Users-Manual-269403 lincoln-impinger-conveyor-ovens-1100-series-users-manual-269403 lincoln pdf
Open the PDF directly: View PDF
.
Page Count: 92

SERVICE MANUAL
(INTERNATIONAL)
IMPINGER CONVEYOR OVENS
MODEL 1100 SERIES
1100exportsvc REV: 12/8/05
Lincoln Foodservice Products, Inc.
1111 North Hadley Road
Fort Wayne, Indiana USA 46804
United States of America
Phone: (800) 374-3004 • Fax: (260) 436-0735
Technical Service Hot Line
(800) 678-9511
www.lincolnfp.com
TABLE OF CONTENTS
SEQUENCE OFOPERATIONS 1104 THRU 1106...................................................... 3-4
SEQUENCE OF OPERATIONS 1134, 1135, 1136, 1150........................................... 5-6
SEQUENCE OF OPERATIONS 1151....................................................................... 7-8
SEQUENCE OF OPERATIONS 1152 THRU 1158.................................................... 9-11
SCHEMATIC 1104, 1105......................................................................................... 12
SCHEMATIC 1106 ................................................................................................. 13
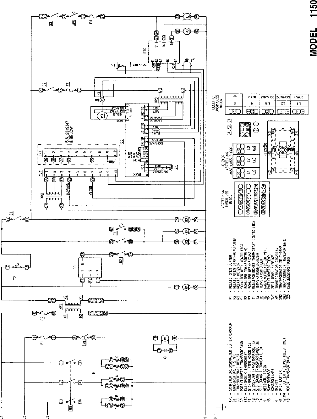
SCHEMATIC 1134, 1135, 1150 S/N 2011383 & BELOW.......................................... 14
SCHEMATIC 1134, 1135, S/N 2011383 & ABOVE................................................... 15
SCHEMATIC 1150 S/N 2011373 & ABOVE.............................................................. 16
SCHEMATIC 1136, S/N 2011383 & ABOVE............................................................. 17
SCHEMATIC 1136, S/N 20211383 & ABOVE........................................................... 18
SCHEMATIC 1151, S/N 2011383 & BELOW............................................................ 19
SCHEMATIC 1151, S/N 2011373 & ABOVE............................................................ 20
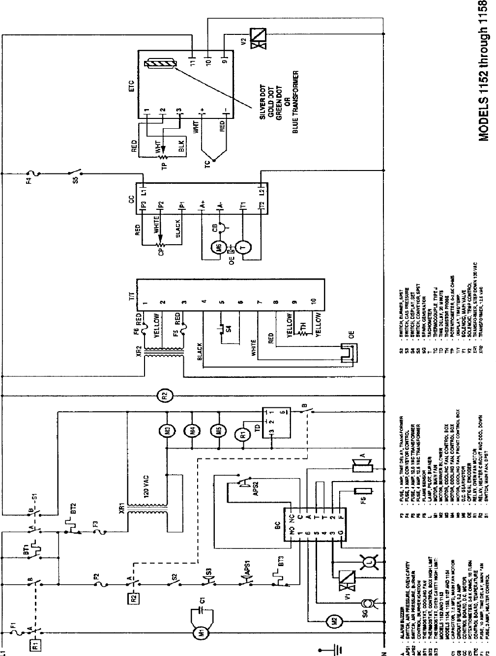
SCHEMATIC 1152 THRU 1158, S/N 2011383 & BELOW......................................... 21
SCHEMATIC 1152 THRU 1158, S/N 2011383 & ABOVE.......................................... 22
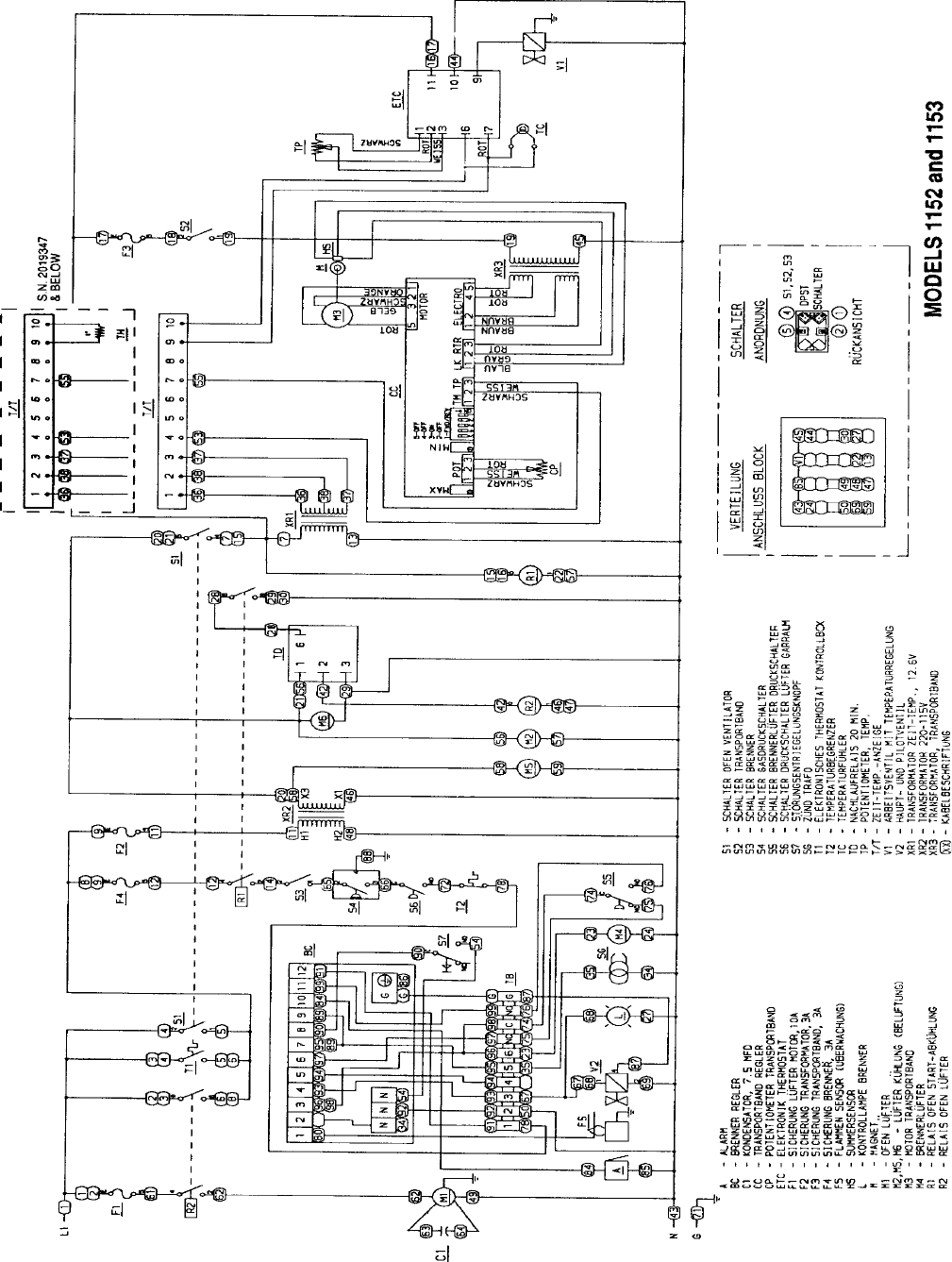
SCHEMATIC 1152 & 1153 S/N 2011821 & ABOVE.................................................. 23
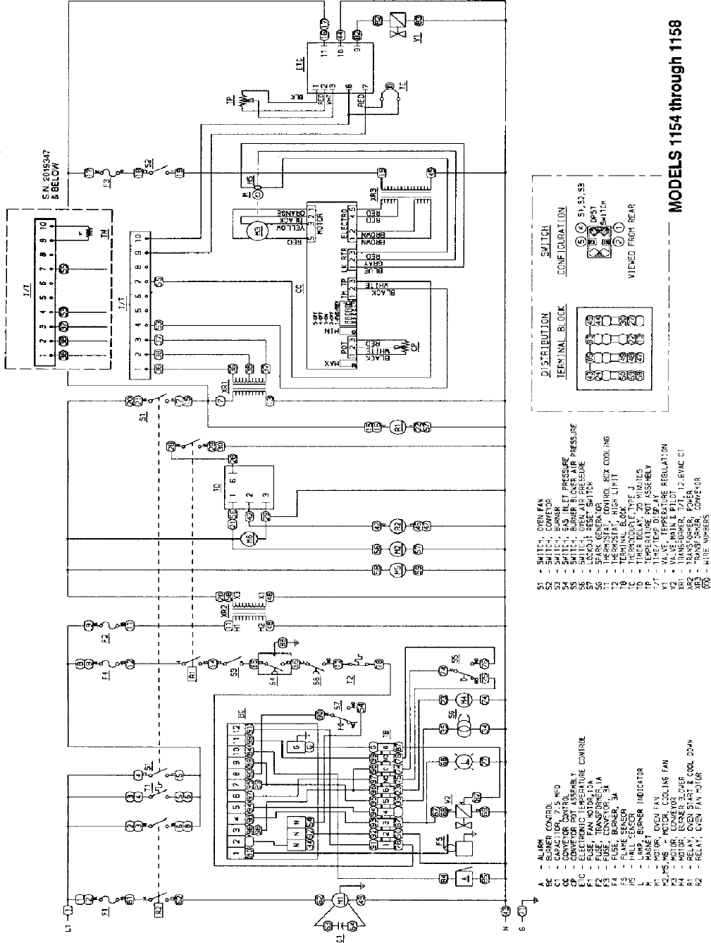
SCHEMATIC 1154 THRU 1158, S/N 2011821 & ABOVE.......................................... 24
TROUBLE SHOOTING GUIDE, GAS OVENS 1152 THRU 1158.............................. 25-33
TROUBLE SHOOTING GUIDE, ELECTRIC OVENS 1104, 1105, 1106..................... 34-36
TROUBLE SHOOTING GUIDE, ELECTRIC OVENS 1134, 1135, 1136, 1150........... 37-40
TROUBLE SHOOTING GUIDE, ELECTRIC OVEN 1151......................................... 41-46
REMOVAL, INSTALLATION, AND ADJUSTMENTS................................................. 47-69
GENERAL, PARTS BREAKDOWN.......................................................................... 70
GENERAL, PARTS BLOW UP................................................................................. 71
CONTROL COMPARTMENT FRONT, PARTS BREAKDOWN.................................. 72
CONTROL COMPARTMENT FRONT, BLOW UP..................................................... 73
CONTROL COMPARTMENT FRONT, 1152 THRU 1158 PARTS BREAKDOWN....... 74
CONTROL COMPARTMENT FRONT, 1152 THRU 1158 BLOW UP......................... 75
CONTROL COMPARTMENT REAR, S/N 2011383 & BELOW PARTS..................... 76
CONTROL COMPARTMENT REAR, S/N 2011383 & BELOW BLOW UP................. 77
CONTROL COMPARTMENT REAR, S/N 2011383 & ABOVE PARTS...................... 78
CONTROL COMPARTMENT REAR, S/N 2011383 & ABOVE BLOW UP................. 79
CONTROL COMPARTMENT REAR, 1152 THRU 1158, S/N 2011821 & BELOW
PARTS BREAKDOWN................................................................................ 80
CONTROL COMPARTMENT REAR, 1152 THRU 1158, S/N2011821 & BELOW
BLOW UP...................................................................................................... 81
CONTROL COMPARTMENT REAR, 1152 THRU 1158, S/N 2011821 & ABOVE
PARTS BREAKDOWN................................................................................. 82
CONTROL COMPARTMENT REAR, 1152 THRU 1158, S/N2011821 & ABOVE
BLOW UP...................................................................................................... 83
OVEN BACK ASSEMBLY PARTS BREAKDOWN.................................................... 84
OVEN BACK ASSEMBLY BLOW UP...................................................................... 85
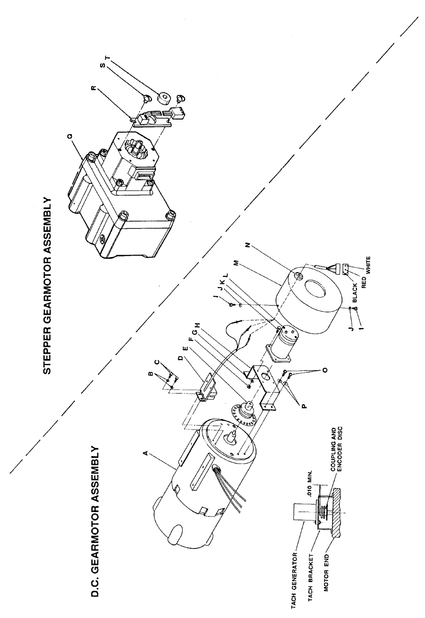
GEARMOTOR ASSEMBLY PARTS BREAKDOWN................................................. 86
GEARMOTOR ASSEMBLY BLOW UP.................................................................... 87
CONVEYOR / DOOR PARTS BREAKDOWN......................................................... 88
CONVEYOR / DOOR BLOW UP.............................................................................. 89
Impinger II - 1100 Series Service Manual - International2
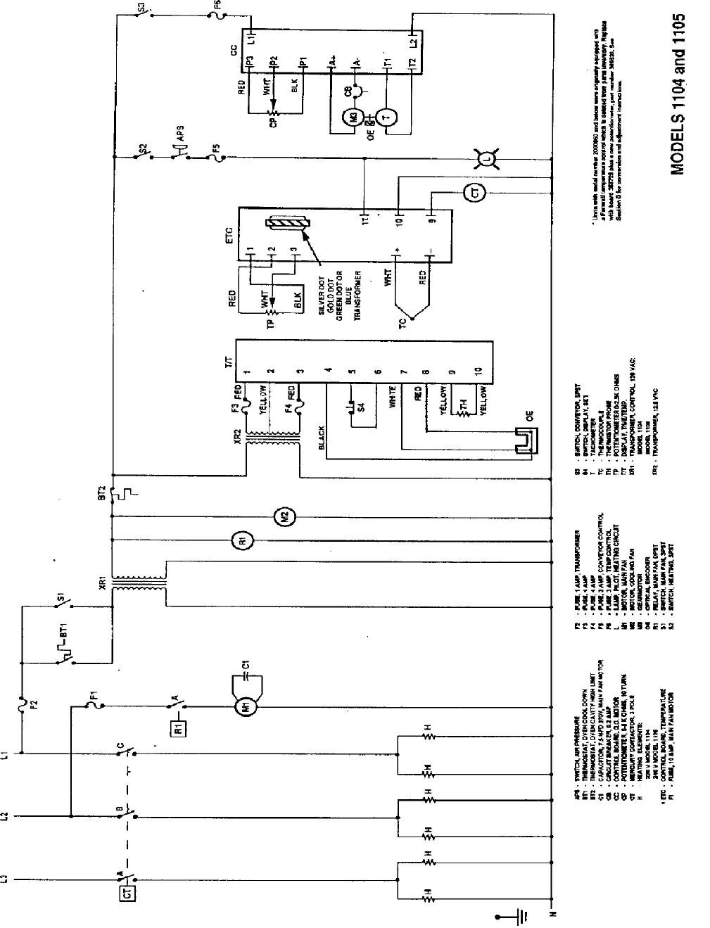
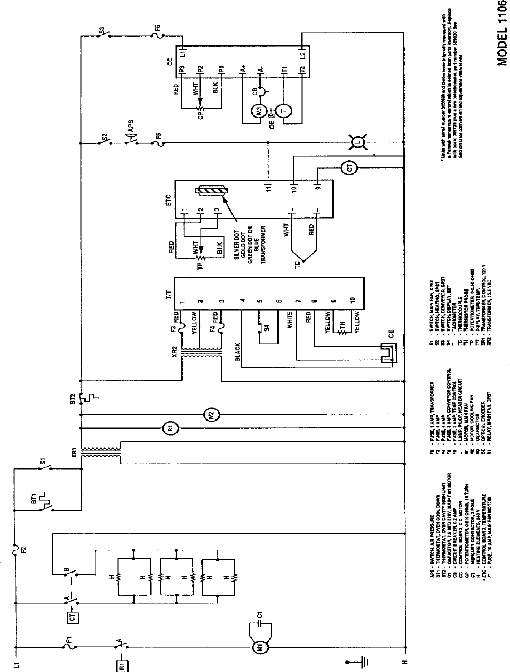
SEQUENCE OF OPERATIONS 1104 thru 1106
MODEL 1104 ELECTRIC 380/220 VAC 50 HZ 3 PHASE
MODEL 1105 ELECTRIC 415/240 VAC 50 HZ 3 PHASE
MODEL 1106 ELECTRIC 240 VAC 50 HZ 1 PHASE
POWER SUPPLY Electrical power to be supplied to the oven by a five conductor service on
Models 1104 and 1105 and a three conductor service on the 1106.
MAIN FAN CIRCUIT Power is permanently supplied (through a 10A fuse) to the normally open
contact of the main fan relay, the normally open cool-down thermostat and
to the normally open main fan switch. Closing the main fan switch supplies
line voltage to the primary of the power transformer (The transformer steps
the voltage down to 120 VAC for the control circuit). 120 VAC is supplied
to the coil of the main fan relay, its normally open contacts now close,
energizing the main fan motor. Closing the main fan switch also supplies
120 VAC to the cooling fan and, through a normally closed hi-limit thermo-
stat, the time/temp display, heat and conveyor switches.
HEATER CIRCUIT Closing the Heater Switch provides power through the normally open Air
Pressure Switch through the 3 Amp Fuse, to the Temperature Control
Board and to the Heater Lamp.
TEMPERATURE CONTROL Closing the Heat Switch supplies 120 VAC to the Electronic Temperature
Control. The 2.5K ohm Potentiometer is adjusted to achieve the desired
temperature. The Thermocouple will provide varying millivolts to the
Temperature Control. The temperature control board then supplies 120
VAC to the coil of the Contactor at intermittent intervals to maintain the
desired temperature.
NOTE: Units with Serial Number prior to 2000782 were equipped with a
Fenwall Temperature Control and used a Temperature Control Potentiom-
eter rated at 5K ohms.
CONVEYOR DRIVE Closing the Conveyor Switch supplies 120 VAC to the DC Motor Control
Board at terminals L1 and L2. A.C.volts are converted to DC volts and are
supplied to the Conveyor Motor at terminals A+ and A-. Adjustment of the
Speed Control Potentiometer (5,000 ohm, 10 turn) will change resistance
at terminals P1, P2, and P3 varying the DC voltage to the Conveyor Motor.
The speed of the conveyor motor will increase or decrease as the DC
voltage from the board increases or decreases respectively. As the motor
turns, it drives both the reducer gear box and the tach. generator. The
tach. generator is a DC voltage generator which supplies a voltage to the
DC Motor Control Board and is used as a reference for maintaining
a constant conveyor speed.
TIME/TEMP DISPLAY The secondary output of the Transformer, is supplied to terminals 1, 2,
and 3 of the Time/Temp. Display. The secondary output of the Transformer
is nominally 12. to 15 VAC with a center tap. The voltage from center
tap to each leg is 1/2 the secondary voltage
The speed side of the Time/Temp. Display uses a slotted disc (cemented
to tach. coupling) to break the infra-red light beam of the optical encoder
(mounted on gear motor) producing electrical pulses that are transmitted
to the display. The display converts these pulses into a read-out of min
The temperature portion of the Time/Temp Display uses a Thermistor
Impinger II - 1100 Series Service Manual - International 3
The temperature portion of the Time/Temp Display uses a Thermistor
Probe to sense oven temperature. The thermistor outputs a resistance
proportional to the oven temperature. This resistance is then converted by
the display into a temperature reading.
AUTOMATIC COOL DOWN When the oven reaches operating temperature the normally open Oven
Cool Down Thermostat closes. After the oven is switched OFF, the Ther
mostat bypasses the Fan Switch, keeping the Cooling Fan and Main Fan
in operation until the oven cools down to approximately 200°F (93.3°C).
Impinger II - 1100 Series Service Manual - International4
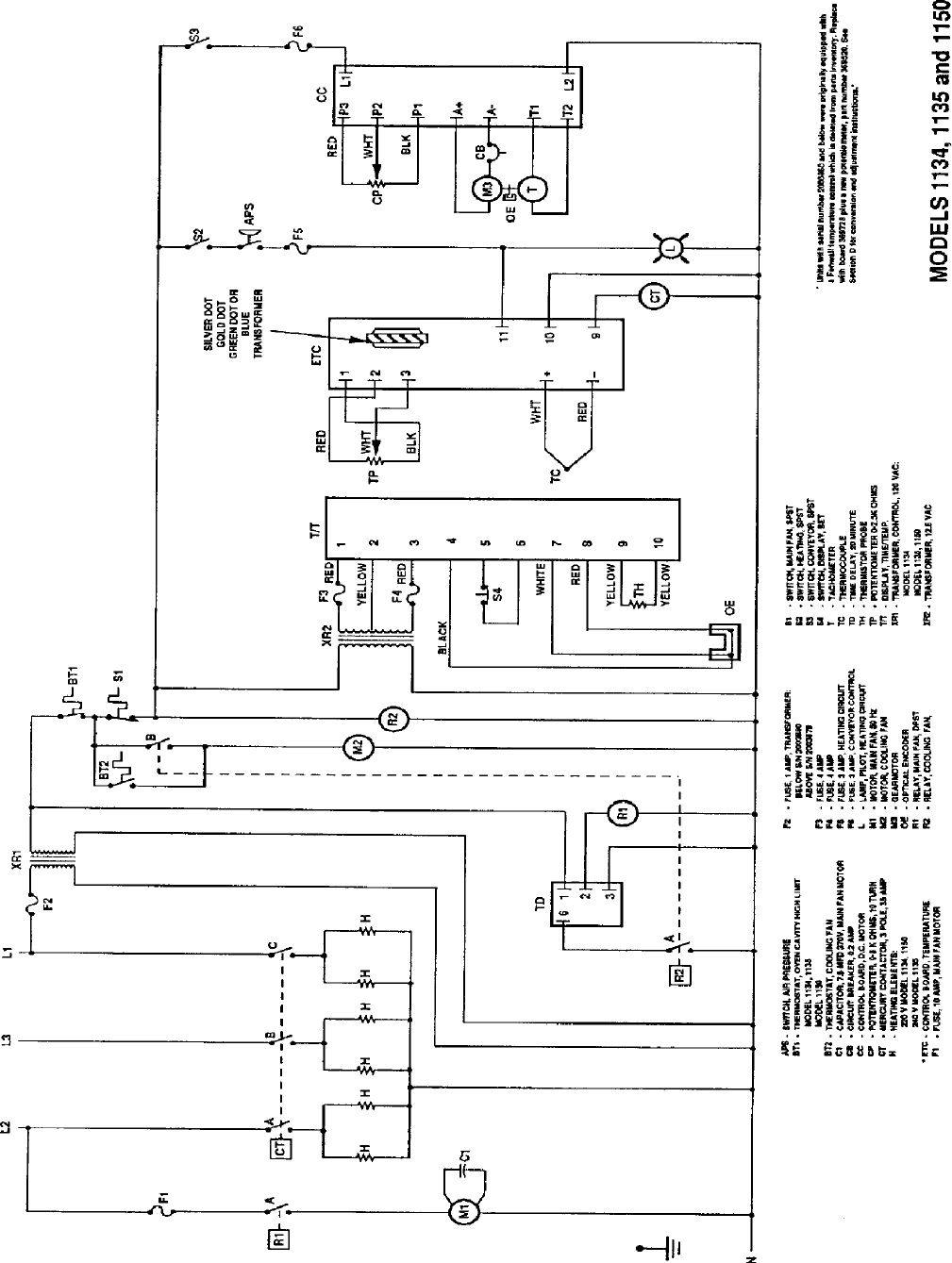
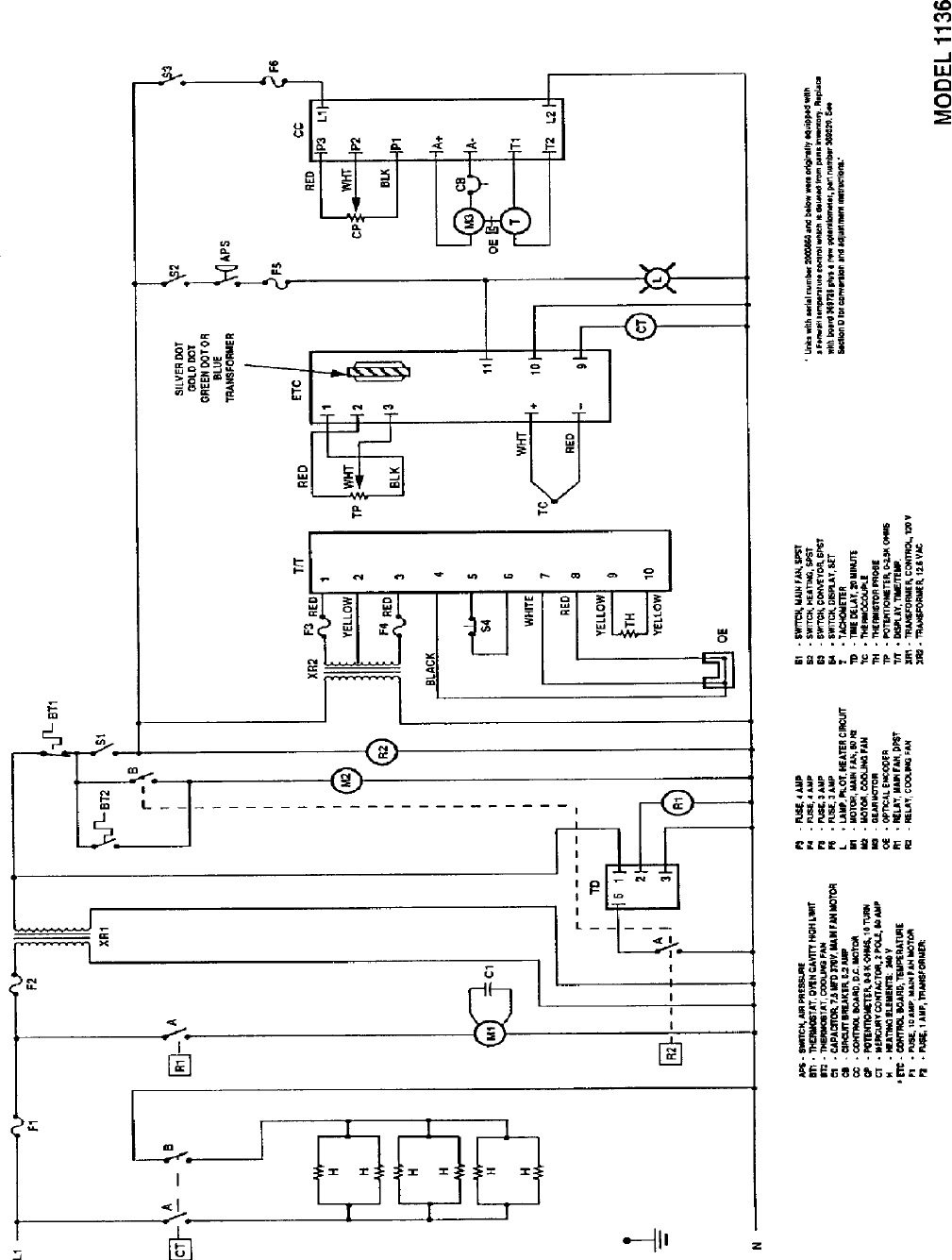
SEQUENCE OF OPERATION 1134 - 1135 - 1136 - 1150
MODEL 1134 ELECTRIC 220/380 VAC 50 HZ 3 PHASE
MODEL 1135 ELECTRIC 240/415 VAC 50 HZ 3 PHASE
MODEL 1136 ELECTRIC 240 VAC 50 HZ 1 PHASE
MODEL 1150 ELECTRIC 220/380 VAC 50 HZ 3 PHASE
POWER SUPPLY Electrical power to be supplied to the oven by a three conductor service on
single phase and a five conductor service on three phase.
CONTROL BOX AUTO When the temperature in the control box reaches
COOL DOWN 120°F ± 3°F (48.9°C ± 1.7°C), the Cooling Fan Thermostat closes,
switching power to the Cooling Fans. The thermostat will open at 100°F ±
3°F (37.8°C ± 1.7°C) interrupting power to the Cooling Fans.
MAIN FAN CIRCUIT Power is supplied by Line 1 on Model 1136 and L2 on 1134, 1135, and
1150 to the normally open main fan relay. Power is also supplied from Line
1, through the 1 Amp Fuse to the primary of the Step Down Transformer.
120 V AC is continuously supplied from Transformer secondary to terminal
number 1 of the 20 Minute Timer and through the High Limit Thermostat
(normally closed) to the Main Fan Switch. Closing the Fan Switch ener-
gizes the coil of the oven start relay, its contacts close enabling the 20
minute time delay module. The 20 minute time delay module supplies 120
VAC to the oven fan relay, this normally open contact now closes supply-
ing line voltage to the main fan motor. The cooling fans and the time/temp
display transformer are also energized.
HEATING CIRCUIT Closing the Heat Switch supplies 120 volts AC through the normally open
Air Pressure Switch (closed by air pressure from the Main Fan), the 3
Amp Fuse, to terminal L1 of the Temperature Control Board, and the Heat
Indicator Light.
TEMPERATURE CONTROL Closing the Heat Switch supplies 120 VAC to the Electronic Temperature
Control. The 2.5K ohm Potentiometer is adjusted to achieve the desired
temperature. The Thermocouple will provide varying millivolts to the
Temperature Control. The temperature control board then supplies 120
VAC to the coil of the Contactor at intermittent intervals to maintain the
desired temperature.
CONVEYOR DRIVE Closing the Conveyor Switch supplies 120 VAC to the DC Motor Control
Board at terminals L1 and L2. AC volts are converted to DC volts and are
supplied to the Conveyor Motor at terminals A+ and A-. Adjustment
S/N 2011383 and above of the Speed Control Potentiometer (5,000 ohm, 10 turn)
REFER TO PAGE B15 will change resistance at terminals P1, P2, and P3varying the DC voltage
to the Conveyor Motor. The speed of the conveyor motor will increase or
decrease as the DC voltage from the board increases or decreases
respectively. As the motor turns, it drives both the reducergear box and
the Tach. Generator. The tach. generatoris a DC voltage generator which
supplies a voltage to the DC Motor Control Board and is used as a
reference for maintaining a constant conveyor speed.
TIME/TEMP DISPLAY The secondary output of the Display Transformer, is supplied to terminals
1, 2, and 3 of the Time/Temp. Display.The secondary output of the Trans-
former is nominally 12.5 to 15 VAC with a center tap. The voltage from
center tap to each leg is 1/2 the secondary voltage.
The speed side of the Time/Temp. Display uses a slotted disc
Impinger II - 1100 Series Service Manual - International 5
S/N 2011383 and above (cemented to tach. coupling) to break the infra-red light beam
REFER TO PAGE B15 of the optical encoder(mounted on gear motor), producingelectri
cal pulses that are transmitted to the display. The display con
verts these pulses into a read-out of minutes and seconds.
The temperature portion of the Time/Temp Display uses a Ther
mistor Probe to sense oven temperature. The thermistor outputs
a resistance proportional to the oven temperature. This resis
tance is then converted by the display into a temperature reading.
AUTOMATIC COOL DOWN When this oven is started, the time delay relay timing circuit is
enabled, permitting the oven fans to run for approximately 20
minutes after the oven is shut off, to cool the oven. The Time
Delay Relay will keep the coil of Relay closed, maintaining opera
tion of the Main Fan Motor and the cooling fans
Impinger II - 1100 Series Service Manual - International6
SEQUENCE OF OPERATIONS - 1151
MODEL 1151 ELECTRIC 200 VAC 60 HZ 3 PHASE
POWER SUPPLY Electrical power to be supplied to the oven by a four conductor service.
CONTROL BOX AUTO When the temperature in the control box reaches
COOL DOWN 120°F ± 3°F (48.9°C ± 1.7°C), the Cooling Fan
Thermostat closes, switching power to the Cooling Fans. The thermostat
will open at 100°F ± 3°F(37.8°C ± 1.7°C) interrupting power to Cooling
Fans.
MAIN FAN CIRCUIT Power is permanently supplied through a 1A fuse to the primary of the
step-down transformer. The transformer steps the voltage down to 120
VAC for the control circuit. 120 VAC is supplied to terminal #1 of the 20
minute time delay relay, through the normally closed hi-limit thermostat, to
a normally open contact of the oven start relay, the cooling fan thermostat
and to the normally open main fan switch.
Closing the fan switch energizes the oven start relay. These normally open
contacts now close enabling the 20 minute timer delay. The 20 minute
time delay relay supplies 120 VAC to the coil of the oven fan relay, these
normally open contacts now close supplying 200 VAC to the main fan
motor. The cooling fans, time/temp display, conveyor switch and heat
switch are also energized.
HEATER CIRCUIT Closing the Heater Switch supplies 120 VAC through the normally open
Air Pressure Switch (which was closed by Main Fan Air Pressure), through
the 3 Amp Fuse, to the Temperature Control Board and to the Heater
Lamp.
TEMPERATURE CONTROL Closing the Heat Switch supplies 120 VAC to the Electronic Temperature
Control. The 2.5K ohm Potentiometer is adjusted to achieve the desired
temperature. The Thermocouple will provide varying millivolts to the
Temperature Control. The temperature control board then supplies 120
VAC to the coil of the Contactor at intermittent intervals to maintain the
desired temperature.
CONVEYOR DRIVE Closing the Conveyor Switch supplies 120 VAC to the DC Motor Control
Board at terminals L1 and L2. AC volts are converted to DC volts and are
supplied to the Conveyor Motor at terminals A+ and A-. Adjustment
S/N 2011383 and above of the Speed Control Potentiometer (5,000 ohm, 10 turn)
REFER TO PAGE B15 will change resistance at terminals P1, P2, and P3
varying the DC voltage to the Conveyor Motor. Thespeed of the conveyor
motor will increase or decrease as the DC voltage from the board in-
creases or decreases respectively. As the motor turns, it drives both the
reducergear box and the Tach. Generator. The tach. generatoris a DC
voltage generator which supplies a voltage to the DC Motor Control Board
and is used as a reference formaintaining a constant conveyor speed.
TIME/TEMP DISPLAY The secondary output of the Display Transformer, is supplied to terminals
1, 2, and 3 of the Time/Temp. Display. The secondary output of Trans-
former is nominally 12.5 to 15 VAC with a center tap. The voltage from
center tap to each leg is 1/2 the secondary voltage.
Impinger II - 1100 Series Service Manual - International 7
The speed side of the Time/Temp. Display uses a slotted disc
(cemented to tach. coupling) to break the infra-red light beam
2011383 and above of the optical encoder(mounted on gear motor),
Refer to Page B15 producing electrical pulses that are transmitted to the display. The display
converts these pulses into a read-out of minutes and seconds. The
temperature portion of the Time/Temp Display uses a Thermistor Probe to
sense oven temperature. The thermistor outputs a resistance proportional
to the oven temperature. This resistance is then converted by the display
into a temperature reading.
AUTOMATIC COOL DOWN When this oven is started, the time delay relay timing circuit is enabled,
permitting the oven fans to run for approximately 20 minutes after the oven
is shut off, to cool the oven. The Time Delay Relay will keep the coil of
Relay closed maintaining operation of the Main Fan Motor and cooling
fans.
Impinger II - 1100 Series Service Manual - International8

SEQUENCE OF OPERATIONS 1152 thru 1158
MODEL 1152 NAT.GAS 220 VAC 50 HZ 1 PHASE
MODEL 1153 L.P. GAS 220 VAC 50 HZ 1 PHASE
MODEL 1154 NAT. GAS 240 VAC 50 HZ 1 PHASE
MODEL 1155 L.P. GAS 240 VAC 50 HZ 1 PHASE
MODEL 1156 TOWN.GAS 220/240 VAC 50 HZ 1 PHASE
MODEL 1157 NAT. GAS 220/240 VAC 50 HZ 1 PHASE
MODEL 1158 L.P. GAS 220/240 VAC 50 HZ 1 PHASE
POWER SUPPLY Electrical power to be supplied to the oven by a three conductor service.
CONTROL BOX AUTO COOL DOWN When the temperature in the Control Box reaches
120°F ± 3°F (48.9°C ± 1.7°C), the Cooling Fan Thermostat will switch
power to the Control Box Cooling Fans. The Thermostat will interrupt
power to the Cooling Fans when ‘the control box temperature falls to
100°F ± 3°F (37.8°C ± 1.7°C).
MAIN FAN CIRCUIT Power is permanently supplied to the normally open contacts of the oven
fan relay, the normally open cooling fan thermostat, and to the normally
open oven fan switch. Closing the fan switch supplies line voltage,
through a 1A fuse, to the primary of the power transformer (the trans-
former steps the voltage down to 120 VAC for the control circuit.) 120
VAC is supplied to the cooling fans, terminal #1 of the time delay relay and
to the coil of the oven start relay. These normally open contacts close
enabling the 20 minute time delay relay. The 20 minute time delay relay
supplies 120 VAC to the oven fan relay, its normally open contacts now
close, supplying line voltage to the main fan motor.
BURNER CIRCUIT Closing the Fan Switch supplies line voltage through the 3 amp fuse, and
oven start relay (closed by activating the Relay in the main fan circuit).
Closing the Burner Switch allows voltage to be supplied through the
normally open gas pressure switch(located in gas valve and closed
when proper gas pressure is present), through the normally open Air
Pressure Switch (closed by air pressure from main fan), through the
normally closed oven cavity high limit thermostat (opens at 662°F (350°C)
which is manually resetting after a 18°F(10°C) drop), and to the ignition
control.
IGNITION CONTROL The Ignition Control switches (220 or 240 VAC) to the combustion Blower
Motor, the normally open combustion Air Switch closes upon sensing air
pressure in the burner housing. After a pre-purge period of between 30
and 60 seconds, the Spark Generator is energized, the Main Gas Valve
Solenoid Valve and Burner Pilot Light are energized, and ignition should
now occur.
When the burner ignition occurs, the Flame Sensor must provide micro
amps (normally 2-4 ) to the Ignition Control within 1 second or the burner
system will shut down and the buzzer alarm will sound. To recycle the
burner, switch off the burner switch (this will disable the buzzer), wait 30
seconds, push IN the reset button for the ignition control, and turn on the
Burner Switch. The burner sequence of events should now reoccur.
TEMPERATURE CONTROL Closing the Fan Switch supplies 120 VAC to the Electronic Temperature
Control. The 2.5K ohm Temperature Potentiometer is
Impinger II - 1100 Series Service Manual - International 9
adjusted to desired temperature. The Thermocouple will provide varying
millivolts to the Electronic Temperature Controller. The electronic tempera-
ture controller supplies 120 VAC to the Solenoid Valve at intermittent
intervals to maintain desired temperature.
CONVEYOR DRIVE Closing the Conveyor Switch supplies 120 VAC to the
D.C. Motor Control Board at terminals L1 and L2. AC volts are converted
to DC volts and are supplied to the Conveyor Motor at terminals A+ and A-
. Adjustment of the Speed Control
S/N 2011821 and above Potentiometer (5,000 ohm, 10 turn) will change resistance at Refer to
Page B15 terminals P1, P2, and P3 varying the DC voltage to the Conveyor Motor.
The speed of the conveyor motor will increase or decreaseas the
DC voltage from the board increases or decreases respectively. As the
motor turns, it drives both the reducer gear box and the Tach. Generator.
The tach. generator is a DC voltage generator which supplies a voltage to
the DC Motor Control Board and is used as a reference for maintaining a
constant conveyor speed.
TIME/TEMP DISPLAY The secondary output of the Display Transformer, is supplied to terminals
1, 2, and 3 of the Time/Temp. Display. The secondary output of Trans-
former is nominally 12.5 to 15 VAC with a center tap. The voltage from
center tap to each leg is 1/2 the secondary voltage.
S/N 2011821 and above
Refer to Page B15 The speed side of the Time/Temp. Display uses a slotted disc (cemented
to tach. coupling) to break the infra-red light beam of the optical encoder
(mounted on gear motor), producing electrical pulses that are transmitted
to the display. The display converts these pulses into a read-out of
minutes and seconds.
The temperature portion of the Time/Temp Display uses a Thermistor
Probe to sense oven temperature. The thermistor outputs a resistance
proportional to the oven temperature. This resistance is then converted by
the display into a temperature reading.
AUTOMATIC COOL DOWN When this oven is started, the time delay relay timing circuit is enabled,
permitting the oven fan to run for approximately 20 minutes after the oven
is shut off, to cool the oven. The Time Delay Relay will keep the coil of
Main Fan Relay closed, maintaining operation of the Main Fan Motor and
cooling fans.
CONVEYOR DRIVE Closing the Conveyor Switch supplies 120 VAC, through a 3 Amp Fuse,
to the primary of the Conveyor Control Transformer. The secondary of this
Transformer supplies 10 VAC and 29 VAC to the Conveyor Control. The
Conveyor Control supplies voltage pulses to the Conveyor Motor. The
Conveyor Control Potentiometer varies the frequency of these pulses. The
motor speed will increase or decrease, as the frequency of the pulses
increase or decrease respectively.
TIME/TEMP DISPLAY Closing the Main Fan Switch supplies 120 VAC to the primary
(STEPPER MOTOR DRIVE) of the Time/Temp Transformer. The secondary output of the Trans
former, 12.5 to 15 VAC with a center tap, is supplied to terminals 1, 2,
and 3 of the Time/Temp Display. The Display works on a balanced input,
and center tap voltage to each leg must be 1/2 the total reading.
The speed side of the Time/Temp Display is supplied by the Conveyor
Control, with the frequency of the pulses to the Conveyor Motor. This
frequency is converted by the Time/Temp Display into a read out of
minutes and seconds.
Impinger II - 1100 Series Service Manual - International10
NOTE: The Conveyor Control uses a sensor and magnet, mounted on the
Conveyor Motor that senses when the motor is not turning. If the motor is
not turning, the Time/Temp Display will show “—:— “ in the window.
The temperature portion of the display uses a Thermistor Probe to sense
oven temperature. The Thermistor outputs a resistance proportional to
oven temperature. This resistance is then converted by the Display into a
temperature reading.
OR:
The temperature potion of the display uses a “J” type thermocouple to
measure oven temperature. The thermocouple generates D.C. millivolts
proportional to oven temperature. This millivolt reading is then converted
by the display into a temperature reading.
Impinger II - 1100 Series Service Manual - International 11

SCHEMATIC 1104-1105
Impinger II - 1100 Series Service Manual - International12

SCHEMATIC 1106
Impinger II - 1100 Series Service Manual - International 13

SCHEMATIC 1134, 1135, 1150, S/N 2011383 AND BELOW
Impinger II - 1100 Series Service Manual - International
14

SCHEMATIC 1134, 1135 S/N 2011383 AND ABOVE
Impinger II - 1100 Series Service Manual - International 15

SCHEMATIC 1150 S/N 2011383 AND ABOVE
Impinger II - 1100 Series Service Manual - International
16

SCHEMATIC 1136, S/N 2011383 AND BELOW
Impinger II - 1100 Series Service Manual - International 17

SCHEMATIC 1136, S/N 2011383 AND ABOVE
Impinger II - 1100 Series Service Manual - International
18

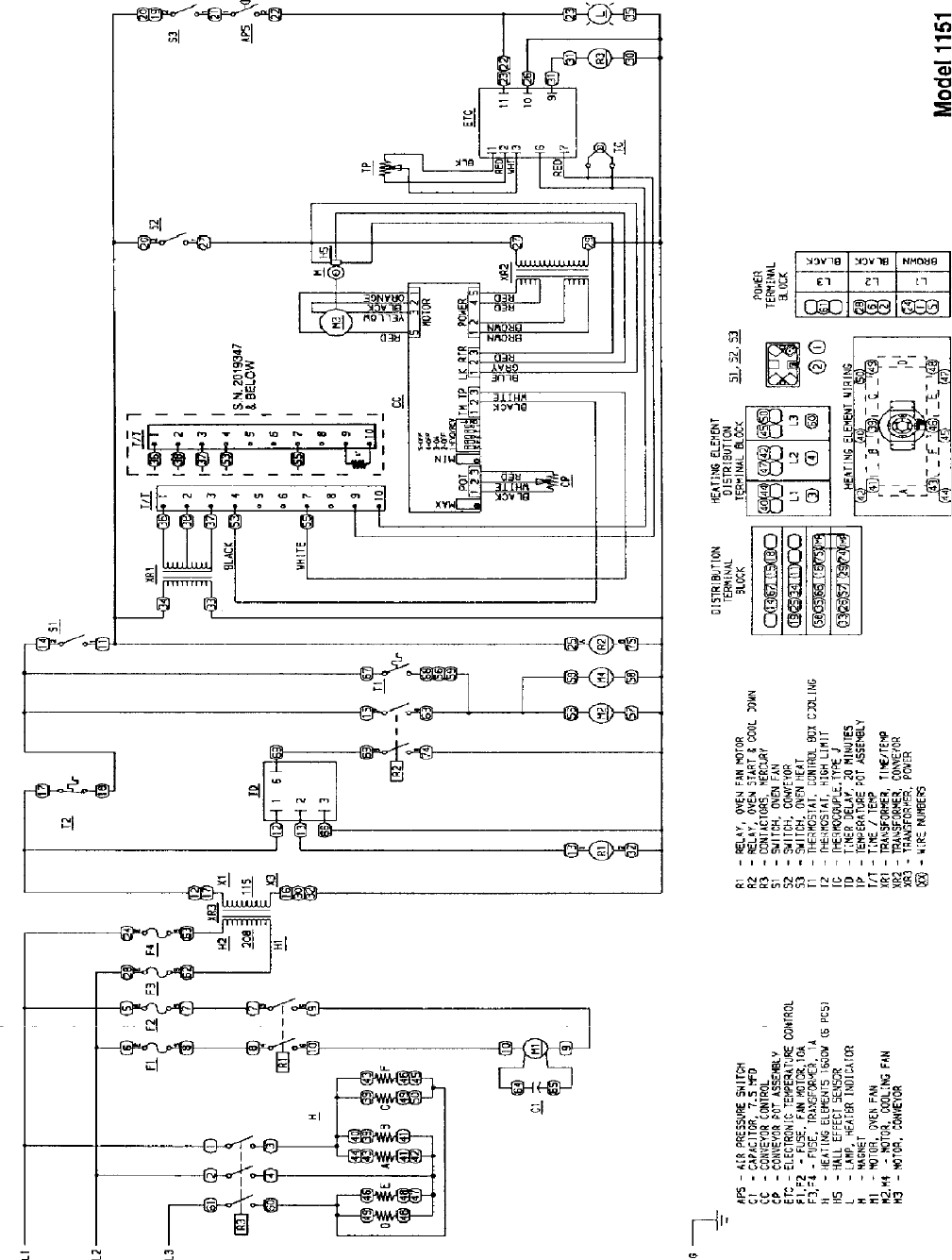
SCHEMATIC 1151 S/N 2011383 AND BELOW
Impinger II - 1100 Series Service Manual - International 19

SCHEMATIC 1151 S/N 2011383 AND ABOVE
Impinger II - 1100 Series Service Manual - International
20

SCHEMATIC1152 THRU 1158 S/N 2011383 AND BELOW
Impinger II - 1100 Series Service Manual - International 21

SCHEMATIC1152 THRU 1158 S/N 2011383 AND ABOVE
Impinger II - 1100 Series Service Manual - International
22

SCHEMATIC1152 AND 1153 S/N 2011821 AND ABOVE
Impinger II - 1100 Series Service Manual - International 23

SCHEMATIC 1154 THRU 1158 S/N 2011821 AND ABOVE
Impinger II - 1100 Series Service Manual - International
24
TROUBLE SHOOTING GUIDE
GAS OVENS
MODELS 1152 - 1153 - 1154 - 1155 - 1156 - 1157 - 1158
REFER TO PROPER SCHEMATIC FOR IDENTIFIED COMPONENTS
SYMPTOM POSSIBLE CAUSE EVALUATION
Oven fan will not run Incoming Power Supply Check circuit breakers, reset if
required, call power company if needed.
Main Fan Switch Check continuity between switch
terminals.
Control Box High Limit Terminals are normally closed, and
Thermostat open at 170°F ± 5F (76.6°C ± 2.8°C).
NOTE: Discontinued at Check for over heating and reset
S/N 2011821 thermostat. Test for proper
operation. If it will not reset and hold, re-
place thermostat.
Fuse, 1 Amp Check, replace if necessary.
Fuseholder Check, replace if necessary.
Transformer,Step Down 120 VAC ± 10% should be present at
secondary of transformer. If proper
voltage is not present, check
transformer primary for proper
input. Replace as needed.
Oven Start Relay Check for 120 VAC to relay coil. If
voltage is not present, trace wiring
back to power source. If voltage is
present, check to insure contact
is closing.
20 Minute Time Delay Check for 120 VAC at terminal #1 to
neutral on 20 minute Time Delay
Relay. If no voltage is present, trace
wiring back to power source.
If voltage is present at terminal #1,
check for 120 VAC at terminal #2 to
neutral. If no voltage is present, and
cool down relay contact is closed,
replace Time Delay Relay.
Main Fan Relay Check for 120 VAC to coil of the Relay
if no voltage is present, trace wiring
back to 20 minute Time Delay Relay.
If voltage is present, check to insure
contacts are closing.
Fuse, 10 Amp Check, replace if necessary.
Fuseholder Check, replace if necessary.
Motor Capacitor Check for opens, shorts, or grounds.
Main Fan Motor Check for supply voltage to main fan
motor. If voltage is not present, trace
wiring back to main fan relay. Check for
opens, shorts, or grounds.
WITH POWER OFF: turn fan blade to
check for locked rotor.
Impinger II - 1100 Series Service Manual - International 25
No main fan cool down 20 Minute Time Delay Check for 120 VAC at pin#2 and #3
Relay while main fan is running. Turn off
main fan switch and 120 VAC should
continue to be present for 20 minutes.
Main Fan Relay Check if relay is operating and
terminals are remaining closed for
main fan cool down of 20 minutes.
Main fan runs after NOTE: The time delay relay will
20 minute cool down keep the coil of the main fan relay
closed, maintaining main fan operation for
cool down for approximately 20 minutes.
Cool Down Relay Contacts of the relay should
open when main fan is switched off.
Time Delay 120 VAC at terminal 2 should
discontinue approximately 20 minutes after main
fan is switched off. If cool down relay is open and
voltage continues at terminal 2,
replace time delay.
Main Fan Relay When voltage at terminal 2 of time
delay ceases, main fan relay must open.
No control box cooling Incoming Power Check main circuit breakers, reset if
required, call power company if
needed.
Main Fan Switch Check continuity between switch
terminals.
Control Box High Limit Terminals are normally closed, and
Thermostat open at 170°F ± 5°F (76.6°C ± 2.8°C).
Note: Discontinued at Check for over heating and reset
S/N 2011821 thermostat. Test for proper operation.
If it will not reset and hold, replace.
Fuse, 1 Amp Check, replace if necessary.
Fuseholder Check, replace if necessary.
Step Down Transformer 120 VAC should be present on
secondary. Replace as needed.
Cooling Fans 120 VAC should now be at these fan
motors. If voltage is present, check
motors for shorts or opens.
WITH POWER OFF: Check for locked rotor.
No automatic control Incoming Power Supply Check circuit breakers, reset if
box cooling required, call power company if needed
Cooling Fan Thermostat Thermostat is normally
open and closes at 120°F ± 3 (48.9°C ± 1.7°),
and opens at 100°F ± 3°F
(37.8°C ± 1.7°C).
Control Box Hi Limit Terminals are normally closed, but
Discontinued at S/N open at 170°C ± 5°F (76.6°C ± 2.8°C).
2011821 Check for over heating and reset
thermostat. Test for proper operation.
If it will not reset and hold, then
replace.
Fuse, 1 Amp Check, replace if necessary.
Fuseholder Check, replace if necessary.
Step Down Transformer 120 VAC ± 10% should be present at
secondary of transformer. If proper
voltage is not present, check
transformer primary for proper
input. Replace as needed.
Impinger II - 1100 Series Service Manual - International26
Cooling Fans 120 VAC should now be at these fan
motors. If voltage is present,
check motors for shorts or opens.
WITH POWER OFF: Check for locked rotor.
Cooling fans continue Cooling Fan Thermostat Thermostat is normally open and may to run after
20 minute have closed if control box temperature cool down
is 120°F or above.
Oven will not heat Gas Supply Check for adequate gas supply and
manual gas shut off valve is open.
Also, check flexible gas line connection.
Main Fan If not operating, refer to “Oven Fan
Will Not Run” on Page C6.
Fuse 3 Amp Check, replace if necessary.
Fuseholder Check, replace if necessary.
Relay Oven Start Supply voltage should be present
across these terminals.
Burner Switch Check for supply voltage on both sides of
switch. If switch is closed and voltage
present on one side only, replace switch.
Gas Pressure Switch This switch is located inside the gas
valve and should close when gas
pressure is present.
WITH POWER OFF: remove 3 prong plug
(on gas valve) and measure continuity between
terminals 2 and 3.
NOTE: Remove insulation pad below plug to
read numbers. If no continuity, check the
following:
Proper gas pressure supply to gas valve as
marked on the oven specification plate.
Check for proper adjustment of gas
pressure switch 8.8 on dial for
natural gas, 23 for LP, and
4.5 for Town Gas.
Check gas filter in gas valve for
blockage or damage. (See Adjustment
section for location)
If above checks are okay, but pressure
switch is still not closed, replace gas
valve.
Air Pressure Check air switch terminals for supply voltage
Switch at NO 2 and COM. If voltage is present on one
side only, check for air tube blockage or
misalignment. If these are okay, adjust
switch or replace necessary.
(Oven Cavity) High Limit Terminals are normally closed, Thermostat
opens at 660°F (350°C). If
open, push in reset button and retest.
If thermostat will not hold for
maximum oven temperature, and oven
is not exceeding temperature dial
setting, check for proper location of
capillary bulb in its spring holder.
If above check okay, replace hi-limit
thermostat.
Ignition Control Check for proper supply voltage
to ignition control.
Impinger II - 1100 Series Service Manual - International 27
Check for proper line voltage to
the Burner Blower Motor. This
can be checked at motor connecting
plug terminal 2 and 5. If voltage is
present proceed with next step, if not,
wait 30 seconds, push reset button,
and try to restart. If this fails, check
wires from Thermostat and Burner
Blower Motor to the Ignition Control.
If all above fails and wires are okay,
replace ignition control.
Burner Blower Motor Check for supply voltage to motor.
WITH POWER OFF: turn blower wheel
to check for locked rotor.
If proper supply voltage is present at
motor connecting plug, terminal 2
and 5 and motor does not run, replace motor
Air Pressure Check for proper supply voltage
Switch switching from “N.C.” to “N.O.” as air
(Burner Blower) pressure switch closes.
If above fails, connect a temporary
jumper wire (FOR TESTING ONLY)
from terminal “C” to terminal “N.O.”
on ignition control (bypasses air
switch). NOTE: For Honeywell
control only.
Check for air switch adjustment,
air tube blockage, or misalignment,
and if these fail,replace air pressure switch
Spark Generator A pre-purge-time of 30 to 60 seconds
occurs after blower motor starts, check for supply
voltage atspark generator.
If voltage is not present, check reset
button for the Ignition Control.
If voltage is still not present, replace
ignition control.
If voltage is present, visually check
for spark at ignitor head located in
burner.
Ignitor/Sensor Assembly Check this assembly for visible
damage. If there is no damage, replace
the Spark Generator. If there is
damage, replace the Ignitor/Sensor
Assembly. Also check for frayed or
damaged wires in the burner tube.
Gas Valve Gas valve should open when
proper supply voltage is present.
If no voltage is present, check the
reset button on the ignition
control, and all connections for
tightness. If there is still no
voltage present at gas valve, replace ignition
control.If there is voltage present, check for
gas pressure at the gas pressure tap
located in the gas piping just prior to
the burner. If there is no gas pressure, replace
gas valve
Impinger II - 1100 Series Service Manual - International28
Flame will not stay on Flame Sensor To check for flame sensor operation,
connect a digital multimeter (capable
of measuring D.C. micro amps)
between the flame sensor wire and
terminal “F” on the Honeywell Ignition
Control or terminal 1 on Landis & Gyr
Ignition Control. Sensor current from
Honeywell is 2 to 4 D.C. micro amps.
Sensor current from Landis & Gyr is
3 micro amps minimum.
If these readings are not achieved
replace ignitor/sensor assembly.
Also check for any type of damage to
flame sensor wire and connections.
NOTE: The D.C. micro amp test
must be conducted with the oven in
low flame (bypass) operation.
Power Supply Turn the temperature control to
the lowest setting. If there is
sufficient micro-amp current, but
the flame will not stay lit, check
for proper polarity of the power supply
Ignition Control If there is sufficient flame sensor
current, but the burner will not
remain ignited, check the reset button
on ignition control. If all above are
okay, replace ignition control.
Pilot lamp is on, but Temperature Control Check for 120 VAC across terminals
no main flame 10 and 11 on temperature control
board. If no voltage is present, check
wiring back to the Main Fan Switch.
Turn the temperature adjustment
knob to the maximum temperature
position and check for 120 VAC at
the load terminal (number 9), and
neutral (number 10).
If 120 VAC is present and unit is not
heating, refer to “Solenoid Valve” for
next check. If 120 VAC is not present,
proceed with next step.
Thermocouple Probe With power on and thermocouple
leads attached to board, measure
the millivolt output of these leads.
Refer to the thermocouple chart in
Section D for proper readings.
Temperature Control WITH POWER OFF: Remove the
Potentiometer potentiometer leads from the temperature
control board and measure ohms from black
to whiteleads. The reading should be from
approximately 0 to 2.5K ohms as the dial of the
potentiometer is turned through its full rotation.
From black to red leads, the reading should be
approx.2.5K ohms and remain steady throughout
the full rotation of the potentiometer.
If the thermocouple probe and the
control potentiometer check good,
Impinger II - 1100 Series Service Manual - International 29
then the problem is usually with thetemperature
control board.
Temperature Control If 120 VAC is present on the
Valve temperature control board at load
terminal to neutral, check for voltageat Tempera
ture Control valve. If voltage is present, listen for
valve to open and close. Also check for
opens or shorts in the coil.
Replace if required.
Intermittent heating Thermal Overload Of Both the main fan motor and the
Main Fan and Burner burner blower motor are equipped
Blower Motors with internal thermal protection and
will cease to operate if overheatingoccurs. As the
motors overheat and then cool, this will cause the
unitsto cycle on and off intermittently.
This may be caused by improper ventilation or
preventativemaintenance. Also, most of the
problems listed under “Oven Will Not
Heat” can cause intermittent failure.
Conveyor will not run 3 Amp Fuse Check and replace if defective.
Fuseholder Check and replace if defective.
Fan Switch Check for continuity between switch
terminals.
S/N 2011821 & Above Conveyor Switch Check for continuity between switch
Refer to Page 45 terminals.
Speed Adjustment This is a 0 to 5 K ohm, 10 turn
Potentiometer. WITH POWER OFF: Remove the red, black
and white pot. leads from the motor control
board at terminalsP1, P2 and P3. With a
digital multimeter, check the ohm reading
across the red lead to the black lead. This
reading shouldbe 5 K ohms ± 5% as the pot is
rotated from low to high.Place the meter leads on
the redlead and on the white lead.Rotating the
pot. slowly, from low to high, the meter reading
should show an even transition from 0 to
5 K ohms ± 5%. There should be
no dead or open spots through out
the 10 turns of the pot.
Check all three leads to ground.
There should be no continuity to
ground. If any of the above checks
fail, replace the pot.
DC Motor Control Board Check for 120 VAC input to the
control board at terminals L1 and
L2. If not present, check the
conveyor switch and wiring back to the
3 amp fuse and then back to the power
source if necessary. If 120 VAC is
present at L1 and L2, check the VDC
output at terminals A+ and A-. If a
DC voltage is not present, check the
4 amp and the 1 amp fuses on the
Impinger II - 1100 Series Service Manual - International30
control board. If 120 VAC is present at terminals
L1 and L2, but DC Voltage is not present
at A+ and A-, providing the fuses are good,
replace the board. If DC voltage is present at A+
and A-, but motor does not run, check gear
motor as follows.
Conveyor Gear Motor If DC voltage is present at A+ and A-and the
motor does not run, first check the mini breaker
and then theconveyor. As described below under
conveyor.Check the leads to the motor for
evidence of any shorts or opens, and each lead
to ground. Check motor brushes. Replace
as needed. If themotor fails the above tests,
replace motor. Remove the dust cover from the
top of the motor and rotate motor shaft to deter
mine if there is a locked rotor or a locked
gear box (use care so encoder disc
is not damaged).
Conveyor Check for any mechanical mis- alignment or i
improper adjustment. Also check for worn
bearings. TheInstallation and Operations Manual
shows proper conveyor belt position. A conveyor
belt that is too tight will contribute to excessive
load, bearing wear, and wearing of slider bed
rods.
Conveyor speed varying Power Supply Check power supply at the DC
or intermittent control board for the 120 VAC ±
10% at board terminals L1 and L2.If voltage is
not present, trace wiring back to the power input,
chck the main circuit breakers and call
S/N2011821& above the power company if necessary.
Refer to page 45 Tach. generator and DC With the power to the DC motor
Motor Control Board control board turned off, remove
the leads from terminals T1 and T2.Place the
test leads of a digital test meter on the tach.
leads, turn power on, and the meter reading
should be approximately 20 to 25 VDC. This
reading is normally steady within ±
0.2 to 0.3 VDC.
If this reading is not within required VDC,
place the test meter probes on terminals A+
and A-. The meter reading should be ap
proximately 150 to 160 VDC and steady
within approximately 2 to 3 VDC. If the tach.
voltage is unsteady, and the board
output is steady, check the coupling for loose
set screws or any type of damage. If the
coupling checks good, the tach. is usually
bad. If the board voltage output is unsteady
beyond limits, then the board is probably
bad. Always check the speed pot. Be sure it
is okay before
Impinger II - 1100 Series Service Manual - International 31
changing a board or tach. This test is not always
100% accurate as this test is not performed at
operating speeds. However, this test is the best
method currently available. Readjustment should
always be attempted at least once before replace-
ment. See procedure for board adjustment in
Section D.
DC Gearmotor If the problem seems to be the motor or gearbox.
Check the brushes in the motor for excessive
arcing and/or unusual wear. Check the motor
and gearbox from instructions located under
“possible cause” listing “Conveyor gear motor”.
Time/Temp Display 12.6 VAC Power Measure the transformer primary
inoperative Supply for a nominal 120 VAC input.
If 120 VAC primary voltage is not available, refer
to the schematic and trace the circuit for incomi
ng power failure
S/N 2011821 & Above Measure the secondary voltage
Refer to Page 45 output which will be 12.5 to 15
VAC normally. Recheck secondary
output at rear of Time/Temp
Display. Terminals 1 to 3 should
read 12.5 to 15 VAC. Terminals
1 to 2 and 2 to 3 should be
1/2 of the reading across 1 to 3.
If you do not get the above
secondary readings, replace the
transformer. The older units have a 4 amp
ambient fuse in each red secondary lead.
These may be jumpered to determine if they
are burnt out or intermittent.
Temp Display out or NOTE: Time/Temp displays Insert the thermocouple of your
erratic uses two types of temperature pyrometer into a finger hole in the top
sensor, Thermistor Probe - center of the oven. The thermocouple
2 yellow wires, Thermo- tip should measure air temperature
couple Probe - 1 red wire and must not be touching metal.
and 1 white wire Disconnect the yellow tipped thermistor
leads from the time/temp. terminals 9 &10
Thermistor Probe Measure the resistance of the thermistor
probe See the chart in Section D for proper
resistance readings. Inspect the thermistor
bulb for itsproper location in its spring
holder.Check for short in leads where they
enter the sensor bulb. Also check each
thermistor lead for short toground.
Thermocouple Probe Connect temperature meter to
thermocouple at terminals 9 and 10 on back
of the time/temp display. (Be sure tomaintain
proper polarity on therocouple connections.)
Compare actual oventemperature with the
reading at the time/temp display. If the
temperature readings match, re-calibrate or
replace time/temp
Impinger II - 1100 Series Service Manual - International32
display. If the readings do not match, replace
thermocouple probe.
Power Supply If strange or unusual behavior is experienced
such as a rolling of numbers, or lock up at a
given number, first check for a display circuit lock
up. This can be caused by a voltage spike or
surge in the incoming power lines. To eliminate
this condition remove power from the time/temp.
display by shutting off the main fan
switch for 15 seconds, or if display stays on,
(older models) circuit breaker interruption may be
required. This should eliminate the problem. If
the problem continues, jumper the two fuses in
the red wires leading from the 12.6 VAC trans-
former to the display on older units.
If this does not solve the problem,
it may be coming in through the
commercial power lines. Suggest
that customer contact his power
company for evaluation.
Temp Display Perform the power supply check,
inaccurate, erratic, the thermistor probe check, and
or inoperative then perform the time/temp
simulator test. Refer to Section D for
instructions. Remember, when
using the time/temp simulator,
remove all the leads from the
back of the display except the 3
power leads. After completion of
this test and if reinstalling display back
into the oven, the dip switches
must be reset for oven operation.
S/N 2011821 & Time Display Perform all checks as in the above
Above, See Pg. 45 inaccurate, erratic, evaluation. If the time check is
or inoperative okay, refer to the next section -
optical encoder.
Optical Encoder The above time/temp test should
have already been performed.
Remove the dust cover from the
gearmotor and inspect the coupling
and encoder disc. The coupling set
screws should be tight and not
slipping on the motor shaft or the
tach. generator shaft. The encoder
disc should be firmly attached to
the coupling and not warped. Check
the positioning of the optical
encoder disc. The disc should not
be touching the optical encoder
assembly and the encoder assembly
should be mounted so it is squarely
facing the coupling shaft. This is
to allow the infrared light beams to be
broken by the encoder disc.
If all this is okay, then replace the
optical encoder assembly.
Impinger II - 1100 Series Service Manual - International 33
TROUBLE SHOOTING GUIDE
ELECTRIC OVENS
MODEL 1104 380/220 VAC THREE PHASE 50 HZ
MODEL 1105 415/240 VAC THREE PHASE 50 HZ
MODEL 1106 240 VAC SINGLE PHASE 50 HZ
REFER TO PROPER SCHEMATIC FOR IDENTIFIED COMPONENTS
SYMPTON POSSIBLE CAUSE EVALUATION
Oven fan will not run Incoming Power Supply Check circuit breakers. Reset if required.
Call Power Co. if needed.
Fuse, 1 Amp, Check, replace if necessary.
Fuseholder Check, replace if necessary.
Switch, Main Fan Check for continuity between switch terminals.
Transformer, Control 120 VAC ± 10% should be present
at secondary of transformer. If proper voltage is not
present, check transformer primary for proper input.
Replace as needed.
Main Fan Relay Check continuity to 120 VAC coil. Check
for power to relay coil (120 VAC). Check for 220/240
VAC to the relay terminals. Check, replace
if necessary.
Fuse 10 A. Main Fan Check, replace if necessary.
Fuse Holder Check, replace if necessary.
Main Fan Motor Check for opens, shorts, or grounds.
WITH POWER OFF: Turn fan blade to
check for locked rotor.
Capacitor Check for opens, shorts, or grounds.
No control box cooling Check for main fan operation. If not operating, refer
to “Oven fan will not run”.
Cooling Fan Motor 120 VAC should be present at the fan motor. If
voltage is present, check for opens or shorts.
WITH POWER OFF: Check for locked rotor
on fan motor.
No main fan cool down Cool Down Thermostat Check cool down thermostat (thermostat
closes at 160°F and opens at 140°F).
Check for power (220/240 VAC) at cool down thermo
stat. With cool down thermostat preheated, check for
continuity. If switch is open, replace.
Oven will not heat Main Fan Motor Check for main fan operation. If it is not
operating, refer to “Oven fan will not run”.
High Limit Thermostat, Terminals are normally closed (open at
190°F). If open, reset the thermostat and
test for proper operation. If it will not reset and hold,
then replace.
Impinger II - 1100 Series Service Manual - International34
Switch, Heat With switch on, check for 120 VAC on both terminals
to neutral. Replace if defective.
Air Pressure Switch This normally open switch should close when the
main fan is activated. Adjust if necessary (Refer to
Section D). Replace if defective.
Fuse, 3 Amp Check, replace if necessary.
Fuseholder Check, replace if necessary.
Temperature Control Check for 120 VAC supply at terminal #11 to neutral
on temperature control. If no voltage is present, trace
wiring back to 3 amp fuse. Turn the temperature
adjustment knob to maximum temperature position
and check for 120 VAC at the load terminal (#9) and
neutral. If 120 VAC is present and unit is not heat
-ing, refer to “Mercury Contactor” for next check.
If 120 VAC is not present, proceed.
Thermocouple Probe WITH POWER ON AND THERMOCOUPLE
LEADS ATTACHED TO THE TEMPERATURE
CONTROL BOARD: measure D. C. millivolt output of
these leads. Refer to thermocouple chart in Section
D for proper readings. If these readings are not
achieved, replace thermocouple.
Temperature Control WITH POWER OFF: remove the
Potentiometer potentiometer leads from the
temperature control board and measure ohms from
black to white leads. The reading should be from
approximately 0 to 2.5k ohms as the dial of the
potentiometer is turned throughout its full rotation.
From black to red leads, the reading should be
approximately 2.5k ohms (constant) throughout the
full rotation of the dial. If these readings are not
achieved, replace potentiometer. If the thermocouple
probe and the control potentiometer check good,
then the problem is usually with the temperature
control board.
Mercury Contactor Check for 120 VAC to the contactor coil. If voltage is
present and contact will not activate, replace the
contactor.Also, check each contactor for proper
high voltage input and output.
Heater Elements Check the Amp. draw on each hot leg for
proper load.
Check the specifications plate for rating
information.
If the Amp. draw is low or high, check
the individual elements for opens,
shorts, and proper resistance.
WITH POWER OFF: To check resistance
of the elements, remove all leads from
the elements and use an accurate digital
VOM. The element resistance should be
Impinger II - 1100 Series Service Manual - International 35
as follows:
220V - 30 ohms approximately
240V - 36 ohms approximately
Oven heats with switch off Mercury Contactor The mercury contactor has probably
malfunctioned in the closed position. If
there is no voltage to the operating coil,
but there is high voltage at the contactor
output, replace the mercury contactor.
Intermittent Heating Thermal/Overload The main fan motor is equipped with
of motor internal thermal protection and will
cease to operate if overheating
occurs. As the motor overheats and
then cools, this will cause the oven to
cycle on and off intermittently. This
may be caused by improper ventilation
or preventative maintenance. Also,
most of the problems listed under
“Oven will not heat” can cause
intermittent failure.
Conveyor will not run REFER TO PAGE 31
Conveyor speed varying REFER TO PAGE 32
or intermittent
Time/Temp Display REFER TO PAGE 33
inoperative
Temp Display out or REFER TO PAGE 33
inaccurate
Impinger II - 1100 Series Service Manual - International36
TROUBLE SHOOTING GUIDE
ELECTRIC OVENS
MODEL 1134 220/380 VAC THREE PHASE 50 HZ
MODEL 1135 240/415 VAC THREE PHASE 50 HZ
MODEL 1136 240 VAC SINGLE PHASE 50 HZ
MODEL 1150 220/380 VAC THREE PHASE 50 HZ
REFER TO PROPER SCHEMATIC FOR INDENTIFIED COMPONENTS
SYMPTON POSSIBLE CAUSE EVALUATION
Oven fan will not run Incoming Power Supply Check circuit breakers. Reset if required.
Call Power Co. if needed.
Fuse, 10 Amp, Main Fan Check, replace if necessary.
Fuseholder Check, replace if necessary.
Fuse, 1 Amp, Check, replace if necessary.
Transformer
Fuseholder Check, replace if necessary.
Transformer, Control 120 VAC ± 10% should be present at secondary of
transformer. If proper voltage is not present, check
transformer primary for proper input. Replace as
needed.
Thermostat, High Limit, Terminals are normally closed. If open,
Oven Cavity reset the thermostat and test for propeoperation. If it
will not reset and hold, replace thermostat.
Switch, Main Check for continuity between switch
Fan terminals.
Relay, Oven Start Check for continuity at relay coil, and
visually check for pull in of contacts.
20 Minute Time Delay Check for 120 VAC at terminals #1 to
neutral on 20 minute Time Delay Relay.
If no voltage is present, trace wiring
back to power source. If voltage is
present at terminal #1, check for 120
VAC at terminal #2 to neutral. If no voltage ispresent,
and oven start relay is closed, replace Time Delay.
Main Fan Relay Check continuity to 120 VAC coil. Check
for power to relay coil (120 VAC). Check for 220/240
VAC to relay terminals.
Main Fan Motor Check for opens, shorts, or grounds.
WITH POWER OFF: Turn fan blade to
check for locked rotor.
Capacitor Check for opens, shorts, or grounds.
No main fan cool down 20 Minute Time Delay Check for 120 VAC at terminal #2 to
neutral while oven is “on”. Turn off the main fan
switch, 120 VAC should continue to be present for 20
minutes. If voltage is not present for approx. 20
minutes, replace the timer.
Impinger II - 1100 Series Service Manual - International 37
Main fan runs after Oven Start Relay Contacts should open when main fan
20 minute cool down switch is turned off.
20 Minute Time Delay 120 VAC at terminal #2 should discontinue approxi
mately 20 minutes after main fan is switched off. If
the oven start relay contacts are open, and
the voltage continues at terminal #2 of the 20 minute
timer, for more than 20 mins., replace the timer.
Oven Fan Relay Check to insure that the contacts are opening after
the coil is de-energized.
20 Minute Time Delay NOTE: ON/OFF operation of the fan switch
will set the timer to 20 minutes. If the
timer is accidentally reset, turn off main breaker for
15 seconds to cancel.
No control box cooling Check for main fan operation. If not operating, refer
to “Oven Fan Will Not Run”. Oven Start Relay Check relay contacts. 120 VAC
should be present.
Cooling Fan Motor(s) 120 VAC should be present at the fan
motor. If voltage is present, check for opens or
shorts.
WITH POWER OFF: Check for locked rotor of the
fan motor.
No automatic control Thermostat, Cooling Check the cooling fan thermostat. box cooling
Fan (Thermostat closes at 120°F and opens at 100°F.)
With the cooling fan thermostat pre-heated, check for
continuity. If switch is open, replace.
Cooling Fan Motor(s) 120 VAC should be present at the fan motor. If
voltage is present, check foropens or shorts.
WITH POWER OFF: Check for locked
rotor of the fan motor.
Control box cooling fan Thermostat, Cooling This normally open thermostat should
continues to run Fan close at 120°F (48.9°C) and reopen at
100°F (37.8°C).
Oven will not heat Main Fan Motor Check for main fan operation. If it is not
operating, refer to “Oven fan will not run”.
Heat Switch With switch on, check for 120 VAC on
both terminals to neutral. Replace if defective.
Air Pressure Switch This normally open switch should close
when the main fan is activated. Adjust if
necessary (Refer to Section D).
Replace if defective.
Fuse, 3 Amp Check, replace if necessary.
Fuseholder Check, replace if necessary.
Temperature Control Check for 120 VAC supply at
terminal #11 to neutral on temperature
control. If no voltage is present, trace
wiring back to 3 amp fuse. Turn the
temperature adjustment knob to
maximum temperature position and
check for 120 VAC at the load terminal
(#9) and neutral. If 120 VAC is
present and unit is not heating, refer
to “Mercury Contactor” for next check.
If 120 VAC is not present, proceed.
Thermocouple Probe WITH POWER ON AND THERMOCOUPLE
LEADS ATTACHED TO THE TEMPERATURE
CONTROL BOARD: measure D. C.
Impinger II - 1100 Series Service Manual - International38
LEADS ATTACHED TO THE TEMPERATURE
CONTROL BOARD: measure D. C. millivolt output of
these leads. Refer to thermocouple chart in SectionD
for proper readings. If these readings
are not achieved, replace thermocouple.
Temperature Control WITH POWER OFF: remove the
Potentiometer potentiometer leads from the temperature control
board and measure ohms from black to white leads.
The reading should be from approximately
0 to 2.5k ohms as the dial of the
potentiometer is turned throughout its full rotation.
From black to red leads, the reading should be
approximately 2.5k ohms (constant) throughout the
full rotation of the dial. If these readings are not
achieved, replace potentiometer. If the thermocouple
probe and the control potentiometer check good,
then the problem is usually with the temperature
control board.
Mercury Contactor Check for 120 VAC to the contactor coil. If voltage is
present and contactor will not activate, replace the
contactor. Also, check each contactor for proper
high voltage input and output.
Heater Elements Check the Amp. draw on each hot leg for
proper load.Check the specifications plate for rating
information.If the Amp. draw is low or high, check
the individual elements for opens, shorts, and proper
resistance.
WITH POWER OFF: To check resistance of the
elements, remove all leads from the elements and
use an accurate digital VOM. The element resistance
should be as follows:
220V - 30 ohms approximately
240V - 36 ohms approximately
Oven heats with switch off Mercury Contactor The mercury contactor has probably
malfunctioned in the closed position.
If there is no voltage to the operating
coil, but there is high voltage at the
contactor output, replace the mercury
contactor.
Intermittent Heating Thermal/Overload The main fan is equipped with internal
of motort hermal protection and will cease to
operate if overheating occurs. If the
motor overheats and then cools, this will
cause the unit to cycle on and off
intermittently. This may be caused by
improper ventilation or preventative
maintenance. Also, most of the problems
listed under “Oven will not heat” can
cause intermittent failure.
Impinger II - 1100 Series Service Manual - International 39
Conveyor will not run REFER TO PAGE 31
S/N 2011383 and above REFER TO PAGE 45
Conveyor speed varying or intermittent REFER TO PAGE 32
S/N 2011383 and above REFER TO PAGE 45
Time/Temp. Display inoperative REFER TO PAGE 33
S/N 2011383 and above REFER TO PAGE 45
Temp. Display out or inaccurate REFER TO PAGE 34
S/N 2011383 and above REFER TO PAGE 45
Impinger II - 1100 Series Service Manual - International40
TROUBLESHOOTING GUIDE ELECTRIC OVEN
MODEL 1151 200 VAC THREE PHASE 60 HZ
REFER TO PROPER SCHEMATIC FOR INDENTIFIED COMPONENTS
SYMPTON POSSIBLE CAUSE EVALUATION
Oven fan will not run Incoming Power Supply Check circuit breakers. Reset if required.
Call Power Co. if needed.
Fuses,10 Amp,Main Fan Check, replace if necessary.
Fuseholder Check, replace if necessary.
Fuses, 1 Amp, Check, replace if necessary.
Transformer
Fuseholder Check, replace if necessary.
Transformer, Control 120 VAC ± 10% should be present
at secondary of transformer. If
proper voltage is not present, check
transformer primary for proper
input. Replace as needed.
Thermostat, High Limit, Terminals are normally closed. If open,
Oven Cavity reset the thermostat and test for proper
operation. If it will not reset and hold,
replace thermostat.
Switch, Main Check for continuity between switch
Fan terminals.
Relay, Oven Start Check for continuity at relay coil, and
visually check for pull in of contacts.
20 Minute Time Delay Check for 120 VAC at terminals #1 to
neutral on 20 minute Time Delay Relay.
If no voltage is present, trace wiring
back to power source. If voltage is
present at terminal #1, check for 120
VAC at terminal #2 to neutral. If no voltage is
present, and Main Fan Switch is closed, replace
Time Delay.
Main Fan Relay Check for 120 VAC to coil of the Relay.
If no voltage is present, trace wiring
back to 20 minute Time Delay Relay. If
voltage is present, check to insure
contacts are closing.
Main Fan Motor Check for opens, shorts, or grounds.
WITH POWER OFF: Turn fan blade to
check for locked rotor.
Capacitor Check for opens, shorts, or grounds.
No main fan cool down 20 Minute Time Delay Check for 120 VAC at terminal #2 to
neutral while oven is “on”. Turn off the
main fan switch, 120 VAC should
continue to be present for 20 minutes.
If voltage is not present for
approximately 20 minutes, replace the
timer.
Impinger II - 1100 Series Service Manual - International 41
Relay, Main Fan Check if relay is operating and that the contacts r
emain closed during the 20 minute cool down.
Main fan continues to 20 Minute Time Delay NOTE: ON/OFF operation of fan switch
to run after cool down will set the timer to 20 minutes. If the
timer is accidentally reset, turn off main breaker for
15 seconds to cancel. If 120 VAC continues to be
present at terminals 2 and 3 after 20 minutes, replace
the timer.
Relay, Main Fan Relay Contacts should open when the relay
coil is de-energized.
No control box cooling Main Fan Check for main fan operation. If not operating, refer
to “Oven Fan Will Not Run”.
Relay,Oven Start Check relay contacts. 120 VAC should be present.
Cooling Fan Motor 120 VAC should be present at the fan motor. If
voltage is present, check for opens or shorts.
WITH POWER OFF: Check for locked rotor
of the fan motor.
No automatic control Thermostat, Cooling Fan Check the cooling fan thermostat. box cooling
(Thermostat closes at 120°F and opens at 100°F.)
With the cooling fan thermostat pre-heated, check for
continuity. If switch is open, replace.
Cooling Fan Motor 120 VAC should be present at the fan
motor. If voltage is present, check for
opens or shorts.
WITH POWER OFF: Check for locked
rotor of the fan motor.
Control box cooling fan Thermostat, Cooling This normally open thermostat should
continues to run Fan close at 120°F (48.9°C) and reopen at
100°F (37.8°C).
Oven will not heat Main Fan Motor Check for main fan operation. If it is not
operating, refer to “Oven fan will not run”.
Switch, Heat With switch on, check for 120 VAC on
both terminals to neutral. Replace if defective.
Air Pressure Switch This normally open switch should close
when the main fan is activated. Adjust if
necessary (Refer to Section D).
Replace if defective.
Temperature Control Check for 120 VAC supply at terminal
#11 to neutral on temperature control.
Turn the temperature adjustment knob
to maximum temperature position and
check for 120 VAC at the load terminal
(#9) and neutral. If 120 VAC is
present and unit is not heating, refer
to “Mercury Contactor” for next check.
If 120 VAC is not present, proceed.
Thermocouple Probe WITH POWER ON AND THERMOCOUPLE
LEADS ATTACHED TO THE TEMPERATURE
CONTROL BOARD: measure D. C.
millivolt output of these leads. Refer
to thermocouple chart in Section D
for proper readings. If these readings
are not achieved, replace thermocouple.
Temperature Control WITH POWER OFF: remove the
Potentiometer potentiometer leads from the
Impinger II - 1100 Series Service Manual - International42
temperature control board and measure ohms from
black to white leads. The reading should be from
approximately 0 to 2.5k ohms as the dial of the
potentiometer is turned throughout its full rotation.
From black to red leads, the reading should be
approximately 2.5k ohms (constant) throughout the
full rotation of the dial. If these readings are not
achieved, replace potentiometer. If the thermocouple
probe and the control potentiometer check good,
then the problem is usually with the temperature
control board.
Mercury Contactor Check for 120 VAC to the contactor
coil. If voltage is present and
contactor will not activate, replace the
contactor.
Also, check each contactor for proper
high voltage input and output.
Heater Elements Check the Amp. draw on each hot leg for
proper load.
Check the specifications plate for rating
information.
If the Amp. draw is low or high, check
the individual elements for opens,
shorts, and proper resistance.
WITH POWER OFF: To check resistance
of the elements, remove all leads from
the elements and use an accurate digital
VOM. The element resistance should be
as follows:
200V - 24.5 ohms approximately
Oven heats with switch off Mercury Contactor The mercury contactor has probably
malfunctioned in the closed position.
If there is no voltage to the operating
coil, but there is high voltage at the
contactor output, replace the mercury
contactor.
Intermittent Heating Thermal/Overload The main fan motor is equipped with internal
of motor thermal protection and will cease to
operate if overheating occurs. If the
motor overheats and then cools, this will
cause the oven to cycle on and off
intermittently. This may be caused by
improper ventilation or preventative
maintenance. Also, most of the problems
listed under “Oven will not heat” can
cause intermittent failure.
Conveyor will not run REFER TO PAGE 31
S/N 2011383 and above REFER TO PAGE 45
Conveyor speed varying or intermittent REFER TO PAGE 32
S/N 2011383 and above REFER TO PAGE 45
Time/Temp. Display inoperative REFER TO PAGE 33
Impinger II - 1100 Series Service Manual - International 43
S/N 2011383 and above REFER TO PAGE 45
Temp. Display out or inaccurate REFER TO PAGE 33
S/N 2011383 and above REFER TO PAGE 45
STEPPER MOTOR DRIVE
Conveyor will not run Conveyor Switch Check for 120 VAC to conveyor switch. If no
voltage is present, trace wiring back to the oven power source.
WITH POWER OFF: Check conti nuity between switch terminals.
Conveyor Fuse 3AMP Check, replace if necessary. (Not used on
Model 1151)
Fuseholder Check, replace if necessary.
Conveyor Control Check for 120 VAC supply to primary
(Stepper) Transformer of transformer, if voltage is not
present, trace wiring back to the fuseholder.
If voltage is present, check for output voltage
from the transformer secondary. NOTE: This
control transformer outputs (2) secondary voltages.
Red Leads 29 VAC
Brown Leads 10 VAC
If BOTH secondary voltages are not
present, replace the transformer.
Speed Adjustment This is a 0 to 50k ohm, 10 turn
Potentiometer potentiometer WITH POWER OFF: remove the 3
pin potentiometer cable plug from the motor
control board. With a digital multimeter, check
the ohm reading across the red lead to the black
lead, this reading should be 50k ohms ± 5% as
the potentiometer is rotated through its
10 turn rotation. Place the meter leads
on the red lead and white lead. Rotating
the potentiometer slowly, from low to
high, the meter should show an even
transition from 0 to 50k ohms ± 5%
through the 10 turn rotation of the
potentiometer. There should be no dead
or open spots through the 10 turns of
the potentiometer. Check all three leads
to ground. There should be no continuity
to ground.
If any of the above checks fail, replace
the potentiometer.
Conveyor Motor NOTE: if the conveyor drive motor
(Stepper) Control becomes jammed, the motor will stop
turning. To reset, turn off conveyor
switch, wait 10 seconds and turn the
conveyor switch on.
If the motor does not run, check for
2 to 29 VAC across the motor
terminals 1 to 2 and 3 to 5 on the
conveyor motor control. If voltage is not
Impinger II - 1100 Series Service Manual - International44
present at both sets of terminals,
replace control.
Conveyor Drive Check the drive sprocket on motor
(Stepper) Motor output shaft to insure that it is tight.
WITH POWER OFF: Turn the motor shaft
to check for jammed gear box. Check motor wind
ings. Ohm readings on motor terminal - 1-5, 2-6, 3-
7, 4-8, each reading should be approximately 2
ohms. If motor shaft will not turn,
replace conveyor drive (stepper) motor.
Time/Temp Display 12 VAC Power Supply Measure the transformer primary for a
inoperative (Transformer) nominal 120 VAC input, if voltage is not
present, trace wiring back to the oven
power source. Measure the secondary
output, which will normally be 12-15
VAC. Voltage across terminals 1 and 3
on the time/temp. display should read
12-15 VAC. Terminals 1-2 and 2-3
should be 1/2 the voltage reading to
1-3. If the above secondary readings
are not achieved, replace transformer.
Time/Temp Display If proper voltage is present at terminals
1, 2, and 3 on time/temp display, but
the display is not lighted, recheck all
connections for tightness. If time/temp
display is still not operating, replace
the time/temp display.
Temp display out NOTE: Time/Temp Place the thermocouple of a pyrometer
or inaccurate displays use two types into the center of the top finger. Be sure
of temperature sensors, the tip of the thermocouple is not
thermistor probe-2 touching metal. The pyrometer will
yellow wires, thermo- indicate oven temperature.
couple probe probe-1
red wire and 1 white wire
Thermistor Probe Disconnect the thermistor probe leads from the time/
temp display terminals #9 and 10. Measure the
resistance of the thermistor probe. See chart in
section D, showing probe resistance at various oven
temperature. If these readings are not achieved,
replace the thermistor probe.
Thermocouple Probe Place your pyrometer thermocouple into
the center of the top finger. Measure
D.C. millivolts at terminals 9 and 10 on
the time/temp display. See
thermocouple chart in Section D for
proper readings. Connect temperature
meter to thermocouple at terminals 9 &
10 on back of the time/temp display.
(Be sure to maintain proper polarity on
thermocouple connections.) Compare
actual oven temperature with the
reading at the time/temp display. If the
temperature readings match,
recalibrate or replace time/temp
display. If the readings do not match,
replace thermocouple probe.
Power Supply If a strange or unusual behavior is
Impinger II - 1100 Series Service Manual - International 45
experienced, such as a rolling of
numbers, or lock-up at a given number,
first check for a display circuit lock-up. This may be
caused by a voltage
spike or surge in the incoming power
lines. To eliminate this condition,
remove power from the time/temp
display by shutting off the main fan
switch for 15 seconds. This should
eliminate the problem. If this does not
solve the problem, it may becoming in
through the Commercial power lines.
Suggest that customer contact their
power company for evaluation.
Temp display inaccurate, Time/Temp Display Perform the power supply check, the
erratic, or inoperative thermistor probe check, and then
perform the time/temp simulator test.
Refer to Section D for instructions.
Remember, when using the time/temp
simulator, remove all leads from the
back of the time/temp display except the
3 power leads.
After completion of the test, and if re-
installing time/temp display back in the
oven, the dip switches must be reset for
oven operation, and the time/temp
display must be recalibrated. If
readings are not achieved, replace
display.
Time Display inaccurate, Perform all checks as in the above
erratic, or inoperative evaluation. If the time check is okay,
refer to the next section.
Conveyor Drive Check to see if the conveyor drive
(Stepper) Motor (stepper) motor is running. If motor
is not running, refer to “Conveyor will
not run” on Page 45.
Magnet Check to insure that the magnet
(cemented to shaft of conveyor drive
[stepper] motor) has not been damaged,
or come loose from motor shaft.
Replace as needed.
Hall Effect Sensor Check for any physical damage to Hall
Effect sensor (mounted on conveyor
drive [stepper] motor). Check all
wiring and connections for damage.
If the motor is running, the magnet is
in place, but the display shows”—:—”
the Hall Effect Sensor may be defective
or improperly connected.
Conveyor Drive Check all connections for tightness or
(Stepper Control) proper location and check all wiring
for visible damage. Replace as needed.
If there is still no time display and all
the above have checked out, replace the
stepper control.
Impinger II - 1100 Series Service Manual - International46

REMOVAL, INSTALLATION, AND ADJUSTMENT
IMPINGER II CONVEYOR OVEN
MOTOR, MAIN FAN
1. Shut off power at main breaker.
2. Disconnect motor wiring of main fan motor, note wire colors for reassembly, and remove entire oven back
from the oven. Refer to “main fan” (See Below) for removal information.
3. Remove the main fan.
4. Remove 4 screws from the motor support assembly.
5. Remove the motor mounting clamp and pull the motor away from the oven back assembly.
6. Remove motor mounting fixture.
7. Install the motor in reverse order insuring that the motor shaft is centered in the
8. Shaft tube of the oven back.
CAPACITOR, MOTOR
Model 1100-1106
Capacitor is located under motor cover in rear of unit and held in place by a plastic wire
tie.
1Discharge capacitor, remove and replace.
FOR ALL OTHER 1100 MODELS
Capacitor is located under rear control box cover and held in place by a plastic wire tie.
MAIN FAN
1. Shut off power at main breaker.
2. Remove motor cover from back of oven.
3. Disconnect and mark motor wiring of main fan motor and remove entire oven back from oven.
NOTE: Turning the oven back bolts back and forward while applying a spray lubricant or penetrating oil will
help minimize breakage.
4. Loosen and remove set screw in hub of fan.
5. Remove fan. The motor shaft has a flat making removal of fan fairly easy. If trouble is encountered, apply a
spray lubricant or penetrating oil in set screw hole and on motor shaft.
NOTE: This fan is balanced by the manufacturer and must be handled carefully.
Suggested storage is by suspending the fan through the shaft hole.
6. Reinstall fan with the tips of the fan blade closest to the oven back.
7. Position of the fan on the motor shaft will be 1 1/2" (3.81cm) from the top of the oven back cone to the bottom of
the fan hub. Refer to drawing. The oven back must be removed to make this measurement.
8. Align set screw with motor shaft flat and tighten.
9. Reassemble in reverse order.
FAN HUB
CONE
FAN SPIDER
1 1/2 INCH
NOTE: MEASUREMENT MUST BE
MADE FROM CONE TO FAN SPIDER
Impinger II - 1100 Series Service Manual - International 47
RELAY, DPST
1. Shut off power at main breaker.
2. Remove conveyor.
3. Remove control compartment covers.
4. Remove leads from relay and mark for reassembly.
5. Remove mounting screws and lift out relay.
6. Reassemble in reverse order.
TIME DELAY, 20 MINUTE
1. Shut off power at main breaker.
2. Remove conveyor.
3. Remove front control compartment cover.
4. Unplug all wires and mark for replacement.
5. Remove center mounting screw.
6. Reassemble in reverse order.
NOTE: Do not overtighten the mounting screw as this may damage the internal potted
electronic components.
COOLING FAN
1. Shut off power at main breaker.
2. Remove conveyor.
3. Remove front control compartment cover.
4. Remove 4 screws from fan frame.
5. Remove fan and unplug female cord receptacle.
6. Reassemble in reverse order.
NOTE: All current models have 2 of these cooling fans.
7. The second cooling fan is located in the rear of the rear control compartment. On older models of the
1116,1117,1152 through 1158 the fan was attached to a metal box on rear of oven. Metal box was removed
first. Newer ovens have fan mounted on inside of oven back and are removed from inside.
THERMOSTAT, COOL DOWN
Model 1100-1106 only
1. Shut off power at main breaker.
2. Remove conveyor.
3. Remove control compartment covers.
4. Remove 2 screws from holding bracket located in upper rear of the control compartment.
5. Remove the 2 leads and remove thermostat.
6. Reassemble in reverse order.
RELAY, DPST
1. Shut off power at main breaker.
2. Remove conveyor.
3. Remove front control compartment cover.
4. Remove leads and mark for reassembly.
5. Loosen mounting screws and remove.
6. Reassemble in reverse order.
THERMOSHETAT, COOLING FAN
1. Shut off power at main breaker.
2. Remove conveyor.
3. Remove front control compartment cover.
4. Remove lead wires and mark for reassembly.
5. Remove 2 screws and remove thermostat.
6. Reassemble in reverse order.
Impinger II - 1100 Series Service Manual - International48
MOTOR, BURNER BLOWER
This unit comes equipped to be used for other models of ovens. For use on the
Impinger II Series, the mating plug with the loose wires may be discarded.
TO REMOVE BLOWER MOTOR:
1. Shut off power at main breaker.
2. Remove conveyor.
3. Remove control compartment covers.
4. Disconnect the plug on blower motor. Plastic locks on side of plug need to be depressed.
5. Remove three screws holding blower horn to burner.
6. Remove air shutter from old unit and install on new unit. If air shutter of old unit is damaged or lost,
replace with new air shutter 369401.
7. Reassemble in reverse order.
8. Adjust air shutter opening if necessary. Set air shutter at 50% open andadjust to get a blue flame with an
occasional tip of yellow under high flame. A glass view port in the burner assembly should be used to observe
flame.
CLEANING OF THE BLOWER FAN IS NECESSARY ON A PREVENTIVE MAINTENANCE SCHEDULE.
See Blower Wheel, Burner below
BLOWER WHEEL, BURNER
This is part of the burner blower motor assembly
TO REMOVE THE BLOWER WHEEL FOR PERIODIC CLEANING:
1. Disconnect power and remove control compartment covers.
2. Remove air shutter held by 3 screws.
3. Loosen set screw on blower wheel hub and pull straight out.
4. Reassemble in reverse order.
NOTE: There is no critical placement of the blower wheel on the motor shaft. Just
back as far as it will go and then spin the blower to be sure it is not rubbing.
Impinger II - 1100 Series Service Manual - International 49
AIR PRESSURE SWITCH
1. Shut off power at main breaker.
2. Remove conveyor.
3. Remove front control compartment cover.
4. Remove air switch cover plate.
5. Disconnect wiring and mark for reassembly.
6. Loosen 2 screws and remove air switch.
7. Disconnect 1/4" air tube.
8. Reassemble in reverse order.
9. Turn on power and calibrate air switch as follows:
a) Turn adjusting screw counter clockwise to full out position.
b) Turn main fan and heat switch on.
c) Turn adjusting screw clockwise until heat shuts off.
d) Turn adjusting screw (counterclockwise) 1/4 turn and unit should heat.
NOTE: Test as follows
e) Oven must be tested in heated condition.
f) Remove main fan fuse. Main fan should shut down, deactivating air switch causing
heat to shut off in approximately 5 to 25 seconds.
g) Fine tune adjustment as needed.
TEMPERATURE CONTROL BOARD
NOTE: If your unit contains a Fenwal temperature control board, (see below) replace it with a thermologic
control board.
TEMPERATURE CONTROL BOARD CONVERSION - FENWAL TO THERMOLOGIC
(FOUND ONLY IN ELECTRIC UNITS BELOW S/N 2000861)
1. Remove Fenwal board.
2. Remove 5K ohm potentiometer
3. Remove wire #63 from oven. This wire is connected to Fenwall board at terminal #5.
4. Install new thermologic board with 2 screws.
5. Install new 2.5K ohm potentiometer.
6. Attach leads to thermologic board as shown in drawings. See Page D5.
1. Located in control compartment below drive end of the conveyor
2. Shut off power at main breaker and remove conveyor.
3. Remove front control compartment cover.
4. Remove the two mounting screws.
5. Remove the electrical leads and replace the control board.
6. Identify the style of thermologic board by looking at the top of the transformer
on the board. There are five styles of boards, each identified by a color marked
on the transformer, either RED, BLUE, GREEN, GOLD, OR A SILVER DOT. Refer to Page D5 showing proper
wiring connection.
NOTE:When mounting a new temperature control board, DO NOT overtighten the two mounting
screws.
7. Turn the potentiometer fully counterclockwise.
8. Loosen the Dial/Knob set screw and position the 50°F mark at the pointer.
NOTE: The thermocouple of your test meter should be inserted through a finger hole
in the top center of the oven, and the oven pre-heated for 30 minutes to stabilize
the oven at set temperature. The thermocouple probe must not touch metal, it must
sense air temperature only.
9. Adjustment of the GREEN, GOLD OR SILVER dot control board may be required when installing a new board.
Adjustment is seldom required on RED and BLUE boards.
a) For RED or BLUE control boards with the temperature control dial at maximum,
the reading on your temperature test meter should be between 555°F (290°C)
and 575°F (302°C). If not at this temperature adjust pot P3 to achieve these
figures. Refer to Page D5.
Impinger II - 1100 Series Service Manual - International
50

a) For the GREEN, GOLD OR SILVER dot control board, place the test probe of your meter in position as indi-
cated in prior note. Set the oven temperature control dial 500°F(260°C), adjust pot P6 (see Page D8 ) to
achieve a temperature reading on test meter of 500°F(260°C). CCW to increase, CW to decrease.
10. Adjust Time/Temp Display Pot. “Temp Cal” for 500°F(260°C).
1
2
3
6
7
P 3
P 5P 6
11
10
9
L 1 120 VAC
L 2
LOAD
RED
BLACK
WHITE
+
-
THERMOCOUPLE
TYPE J
TRANSFORMER MARKED
WITH GREEN,GOLD OR
SILVER DOT
POTENTIOMETER
2.5 K OHMS
1
2
3
6
7
P 3
11
10
9
L 1 120 VAC
L 2
LOAD
RED
BLACK
WHITE
+
-
THERMOCOUPLE
TYPE J
TRANSFORMER
MARKED IN BLUE
POTENTIOMETER
2.5 K OHM
1
3
6
7
10
L 1 120 VAC
L 2
LOAD
+
-
THERMOCOUPLE
TYPE J
4
5
RED
WHITE
BLACK P 3
13
12
TRANSFORMER
MARKED IN RED
THIS BOARD DISCONTINUED
AT S/N 2000932
POTENTIOMETER
2.5 K OHMS
Impinger II - 1100 Series Service Manual - International 51

TEMPERATURE CONTROL POTENTIOMETER, 0-2.5K OHMS, 1 TURN
1. Shut off power at main breaker.
2. Remove front control box cover.
3. Loosen and remove temperature control knob.
4. Remove hex nut and washer then remove pot from rear of compartment.
5. Remove and mark wiring for replacement.
6. Replace in reverse order.
7. Recalibrate the dial. (See “Temperature Control”)
THERMOCOUPLE PROBE
The sensor bulb is located in the oven compartment behind the lower finger, and held
in position by a wire form holder.
CAUTION: ALLOW OVEN TO COOL
1. Shut off power.
2. Remove conveyor and lower finger.
3. Remove control compartment covers
4. Remove sensor bulb from the wire form holder, pull thermocouple out of the oven through the access tube
and disconnect leads from terminals 6 and 7 of the temperature control board.
5. To install, push thermocouple bulb through the access tube and place in wire form
holder. Be sure that wire form holder is exerting enough pressure on the sensor
bulb to hold it in place. If sensor bulb is not held securely, replace the wire form holder or bend the holder
slightly to hold sensor bulb in place.
6. Reconnect RED lead to terminal 7(-) and WHITE lead to terminal 6(+).
7. Replace conveyor and fingers.
THERMOCOUPLE MEASUREMENT CHART:
EXPLANATION: The junction temperature is the ambient air temperature where the
thermocouple fastens to the electronic temperature control board.
O V E N T E M P
200°F 250°F 300°F 325°F 350°F 400°F 425°F 450°F 500°F 550°F 600°F
J90°F 3.26 4.77 6.30 7.06 7.83 9.37 10.14 10.91 12.46 14.00 15.53
U88°F 3.32 4.83 6.36 7.12 7.89 9.43 10.20 10.97 12.51 14.05 15.59
N86°F 3.37 4.88 6.41 7.17 7.94 9.49 10.26 11.03 12.57 14.11 15.65
C84°F 3.43 4.94 6.47 7.23 8.00 9.54 10.31 11.09 12.63 14.19 15.71
T82°F 3.49 5.00 6.53 7.29 8.06 9.60 10.37 11.14 12.69 14.23 15.76
I80°F 3.55 5.06 6.59 7.35 8.12 9.66 10.43 11.20 12.74 14.28 15.82
O78°F 3.60 5.11 6.64 7.40 8.17 9.72 10.49 11.26 12.80 14.34 15.86
N76°F 3.66 5.17 6.70 7.46 8.23 9.77 10.55 11.32 12.86 14.40 15.94
75°F 3.69 5.20 6.73 7.49 5.26 9.80 10.57 11.35 12.89 14.43 15.97
74°F 3.72 5.23 6.76 7.52 8.29 9.83 10.60 11.37 12.92 14.46 15.99
72°F 3.78 5.29 6.82 7.58 8.35 9.89 10.66 11.43 12.97 14.51 16.05
T70°F 3.83 5.34 6.87 7.63 8.40 9.95 10.72 11.49 13.03 14.57 16.11
E68°F 3.89 5.40 6.93 7.69 8.46 10.00 10.78 11.55 13.09 14.63 16.17
M66°F 3.95 5.46 6.99 7.75 8.52 10.06 10.83 11.61 13.15 14.69 16.23
P64°F 4.01 5.52 7.05 7.81 8.58 10.12 10.89 11.66 13.20 14.74 16.28
62°F 4.06 5.57 7.10 7.86 8.63 10.18 10.95 11.72 13.26 14.80 16.34
60°F 4.12 5.63 7.16 7.92 8.69 10.24 11.01 11.78 13.32 14.86 16.40
Impinger II - 1100 Series Service Manual - International52
MERCURY CONTACTOR
1. Shut off power at the main breaker.
2. Remove conveyor.
3. Remove control compartment covers.
4. Disconnect contactor wires and mark for reinstallation.
5. Remove screws from mounting bracket and replace contactor.
NOTE: Be sure contactor is not mounted upside down at this will cause a constant on condition.
6. Reassemble in reverse order.
GAS VALVE
1. Shut off power at main breaker.
2. Shut off the gas supply in the main line to the oven.
3. Disconnect the flexible gas hose.
4. Remove the control compartment covers.
5. Remove the manual gas shut off valve from piping.
6. Remove screws from the bulkhead plate located on rear of oven at the gas pipe.
7. Remove the section of gas pipe to gas valve.
8. Disconnect the electrical leads from the solenoid valve.
9. Loosen the gas line union located near the burner and remove the gas valve and
solenoid valve assembly.
10. Finish removal of the gas piping from gas valve.
11. Replace in reverse order.
12. Check all gas fittings for leaks.
13. Adjust the gas manifold pressure on the gas valve. “Refer to the specification plate
on the oven for proper rating”.
SOLENOID VALVE
1. Shut off power at main breaker.
2. Shut off gas supply.
3. Remove rear control box cover.
4. Disconnect wires from solenoid valve. Mark wires for reassembly.
5. Loosen pipe union in piping assembly.
6. Remove 4 nuts from burner manifold and remove valve assembly.
7. Remove piping from solenoid valve.
8. Reassemble in reverse order.
NOTE: Some piping changes may be required. See instructions supplied with replacement part.
HEATING ELEMENTS
1. Shut off power at main breaker.
2. Remove back cover.
3. Disconnect heater element wire and mark for reassembly.
4. Disconnect motor wiring and mark for reassembly.
5. Remove oven back from oven.
6. Remove fan shroud.
7. Heater element may now be unbolted and removed.
8. Check heater elements to be sure they are the proper replacement.
9. Reassemble in reverse order.
NOTE: Be sure the lead terminals are tight.
Impinger II - 1100 Series Service Manual - International 53

IGNITION CONTROL
1. Shut off power at main breaker.
2. Shut of the gas supply in the main line to the oven.
3. Remove conveyor.
4. Remove the front control compartment cover.
Note: After S/N 2011383 a removable drip tray is located above the ignition control.
5. Disconnect the wires from the ignition control and mark their location for reinstallation.
6. Remove the 4 mounting screws and remove the control.
7. Reassemble in reverse order.
8. Turn on electrical power and gas supply, then check the system for proper operation.
VALVE
VALVE
GND
25 V
25 V
GND
BURNER
GROUND
L 2
NEUTRAL
HSI
120 V
HSI
120 V
L 1
HOT
26
27
YELLOW
YELLOW
33
11
34
35
32
IGNITION CONTROL
TRANSFORMER, STEP DOWN 24 VAC
1. Shut off power at the main breaker.
2. Remove conveyor.
3. Remove front control compartment cover.
4. Remove wires from transformer and mark for reassembly.
5. Remove 2 mounting screws and replace transformer.
6. Reassemble in reverse order.
BURNER VENTURI
See “Hot Surface Igniter”
HOT SURFACE IGNITER
1. Shut off the electrical power at main breaker.
2. Shut off the gas supply in the main line to the oven.
3. Remove conveyor.
4. Remove rear control compartment cover.
5. Remove Conveyor Motor.
6. Remove electrical plug from the burner cap.
7. Loosen the pipe union in the gas line.
8. Remove 3 screws holding burner cap to burner tube.
9. Pull out on burner cap removing cap and burner venturi.
10. The hot surface igniter is held in place on the burner venturi by a screw, loosen
screw and remove igniter.
11. Replace in reverse order.
NOTE: Care must be used when handling the hot surface igniter as they are quite fragile and may be
easily broken if dropped or bumped.
Impinger II - 1100 Series Service Manual - International
54
ORIFICE, MAIN BURNER
1. Shut off power at main breaker.
2. Shut off gas at main line to the oven.
3. Remove conveyor.
4. Remove control compartment covers.
5. Loosen 4 nuts holding manifold to burner cap.
6. Loosen pipe union. Remove valve and manifold.
7. Remove main orifice
8. Reassemble in reverse order.
ORIFICE, BYPASS
1. Loosen flare nut and remove bypass orifice.
2. Reassemble in reverse order.
THERMOSTAT, HIGH LIMIT, OVEN CAVITY
1. Shut off power at main breaker.
2. Remove conveyor.
3. Remove control compartment covers.
4. Remove screws from bracket.
5. Remove the mounting nut from the threaded shaft.
6. Remove the capillary tube bulb from the wireholder in the oven heating chamber.
NOTE: Access to the capillary tube bulb is through the front door, after removing the conveyor and fingers.
7. Insert the new capillary tube bulb through the tube into the oven cavity and into the wire form holder
NOTE: The wire form must hold the bulb firmly. If it does not, compress the wire form slightly to increase the
pressure.
8. Reassemble in reverse order.
9. Push the reset button. Test system for proper operation.
THERMOSTAT, HIGH LIMIT
1. Shut off power at main breaker.
2. Remove conveyor.
3. Remove control compartment covers.
4. Remove 2 screws from holding bracket located in upper rear of the control compartment.
5. Remove the 2 leads and remove thermostat.
NOTE: Push reset button
6. Insure that aluminum probe and teflon washer are in place (if applicable), then reassemble in reverse order.
7. Insure that thermostat is in firm contact with the aluminum probe (if applicable).
Impinger II - 1100 Series Service Manual - International 55
LAMP, PILOT BURNER
LENS, PILOT LAMP
1. Shut off power at main breaker.
2. Remove conveyor.
3. Remove front control compartment cover.
4. Remove terminals from pilot lamp.
5. Grasp body of the light assembly and slide to the side disengaging body from light lens.
6. Remove lens by pushing out from rear.
7. Reassemble in reverse order.
COUPLING, CONVEYOR DRIVE
FOR ALL 1100 MODELS
This coupling has a plastic or rubber sleeve connecting two metal drive ends.
The metal drive end on the conveyor side is secured by a ball plunger screw,
This is not a set screw and should never be overtightened.
PROCEDURE FOR ADJUSTING DRIVE COUPLING:
1. Place one metal end on conveyor shaft.
2. Install ball plunger and adjust so the spring loaded ball will drop into the dimple on the flat of the conveyor drive
shaft. To test, apply pressure on metal end towards the conveyor. The ball detent should pop up out of the
dimple and coupling end will slide back to conveyor frame.
3. Place other drive end on motor shaft,
4. Push conveyor frame to front side of oven conveyor opening.
5. Adjust the metal drive end on conveyor shaft so ball detent is in the dimple.
6. Lift conveyor drive side slightly and place sleeve on conveyor side metal drive end.
7. Adjust motor side coupling drive end so sleeve is now held in place between the drive ends and tighten set
screw on motor side firmly.
To remove conveyor, simply grasp the coupling sleeve and pull towards conveyor.
The sleeve and drive end will slide towards the conveyor and separate from the motor
drive.
GEARMOTOR, D.C., CONVEYOR
1. Shut off power at main breaker.
2. Remove conveyor.
3. Remove control compartment covers.
4. Remove metal drive end from the motor shaft.
5. Remove electrical leads from gearmotor assembly and mark for proper reassembly.
6. Remove 4 screws holding gearmotor to side wall of control compartment.
7. To remove tach., optical encoder assembly, and coupling and encoder disc refer to the
following instructions.
8. Reassemble in reverse order using care to readjust motor properly to be in line
with conveyor coupling.
NOTE: If a new gearmotor is installed, the D.C. motor control board must be recalibrated.
COUPLING AND ENCODER DISC
1. Remove gearmotor assembly (See “GEARMOTOR” )
2. Remove dust cover above motor.
3. Loosen both allen set screws (.050 inch allen wrench) located on coupling hub.
4. Remove 3 screws from tach. bracket, loosen the 4th.
5. Remove encoder assembly, see “OPTICAL ENCODER ASSEMBLY” in following procedure.
6. Push coupling down on motor shaft. Swivel tach. bracket aside and remove coupling.
7. To install, push coupling on to motor shaft. The encoder disc must be nearest motor.
8. Refasten tach. bracket in proper alignment.
Impinger II - 1100 Series Service Manual - International
56
1. Tighten the set screw on the tach. side first maintaining the .010 minimum dimension between the coupling
hub and tach.
2. Pull the coupling apart (approximately 1/8",3.2mm) and fasten the motor side set screw.
3. Install the optical encoder, refer to “OPTICAL ENCODER” in this section for adjustment.
NOTE: The thin, slotted encoder disc must be handled with care so not to bend it.
4. Recheck tightness on the set screws to be sure they are tight. If available,
LOC TITE (the removable kind) should be used to secure set screws.
OPTICAL ENCODER ASSEMBLY
1. Remove gearmotor assembly (see “GEARMOTOR”) Above.
2. If replacing with new assembly, cut wires to remove as new wires and plug are provided. If only
removing for access to coupling, see step 3.
3. Remove pins from connector with pin extractor tool, P/N 369600.
4. Loosen dust cover screws and pull dust cover away from motor.
5. Remove 2 screws from optical encoder and remove encoder.
6. Reassemble in reverse order.
7. To adjust optical encoder:
a. Position the encoder assembly so it does not rub the coupler hub and is
square with the encoder disc. The infrared light beam will be broken
by slots in the encoder disc. The encoder disc should not touch the bottom
or top of the optical encoder, if it does, readjust the coupling. The digital
speed readout may be observed to check proper adjustment of the optical
encoder assembly.
TACH. GENERATOR
1. Turn off power at main breaker.
2. Remove gearmotor assembly (see “GEARMOTOR”)
3. Remove tach. cover plate and tach. leads. Mark wires for reassembly.
4. Remove 2 slotted screws from dust cover base and remove dust cover.
5. Loosen coupling set screw (.050 inch allen wrench).
6. Remove tach. bracket from motor. (4 screws)
7. Remove 4 screws from base of tach. and tach. is now free for removal.
8. Reassemble in reverse order. Maintain spacing of .010 minimum between tach.bracket and coupler hub.
NOTE: If a new tach. generator is installed, the D.C. motor control board MUST
BERECALIBRATED. There is no repair procedure for the tach. If defective, replace.
Impinger II - 1100 Series Service Manual - International 57

D C MOTOR CONTROL BOARD
4 A. FUSE 1 A. FUSE .
RESISTOR
L 1 A+
L 2
A -
T 1 T 2MAX MIN IR CL TACH
BOARD P/N 369155
STYLE 1
P 3
P 2
P 1
4 A. FUSE 1 A. FUSE
RESISTOR
L 1 A+
L 2
A -
T 1 T 2
BOARD P/N 369155
STYLE 2
P 3
P 2
P 1
MAX MIN
L 1 L 2 A +A -
T 2T 1S 3
S 2
S 1
MIN MAX
CAPACITOR
BOARD P/N 369155
STYLE 3
RESISTOR
Three different styles of control boards have been used and all three are still usable.
All three were supplied under the same part number.
TO REPLACE THE CONTROL BOARD:
1. Turn off power at main breaker and remove front control compartment cover.
2. Remove conveyor.
3. Remove and mark all wires from board
4. Remove control board bracket and board from unit, 3 screws.
5. Remove control board from mounting bracket. Remove 4 screws, lockwashers, and nuts.
6. Install new control board and bracket.
7. Attach wires to their proper terminals, refer to the drawings for proper terminal identification.
8. Perform calibration on the control board as specified using the calibration procedure for your style of board.
NOTE: When a control board, motor, tach. generator, or speed adjustment potentiometer is replaced, the
control board must be calibrated. When calibration of control board is complete, seal the adjustment pots.
(See “Control Board Adjustment”)
STYLE 1 CONTROL BOARD ADJUSTMENT
NOTE: A digital meter must be used for this adjustment.
1. Voltage at L1 and L2 terminals of the control board is to be 120 VAC ± 10%.
2. Connect a digital volt meter to terminals A+ and A-, set meter on 200 VDC scale.
3. Turn speed control pot. (on oven control panel) to its maximum speed setting.
4. Turn “MAX”, “MIN”, and “IR” pots counter clockwise until they stop. (DO NOT turn CL pot.)
5. Adjust “TACH” pot. so the volt meter indicates 130 VDC ± 0.5 volts.
6. Adjust “IR” pot. to read between 1.5 and 2 VDC above tach. reading.(Example: If tach. reading would be 130.3
then adjust IR to between 131.8 VDC and 132.3 VDC.)
7. Turn speed control pot. to its minimum speed setting.
8. Adjust “MIN” pot. so the voltmeter indicates between 6 and 10 VDC.
9. Turn speed control dial to obtain a reading of 22 VDC on your meter. Observe for approx. 30 seconds to see if
stable within ± 0.5 VDC. Repeat at 35 VDC.
10. Check speed of conveyor and adjust time/temp. display if necessary.
11. Seal pots with Glyptol or nail polish.
STYLE 2 AND STYLE 3 CONTROL BOARD ADJUSTMENT
NOTE: A digital meter must be used.
1. Voltage at L1 and L2 terminals of the control board is to be 120 VAC ± 10%.
2. Connect a Digital voltmeter to terminal T1 and T2, set the meter on DC scale.
3. Turn speed control pot. (on oven control panel) to its maximum speed setting.
Impinger II - 1100 Series Service Manual - International58
1. Adjust the “MAX” pot. so the voltmeter indicates 15.8 to 15.9 VDC.
2. Turn the speed control pot. to its minimum speed setting.
3. Adjust the “MIN” pot. so the volt meter indicates 0.7 to 0.9 VDC.
4. Reset the speed control pot. to its maximum speed setting and check if voltage is still at 15.8 to 15.9 VDC.
Readjust if necessary.
5. Reset the speed control pot. to its minimum speed setting and check if voltage is still at 0.7 to 0.9 VDC. Read-
just if necessary.
6. If readjustment of either the “MAX” or “MIN” pot. was necessary, the opposite must always be checked until
both “MIN” and “MAX” are in proper adjustment.
7. Measure the speed of the conveyor and adjust the time/temp. display if necessary.
8. Seal pots with Glyptol or nail polish.
NOTE: Occasionally a new board (Style 2 and 3 only) is so far out of adjustment that you will be unable to
adjust to the correct voltage. To correct, turn both the “MAX” and MIN” pots 10 turns in either direction and then
5 turns in opposite direction. This will center the pots and allow them to be calibrated. If after this procedure,
the board will not adjust, it is probably defective.
REVERSAL OF CONVEYOR BELT - D.C. Motor
All ovens leaving our plant are wired to operate conveyors from left to right. To
reverse conveyor direction, use the following procedure.
1. Turn off power and remove conveyor.
2. Remove front control compartment cover.
3. Refer to control board drawing to identify terminal connections.
4. Reverse wires fastened to terminals A+ and A-.
5. Reverse wires fastened to terminals T1 and T2.
Both set of leads must be reversed or oven will run at maximum speed with no speed
adjustment possible.
POTENTIOMETER, CONVEYOR SPEED CONTROL
1. Turn off power.
2. Remove conveyor.
3. Remove front control compartment cover.
4. Remove adjustment knob. Two allen set screws.
5. Remove exterior friction shaft retainer from pot shaft. Turn counter-clockwise to loosen.
6. Remove pot shaft from hole and disconnect leads from motor control board.
7. Assemble in reverse order.
8. If a new pot. is installed, the motor control board must be calibrated.
MINI BREAKER 0.2 AMP
1. Shut off power at main breaker.
2. Remove conveyor.
3. Remove control box covers.
4. Remove knurled mounting ring and disconnect wiring.
5. Reassemble in reverse order.
6. Push button to set.
BEARING, CONVEYOR
1. Remove conveyor from oven and place on a flat work surface.
2. Remove connecting links from conveyor belting. See Installation and Operating Instructions manual.,
3. Move drive shaft or idle shaft toward end of conveyor, and shaft with bearings will now slip out of holding
bracket.
Replace bearing and reassemble.
Impinger II - 1100 Series Service Manual - International 59
TRANSFORMER, TIME/TEMP. DISPLAY
1. Shut off power at the main breaker.
2. Remove conveyor.
3. Remove front control compartment cover.
4. Remove transformer wires and mark for replacement.
5. Remove 2 mounting screws and replace transformer.
6. Reassemble in reverse order.
TIME/TEMP. DISPLAY
1. Shut off power at main breaker.
2. Remove conveyor.
3. Remove front control box cover.
4. Mark all leads for proper reinstallation and then remove wires from all terminals at rear of the display.
5. Remove 2 screws from top of Time/Temp. case holding the case to the front panel.
NOTE: On some of the more recent Model 1100 units, the time/temp. display may now be removed. If it is
not free, continue.
6. Remove 3 screws from the front panel, lift up the front panel and remove 2 screws from the bottom of the
display case. Display should now be free to remove.
7. Replace in reverse order.
NOTE: BEFORE TURNING ON POWER, SET THE DIP SWITCHES TO THE PROPER SETTING.
DIP SWITCH SETTING CHART:
To identify the module, measure the width of the case.
Type I is 5 1/8 inches wide x 4 1/2 inches deep
Type II is 5 5/8 inches wide x 4 1/2 inches deep
Type I & II have a 6 position dip switch module
Type III has a 10 position dip switch module
Type IV is 5 5/8 inches wide x 3 1/4 inches deep
Type IV has adjustment pots. in the center of the board
*THESE SWITCHES ARE FOR HERTZ SETTINGS - OFF=60HZ or ON=50HZ
**THESE SWITCHES ARE FOR TEMPERATURE SETTINGS - OFF=°F or ON=°
Impinger II - 1100 Series Service Manual - International60

MODEL 1100 SERIES OVENS
12345678910
Type 1 Off *Off On On ** Off Off
Type II Off * ** On Off On
Type III (Baldor) Off * ** Off On On On Off On On
Type III (Stepper) Off * ** On On Off Off On Off On
Type IV (Baldor) Off Off ** Off On On On Off On On
Type IV (Stepper) Off Off ** On On Off Off On Off On
Stepper Motor - Conveyor Speed 23 Seconds to 30 Minutes
Type III Off * Off ** Off On On Off On Off On On
Type IV Off Off ** Off On On Off On Off On On
TIME TEMP DISPLAY FOR D.C. DRIVE
12345678910
1 2 3 4 5 6 7 8 9 10 HI
TEMP
TEMP
CAL TIME
FROM
TRANSFORMER
TO
THERMISTOR
PROBE
RED
RED
YELLOW
BLACK
WHITE
YELLOW
YELLOW
DIP SWITCH MODULE
(TYPE I AND II HAVE ONLY 6 SWITCHES)
SWITCH POSITION ON OFF
TO STEPPER
CONTROLLER
FOR DISPLAYS WITH THERMOCOUPLE PROBE
9 10
TO THERMOCOUPLE PROBE
RED
WHITE
TEMPERATURE CALIBRATION
1. Set dip switches per chart on Page D15.
2. Place a thermocouple from your test pyrometer through a hole in the center of thetop finger. Tip of pyrometer
must not touch metal!
3. Set oven at 500°F (260°C) and allow to preheat for 30 minutes.
4. Adjust temperature calibration pot. so display agrees with your test meter.
5. Seal pot. with Glyptol or nail polish.
6. If display will not adjust properly, check your pyrometer for accuracy and if necessary, refer to troubleshooting
section.
If temperature is still inaccurate after above calibration and troubleshooting, use the
following to check the High Temp. Pot. normally the High Temp. Pot. does not require
adjustment. Occasionally the pot. is accidently moved or needs adjustment. Refer to the
following drawing showing proper adjustment of the High Temp. Pot.
Impinger II - 1100 Series Service Manual - International 61

FOR DISPLAYS WITH THERMISTOR PROBE ONLY
test leads here
reading should be 26 ± .5 ohms if not, adjust.
pot. range 0-34 ohms
BOTTOM OF TIME TEMP DISPLAY
TIME CALIBRATION
1. Be sure dip switch settings are proper.
2. Turn power on.
3. Turn conveyor on.
4. Place an object on the conveyor belt and time with a stopwatch, the elapsed time for the object to travel through
the oven (leading edge in to leading edge out).
5. Push in and hold the set button. (Discontinued on newer models)
6. Adjust time pot. (rear of display) so display agrees with your stop watch time.
7. Seal pot. with Glyptol or nail polish.
THERMISTOR PROBE REPLACEMENT
1. Shut off power at the main breaker.
2. Remove conveyor and fingers from oven.
3. Remove control compartment covers.
4. Disconnect the 2 yellow thermistor leads from terminals 9 and 10 on the rear of the time/temp. display.
5. Remove the sensing bulb of the thermistor probe from its wire form holder located at right inside rear of the
oven.
6. Install in reverse order.
NOTE: Be sure that the spring holder is holding the sensor bulb firmly. If the sensor is not held firmly,
compress the wire form slightly to increase pressure.
To test the thermistor probe, refer to the following chart and instructions:
OVEN TEMPERATURE
300°F 325°F 350°F 400°F 425°F 450°F 500°F 550°F
OHMS 182 138 102 62 48 38 24 16
1. Place test pyrometer thermocouple and preheat oven as specified under temperature calibration on Page D15.
2.
Disconnect the thermistor probe from terminals 9 and 10 and measure the resistance across the 2 yellow leads.
3. Refer to the above chart to determine if probe is producing the proper resistance.
EXAMPLE: The probe resistance at 500°F(260°C) should be 24 ohms.
SWITCH, DISPLAY, SET
1 Shut off power at main breaker.
Impinger II - 1100 Series Service Manual - International
62

1. Remove conveyor.
2. Remove front control compartment cover.
3. Disconnect wires from time/temp. display terminals 5 and 6.
4. Pull off black operating knob and remove hex mounting nut.
5. Reassemble in reverse order.
PROCEDURE FOR USE OF TIME/TEMP SIMULATOR
NOTE: For displays with Thermocouple, simulator will not work.
This is a test device used to check the Time/Temp. Display
Procedure for use:
1. Check incoming power to display at following terminals.
a) Terminal 1 to 3 should have approximately 12.5 to 15 VAC.
b) Terminal 2 to 1 should be 1/2 of the reading from 1 to 3.
c) Terminal 2 to 3 should also be 1/2 of the reading from 1 to 3.
2. Identify Display type:
a) Type 1 has 6 dip switches and display case is 5 1/8" wide (12.8cm).
b) Type 2 has 6 dip switches and display case is 5 5/8" wide (14 cm).
c) Type 3 has 10 dip switches.
3. Set Dip Switches as follows:
1 2 3 4 5 6 7 8 9 10
TYPE 1 OFF OFF OFF ON OFF
OFF
TYPE 2 OFF OFF OFF OFF OFF OFF
TYPE 3 OFF OFF OFF OFF OFF OFF OFF ON OFF ON
1. WITH POWER OFF: Remove all leads from T/T display except power input on 1,2 and 3. Install simulator to
terminals 4, 7, 9, 10.
NOTE: When on 50 Hz power dip switch number 2 must be on.
2. WITH POWER ON: Turn time and temperature adjustment pot. fully counter clockwise.
Display should read (wait 15 seconds after turning):
SPEED TEMPERATURE
TYPE 1 9:30 ± 10 SEC. 475° ± 10°F
TYPE 2 9:20 ± 10 SEC. HHH
TYPE 3 9:35 ± 10 SEC. 635° ± 10°F
1 Turn time and temperature pot. fully clockwise.
Display should read (wait 15 seconds after turning):
SPEED TEMPERATURE
TYPE 1 10:20 ± 10 SEC. 615° ± 10°F
TYPE 2 10:10 ± 10 SEC. 475° ± 10°F
TYPE 3 10:20 ± 10 SEC. 475° ± 10°F
1 For performance test, turn time pot. to 10:00 and temp. adjustment pot. to 540° ± 10°F.
1. Time reading on display of 10:00 should not fluctuate more than ± 5 seconds.
2. Temperature on display reading should not fluctuate.
SWITCH, ON/OFF
1. Shut off power at main breaker.
2. Remove conveyor.
3. Remove front control compartment cover.
4. Remove wires from switch and mark for reassembly.
5. Depress spring clips on the side of switch and push out.
6. Reinstall in reverse order.
Impinger II - 1100 Series Service Manual - International 63
TRANSFORMER, STEP DOWN/120 VAC
1. Shut off power at main breaker.
2. Remove Conveyor.
3. Remove control compartment covers.
4. Remove wires from transformer and mark for reassembly.
5. Remove 4 mounting screws from transformer base and replace.
6. Reassemble in reverse order.
FUSEHOLDER
1. Shut off power at main breaker.
2. Remove conveyor.
3. Remove control compartment covers.
4. Remove wires and mark for reassembly.
5. Remove fuseholder.
6. Reassemble in reverse order.
POWER CORD
1. Shut off power at main breaker.
2. Remove conveyor.
3. Remove control compartment covers.
4. Unfasten and mark for reassembly power cord wires.
5. Remove locknut from strain relief and pull cord from oven.
6. Reassemble in reverse order.
STEPPER CONTROL-REPLACEMENT-ADJUSTMENT
Removal and Installation
1. Remove conveyor.
2. Remove control box cover - front.
3. Remove three (3) screws from control assembly.
4. Disconnect wiring (push on connectors) from control board.
NOTE: Proper location of connectors for reinstallation.
5. Reassemble in reverse order and check system operation.
6. Recalibrate conveyor control board.
WARNING: THIS CONTROL MUST NOT BE OPERATED WITH HEAT SINK DISCONNECTED OR
BURNOUT WILL OCCUR IN SECONDS.
Impinger II - 1100 Series Service Manual - International64

Blue
Gray
Red Brown Red
POWER
J 5J 4J 3 J 1
J 6
LOCKED ROTOR
To T/T display
POTENTIOMETER
Max.
Conveyor
Speed Adj.
Min.
Conveyor
Speed Adj.
TIME/TEMP
Black to #4
White to #7
ON
12345
CURRENT SENSE
DO NOT ADJUST
Heat Sink
MOTOR
1. With power off, the five (5) dip switches located on the conveyor control (see drawing above ) should be set as
below.
DIP SWITCHES FOR 50 SEC. TO 30 MIN. TIMES
CONTROL 1 2 3 4 5
SWITCH POSITION OFF OFF ON OFF OFF
DIP SWITCHES FOR 23 SEC. TO 30 MIN. TIMES
CONTROL 1 2 3 4 5
SWITCH POSITION OFF ON OFF OFF OFF
2. With power off, the ten (10) dip switches located on rear of Time/Temp Display (see drawing on page D15)
should be set as below.
NOTE: For time/temp displays using a thermister (2 yellow wires on Terminals 9 & 10), set the dip switches as
follows:
FOR 50 SEC TO 30 MIN CONVEYOR TIMES
DISPLAY 1 2 3 4 5 6 7 8 9 10
SWITCH POSITION OFF * * ON ON OFF OFF ON OFF ON
Impinger II - 1100 Series Service Manual - International 65

1. With conveyor running, set conveyor speed control so Time/Temp. Display indicates 5:00 minutes. Place a pan
on the conveyor, measure (STOPWATCH) the time (SPEED OF PAN) of the leading edge in to leading edge
out of oven. Turn the time adjustment pot. on the rear of the Time/Temp. Display so display agrees with time
measured by the stop watch.
2. Turn conveyor speed control fully counterclockwise and adjust the stepper control maximum speed pot(refer
to drawing Pg. D-19) so the display indicates 50 seconds.
3. Turn conveyor speed control fully clockwise and adjust the stepper control minimum speed pot so the display
indicates 30 minutes.
NOTE: Repeat 4 and 5 to be sure settings are accurate.
4. Turn power off and set #1 dip switch to its (ON/OFF) other position and verify that the conveyor reverses
direction when power is applied. Set conveyor travel direction as customer requests.
CAUTION: ALWAYS REMOVE POWER BEFORE CHANGING CONVEYOR DIRECTION.
TO REVERSE CONVEYOR DIRECTION ON STEPPER DRIVE SYSTEM
1. Shut off power at main breaker.
2. Remove conveyor.
3. Remove front control box cover.
4. Change position of dip switch #1 on stepper control board as described on Page D20
5. Reassemble in reverse order.
TRANSFORMER - STEPPER MOTOR CONTROL
1. Shut off power at main breaker.
2. Remove conveyor.
3. Remove front cover.
4. Disconnect transformer wire harness.
5. Remove two (2) mounting screws.
6. Reassemble in reverse order.
For time/temp displays using a thermocouple (red wire on #9 and white wire on # 10), * Off for °F
set the dip switches as follows: * On for °C
DISPLAY 1 2 3 4 5 6 7 8 9 10
SWITCH POSITION OFF OFF * ON OFF OFF ON ON OFF ON
FOR 23 SEC. TO 30 MIN. CONVEYOR TIMES
NOTE: For time/temp displays using a thermistor (2 yellow wires on terminals 9 & 10),
set the dip switches as follows:
DISPLAY 1 2 3 4 5 6 7 8 9 10
SWITCH POSITION OFF * * ON ON OFF ON OFF ON ON
For time/temp displays using a thermocouple (red wire on #9 and white wire on # 10), * Off for °F
set the dip switches as follows: * On for °C
DISPLAY 1 2 3 4 5 6 7 8 9 10
SWITCH POSITION OFF OFF * ON OFF OFF ON ON OFF ON
Impinger II - 1100 Series Service Manual - International66

HALL EFFECT SENSOR - REPLACEMENT
Remove two (2) mounting screws and
remove sensor from conveyor motor. Reinstall in
reverse order.
+
- 1 2
gnd
3
3
2
gnd
FILTER
COVER
PLATE
FILTER
COVER
PLATE
PRESSURE
CONTROLLER
ADJUSTMENT
MANIFOLD
PRESSURE
ADJUSTMENT
OUTPUT
ELECTRICAL
CONNECTOR
ELECTRICAL
CONNECTOR
TOP VIEWSIDE VIEW
THE FOLLOWING COMPONENTS ARE USED FOR MODEL 1152-1158 ONLY
GAS VALVE, MULTI BLOCK FOR MODELS 1152 Through 1158
REMOVAL PROCEDURE:
1. Turn off power at the circuit breaker panel.
2. Turn off gas in main line before the flexible hose.
3. Remove control compartment covers.
4. Remove 4 screws from bulkhead plate on back of oven at gas pipe.
5. Remove gas pipe and bulkhead plate from gas valve.
6. Remove the 2 electrical plugs from the gas valve.
7. Unscrew the aluminum tubing connector from the gas valve.
8. Remove the cross brace from the top of the control cabinet.
9. Unscrew the pipe union and remove the gas valve.
10. Reassemble in reverse order and check for gas leaks.
ADJUSTMENT PROCEDURE - Refer to drawing above:
1. Remove the plastic cover (2 screws) exposing the pressure controller adjustment dial and adjust as follows:
NATURAL GAS LP GAS CITY/TOWN GAS
PRESSURE CONTROLLER
DIAL SETTINGS 8.8 23 4.5
2. Install a test manometer in the gas line between the gas valve and burner orifice. The test plug is located in the
gas line just below and on the burner side of the solenoid valve. The output manifold pressure adjustment is
made with a slotted screw located under a swivel cover marked “DRUCKREGLER”.The following chart is
provided for manifold pressure adjustment, However, always, refer to the Oven Identification Plate to be sure
the proper type of gas and pressure for that specific oven are being used.
Impinger II - 1100 Series Service Manual - International 67

TYPE OF GAS INCHES of CENTIMETERS of kPa Mbar
WATER
COLUMN WATER COLUMN
NATURAL GAS 3.5" WC 8.9 cm WC .87kPa 8.70Mbar
L.P. GAS 10"WC 25.4 cm WC 2.48kPa 24.8Mbar
CITY/TOWN GAS 1.4"WC 3.56 cm WC .35kPa 3.5Mbar
AIR PRESSURE SWITCH, BURNER OR OVEN CAVITY
TO REPLACE AIR SWITCH:
1. Shut off power at main breaker.
2. Remove conveyor.
3. Remove rear control compartment cover.
4. Remove cover of air switch exposing adjustment screw.
5. Disconnect and mark wires for proper reassembly.
6. Remove air tube and remove switch from hanger.
7. Reinstall in reverse order, making sure wires are properly attached and air tube is properly attached, unblocked
and aligned properly to avoid crimping.
TO CALIBRATE AIR SWITCH:
1. If switch will not activate when blower pressure is supplied, turn adjustment screw counter clockwise (-).
2. If switch will not deactivate when blower pressure is eliminated, turn adjustment clockwise (+).
SPARK GENERATOR
1. Turn off power.
2. Remove conveyor.
3. Remove control compartment covers.
4. Disconnect 2 power leads to ignition control. (Located in bottom front of rear control compartment).
5. Disconnect high voltage cable.
6. Remove 2 screws and lift out generator.
7. Replace in reverse order.
IGNITER SENSOR PROBE
1. See Page D8 to remove “hot surface ignitor”.
2. Unfasten screws and remove probe.
3. Disconnect wires and replace probe in reverse order.
IGNITION CONTROL
1. Shut off power at main breaker.
2. Remove control compartment covers.
3. For Honeywell Ignition Control, loosen 2 screws and remove control from base. For Landis & Gyr Ignition
Control, depress 2 clips and remove control from base.
4. If replacing the control and base, remove the control first and then 2 screws holding the base. Mark wires prior
to removal.
5. Reassemble in reverse order. Be sure base is correctly mounted or reset will not align with cover hole.
Impinger II - 1100 Series Service Manual - International68
MOTOR, BURNER BLOWER
1. Shut off power at main breaker.
2. Remove conveyor.
3. Remove control compartment covers.
4. Remove conveyor gear motor.
5. Loosen 4 burner nuts holding burner flange to oven wall.
6. Unplug burner blower motor. This plug has built in locking clips on 2 sides ofthe plug. Push in to release.
7. Loosen 3 screws holding the blower air horn to burner.
8. Remove top control compartment brace.
9. Spring back side of control box out slightly, push burner to side, and you should now be able to pull the right
side of the motor to the front, which should free the air horn from the burner. In some extreme cases the
cooling fan may have to be removed.
10. Assemble in reverse order.
BURNER ALARM - REPLACEMENT
1. Remove control compartment covers.
2. Remove two (2) wires from alarm, note wire numbers and location.
3. Remove retainer cover from alarm and remove assembly from mounting bracket.
4. Reassemble in reverse order and check.
Impinger II - 1100 Series Service Manual - International 69

GENERAL –1100 SERIES
LETTER P/N DESCRIPTION
A 369390 4” Caster w/ Mounting Plate
B 369502 Bottom Finger Cover
C Columnating Plate,See Install,Operations Manual
D Bottom Finger Housing
369505 S/N 2018676 & Below
370010 S/N 2018677 & Above
E 369504 Top Finger Housing
F Columnating Plate, See Install,Operations Manual
G 369503 Top Finger Cover
H 369669 Front Panel Label (with set button)
369907 Front Panel Label (without set button)
J 369511 Oven Top
K 369659 Conveyor Hole Cover
L 369228 Conveyor Hole Cover
M 369227 Catch Spring
N 369588 Ball Stud
369693 Spacer for Ball Stud
O 369225 Baffle, Inlet,Outlet
P 369211 Thumb Screw
Q 370118 Cross Support
R 369919 Stand Side
S 369231 4” Caster w/ Threaded Stem
T 369232 Adjustable Leg
Impinger II - 1100 Series Service Manual - International70

GENERAL 1100 SERIES BLOW UP
Impinger II - 1100 Series Service Manual - International 71
CONTROL COMPARTMENT-FRONT MODELS 1100 Thru 1106, 1130 Thru
1136,1150,1151,1160 Thru1163
LETTER P/N DESCRIPTION
A369173 Transformer,12.6 VAC
B369536 Cordset,Cooling Fan
C369124 Cooling Fan
D350224 Lens, Yellow
350225 Lens, Red
E369522 Knob & Dial, Thermostat
F369669 Front Panel Label w/Set Button Except 1150
369907 Front Panel Label w/o Set Button Except 1150
G369248 Knob, Speed Control
H369247 Shaft Lock
I370046 Button Only
J369260 Switch, On/Off
K369167 Switch, Display, Set
L369680 Front Cover Assembly
M369152 Potentiometer, Conveyor, All models prior to S/N 2011383 and Mod
els 1160 thru 1163 prior to S/N 2011978
369391 Potentiometer, Conveyor S/N 2011383 & Up. 1160-1163 S/N
2011978 & Up
N369172 Display, Time/Temp
O369128 Lamp, Pilot
P369520 Potentiometer, Temperature
Q369728 Temperature Control
R369155 Conveyor Control, All Models prior to S/N 2011383 Except Model
1160-1163 prior to S/N 2011978
S369240 High Hat (used with 369155)
T369509 Relay Cooling Fan, Not Used On 1100-1106
U369193 Thermistor Probe, Yellow Leads
V369131 Thermocouple Probe, 1 Red & 1 White Lead
W369025 Air Pressure Switch
X369189 Terminal Block
Y369508 Time Delay , 20 Minute Not Used On Models 1100-1106
Z369507 Thermostat, Cooling Fan Not Used On Models 1100-1106
AA 369640 Stepper Control,Models 1130 thru 1136, 1150,1151 S/N 2011383
and Up. Models 1160thru 1163 S/N 2011978 and Up
BB 369685 Drain Assembly
CC 369605 Transformer, Stepper Controller
Impinger II - 1100 Series Service Manual - International72

CONTROL COMPARTMENT-FRONT BLOW UP
MODEL 1100-1106, 1130-1136,1150,1151,1160-1163
Impinger II - 1100 Series Service Manual - International 73
CONTROL COMPARTMENT - FRONT MODELS 1152 THRU 1158
LETTER P/N DESCRIPTION
A369569 Cooling Fan
B369507 Thermostat, Cooling Fan
C369536 Cord Set, Cooling Fan
D369124 Cooling Fan
E369173 Transformer, 12.6 VAC
F350224 Lens, Yellow
G369522 Knob and Dial, Thermostat
H369907 Front Panel Label All Models Except 1152-1153
370142 Front Panel Label Model 1152-1153
I369248 Knob, Speed Control
J369247 Shaft Lock
K370046 Button Only
L369260 Switch, On/ Off
M369680 Front Cover Assembly
N*369167 Switch, Display Set
O*369152 Potentiometer, Conveyor
**369391 Potentiometer, Conveyor
P369572 Lamp, Pilot
Q369520 Potentiometer, Temperature
R369172 Display, Time/Temp.
S369508 Time Delay, 20 Minute
T354258 Transformer, Step Down 120 VAC
U369523 Relay
V369728 Temperature Control
W*369155 Control, Conveyor
X369189 Terminal Block
Y369523 Relay
Z**369640 Stepper Control
AA **369605 Transformer, Stepper Control
BB 369685 Drain Assembly
CC 369193 Thermistor Probe, 2 Yellow Leads
DD 369131 Thermocouple, 1 Red, 1 White Lead
* Used on S/N 2000200 to S/N 2011821
** Used on S/N 2011821 and Above
Impinger II - 1100 Series Service Manual - International74

CONTROL COMPARTMENT – FRONT 1152-1158 BLOW UP
Impinger II - 1100 Series Service Manual - International 75
CONTROL COMPARTMENT – REAR
MODELS 1100-1106 MODELS 1130-1136,1150,1151 S/N 2011383 AND BELOW
MODELS 1160-1163 S/N 2011978 AND BELOW
LETTER P/N DESCRIPTION
A369628 Set Screw
B369190 Drive Coupling, Complete
C369512 Rubber Sleeve
D369269 ‘Ball Plunger
EGear Motor Assembly. (Refer to Page 116 for Exploded View)
F369137 Circuit Breaker, 0.2 Amp
G369192 Capacitor, 7.5 MFD
H369200 Relay
I369185 Terminal Block
For 1 Phase Models (3 Required)
369187 For 3 Phase Models (4 Required)
J369186 Terminal Block End
For 1 Phase Models
369188 For 3 Phase Models
K369120 Contactor
For 1 Phase Models (2 Pole)
369178 For 3 Phase Models (3 Pole)
L354258 Transformer, Control
354257 Transformer, Control Model 1151 Only
M369506 Thermostat, High Limit
For Models 1130,1131,1132,1133,1134,1135,1136,
1151,1160,1161,1162,1163
369127 For Models 1100,1101,1102,1103,1104,1105,1106
N369832 Back Cover
O369583 Thermostat High-Limit For Model 1150
P369772 Terminal Block
Q370062 Electrical Box
R370063 Cover
SFuses See Chart On Next Page
TFuse Holders See Chart On Next Page
U369007 Thermostat, Cool Down For Models 1100, 1101, 1102, 1103,
1104, 1105, 1106
Impinger II - 1100 Series Service Manual - International76

CONTROL COMPARTMENT – REAR BLOW UP
MODELS 1100-1106
MODELS 1130-1136,1150,1151 S/N 2011383 AND BELOW
MODELS 1160-1163 S/N 2011978 AND BELOW
Impinger II - 1100 Series Service Manual - International 77

CONTROL COMPARTMENT – REAR
MODEL 1130-1136,1150,1151 S/N 2011383 AND ABOVE MODEL 1160-1163 S/N 2011978
AND ABOVE
LETTER P/N DESCRIPTION
A369186 Terminal Block End For 1 Phase Models
369188 For 3 Phase Models
B369185 Terminal Block
1 Phase Models (3 Required)
369187 3 Phase Models (4 Required)
C369120 Contactor 1 Phase (2 Pole)
369178 3 Phase (3 Pole)
D354258 Transformer, For Models 1134,1135,1136,1150
354257 Transformer, For Model 1151 Only
E369124 Cooling Fan
F369331 Finger Guard
G370062 Electrical Box
H370063 Cover
IFuses See Chart Below
JFuse Holders See Chart Below
K369200 Relay
L369603 Conveyor Motor Assy. See Page 116 for Breakdown
M369268 Set Screw
N369664 Sleeve only, Conveyor Drive Coupling
O369269 Ball Plunger
P369611 Coupling, Conveyor Drive, Complete
Q357067 Thermostat, Hi-Limit, All Models except 1150
369583 Thermostat, Hi-Limit, Model 1150 only
R369192 Capacitor, 7.5 MFD
S353014 Ground Lug
T369682 Back Cover Assembly
1 AMP
1 AMP
3 AMP
10 AMP
10 AMP
369195
369335
369013
369166
369014
369304
369012
369129
357107
1100
2
2
2
2
1101
2
2
2
2
1102
2
2
2
2
1103 2 2 2 2
1104
1
2
1
1
2
1
1105
1
2
1
1
2
1
1106
1
2
1
1
2
1
1130
2
2
2
2
1131
2
2
2
2
1132
2
2
2
2
1133
2
2
2
2
1160
2
2
2
2
1161
2
2
2
2
1162
2
2
2
2
1163
2
2
2
2
2
4
4
2
4
121
4
121
4
121
2
2
1
1
1
1
2
1
1
1
2
2
2
2
2
2
2
2
1
1
1
1
1
1
121
1151 BELOW S/N
2003879
1151 ABOVE S/N
2003880
1 2 1
1
1136 BELOW S/N 2003879
1136 ABOVE S/N
2003880
1150 BELOW S/N
2003879
1150 ABOVE S/N
2003880
1134 ABOVE S/N
2003880
1134 BELOW S/N 2003879
1135 BELOW S/N 2003879
1135 ABOVE S/N 2003880
T. FUSEHOLDERS
S. FUSEHOLDERS
MODELS
Impinger II - 1100 Series Service Manual - International78

CONTROL COMPARTMENT – REAR BLOW UP
MODELS 1130-1136,1150,1151 S/N 2011383 AND ABOVE
MODELS 1160-1163 S/N 2011978 AND ABOVE
Impinger II - 1100 Series Service Manual - International 79
CONTROL COMPARTMENT – REAR
MODELS 1152, 1153, 1154, 1155, 1157, 1158 S/N 2011821 AND BELOW
LETTER P/N DESCRIPTION
A369573 Control, Burner Ignition
B369574 Spark Generator
C369192 Capacitor, 7.5 MFD, Main Fan Motor
DGear Motor Assembly, See page 116 for Breakdown
E370036 Main Orifice – For Models 1152,1154,1157
369524 Main Orifice – For Models 1153,1155,1158
F369575 Air Switch
G369386 Support, Chain
H369576 Flareless Tube Fitting
IBypass Tube Assembly
369561 For Models 1152,1154,1157
369404 For Model 1153
369405 For Model 1155
369562 For Model 1158
J369689 Plug, Pressure Test
K369398 Solenoid Valve
L369656 High Voltage Lead, Spark Igniter
M369657 Flame Sensor Lead
N369654 Venturi Tube, Natural
369939 Venturi Tube, L.P.
O369590 Igniter Sensor Probe
P370031 Bypass Orifice – For Models 1152,1154,1157
369557 Bypass Orifice – For Models 1153,1155,1158
Q369571 Connector, 4 Pole
R369570 Connector, 3 Pole
S369580 Gas Valve, Multi Block
T369578 Hose
U369917 Connector ¼” Tube to 1/8” Pipe Thread
V369401 Air Shutter Assembly
W369589 Burner Blowers
X369533 High Limit, Control Compartment
Y369579 Solid State Alarm
Z369331 Finger Guard
AA 369335 Fuse, 1 Amp
369013 Fuse, 3 Amp
369014 Fuse, 10 Amp
BB 357107 Fuse Holder
CC 369583 Thermostat, Oven Cavity, High Limit
For Models 1152,1153
357067 For Models 1154,1155,1157,1158
DD 369137 Circuit Breaker, 0.2 Amp
EE 369124 Cooling Fan
369535 Cooling Fan Cordset
FF 369512 Sleeve Only, Conveyor Drive Coupling
GG 369268 Set Screw
HH 369269 Ball Plunger
JJ 369376 Terminal Block 3 Pole
KK 370148 Back Cover Assembly
LL 369190 Conveyor Drive Coupling
Impinger II - 1100 Series Service Manual - International
80

CONTROL COMPARTMENT – REAR BLOW UP
MODELS 1152,1153,1154,1155,1157,1158 S/N 2011821 AND BELOW
Impinger II - 1100 Series Service Manual - International 81
CONTROL COMPARTMENT – REAR
MODELS 1152 THRU 1158 S/N 2011821 AND ABOVE
LETTER P/N DESCRIPTION
A369771 Reset Switch, Ignition Control
BThermostat, Oven Cavity Hi-Limit
369583 For Models 1152,1153
357067 For Models 1154 thru 1158
C369664 Sleeve Only, Coupling Assembly
D369268 Set Screw
E369269 Ball Plunger Screw
F369611 Coupling Assembly
G369603 Stepper Motor Assembly, See Page 116 for Breakdown
I369566 Main Orifice Only – Models 1152,1154,1157
369524 Main Orifice Only – Models 1153,1155,1158
J369561 Bypass Tube Assembly
For Models 152,1154,1157
369562 For Models 1153,1155,1158
K369689 Plug, Pressure Test
L369398 Solenoid Valve 1154-1158
369889 Solenoid Valve 1152-1153
M369656 High Voltage Lead, Spark Igniter
N369657 Flame Sensor Lead
O369654 Venturi Tube, Natural
369939 Venturi Tube, L.P.
P369590 Igniter Sensor Probe
Q369575 Air Switch
R369786 Ball Chain, Air Switch
S369556 Bypass Orifice Models 1152,1154,1157
369557 Bypass Orifice Models 1153,1155,1158
T369571 Connector, 4 Pole
U369570 Connector, 3 Pole
V369580 Gas Valve, Multi Block
W370091 Support Bracket, Air Switches
X369576 Flareless Tube Fitting
Y369578 Hose
Z369917 Connector, Male, ¼” tube to 1/8” pipe
AA 369401 Air Shutter Assembly
BB 369589 Burner Blower Motor Assembly
CC 369331 Finger Guard
DD 369579 Solid State Alarm
EE 357107 Fuse Holder
369335 1 Amp Fuse
369013 3 Amp Fuse
369014 10 Amp Fuse
FF 369137 Circuit Breaker, 0.2 Amp
GG 369124 Cooling Fan
HH 369573 Ignition Control
II 369574 Spark Generator
JJ 369376 Terminal Block 3 Pole
KK 369192 Capacitor
Impinger II - 1100 Series Service Manual - International82

CONTROL COMPARTMENT – REAR BLOW UP
MODELS 1152 THRU 1158 S/N 2011821 AND UP
Impinger II - 1100 Series Service Manual - International 83
OVEN BACK ASSEMBLY – 1100 SERIES
LETTER P/N DESCRIPTION
A369182 Fan
B369899 Shroud, Fan
C369655 Stand Off
D369560 Heating Element (200V) Orange
369183 Heating Element (208V) Red
369521 Heating Element (220V) Yellow
369184 Heating Element (240V) Blue
E369549 Rear Wall Electric Oven
369976 Rear Wall Gas Oven
F369581 Motor Support Assembly
G369181 Motor, Main Fan 208/240V 60HZ
369196 Motor, Main Fan 240V 50 HZ
369539 Motor, Main Fan 120V 60 HZ
H369695 Clamp, Bracket
I369033 Clamp, Motor
J369674 Rear Cover Assembly Electric Ovens S/N 2011383 and Below
370049 Rear Cover Assembly All Ovens S/N 2017384 to 2019884
369681 Rear Cover Assembly All Ovens S/N 2019885 and Above
369540 Rear Cover Assembly, Model 1116,1117 S/N 2011383 and below
369675 Rear Cover Assembly Model 1152-1158 S/N 2011383 and Below
K369979 High Limit Bracket
L369227 Catch Spring
M369541 Thermocouple/Thermistor Bracket
Impinger II - 1100 Series Service Manual - International84

OVEN BACK ASSEMBLY – 1100 SERIES BLOW UP
Impinger II - 1100 Series Service Manual - International 85
GEARMOTOR ASSEMBLY – 1100 SERIES
LETTER P/N DESCRIPTION
A369519 Motor, DC –Conveyor
369384 Motor Brush
B369294 #4 Lock Washer
C369296 Screw, 4-40 x ¼
D369290 Optical Encoder Assembly
E369151 Coupling And Encoder Disc (.050” Allen Wrench Included)
F369146 Hex Nut, 4-40
G369294 #4 Lock Washer
H369292 Bracket, Tach. Generator
I369297 Screw, 6-32 x ¼
J369156 #6 Lock Washer
K369293 Screw, 4-40 x 3/8
LNLA Tach Generator (Replace with 370216)
M369298 Dust Cover
N369299 Bushing
O350247 Screw, 10-32 x 3/8
P369295 #10 Lock Washer
Q369603 Stepper Motor Gearbox Assembly (Includes R,S,T)
R369737 Hall Effect Sensor
S369658 Screw, 8-32 x ¼
T369736 Magnet 2 Pole
Impinger II - 1100 Series Service Manual - International86

GEARMOTOR ASSEMBLY – 1100 SERIES BLOW UP
Impinger II - 1100 Series Service Manual - International 87

CONVEYOR/DOOR – 1100 SERIES
LETTER P/N DESCRIPTION
369190 Conveyor Drive Coupling
Model 1100-1106 All
Model 1116-1117 S/N 2011382 and Below
Model 1130-1151 S/N 2011382 and Below
Model 1152-1158 S/N 2011820 and Below
Model 1160-1163 S/N 2011977 and Below
A
369611 Conveyor Drive Coupling
Model 1116-1117 S/N 2011383 and Above
Model 1130-1151 S/N 2011383 and Above
Model 1152-1158 S/N 2011821 and Above
Model 1160-1163 S/N 2011978 and Above
369512 Coupling Center
Model 1100-1106 All
Model 1116-1117 S/N 2011382 and Below
Model 1130-1151 S/N 2011382 and Below
Model 1152-1158 S/N 2011820 and Below
Model 1160-1163 S/N 2011977 and Below
B
369664 Coupling Center
Model 1116-1117 S/N 2011383 and Above
Model 1130-1151 S/N 2011383 and Above
Model 1152-1158 S/N 2011821 and Above
Model 1160-1163 S/N 2011978 and Above
C 369269 Ball Plunger
D 369268 Set Screw
E 369223 Crumb Pan, Right
F 369224 Crumb Pan, Left
G 369666 Conveyor Frame Assembly
H 369226 Pan Stop
J 369516 Conveyor Bearing
K 369514 Idler Shaft
369515 SprocketL 369978 Set Screw
M 369238 Drive Shaft
N 369513 Hinge
O 369510 Door Assembly, Includes N,P,& Q
P 370016 Impinger Nameplate
Q 369501 Door Latch & Catch
R 1123D Door with Window Includes N,P,& Q
S 369927 Window Frame Top
T 369925 Glass Access Window
U 369926 Window Frame Bottom
W 369929 Retainer, Window
X 369165 Splice Clips
Y 369194
369394 Conveyor Belt, Complete
Conveyor Belt, 1 Foot Section
Impinger II - 1100 Series Service Manual - International88

CONVEYOR/DOOR – 1100 SERIES BLOW UP
Impinger II - 1100 Series Service Manual - International 89
This page intentionally left blank.
Impinger II - 1100 Series Service Manual - International90
This page intentionally left blank.
Impinger II - 1100 Series Service Manual - International 91
