Lincoln Mini Conveyor Toaster St 1 Users Manual Operator
ST-1 to the manual 3f672e1c-5b39-438d-917c-98f374836620
2015-01-23
: Lincoln Lincoln-Mini-Conveyor-Toaster-St-1-Users-Manual-269424 lincoln-mini-conveyor-toaster-st-1-users-manual-269424 lincoln pdf
Open the PDF directly: View PDF
.
Page Count: 8

Merco Savory, LLC
1111 North Hadley Road
Fort Wayne, Indiana 46804
United States of America
Technical Support Hotline: (800) 678-9511
Telephone: (260) 459-8200
www.mercosavory.com
operator manual
This document includes:
• Safety Notices
• Specifications
• Installation Instructions
• Operating Instructions
• Cleaning Instructions
• Warranty Statement
Revision: B
P/N: 07023
Mini-Conveyor Toaster
Model ST-1

ST-1 Mini-Conveyor Toaster Operator Manual
2
IMPORTANT WARNING AND SAFETY INFORMATION
BEFORE INSTALLATION
Upon receipt of this unit, immediately unpack and inspect for possible concealed shipping damage. If the unit is
found to be damaged, save all packing materials and contact your delivery carrier within 5 days. Refer to “Shipping
Damage Instructions” enclosed for detailed instructions. Failure to follow these instructions will negate both Merco
Savory’s and your ability to file claims and receive compensation for shipping damage.
GENERAL INFORMATION
The ST-1 “Mini-Toaster” is capable of one or two-sided toasting of a variety of bread products such as breads,
buns, bagels, english muffins and raisin bread.
The ST-1 is a horizontal conveyor toaster that has high production capabilities, yet is scaled down in size to
accommodate operations with a minimum of counter space.
The ST-1 is available in 120V, 208V, 220V and 240V models. All models are equipped with variable conveyor
speed and an energy saver switch standard.
DANGER!
Do not work around conveyor belt with long hair, loose clothing, or dangling jewelry.
Getting caught in the belt could result in serious injury.
!
DANGER!
For your safety, do not store or use gasoline or other flammable vapors or liquids in
the vicinity of this or any other appliance.
!
DANGER!
Do not spray aerosols in the vicinity of this appliance while it is in operation.
!
This manual contains important safety and installation-operation instructions.
Require all operators to read this manual thoroughly before installing, operating or
servicing this equipment. Improper installation, adjustment, alteration, service or
maintenance can cause property damage, injury or death.
NOTE:
!
DANGER!
If the power supply cord appears to be damaged, do not attempt to operate the unit.
Contact a service agent or qualified electrician to repair!
!
DANGER!
Do not use parchment paper when placing food product through the toaster! Use of
such materials may cause a fire and should never be placed in the toaster.
!
DANGER!
To avoid electrical shock that can cause injury or death, always unplug the unit prior
to proceeding with any and all maintenance or cleaning procedures!
!

ST-1 Mini-Conveyor Toaster Operator Manual 3
INSTALLATION INSTRUCTIONS
Install the ST-1 in the most convenient location for ease of cleaning, maintenance and general operation. Avoid
installing in locations with drafts, close proximity to grease or vapor-producing appliances or other high ambient
heat equipment. Allow approximately 1” clearance on sides and back of unit for proper air circulation. Allow
sufficient overhead clearance for proper heat dissipation. This toaster must be level for proper operation and
comes equipped with 1” adjustable legs for this purpose.
Before operating this unit, be sure that the following two components are properly installed:
1. The reflector tray is installed below the lower heating elements before shipping. It merely slides under the
conveyor. NOTE: Proper toasting cannot be performed without reflector tray installed.
2. The toast receiving tray is packaged separately and must be installed before operating this unit. For front
delivery position, slide the receiving tray into the toaster cavity below the control panel, making sure the
lipped end is towards the back. Place the lipped end over the two (2) protruding pins located at the rear of
the toaster cavity. For rear delivery position, slide the receiving tray into the cavity from the back of the
toaster and place the lipped end over the 2 protruding pins closest to the front of the toaster (See Figure 1).
ELECTRICAL SPECIFICATIONS
Voltage
(Volts AC) Amperage
(Amps) Max. Power
(KW) Frequency
(HZ) Phase Cord
(Attached) Plug
(Attached)
120 14.8 1.7 50/60 1 3’ NEMA 5-15P
208 12.5 2.4 50/60 1 3’ NEMA 6-15P
220 9.6 2.1 50/60 1 3’ NEMA 6-15P
240 10.4 2.4 50/60 1 3’ NEMA 6-15P
*220 9.6 2.1 50/60 1 3’ None
*240 10.4 2.4 50/60 1 3’ None
The circuit on which the receptacle is installed must be of adequate wiring size and sufficient capacity to meet the requirements
indicated on the unit data plate and in accordance with the National Electrical Code and local electrical installation codes. * The
220V electrical information in the shaded area pertains to European models. The 240V electrical information in the shaded area
pertains to United Kingdom models.
Use these two mounting pins
for front delivery position.
Toast receiving tray in
rear delivery position.
Toast receiving tray in
front delivery position.
This toaster must be plugged into the
proper voltage which is specified on
the data plate located on the back
panel of the toaster. Use of any
other voltage or altering of plug will
damage unit, void warranty and may
cause injury.
!
WARNING
!

ST-1 Mini-Conveyor Toaster Operator Manual
4
CONTROL PANEL FEATURES
MAIN POWER SWITCH
This switch is located to the left of the panel and has three (3) positions: Stand-By, Off, and Full Power. It controls
the power going to the conveyor system and the two (2) heating zones. When the switch is in the “Full” position, all
available power is reaching the heating elements. When the switch is in the “Off” position, no power is reaching the
heating elements or the conveyor system. To operate this toaster you must have the Main Power Switch in the
“Full” position.
UPPER AND LOWER HEATING CONTROL KNOBS
Located to the right of the panel and below the energy saver switch, these two controls regulate the upper and
lower heating elements. To increase the temperature in the toasting chamber, rotate these controls to a higher
number. To decrease the temperature in the toasting chamber, rotate these controls to a lower number. NOTE: To
completely stop power to the heating elements, turn these controls to the “Off” position.
TOASTING BREAD PRODUCTS
Toasting bread products may seem to be a simple process but the results can be easily affected by a number of
factors. The first consideration is the type of product being toasted. Varieties of bread, such as whole wheat, rye,
white, english muffins, bagels and buns have different requirements to become perfectly toasted. Dryness or
moisture content of the bread (mostly described as “freshness,” with more moisture being the fresher), sugar
content and the thickness of the slice or bun all play a predominant role during toasting. Your ST-1 toaster is
designed to accommodate these varieties of bread products by adjusting the conveyor speed to create lighter or
darker toasting and to allow for toasting thicker products that contain more moisture such as english muffins or
fresh bagels. It is normal to operate the toaster in the lower ranges of the speed control or increase the heat
control settings to perform toasting of these more difficult products.
When going through these transitional periods, adjust conveyor speed faster or slower accordingly. It is suggested
that you se the conveyor speed at a lower number for thicker products or when toaster is cool and to a higher
number when toasting thinner products or when toaster is on but has been idle for a period of time.
OPERATION INSTRUCTIONS
After the toaster is level, reflector tray and receiving tray have been properly installed and the toaster is connected
to the proper voltage outlet, follow these procedures to begin toasting:
1. Flip Main Power Switch to “Full” position and Conveyor Speed Control to #7.
2. Set Heat Controls to #5. (NOTE: If toasting buns or other products requiring only one-sided toasting, set
only the Upper Heat Control to #5. Set the Lower Heat Control to the “Off” position.) The recommended
initial setting is #5. If you require darker toast color, rotate knobs to a higher number. If you require a
lighter toast color, rotate knobs to a lower number. Some experimentation will be required to obtain desired
results with your individual product. Dryness of bread , voltage differences, and sugar content of a bread
product all affect toast color. Whole grain, rye and other breads with a low sugar content will require a
higher setting to produce medium toast color.
3. Allow a 20-minute warm-up period.
4. Place bread product onto conveyor belt. When possible, always place product side by side to achieve
maximum production output. (NOTE: If toasting products requiring one-sided toasting, place product onto
conveyor belt with cut side up.
5. Finished product will automatically be released and slide down the receiving tray. Leaving the toast in the
receiving tray allows it to stay warm until needed.
6. If finished product is too light, try rotating upper or lower heater controls to a higher number. If product is
too dark, try rotating upper or lower heating controls to a lower number. Adjusting the conveyor speed to a
higher or lower number respectively speeds up or slows down the conveyor.
!
IMPORTANT: Always allow a 5-minute warm-up or cool-down period when making adjustments
to the heater controls.

ST-1 Mini-Conveyor Toaster Operator Manual 5
OPERATION INSTRUCTIONS (CONT’D)
7. When toaster is not in constant use, set switch to the “STAND-BY” position.
When returning to “Full” Power position for normal operation mode, allow a 5-minute warm-up period
before resuming toasting operation. (If desired, return to Full power and make a slight reduction in the
conveyor speed. This slower speed allows you to start toasting immediately while unit is returning to full
power. After approximately 5 minutes, return conveyor speed to original setting.)
CLEANING INSTRUCTIONS
The ST-1 is designed for easy cleaning. The stainless steel outer surfaces need nothing more than a daily wiping
with a soft, damp cloth. The reflector tray and receiving tray should be removed daily and wiped with a soft, damp
cloth to remove any crumb build-up. These components may be washed in hot sudsy water to remove any
stubborn crumb build-up and should be kept clean to help promote optimum toaster performance. The conveyor
belt should be cleaned with a damp cloth or a stiff bristled brush (non-metal) using a side-to-side motion.
!
CAUTION:
Unplug toaster and allow to cool before cleaning.
!
CAUTION: When switching to this position, always come to a full stop at the “Off” position first to
avoid damage to the switch.
!
CAUTION: Do not use abrasive cleaners on any part of this toaster as this will cause damage to
the toaster’s finish.
!
WARNING: Care must be taken to prevent water or cleaning compounds from getting on the
internal parts, especially the switches on the control panel.
!
WARNING: Do not immerse this toaster in water or spray water directly onto any part of this
toaster as this will cause damage to the internal workings, shorten lifespan and may
cause personal injury.

ST-1 Mini-Conveyor Toaster Operator Manual
6
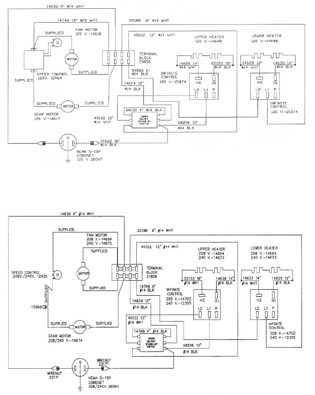
SCHEMATIC
120V Unit
SCHEMATIC
208/240V Unit

ST-1 Mini-Conveyor Toaster Operator Manual 7
LIMITED WARRANTY FOR COMMERCIAL PRODUCTS
LIMITED WARRANTY
Merco/Savory LLC, ("Merco”) warrants this product to be free from defects in material and workmanship for a period of:
• One (1) year from the date the product is installed or eighteen (18) months from the date of shipment from our facility, whichever comes
first.
• Heating elements only – two (2) year warranty against burnout (excluding breakage) from date of shipment from our facility.
• Hot Food Server products only – one (1) year labor, two (2) years parts from the date of shipment from our facility.
During the warranty period, Merco shall, at Merco’s option, repair, or replace parts determined by Merco to be defective in material or
workmanship, and with respect to services, shall re-perform any defective portion of said services. The foregoing shall be the sole obligation of
Merco under this Limited Warranty with respect to the equipment, products, and services. With respect to equipment, materials, parts and
accessories manufactured by others, Merco’s sole obligation shall be to use reasonable efforts to obtain the full benefit of the manufacturer’s
warranties. Merco shall have no liability, whether in contract, tort, negligence, or otherwise, with respect to non-Merco manufactured products.
WHO IS COVERED
This Limited Warranty is available only to the original purchaser of the product and is not transferable.
EXCLUSIONS FROM COVERAGE
• Repair or replacement of parts required because of misuse, improper care or storage, negligence, alteration, accident, use of incompatible
supplies or lack of specified maintenance shall be excluded
• Normal maintenance items, including but not limited to, light bulbs, fuses, gaskets, O-rings, interior and exterior finishes, lubrication, de-
liming, broken glass, etc.
• Failures caused by improper or erratic voltages
• Improper or unauthorized repair
• Changes in adjustment and calibration after ninety (90) days from equipment installation date
• This Limited Warranty will not apply to any parts subject to damage beyond the control of Merco, or to equipment which has been subject to
alteration, misuse or improper installation, accidents, damage in shipment, fire, floods, power changes, other hazards or acts of God that are
beyond the control of Merco.
• This Limited Warranty does not apply, and shall not cover any products or equipment manufactured or sold by Merco when such products
or commercial equipment is installed or used in a residential or non-commercial application. Installations not within the applicable building or
fire codes render this Limited Warranty and any responsibility or obligations associated therein null and void. This includes any damage,
costs, or legal actions resulting from the installation of any Merco commercial cooking equipment in a non-commercial application or
installation, where the equipment is being used for applications other than those approved for by Merco.
LIMITATIONS OF LIABILITY
The preceding paragraphs set forth the exclusive remedy for all claims based on failure of, or defect in, products or services sold hereunder,
whether the failure or defect arises before or during the warranty period, and whether a claim, however instituted, is based on contract, indemnity,
warranty, tort (including negligence), strict liability, implied by statute, common-law or otherwise , and Merco its servants and agents shall not be
liable for any claims for personal injuries, incidental or consequential damages or loss, howsoever caused. Upon the expiration of the warranty
period, all such liability shall terminate. THE FOREGOING WARRANTIES ARE EXCLUSIVE AND IN LIEU OF ALL OTHER WARRANTIES,
WHETHER WRITTEN, ORAL, IMPLIED OR STATUTORY. NO IMPLIED WARRANTY OF MERCHANTABILITY OR FITNESS FOR
PARTICULAR PURPOSE SHALL APPLY. MERCO DOES NOT WARRANT ANY PRODUCTS OR SERVICES OF OTHERS.
REMEDIES
The liability of Merco for breach of any warranty obligation hereunder is limited to: (i) the repair or replacement of the equipment on which the
liability is based, or with respect to services, re-performance of the services; or (ii) at Merco’s option, the refund of the amount paid for said
equipment or services.
Any breach by Merco with respect to any item or unit of equipment or services shall be deemed a breach with respect to that item or unit or
service only
WARRANTY CLAIM PROCEDURE
Customer shall be responsible to:
• Immediately advise the Dealer or Merco’s Authorized Service Agent of the equipment serial number and the nature of the problem.
• Verify the problem is a factory responsibility. Improper installation or misuse of equipment, are not covered under this Limited
Warranty.
• Cooperate with the Service Agency so that warranty service may be completed during normal working hours.
• Travel Time not to exceed two hours and mileage not to exceed one hundred (100) miles.
• Portable equipment weighting less than ninety (90) pounds must be delivered to the Service Agent at Customer’s expense.
GOVERNING LAW
This Limited Warranty shall be governed by the laws of the state of Delaware, USA, excluding their conflicts of law principles. The United Nations
Convention on Contracts for the International Sale of Goods is hereby excluded in its entirety from application to this Limited Warranty
Merco Savory LLC
1111 North Hadley Road
Fort Wayne, Indiana 46804
USA
www.mercosavory.com

ST-1 Mini-Conveyor Toaster Operator Manual
8